Система автоматизированного управления мобильной газораспределительной станцией

  • Вид работы:
    Дипломная (ВКР)
  • Предмет:
    Информационное обеспечение, программирование
  • Язык:
    Русский
    ,
    Формат файла:
    MS Word
    1,14 Мб
  • Опубликовано:
    2017-04-10
Вы можете узнать стоимость помощи в написании студенческой работы.
Помощь в написании работы, которую точно примут!

Система автоматизированного управления мобильной газораспределительной станцией

СОДЕРЖАНИЕ

Введение

. Аналитический обзор

.1 Назначение газораспределительных станций

.2 Состав газораспределительных станций

.3 Мобильные газораспределительные станции

.4 Обзор производителей мобильных газораспределительных станций

.5 Общие технические требования к системам автоматизированного управления газораспределительными станциями

.6 Характеристики существующих систем автоматизированного управления газораспределительными станциями

. Обоснование варианта выбора

. Система автоматизированного управления мобильной газораспределительной станцией

.1 Разработка структурной схемы системы автоматизированного управления

.2 Выбор датчиков

.3 Выбор промышленного контроллера

.4 Выбор схем согласования

.4.1 Схема согласования датчиков давления Метран-150

.4.2 Схема согласования датчиков температуры ТСМУ Метран-274-02

.4.3 Схема согласования блока управления запорной арматурой ЭПУУ-8

.4.4 Схема согласования вентилятора ВКР-4

.4.5 Схема согласования пожарного извещателя, охранного извещателя

.4.6 Схема согласования сигнализатора загазованности

.4.7 Схема согласования измерительного комплекса ЕК-270

.4.8 Схема согласования блока управления БУ-103

.5 Разработка схемы соединений системы автоматизированного управления

. Разработка алгоритма управляющей программы

.1 Разработка подпрограмм обслуживания датчиков и формата, получаемых данных

.2 Отладка разработанного программного обеспечения

. Расчет надежности системы автоматизированного управления

Заключение

Список использованных источников

Приложение 1. Листинг основной управляющей программы и подпрограмм обслуживания периферийного оборудования системы автоматизированного управления мобильной газораспределительной станцией.

ВВЕДЕНИЕ

Газораспределительные станции (ГРС) являются одними из основных объектов магистральных газопроводов в Единой газотранспортной системе. ГРС предназначены для подачи газа населенным пунктам, промышленным предприятиям и другим потребителям в заданном количестве, с определенным давлением, необходимой степенью очистки, одоризации и измерением расхода газа.

Надежное и безопасное функционирование газораспределительных станций гарантирует бесперебойную подачу газа потребителям. В целях обеспечения надежности и безопасности работы ГРС стратегически важным является разработка мероприятий, направленных на автоматизацию производства, сведение к минимуму негативного влияния человеческого фактора и перевода станций в автоматизированные производственные звенья. Это необходимо для оптимального управления режимами работы технологического оборудования ГРС, своевременного обнаружения и ликвидации отклонений, предупреждения аварийных ситуаций и ошибочных действий персонала. Степень автоматизации и реализация комплексных алгоритмов автоматического управления ГРС влекут за собой адекватное разделение форм организации технического обслуживания газораспределительных станций. На сегодняшний день нормативно-технической документацией [1] определены следующие формы обслуживания ГРС:

.        Централизованная - без постоянного обслуживающего персонала на ГРС, при наличии системы автоматики, поддерживающей установленный режим подачи газа без вмешательства персонала;

.        Периодическая - с обслуживанием ГРС в одну смену одним оператором, периодически посещающим ГРС, при наличии системы автоматики, поддерживающей установленный режим подачи газа без вмешательства персонала;

.        Надомная - с обслуживанием операторами, работающих на ГРС согласно утвержденному графику, при наличии системы телемеханики, аварийной, охранной и пожарной сигнализации;

.        Вахтенная - с круглосуточным дежурством обслуживающего персонала на ГРС посменно, при наличии аварийной, охранной и пожарной сигнализации.

На сегодняшний день газотранспортным предприятием ООО «Газпром трансгаз Ухта» эксплуатируется 181 газораспределительная станция с различными формами обслуживания, производительностью и степенью автоматизации. «Немолодой» парк газораспределительных станций стремительно обновляется путем проведения реконструкций и капитальных ремонтов. Выполнение данных работ связано с демонтажем и заменой технологического оборудования, что в свою очередь влечет значительное ограничение или прекращение подачи газа потребителям, и, как следствие, нарушение договорных обязательств и федерального законодательства в области газоснабжения. Выходом из сложившейся ситуации стало применение мобильных газораспределительных станций. Эти ГРС врезаются во входной и выходной газопровод реконструируемой газораспределительной станции и выполняют функции по очистке, снижению давления, одоризации, измерению количества транспортируемого потребителю газа. Единственным недостатком мобильных ГРС является слабая степень автоматизации:

отсутствие системы контроля загазованности;

отсутствие автоматической защиты от повышения и понижения давления газа на выходе ГРС;

отсутствие системы пожарообнаружения;

отсутствие защитных алгоритмов работы оборудования при возникновении нештатных ситуаций,

что снижает надежность и безопасность работы оборудования.

Целью данной работы является разработка системы автоматизированного управления мобильной газораспределительной станцией, обеспечение всех защитных и управляющих функций, а также функций по передаче данных в существующую систему телемеханики при реконструкции или капитальном ремонте стационарной ГРС. Повышение степени автоматизации мобильной ГРС обеспечит необходимый уровень управления режимами работы технологического оборудования ГРС, своевременного обнаружения и ликвидации отклонений, предупреждения аварийных ситуаций. Также это даст возможность переведения мобильных газораспределительных станций на централизованную форму обслуживания («безлюдные технологии»), и как следствие, снижение затрат предприятия.

.       
АНАЛИТИЧЕКИЙ ОБЗОР

1.1 Назначение газораспределительных станций

Газораспределительная станция является технологически сложным и опасным производственным объектом, к оборудованию и системам которого предъявляется ряд повышенных требований к надежности, промышленной и пожарной безопасности.

ГРС предназначены для снабжения газом от магистральных и промысловых газопроводов следующих потребителей:

объекты газонефтяных и газоконденсатных месторождений (собственные нужды);

объекты магистральных газопроводов и газокомпрессорных станций;

электростанции, в том числе и электростанции собственных нужд (ЭСН);

промышленные, коммунально-бытовые предприятия и населенные пункты.

Основными функциями ГРС являются очистка газа от механических примесей и жидких фракций, подогрев газа перед редуцированием с целью предотвращения гидратообразования, снижение высокого давления газа, поступающего от магистрального газопровода, методом редуцирования и подержание давления на выходе ГРС в необходимых потребителям пределах, одорирование газа - придание газу специфического запаха с целью обеспечения безопасности эксплуатации населением, коммерческий учет расхода газа, подаваемого потребителям с целью обеспечения взаиморасчетов с потребителями.

1.2 Состав газораспределительных станций

В состав ГРС входят следующие узлы и системы:

узел переключения - предназначен для защиты системы газопроводов потребителя от возможного высокого давления газа и для переключения потока газа высокого давления с автоматического на ручное регулирование давления по обводной линии;

узел очистки газа - предназначен для предотвращения попадания механических примесей и жидкостей в технологические трубопроводы, оборудование, средства контроля и автоматики ГРС и потребителей;

узел предотвращения гидратообразования - предназначен для предотвращения образования кристаллогидратов в газопроводных коммуникациях, оборудовании, запорной и регулирующей арматуре ГРС;

узел редуцирования газа - предназначен для снижения высокого входного давления газа (12 ÷ 120 кгс/см2) до низкого выходного (3 ÷ 12 кгс/см2) и автоматического поддержания заданного давления на выходе ГРС, а также для защиты газопровода потребителя от недопустимого повышения давления;

узел измерения расхода газа - предназначен для коммерческого учета газа;

узел одоризации газа - предназначен для придания запаха газу, подаваемого потребителю с целью своевременного обнаружения его утечек;

система энергообеспечения - по I категории электроприемников;

система аварийного и рабочего освещения;

система КИП и А - предназначена для обеспечения контроля параметров транспортируемого газа и автоматического управления (сигнализации) технологическим процессом;

система контроля загазованности - предназначена для автоматической сигнализации о наличии загазованности в помещениях или на территории ГРС;

система пожарообнаружения - предназначена для автоматической сигнализации о наличии возгорания в помещениях или на территории ГРС;

система телемеханики - предназначена для передачи информации о режиме работы ГРС в диспетчерскую службу

система связи предназначена для обеспечения надежной и бесперебойной связи с диспетчерской службой и потребителями;

система молниезащиты - предназначена для защиты оборудования ГРС от прямого попадания молний;

система электрохимзащиты - защита от блуждающих токов и коррозии подземных инженерных коммуникаций;

система отопления и вентиляции - предназначена для обеспечения требуемого микроклимата помещений ГРС и обеспечения необходимого технологического воздухообмена;

система охранной сигнализации - предназначена для автоматической сигнализации о проникновении на территорию ГРС посторонних лиц.

Общая структурная схема газораспределительной станции представлена на рисунке 1.

Рисунок 1 - Общая структурная схема газораспределительной станции

.3 Мобильные газораспределительные станции

В настоящее время для обеспечения надежности и бесперебойности поставок природного газа потребителям нашло применение такого технического решения, как использование мобильных газораспределительных станций, на период проведения капитальных ремонтов и реконструкций основного технологического оборудования стационарных ГРС.

В соответствии с положениями [3] мобильная ГРС должна отвечать следующим требованиям:

конструкция мобильной ГРС предусматривает заводскую готовность и возможность поставки к месту подключения любым видом транспортных средств;

мобильная ГРС обеспечивает очистку, редуцирование, учет и одоризацию газа, подаваемого коммунально-бытовым и промышленным потребителям, контроль за режимом работы (входное и выходное давление и температура газа на выходе ГРС);

мобильная ГРС должна быть оборудована системами отопления, вентиляции, электрооборудования, охранной сигнализации, контроля загазованности.

Общая технологическая схема мобильной газораспределительной станции представлена на рисунке 2.

Рисунок 2 - Общая технологическая схема мобильной ГРС

1.4    Обзор производителей мобильных газораспределительных станций

газораспределительный станция контроллер автоматизированный

На сегодняшний день производство мобильных газораспределительных станций в нашей стране представлено целым рядом производителей:

-       ООО «НПП «Авиагаз-союз» г. Казань, тип мобильной ГРС - «Исток»;

-       ООО «Завод Нефтегазоборудование» г. Саратов, тип мобильной ГРС - «Голубое пламя»;

-       ООО «Завод Газпроммаш» г. Саратов, тип мобильной ГРС - «ГПМ МУПГ-5»;

-       ОАО «БЗМТО» Брянский завод металлоконструкций и технологической оснастки г. Брянск, тип мобильной ГРС - «Снежеть»;

-       ООО «Завод Саратовгазавтоматика» г. Саратов, тип мобильной ГРС - «МГРС»;

-       ЗАО «Уромгаз» г. Екатеринбург, тип мобильной ГРС - «Урожай»;

-       НПП «ISTAL» г. Ташкент, тип мобильной ГРС - «Ташкент»;

-       ООО «Газоснабжение» г.Москва, тип мобильной ГРС - «БК ГРС», которые производят мобильные ГРС (в стандартной комплектации) в соответствии с требованиями [3]. В положениях Р Газпром «Временные технические требования к газораспределительным станциям (ГРС)» [3] отсутствуют требования к автоматизации мобильных ГРС, поэтому производители мобильных газораспределительных станций не включают раздел автоматизации в состав ГРС, также тем самым значительно снижая ее себестоимость. Но практика эксплуатации мобильных газораспределительных станций, в условиях проведения капитальных ремонтов и реконструкций стационарных ГРС, показала необходимость их комплектования системами автоматизированного управления (САУ ГРС) для обеспечения бесперебойной, надежной и безопасной подачи газа потребителю.

1.5 Общие технические требования к системам автоматизированного управления газораспределительными станциями

Узел переключения:

-       измерение давления газа на входе

-       измерение давления газа на выходе

-       измерение температуры газа на входе

-       измерение температуры газа на выходе

-       сигнализация положения крана на входе ГРС;

-       сигнализация положения крана на выходе ГРС;

-       сигнализация положения крана аварийного сброса газа на свечу на входе ГРС;

-       управление краном на входе

-       управление краном на выходе

-       управление краном аварийного сброса газа на свечу на входе ГРС

Узел очистки газа:

-       измерение перепада давления газа в фильтре;

-       сигнализация максимального уровня конденсата в фильтре;

-       сигнализация положения крана на линии сброса конденсата;

-       управление краном на линии сброса конденсата;

Узел предотвращения гидратообразования:

-       измерение температуры теплоносителя;

-       измерение давления топливного газа перед горелкой;

-       сигнализация отсутствия пламени;

-       сигнализация прорыва трубного пучка;

-       сигнализация «Авария подогревателя»;

-       сигнализация режимов работы подогревателя;

-       измерение температуры газа на выходе узла предотвращения гидратообразования;

-       сигнализация положения крана на входе узла предотвращения гидратообразования;

-       сигнализация положения крана на выходе узла предотвращения гидратообразования;

-       сигнализация положения крана на обводной линии узла предотвращения гидратообразования;

-       управление краном на входе узла предотвращения гидратообразования;

-       управление краном на выходе узла предотвращения гидратообразования;

-       управление краном на обводной линии узла предотвращения гидратообразования;

Узел редуцирования газа:

-       измерение давления газа на выходе узла редуцирования;

-       сигнализация положения кранов на линиях редуцирования;

-       управление кранами на линиях редуцирования;

-       сигнализация «неисправность линии редуцирования»;

-       сигнализация недопустимого повышения давления газа после узла редуцирования;

-       сигнализация недопустимого понижения давления газа после узла редуцирования;

Узел измерения расхода газа (сбор информации с вычислителей расхода газа):

-       мгновенное, среднечасовое, среднесуточное значения давления газа в измерительном трубопроводе;

-       мгновенное, среднечасовое, среднесуточное значения температуры газа в измерительном трубопроводе;

-       мгновенное, значение объема (расхода) газа при рабочих условиях;

-       суммарный объем газа за час (при рабочих условиях);

-       суммарный объем газа за сутки (при рабочих условиях);

-       мгновенное значение объема (расхода) газа при стандартных условиях;

-       суммарный объем газа за час (при стандартных условиях);

-       суммарный объем газа за сутки (при стандартных условиях);

-       накопленный объем за месяц (при стандартных условиях);

-       мгновенное значение нарастающего объема газа с начала контрактного часа (при стандартных условиях);

-       среднесуточное значение перепада давления на счетчике газа;

-       объем газа за прошедшие сутки (при стандартных условиях);

-       контрактный час;

-       метод измерения объема (расхода) газа;

-       метод расчета коэффициента сжимаемости;

-       тип вычислителя/корректора объема (расхода) газа;

-       тип датчика давления;

-       атмосферное давление;

-       дата и текущее время;

-       молярная доля диоксида углерода;

-       молярная доля азота;

-       плотность газа при стандартных условиях;

-       коэффициент преобразования числоимпульсного преобразователя расхода;

Узел одоризации:

-       контроль и отображение параметров работы системы локальной автоматики одоризатора;

-       измерение уровня в емкости хранения одоранта;

-       сигнализация утечки одоранта из емкости;

-       сигнализация режима работы одоризатора (ручной/автоматический);

-       сигнализация минимального уровня одоранта в емкости хранения;

-       сигнализация максимального уровня одоранта в емкости хранения;

Узел отбора газа на собственные нужды:

-       объем газа на собственные нужды (при стандартных условиях);

Обводная (байпасная) линия:

-       сигнализация положения крана на обводной линии;

-       управление краном на обводной линии;

Общий узел подготовки импульсного газа:

-       сигнализация перепада давления газа на фильтре очистки импульсного газа;

-       измерение давления в линии импульсного газа;

Станция катодной защиты (СКЗ):

-       выходной ток СКЗ в диапазоне 0÷100 А;

-       выходное напряжение СКЗ в диапазоне 0÷100 В;

-       измерение расхода электроэнергии;

-       сигнализация состояния СКЗ («в работе»/»в резерве»);

-       управление преобразователем СКЗ (включение/выключение);

Система контроля загазованности помещений:

-       контроль и световая сигнализация загазованности помещений ГРС;

-       сигнализация неисправности прибора контроля загазованности;

Система охранно-пожарной сигнализации:

-       сигнализация блокировки дверей в помещениях ГРС;

-       сигнализация пожара в помещениях ГРС;

-       сигнализация неисправности прибора пожарной сигнализации;

-       блокировка вытяжных вентиляторов при пожаре;

-       закрытие электромагнитного клапана на трубопроводе подачи газа на отопительные агрегаты в узле предотвращения гидратообразования;

Система энергоснабжения:

-       сигнализация отключения основного источника питания;

-       сигнализация состояния резервного источника питания;

-       сигнализация переключения на резервный источник питания;

-       измерение расхода электроэнергии;

Уставки САУ ГРС:

-       режим работы ГРС (ручной/автоматический);

-       режим сброса конденсата (ручной/автоматический);

-       минимальное давление газа на входе ГРС;

-       максимальное давление газа на входе ГРС;

-       минимальное давление газа на выходе ГРС;

-       максимальное давление газа на выходе ГРС;

-       максимальный перепад давления газа на счетчиках;

-       максимальный перепад давления на фильтрах;

Алгоритмы САУ ГРС:

-       защита ГРС по превышению давления газа на выходе;

-       аварийный отстанов ГРС со стравливанием по пожару;

-       аварийный отстанов ГРС со стравливанием по II порогу загазованности;

-       аварийный отстанов ГРС без стравливания по сигналу «низкое давление газа на входе ГРС»;

-       закрытие ниток редуцирования ГРС без стравливания по сигналу «низкое давление газа на выходе ГРС»;

-       закрытие ниток редуцирования ГРС без стравливания по сигналу «высокое давление газа на выходе ГРС»;

-       сброс конденсата в промежуточную емкость;

-       включение аварийной вытяжной вентиляции по I и II порогам загазованности;

-       включение табло «ЗАГАЗОВАННОСТЬ»;

-       включение светозвуковой сигнализации по сигналу «ПОЖАР»;

-       включение аварийно-предупредительной сигнализации по сигналу «ЗАГАЗОВАННОСТЬ»;

-       задание расхода в блок управления одоризатором.

1.6 Характеристики существующих систем автоматизированного управления газораспределительными станциями

На сегодняшний день отечественная промышленность предлагает ряд разнообразных решений по автоматизации газораспределительных станций, имеющих в своей основе ключевые позиции, отражающие основные требования нормативно-технической документации и учитывающие богатый эксплуатационный опыт газотранспортных предприятий.

.        «КП САУ ГРС» производитель ОАО «Фирма Газприборавтоматика» г. Москва.

Контролируемый пункт с функциями САУ ГРС «КП САУ ГРС» реализован на базе комплекса программных и технических средств «Магистраль-2». В основе «КП САУ ГРС» лежит процессорный модуль DIMM PC520, фирмы Kontron (Германия).

Характеристики процессорного модуля DIMMPC520:

-       процессор AMD SCElan520 (аналог i486DX имеет математический сопроцессор) с тактовыми частотами 100 и 133МГц;

-       на модуле может быть установлено от 16-х до 32-ти мегабайт оперативной памяти работающей на частоте 66 МГц;

-       флэш-диск ёмкостью 16 или 32 мегабайта;

-       два последовательных порта RS-232 (COM1, COM2) с FIFO (приёмопередатчики совместимы с UART 16С550 и обеспечивают скорость до 115200 бод);

-       один параллельный порт;

-       контроллер клавиатуры и мыши (PS/2);

-       контроллер гибких дисков;

-       контроллер жёстких дисков (IDE);

-       часы реального времени (RTC);

-       аппаратный сторожевой таймер (watchdog);

-       аппаратный таймер с разрешением 1 мсек;

-       напряжение электропитание 5В постоянного тока, потребляемый ток от 50 до 400 мА в зависимости от режима работы;

«КП САУ ГРС» состоит из следующих модулей:

На базе модуля DIMM PC520 ООО «Фирма Газприборавтоматика» разработан и изготавливается модуль центрального процессора «КП САУ ГРС» ДМ-01.

Плата расширения COM-портов ДМ-011, выполненная на микросхеме TL16c650 производства Texas Instruments <#"897108.files/image003.gif">

Рисунок 4 - Структурная схема «ШКУ ГРС»

Технические характеристики контроллера I-8811//DOS7/512:

-       Процессор: AMD 80188, 40MHz;

-       ПЗУ: 512 Kbytes;

-       Flash-память: 512 Kbytes, 100000 циклов перезаписи;

-       Операционная система: Mini OS7;

-       Энергонезависимая память EEPROM: 2 Kbytes, 1000000 циклов перезаписи;

-       Сторожевой таймер;

-       Таймер реального времени: часы, минуты, секунды, день недели, число, месяц, год (до 2079);

-       NVRAM: 31 bytes;

-       Питание: от +10 до +30 Вольт постоянного напряжения, 20 Ватт.

Последовательный модуль аналого-цифрового преобразователя (АЦП) I-87017RС ICP DAS (Тайвань) предназначен для преобразования значений величины токовых сигналов в параллельный шестнадцатиразрядный двоичный код. Аналого-цифровой преобразователь имеет 8 дифференциальных каналов (тип входов: мВ, В, мА). Входной диапазон по напряжению: ±150мВ, ±500мВ, ±1В, ±5В, ±10В. Входной диапазон по току ±20мА (с внешним резистором). Для преобразования сигналов токовых датчиков величиной 4-20 мА, в модулях встроены шунтирующие резисторы величиной 250 Ом ± 1,0% (Rш). Управление работой модуля производится сигналами от процессора через внутреннюю шину.

Параллельный I-8053, последовательный I-87053 модуль ввода дискретных сигналов ICP DAS (Тайвань) предназначен для реализации функций сбора дискретных сигналов в виде замыкания/размыкания сухих контактов или в виде напряжений постоянного тока положительной полярности различных уровней для логического «0» - от 0 до +1 В, для логической «1» - от +3,5 до +30 В. Модуль обеспечивает ввод 16 потенциальных дискретных сигналов. Управление работой производится сигналами от процессора через внутреннюю шину.

Параллельный I-8064, последовательный I-87064 модуль релейного вывода дискретных сигналов ICP DAS (Тайвань) предназначен для формирования восьми релейных сигналов, используемых для управления исполнительными механизмами. Нагрузочная способность выхода 5 А (250 В переменного тока), 5 А (30 В постоянного тока). Управление работой производится сигналами от контроллера через внутреннюю параллельную шину процессора.

Модуль расширения порта RS-232 I-8114 ICP DAS (Тайвань) обеспечивает расширение последовательного порта контроллера до четырех каналов стандарта RS-232. Сигналы СОМ-порта: TxD, RxD, RTS, CTS, DTR, DSR, RI, GND. Модуль поддерживает прерывания и обеспечивает возможность подключения модемов.

Локальный пульт управления и отображения предназначен для отображения информации в мнемоническом виде на графическом дисплее и формирования команд, выдаваемых вручную с сенсорной клавиатуры дисплея. Панель оператора марки MT8121X производства фирмы WEINTEK (Тайвань) является программируемым устройством типа HMI, настраивается на обмен с контроллером по интерфейсу RS-232 и протоколу MODBUS RTU. На дисплее отображается мнемосхема ГРС, содержащая информацию о состоянии кранов, входных/выходных давлениях и температурах в трубопроводах ГРС, о расходе газа и другие сигналы ГРС.

.        «САУ ГРС» на основе ПТК СТН-3000 производитель ЗАО «Атлантиктрансгазсистема» г.Москва.

«САУ ГРС» реализована на основе программно-технического комплекса СТН-3000 - автоматизированной системы управления распределенными технологическими объектами. Основой «САУ ГРС» является программируемый логический контроллер ControlWave фирмы Bristol Inc. (США). Контроллеры имеют модульную структуру. Контроллеры состоят из основного блока и блока расширения. Основной блок содержит базовый блок и, в зависимости от заказа, до 1, 2 или 6 модулей ввода-вывода. Базовый блок объединяет кросс-плату, смонтированную в корпусе, модуль источника питания и ЦПУ-модуль. Блок расширения позволяет дополнительную установку до 2, 4 или 8 модулей ввода-вывода.

Характеристики контроллера ControlWave:

-       процессор AMD Elan 586 - 100 МГц ;

-       SRAM: 2 МБ с батарейной поддержкой;

-       SDRAM: хранится во флэш-памяти;

-       память кодов/инструкций: 4МБ флэш встроенная;

-       системная динамическая память: 64 МБ (66 МГц, соединенная с 32-битной шиной);

-       шина PCI для модуля расширения связи;

-       переключатель ключа безопасности.

Для программирования контроллера применяется ControlWave Designer - среда программирования, соответствующая IEC 61131-3.

Подключение внешнего оборудования осуществляется через искробезопасные интерфейсы к изолированным 8- или 16-канальным модулям аналогового ввода/вывода, 16- или 32-канальным модулям цифрового ввода/вывода и 12- или 16-канальным модулям дискретного ввода/вывода. Шина ISA поддерживает горячую замену модулей ввода/вывода.

.        «САУ ГРС Сириус» производитель ООО «НПА Вира Реалтайм» г.Москва.

«САУ ГРС Сириус» представляет собой многофункциональный конфигурируемый программно-технический комплекс на основе мощного контроллера АСЕ3600 фирмы Motorola (США). Основной состав комплектного оборудования, применяемый в составе системы САУ ГРС:

-       шкаф контроля и управления ГРС;

-       программный пакет «Сириус-ГРС»;

-       пульт оператора - ЖК-панель, встроенная в шкаф контроля и управления ГРС;

Характеристика контроллера ACE3600:

-       CPU 3610, основан на 32-разрядном RISC-микропроцессоре Power PC 200МГц, работающем под управлением операционной системы реального времени VX-Works фирмы Wind River Systems (США);

-       ОЗУ - 32 МБайта;

-       флеш-память - 16 МБайт;

-       статическое ОЗУ - 4 МБайта;

-       коммуникационные интерфейсы: последовательные линии RS-232/RS-485, локальные сети, аналоговые и цифровые радиоканалы, GSM, CDMA, беспроводные каналы связи типа WiMax и Canopy.

Связь с первичным внешним оборудованием осуществляется при помощи модулей ввода/вывода с увеличенной емкостью входов/выходов, автоматическим распознанием модулей, светодиодными индикаторами ошибки модуля и указателя работы для каждого входа/выхода:

-       дискретные вводы на 16/32 канала 24В/220В;

-       дискретные выводы на 12/16/32 канала 24В/220В до 2 А;

-       аналоговые вводы на 8/16 каналов ±20мА/±5мА;

-       аналогового вывода на 4/8 каналов 20мА/10В;

-       смешанного ввода/вывода.

Поддерживается возможность «горячей» замены модулей. Контроллер обеспечивает удаленную загрузку в CPU любых конфигурационных файлов, прикладных программ и их исходных кодов, данных пользователя, а также системного программного обеспечения. Также допускается удаленное чтение из контроллера некоторых конфигурационных файлов. Удаленно можно произвести полную диагностику работы контроллера, состояния всех его элементов, устройств и модулей ввода/вывода, проверить текущее состояние каналов ввода/вывода и исправность модулей.

.        «САУ ГРС» производитель ООО НТО «Терси-КБ» г. Саров.

«САУ ГРС» реализована на базе программируемого логического контроллера ВСЕ-5 (производства ООО НТО «Терси-КБ») предназначенного для работы в составе САУ в качестве управляющего элемента технологического контроллера. Контроллер ВСЕ-5 разработан на базе ядра ARM9 Advanced RISC Machines (Великобритания).

Характеристики контроллера ВСЕ-5:

-       32-х разрядный, 180МГц;

-       SDRAM: 64Мбайт;

-       SRAM:256Кбайт;

-       слот для карт памяти: microSD, microSDHC;

-       поддерживаемые карты памяти: до 8 Гбайт;

-       часы реального времени;

-       интерфейсное обеспечение: RS-232-1шт. до 115200 бит/с, RS-485 - 1шт., до 115200 бит/с, Ethernet - 2шт.;

-       шина расширения PLC4: подключение до 15 блоков ввода/вывода, скорость обмена 300Кбит/с;

-       протоколы приема-передачи данных:Modbus RTU, Modbus TSP, Modbus ASCII, МЭК 60870-5-101, МЭК 60870-5-104, ISO 1745, SNMP, NMEA 0183.

Структурная схема «САУ ГРС» представлена на рисунке 5.

Рисунок 5 - Структурная схема «САУ ГРС»

Все датчики и исполнительные устройства ГРС подключаются к системе через блоки быстросъемных реле и клеммных колодок, которые обеспечивают дополнительную гальваническую изоляцию и требуемую нагрузочную способность сигналов управления и сигнализации. Реле и клеммные колодки связаны с блоками ввода/вывода технологического контроллера. Часть сигналов запорной арматуры также поступает на блоки управления кранами.

«САУ ГРС» содержит одну или более линеек блоков управления запорной арматурой BCV-1 <#"897108.files/image005.gif">

Рисунок 6 - Структурная схема «САУ ГРС Янтарь»

Центральным процессором контроллера является CPU 317-2 DP. Рабочая память - 512Кбайт. Расширение - до 32 модулей. Встроенный MPI интерфейс, скорость обмена данными до 12 Мбит/с. Встроенный интерфейс ведущего/ ведомого устройства PROFIBUS DP со скоростью передачи данных до 12 Мбит/с и поддержкой в режиме ведущего DP устройства профиля DPV1. Языки программирования (STEP 7, S7-SCL, S7-GRAPH, S7-HiGraph).

Сигнальные модули, предназначенные для ввода/вывода дискретных и аналоговых сигналов контроллера, включают в свой состав:

-             модули ввода дискретных сигналов SM321;

-             модули вывода дискретных сигналов SM322;

-             модули ввода-вывода дискретных сигналов SM323;

-             модули ввода аналоговых сигналов SM331;

-             модули вывода аналоговых сигналов SM332;

-             модули ввода-вывода аналоговых сигналов SM334.

Коммуникационные модули СР-343-1 применяются для получения необходимого количества коммуникационных каналов. Коммуникационные модули оснащены встроенным микропроцессором и буферной памятью, что позволяет выполнять автономную обработку коммуникационных задач с минимальной нагрузкой на центральный процессор контроллера. Коммуникационные модули поддерживают функции дистанционного программирования и диагностики контроллера.

Интерфейсные модули IM360 служат для построения многорядных конфигураций программируемых контроллеров S7-300 и подключения к базовым блокам контроллера до 3 стоек расширения по 8 модулей в каждой.

Стабилизированные блоки питания PS 305 с входным постоянным или переменным напряжением, с выходным напряжением 24 В DC и током до 10 А, для обеспечения питания программируемого контроллера SIMATIC S7-300, станций распределенного ввода-вывода SIMATIC ET 200M, их исполнительных устройств и цепей датчиков.

Соединитель SIEMENS 6ES7392 фронтальный, 20-полюсный служит для простого и удобного подключения датчиков и исполнительных устройств внешних входных и выходных цепей.

Анализируя представленные выше варианты систем автоматизированного управления газораспределительными станциями, разрабатываемыми различными отечественными производителями, можно говорить о едином, сформированном под влиянием технологических требований и задач, подходе в формировании архитектуры САУ ГРС. Это применение, в большинстве своем, модульных контроллерных систем, работающих на операционных системах реального времени, высоко интегрированного согласующего, соединительного, преобразующего оборудования в модульном исполнении и опирающихся на технологии шинных интерфейсов и специализированных протоколов передачи данных.

В рассмотренных системах автоматизированного управления ГРС промышленные контроллеры, предназначенные для работы в режиме жестких автоматов с обеспечением безопасности технологического процесса, вынуждены исполнять также роль маршрутизаторов передачи данных от одного оборудования к другому. Задача эта вполне выполнима, поскольку по производительности большинство современных контроллеров вполне сопоставимы с промышленными компьютерами. Но программирование данных процессов, в сочетании с одновременным обеспечением безопасности технологического процесса, нередко получается слишком громоздким и приводит к ограничению возможностей всей системы. Поэтому некоторые производители САУ ГРС пошли по пути внедрения в систему управления встраиваемого промышленного компьютера, запрограммированного на решение задач взаимодействия периферийного оборудования, а также выполнение функции сервера баз данных параметров технологического процесса и информационной системы ГРС в целом. При этом за основным программируемым логическим контроллером остаются задачи текущего управления технологическим процессом, обеспечение безопасности потребителей газа и защиты оборудования.

2.     
ОБОСНОВАНИЕ ВЫБОРА ВАРИАНТА

Рассматривая весь спектр применяемого оборудования в составе производимых сегодня систем автоматизированного управления газораспределительными станциями, можно отметить, использование всеми производителями САУ комплектующих (промышленные контроллеры, модули ввода/вывода, шины расширения и сопряжения, программное обеспечение) иностранного производства, что увеличивает эксплуатационные расходы и значительно повышает конечную стоимость системы управления в целом.

В связи с выходом Постановления Правительства РФ от 04.08.2015г.

№ 785 «О создании Правительственной комиссии по импортозамещению» и в целях реализации «Политики ПАО «Газпром» в области поддержки развития и освоения производства импортозамещающей продукции отечественными предприятиями-изготовителями» предлагаю разработку системы автоматизированного управления мобильной газораспределительной станцией выполнить с использованием оборудования и комплектующих отечественного производства.

Одним из производителей обширной линейки комплектующих для разработок систем управления различными технологическими процессами является ЗАО «Эмикон». Данная компания является полностью российской и обладает производственными мощностями, расположенными в Московской области, городской округ Королев. ЗАО «Эмикон» занимается разработкой и производством средств и систем автоматизации технологического оборудования. Специализацией кампании является разработка и производство импортозамещающих программируемых логических контроллеров (ПЛК) и других средств автоматизации, а также проектирование и поставка «под ключ» АСУ ТП в различные отрасли промышленности и коммунального хозяйства, как для вновь устанавливаемого оборудования, так и для замены или модернизации устаревших отечественных или импортных систем на действующем оборудовании.

Компания ЗАО «Эмикон» представляет более 25 лет свою продукцию преимущественно на российском рынке средств автоматизации технологического оборудования и процессов. В настоящее время в топливно-энергетическом комплексе, в частности на объектах ООО «Газпром трансгаз Ухта», на базе контроллеров Эмикон работают системы управления вспомогательным оборудованием (котельные, очистные сооружения водоснабжения и водоотведения).

В данной работе выполнена разработка системы управления мобильной ГРС на основе промышленного логического контроллера DCS-2000 производства компании ЗАО «Эмикон». Газораспределительные станции являются одними из основных объектов магистрального транспорта природного газа.

3.     
СИСТЕМА АВТОМАТИЗИРОВАННОГО УПРАВЛЕНИЯ МОБИЛЬНОЙ ГАЗОРАСПРЕДЕЛИТЕЛЬНОЙ СТАНЦИЕЙ

3.1 Разработка структурной схемы системы автоматизированного управления

Основными структурными элементами системы автоматизированного управления мобильной газораспределительной станцией являются:

Аппаратная часть:

-       модуль центрального процессорного устройства;

-       модули ввода аналоговых сигналов от первичных датчиков;

-       модули ввода дискретных сигналов от внешнего технологического оборудования;

-       модули ввода цифровых сигналов от внешнего технологического и измерительного оборудования;

-       модули вывода дискретных сигналов для управления запорной арматурой, системой вытяжной вентиляции;

-       модули вывода цифровых сигналов для передачи информации в систему линейной телемеханики, систему управления одоризатором газа, вычислители (контроллеры) расхода газа;

-       панель оператора;

-       основной источник питания;

-       блок бесперебойного питания;

Программная часть:

-       прикладное программное обеспечение центрального процессорного устройства для реализации алгоритмов работы САУ мобильной ГРС;

-       прикладное программное обеспечение панели оператора для визуального представления и управления работой технологического оборудования САУ мобильной ГРС.

На рисунке 7 приведена структурная схема САУ мобильной ГРС.

Рисунок 7 - Структурная схема САУ мобильной ГРС

Характеристики элементов структурной схемы САУ мобильной ГРС.

.        SU-08M - блок питания нестабилизированный (ЗАО «ЭМИКОН»).

Блок предназначен для работы в составе контроллеров технологического оборудования и служит для преобразования сетевого напряжения 220В и бесперебойного обеспечения питания потребителей, использующих нестабилизированное напряжение питания 24В, а также гальванической развязки питающей сети и объекта управления. Блок питания SU-08M рассчитан на совместную работу с блоком аккумуляторов SB-01 АЛГВ.563251.002 номинальной емкостью 7,5 А/ч. Рабочие условия эксплуатации:

температура окружающего воздуха от минус 20 °С до плюс 60 °С (без конденсации влаги);

относительная влажность воздуха до 85% при температуре плюс 25 °С;

атмосферное давление от 84 до 107 кПа.

Технические характеристики блока питания SU-08M представлены в таблице 1.

Таблица 1 - Технические характеристики блока питания SU-08M

п/п

Наименование параметра

Значение

1

220 (+10%; -15%)

2

количество выходных каналов

2

3

диапазон выходного напряжения, В

22 … 33

4

максимальный выходной ток каждого канала, А

2,0

5

напряжение изоляции сеть-канал, В

не менее 2500

6

напряжение изоляции канал-канал, В

не менее 1000

7

габаритные размеры, мм

320 x 100 x120

8

масса без аккумуляторов, кг

не более 3,5


Структурная схема блока питания SU-08М представлена на рисунке 8.

Рисунок 8 - Структурная схема блока питания SU-08М

схема фильтрации и защиты - СФЗ;

сетевой трансформатор - ТР;

выпрямитель - В;

индикатор напряжения сети - И;

схема управления - СУ;

схема защиты и индикации - СЗИ.

Напряжение сети 220В поступает на схему фильтрации и защиты СФЗ, содержащую входной предохранитель на 3,15А, сетевой выключатель и высоковольтные варисторы, защищающие блок от импульсных всплесков входного напряжения. Далее, напряжение подается на первичную обмотку сетевого трансформатора ТР. Вторичные обмотки трансформатора образуют два независимых гальванически изолированных нестабилизированных канала с выходным номинальным напряжением по 24В каждый и нагружены на выпрямители В, содержащие интегральные диодные мосты и электролитические конденсаторы большой емкости. С выпрямителей сглаженное напряжение поступает на схемы защиты и индикации СЗИ, содержащие предохранитель на 3,15А, защитный выходной варистор на 36В и светодиодный индикатор. Схемотехнически выпрямители и СЗИ в обоих каналах блока выполнены одинаково. Для обеспечения режима бесперебойного питания контроллера и датчиков к любому каналу блока питания SU-08М подключен блок аккумуляторов SB-01, состоящий из двух последовательно соединенных свинцово-кислотных аккумуляторов с номинальным напряжением 12,6В и номинальной емкостью от 6,5 до 7,2 А/ч в. С этой целью в каждом канале блока питания введена схема управления СУ, выполняющая следующие функции:

-       слежение за величиной напряжения питающей сети и подключение в работу аккумуляторов при его недопустимом уменьшении;

-       постоянный подзаряд аккумуляторов для исключения их естественного саморазряда при длительном бездействии;

-       ускоренный заряд аккумуляторов при уменьшении их суммарного напряжения ниже определенного уровня;

-       формирование сигнала «LOW BAT», информирующего центральный процессор о критическом разряде аккумуляторов и их скором отключении;

-       формирование сигнала «АC GOOD», информирующего центральный процессор о пропадании или недопустимом уменьшении напряжения питающей сети и переходе на питание от аккумуляторов;

-       своевременное отключение аккумуляторов от схемы с целью предотвращения их глубокого необратимого разряда.

Цоколевка разъемов блока SU-08M представлена в таблице 2.

Таблица 2 - Цоколевка разъемов блока SU-08M

Номер контакта

Обозначение сигнала

Назначение цепи

Разъем Х1

1

L

Сеть переменного тока 220 В

2

N


3

Корпус блока

Разъемы Х2 (1 канал) и Х4 (2 канал)

1

+24 В

Плюсовые контакты выходного напряжения блока

2



3

0 В

Минусовые контакты выходного напряжения блока

4



5

LOW BAT

Сигнал критического разряда аккумуляторов

6



7

AC GOOD

Напряжение сети переменного тока 220 В в норме

8



Разъемы Х3 (1 канал) и Х5 (2 канал)

1

+АС

Контакты для подключения блока акумуляторов

2

-АС



Внешний вид блока SU-08M представлен на рисунке 9.

Рисунок 9 - Внешний вид блока SU-08M

2.      PU-22 - модуль питания (ЗАО «ЭМИКОН»).

Модуль питания PU-22 АЛГВ.436734.016 предназначен для работы в составе распределенной системы автоматизированного управления мобильной ГРС и служит для питания контроллера CPU-17B, модулей ввода/вывода, датчикового оборудования и внешнего технологического оборудования мобильной ГРС. Рабочие условия эксплуатации:

-       температура окружающего воздуха от минус 25 °С до плюс 60 °С (без конденсации влаги);

-       относительная влажность воздуха до 85% при температуре плюс 25 °С;

-       атмосферное давление от 84 до 107 кПа.

Технические характеристики модуля питания PU-22 представлены в таблице 3.

Таблица 3 - Технические характеристики модуля питания PU-22

п/п

Наименование параметра

Значение

1

входное напряжение, В

18 … 36

2

номинальный входной ток на холостом ходу (Uвх=24 В), мА

95

3

номинальный входной ток при полной нагрузке (Uвх=24 В, Iвых=4,2 А, Uвых=24 В), мА

3,3

4

диапазон регулировки выходного напряжения, В

23 … 26

5

максимальный выходной ток, А

3

6

размах пульсаций выходного напряжения в полосе 20 МГц, мВ

не более 250

7

нестабильность по входному напряжению, %

не более 0,2

8

нестабильность по току нагрузки, %

не более 0,5

9

дополнительная температурная погрешность выходного напряжения, %/0С

не более 0,02

10

максимальная емкость нагрузки, мкФ

500


Структурная схема модуля PU-22 представлена на рисунке 10.

Рисунок 10 - Структурная схема модуля PU-22

Конструктивно модуль выполнен в виде двухсторонней печатной платы размером 72х145 мм с элементами, установленной в пластмассовый корпус. Корпус имеет крепления для установки на стандартный DIN-рельс. Модуль имеет один разъем для подключения нестабилизированного входного напряжения от блока питания нестабилизированного SU-08М и два разъема для подключения к выходу модуля устройств, запитываемых от него (модуль центрального процессорного устройства CPU-17B, модули повторителя интерфейса RS-485 CI-17B, панель оператора CП310-P, модули ввода аналоговых сигналов AI-12, модули ввода дискретных сигналов DI-11, модули вывода дискретных сигналов DO-11). В модуле предусмотрена возможность регулировки выходного напряжения в диапазоне 23…26 В. Модуль состоит из следующих функциональных узлов:

-       входной и выходной схем фильтрации и индикации СФИ1 и СФИ2;

-       изолирующего преобразователя напряжения ИПН;

-       схемы регулировки выходного напряжения СРВН.

Фильтры СФИ1 и СФИ2 - емкостного типа, предназначены для сглаживания пульсаций и «просадок» напряжения. Вход модуля защищиен плавким предохранителем номиналом 6,3 А. Основным элементом модуля является изолирующий преобразователь напряжения. Он представляет собой DC/DC конвертер с гальванической развязкой вход/выход и возможностью подстройки выходного напряжения переменным резистором. Встроенная в ИПН схема защиты от короткого замыкания на выходе срабатывает при получении выходного тока110 - 140% от максимального (36 В). Внешний вид модуля питания PU-22 представлен на рисунке 11.

Рисунок 11 - Внешний вид модуля питания PU-22

3.      CI-17B - модуль повторителя интерфейса RS-485 (ЗАО «ЭМИКОН»).

Модуль повторителя интерфейса RS-485 CI-17B АЛГВ.426459.044 предназначен для работы в составе САУ мобильной ГРС для ретрансляции информации, поступающей по четырем каналам RS-485, с гальванической изоляцией и цепями грозозащиты. Рабочие условия эксплуатации:

-       температура окружающего воздуха от минус 5 °С до плюс 60 °С (без конденсации влаги);

-       относительная влажность воздуха до 85% при температуре плюс 25 °С;

-       атмосферное давление от 84 до 107 кПа.

Технические характеристики модуля повторителя интерфейса RS-485 CI-17B представлены в таблице 4.

Таблица 4 - Технические характеристики модуля CI-17B

п/п

Характеристика

Величина

Примечание

1

Тип процессора

Am186CU-50KC

AMD

2

Тактовая частота процессора, МГц

50


3

Объем памяти программ пользователя и операционной системы, Кбайт

512

FLASH AMD

4

Объем памяти данных, Кбайт

512


5

Количество внешних уровней прерывания

2


6

Количество программируемых 16-ти битных таймеров

3


7

Количество сервисных низкоскоростных последовательных интерфейсов RS232, (до 15 м)

1

Скорость до 115200 бод, ASYNC

8

Количество каналов высокоскоростных последовательных интерфейсов RS485, (128 нагрузoк, до 0,3 км (на максимальной скорости обмена)

4

Скорость до 2304000 бод, ASYNC, BISYNC, SDLC с гальванической изоляцией (1500B) и цепями грозозащиты

9

Габаритные размеры модуля, мм:

114х102х30



Электропитание модуля осуществляется от стабилизированного источника питания 23-26В, мощность потребления не более 5 Вт. Структурная схема модуля повторителя интерфейса RS-485 CI-17B представлена на рисунке 12.

Рисунок 12 - Структурная схема модуля повторителя интерфейса RS-485 CI-17B

Конструктивно модуль повторителя интерфейса RS-485 CI-17B выполнен в виде одной двухслойной печатной платы CI-17B, установленной пластмассовый корпус. В качестве интерфейсных разъемов используются соединители: Х1-вилка MSTBA на 3 контакта, Х2-вилка MSTBA на 12 контактов. Соединитель Х1 - для подключения к источнику питания. Соединитель Х2 - для подключения к последовательным каналам RS-485. На торце корпуса расположены семь светодиодов и одна кнопка. Светодиоды «OK», «PGM», «ERR» индицируют состояние модуля по результатам самодиагностики и отражают качество ретрансляции последовательных данных. Кнопка «Reset» предназначена для «горячего» сброса процессора модуля. Светодиоды «L0», «L1», «L2», «L3» индицируют прохождение данных в высокоскоростных каналах RS-485 «Line0 - Line3» соответственно. Внешний вид модуля повторителя интерфейса RS-485 CI-17B представлен на рисунке 13.

Рисунок 13 - Внешний вид модуля повторителя интерфейса RS-485 CI-17B

.        СП310-Р - панель оператора (ООО «ПО ОВЕН»).

Панель оператора СП310-Р - с сенсорным экраном размером 10 дюймов расширенной модификации представляет собой устройство класса «человеко-машинный интерфейс», предназначенное для загрузки управляющей программы функционирования центрального процессорного устройства CPU-17B к которому подключается панель, мониторинга функционирования и редактирования значений параметров функционирования технологического оборудования мобильной ГРС. Панель оператора СП310-Р позволяет отображать на экране ход выполнения технологического процесса и редактировать значения параметров, отвечающих за функционирование системы. Панель СП310-Р предназначена для выполнения следующих функций:

-       отображение состояния управляемой мобильной газораспределительной станцией в режиме реального времени, с использованием графических пиктограмм (индикаторы, графики, линейки, условные обозначения оборудования и т. д.);

-       отображение сенсорных элементов, при помощи которых осуществляется непосредственное управление технологическим оборудованием мобильной ГРС (запорная арматура);

-       управление функционированием центральным процессорным устройством CPU-17B САУ, запись и чтение значений регистров CPU-17B, к которому подключена панель;

Технические характеристики панели оператора СП310-Р представлены в таблице 5.

Рабочие условия эксплуатации:

-       температура окружающего воздуха от 0 °С до плюс 50 °С (без конденсации влаги);

-       относительная влажность воздуха до 90% при температуре плюс 35 °С;

-       атмосферное давление от 84 до 106,7 кПа;

закрытые взрывобезопасные помещения без агрессивных паров и газов.

Сенсорный экран панели оператора СП310-Р резистивного типа. При работе с панелью оператора применяется программное обеспечение «Конфигуратор СП300» (ООО «ПО ОВЕН»), работающее под управлением операционных систем MS Windows XP/Vista/7/8/10. Внешний вид панели оператора СП310-Р представлен на рисунке 14. Схема подключения панели оператора приведена на рисунке 15.

Таблица 5 - Технические характеристики панели оператора СП310-Р

п/п

Характеристики

Значение

Процессор

1

Модель

AT91SAM9G35-CU

2

Частота, МГц

400

Человеко-машинный интерфейс

3

Тип дисплея, диагональ (дюйм)

16,7 млн. цветов, TFT (10,1”)

4

Разрешение дисплея, пиксел

800х480

5

Рабочая зона дисплея (ширина х высота), мм

219,6 х131,8

6

Встроенные часы реального времени

Есть

Память

7

Память программ (Flash-RAM), Мбайт

128

Питание

8

Тип питающего напряжения

постоянное

9

Диапазон питающего напряжения, В

23…27

10

Номинальное напряжение питания, В

24

11

Потребляемый ток, А

не более 0,27

12

Потребляемая мощность, Вт

не более 10

Корпус панели

13

Конструктивное исполнение

для щитового крепления

14

Габаритные размеры (ширина х высота х глубина), мм

272,2х191,7х51,2

15

Степень защиты корпуса ГОСТ 14254 - с лицевой стороны - со стороны разъемов

 IP65 IP20

Интерфейсы связи и программирования

16

Количество (тип) портов

1 х PLC (DB9M) - RS-485, RS-232 1 х Download (DB9M) - RS-485, RS-232 1 х USB - Host (USB-A) 1 х USB - Device (USB-B) 1 х Ethernet (RJ45)

17

Протокол (тип связи и особенности работы)

Modbus RTU, Modbus ASCII, Modbus TCP

18

Скорость обмена по интерфейсам RS, бод

от 4800 до 187500

Характеристики подключаемых устройств хранения данных

19

Поддерживаемые файловые системы

FAT16, FAT32

20

Максимальная емкость накопителя, Гб

32


Рисунок 15 - Схема подключения панели оператора СП310-Р

5.      AI-12 - модуль ввода аналоговых сигналов.

Модуль ввода аналоговых сигналов AI-12 АЛГВ.426431.027 предназначен для работы в составе распределенной системы САУ мобильной ГРС, имеет четыре дифференциальных канала для подключения первичных датчиков с унифицированным токовым сигналом (4-20 мА). Модуль AI-12 преобразует сигналы, полученные с датчиков, в 12-разрядный цифровой код и передает информацию об измерениях по сети RS-485 по запросу ведущего устройства (модуля центрального процессорного устройства CPU-17B). В модуле AI-12 предусмотрена возможность питания датчиков от встроенного источника питания. Модуль AI-12 устанавливается вне взрывоопасной зоны и искробезопасными цепями связывается с датчиками, расположенными во взрывоопасных зонах классов В-1а и В-1г. Рабочие условия эксплуатации:

-       температура окружающего воздуха от минус 25 °С до плюс 60 °С (без конденсации влаги);

-       относительная влажность воздуха до 85% при температуре плюс 25 °С;

-       атмосферное давление от 84 до 107 кПа.

Технические характеристики модуля ввода аналоговых сигналов AI-12 представлены в таблице 6.

Конструктивно модуль выполнен в виде многослойной печатной платы, установленной в пластмассовый корпус. Корпус имеет крепление для установки на стандартный DIN-рельс.

Модуль AI-12 работает в составе распределенной САУ мобильной ГРС, все устройства которой объединены локальной информационной сетью, работающей по протоколу MODBUS (интерфейс RS-485), и имеют свой логический адрес. Модуль AI-12 принадлежит к устройствам нижнего уровня. В составе сети он работает в качестве подчиненного устройства (SLAVE), исполняя команды ведущего устройства (MASTER) процессорного модуля CPU-17B.

Таблица 6 - Технические характеристики модуля ввода аналоговых сигналов AI-12

п/п

Наименование параметра

Значение

1

Количество каналов ввода

4

2

Входное сопротивление каналов, Ом

50

3

Напряжение питания измерительных каналов, В

24,5±5%

4

Внутреннее сопротивление встроенного источника тока, Ом

440

5

Защита от короткого замыкания в измерительном канале, мин

не более 5

6

Диапазон входных токовых сигналов, мА

0…5, 0…20, 4…20

7

Диапазон измеряемого напряжения, В

0…10

8

Время коммутации канала, мкс

не более 50

9

Время преобразования, мкс

не более 10

10

Минимальное время полного образования массива входов, мс

360

11

Разрядность аналого-цифрового преобразования, бит

12

12

Постоянная времени аппаратного фильтра, мс

40

13

Постоянная фильтрации программного фильтра

36, 40, 48, 64

14

Основная погрешность преобразования, %

не более 0,3 или 0,2

15

Дополнительная температурная погрешность, %/0С

0,01

16

Количество информационных каналов

2

17

Интерфейс

RS-485

18

Протокол

MODBUS RTU

19

Скорость передачи данных, бод

2400, 9600, 38400, 115200

20

Напряжение питания модуля, В

25±2%

21

Максимальный потребляемый ток, мА

460

22

Гальваническая развязка между внешним стабилизированным источником питания и системными цепями модуля, В

не менее 500

23

Габаритные размеры модуля с радиатором, мм

114х102х30


Внешний вид модуля ввода аналоговых сигналов AI-12 представлен на рисунке 16.

Рисунок 16 - Внешний вид модуля ввода аналоговых сигналов AI-12

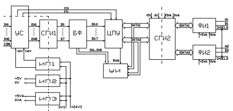
Модуль AI-12 имеет два независимых информационных канала для подключения локальной сети. Модуль AI-12 состоит из двух основных устройств:

-       устройства аналогового (УА);

-       устройства управления (УУ).

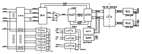
Устройство аналоговое предназначено для фильтрации входных токовых сигналов, преобразования этих сигналов в потенциальные и их усиления, а также питания токовых датчиков от встроенного в модуль преобразователя напряжения (24 В). Устройство управления обеспечивает преобразование аналогового сигнала, формируемого устройством аналоговым, в 12-разрядный цифровой код, передачу этого кода в процессорную часть модуля по протоколу SPI, работу модуля в локальной сети, индикацию состояния модуля. Структурная схема модуля аналоговых сигналов AI-12 представлена на рисунке 17 и содержит следующие основные функциональные узлы:

-       схема фильтрации входных сигналов и защиты входов аналогового коммутатора (СФЗ);

-       входной и дифференциальный измерительный усилитель (ИУ);

-       развязывающие преобразователи напряжения (ПН1, ПН2, ПН3, ПН4);

-       изолирующие преобразователи напряжения (ИП1, ИП2, ИП3);

-       вторичный источник опорного напряжения (ВИОН);

-       аналогово-цифровой преобразователь (АЦП);

-       центральное процессорное устройство (ЦПУ);

-       схема гальванической изоляции (СГИ);

-       формирователи интерфейса RS-485 (ФИ1, ФИ2);

-       устройство индикации (УИ).

Рисунок 17 - Структурная схема модуля аналоговых сигналов AI-12

6.      DI-11 - модуль ввода дискретных сигналов.

Модуль ввода дискретных сигналов DI-11 АЛГВ.426434.009 предназначен для работы в составе распределенной системы САУ мобильной ГРС, имеет восемь каналов для подключения датчиков дискретных сигналов типа «сухой контакт» с целью дальнейшей обработки сигналов процессорным модулем CPU-17B. Модуль DI-11 преобразует сигналы, полученные с датчиков, в 8-разрядный цифровой код и передает информацию о состоянии входов по сети RS-485 по запросу ведущего устройства (процессорного модуля CPU-17B). Модуль DI-11 является взрывозащищенным с маркировкой взрывозащиты [Exib]IIC X в соответствии с [5], устанавливается вне взрывоопасных зон и искробезопасными цепями связывается с датчикам, расположенными во взрывоопасных зонах классов В-1а и В-1г. Рабочие условия эксплуатации:

-       температура окружающего воздуха от минус 25 °С до плюс 60 °С (без конденсации влаги);

-       относительная влажность воздуха до 85% при температуре плюс 25 °С;

-       атмосферное давление от 84 до 107 кПа.

Технические характеристики модуля ввода дискретных сигналов DI-11 представлены в таблице 7.

Конструктивно модуль выполнен в виде многослойной печатной платы, установленной в пластмассовый корпус. Корпус имеет крепление для установки на стандартный DIN-рельс. Внешний вид модуля ввода дискретных сигналов DI-11 представлен на рисунке 18.

Модуль DI-11 работает в составе распределенной САУ мобильной ГРС, все устройства которой объединены локальной информационной сетью, работающей по протоколу MODBUS (интерфейс RS-485), и имеют свой логический адрес. Модуль DI-11 принадлежит к устройствам нижнего уровня. В составе сети он работает в качестве подчиненного устройства (SLAVE), исполняя команды ведущего устройства (MASTER) процессорного модуля CPU-17B.

Таблица 7 - Технические характеристики модуля ввода дискретных сигналов DI-11

п/п

Наименование параметра

Значение

1

Количество каналов ввода

8

2

Напряжение питания датчиков, В

24,5±5%

3

Номинальный входной ток

6…8

4

Сопротивление датчика, соответствующее состоянию «ВКЛЮЧЕНО», Ом

не более 1000

5

Сопротивление датчика, соответствующее состоянию «ВЫКЛЮЧЕНО», Ом

не более 10

6

Постоянная времени аппаратного фильтра, мс

22

7

Постоянная фильтрации программного фильтра

10…125

8

Количество информационных каналов

2

9

Интерфейс

RS-485

10

Протокол

MODBUS RTU

11

Скорость передачи данных, бод

2400, 9600, 38400, 115200

12

Напряжение питания модуля, В

25±2%

13

Максимальный потребляемый ток, мА

150

14

Гальваническая развязка между внешним стабилизированным источником питания и системными цепями модуля, В

не менее 500


Модуль DI-11 имеет два независимых информационных канала для подключения локальной сети. Модуль DI-11 состоит из двух основных устройств:

-       устройства приема дискретных сигналов (УПДС);

-       устройства управления (УУ).

Устройство приема дискретных сигналов предназначено для питания дискретных датчиков, обеспечения гальванической развязки входных сигналов от системных цепей, фильтрации входных сигналов и преобразования этих сигналов в TTL-уровень для дальнейшей обработки в устройстве управления.

Рисунок 18 - Внешний вид модуля ввода дискретных сигналов DI-11

Устройство управления обеспечивает обработку сигналов, формируемых устройством приема дискретных сигналов, их преобразование в 8-разрядный цифровой код , работу модуля в локальной сети, индикацию состояния модуля. Структурная схема модуля ввода дискретных сигналов DI-11 представлена на рисунке 19 и содержит следующие основные функциональные узлы:

-       устройство сопряжения с входными сигналами (УС);

-       схемы гальванической изоляции (СГИ1, СГИ2);

-       буферный формирователь (БФ);

-       изолирующие преобразователи напряжения (ИП1, ИП2, ИП3);

-       центральное процессорное устройство (ЦПУ);

-       формирователи интерфейса RS-485 (ФИ1, ФИ2);

-       устройство индикации (УИ).

Рисунок 19 - Структурная схема модуля ввода дискретных сигналов DI-11

7.      DО-11 - модуль вывода дискретных сигналов.

Модуль вывода дискретных сигналов DО-11 АЛГВ.426436.012 предназначен для работы в составе распределенной системы САУ мобильной ГРС, имеет два информационных канала для подключения к сети RS-485 и восемь изолированных дискретных каналов вывода с выходом типа MOSFET OUTPUT. Модуль DО-11 управляет состоянием выходов по команде ведущего устройства (процессорного модуляCPU-17B) по сети RS-485. Рабочие условия эксплуатации:

-       температура окружающего воздуха от минус 25 °С до плюс 60 °С (без конденсации влаги);

-       относительная влажность воздуха до 85% при температуре плюс 25 °С;

-       атмосферное давление от 84 до 107 кПа.

Технические характеристики модуля вывода дискретных сигналов DО-11 представлены в таблице 8.

Таблица 8 - Технические характеристики модуля вывода дискретных сигналов DО-11

п/п

Наименование параметра

Значение

1

Количество каналов вывода дискретных сигналов

8

2

Количество групп выходов

2

3

Максимальный ток нагрузки выхода, мА

не менее 100

4

Максимальное напряжение на закрытом ключе выхода, В

не менее 100

5

Ток утечки выхода в состоянии «ВЫКЛЮЧЕНО», мА

не более 5

6

Сопротивление выхода в состоянии «ВЫКЛЮЧЕНО», Ом

не более 35

7

Ток срабатывания защиты выходов, мА

не более 300

8

Количество информационных каналов

2

9

Интерфейс

RS-485

10

Протокол

MODBUS RTU

11

Скорость передачи данных, бод

2400, 9600, 38400, 115200

12

Напряжение питания модуля, В

25±2%

13

Максимальный потребляемый ток, мА

100

14

Гальваническая развязка между внешним стабилизированным источником питания и системными цепями модуля, В

не менее 500


Конструктивно модуль выполнен в виде многослойной печатной платы, установленной в пластмассовый корпус. Корпус имеет крепление для установки на стандартный DIN-рельс. Внешний вид модуля вывода дискретных сигналов DО-11 представлен на рисунке 20.

Модуль DО-11 работает в составе распределенной САУ мобильной ГРС, все устройства которой объединены локальной информационной сетью, работающей по протоколу MODBUS (интерфейс RS-485), и имеют свой логический адрес. Модуль DО-11 принадлежит к устройствам нижнего уровня.

Рисунок 20 - Внешний вид модуля вывода дискретных сигналов DО-11

В составе сети он работает в качестве подчиненного устройства (SLAVE), исполняя команды ведущего устройства (MASTER) процессорного модуля CPU-17B. Модуль DО-11 имеет два независимых информационных канала для подключения локальной сети. Модуль DО-11 состоит из двух основных устройств:

-       устройства вывода дискретных сигналов (УВДС);

-       устройства управления (УУ).

Устройство вывода дискретных сигналов предназначено для управления дискретными выходами модуля по командам устройства управления, обеспечения гальванической развязки выходных сигналов от системных цепей и отключение выходов при их перегрузке по току. Устройство управления обеспечивает формирование сигналов для управления устройством вывода дискретных сигналов, управление устройством защитного отключения выходов (УЗОВ), работу модуля в локальной сети, индикацию состояния модуля. Структурная схема модуля вывода дискретных сигналов DО-11 представлена на рисунке 21 и содержит следующие основные функциональные узлы:

-       схема гальванической изоляции (СГИ);

-       буферный формирователь (БФ);

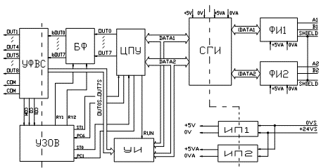
-       устройство формирования выходных сигналов (УФВС);

-       устройство защитного отключения выходов (УЗОВ);

-       изолирующие преобразователи напряжения (ИП1, ИП2);

-       центральное процессорное устройство (ЦПУ);

-       формирователи интерфейса RS-485 (ФИ1, ФИ2);

-       устройство индикации (УИ);

Рисунок 21 - Структурная схема модуля вывода дискретных сигналов DО-11

3.2 Выбор датчиков

Первичное датчиковое оборудование, контролирующее состояние и управляющее технологическим процессом мобильной газораспределительной станции по следующим параметрам:

-       измерение давления газа на входе мобильной ГРС;

-       измерение давления газа на выходе мобильной ГРС;

-       измерение температуры газа на входе мобильной ГРС;

-       измерение температуры газа на выходе мобильной ГРС;

-       измерение давления газа после регулятора давления на линии редуцирования №1;

-       измерение давления газа после регулятора давления на линии редуцирования №2;

-       измерение уровня загазованности в помещении мобильной ГРС (система контроля загазованности);

-       контроль состояния пожарной безопасности в помещении мобильной ГРС (пожарная сигнализация);

-       контроль состояния доступа в помещение мобильной ГРС (охранная сигнализация);

-       узлы управления запорной арматурой;

-       блок управления расходомером газа;

-       блок управления узлом одоризации газа;

-       принудительная вытяжная вентиляция.

1.      Измерение давления газа на входе мобильной ГРС - служит для оперативного контроля, обеспечения мер безопасной эксплуатации оборудования, предотвращения повышения значения входного давления газа свыше допустимого предела (верхняя уставка) и понижения значения давления газа ниже допустимого предела (нижняя уставка). При достижении давления газа верхней или нижней уставок САУ мобильной ГРС формирует сигнал предупредительной сигнализации, свидетельствующий о возникновении аварийной ситуации (неправильно собранная схема линейной части магистральных газопроводов, возникновение гидратной пробки в газопроводе-отводе к мобильной ГРС).

.        Измерение давления газа на выходе мобильной ГРС - служит для оперативного контроля, обеспечения мер безопасной эксплуатации оборудования, предотвращения повышения значения выходного давления газа свыше допустимого предела (верхняя уставка) и понижения значения давления газа ниже допустимого предела (нижняя уставка). При достижении давления газа на выходе ГРС верхней или нижней уставок САУ мобильной ГРС формирует сигнал предупредительной сигнализации, свидетельствующий о возникновении аварийной ситуации (неисправность регулятора давления, повышенный отбор газа потребителем или разрыв газопровода потребителя).

.        Измерение давления газа на нитках редуцирования №1 и №2 после регуляторов давления - служит для оперативного контроля, обеспечения мер безопасной эксплуатации оборудования, предотвращения повышения значения давления редуцирования газа свыше допустимого предела (верхняя уставка) и понижения значения давления редуцирования газа ниже допустимого предела (нижняя уставка). При достижении давления газа на выходе ГРС верхней или нижней уставок САУ мобильной ГРС формирует сигнал предупредительной сигнализации, свидетельствующий о возникновении аварийной ситуации (неисправность регулятора давления) и переключает нитки редуцирования №1 и №2.

Для измерения давления на входе, выходе, нитках редуцирования №1, №2 мобильной ГРС принимаем датчики давления Метран-150 (ЗАО «Метран») следующих модификаций:

-       на входе ГРС - Метран 150TG421AM5EMS52GB1;

-       на выходе ГРС - Метран 150TG321AM5EMS52GB1;

-       на нитках редуцирования №1, №2 - Метран 150TG321AM5EMS52GB1.

Данные датчики давления (Метран-150) предназначены для непрерывного преобразования в унифицированный токовый выходной сигнал входной измеряемой величины - избыточного давления газа. Технические характеристики датчика давления Метран-150 представлены в таблице 9.

Таблица 9 - Технические характеристики датчика давления Метран-150

п/п

Наименование параметра

Значение

1

Напряжение питания, В

12÷42 VDC

2

Выходной сигнал, мА

4-20

3

Основная приведенная погрешность, %

±0,075

4

Диапазон температур окружающей среды, 0С

-40 ÷ +80

5

Дополнительная температурная погрешность, /100С

±0,05

6

Диапазон перенастройки пределов измерения

50:1

7

Взрывозащищенное исполнение

искробезопасная цепь и взрывонепроницаемая оболочка


Конструктивное исполнение датчика давленияМетран-150 штуцерного типа представлено на рисунке 22.

Рисунок 22 - Конструктивное исполнение датчика давленияМетран-150

В датчиках давления Метран-150 штуцерного типа используется тензорезистивный тензомодуль на кремниевой подложке Rosemount. Чувствительным элементом тензомодуля является пластина 1 из кремния с пленочными тензорезисторами (структура КНК - кремний на кремнии). Давление через разделительную мембрану 3 и разделительную жидкость 2 передается на чувствительный элемент тензомодуля. Воздействие давления вызывает изменение положения чувствительного элемента, при этом изменяется электрическое сопротивление его тензорезисторов, что приводит к разбалансу мостовой схемы. Электрический сигнал, образующийся при разбалансе мостовой схемы, измеряется АЦП и подается в электронный преобразователь, который преобразует это изменение в выходной сигнал. Датчик Метран-150 имеет программируемую характеристику выходного сигнала в соответствии с функцией преобразования входной величины - линейно-возрастающую. Датчик имеет электронное демпфирование выходного сигнала, характеризующееся временем усреднения результатов измерения (0,5 с).

Схема внешних электрических соединений и внешний вид датчика Метран-150 приведены на рисунке 23 и рисунке 24.

Рисунок 23 - Схема внешних электрических соединений датчика Метран-150

.        Измерение температуры газа на входе и выходе мобильной ГРС - служит для оперативного контроля, обеспечения мер безопасной эксплуатации оборудования, предотвращения понижения значения входной температуры газа за допустимые пределы (нижняя уставка), повышения и понижения значений выходной температуры газа за допустимые пределы (верхняя и нижняя уставки). При достижении входной или выходной температуры газа верхней или нижней уставок САУ мобильной ГРС формирует сигнал предупредительной сигнализации, свидетельствующий о возникновении аварийной ситуации (возникновение гидратной пробки в газопроводе-отводе к мобильной ГРС, возможности выхода из строя - «замерзание» регуляторов давления).

Для измерения температуры на входе и выходе мобильной ГРС принимаем датчики температуры ТСМУ Метран-274-Ех (ЗАО «Метран») следующих модификаций:

-       на входе ГРС - ТСМУ Метран-274-02-Ехd-100М-80-0,5-Н10-(-50±+50)-4-20;

-       на выходе ГРС - ТСМУ Метран-274-02-Ехd-100М-120-0,5-Н10-(-50±+50)-4-20;

Чувствительный элемент первичного преобразователя и встроенный в головку датчика температуры (ТСМУ Метран-274-02) измерительный преобразователь преобразуют измеряемую температуру в унифицированный токовый выходной сигнал. Зависимость выходного токового сигнала от измеряемой температуры - линейная. Технические характеристики датчика температуры ТСМУ Метран-274-02 представлены в таблице 10.

Таблица 10 - Технические характеристики датчика температуры ТСМУ Метран-274-02

п/п

Наименование параметра

Значение

1

Напряжение питания, В

18÷42 VDC

2

Выходной сигнал, мА

4-20

3

Основная приведенная погрешность, %

±0,25

4

Диапазон температур окружающей среды, 0С

-50 ÷ +50

5

Взрывозащищенное исполнение

искробезопасная цепь и взрывонепроницаемая оболочка


Конструктивное исполнение датчика температуры ТСМУ Метран-274-02 представлено на рисунке 25.

- чувствительный элемент; 2 - защитная арматура; 3 - выводы; 4 -изоляция; 5 - герметик; 6 - головка; 7 - клеммная сборка; 8 - зажимы; 9 - жилы кабеля; 10 - кабель; 11 - гайка.

Рисунок 25 - Конструктивное исполнение датчика температуры ТСМУ Метран-274-02

Принцип работы датчика температуры ТСМУ Метран-274-02 основан на явлении изменения электрического сопротивления металлов при изменении их температуры. Величина изменения электрического сопротивления определяется типом материала чувствительного элемента (в датчике температуры ТСМУ Метран-274-02 - медь) и величиной изменения температуры. Изменение электрического сопротивления материала чувствительного элемента преобразуется в нормирующем измерительном преобразователе в изменение выходного токового сигнала 4-20 мА. Схема внешних электрических соединений и внешний вид датчика температуры ТСМУ Метран-274-02 приведены на рисунке 26 и рисунке 27.

Рисунок 26 - Схема внешних электрических соединений датчика температуры ТСМУ Метран-274-02

.        Измерение уровня загазованности в помещении мобильной ГРС (система контроля загазованности) необходимо для оперативного контроля, обеспечения мер безопасной эксплуатации оборудования, предотвращения повышения значения уровня загазованности свыше допустимых пределов (1 порог - 5% НКПР и 2 порог - 20% НКПР). При достижении уровня загазованности «1 порог» в помещении мобильной ГРС, САУ формирует сигнал предупредительной сигнализации, свидетельствующий о возникновении предаварийной ситуации (местная утечка газа на технологическом оборудовании мобильной ГРС), требующий принятия незамедлительных мер по устранению неисправности. При достижении уровня загазованности «2 порог» в помещении мобильной ГРС, САУ формирует сигнал аварийной сигнализации, свидетельствующий о возникновении аварийной ситуации (сильная утечка газа на технологическом оборудовании мобильной ГРС) и задействует алгоритм останова мобильной ГРС с полным стравливанием газа из коммуникаций.

Для измерения уровня загазованности в помещении мобильной ГРС принимаем сигнализаторы СТМ-30М (ФГУП СПО «Аналитприбор»). Сигнализатор СТМ-30М предназначен для непрерывного автоматического измерения довзрывоопасных концентраций одиночных горючих газов, паров горючих жидкостей и их совокупности в воздухе рабочей зоны, и выдачи сигнализации о превышении установленных пороговых значений. Принцип измерений сигнализатора - термохимический, основанный на окислении горючего газа на поверхности электрически нагреваемого катализатора. При окислении температура чувствительного элемента термохимического датчика повышается пропорционально содержанию определяемого горючего газа. СТМ-30М является сигнализатором совокупности компонентов и представляет собой стационарный автоматический прибор непрерывного действия. Конструктивно сигнализатор состоит из:

блока сигнализации и питания (БСП);

блока датчика (БД).

Внешний вид сигнализатора СТМ-30М представлен на рисунке 28.

Сигнализатор обеспечивает выполнение следующих функций:

-       непрерывной световой двухцветной индикации НОРМА;

-       непрерывной световой сигнализации ПОРОГ1, ПОРОГ2, свидетельствующей о том, что содержание определяемых компонентов в контролируемой среде достигло порога срабатывания сигнализации ПОРОГ1, ПОРОГ 2 соответственно;

-       непрерывной световой сигнализации ОТКАЗ при неисправности сигнализатора, обрыве или коротком замыкании чувствительных элементов ТХД, обрыве или коротком замыкании линии связи БСП с БД;

-       индикацию измеренного значения довзрывоопасных концентраций горючих газов и паров;

Сигнализатор СТМ-30М имеет унифицированный выходной сигнал постоянного тока 4-20 мА с линейной функцией преобразования, относится к взрывозащищенному оборудованию и имеет маркировку взрывозащиты «1ExdIICT4». Параметры электропитания сигнализатора от источника постоянного тока 24 В.

.        Контроль состояния пожарной безопасности в помещении мобильной ГРС (пожарная сигнализация) необходимо для оперативного контроля за состоянием пожарной безопасности мобильной ГРС, обеспечения мер безопасной эксплуатации оборудования. При поступлении сигнала от одного пожарного извещателя в помещении мобильной ГРС, САУ формирует сигнал предупредительной сигнализации, свидетельствующий о возникновении предаварийной ситуации (задымление или повышение температуры внутри помещения мобильной ГРС), требующий принятия незамедлительных мер по устранению неисправности. При поступлении сигналов от двух пожарных извещателей в помещении мобильной ГРС одновременно, САУ формирует сигнал аварийной сигнализации, свидетельствующий о возникновении аварийной ситуации (возникновение пожара в помещении мобильной ГРС) и задействует алгоритм останова мобильной ГРС с полным стравливанием газа из коммуникаций.

В качестве первичных датчиков пожарообнаружения принимаем взрывозащищенные дымо-тепловые пожарные извещатели с дифференциальным тепловым каналом ИП212/101-18-R1 ИБ (НПП «Специнформатика-СИ»). Данные пожарные извещатели предназначены для обнаружения возгораний, сопровождающихся выделением дыма или тепла, во взрывоопасных зонах помещений и наружных установок. Извещатель ИП212/101-18-R1 ИБ формирует извещение «ПОЖАР» при задымленности среды, соответствующей оптической плотности (0,15± 0,05) дБ/м или при повышения температуры в помещении мобильной ГРС cо скоростью 5°С/мин и более. Питание извещателей и передача ими извещений «ПОЖАР» осуществляется подвухпроводному шлейфу сигнализации приемно-контрольного прибора. Основные технические характеристики приведены в таблице 11.

Таблица 11 - Технические характеристики пожарного извещателя ИП212/101-18-R1 ИБ

п/п

Наименование параметра

Значение

1

Напряжение питания, В

9÷20 VDC

2

Ток, потребляемый извещателем в дежурном режиме с оптической индикацией исправногосостояния шлейфа сигнализации, мА

100

3

Маркировка взрывозащиты

0ExiaIIBT6

4

Диапазон температур окружающей среды, 0С

-30 ÷ +60

5

Взрывозащищенное исполнение

искробезопасная цепь и взрывонепроницаемая оболочка


Дежурный режим извещателя характеризуется отсутствием свечения его оптического индикатора. Режим извещателя «ПОЖАР» характеризуется непрерывным свечением его оптического индикатора и падением напряжения не более 9 В, при обязательном ограничении тока в шлейфе сигнализации прибора не более 20 мА.

Схема включения извещателей ИП212/101-18-R1 ИБ и внешний вид приведены на рисунке 29 и рисунке 30.

Рисунок 29 - Схема включения извещателей ИП212/101-18-R1 ИБ

.        Контроль за состоянием несанкционированного доступа в помещение мобильной ГРС (охранная сигнализация) необходимо для обеспечения мер безопасной эксплуатации оборудования. При поступлении сигнала от охранного извещателя в помещении мобильной ГРС, САУ формирует сигнал предупредительной сигнализации, свидетельствующий о возникновении попытки несанкционированного доступа в помещение мобильной ГРС, требующий принятия мер по обеспечению сохранности оборудования.

В качестве первичного датчика охранной сигнализации принимаем извещатель охранный точечный магнитноконтактный взрывозащищенный ИО102-26/В «АЯКС» (ООО ПКФ «ДУАЛТЕК»). Данный охранный извещатель предназначен для блокировки входных дверей мобильной ГРС на открывание с выдачей сигнала «Тревога» на приемно-контрольный прибор. Извещатель ИО102-26/В «АЯКС» имеет уровень взрывозащиты «особовзрывобезопасный» - «0ExiaIICT6». Извещатель конструктивно состоит из магнитоуправляемого датчика на основе геркона и задающего элемента (магнита). Крепление извещателя производится на входную дверь мобильной ГРС. Контакты извещателя при закрытой двери находятся в замкнутом состоянии и в разомкнутом состоянии при открытой двери или на расстоянии 70 мм и более магнита от извещателя. Максимально допустимый допуск соосности крепления извещателя и магнита - 10 мм. Основные технические характеристики извещателя ИО102-26/В «АЯКС» приведены в таблице 12.

Таблица 12 - Технические характеристики извещателя ИО102-26/В «АЯКС»

п/п

Наименование параметра

Значение

1

Выходное сопротивление при замкнутых контактах, Ом

не более 0,5

2

Входное сопротивление при разомкнутых контактах, мОм

не менее 5

3

Коммутируемый ток, А

0,001…0,5

4

Коммутируемое напряжение, В

0,02…72

5

Максимальная коммутируемая мощность, Вт

не более 10

6

Диапазон температур

-50…+50

7

Степень защиты от внешних воздействий

IP66


Электрическая схема извещателя и внешний вид извещателя ИО102-26/В «АЯКС» приведены на рисунке 31 и 32 соответственно.

Рисунок 31 - Электрическая схема извещателя ИО102-26/В «АЯКС»

В качестве приемно-контрольного прибора для пожарных извещателей ИП212/101-18-R1 ИБ и охранного извещателя ИО102-26/В «АЯКС» принимаем прибор приемно-контрольный охранно-пожарный «СИГНАЛ-20М» (ЗАО НВП «Болид»).

Приемно-контрольный прибор «СИГНАЛ-20М» предназначен для использования в качестве совмещённого приёмно-контрольного блока в составе охранной и пожарной сигнализации для приема сигналов от первичных пожарных и охранных датчиков и передачи данных в САУ мобильной ГРС по интерфейсу RS-485. Электропитание блока осуществляется с помощью источников постоянного тока напряжением 24 В. Электрическая схема подключения приемно-контрольного прибора «СИГНАЛ-20М» представлена на рисунке 33.

Рисунок 33 - Электрическая схема подключения приемно-контрольного прибора «СИГНАЛ-20М»

.        Управление запорной арматурой, установленной на технологических трубопроводах мобильной ГРС необходимо для перераспределения потоков транспорта газа на газораспределительной станции. Управление запорной арматурой может производиться в нескольких режимах:

-       ручное - перестановка запорной арматуры производится вручную с помощью штурвала или рукоятки;

-       дистанционное по месту - перестановка запорной арматуры производится оперативным персоналом по сигналу от кнопки на блоке управления (электро-пневмо-управляемого узла - ЭПУУ);

-       дистанционное от САУ мобильной ГРС - перестановка запорной арматуры производится оперативным персоналом по сигналу от САУ мобильной ГРС или в зависимости от алгоритма управления САУ в автоматическом режиме;

-       дистанционное из удаленной диспетчерской, по каналу линейной телемеханики - перестановка запорной арматуры производится диспетчерским персоналом по каналам линейной телеметрии.

В качестве узлов управления запорной арматурой мобильной ГРС принимаем ЭПУУ-8 (ООО Завод «Калининградгазавтоматика»). ЭПУУ-8 предназначены для эксплуатации при температурах от минус 60 до плюс 55 ºС и относительной влажности до (95±3) % при температуре 35 ºС и более низких температурах без конденсации влаги. Место размещения на открытом воздухе. Питание узлов природным газом, очищенным и имеющим температуру точки росы ниже минимальной температуры окружающей среды не менее чем на 10 ºС. Узлы имеют уровень взрывозащиты «взрывобезопасное электрооборудование», вид взрывозащиты «взрывонепроницаемая оболочка», маркировку взрывозащиты 1ExdIIАТ3. Технические характеристики ЭПУУ-8 приведены в таблице 13.

Узел управления ЭПУУ-8, представленный на рисунке 34, состоит из двух электромагнитов 2, двух герконов 18, установленных во взрывонепроницаемой оболочке. В корпусе 10 установлены два клапана 1. Клапаны связаны каналами, размещёнными в плате 12. Для ручного управления узлом предусмотрен рычаг 6. Корпус 10 закрыт крышкой 11. Для переключения герконов предусмотрен поводок с магнитами 5, который через паз в плате 12 соединен с поршнем привода крана 20.

Узел работает следующим образом: к штуцеру с маркировкой « » подводится газ давлением 10-160 кгс/см2, штуцер с маркировкой « » служит для организованного отвода отработанного газа.

Таблица 13 - Технические характеристики ЭПУУ-8

п/п

Наименование параметра

Значение

1

Давление питания, кгс/см²

10 - 160

2

Мощность, потребляемая одним электромагнитом при номинальном напряжении и температуре окружающей среды (20±5) ºС, Вт, не более

20

3

Режим работы электромагнитов

длительный, ПВ 100%

4

Ток отпускания электромагнитов узлов, мА, не менее:

40

5

Минимальное допустимое сопротивление изоляции цепей при температуре окружающего воздуха (20±5) ºС и относительной влажности от 30 до 80%, МОм

20

6

Диаметр условного прохода клапана, мм

3

7

Допустимая величина утечки воздуха (газа) в сработанном положении клапана, см³/с, не более

50

8

Средний ресурс циклов, не менее

1·104

9

Напряжение постоянного тока управляющего сигнала, В

24

10

Число кабельных вводов

2

11

IP54


Рисунок 34 Схема ЭПУУ-8

Управление узлом осуществляется путём подачи управляющего сигнала от САУ мобильной ГРС на катушку электромагнита или нажатием на рычаг 6 оперативным персоналом.

Схема электропневматическая принципиальная узла показана на рисунке 35. К штуцеру с маркировкой «            » подводится газ давлением10 - 160 кгс/см². При подаче напряжения на клеммы 1 и 6 или 10 и 6 нормально замкнутый контакт геркона обеспечивают срабатывание соответствующего электромагнита, толкатель которого соединяет камеру питания клапана с полостью привода крана. Поршень привода крана, перемещаясь, увлекая закрепленный на нем поводок с магнитами, размыкает нормально замкнутый контакт геркона, обесточивает электромагнит, и полость привода соединяется с атмосферой.

Рисунок 35 - Схема электропневматическая ЭПУУ-8

.        Данные о текущем расходе газа через мобильную ГРС передаются в САУ от измерительного комплекса СГ-ЭК (ООО «ЭЛЬСТЕР Газэлектроника») по интерфейсной шине RS-485. Комплекс СГ-ЭК состоит из следующих составных частей:

-       турбинного счетчика газа СГ16-1000 (ОАО «Арзамасский приборостроительный завод») с низкочастотным датчиком импульсов;

-       корректора объема газа ЕК270 (ООО «ЭЛЬСТЕР Газэлектроника») со встроенным преобразователем абсолютного давления и преобразователями температуры газа и окружающей среды - термопреобразователи сопротивления c номинальной статической характеристикой преобразования 500П (Рt500), преобразователем перепада давления на счетчике.

Внешний вид измерительного комплекса СГ-ЭК представлен на рисунке 37.

Принцип работы счетчика СГ16-1000 основан на использовании энергии потока газа для вращения чувствительного элемента счетчика - измерительного турбинного колеса. При этом при взаимодействии потока газа с измерительным турбинным колесом последнее вращается со скоростью, пропорциональной скорости (объемному расходу) измеряемого газа. Вращательное движение измерительного турбинного колеса через механический редуктор и магнитную муфту передается на счетный механизм, показывающий объемное количество газа, прошедшее через счетчик за время измерения. На последнем цифровом ролике счетного механизма закреплен постоянный магнит, а вблизи колеса - герконы, частота замыкания контактов которых пропорциональна скорости вращения турбинного колеса, т.е. скорости потока (объемному расходу) газа. Импульсный сигнал от первого геркона поступает в корректор объема газа (канал измерения объема при рабочих условиях). Одновременно преобразователь температуры (термометр сопротивления), установленный в потоке газа вблизи турбинного колеса, вырабатывает сигнал, пропорциональный текущему значению температуры газа, а преобразователь давления, встроенный в корректор, - сигнал, пропорциональный давлению газа. Сигналы обрабатываются корректором ЕК-270 и отображаются на дисплее.

Корректор объема газа ЕК270 представляет собой самостоятельное микропроцессорное устройство с автономным питанием (от литиевых элементов питания) или от источника постоянного тока 24 В, предназначенное для преобразования по определенному алгоритму сигналов, поступающих с турбинного счетчика СГ16-1000, преобразователя давления, перепада давления и температуры (газа и окружающей среды), и регистрации этих параметров. Функционально корректор объема газа ЕК-270 обеспечивает:

-       вычисление приведенного к стандартным условиям объема и расхода газа;

-       просмотр на дисплее текущих измеряемых и рассчитываемых параметров, данных архива;

-       автоматическое измерение перепада давления на счетчике газа;

-       программирование и считывание информации с корректора;

-       формирование архива по рабочему и стандартному объему, давлению газа, перепаду давления на счетчике, температуре газа, температуре окружающей среды, коэффициенту сжимаемости и коэффициенту коррекции;

-       интеграцию в САУ мобильной ГРС с дистанционной передачей данных с помощью интерфейса RS-485.

На рисунке 38 представлена схема питания измерительного комплекса СГ-ЭК и передачи данных в САУ мобильной ГРС по RS-485.

Рисунок 38 - Схема питания измерительного комплекса СГ-ЭК и передачи данных в САУ мобильной ГРС по RS-485

10.    Для придания запаха природному газу на мобильной ГРС используется блок автоматической одоризации газа БАОГ (ОАО «БЗМТО» Брянский завод металлоконструкций и технологической оснастки). Управление процессом одоризации производится блоком управления БУ-103. Работа блока одоризации осуществляется в зависимости от текущего значения мгновенного расхода газа через ГРС. Информация о значении расхода газа по интерфейсной шине RS-485 передается от измерительного комплекса СГ-ЭК в САУ мобильной ГРС, а из САУ в блок управления одоризацией БУ-103

.        Система вытяжной вентиляции мобильной ГРС используется для обеспечения принудительного воздухообмена в помещении мобильной ГРС при возникновении местной загазованности. Система вытяжной вентиляции задействована в алгоритме управления системой контроля загазованностью. В системе вентиляции применены вентиляторы крышного типа ВКР-4 (ООО «ЧебЭнерго»). Вентилятор ВКР-4 представляет собой радиальный вентилятор низкого давления, одностороннего всасывания, с рабочими лопатками, загнутыми назад. Корпус вентилятора изготовлен из углеродистой стали с высококачественным полимерным покрытием. Дефлектор вокруг корпуса вентилятора защищает от попадания осадков в вентидяционный канал. Привод вентилятора - однофазный 220 В.

3.3 Выбор промышленного контроллера

Основным элементом системы автоматизированного управления газораспределительной станции является центральный контроллер, обеспечивающий управление работой всех составляющих САУ (модулей ввода/вывода аналоговых, дискретных сигналов, панели оператора). В САУ мобильной ГРС, для обеспечения полной совместимости с другим оборудованием производства ЗАО «ЭМИКОН», принимаем в качестве центрального контроллера - модуль центрального процессорного устройства CPU-17В АЛГВ.426469.032 (ЗАО «ЭМИКОН»). Данный модуль предназначен для работы в составе распределенной системы автоматизированного управления ГРС на базе программируемого контроллера DCS-2000 для сбора информации, обработки ее по заданным алгоритмам и выдачи управляющих команд и сигналов по четырем каналам RS-485 с гальванической изоляцией и цепями грозозащиты. Рабочие условия эксплуатации модуля CPU-17В:

-       температура окружающего воздуха от минус 5 °С до плюс 60 °С (без конденсации влаги);

-       относительная влажность воздуха до 85% при температуре плюс 25 °С;

-       атмосферное давление от 84 до 107 кПа.

Технические характеристики модуля центрального процессорного устройства CPU-17В представлены в таблице 14.

Таблица 14 - Технические характеристики модуля центрального процессораCPU-17В

п/п

Наименование параметра

Значение

1

Тип процессора

Am186CU-50KC AMD

2

Тактовая частота процессора, МГц

50

3

Объем памяти программ пользователя и операционной системы, Кбайт

512 FLASH AMD

4

Объем памяти данных, Кбайт

512 энергонезависимая

5

Количество внешних модулей прерывания

4

6

Количество программируемых 16-битных таймеров

3

7

Количество каналов низкоскоростных последовательных интерфейсов RS-232

1 (скорость до 115200 бод, ASYNC)

8

Количество каналов высокоскоростных последовательных интерфейсов RS-232

1 (скорость до 460800 бод, ASYNC)

9

Количество каналов высокоскоростных последовательных интерфейсов RS-485

4 (скорость до 2304000 бод, ASYNC, BISYNC, SDLC с гальванической изоляцией и цепями грозозащиты)

10

Количество каналов USB-A

1 (до 12 Мбод)


Питание модуля CPU-17B осуществляется от стабилизированного источника питания 24 В (модуль питания PU-22). Конструктивно модуль центрального процессора выполнен в виде двух четырехслойных плат CPU-17.1B и CPU-17.2B, установленных в пластмассовый корпус. Внешний вид модуля центрального процессора CPU-17B показан на рисунке 41.

Рисунок 41 - Внешний вид модуля центрального процессора CPU-17B

В качестве интерфейсных разъемов используются соединители: Х1 - вилка MSTBA на 6 контактов, Х2 - вилка MSTBA на 6 контактов, Х3 - вилка MSTBA на 2 контакта, Х4 - вилка MSTBA на 3 контакта, Х5 - вилка MSTBA на 12 контактов, Х6 - вилка MSTBA на 5 контактов. Соединитель Х1 предназначен для подключения к цепям организации режима горячего резервирования модулей CPU-17B. Соединители Х2 и Х6 предназначены для подключения к интерфейсу RS-232. Соединитель Х3 - для подключения нагрузки 24 В, 100 мА. Соединитель Х4 - для подключения к источнику питания. Соединитель Х5 - для подключения к последовательным каналам RS-485. Соединитель Х7 - для подключения к разъему USB. На торце корпуса расположены 12 светодиодов и 2 кнопки. Светодиоды «HL1…HL8» индицируют состояние модуля по результатам самодиагностики и могут быть использованы в прикладных программах. Кнопка «Job/Debug» предназначена для перевода модуля в режим загрузки и отладки пользовательских программ. Кнопка «Reset» предназначена для «горячего» сброса модуля CPU-17B. Светодиоды «L0…L3» индицируют происхождение данных в высокоскоростных каналах RS-485 «Line1 - Line3» соответственно.

В качестве центрального процессора используется плата CPU-17.1B в состав которой входит 16-ти разрядный высокопроизводительный микропроцессор Am186CU-50 фирмы AMD. Для адресации памяти программ, данных и периферийных устройств используется 19-ти разрядная шина адреса А0 - А18. Обмен данными ведется по 8-ми разрядной шине D0 - D7. Для организации надежного запуска центрального процессора используется устройство супервизора центрального процессора, выполненное на базе микросхемыADM705AR фирмы Analog Devices.

Супервизор центрального процессора формирует сигнал сброса центрального процессора (-RESIN) при подаче питания, а также при сбое программы, когда она не формирует сигнала (WatchDog) на время не более 1,6 секунды. Память программ реализована в виде 512 Кбайт CMOS FLASH Memory и содержит 32 Кбайта кода операционной системы и программу пользователя объемом 480 Кбайт.

Память данных представляет собой статическое ОЗУ емкостью 512 Кбайт. Память данных выбирается при низком уровне сигнала на линии (-CSRAM). Память данных предназначена для организации стека, хранения векторов прерываний, системных переменных и флагов, буферов данных. Также в ней располагаются все переменные пользовательской программы: регистры, таймеры и флаги. Энергонезависимость памяти данных обеспечивается за счет автоматического перехода на питание от литиевой батареи под управлением микросхемы DS1314S-2 фирмы Dallas Semiconductor.

Устройство высокоскоростного обмена данными по последовательным каналам RS-485 реализовано на базе двух БИС PEB20532 фирмы Infineon и занимает в пространстве ввода/вывода зону в 2х256 байт, образуя четыре независимых канала, работающих на скорости до 2,304 Мбод в стандартах ASYNC, BISYNC, HDLC/SDLC. Физическая реализация стандарта RS-485 обеспечивается платой преобразования интерфейсов CPU-17.2B, работающей совместно с платой CPU-17.1B.

Устройство приоритетных прерываний обеспечивает обработку до 4 внешних источников инициативных сигналов:

-       1 вектор от монитора батареи;

-       2 вектора от устройства высокоскоростного обмена RS-485;

-       сигнал немаскируемого прерывания NMI;

Кроме внешних источников прерываний существуют и внутренние прерывания от: UART, High Speed UART, USB, PIO, DMA, Timer0, Timer1, Timer2. Вся система прерываний является приоритетной (кроме NMI), что позволяет программно устанавливать высший приоритет любому из источников.

Охранный таймер (WatchDog) реализован в ИС ADM705AR супервизора центрального процессора и служит для формирования сигнала сброса (-RESIN) центрального процессора, если он не производит обращения через линию (-PCS6) за время более 1,6 секунды. Охранный таймер гарантирует перезапуск программы пользователя в случае сбоя по «горячей» линии алгоритма.

Сигнал исправности и разрешения выходов (Inhibit) служит для формирования сигнала разрешения работы BINH порта дискретного вывода, а также его надежной блокировки при первоначальном включении модуля или необратимом отказе, когда «горячий» перезапуск не привел к восстановлению работоспособности. Также формируются сигналы INHOUT+ и INHOUT-, позволяющие оценить исправность модуля при выполнении пользовательской программы. Электрические характеристики цепи следующие:

-       номинальное напряжение 24 В;

-       номинальный ток 100 мА;

-       гальваническая развязка 2500 В.

Отсутствие тока в цепи INHOUT+/- в ходе выполнения пользовательской программы расценивается как неисправность модуля центрального процессора.

Регистр дисплея выполнен на базе универсального порта вывода БИС ЦПУ (использованы линии PIO36 - PIO43) и предназначен для обслуживания 8-ми транзисторных ключей, управляющих светодиодами с токоограничивающими резисторами.

Устройство низкоскоростного обмена последовательными данными RS-232 состоит из встроенного в БИС ЦП независимого канала приема/передачи UART. Канал COM0 формирует сигналы RxD0, TxD1, CTS1, RTS1. Канал COM0 работает в стандарте RS-232. Операционная система изначально инициализирует канал в режим ASYNC MODBUS SLAVE на скорость 9600 бод.

Устройство высокоскоростного обмена последовательными данными RS-232 состоит из встроенного в БИС ЦП независимого канала приема/передачи High-Speed UART. Канал COM1 формирует сигналы RxD1, TxD1, CTS1, RTS1. Канал COM1 работает в стандарте RS-232. Операционная система изначально инициализирует канал в режим ASYNC MODBUS SLAVE на скорость 9600 бод.

Порт дискретного вывода образует линия PIO17 совместно с элементами оптронной развязки. Электрические характеристики цепи следующие:

-       номинальное напряжение 24 В;

-       номинальный ток 100 мА;

-       гальваническая развязка 2500 В.

Порт дискретного ввода образует линия PIO18 совместно с элементами оптронной развязки. Электрические характеристики цепи следующие:

-       номинальное напряжение 24 В;

-       номинальный ток 10 мА;

-       гальваническая развязка 2500 В.

Устройство высокоскоростного обмена последовательными данными USB состоит из встроенного в БИС ЦП независимого канала приема/передачи USB. Канал формируется линиями USBD- и USBD+, непосредственно подключенными к разъему USB-A на лицевой панели модуля CPU-17B.

Модуль CPU-17B работает под управлением кода операционной системы, который располагается в верхней зоне FLASH начиная с адреса 0F8000H и имеет объем 32 Кбайта. В зоне адресов 080000H - 0F7FFFH расположен код пользовательской программы. Программное обеспечение модуля предусматривает тестирование, управление загрузкой прграмм пользователя и выполнение их в реальном и отладочном режимах, а также обмен информацией по последовательным каналам в различных протоколах. Структурная схема модуля CPU-17B представлена на рисунке 42.

Рисунок 42 - Структурная схема модуля CPU-17B

Создание алгоритмов, управляющих работой мобильной газораспределительной станцией, осуществляется на проблемно-ориентированном языке программирования CONT в интегрированной системе разработки прикладного программного обеспечения CONT-Designer (ЗАО «ЭМИКОН»).

3.4   
Выбор схем согласования

.4.1   Схема согласования датчиков давления Метран-150 представлена на рисунке 43

Рисунок 43 - Схема согласования датчиков давления Метран-150

3.4.2 Схема согласования датчиков температуры ТСМУ Метран-274-02 представлена на рисунке 44

Рисунок 44 - Схема согласования датчиков температуры ТСМУ Метран-274-02

3.4.3
Схемы согласования блока управления запорной арматурой ЭПУУ-8 представлены на рисунке 45, 46

Рисунок 45 - Схема согласования блока управления запорной арматурой ЭПУУ-8

Рисунок 46 - Схема согласования блока управления запорной арматурой ЭПУУ-8

3.4.4 Схема согласования вентилятора ВКР-4

Для управления вентилятором ВКР-4 в системе принудительной вытяжной вентиляции предусмотрен модуль контроля и управления нагрузкой (ЗАО «Эмикон»), к которому подключен крышный вентилятор ВКР-4 через промежуточное реле РРМ77/3 (ГК «IEK»). Схема согласования вентилятора ВКР-4 представлена на рисунке 47.

Рисунок 47 - Схема согласования вентилятора ВКР-4

3.4.4 Схема согласования пожарного извещателя, охранного извещателя представлена на рисунке 48

Рисунок 48 - Схема согласования пожарного извещателя, охранного извещателя

3.4.5
Схема согласования сигнализатора загазованности представлена на рисунке 49

Рисунок 49 - Схема согласования сигнализатора загазованности

3.4.6 Передача данных от измерительного комплекса объема газа ЕК-270 производится по интерфейсу RS-485

Схема согласования измерительного комплекса ЕК-270 представлена на рисунке 50

Рисунок 50 - Схема согласования измерительного комплекса ЕК-270

3.4.8 Схема согласования блока управления БУ-103

Передача данных о расходах газа через мобильную ГРС производится от контроллера САУ CPU-17B в блок управления БУ-103 одоризацией БАОГ по интерфейсу RS-485. Схема согласования блока управления БУ-103 представлена на рисунке 51.

Рисунок 51 - Схема согласования блока управления БУ-103

Передача данных о состоянии технологических процессов на ГРС от САУ мобильной ГРС в существующую систему телемеханики Магистраль-2 (ООО Фирма «Газприборавтоматика») производится по интерфейсу RS-485.

3.5    Разработка схемы соединений системы автоматизированного управления

Все модули серии DCS-2000 (ЗАО «Эмикон»), панель оператора, входящие в состав САУ мобильной ГРС, а также измерительный комплекс учета газа СГ-ЭК, блок управления БУ-103 системой одоризации БАОГ, приемно-контрольный прибор Сигнал-20М противопожарной системы объединены локальной информационной сетью, работающей по протоколу MODBUS (интерфейс RS-485, скорость передачи данных 115200 бод), и имеют свой логический адрес. В составе сети они работают в качестве подчиненного (SLAVE) устройства, исполняя команды ведущего (MASTER) устройства - модуля центрального процессорного устройства CPU-17B. Логические адреса модулей серии DCS-2000 устанавливаются с помощью перемычек, логические адреса блоков управления периферийных устройств устанавливаются программно в каждом устройстве. Логические адреса устройств САУ ГРС представлены в таблице 15.

Таблица15 - Логические адреса устройств САУ ГРС

№ п/п

Номер устройства

Наименование устройства

Адрес в сети

1

М1

Блок питания нестабилизированный SU-08М


2

М2

Модуль питания PU-22


3

М3

Модуль питания PU-22


4

М4

Модуль центрального процессорного устройства CPU-17B

1

5

М5

Модуль повторителя интерфейса RS-485 CI-17B

2

6

М6

Модуль повторителя интерфейса RS-485 CI-17B

3

7

М7

Модуль повторителя интерфейса RS-485 CI-17B

4

8

М8

Модуль повторителя интерфейса RS-485 CI-17B

5

9

М9

Модуль ввода аналоговых сигналов AI-12

6

10

М10

Модуль ввода аналоговых сигналов AI-12

7

11

М11

Модуль ввода дискретных сигналов DI-12

8

12

М12

Модуль вывода дискретных сигналов DО-11

9

13

М13

Модуль ввода дискретных сигналов DI-12

10

14

М14

Модуль вывода дискретных сигналов DО-11

11

15

М15

Прибор приёмно-контрольный охранно-пожарный «Сигнал-20М»

12

16

М16

Комплекс для измерения количества газа СГ-ЭК

13

17

М17

Блок управления БУ-103 системой одоризации БАОГ

14

18

М18

Панель оператора СП310-Р

15

19

М19

Существующая система линейной телемеханики «Магистраль-2»

16


Центральное процессорное устройство CPU-17B считывает данные из модулей и периферийных устройств по интерфейсу RS-485, обрабатывает полученные данные, управляет оборудованием мобильной ГРС и передает информацию на «верхний» уровень - центральная диспетчерская служба (ЦДП) через существующую систему линейной телемеханики «Магистраль-2».

Для управления мобильной ГРС непосредственно на месте используется панель оператора СП310-Р, позволяющая осуществлять просмотр архивов событий, текущих аналоговых и дискретных параметров, изменение уставок, управление оборудованием.

Спецификация оборудования, примененного для разработки САУ мобильной ГРС, приведена в таблице 16.

Таблица 16 - Спецификация оборудования САУ мобильной ГРС

№ п/п

Обозначение на схеме

Наименование устройства

Количество

Завод-производитель

1

SF1

Выключатель автоматический ВА47-60 1Р 10А С

1

IEK (Россия)

2

SB-01

Блок аккумуляторов

2

ЗАО «ЭМИКОН» (Россия)

3

SU-08M

Блок питания нестабилизированный

1

ЗАО «ЭМИКОН» (Россия)

4

PU-22

Модуль питания

2

ЗАО «ЭМИКОН» (Россия)

5

CPU-17B

Модуль центрального процессорного устройства

1

ЗАО «ЭМИКОН» (Россия)

6

CI-17B

Модуль повторителя интерфейса RS-485

4

ЗАО «ЭМИКОН» (Россия)

7

AI-12

Модуль ввода аналоговых сигналов

2

ЗАО «ЭМИКОН» (Россия)

8

DI-12

Модуль ввода дискретных сигналов

2

ЗАО «ЭМИКОН» (Россия)

9

DО-11

Модуль вывода дискретных сигналов

2

ЗАО «ЭМИКОН» (Россия)

10

«Сигнал-20М»

Прибор приёмно-контрольный охранно-пожарный

1

ЗАО НВП «Болид» (Россия)

11

СГ-ЭК

Комплекс для измерения количества газа

1

ООО «Эльстер Газэлектроника» (Россия)

12

БУ-103

Блок управления системой одоризации БАОГ

1

ОАО «БЗМТО» (Россия)

13

СП310-Р

Панель оператора

1

ООО «ПО ОВЕН» (Россия)

14

Метран-150

Датчик давления

4

ЗАО «Метран» (Россия)

15

ТСМУ Метран-274-02

Датчик температуры

2

ЗАО «Метран» (Россия)

16

СТМ-30

Сигнализатор

2

ФГУП СПО «Аналитприбор» (Россия)

17

ЭПУУ-8

Электро-пневматическое устройство управления запорной арматурой

5

Фирма «Калининградгазприборавтоматика» (Россия)

18

ИП212/ 101

Взрывозащищенный дымо-тепловой пожарный извещатель

2

НПП «Специнформатика-СИ» (Россия)

19

ИО 102/26

Извещатель охранный точечный магнитоконтактный взрывозащищенный

1

ООО «ПКФ ДУАЛТЕК» (Россия)

20

ВКР-4

Вентилятор крышный

2

ООО «ГК РОВЕН»

21

РРМ77/3

Реле промежуточное

1

IEK (Россия)

22

ХТ1.1-ХТ1.8

Зажим клеммный

53

IEK (Россия)

23

RL12

Короб перфорированный 40*40

20

АО «ДКС» (Россия)

24

ШР1200УД

Шкаф распределительный

1

ООО «ЛТС-Опытный завод» (Россия)


Схема соединений системы автоматизированного управления мобильной газораспределительной станцией приведена в Приложении 1.

4.     
РАЗРАБОТКА АЛГОРИТМА УПРАВЛЯЮЩЕЙ ПРОГРАММЫ

Управление запорной арматурой, системами пожарообнаружения, контроля загазованности, предотвращения доступа, одоризации производится с помощью алгоритмов САУ мобильной ГРС, с пульта оператора ГРС и удаленно - от диспетчера ЛПУ МГ по существующей системе телемеханики. Все сигналы о работе мобильной ГРС передаются из САУ по каналам существующей системы телемеханики диспетчеру ЛПУ МГ.

Описание алгоритмов работы САУ мобильной ГРС:

.        Аварийный останов ГРС со стравливанием газа (АОс ГРС) - предусматривается при сигнале «Пожар» в помещении мобильной ГРС.

- включается аварийная сигнализация САУ ГРС;

происходит запись в журнал событий в САУ ГРС;

- закрывается входной кран ГРС;

закрывается выходной кран ГРС;

при условии подтверждения закрытия кранов входа и выхода ГРС открывается кран свечной кран;

.        Аварийный останов ГРС без стравливания газа (АОб ГРС) - предусматривается при сигнале «Рвх низкое аварийное».

происходит запись в журнал событий в САУ ГРС;

закрывается входной кран ГРС;

закрывается выходной кран ГРС;

.        Сигнал «Загазованность 1 порог».

включается предупредительная сигнализация САУ ГРС;

при отсутствии сигнала пожар включаются вытяжные вентиляторы;

происходит запись в журнал событий в САУ ГРС;

.        Сигнал «Загазованность 2 порог».

включается аварийная сигнализация САУ ГРС;

при отсутствии сигнала пожар включаются вытяжные вентиляторы;

происходит запись в журнал событий в САУ ГРС;

.        Сигнал «Рвх низкое предупредительная».

включается предупредительная сигнализация САУ ГРС;

происходит запись в журнал событий в САУ ГРС;

.        Сигнал «Рвых низкое предупредительная».

включается предупредительная сигнализация САУ ГРС;

происходит запись в журнал событий в САУ ГРС;

.        Сигнал «Рвых низкое аварийная».

включается аварийная сигнализация САУ ГРС;

происходит запись в журнал событий в САУ ГРС;

если сигнал «Рвых низкое аварийная» не пропадает в течение 10 секунд, производится закрытие кранов основной и резервной ниток редуцирования;

закрывается кран на выходе ГРС;

.        Сигнал «Рвых высокое предупредительная».

включается предупредительная сигнализация САУ ГРС;

происходит запись в журнал событий в САУ ГРС;

если сигнал «Рвых высокое предупредительная» не пропадает в течение 10 секунд, производится закрытие крана основной нитки редуцирования;

.        Сигнал «Рвых высокое аварийная».

включается аварийная сигнализация САУ ГРС;

происходит запись в журнал событий в САУ ГРС;

если сигнал «Рвых высокое аварийная» не пропадает в течение 10 секунд, производится закрытие крана резервной нитки редуцирования;

закрывается кран на выходе ГРС;

4.1 Разработка подпрограмм обслуживания датчиков и формата, получаемых данных

Для программирования контроллера CPU-17B, являющегося ядром системы управления мобильной газораспределительной станции и входящего в линейку контроллеров серии DCS-2000, выпускаемой фирмой ЗАО «ЭМИКОН» применяется система программирования CONT-Designer, которая базируется на пользовательском языке CONT, также разработанным этой компанией.

Язык программирования CONT является проблемно-ориентированным языком, т.е. содержит специальные операторы и структуры данных, отражающие специфику задач управления технологическими процессами. Язык CONT, являясь текстовым языком высокого уровня, как и стандартный язык программирования структурированного текста, превосходит его по наглядности представления программ, гибкости и простоте в использовании. Благодаря применению инструкций на русском языке, а также широкому использованию внутренних и внешних комментариев, обеспечивается наглядное представление программ, а также удобство их модификации и отладки. В отличие от графических языков, в языке CONT отсутствуют ограничения на число ветвлений и циклов, сложность логических и арифметических вычислений. В этом языке имеется возможность использования различных типов операций, что позволяет составлять сложные выражения, наглядность записи которых обеспечивается внутренними комментариями, располагающимися между операндами и логическими операциями.

Особенностями реализации языка программирования CONT являются:

-       обеспечение надежной работы технологических программ за счет наличия механизмов реакции на исключительные ситуации (например, временное пропадание питания контроллера), а также блокировки дискретных выходов до их инициализации;

-       наличие развитого механизма прерываний обычного хода выполнения программы, что позволяет оперативно реагировать на те или иные события и выделять в программе задачи, различающиеся по приоритетам.

Язык программирования CONT реализован как компилируемый, поэтому обеспечивается высокая скорость выполнения технологических программ и не требуется высокопроизводительных процессоров.

Для удобства работы в операционной системе Windows применяется система программирования CONT-Designer, включающая интегрированную среду, состоящую из редактора, компилятора, средств удаленной загрузки и отладки программ, а также библиотеки функций, наиболее часто используемых в технологических программах. Система программирования CONT-Designer обеспечивает расширяемость функциональных возможностей языка программирования CONT за счет предоставления возможности создания собственных функций для дальнейшего их использования в программе. Одним из главных достоинств системы программирования CONT-Designer является уменьшение трудоемкости процесса написания программ, а также вероятности допущения ошибок на этом этапе.

Для написания основной управляющей программы в данной работе использована система программирования CONT- Designer версия 2.25. Блок-схема основной программы, управляющей работой центрального процессорного устройства CPU-17B, являющегося центром управления САУ мобильной ГРС, представлена на рисунке 52.

Рисунок 52 - Блок-схема основной программы управления САУ ГРС

Блок-схемы подпрограмм обслуживания датчиков и формата получаемых данных представлены на рисунках 53-55.

Рисунок 53 - Блок-схема подпрограммы «Контроль и управление кранами»

Рисунок 53 - Блок-схема подпрограммы «Обработка аналоговых сигналов»

Рисунок 54 - Блок-схема подпрограммы «Защита по понижению входного давления»

Рисунок 55 - Блок-схема подпрограммы «Противопожарная защита»

Рисунок 56 - Блок-схема подпрограммы «Контроль и защита от загазованности»

4.2 Отладка разработанного программного обеспечения

После написания текста основной программы (файл с расширением .con) и программных модулей (файлы с расширениями .c01, c02, c03, c04, c05) произведена компиляция программного обеспечения. В процессе компиляции сгенерированы исполняемые файлы с расширением (.b01, b02, b03, b04, b05), окно редактора переключается в режим просмотра текста программы (без возможности редактирования). По окончании процесса компиляции управляющей программы в правой части строки состояния окна «Интегрированной системы разработки прикладного программного обеспечения CONT-Designer for Windows» появляется сообщение «Программа готова к загрузке в контроллер», рисунок 57.

Рисунок 57 - Результат компиляции программы

Перед началом загрузки программы в контроллер необходимо убедиться в правильности настроек обмена данными с контроллером CPU-17B и нахождении его в режиме «Отладка». Для перевода контролера CPU-17B в режим «Отладка» необходимо подать питание на контроллер при нажатой кнопке «J/D». После загрузки исполняемых файлов в контроллер происходит инициализация выполнения программы, во время которой операционная система настраивается на выполнение первой команды программы.

Рисунок 58 - Окно настроек соединения с контроллером CPU-17B

После этого становятся доступными следующие возможности символьного отладчика:

-       непрерывное выполнение программы;

-       выполнение программ в пошаговом режиме (при этом за каждый шаг выполняются команды, расположенные на текущей строке);

-       выполнение программы до строки, помеченной курсором;

-       задание контрольных точек останова (точкой останова считается первая команда, находящаяся в выбранной строке);

-       выполнение программы с остановом на контрольных точках;

-       сброс программы.

Рисунок 59 - Окно отладки программы

Отладка управляющей программы производится только после загрузки в центральный контроллер CPU-17B САУ мобильной ГРС.

Листинг основной управляющей программы и подпрограмм обслуживания периферийного оборудования системы автоматизированного управления мобильной газораспределительной станцией представлен в Приложении 2.

.       
РАСЧЕТ НАДЕЖНОСТИ СИСТЕМЫ АВТОМАТИЗИРОВАННОГО УПРАВЛЕНИЯ

В соответствии с положениями ГОСТ 27.002-2015 «Надежность в технике. Термины и определения» понятие «система» - как система автоматизированного управления мобильной газораспределительной станцией, - это объект, представляющий собой множество взаимосвязанных элементов, рассматриваемых в определенном контексте как единое целое и отделенных от окружающей среды. Система обычно определяется с точки зрения достижения определенной цели, например выполнения требуемых функций.

Надежность системы автоматизированного управления мобильной газораспределительной станцией определяется как - свойство объекта сохранять во времени способность выполнять требуемые функции в заданных режимах и условиях применения. Надежность является комплексным свойством, которое в зависимости от назначения объекта и условий его применения может включать в себя безотказность, ремонтопригодность, восстанавливаемость, долговечность, сохраняемость, готовность или определенные сочетания этих свойств.

Восстанавливаемость - это свойство объекта, заключающееся в его способности восстанавливаться после отказа без ремонта. Для восстановления могут требоваться или не требоваться внешние воздействия.

Наработка до отказа - это продолжительность работы объекта от начала его эксплуатации или момента его восстановления до отказа.

Время восстановления - это время, затрачиваемое непосредственно на выполнение операций по восстановлению объекта.

В ходе разработки системы автоматизированного управления мобильной газораспределительной станцией для учета надежности составляющих элементов, для формулировки требований к надежности системы в целом, для определения срока службы системы определяются количественные характеристики надежности - показатели надежности системы.

Показатели безотказности:

-       наработка на отказ;

-       вероятность безотказной работы в течение заданного времени;

Показатели ремонтопригодности:

-       среднее время восстановления работоспособности системы;

Комплексные показатели:

-       коэффициент готовности системы - вероятность того, что система работоспособна в произвольный момент времени;

-       коэффициент оперативной готовности - вероятность того, что система окажется в работоспособном состоянии в произвольный момент времени, и, начиная с этого времени, будет работать безотказно в течение заданного интервала времени.

Расчет показателей надежности САУ мобильной ГРС производится в следующей последовательности:

-       определение перечня функций САУ ГРС, для которых необходим расчет надежности и которые влияют на надежность системы в целом;

-       определение состава элементов, участвующих в реализации функций САУ ГРС;

-       построение структурно-логической схемы расчета надежности. Для САУ мобильной ГРС характерна последовательно-параллельная схема расчета надежности.

Перечень функций САУ мобильной ГРС, для которых производится расчет надежности и которые влияют на надежность системы в целом:

-       измерение параметров рабочего процесса ГРС;

-       управление технологическим оборудованием ГРС;

-       сигнализация состояния оборудования ГРС;

-       передача данных между элементами САУ ГРС, технологическим оборудованием и САУ ГРС;

-       регистрация полученных данных САУ ГРС от технологического оборудования;

Расчет надежности САУ ГРС в данной работе производится элементным методом - определение показателей надежности системы, обусловленных надежностью ее комплектующих частей. Состав элементов, участвующих в реализации функций САУ ГРС, относительно которых производится расчет элементной надежности системы в целом:

-       датчик давления Метран-150 (средняя наработка на отказ 150000 часов);

-       датчик температуры ТСМУ Метран-274 (средняя наработка на отказ 70000 часов);

-       сигнализатор СТМ-30 (средняя наработка на отказ 30000 часов);

-       блок управления запорной арматурой ЭПУУ-8 (средняя наработка на отказ 30000 часов);

-       вентилятор ВКР-4 (средняя наработка на отказ 20000 часов);

-       извещатель пожарный ИП212/101-18 (средняя наработка на отказ 60000 часов);

-       извещатель охранный ИО102-26/В (средняя наработка на отказ 200000 часов);

-       прибор приемно-контрольный охранно-пожарный Сигнал-20М (средняя наработка на отказ 20000 часов);

-       реле промежуточное РРМ77/3 (средняя наработка на отказ 1000000 переключений);

-       панель оператора СП310Р (средняя наработка на отказ 30000 часов);

-       модуль ввода аналоговых сигналов AI-12 (средняя наработка на отказ 12000 часов);

-       модуль ввода дискретных сигналов DI-11 (средняя наработка на отказ 12000 часов);

-       модуль вывода дискретных сигналов DО-11 (средняя наработка на отказ 12000 часов);

-       модуль повторителя интерфейса RS-485 CI-17B (средняя наработка на отказ 12000 часов);

-       модуль центрального процессорного устройства CPU-17B (средняя наработка на отказ 12000 часов);

-       модуль питания PU-22 (средняя наработка на отказ 12000 часов);

-       блок питания нестабилизированный SU-08M (средняя наработка на отказ 12000 часов);

5.1 Методика расчета показателей надежности

Расчет показателей надежности выполнен в соответствии с методикой, изложенной в [8]. Для каждого элемента САУ мобильной ГРС рассчитываются следующие параметры элементной надежности:

-       параметр потока отказов каждого элемента системы:

λ =  (1)

где λ - параметр потока отказов каждого элемента системы;

Т - наработка на отказ каждого элемента системы, час;

-       параметр потока восстановления каждого элемента системы:

μ =  (2)

где μ - параметр потока восстановления каждого элемента системы;

Тв - среднее время восстановления каждого элемента системы, час;

Для совокупности элементов системы рассчитываются следующие показатели:

-       параметр потока отказов совокупности элементов системы:

           (3)

где λэ - параметр потока отказов совокупности элементов системы;

λi - параметр потока отказов i-го элемента системы;

n - количество элементов системы;

-       параметр потока восстановления совокупности элементов системы:

μэ =  (4)

где μэ - параметр потока восстановления совокупности элементов системы;

μ1 - параметр потока восстановления 1-го элемента системы;

μ2 - параметр потока восстановления 2-го элемента системы;

μn - параметр потока восстановления n-го элемента системы;

Для системы в целом рассчитываются следующие показатели:

-       время наработки на отказ системы:

 (5)

-       время восстановления системы:

 (6)

-       вероятность безотказной работы за 10000 часов:

 (7)

Результаты расчета САУ мобильной ГРС на надежность представлены в таблице 17 и таблице 18.

Таблица 17 - Результаты расчета САУ мобильной ГРС на надежность

№п/п

Наименование элементов системы

Средняя наработка на отказ, час

Параметр потока отказов

Параметр потока восстановления

1

Датчик давления Метран-150

150000

6.67E-06

1

2

Датчик температуры ТСМУ Метран-274

70000

1.43E-05

1

3

Сигнализатор СТМ-30

30000

3.33E-05

1

4

Блок управления запорной арматурой ЭПУУ-8

10000

1.00E-04

1

5

Вентилятор ВКР-4

20000

5.00E-05

1

6

Извещатель пожарный ИП212/101-18

60000

1.67E-05

1

7

Извещатель охранный ИО102-26/В

200000

5.00E-06

1

8

Прибор приемно-контрольный охранно-пожарный Сигнал-20М

20000

5.00E-05

1

9

Реле промежуточное РРМ77/3

1000000

1.00E-06

1

10

Панель оператора СП310Р

50000

2.00E-05

1

11

Модуль ввода аналоговых сигналов AI-12

10000

1.00E-04

1

12

Модуль ввода дискретных сигналов DI-11

10000

1.00E-04

1

13

Модуль вывода дискретных сигналов DО-11

10000

1.00E-04

1

14

Модуль повторителя интерфейса RS-485 CI-17B

10000

1.00E-04

1

15

Модуль центрального процессорного устройства CPU-17B

10000

1.00E-04

1

16

Модуль питания PU-22

10000

1.00E-04

1

17

Блок питания нестабилизированный SU-08M

10000

1.00E-04

1


Для расчета параметра потока восстановления принято следующее упрощение - среднее время восстановления каждого элемента системы принято 1 час.

Таблица 18 - Результаты расчета САУ мобильной ГРС на надежность

№п/п

Наименование параметра надежности

Условное обозначение

Значение параметра

По информационным функциям

1

Параметр потока отказов совокупности элементов системы

λэ

8.33E-05

2

Параметр потока восстановления совокупности элементов системы

μэ

1.00

3

Время наработки на отказ системы

Тс

12000.00

4

Время восстановления системы

Твс

1.00

5

Вероятность безотказной работы за 10000 часов

Р(10000)

0.43

По управляющим функциям

1

Параметр потока отказов совокупности элементов системы

λэ

6.67E-05

2

Параметр потока восстановления совокупности элементов системы

μэ

1.00

3

Время наработки на отказ системы

Тс

15000.00

4

Время восстановления системы

Твс

1.00

5

Вероятность безотказной работы за 10000 часов

Р(10000)

0.51

По функциям защиты

1

Параметр потока отказов совокупности элементов системы

λэ

5.00E-05

2

Параметр потока восстановления совокупности элементов системы

μэ

1.00

3

Время наработки на отказ системы

Тс

20000.00

4

Время восстановления системы

Твс

1.00

5

Вероятность безотказной работы за 10000 часов

Р(10000)

0.61


Таким образом, время наработки САУ мобильной ГРС на отказ составляет:

-       по информационным функциям - 12000 часов;

-       по управляющим функциям - 15000 часов;

-       по функциям защиты - 20000 часов.

.       
РАСЧЕТ ОСНОВНОЙ ПОГРЕШНОСТИ СИСТЕМЫ АВТОМАТИЗИРОВАННОГО УПРАВЛЕНИЯ

Источником возникновения погрешностей измерения величин в системе автоматизированного управления мобильной газораспределительной станцией являются следующие составляющие САУ:

.        При измерении давления:

-       датчик давления Метран-150 - основная допустимая погрешность измерения давления - 0,075%;

-       модуль ввода аналоговых сигналов AI-12 - основная допустимая погрешность измерения давления - 0,2%;

.        При измерении температуры:

-       датчик температуры ТСМУ Метран-274 - основная допустимая погрешность измерения давления - 0,025%;

-       модуль ввода аналоговых сигналов AI-12 - основная допустимая погрешность измерения давления - 0,2%;

.        При измерении уровня загазованности:

-       сигнализатор СТМ-30

В соответствии с требованиями [7] пределы допускаемой погрешности при измерении технологических параметров производственного процесса мобильной ГРС, с учетом погрешностей первичных датчиков и системы управления, не должны превышать следующих значений:

-       измерение давления газа ± 0,5%;

-       измерение температуры газа ± 0,5%;

6.1 Расчет погрешности измерения технологических параметров системой автоматизированного управления ГРС

-       погрешность измерения давления:

δдавл. =  (1)

где  - основная допустимая погрешность датчика давления Метран-150;

 - основная допустимая погрешность модуля ввода аналоговых сигналов AI-12;

δдавл. =  = 0,21%

-       погрешность измерения температуры:

δтемп. =  (2)

где  - основная допустимая погрешность датчика температуры ТСМУ Метран-274;

 - основная допустимая погрешность модуля ввода аналоговых сигналов AI-12;

δтемп. =  = 0,32%

-       погрешность измерения уровня загазованности:

δзагаз. =  (3)

где  - основная допустимая погрешность сигнализатора СТМ-30;

 - основная допустимая погрешность модуля ввода аналоговых сигналов AI-12;

δзагаз. =  = 0,22%

Максимальное значение погрешности при измерении технологических параметров составляет 0,32%, что удовлетворяет требованиям [7].

Разработанная система автоматизированного управления мобильной газораспределительной станцией в части обеспечения точности измеряемых технологических параметров производственного процесса соответствует требованиям нормативно-технической документации.

.       
РАСЧЕТ БЫСТРОДЕЙСТВИЯ СИСТЕМЫ АВТОМАТИЗИРОВАННОГО УПРАВЛЕНИЯ

Одной из качественных характеристик системы автоматизированного управления является ее быстродействие. Критерии быстродействия САУ основаны на оценке того, насколько быстро САУ реагирует на появление управляющих и возмущающих воздействий, то есть время от возникновения внешнего воздействия до реакции (отклика) САУ.

Время отклика САУ мобильной ГРС складывается из:

-       времени отклика первичных датчиков;

-       времени преобразования сигналов датчиков в цифровой код и передачи его в центральный процессорный модуль;

-       времени обработки цифрового кода и выдачи управляющего сигнала

В соответствии с требованиями [7] программно-технические средства САУ ГРС должны обеспечивать следующие временные характеристики выполнения функций:

.        Доставка информационного сообщения:

-       сбор полного объема технологической информации - 0,5 сек;

-       скорость реакции системы (выдача команд управления по защите) - 0,25 сек;

.        Доставка команды управления на регулирующие устройства и исполнительные механизмы - 0,5 сек.


-       время отклика датчика давления:

Т1 = Тп + Тз (1)

где Т1 - время установления аналогового выходного сигнала датчика давления Метран-150, мс;

Тп - постоянная переходного процесса датчика давления Метран-150

(Тп = 100 мс);

Тз - время задержки (Тз = 45 мс)

Т1 = 100 + 45 = 145 мс

-       время обработки аналогового сигнала модулем ввода аналоговых сигналов AI-12:

Т2 = Тк + Тпр + Тф (2)

где Т2 - время обработки аналогового сигнала модулем ввода аналоговых сигналов AI-12, мс;

Тк - время коммутации канала, (50мкс);

Тпр - время преобразования, (10 мкс);

Тф - постоянная времени аппаратного фильтра (40 мс)

Т2 = 0,05 + 0,01 + 40 = 40,06 мс

-       время работы модуля повторителя интерфейса RS-485 CI-17B по передаче цифрового кода в центральный процессорный модуль CPU-17B (Т3 = 16 мс);

-       время работы центрального процессорного модуля CPU-17B по обработке цифрового кода и выдаче сигналов управления запорной арматурой (Т4 = 16 мс)

Т = Т1 + Т2 + Т3 + Т4 (3)

где Т - время отклика САУ мобильной ГРС, мс;

Т = 145 + 40,06 + 16 + 16 = 217,06 мс

Время отклика САУ мобильной ГРС составляет 0,217 сек, что удовлетворяет требованиям [7].

Разработанная система автоматизированного управления мобильной газораспределительной станцией в части быстродействия соответствует требованиям нормативно-технической документации.

ЗАКЛЮЧЕНИЕ

Применение мобильных газораспределительных станций при капитальных ремонтах и реконструкциях стационарных ГРС без оснащения их системами автоматизированного управления ведет к снижению уровня безопасности технологического процесса транспорта газа и требует постоянного присутствия оперативного персонала.

В данной работе выполнена разработка системы автоматизированного управления мобильной газораспределительной станцией. Модернизация существующих мобильных ГРС внедрением в их состав системы автоматизированного управления позволит повысить уровень и качество управления технологическим оборудованием, а также степень безопасности транспорта и распределения природного газа в целом.

Применение комплектующих САУ мобильной ГРС только отечественного производства позволит повысить удобство и качество технического обслуживания оборудования, снизить затраты на обслуживание и ремонт, снизить себестоимость системы управления. Рассчитанная наработка на отказ комплектующих и системы управления в целом свидетельствует об уровне надежности САУ мобильной ГРС, соответствующему отраслевым техническим требованиям.

Применение комплектующих российского производства в системе автоматизированного управления мобильной газораспределительной станцией полностью согласуется с текущей рыночной конъюнктурой, Политикой ПАО «Газпром» в области поддержки развития и освоения производства импортозамещающей продукции отечественными предприятиями-изготовителями и общим трендом развития импортозамещения в стране в условиях неблагоприятного внешнеполитического фактора.

СПИСОК ИСПОЛЬЗОВАННЫХ ИСТОЧНИКОВ

1.      О Правительственной комиссии по импортозамещению: постановление Правительства РФ от 04.08.2015 №785// Российская газета. - 2015. - 6 августа. - С.21.

.        ГОСТ 27.002-2015 Надежность в технике. Термины и определения. - Введ. 01.01.2017. - Москва: Стандартинформ, 2016. - 24 с.

.        ГОСТ 19.701-90 ЕСПД. Схемы алгоритмов, программ, данных и систем. Условные обозначения и правила выполнения. - Введ. 01.01.1992. - Москва: Стандартинформ, 1992. - 22 с.

.        ГОСТ Р 51330.10-99 Электрооборудование взрывозащищенное. Часть 11. Искробезопасная электрическая цепь. - Введ. 01.01.2001. - Москва: Стандартинформ, 2001. - 120 с.

.        ВРД 39-1.10-069-2002 Положение по технической эксплуатации газораспределительных станций магистральных газопроводов: утв. Членом Правления ОАО «Газпром» Б.В. Будзуляком 15.10.2002. - Введ. Распоряжением ОАО «Газпром» №24 от 26.03.2003. - Москва: ООО «ИРЦ Газпром», 2003. - 95 с.

.        Р Газпром: Временные технические требования к газораспределительным станциям (ГРС): утв. Членом Правления ОАО «Газпром» Б.В. Будзуляком 21.06.2008. - Москва: ДОАО «Оргэнергогаз», 2008. - 38 с.

.        Основные положения по автоматизации газораспределительных станций: утв. Членом Правления ОАО «Газпром» Б.В. Будзуляком 15.10.2002. - Введ. Распоряжением ОАО «Газпром» №24 от 17.12.2001. - Москва: ОАО «Газавтоматика», 2001. - 52 с.

.        Бессонов А.А. Надежность систем автоматического регулирования / А.А. Бессонов, А.В. Мороз - Ленинград: Энергоатом издат., Ленинградское отделение, 1984. - 216 с.

.        Данилов А.А. Газораспределительные станции / А.А. Данилов, А.И. Петров - Санкт-Петербург: Недра, 1999. - 240с.

.        Рыжкин А.А. Основы теории надёжности: учеб. пособие / А.А. Рыжкин, Б.Н. Слюсарь, К.Г. Шучев - Ростов-на-Дону: Издательский центр ДГТУ, 2002. - 182 с.

.        Шкляр В.Н. Надежность систем управления: учеб. пособие / В.Н. Шкляр. - Томск: Томский политехнический университет, 2009. - 126 с.

12.    Интегрированная система разработки прикладного программного обеспечения CONT-Designer for Windows. Версия 2.хх. Руководство программиста [Электронный ресурс] // ЭМИКОН: сайт. - Режим доступа: <http://www.emicon.ru/FrontTopic/id1578>.

.        Политика ПАО «Газпром» в области поддержки развития и освоения производства импортозамещающей продукции отечественными предприятиями-изготовителями [Электронный ресурс]: офиц. сайт. - Режим доступа: <http://importozamechenie.ru>.

.        Система автоматизированного управления газораспределительной станцией на базе программно-техниченского комплекса Каскад-САУ [Электронный ресурс]: офиц. сайт. - Режим доступа: <http://www.tersy.ru>;

.        Система автоматизированного управления газораспределительной станцией (САУ ГРС) на базе комплекса программно-технического «Неман-Р» [Электронный ресурс]: офиц. сайт. - Режим доступа: <http://www.kgpa.ru>;

.        Система автоматизированного управления ГРС на базе СТН-3000 [Электронный ресурс]: офиц. сайт. - Режим доступа: <http://www.atgs.ru>;

17.    Cистема автоматического управления газораспределительной станцией ЭЛТА-САУ [Электронный ресурс]: офиц. сайт. - Режим доступа: <http://elcomplus.ru>.

.        Система автоматического управления ГРС - "Сириус - ГРС" [Электронный ресурс]: офиц. сайт. - Режим доступа: <http://www.rlt.ru>;

.        Системы телемеханики и САУ ГРС на базе комплекса программных и технических средств «Магистраль-2» [Электронный ресурс]: офиц. сайт. - Режим доступа: <http://www.gpa.ru>.

20.    Шкаф контроля и управления газораспределительной станцией ШКУ ГРС [Электронный ресурс]: офиц. сайт. - Режим доступа: <http://www.gazprommash.ru>.

ПРИЛОЖЕНИЕ 1

(обязательное)

Листинг основной управляющей программы и подпрограмм обслуживания периферийного оборудования системы автоматизированного управления мобильной газораспределительной станцией.

БИБЛИОТЕКА (Lib\MATH.LIB);

БИБЛИОТЕКА (LIB\SYSTEM.LIB);

"ФУНКЦИЯ (REGSET), входные параметры

" ( NUM_DO, 0, 10000 );

"Инициализирующая часть программы:

ФУНКЦИЯ (INIT_FTR),

входные параметры (BUFFER_SIZE),

выходные параметры (МАС_Р_ВХ[0], МАС_Р_ВХ[1]);

ФУНКЦИЯ (INIT_FTR),

входные параметры (BUFFER_SIZE),

выходные параметры (МАС_Р_ВЫХ[0], МАС_Р_ВЫХ[1]);

ФУНКЦИЯ (INIT_FTR),

входные параметры (BUFFER_SIZE),

выходные параметры (МАС_Р_РЕД1[0], МАС_Р_РЕД1[1]);

ФУНКЦИЯ (INIT_FTR),

входные параметры (BUFFER_SIZE),

выходные параметры (МАС_Р_РЕД2[0], МАС_Р_РЕД2[1]);

ФУНКЦИЯ (INIT_FTR),

входные параметры (BUFFER_SIZE),

выходные параметры (МАС_Т_ВХ[0], МАС_Т_ВХ[1]);

ФУНКЦИЯ (INIT_FTR),

входные параметры (BUFFER_SIZE),

выходные параметры (МАС_Т_ВЫХ[0], МАС_Т_ВЫХ[1]);

"При перезагрузке обнуляем состояние кранов, что бы исключить срабатывание функции

"возврата крана, для случая если перед включением САУ оператор перевёл кран в другое положение

КРАН_ВХ[0] = 0;

КРАН_ВЫХ[0] = 0;

КРАН_НА_СВЕЧУ[0] = 0;

КРАН_РЕД1[0] = 0;

КРАН_РЕД2[0] = 0;

"Заносим ASCII символы в массив STRING_ASCII для отображения на Uniop строки OFF

STRING_ASCII[0] = 4F20H;"пробел О_ASCII[1] = 4646H;" F F_ASCII[2] = 2020H;"пробел пробел=0;= 0;_GRS = 0;_GRS = 0;= 0;= 0;

"Инициализируем индексные регистры= 0; J = 0; Y = 0; Z = 0; K = 0; D = 0; G = 0; H = 0; Q = 0; N = 0; V = 0;_HEATER = 0; "счётчик неответов

ЗАГРУЗИТЬ таймер (TIMER_VALVE_IN) уставкой (TIME_VALVE), режим (0);

ЗАГРУЗИТЬ таймер (TIMER_VALVE_OUT) уставкой (TIME_VALVE), режим (0);

ЗАГРУЗИТЬ таймер (TIMER_VALVE_NA_SVECHU) уставкой (TIME_VALVE), режим (0);

ЗАГРУЗИТЬ таймер (TIMER_VALVE_RED1) уставкой (TIME_VALVE), режим (0);

ЗАГРУЗИТЬ таймер (TIMER_VALVE_RED2) уставкой (TIME_VALVE), режим (0);

ЗАГРУЗИТЬ таймер (TIMER_SIGNAL_POJAR) уставкой (TIMER_POJAR), режим (0);

ЗАГРУЗИТЬ таймер (TIMER_KRAN_AVARIYA) уставкой (KRAN_AVARIYA), режим (0);

ЗАГРУЗИТЬ таймер (TIMER_SIGNAL_ZAGAZ) уставкой (TIMER_ZAGAZOV), режим (0);

ЗАГРУЗИТЬ таймер (TIMER_PVH_MIN) уставкой (TIME_PVH_MIN), режим (0);

ЗАГРУЗИТЬ таймер (TIMER_PVIH_MAX) уставкой (TIME_PVIH_MAX), режим (0);

ЗАГРУЗИТЬ таймер (TIMER_PVIH_MIN) уставкой (TIME_PVIH_MIN), режим (0);

ЗАГРУЗИТЬ таймер (TIMER_CTM1) уставкой (STM_TIME), режим (0);

ЗАГРУЗИТЬ таймер (TIMER_CTM2) уставкой (STM_TIME), режим (0);

ЗАГРУЗИТЬ таймер (TIMER_POLL_HEATER) уставкой (DELAY_HEATER), режим (0);

СТАРТ таймер (TIMER_POLL_HEATER);

ЗАГРУЗИТЬ таймер (TIMER_DELAY_READING) уставкой (DELAY_READING), режим (0);

СТАРТ таймер (TIMER_DELAY_READING);

ЗАГРУЗИТЬ таймер (TIMER_GSM) уставкой (DELAY_GSM), режим (0);

[НАЧАЛО_РАБОЧЕГО_ЦИКЛА]

ДЕБЛОКИРОВАТЬ;

"Проверяем таймер задержки обработки значений считанных с модулей при начальном включении САУ

ЕСЛИ ( @TIMER_DELAY_READING == 0 ), то {

ВЫЗВАТЬ процедуру (FILTER_SCALE);

ВЫЗВАТЬ процедуру (VALVE);

ВЫЗВАТЬ процедуру (PASSWORD);

ВЫЗВАТЬ процедура (LEVEL);

ВЫЗВАТЬ процедура (FAULT);

ВЫЗВАТЬ процедура (EVENTS);

ВЫЗВАТЬ процедуру (SMS);

ВЫЗВАТЬ процедуру (FLOW_CONTROL);

}

ИДТИ (НАЧАЛО_РАБОЧЕГО_ЦИКЛА);

БИБЛИОТЕКА (Lib\MATH.LIB);

"ОБРАБОТКА АНАЛОГОВЫХ СИГНАЛОВ

ПРОЦЕДУРА (FILTER_SCALE)

{

"============Р_ВХ_давление_на_входе_мобильной_ГРС========

"Проверяем связь с модулем AI-12, если связь отсутсвует пропускаем опрос каналов

ЕСЛИ ( DCS_STATE[0] & 2 ), то {

СООБЩЕНИЯ[0] = СООБЩЕНИЯ[0] & 8080H; "сбрасываем все неисправности, оставляем признак отключения

СООБЩЕНИЯ[1] = СООБЩЕНИЯ[1] & FF80H; "сбрасываем все неисправности, оставляем признак отключения

ИДТИ на метку (Р_РЕД1);

}

"ОБРАБАТЫВАЕМ ПАРАМЕТР <ДАВЛЕНИЕ ВХОДА>

"Проверяем включение параметра

ЕСЛИ ( (МАС_Р_ВХ[19] & 100H) != 0 ), то {

СООБЩЕНИЯ[0] = СООБЩЕНИЯ[0] | 80H; "выставляем признак отключения

СООБЩЕНИЯ[0] = СООБЩЕНИЯ[0] & FF80H; "сбрасываем все неисправности, оставляем признак отключения

ИДТИ на метку (Р_ВЫХ);

}

ИНАЧЕ {

СООБЩЕНИЯ[0] = СООБЩЕНИЯ[0] & FF7FH;"снимаем признак отключения параметра

}

"========НАЧАЛО БЛОКА==========

"Фильтрация считанного с АЦП кода

ФУНКЦИЯ (RUN_FTR),

входные параметры (МАС_Р_ВХ[0], MAS_AI[0]),

выходные параметры (МАС_Р_ВХ[2], ОШИБКА);

"========НАЧАЛО БЛОКА==========

"Проверяем обрыв или превышение верхнего предела

ЕСЛИ (МАС_Р_ВХ[2] <= 790), то {

МАС_Р_ВХ[19] = 100H;

"СООБЩЕНИЯ[0] = СООБЩЕНИЯ[0] | 1H; "выставляем обрыв

}

ИНАЧЕ {

ЕСЛИ (МАС_Р_ВХ[2] >= 802), то {

МАС_Р_ВХ[19] = 000H;

СООБЩЕНИЯ[0] = СООБЩЕНИЯ[0] & FFFEH; "сбрасываем обрыв

}

}

ЕСЛИ (МАС_Р_ВХ[2] >= 4094), то {

СООБЩЕНИЯ[0] = СООБЩЕНИЯ[0] | 20H; "выставляем превышение верхнего предела

}

ИНАЧЕ {

ЕСЛИ (МАС_Р_ВХ[2] <= 4092), то {

СООБЩЕНИЯ[0] = СООБЩЕНИЯ[0] & FFDFH; "сбрасываем превышение верхнего предела

}

}

"========НАЧАЛО БЛОКА==========

"Преобразование в формат плавающей точки и масштабирование

ВРЕМЕННЫЙ[0] = МАС_Р_ВХ[2];"код АЦП

ВРЕМЕННЫЙ[1] = МАС_Р_ВХ[5];"младшее слово НПИ

ВРЕМЕННЫЙ[2] = МАС_Р_ВХ[6];"старшее слово НПИ

ВРЕМЕННЫЙ[3] = МАС_Р_ВХ[7];"младшее слово ВПИ

ВРЕМЕННЫЙ[4] = МАС_Р_ВХ[8];"старшее слово ВПИ

ВЫЗВАТЬ процедуру (INTEGER_REAL_ZOOM_4_20);

МАС_Р_ВХ[3] = ВРЕМЕННЫЙ[5];

МАС_Р_ВХ[4] = ВРЕМЕННЫЙ[6];

"Если параметр в обрыве или превышает ВПИ переходим на следующий параметр

ЕСЛИ (СООБЩЕНИЯ[0] & 21H), то {

ИДТИ на метку (Р_ВЫХ);

}

"========НАЧАЛО БЛОКА==========

"Проверяем мин. ПС пересечение со вторым пороговым значением

ФУНКЦИЯ (FLTCMP)

входные параметры (МАС_Р_ВХ[3], МАС_Р_ВХ[4], МАС_Р_ВХ[9], МАС_Р_ВХ[10]),

выходные параметры ( ВРЕМЕННЫЙ[0] );

"выставляем ниже ПС

ЕСЛИ (ВРЕМЕННЫЙ[0] == -1), то {

СООБЩЕНИЯ[0] = СООБЩЕНИЯ[0] | 4H;

}

"Если параметр вышел из пересечения со вторым пороговым значением

"определяем пересечение с первым пороговым значением (полосу гистерезиса)

ИНАЧЕ {

ФУНКЦИЯ (ADDF)

входные параметры ( МАС_Р_ВХ[9], МАС_Р_ВХ[10], МАС_Р_ВХ[17], МАС_Р_ВХ[18] ),

выходные параметры ( ВРЕМЕННЫЙ[1], ВРЕМЕННЫЙ[2], ОШИБКА );

ФУНКЦИЯ (FLTCMP)

входные параметры ( МАС_Р_ВХ[3], МАС_Р_ВХ[4], ВРЕМЕННЫЙ[1], ВРЕМЕННЫЙ[2] ),

выходные параметры ( ВРЕМЕННЫЙ[0] );

"сбрасываем ниже ПС

ЕСЛИ (ВРЕМЕННЫЙ[0] == 1), то {

СООБЩЕНИЯ[0] = СООБЩЕНИЯ[0] & FFFBH;

}

"сбрасываем ниже ПС

ЕСЛИ (ВРЕМЕННЫЙ[0] == 0), то {

СООБЩЕНИЯ[0] = СООБЩЕНИЯ[0] & FFFBH;

}

}

"========НАЧАЛО БЛОКА==========

"Проверяем мин. АС пересечение со вторым пороговым значением

ФУНКЦИЯ (FLTCMP)

входные параметры (МАС_Р_ВХ[3], МАС_Р_ВХ[4], МАС_Р_ВХ[11], МАС_Р_ВХ[12]),

выходные параметры ( ВРЕМЕННЫЙ[0] );

"выставляем ниже АС

ЕСЛИ (ВРЕМЕННЫЙ[0] == -1), то {

СООБЩЕНИЯ[0] = СООБЩЕНИЯ[0] | 2H;

}

"Если параметр вышел из пересечения со вторым пороговым значением

"определяем пересечение с первым пороговым значением (полосу гистерезиса)

ИНАЧЕ {

ФУНКЦИЯ (ADDF)

входные параметры ( МАС_Р_ВХ[11], МАС_Р_ВХ[12], МАС_Р_ВХ[17], МАС_Р_ВХ[18] ),

выходные параметры ( ВРЕМЕННЫЙ[1], ВРЕМЕННЫЙ[2], ОШИБКА );

ФУНКЦИЯ (FLTCMP)

входные параметры ( МАС_Р_ВХ[3], МАС_Р_ВХ[4], ВРЕМЕННЫЙ[1], ВРЕМЕННЫЙ[2] ),

выходные параметры ( ВРЕМЕННЫЙ[0] );

"сбрасываем ниже АС

ЕСЛИ (ВРЕМЕННЫЙ[0] == 1), то {

СООБЩЕНИЯ[0] = СООБЩЕНИЯ[0] & FFFDH;

}

"сбрасываем ниже АС

ЕСЛИ (ВРЕМЕННЫЙ[0] == 0), то {

СООБЩЕНИЯ[0] = СООБЩЕНИЯ[0] & FFFDH;

}

}

"========НАЧАЛО БЛОКА==========

"Проверяем макс. ПС пересечение со вторым пороговым значением

ФУНКЦИЯ (FLTCMP)

входные параметры ( МАС_Р_ВХ[3], МАС_Р_ВХ[4], МАС_Р_ВХ[13], МАС_Р_ВХ[14] ),

выходные параметры ( ВРЕМЕННЫЙ[0] );

"выставляем выше ПС

ЕСЛИ (ВРЕМЕННЫЙ[0] == 1), то {

СООБЩЕНИЯ[0] = СООБЩЕНИЯ[0] | 8H;

}

"Если параметр вышел из пересечения со вторым пороговым значением

"определяем пересечение с первым пороговым значением (полосу гистерезиса)

ИНАЧЕ {

ФУНКЦИЯ (SUBF)

входные параметры ( МАС_Р_ВХ[13], МАС_Р_ВХ[14], МАС_Р_ВХ[17], МАС_Р_ВХ[18] ),

выходные параметры ( ВРЕМЕННЫЙ[1], ВРЕМЕННЫЙ[2], ОШИБКА );

ФУНКЦИЯ (FLTCMP)

входные параметры ( МАС_Р_ВХ[3], МАС_Р_ВХ[4], ВРЕМЕННЫЙ[1], ВРЕМЕННЫЙ[2] ),

выходные параметры ( ВРЕМЕННЫЙ[0] );

"сбрасываем выше ПС

ЕСЛИ (ВРЕМЕННЫЙ[0] == -1), то {

СООБЩЕНИЯ[0] = СООБЩЕНИЯ[0] & FFF7H;

}

"сбрасываем выше ПС

ЕСЛИ (ВРЕМЕННЫЙ[0] == 0), то {

СООБЩЕНИЯ[0] = СООБЩЕНИЯ[0] & FFF7H;

}

}

"========НАЧАЛО БЛОКА==========

"Проверяем макс. АС пересечение со вторым пороговым значением

ФУНКЦИЯ (FLTCMP)

входные параметры ( МАС_Р_ВХ[3], МАС_Р_ВХ[4], МАС_Р_ВХ[15], МАС_Р_ВХ[16] ),

выходные параметры ( ВРЕМЕННЫЙ[0] );

"выставляем выше АС

ЕСЛИ (ВРЕМЕННЫЙ[0] == 1), то {

СООБЩЕНИЯ[0] = СООБЩЕНИЯ[0] | 10H;

}

"Если параметр вышел из пересечения со вторым пороговым значением

"определяем пересечение с первым пороговым значением (полосу гистерезиса)

ИНАЧЕ {

ФУНКЦИЯ (SUBF)

входные параметры ( МАС_Р_ВХ[15], МАС_Р_ВХ[16], МАС_Р_ВХ[17], МАС_Р_ВХ[18] ),

выходные параметры ( ВРЕМЕННЫЙ[1], ВРЕМЕННЫЙ[2], ОШИБКА );

ФУНКЦИЯ (FLTCMP)

входные параметры ( МАС_Р_ВХ[3], МАС_Р_ВХ[4], ВРЕМЕННЫЙ[1], ВРЕМЕННЫЙ[2] ),

выходные параметры ( ВРЕМЕННЫЙ[0] );

"сбрасываем выше АС

ЕСЛИ (ВРЕМЕННЫЙ[0] == -1), то {

СООБЩЕНИЯ[0] = СООБЩЕНИЯ[0] & FFEFH;

}

"сбрасываем выше АС

ЕСЛИ (ВРЕМЕННЫЙ[0] == 0), то {

СООБЩЕНИЯ[0] = СООБЩЕНИЯ[0] & FFEFH;

}

}

"========НАЧАЛО БЛОКА==========

"Выставляем или снимаем признак общей аварии параметра

"это необходимо для мерцания полей АС/ПС в СП300

ЕСЛИ ( СООБЩЕНИЯ[0] & 03FH ), то {

СООБЩЕНИЯ[0] = СООБЩЕНИЯ[0] | 40H;

}

ИНАЧЕ {

СООБЩЕНИЯ[0] = СООБЩЕНИЯ[0] & FF00H;"снимаем все аварии

}

БИБЛИОТЕКА (Lib\MATH.LIB);

"ФОРМИРОВАНИЕ ПС/АС ДЛЯ ПАНЕЛИ ОПЕРАТОРА

/*====== СООБЩЕНИЯ АНАЛОГОВЫХ ПАРАМЕТРОВ =======*/

ПРОЦЕДУРА (SMS)

{

"========== обнуление АОС ГРС ==========================

ЕСЛИ (ZAGAZOVANNAST == 0H) & (ZAGAZOVANNAST == 1H) & (POJAR == 0), то {_GRS = 0H;

}

"============ открытие свечи при АОС ГРС =================

ЕСЛИ (КРАН_ВХ[0] & 2H) & (КРАН_ВЫХ[0] & 2H), то {_KRAN = 1H;

}

ЕСЛИ (КРАН_ВХ[0] != 2H) & (КРАН_ВЫХ[0] != 2H), то {

AOS_KRAN = 0H;

}

ЕСЛИ (AOS_GRS == 1H) & (AOS_KRAN == 1H), то {

КРАН_НА_СВЕЧУ[1] = 1H;

}

ЕСЛИ (КРАН_НА_СВЕЧУ[0] == 202H) | (КРАН_НА_СВЕЧУ[0] == 800H) | (КРАН_НА_СВЕЧУ[0] == 403H), то{

КРАН_НА_СВЕЧУ[1] = 00H;

}

"============= алгоритм при загаз. 2 порог ===================

ЕСЛИ (OPTIONS & 400H), то {

ЕСЛИ ((MAS_DI[3] & 4000H) == 0), то {= 0;

СТОП (TIMER_ZAGAZ);

}

ЕСЛИ (@TIMER_ZAGAZ@ == 1), то{

ВЫЗВАТЬ процедуру (AOS_GRS);

}

ЕСЛИ (((MAS_DI[3] & 4000H) != 0) & (@TIMER_ZAGAZ == 0)) & (ZAGAZ == 0), то {

СТАРТ (TIMER_ZAGAZ);= 1;

}

}

"============ Алгоритм пожар ============================

ЕСЛИ (OPTIONS & 800H), то {

ЕСЛИ ((MAS_DI[3] & 2H ) == 0) & ((MAS_DI[3] & 4H ) == 0) & ((MAS_DI[3] & 8H ) == 0) , то {= 0;

СТОП (TIMER_SIGNAL_POJAR);

}

ЕСЛИ (@TIMER_SIGNAL_POJAR@ == 1), то{

ВЫЗВАТЬ процедуру (AOS_GRS);

}

ЕСЛИ ((((MAS_DI[3] & 2H ) != 0) | ((MAS_DI[3] & 4H ) != 0) | ((MAS_DI[3] & 8H ) != 0)) & (POJAR == 0)), то {= 1;

СТАРТ (TIMER_SIGNAL_POJAR);

}

}

"=========== Алгоритм P на вх. MIN ========================

ЕСЛИ (OPTIONS & 1H), то {

ЕСЛИ (МАС_Р_ВХ[4] > МАС_Р_ВХ[12]), то {

PVH_MIN = 0;

СТОП (TIMER_PVH_MIN);

}

ЕСЛИ (@TIMER_PVH_MIN@ == 1), то{

ВЫЗВАТЬ процедуру (AOB_GRS);

}

ЕСЛИ (МАС_Р_ВХ[4] <= МАС_Р_ВХ[12]) & (@TIMER_PVH_MIN == 0) & (PVH_MIN == 0), то {

СТАРТ (TIMER_PVH_MIN);_MIN = 1;

}

}

"================= Алгоритм P на вых. MIN =================

ЕСЛИ (МАС_Р_РЕД1[4] > МАС_Р_РЕД1[12]), то {

PVIH_MIN = 0;

СТОП (TIMER_PVIH_MIN);

}

ЕСЛИ (@TIMER_PVIH_MIN@ == 1), то{

КРАН_РЕД1[1] = 2H;

КРАН_ВЫХ[1] = 2H;

}

ЕСЛИ (МАС_Р_РЕД1[4] <= МАС_Р_РЕД1[12]) & (@TIMER_PVIH_MIN == 0) & (PVIH_MIN == 0), то {

СТАРТ (TIMER_PVIH_MIN);_MIN = 1;

}

}

"=========== Алгоритм P на вых. MAX ПРЕДУПРЕДИТЕЛЬНОЕ ==

ЕСЛИ (OPTIONS & 8H), то {

ЕСЛИ (REDUCIR == 1), то {

ЕСЛИ (МАС_Р_ВЫХ[4] < МАС_Р_ВЫХ[14]), то {

PVIH_MAX = 0;

СТОП (TIMER_PVIH_MAX);

}

ЕСЛИ (@TIMER_PVIH_MAX@ == 1), то {

КРАН_РЕД1[1] = 2H;

}

ЕСЛИ (МАС_Р_ВЫХ[4] >= МАС_Р_ВЫХ[14]) & (@TIMER_PVIH_MAX == 0) & (PVIH_MAX == 0), то {

СТАРТ (TIMER_PVIH_MAX);_MAX = 1;

}

}

"===== Алгоритм P на вых. MAX аварийное ====================

ЕСЛИ (REDUCIR == 2), то {

ЕСЛИ (МАС_Р_ВЫХ[4] < МАС_Р_ВЫХ[16]), то {

PVIH11_MAX = 0;

СТОП (TIMER_PVIH11_MAX);

}

ЕСЛИ (@TIMER_PVIH11_MAX@ == 1), то {

КРАН_РЕД1[1] = 2H;

КРАН_ВЫХ[1] = 2H;

}

ЕСЛИ (МАС_Р_ВЫХ[4] >= МАС_Р_ВЫХ[16]) & (@TIMER_PVIH11_MAX == 0) & (PVIH11_MAX == 0), то {

СТАРТ (TIMER_PVIH11_MAX);_MAX = 1;

}

}

"======= аналоги для телемех =============================[500] = МАС_Р_ВХ[3];[501] = МАС_Р_ВХ[4];[502] = МАС_Р_ВЫХ[3];[503] = МАС_Р_ВЫХ[4];[506] = МАС_Р_РЕД1[3];[507] = МАС_Р_РЕД1[4];[508] = МАС_Р_РЕД2[3];[509] = МАС_Р_РЕД2[4];[512] = МАС_Т_ВХ[3];[513] = МАС_Т_ВХ[4];[514] = МАС_Т_ВЫХ[3];[515] = МАС_Т_ВЫХ[4];

" КОНТРОЛЬ И УПРАВЛЕНИЕ КРАНАМИ

ПРОЦЕДУРА (VALVE)

{

/*======== КРАН_ВХ ==================================*/

[КРАН_ВХ]

"Выделяем биты состояния кран открыт/закрыт

ВРЕМЕННЫЙ[0] = MAS_DI[0];

ВРЕМЕННЫЙ[0] = ВРЕМЕННЫЙ[0] & 3;

"========НАЧАЛО БЛОКА==========

"Проверяем самопроизвольный сход крана, смотрим предыдущее состояние

ВРЕМЕННЫЙ[1] = КРАН_ВХ[0];

ВРЕМЕННЫЙ[1] = ВРЕМЕННЫЙ[1] & 3;

"Проверяем, если текущее состояние и предыдущее состояние разные, а команда не подавалась,

"кран не в ремонте, не в аварии и не находился в промежутке или неисправности (двойное замыкание)

"тогда возвращаем кран назад

ЕСЛИ ( (ВРЕМЕННЫЙ[0] != ВРЕМЕННЫЙ[1]) & ( (КРАН_ВХ[1] & 3) == 0 ) & ( (КРАН_ВХ[1] & 100H) == 0 ) &

((КРАН_ВХ[0] & 7F00H) == 0) & (ВРЕМЕННЫЙ[1] != 3) & (ВРЕМЕННЫЙ[1] != 0)), то {

"Отправляем кран назад в соответствии с состоянием

КРАН_ВХ[1] = ВРЕМЕННЫЙ[1]; "!!!Кран не в ремонте!!!

"Выставляем признак схода с концевика

ПЕРЕЙТИ, если переменной (ВРЕМЕННЫЙ[1]) соответсвует {

ЗНАЧЕНИЕ (1):"Сход с КО

ВРЕМЕННЫЙ[2] = 2000H;

КРАН_ВХ[0] = КРАН_ВХ[0] | ВРЕМЕННЫЙ[2];

ВЫХОД;

ЗНАЧЕНИЕ (2):"Сход с КЗ

ВРЕМЕННЫЙ[2] = 4000H;

КРАН_ВХ[0] = КРАН_ВХ[0] | ВРЕМЕННЫЙ[2];

}

}

"========НАЧАЛО БЛОКА==========

"Заносим новое состояние крана при этом сохраняем аварийные биты и биты схода с концевика

ВРЕМЕННЫЙ[1] = КРАН_ВХ[0];

ВРЕМЕННЫЙ[1] = ВРЕМЕННЫЙ[1] & 7F00H;

КРАН_ВХ[0] = ВРЕМЕННЫЙ[0] | ВРЕМЕННЫЙ[1];

"========НАЧАЛО БЛОКА==========

"Проверяем отключение (ремонт) крана, если кран отключен снимаем команды, сигналы аварии крана,

"сигнал сход с концевика и выходим из процедуры

ЕСЛИ ( (КРАН_ВХ[1] & 100H) != 0 ), то{

ВРЕМЕННЫЙ[2] = MAS_OUT_DIO[0];

"Пишем 00 в команды управления краном

ВРЕМЕННЫЙ[2] = ВРЕМЕННЫЙ[2] & FFFCH;_OUT_DIO[0] = ВРЕМЕННЫЙ[2];

КРАН_ВХ[1] = КРАН_ВХ[1] & 100H; "Снимаем команды, сохраняем бит ремонта

КРАН_ВХ[0] = КРАН_ВХ[0] & 3; "Снимаем сигналы аварии, сохраняя текущее состояние

ИДТИ на метку (КРАН_НА_СВЕЧУ);

}

"========НАЧАЛО БЛОКА==========

"Проверяем отработал ли кран команду управления, если отработал снимаем команду и

"останавливаем таймер

ЕСЛИ ( (КРАН_ВХ[1] & 3) == (КРАН_ВХ[0] & 3) ), то{

ВРЕМЕННЫЙ[2] = MAS_OUT_DIO[0];

ВРЕМЕННЫЙ[2] = ВРЕМЕННЫЙ[2] & FFFCH;_OUT_DIO[0] = ВРЕМЕННЫЙ[2];

КРАН_ВХ[1] = 0;

СТОП таймер (TIMER_VALVE_IN);

ИДТИ на метку (КРАН_НА_СВЕЧУ);

}

"========НАЧАЛО БЛОКА==========

"Если таймер отработал выставляем признак аварии сбрасываем команду

ЕСЛИ (@TIMER_VALVE_IN@ == 1), то{

"Сбрасываем старые аварии, сохраняя текущее состояние, далее запишем новые

КРАН_ВХ[0] = КРАН_ВХ[0] & 3;

"Проверяем в каком состоянии остановился кран, если в промежутке, тогда

"определяем до какого концевика не дошёл кран

ЕСЛИ ( (КРАН_ВХ[0] & 3) == 0 ), то {

ВРЕМЕННЫЙ[0] = КРАН_ВХ[1] & 3; "Определяем текущее команду управления

ПЕРЕЙТИ, если переменной (ВРЕМЕННЫЙ[0]) соответсвует {

ЗНАЧЕНИЕ (1):"не дошёл до КО

ВРЕМЕННЫЙ[1] = 800H;

КРАН_ВХ[0] = КРАН_ВХ[0] | ВРЕМЕННЫЙ[1];

ВЫХОД;

ЗНАЧЕНИЕ (2):"не дошёл до КЗ

ВРЕМЕННЫЙ[1] = 1000H;

КРАН_ВХ[0] = КРАН_ВХ[0] | ВРЕМЕННЫЙ[1];

}

}

"Если кран не сошёл с концевика определяем с какого концевика

ЕСЛИ ( (КРАН_ВХ[0] & 3) != 0 ), то {

ВРЕМЕННЫЙ[0] = КРАН_ВХ[0] & 3; "Определяем текущее состояние крана

ПЕРЕЙТИ, если переменной (ВРЕМЕННЫЙ[0]) соответсвует {

ЗНАЧЕНИЕ (1):"не сошёл с КО

ВРЕМЕННЫЙ[1] = 100H;

КРАН_ВХ[0] = КРАН_ВХ[0] | ВРЕМЕННЫЙ[1];

ВЫХОД;

ЗНАЧЕНИЕ (2):"не сошёл с КЗ

ВРЕМЕННЫЙ[1] = 200H;

КРАН_ВХ[0] = КРАН_ВХ[0] | ВРЕМЕННЫЙ[1];

ВЫХОД;

ЗНАЧЕНИЕ (3):"двойное замыкание

ВРЕМЕННЫЙ[1] = 400H;

КРАН_ВХ[0] = КРАН_ВХ[0] | ВРЕМЕННЫЙ[1];

}

}

"Снимаем команду

ВРЕМЕННЫЙ[0] = MAS_OUT_DIO[0];

ВРЕМЕННЫЙ[0] = ВРЕМЕННЫЙ[0] & FFFCH;_OUT_DIO[0] = ВРЕМЕННЫЙ[0];

КРАН_ВХ[1] = 0;

"Отправляем через MAILBOX в СП-300Р команду о смене уставок управления

"текущую (отк(1) или зак(2)) меняем на сброс(0), это необходимо сделать

"так как если команда отработана с аварией в текущих уставках остаётся

"последняя команда[3] = 1; "номер уставки[2] = 2; "номер страницы[1] = 4; "команда[0] = 1; "начать выполнение

ИДТИ на метку (КРАН_НА_СВЕЧУ);

}

"========НАЧАЛО БЛОКА==========

"Проверяем: (1)подана и команда управления на кран,(2)запущен таймер,

"(3)в ремонте кран, если нет подаём команду и запускаем таймер

ЕСЛИ ( ((КРАН_ВХ[1] & 3) != 0) & (@TIMER_VALVE_IN == 0) & ( (КРАН_ВХ[1] & 100H) == 0 ) ), то {

ВРЕМЕННЫЙ[0] = КРАН_ВХ[1];

ВРЕМЕННЫЙ[1] = MAS_OUT_DIO[0];

ВРЕМЕННЫЙ[1] = ВРЕМЕННЫЙ[1] & FFFCH;

ВРЕМЕННЫЙ[1] = ВРЕМЕННЫЙ[0] | ВРЕМЕННЫЙ[1];_OUT_DIO[0] = ВРЕМЕННЫЙ[1];

"Запускаем таймер удержания (отк/зак) крана под командой

СТАРТ (TIMER_VALVE_IN);

}

Похожие работы на - Система автоматизированного управления мобильной газораспределительной станцией

 

Не нашли материал для своей работы?
Поможем написать уникальную работу
Без плагиата!
Без нейросетей!