Характеристика и принцип работы основных элементов бортовой информационно–управляющей системы автомобиля

  • Вид работы:
    Дипломная (ВКР)
  • Предмет:
    Информационное обеспечение, программирование
  • Язык:
    Русский
    ,
    Формат файла:
    MS Word
    679,8 Кб
  • Опубликовано:
    2017-07-26
Вы можете узнать стоимость помощи в написании студенческой работы.
Помощь в написании работы, которую точно примут!

Характеристика и принцип работы основных элементов бортовой информационно–управляющей системы автомобиля

Введение

Разнообразные вычислительные устройства успешно используются практически во всех технически сложных изделиях с целью упрощения организации интерфейса. В этом смысле не являются исключением изделия транспортных отраслей: автомобильной, железнодорожной, аэрокосмической, морской и других. Современные образцы оказываются насыщенными различными вычислительными устройствами, в том числе объединёнными в единый комплекс. Подобное объединение вычислительных устройств отдельного объекта в единый программно-аппаратный комплекс часто называют бортовой информационно-управляющей системой (БИУС).

БИУС - вид автоматизированной системы управления, предназначенной для автоматизации рабочих процессов управления, диагностики, сбора, обработки и отображения информации на транспортных средствах. БИУС облегчает управление и упрощает эксплуатацию сложных систем, выполняя за водителя часть функций.

Чаще всего БИУС представляет собой распределённую вычислительную сеть для жёстких условий эксплуатации (широкий температурный диапазон, вибрация, удары и другие воздействия), объединяющую центральный процессорный блок и периферийные контроллеры различных агрегатов автомобиля: ДВС, АБС, управление КПП, предпусковым подогревателем, управление подкачкой колёс и т. д. В качестве физической среды передачи информации в БИУС наиболее широко используется CAN в виде дифференциальной витой пары. Это обусловлено фактическим доминированием в настоящее время данного стандарта промышленной сети в автомобильной технике.

Цель работы: Исследовать особенности различных архитектур, применяемых в БИУС.

Задачи:

Изучить виды и типы архитектур БИУС, определить их особенности.

Исследовать влияние особенностей различных архитектур на потребительские свойства.

Определить пригодность той или иной архитектуры к соответствующим задачам.

Определить перспективные направления развития БИУС.

1. Особенности различных типов архитектур БИУС

.1 Элементы системы

«Бортовая информационно-управляющая система (БИУС) транспортного средства (ТС) - это комплекс автоматической оценки состояния автомобиля и его агрегатов, оценки параметров движения, для информирования водителя об этих состояниях и выработки управляющий воздействий на исполнительные механизмы автомобиля в процессе выполнения различных задач.

Принцип работы БИУС - сигналы с датчиков, установленных на ТС, поступают в вычислитель, который формирует заключение и выдает его в виде информации ο состоянии контролируемого объекта водителю и автоматическим исполнительным системам.

По своей структуре бортовая информационно-вычислительная система должна состоять из:

) датчиков, воспроизводящих диагностическую информацию от объекта диагностирования;

) преобразователей, принимающих сигналы от датчиков и преобразующих их в вид, удобный для дальнейшей обработки;

) устройств οбрабοтки информации, которые проводят оценку полученных данных диагностирования по заданной программе и выдают конечные результаты в виде электронных сигналов;

) устройств выдачи информации, фиксирующих результаты диагностирования на носителе информации».

«Для оценки состояния и поведения транспортного комплекса используется информация, получаемая датчиков, аналоговых и импульсных типов, имеющих различные диапазоны измерения. Многие датчики имеют нелинейную характеристику. Также используются дискретные датчики, чаще всего релейного типа. Для подключения датчиков к микропроцессорам/контроллерам, выполняющим сбор и обработку информации с датчиков, а так же формирующие информационные сообщения и управляющие воздействия на исполнительные механизмы, необходимо выполнить обработку сигналов. К обработке сигнала относится нормирование сигнала, т.е. приведение его к определенному значению, фильтрация, линеаризация, аналогово-цифровое преобразование и другие виды обработки.

Из анализа возможных схем построения БИУС можно сделать вывод о целесообразности использования мехатронных модулей (ММ). Каждый ММ выполняется в виде законченного модуля, содержащего непосредственно первичный преобразователь (датчик), устройство преобразования сигналов и вычислитель. Для управления исполнительными устройствами так же создается модуль, в состав которого входит вычислитель, усилитель-преобразователь и исполнительный механизм.

Структурные схемы ММ показаны на рисунке 1.1. Каждый модуль выполняется в виде специализированного контроллера, который содержит вычислительное устройство и преобразователь.

Рисунок 1.1 - Мехатрοнные модули

При использовании дискретных датчиков не требуется сложных преобразований, и поэтому, рационально их подключить к ММ, который физически расположен ближе к дискретному датчику. Это потребует использование контроллера с несколькими входами».

В общем случае все ММ автомобиля по функциональному назначению могут быть отнесены к следующим основным группам:

системы управления двигателем;

системы управления трансмиссией и агрегатами;

системы управления ходовой частью, в том числе и тормозными системами;

системы управления оборудованием кабины;

системы диагностики/самодиагностики узлов агрегатов автомобиля.

Использование концепции ММ позволяет в значительной степени абстрагироваться в процессе проектирования сложного объекта (БИУС) от исполнительной и информационных частей (считая, что они компонуются из готовых блоков - мехатрοнных модулей), а сосредоточить основное внимание на разработке компьютерного управления.

.2 Структурная и логическая организация БИУС

«Транспортные средства нуждаются в целом комплексе систем управления, который обеспечивает надежность эксплуатации, безопасность движения и т.д. Использование датчиков и различных исполнительных механизмов, распределенных по автомобилю, в совокупности с бортовыми микропроцессорами и контроллерами, объединенных в многоуровневую систему управления, может решить многие проблем оптимизации и адаптации режимов функционирования важнейших агрегатов автомобиля».

Обобщенная структурная схема информационно-управляющей системы, реализующей многоуровневое управление, приведена на рисунке 1.2. Распределение функций управления по уровням (сценарий, ситуационный, локальный) возможно осуществить c помощью программы.

Рисунок 1.2 - Обобщенная структурная схема БИУС

С учетом большого объема данных, передаваемых через CAN-интерфейс автомобиля в реальном времени, требований высокой надежности и безопасности функционирования очевидно необходимо использование совокупности шин данных (рисунок 1.3).

Рисунок 1.3 - Архитектура сетевого интерфейса БИУС

На рисунке 1.3 применены следующие обозначения: ЦБУ - центральный блок управления, БАФ - блок (библиотека) автомобильных функций; Бди - ММи - мехатронные модули измерительной/диагностирующей системы; ММдв - мехатронные модули двигателя; ММд R - мехатронные модули системы диагностики; ММа N, F - модули агрегатов автомобиля; ММ п/с Р - модули подсистем автомобиля; ММт I, L - мехатронные модули тормозной системы; ММ торм сист - головной ММ тормозной системы; ММ АКПП - модуль автоматической коробки переключения передач.

«Логически организация БИУС автомобиля может быть различной. Но, очевидно, что структура с центральной (однопроцессорной) организацией вряд ли возможна из-за большой сложности системы, многофункциональности, повышенных требований по надежности функционирования, требований к быстродействию и т.д.

Использование в БИУС иерархической организации, когда в систему входит один центральный процессор и ряд подчиненных к нему процессоров, дает целый ряд преимуществ: распараллеливание решения задач управления позволяет существенно повысить быстродействие; обеспечивают возможность управления сложными объектами (агрегатами автомобиля) в режиме реального времени; обеспечивает более высокую надежность системы.

Но вместе с этим, усложняется процедура решения задач управления: возникают сложности распределения общей задачи на ряд отдельных подзадач, сложности увязки этих подзадач между собой; сложности создания алгоритмического и программного обеспечения такой иерархической системы управления.

Развитие компьютерных и сетевых технологий позволяет в настоящее время перейти к созданию децентрализованных распределенных систем компьютерного управления, которые представляю собой множество полностью равноправных процессоров, объединенных в единую систему управления с помощью сетевого канала связи.

Такая организация БИУС имеет ряд преимуществ: отсутствует центральный процессор, выход которого из строя приводит к отказу всей информационно-управляющей системы; отказ любого процессора не приводит к катастрофическим последствиям - задачи, решаемые отказавшим процессором, могут быть перераспределены/размещены на работоспособных процессорах. Таким образом, помимо параллельности решения задачи управления, такая БИУС будет обладать высокой надежностью. Обмен информацией между отдельными подсистемами БИУС, датчиками и исполнительными механизмами может осуществляться по стандартным сетевым протоколам обмена».

.3 Структурная схема БИУС

«Для оценки состояния и поведения транспортного средства используется информация, получаемая со следующих датчиков, расположенных на машине:

датчики давления измеряют давление масла в КПП, ДВС, гидросистеме, пневмосистеме;

датчики температуры для измерения температуры охлаждающей жидкости ДВС, масла в ДВС, охлаждающей жидкости в компрессоре, масла в гидросистеме.

Перечисленные датчики являются аналоговыми и имеют различные диапазоны измерения. Многие датчики имеют нелинейную характеристику. Используются дискретные датчики, работающие в качестве сигнализаторов, например, сигнализатор критической температуры охлаждающей жидкости, аварийного давления масла и другие, концевые выключатели главного фрикциона, горного тормоза, вентилятора. Еще один тип датчиков - импульсные датчики, формирующие последовательность импульсов, например для контроля пройденного пути.

В качестве БИУС используется бортовой компьютер (вычислитель), выполняющий сбор и обработку информации с датчиков, а также формирующий информационные сообщения и управляющие воздействия на исполнительные механизмы. Для подключения датчиков к вычислителю необходимо выполнить обработку сигналов. К обработке сигналов относятся нормирование сигнала (усиление), т.е. приведение его к определенному значению, фильтрация, линеаризация, аналого-цифровое преобразование и другие виды обработки».

Структурная схема БИУС приведена на рисунке 1.4.

Рисунок 1.4

Приведенная система обладает недостатком - вычислитель слишком перегружен, так как очень много времени тратиться на формирование информационных сообщений, что может привести к потере информации с датчиков в критических ситуациях. Поэтому предлагается разделить функции сбора и обработки информации с датчиков и формирования информационных сообщений на два вычислителя.

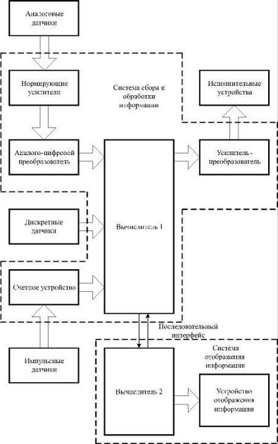
«Структурная схема БИУС, содержащая систему сбора и обработки информации и систему отображения информации, приведена на рисунке 1.5.

Рисунок 1.5 - БИУС с двумя вычислителями

Такой подход к построению бортовой информационно-управляющей системы также имеет недостатки, относящиеся к топологии системы.

Многочисленные датчики расположены на машине в различных точках. Это приводит к сложной организации разводки кабельного оборудования. Многие датчики имеют слабый сигнал, и при прокладке кабеля на большое расстояние происходит ослабление сигнала и засорение его помехами, наводками. Кроме того, система имеет невысокую надежность. При обрыве кабеля информация с датчика полностью теряется или вычислитель может понять отсутствующий сигнал за исправный, что приводит к аварийным ситуациям.

Для решения такой задачи предлагается другой подход к построению БИУС. Каждый датчик выполняется в виде законченного мехатронного модуля, содержащего непосредственно первичный преобразователь (датчик), устройство преобразования сигнала и вычислитель. В классе мехатронных устройств - так называемые МЕМCы. МЭМС - микроэлектромеханические системы - устройства, объединяющие в себе микроэлектронные и микромеханические компоненты. Для управления исполнительными устройствами также создается модуль, в состав которого входит вычислитель, усилитель-преобразователь и исполнительный механизм.

Структурные схемы модулей показаны на рисунке 1.6. Каждый модуль выполняется в виде контроллера, который содержит вычислительное устройство и преобразователь».

Рисунок 1.6 - Модули преобразователей

«Для связи модулей преобразователей с главным бортовым компьютером каждый модуль должен иметь последовательный интерфейс связи, например RS-485, USB или CAN. CAN-интерфейс постепенно становится стандартом для распределенных систем управления на транспорте, в автомобильной технике и робототехнике. Можно также использовать интерфейс SERCOS, разработанный для цифровых следящих приводов и представляющий собой локальную кольцевую оптоволоконную сеть.

Структурная схема информационно-управляющей системы, построенной с использованием автономных модулей, приведена на рисунке 1.7. Все модули объединены в бортовую двухпроводную или однопроводную сеть. Дублирование линий связи позволяет повысить надежность такой системы».

Такой подход может привести к существенному удорожанию информационно-управляющей системы. Этого не происходит, так как каждый вычислитель предназначен для выполнения узкоспециализированных задач и выполняется на недорогих контроллерах.

Рисунок 1.7 - БИУС на автономных модулях

ПЛИС представляет собой микросхему, содержащую множество несоединённых логических вентилей И/ИЛИ, которые с помощью специальных программных средств могут быть настроены и электрически сконфигурированы для выполнения специфических аппаратных функций.

Устройства на базе ПЛИС обладают реконфигурируемой цифровой архитектурой, включающей в себя матрицу конфигурируемых логических блоков, окруженных периферийными блоками ввода/вывода. В пределах матрицы ПЛИС возможна произвольная маршрутизация сигналов посредством управления программируемыми переключателями и коммутирующими линиями. Цепи ПЛИС представляют собой реконфигурируемую счетную машину, осуществляющую параллельную обработку данных и исполняющую приложения на аппаратном уровне микросхемы. Можно разработать на базе ПЛИС свои собственные схемы управления и сбора данных с тактированием и синхронизацией процессов с точностью до 25 нс. Благодаря возможности параллельной обработки данных, заложенной в ПЛИС, добавление новых вычислений в программу, исполняемую на микросхеме, не приводит к уменьшению скорости исполнения приложений.

Реконфигурируемая ПЛИС в сочетании с процессором реального времени, а вместе это - Compact RIO, позволяют создавать автономные встраиваемые и распределенные приложения, а также промышленные модули ввода/вывода со встроенным согласованием сигналов, возможностью прямого подключения датчиков и поддержкой горячего подключения.

ПЛИС обладает встроенными механизмами передачи данных во встроенный процессор реального времени для их последующего анализа, обработки и сохранения, а также для связи с внешними устройствами. При этом каждый из модулей ввода/вывода содержит в себе встроенные разъемы, систему согласования сигналов, цепи преобразования (такие как ЦАП и АЦП), также изоляционные барьеры. Поддержка расширенного диапазона напряжений и различных промышленных типов сигналов позволяет напрямую подключить к модулям датчики и управляемые устройства.

Благодаря своей невысокой стоимости, надежности и пригодности для использования в широком классе встраиваемых контрольно-измерительных приложений, Compact RIO может применяться практически во всех отраслях промышленности. Так, на базе систем Compact RIO решаются такие задачи, как групповое управление, дискретное управление, управление движением, бортовые измерения, мониторинг состояния машин, быстрое прототипирование управляющих систем, промышленные системы управления и сбора данных, распределенные системы управления и сбора данных, мобильный/портативный анализ шумов, вибраций и т.д.

В частности, ориентированная на создание пользовательских приложений технология RIO позволяет, например, создать аппаратную систему управления шаговым или сервоприводом, используя ПЛИС для расшифровки сигналов с тахометра или с квадратурного энкодера с целью проведения измерений координаты и скорости.

Появление устройств с поддержкой реконфигурируемого ввода/вывода существенно расширяет возможности технологии приборов. Для программирования устройств с технологией RIO применяется программная среда LabVIEW, которая позволяет разрабатывать аппаратную часть контрольно-измерительных систем, идеально настроенных для решения специфических задач.

К информационным и вычислительным ресурсам системы диагностики и контроля предъявляется ряд требований. Основной задачей всех измерительных систем является измерение и/или генерация реальных физических сигналов. В процессе сбора данных физические величины, такие, как напряжение, ток, давление и температура преобразуют в цифровой формат и вводят их в компьютер. Распространенные методы сбора данных реализуются с помощью встраиваемых в компьютер устройств и автономных измерительных приборов, приборов, поддерживающих интерфейс GPIB, систем стандарта PXI (расширение PCI для измерительной техники) и приборов с портом RS-232.(General Purpose Interface Bus) - стандартная шина, предназначенная для управления электронными измерительными приборами с помощью компьютера. Ее также называют IEEE 488, поскольку ее характеристики определяются стандартами ANSI/IEEE 488-1978, 488.1-1987, 488.2-1992. Максимальное расстояние между любыми двумя приборами - 4 м, среднее расстояние между приборами по всей шине - 2 м. Максимальная (общая) длина кабеля - 20 м. К каждой шине подключается максимум 15 приборов, причем не менее двух третей из них должны быть включены».

Прежде чем компьютерная измерительная система сможет измерить некоторую физическую величину, например, температуру, физический сигнал с помощью датчика или измерительного преобразователя должен быть преобразован в электрический - ток или напряжение. Под преобразованием сигналов следует понимать процесс предварительной обработки сигналов с целью улучшения точности измерений, качества изоляции цепей (развязки), фильтрации и т.д.

Чтобы измерять сигналы с датчиков, необходимо преобразовать их в форму, которую может воспринять устройство аналого-цифрового преобразования. Например, у большинства термопар выходное напряжение очень мало и соизмеримо с шумом. Следовательно, перед оцифровкой такого сигнала его необходимо усилить. К другим разновидностям преобразования сигналов относятся линеаризация, возбуждение датчика, развязка.

На рисунке 1.8 показаны некоторые распространенные типы датчиков и сигналов и требуемые для них виды преобразования.

Таким образом, наиболее целесообразно строить информационно-управляющую систему на основе автономных модулей. В качестве измерительных устройств текущих параметров следует применять интеллектуальные датчики (МЭМСы).

Рисунок 1.8 - Типы датчиков и сигналов и виды преобразования

Бортовая сеть должна быть в варианте одно или двухпроводной или на оптоволоконной линии передачи. Учитывая специфику транспортного средства в части характера выполняемых работ и безопасности экипажа, линия связи должна быть резервирована (в простейшем варианте дублирование по бортам).

.4 Классификация (типы) бортовых систем автотранспортного средства

Системы управления автомобилем:

) Подсистема получения информации:

от датчиков автотранспортного средства (закрытые);

от датчиков и внешних источников «автомобиль - инфраструктура», «автомобиль - автомобиль»;

) Подсистема обработки информации;

) Подсистема автоматического управления автомобилем.

Системы информации водителя:

) Подсистема получения информации:

от датчиков автотранспортного средства (закрытые);

от датчиков и внешних источников «автомобиль-инфраструктура», «автомобиль-автомобиль»;

) Подсистема обработки информации;

) Подсистема отображения информации для водителя.

Бортовые системы интеллектуального транспортного средства.

Системы управления автомобилем:

• Антиблокировочная система тормозов - ABS (Anti-lock Braking System): Система повышает устойчивость автомобиля при торможении, обеспечивая возможность изменения траектории при торможении и в некоторых случаях уменьшая тормозной путь. Может служить источником информации о скорости автомобиля, состоянии дорожного покрытия.

• Противобуксовочная система - ASR (Automatic/Anti Slip Regulation), ATC (Automatic Traction Control), ETS (Electronic Traction Control) или DTC (Dynamic Traction Control): Улучшает процесс движения на скользких дорогах, значительно снижая пробуксовывание колес. Может служить источником информации о состоянии дорожного покрытия.

• Система стабилизации движения (система поддержания курсовой устойчивости) - ESP (Electronic Stability Program), ESC (Electronic Stability Control), DSM (Dynamic Stability Management) или VSA (Vehicle Stability Assist), VSC (Vehicle Stability Control): Повышает курсовую устойчивость автомобиля, предотвращает занос автомобиля.

• Система помощи при экстренном торможении - BA (Brake Assist), BAS (Brake Assist System) или EBA (Electronic Brake Assist или Emergency Braking Assistant): Уменьшает тормозной путь автомобиля путем автоматического повышения давления в тормозном приводе при быстром (экстренном) нажатии на тормозную педаль. Проводятся работы по использованию системы ВА в интел- лектуальных системах управления транспортом (для предотвращения проезда линии «Стоп»). Развитием системы ВА является система PBA (Predictive Brake Assist). В этой системе используется локатор, оценивающий расстояние до препятствия и скорость сближения с ним, для расчета эффективности торможения с целью снижения вероятности наезда движущегося сзади транспорта.

• Круиз контроль: Система поддержания заданного режима движения.

• Адаптивный круиз-контроль - ACC (Adaptive Cruise Control): Система поддерживает заданную скорость и может автоматически её корректировать, поддерживая надлежащее расстояние между ТС. Для работы системы используются локационные датчики.

• Системы предотвращения столкновений автомобилей - СПСА: В системах используются радио или оптические локаторы, сканирующие пространство перед автомобилем. В простейших системах, при нарушении дистанции безопасности между движущимися ТС, водитель предупреждается световым/звуковым сигналом. В более сложных системах автоматически осуществляется торможение. Разрабатываются системы предупреждения не только фронтальных столкновений, но и боковых столкновений. Дальнейшим развитием СПСА является система Stop&Go, обеспечивающая безопасное движение с автоматическим торможением и ускорением в транспортном потоке. Системы СПСА сегодня являются «закрытыми», но в будущем могут стать «открытыми», т.е. использующими информацию от навигационных систем и дорожно-транспортной инфраструктуры.

• Система торможения «по проводам» - BBW (Brake by Wire): Перспективная тормозная система, в которой управление торможением осуществляется электроникой (по проводам), а силовая, исполнительная часть может быть гидравлической, пневматической или электрической.

• Система активного рулевого управления - AFS (Active Front Steering): Система корректирует управляющие воздействия водителя, улучшая управляемость и устойчивость автомобиля. Может использоваться в системе автоматической парковки транспортного средства.

• Активная подвеска автомобиля.

• Система предотвращения опрокидывания.

• Автоматическая система управления стеклоочистителями: Система получает информацию от оптического датчика, определяющего наличие и размер капель на ветровом стекле, включает и регулирует скорость стеклоочистителя.

• Автоматическая система управления световыми приборами: Световой датчик определяет освещенность вокруг ТС и автоматически включает световые приборы. Некоторые системы управляют переключением фар, для снижения ослепления водителей встречного транспорта.

Системы информирования водителя.

• Система информирования о техническом состоянии автомобиля: Следит за техническим состоянием автомобиля, в том числе осуществляет мониторинг давления в шинах. Система может быть как «закрытой» - информирует только водителя, так и «открытой» - передает информацию в сервисный центр.

• Система адаптивного освещения: Обеспечивает лучшее освещение дороги при проезде поворотов, поворачивая фары автомобиля в соответствии с поворотом объекты в видимые водителем изображения, повышая безопасность движения в условиях плохой видимости.

• Система предупреждения о пересечении дорожной разметки: Система предупреждает водителя о непроизвольном выходе с заданной полосы движения.

• Система предупреждения о возможности опрокидывания - RSC (Roll Stability Control).

• Система мониторинга «слепой зоны»: Система информирует чводителя световым или звуковым сигналом, или изображением на видеомониторе о нахождении рядом с транспортным средством других участников движения, которые могут создать помеху при перестроении на другую полосу движения.

• Система распознавания дорожных знаков: Видеосистема отслеживает дорожные знаки и воспроизводит их на мониторе (приборном щитке) или проецирует на лобовое стекло.

• Системы обнаружения препятствий при движении задним ходом: Эти системы обнаруживают препятствия (ультразвуком, радаром или инфракрасным излучением) при движении транспортного средства назад и, когда препятствие идентифицировано, информируют об этом водителя.

• Мониторинг состояния водителя: Система отслеживает управляющие реакции водителя, состояние его глаз и др. и предупреждает его звуковым (голосовым) сигналом для повышения его внимания.

• Системы обнаружения невидимых препятствий: К таким системам относятся различные устройства (с локационными датчиками различных типов, сканирующими пространство вокруг автомобиля), информирующие водителя о наличии препятствий. К этим системам также относятся системы ночного видения, которые используют инфракрасные излучатели и преобразуют невидимые на дороге объекты в видимые водителем изображения, повышая безопасность движения в условиях плохой видимости.

• Системы информирования о препятствиях впереди.

• Навигационные системы: Системы, в том числе активные, использующие информацию от датчиков внутри автомобиля, в случаях проезда автомобиля в тоннелях и других местах, где пропадает сигнал от спутников.

• Системы информации о состоянии дорожного движения: Системы предупреждают водителя о наличии заторов на дорогах, информируют об оптимальной скорости движения с целью проезда на разрешающий сигнал светофора и др.

• Системы информации о метеоусловиях.

• Система предупреждения о наличии пешеходов на проезжей части.

• Система предупреждения о наличии знака (линии) «Стоп».

Система сбора и передачи информации.

• «Черный ящик».

• Тахограф.

• Система передачи об аварии «e-Call»: Система передает сигнал о ДТП по команде водителя или автоматически при срабатывании систем пассивной безопасности.

• Система электронной идентификации автомобиля (груза).

• Система предоставления данных об автомобиле для сервисных станций.

• Система позиционирования транспортного средства (передатчик местонахождения).

Отдельные системы АТС могут быть одновременно и «закрытыми» и «открытыми», т.е. информация от них может быть использована как внутри АТС, так и быть передана в инфраструктуру и другим участникам движения.

На рисунке 1.9 представлена блок-схема классификации бортовых систем интеллектуального автотранспортного средства.

«Логически организация БИУС автомобиля может быть различной. Но, очевидно, что структура с центральной (однопроцессорной) организацией вряд ли возможна из-за большой сложности системы, многофункциональности, повышенных требований по надежности функционирования, требований к быстродействию и т.д.

Использование в БИУС иерархической организации, когда в систему входит один центральный процессор и ряд подчиненных к нему процессоров, дает целый ряд преимуществ: распараллеливание решения задач управления позволяет существенно повысить быстродействие; обеспечивают возможность управления сложными объектами (агрегатами автомобиля) в режиме реального времени; обеспечивает более высокую надежность системы.

Развитие компьютерных и сетевых технологий позволяет в настоящее время перейти к созданию децентрализованных распределенных систем компьютерного управления, которые представляю собой множество полностью равноправных процессоров, объединенных в единую систему управления с помощью сетевого канала связи.

Такая организация БИУС имеет ряд преимуществ: отсутствует центральный процессор, выход которого из строя приводит к отказу всей информационно-управляющей системы; отказ любого процессора не приводит к катастрофическим последствиям - задачи, решаемые отказавшим процессором, могут быть перераспределены/размещены на работоспособных процессорах. Таким образом, помимо параллельности решения задачи управления, такая БИУС будет обладать высокой надежностью. Обмен информацией между отдельными подсистемами БИУС, датчиками и исполнительными механизмами может осуществляться по стандартным сетевым протоколам обмена».

.5 Структурная схема БИУС

«Для оценки состояния и поведения транспортного средства используется информация, получаемая со следующих датчиков, расположенных на машине:

датчики давления измеряют давление масла в КПП, ДВС, гидросистеме, пневмосистеме;

датчики температуры для измерения температуры охлаждающей жидкости ДВС, масла в ДВС, охлаждающей жидкости в компрессоре, масла в гидросистеме.

Перечисленные датчики являются аналоговыми и имеют различные диапазоны измерения. Многие датчики имеют нелинейную характеристику. Используются дискретные датчики, работающие в качестве сигнализаторов, например, сигнализатор критической температуры охлаждающей жидкости, аварийного давления масла и другие, концевые выключатели главного фрикциона, горного тормоза, вентилятора. Еще один тип датчиков - импульсные датчики, формирующие последовательность импульсов, например для контроля пройденного пути.

В качестве БИУС используется бортовой компьютер (вычислитель), выполняющий сбор и обработку информации с датчиков, а также формирующий информационные сообщения и управляющие воздействия на исполнительные механизмы. Для подключения датчиков к вычислителю необходимо выполнить обработку сигналов. К обработке сигналов относятся нормирование сигнала (усиление), т.е. приведение его к определенному значению, фильтрация, линеаризация, аналого-цифровое преобразование и другие виды обработки»

Рисунок 1.9 - Классификации бортовых систем интеллектуального автотранспортного средства

2. Виды БИУС, классификиция, примеры

Классификация современных ботовых электронных систем автомобилей

Классификация современных бортовых электронных систем автомобилей (рисунок 2.1) включает в себя:

ЭСУА - электронные системы управления автомобилем;

ЭСУД - электронные системы управления двигателем;

СБСА - специализированные бортовые системы автомобиля;

ЛВС - локальные вычислительные сети.

Системы активной безопасности и другие.

Рисунок 2.1

Электронные системы управления автомобилем подразделяются на два типа: обеспечивающие безопасность при движении автомобиля и улучшающие управляемость и эргономичность автомобиля. Например, система курсовой устойчивости предотвращает увод автомобиля в неуправляемый занос, а автоматическая коробка перемены передач облегчает управление автомобилем.

Электронные системы управления двигателем включают в себя системы впрыска, зажигания и пуска двигателя и другие приборы электрооборудования автомобиля, обеспечивающие надежную работу двигателя и его высокий КПД. Специализированные бортовые системы автомобиля включают в себя различные системы отображения информации, необходимой для водителя; системы, повышающие комфортабельность автомобиля; системы навигации; противоугонные устройства.

Локальные вычислительные сети являются мультиплексными системами передачи информации на основе технологии CAN. Они позволяют значительно уменьшить число проводов, контактов и звеньев связи на автомобиле.

.2 Электронные системы управления автомобилем

Антиблокировочная тормозная система автомобиля

Структурная схема антиблокировочной тормозной системы с обратной связью представлена на рисунке 2.2.

Рисунок 2.2 - Антиблокировочная тормозная система (ABS) с обратной связью: 1 - главный тормозной цилиндр; 2 - модулятор давления; 3 - колесный тормозной цилиндр; 4 - датчик скорости колеса; 5 - входной усилитель ABS; 6 - блок вычислений ABS; 7 - блок управления ABS; 8 - блок контроля исправности ABS

Электронный блок управления (ЭБУ) собран на базе интегральных микросхем с применением цифровой технологии. Он состоит из четырех блоков и семи микросхем:

входной усилитель ABS для формирования и усиления сигналов датчика скорости колеса;

блок вычислений ABS для выполнения логических операций, сравнения угловых скоростей колес, определения пробуксовки ко лес, их замедления и для формирования команд исполнительному механизму;

блок управления ABS, представляющий собой усилитель мощности для привода электромагнитных клапанов в модуляторе давления;

- блок контроля исправности ABS. При возникновении неисправности этот блок отключает антиблокировочную систему. При этом основная тормозная система (без регулировки) остается в рабочем состоянии.

Противобуксовочная система автомобиля.

Противобуксовочная система (англ. Anti-Slip Regulation, ASR) - это электрогидравлическая система автомобиля, предназначенная для предотвращения потери тяги посредством контроля за пробуксовкой ведущих колес. Иногда эту систему называют системой управления силой тяги. Во время ускорения автомобиля, когда излишний крутящий момент приводит к быстрому повышению частоты вращения одного или обоих ведущих колес, противобуксовочная система поддерживает проскальзывание ведущих колес в пределах допустимого уровня, выполняя следующие функции:

регулирование силы тяги;

поддержание курсовой устойчивости автомобиля.

Противобуксовочная система с замкнутой обратной связью (рисунок 2.3) объединяется с блоком управления антиблокировочной системы для совместного использования ее компонентов, включающих датчики частоты вращения колес и клапаны управления давлением.

Рисунок 2.3 - Принципиальная схема противобуксовочной системы автомобиля: 1 - главный тормозной цилиндр; 2 - модулятор давления ABS/ASR; 3 - электронный блок управления ABS/ASR; 4 - электронный блок управления тягой двигателя; 5 - датчик положения дроссельной заслонки; 6 - датчик положения педали акселератора; 7 - датчики угловой скорости колес; 8 - колесные тормозные цилиндры

Существует несколько вариантов противобуксовочных систем: управление двигателем, управление двигателем - тормозами, управление двигателем с блокировкой дифференциала. Первый вариант управления не использует тормоза и не требует модификации антиблокировочной тормозной системы. Для повышения быстродействия системы при резком ускорении не только прикрывается дроссельная заслонка, но и уменьшается угол опережения зажигания и количество впрыскиваемого топлива. Данные меры способствуют увеличению устойчивости движения автомобиля. Вместе с этой системой может применяться устройство блокировки дифференциала, что также увеличивает устойчивость автомобиля при ускорении. Подобная система управления тяговым усилием используется на автомобилях с задними ведущими колесами.

Во втором случае блок электронного управления используется антиблокировочной тормозной системой в качестве элемента системы управления тяговым усилием. Механическая связь между педалью управления подачей топлива и дроссельной заслонкой заменяется электронной. Педаль управления подачей топлива воз действует на потенциометр, который посылает сигнал о ее положении в ЭБУ. Датчики угловых скоростей колес позволяют обнаружить пробуксовку ведущих колес. При возникновении пробуксовки ЭБУ посылает сигнал для закрытия дроссельной заслонки. В том случае, если пробуксовка начинается только у одного колеса, оно притормаживается антиблокировочной тормозной системой и одновременно прикрывается дроссельная заслонка. Эффективными являются применение блокируемого дифференциала и при необходимости притормаживание обоих ведущих колес. Этот способ требует наличия дополнительной гидравлической системы, кроме ABS. «Бортовая информационно-управляющая система (БИУС) транспортного средства (ТС) - это комплекс автоматической оценки состояния автомобиля и его агрегатов, оценки параметров движения, для информирования водителя об этих состояниях и выработки управляющий воздействий на исполнительные механизмы автомобиля в процессе выполнения различных задач. Принцип работы БИУС - сигналы с датчиков, установленных на ТС, поступают в вычислитель, который формирует заключение и выдает его в виде информации ο состоянии контролируемого объекта водителю и автоматическим исполнительным системам. По своей структуре бортовая информационно-вычислительная система должна состоять из:

) датчиков, воспроизводящих диагностическую информацию от объекта диагностирования;

) преобразователей, принимающих сигналы от датчиков и преобразующих их в вид, удобный для дальнейшей обработки;

) устройств οбрабοтки информации, которые проводят оценку полученных данных диагностирования по заданной программе и выдают конечные результаты в виде электронных сигналов;

) устройств выдачи информации, фиксирующих результаты диагностирования на носителе информации.

Блок-схема вариантов противобуксовочной системы (рисунок 2.4).

Рисунок 2.4

Система управления курсовой устойчивостью автомобиля.

Система управления курсовой устойчивостью автомобиля (англ. Vehicle Dinamic Control, VDC) представляет собой систему с обрат ной связью, которая позволяет сохранить курсовую устойчивость во время движения автомобиля. Она объединена с тормозной системой и силовой передачей. Система VDC упреждает опережение или запаздывание поворота автомобиля во время управления им. Преимущества ABS и ASR развиваются системой VDC за счет повышения активной безопасности движения во время управления автомобилем по следующим пунктам:

обеспечение водителя активной помощью даже в критических динамических ситуациях;

увеличение курсовой устойчивости автомобиля даже при пре дельно сложных условиях дорожного движения для всех режимов эксплуатации, таких как полное или частичное торможение, движение накатом, разгон, торможение двигателем, изменение нагрузок;

повышение устойчивости движения даже во время экстремальных маневров управления (аварийная ситуация);

улучшение управляемости при предельно сложных условиях дорожного движения;

лучшее использование потенциала сцепления между шинами и дорожным покрытием в зависимости от условий движения по сравнению с ABS и ASR.

На характеристику рулевого управления автомобиля можно повлиять посредством скольжения шин. В системе VDC эта характеристика шин используется в целях внедрения сервоуправления.

Система VDC управляет не только скоростью вокруг вертикальной оси, но и курсовым углом. VDC не ограничивается ре жимами работы систем ABS и ASR, но также распространяется на режим движения автомобиля накатом и приводится в действие во время частичного торможения на пределе возможности управления автомобилем. Управление автомобилем на пределе физических возможностей должно учитывать три степени свободы автомобиля на плоскости дороги (продольная и поперечная составляющие движения и поворот относительно вертикальной оси). Первоначально необходимо определить, как правильно должен вести себя автомобиль в соответствии с действиями водителя (номинальное поведение) и как он фактически себя ведет на дороге (действительное поведение). В целях минимизации разницы между номинальным и действительным поведением, силы действия на шину должны управляться исполнительными механизмами.

На рисунке 2.5 показана структура управления курсовой устойчивостью автомобиля, состоящая из главного контроллера VDC и контроллеров скольжения. С помощью главного контроллера вводится значение номинальной величины проскальзывания XN для контроллера скольжения. Следящий блок определяет переменную контролируемого состояния (курсовой угол автомобиля).

Рисунок 2.5 - Принципиальная схема системы управления курсовой устойчивостью автомобиля: 1 - датчики скорости вращения колес; 2 - датчик давления в тормозной системе; 3 - датчик положения рулевого колеса; 4 - датчик угловой скорости относительно вертикальной оси; 5 - датчик поперечного ускорения; 6 - модулятор давления; 7 - электронный блок управления тягой двигателя; 8 - сигналы датчиков для VDC; λN - номинальное проскальзывание шины

«Оцениваются сигналы от датчика положения рулевого колеса, датчика давления в тормозной системе и органов управления работой двигателя. Помимо скорости движения автомобиля вычисляются также необходимые характеристики коэффициентов сцепления между шинами и дорожным покрытием. Эти параметры оцениваются на основе сигналов, получаемых от датчиков скорости вращения колес, поперечного ускорения, угловой скорости относительно вертикальной оси и давления в тормозной системе. Затем рассчитывается момент относительно вертикальной оси, который нужен для приближенного приведения параметров действительно го состояния к параметрам требуемого состояния. В целях получения требуемого момента рыскания необходимо, чтобы изменения в величинах относительного скольжения колес определялись посредством контроллера VDC. Затем эти величины устанавливаются с использованием контроллеров скольжения и тягового усилия с помощью исполнительного механизма гидравлической тормозной системы (модулятора давления) и электронного блока управления тягой двигателя. В данной системе применяется метод последовательных приближений компонентов ABS и ASR. Гидравлический модулятор с расширенными функциями ASR допускает высокий уровень динамического торможения всех колес при любых существующих температурах и в то же время надежно поддерживает необходимое разделение тормозных контуров. Необходимый крутящий момент двигателя может быть установлен посредством управления работой двигателя через интерфейс CAN. Далее рассмотрим, как ведет себя автомобиль во время работы ПЗС. ПЗС реагирует на критические ситуации, если известно, куда намерен ехать водитель и куда на самом деле едет автомобиль. Ответ на первый вопрос система получает от датчиков, определяющих угол поворота рулевого колеса и угловые скорости колес автомобиля. Ответ на другой вопрос можно получить, измерив угол поворота автомобиля вокруг вертикальной оси и величину его поперечного ускорения. Если от датчиков поступают разные ответы на упомянутые выше вопросы, то есть возможность возникновения критической ситуации, при которой необходимо вмешательство ПЗС. Критическая ситуация может проявляться в двух вариантах поведения автомобиля: недостаточная и избыточная поворачиваемость автомобиля. В случае недостаточной поворачиваемости автомобиля ПЗС дозированно подтормаживает заднее колесо на внутренней стороне поворота, а также воздействует на системы управления работой двигателя и АКП (если автомобиль оборудован автоматической трансмиссией). В результате добавления к сумме сил тормоз ной силы, приложенной к упомянутому выше колесу, вектор результирующей силы, действующей на автомобиль, поворачивается в сторону поворота и возвращает машину на заданную траекторию движения, предотвращая выезд за пределы проезжей части и обеспечивая тем самым вписываемость в поворот. В случае избыточной поворачиваемости автомобиля ПЗС дозированно подтормаживает переднее колесо на внешней стороне поворота и воздействует на системы управления работой двигателя и АКП (если автомобиль оборудован автоматической трансмиссией). Вследствие чего вектор результирующей силы, действующей на автомобиль, поворачивается наружу поворота, предотвращая тем самым занос автомобиля и следующее за ним неуправляемое вращение вокруг вертикальной оси. Еще одной распространенной ситуацией, в которой требуется вмешательство ПЗС, является объезд неожиданно возникшего на дороге препятствия. В случае, если автомобиль не оборудован ПЗС, события часто развиваются по следующему сценарию. Чтобы избежать столкновения с неожиданно возникшим препятствием, водитель резко поворачивает влево, а затем, чтобы возвратиться на ранее занимаемую полосу, вправо. В результате автомобиль резко поворачивается и возникает занос задних колес, переходящий в неуправляемое вращение автомобиля вокруг вертикальной оси. Развитие ситуации в случае с автомобилем, оборудованным ПЗС, выглядит несколько иначе. Водитель пытается объехать препятствие, как и в первом случае. По сигналам датчиков ПЗС распознает возникший неустойчивый режим движения автомобиля, производит необходимые вычисления и (в качестве контрмеры) подтормаживает левое заднее колесо, способствуя тем самым по вороту автомобиля. При этом сила бокового увода передних колес сохраняется. Пока машина движется по дуге влево, водитель начинает поворачивать рулевое колесо вправо. Чтобы способствовать повороту автомобиля вправо, ПЗС пοдтормаживает правое перед нее колесо. Задние колеса при этом вращаются свободно, благодаря чему оптимизируется действующая на них боковая сила увода. Предпринятая водителем смена полосы движения может вызвать резкий поворот автомобиля вокруг вертикальной оси. Чтобы предотвратить занос задних колес, подтормаживается левое переднее колесо. В особо критических ситуациях это торможение должно быть очень интенсивным, чтобы ограничить нарастание боковой силы увода, действующей на передние колеса. Рекомендуется выключать ПЗС при «раскачке» автомобиля, застрявшего в глубоком снегу или рыхлом грунте, езде с цепями противоскольжения и проверке автомобиля на динамометрическом стенде. Отключение ПЗС осуществляется нажатием кнопочного выключателя на панели приборов, включение - повторным нажатием на указанную клавишу. При запуске двигателя ПЗС находится в рабочем режиме».

Система автоматического управления трансмиссией автомобиля.

«Система автоматического управления трансмиссией автомобиля реализуется благодаря появлению на автомобилях автоматических коробок перемены передач (АКПП). АКПП обеспечивают бесступенчатое регулирование крутящего момента, подводимого к колесам автомобиля. Большинство АКПП состоят из гидротрансформатора, планетарных редукторов, фрикционных и обгонных муфт и соединительных валов и барабанов. Также иногда применяется тормозная лента, затормаживающая один из барабанов относительно корпуса АКПП при включении той или иной передачи. Устройство управления АКПП - это набор золотников, управляющих потоками масла к поршням тормозных лент и фрикционных муфт. Положения золотников задаются как вручную - механически рукояткой селектора, так и автоматически. Автоматика может быть гидравлической или электронной. Гидравлическая автоматика реагирует на изменение давления масла от центробежного регулятора, соединенного с выходным валом АКПП, а также от нажатой водителем педали газа, получая информацию о скорости автомобиля и положении педали газа, на основании которой переключаются золотники. Электронная автоматика предполагает использование соленоидов, перемещающих золотники. Кабели от соленоидов выходят из АКПП и идут к расположенному вне АКПП блоку управления, иногда объединенному с блоком управления впрыском топлива и зажиганием (рисунок 2.6)».

Рисунок 2.6 - Управление автоматической коробкой перемены передач

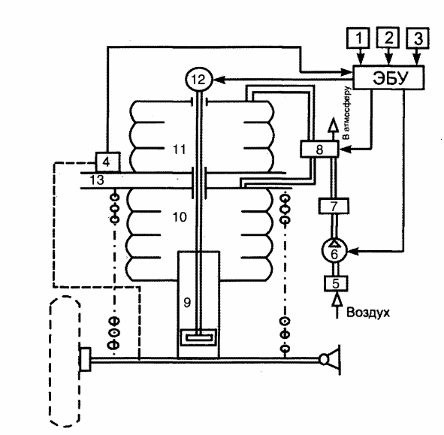
Система автоматического управления подвеской автомобиля.

«Система автоматического управления подвеской позволяет повысить не только комфортабельность салона автомобиля для водителя и пассажиров, но и безопасность движения. Это достигается за счет введения в подвеску исполнительных механизмов, управляемых с помощью электронных устройств, которые изменяют жесткость упругих элементов и сопротивление амортизаторов, что способно уменьшить крен кузова на повороте и его продольный наклон при разгоне и торможении. Разработаны также устройства, обеспечивающие горизонтальное положение кузова при движении по неровным дорогам. Рассмотрим принцип регулирования сопротивления амортизатора, жесткости подвески и высоты кузова на примере одного колеса (рисунок 2.7).

Рисунок 2.7 - Схема автоматического регулирования подвески: 1 - датчик скорости; 2 - датчик ускорения; 3 - датчик угловой скорости относительно вертикальной оси; 4 - датчик положения кузова автомобиля; 5 - фильтр; 6 - компрессор с приводом; 7 - влагоотделитель; 8 - электромагнитный клапан; 9 - амортизатор; 10, 11 - пневмокамеры; 12 - электродвигатель; 13 - кузов


.3 Специализированные бортовые системы автомобиля

Специализированные бортовые системы автомобиля очень разнообразны. Автопроизводители стремятся оснастить автомобиль как можно большим количеством систем, повышающим его комфортабельность, эргономичность, управляемость, информативность и безопасность. Рассмотрим некоторые из них.

Электронные противоугонные системы автомобиля.

«Противоугонные системы являются стандартным оборудованием на большинстве новых автомобилей и могут устанавливаться на выпущенные ранее. Промышленность производит много различных противоугонных систем, их цена, как правило, связана с предлагаемым уровнем защиты. Противоугонные системы должны быть эффективными, надежными, иметь длительный срок службы, устойчивыми к внешним воздействиям, например к радиопомехам. Установка такой системы не должна ухудшать безопасность автомобиля.

Противоугонные системы реализуют защиту автомобиля условно на трех уровнях:

) по периметру. Система периметрической защиты использует микровыключатели для контроля за открывающимися панелями автомобиля (двери, капот, багажник). При попытке несанкционированного открытия панели включаются звуковой и световой сигналы. Иногда система дополняется датчиками, способными обнаруживать движения тела;

) по объему. Система с помощью инфракрасных, ультразвуковых или микроволновых датчиков обнаруживает несанкционированное движение в салоне автомобиля. Ультразвуковые датчики используют эффект Доплера, когда любое движение в салоне изменяет частоту сигнала ультразвукового излучателя (40 кГц), принимаемого приемником. Микроволновая радиосистема работает на том же принципе, но радиосигнал излучается на частоте 10 ГГц. Микроволновые датчики реже ложно реагируют на движение воз духа и часто устанавливаются в кабриолетах. Инфракрасные датчики представляют собой сборку «приемник-излучатель» и монтируются на потолке салона. Они создают невидимую инфракрасную завесу до пола салона. Приемник постоянно контролирует отраженный сигнал и при его изменении (кто-то появился в салоне) включается сигнал тревоги;

) иммобилизация двигателя. Иммобилизация двигателя осуществляется специальным ЭБУ, запрещающим запуск двигателя при получении сигнала тревоги. Это может быть выполнено двумя способами: а) аппаратной иммобилизацией, при которой некоторые электрические цепи системы пуска двигателя разрываются специальными реле или полупроводниковыми переключателями. Эффективность аппаратных систем иммобилизации сильно зависит от скрытности размещения разрывающих реле и немаркированных проводов в жгуте. Скрытность нужна для того, чтобы нельзя было шунтировать создаваемые этими устройствами разрывы в цепи; б) программной иммобилизацией, когда по команде противоугонной системы ЭБУ двигателя запрещает его запуск, например делает недоступными калибровочные диаграммы подачи топлива и зажигания. После этого двигатель хотя и будет проворачиваться стартером, но не запустится. Такие системы очень эффективны, нужно только исключить возможность запуска двигателя путем замены ЭБУ двигателя на другой работоспособный блок. Состав противоугонных устройств, входящих в стандартную комплектацию, зависит от модели автомобиля. Во всех случаях автомобиль комплектуется средствами периметрической защиты, многие противоугонные системы имеют иммобилизатор и защиту по объему. Обычно противоугонная система включается и выключается ключом замка двери или с дистанционного пульта, управляющего также- и центральным замком. Припарковав автомобиль, водитель запирает двери и включает противоугонное устройство нажатием кнопки на дистанционном пульте управления (брелке). Светодиодный индикатор включения противоугонной системы начинает вспыхивать: сначала часто, информируя водителя о включении системы, затем редко, отпугивая потенциальных угонщиков. При попытке несанкционированного проникновения в автомобиль противоугонная система включает звуковой сигнал, периодически зажигает и гасит фары, иммобилизатор блокирует работу двигателя. Примерно через 30 с звуковые и световые сигналы прекращаются, чтобы не разрядить чрезмерно аккумулятор, но иммобилизатор остается включенным до тех пор, пока владелец автомобиля не выключит его дверным ключом или с дистанционного пульта управления. Существуют спутниковые охранно-поисковые системы, состоящие из двух основных частей: мобильного устройства (бортовой модуль), скрытно установленного в автомобиле, и круглосуточно го диспетчерского центра. Диспетчерский центр обрабатывает ин формацию, полученную от бортового модуля с последующим отображением ее на электронной карте. Бортовой модуль представляет собой небольшой герметичный необслуживаемый блок, скрытно устанавливаемый на контролируемый автомобиль и подключаемый к его бортовой сети и GPS/GSM антеннам. Бортовой модуль потребляет очень мало электроэнергии, его можно эксплуатировать практически неограниченное время даже при выключенном двигателе. Бортовой модуль получает сигналы от спутников, обрабатывает их и автоматически или по запросу передает в диспетчерский центр необходимую информацию, которая регистрируется в базе данных. Диспетчерский центр - это рабочее место диспетчера, оснащенное персональным компьютером, специальным программным обеспечением и приемником сообщений от бортовых модулей. Диспетчерский центр позволяет обрабатывать сообщения от большого количества автомобилей, содержит базу данных маршрутов следования, позволяет определить местоположение автомобиля на электронной географической карте. Разработана автосигнализация с обратной связью, когда сигнал тревоги передается прямо на брелок владельца автомобиля. Противоугонная система автомобиля с автозапуском обеспечивает запуск и прогрев двигателя в холодное время в автоматическом режиме. Система дистанционного управления позволяет управлять противоугонным устройством и центральным замком с некоторого расстояния. Она состоит из портативного передатчика, носимого водителем, и приемника, подключенного к ЭБУ противоугонного устройства и центральному замку. Передатчик размещается в брелке или самом ключе. Для миниатюризации применяются многослойные печатные платы и бес корпусные микросхемы. Питание осуществляется от миниатюрных литиевых батареек (как для наручных часов). Передатчики изготовляются на базе специализированных микро схем, например HCS200, HCS201 (Microchip), или недорогих 8-раз рядных микроконтроллеров, например МС68НС05КЗ (Motorola). Второй вариант дороже, но он дает возможность применять одно и то же оборудование в передатчиках с различными функциональными возможностями для различных систем дистанционного управления, отличающихся криптографическими алгоритмами, интерфейсом и т.д. Противоугонная система включается и выключается передатчи ком при посылке соответствующего цифрового кода. Код передается последовательно, при этом используется инфракрасное излучение или радиосигнал в УКВ-диапазоне. Системы, применяющие инфракрасное излучение, имеют малый радиус действия, требуют точного наведения луча передатчика, но не создают электромагнитных помех. УКВ-системы обладают большим радиусом действия, но их сигнал может быть перехвачен и декодирован угонщиками с помощью соответствующей электронной аппаратуры. УКВ-излучатели могут быть источниками электромагнитных помех, поэтому их параметры регламентируются соответствующими законодательными актами. Работают они в диапазоне дециметровых волн (200-450 МГц). Передача сигналов кодовой информации в автомобильных противоугонных системах производится, как правило, в одном направлении из соображений удешевления оборудования. Брелки и электромеханические ключи приемников не имеют, хотя двунаправленные сигналы значительно усложнили бы взлом противоугонных систем. Для повышения секретности линий связи многие противоугонные системы используют набор кодов, в результате при каждом нажатии кнопки передатчика (брелка) посылается свой код из набора. Программное обеспечение приемника синхронизирует его работу с передатчиком, т.е. приемник ожидает смену кода. Если приемник и передатчик вышли из синхронизации (например, когда водитель случайно нажал кнопку передатчика вдали от автомобиля), дистанционное управление работать не будет, но система автоматически синхронизируется при отпирании двери ключом. В современных противоугонных системах используется динамический код Keeloq, алгоритм которого был разработан в сере дине 1980-х годов южноафриканской фирмой Nanoteq. Технология динамических (плавающих) кодов делает бессмысленным и перехват кодов из эфира, и их подбор. Действительный код шифруется таким образом, что при каждой передаче излучается внешне совершенно другая кодовая посылка. В приемнике действительный код восстанавливается путем математической обработки. В результате становится невозможным предсказать, какая следующая кодовая комбинация снимет сигнализацию с охраны. Простое повторение предыдущей посылки не приведет к выключению сигнализации, так как использованные в прошлом посылки считаются недействительными. Предсказать же будущую посылку теоретически можно, только зная алгоритм шифрования кода, который держится фирмой-изготовителем в секрете, и достаточное количество выборок кода для анализа. Кодовые комбинации повторяются с очень большим интервалом.

На рисунке 2.8 и 2.9 схематично изображены алгоритмы работы пере датчика и приемника при использовании динамического кода Keeloq. При нажатии кнопки брелока (передатчика) его микросхема переходит из режима ожидания в рабочий режим. Запускается 16-разрядный синхронизирующий счетчик, генератор динамического кода вырабатывает по определенному алгоритму динамический код (28-32 бит) в зависимости от значения секретного ключа (статический код) и состояния синхронизирующего счетчика. Динамический код, заводской номер брелка и код нажатой клавиши образуют управляющее слово длиною 60-70 бит, которое передается приемнику по радиоканалу или иным способом. Если брелок зарегистрирован в данном приемнике, т.е. его идентификационный номер, секретный код, состояние синхронизирующего счетчика помещены в постоянное программируемое запоминающее устройство (EEPROM) приемника, принятая информация идентифицируется по номеру брелка и обрабатывается. Синхронизирующий счетчик приемника запускается и в генераторе приемника вырабатывается динамический код. Если динамические коды приемника и передатчика совпадают, производится выполнение переданной команды.

Рисунок 2.8 - Алгоритм работы передатчика

Рисунок 2.9 - Алгоритм работы приемника.

Заводской номер передатчика и секретный ключ - статические коды. Генератор динамического кода, тактируемый от 16-разрядного синхронизирующего счетчика, вырабатывает 65 535 различных значений кода, меняющихся в каждой посылке, повторяющихся циклически. Если пользоваться брелком по 50 раз в день, повторение кода произойдет через 1310 суток. Системы дистанционного управления на основе динамического кода являются криптографическими. Защита автомобиля от вскрытия зависит от кодовой длины секретного ключа, т.е. от числа его возможных состояний. В современных противоугонных системах часто применяются специализированные микросхемы фирмы Microchip, реализующие алгоритм генерации псевдослучайной последовательности (динамического кода) Keeloq с длиной ключа 64 бита. Код Keeloq представляет собой двоичную псевдослучайную последовательность с периодом 26 4 -1 бит. Для идентификации пере датчика используются блоки длиной 32 бита. Уникальный для каждого передатчика 64-битовый ключ - это начальное состояние сдвигающего регистра генератора псевдослучайной последовательности. Стандартный формат кода Keeloq имеет вид, представленный на рисунке 2.10.

Рисунок 2.10 - Стандартный формат кода Keeloq

При данном формате кода Keeloq открыто передаются: - 28 бит серийного номера передатчика, который должен быть уникальным для каждого выпускаемого производителем передатчика. Этот номер является первичной информацией для распознавания передатчика в приемнике устройства дистанционного управления. Как правило, он используется при формировании ключа кодирования для данного передатчика. Кроме того, в более секретных устройствах управления такой номер может передаваться в закодированном виде (Envelope Code) для исключения возможности применения различных код-грабберов;

4 бита кода команды (номер кнопки);

2 бита состояния источника питания передатчика и признака повтора посылки. Собственно алгоритм Keeloq используется для кодирования следующих 32 бит данных: - 4 бита команды (номер кнопки);

12 бит значения дискриминанта - секретного слова, которое может задаваться для каждой группы устройств, выпускаемых производителем;

- 16 бит счетчика синхронизации передаваемых посылок, обеспечивающих правильную работу декодера на приемной стороне. На практике возможны случайные нажатия кнопок брелка, ведущие к рассинхронизации приемника и передатчика. В этом случае приемник начинает процедуру ресинхронизации, т.е. инкрементирует синхронизирующий счетчик и дешифрует сообщение с помощью соответствующих состояниям синхронизирующего счетчика и секретного ключа последовательностей, пока дискриминационное слово не дешифруется правильно. Далее реализуется алгоритм синхронизации приемника и передатчика».

Системы бортовой самодиагностики автомобиля.

«Сегодня многие легковые и грузовые автомобили оборудованы системами бортовой диагностики. В 1970-х-начале 1980-х годов производители начали использовать электронные системы управления двигателем и диагностики двигателя. Причиной этого стало ужесточение требований стандартов ЕРА (Environmental Protection Agency - Агентство по защите окружающей среды при Правительстве США) по выбросам в атмосферу. Со временем системы бортовой диагностики развились в сложные системы. OBD-II (On-Board Diagnostic П - система бортовой самодиагностики, версия II) - но вый стандарт, разработанный в середине 1990-х годов, предоставляет полный контроль за двигателем, позволяет проводить мониторинг частей кузова и дополнительных устройств, а также диагностирует сеть управления автомобилем. Разработка требований и рекомендаций по стандарту OBD-II велась под эгидой ЕРА при участии CARB (California Air Resourcer Board - Калифорнийский совет по ресурсам атмосферы) и SAE (Society of Automotive Engineers - Международное общество авто мобильных инженеров). Стандарт OBD-II предусматривает более точное управление двигателем, трансмиссией, каталитическим нейтрализатором и т.д. Доступ к системной информации бортового ЭБУ можно осуществлять не только специализированными, но и универсальными сканерами. С 1996 года все продаваемые в США автомобили стали соответствовать требованиям OBD-II. В.

Европе аналогичные документы традиционно принимаются с запаздыванием по отношению к США. Аналогичные правила EOBD (European On Board Diagnostic) вступили в силу с 1 января 2000 года. С применением стандартов EOBD и OBD-II процесс диагностики электронных систем автомобиля унифицируется, теперь можно один и тот же сканер без специальных адаптеров использовать для тестирования автомобилей всех марок.

Система OBD-II предназначена для контроля за исправностью систем и компонентов автомобиля, влияющих на качество эмиссии (выхлопа): топливной системы; системы зажигания; системы рециркуляции отработавших газов; системы улавливания паров бензина; датчиков кислорода; нагревателей датчиков кислорода; катализаторов; нагревателей катализаторов; системы вторичного воздухозабора. Состояние системы поддержания требуемого состава смеси и пропуски сгорания смеси контролируются постоянно, другие системы и компоненты автомобиля тестируются 1 раз за по ездку автомобиля (Drive Cycle). В случае определения неисправности система самодиагностики OBD-II сохраняет код ошибки в памяти ЭБУ и зажигает индикатор ошибок (MIL - Malfunction Indicator Lamp, Check Engine или просто Check). При помощи про граммы OBD-II можно считать ошибки и найти причину неисправности. Кроме считывания кодов ошибок программа позволяет: стирать ошибки; просматривать зафиксированные параметры (freeze frame data); контролировать состояние топливной системы (открыта/закрыта); контролировать работу датчиков кислорода; просматривать параметры работы системы в режиме реального времени (data stream); просматривать результаты тестов самодиагностики; считывать идентификационные данные ЭБУ.

В рамках OBD-II используются пять протоколов обмена данными: ISO 9141, ISO 14230 (второе название - KWP2000), PWM, VPW и CAN. Каждый из протоколов имеет несколько разновидностей, отличающихся по скорости обмена информацией и другим признакам.

Общим признаком того, что автомобиль поддерживает OBD-II- диагностику, является наличие 16-контактного диагностического разъема (DLC - Diagnostic Link Connector) трапециевидной формы (рисунок 2.11). На подавляющем большинстве автомобилей он находится под приборной панелью со стороны водителя; разъем может быть как открыт, так и закрыт легко снимаемой крышкой с надписями «OBD-II», «Diagnose» и т.п. Для оценки применимости того или иного сканера для диагно стики конкретного автомобиля необходимо определить тип OBD-II- протокола, используемого на данном автомобиле (если OBD-II во обще поддерживается). Для этого нужно осмотреть диагностический разъем и определить наличие выводов в нем (как правило, присутствует только часть задействованных выводов, а каждый протокол использует свои выводы разъема).

Рисунок 2.11 - Диагностический разъем OBD-II

Назначение выводов («распиновка») 16-контактного диагностического разъема OBD-II:

02-J1850Bus+;

- Chassis Ground;

- Signal Ground;

- CAN High (J-2284);

-ISO 9141-2 K-Line;

-J1850 Bus-;

- CAN Low (J-2284);

15-ISO9141-2 L-Line;

- Battery Power (напряжение АКБ).

протокол ISO-9141-2 идентифицируется наличием контакта 7 и отсутствием контактов 2 и/или 10 в диагностическом разъеме (K-line). Используемые выводы: 4, 5, 7, 15 (может не быть), 16;

SAE J1850 VPW (Variable Pulse Width Modulation) использует выводы: 2, 4, 5, 16 (без 10);

- SAE J1850 PWM (Pulse Width Modulation) использует выводы: 2,4,5,10,16.

Протоколы PWM, VPW идентифицируются отсутствием кон такта 7 в диагностическом разъеме.

Основная часть автомобилей использует протоколы ISO, исключения составляют:

большая часть легковых автомобилей и легких грузовиков концерна General Motors, использующих протокол SAE Л 850 VPW;

большая часть автомобилей Ford, использующих протокол J1850PWM;

и другие.

Световой индикатор наличия неисправности Check Engine, расположенный на приборном щитке (на некоторых моделях специальные светодиоды, расположенные непосредственно на устройствах управления), загорается при включении зажигания и гаснет через некоторое время после запуска двигателя. Если при самодиагностике обнаружатся неисправности компонентов, подлежащих диагностике, то индикатор не погаснет. В случае возникновения некоторых неисправностей во время движения индикатор также загорится, причем при однократной незначительной неисправности он может погаснуть (сохранив ошибку в памяти для последующего считывания), но если индикатор продолжает гореть, то не удастся избежать немедленной остановки, более глубокой диагностики и ремонта.

Сохраненные в памяти коды ошибок считываются специальным прибором (сканером) или вручную при помощи определенной процедуры, которая вводит ЭБУ в режим индикации кодов само диагностики. После их изучения и анализа дополнительных данных оператором принимается решение о последующих мероприятиях.

В настоящее время доступно большое количество различных сканеров с невысокой стоимостью, что предоставляет возможность владельцу автомобиля обнаружить и устранить неисправности собственными силами. Сканеры - это действительно мощный инструмент, позволяющий с применением соответствующего программного обеспечения быстро и устойчиво установить связь с бортовым устройством и автоматически получить информацию. Возможно также, при подключении к диагностическому разъему, получать данные во время движения автомобиля. Подключение к ноутбуку (через адаптер) позволяет использовать дополнительную память, получать и обрабатывать информацию с использованием различных графических приложений».

Климат-контроль.

Система климат-контроля обеспечивает полностью автоматическое и эффективное управление климатом в салоне автомобиля. Основным ее элементом на автомобиле является блок отопителя-кондиционера. Именно в нем холодный воздух превращается в теплый и наоборот, а в конструкции и принципах управления этим блоком заключены основные различия между климатическими установками различного типа. Пользователь системы климат- контроля избавлен от необходимости двигать рычаги заслонок - ему нужно лишь задать желаемую температуру. Микропроцессорное устройство, ориентируясь на информацию, приходящую от различных датчиков (температурных, а в некоторых системах и датчиков уровня солнечной радиации), автоматически выбирает, устанавливает и поддерживает нужные режимы независимо от внешней температуры и погодных условий.

Круиз-контроль.

Круиз-контроль - это система управления скоростью автомобиля. Она получает сигнал от положения педали управления подачей топлива и поддерживает заданную водителем скорость вне зависимости от погодных и дорожных условий. Система имеет обратную связь, при помощи которой производится сравнение заданной и действительной скоростей движения. Когда блок сравнения обнаруживает различие между ними, он формирует сигнал для открытия или закрытия дроссельной заслонки.

Нестабильность скорости движения автомобиля уменьшается за счет включения специального блока задержки сигналов. Установленный на педали тормоза выключатель гарантирует мгновенное отключение системы. На некоторых моделях выключатель установлен и на педали сцепления во избежание перегазовки двигателя при переключении передач.

Адаптивный круиз-контроль (АСС - Adaptive Cruise Control) - усовершенствованная система круиз-контроля, которая может автоматически поддерживать не только скорость, но и безопасную дистанцию до впереди идущего автомобиля. С помощью встроенных в переднюю часть машины радаров, система измеряет расстояние до находящегося впереди автомобиля и в случае сокращения дистанции сбавляет скорость, а при необходимости слегка притормаживает машину. Как только расстояние увеличивается, автомобиль опять набирает заданную скорость. Если расстояние до препятствия сокращается очень быстро, система звуковым сигналом сообщает водителю о необходимости принудительного торможения.

Радиолокационный контроль дороги основан на эффекте Доплера. Приемопередатчик, встроенный в переднюю часть автомобиля, непрерывно испускает радиоволны. При отражении эти волны возвращаются и улавливаются приемным устройством. По изменению частоты сигнала определяются расстояние до препятствия и относительная скорость движения автомобиля.

Бортовой компьютер.

В последние годы в связи со значительным снижением стоимости микропроцессоров компьютерная техника все шире внедряется в автомобилестроение, и бортовой компьютер становится обычным оборудованием автомобиля.

Типичный бортовой компьютер может давать следующую информацию:

дату и время;

мгновенный расход топлива;

средний расход топлива;

стоимость топлива на километр (или милю) пробега;

ожидаемое время прибытия в пункт назначения;

ожидаемый пробег на оставшемся топливе;

количество израсходованного топлива;

температура наружного воздуха;

пройденный путь.

Для расчета компьютером некоторых параметров водитель должен перед выездом ввести в него исходные данные, после чего компьютер сможет давать указанную выше информацию при нажатии соответствующей кнопки на пульте управления. Для отображения информации все чаще применяются цветные жидкокристаллические дисплеи.


«За последние двадцать лет возросла сложность автомобильной электропроводки. Сегодня разработка и изготовление автомобильного жгута проводов является проблемой из-за его размеров и массы. В современном автомобиле может быть более 1200 отдельных проводов. Большое число проводов и соединений ухудшает надежность. По стоимости автомобильный жгут проводов занимает четвертое место после кузова, двигателя и трансмиссии.

Растет число систем автомобиля, имеющих автотронное управление, таких как:

управление двигателем;

антиблокировочные системы;

управление коробкой передач;

управление клапанами;

активная подвеска и т.д.

Эти системы в той или иной степени связаны друг с другом. Выходные сигналы некоторых датчиков могут использоваться не сколькими электронными системами. Можно применять один компьютер для управления всеми автомобильными системами (но на текущий момент и в ближайшем будущем это экономически нецелесообразно). Начинает претворяться в жизнь другое техническое решение, когда контроллеры отдельных ЭБУ связываются друг к другом коммуникационной шиной для обмена данными. Датчики и исполнительные механизмы, подключенные к данной шине через специальные согласующие устройства, становятся доступными для всех ЭБУ. Это решение представляет собой локальную вычислительную сеть (ЛВС) на борту автомобиля.

Термин «мультиплексный» широко используется в автомобильной промышленности. Обычно его относят к последовательным каналам передачи данных между различными электронными устройствами автомобиля. Несколько проводов, по которым пере даются управляющие сигналы, заменяются шиной для обмена данными. Уменьшение количества проводов в электропроводке автомобиля - одна из причин разработки мультиплексных систем. Другая причина - необходимость объединения в ЛВС контроллеров различных ЭБУ для эффективной работы и диагностики.

Мультиплексные системы значительно отличаются от обычных:

) в обычных системах электропроводки информация и питание передаются по одним и тем же проводам. В мультиплексных системах сигналы и электропитание разделены;

) в мультиплексных системах управляющие ключи непосредственно не включают и не выключают электропитание нагрузок;

) в некоторых случаях электронная схема узла должна постоянно считывать состояние управляющего ключа, даже когда большая часть электрооборудования обесточена. Например, положение ключа центрального замка дверей должно определяться и при парковке, когда многие системы выключены из соображений энергосбережения. Любая промышленная сеть, в том числе автомобильная, представляет собой совокупность датчиков, исполнительных механизмов, вычислительных устройств и органов управления, объединенных системой передачи данных и взаимодействующих по правилам, задаваемым протоколом. Протокол - центральный элемент, определяющий характеристики и возможности связанных им систем.разделяет автомобильные сети на три класса: А, В и С, отличающиеся скоростью передачи данных и областями применения. Причем к сетям класса С предъявляются особо жесткие требования, поскольку они по одному каналу связи обслуживают наиболее ответственные системы автомобиля, а передаваемые по ним сообщения могут быть как периодическими, так и случайны ми. Такие сети должны быть не только надежными и защищенными от внешних воздействий, но и обеспечивать возможность расстановки приоритетов различным сообщениям, сигнализировать об ошибках в передаче управляющих сигналов, иметь скорость реакции на важное сообщение определенной длительности».

Система управления курсовой устойчивостью автомобиля. Система управления курсовой устойчивостью автомобиля (англ. Vehicle Dinamic Control, VDC) представляет собой систему с обрат ной связью, которая позволяет сохранить курсовую устойчивость во время движения автомобиля. Она объединена с тормозной системой и силовой передачей. Система VDC упреждает опережение или запаздывание поворота автомобиля во время управления им. Преимущества ABS и ASR развиваются системой VDC за счет повышения активной безопасности движения во время управления автомобилем по следующим пунктам:

обеспечение водителя активной помощью даже в критических динамических ситуациях;

увеличение курсовой устойчивости автомобиля даже при пре дельно сложных условиях дорожного движения для всех режимов эксплуатации, таких как полное или частичное торможение, движение накатом, разгон, торможение двигателем, изменение нагрузок;

повышение устойчивости движения даже во время экстремальных маневров управления (аварийная ситуация);

улучшение управляемости при предельно сложных условиях дорожного движения;

лучшее использование потенциала сцепления между шинами и дорожным покрытием в зависимости от условий движения по сравнению с ABS и ASR.

На характеристику рулевого управления автомобиля можно по влиять посредством скольжения шин. В системе VDC эта характеристика шин используется в целях внедрения сервоуправления.

Система VDC управляет не только скоростью вокруг вертикальной оси, но и курсовым углом. VDC не ограничивается ре жимами работы систем ABS и ASR, но также распространяется на режим движения автомобиля накатом и приводится в действие во время частичного торможения на пределе возможности управления автомобилем. Управление автомобилем на пределе физических возможностей должно учитывать три степени свободы автомобиля на плоскости дороги (продольная и поперечная составляющие движения и поворот относительно вертикальной оси). Первоначально необходимо определить, как правильно должен вести себя автомобиль в соответствии с действиями водителя (номинальное поведение) и как он фактически себя ведет на дороге (действительное поведение). В целях минимизации разницы между номинальным и действительным поведением, силы действия на шину должны управляться исполнительными механизмами.

Структура управления курсовой устойчивостью автомобиля, состоящая из главного контроллера VDC и контроллеров скольжения. С помощью главного контроллера вводится значение номинальной величины проскальзывания XN для контроллера скольжения. Следящий блок определяет переменную контролируемого состояния (курсовой угол автомобиля).

«Оцениваются сигналы от датчика положения рулевого колеса, датчика давления в тормозной системе и органов управления работой двигателя. Помимо скорости движения автомобиля вычисляются также необходимые характеристики коэффициентов сцепления между шинами и дорожным покрытием. Эти параметры оцениваются на основе сигналов, получаемых от датчиков скорости вращения колес, поперечного ускорения, угловой скорости относительно вертикальной оси и давления в тормозной системе. Затем рассчитывается момент относительно вертикальной оси, который нужен для приближенного приведения параметров действительно го состояния к параметрам требуемого состояния. В целях получения требуемого момента рыскания необходимо, чтобы изменения в величинах относительного скольжения колес определялись посредством контроллера VDC. Затем эти величины устанавливаются с использованием контроллеров скольжения и тягового усилия с помощью исполнительного механизма гидравлической тормозной системы (модулятора давления) и электронного блока управления тягой двигателя. В данной системе применяется метод последовательных приближений компонентов ABS и ASR. Гидравлический модулятор с расширенными функциями ASR допускает высокий уровень динамического торможения всех колес при любых существующих температурах и в то же время надежно поддерживает необходимое разделение тормозных контуров. Необходимый крутящий момент двигателя может быть установлен посредством управления работой двигателя через интерфейс CAN. Далее рассмотрим, как ведет себя автомобиль во время работы. Автомобильные системы, независимо от их класса, могут выполняться (и выполняются) по одной из трех топологических схем сетей: «звезда», «кольцо» и «шина» (рисунок 2.12).

Рисунок 2.12 - Топологические схемы автомобильных мультиплексных систем: а - звезда; б - кольцо; в - шина

В схеме «звезда» есть центральный узел, связанный с каждым устройством системы отдельным каналом связи, т.е. для связи двух или более таких устройств необходимо, чтобы информация прошла через «центр». Плюс у схемы один - простота протоколов обмена информацией, недостатков, к сожалению, гораздо больше, и они явно перекрывают этот плюс. В их числе: большое время задержки и значительное число проводов; ограниченное число коммутируемых устройств; низкая надежность из-за наличия цен трального узла. Схема используется редко.

В схеме «кольцо» все устройства равноправны, так как последовательно объединены в кольцо. Значит, передаваемые сигналы должны проходить по нескольким звеньям, этим обусловлены и недостатки схемы: потеря работоспособности при разрыве цепи или выходе из строя одного устройства; большая задержка и ее увеличение при добавлении нового звена.

Схема «шина» позволяет устройствам функционировать в общей среде передачи данных, используя широковещательную передачу; не требует доработок при подключении дополнительных устройств; в ней возможна реализация любого типа доступа к среде передачи данных, а время их передачи невелико. Самая важная задача протокола здесь - решение вопросов доступа в среду передачи данных.

Очевидно, что для автомобиля предпочтительнее именно эта схема: она экономит провода, обеспечивает высокую надежность системы управления.

Схема «шина» реализует доступ трех типов: основной узел по определенным правилам опрашивает дочерние узлы; получив от синхронизирующего пакета сигнал, отправляет данные тому дочернему узлу, который соответствует полученному от пакета сигналу; получив сигнал от дочернего узла, открывает последнему доступ в сеть. Первые два типа доступа называются централизованными, третий - децентрализованным. Он особенно эффективен, так как не тратит время на «холостые» опросы, т.е. обеспечивает мгновенное реагирование на высокоприоритетное сообщение.

«Протокол CAN был разработан инженерами фирмы R. Bosch GmbH для применения на автомобилях. Протокол соответствует международным стандартам ISO 11898 и ISO 11519 и используется несколькими производителями электронного оборудования. Протокол CAN признан автомобильными производителями США и Европы, применяется на современных легковых автомобилях, грузовиках, автобусах, сельскохозяйственном транспорте, в морском оборудовании, для автоматизации производства.

Протокол CAN поддерживает метод доступа CSMA/CD-A к сети с равноранговыми узлами. Пакет данных имеет размер не более 8 байт и передается по последовательной шине, 15-битовый циклический контроль избыточности обеспечивает высокий уровень целостности данных. Каждый узел состоит из двух составляющих. Это собственно CAN-контроллер, который обеспечивает взаимодействие с сетью и реализует протокол, и микропроцессор (CPU) (рисунок 2.13).

Система управления курсовой устойчивостью автомобиля.

Система управления курсовой устойчивостью автомобиля (англ. Vehicle Dinamic Control, VDC) представляет собой систему с обрат ной связью, которая позволяет сохранить курсовую устойчивость во время движения автомобиля. Она объединена с тормозной системой и силовой передачей. Система VDC упреждает опережение или запаздывание поворота автомобиля во время управления им. Преимущества ABS и ASR развиваются системой VDC за счет повышения активной безопасности движения во время управления автомобилем по следующим пунктам:

Рисунок. 2.13 - Структура сети CAN

На рисунке 2.14 представлена схема включения и битовые уровни протокола CAN в соответствии с международным стандартом ISO 11898, на рисунке 2.15 - в соответствии с международным стандартом ISO 11519.

Рисунок 2.14 - Схема включения и битовые уровни по ISO 11898

Рисунок 2.15 - Схема включения и битовые уровни по ISO 11519

Используемый в настоящее время протокол CAN версии v2.0 состоит из двух частей: версия v2.0A со стандартным форматом кадра и v2.0B с расширенным форматом кадра. Версия v2.0A идентична предыдущей версии vl.2 и использует 11-битовое поле идентификатора. В версии v2.0B поле идентификатора - 29 бит. Расширенный формат кадра необходим для совместимости с существующим коммуникационным протоколом Л 850. Функции протокола CAN реализуются в микропроцессоре со встроенным контроллером CAN. Первыми на рынке появились контроллеры CAN с внешними драйверами для шины. В настоящее время производятся несколько типов CAN-контроллеров, которые можно разделить на три группы в зависимости от поддержки ими расширенного формата кадра:

контроллеры v2.0A. Поддерживают только стандартный фор мат, не могут работать в сети, где передаются кадры расширенного формата;

контроллеры v2.0B, пассивные. Поддерживают только стандартный формат, но могут работать в сети, где передаются и кадры расширенного формата;

контроллеры v2.0B, активные. Поддерживают операции с кадрами стандартного и расширенного форматов.

Контроллеры CAN классифицируются также на полные и базовые в зависимости от организации буферизации данных.

Полный CAN-контроллер имеет некоторое количество (обычно 14) специализированных буферов для временного хранения сообщений. При инициализации CAN-контроллера можно сконфигурировать его, указав, какой кадр будет поступать в какой буфер.

Физически CAN представляет собой последовательную асинхронную шину, данные которой передаются или по витой паре, или по оптоволокну, или по радиоканалу. Шиной могут управлять сразу несколько устройств. Теоретически число подсоединяемых к ней устройств не ограничено. Скорость передачи данных задается программно (не более 1 Мбит/с).

В настоящее время действующей спецификацией для протокола CAN служит «СAN Specification version 2,0», состоящая из двух частей: А и В, первая описывает обмен данными по сети с использованием 11-битного идентификатора, а вторая - 29-битного. Если узел CAN поддерживает обмен данными только с использованием 11-битного идентификатора, не выдавая при этом ошибки на об мен данными с использованием 29-битного идентификатора, то его обозначают «CAN2.0A Active, CAN2.0B Passive»; если с использованием и 11-битного, и 29-битного идентификаторов - то «CAN2.0B Active».

Существуют также узлы, которые поддерживают обмен данными с использованием только 11-битного идентификатора, а при обнаружении в сети данных с 29-битным идентификатором выдают ошибку. Но на автомобилях устанавливают, естественно, толь ко согласованные системы. Они работают в двух сетях, имеющих разные (250 и 125 кбит/с) скорости передачи данных. Первые обслуживают основные системы управления (двигатель, автоматическая коробка передач, АБС и т.д.), вторые - вспомогательные (стеклоподъемники, освещение и пр.).

Сеть CAN состоит из узлов с собственными тактовыми генераторами. Любой ее узел посылает сообщение всем системам, подсоединенным к шине, а получатели решают, относится ли данное сообщение к ним. Для этого предусмотрена аппаратная реализация фильтрации сообщений. Протокол CAN обладает исключительно развитой системой обнаружения ошибок и сигнализации о них, включающей поразрядный контроль, прямое заполнение битового потока, проверку пакета со общений CRC-полиномом, контроль формы пакета сообщений, подтверждение верного приема пакета данных. В итоге общая вероятность ненахождения ошибки не превышает 4,7 • 10-11. Кроме того, имеющаяся система арбитража протокола CAN исключает потерю информации и времени при «столкновениях» на шине.

Поле арбитража CAN-кадра (поле идентификатора сообщений) используется в CAN для разрешения коллизий доступа к шине методом недеструктивного арбитража.

Суть метода недеструктивного арбитража заключается в следующем (рисунок 2.16): в случае, когда несколько контроллеров начинают одновременную передачу CAN - кадра в сеть, каждый из них сравнивает бит, который собирается передать на шину, с битом, который пытается передать на шину конкурирующий контроллер. Если значения этих битов равны, оба контроллера пере дают следующий бит, и так происходит до тех пор, пока значения передаваемых битов не окажутся различными. Теперь контроллер, который передавал логический ноль (более приоритетный сигнал), будет продолжать передачу, а другой (другие) контроллер прервет свою передачу до того времени, пока шина вновь не освободится. Конечно, если шина в данный момент занята, то контроллер не начнет передачу до момента ее освобождения.

Рисунок. 2.16 - Побитовый арбитраж на шине CAN

Как было сказано выше, поле идентификатора сообщений составляет 11 или 29 бит. Возможны два основных способа работы протокола: по событиям и временным меткам. В CAN реализован именно первый способ. Однако ЕС одновременно финансировал и программу исследования по второму способу - коммуникационному протоколу для высоконадежных приложений ТТР («временно-пусковой» протокол).

Над ним работали DaimlerChrysler, British Aeropac, FIAT, Ford, Marelli, Bosch, Volvo и Венский технический университет. Разработанная архитектура ТТА признана эффективной для критичных по безопасности систем (автомобильных, железнодорожных, авиационных).

Архитектуры систем на основе протоколов ТТР и CAN в целом сходны. Обе системы подразделяются на ряд подсистем (кластеров, т.е. распределенных компьютерных систем), и наборы узлов, объединенных последовательным каналом. Для выполнения функций, которые невозможно реализовать на одном узле (таких как точная координация работы двигателя, тормозов и др.), узлы обмениваются сообщениями через последовательный коммуникационный канал. Каждый узел, в свою очередь, состоит из трех элементов: компьютера, коммуникационного контроллера и подсистемы ввода-вывода для связи с датчиками и элементами управления. Все эти элементы связаны между собой двумя интерфейсами: коммуникационным интерфейсом сети (CNI) между компьютером и коммуникационным контроллером и управляемым интерфейсом объекта (COI) между компьютером и подсистемой ввода-вывода процесса.

Система управления курсовой устойчивостью автомобиля (англ. Vehicle Dinamic Control, VDC) представляет собой систему с обрат ной связью, которая позволяет сохранить курсовую устойчивость во время движения автомобиля. Она объединена с тормозной системой и силовой передачей. Система VDC упреждает опережение или запаздывание поворота автомобиля во время управления им. Преимущества ABS и ASR развиваются системой VDC за счет повышения активной безопасности движения во время управления автомобилем по следующим пунктам:

обеспечение водителя активной помощью даже в критических динамических ситуациях;

увеличение курсовой устойчивости автомобиля даже при пре дельно сложных условиях дорожного движения для всех режимов эксплуатации, таких как полное или частичное торможение, движение накатом, разгон, торможение двигателем, изменение нагрузок;

повышение устойчивости движения даже во время экстремальных маневров управления (аварийная ситуация);

улучшение управляемости при предельно сложных условиях дорожного движения;

лучшее использование потенциала сцепления между шинами и дорожным покрытием в зависимости от условий движения по сравнению с ABS и ASR.

На характеристику рулевого управления автомобиля можно по влиять посредством скольжения шин. В системе VDC эта характеристика шин используется в целях внедрения сервоуправления.

Система VDC управляет не только скоростью вокруг вертикальной оси, но и курсовым углом. VDC не ограничивается ре жимами работы систем ABS и ASR, но также распространяется на режим движения автомобиля накатом и приводится в действие во время частичного торможения на пределе возможности управления автомобилем. Управление автомобилем на пределе физических возможностей должно учитывать три степени свободы автомобиля на плоскости дороги (продольная и поперечная составляющие движения и поворот относительно вертикальной оси). Первоначально необходимо определить, как правильно должен вести себя автомобиль в соответствии с действиями водителя (номинальное поведение) и как он фактически себя ведет на дороге (действительное поведение). В целях минимизации разницы между номинальным и действительным поведением, силы действия на шину должны управляться исполнительными механизмами.

Структура управления курсовой устойчивостью автомобиля, состоящая из главного контроллера VDC и контроллеров скольжения. С помощью главного контроллера вводится значение номинальной величины проскальзывания XN для контроллера скольжения. Следящий блок определяет переменную контролируемого состояния (курсовой угол автомобиля).

«Оцениваются сигналы от датчика положения рулевого колеса, датчика давления в тормозной системе и органов управления работой двигателя. Помимо скорости движения автомобиля вычисляются также необходимые характеристики коэффициентов сцепления между шинами и дорожным покрытием. Эти параметры оцениваются на основе сигналов, получаемых от датчиков скорости вращения колес, поперечного ускорения, угловой скорости относительно вертикальной оси и давления в тормозной системе. Затем рассчитывается момент относительно вертикальной оси, который нужен для приближенного приведения параметров действительно го состояния к параметрам требуемого состояния. В целях получения требуемого момента рыскания необходимо, чтобы изменения в величинах относительного скольжения колес определялись посредством контроллера VDC. Затем эти величины устанавливаются с использованием контроллеров скольжения и тягового усилия с помощью исполнительного механизма гидравлической тормозной системы (модулятора давления) и электронного блока управления тягой двигателя. В данной системе применяется метод последовательных приближений компонентов ABS и ASR. Гидравлический модулятор с расширенными функциями ASR допускает высокий уровень динамического торможения всех колес при любых существующих температурах и в то же время надежно поддерживает необходимое разделение тормозных контуров. Необходимый крутящий момент двигателя может быть установлен посредством управления работой двигателя через интерфейс CAN. Далее рассмотрим, как ведет себя автомобиль во время работы Система управления курсовой устойчивостью автомобиля.

Система управления курсовой устойчивостью автомобиля (англ. Vehicle Dinamic Control, VDC) представляет собой систему с обрат ной связью, которая позволяет сохранить курсовую устойчивость во время движения автомобиля. Она объединена с тормозной системой и силовой передачей. Система VDC упреждает опережение или запаздывание поворота автомобиля во время управления им. Преимущества ABS и ASR развиваются системой VDC за счет повышения активной безопасности движения во время управления автомобилем по следующим пунктам:

обеспечение водителя активной помощью даже в критических динамических ситуациях;

повышение устойчивости движения даже во время экстремальных маневров управления (аварийная ситуация);

улучшение управляемости при предельно сложных условиях дорожного движения;

лучшее использование потенциала сцепления между шинами и дорожным покрытием в зависимости от условий движения по сравнению с ABS и ASR.

На характеристику рулевого управления автомобиля можно по влиять посредством скольжения шин. В системе VDC эта характеристика шин используется в целях внедрения сервоуправления.

Система VDC управляет не только скоростью вокруг вертикальной оси, но и курсовым углом. VDC не ограничивается ре жимами работы систем ABS и ASR, но также распространяется на режим движения автомобиля накатом и приводится в действие во время частичного торможения на пределе возможности управления автомобилем. Управление автомобилем на пределе физических возможностей должно учитывать три степени свободы автомобиля на плоскости дороги (продольная и поперечная составляющие движения и поворот относительно вертикальной оси). Первоначально необходимо определить, как правильно должен вести себя автомобиль в соответствии с действиями водителя (номинальное поведение) и как он фактически себя ведет на дороге (действительное поведение). В целях минимизации разницы между номинальным и действительным поведением, силы действия на шину должны управляться исполнительными механизмами.

Структура управления курсовой устойчивостью автомобиля, состоящая из главного контроллера VDC и контроллеров скольжения. С помощью главного контроллера вводится значение номинальной величины проскальзывания XN для контроллера скольжения. Следящий блок определяет переменную контролируемого состояния (курсовой угол автомобиля).

«Оцениваются сигналы от датчика положения рулевого колеса, датчика давления в тормозной системе и органов управления работой двигателя. Помимо скорости движения автомобиля вычисляются также необходимые характеристики коэффициентов сцепления между шинами и дорожным покрытием. Эти параметры оцениваются на основе сигналов, получаемых от датчиков скорости вращения колес, поперечного ускорения, угловой скорости относительно вертикальной оси и давления в тормозной системе. Затем рассчитывается момент относительно вертикальной оси, который нужен для приближенного приведения параметров действительно го состояния к параметрам требуемого состояния. В целях получения требуемого момента рыскания необходимо, чтобы изменения в величинах относительного скольжения колес определялись посредством контроллера VDC. Затем эти величины устанавливаются с использованием контроллеров скольжения и тягового усилия с помощью исполнительного механизма гидравлической тормозной системы (модулятора давления) и электронного блока управления тягой двигателя. В данной системе применяется метод последовательных приближений компонентов ABS и ASR. Гидравлический модулятор с расширенными функциями ASR допускает высокий уровень динамического торможения всех колес при любых существующих температурах и в то же время надежно поддерживает необходимое разделение тормозных контуров. Необходимый крутящий момент двигателя может быть установлен посредством управления работой двигателя через интерфейс CAN. Далее рассмотрим, как ведет себя автомобиль во время работы Система управления курсовой устойчивостью автомобиля

Система управления курсовой устойчивостью автомобиля (англ. Vehicle Dinamic Control, VDC) представляет собой систему с обрат ной связью, которая позволяет сохранить курсовую устойчивость во время движения автомобиля. Она объединена с тормозной системой и силовой передачей. Система VDC упреждает опережение или запаздывание поворота автомобиля во время управления им. Преимущества ABS и ASR развиваются системой VDC за счет повышения активной безопасности движения во время управления автомобилем по следующим пунктам:

обеспечение водителя активной помощью даже в критических динамических ситуациях;

увеличение курсовой устойчивости автомобиля даже при пре дельно сложных условиях дорожного движения для всех режимов эксплуатации, таких как полное или частичное торможение, движение накатом, разгон, торможение двигателем, изменение нагрузок;

повышение устойчивости движения даже во время экстремальных маневров управления (аварийная ситуация);

улучшение управляемости при предельно сложных условиях дорожного движения;

лучшее использование потенциала сцепления между шинами и дорожным покрытием в зависимости от условий движения по сравнению с ABS и ASR.

На характеристику рулевого управления автомобиля можно по влиять посредством скольжения шин. В системе VDC эта характеристика шин используется в целях внедрения сервоуправления.

Система VDC управляет не только скоростью вокруг вертикальной оси, но и курсовым углом. VDC не ограничивается ре жимами работы систем ABS и ASR, но также распространяется на режим движения автомобиля накатом и приводится в действие во время частичного торможения на пределе возможности управления автомобилем. Управление автомобилем на пределе физических возможностей должно учитывать три степени свободы автомобиля на плоскости дороги (продольная и поперечная составляющие движения и поворот относительно вертикальной оси). Первоначально необходимо определить, как правильно должен вести себя автомобиль в соответствии с действиями водителя (номинальное поведение) и как он фактически себя ведет на дороге (действительное поведение). В целях минимизации разницы между номинальным и действительным поведением, силы действия на шину должны управляться исполнительными механизмами.

3. Перспективные направления развития БИУС

Совсем недавно микропроцессорные системы зажигания, электронные системы управления гидравлическими тормозами, системы впрыска бензина, бортовая самодиагностика считались последними достижениями в области автомобилестроения. Теперь такие системы относят к классическим и устанавливают почти на каждый серийный автомобиль.

В наши дни на вновь разрабатываемые модели автомобилей дополнительно начинают устанавливать совершенно нетрадиционные бортовые автоматические системы, к которым относятся: информационная система водителя с микропроцессорным обеспечением; спутниковая навигационно-поисковая система; радарные и ультразвуковые системы зашиты автомобиля от столкновений и угона; системы повышения безопасности и комфорта людей в салоне; система круиз-контроля; система «электронная карта»; мультиплексная электропроводка и другие системы, которые рассмотрены в предыдущих главах.

В данной работе рассматривалась различная организация (архитектура) бортовой информационно-управляющей системы. Сравнение этих архитектур показывает, что БИУС с центральной (однопроцессорной архитектурой) имеет множество недостатков из-за сложности системы, многофункцианальности, высоких требований к надежности и быстродействию системы.

Использование системы с иерархичной организацией дает ряд преимуществ. Это - распределение задач, возможность управления сложными агрегатами в режиме реального времени, что обеспечивает более высокую надежность системы.

Однако такая архитектура имеет свои недостатки - усложняется процедура решения задач управления: возникают сложности распределения общей задачи на ряд отдельных подзадач, сложности увязки этих подзадач между собой; сложности создания алгоритмического и программного обеспечения такой иерархической системы управления.

Наиболее перспективной архитектурой я считаю - децентализованную, или топологическую схему «шина». Развитие компьютерных и сетевых технологий позволяет в настоящее время перейти к созданию децентрализованных распределенных систем компьютерного управления, которые представляю собой множество полностью равноправных процессоров, объединенных в единую систему управления с помощью сетевого канала связи.

Такая организация БИУС имеет ряд преимуществ: отсутствует центральный процессор, выход которого из строя приводит к отказу всей информационно-управляющей системы; отказ любого процессора не приводит к катастрофическим последствиям - задачи, решаемые отказавшим процессором, могут быть перераспределены/размещены на работоспособных процессорах. Таким образом, помимо параллельности решения задачи управления, такая БИУС будет обладать высокой надежностью. Обмен информацией между отдельными подсистемами БИУС, датчиками и исполнительными механизмами может осуществляться по стандартным сетевым протоколам обмена.

Современные подходы автомобилестроителей к комплексному решению задач автоматического контроля, управления и регулирования приводят к тому, что подавляющее большинство новейших автомобильных систем бортовой автоматики являются автотронными, входными воздействиями для которых являются неэлектрические проявления режима работы, условий движения, дорожных ситуаций и других факторов, а выходными потребителями информации (объектами управления) - неэлектрические узлы, блоки, устройства, газообразные и жидкостные среды, имеющие место на автомобиле, и сам водитель. Это принципиальные отличия автотронных систем от чисто электронных и электрических.

Параллельно проводятся поиски более эффективных компьютерных технологий обработки информации в бортовых электронных системах. Разработаны и уже находят применение так называемые лингвистические функциональные преобразователи, работающие с нечеткими подмножествами лингвистических переменных, выраженных отдельными словами или целыми предложениями на естественном - английском или искусственном - компьютерном языке. При некотором усложнении логических и арифметических операций в микропроцессоров это позволяет повысить точность и скорость обработки сигналов. Значительно усложнился интерфейс, и возникла необходимость в ведении CAN-пpoтокола в мультиплексную систему.

Информационно-управляющие системы автомобиля развиваются в направлении не только повышения уровня программного обеспечения, но и применения в качестве индикаторов современных светодиодов, жидкокристаллических экранов и люминесцентных панелей.

В настоящее время практически отработана концепция автомобилей с повышением бортового напряжения до 42 вольт. Так существует два накопителя энергии: аккумуляторные батареи с напряжением 36 и 12 вольт, молекулярный емкостный накопитель на напряжении 42 вольта. Применение двухуровневой системы обусловлено резким возрастанием числа и мощности бортовых потребителей электроэнергии в системах управления двигателем, активной подвеской и т.д.

Для систем информирования по-прежнему характерны логометрические приборы, но уже с поворотом стрелки на 360 градусов и управление с помощью специализированной микросхемы, что, с точки зрения передачи аналоговой информации, сделало их конкурентоспособными по отношению к электронным комбинациям приборной панели. Появился и новый класс таких систем, как навигационные, которые связаны со спутниками, дорожными радиомаяками и позволяют водителю ориентироваться в сложных городских условиях.

Говоря о тенденциях и перспективах развития автомобильных бортовых устройств, следует отметить, что традиционно наиболее интенсивно совершенствуются узлы, агрегаты и схемы классического электрооборудования. Уже скоро в бортсеть автомобиля будет внедрено второе рабочее напряжение 42 вольта. Это связано с необходимостью повышения напряжения электропитания для новейших энергоемких потребителей, таких как силовые электромагнитные гидроклапаны, электромагнитные соленоиды силовых исполнительных устройств, мощные электродвигатели, силовые электронные коммутаторы, мультиплексная электропроводка и т. п. Ясно, что при повышении напряжения электропитания соответственно уменьшаются токи в цепях потребителей, что приводит к более надежной и экономичной их работе. Но сразу переводить все электропотребители на новое напряжение, как это было сделано при переходе с 6 на 12 вольт, в настоящее время нерационально. Причина тому - выпуск 12-вольтовых потребителей огромными сериями, технологическая оснащенность производства. А самое главное, все эксплуатируемые в настоящее время автомобили оборудованы 12-вольтными потребителями (электролампы, электродвигатели, электронное и микрокомпьютерное оснащение, аудио-, радио-, видеоаппаратура, бортовая самодиагностика и др.).

Единой стратегии перевода бортовой сети автомобиля на более высокое напряжение пока нет. Полагают, что некоторое время на автомобиле будет два напряжения: 12 вольт - для классического электрооборудования, и 42 вольта - для новейших мощных потребителей. Такой подход широко используется па многотонных грузовых автомобилях, где мощные электропотребители 24-вольтовые, а освещение - от 12 вольт. Еще более яркий пример - электромобили. Здесь главная тяговая аккумуляторная батарея, управляющий контроллер и тяговый электродвигатель рассчитаны на напряжение 120 - 380 В и соединены между собой отдельными цепями. При этом бортовая сеть остается двенадцативольтовой.

Из вышеперечисленных примеров видно, что функциональное многообразие бортовых электрических устройств приводит к необходимости применения на автомобиле нескольких первичных источников электроэнергии с различными рабочими напряжениями. При этом не исключено, что будет использоваться и переменное синусоидальное напряжение для специальных потребителей.

Под новые напряжения в первую очередь будут модернизированы бортовые электромашины. Уже в наши дни значительно видоизменен электростартер. В нем не применяется последовательное возбуждение, которое заменено возбуждением от постоянных магнитов. Жесткая механическая характеристика электродвигателя +12В стартера согласовывается с пусковым моментом ДВС посредством планетарного редуктора (редуктора Джемса). Давно нет коллекторных генераторов постоянного тока, их заменили многофазные синусоидальные генераторы с полупроводниковыми выпрямителями и электронными регуляторами напряжения. Но и такие генераторы могут значительно видоизмениться при появлении второго рабочего напряжения или если необходимость в высоковольтном переменном напряжении станет реальной.

Ведутся также разработки по созданию универсальной электрической машины, так называемого «стартер-генератора», которая сможет выполнять две функции: запуск ДВС и подачу электроэнергии в бортсеть после запуска ДВС.

Современная микропроцессорная система зажигания с низкоуровневым многоканальным распределением энергии по свечам является наиболее совершенным решением проблемы принудительного электроискрового воспламенения ТВ-смеси в цилиндрах поршневого ДВС. Но и это не предел достижений. Уже испытаны лазерные свечи зажигания, которые работают непосредственно от электронной схемы управления без промежуточного энергонакопителя. Это позволит значительно повысить надежность и КПД системы зажигания, а также избавить ее от высокочастотных электроискровых помех на другие узлы и блоки бортовой электронной автоматики. Электронной схемой управления может стать магнитный модулятор сжатия, работающий на ферромагнитных сердечниках насыщения.

Если магнитопровод трансформатора ввести в режим насыщения, то его коэффициент трансформации резко падает и энергия из первичной обмотки во вторичную не трансформируется.

Выходной трансформатор имеет два изолированных друг от друга магнитопровода - М, и М2, охваченных общей первичной обмоткой W,. Каждый магнитопровод оснащен отдельной обмоткой управления (WB' и WB") и отдельной двухвыводной вторичной обмоткой (W2' и W2").

Когда по управляющей обмотке W,,' протекает ток, достаточный для насыщения сердечника М,, а обмотка WB" обесточена, то высокое напряжение будет наводиться только во вторичной обмотке W2". Если обесточить управляющую обмотку WEJ' и пропустить ток насыщения по обмотке WB", то насытится сердечник М и высокое напряжение будет трансформировано только в обмотку W2.

Система зажигания с трансформатором насыщения обладает высокой надежностью, малыми габаритами и весом.

В заключение следует отметить, что не все известные разработки бортовых систем вышли из стадии экспериментальных исследований. Они используются в основном на фирменных моделях спортивных и концептуальных автомобилей. Но, как и прежде, почти все новации, испытанные на концепт-карах, рано или поздно начинают применяться на серийных автомобилях.

Таковы тенденции развития автомобильной техники и, в частности, систем бортового электрического, электронного и автотронного оборудования.

Заключение

мультиплексный мехатронный автомобильный сетевой

Термин бортовая информационно-управляющая (БИУС) появился не так давно, но быстро вошёл в обиход разработчиков автоматизированных систем управления современных и перспективных транспортных средств. Сегодня БИУС можно считать отдельной, самостоятельной системой и обособленной областью профессиональной деятельности автомобильных инженеров. Именно под понятием БИУС сейчас объединяются множественные электронные системы транспортных средств. Такое объединение расширяет функциональные возможности транспортных средств, повышает их безопасность, энергоэффективность и «интеллектуальность» за счёт расширения возлагаемых на БИУС функций и реализации усложнённых, в том числе адаптивных, алгоритмов.

В работе были рассмотрены различные типы и виды БИУС. Изучены различные архитектуры бортовых сетей, такие как централизованная, иерархическая и децентрализованная; так же способы построения и организации систем.

Представлены различные способы классификации различных типов бортовых систем. Бортовые системы делятся на системы управления автомобилем системы информирования водителя; системы сбора и передачи информации.

Рассмотрены специализированные бортовые системы автомобилей, такие как: система бортовой самодиагностики автомобиля, электронные противоугонные системы и автомобильные мультиплексные системы передачи информации.

Выяснены перспективы развития бортовых информационно-управляющих систем, а так же определена наиболее эффективная организация (архитектура) бортовой сети - децентрализованная.

Похожие работы на - Характеристика и принцип работы основных элементов бортовой информационно–управляющей системы автомобиля

 

Не нашли материал для своей работы?
Поможем написать уникальную работу
Без плагиата!
Без нейросетей!