Компьютерное моделирование осадки большеразмерного коробчатого фундамента минимальной материалоёмкости на нелинейно-деформируемом грунтовом основании при заданной нагрузке

  • Вид работы:
    Курсовая работа (т)
  • Предмет:
    Информационное обеспечение, программирование
  • Язык:
    Русский
    ,
    Формат файла:
    MS Word
    344,64 Кб
  • Опубликовано:
    2017-01-11
Вы можете узнать стоимость помощи в написании студенческой работы.
Помощь в написании работы, которую точно примут!

Компьютерное моделирование осадки большеразмерного коробчатого фундамента минимальной материалоёмкости на нелинейно-деформируемом грунтовом основании при заданной нагрузке

МИНИСТЕРСТВО ОБРАЗОВАНИЯ РЕСПУБЛИКИ БЕЛАРУСЬ

Учреждение образования

«Гомельский государственный университет имени Ф.Скорины»

Математический факультет

Кафедра высшей математики и программирования






Курсовая работа

Компьютерное моделирование осадки большеразмерного коробчатого фундамента минимальной материалоёмкости на нелинейно-деформируемом грунтовом основании при заданной нагрузке

Выполнил:

студент группы ПМ-42

Геврасёв А.В.

Руководитель:

д.т.м., профессор

Быховцев В.Е.


Гомель 2016

Содержание

Введение

. Деформации систем твердых тел

.1 Системы деформируемых твёрдых тел

.2 Линейные и нелинейные деформационные процессы

.2 Системы механики грунтов

. Подходы к исследованию систем деформируемых твёрдых тел

.1 Системный подход

.2 Математическое моделирование

.2 Построение математических моделей систем деформируемых твердых тел

.3 Структура математической модели систем механики грунтов

. Методы исследования математических моделей систем деформируемых твердых тел

.1 Алгоритм метода конечных элементов

.2 Метод энергетической линеаризации

.3 Методика численного моделирования нелинейных систем деформируемых твёрдых тел

. Методология и технология компьютерного объектно-ориентированного моделирования плитного коробчатого фундамента

.1 Методика компьютерного объектно-ориентированного моделирования

.2 Общая характеристика и инструкция по работе с программным комплексом «Энергия-2D»

.3 Моделирование осадки большеразмерной фундаментной плиты на грунтовом основании (Модельная задача №1 - базовая задача)

.4 Компьютерное моделирование осадки плитных коробчатых фундаментов

Анализ результатов и общий вывод

Список использованных источников

 

Введение


Рассматривается фундамент из большеразмерных коробчатых плит на нелинейно-деформируемом грунтовом основании. Необходимо исследовать влияние геометрических размеров поперечного сечения плиты на её осадку. Предполагается, что по всей контактной поверхности имеется полное сцепление материала плиты с грунтом. Это значит, что вся полость коробчатой плиты должна быть заполнена грунтом. На верхнюю плоскость фундаментной плиты действует нормальная внешняя нагрузка. Грунт, находящийся в полости, будет уплотняться, в основном, за счёт сжатия, его горизонтальные перемещения в поперечном направлении будут ограничены боковыми стенками полости. Продольные перемещения в силу геометрических размеров плиты можно принять нулевыми. Эти обстоятельства позволяют решение поставленной пространственной задачи свести к решению соответствующей плоской задачи. При достижении определённой степени уплотнения грунт внутри полости будет передавать нагрузку на нижележащие слои грунтового основания. При этом плитный коробчатый фундамент с уплотнённым в полости грунтом, возможно, будет работать как единый конструктивный элемент системы «фундамент - грунтовое основание». Таким образом, исследованию подлежит указанная физическая система, определённая в двумерном пространстве. Поскольку грунт является нелинейно-деформируемой средой, то и вся рассматриваемая система будет нелинейно-деформируемой.

В формализованной постановке данная задача классифицируется как третья краевая задача нелинейной математической физики (задача Дирихле-Неймана). Как известно, точного аналитического решения такие задачи не имеют.

Для исследования указанной нелинейной физической системы использовался метод компьютерного объектно-ориентированного моделирования на основе метода конечных элементов и метода энергетической линеаризации.

Большой вклад в развитие методов теории упругости внесли русские учёные И.Г.Бубнов, Б.Г.Галёркин, Л.С.Лейбензон, Х.С.Головин, А.Н.Крылов и другие.

Значительный вклад в разработку и развитие методов исследования напряжённо-деформированного состояния деформируемых твёрдых тел различной природы и свойств внесли и современные учёные Беларуси: Абрашин В.Н., Босаков С.В., Василевич Ю.В., Старовойтов Э.И. и другие.

1.      Деформации систем твердых тел


1.1 Системы деформируемых твёрдых тел


В общем случае под системой понимают конечное множество элементов и связей между ними и между их свойствами, действующими как целостное образование для достижения единой цели.

Элементом называется некоторый объект (материальный, информационный и др.), обладающий рядом определённых свойств, но внутреннее строение (содержание) которого безотносительно к цели рассмотрения.

Связью называют важный для целей рассмотрения обмен между элементами веществом, энергией, информацией, т.е. фактор, связывающий элементы и их свойства в единое целое. Связи позволяют посредством переходов от элемента к элементу соединить два любых элемента совокупности.

Свойства - это качества параметров объектов, они могут изменяться в результате действия системы. Свойства дают возможность описывать объекты системы количественно.

Любая система характеризуется двумя признаками:

.        связностью, т.е. наличием связи между элементами;

.        функцией, суть этого качества в том, что свойства системы отличаются от свойств отдельных её элементов.

В настоящей работе рассматриваются системы, элементами которых могут быть недеформируемые и деформируемые твёрдые тела, рассмотренные совместно с их свойствами и связями. Свойства системы зависят от свойств составляющих её элементов, но в целом будут другими. В задачах механики деформируемого твёрдого тела и механики грунтов системы содержат элементы разных типов и обладают разнородными связями между ними. Такие системы называют сложными или большими и сложными, в зависимости от количества элементов и их содержания. Сложные системы имеют ряд характерных особенностей. Основными из них являются: уникальность, слабая структурированность теоретических и фактических знаний о системе, составной характер системы, разнородность подсистем и элементов, составляющих систему; случайность и неопределённость факторов, действующих в системе; многокритериальность оценок процессов, протекающих в системе; большая размерность системы. Всякая система существует в некоторой окружающей среде, обуславливается ею и имеет свою границу. Для конкретной системы окружающая среда есть совокупность всех объектов, изменение свойств которых влияет на систему, а также тех объектов, свойства которых меняются в результате поведения системы.

Главными отличительными чертами сложной системы является её целенаправленный характер, структурное представление, т.е. наличие выделяемых частей (подсистем), и вероятностный характер её взаимодействия с внешней средой. Между выделяемыми частями всегда устанавливается связь. Такое разделение системы с указанием связей между выделяемыми частями даёт представление о системе в целом и на время изучения системы сохраняется неизменным.

Из изложенного очевидно, что исследование систем деформируемых твёрдых тел методологически и функционально имеет принципиальные отличия от методов исследования отдельных деформируемых твёрдых тел. Основу этой методологии составляют математическое моделирование систем. Содержательный уровень этих составляющих методологии является определяющим фактором полноты и точности исследования состояния систем деформируемых твёрдых тел.

1.2    Линейные и нелинейные деформационные процессы


Теория упругости изучает вопросы деформирования и напряжения различных упругих тел, возникающих под действием внешних сил.

Величины внешних, т.е. поверхностных нагрузок, а также внутренних сил характеризуются их интенсивностью, т.е. величиной усилия, приходящегося на единицу площади поверхности, на которую они действуют. При рассмотрении внутренних усилий эту интенсивность обычно называют напряжением. Это название можно сохранить и для внешних нагрузок, если они распределены на рассматриваемой области сплошным образом.

Если DP обозначим усилие, приходящееся на рассматриваемую элементарную площадку DS, то указанное выше напряжение вычисляется следующим образом:


Заметим, что такая формулировка понятия напряжения непременно предполагает тело сплошным, непрерывным.

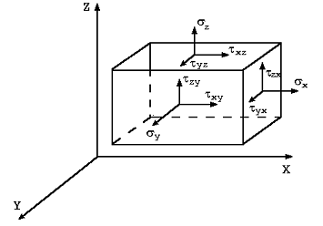
Внешнюю силу, произвольно ориентированную в пространстве в декартовой системе координат можно представить в виде составляющих Px, Py, Pz, имеющих ориентацию по осям координат. При обозначении напряжения одного индекса недостаточно, так как кроме направления действия составляющей, необходимо еще определить и площадку, на которую она действует. Напряжения представляют в виде двух составляющих: нормальное s и касательное t напряжения. Индекс нормального напряжения указывает ту ось, параллельно которой направлена составляющая. Касательные напряжения имеют два индекса: первый индекс соответствует оси, параллельно которой действует составляющая, а второй индекс указывает на направление нормали к площадке, на которую действует составляющая. На рисунке 1 представлены составляющие напряжения в декартовой системе координат.

Рисунок 1 Составляющие напряжения в декартовой системе координат.

Для составляющих напряжения принимается следующее правило знаков: нормальное напряжение считается положительным, когда оно вызывает растяжение, и отрицательным, когда оно вызывает сжатие. Для касательных напряжений положительным направлением будет то, которое совпадает с направлением координатной оси.

Под деформацией понимают изменение линейных размеров тела. Деформация любого элементарного объема может быть представлена состоящей из ряда отдельных простейших деформаций, т.е. разложена на составляющие. В случае элементарного параллелепипеда имеется шесть составляющих деформации: три ее линейные составляющие (удлинение ребер) и три угловые составляющие (сдвиги).

Относительные удлинения ребер обозначают e   с индексом, указывающим направление удлинения. Положительными линейными деформациями считаем удлинения, отрицательными - укорочения. Считается, что положительному сдвигу соответствует уменьшение угла между положительными направлениями осей, отрицательному - увеличение тех же углов. Углы сдвига, проектирующиеся на плоскость x y, обозначим gxy (или gyx). Соответственно для остальных плоскостей углы сдвига gyz (или gzy) и gzx (или gxz). При элементарных деформациях первого рода (удлинение ребер) меняется объем параллелепипеда и его форма; а при деформациях второго рода (сдвиги) объем остается неизменным, изменяется лишь форма.

Рассмотрим сплошное твердое тело, прикрепленное к опорам таким образом, что оно не может перемещаться. Тогда перемещения любой точки этого тела могут произойти только в результате деформации этого тела. Обозначим U, V, W проекции полного перемещения некоторой точки на оси координат Ox, Oy, Oz и назовем их компонентами смещения.

                   а)                                        б)

Рисунок 1.2 Виды деформаций: а) удлинение ребер, б) сдвиг.

Компоненты смещения различны для различных точек и являются функциями координат точки:

U=f1(x, y, z), V=f2(x, y, z), W=f3(x, y, z).

Полное смещение точки определяется выражением

.


  (1.1)

Здесь r - плотность вещества, X, Y, Z - проекции на соответствующие оси объемной силы, отнесенной к единице массы. Выражения в скобках для правой части используется в случае движения.

Перемещения определяются деформациями тела, эта зависимость выражается уравнениями

  (1.2)

Эти уравнения также называют геометрическими или уравнениями Коши.

Наличие всех компонентов напряжений, показанных на рис.1, определяет следующие составляющие деформации:

   (1.3)

где E, G - модули деформации и сдвига, m - коэффициент Пуассона, .

1.2 Системы механики грунтов

деформация линеаризация компьютерный моделирование

По геологической терминологии грунтами называют все рыхлые горные породы (минерало - дисперсные образования) коры выветривания каменной оболочки земли (литосферы). В природе грунты представляют собой сложные многофазные системы, элементами которых являются различные слои, линзы, вклинивания, включения и т.п. Верхний слой природных грунтов представляет собой органоминеральное образование - почву.

Грунты как основания фундаментов делятся на два вида: естественного залегания и инженерно-подготовленные, а также на несвязные (сыпучие) и связные, прочность связей которых во много раз меньше прочности самих минеральных частиц. Инженерно-подготовленные грунты - это грунты, устроенные путем подсыпки или гидронамыва.

Фундаментом называется часть конструкции здания или сооружения находящаяся ниже поверхности земли и предназначенная для приёма, перераспределения и передачи принимаемой нагрузки на грунтовое основание. Следовательно, фундаменты объединяют здание и грунтовое основание в единую физическую систему: «Здание - фундаменты - грунтовое основание».

По многочисленным экспериментальным данным зависимость между напряжением и деформацией для многих тел, в том числе и для грунтов, является нелинейной. Для сложного напряжённого состояния она записывается в форме: . В случае сдвига .

Процесс нелинейного деформирования может быть обратимым и необратимым. Тела, для которых имеет место обратимость процесса деформирования, называют нелинейно-упругими, в случае необратимости процесса - нелинейно-деформируемыми. Но если рассматривать стадию только активного нагружения, то деформационные процессы для обоих типов тел математически одинаково представляемы.

Предельное напряженное состояние деформируемого твёрдого тела соответствует такому напряженному состоянию, когда малейшее добавочное силовое воздействие нарушает существующее равновесие и приводит деформируемое тело в неустойчивое состояние. В грунтовом массиве причинами неустойчивого состояния будут эрозионные процессы и нарушение равновесия. Предельное напряженное состояние грунтов следует рассматривать как совершенно недопустимое при возведении на них сооружений. Поэтому для инженерной практики весьма важно уметь оценить максимально возможную нагрузку на объекты исследуемой системы, при которой эта система будет находиться в состоянии устойчивого равновесия. Достаточные условия устойчивости деформируемого твёрдого тела определяются признаком Лагранжа-Дирихле: в устойчивом состоянии равновесия потенциальная энергия системы деформируемых твёрдых тел имеет минимум (энергетический критерий).

2.      Подходы к исследованию систем деформируемых твёрдых тел


2.1    Системный подход


Часто выполнение одних задач исследования системы затрудняет решение других, но в целом основным и единственным критерием оценки функционирования подсистем должно быть обеспечение максимума эффективности системы. Следовательно, свойства системы, как сложного объекта, не обнаруживаются в свойствах её отдельных подсистем. Это значит, что традиционный метод изучения целого путём анализа его частей и последующего объединения (суперпозиции) их свойств непригоден для больших и сложных систем. А для физических нелинейных систем принцип прямой суперпозиции и вовсе неприемлем. Решением проблемы становится системный подход, суть которого состоит во взаимосвязанном рассмотрении всех элементов (подсистем) системы. При системном подходе система рассматривается не изолированно, а как подсистема более общей системы (системы более высокого ранга). Основным при системном подходе является определение цели, например, условие предельного равновесия деформируемой среды. Для каждой цели должен быть выбран свой надёжный критерий эффективности. Например, для деформируемых систем это может быть удовлетворение принципа стационарности полной энергии системы. Системный подход характеризуется системой принципов. Принципы системного подхода - это некоторые утверждения общего характера, обобщающие опыт человека по исследованию сложных систем. Основные принципы следующие:

1.   Принцип конечной цели: абсолютный приоритет конечной цели.

2.   Принцип единства: совместное рассмотрение системы как целого и как совокупности частей (элементов).

3.   Принцип связности: рассмотрение любой части совместно с ее связями c окружением.

4.   Принцип модульного построения: полезно выделение модулей в системе и рассмотрение ее как совокупности модулей.

5.   Принцип иерархии: полезно введение иерархии частей (элементов) и (или) их ранжирование.

6.   Принцип функциональности: совместное рассмотрение структуры и функции с приоритетом функции над структурой.

7.   Принцип развития: учет изменяемости системы, ее способности к развитию, расширению, замене частей, накапливанию информации.

8.   Принцип децентрализации: сочетание в принимаемых решениях и управлении централизации и децентрализации.

9.   Принцип неопределенности: учет неопределенностей и случайностей.

Системный подход при исследовании различных систем, явлений, объектов позволяет с единых позиций строить общую методологию исследования указанных систем и процессов независимо от их природы. Эта методология, как и любая другая, содержит определенные этапы.

Этап 1. Определение системы.

1.   Определение системы и области её существования.

2.   Определение исследуемой функции системы.

3.   Определение краевых условий.

4.   Декомпозиция системы вплоть до простых элементов.

5.   Определение свойств элементов системы и модулей.

6.   Нахождение связей между элементами и модулями системы.

Этап 2. Построение математической модели.

.        Формальное описание исследуемой функции.

.        Разработка дискретной модели системы.

.        Разработка алгоритмической модели.

.        Разработка программного обеспечения (машинной модели).

.        Проверка адекватности математической модели системы.

Этап 3. Исследование системы при различных входных воздействиях и совершенствование модели системы.

При исследовании систем механики деформируемого твёрдого тела и механики грунтов идеи системного подхода на определённом уровне находят применение. Проблемы возникают в связи с количеством объектов исследуемых систем, разнородностью их свойств и изменением этих свойств в процессе функционирования системы. К причинам создающим указанную проблему относятся задачи исследования систем нелинейно-деформируемых твёрдых тел и неприменимость к ним принципа суперпозиции.

2.2 Математическое моделирование


Если система определена и возможно описание ее функции с помощью логики математических предложений, то поведение системы исследуют математическими средствами, средствами вычислительной техники. При этом реальной системе должен быть поставлен в соответствие некоторый абстрактный её образ, называемый математической моделью, адекватно отражающий основные закономерности и особенности оригинала. Таким образом, математическая модель - это конечная совокупность логико-математических предложений, адекватно описывающих определённые качества системы-оригинала. Примерами математических моделей могут быть в принципе любые логико-математические предложения. Самое простейшее из них - уравнение прямой y = kx, самое сложное - совокупность дифференциальных уравнений и логических условий. Основной особенностью математических моделей является их вариативность, т.е. возможность одним знаковым описанием кодировать большое количество конкретных вариантов поведения системы, что даёт возможность достаточно объёмного их исследования. Математическая модель концентрирует в себе записанную в форме математических предложений совокупность наших знаний, представлений и гипотез о соответствующем объекте, процессе, явлении или системе. Поскольку эти знания никогда не бывают абсолютными, более того, как правило, всегда не учитываются при математическом моделировании некоторые известные эффекты, то можно утверждать, что математическая модель только с определенной достоверностью описывает поведение реальной системы. Поэтому при построении математических моделей систем необходимо учитывать следующие основные требования: адекватность, универсальность, точность и экономичность.

·   Адекватность. Математическая модель считается адекватной исходной системе, если она отражает заданные её свойства с допустимой точностью. Пусть модель имеет m выходных параметров, тогда погрешность модели εмод можно представить как норму вектора

ε = { ε1, ε2, …, εm }; εмод = max I εj I, j = 1, m; или εмод = , где

- относительная погрешность модели по j-у выходному параметру,

yjв, yj - вычисленное и действительное значение j-го выходного параметра. Должно выполнятся условие εмод < εпред, где εпред - предельная допустимая погрешность. Область в пространстве внешних параметров, для которой выполняется это условие, называется областью адекватности модели.

·   Универсальность. Это характеристика полноты отображения в модели исследуемых свойств реальной системы.

·   Точность. Оценивается точность математической модели степенью совпадения значений параметров исходной системы и значений тех же параметров, вычисленных с помощью оцениваемой математической модели.

·   Экономичность. Эта характеристика стоимости решения модели по разработанному алгоритму на компьютере.

Основное назначение математического моделирования - сделать возможными некоторые выводы о поведении реальной системы в пространстве и времени. Наблюдения за реальной системой (натурный эксперимент) в лучшем случае могут дать материал лишь для проверки той или иной гипотезы, той или иной модели, поскольку они представляют собой источник информации ограниченного объема о прошлом этой системы. Модель допускает значительно более широкие исследования, результаты которых дают информацию для прогнозирования поведения системы. Чтобы обеспечить эти и другие возможности математической модели, приходится всегда решать проблему адекватности модели и системы, т.е. ставится вопрос исследования согласованности результатов с реальной ситуацией. Создавая математическую модель, исследователь познает систему, т.е. выделяет ее как объект изучения из окружающей среды и строит ее формальное описание в соответствии с поставленными целями и имеющимися возможностями. В дальнейшем через поведение математической модели анализируется поведение реальной системы при различных входных воздействиях.

2.3 Построение математических моделей систем деформируемых твердых тел

Математические модели строят на основе законов и закономерностей, выявленных фундаментальными науками. Следует сразу отметить, что построение математической модели системы процесс не формализованный и носит поисковый характер, т.е. это путь проб и ошибок в поиске основной идеи. В конечном счете, может быть построено несколько моделей одного и того же процесса или явления, но выбирают только одну, максимально отвечающую требованиям практики. Построение принципиально новой математической модели системы может быть оценено как открытие.

Для построения математических моделей используют различные методы, которые можно объединить в две группы: формальные и неформальные методы. Формальные методы применяют для построения математических моделей систем при известных математических моделях элементов. Неформальные методы применяются для синтеза теоретических и эмпирических математических моделей. Теоретические математические модели создаются в результате исследования процессов и их закономерностей, присущих рассматриваемому классу систем. Эмпирические математические модели создаются в результате изучения внешних проявлений свойств системы. Для большинства систем, в частности для всех систем механики грунтов, теории упругости и механики деформируемого твёрдого тела, используются типовые элементы. Поэтому разработка математических моделей элементов производится сравнительно редко. Однажды созданные математические модели элементов используются при разработке математических моделей систем из этих элементов. Примером таких математических моделей элементов на микроуровне являются конечные элементы для анализа напряжённо-деформированного состояния деформируемых тел.

Математическая модель системы получается как синтез математических моделей её элементов. Правила синтеза обусловлены структурой и свойством исходной системы и её элементов.

При построении сложных систем лучше всего вводить декомпозицию и деление на модули, при необходимости нужно строить иерархию модулей, рассматривать потоки информации между модулями и моделями и т.п. Полученная совокупность моделей повторит структуру и иерархию самой системы. Как видим, здесь принцип тот же, что и при построении математических моделей простых систем, только понятие «элемент» заменяется понятием «модуль» и, соответственно, понятие «математическая модель элемента» заменяется понятием «математическая модель модуля». Отметим, что основной спецификой моделирования систем является учёт связей между отдельными моделями. Изложенный материал позволяет дать более строгое определение математической модели системы или объекта.

2.4 Структура математической модели систем механики грунтов

Учитывая произвольность постановки задачи решать ее лучше методом математического моделирования на основе метода конечных элементов или метода суперэлементов и методов численного решения нелинейных краевых задач. Это сразу накладывает свои требования на структуру ядра математической модели. Будем строить его на основе одного из энергетических принципов, например, на основе принципа минимума полной энергии системы. Математическая модель системы оснований и фундаментов в соответствии с приведенной структурной схемой в этом случае будет иметь следующее содержание:

.        Геометрическая модель геологического разреза основания.

.        Механико-математическая модель элементов структуры грунтового основания

.        Система краевых условий, задаётся в соответствии с классификацией поставленной задачи как краевой задачи математической физики. В частности, для геометрической модели системы оснований и фундаментов на граничных поверхностях, кроме верхней плоскости, задаются перемещения, которые определяются в соответствии с принципом Сен-Венана или на основе некоторых других критериев. На части верхней плоскости задается система внешних сил, обусловленных нагрузкой от здания или сооружения.

.        Условия равновесия системы (ядро математической модели):

, где ,

П - полная энергия деформируемой системы,

{P} - вектор внешних сил,

{σ}, {ε}, {U} - векторы напряжений, деформаций и перемещений,

V - объём области существования исследуемой системы.

Вследствие применения процедур метода конечных элементов ядро математической модели преобразовывается к виду

,

где [К] - матрица жесткости системы.

.        Математическая модель искомого решения .

Применение нелинейных форм искомого решения привело к значительному усложнению вычислительных алгоритмов, но значимого повышения точности решений при этом получено не было.

В данной работе будут использоваться так называемые симплекс элементы, т.е. элементы, которым соответствуют полиномы, содержащие константу и линейные члены:

j=a0+a1x+a2y или j=a0+a1x+a2y+a3z.

Очевидно, число коэффициентов в этих полиномах больше на единицу размерности координатного пространства, или коэффициентов столько, сколько вершин в конечном элементе. Деформация и напряжение в любом конечном элементе выражаются через перемещения по известным формулам. В узлах элементов вводятся концентрированные силы, статически эквивалентные напряжениям на границе соответствующего элемента и внешним силам, приложенным к нему. Условие равновесия этих сил в любом узле приводит к системе алгебраических уравнений для основных неизвестных параметров.

Ввиду того, что матрица жесткости системы имеет ленточную структуру и симметрична относительно главной диагонали, в памяти ЭВМ достаточно сформировать и хранить элементы верхней или нижней полу ленты. После построения матрицы жесткости [K] всей конструкции, составляется система линейных уравнений

[K]{d}= {P} (3.1)

где  - вектор узловых сил,

- вектор узловых перемещений.

В своём первоначальном виде система (3.1) решения не имеет, т.к. матрица жёсткости [K] сингулярная - её главный определитель равен нулю. Учёт граничных условий приводит к изменению матрицы жёсткости [K] и векторов {P} и {d}. Матрица [K] уже не будет сингулярной и система (3.1) будет иметь решение.

3.2    Метод энергетической линеаризации


Метод энергетической линеаризации ориентирован для расчёта напряжённо-деформированного состояния изотропных нелинейно - деформируемых твёрдых тел в стадии активного нагружения.

Твёрдому телу объёма V c границей Г и законом деформирования поставим в соответствие геометрически тождественное гипотетическое линейно-упругое тело с законом деформирования

 (3.2)

В конечном итоге мы получим:

 (3.3)

Значительной особенностью метода энергетической линеаризации является возможность использования принципа независимости действия сил при решении нелинейных задач. Это возможно вследствие того, что этот метод устанавливает функциональную связь решений, полученных при условии линейного и нелинейного деформирования элементов исследуемой системы.

3.3    Методика численного моделирования нелинейных систем деформируемых твёрдых тел


Исследование математических моделей сложных и больших пространственных нелинейных систем деформируемых твёрдых тел в силу произвольности задаваемых нагрузок, структуры системы и нелинейной деформируемости материала элементов системы возможно лишь численно с использованием современных компьютеров методами конечных элементов и (или) суперэлементов. Алгоритм исследования математической модели системы методом конечных элементов можно представить в виде ряда определённых этапов. Содержание отдельных этапов зависит от содержания исследуемой системы.

Этап 1. Построение расчетной области.

Расчетная область правильной геометрической формы строится в объеме деформируемой области. Её размеры могут определяться двумя способами. Первый способ основан на принципе Сен-Венана и решении Р. Миндлина задачи о действии сосредоточенной силы, приложенной вблизи границы полупространства. По этому способу граничные условия расчётной области определяются путем вычислительного эксперимента. Второй способ основан на использовании данных экспериментальных исследований. Методом вычислительного эксперимента были оценены оба подхода по определению размеров расчетной области, различие в соответствии не более 7%. При построении расчетной области учитывается наличие плоскостей симметрии.

Этап 2. Дискретизация расчетной области.

Дискретизация пространственной расчетной области производится параллелепипедами, каждый из которых разделяется на шесть равновеликих тетраэдров. При дискретизации учитываются особенности структуры основания, что приводит к нерегулярной решетке, определяемой векторами шагов дискретизации и количеством узлов по координатным осям. Разбиение на конечные элементы согласно количеству узлов и векторов шагов дискретизации производится автоматически. При дискретизации каждый конечный элемент должен иметь однородную структуру со своими характеристиками.

Этап 3. Построение матрицы жёсткости системы

Матрица жёсткости системы строится в соответствии с построенной схемой дискретизации по аналитическому алгоритму.

Этап 4. Задание граничных условий.

Граничные условия расчетной области определяются системой внешних сил и принятым способом определения размеров расчетной области. На всех граничных плоскостях, кроме верхней, граничные условия лучше задавать в перемещениях. Они могут быть нулевыми, если размеры расчетной области принимались на основании данных физического эксперимента и отличными от нуля в определенном пределе, если размеры расчетной области принимались в соответствии с принципом Сен-Венана и решением Р.Миндлина. Последнее предпочтительнее, так как размеры расчетной области будут несколько меньше, что в итоге повысит точность численного моделирования. На верхней граничной плоскости задается система внешних сил.

Этап 5. Учёт граничных условий.

В соответствии с граничными условиями проводится корректировка матрицы жесткости. Используется вектор граничных условий из системы линейных алгебраических уравнений исключаются известные перемещения на границах.

Этап 6. Решение систем линейных алгебраических уравнений с симметричной ленточной матрицей, компактно записанной в памяти компьютера.

Наиболее эффективными методами решения систем линейных алгебраических уравнений с симметричной ленточной матрицей, компактно записанной в памяти компьютера, является метод квадратного корня и сопряжённых градиентов.

4.      Методология и технология компьютерного объектно-ориентированного моделирования плитного коробчатого фундамента


4.1    Методика компьютерного объектно-ориентированного моделирования


Компьютерное объектно-ориентированное моделирование физических систем в своей основе содержит понятие объекта системы, его свойств и связей; выполняется в соответствии с принципами системного подхода, используя методы математического и геометрического моделирования, методы визуального объектно-ориентированного программирования и методы вычислительного эксперимента. При компьютерном объектно-ориентированном моделировании реальной физической системе ставится в соответствие её виртуальная физическая модель, которая строится на экране монитора и отображает структуру исходной системы, при этом происходит решение ряда позиционных и метрических задач. Виртуальная физическая модель системы представляет собой компьютерное представление реальной системы, описывающее её геометрические и физические свойства. Так как для рассматриваемого класса задач реальные компоненты исследуемой системы состоят из конструктивных элементов, то логично будет и в качестве элементарных составляющих виртуальной физической модели принять некоторые виртуальные конструктивные элементы. Физическое содержание этих элементов определяется физическим содержанием реальной исследуемой физической системы. Рассмотрим это на примере системы «Здание - фундамент - грунтовое основание». Как правило, грунтовое основание в плане всего здания неоднородное, но его всегда можно представить совокупностью конечных элементов однородных по своей структуре и свойствам, которые в компьютерном представлении будем называть конструктивными виртуальными элементами грунта. В целом вся проектируемая система: здание, фундамент и грунтовое основание, может быть представлена из ограниченного числа конструктивных типовых элементов, поэтому целесообразно создать их библиотеку (палитру).

Каждый виртуальный конструктивный элемент в памяти компьютера представляет собой объект, обладающий рядом свойств и методов, которые можно разделить на следующие группы:

.        определение геометрических свойств реального конструктивного элемента: размеры, внутренние и внешние границы;

.        определение физических свойств реального конструктивного элемента: закон деформирования, модуль упругости, коэффициент Пуассона и т.п.;

.        осуществление визуализации конструктивного виртуального элемента;

.        формирование математической модели;

.        методы исследования математической модели и формирования виртуальной модели состояния системы;

.        информационные: уникальный номер, наименование, марку и т.п.

На этапе формирования виртуальной физической модели системы рационально параллельно провести её дискретизацию на конечные элементы.

После построения виртуальной модели конструкции и грунтового основания необходимо задать граничные условия. На этом формирование виртуальной физической модели завершается.

Таким образом, виртуальная физическая модель состоит из виртуальных объектов, наследующих выделенные свойства, связи, назначение и привязку соответствующих объектов реальной системы. Поэтому исследование реальной системы является начальным этапом разработки проекта работ по созданию системы компьютерного визуального объектно-ориентированного моделирования систем и объектов. Исследование физической системы производится в соответствии с принципами системного подхода и содержит требование исследования системы во «времени» и в «пространстве». Описание существования физической системы во «времени» приводит к понятию «жизненного цикла», а описание в «пространстве» - к понятию «внешней среды», с которой взаимодействует физическая система. Под жизненным циклом сложной физической системы понимают структуру процесса её разработки, производства и эксплуатации, охватывающее время от возникновения идеи создания системы до снятия её с эксплуатации. Аналогично для виртуальной физической системы и в целом для системы компьютерного визуального объектно-ориентированного моделирования физических систем и процессов. Жизненный цикл системы компьютерного визуального объектно-ориентированного моделирования включает следующие стадии:

. Формирование требований к системе и разработка технического задания;

. Проектирование;

. Изготовление, верификация, опытная эксплуатация и

совершенствование системы;

. Целевое применение разработанного продукта.

4.2    Общая характеристика и инструкция по работе с программным комплексом «Энергия-2D»


Программный комплекс «Энергия-2D» предназначен для моделирования линейных и нелинейных двумерных систем механики грунтов. Это приложение имеет гибкий и удобный интерфейс для реализации решения.

Инструкция по работе с программным комплексом

.Запускаем проект. У нас на экране появляется окно. В левом правом углу на меню можно прочитать разработчиков проекта и инструкции по работе с ним. Так же есть две кнопки

Первая Close при нажатии которой программный комплекс закрывается, и вторая Next при нажатии которой комплекс запускается.

2.Нажимаем кнопку next у нас появляется тело программы.

3.Нам нужно ввести данные для этого можно нажать кнопку ввод и ввести данные в ручную, либо если есть текстовый файл с записанными в него данными то нажимает кнопку Чтение из файл и указываем файл в котором записаны наши данные.

При вводе данных вручную нам необходимо задать размер расчетной области:

а: размер области по оси ОХ.

b:размер области по оси ОУ.

kx:количество шагов разбиений по оси ОХ.

ky: количество шагов разбиений по оси ОУ.

Сумма шагов по оси ОХ должна ровняться а, а по оси ОУ b.

Ввести количество закрепленных узлов т.е узлов в которых известно что их перемещение равны нулю.

Ввести количество точек под нагрузкой их номера и величины нагрузки в кг по каждой точке.

4.После того как мы ввели данные нам нужно нажать на кнопку Ok. Появится расчетная область с разбиение на конечные элементы в соответствии с размерами шагов.

На экране имеется палитра цветов с указанием названий материалов. Так же имеется кнопка «изменить» при нажатии которой появляется окно характеристик грунтов, при желании их можно изменить.

Задание характеристик конечного числа элементов проводится следующим образом:

Выбирается грунт который нужно и на расчетной области нажатием кнопки мыши мы закрашиваем нужные нам элементы.

5. Когда все сделано, нажимаем на кнопку вычислить. У нас появляется окно результатов с линейными и нелинейными перемещениями по узлам расчетной области.

6. При нажатии на кнопку графики у нас появляется окно графика. Двойным щелчком мы указывает диапазон узлов отображающихся на графике.

4.3    Моделирование осадки большеразмерной фундаментной плиты на грунтовом основании (Модельная задача №1 - базовая задача)


В качестве модельной задачи был принят плитный коробчатый фундамент на нелинейно-деформируемом грунтовом основании. Необходимо исследовать и оценить осадку фундамента. Предполагается, что по всей контактной поверхности имеется полное сцепление фундамента с грунтом. На верхнюю плоскость фундаментной плиты действует нормальная внешняя нагрузка.

Рассмотрим для начала плитный фундамент, имеющий внешние геометрические и физико-механические характеристики аналогичные исследуемому типу фундамента, рисунок 1.

Рисунок 1 - Окно приложения, постановка задачи и дискретная модель иследуемой системы

Исходные данные: векторы шагов дискретизации

hx = {70, 50, 40, 40, 40, 50, 50, 40, 40, 40, },

hy = {40, 40, 50, 50, 50, 50, 50, 60, 60, 80};

Нагрузка Р = 16, 2 кН (1620 кгс), {P} = {135, 270, 270, 270, 270, 270, 135}.

Результаты при заданной постановке задачи.

Рисунок 1.1 - Окно результатов линейных перемещений

Рисунок 1.1.2- Окно результатов нелинейных перемещений

Рисунок 1.2 - График линейных и нелинейных перемещений в 14-26 узлах

Вывод: Рассмотрев плитный сплошной фундамент и его линейные и нелинейные перемещение в узлах дискритезации мы получили, что его деформация допустима при указанных нагрузках, что позволяет проводить нам дальнейшие исследования.

4.4    Компьютерное моделирование осадки плитных коробчатых фундаментов (Модельные задачи №2-3)


Рассматривается фундамент из большеразмерных коробчатых плит на нелинейно-деформируемом грунтовом основании. Необходимо исследовать влияние геометрических размеров поперечного сечения плиты на её осадку. Предполагается, что по всей контактной поверхности имеется полное сцепление материала плиты с грунтом. Это значит, что вся полость коробчатой плиты должна быть заполнена грунтом. На верхнюю плоскость фундаментной плиты действует нормальная внешняя нагрузка. Грунт, находящийся в полости, будет уплотняться, в основном, за счёт сжатия, его горизонтальные перемещения в поперечном направлении будут ограничены боковыми стенками полости. Продольные перемещения в силу геометрических размеров плиты можно принять нулевыми. Эти обстоятельства позволяют решение поставленной пространственной задачи свести к решению соответствующей плоской задачи. При достижении определённой степени уплотнения грунт внутри полости будет передавать нагрузку на нижележащие слои грунтового основания. При этом плитный коробчатый фундамент с уплотнённым в полости грунтом, возможно, будет работать как единый конструктивный элемент системы «фундамент - грунтовое основание». Таким образом, исследованию подлежит указанная физическая система, определённая в двумерном пространстве. Поскольку грунт является нелинейно-деформируемой средой, то и вся рассматриваемая система будет нелинейно-деформируемой.

Для исследования указанной нелинейной физической системы использовался метод компьютерного объектно-ориентированного моделирования на основе метода конечных элементов и метода энергетической линеаризации.

Модельная задача №2

Рассмотрим плитный коробчатый фундамент, имеющий внешние геометрические и физико-механические характеристики аналогичные исследуемому типу фундамента, рисунок 1.

Исходные данные: векторы шагов дискретизации

hx = {70, 50, 40, 40, 40, 50, 50, 40, 40, 40, 50, 70};

hy = {40, 40, 50, 50, 50, 50.50, 60, 60, 80};

Нагрузка Р = 16, 2 кН (1620 кгс); {P} = {135, 270, 270, 270, 270, 270, 135}.

расчётная область: - 580 х 530 см; Плита - 260 х 180 см; Полость - 180 х 100 см.

Риcунок 2 - Окно приложения, постановка задачи и дискретная модель иследуемой системы

Результаты при заданной постановке задачи.

Рисунок 2.2.1- Окно результатов линейных перемещений

Рисунок 2.2.2- Окно результатов нелинейных перемещений

Рисунок 2.3.1 - График линейных и нелинейных перемещений на 14-26 узлах

Рисунок 2.3.2 - График линейных и нелинейных перемещений на 53-65 узлах

Минимизируем размеры коробчатого фундамента, чтобы затраты на материал были минимальные и фундамент не дал трешины.

Модельная задача №3

Рисунок 3 - Окно приложения, постановка задачи и дискретная модель иследуемой системы

Рисунок 3.1 - График линейных и нелинейных перемещений на 14-26 узлах

На рисунке 3.1 виден прогиб плиты, попытаемся его устранить увеличением верхнего основания плиты или добавлением дополнительной опоры.

Рисунок 4 - Окно приложения, постановка задачи и дискретная модель иследуемой системы

Рисунок 4.1 - График линейных и нелинейных перемещений на 14-26 узлах

Вывод: Мы рассмотрели плитный сплошной фундамент и плитный коробчатый при одинаковых исходных данных. В результате исследования мы получили что плитный коробчатый фундамент на много экономичнее в использовании чем сплошной при одинаковых исходных данных.

Анализ результатов и общий вывод


Мы рассмотрели плитный коробчатый и сплошной фундамент. На рисунке 1 и 2 изображена постановка задачи и дискретная модель иследуемых системы.

Таблица 1 - Значения горизонтальных и вертикальных составляющих перемещений в узлах деформируемой области плитных фундаментов (см.)

№ узлов

Плитный сплошной фундамент

Плитный коробчатый фундамент


Линейное решение

Нелинейное решение

Линейное решение

Нелинейное решение


u

v

u

v

u

v

u

v

6

- 0, 013

2, 298

-0, 016

2, 385

- 0, 012

2, 394

- 0, 017

2, 514

7

- 0, 014

2, 302

2, 399

- 0, 016

2, 403

- 0, 014

2, 534

8

- 0, 015

2, 305

-0, 015

2, 412

- 0, 020

2, 403

- 0, 010

2, 543

32

- 0, 020

2, 297

-0, 005

2, 384

- 0, 052

2, 332

- 0, 041

2, 441

33

- 0, 020

2, 301

-0, 005

2, 398

- 0, 026

2, 309

- 0, 012

2, 419

34

- 0, 020

2, 304

-0, 006

2, 410

- 0, 002

2, 333

- 0, 019

2, 456

45

- 0, 024

2, 296

- 0, 019

2, 384

- 0, 068

2, 230

- 0, 068

2, 326

46

- 0, 024

2, 300

-0, 019

2, 397

- 0, 018

2, 160

- 0, 013

2, 249

47

- 0, 024

2, 304

-0, 019

2, 410

- 0, 017

2, 225

- 0, 024

2, 331


Анализ полученных результатов позволяет сделать следующие выводы.

.        Изучив деформатию грунта и свойства плитного коробчатого фундамента мы получили, что его можно минимизировать, а затраты на материал сделать минимальными;

3.      Несущая способность плитного и коробчатого фундаментов при одинаковых исходных данных отличаются незначительно.

Общий вывод

Из сделанных выводов следует: плитный коробчатый фундамент экономичнее сплошного при одинаковых исходных данных, а также его можно оптимизировать в зависимости от свойст грунта на котором он расположен.

Список использованных источников


.        Александров, А. В., Основы теории упругости и пластичности / А. В. Александров, В. Д. Потапов. - М.: Высш. шк., 1990.- 400с.

.        Безухов, Н. И. Основы теории упругости, пластичности и ползучести /Н. И. Безухов. - М: Высш. шк., 1968. - 512с.

.        Быховцев, В. Е. Математическое моделирование и численные методы. Курс лекций по спецкурсу/ В. Е. Быховцев. - Гомель: УО «ГГУ им. Ф. Скорины», 2013. - 75с.

.        Старовойтов Э.И. Основы теории упругости, пластичности и вязкоупругости. - Гомель: БелГУТ, 2001. - 344с.

Похожие работы на - Компьютерное моделирование осадки большеразмерного коробчатого фундамента минимальной материалоёмкости на нелинейно-деформируемом грунтовом основании при заданной нагрузке

 

Не нашли материал для своей работы?
Поможем написать уникальную работу
Без плагиата!
Без нейросетей!