Модернизация системы автоматического регулирования нагрева металла в двухзонной методической печи
Введение
В данный момент все компании обязаны быть
нацелены на удовлетворение запросов потребителя. С ростом производственных
мощностей и совершенствования качества выпускаемой продукции возникает
надобность в наращивании ресурсов для работы оборудования. В связи с тем, что
металлургия считается достаточно энергоёмким производством, появляется
потребность в дополнительных энергетических мощностях.
Автоматизация производства на базе
микроэлектронной техники для развития и совершенствования имеющихся и создающихся
технологических производств - одно из главных направлений модернизации
производства. Особенностью современного этапа развития автоматизации
производства является появление и массовое применение качественно новых
технических средств, изготовление сетей на базе микроэлектроники. Внедрение
автоматизированных систем управления технологическими процессами (АСУ ТП)
получает особенный смысл из-за с роста требований к скорости вычисления,
обработки и выдачи информации. Поэтому разработка и исследование структур и
режимов функционирования АСУ ТП на базе микроЭВМ считается важной задачей.
Использование микроЭВМ дает возможность уменьшить издержки в связи с простоями
технологического оборудования и увеличить эффективность. Основной задачей
управления оборудованием, технологическими и производственными процессами при
помощи АСУ ТП является увеличение производительности труда, повышение качества
продукции и использования материально-сырьевых и топливно-энергетических
ресурсов. Последующая модернизация АСУ ТП связана с ростом экономической
эффективности путем индустриального создания автоматизированных технологических
комплексов с АСУ ТП.
В данном проекте предлагается модернизация
системы автоматического регулирования нагрева металла в двухзонной методической
печи. Модернизация САР даст возможность повысить технические и экономические
показатели печи, а так же дать нужное качество нагрева металла, улучшить
условия труда для обслуживающего персонала, повысить безопасность работы.
Во время модернизации будет произведена замена
существующей морально и физически устаревшей системы. Заменены датчики, пульты,
шкафы автоматики и другие конструктивы, средства ручного ввода и отображения
информации. Замена устаревшего оборудования обусловлена, низким классом
точности приборов, их физическим износом, большим временем реакции системы, что
приводило к большому количеству брака и простоя оборудования. Замена щитов
происходит из-за старения изоляции и электрического износа. АСУ ТП нагрева
обычно строятся по двухуровневому принципу. На верхнем уровне происходит расчет
уставок температуры, происходит выдача заданий на локальные регуляторы. На
нижнем уровне рассчитанные задания отрабатываются локальной автоматикой. Расчет
заданий происходит по довольно сложной математической модели. В настоящее время
локальные САР реализуются на базе программируемых контроллеров различных типов.
1. Общая часть
.1 Описание технологического
процесса объекта
Заготовки квадратного сечения являются исходным
материалом для прокатки сортовой стали. Исходными данными для выбора технологии
прокатки и определения параметров нагревательных методических печей и их
конструкции являются линейные размеры заготовки, масса и химический состав
стали.
Методическая печь - агрегат непрерывного
действия с распределёнными по длине и постоянными во времени температурным и
тепловым режимами. Для подогрева воздуха, подаваемого в печь в системе
предусмотрен рекуператор. Задача управления процессом нагрева металла в
методической печи состоит в том, чтобы выбрать и поддерживать режим работы,
обеспечивающий получение металла необходимого качества с минимально возможным
удельным расходом топлива в условиях переменной производительности агрегата.
Отличительной особенностью методической печи является высокая
производительность, которая может достигнуть 200-250 т/ч, а также легкость
загрузки и выгрузки металла.
Методическая печь входит в состав непрерывного
проволочного стана, предназначенного для прокатки прокатки катанки и
арматурного профиля диаметром от 5,5 до 13,0 мм из заготовок сечением 100х100
мм и длиной от 10500 до 11700 мм из углеродистых, низколегированных и
легированных сталей. Заготовки, которые подготовили для прокатки, принимаются и
укладываются в один ряд на загрузочные решетки, установленные в "0",
"1" и "2" пролетах склада заготовок при помощи кранов.
Шлеппером производится движение заготовок. Перекладывающим устройством
заготовки передаются по штучно на восьмисекционный подводящий рольганг (2), по
которому поступают к двухзонной методической печи. дефектные заготовки при
попадании на рольганг сбрасываются в карман бракосбрасывателя (1).
Через боковое окно заготовки при помощи
втаскивающего устройства (5) загружаются в нагревательную печь. Продвижение
металла осуществляется по наклонному поду печи при помощи рычажного толкателя
(6), а выдача через боковое окно выталкивателем заготовок (7) и вытаскивающим
устройством (11). Заготовки нагреваются до температуры прокатки, равной от 1100
до 1200 °С. Выдаваемые из методической печи заготовки по очереди
распределительным устройством направляются в один из 4 калибров клети N 1
черновой группы стана (13).
1.2 Описание автоматизированного
объекта и его технические характеристики - регулируемые величины, управляющие и
возмущающие воздействие и характер изменения во времени
Продольный разрез печи представлен в приложении.
Свод печи толщиной 230 мм изготовлен из высокоглиноземистого кирпича, а стены
толщиной (боковые - 580мм (вместе с изоляцией), торцевые 464 мм.) из шамотного
кирпича. Борова печи сделаны из шамотного кирпича. На подине печи со стороны
посада до первого окна уложены унифицированные водоохлаждаемые брусья, которые
соединены с 15 неохлаждаемыми брусьями. Горелки печи - двухпроводные низкого
давления, в сварочной зоне - горелки с воздушной насадкой. 24 горелки, по 12 на
зону. Топливом служит природный газ с объемной теплотой сгорания от 33496 до
34322 кДж/м³. Давление газа перед
печью не менее 8,83 кПа. При понижении давления газа темп выдачи заготовок
следует снизить в связи с условие обеспечения нужного качества нагрева. 7000 м³/ч
- максимальный расход газа на печь, а расход воздуха - 72000 м³/ч.
Удельный расход условного топлива - 78,6 кг условного топлива на тонну металла.
Тип печи - двухзонная, методическая,
рекуперативная с монолитным наклонным подом локального профиля, с боковой
загрузкой и боковой выдачей. Углеродистые и легированные стали являются
нагреваемым металлом. Нагрев осуществляется продуктами горения. Температурный
режим нагрева заготовок должен строго соответствовать операционным картам по
нагреву заготовок в методической печи. Тепловой и температурный режимы печи
должны регулироваться в соответствии с темпом выдачи металла из печи. Должен
быть обеспечен равномерный прогрев заготовок, для того что бы не допустить
оплавления окалины, для чего необходимо производить постоянный контроль за
правильным соотношением “газ-воздух” и температурой печи.
автоматический регулирование датчик
кабель
Таблица 1 - Техническая характеристика печи
|
Параметр
печи
|
Размер
|
|
Общая
длина печи по кладке, м
|
24,008
|
|
Полезная
длина печи, м
|
20,0
|
|
Габаритная
площадь пода, м² Активная
площадь пода, м²
|
280
240
|
|
Габаритная
ширина пода Ширина пода, м: - габаритная - активная
|
12,528
11,800
|
|
Длина
томильной зоны, м: - габаритная - активная
|
8,346
6,728
|
|
Длина
сварочной зоны, м: - габаритная - активная
|
14,850
13,272
|
|
Максимальная
высота, м: - томильной зоны - сварочной зоны - пережима между зонами
|
1,980
2,900 0,620
|
|
Угол
наклона горелок, градус: - томильной зоны - сварочной зоны
|
18
15
|
|
Расход
воды на охлаждение оборудования печи (по проекту), м³/ч
|
360
|
|
Давление
охлаждающей воды, кПа (кгс/см²)
|
196
(2,0)
|
|
Температура,
°С: - в томильной зоне - в сварочной зоне
|
до1340
до 1290
|
|
Давление
под сводом томильной зоны, Па (мм вод. ст.)
|
27,4
(2,8)
|
|
Разрежение
в борове перед рекуператором (по проекту), Па (мм вод. ст.)
|
35,5
(3,6)
|
|
Максимальная
производительность печи (по проекту), т/ч
|
150
|
|
Напряженность
активного пода, кг/м²
|
до
625
|
Необходимый для сжигания 1 м3 газа расход
воздуха при объёмной теплоте сгорания газа 33496 - 33858 кДж/м³
приведен
в таблице 2.
Таблица 2 - Объем воздуха, необходимый для
сжигания 1м³ природного газа
|
Объемная
теплота сгорания природного газа, кДж/ м³ (ккал/
м³)
|
Необходимый
объем воздуха по зонам, м³
на 1 м³
природного
газа
|
|
сварочная
зона
|
томильная
зона
|
|
33496
- 33858 (8000 - 8100)
|
10,0
-10,9
|
9,0
- 10,0
|
|
коэффициент
расхода воздуха по подаче
|
1,05
- 1,15
|
0,95
- 1,05
|
Давление в печи под сводом томильной зоны в
рабочем режиме должно поддерживаться в пределах от 27,4 до 29,4 Па, а в режиме
простоя - не менее 30,4 Па, для обеспечения отсутствия подсосов наружного
воздуха. Так же, должно наблюдаться небольшое выбивание продуктов горения из
рабочего пространства на уровне порогов рабочих окон томильной и сварочной зон.
Угар металла, неравномерность нагрева заготовок,
обезуглероживание, перегрев, пережог - дефекты, которые могут возникнуть при
нагреве заготовок.
Во время работы печи нагревальщики должны
непрерывно следить за: давлением и горением газа; бесперебойностью работы
вентилятора; исправностью измерительных и сигнальных приборов; исправностью
арматуры сигнального оборудования; нормальной работой автоматики; рациональной
загрузкой стана.
1.3 Технические требования к САР -
допустимые ошибки в установившихся режимах, прямые показатели качества
переходных режимов
Система должна быть многофункциональной,
обслуживаемой, восстанавливаемой, с многократным восстановлением после отказов,
и функционировать в непрерывном режиме с остановками на техническое
обслуживание. Отказы по любой функции системы не должны приводить к
неисправностям и авариям технологического оборудования.
Система должна учитывать все действующие нормы и
правила по безопасности на средства вычислительной техники, электротехнические
изделия установки, пожарной безопасности и санитарно-технические нормы,
выполнение требований по эргономике и технической эстетике (простота, удобство,
доступность им наглядность представления информации). Требования к рабочим
местам и помещениям САР нагрева металла должны соответствовать действующим
стандартам и санитарным нормам.
В системе должна предусматривать зашиту
информации от воздействия следующих факторов: аварий в системе электропитания и
кратковременных резких изменений напряжения питания с помощью источников
бесперебойного питания; несанкционированных действий пользователя путем программной
защиты, хранения эталона программного обеспечения и нормативно-справочной
информации на резервных носителях, периодического копирования информации на
резервных носителях и сверке её с эталоном, своевременной замене эталона и его
защите от несанкционированного доступа организационными мерами.
Комплекс технических средств должен состоять из
типовых и унифицированных узлов и стандартных устройств, датчики и
преобразователи информации должны иметь унифицированные выходные сигналы.
В системе необходимо предусмотреть возможность
ручного ввода данных, характеризующих процесс, но не вырабатываемых самой
системой управления.
Система должна реализовать такие функции как:
стабилизацию теплового режима печи; автоматическое управление температурным
режимом нагрева заготовок; общий контроль, учет и визуализация параметров
технологического процесса.
САР должна реагировать на изменения
регулируемой величины, превышающий на значение больше чем статическая ошибка,
которая равна - Х ст = 10о С. Максимальное динамическое отклонение равно - Х
дин= 25о С. Время переходного процесса (время регулирования tрег = 900 с),
коэффициент передачи объекта управления. Ко=2.4
0С/%ХодаРО. Величина максимального
возмущения по нагрузке равна Ув = 15%.
1.4 Анализ известных вариантов САР
Для рассмотрения данного вопроса
были найдены следующие патенты:
Патент № 723340 - Устройство
управления нагревательной печью мелкосортного стана. Изобретение относится к
прокатному производству и может быть использовано, например, для управления
режимом нагрева заготовок в нагревательной печи непрерывного мелкосортного
стана многониточной прокатки.
Патент № 1322057 - Способы
управления нагревом металла. Изобретение относится к области металлургии, в
частности к управлению нагревом металла, и может быть использовано в процессе
нагрева заготовок в печах непрерывного действия. Цель изобретения повышение
качества нагрева и снижение окалинообразования
Патент № 1455198 - Способы
управления температурным режимом многозонной нагревательной печи. Изобретение
относится к области металлургии, в частности к способам управления тепловым
режимом проходных многозонных печей, и может использоваться при их
автоматизации. Цель изобретения - снижение удельного расхода топлива и
повышение равномерности нагрева металла
Патент № 1236284 -
Самонастраивающееся устройство стандартизации для поддержания заданной
температуры нагрева проката на выходе проходной печи. Изобретение относится к
устройствам управления и контроля температуры нагреваемого материала,
механически перемещаемого в печах, и ориентировано на технологию поштучного
нагрева подкатов в печи. Цель изобретения - повышение точности нагрева.
Патент № 1789045 - Способ управления
нагревом заготовок в многозонной пламенной печи. Изобретение относится к
автоматизации производственных процессов в черной и цветной металлургии, в
частности для автоматизации многозонных пламенных нагревательных печей с
торцовым отоплением.
В текущий момент управление тепловым
режимом методической печи осуществляется с помощью систем автоматического
контроля и регулирования, расположенных на тепловом щите. Для измерения
температуры в печи используются следующие датчики: термоэлектрические
преобразователи платинородий - платиновые; термоэлектрические преобразователи
хромель - алюменевые.
Температура в зонах печи
автоматически поддерживается на заданном уровне при помощи регулирующих
приборов типа РП2П3 (ПИ-регулятор), которые работают в комплексе с
регулирующими потенциометрами КСП-3, платинородий - платиновыми термопарами
ТПП-П и исполнительными механизмами МЭО-100. При неисправности регулятора
необходимо перейти на дистанционное управление температурой в зонах печи.
Температура в каждой зоне автоматически контролируется по ширине печи при
помощи электронного потенциометра ЭПП-09, работающего в комплекте с
платинородий - платиновыми термопарами ТПП-П. Глубина погружения в печь всех
термопар 100 мм от внутренней поверхности кладки. Регулирующими приборами типа
РП2П3 (ПИ-регулятор), работающих в комплексе с приборами ДМИ, ВФС и
исполнительными механизмами МЭО осуществляется соотношение расходов газа и
воздуха на зоны печи. При неисправности регулятора соотношение расходов
задается вручную.
Заданная величина давления под
сводом томильной зоны автоматически поддерживается при помощи регулятора РП2ПЗ
(ПИ-регулятор), работающего в комплексе с приборами ДКОФМ-01, ВФС и
исполнительным механизмом МЭО. При неисправности регулятора необходимо перейти
на дистанционное управление клапаном давления универсальным переключателем.
Температура труб первой секции рекуператора автоматически контролируется с
помощью хромель-алюмелевой термопары ТХА-УШ и милливольтметра М-64. Для
безопасной эксплуатации печи предусмотрена звуковая и световая сигнализация
падения давления газа и воздуха, а также автоматическая отсечка газа в случае
падения давления газа или воздуха ниже 0,98 кПа (100 мм вод.ст.).
Недостатки существующей САР нагрева
металла в двухзонной методической печи являются:
неудобства обслуживания;
моральное старение оборудования;
неточность регулирования технологических параметров (температура, расход,
давление и т.д.), следствие этого перерасход газа; частый выход из строя
элементов САР;
недостаток специалистов по
обслуживанию данного оборудования; отсутствие технической базы подготовки
специалистов по данным видам оборудования;
большие погрешности приборов;
большая инерционность САР;
отсутствие возможности диагностики
САР;
невозможность визуализации
технологического процесса.
Существующая САР нагрева металла не
соответсвует уровню представлений современной автоматизации. Морально и
физически устаревшая система управления печью не может эффективно решать задачи
качественного ведения нагрева металла, энергосбережения и экологии.
2. Расчетная часть
.1 Составление функциональной схемы
САР и выбор принципиальных схем ее элементов
Функциональная схема САР нагрева металла в
двухзонной методической печи представлена приложении. Схема включает в себя
следующие локальные САР: температуры, расхода и давления газа, расхода и
давления воздуха, соотношения газ-воздух и давления в печи. Регулирование
температуры в зонах печи осуществляется изменением расхода топлива. Коэффициент
расхода воздуха поддерживается на заданном уровне регулятором соотношения
расходов воздуха и топлива. Если процесс горения сопровождается малым расходом
воздуха, то полного сжигания газа не происходит.
2.2 Описание функциональной схемы
разрабатываемой системы
Для описания функциональной схемы, ее можно
представить в упрощенном виде (рисунок.1)
Рисунок 1 - Упрощенная схема САР
ЧЭ - чувствительный элемент (датчик).
РО - регулирующий орган.
ОР - объект регулирования.
ИМ - исполнительный механизм.
УУ - устройство управления.
ЗУ - задающее устройство.
2.3 Выбор
измерительно-преобразовательных элементов (первичных и вторичных), диапазон
измерения, условия работы, инерционность, вопросы сглаживания с устройствами
Температура в рабочем пространстве должна
измеряться термопреобразователями термоэлектрическими типов КТХА, КТХК, ТППТ и
ТПРТ. Выбираем тип преобразователя ТППТ (от 0 до 1600 0С), для измерения
температуры в рабочем пространстве нагревательной печи (6 шт.), длина монтажной
части L= 1250 мм, так как данный тип термопреобразователя подходит по
градуировке. В рабочих диапазонах температур термопреобразователи имеют
следующие уровни рабочего сигнала: ТППТ - термо-ЭДС в пределах от 0 до 13,2 мВ;
Средний срок службы термопреобразователей при
номинальной температуре применения 1,5 года - для ТППТ.
Измерительные преобразователи (ИП) предназначены
для преобразования сигналов от термоэлектрических преобразователей и
термопреобразователей сопротивления в унифицированный аналоговый сигнал силы
или напряжения постоянного тока. Выбираем ИП:
ИП-Т10-09 (в обыкновенном исполнении, ГСП,
градуировка ТПП(S), пределы измерения 0-1600 °С, выходной сигнал 4-20 мА, класс
0,5, шкафное исполнение, УХЛ 4.2, АО ЗЭИМ г. Чебоксары) как удовлетворяющий нас
по ценовым и качественным показателям;
Для установки сигнала задания соотношения
газ-воздух, и задания температуры используется компьютер. В качестве задатчика
выбираем наиболее подходящий РЗД-22, предназначенный для ручной установки
сигналов задания для стабилизирующих регуляторов и регуляторов соотношения,
преобразования одного вида унифицированного сигнала постоянного тока или
напряжения в другой.
Для переключения цепей управления
исполнительными устройствами, индикации положений цепей управления в АСУ ТП
применяются блоки ручного управления (БРУ). Выбираем БРУ-42-03 с пределом
изменения входного сигнала 4-20 мА и входным сопротивлением 200 Ом.
Электрическое питание - переменный ток номинальным напряжением 24 В и частотой
50 Гц. Потребляемая мощность - не более 2,5 В.А. Масса, не более: 0,5 кг -
БРУ-22; 0, 7 кг - БРУ-32; 0,8 кг - БРУ-42.
Технограф-160 - цифровой показывающий,
регистрирующий и сигнализирующий прибор, с возможностью подключения от одной до
шести точек измерения. Регистрация значений осуществляется в аналоговом (в виде
цифры соответствующие номеру канала) или цифровом режиме (в виде текста с
указанием даты, времени опроса и значения измеряемого сигнала).
В качестве показывающих приборов давления газа и
воздуха на зону и давления в рабочем пространстве печи применены
миллиамперметры узкопрофильные со световым указателем М-1730А. Класс точности:
0,5; входной сигнал: 0 - 5 мА.
Для измерения расхода топлива и воздуха в
топливо- и воздухопроводе устанавливают сужающие устройства - диафрагмы. В
комплекте c диафрагмой устанавливается датчик разности давлений Метран-150 RFA.
Данный датчик давления имеет невысокую стоимость и удовлетворяющие нас пределы
основной относительной погрешности измерений объемного расхода (±2,5%) и
следующие преимущества:
интегральная конструкция расходомера исключает
потребность в импульсных линиях и дополнительных устройствах, сокращается
количество потенциальных мест утечек среды;
низкие безвозвратные потери давления в
трубопроводе сокращают затраты на электроэнергию;
установка расходомера экономична и менее
трудоемка по сравнению с установкой измерительного комплекса на базе
стандартной диафрагмы.
2.4 Выбор исполнительных устройств
Выбор исполнительных механизмов (ИМ) обусловлен:
типом регулятора (электрический, пневматический,
гидравлический);
величиной усилия необходимого для перемещения
регулирующего органа;
требуемым быстродействием;
условиями эксплуатации, т.е. температурой,
влажностью, запыленностью, агрессивностью окружающей среды, взрывоопасностью;
условиями размещения и сочленения с регулирующим
органом и условиями монтажа; номенклатура выпускаемых механизмов.
Выбираем электрические исполнительные механизмы,
так как они имеют ряд преимуществ:
простое программное или ручное управление;
работа при любых погодных условиях, в том числе
зимой;
не требуют дополнительной техники во время
монтажа: он очень прост;
электричество - всегда доступный и недорогой
ресурс энергии
они могут перемещать фактически на любое
расстояние со сколько угодно быстрой или медленной скоростью;
Исполнительные механизмы предназначены для
изменения положения регулирующего органа воздействующего на технологический
процесс. В состав электрического исполнительного механизма входят
электродвигатель, редуктор, выходной рычаг а так же дополнительные устройства
различных типов.
Выбираем МЭО, как наиболее дешевый из всех
вариантов и удовлетворяющий скорости и качеству работы:
) для регулирования расхода газа: МЭО
100/25-0,25У имеющего следующие характеристики: 100*Н*м -номинальный крутящий
момент на выходном валу, номинальное время полного хода выходного вала: 25 сек,
номинальный полный ход выходного вала: 0,25 r/мин, “У” - умеренное
климатическое исполнение, потребляемая мощность: 240 Ватт, тип
электродвигателя: ЗДСОР 135-1,6-150). Тип электродвигателя - ЗДСОР 135-1,6-150
(напряжение: 220 В, частота: 50 Гц, потребляемая мощность: 240 Ватт, частота
вращения: 150 r/мин).
) для регулирования расхода воздуха: МЭО
250/25-0,25У (номинальный крутящий момент на выходном валу: 250 Н*м,
номинальное время полного хода выходного вала: 25 сек, номинальный полный ход
выходного вала: 0,25 r/мин, “У” - умеренное климатическое исполнение, потребляемая
мощность: 250 Ватт, тип электродвигателя: ЗДСТР 135-4,0-150). Тип
электродвигателя - ЗДСТР 135-4,0-150 (напряжение: 380 В, частота: 50 Гц,
потребляемая мощность: 250 Ватт, частота вращения: 150 r/мин).
) для регулирования давления в печи: МЭО МЭО 630/25-0,25У
(номинальный крутящий момент на выходном валу: 630 Н*м, номинальное время
полного хода выходного вала: 25 сек, номинальный полный ход выходного вала:
0,25 r/мин, “У” - умеренное климатическое исполнение).
Электрическое питание механизмов МЭО-250-99К
осуществляется от сети трёхфазного напряжения 220/380, 230/400, 240/415 В,
частотой 50 Гц и 220/380 В, частотой 60 Гц; механизмов МЭО-99 - от сети
однофазного напряжения 220, 215, 230 В, частотой 50 Гц и 220 В, частотой 60 Гц.
Пускателем бесконтактным реверсивного типа
ПБР-3А происходит управление МЭО, который предназначен для бесконтактного
управления электрическими исполнительными механизмами.
2.5 Математическое описание САР и
выбор автоматического управляющего устройства (АУУ)
.5.1 Определение математической
модели объекта - статические характеристики, кривая разгона, частотные
характеристики
Первый этап разработки САР - определение
статических и динамических характеристик при помощи теоретических или
экспериментальных методов. Объектом управления является двухзонная методическая
печь. Объект статический обладающий свойством самовыравнивания и возможностью
находиться в установившемся режиме, потому что соблюдается материальный и
энергетический баланс, то есть приток различных веществ в объект равен их
расходу из объекта, при этом количество получаемой энергии равно количеству
отданной энергии. Объект управления является инерционным, то есть с
запаздыванием. Передаточная функция статического объекта с запаздыванием:
, (1)
где
- коэффициент передачи объекта;
- постоянная времени объекта, сек;
- время запаздывания, сек.
Экспериментальным путем находим
динамические параметры объекта управления (запаздывание
, постоянную
времени
,
коэффициент передачи
).
- величина
ступени. В установившемся режиме получаем на выходе системы функцию реакции
цепи на ступенчатое воздействие
. Зафиксируем изменение во времени
реакции, т.е. получим график кривой разгона объекта (Рисунок.2).
Рисунок 2 - Кривая разгона объекта
управления
По рисунку 2 определяем
и
постоянную времени объекта
:
Коэффициент объекта управления
Ко=
Передаточная функция объекта
управления примет вид:
2.5.2 Определение передаточных
функций измерительно-преобразовательных устройств и исполнительных устройств
Исполнительными устройствами в
газовых и воздушных магистралях являются устройства типа МЭО (электродвигатели
переменного тока, управляемые бесконтактными реверсивными пускателями).
Контроль выполнения команды перемещения исполнительного механизма
осуществляется датчиком положения. В модели САР нагрева металла исполнительный
механизм может быть представлен следующей структурой, представленной на рисунке
3.
Рисунок 3 - Модель исполнительного
устройства типа МЭО
Где ХЗ - задание на положение
рабочего органа (задвижки), которое может быть выдано оператором или
регулятором. Задание выдается в виде токового сигнала от 0 до 20 мА.
Параметрами
и
обозначены
скорость перемещения и перемещение рабочего органа соответственно, которые
могут измеряться в относительных или абсолютных единицах измерения.
Работу пускателя в структуре
моделирует звено 1. Параметр Н - соответствует напряжению управления пускателя,
а параметр К - напряжению питания двигателя (Н=0,01; К=0,1).
Звено 2 упрощенно моделирует сам
электродвигатель в виде апериодического звена. Коэффициент КД связывает
напряжение питания и частоту вращения вала МЭО.
Звено 3 моделирует переход от
скорости перемещения рабочего органа
к величине перемещения
.
Звено 4 - датчик положения,
осуществляющий преобразование параметра Х в соответствующий сигнал обратной
связи.
2.5.3 Выбор закона автоматического
управления в общем виде
Для того чтобы выбрать регулятор и
рассчитать параметры его настройки, необходимо знать следующие параметры:
Динамические параметры объекта
регулирования:
Коэффициент передачи объекта
Ко=
Постоянная времени объекта
То=187,91c
Полное запаздывание
τ3=66,79с
Величину максимально возможного
возмущения по нагрузке в процессе эксплуатации объекта управления
Ув=15%
Основные показатели качества
переходного процесса
Максимально допустимое динамическое
отклонение регулируемой величины
Хд<25
Максимально допустимое статическое
отклонение регулируемой величины
Хст<10
Время регулирования, которое
допустимо для данной системырег<900с
По этим известным величинам
рассчитываем следующее:
Величину, обратную относительному
времени запаздывания находим по формуле
(2)
подставив значения, получаем
,79/187,91=0,36
Допустимое относительное время
регулирования
(3)
Допустимый динамический коэффициент
регулирования
(4)
подставив в эту формулу значения,
получим
Допустимое остаточное отклонение
регулируемой величины
(5)
подставив значения, получаем
Или в процентах
28%
Так как в данной САР не должны быть допущены
колебания в замкнутой системе регулирования происходит апериодический процесс
регулирования. Величина времени регулирования должна быть минимальной.
По графикам (Рисунок 4) Rд = f(τ/Т)
выбираем простейшие законы регулирования (П, ПИ, ПИД), которые обеспечивают
необходимое значение динамического коэффициента регулирования Rд.
- И - закон; 2 - П - закон; 3 - ПИ-закон; 4 -
ПИД -закон.
Рисунок 4 - Динамический коэффициент
регулирования на статических объектах
д = 0.69, по графику видно, что И-регулятор не
подходит, потому что не обеспечивает допустимое значение Rд
Выбираем П-регулятор. Для П-регулятора следует
определить величину остаточного отклонения Хст и сравнить ее с допустимым
остаточным отклонением. По графику (Рисунок 5) определяю ΔХст1:
Рисунок 5: 1 - апериодический процесс; 2 -
процесс с 20%-ным перерегулированием; 3 - процесс с min
Остаточное отклонение на статических объектах:
ΔХст1=0.550С
Величина фактического остаточного отклонения
определяется с помощью значения ΔХст1:
Хст= ΔХст1*К0*ув
Подставив значения
Хст= 0.55*2.4*15= 19,80С
Допустимое значение Хст<100С , таким образом
П-регулятор не подходит.
ПИ-регулятор. Следует произвести проверку сможет
ли данный регулятор обеспечить заданное допустимое время регулирования (tрег)доп.
(tрег).доп. =900 с.
По графику (Рисунок 6) определим
Рисунок 6 - Относительное время регулирования на
статических объектах: 1 - И-регулятор; 2 - П-регулятор; 3 - ПИ-регулятор; 4 -
ПИД-регулятор
ег =66,79 *8= 534,32срег<( tрег)доп ,
следовательно ПИ-регулятор подходит.
Приближенное определение настроек регулятора
производим по следующим формулам
Коэффициент усиления регулятора
(6)
Время удвоения
и=0,6*Т0 (7)
и=0,6*187,91=112,75 с
Составление математической модели
системы управления
Объект управления на структурной
схеме САУ представляется виде соединения двух звеньев:
Апериодического и звена чистого
запаздывания (рисунок 7)
Рисунок 7 - Структурная схема
объекта управления
Автоматический регулятор на
структурной схеме САУ представляется в виде соединения трех звеньев (рисунок 8)
Рисунок 8 - Структурная схема
автоматического регулятора.
Система автоматического управления
представляет собой совокупность объекта управления и автоматического регулятора
определенным образом взаимодействующих друг с другом.
2.5.4 Выбор автоматического
управляющего устройства- на основе ПЛК
Ядром системы управления печью
является контроллер, без которого функционирование АСР нагрева металла
невозможна.
Так как разрабатываемая система -
задача оптимизации низкой сложности, сравнительно небольшое количество входных
и выходных сигналов, то произведя сравнение характеристик контроллеров фирмы
SIMATIC серий S7-200, серий S7-300, серийS7-400, в качестве программируемого
логического контроллера будет и достаточно использовать контроллер семейства
S7-200.
2.5.5 Определение математической
модели САУ, исследование на устойчивость
Система автоматического управления
представляет собой совокупность объекта управления и автоматического регулятора
определенным образом взаимодействующих друг с другом.
Структурная схема САУ изображена на
рисунке 9.
Рисунок 9 - Структурная схема САУ
Характеристическое уравнение
разомкнутой:
Подставив значения
Характеристическое уравнение
замкнутой системы:
подставим значения
,85p3+21487,51p2+113,75p+189,42pe-66,79p+1,68e-66,79p
Математическая модель АСУ
методической печи (рисунок 10).
Рисунок 10 - Математическая модель
автоматической системы управления циркуляционной насосной станции
Условия устойчивости системы определяются при
помощи критерия устойчивости Михайлова и амплитудно-фазового критерия Найквиста.
Критерий Михайлова
Критерий устойчивости основывается на связи
между характером переходного процесса, который возникает при нарушении
равновесия системы, и амплитудой с фазой вынужденных выходных колебаний,
которые возникают под воздействием гармонического входного сигнала.
Для того чтобы определить устойчивость системы
по критерию Михайлова необходимо в характеристическом уравнении замкнутой
системы заменить оператор Р на jw и получаем следующую функцию:
Все слагаемые этой функции,
содержащие jw в четной степени, будут являться действительной частью
характеристического уравнения, а слагаемые нечетной функции - мнимой частью.
При изменении частоты w от 0 до +
, вектор
описывает на
комплексной плоскости кривую, называемую годографом Михайлова.
Определение устойчивости системы по
Михайлову
Для того, чтобы автоматическая
система управления была устойчива, необходимо и достаточно, чтобы годограф
Михайлова, начинаясь на положительной части действительной оси, при изменении
частоты w от 0 до +
, обходил
против часовой стрелки n-квадрантов, поворачиваясь на угол n*
не
обращаясь в нуль, где n-степень характеристического уравнения. Чтобы построить
годограф Михайлова следует из передаточной функции замкнутой системы выделить
характеристическое уравнение. Передаточная функция замкнутой системы Ф(р) определяется
по следующему уравнению

(8)
Характеристическое уравнение
замкнутой системы автоматического управления:
(9)
Поменяв в левой части
характеристического уравнения р на jω и выделив действительную и
мнимую части, получим для комплексной частотной характеристической функции
Михайлова (годографа Михайлова) следующее выражение:
(10)
(11)
(12)
(13)
После приведения подобных членов
получим:
(14)
(15)
Подставив значения Коб, Кр, Ти, Тс,
Тоб, τз, определим
значения R(ω)
и
Im(ω)
при
различных значениях ω
Расчет действительной и мнимой части
производится на компьютере в программе Tarkurs. Результаты расчета сведены в таблицу
3.
Подставляем следующие значения
То=187,91 с, Тс=1 с
Коб=2,4((oC)/%хода РО)
=66,79 с
Ти=112,75 с
Кр=0,7(% хода ИМ/(оС)
Таблица 3 - Результаты вычислений
|
 
|
|
|
|
0,0001
|
1,68
|
0,019
|
|
0,006
|
1,217
|
1,069
|
|
0,008
|
0,842
|
1,348
|
|
0,01
|
0,343
|
1,563
|
|
0.012
|
-0,293
|
1,703
|
|
0,013
|
-0,666
|
1,741
|
|
0,017
|
-2,582
|
1,664
|
|
0,02
|
-4,52
|
1,353
|
|
0,025
|
-8,883
|
0,373
|
|
0,03
|
-14,885
|
-1,068
|
Годограф Михайлова изображен на рисунке 11
Рисунок 11 - Годограф Михайлова
Вывод: Данная система будет устойчивой, потому
что годограф Михайлова, начинаясь в точке на положительной части действительной
оси при изменении частоты w от 0 до +∞, обходит против часовой стрелки 3
квадранта, поворачиваясь на угол 3*π/2 не
обращаясь в 0.
Критерий Найквиста
Устойчивость системы по Найквисту определяется
на основании АФХ разомкнутой системы.
Для устойчивой разомкнутой системы, необходимо
следующее условие: АФХ разомкнутой системы не должно охватывать критическую
точку с координатами [-1;j0]. Для неустойчивой разомкнутой систем - охватывать
критическую точку с координатами [-1;j0] против часовой стрелки К/2 раза, где
К-число корней правой полуплоскости. Устойчивость разомкнутой системы
определяется при помощи характеристического уравнения Ляпунова или
Рауса-Гурвица. Передаточную функцию разомкнутой системы можно описать
уравнением:
(16)
Заменив в уравнении Р на jω, получим
передаточную функцию АФХ разомкнутой системы:
(17)
Вводим обозначения:
А = ТсТиТоб ω3; Е = КобКрТиωcosωτз; B = ω(Тс+Ти);=
KoбKpTиωsinωз; C = ТсТиω2; N =
KoбKpsinωз;= (Tс+Ти)Тобω2; К =
КобКрcosωз;
тогда
(18)
где
- действительная часть АФХ
разомкнутой системы.
- мнимая часть АФХ разомкнутой
системы.
Значения действительной и мнимой
части АФХ разомкнутой системы определяем при помощи подстановки значения Коб,
Кр, Тоб, Ти, Тим, τз в формулу
(34) при различных значениях
.
Расчет действительной Re(w) и миной
Im(w) части для построения АФХ производил на компьютере. Результаты вычислений
сведены в таблицу 4.
Тоб=37,5с
Тс= 1 с
Коб=1,5(°С/% хода РО)
=19,56 с
Ти=22,5 с
Кр= 0,767(% хода ИМ/ °С)
Таблица 4 - Результаты вычислений
|
w,paд/с
|
Re(w)
|
Im(w)
|
|
0,005
|
-1,354
|
-2,067
|
|
0,01
|
-0,638
|
|
0,02
|
-0,468
|
-0,027
|
|
0,03
|
-0,254
|
0,165
|
|
0,05
|
0,056
|
0,170
|
|
0,06
|
0,124
|
0,082
|
|
0,07
|
0,127
|
-0,01
|
График АФХ разомкнутой системы изображен на
рисунке 12.
Рисунок 12 - График АФХ разомкнутой системы
Определим частотные показатели, при помощи
которых уточняют параметры настройки регулятора.
Для показателя колебательности М, который может
задаваться при проектировании системы необходимо следующее условие: АФХ
разомкнутой системы не должна заходить внутрь окружности, радиус которой R, а
центр С.
1,3/(1,32-1)
1.885
(19)
1,32/(1,32-1)
2.45 (20)
Запас устойчивости по фазе и по
модуле определяется по графику АФХ Запас устойчивости по фазе (
) должен
быть в пределах от 40 до 60о, а по модулю (
Н) находиться в рамках 0,4-0,6.
По графику получаем следующие
значения
=40o
Н=0,51
АФХ разомкнутой системы не
охватывает на комплексной плоскости точку с координатами (-1; j0) и имеет запас
устойчивости, как по модулю, так и по фазе, следовательно, система
автоматического управления с ПИ регулятором устойчива.
2.5.6 Расчет конфигурации устройства
управления и составление заказной спецификации
Семейство S7-200 включает в себя
широкий спектр CPU: S7-212, S7-214, S7-215 и S7-216. Мощность CPU этих
контроллеров оптимальным образом рассчитана на емкость подключаемой периферии
входов/выходов. Выбираем CPU SIMATIC S7-216, в связи с тем, что данный CPU
отличается особой гибкостью от остальных процессоров и оборудован двумя
последовательными интерфейсами, таким образом может параллельно работать в
режимах PPI и “Freeport”. Каждое из CPU может оперировать с 4-16
входами/выходами. CPU S7-216 может быть расширен до 128 входов/выходов, а через
интерфейс AS даже до 400 входов/выходов. Модули расширения дискретных выходов
ЕМ - 222 (цифровой вывод 8 x 24 В DC - 6ES7 222-1HF22-0XA0) позволяют увеличить
количество дискретных выходов, обслуживаемых центральным процессором.
Назначение: модули вывода дискретных сигналов производят преобразование
внутренних логических сигналов контроллера в выходные дискретные сигналы 24В.
Модули расширения аналоговых входов ЕМ - 231 (аналоговый ввод, AI 3 x 12 бит -
6ES7 231-0HC22-0XA0) позволяют увеличить количество аналоговых входов,
обслуживаемых центральным процессором.
Система регулирования нагрева
металла требует наличия 13 аналоговых входных каналов (с ИП - 6 штук; с
датчиков расхода 4-20 мА - 4 штуки; с датчиков давления 4-20 мА - 1 штуки.) и 5
дискретных выходных каналов (DC 24V). Исходя из этого контроллер необходимо
укомплектовать модулями: модуль аналоговых входов EM231 (4 входа) - 6ES7
231-OHC22-OXAO - 3 штуки; модуль дискретных выходов EM222 (4 выхода) - 6ES7
222-1H22-OXAO - 1 штука;
Заказная спецификация представлена в
таблице 5.
Таблица 5 - Заказная спецификация
оборудования.
|
Наименование
|
Шт.
|
|
Блок
питания
SITOP power 24 V/3,5 A
|
1
|
|
Программируемый
контроллер SIMATIC серии S7-200
|
1
|
|
Модуль
дискретных выходов EM222 (4 вых.) - 6ES7 222-1H22-OXAO
|
1
|
|
Модуль
аналоговых входов EM231 (4 вх.) - 6ES7 231-OHC22-OXAO
|
3
|
|
Персональный
компьютер
|
1
|
2.6 Требования, предъявляемые к ПО
АСУТП
.6.1 Требования к базовому
(фирменному) программному обеспечению
Программное обеспечение АСУ ТП -это совокупность
программ, которые обеспечивают функционирование всех цифровых вычислительных
средств АСУ ТП (контроллеры, серверы, рабочие и инженерные станции,
программаторы, панели оператора) и решающих все функциональные задачи на этапах
разработки, наладки, тестирования и эксплуатации системы.
К программному обеспечению должно
соответствовать следующим требованиям:
. Программное обеспечение (ПО) должно
базироваться на международных стандартах и отвечать следующим принципам
. ПО должно разделяться на базовое (поставляется
разработчиком ПТК), и прикладное (может быть разработана ПТК или разработчиком
АСУ ТП).
Фирменное ПО должно сопровождаться
эксплуатационной документацией.
Операционные системы устройств верхнего уровня
ПТК должны иметь:
высокую производительность,
многозадачность;
быть устойчивыми и надежными;
поддержка обменов информации по используемым в
ПТК локальным сетям;
иметь понятный пользовательский интерфейс;
. На нижнем уровне ПТК должны использоваться
высокопроизводительные операционные системы (ОС).
Операционные системы нижнего уровня должны:
поддерживать многозадачный режим;
гибкую конфигурируемость,
малое время реакции, многоуровневую, основанную
на приоритетах, обработку прерываний и присвоение меток времени зафиксированным
событиям;
развитые средства коммуникации;
состыковку с техническими средствами сторонних
разработчиков.
Следующие программные средства должны входить в
состав инструментального ПО:
компоновка и генерация технических и программных
средств ПТК;
библиотека программных модулей стандартных
алгоритмов сбора и обработки технологической информации, управления,
регулирования и технологических защит;
автоматизированного формирования исполняемых
программных модулей на основе технологических заданий, представленных в виде БД
и технологических алгоритмов, разработанных с использованием технологических
языков и библиотеки стандартных алгоритмов;
. Программно-технические комплексы для
отечественных АСУ ТП должны иметь полностью русифицированный интерфейс
пользователя.
2.6.2. Требования и характеристика
используемого системного ПО
Требования и характеристика используемой
операционной системы верхнего уровня и нижнего уровня АСУ ТПиП
К используемому ПО предъявляется ряд требований:
. Программное обеспечение должно обеспечивать
реализацию ПТК всех функций управления и обработки информации, включенных в
техническое задание на конкретную АСУ ТП.
. Типовые задачи должны программироваться на
технологических языках.
. Должна быть предусмотрена возможность
сохранения исходных пользовательских данных на различных носителях.
Рисунок 13 - Уровни автоматизации
В Данной АСУ ТП используется: ОС Windows 7.7 -
полностью 32-разрядная операционная система с приоритетной многозадачностью,
улучшенной реализацией работы с памятью и изначально проектировалась со
средствами обеспечения надежности, защиты и управления.
В данной САР компьютеры имеют следующую
конфигурацию
Оперативная память - 2048 МБ (DDR2-800 DDR2
SDRAM)
Системная плата MSI P35 Neo (MS-7360) (2 PCI, 3
PCI-E x1, 1 PCI-E x16, 4 DDR2 DIMM, Audio, Gigabit LAN)ип ЦП - Тип ЦП DualCore
Intel Core 2 Duo E4400, 2000 MHz (10 x 200)
Видеоадаптер NVIDIA GeForce 550 GT (1024 Мб)
Звуковой адаптер
Realtek ALC888/1200 @ Intel 82801IB ICH9 - High Definition Audio Controller
[A-2]
Сетевой адаптер
Сетевая
карта
Realtek RTL8168B/8111B Family PCI-E Gigabit Ethernet NIC (NDIS 6.20)
(192.168.1.3)
Объём жёсткого диска - 500 ГБ.
Требования и характеристика используемых пакетов
программной поддержки обмена данными
Для обмена данными между нижним уровнем и
средним используются 19 аналоговых входных каналов (с ИП - 8 штук; с датчиков
расхода 4-20 мА - 4 штуки; с датчиков давления 4-20 мА - 3 штуки; с РЗД-22 - 4
шт.) и 5 дискретных выходных каналов (DC 24V). Исходя из этого контроллер
необходимо укомплектовать модулями: модуль аналоговых входов EM231 (4 входа) -
6ES7 231-OHC22-OXAO - 1 штука; модуль дискретных выходов EM222 (4 выхода) -
6ES7 222-1H22-OXAO - 1 штука;
Связь между ПЭВМ осуществляется по сети Fast
Ethernet.Ethernet - распространенный на сегодняшний день стандарт локальных
сетей. Скорость передачи данных до 100Мбит/сек на расстояния до 100м. При этом
передача данных осуществляется по протоколам TCP/IP FTP.
Требования и характеристика используемой системы
управления локальными и распределенными базами данных
В настоящие время к БД предъявляются следующие
требования
Возможность пополнения и изменения БД
Возможность дробления БД. Если для разных
проектов требуются разные компоненты БД, то необходимо отключать ненужные
модули БД
Удобство поиска и выбора нужного элемента из БД.
Простота и малые затраты ресурсов на развитие
системы (быстрая и дешевая модификация старых и разработка новых программных
приложений в рамках автоматизированной информационной системы).
Обеспечение защиты информации в БД от сбоев и
отказов в работе технических средств и ошибок пользователей.
Возможность использования в распределенных
вычислительных сетях компьютеров.SQL Server 2010 является платформой для
разработки базы данных системы содержащей в себе (значения расхода природного
газа, воздуха; давления в печи; температуры отходящих газов). В данной САР
функцией БД будет являться хранение данных, а также отображение данных о ходе
технологического процесса в удобном для оператора виде.
2.6.3 Требование и характеристика
используемого программного обеспечение инструментальных средств разработки,
отладки и документирования
Требование и характеристика используемых средств
настройки базового ПО, диагностики и самодиагностики работоспособности ПЛК
Центральное устройство S7-200 предоставляет в
распоряжение определенное количество встроенных входов и выходов. Добавление
модуля расширения предоставляет дополнительные входы и выходы. Используя
STEP7-Micro/WIN совместно с платой MPI, которая обладает интерфейсом RS-485, мы
создаём сетевое соединение с помощью транзитного кабеля. STEP7-Micro/WIN
является средством программирования, работающим под Windows. В пакете
реализована поддержка языков LAD (релейно-контактные схемы) и STL (список
инструкций). С помощью STEP7-Micro/WIN программируется контроллер S7-200 на
языках программирования “список команд” - AWL и “контактный план” - KOP. Список
команд состоит из нескольких операций, мнемоника которых представляет функцию
CPU. Контактный план является графическим языком программирования, который
похож на электрические схемы.
2.7 Требования и характеристика
используемого прикладного программного обеспечения
.7.1 Требования и характеристика
используемого прикладного программного обеспечения
STEP 7-Micro/WIN - программное обеспечение для
разработки программ и обслуживания программируемых контроллеров SIMATIC S7-200.
Пакет STEP 7-Micro/WIN V4.0 дает возможность
программировать все центральные процессоры семейства S7-200. STEP 7-Micro/WIN
от V4 и выше имеет следующие показатели: 1) Простая структура программы:
линейная структура программы с включением обычных подпрограмм и подпрограмм
обслуживания прерываний. Дополнительно может быть создан блок данных. Возможно
программирование с использованием символьной адресации. 2) Представление
программ в виде LAD, CSF и IL структур с возможностью переключения с одного
вида на другой. 3) Работа в LAD и CSF с использованием символики IEC 1131-1 или
SIMATIC. 4) Использование символьной адресации. Присвоение символьных имен
абсолютным адресам через таблицу символов. Вывод программы на печать с
символьной или абсолютной адресацией 5) Набор мастеров для выполнения функций
конфигурирования: - Текстовых дисплеев TD200/ TD 200C/ TD 100C. -
ПИД-регуляторов. - Коммуникационных соединений для обмена данными между
центральными процессорами. - Скоростных счетчиков. - Модуля позиционирования EM
253. - Модема EM 241. Набор мастеров для определения параметров настройки
центрального процессора. 6) Исчерпывающий набор функций интерактивной помощи и
подсказок. 7) Большое количество примеров программ на заказываемом отдельно
компакт-диске.
При разработке алгоритма управления необходимо
учитывать особенности программирования ПЛК фирмы Siemens. Должен быть
предусмотрен выбор режима управления и возможность выбора задающего устройства.
Задание соотношения газ-воздух должно производиться с использованием ЭВМ или
ручного задатчика, управление температурой в зонах печи и расходом воздуха
осуществляется контроллером или блоком ручного управления. Сигнализация низкого
давления в магистралях организуется в соответствии с существующей схемой сигнализации
параметров. При низком давлении в магистралях газа или воздуха должен
загораться соответствующий индикатор и звучать звуковой сигнал. Съем сигнала
нажатием кнопки должен быть предусмотрен в системе.
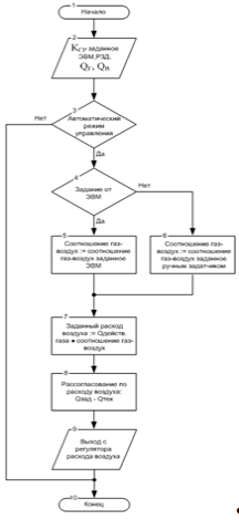
На рисунке 14 показан алгоритм регулирования температуры
в зоне печи. Если управление происходит в ручном режиме алгоритм прекращает
свое действие. В автоматическом режиме тумблером на пульте управления
выбирается режим установки задания (от ручного задатчика или ЭВМ). В режиме
установки задания от ручного задатчика на вход регулятора подаётся
рассогласование, равное разности задания температуры от ручного задатчика и
температуры в зоне. В режиме установки задания от ЭВМ на вход регулятора
подаётся рассогласование, равное разности задания температуры, заданной ЭВМ и
температуры в зоне печи. С выхода регулятора расхода газа управляющий сигнал
поступает на ПБР-ЗА.
Рисунок 14 - Алгоритм регулирования температуры
в зоне печи
где ТЗ ЭВМ - задание температуры от ЭВМ;
ТЗ РЗД - задание температуры от ручного
задатчика;
ТТЕК - текущая температура в зоне печи;ЗАД -
заданый расход газа;ТЕК - текущий расход газа.
На рисунке 15 показан алгоритм регулирования
соотношения газ - воздух.
Рисунок 15 - Алгоритм регулирования соотношения
газ - воздух
где КСР - коэффициент соотношения расходов газа
и воздуха;Г - расход газа;В - расход воздуха;
На рисунке 16 представлен алгоритм сигнализации
падения давлений газа и воздуха. Датчиками давления измеряется давления в
магистралях и происходит сравнение с минимально допустимыми значениями. На
пульте оператора загорится световой индикатор если давление ниже минимального.
Рисунок 16 - Алгоритм сигнализации падения
давлений газа и воздуха
где РГ - давление газа;
РГ МИН - минимально допустимое давление газа;
РВ - давление воздуха;
РВ МИН - минимально допустимое давление воздуха.
В приложении Ж приведены все выше представленные
алгоритмы.
2.7.2 Требование и характеристика средств
создания и отладки прикладного ПО
Для программирования систем автоматизации
SIMATIC S7/C7/WinAC может быть использовано три языка: STL, LAD и FBD.
Язык STL (Statement List) позволяет создавать
наиболее компактные программы, обладающие наиболее высоким быстродействием. При
использовании данного языка программа вводится построчно с проверкой синтаксиса
или в текстовом виде с последующим преобразованием.
Языки программирования контроллеров LAD (Ladder
Diagram - LAD) и FBD (Function Block Diagram) позволяют создавать программы,
отвечающие требованиям DINEN 6.1131-3.
В данном проекте разработана программа в среде
InTouch (Wonderware, США), реализующая визуализацию технологического процесса,
сбор и архивацию данных, сигнализацию о возникновении нештатных ситуаций, при
необходимости, дистанционное изменение режимов работы исполнительных устройств
на контролируемом пункте.система InTouch - программное обеспечение для
разработки интерфейса человек-машина (НMI). HMI позволяет контролировать и
управлять всеми объектами и системами, используя графические объекты, и
включает:
отображение параметров для управления сигналами;
отображение текущих и исторических трендов;
отображение и регистрацию аварийных сигналов.
На рисунке 17 приведена визуализация САР нагрева
металла. При дистанционном режиме управления с экрана монитора можно задавать
изменение следующих параметров: расход газа в сварочной зоне, расход воздуха в
сварочной зоне, расход газа в томильной зоне, расход воздуха в томильной зоне,
давление в печи, давление воздуха общего. К управляющим элементам на данной
панели относятся ключи автомат-дистанционный (Авт/Дист) и кнопки с синими
треугольниками, предназначенные для управления заслонками. Кючи “Авт/Дист”
предназначены для перевода контура регулирования в автоматический режим из
дистанционного и обратно. Для управления ключом необходимо подвести к нему
курсор мышки и щелкнуть один раз левой клавишей. Ключ должен изменить свое
положение. Если щелкнуть еще раз, то ключ вернется на прежнее место. При работе
в дистанционном режиме управления все ключи должны быть в положении “Дист”,
т.е. в нижнем положении. Положением заслонок можно управлять, только если ключи
находятся в нижнем положении “Дист”. Рядом с каждым параметром, значение
которого можно изменять дистанционно имеется группа из четырех кнопок,
обведенных в рамку, на которых нанесены синие треугольники. Два треугольника
смотрят вверх, а два вниз. Если подвести курсор и нажать на левую кнопку мыши,
то будет подан сигнал на открытие или закрытие заслонки. При этом цвет
треугольника изменится с синего на зеленый. Если вершина треугольника обращена
вверх, то будет подан сигнал на открытие, а если вниз - то на закрытие. Если
над треугольником написано слово “Грубо”, то заслонка будет закрываться и
открываться быстро, а если слово “Точно”, то медленно. Следует иметь в виду,
что с момента посылки сигнала на открытие или закрытие заслонки до момента
прихода сигнала об изменении положения заслонки может пройти 2-3 секунды, что
связано с задержками в посылке и приемке сигналов от системы и в систему, а так
же на выборку люфтов при работе механизмов. В системе предусмотрен сбор и
архивирование технологической информации Доступ к этой информации
осуществляется по кнопке “История”. После нажатия этой кнопки должен возникать экран
с графиками, размеченные сеткой.
Рисунок 17 - Визуализация САР
2.8 Спецификация выбранного
оборудования
Спецификация оборудования для системы
автоматического регулирования представлена в таблице 6
Таблица 6 - Спецификация оборудования
|
Наименование
|
Кол.
|
|
Первичный
преобразователь ТППТ-121-01
|
6
|
|
Вторичный
измерительный преобразователь ИП-Т10-09
|
6
|
|
Ручной
задатчик РЗД-22
|
5
|
|
Поворотная
заслонка
|
5
|
|
Исполнительный
механизм МЭО 100/25-0,25 У
|
2
|
|
Исполнительный
механизм МЭО 250/25-0,25 У
|
2
|
|
Исполнительный
механизм МЭО 630/25-0,25 У
|
1
|
|
Бесконтактный
реверсивный пускатель ПБР-3А
|
5
|
|
Блок
ручного управления БРУ-42
|
5
|
|
Диафрагма
|
4
|
|
Расходомер
Метран-150RFA
|
4
|
|
Датчик
давления-разряжения Метран-150CDR
|
1
|
|
Электр.
регистрирующий прибор ТЕХНОГРАФ-160
|
3
|
|
Блок
питания
SITOP power 24 V/3,5 A
|
1
|
|
Программируемый
микроконтроллер SIMATIC серии S7-200
|
1
|
|
Модуль
дискретных выходов EM222 (4 вых.) - 6ES7 222-1H22-OXAO
|
1
|
|
Модуль
аналоговых входов EM231 (4 вх.) - 6ES7 231-OHC22-OXAO
|
3
|
|
Персональный
компьютер
|
1
|
3. Организация производства и труда
.1 Монтаж датчиков
В автоматизированной системе регулирования
тепловым режимом методической печи используются следующие датчики:
Первичный преобразователь ТППТ-121-01 - для
измерения температуры в зонах печи
Расходомер Метран-150RFA - для измерения расхода
природного газа и воздуха
Датчик давления-разряжения Метран-150CDR - для
измерения давления в печи
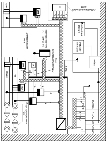
Рисунок 18 - Монтажная схема первичного
преобразователя ТППТ-121-01 - для измерения температуры в зонах печи
Рисунок 19 - Монтажная схема расходомера
Метран-150RFA
Рисунок 20 - Монтажная схема датчика
давления-разряжения Метран-150CDR
3.2 Маркировка труб, кабелей
Маркировка осуществляется пластмассовыми
бирками, которые прочно прикрепляют к концам труб или пневмокабелей во всех местах,
где заканчивается непрерывная линия трубной проводки в каждом помещении в том
числе: в начале и конце трубной трассы; у проходов через стены и
потолочные перекрытия; в местах разветвлений
трубной трассы.
Маркировочные надписи на бирках маркировочных -
БМ можно делать несмываемыми чернилами или гравировкой с помощью металлической
чертилки с последующей затиркой краской. Цвет краски или чернил должен быть
отличен от цвета бирки. Маркировочные надписи бирками БМ выполняют путем
соответствующего набора. Для простоты чтения монтажных схем и быстрого
определения неисправностей маркировку кабелей указывают в кабельном журнале.
3.3 Монтаж щитов и пультов
Щиты и пульты предназначены для размещения на
них средств контроля и управления технологическим процессом:
контрольно-измерительных приборов, сигнальных устройств, аппаратуры управления,
автоматического регулирования, защиты, блокировки, питания, а также линий связи
между ними.
Щиты и пульты выпускают заводы электромонтажных
изделий в соответствии с отраслевым стандартом ОСТ 36.13-76 «Щиты и пульты
систем автоматизации технологических процессов». Конструктивной основой всех
щитовых конструкций является каркас. Различные модификации щитов и пультов
получают путем установки на, каркас определенных плоских элементов: панелей,
стенок, дверей и др.
Монтажная схема пульта автоматики приведена в
приложении З
3.4 Монтаж ПЛК
Монтировать можно S7-200 либо в щите управления,
либо на стандартной профильной шине. S7-200 разрешено монтировать горизонтально
или вертикально. При планировании компоновки для системы S7-200 оставляется
достаточный зазор для присоединения проводов и коммуникационных кабелей. Для
придания дополнительной гибкости компоновке вашей системы S7-200 используются
кабели со штекерными разъемами.
Рисунок 21 - Монтаж ПЛК
Монтажные размерыS7-200 и модули расширения
имеют монтажные отверстия для упрощения монтажа в щитах управления. Монтажные
размеры приведены в таблице 7
Таблица 7 - Монтажные размеры S7-200
Монтаж CPU или модуля расширения
Монтаж в щите управления
. Проделать отверстия (М4) в соответствии с
размерами.
. Закрепить модуль или модули в щите управления
соответствующими винтами.
Монтаж на стандартной профильной шине
. Привинтить профильную шину к монтажной панели
через каждые 75 мм.
. Открыть стандартную (DIN) защелку (на нижней
стороне модуля) и навесьте модуль задней стороной на профильную шину.
Тщательно проверить, что защелка правильно
защелкнулась, и модуль надежно закреплен на шине. Во избежание повреждения
модуля нажимать на отверстие, а не непосредственно на переднюю стенку модуля.
Указания по заземлению S7-200
Заземление будет наилучшим, если все общие
клеммы и все клеммы заземления вашего S7-200 и всех подключенных устройств
присоединены к земле в одной точке. Эта точка должна быть непосредственно
соединена с системной землей. Для достижения оптимальной помехоустойчивости
рекомендуется, чтобы все общие обратные цепи постоянного тока были присоединены
к земле в одной точке. Соединить общую клемму (M) источника питания датчиков 24
В постоянного тока с землей. Все заземляющие провода должны быть возможно более
короткими и иметь большое поперечное сечение. При выборе точек заземления
необходимо учитывать соответствующие предписания по технике безопасности и
обеспечивать надлежащее функционирование защитных устройств, осуществляющих
разрыв цепей тока.
3.5 Монтаж РО и ИМ
Регулирующие органы (РО) должны устанавливаться
на прямолинейных участках трубопровода. Запорная арматура, тройники для
обводной линии и прочие устройства, искажающие поток жидкости в трубопроводе
должны быть удалены от клапана на расстоянии 10-15 диаметров трубопровода, как
перед клапаном так и после него.
Устройства, осуществляющие перемещение РО в
соответствии с поступающими от управляющего устройства сигналами, называют
Исполнительными механизмами (ИМ).
Полный угол поворота выходного вала
однооборотных исполнительных механизмов составляет менее 360°. ИМ типа МЭО
выпускают с диапазонами угла поворота выходного вала в пределах 0-90° и 0-240°.
Рабочий угол поворота в этих диапазонах настраивают путем соответствующей
установки конечных выключателей ИМ. Для предотвращения поломки ИМ в случаях,
если он не будет отключен конечным выключателем, однооборотные ИМ имеют два
настраиваемых механических упора с шагом; фиксации их равным 3° в диапазоне
угла поворота выходного вала. При наладке ИМ упоры устанавливают на угол,
превышающий угол настройки конечных выключателей на 6-12° (по 3-6° на каждую
сторону).
Корпус ИМ после установки необходимо заземлить с
помощью проводника сечения не менее 4 мм2 через специальный болт,
предусмотренный на механизме. Электропроводки подключают к ИМ через штепсельные
разъемы или штуцерные вводы. Сечение каждой жилы внешней электропроводки должно
быть не менее 1,5 мм2.
Конструкция сочленений ИМ с РО должна
соответствовать следующим основным требованиям: простота устройства и
надежность в работе, удобство монтажа, наладки и регулировки; отсутствие люфтов
и зазоров во всех элементах сочленения; линейная или близкая к линейной
характеристика РО; угол поворота кривошипа ИМ, обеспечивающий перемещение РО от
положения «Открыто» до положения «Закрыто», как правило, следует принимать,
равным 90°; уменьшение этого угла приводит к увеличению-скорости регулирования,
что отрицательно влияет на качество регулирования.
В данном случае ИМ является МЭО, внешний вид
которого приведён на рисунке 22.
МЭО устанавливается непосредственно рядом с РО и
с помощью своего рычага воздействует на него.
Рисунок 22 - Внешний вид МЭО
Установив на выходных валах ИМ и РО рычаги,
длины которых предварительно рассчитаны или определены графически, соединим их
посредством тяги. При этом стремимся обеспечить линейность расходной
характеристики РО. Для этого из паспорта РО берем его характеристику и путем
изменения начальных углов поворота ИМ, длин рычагов и тяги так настроим
сочленение, чтобы скомпенсировать нелинейность этой характеристики. После этого
проверим наличие люфтов в соединении. Обнаружив люфты, их необходимо устранить.
Монтажная схема соединения РО и ИМ приведена в
приложении И
3.6 Поверка датчиков, вторичных
приборов
При проведении внешнего осмотра должно быть
установлено соответствие датчиков следующим требованиям:
внешний вид, покрытие и маркировка должны
соответствовать требованиям технической документации;
комплектность датчиков должна соответствовать
комплекту поставки, указанному в формуляре, поставляемом с каждым датчиком;
линии связи датчиков с контрольно-измерительными
приборами и заземление должны соответствовать требованиям техники безопасности.
если датчики не удовлетворяют перечисленным
требованиям, то дальнейшей поверке не подлежат.
Опробование датчика производят методом
нагружения датчика номинальной нагрузкой. Если датчик работоспособен, то при
нагружении его нагрузкой на вторичном приборе будет наблюдаться отклонение
указателя в ту или иную сторону.
Погрешности датчиков следует проверять
измерением коэффициентов передачи при трехкратной нагрузке датчика в прямой и
обратной последовательности по пяти ступеням, составляющим 20, 40, 60, 80, и
100% номинальной нагрузки с равномерной скоростью не превышающей 0,2 диапазона
измеряемых усилий в минуту. Перед каждым циклом нагрузки-разгрузки датчик
необходимо поворачивать вокруг продольной его оси на 120 угловых градусов.
Электрическая прочность изоляции электрических цепей датчиков проверяется между
любым выводом штепсельного разъема и корпусом
датчика по методике, изложенной по ГОСТ
21657-76.
Датчики Метран-150 поверяют по схеме приведенной
на рис 23.
Рисунок 23 - Схема поверки датчиков Метран-150:
1 - образцовый прибор; 2 - источник давления, например, помпа ручная
пневматическая П_0,25; 3 -датчик Метран_150; 4 - блок питания датчика
Метран_150; 5 - средства визуализации и перенастройки давления
(HART-коммуникатор или HART-модем с программой H-Master и компьютером)
Принцип действия
Измеряемое давление, созданное источником
давления 2, подается непосредственно вобразцовый прибор 1 и в используемый в
качестве эталона датчик давления, разрежения, давления разрежения 3
Выходной цифровой сигнал датчика Метран-150,
пропорциональный измеряемому давлению (разрежению), поступает на вход
HART-коммуникатора 5 и отображается на ЖКИ HART-коммуникатора в виде
действительного значения давления, созданного источником давления в рабочей
полости поверяемого прибора. Кроме того, HART-коммуникатор обеспечивает
перенастройку датчика Метран-150 на требуемый диапазон измерений давления
(разрежения) и выбор заданных пользователем единиц измерения давления. Вместо
HART-коммуникатора возможно использовать HART-модем с программой H-Master и
компьютером.
3.7 Наладка программного обеспечения
ПЛК
На рабочей станции должна быть установлена
операционная система WINDOWS 7 и Edge.
Для работы с программным обеспечением
контроллера необходимо установить на автоматизированное рабочие место
программиста следующие программные продукты:
• пакет программ STEP7 MICRO WIN;
• SOFTNETS7v6.1;
• CFCv6.0;
• D7-SYSv6.0.
Инструкции по установке данных приложений
поставляются вместе с программным обеспечением.
Необходимо установить на рабочей станции
следующие программные продукты:
• SCADA система InTouch каждый опциональный
пакет.
Инструкции по установке данных приложений поставляются
вместе с программным обеспечением.
3.8 Структура, функции и задачи
служб эксплуатации
Механослужба подразделяется на: механиков и
гидравликов. Механики выполняют работы по ремонту и обслуживанию механического
оборудования адъюстажа.
Гидравлики выполняют работы по ремонту и
обслуживанию гидравлического и пневматического оборудования.
Энергослужба - выполняет работы по ремонту и
обслуживанию вентиляционных, отопительных, водопроводных и канализационных
систем.
Электрослужба - выполняет работы по ремонту и
обслуживанию закрепленного за ней электрооборудования.
Технологи - ведут основной технологический
процесс стана.
Служба технологической автоматики стана
"150" состоит из электромонтеров по ремонту и обслуживанию
электрооборудования. В зависимости от участка работы электромонтеры могут
относиться к оперативному, ремонтному и оперативно-ремонтному персоналу. В
качестве второй профессии представлена профессия стропальщика, обязательная для
ремонтного и оперативно-ремонтного персонала. В руководящей роли выступает
административно-технический персонал.
Административно-технический персонал состоит из
руководителей и специалистов, на которых возложены обязанности по организации
технического и оперативного обслуживания, проведения ремонтных, монтажных и наладочных
работ в электроустановках.
В права оперативного персонала входит
оперативное управление и обслуживание электроустановок (осмотр, оперативные
переключения, подготовка рабочего места, допуск и надзор за работающими,
выполнение работ в порядке текущей эксплуатации).
Ремонтный персонал обеспечивает техническое
обслуживание и ремонт, монтаж, наладку и испытание электрооборудования.
Оперативно-ремонтный персонал - ремонтный
персонал, специально обученный и подготовленный для оперативного обслуживания в
утвержденном объеме закрепленных за ним электроустановок.
Ответственными лицами за эксплуатацию и ремонт
автоматики являются заместитель начальника стана по автоматике и электрик
стана. Они подчиняются начальнику.
Электрику стана по автоматике непосредственно
подчиняется старший мастер участка автоматики.
Старший мастер СТА является непосредственным
организатором производства работ по обслуживанию, ремонту, монтажу и наладке
электрооборудования систем управления технологическими процессами на своем
участке, систем диагностики, средств контроля и измерения.
Старшему мастеру участка автоматики подчиняется
мастер по ремонту и обслуживанию систем автоматики и его бригада ремонтного
персонала, в состав которой входят 4 автоматчика.
Рисунок 24 - Структурная схема СТА участка.
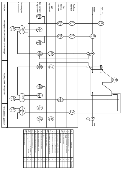
3.9 Кабельный журнал
Кабельный журнал системы автоматического
регулирования приведен в таблице 8.
Таблица 8 - Кабельный журнал
.10 План трасс прокладки кабелей
План трасс прокладки кабелей и трубных проводок
изображен на рисунке 24.
Рисунок 25 - План трасс прокладки кабелей
4. Экономика производства
.1 Расчет затрат на модернизацию
системы
Капитальные затраты - это денежные средства на
создание новых и реконструкцию действующих основных фондов. Капитальные затраты
складываются из затрат на приобретение оборудования и приборов, транспортных
расходов, затрат на монтаж. Основанием для составления сметы является:
спецификация на оборудование, прейскуранты цен, ценники на монтаж.
Таблица 9 - Стоимость оборудования для
модернизации
|
№
п\п
|
Наименование
оборудования
|
Тип
|
Кол-во
штук
|
1
шт. в руб.
|
Стоимость
в руб.
|
|
1
|
Блок
ручного управления
|
БРУ-42
|
5
|
2500
|
12500
|
|
2
|
Показывающий,
регистрирующий прибор
|
Технограф-160
|
3
|
6300
|
18900
|
|
3
|
Измерительный
преобразователь
|
ИП-Т10-09
|
8
|
2500
|
20000
|
|
4
|
Ручной
задатчик
|
РЗД-22
|
5
|
2600
|
13000
|
|
6
|
CPU
216 Siemens
|
6ES7216-2AD22-0XB0
|
1
|
-
|
35145
|
|
7
|
Модуль
входных аналоговых сигналов
|
6ES7231-0HC22-0XA0
|
3
|
-
|
7230
|
|
8
|
Модуль
выходных дискретных сигналов
|
6ES7222-1HF22-0XA0
|
1
|
-
|
5500
|
|
9
|
Компьютер
|
|
1
|
-
|
12000
|
|
10
|
Монитор
|
VGA
|
1
|
-
|
3000
|
|
11
|
Кабель
10м
|
PC/PPI
|
1
|
-
|
5495
|
|
12
|
Стоимость
SCADA-системы
|
-
|
-
|
25500
|
|
13
|
Щиты,
пульты
|
-
|
-
|
-
|
112000
|
|
14
|
Разработка
проектной документации
|
-
|
-
|
-
|
448000
|
|
15
|
Авторский
надзор и пусконаладочные работы
|
-
|
-
|
-
|
168000
|
|
Итого:
Оборудование для модернизации (СОБЩ):
|
881270
244770
|
Транспортные расходы рассчитываются по формуле:
, (21)
где
-
транспортные расходы, руб;
- общая стоимость, руб.
Монтажные расходы рассчитываются по
формуле:
, (22)
где
- монтажные расходы, руб.
Накладные расходы рассчитываются по
формуле:
, (23)
где
- накладные расходы, руб.
(руб.)
Плановые накопления определяются по
формуле:
, (24)
где
-
плановые накопления, руб.
Капитальные затраты определяются по
формуле:
, (25)
где
- капитальные затраты, руб.
Таблица 10 - Капитальные затраты
|
Наименование
|
Стоимость,
руб.
|
|
Транспортные
расходы
|
|
|
Монтажные
расходы
|
|
|
Накладные
расходы
|
12047,6
|
|
Плановые
накопления
|
5155
|
|
Капитальные
затраты
|
331486,38
|
4.2 Расчет годовой экономии
Расчёт эксплуатационных затрат
Амортизационные отчисления определяются по
формуле:
, (26)
где
- амортизационные отчисления, руб;
- норма амортизации (в чёрной
металлургии составляет 14,3%).
(руб.)
Затраты на текущий ремонт
определяются по формуле:
, (27)
где
- затраты на текущий ремонт, руб;
норма на текущий ремонт,
;
- капитальные затраты, руб.
(руб.)
Затраты на потребляемую мощность
(энергию) рассчитываются по формуле:
, (28)
где
- установленная мощность
оборудования;
- коэффициент использования по
времени (
);
- коэффициент использования по
мощности (
);
- цена 1квт/час энергии.
(руб.)
Суммарная величина эксплуатационных
затрат определяются по формуле:
, (29)
где
- эксплуатационные затраты, руб.
(руб.)
Таблица 11 - Эксплуатационные затраты
|
Наименование
|
Стоимость,
руб.
|
|
Амортизационные
отчисления
|
47402,6
|
|
Затраты
на текущий ремонт
|
19889,2
|
|
Затраты
на потребляемую мощность
|
1918,19
|
|
Эксплуатационные
затраты
|
69210
|
Общие затраты для модернизации будут следующие:
, (30)
где
- общие затраты для модернизации,
тыс. руб;
- капитальные затраты, руб;
- эксплуатационные затраты, руб;
- стоимость разработки проектной
документации, руб;
- стоимость авторского надзора и
пусконаладочных работ, руб;
- среднемесячная общая заработная
плата, (2465580 руб);
- стоимость Scada-системы, руб.
= 331486,38+69210+448000
+168000+2465580+25500 = 3508776,38 (руб.)
Основные экономические показатели
печи:
удельный расход топлива до
модернизации: 59,416 тут/т;
удельный расход топлива после
модернизации: 58,822 тут/т;
стоимость 1 тонны условного топлива:
1100 руб;
стоимость 1 тонны готового проката:
8600 руб;
годовой объём производства до
модернизации: 1680,9 тыс. тонн в год;
планируемый годовой объём
производства после модернизации:
,3 тыс. тонн в год;
величина угара металла до
модернизации: 1,5%;
величина прогнозируемого угара
металла после модернизации: 1,496%.
Расчёт экономии топлива производится
по следующей формуле:
, (31)
где
-экономия топлива, руб. в год;
- удельный расход топлива до
модернизации, тут/т (тонн условного топлива на 1 тонну нагреваемого металла);
- удельный расход топлива после
модернизации, тут/т;
- планируемый годовой объём
производства, тыс. тонн в год;
- стоимость 1 тонны условного
топлива, руб.
(руб.)
Расчёт экономии от уменьшения угара
металла осуществляется по следующей формуле:
, (32)
где
- экономический эффект от
уменьшения угара металла, руб. в год;
- угар металла до модернизации, %;
- величина прогнозируемого угара
металла после модернизации, %;
- планируемый годовой объём
производства, тыс. тонн в год;
- стоимость 1 тонны металла, руб.
(руб.)
Расчёт годовой экономии на условно-постоянных
затратах при увеличении объёма производства производится по формуле:
, (33)
где
- экономия на условно-постоянных
затратах при увеличении объёма производства, руб;
- планируемый годовой объём
производства после модернизации, тыс. тонн в год;
- годовой объём производства до
модернизации, тыс. тонн в год;
- условно-постоянные затраты на 1
тонну нагреваемого в печи металла, руб.
(руб.)
Суммарный годовой экономический
эффект после модернизации рассчитывается по формуле:
, (34)
где
- суммарный годовой экономический
эффект после модернизации, руб.
(руб.)
.3 Расчет годового экономического
эффекта и срока окупаемости капитальных вложений
Экономический эффект определяется
путём сопоставления годовой экономии и затрат на внедрение технического
мероприятия:
, (35)
где
- экономический эффект, руб.;
- годовая экономия, руб.;
- затраты на содержание
оборудования, руб.
Срок окупаемости - это время, за
которое поступления от производственной деятельности предприятия покроют
затраты на разработку и внедрение системы.
Срок окупаемости рассчитывается по
формуле:
, (36)
где
- капитальные затраты на внедрение
САУ, руб.;
- экономический эффект от внедрения
САУ, руб.
Тогда,
.4 расчет экономической эффективности
Экономическая эффективность
характеризует величину годового эффекта от одного рубля капитальных затрат и
определяется по формуле:
(37)
Экономическая эффективность должна
быть выше нормы, чтобы мероприятие считалось эффективным. Для средств
вычислительной техники, ПО и средств автоматизации нормативная эффективность
0,33
Исходя из того, что техническое мероприятие
(в нашем случае разработка САР) считается экономически эффективным, если срок
окупаемости данного мероприятия не превышает трёх лет и экономическая
эффективность должна быть выше нормы 0,33, то можно сказать, что разработка
системы автоматического регулирования нагрева металла в двухзонной методической
печи является эффективной, так как срок окупаемости данного мероприятия
составляет 0,38 года, а экономическая эффективность- 2,6.
Таблица 12 - Технико-экономические
показатели
Заключение
В дипломном проекте рассматривались вопросы
модернизация системы автоматического регулирования нагрева металла в двухзонной
методической печи.
Рассмотрены общие вопросы автоматизации
технологического процесса, в частности САР температуры, расхода, давления и
соотношения топливо-воздух. Суть дипломного проекта: замена старой САР нагрева
металла на новую с, применением ПЛК фирмы Siemens: SIMATIC S7-216. Замене
подлежат датчики, пульты, шкафы автоматики и другие конструктивы, средства
ручного ввода и отображения информации. Разработана программа в среде InTouch
(Wonderware, США), реализующая визуализацию технологического процесса, сбор и
архивацию данных, сигнализацию о возникновении нештатных ситуаций, при
необходимости, дистанционное изменение режимов работы исполнительных устройств
на контролируемом пункте.
В ходе выполнения дипломного проекта были
проделаны следующие виды работ:
Составление функциональной схемы САР и ее
описание.
Произведен выбор измерительно-
преобразовательных элементов.
Выбор исполнительных устройств.
Выбор закона регулирования.
Выбор автоматического управляющего устройства на
основе ПЛК и расчет его конфигурации.
Произведен выбор операционной системы верхнего и
нижнего уровня АСУТП.
Выбор используемого программного обеспечения.
Исходя из того, что техническое мероприятие (в
нашем случае разработка САР) считается экономически эффективным, если срок
окупаемости данного мероприятия не превышает трёх лет и экономическая
эффективность должна быть выше нормы 0,33, то можно сказать, что разработка
автоматизированной системы регулирования является эффективной, так как срок
окупаемости данного мероприятия составляет 4,5 мес, а экономическая
эффективность- 2,6.
Список использованных источников
1. Компания
«Siemens» [Электронный ресурс]: офиц. сайт. - Режим доступа:
#"896776.files/image173.gif">
Приложение Б
Продольный разрез печи
Приложение В
Функциональная схема САР
Приложение Г
Схемы алгоритмов программ