Многоэмиттерные и многоколлекторные транзисторы в ИС

  • Вид работы:
    Контрольная работа
  • Предмет:
    Информатика, ВТ, телекоммуникации
  • Язык:
    Русский
    ,
    Формат файла:
    MS Word
    174,79 Кб
  • Опубликовано:
    2016-02-21
Вы можете узнать стоимость помощи в написании студенческой работы.
Помощь в написании работы, которую точно примут!

Многоэмиттерные и многоколлекторные транзисторы в ИС















Многоэмиттерные и многоколлекторные транзисторы в ИС

Введение

Первый многоэмиттерный транзистор был выпущен фирмой RCA (Radio Corporation of America)

Многоэмиттерные транзисторы - это функциональные полупроводниковые приборы, обладающие несколькими эмиттерными кантактами, эмиттерные области которых объединены одним внешним выводом.

Многоколлекторный транзистор - это функциональный полупроводниковый прибор, представляющий собой совокупность нескольких тринисторов. Тринисторы объединены в одно монолитное устройство так, что две из четырех областей с чередующимся типом проводимости являются общими для всех тринисторов. В данном приборе, помимо присущего тринистору явления переключения, используются взаимодействия объемных зарядов основных и неосновных неравновесных носителей.

1. Многоэмиттерные транзисторы

транзистор многоэмиттерный многоколлекторный полупроводниковый

Многоэмиттерные транзисторы (МЭТ), эмиттерные области которых объединены одним внешним выводом, характеризуются большим значением отношения периметра эмиттера к его площади, что обеспечивает уменьшение сопротивления базы транзистора и увеличение плотности его эмиттерного тока. Такие транзисторы применяют главным образом в качестве мощных ВЧ и СВЧ транзисторов.

МЭТ, в которых каждая эмиттерная область имеет отдельный внешний вывод, используются в транзисторно-транзисторной логике в качестве логического элемента «И». Имея общие коллектор и базу, транзистор может содержать до 16 эмиттеров. Графическое обозначение МЭТ представлено на рис.1.1 Структура трехэмиттерного транзистора показана на рис. 1.2. Ее можно рассматривать как интегрированную совокупность транзисторов, обладающую двумя особенностями.

Рисунок 1.1 Графическое обозначение МЭТ

Рисунок 1.2 Многоэмиттерный транзистор.

Во-первых, соседние эмиттеры образуют паразитную горизонтальную n-р-n-структуру, коэффициент усиления которой должен быть уменьшен путем увеличения расстояния между эмиттерами. Это расстояние должно быть больше диффузионной длины электронов. Практически оно составляет 10...15 мкм.

Во-вторых, при закрытом эмиттерном переходе и открытом коллекторном вертикальная n-р-n-структура переходит в инверсный режим, в результате чего в цепи закрытого эмиттерного перехода возникнет ток, обусловленный инжекцией из коллектора. Чтобы уменьшить этот ток, необходимо уменьшить инверсный коэффициент передачи тока, что достигается путем увеличения расстояния, проходимого электронами через базу. С этой целью внешний вывод базы соединяют с активной областью транзистора через узкий перешеек, обладающий сопротивлением 200...300 Ом.

Они имеют один коллектор К и несколько эмиттеров Э1, Э2, ЭЗ, объединенных одним общим базовым слоем Б. Эмиттеры представляют собой высоколегированные n-слои малых размеров, под эмиттерными переходами расположен общий базовый р-слой. Коллектором является эпитаксиальный n-слой, нанесенный на подложку n+- типа (эпитаксиальным называют тонкий рабочий слой однородного полупроводника, наращиваемый на сравнительно толстую подложку).

Эмиттеры расположены таким образом, что прямое взаимодействие между ними исключается. Благодаря этому эмиттерные переходы можно рассматривать как параллельно-включенные диоды.

Наиболее распространёнными являются МЭТ с полосковой, ячеистой и сетчатой формами эмиттерной области. МЭТ с ячеистой формой эмиттерной области имеют наибольшую величину отношения периметра эмиттера к его площади, что обеспечивает максимальное усиление по мощности. МЭТ с сетчатой формой эмиттерной области имеют наибольшее значение отношения суммарной площади эмиттерных областей к площади коллекторной области, что обеспечивает работу такого транзистора при значительных рабочих токах.

Увеличение скорости переключения таких транзисторов достигается уменьшением площади эмиттерных областей.

2. Многоколлекторные транзисторы

Исходя из такого использования структуры, необходимо увеличивать коэффициент инжекции эмиттера. С этой цепью подложку n+-типа располагают по возможности ближе к базовому слою. Будучи высоколегированной, она обеспечивает увеличение коэффициента инжекции. Общим эмиттером в этой структуре является n-слой, а коллекторами n+-область.

Рисунок 2.1 Структура многоколлекторного транзистора

МКТ используют для создания логических схем с инжекционным питанием, называемых схемами И2Л (интегральная инжекционная логика). Такие схемы нельзя выполнить на дискретных элементах. В общем случае схемы И2Л состоят из нескольких многоколлекторных n-р-n-транзисторов и многоколлекторного p-n-p-транзистора выполняющего функции источника питания многоколлекторных транзисторов и называемого инжекторным. Эмиттер инжекторного транзистора называют инжектором и обозначают И .

3.Применение МЭТ и МКТ в ИС

.1 Применение МЭТ

Основная особенность схем ТТЛ заключается в том, что во входной цепи используется многоэмиттерный транзистор, осуществляющий операцию И. Число эмиттеров определяет число входов элемента.

При подаче на оба входа сигнала высокого уровня (1,1) транзистор VT1 оказывается включенным в инверсном режиме по схеме эмиттерного повторителя с высоким уровнем на базе, транзистор открывается и подключает базу транзистора VT2 к высокому уровню, ток идёт через первый транзистор в базу второго транзистора и открывает его. VT2 «открыт», его сопротивление мало и на его коллекторе напряжение соответствует низкому уровню (0). Если хотя бы на одном из входов сигнал низкого уровня (0), то транзистор оказывается включенным по схеме с общим эмиттером, через базу первого транзистора на этот вход идёт ток, что открывает его и он закорачивает базу второго транзистора на землю, напряжение на базе второго транзистора мало и он «закрыт», выходное напряжение соответствует высокому уровню.

Рисунок 3.1 Упрощённая схема двухвходового элемента И-НЕ (ТТЛ).

Применение МЭТ позволяет повысить помехоустойчивость и быстродействие элемента(схемы с многоэмиттерными транзисторами имеют время переключения 5 - 20 нсек), выполненного на их основе.

3.2 Применение МКТ

Элементы инжекционного типа представляют собой физически объединенные (совмещение) горизонтальные p-n-p и вертикальные n-p-n - транзисторы (рис. 3.2.1).

Рисунок 3.2.1 Эквивалентная схема (а), условное обозначение (б) элемента И2Л.

Эмиттерная область p-n-p -транзистора, называемая инжектором, подключается к положительному источнику питания. Общая область n-типа служит базой p-n-h -транзистора и эмиттером n-p-n -транзистора и подключатся к потенциалу «земля». Коллектор p-n-p и база n-p-n -транзистора также представляет собой единую область полупроводника p-типа. От одного инжектора может питаться несколько схем, т.е. горизонтальный p-n-p - транзистор VT0 может быть много коллекторным. Вертикальный n-p-n - транзистор обычно имеет несколько коллекторов, которые являются логическими выходами элемента (рис.1.28). При такой физической структуре не требуется изоляция между отдельными элементами И2Л, так как все они имеют общую n- область. Горизонтальный p-n-p - транзистор VT0 (рис.3.2.1) служит в схемах И2Л источником рабочего (переключаемого) тока Ip, пропорционального коэффициенту передачи тока α транзистора VT0 .

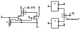
Типовой элемент И2Л представляет собой много выходной инверторов металлическими проводниками реализуется функция И (рис.3.2.2). На соединенных выходах F элементов в этом случае поддерживается низкий потенциал U0, если высокий потенциал U1подан хотя бы на один из входов (А или В). В результате выполняется коньюкция инверсных переменных А и В, которые образуются на выходах инверторов: F=АВ.

Рисунок 3.2.2 Реализация операции « Монтажное И».

Таким образом, если в схемах ТТЛ или ДТЛ операции И выполняются с помощью МЭТ или диодной сборки, то в схемах И2Л эта операция выполняется монтажным соединением. Используя элементы И2Л с монтажным соединением выходов, можно реализовать любую логическую функцию.


Изготовление многоэмиттерного транзистора ненамного сложнее изготовления обычного транзистора. Области базы и коллектора образуются для многоэмиттерного транзистора ( НО) аналогично обычному биполярному транзистору, и только на этапе последней (эмиттерной) диффузии создается не одна, а несколько областей эмиттера. Такой прибор компактнее, чем диодная сборка и два диода смещения, площадка кристалла уменьшается, что приводит к удешевлению схемы.

Рисунок 4.1 Многоэмиттерный транзистор

МЭТ и МКТ могут изготавливаться в металлических, керамических или пластиковых корпусах. Их также изготавливают по методу диффузии донорных и акцепторных примесей в исходный полупроводник (планарная технология) (толщина транзистора менее 0.1 мкм, а линейные размеры эмиттера и коллектора 10-15 мкм).

Заключение

МЭТ и МКТ очень широко используются в интегральных схемах. Очень широкое применение МЭТ получили как входные элементы ТТЛ-логики, т. к. эмиттеры расположены таким образом, что прямое взаимодействие между ними исключается, благодаря чему эмиттерные переходы можно рассматривать как параллельно включенные диоды. Хоть ТТЛ-логика достаточно распространена и имеет неплохие показатели по дешевизне, помехоустойчивости и быстродействию, но она уже устарела. Многоэмиттерные транзисторы используются только в интегральных схемах. МКТ используют для создания логических схем с инжекционным питанием (интегральная инжекционная логика).

Список литературы

1.      Шило В. Л. «Популярные цифровые микросхемы. <http://zvmpt.narod.ru/spravka/gost.htm>» 2009.

.        Мэндл. М. «200 избранных схем электроники»

3.      Ефимов И. Е., Козырь И. Я., Горбунов Ю. И. Микроэлектроника

4.      Нахалов.В.А. «Электронные твердотельные приборы» 2014

Похожие работы на - Многоэмиттерные и многоколлекторные транзисторы в ИС

 

Не нашли материал для своей работы?
Поможем написать уникальную работу
Без плагиата!
Без нейросетей!