Конструирование и производство радиоаппаратуры: регулятора угла опережения зажигания
Курсовой
проект
Конструирование
и производство радиоаппаратуры: регулятора угла опережения зажигания
Введение
Сигналы нужно исследовать самые разные - от
милливольт (скажем, электродинамический микрофон) до сотен вольт. А на пластины
вертикального отклонения сигнал нужно подавать строго определённый, зависящий
от конструкции конкретной трубки. Вот и приходится ставить по дороге усилитель
с переключаемым коэффициентом передачи - чтобы усилить входной сигнал до
уровня, достаточного для отклонения луча, удобно для наблюдения. С
горизонтальным отклонением попроще. Отклоняющее напряжение (пила)
вырабатывается прецизионным генератором развёртки, работающим от низкого
напряжения. А на пластины надо подавать десятки вольт. Сам генератор развёртки
нужен как раз для того, чтобы можно было наблюдать изменение входного сигнала
во времени. Он как раз и обеспечивает то, что мгновенное отклонение луча по
вертикали, соответствующее мгновенному значению входного сигнала, происходит не
в том месте, где в предыдущий момент, а немножко в другом. Тем самым изменение
сигнала во времени преобразуется в перемещение электронного луча в
пространстве, что уже можно наблюдать глазом. А синхронизация нужна, чтоб для
периодического сигнала эти изменения отображались в одном и том же месте
экрана. Иначе как бы мы смогли на экране увидеть НЕПОДВИЖНЫЙ синус хотя бы
килогерцовой частоты. Поэтому схема синхронизации обеспечивает запуск развёртки
при одной и той же фазе входного сигнала. В некоторых конструкциях
осциллографов при изменении уровня исследуемого сигнала и его частоты в больших
пределах нарушается синхронизация, а при его отсутствии (в ждущем режиме) не
запускается развёртка. При эксплуатации таких осциллографов часто приходится
использовать ручку «УРОВЕНЬ СИНХРОНИЗАЦИИ», что, конечно, неудобно. От этих
недостатков свободен предлагаемый генератор развёртки. Он обеспечивает время
формирования линейно-нарастающего напряжения от 1 мкс до 100 мс. Амплитуда
сигналов синхронизации может изменяться в пределах от 50 мВ до 5 В, а их
частота в диапазоне до 20 МГц.
При отсутствии исследуемого сигнала генератор
развёртки автоматически переключается в автоколебательный режим. Генератор
развёртки может работать и в чисто ждущем режиме.
1. Теоретическая часть
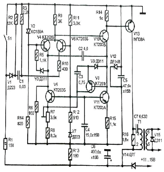
.1 Описание работы приёмника
ЛНН формируется на конденсаторах С1 и С2.
Величина тока через транзистор VT1
определяется сопротивлением одного из резисторов R1-R3
в цепи его эмиттера.
В данной конструкции генератора период развёртки
устанавливается дискретно переключателями SA1
и SB1.1. ЛНН через
буферный каскад (VT2,
VT4) подаётся на
одновибратор, выполненный на элементах VT5,
DD1.1. По окончании
формирования ЛНН одновибратор вырабатывает импульс, который подаётся на
транзисторы VT3, VT6.
Транзистор VT3
открывается и разряжает конденсаторы С1 и С2 почти до нуля, а транзистор VT6
формирует импульс гашения обратного хода луча. Амплитуда этого импульса около
15 В. При наличии на входе осциллографа исследуемого сигнала он поступает на
триггер Шмидта, выполненного на элементах DD1.3,
DD1.4 и транзисторов VT7.
Триггер Шмидта формирует импульсы с крутыми фронтами. Эти импульсы выпрямляются
диодами VD2, VD4
и заряжают конденсатор С9. Напряжение на конденсаторе С9 открывает транзистор VT8,
и на вход 10 элемента DD1.2
подаётся уровень напряжения логической единицы. Элементы DD1.1
и DD1.1 составляют RS-триггер.
По окончании действия импульса одновибратора RS-триггер
остаётся в таком состоянии, при котором транзистор VT3
остаётся открытым. При этом невозможен заряд конденсатора С2. Из этого состояния
RS-триггер выводит
продифференцированный импульс триггера Шмидта, после чего вновь начинается
заряд конденсатора С2. Роль дифференцирующей цепочки выполняют элементы С7,
R16.
В автоколебательном режиме конденсатор С9
разряжён и транзистор VT8
закрыт. Транзистор VT1
необходимо отобрать с минимальным значением обратного тока коллектора.
. Расчётная часть
радиоэлектронный отказ надежность плата
2.1 Расчёт надёжности прибора
Большинство неисправностей электронной
аппаратуры носит случайный характер и обусловлено многими трудно учитываемыми
факторами. К таким факторам относятся влажность и температура окружающей среды,
вибрации, удары, несовершенство технологических процессов, различные
неоднородности в материалах и др. В связи с тем, что предсказать заранее
появление и степень влияния указанных факторов на процесс правильного
функционирования аппаратуры можно лишь с определенной степенью достоверности, в
теории надежности используется математический аппарат теории вероятностей,
позволяющий найти характеристики надежности аппаратуры. Одной из основных
характеристик является надежность или вероятность безаварийной работы Р(t). При
этом под безаварийной работой понимается такая работа аппаратуры, при которой
все выходные параметры находятся в пределах, заданных техническими условиями.
Важной характеристикой работы аппаратуры является среднее время безаварийной
работы То. Физически это означает следующее: аппаратура после включения
работает в течение случайного интервала времени до первого отказа, причем этот
интервал времени для одинаковых изделий меняется от образца к образцу, сохраняя
свое среднее значение То, относительно которого отклоняется значение случайного
интервала времени безаварийной работы. Часто используется еще одна
характеристика надежности аппаратуры частота отказов, которая связана со
средним временем безаварийной работы, следующим соотношением:
На рисунке представлен характерный вид кривой.
Первый и третий участки соответственно характеризуют частоту отказов аппаратуры
при отработке производственных дефектов и старении элементов. Второй участок
характеризуется почти постоянным значением частоты отказов, что имеет место для
отрегулированной радиотехнической аппаратуры.
Введем следующие определения:
Элементом называется часть аппаратуры, состоящая
из какой-либо одной или нескольких деталей и выполняющая определенные
самостоятельные функции в схеме (электронная лампа, транзистор, сопротивление,
трансформатор, конденсатор и др.).
Блоком называется функционально законченное
устройство, обеспечивающее на выходе заданные физические величины
(нестабилизированный выпрямитель, электронный стабилизатор, транзисторный
стабилизатор и др.).
Системой называется совокупность блоков, обеспечивающая
на выходе; комплекс заданных величин (система высоковольтных выпрямителей,
система источников высокостабилизированных напряжений и др.).
Последовательным соединением (с точки зрения,
надежности) называется такое соединение, при котором отказ любого элемента или
блока приводит к отказу блока или системы.
Параллельным соединением r элементов (с точки
зрения надежности) называется такое соединение, при котором отказ исследуемой
системы наступит тогда и только тогда, когда откажут все r элементов.
Методика расчёта надёжности.
В случае независимых отказов появление
неисправностей для радиоэлектронной аппаратуры подчиняется во времени закону
Пуассона
(1)
где Pk -
вероятность появления точно k неисправностей за время t3;
- частота отказов элемента (блока),
1/ч;
- число неисправностей за
время t3.
В связи с тем, что разработчика
интересует вероятность безаварийной работы, т. е. наступление нуля отказов за
время t3, формула
принимает вид (для k=0):
(2)
-вероятность безотказной работы за
1000 часов.
За 5000 часов:
Приведенное соотношение позволяет
определить вероятность того, что аппаратура (элемент или блок) проработает
безотказно в течение времени t3. При этом под отказом следует
понимать выход любого параметра за пределы, предусмотренные в технических
условиях. Таким образом, задача оценки надежности элемента или блока сводится к
определению значения частоты отказов
, и элементарным расчетам по
вышеупомянутым формулам. Следует заметить, что сказанное справедливо только для
нерезервированной аппаратуры. Частота отказов различных элементов определяется
по специальным таблицам
-характеристик
с учетом условий эксплуатации. Требование знания условий эксплуатации является
достаточно жестким, оно является совершенно необходимым условием получения
достоверной информации о надежности аппаратуры. Это объясняется тем, что
значения частот отказов элементов имеют ярко выраженную зависимость от условий
эксплуатации элемента (окружающая температура и коэффициент нагрузки
относительно номинального). Коэффициент нагрузки для различных элементов
определяется следующим образом:
а) Для резисторов всех типов и для
трансформаторов, Ом;
(3)





где Рр - мощность (трансформатора),
фактически рассеиваемая на резисторе, Вт;
Рдоп - номинально допустимая при
данных внешних условиях мощность рассеивания (по ТУ на резисторы
(трансформаторы)), Вт;
б) для конденсаторов всех типов
, (4)
где Uр. макс -
амплитуда рабочего напряжения, В;
Uдоп. макс -
амплитуда рабочего напряжения, допустимая по ТУ, В;
в) для полупроводниковых диодов
, (5)


где Uрассч
- рассчитываемое значение напряжения, Вт;Uту
- значение напряжения, допустимого по ТУ, Вт;
г) для полупроводниковых триодов
(6)
где Ррасч - расчётная мощность, на
коллекторе, Вт;
Ррассеив - мощность рассеивания на
коллекторе, Вт;
е) для переключателей
(7)
(8)
где Ррассч - расчётная мощность, Вт;
Рту - мощность, заданная по ту, Вт; где I расч -
расчётный ток, мА;
I ту - ток,
заданный по ТУ, мА;
Рассчитаем коэффициент на лямбду (
), где
(9)
а) для резисторов
б) для конденсаторов, где
для
неэлектрических конденсаторов =0,07, а для электролитических =0,15
в) для транзисторов
г) для диодов, где
=0,19
Рассчитаем расчётную мощность Pрасч. (10)
а) для резисторов
(10)
б) для транзисторов
(11)
Рассчитаем количество паек и
всех элементов.
Дано:
всего-
Складываем
всех
элементов и получаем, что:
Всего = 0,557
,557+0,102=0,659
Расчет частоты отказов блока
бл
основывается на допущении независимости отказов, т. е. при расчете принимается,
что случайные отказы различных элементов блока не зависят друг от друга. Тогда
на основании известной теоремы умножения вероятностей независимых событий
вероятность безаварийной работы блока в течение заданного времени tз
определится с учетом формулы 2 как
, (12)
где
- частота отказов i-го элемента
блока, 1/ч;
п - число элементов блока, отказ
которых приводит к отказу блока.
-вероятность безотказной работы за
1000 часов.
За 5000 часов:
Учитывая изложенное выше, расчет ожидаемой
надежности аппаратуры (нерезервированных блоков), предназначенной для работы в
течение времени tз с момента
включения, ведется по следующей схеме:
1. Анализируется
принципиальная схема блока с точки зрения надежности:
а) Составляется структурная схема блока с точки
зрения надежности, которая состоит из последовательно соединенных элементов,
влияющих на нормальную работу блока (другими словами, в схему включаются
элементы, отказ которых приводит к отказу аппаратуры).
Примечание. При наличии в блоке резервных
элементов, они изображаются на структурной схеме в виде параллельных цепей и
расчет надежности последних проводится по методике оценки надежности
резервированных систем.
б) Составляется таблица режимов работы элементов
схемы по таблицам приложения.
Результаты заносятся в таблицу.
Конденсаторы:
|
№
|
С
|
U
|
Uту
|
k k
|
|
|
|
C1
|
1
мкф
|
10
B
|
25 B
|
0,07
|
0,4
|
0,028
|
|
C2
|
1000
ф
|
5
B
|
25 B
|
0,07
|
0,2
|
0,014
|
|
C3
|
1
мкф
|
1
B
|
25 B
|
0,07
|
0,04
|
0,0028
|
|
C4
|
1000
ф
|
3
B
|
15
B
|
0,07
|
0,2
|
0,014
|
|
C5
|
4700
ф
|
10
B
|
15
B
|
0,07
|
0,67
|
0,047
|
|
C6
|
0,1
мкф
|
14
B
|
15
B
|
0,07
|
0,93
|
0,065
|
|
C7
|
100
ф
|
15
B
|
25 B
|
0,07
|
0,6
|
0,042
|
Резисторы:
|
№
|
R
|
Pрасч.
|
U
|
Рту
|
k
|
k
|
|
R1
|
150 Ом
|
0,05
Вт
|
15
B
|
0,125
|
0,75
|
0,0525
|
|
R2
|
12000 Ом
|
0,016
Вт
|
14
B
|
0,125
|
0,128
|
0,00896
|
|
R3
|
2200 Ом
|
0,00045
Вт
|
1
B
|
0,125
|
0,0036
|
0,000252
|
|
R4
|
820 Ом
|
0,023
Вт
|
4,4
B
|
0,125
|
0,0028
|
0,000196
|
|
R5
|
1100 Ом
|
0,00009
Вт
|
0,1
B
|
0,125
|
0,00007
|
0,0000049
|
|
R6
|
160000 Ом
|
0,0005
Вт
|
3 B
|
0,125
|
0,0004
|
0,000028
|
|
R7
|
3900 Ом
|
0,001
Вт
|
2
B
|
0,125
|
0,0008
|
0,0012
|
|
R8
|
8200 Ом
|
0,0019
Вт
|
4 B
|
0,125
|
0,015
|
0,00105
|
|
R9
|
3000 Ом
|
0,012
Вт
|
6 B
|
0,125
|
0,096
|
0,0067
|
|
R10
|
430 Ом
|
0,0018
Вт
|
0,9 B
|
0,125
|
0,014
|
0,00098
|
|
R11
|
3300 Ом
|
0,0048
Вт
|
4
B
|
0,125
|
0,038
|
0,0027
|
|
R12
|
910 Ом
|
0,039
Вт
|
6 B
|
0,125
|
0,312
|
0,022
|
|
R13
|
160 Ом
|
0,15
Вт
|
5
B
|
0,125
|
0,7
|
0,084
|
|
R14
|
1000 Ом
|
0,001
Вт
|
1
B
|
0,125
|
0,008
|
0,00006
|
|
R15
|
1100 Ом
|
0,014
Вт
|
4 B
|
0,125
|
0,112
|
0,008
|
|
R16
|
1800 Ом
|
0,108
Вт
|
14 B
|
0,25
|
0,5
|
0,035
|
Транзисторы:
|
№
|
Pрасс
|
Pрассч
|
I
|
U
|
k k
|
|
|
|
VT1
|
150
мВт
|
6
мВт
|
8
мА
|
4
B
|
0,23
|
0,04
|
0,0092
|
|
VT2
|
150
мВт
|
6
мВт
|
0,8
мА
|
4
B
|
0,23
|
0,04
|
0,0092
|
|
VT3
|
150
мВт
|
1,5
мВт
|
30
мА
|
1
B
|
0,23
|
0,0023
|
|
VT4
|
150
мВт
|
25
мВт
|
15
мА
|
5
B
|
0,23
|
0,16
|
0,0368
|
|
VT5
|
150
мВт
|
9
мВт
|
10
мА
|
5
B
|
0,23
|
0,06
|
0,0138
|
|
VT6
|
150
мВт
|
9
мВт
|
10
мА
|
5
B
|
0,23
|
0,06
|
0,0138
|
|
VT7
|
150
мВт
|
50
мВт
|
15
мА
|
10
B
|
0,15
|
0,33
|
0,0495
|
|
VT8
|
150
мВт
|
0,8
мВт
|
15
мА
|
4
B
|
0,25
|
0,005
|
0,00125
|
Переключатели:
|
№
|
Iту
|
Iрасс
|
k k
|
|
|
|
SB1
|
100мА
|
30мА
|
0,12
|
0,3
|
0,06
|
Трансформаторы:
|
№
|
Iту
|
Ipacc
|
k k
|
|
|
|
Т1
|
2А
|
40мА
|
2
|
-
|
-
|
Диоды:
|
№
|
Iрас
|
Iту
|
Uрас
|
Uту
|
k k
|
|
|
|
VD1
|
-
|
-
|
5
B
|
150
B
|
0,19
|
0,033
|
0,00627
|
|
VD2
|
-
|
-
|
5
B
|
150
B
|
0,19
|
0,033
|
0,00627
|
|
VD3
|
2
мА
|
50
мА
|
-
|
-
|
0,19
|
0,04
|
0,0076
|
|
VD4
|
-
|
-
|
5
B
|
150
B
|
0,19
|
0,033
|
0,00627
|
.2 Методика разработки и расчёта печатной платы
Печатный проводник имеет большое отношение
ширины к толщине поперечного сечения, благодаря чему площадь поверхности
проводника большая.
Большая поверхность и хороший тепловой контакт с
изоляционным основанием обеспечивают интенсивную отдачу теплоты от проводника
изоляционной плате и в окружающее пространство, что позволяет пропускать через
печатные проводники значительно большие токи, чем через объемные того же
сечения.
Для печатных плат, используемых в бытовой
аппаратуре, допускается плотность тока до 30 А/мм2. При этом заметного нагрева
проводников не наблюдается.
Между двумя параллельно расположенными
проводниками могут появиться гальванические связи за счет утечек по изоляции, а
также емкостные. Емкость между печатными проводниками можно вычислить по
формуле
, (13)
Таким образом, паразитная ёмкость
0,36 пф, она не оказывает влияние на прохождение сигнала.
где С-емкость, пФ;
k-коэффициент,
зависящий от ширины проводников и их взаимного расположения
l-длина
взаимного перекрытия проводников, см;
-диэлектрическая проницаемость
среды, заполняющей пространство между проводниками.
Между двумя расположенными
параллельно проводниками, кроме емкостной существует индуктивная взаимосвязь.
Для расположения проводников,
показанных на рисунке взаимоиндукцию можно определить по формуле:
(14)
-очень мала и не влияет на
работоспособность прибора
где М - взаимоиндукция, нГн;
l - длина
проводника, см;
D -
расстояние между проводниками, см.
|
Обозначение
|
Наименование
|
Кол-во
|
Примечание
|
|
Резисторы
|
|
|
|
R1
|
C2-33-0,25-2,4кОм±10%
|
1
|
|
|
R2
|
C2-33-0,25-24кОм±10%
|
1
|
|
|
R3
|
C2-33-0,25-240кОм±10%
|
1
|
|
|
R4
|
C2-33-0,25-470Ом±10%
|
1
|
|
|
R5
|
C2-33-0,25-2,4кОм±10%
|
1
|
|
|
R6
|
C2-33-0,25-750Ом±10%
|
1
|
|
|
R7
|
C2-33-0,25-3,3кОм±10%
|
1
|
|
|
R8
|
C2-33-0,25-750Ом±10%
|
1
|
|
|
R9
|
C2-33-0,25-15кОм±10%
|
1
|
|
|
R10
|
C2-33-0,25-750Ом±10%
|
1
|
|
|
R11
|
C2-33-0,25-6,8кОм±10%
|
1
|
|
|
R12
|
C2-33-0,25-2,4кОм±10%
|
1
|
|
|
R13
|
C2-33-0,25-300кОм±10%
|
1
|
|
|
R14
|
C2-33-0,25-2,4кОм±10%
|
1
|
|
|
R15
|
C2-33-0,25-15кОм±10%
|
1
|
|
|
R16
|
C2-33-0,25-2,4кОм±10%
|
1
|
|
|
Диоды
|
|
|
|
VD1
|
Д223Б-0,19-5В
|
1
|
|
|
VD2
|
Д311-0,19-5В
|
1
|
|
|
VD3
|
Д223-0,19-2мА
|
1
|
|
|
VD4
|
Д311-0,19-5В
|
1
|
|
|
VD5
|
Д7Г-0,19-5В
|
1
|
|
|
VD6
|
КС156А
|
1
|
|
|
VD7
|
Д814В
|
1
|
|
|
Переключатели
|
|
|
|
SB1
|
П-2К
|
1
|
|
|
Транзисторы
|
|
|
|
VT1
|
КТ203Б
|
1
|
|
|
VT2
|
КТ203Б
|
1
|
|
|
VT3
|
КТ203Б
|
1
|
|
|
VT4
|
КТ201Г
|
1
|
|
|
VT5
|
КТ203А
|
1
|
|
|
VT6
|
КТ203Б
|
1
|
|
|
VT7
|
МП38А
|
1
|
|
|
Конденсаторы
|
|
|
|
C1
|
К-10-42-0,07-1мкф
|
1
|
|
|
C2
|
К-10-42-0,07-1000ф
|
1
|
|
|
C3
|
К-10-42-0,07-1мкф
|
1
|
|
|
C4
|
К-10-42-0,07-1000ф
|
1
|
|
|
C5
|
К-10-42-0,07-4700ф
|
1
|
|
|
C6
|
К-10-42-0,07-0,01мкф
|
1
|
|
|
C7
|
К-10-42-0,07-100ф
|
1
|
|
Заключение
Прибор удовлетворяет требованиям надёжности,
благодаря которой он может работать длительное время, лёгок в изготовлении.
Литература
1.
Каяцкас А.А. Основы радиоэлектроники: учебное пособие для студентов ВУЗов по
специальности «Конструирование и производство
радиоаппаратуры»-М.:Высш.шк.,2010.
.
Справочник по полупроводниковым диодам, транзисторам и интегральным схемам/под
общ. ред. Н.Н.Горюнова-М,:Энергия,2011.
.
Терещук P.M..
Терещук К.М., Седов С.А. Полупроводниковые приемно-усилительные устройства:
Справочник радиолюбителя-Киев :Hayкова
думка, 2012.
.
Скаржепа В.А., Сенько В.И. Электроника и микросхемотехника: Сборник задач/под
общ, ред. Красношеиной, -Киев: Выщя школа, 2009.
.
Манаев Е.И. Основы радиоэлектроники: учеб. для вузов. - М.: МИРЭА, 2008- 512 с.
Приложение