Вещательный радиоприёмник
Министерство образования Российской
Федерации
Новосибирский государственный
технический университет
Факультет: РЭФ
Пояснительная записка к курсовой
работе
по дисциплине: Радиоприёмные
устройства
на тему:
Вещательный радиоприёмник
Студент: Асабин А.В.
Группа: РТ5-91УК
Проверил: Киселёв А.В.
Новосибирск 2002
Содержание
Задание на
курсовое проектирование:
Введение
. Выбор
обоснование и расчёт структурной схемы:
.1 Выбор
промежуточной частоты
.2 Нахождение
спектра полезного сигнала
.3 Расчёт
полосы пропускания приёмника
.4 Выбор селективной системы
преселектора
.5 Коэффициент шума
.6 Решение задачи усиления сигнала.
Распределение усиления между отдельными каскадами. Выбор ИМС
.7 Выбор УРЧ
.8 Требования
к источнику питания
.9 Автоматическая регулировка усиления
. Расчет
входной цепи
. Расчет
согласующих цепей
. Расчёт УНЧ
Перечень
используемой литературы
Задание на
курсовое проектирование
1. Диапазон частот: fmin= 65 МГц, fmax= 80 МГц
2. Чувствительность 10-10 Вт
3. Входное сопротивление 75 Ом
4. Вид модуляции: ЧМ
5. Параметры модулирующего сигнала
0.3-15 КГц
Девиация
частоты
75 КГц
1. Селективность по зеркальному каналу
80 дБ
2. Селективность по каналу прямого
прохождения 90 дБ
Селективность
по соседнему каналу 70 дБ
1. Выходная мощность Р=1 Вт R=8 Ом
2. Отношение с/ш на выходе линейной
части 10дБ
3. Относительная нестабильность частоты
сигнала 10-5
4. Изменение уровня выходного сигнала на
3 дБ
5. при изменении уровня входного сигнала
на: 68 дБ
6. Питание: +24В
Введение
Важнейшим функциональным элементом радиотехнических систем является
радиоприёмное устройство, способное воспринимать слабые радиосигналы и
преобразовывать их к виду, обеспечивающему использование содержащейся в них
информации.
Появившиеся в последнее время интегральные микросхемы и фильтры, по сути,
представляют собой элементную базу функциональной электроники. Разработка
радиоприёмных устройств, выполненных на их основе, отличается от традиционного
проектирования смещением акцентов в сторону системных вопросов. При этом
радиоприемное устройство рассматривают как совокупность узлов, решающих задачи:
частотной селекции, усиления и демодуляции полезного сигнала, а также
подавления помех.
Такое обобщенное понимание радиоприёмных устройств позволяет подойти к их
проектированию с системных позиций. В прикладном плане это во-первых, даёт
систематизированный подход к синтезу структурной схемы, во-вторых, облегчает
разработку принципиальной схемы радиоприёмных устройств, в-третьих, позволяет
оптимизировать синтезируемое устройство.
Внедрение микропроцессоров позволяет автоматизировать радиоприемные
устройства; реализовывать эффективные методы обработки сигналов, анализ
помеховой обстановки с использованием результатов для адаптивного регулирования
приемника и др. Все это расширяет функциональные возможности приемников,
упрощает технологию изготовления, обеспечивает удобство эксплуатации.
1. Выбор
обоснование и расчёт структурной схемы
Синтез структурной схемы РПУ следует начинать с анализа технического
задания и способов его решения. Для этого следует рассмотреть задачи которые
должно решать РПУ.
. Задачу частотной селекции полезных сигналов.
. Задачу усиления сигналов до уровня, необходимого для нормального
осуществления их демодуляции.
. Задачу подавления помех.
Исходя из заданного технического задания (ТЗ) произведем расчет основных
параметров РПУ.
1.1 Нахождение спектра полезного сигнала
Диапазон модулирующих частот:
Fmin= 300 Гц, Fmax= 5000 Гц;
Ширина принимаемого спектра:
SАМ
= 2 × Fmax= 2× 5000 = 10кГц.
1.2 Расчет полосы пропускания приемника
Максимальная нестабильность частоты сигнала:
DfC = fmax×dC=1600×103×10-5 = 16 Гц
Максимальная частота гетеродина:
fГ
= fmax+fПР=1600×103+465×103 = 2,065 МГц
Максимальная нестабильность частоты гетеродина:
Относительную нестабильность частоты гетеродина примем dГ = 10-5
DfГ
= fГ×dГ=2,065×106×10-5 = 20,65 Гц
Полоса пропускания приемника:
П
= SАМ+2
10,052 кГц
<1.1
Значит
АПЧ ненужно
1.3
Выбор селективной системы преселектора
Селективные
системы преселектора должны обеспечивать подавление помех по дополнительным
каналам приема. Как правило, в приемниках в преселекторе применяются
перестраиваемые одиночные контуры или пара связанных контуров. Селективная
система преселектора выбирается из условия обеспечения подавления помехи по
зеркальному каналу. Для этого нужно оценить возможность подавления помех
одиночным контуром и двумя связанными контурами. Из таблицы 2 [2стр.11] выберем
значение добротности Q0=150, а
значение эквивалентной добротности примем Qэ = Q0/2.5 =
60. Вычислим частоту зеркального канала:
fЗК = fmax+2×fПР = 1600×103+2×465×103 =
2530000 Гц
Вычисляем
обобщенную расстройку:
x = 
Se1=
1(дБ) =
20×log(Se1) = 20×log(57) = 35 дБ
Селективность
по зеркальному каналу, обеспечиваемая двухконтурной системой:
Se2=
2(дБ) =
20×log(Se2) = 20×log(1625) = 65,2 дБ
Требуемая
селективность по зеркальному каналу в 80 дБ, обеспечивается двумя
двухконтурными системами, которые мы и будем использовать в качестве входной
цепи.
Проверим,
обеспечивает ли двухконтурная система селективность по каналу прямого
прохождения:
x =
=
(дБ) =
20×log(Se)=20×log(459) = 54,2 дБ
В ТЗ задана 100 дБ, отсюда следует, что две двухконтурные системы будут
обеспечивать селективность по каналу прямого прохождения.
Для обеспечения селективности по соседнему каналу будет использоваться
стандартный фильтр основной частотной селекции ПФ1П-5-4 его параметры:
. рабочая частота 465 кГц.
. полоса пропускания по уровню 6 дб9-14 кГц, затухание в полосе
пропускания 7 дб
. коэффициент прямоугольности по уровню 60 дб 4
. Входное/выходное сопротивление 2000/1000 Ом
Рассчитаем коэффициент передачи по напряжению фильтра
Этот фильтр обеспечивает селективность по соседнему каналу, заданной в
ТЗ.
1.4 Коэффициент шума
Чувствительность приемника:
RA = 50 Ом - Сопротивление антенны.
1,8×10-11 Вт
k = 1.38×10-23 - постоянная Больцмана
T0 = 300 K - температура
q = 10 -
отношение сигнал/шум
Коэффициент
шума:
Коэффициент
шума РПУ получился очень большой, значит проектирование РПУ можно производить
без учёта шумовых свойств отдельных каскадов (шумовые свойства обеспечиваются
автоматически).
1.5 Решение задачи усиления сигнала. Распределение усиления
между отдельными каскадами. Выбор ИМС
Усиление сигнала в РПУ необходимо по двум причинам. Во-первых, для
обеспечения заданного уровня выходного сигнала приемника. Во-вторых, для
обеспечения необходимых уровней сигналов на входах нелинейных элементов
приемного тракта, входящих в состав детектора.
Рассчитаем необходимый коэффициент усиления РПУ:
Напряжение на выходе РПУ:
UВЫХ=
В
Коэффициент
усиления:
В
качестве УРЧ, смесителя, гетеродина, УПЧ, детектора АМ и АРУ, будем
использовать многофункциональную микросхему. Такие микросхемы очень удобны для
разработки радиовещательных РПУ. Проектирование такого тракта своеобразно. Оно
сводиться к выбору типа микросхемы, удовлетворяющей требованиям к РПУ по
диапазону рабочих частот, чувствительности и виду модуляции входного сигнала.
Обычно в справочных данных на многофункциональную микросхему приводятся её
типовая схема включения, а также номиналы элементов, входящих в эту схему.
Поэтому дальнейшая разработка сводится к расчету колебательных цепей
преселектора, гетеродина и ФСС.
Выберем
многофункциональную микросхему типа К174ХА2, которая включает в себя: Усилители
высокой частоты, усилители АРУ, гетеродин, смеситель, стабилизатор напряжения и
усилитель промежуточной частоты.
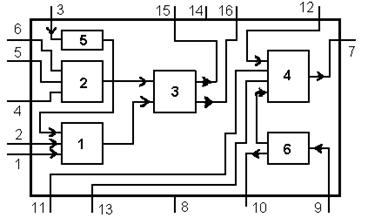
Функциональная схема микросхемы приведена на рис. 1.
Рисунок
1 - Функциональная схема К174ХА2: 1 - УВЧ; 2 - гетеродин; 3 - смеситель; 4 -
УПЧ; 5 - УПТ АРУ УВЧ; 6 - УПТ АРУ УПЧ
Назначение
выводов К174ХА2: 1, 2 - входы УВЧ; 3 - вход УПТ; 4, 5, 6 - выводы гетеродина; 7
- выход УПЧ; 8 - общий; 9 - вход УПТ; 10 - выход индикации; 11, 12 - вход УПЧ;
13 - вывод УПЧ; 14 - напряжение питания; 15, 16 - выводы смесителя.
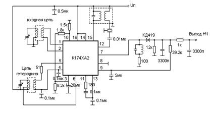
На
рис. 2. приведена типовая схема включения интегральной микросхемы К174ХА2.
Рисунок
2- Типовая схема включения К174ХА2
Основные
технические характеристики К174ХА2:
Напряжение
питания………………………………12 В
Ток
потребления……………………………………16 мА
Коэффициент
усиления…………………………….2000
Входное
сопротивление УВЧ………………………3 кОм
Выходное
сопротивление смесителя………………1 кОм
Входное
сопротивление УПЧ………………………3 кОм
Выходное
сопротивление УПЧ…………………….60 кОм
Частота
входного сигнала………………………….<27 МГц
1.6
В качестве УРЧ выбрана микросхема К174УР10
Электрические
параметры ИМС К174УР10 при Uпит = 12В
Uпит……………………………………………………..12
В
Iпот…………………………………………..не
более 25мА
Диапазон
рабочих частот ………………………….-30 МГц
Кш………………………………………………не
более 5 дБ
Ку.u при
Uпит=12В; f=25МГц; Uвх=1мВ…………….40
дБ
Rвх…………………………………………………….100
Ом
Rвых………………………………………………..…200
Ом
Рисунок
3 - Типовая схема включения ИМС К174УР10
Назначения выводов микросхемы К157УР10:
- вход усилителя высокой частоты;
- +Uпит.
,3 - выходы усилителя высокой частоты;
- Общий;
1.7 Требования к источнику питания
Напряжения источника питания выбирается таким, чтобы обеспечить
необходимую мощность потребления радиоприемного устройства.
Источник
питания должен обладать выходным напряжением 12 В
А также должен обеспечивать ток потребления не мене 40 мА
радиоприемный частота сигнал преселектор
Цепи автоматической регулировки усиления (АРУ) используются практически
во всех радиоприемниках. Необходимость их применения определяется тем, что
усиления трактов приемника рассчитано на минимальный уровень входного сигнала,
а реальные сигналы могут их значительно превосходить по уровню. В этом случаи
может произойти перегрузка отдельных каскадов. АРУ обеспечивает малое изменения
уровня выходного сигнала, при достаточно больших изменения входного сигнала.
Важным параметром АРУ является глубина регулировки усиления, для
рассчитываемого приемника глубина регулировки составляет Г=70-5=65дБ, данную
глубины регулировки может обеспечить, типовая схема включения цепей АРУ в
микросхеме К174ХА2.
Структурная схема радиоприемного устройства приведена на рис. 3.
Перестройка по диапазону обеспечивается входной цепью УРЧ.
Рисунок
4 - Структурная схема радиоприемного устройства
2. Расчет
входной цепи
В качестве входной цепи будем использовать двухконтурную систему.
Рассматриваемая цепь обладает повышенными частотно-селективными
свойствами. Она широко применяется в преселекторах профессиональных РПУ, а также
в качестве цепи, обеспечивающей селекцию в трактах ПЧ. Возможны несколько
вариантов построения данного вида цепей, зависящих от межконтурной связи.
Наиболее часто двухконтурные цепи используются в преселекторах
супергетеродинных приемников.
Выше были выбраны для преселектора две пары связанных контуров. Одна
двухконтурная система ставится на входе УРЧ, обеспечивая связь антенны и УРЧ.
Другая пара связанных контуров ставится на выходе УРЧ и обеспечивает связь УРЧ
со смесителем.
Рассчитаем входную цепь.
RА = 50 Ом, RВХ.УВЧ = 100 Ом, добротность контура QO = 150, QЭ=60, CCX.MAX = 250 пФ. Перестройку по диапазону будем осуществлять при помощи
конденсаторов переменной ёмкости.
Рисунок 5 - Схема принципиальная электрическая входной цепи
Найдем собственное и эквивалентное затухания контура.
С0
= 20пФ
Коэффициент передачи пары связанных контуров
Рассчитаем остальные элементы
Найдем CСВ2
В
качестве УРЧ применяем микросхему К174УР10.Ее коэффициент усиления по
напряжению равен
Рассчитаем
теперь пару связанных контуров, которая ставится на выходе УРЧ.
Так
как контура идентичны и настраиваются на ту же частоту, что и контур во входной
цепи, то значения номиналов элементов оставляем те же, что и у входной цепи,
пересчитаем только коэффициенты передачи, коэффициенты включения.
Нагрузкой
контура будет микросхема смесителя К174ХА2 с входным сопротивлением 3000 Ом.
Контура подключаются к выходу УРЧ с выходным сопротивлением 200Ом
Коэффициент передачи пары связанных контуров
3. Расчет
согласующих цепей
Согласующие цепи нужны для согласования выхода смесителя и входа ФСС, и
для согласования выхода ФСС со входом УПЧ.
В качестве согласующих цепей возьмем Г-цепи.
Расчет первой Г-цепи:
Рисунок 6 - Схема согласующей цепи
R1
= 1000 Ом -
выходное сопротивление смесителя
R2
= 2000 Ом -
входное сопротивление ФСС
Находится добротность:
Q=
Значения
реактивных сопротивлений:
x1=
Ом
x2=Q×R2=1×2000=2000 Ом
Значения
емкости и индуктивности:
w = 2×p× 465000 = 2,92×106
Рад/c
С1=
= 3.423×10-10
Ф
L2=
= 0.000685 Гн
Оценим коэффициент передачи цепи.
Расчет второй Г-цепи
R1=1000 Ом - выходное сопротивление ФСС
R2=3000 Ом - входное сопротивление УПЧ
Находится добротность:
Q =
= 1,414
Значения
реактивных сопротивлений:
x1 =
Ом
x2 = Q×R2=1,414×3000 = 4243 Ом
Значения
емкости и индуктивности:
С1=
= 4.84×10-10
Ф
L2=
= 0.001452 Гн
Оценим коэффициент передачи цепи
Найдем общий коэффициент передачи
Необходимое
усиление обеспечивается
4. Расчет усилителя низкой частоты
Так как в рамках данного курсового проекта он не рассчитывается, то
предъявим к нему требования.
Входное сопротивление 1 кОм.
Должен обеспечивать 2 Вт на сопротивлении нагрузки в 10Ом.
УНЧ должен обеспечить полосу пропускания от 300 Гц до 5000 Гц.
Напряжение питания 12В
На основе рассчитанных данных составляем окончательный вариант
электрической принципиальной схемы.
Перечень
используемой литературы
1. Устройства
приёма и обработки сигналов: Методические указания к курсовому проектированию
для студентов IV-V курсов факультета РЭФ дневного и
заочного отделений / А.В. Киселев, А.Н. Романов. - Новосибирск: Изд-во НГТУ,
1999 г.
.
Проектирование радиоприёмных устройств / Под ред. А.П. Сиверса. - М.: Сов.
радио, 1976.
. Горшелев
В.Д., Красноцветова З.Г., Федорцев Б.Ф. Основы проектирования радиоприёмников.
- Л.: Энергия, 1977.
. Аналоговые
интегральные микросхемы для бытовой радиоаппаратуры: Справочник - 2-е изд. -
М.: Изд-во МЭИ, 1993.