Анализ систем радиорелейной связи и расчет трасс между узлами
ГОСУДАРСТВЕННОЕ
БЮДЖЕТНОЕ ОБРАЗОВАТЕЛЬНОЕ УЧРЕЖДЕНИЕ ВЫСШЕГО ПРОФЕССИОНАЛЬНОГО ОБРАЗОВАНИЯ
ТАМБОВСКИЙ
ГОСУДАРСТВЕННЫЙ УНИВЕРСИТЕТ
ИМЕНИ
Г.Р.ДЕРЖАВИНА
Институт
математики, физики и информатики
Кафедра
общей физики
Допущен
к защите _____________
Зав.
кафедрой общей физики
д.ф.-м.н.,
профессор Федоров В.А.
«____»
__________ 201_ г.
анализ систем радиорелейной связи и расчет трасс между узлами
Бакалаврская
работа
Студент
4 курса 47 группы
Литвинов
Кирилл Андреевич
Специальности
«Инфокоммуникационные технологии и системы связи»
Руководитель:
д.т.н., профессор кафедры общей физики
Пасечников
Иван Иванович
Тамбов -
2015
СОДЕРЖАНИЕ
ОСНОВНЫЕ ПОНЯТИЯ И
ОПРЕДЕЛЕНИЯ
ВВЕДЕНИЕ
. ОБЩАЯ
ХАРАКТЕРИСТИКА РАДИОРЕЛЕЙНОЙ СВЯЗИ
.1 Общие
характеристики систем радиорелейной связи
.2 Особенности и
общие принципы построения радиорелейных линий связи прямой видимости
.3 Классификация
радиорелейных линий
.4 Виды модуляции,
применяемые в радиорелейных системах передачи
.5 Аппаратура
радиорелейных линий прямой видимости.
Приемопередающая
аппаратура радиосвязи
.6 Тропосферные
радиорелейные линии
.7 Выводы по главе
1
. РАСЧЕТ КАНАЛОВ
СВЯЗИ С УЧЕТОМ ПЕРЕСЕЧЕННОЙ МЕСТНОСТИ
.1 Расчет профиля
канала связи
.2 Вычисления
затухания в радиочастотном канале
.3 Дублирование
антенн, частот и путей распространения радиоволн
.4 Выводы по главе
2
ЗАКЛЮЧЕНИЕ
СПИСОК ИСПОЛЬЗУЕМОЙ ЛИТЕРАТУРЫ
ОСНОВНЫЕ ПОНЯТИЯ И ОПРЕДЕЛЕНИЯ
Радиорелейная связь - радиосвязь, основанная на
ретрансляции радиосигналов метровых (ОВЧ), дециметровых (УВЧ) сантиметровых волн
(СВЧ) волн станциями, расположенными на поверхности земли.
Радиорелейная станция (РРС) - приемопередающая
станция, с помощью которой обеспечивается радиорелейная связь.
Оконечная РРС (ОРС) - РРС, устанавливаемая на
концах РРСП.
Промежуточная РРС (ПРС) - РРС, с помощью которой
обеспечивается ретрансляция радиосигнала (прием, усиление, сдвиг по частоте,
передача в направлении следующей РРС).
Узловая РРС (УРС) - РРС, где часть каналов
ретранслируется, а часть каналов выделяется, вместо выделенных каналов могут
вводится новые.
Канал связи - совокупность технических средств,
обеспечивающих передачу сообщений от источника к получателю, а также среда
распространения радиоволн (РРВ).
Радиорелейный ствол или линейный тракт -
совокупность радиотехнических устройств между комплексами каналообразующей
аппаратуры (КОА) двух ОРС, а также среда РРВ.
Тракт РРВ - среда РРВ.
Простой радиорелейный ствол - радиорелейный
ствол, организованный двумя ОРС без ретрансляции сигнала.
Составной радиорелейный ствол - радиорелейный ствол
при наличии одной и более ретрансляций.
Раздаточный ствол - это ствол, где
регламентируется число ответвлений и ретрансляций в групповом тракте и тракте
низкой частоты (НЧ) - транзит отдельных каналов связи.
Радиорелейная линия (РРЛ) - совокупность РРС и
трактов РРВ или совокупность каналов, используемых для радиорелейной связи.
Радиорелейный интервал (пролет) - часть РРЛ
между соседними РРС, включающая аппаратуру и тракт РРВ.
Радиорелейный участок - часть РРЛ связи,
ограниченная двумя близлежащими РРС, которые являются оконечными или узловыми.
Сдвиг по частоте - это сдвиг частот между
сигналами сверхвысоких частот (СВЧ) трактов передачи и приема.
Многоствольная РРСП - совокупность нескольких
однотипных и разнотипных РРСП и отдельных стволов, имеющих общий тракт РРВ,
общие ОРС и ПРС, а также устройства их обслуживания.
Трасса - расположение РРС на местности или
карте.
Местная первичная сеть Взаимосвязанной сети
связи (ВСС) служит для связи внутрирайонных сельских и городских абонентов с
местными узлами и станциями.
Внутризоновая первичная сеть ВСС РФ соединяет
областные центры с районными центрами и крупными областными городами.
Зоновая сеть ВСС - совокупность местных и
внутризоновых сетей на территории области.
Цифровой ствол - радиорелейный ствол, в котором
цифровой сигнал передается во всем спектре основной полосы частот.
План распределения частот - это определенный
порядок распределения частот между РРС и стволами данной РРС.
ВВЕДЕНИЕ
Одним из основных видов средств связи являются
радиорелейные линии прямой видимости, которые используются для передачи
сигналов многоканальных телефонных сообщений, радиовещания и телевидения,
телеграфных и фототелеграфных сигналов, передача газетных полос. Все виды
сообщений передаются по РРЛ на большие расстояния с высоким качеством и большой
надежностью.
В условиях большой дальности передачи информации
с высокой скоростью применения, РРЛ является одним из важнейших направлений
развития систем связи
Сейчас в России производят радиорелейное
оборудование, имеющее высокую надежность, малые габариты, низкое потребление
энергии и невысокую стоимостью. В них использована современная элементная база,
учтены потребительские требования по эксплуатации и обслуживанию, они
обеспечиваются современными системами телеуправления [5]. При этом
отечественные РРС лучше приспособлены к эксплуатации в наших климатических
условиях: от субтропиков до Крайнего Севера.
Объектом рассмотрения в работе является РРС.
Предмет исследования - принципы и основные
технологии современных РРС.
Целью работы является - анализ современных
систем РРЛ связи, подходов к увеличению скорости передачи информации.
Решаемые задачи:
Рассмотреть:
· особенности и общие принципы
построения радиорелейных линий связи прямой видимости;
· классификацию радиорелейных линий;
Изучить:
· аппаратуру радиорелейных линий
прямой видимости;
· приемопередающую аппаратуру
радиосвязи;
· тропосферные радиорелейные линии;
Привести методы расчета:
· профиля канала связи;
· вычисления затухания в радиочастотном канале;
· дублирование антенн, частот и путей
распространения радиоволн;
Работа состоит из введения, двух глав,
заключения и списка литературы.
. ОБЩАЯ ХАРАКТЕРИСТИКА РАДИОРЕЛЕЙНОЙ СВЯЗИ
1.1 Общие
характеристики систем радиорелейной связи
А. Общие сведения
Радиорелейная связь - это вид дуплексной
радиосвязи на ультракоротких волнах с многократным переприемом сигналов. Термин
«relay» означает восстановление (смену бегунов в эстафете, смену лошадей и
т.д.). Применительно к радиорелейной связи этот термин означает восстановление
сигналов на каждой промежуточной станции, замену слабого сигнала сильным.
Радиорелейные станции делятся на два типа -
радиорелейные станции прямой видимости и радиорелейные станции тропосферного
рассеяния.
В первом случае трасса выбирается так, чтобы
между антеннами соседних станций имелась прямая видимость, и связь
осуществляется за счет радиоволн, распространяющихся вдоль поверхности земли.
Во втором случае радиоволны достигают точки
приема за счет рассеяния на неоднородностях тропосферы.
Радиорелейная связь обеспечивает
[9]:
· многоканальность, высокую пропускную
способность;
· большую дальность связи;
· дуплексность каналов и трактов;
· строгую нормированность качественных
показателей и электрических характеристик каналов и трактов, низкий уровень в
них шумов и помех.
Характерными особенностями радиорелейной связи
является [16]:
· применение метода радиосвязи на УКВ
земной волной, дальность которой резко ограничена;
· использование принципа ретрансляции
сигналов для обеспечения требуемой дальности связи;
· применение, как правило,
остронаправленных антенн.
Радиорелейные средства связи применяются для
развертывания (cтроительства) полевых и стационарных многоканальных линий между
узлами связи. Они используются, как правило, самостоятельно для строительства
радиорелейных линий, а также для наращивания линий радио - и проводной связи,
для дистанционного управления радиостанциями средней и большой мощности.
Радиорелейные средства позволяют осуществлять дуплексную,
многоканальную телефонную, телеграфную, факсимильную и видеотелефонную связи
при высоком их качестве и малой зависимости от времени года и суток, от
атмосферных и местных электрических помех.
Каналы связи, образованные радиорелейными
средствами связи используются, как правило, в комплексе с аппаратурой
автоматического засекречивания [4].
Связь между двумя удаленными пунктами образуется
путем использования ряда приемо-передающих радиорелейных станций, отстоящих
друг от друга на расстоянии прямой геометрической видимости между их антеннами.
Б. Краткое историческое обозрение
Развитие многоканальной радиорелейной связи
относится к началу 40-х годов, когда появляются первые 12-канальные радиолинии,
использующие тот же, что и для кабельных линий, способ частотного разделения
каналов и ту же каналообразующую аппаратуру, а также частотную модуляцию
сигнала.
В начале 50-х годов появилось сразу несколько
типов отечественной аппаратуры РРЛ («Стрела», Р-60/120, Р-600). В дальнейшем на
сети связи страны появились радиорелейные системы прямой видимости РРСП
«Рассвет», «Восход», КУРС (комплекс унифицированных радиорелейных систем),
«Электроника-связь» и др. Общая протяженность РРЛ, эксплуатируемых в народном
хозяйстве СССР, составляет более 100 тысяч км [2].
Освоение природных богатств Дальнего Востока и
Сибири потребовало резкого увеличения протяженности ретрансляционных участков
РРЛ для обеспечения связью труднодоступных и отдаленных районов нашей страны.
Для создания линий связи, удовлетворяющих этим требованиям, был использован
открытый в начале 50-х годов эффект дальнего тропосферного распространения ДТР
дециметровых и сантиметровых радиоволн. Используя ДТР, удалось создать новый
тип тропосферных радиорелейных систем передачи ТРСП с расстояниями между
соседними станциями 150 ... 300, а в отдельных случаях и 600 ... 800 км. К 1965
г. в мире эксплуатировалось уже более 100 тысяч км. Тропосферных линий. В
Советском Союзе было создано несколько типов ТРСП «Горизонт-М», ТР-120/ДТР-12 и
др.
Развитие космической техники, пионерами создания
которой являлись такие советские ученые, как академики С. П. Королев и М. В.
Келдыш, позволило создать спутниковые системы передачи ССП. В 1965 г. вступила
в строй первая советская спутниковая система, использующая ИСЗ «Молния-1» и предназначенная
для передачи сигналов многоканальной телефонии и телевидения. В последующие
годы были созданы ССП, использующие ИСЗ «Молния-2», «Молния-3», «Экран»,
«Радуга», «Горизонт» и др. [22].
Спутниковые системы передачи позволяют
(совместно с РРСП) обеспечить более 90% населения нашей страны одной
телевизионной программой и около 75% двумя и более.
Построение системы передачи зависит от многих
факторов, таких как вид сообщения, критерии качества передачи сигнала,
стоимости и т. д. Обычно при проектировании системы передачи информации
предполагается заданным вид сообщения, а также корреспондирующие пункты. Уже на
первом этапе проектирования должен быть сделан выбор наиболее подходящей
системы, удовлетворяющей требованиям к пропускной способности, качеству
передачи и дальности связи и учитывающей соображения социально-экономического
характера.
Основным критерием выбора системы передачи
является экономическая эффективность, определяемая капитальными затратами и
эксплуатационными расходами. При окончательном выборе учитывают и такие
показатели, как надежность передачи информации по каналам, продолжительность
действия и скорость внедрения системы, повышение производительности труда,
расход электроэнергии (особенно при отсутствии централизованного энергоснабжения)
и т. д. [12]
Создание систем, предназначенных для связи ЭВМ
друг с другом, породило новые, более жесткие требования к качеству передачи и
увеличило без того быстро растущий объем передаваемой информации. Требования
уменьшить потери достоверности до 10 ... 10 и увеличить скорость передачи
информации до сотен мегабит в секунду уже сегодня не является чрезмерным.
В. Основные задачи при разработке РРС
Передача в одном стволе радиорелейной или
спутниковой линии связи тысяч, а в ближайшем будущем десятков тысяч,
высококачественных ТЧ сигналов потребовала уменьшить все возможные виды
искажений до фантастически малых значений. Например, коэффициент нелинейных
искажений в модемах и групповых трактах таких линий исчисляется тысячными
долями процента, а неравномерность группового времени запаздывания в полосе 30
... 40 МГц - единицами и даже долями наносекунды. Такое повышение требований
может быть удовлетворено только совместным совершенствованием технических
средств передачи информации и теоретических исследований.
К задачам, требующим теоретических исследований,
относятся [3]:
· экономически и технически
целесообразное распределение трудностей, возникающих при выполнении столь
высоких требований между оконечным канальным оборудованием (сложными
кодирующими устройствами) и оборудованием тракта передачи (приемопередающими
антеннами, аппаратурой и т. д.);
· нахождение таких методов передачи и
кодирования, которые в условиях воздействия аддитивных и мультипликативных
помех приближали бы скорость передачи информации и ее точность к соотношениям,
следующим из известной теоремы Шеннона (при сохранении разумной сложности
оборудования).
Совершенствование технических средств передачи
информации идет в основном двумя путями.
Во-первых, это исследования и разработка новых
каналов передачи информации, основанных на новых физических принципах:
использование эффекта дальнего тропосферного распространения, освоение новых
диапазонов волн, включая оптический, разработка и волоконно-оптических
световодов, разработка и внедрение спутников Земли - носителей
ретрансляционного оборудования.
Во-вторых, совершенствование аппаратуры,
обеспечивающей передачу и обработку информации: использование новых изделий
электронной промышленности - интегральных схем, транзисторов, способных
функционировать на все более высоких частотах, в частности, использующих новые
физические процессы; создание на базе микропроцессоров оконечного оборудования
для приема и обработки дискретной информации, которое путем динамического
программирования ЭВМ может обеспечить, например, изменение скорости или даже
способа передачи в соответствии с изменением условий в канале связи [6].
На современном этапе развития сеть связи нельзя
рассматривать только как совокупность отдельных устройств (оконечного
оборудования, модемов, радиоканала). Нужен новый, более общий подход,
позволяющий синтезировать наиболее экономичные и надежные сети с учетом
реальных возможностей усложнения этих устройств. Следует ожидать усложнения
оконечного оборудования, позволяющего выполнять операции кодирования и
автоматического управления передачи информации. При создании
интегрально-цифровой сети связи следует ожидать еще большего изменения
соотношения их стоимости. В ближайшее десятилетие ожидается постепенный переход
к передаче информации в цифровом виде, однако по крайней мере 10 ... 15 лет
аналоговые системы останутся основными при передаче сигналов телевидения и
телефонии [3].
Радиорелейная линия (РРЛ) состоит из оконечных и
промежуточных радиорелейных станций (РРС), размещенными на местности с некоторыми
интервалами, протяженность которых определяется условиями распространения УКВ
вдоль земной поверхности и обычно не превышает 50 км. Для улучшения условий
прохождения УКВ на интервалах и увеличения их длины РРС, как правило,
развертывают на вершинах и скатах высот местности так, чтобы на интервалах
между антеннами обеспечивалась «прямая видимость», а точнее «радиовидимость»,
под которой понимается отсутствие экранирования рельефом местности или
массивами местных предметов (лес, строения) траекторий радиоволн,
распространяющихся между антеннами РРС данного интервала в условиях нормальной
рефракции радиоволн.
Для увеличения протяженности интервалов на
равнинной и малопересеченной местности, а также для обеспечения возможности
организации радиорелейной связи в условиях лесистой местности применяют
сравнительно высокие (до 20-30 м) антенные опоры (мачты). В условиях равнинной
местности предельная дальность прямой видимости определяется приближенной
формулой [14]:
km =
3.57(
+
);
(1)
где h1 и h2 - высоты антенных опор.
Нормальная рефракция радиоволн искривляет их
траекторию в сторону поверхности земли (выпуклостью вверх), благодаря чему
радиовидимость возрастает. Предельная дальность радиовидимость при нормальной
рефракции радиоволн определяется выражением [14]:
km =
4,12(
+
);
(2)
При высоте антенных опор до 20-30 м дальность
связи составляет 35-40 км.
Необходимость применения для радиорелейной связи
УКВ обусловлена рядом причин и прежде всего широкополостностью радиосигналов
РРС. Эта причина, а также дуплексность связи, удваивающая требуемый расход
полосы частот, приводят к необходимости использовать диапазоны частот,
обладающие большой частотной емкостью, к каковым относится диапазон УКВ.
Широкополосность радиосигналов РРС в свою
очередь обусловленна двумя причинами: применяемыми методами модуляции и
требованием многоканальности, т.е. большой пропускной способностью РРС. Дело в
том, что для радиорелейной связи пригодны не всякие методы модуляции, а только
частотная модуляция (ЧМ) и импульсные методы модуляции (ИМ), из которых
наиболее часто используется фазоимпульсная модуляция (ФИМ), реже
кодо-импульсная модуляция (КИМ) и дельта-модуляция [17].
Пригодность ЧМ и ИМ для радиорелейной связи
объясняется тем, что при этих видах модуляции уровень полезного сигнала на
выходе радиоприемных устройств, а следовательно, и в каналах, не зависит от
уровня радиосигнала на входе соответствующего радиоприемного устройства.
Благодаря этому в условиях замирания радиосигналов на интервалах РРЛ остаточное
затухание каналов и трактов РРЛ сохраняется постоянным, т.е. выполняется важное
требование, предъявляемое к любым каналам дальней связи и, в частности, к
каналам РРЛ. При таких видах модуляции, как, например, амплитудная (АМ) и
однополосная (ОПМ), эти требования выполняться не будут, причем вследствие
значительной глубины и «быстроты» замираний радиосигналов на интервале РРЛ
необходимую стабильность остаточного затухания обеспечивать оказывается
затруднительным, даже при использовании сложных систем АРУ в радиоприемных
устройствах [7].
Однако, как известно ЧМ и ИМ характеризуются
большой широкополосностью радиосигналов, требующей соответственно большего
расхода полосы частот.
Фактор многоканальности (высокой пропускной
способности) РРЛ в свою очередь так же требует соответствующего увеличения
расхода полосы частот, занимаемой радиосигналами РРС при ЧМ и ИМ. Взятые в
совокупности эти две причины приводит к тому, что радиосигналы РРС нередко
охватывают полосы частот в сотни и тысячи килогерц, а иногда и в единицы и
десятки мегагерц.
Второй важной причиной наряду с
широкополосностью сигналов обуславливающей необходимость применения для радиорелейной
связи УКВ, является почти полное отсутствие в этих диапазонах атмосферных и
промышленных помех от источников радиоизлучения, находящихся за горизонтом.
Низкий уровень внешних помех наряду с высокой помехоустойчивостью ЧМ и ИМ
позволяет получить требуемый нижний уровень шумов в каналах и трактах РРЛ, т.е.
обеспечить их высокую шумовую защищенность [19].
В настоящее время системы радиорелейной и
тропосферной связи продолжают совершенствоваться в различных направлениях,
увеличиваются пропускная способность и помехоустойчивость, разрабатываются
новые системы связи, радиорелейные линии в миллиметровом диапазоне волн и
волноводные линии связи, обладающей огромной пропускной способностью. Наряду с
этим происходит переход аналоговой формы сообщений к передаче сообщений в
дискретной (цифровой) форме, что дает возможность не только увеличить
помехоустойчивость систем связи, но и удешевить производство и эксплуатацию
аппаратуры. Последнее объясняется тем, что дискретные элементы
радиоэлектроники, используемые в многоканальных дискретных системах связи,
могут изготовляться с применением методов автоматизации, позволяющих
стандартизировать все конструктивные элементы аппаратуры. Именно в этом
направлении сконцентрированы усилия ученных нашей страны.
Г. Достоинства и недостатки радиорелейной связи
Радиорелейная связи сочетает в себе достоинства
как радиосвязи, так и проводной многоканальной связи и занимает промежуточное
положение: многоканальные сигналы передаются и принимаются средствами
радиосвязи, но формируются, особенно при частотном уплотнении, средствами
проводной связи. При этом радиорелейные линии обеспечивают такое же качество
связи и достоверность передачи информации, как и линии проводной дальней связи.
Радиорелейная связь получила широкое
распространение во всех областях народного хозяйства, а также в вооруженных
силах для управления войсками [11].
Радиорелейные линии широко используются для
коммерческой связи и для обмена программ вещания и телевидения между различными
странами всех континентов.
Достоинство радиорелейной связи
[7]:
· возможность организации
многоканальной связи и передачи любых сигналов, как узкополосных, так и
широкополосных;
· возможность обеспечения
двухсторонней связи (дуплексной) связи между потребителями каналов
(абонентами);
· возможность создания 2-х проводных и
4-х проводных выходов каналов связи;
· практическое отсутствие атмосферных
и промышленных помех;
· сокращение времени организации связи
в сравнении с проводной связью.
Недостатки радиорелейной связи:
· необходимость обеспечения прямой
геометрической видимости между антеннами соседних станций;
· необходимость использования
высокоподнятых антенн;
· использование промежуточных станций
для организации связи на большие расстояния, что является причиной снижения
надежности и качества связи;
· громозкость аппаратуры;
сложность в строительстве радиорелейных линий в
труднодоступной местности.
1.2 Особенности и
общие принципы построения радиорелейных линий связи прямой видимости
радиорелейный связь линия передача
А. Особенности радиорелейной связи
В настоящее время наиболее широко для
радиорелейной связи принимаются диапазоны дециметровых и сантиметровых волн.
Диапазоны метровых волн (короче 5м) используются только для малоканальной радиорелейной
связи.
Диапазоны миллиметровых волн и сантиметровые
волны короче 3-х см считаются перспективными для некоторых видов РРЛ, но
применение этих волн в настоящее время ограничено недостаточной их освоенностью
и проблемами, связанными сильным поглощением этих волн гидрометеорами (дождь,
снег, туман и т.д.). На практике для радиорелейной связи в указанных диапазонах
т.е. УВЧ; ОВЧ; СВЧ; КВЧ выделяются лишь отдельные участки, так как в этих
диапазонах функционируют и другие радиоэлектронные средства.
Свойства УКВ диапазона
· большая частотная емкость;
· практическое отсутствие атмосферных
и промышленных помех;
· малая дифракционная (огибающая)
способность;
· возможность создания антенных
устройств узконаправленного излучения и приема электромагнитных колебаний [11].
Первая способность УКВ диапазона - большая
частотная емкость.
Для радиорелейной связи могут быть использованы
любые частоты УКВ диапазона. В этом диапазоне для передач сообщений можно
задействовать широкие полосы частот (до нескольких МГц) и обеспечивать
многоканальную связь (поскольку для передачи информации от наиболее
распространенных источников требуется полоса в несколько КГц) или передавать
широкополосные сигналы. Большая частотная емкость позволяет для связи на каждом
интервале радиорелейной линии выделить две частоты одну для передачи, другую
для приема сигналов и организовать благодаря этому дуплексная связь.
Вместе с тем большая частотная емкость дает
возможность для передачи информации использовать разнообразные методы
модуляции, и в частности такие, которые обеспечивают как высокую
помехоустойчивость, так и постоянство остаточного затухания (аr) каналов связи. Последнее
означает, что разность уровней сигналов на входе и выходе каналов оконечных
станций - величина постоянная, независящая от условий связи [7]:
Pc вх -
Рс
вых = аr = const
(3)
Уровнем принято называть значение величины
сигналов, выраженное в относительных (безразмерных) единицах - децибелах:
Р = 10 lg(R1 /Po) = 20 lg(U1 /Uo)
(4)
где Р1 и
U1 - мощность и напряжение на
выходе канала связи
Ро и
Uo - мощность и напряжение на
входе канала связи.
Необходимость обеспечения постоянства
остаточного затухания каналов диктуется рядом факторов. Во-первых, при этом
может быть улучшено качество связи, поскольку в канале связи случайными
величинами являются величина шума и передаваемых сигналов, а параметры каналов
остаются неизменными. Во-вторых, появляется возможность включения на выходе
каналов дифференциальных систем, что обеспечивает двухпроводные выходы каналов
связи. В этом случае сопряжение каналов радиорелейных линий с каналами линий
дальней связи осуществляется не только при четырех проводных, но и при
двухпроводных выходах. В-третьих, некоторые виды оконечной аппаратуры работают
эффективно при неизменном коэффициенте передачи сигналов.
Постоянство остаточного затухания каналов
радиорелейных линий достигается при использовании таких методов модуляции, при
которых уровень полезного сигнала на выходе приемника станции не зависит от
величины высокочастотного сигнала на его входе, если последний больше
определенной пороговой, для данного приемника величины. Это обеспечивается при
передачи информации с помощью частотной и различных методов импульсной
модуляции (кроме амплитудно-импульсной), которые требуют, как правило, широкой
полосы частот тракта связи.
Характерным свойством таких методов модуляции
является возможность улучшения качества связи не только за счет увеличения
энергии принимаемых сигналов, но и за счет увеличения спектра частот, которые
занимают эти сигналы, таким образом, используя для радиорелейной связи широкую
полосу частот, можно обеспечить передачу большого количества информации и
добиться существенного улучшения качества связи [9].
Второе свойство УКВ диапазона - практическое
отсутствие внешних атмосферных и промышленных помех - выдвигает на первое место
внутренние флуктуационные шумы приемных устройств. Уровень внутренних шумов
легко учитывается при проектировании станции и расчете количества связи и при
необходимости может быть уменьшено применение специальных малошумящих
усилителей. Это также способствует существенному повышению качества связи на
радиорелейной линии.
Третье свойство УКВ диапазона - малая
дифракционная способность, которая тем меньше, чем короче используемая для
связи длина волны. Это явилось основной причиной применения промежуточных
станций для организации связи на большие расстояния. Протяженность интервалов
между соседними станциями должна быть такой, чтобы обеспечивалась прямая
геометрическая видимость между их антенными системами. Уверенная связь на
каждом интервале обеспечивается передатчиками сравнительно малой мощности.
Препятствия, закрывающие линию прямой видимости,
вызывают очень большое ослабление радиосигналов, компенсация которого требует
резкого увеличения мощностей передатчиков. Это явление особенно характерно для
линии, работающих диапазонах дециметровых и сантиметровых волн. В диапазоне
метровых волн допускается частичное закрытие препятствиями линий прямой
видимости на интервалах связи, но и в этом случае существенно понижается
уровень полезного сигнала в месте приема и ухудшается качество связи.
Б. Принципы построения радиорелейных линий связи
Радиорелейные линии (РРЛ) представляют собой
цепочку приемопередающих радиостанций (оконечных, промежуточных, узловых),
которые осуществляют последовательную многократную ретрансляцию (прием,
преобразование, усиление и передачу) передаваемых сигналов.
Цепочку радиорелейной линии составляют
радиорелейные станции трех типов: оконечные радиорелейные станции (ОРС),
промежуточные радиорелейные станции (ПРС), узловые радиорелейные станции (УРС).
Условная радиорелейная линия связи схематично представлена на рис. 1.[10]
Рис. 1. Радиорелейная линия связи
На оконечной радиорелейной станции начинается и
заканчивается тракт передачи. Аппаратура ОРС осуществляет преобразование
сигналов, поступающих от разных источников информации (телефонные сигналы от
междугородней телефонной станции, телевизионные сигналы от междугородней
телевизионной аппаратной и т.д.) в сигналы, передаваемые по радиорелейной
линии, а также обратное преобразование сигналов, приходящих по РРЛ, в сигналы
телерадиовещания или телефонии. Радиосигналы ОРС с помощью передающего
устройства и антенны излучаются в направлении следующей, обычно промежуточной,
радиорелейной станции.
Промежуточные радиорелейные станции
предназначены для приема сигналов от предыдущей станции радиорелейной линии,
усиления этих сигналов и излучения в направлении последующей станции РРЛ [5].
На каждой промежуточной радиорелейной станции
установлены по две антенны, ориентированные на соседние РРСП. Каждая из антенн
является приемопередающей, то есть используется и для приема, и для передачи
сигналов. Одним из преимуществ работы радиорелейной линии связи в
сверхвысокочастотном (СВЧ) диапазоне является возможность применения
высоконаправленных антенн с малыми габаритами. Небольшие размеры антенн
упрощают их установку на высоких сооружениях. Хорошие направленные свойства
антенн СВЧ диапазона позволяют облегчить требования к характеристикам
приемопередающего тракта.
Одна цепочка приемопередатчиков РРЛ образует СВЧ
симплексный (т.е. предназначенный для передачи сигналов в одном направлении)
ствол. Структура симплексного ствола с учетом плана распределения частот
приведена на рис. 2. [8]
Рис.2. Распределение частот в символьном стволе
радиорелейной линии
Два симплексных ствола, работающие во встречных
направлениях, образуют дуплексный СВЧ ствол. Для передачи сигналов в обратном
направлении может быть использована та же пара частот, что и в прямом
направлении (двухчастотная система), либо другая пара частот (четырехчастотная
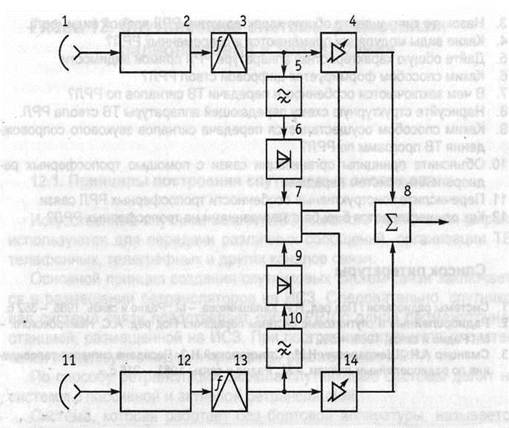
система). Структурная схема одноствольной дуплексной промежуточной
радиорелейной станции приведена на рисунке 3 [8].
Рис. 3. Структурная схема дуплексной ПРС
Для увеличения пропускной способности
радиорелейной линии на каждой радиорелейной станции устанавливают несколько
комплектов приемопередающей аппаратуры, подключенных к общей антенне. Магистральные
радиорелейные линии связи могут иметь до восьми дуплексных СВЧ стволов (из них
6…7 рабочих и 1…2 резервных).
Кроме ОРС и ПРС для ввода в радиорелейную линию
дополнительных потоков информации и вывода из РРЛ части передаваемой информации
используют узловые радиорелейные станции. В узловых радиорелейных станциях, как
и в ОРС, имеется аппаратура преобразования телефонных, радио и телевизионных
сигналов в сигналы, передаваемые по РРЛ, и аппаратура обратного преобразования.
Кроме того, от узловых радиорелейных станций могут начинаться новые
радиорелейные линии (ответвления) [20].
При проектировании радиорелейных линий следует
учитывать и возможные изменения условий распространения радиоволн. Так, при
повышенной рефракции (искривление направления распространения радиоволн)
сигналы могут распространяться далеко за горизонтом. Поэтому колебания,
излучаемые радиорелейной станцией с частотой, например, f1, могут быть приняты
не только соседней станцией, но и станцией, отстоящей от нее через три пролета.
Но для последней станции это будет паразитным сигналом, так как она должна
принимать сигналы только от ближайшей станции. Нежелательные сигналы от всех
других станций будут вызывать ухудшение качества приема.
Для устранения подобных явлений ретрансляторы
радиорелейной линии связи располагают не по прямой линии, а зигзагом, так,
чтобы не совпадали главные направления соседних участков трассы, использующих
одинаковые частоты. При этом используют направленные свойства антенн.
Радиорелейные станции разносят от генерального направления радиорелейной линии
связи таким образом, чтобы направлению на станцию, отстоящую через три пролета,
соответствовали минимальные уровни диаграммы направленности антенны. На рисунке
4 [13] показаны три пролета участка трассы РРЛ. На крайних пролетах
используются одинаковые частоты. На такой трассе даже при сильной рефракции
радиоволн сигналы от станций с номерами ПРСi и ПРСi+2 практически не влияют
друг на друга. На рисунке заметно, что антенны практически не воспринимают
радиоволны, приходящие с направления, лежащего на прямой, связывающей эти
станции.
Рис. 4. Схема расположения ретрансляторов на
трассе радиорелейной линии связи [8].
1.3 Классификация
радиорелейных линий
радиорелейный связь линия передача
РРЛ прямой видимости можно классифицировать по
различным признакам и характеристикам. Рассмотрим классификацию РРЛ по наиболее
важным из них.
По назначению различают [8]:
1. Междугородные
магистральные, внутризоновые, местные РРЛ.
2. По
диапазону рабочих (несущих) частот РРЛ подразделяются на линии дециметрового и
сантиметрового диапазонов. В этих диапазонах в соответствии с Регламентом
радиосвязи для организации РРЛ выделены полосы частот, расположенные в области
2, 4, 6, 8, 11 и 13 ГГц. В настоящее время ведется исследование условий
создания радиорелейной связи на частотах порядка 18 ГГц и выше. Переход на
более высокие частоты позволил бы увеличить пропускную способность систем
передачи. Однако использование столь высоких частот затруднено из-за сильного
ослабления энергии радиоволн во время атмосферных осадков.
3. По
способу уплотнения каналов и виду модуляции несущей можно выделить:
а) РРЛ с частотным уплотнением (разделением)
каналов (ЧРК) и ЧМ гармонической несущей;
б) РРЛ с временным уплотнением (разделением)
каналов (ВРК) и аналоговой модуляцией импульсов, которые затем модулируют
несущую;
в) цифровые РРЛ, в которых отсчеты сообщений
квантуются по уровням и кодируются.
. По принятой в настоящее время классификации
РРЛ разделяют на системы большой, средней и малой емкости.
К РРЛ большой емкости принято относить системы,
позволяющие организовать в одном стволе 600 и более каналов тональной частоты
(ТЧ), что соответствует пропускной способности более 100 Мбит/с. Если РРЛ
позволяет организовать 60-600 или менее 60 каналов ТЧ, то эти системы относятся
к линиям связи средней и малой емкости. Пропускная способность таких РРЛ равна
соответственно 10-100 и менее 10 Мбит/с.
В нашей стране в основном используются комплексы
аналоговых унифицированных радиорелейных систем («КУРС»), к особенностям
которых можно отнести применение унифицированных блоков, экономичность,
надежность, возможность создания цифровых трактов. Причем аппаратура «КУРС-4»,
«КУРС-6» относится к РРЛ большой емкости, а «КУРС-2», «КУРС-8» - к аппаратуре
средней емкости. Более новыми РРЛ большой емкости является аппаратура
«Радуга-4», «Радуга-6». В данных системах используются полупроводниковые
приборы СВЧ в усилителях мощности передатчика, транзисторные малошумящие
усилители, интегральные микросхемы, малогабаритные волноводы с диэлектрическим
заполнением и микрополосковые линии, блоки модульного исполнения [13].
К современным РРЛ малой и средней емкости
относятся отечественная цифровая аппаратура «Пихта-2», «Радан», «Радан-МГ», а
также аналоговая аппаратура «Ракита-8».
В современных телекоммуникационных системах РРЛ
используются для создания стационарных, магистральных линий связи в несколько
тысяч километров для передачи больших потоков информации. В этих случаях
применяют системы большой емкости. Магистральные РРЛ обычно являются
многоствольными.
Стационарные РРЛ средней емкости используются
для организации зоновой связи. Это линии протяженностью до 500-1500 км.
Подобные РРЛ в большинстве случаев рассчитаны на передачу ТВ сигналов и
сигналов радиовещания. Часто эти линии являются многоствольными и ответвляются
от магистральных РРЛ [20].
РРЛ малой емкости применяются в местной сети
связи. Кроме того, малоканальные РРЛ обеспечивают служебной связью
железнодорожный транспорт, газопроводы, нефтепроводы, линии энергоснабжения.
Пропускная способность РРЛ может быть в
несколько раз увеличена за счет образования новых стволов. Для этого на РРЛ
станциях устанавливаются дополнительные комплексы приемопередающего
оборудования, с помощью которых создаются новые высокочастотные тракты. Для
сигналов разных стволов используются различные несущие частоты. Все системы
многоствольной РРЛ организуются таким образом, чтобы все стволы работали
независимо один от другого, были взаимозаменяемыми. Такой принцип повышает надежность
всей линии в целом.
Повышение пропускной способности РРЛ за счет
многоствольной работы не приводит к пропорциональному росту стоимости линии,
так как многие ее элементы (антенны, станционные сооружения, опоры для подвеса
антенн, источники электроснабжения) являются общими для всех стволов [10].
1.4 Виды модуляции,
применяемые в радиорелейных системах передачи
В многоканальных РРЛ модуляция сигнала
представляет собой двухступенчатый процесс. С помощью первой ступени
формируется многоканальный сигнал.
В системах передачи с частотным уплотнением
каналов (ЧРК) на первой ступени применяется однополосная модуляция. В
аналоговых системах с временным уплотнением каналов (ВРК) используется
фазоимпульсная модуляция, а в цифровых РРЛ с ВРК - ИКМ и дельтамодуляция. В
многоканальных РРЛ первая ступень модуляции осуществляется в каналообразующем и
групповом оборудовании на сетевых станциях и узлах коммутации. В системах
передачи сигналов телевидения полный ТВ сигнал формируется с помощью оконечного
оборудования ТВ ствола на ОРС. Назначением второй ступени модуляции является
образование высокочастотного радиосигнала, модулированного линейным сигналом.
Вторая ступень модуляции осуществляется в оконечном оборудовании ствола.
В аналоговых системах передачи сигналов
многоканальной телефонии с ЧРК и телевидения практически всегда применяется ЧМ.
При ЧМ основной причиной нелинейных искажений сигналов в радиоканале является
нелинейность фазочастотной характеристики (ФЧХ), в то время как при AM и
однополосной модуляции основная причина искажений - нелинейность амплитудной
характеристики. Так как компенсация нелинейности ФЧХ - значительно более
простая задача, чем борьба с амплитудными искажениями, то приемопередающая
аппаратура при использовании ЧМ в РРЛ оказывается более простой, чем при AM и
однополосной модуляции. Кроме того, ЧМ обладает большей помехоустойчивостью в
отношении теплового шума по сравнению с AM [15].
При ЧМ мгновенная частота f(t)
модулированного радиосигнала UЧM(t)
изменяется в соответствии с модулирующим сигналом U(t):
(5)
где f0
- несущая частота;
- отклонение
частоты под воздействием модулирующего сигнала (девиация частоты); Кчм, Гц/В - крутизна
модуляционной характеристики частотного модулятора.
Важной характеристикой ЧМ радиосигнала является
ширина его спектра, определяющая необходимую полосу пропускания радиоканала Пчм.
При передаче сигналов многоканальной телефонии минимальная необходимая полоса Пчм
должна определяться исходя из допустимого уровня переходных помех, возникающих
в результате ограничения спектра [15]:
(6)
где
-
параметр, зависящий от уровня переходных помех и индекса ЧМ.
Для примера в табл. 1 приведены значения
необходимой полосы пропускания радиоканала при передаче сигналов многоканальной
телефонии для отечественных РРЛ с различной емкостью [1].
При расчетах значения полосы пропускания
радиоканала при передаче сигналов многоканальной телефонии, результаты которых
приведены в табл. 1, учитывалась различная мощность переходных помех в верхнем
телефонном канале Ршн.
Модуляцию в цифровых РРЛ принято называть
манипуляцией. В зависимости от числа уровней модулирующего сигнала различают
двухуровневую (двоичную) и многоуровневую манипуляции.
Таблица 1.
|
Число
каналов ТЧ
|
12
|
24
|
60
|
120
|
240
|
300
|
360
|
600
|
720
|
1020
|
1320
|
1920
|
|
Пчм,МГц
при Ршн =1пВт
|
0,61
|
0,84
|
3,05
|
4,33
|
6,4
|
8,5
|
9,67
|
14,57
|
17,57
|
23,37
|
25,57
|
35,8
|
|
Пчм,МГц
при Ршн =1пВт
|
0,55
|
0,75
|
2,72
|
3,94
|
5,57
|
7,64
|
8,72
|
13,19
|
15,9
|
21,14
|
23,73
|
32,9
|
Для многих видов манипуляций, применяемых в цифровых
РРЛ, предполагается использование манипулирующих сигналов, отличающихся по
структуре от исходного передаваемого двоичного сигнала. Формирование указанных
манипулирующих сигналов осуществляется специальным кодирующим устройством -
кодером модулятора (рис. 5). При демодуляции радиосигналов на приемном конце с
помощью декодера демодулятора производится обратное преобразование, в
результате чего формируется исходный двоичный сигнал [18]. Декодированию
предшествует регистрация сигналов, в результате которой из продетектированного
искаженного сигнала формируется сигнал, имеющий структуру модулирующего сигнала
на передающем конце. В современных цифровых РРЛ применяются амплитудная,
фазовая, частотная и комбинированная амплитуднофазовая манипуляции.
При амплитудной манипуляции модулируемым
параметром радиосигнала является его амплитуда (рис. 6). В настоящее время
применяется лишь двоичная амплитудная манипуляция. В системах с амплитудной
манипуляцией применяется некогерентное детектирование радиосигналов, обеспечивающее
простоту построения аппаратуры по сравнению с когерентным детектированием.
Модуляция и демодуляция сигналов в системах с двоичной амплитудной манипуляцией
не требуют специального кодирования и декодирования.
Рис. 5. Функциональная схема модема для цифровой
РРЛ
* модулятор; 2 - кодер модулятора; 3 -
устройство модуляции; 4 - радиоканал; 5 - демодулятор; 6 - детектор; 7 -
регенератор; 8 - декодер демодулятор.
Рис. 6. Форма сигналов при амплитудной
манипуляции а - манипулирующий сигнал; б - амплитудно-манипулируемый сигнал
При фазовой манипуляции (ФМ) модулируемым
параметром радиоимпульсов является фаза высокочастотного заполнения. В
современных РРЛ применяются двоичная, четырехуровневая и восьмиуровневая ФМ
[18]. При демодуляции фаза ФМ радиосигнала сравнивается с фазой
восстановленного на приемном концё опорного колебания (несущей). Из-за
случайных искажений радиосигнала имеет место неопределенность фазы
восстановленной несущей, что является причиной так называемой обратной работы,
при которой двоичные посылки принимаются «в негативе». Для устранения влияния
неопределенности фазы применяется разностное кодирование фазы передаваемых
радиоимпульсов. ФМ с разностным кодированием фазы называют фазоразностной или
относительной фазовой манипуляцией (ОФМ). В РРЛ с ОФМ при передаче информации
кодируется не сама фаза радиосигнала, а разность фаз (фазовый сдвиг) двух
соседних радиоимпульсов [9].
Применяются два способа демодуляции ОФМ
радиосигналов. В первом восстанавливается несущая и когерентно детектируется
ОФМ радиосигнал, затем разностно декодируются принимаемые сигналы. При таком
способе демодуляции операции детектирования и декодирования разделены и
выполняются последовательно. Второй способ предполагает
дифференциально-когерентное детектирование ОФМ радиосигнала, при котором в
качестве опорного колебания используется присутствующий радиоимпульс. При этом
операции детектирования и декодирования совмещены.
Ширина спектра ОФМ радиосигнала зависит от
скорости передачи информации и числа уровней манипуляции. Необходимая для ОФМ
радиосигнала минимальная полоса пропускания [23]
(7)
где С - частота следования передаваемых
элементов исходного двоичного сигнала.
При увеличении числа уровней манипуляции полоса
частот, необходимая для ОФМ радиосигнала, уменьшается. Так, при ОФМ-4 полоса
частот вдвое меньше, чем при ОФМ-2, при одинаковой скорости передачи
информации.
При частотной манипуляции модулирующим
параметром является частота радиосигналов. В РРЛ применяются двоичная,
трехуровневая и восьмиуровневая частотные манипуляции.
Полоса частот Пчм, необходимая для
передачи частотно-манипулированного сигнала, зависит от скорости передачи
информации С, числа уровней М и
максимальной девиации частоты
.
При М = 2, 4, 8
(8)
При амплитудно-фазовой манипуляции (АФМ)
предполагается амплитудная манипуляция синфазной и квадратурной составляющих
сигнала. Применение многоуровневой АФМ позволяет обеспечить высокую
эффективность использования полосы частот. АФМ часто называют квадратурной
амплитудной манипуляцией (КАМ) [23].
1.5 Аппаратура
радиорелейных линий прямой видимости
Приемопередающая аппаратура радиосвязи
Широкое использование в аппаратуре РРЛ получили
гетеродинные приемопередатчики, которые построены на основе передатчика с
преобразователем частоты и супергетеродинного приемника [2].
Передатчик радиоствола (рис. 7) состоит из
преобразователя частоты, в который входит мощный усилитель промежуточной
частоты 1, смеситель 2 и гетеродин передатчика 5, ПФ сверхвысокой частоты 3 и
усилитель сигнала СВЧ 4. Модулированный сигнал промежуточной частоты после
усиления смешивается в смесителе с высокостабильным колебанием гетеродина fr..Ha
выходе смесителя в ПФ выделяется сигнал с частотой передачи fnep.
Затем мощность этого сигнала усиливается в усилителе СВЧ до требуемого
значения.
В радиосистемах малой мощности (менее 1 Вт)
усилитель СВЧ может не устанавливаться.
Приемник радиоствола (рис. 8) [8] состоит из
малошумящёго усилителя сигнала СВЧ 1, ПФ 2, преобразователя частоты, в который
входят смеситель 3 и гетеродин приемника 5, и усилителя сигнала промежуточной
частоты.
Рис. 7. Функциональная схема передатчика
функционального радиоствола
Сигнал промежуточной частоты образуется
смешиванием сигнала с частотой fпр с высокостабильным колебанием fr.
В тракте промежуточной частоты гетеродинного
приемопередатчика осуществляются следующие основные функции: автоматическая
регулировка усиления, компенсирующая изменения уровня принимаемого сигнала в
среде распространения радиоволн; корректирование искажений частотных
характеристик передачи, вносимых различными элементами тракта промежуточной
частоты и СВЧ; амплитудное ограничение ЧМ сигнала в системах с частотным
уплотнением.
Тракты промежуточной частоты. Тракт
промежуточной частоты, входящий в состав гетеродинных ретрансляторов,
используется для создания высокой избирательности приемника при малых
расстройках относительно границ полосы пропускания.
Для элементов тракта промежуточной частоты
характерны следующие параметры: малая неравномерность АЧХ, группового времени
запаздывания и дифференциального усиления в полосе частот точной коррекции
[23];
Рис. 8. Функциональная схема приемника
радиоствола
Рис. 9. Структурная схема типового тракта
промежуточной частоты РРЛ
высокая степень согласования входов и выходов
сигнала промежуточной частоты в приемопередающей аппаратуре [26].
Структурная схема типового тракта промежуточной
частоты приемопередатчика РРЛ приведена на рис. 9. Модулированный сигнал
промежуточной частоты от смесителя приемника поступает на вход предварительного
усилителя 1, далее сигнал обрабатывается ПФ 3 и корректором группового времени
запаздывания 2. Корректор 4 служит только для коррекции искажений группового
времени запаздывания, вносимых ПФ. В главном усилителе 5 осуществляются
основное усиление сигнала в приемнике и АРУ, для чего часть сигнала с выхода
усилителя 5 ответвляется на амплитудный детектор 6, а затем на усилитель
постоянного тока 8 с ФНЧ 7. Последние устройства действуют как интегратор и
формируют напряжение регулировки усиления главного усилителя. Таким образом,
уровень сигнала промежуточной частоты на выходе главного усилителя
поддерживается постоянным в достаточно большом диапазоне изменений уровня
принимаемого сигнала (в приемниках магистральных РРЛ достигает 46-50 дБ).
Оконечный усилитель 9 имеет два выхода, один из которых используется для подачи
сигнала на вход передатчика (ретрансляция сигнала на ПРС), второй - для
выделения сигнала промежуточной частоты на УРС. Усилитель-ограничитель 10
обычно устанавливается в РРЛ с частотным уплотнением и ЧМ, он подавляет
паразитную AM. Мощный
усилитель 11 обеспечивает на входе смесителя передатчика необходимый уровень
сигнала промежуточной частоты.
Особенности трактов промежуточной частоты
цифровых РРЛ заключаются в разных требованиях к полосам пропускания и точной
коррекции частотных характеристик тракта, а также в повышенном требовании к
линейности амплитудной характеристики активных элементов этого тракта [8].
Рис. 10. Функциональная схема цифрового ствола
РРЛ
Нелинейные элементы тракта промежуточной
частоты, такие как амплитудные ограничители, приводят к дополнительной потере
помехоустойчивости цифровых РРЛ с квадратурной AM.
Поэтому в приемопередатчиках цифровых РРЛ не используются амплитудные ограничители,
а для усилителей сигнала устанавливается линейный режим.
Схема организации цифрового ствола. Линейный
цифровой сигнал (ЛЦС) формируется в цифровой системе передачи (ЦСП) и подается
на ОРС для передачи по РРЛ.
В соответствии с рекомендациями МСЭ (Международного
союза электросвязи) для канала ТЧ дискретизация по времени осуществляется через
период Тд =125 мкс, и
каждый временной отсчет передается ИКМ - восьмиразрядным бинарным кодом (q
= 8). При этом получается, что каждому каналу ТЧ соответствует цифровой канал
.со скоростью передачи двоичных символов С = 64 кбит/с. Первичной ЦСП служит
аппаратура ИКМ-30, в которой методом ВРК объединяются 32 цифровых телефонных
сигнала, из них - 30 рабочих и 2 служебных, используемых для цикловой
синхронизации, управления и взаимодействия. Сигнал на выходе ЦСП типа ИКМ-30
называется первичным цифровым потоком, его скорость С = 2048 кбит/с.
Иерархический ряд ЦСП и типовых цифровых трактов базируется на аппаратуре
ИКМ-30. Коэффициент объединения для этого ряда равен 4. Поэтому число каналов
для вторичного цифрового тракта оказывается равным 30 х 4 = 120 и т.д. [29].
Функциональная схема цифрового ствола РРЛ на
примере ОРС при М = 4 приведена на
рис. 11.9. ЛЦС по соединительным линиям от двух ЦСП 1, 3 типа ИКМ-30 поступает на
ОРС 2. В состав передающей части ЦСП входят: устройство амплитудно-импульсной
модуляции (АИМ) 5, на выходе которого образуется многоканальный сигнал с АИМ;
кодер 7, на выходе которого получаем двоичный цифровой сигнал; преобразователь
кода 9, на выходе которого формируется ЛЦС. Приемная часть ЦСП содержит
регенератор ЛЦС 10, преобразователь кода 8, декодер 6 и амплитудно-импульсный
демодулятор 4.
Выбор кода ЛЦС определяется особенностями
передачи его по соединительным линиям, в качестве которых используются
симметричные или коаксиальные кабели. Важным параметром ЛЦС является его
спектр. Спектральная плотность однополярного двоичного цифрового сигнала в
общем случае состоит из постоянной составляющей, непрерывной части и дискретных
компонент на частотах fk =kfт,
где fT
- тактовая частота, к = 1, 2, 3 ... .
По кабельным соединительным линиям постоянная составляющая ЛЦС не передается.
Возникают искажения ЛЦС из-за ограничения полосы в линейном тракте как со
стороны нижних частот (из-за наличия переходных конденсаторов и согласующих
трансформаторов), так и со стороны верхних частот (с ростом частоты
увеличивается затухание кабеля). Поэтому целесообразно выбрать такой ЛЦС,
который не содержит постоянной составляющей и имеет максимум спектральной
плотности энергии в области средних частот. Этим требованиям отвечает спектр
квази- троичного ЛЦС.
Заметим, что при любом варианте квазитроичного
кода ЛЦС представляет собой трехсимвольную импульсную последовательность: -1,
0, +1. Причем «0» кодируется отсутствием импульса, «1» - поочередно импульсами
положительной и отрицательной полярности [27].
Следовательно, преобразователи кода 8, 9 служат
для согласования спектра ЛЦС с частотной характеристикой соединительных линий.
Преобразователь 9 осуществляет формирование ЛЦС в крази- троичном коде из
двоичного цифрового сигнала, а устройство 8 выполняет обратное преобразование.
Непосредственно ОРС содержит оконечное
оборудование, содержащее модулятор 26, передатчик СВЧ колебаний 27,
антеннофидерный тракт 28, приемник СВЧ колебаний 29, демодулятор 25.
Оконечное оборудование цифрового ствола 11
является устройством сопряжения, так как оно служит для согласования ЦСП с
приемопередающим радиорелейным оборудованием. Рассмотрим назначение элементов
оконечного оборудования 11. Передающая часть содержит регенераторы 12, 16,
преобразователи кодов 13, 17, скремблеры 14, 18 и суммирующее устройство 15. В
состав приемной части оконечного оборудования входят дескремблеры 21, 24,
преобразователи кода 20, 23 и регенераторы 19, 22.
Регенераторы служат для восстановления формы,
длительности и амплитуды каждого из символов ЛЦС. При этом регенераторы 12, 16
используются для исправления искажений, вносимых соединительными линиями. Такое
же назначение регенератора 10 в ЦСП [14]. Регенераторы 19, 22 исправляют
искажения, возникающие при передаче сигналов по РРЛ.
В устройствах 13, 17 ЛЦС преобразуется к виду,
удобному для передачи по радиотракту. Чаще всего это преобразование заключается
в замене линейного квазитроичного сигнала однополярным цифровым сигналом, что
позволяет выделять сигнал тактовой синхронизации с помощью узкополосного ПФ. В
отличие от однополярного цифрового сигнала квазитроичный ЛЦС не дает
возможности выделения сигнала тактовой синхронизации, так как в его спектре
отсутствует дискретная составляющая с частотой fT.
В некоторых случаях по цифровым РРЛ может
передаваться длинная серия «0». При этом в двоичном цифровом сигнале появляются
постоянная и низкочастотная составляющие, а плотность энергии на тактовой
частоте уменьшается. Если такой цифровой сигнал передавать по РРЛ, то на приеме
из него будет трудно выделить колебания тактовой частоты, необходимые для
нормальной работы регенераторов и других устройств. В результате могут
наблюдаться срывы систем тактовой синхронизации по всей РРЛ [25].
Передача таких цифровых сигналов по РРЛ
нежелательна еще и потому, что ухудшает условие электромагнитной совместимости.
Действительно, при передаче длинной серии «0» энергия сигнала на выходе
передатчика оказывается сосредоточенной в более узкой полосе, чем при передаче
последовательности символов «0» и «1». Вследствие чего при работе нескольких
РРЛ в общей полосе частот возрастают помехи другим станциям от этого
передатчика. Поэтому двоичный цифровой сигнал до поступления на модулятор
подвергается специальному преобразованию - скремблированию, в результате
которого последовательности нулей и единиц придается квази-случайный характер.
Скремблирование выполняется путем сложения по модулю 2 входного цифрового
сигнала с псевдослучайной последовательностью (сумма по модулю 2 двух
одинаковых символов дает символ 0, т.е. 0 + 0 = 0и1+ 1=0, но 0 + 1 = 1).
Двоичные цифровые сигналы с выходов скремблеров
14, 18 поступают на сумматор 15, представляющий собой преобразователь кода, в
котором каждому возможному сочетанию полярностей и импульсов входных двоичных
цифровых сигналов ставится в соответствие определенный выходной уровень в
зависимости от принятого кода. Сформированный таким образом многоуровневый
сигнал используется для модуляции [21].
Разделение принятого многоуровневого сигнала на
отдельные двоичные цифровые сигналы производится в демодуляторе 25.
Дескремблеры 21, 24 выполняют преобразование цифрового сигнала, обратное
скремблированию, т.е. восстанавливают сигналы, идентичные входным сигналам
скремблера (при условии, что прием без ошибок).
На рис. 10 рассмотрена схема цифрового ствола
РРЛ, где сначала отдельные двоичные цифровые сигналы объединяются в
многоуровневый, которым осуществляется манипуляция. Наряду с этим существуют
схемы, где сначала производится манипуляция двоичными цифровыми сигналами
нескольких несущих промежуточных частот или СВЧ, а затем эти манипулированные
сигналы объединяются. Если же число передаваемых ЛЦС велико, то могут
использоваться обе ступени объединения [17].
1.6 Тропосферные радиорелейные линии
Общие сведения. Открытие эффекта дальнего
тропосферного распространения дециметровых и сантиметровых волн позволило
существенно расширить инженерные возможности создания многоканальных РРЛ.
Созданы тропосферные РРЛ пропускной способностью до 120 каналов ТЧ с
расстоянием меяфу соседними станциями 300...400 км, а в отдельных случаях и
600-800 км. Для России с ее огромной территорией тропосферные РРЛ представляют
особый интерес, поскольку позволяют обеспечить современными средствами связи отдаленные
и труднодоступные районы Севера и Дальнего Востока. Для тропосферных РРЛ
выделены полосы частот в диапазонах 1,0; 2,0 и 4,5 ГГц.
Основные особенности дальнего тропосферного
распространения радиоволн ультравысоких частот. Во-первых, это очень сильное
ослабление сигнала на участке распространения. Затухание сигнала достигает
210...250 дБ в худшие по условию распространения радиоволн зимние месяцы, т.е.
превышает затухание на участке РРЛ прямой видимости на 80... 120 дБ. Для
обеспечения устойчивой связи в условиях большого общего затухания приходится
создавать аппаратуру с энергетическими параметрами, значительно лучшими, чем
параметры РРЛ прямой видимости. Мощность передатчика достигает 3...10 кВт, а в
отдельных случаях - и 100 кВт, размеры антенн могут превышать 1000 м2,
используются малошумящие входные усилители, специальные устройства понижения
порогового уровня ЧМ сигнала [12].
Во-вторых, при дальнем тропосферном
распространении радиоволн сигнал подвержен быстрым, медленным и очень медленным
(сезонным) изменениям (флуктуациям).
Быстрые флуктуации сигнала определяются
интерференцией волн переизлученных движущимися неоднородностями тропосферы.
Перемещение неоднородностей вызывает изменение фаз составляющих приходящей
волны, что и приводит к быстрым замираниям. Скорость быстрых замираний
характеризуется квазипериодом, т.е. средним за пятиминутный сеанс временем
между двумя пересечениями (в одну сторону) сигналом медианного уровня.
Квазипериод находится обычно в пределах 0,1 ...10 с.
Медленные замирания - это изменения во времени
усредненных за 4...7 мин значений уровня сигнала. Такой интервал усреднения
позволяет отделить быстрые интерференционные замирания от медленных, природа
которых связана с изменением интенсивности и количества неоднородностей в объеме
рассеяния [26].
Сезонные изменения сигнала (очень медленное
замирание) определяются изменениями метеорологических условий: сигнал летом на
5…14 дБ больше, чем зимой.
Для нормального функционирования участка линии в
99,9 % времени запас уровня сигнала на быстрые замирания должен составлять 28
дБ. В тропосферных РРЛ такой запас энергетики обеспечить трудно или даже
практически невозможно. Для борьбы с интерференционными замираниями можно
использовать такие методы, как разнесенный прием, оптимальный прием широкополосных
сигналов, адаптивные системы с обратной связью. На практике для борьбы с
замираниями чаще всего используются системы разнесенного приема, которые
рассмотрим более подробно [26].
Борьба с замиранием на тропосферных РРЛ.
Разнесенный прием основан на том, что сигнал на выходе приемного устройства
образуется комбинацией нескольких входных сигналов, несущих одну и ту же.
информацию, но по-разному пораженных замираниями. При этом комбинирование
осуществляется так, чтобы выходной сигнал флуктуировал значительно меньше, чем
входные.
На тропосферных РРЛ могут быть применены
следующие методы разнесения [17]:
· пространственное разнесение антенн (обычно
перпендикулярно трассе) на расстояние
,
где λ.-длина
волны;
· частотное разнесение, использующее
независимость замирания сигнала на частотах, разнесенных на величину,
превышающую радиус частотной корреляции;
· разнесение по углу прихода луча, при
котором используются одна приемная антенна и несколько облучателей, каждый из
которых создает свою диаграмму направленности, сдвинутую относительно соседних
по азимуту либо по углу места;
· комбинированное разнесение, например
при счетверенном приеме разнесения пар сигналов по частоте и в пространстве или
по частоте и углу.
После того как получено N копий флуктуирующего радиосигнала,
необходимо их наиболее рационально использовать, т.е. получить такую их
комбинацию, при которой потери передаваемой информации будут минимальными.
Применяются три способа комбинирования разнесенных сигналов:
. Автовыбор, при котором к выходу устройства
комбинирования подключается всегда тот из N сигналов, уровень которого
максимален.
. Линейное сложение, при котором все N разнесенных сигналов складываются с
одинаковым весом. Это означает, что усиление всех разнесенных приемников должно
быть одинаковым.
. Оптимальное сложение, использование которого
обеспечивает максимальное отношение сигнал - шум на выходе приемного устройства
[8].
Рис. 11. Структурная схема устройства сдвоенного
приема 1, 13 - приемные антенны; 2,10 - усилители высокой частоты; 3, 11-
смесители; 4, 12 - усилители промежуточной частоты; 7 - суммирующее устройство
Рис. 12. Структурная схема приемного устройства
с оптимальным сложением 1,11-
приемные антенны; 2, 12 - высокочастотные части приемников; 5, 10 - ФВЧ; 7-
устройство сравнения; 8 - устройство сложения
При оптимальном сложении усиление в каждой ветви
разнесения непрерывно должно поддерживаться пропорциональным отношению
напряжения сигнала к среднеквадратичному значению шума [8].
Технически реализация систем сложения может
осуществляться как до детектора, так и после (в тракте низкой частоты). При
сложении сигналов до детектора необходимо предварительно фазировать
радиосигналы отдельных ветвей разнесения. Структурная схема приемника с
линейным сложением двух пространственно разнесенных сигналов представлена на
рис. 11 [1]. В нем имеется устройство автоподстройки фазы одного из гетеродинов
8, состоящее из фазового дискриминатора 6, цепи управления фазой
(фазовращателя) 5 и общей для двух трактов системой параллельной АРУ 9,
обеспечивающей идентичность коэффициентов передачи.
Упрощенная структурная схема приемного
устройства с оптимальным сложением после детектора представлена на рис. 12 [1].
В данном случае сигналы с выходов частотных детекторов 3, 13 поступают
одновременно на управляемые усилители 4, 14 и фильтры шумов. Полоса пропускания
фильтров располагается выше верхней частоты передаваемого полезного сообщения.
Шумы детектируются в детекторах 6, 9 и подаются на устройство сравнения,
которое управляет уровнем складываемых сигналов.
Потенциальные возможности разнесенного приема
ограничены, поскольку увеличение кратности разнесения связано почти
пропорционально с ростом объема оборудования. Поэтому дальнейшее улучшение
качества и надежности тропосферных РРЛ потребовало разработки новых методов
борьбы с замираниями. Такими способами являются использование оптимального
приема широкополосных сигналов и адаптивный прием [24].
На отечественных линиях связи широко применяется
аппаратура тропосферной радиорелейной связи типа «ТРИ20», «Горизонт»,
«Тропа-2,4». Последний тип аппаратуры является цифровым, работающим в диапазоне
4,4...4,7 ГГц, который рассчитан на передачу до 60 каналов ТЧ.
1.7 Выводы по 1 главе
2. Рассмотрены основные принципы построения
РРЛ, структурные схемы передачи.
3. Рассмотрены виды модуляций, используемых
в радиорелейной связи.
. РАСЧЕТ КАНАЛОВ СВЯЗИ С УЧЕТОМ ПЕРЕСЕЧЕННОЙ
МЕСТНОСТИ
2.1 Расчет профиля
канала связи
Первое условие для получения качественной
радиосвязи заключается в выборе наиболее подходящего профиля поверхности Земли
на пути распространения радиоволн. Это разрез профиля Земли на пути
распространения радиосигнала, показывающий все особенности ландшафта, преграды,
типы ландшафта (вода, земля, деревья, здания и т.д.) и мачты, на которых
установлены антенны. Для расстояний меньше чем километр или два, профили обычно
не требуются, поскольку удаленный терминал может быть ясно виден с основного
участка (но все другие вычисления и приоритеты, описанные в методологии
проекта, должны быть выполнены).
Расстояние (км)
Рис. 13. Типичный профиль канала
Первый шаг в этом процессе - получение контурной
карты местности. В большинстве областей развитых и развивающихся стран, эти
карты в любой момент можно получить от соответствующих ведомств и частных
компаний, делающих обзоры и издающих свои материалы и отчеты. Рекомендуется,
чтобы карта имела как минимум 20-метровые контурные линии, однако
предпочтительнее двухметровые, пятиметровые или 10-метровые.
Необходимо определить нахождение удаленного
терминала и положение главного участка на карте, и нарисовать прямую линию
между этими двумя местоположениями карандашом. Затем, предполагая, что основной
участок находится на расстоянии 0 км, идет за линией, следуйте за отметками
километров и там, где появляется контурная линия, в этой точке также отметьте контурную
высоту [11].
Поверхность Земли конечно не плоская, а
изогнутая. Рисунок разреза поверхности Земли, полученный благодаря карте, не
отражает истинные особенности пути распространения радиоволн. Приведенная ниже
формула поможет определить поправочный коэффициент, который нужно учесть для
каждой находящейся на карте точки, чтобы получить истинный профиль поверхности
Земли [18]:
(9)
где h
- коэффициент исправления высоты, который добавляется к высоте контура, м;
d1
- расстояние от точки контура до одного конца канала, км;
d2
- расстояние от той же самой точки контура до другого конца канала, км;
К - соответствующий коэффициент радиуса Земли.
Коэффициент радиуса Земли К нужен для учета того
факта, что радиоволна огибает Землю из-за атмосферного преломления. Радиус
изгиба изменяется с изменением атмосферных условий, и поэтому значение К
изменяется с учетом этого. Для целей радио в частотах ниже 1 ГГц достаточно
предположить, что более 90 % времени К будет равен 4/3.
Чтобы учесть периоды, где изменение К увеличивает затухание, должна быть
обеспечена хорошая граница замирания.
Коэффициент К позволяет всегда нарисовать путь
прохождения радиоволн в виде прямой линии и регулирует контур Земли для учета
изгибающейся радиоволны. Как только высота рассчитана и добавлена к высоте
контура, то может быть подготовлен профиль канала.
Теперь по карте можно увидеть, есть ли
какие-либо прямые преграды на этом пути. Как правило путь должен успешно
миновать все преграды. Вокруг линии пути есть область в виде конуса, которая
должна быть проходима для радиоволн. Она называется зоной Френеля (рис. 14)
[28].
Рис. 14. Расстояние зоны
Френеля
Проведение расчетов зоны Френеля имеет большее
отношение к прогнозу работы микроволнового канала.
Для проведения расчетов зоны Френеля
используется следующая формула [18]:
(10)
где F
- расчет зоны Френеля, т.е. радиуса конуса, м;
d1 - расстояние от точки контура
до одного конца канала, км;
d2 - расстояние от точки контура
до другого конца канала, км;
D
- полная длина канала, км;
- частота в МГц.
Если по карте становится понятно, что радиоканал
проходит близко к преграде, то стоит сделать расчет зоны Френеля, чтобы
проверить условие прохождения радиосигнала. Обычно высоты мачт выбираются так,
чтобы обеспечить прохождение сигнала в области, имеющей радиус 0,6 радиуса зоны
Френеля. Коэффициент 0,6 выбран потому что, во-первых, он обеспечивает
достаточную точность расчетов радиоканала и, во-вторых, помогает предотвратить
влияние отражений. При F
меньше 0,6 происходит поглощение сигнала в зоне прямой видимости, и поэтому
отсутствует усиление, достигаемое за счет более высоких мачт.
Другой важный пункт для рассмотрения - это тот
факт, что частоты ниже 1 ГГц имеют хорошие свойства дифракции. Чем ниже частота,
тем больше дифракция. Поэтому для очень длинных каналов можно использовать
связь при наличии немногочисленных преград. Важно вычислить поглощение за счет
дифракции и, следовательно определить ее влияние на уверенный прием (т.е.
границу замирания) радиосигнала [13].
В качестве примера на рис. 15 изображен холм,
мешающий радиоканалу. Необходимо провести вычисления для определения затухания
сигнала из за дифракции на этом холме. Затем получившийся результат добавить к
полному ослаблению сигнала в канале чтобы определить, будет ли связь все еще
работать удовлетворительно [28].
Рис. 15. Устранение
возможных отражений с использованием барьеров
Мобильная радиосвязь (передвижные радиостанции)
используют совершенно другой набор критериев и формул.
2.2 Вычисления затухания в радиочастотном канале
На этом этапе нужно рассчитать полное ослабление
радиосигнала от антенны передатчика до антенны приемника, включающее [30]:
· ослабление в свободном пространстве;
· дифракционные затухания;
· поглощение дождем;
· потери отражения.
Поглощение дождем незначительно на частотах ниже
1 ГГц.
Потери отражения трудно определить. Во-первых,
интенсивность отраженного сигнала зависит от поверхности, от которой он
отражается (например вода, скала, песок). Во-вторых, отраженный сигнал может
поступить в фазе, противофазе или в фазовом сдвиге между ними. Так что
отраженные радиоволны могут иметь различный уровень - от катастрофически
низкого до полностью увеличенного сигнала. Хорошая техническая практика должна
всегда учитывать худший вариант, который был бы так называемой катастрофической
неудачей. Поэтому при проектировании связи должна быть проведена проверка на
наличие отражений, и если они существуют, то необходимо принять меры для их
устранения.
Это можно сделать, перемещая антенны или мачты
на различные месторасположения и высоты или помещая барьер в канале отражения,
чтобы поглотить отраженный сигнал. Например, поместить антенну позади холма,
дома, рекламного щита и т.д. [28].
Поэтому общее радиочастотное затухание - (а) + (b).
Рис. 16 показывает, что полное затухание было
бы:
(a)
(b) А
= 35,2 + 20Logl0F
+ 20Log10D
= затухание в свободном пространстве = 32,5 + 53,1 +24,6= 110,2 дБ
(c) Потеря
дифракции составляет 23 дБ (а) + (b) =133,2 дБ
Рис. 16. Пример связи [28]
Мощность передатчика/чувствительность
Следующим шагом является определение усиления,
обеспеченного передатчиками. Если в конфигурации связи один передатчик работает
с меньшей мощностью, чем другой, нужно рассмотреть направление распределения
сигнала от передатчика наименьшей мощности. Поэтому правила АСА требуют анализа
пути распространения сигнала от удаленного терминала до основного при мощности
сигнала в приемной антенне до 1 Вт, если главные станции передают сигнал
мощностью 5 Вт.
Переданная мощность должна быть переведена в
дБм. Для удаленного терминала это делается следующим образом [18]:
(11)
мощность = +30 дБм.
Далее нужно определить минимальный уровень
сигнала на входе приемника. Это называется пороговым уровнем чувствительности,
или иногда уровнем бесшумной настройки. Эта цифра может быть получена из
спецификации изготовителя.
Для радиостанции, работающей при 450 МГц,
пороговый уровень чувствительности составляет = 123 дБм. На этом уровне сигнал
чуть выше шумового уровня и не очень четок. Поэтому как правило цифра немного
лучше, чем когда используется уровень чувствительности приемника. Фактический
стандарт используется, когда радиочастотный сигнал наиболее низкий, но все еще
четкий. Этот уровень называется уровнем SINAD
в 12 дБ и подробно описан в следующем параграфе.
Эту цифру опять же можно получить из данных
производителя. Для типичного радио на 450 МГц этот уровень равен =117 дБм.
Используя эти цифры, можно выполнить простое
вычисление, чтобы определить работу связи на рис. 16. [28]
Т х Pwr
= мощность передачи в удаленном терминале = +30дБм; потеря = затухание
радиочастотного пути= 133,2 дБ;
R х Sen
= чувствительность приемника для SINAD
в 12 дБ = -117 дБ;
Т х Pwr
- потеря = Доступная мощность приемника = +30-133,2 = -103,2 дБм.
Так как приемник может принять радиочастотный
сигнал до -117 дБм, он будет принят приемником. В данном случае мы имеем 13,8
дБм избыточной радиочастотной мощности.
2.3 Дублирование
антенн, частот и путей распространения радиоволн
А. Дублирование антенн и частот
Часто радиосвязь осуществляется по короткому
каналу через скалистую местность, и инженер канала должен быть полностью
уверен, что существенно меняющиеся условия не будут проблемой. В этом случае
главной причиной установки дублирующего оборудования будет просто обеспечение
надежности оборудования.
Бывает так, что радиосвязь должна охватить
большое расстояние над водой, и в этой ситуации, несмотря на хорошо разработанный
канал с четкими границами замирания, глубокое замирание сигнала может вызвать
риск ухудшения работы системы или ее отказ. В этом случае проектировщик должен
рассмотреть целесообразность установки дополнительного оборудования [16].
Разнообразие видов радиосвязи подобно
параллельному действию. Идея разнообразия должна обеспечить два варианта
успешного канала коммуникаций, поэтому используются два метода разнообразия.
Первый метод состоит в использовании двух
разнесенных в пространстве антенн на приемном пункте. Они размещаются на
различных высотах на мачте. Расстояние между антеннами специально выбрано так,
что если есть отраженный сигнал, то два луча, идущие на одну антенну, будут в
фазе, в то время как эти два луча, идущие на другую антенну, будут в
противофазе. Поэтому, так как коэффициент К
меняется, всегда будет одна антенна с двумя лучами в фазе. Каждая антенна
связана с отдельным приемником, и частота ошибок по битам будет на каждом
приемнике своя. Выбирается выход приемника с меньшей частотой ошибок по битам,
сигнал с которого поступает на выход.
Обратите внимание на то, что здесь требуется
только один передатчик. В зависимости от тригонометрии отражения радиоволн
может возникнуть только один путь распространения. Поэтому разнообразие
пространства может требоваться только на одном участке
[30].
Рис. 17. Разнообразие пространства.
Второй метод заключается в использовании разных
частот. В этом случае та же самая информация передается на двух различных частотах.
Следовательно, в передающем пункте требуются два передатчика, а в приемном -
два приемника (рис. 18). Идея состоит в том, что различные частоты будут иметь
немного различные характеристики распространения в атмосфере и при отражении
или преломлении от объектов одна частота будет неискаженной, в то время как
другая может иметь искажения [30].

Обратите внимание на то, что может
использоваться единственная антенна, но обычно дублирование антенн
осуществляется вместе с дублированием частот.
Стоит отметить, что использование разнесенных
антенн - это предпочтительный выбор, а дублирование частоты осуществляется
только тогда, когда требуется связь с очень высокой надежностью.
Достижение улучшения связи за счет использования
разнесенных антенн является значительно важнее улучшения за счет разнообразия
частот, прежде всего, по экономическим причинам. Если применено разнообразие
частот, то использование разнесенных антенн обеспечивается автоматически как
составная часть системы.
Б. Дублирование путей распространения радиоволн
Существуют ситуации, когда часть или весь
трафик, передаваемый по радиоканалу, является очень важным, и становится
существенным высокий уровень готовности аппаратуры. Когда подано
электропитание, а радиооборудование и антенны были задублированы, то можно
сделать еще кое-что, чтобы увеличить надежность, поэтому специфическому каналу
связи. Проблемы на этом этапе возникать все еще могут. В областях с высокой
вероятностью образования циклонов или ураганов, могут быть повреждены башни,
мачты, линии электропередачи, здания. Внешние пожары могут повредить кабели
фидера и антенны, а внутренние пожары могут полностью уничтожить установку
[11].
В социально незащищенных областях люди крадут
кабель фидера, продают медь, и всегда существует проблема случайного или
намеренного повреждения.
Мало что может сделать проектировщик системы,
чтобы принять меры против некоторых из этих угроз, так что альтернативное
направление нужно учитывать там, где оно возможно и доступно. При небольшом
пространстве невозможно охватить все комбинации риска и альтернативных
маршрутов, так что некоторые предложения описаны кратко.
Можно передавать данные на низкой скорости по
отдельному каналу УКВ или даже по коротковолновой системе. Трафик чрезвычайной
связи может быть направлен по таким системам, если их можно установить.
Если доступны общественные услуги связи, можно
арендовать один или два голосовых канала или канала данных на постоянном
основании или на основании запроса для осуществления передачи данных.
Можно использовать услуги спутниковой связи на
коммутируемой основе или даже арендовать отдельные голосовые каналы или каналы
передачи данных.
2.4 Выводы по главе 2
1. Рассчитан профиль канала связи
. Произведены вычисления затухания в
радиочастотном канале
. Рассмотрены дублирование антенн, частот
и путей распространения радиоволн
ЗАКЛЮЧЕНИЕ
Инфраструктура мировой и национальных сетей
цифровой связи, которая развивается как интегрированная первичная транспортная
сеть, обеспечивающая передачу любого вида информации, базируется на комплексном
использовании проводной, радио, радиорелейной и спутниковой (космической)
связи. Радиорелейная связь занимает в этой структуре свое достойное место.
Вопрос о применении того или иного рода связи
или их комбинации в сетевой инфраструктуре диктуется конкретными
географическими условиями, а также экономическими, социности страны.
Технические средства связи и методы их применения должны быть увязаны в единую
систему. Этим обусловливается возрастающее внимание к решению вопросов связи и
необходимость дальнейшего развития технических средств и методов эффективного
применения всех родов связи, в том числе и радиорелейной [4].
При выборе систем передачи для построения
телекоммуникационных сетей пользователи все чаще отдают предпочтение
радиорелейным линиям. Радиорелейные системы экономически выгодны, поскольку не
требуют прокладки кабельных магистралей и их эксплуатации, быстро
разворачиваются и вводятся в строй, обеспечивают надежность передачи информации
и ее секретность, предлагают дистанционный мониторинг и диагностику
оборудования, оценку качества передачи.
В первой главе дипломной работы были рассмотрены
и изучены следующие вопросы:
· Особенности и общие принципы
построения радиорелейных линий связи прямой видимости;
· Классификация радиорелейных линий;
· Виды модуляции, применяемые в
радиорелейных системах передачи;
· Аппаратура радиорелейных линий
прямой видимости;
· Приемопередающая аппаратура радиосвязи;
· Тропосферные радиорелейные линии;
Во второй главе были произведены: расчеты
профиля канала связи, вычисления затухания в радиочастотном канале,
дублирование антенн, частот и путей распространения радиоволн.
СПИСОК
ИСПОЛЬЗУЕМОЙ ЛИТЕРАТУРЫ
1 Барабаш
П.А., Воробьев С.П., Махровский О.В., Шибанов В.С. Мультисервисные сети
кабельного телевидения. 2-е издание. - СПб.: Наука, 2004.
Блушке
А. «Родословная» хDSL, или Попытка классификации технологии хDSL для «последней
мили» // Технологии и средства связи. 2000. №1.
Весоловский,
Кшиштоф Системы подвижной радиосвязи / Кшиштоф Весоловский - М. : Горячая линия
- Телеком. - 2006. - 529 с.
Волков,
Л.Н. Системы цифровой радиосвязи / Л.Н. Волков - М. : Эко-Трендз. - 2005. - 392
с.
Вычислительные
системы, сети и телекоммуникации / В.Л Бройдо - СПб Питер, 2002-688 с.
Гаранин,
М.В. Системы и сети передачи информации: Учебное пособие для вузов / М.В.
Гаранин - М. : Радио и связь. - 2001. - 336 с.
Долотов
Д.В. Оптические технологии в сетях доступа // Технологии и средства связи. Специальный
выпуск «Системы абонентского доступа», 2004.
Котиков
И.М. Классификация и сравнительный анализ технологий проводного доступа //
Технологии и средства связи. Специальный выпуск «Системы абонентского доступа»,
2004.
Крухмалев,
В.В. Основы построения телекоммуникационных систем и сетей: Учебник для вузов /
В.В. Крухмалев - М. : Горячая линия - Телеком. - 2004. - 150 с.
Максимов
Н.В., Попов И.И. Компьютерные сети пособие для студентов учереждений
среднегопрофессианального образования. - 3-е изд, испр. И доп. - М.: ФОРУМ,
2008. - 448 с.
Мамчев,
Г.В. Основы радиосвязи и телевидения. Учебное пособие для вузов / Г.В. Мамчев -
М. : Горячая линия - Телеком. - 2007. - 416 с.
Орлов
С. Ethernet в сетях доступа // LAN. Журнал сетевых решений. 2004. №1.
Парфенов
Ю.А., Мирошников Д.Г. «Последняя миля» на медных кабелях. - М.: Эко-Тренз,
2001.
Радиорелейные
и спутниковые системы передачи / Под ред. А.С. Немировского. - М.: Радио и
связь, 1986. -392 с.
Системы
радиосвязи / Под ред. Н.И. Калашникова. - М.: Радио и связь, 1988. - 352 с.
Сманцер
А.Н., Шендерович Н.М., Стрижевский Н.З. Передача сигналов телевидения по
радиорелейным линиям. - М.: Радио и связь, 1983. - 216 с.
Фролов
С.А., Бухаров С.А. Источник: Технологии и средства связи No2, 2004 г.
http://nmkrupin.narod.ru/wimax.php
http://ru.wikipedia.org.
- 10.05.2010.
http://sysbook.org.ua
http://www.lessons-tva.info/edu/telecom-loc/m1t2_2loc.php
http://www.nnn.tstu.ru/twn/technhard_k.php
http://www.connect-portal.info/radio_relei_perspectivi.php
http://asp24.ru/obzory/radiorelyenaya-svyaz/
http://www.lr.kiev.ua/hps/page13.php
26 http://www.connect.ru/catgoods.asp?
raz=135&ID=866#
http://www.soslan.ru/tcp/tcp10.php
http://dmtsoft.ru/bn/468/as/oneaticleshablon/
http://www.intuit.ru/department/network/ndnets/12/4.php
http://rk6.bmstu.ru/electronic_book/net/net02/canal.php