Calculation of power electronics converters

  • Вид работы:
    Курсовая работа (т)
  • Предмет:
    Информатика, ВТ, телекоммуникации
  • Язык:
    Английский
    ,
    Формат файла:
    MS Word
    212,6 Кб
  • Опубликовано:
    2015-08-10
Вы можете узнать стоимость помощи в написании студенческой работы.
Помощь в написании работы, которую точно примут!

Calculation of power electronics converters

CONTENTS

Abstract

1.Choise of designing direction

1.1      The review of circuit solutions

.1.1     Three-phase rectifier with center tap

1.1.2 Three-phase regulated rectifier with center tap (LH=¥)

.1.3   Three-phase bridge regulated rectifier

.1.4   Non-symmetrical scheme of three-phase bridge rectifier

.1.5   Larionov’s scheme

1.2 The review of constructive solutions

1.2          Statement of problem

2.Principle of designed scheme operation

. Calculation of rectifier working on active-inductive load

. Construction of the device of literatureA Reference data of diodeB Reference data of throttleC Reference data of transformer

Appendix D Reference data of clamped connection

rectifier electronic converter

INTRODUCTION

Electronic apparatus are referred to devices of a power electronics used in various systems and electric power supply sources, which serve for conversion of electrical energy with one parameters to electrical energy with other parameters. For example, conversion an alternating-current to a direct one (rectifiers); a dc to ac (inverters); alternating-current of one frequency to an alternating current of another frequency (frequency converters); a direct voltage (current) of one value to a direct voltage (current) of other value (a voltage (current) converters). Electronic devices for a filtration and stabilization of current and voltage are also referred to devices of power electronics. All set of forth-above devices are termed as converters.

The design procedure of low power converters differs from a design procedure of high-power converters die to specific features of these devices, but electromagnetic processes in them have the same character. Course designing on discipline « Bases o power electronics » puts the purpose obtaining of practical skills in calculation of power electronics converters explanatory note, development of designs and drawing up of engineering specifications of converting units.

1. CHOICE OF DESIGNING DIRECTION

1.1    The review of circuit solutions

.1.1Three-phase rectifier with center tap

The latter kind of load should be considered as opposite electromotive force with inductance. The component element of complicated schemes of three - phased current rectifiers is a simple three - phased scheme with center tap, suggested by Mitkevich. In this scheme dispersion of transformer windings aren’t taken into account, that is available for small power rectifiers; also it is considered that valves and transformer are ideal. In idealized scheme commutation is realized instantaneously, at any time moment current is conducted only by one valve, anode of which has the most high potential. The durability of work of every valve is . The rectified voltage and current contain thrice-repeated pulsation by period.

1.1 - The three-phased rectifier with center tap by active-inductive load.

It should be mentioned that in three-phased rectifier with center tap there is such a phenomenon as steady-state magnetization of transformer core. It is one of the disadvantage of usage given scheme. three-phased current rectifiers for decreasing of rectified current alternative component there usually link up inductive smoothing filter in a series with load, inductance of which has definite value (LH). The work regime of such a scheme is:

ra=0, La=0, 0<LH

Also let’s consider scheme of three-phased rectifier taking into account the next condition: ra=0, La¹0, LH

1.2 - The equivalent scheme of the three-phased rectifier with active-inductive load

scheme is used in case of considering dispersion inductance of transformer windings La and LH=¥.fact, the accurate definition of electric parameters of rectifier is greatly complicated because of the form of current curves in secondary and primary transformer winding that depends of angle of commutation. Consequently, it causes some problems in calculation of rectifier parameters.

.1.2 Three-phase regulated rectifier with center tap(LH=¥)exist not only non-regulated there-phased rectifiers but also regulated there-phased rectifiers. Usually it is used a scheme with center tap (regime when ra=0, La=0, rnp=0).

 1.3 - The scheme there-phased regulated rectifier with center tap (LH=¥)

case of active-inductive load this scheme can work in two regimes: regime of continuous currents, when (angle of regulation a in there-phased rectifiers is considered to count from the point of natural opening of values); and regime of interrupted currents . The interruptance of current in load curcuit depends not only on rate of charge of regulation angle a, but also on relation of load parameters RH and LH. Like in one-phased scheme, the curve of rectified voltage on the interval a may have the negative voltage on winding of given phase due to the accumulated energy in magnetic field of throttle LH.deleting negative parts in curve of rectified voltage and improving power coefficient of rectifier zero valve D0 is involve is scheme, which shunts a load. Current through zero valve by active-inductive load is supported due to electro motive force of load self induction and flows by the internal of time p/6 -a. The voltage on load at this time internal is equal to zero, and thyristors B1, B2, B3 are closed.

1.1.3 Three-phase bridge regulated rectifier three-phased bridge regulated rectifier is widely used in transformational devices. For such rectifiers conformity to change of external characteristics depends on value of regulation angle a. As a result, it is usually construct the family of external characteristics Vav=f(Iav)a=const by different values of angle a. During definition of these dependences for there-phased bridge rectifier with active-inductive load let’s neglected the losses in valves and transformer windings La, and also considering that in load curcuit the value of inductance LH=¥.to such simple condition current in load curcuit is got ideally smoothed and unchanged by value, and current of commutation depends only on value of inductance La and conformity to change electro motive force of transformer windings, staying at commutation contours.

.1.4 Non-symmetrical scheme of three-phase bridge rectifier

In fact, three-phased bridge regulated rectified may be executed on non-symmetrical scheme (three thyristors B1, B3, B5 and three diods D4, D5, D2). Such a scheme is widely used in rectifiers of small power. The peculiarity of work of given scheme by active-inductive load in regulation rate () is that during taking down signal of regulation it’s impossible to provide the closing of all thyristors. At this moment there is happen a closing of two thyristors, the third is open due to electro motive force of self-induction of load and through it load current flows. That leads to the increasing of voltage regulation rate and worsening the usage of valves by current. For raising of affectivity zero valve D0 is involved in scheme, which shunts a load, affectivity zero valve D0 is involved in scheme, which shunts a load, through which load inductance is discharged, not preventing to the closing of thyristors. It allows to realize a full rate of regulation of the rectified voltage. It should be mentioned that energy, accumulated in load inductance, is dispersed in load resistance through valves of one phased, passing enternal circuits of rectifier.

1.5 - The scheme of there-phased bridge non-symmetrical regulated rectifier

1.1.5 Larionov’s scheme

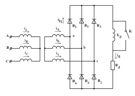
A three-phased bridge rectifier (Larionov’s scheme) finds widespread application in transformational technique. In this scheme three valves are united in cathode group and another three valves -in anode one. During the work of such a scheme current is always conducted by two valves: one in cathode group, another is anode group. At any time moment in cathode group there will be opened that valve, anode potential of which is higher that anode potentials of other valves in group- a valve, cathode potential of which is lower that cathode potentials of other valves group. Commutation of current from one valve to the regular one, next in given group, occurs in moments of sinusoids’ cross-section of secondary winding transformer phase voltages. Valves of scheme conduct current during  of period. Sequence of introduction in work of valves corresponds to their numbers (look figure of three - phased bridge scheme on active-inductive load). As a result potential of total scheme cathodes (positive pole of rectifier) is changed over upper skirter of phase voltage curves, and potential of total anode (negative pole of rectifier)- over lover skirter. Rectified voltage Ud is equal to the potential difference of positive and negative rectifier’ poles. The voltage on valve is defined as difference of its cathode and anode potentials.

1.6 - The three - phased bridge scheme on the unregulated valves.

Mainly in bridge rectifier there’s no forced magnetization of transformer core because current in secondary winding flows twice a period, in opposite directions. In three - phased current rectifiers for decreasing of rectified current alternative component there usually link up inductive smoothing filter successively with a load, inductance of which has definite value.

Nowadays when force semi-conductor valves are used mostly, Larionov’s scheme has got wide application because of its well technico-economic indicies: effective usage of transformer, low value of inverse voltage on valve, comparently low coefficient of pulsation, high coefficient of useful action and others. It should be mentioned that for Larionov’s scheme all electric parametres are calculated when mn=6.

1.2    The review of constructive solutions

is a device which is intended for transformation of alternative voltage into direct one. The main elements of rectifier are transformer and valves, with aid of which there’s provided one-sided current flowing in load circuit, as a result alternative voltage is transformed into pulse one. For regulation and stabilization of rectified voltage and current of consumer regulator of stabilizator is linked up to its enternal terminals. According to phase number of power supply voltage there are schemes of one - phased and three - phased rectification.

The main magnitudes which characterise the operational properties of rectifiers:

-        average value of rectified voltage and current (Uav, Iav);

-        efficiency (η);

-        power coefficient (χ);

-        external characteristic - dependence of voltage on exit from load current ;

         regulation characteristic - dependence of rectified voltage from regulation angle ;

         pulsation coefficient - relationship of amplitude of given rectified voltage (current) harmonic component to the average value of rectified voltage (current) . (1.1)

Schemes of three - phased current rectifiers are applied generally for power supply of middle and great power consumer. They informly load a network with three - phased current and are differed due to high coefficient of transformer usage. Such schemes are used for power supply of static load with opposite EMF (electrolise and other), and also dynamic load is form electroengines of direct current.

1.3 Statement of problem

It is necessary to calculate and design the rectifier with active-inductive load Is Given:d - an average rectified voltage, Ud = 100 V;d - an average rectified current, Id =7 A;1 - a voltage of a three - phased supplied network, U1 =127 V;c - frequency of a supplied network, fc =50 Hz.is necessary to do:

choose the rectifier scheme;

execute calculation;

realize selection of elements for device;

design the construction of device;

to do the assembly drawing and drawing of the printed circuit card. a base I choose a three-phased bridge rectifier scheme (Larionov’s scheme figure 1.6).

2. PRINCIPLE OF DESIGNED SCHEME OPERATION

’s consider a three-phased bridge rectifier (Larionov’s scheme figure 1.6).

Two three-phase rectifer groups connected in series in scheme: anode D2,D4,D6 and cathode D1,D3,D5 , each of one repeats work of three-phased rectifier with center tap. So this scheme has average rectifiered voltage Uav in two times greater, at the same EMF value of secondary transformer winding E2 , as in the three-phase rectifier with a center tap.the bridge sheme two valves pass through current: one - with more higher anode potential relativly to zero point of the transformer from valve cathode group; and another - with more lower cathode potential from valve anode group.voltage has six-phase pulsations, thought the period of work of each valve remains the same as in three-phase scheme with center tap. There is no forced core magnetization of transformer in bridge rectifier, as current flows twice over a period in secondary winding,in opposite directions.

Larionov’s scheme got wide application as a result of its good technical and economic indices: effective transformer using, small value of inverse voltage on the valve, comparatively small pulsation coefficient, high efficiency factor and other.

3. CALCULATION OF RECTIFIER WORKING ON ACTIVE-INDUCTIVE LOAD

DATA:d - an average rectified voltage, Ud = 100 V;d - an average rectified current, Id =7 A;1 - a voltage of a three - phased supplied network, U1 =127 V;c - frequency of a supplied network, fc =50 Hz.

1.      On the basis of rectified current and voltage values and also for decreasing the transformer dimensions and filter dimensions, decreasing of consumed from the network power, let’s choose Larionov’s scheme with star-star winding connection.

2.      From the table 19.2 [6] let’s define:

V (4.1)

A (4.2)

3.      The active resistance of transformer phase:

  (4.3)

where value Kr is taken from the table 19.3 [6] in case of inductive load, consequently Kr =2,5.

4.      Inductance of transformer winding dispersion:

  (4.4)

 where value KL is taken from table 19.3 [6] in case of inductive load,

5.      Voltage drop on the valves in the scheme

V. (4.5)

6.      Idling voltage with counting of rectifier phase resistance rtr and voltage drop on throttle ΔUth:

  (4.6)

where ΔUth =(0,1…0,05)Ud for Pav =(100…1000)Wt,

av =Id Ud =7 100=700 Wt. (4.7)

. The precise value of inverse voltage on a valve:

 (4.8)

8. According to the table 19.2 let’s define parameters of the transformer

 (4.9)

 (4.10)

 (4.11)

 (4.12)

 (4.13)

9.Angle of commutation:

 (4.14)

Consequently γ=arcos 0,991 =80

10.    Minimum available inductance of filter throttle:

 

 (4.15)

11.    The external characteristic of rectifier present a straight line, which is constructed by two points: Id =0; Ud =Uavi (idling) and Id, Ud (nominal load).

12.    Inner resistance of rectifier:

 (4.16)

Efficiency:

 (4.17)

 (4.18)

 (4.19)


14. Calculations of geometrical sizes of the wires

 For definition of a sectional area of the current carrying wire, radiating from value of a current and an economic current density (for conductors from copper J = 0,9~1,2 А/mm2, from aluminum J = 0,7~0,9 А/mm2) it is used the following formula:

 (4.20)

where q1 - the cross-section of a conductor, mm2; I1 - the greatest working current of a conductor, And; J - the accepted current density, А/mm2.

 For accounts it is chosen economic current density J = 0,9 А/mm2 (copper), the greatest working current I1 = 2,31 A.

Sectional area q1 = 2,57 mm2.

Radiating from the obtained cut, under the gage the wire or the tire of equal or proximal cut is selected. The material of a winding (aluminum or copper) is selected on constructive and economic reasons. The diameter of the tire is equal:

 (4.21)

the diameter of the tire is equal d = 1,8 mm. According to the catalogue the rated diameter up to d = 2 mm.

4. CONSTRUCTION OF THE DEVICE

three-phase rectifier scheme is relevant to uncontrollable three-phase current rectifiers schemes.They are used for consumer supplying of middle and high power.They are uniformly loading three-phase power circuit and have high use factor of transformer.

By calculated values we choose diods,throlle, plug and transformer.rinted circuit card dimensions are 140´175 mm, width 3 mm, general-purpose glass-cloth laminate material uninflammable filtered СОНФ-2 (ДСТУ 12652-74), filtering width 50 мкм. Mass of card nearby 0,4 kg. Elements are soldered ПОС61 ДСТУ 21931-76. of assembling - printed, hard. Bracing of elements is hinged,plug is connected by flexible bonding wire with isolution fritted from froth (ТУ 16-505.083-78).All elements of the printed card are connected by copper wire with diameter 2mm. Card may situated on slide rails.

CONCLUSION

The results of the given course design became constructed and calculated at a three - phase rectifier working on active-inductive load. A design of a rectifier - unitized. The given device has both virtues and a limitation.

 Rectifier is such a device that is intended for transformation of alternative voltage into direct one. The main elements of rectifier are transformer and valves, with aid of which there’s provided one-sided current flowing in load circuit, consequently alternative voltage is transformed into pulse one.

Taking into account the initial data and calculated value of the given rectifier I chose the three-phase bridge rectifier (Larionov’s scheme) with star-star winding connection. Generally, schemes of three-phase current rectifiers are applied mostly for power supply of middle and great power consumers. They uniformly load a network with three-phase current and are differed due to high coefficient of transformer usage. Such schemes are used for power supply of static load of active and active-inductive character, static load with opposite EMF and others.should be mentioned that nowadays when force semi-conductor valves are used mostly, Larionov’s scheme has got wide application because of its well technico-economic indicies: effective usage of transformer, low value of inverse voltage on valve, comparently low coefficient of pulsation, high efficiency and others. In three-phased current rectifiers for decreasing of rectified current alternative component there usually link up inductive smoothing filter in a series with load, inductance of which has definite value (LH). Mainly in bridge rectifier there’s no forced magnetization of transformer core because current in secondary winding flows twice a period, in opposite directions.

LIST OF THE LITERATURE

1. Варламов Р.Г. Компоновка радиоэлектронной аппаратуры. - М.: Советское радио, 1975.-352с.

2. Справочник конструктора РЭА / Под ред. Варламова Р.Г. - М.: Радио и связь, 1985.-354с.

3. Лярский В.Ф., Мурадян О.Б. Электрические соединители: Справочник. - М.: Радио и связь, 1988.-272с.

4. Электрические кабели и провода, шнуры: Справочник / Под ред. Белоруссова И.И. - М.: Энергоатомиздат, 1987.-536с.

5. Сидоров Н.Н. и др. Малогабаритные трансформаторы и дроссели: Справочник. - М.: Радио и связь, 1985.-540с.

6. Исаков Ю.А. и др. Основы промышленной электроники. - К.: Техника, 1976.-554с.

7. Усатенко С.Т. и др. Выполнение электрических схем по ЕСКД: Справочник. - М.: издательство стандартов, 1989.-325с.

8. Диоды: Справочник / Под ред. Григорьева О.П. и др. - М.: Радио и связь, 1990.-335с.

9. Полупроводниковые приборы. Диоды выпрямительные, стабилитроны, тиристоры: Справочник / Под ред. Голомедова А.В. - М.: Радио и связь, 1983.-523с.

10.Янковенко В.С. и др. Расчет и конструирование элементов электропривода. - М.: Энергоатомиздат, 1987.-320с.

11. 

APPENDIX A

Reference data of diodsto the calculated values of Uinv max =92V and Id=2,31A I have chosen in quality of valves the silicic diods of type KD202Г.

         The main parameters of the diod type KD202Г:

-        maximum available constant (average) direct current =3,5A;

-        maximum available constant inverse voltage =100V;

         constant inverse current =0,8 mA;

         constant (or average) voltage=0,9 B;

         enviroment temperature rate: -60 - +30 o ’s depict the construction of this diod:


APPENDIX B

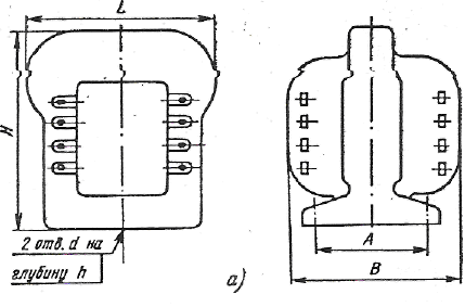
Reference data of throttle.to the calculated value of minimum available inductance of filter throttle Lth min=0,4*10-3Gn and magnetization current I=3,2A I have chosen the throttle of type D201T.main parameters of this throttle:

typedimension of magnetowire ШЛ 5х5;

mass is equal to 40g.’s depict the construction of the given throttle:

B - The throttle of the type D201T

The dimensions of the throttle are the following:=12mm=25mm=14mm=27,5mm=4mm=29mm=M2,5

APPENDIX C

Reference data of transformer.to the given data and calculations I chose the transformer of type ТПП 273-127/220-50. Electrical parameters of the transformer are: = 220V - voltage on the primary winding= 127V - voltage on the secondary winding

I= 12A - output current

P= 960 Wt - power =50 Hz - frequencydimensions:= 50 mm= 81 mm = 92 mm= 10 mm= 88 mm= M5

Figure C - Construction of the transformer of the type ТПП 273-127/220-50

APPENDIX D

Reference data of clamped connection

D - Construction of the clamped connection

connection of type Б-324-4 are intended for wire joining and branches in electrotechnical circuits (power, management, signalizings, illuminations and others)of voltage 100 V and frequency 50 Hz.

Похожие работы на - Calculation of power electronics converters

 

Не нашли материал для своей работы?
Поможем написать уникальную работу
Без плагиата!
Без нейросетей!