Технология выполнения работ нулевого цикла

  • Вид работы:
    Курсовая работа (т)
  • Предмет:
    Строительство
  • Язык:
    Русский
    ,
    Формат файла:
    MS Word
    968,35 Кб
  • Опубликовано:
    2014-10-12
Вы можете узнать стоимость помощи в написании студенческой работы.
Помощь в написании работы, которую точно примут!

Технология выполнения работ нулевого цикла

Министерство образования и науки Российской Федерации

Федеральное агентство по образованию

ГОУ ВПО АлтГТУ им. Ползунова И. И.

Факультет Строительно-Технологический

Кафедра «Технология и механизация строительства»







Пояснительная записка

к курсовой работе

по дисциплине «Технология организации и механизации строительного производства»

КР 270800.11. 000 ПЗ

«Технология выполнения работ нулевого цикла»

Студент группы С-13

Горшкова М. С

Руководитель

работы Щукина Ю.В


Барнаул 2013

Введение

Строительство является одной из основных сфер производственной деятельности человека. В результате строительного производства создается законченная строительная продукция - здание или сооружение определенного функционального назначения. Многообразие конструкций зданий и сооружений порождает необходимость разработки и применения широкого спектра строительных технологий. Ведущим элементом любой строительной технологии является строительный процесс.

Бетонные работы - неотъемлемая часть любого строительства. Это сложный технологический процесс, от качества выполнения которого зависит прочность и долговечность будущей конструкции. Бетонные работы нужно выполнять с соблюдением следующих операций: приготовление и транспортировка бетонной смеси, укладка бетона и уход за бетоном в период его твердения. Возведение зданий и сооружений складывается из ряда строительных работ, которые подразделяются на отдельные процессы. Бетонные работы необходимо выполнять с соблюдением следующих операций: приготовление и транспортировка бетонной смеси, укладка бетона и уход за бетоном в период его твердения. Качество бетона определяется многими показателями: качеством, количеством и маркой применяемого цемента, качеством и количеством заполнителей, правильностью подбора соотношения между применяемым цементом и заполнителем; правильным расходом воды при приготовлении бетонной смеси; качеством приготовления бетонной смеси. При температуре ниже 0°С вода в бетонной смеси замерзает, реакция гидратации прекращается и бетон не отвердевает. Если к моменту замерзания бетон набрал определенную прочность, то после оттаивания он может достичь проектной марки. Минимальное значение прочности, что может быть допущено к моменту замерзания, называется критической прочностью. Эта прочность указывается в проекте, ее минимальное значение регламентируется СНиП.

Для обеспечения рационального температурно-влажностного режима отвердевания бетона применяют разные способы: безобогревное выдерживание бетона («метод термоса»), искусственный обогрев. Безобогревную выдержку бетона осуществляют путем применения метода термоса. Для искусственного подогрева бетона используют электроэнергию.

В данном проекте будут рассмотрены методы выдерживания бетона в зимнее время. Температура бетонной смеси, которая укладывается в опалубку при выдерживании бетона по методу термоса, должна отвечать установленной расчетом, при применении искусственного обогрева - быть не ниже +5°С.Производство бетонных работ в зимних условиях требует соответствующей подготовки: предварительно определяют объемы работ и выбирают методы их выполнения. При транспортировке бетонной смеси утепляют тару и прогревают ее перед загрузкой у нее бетонной смеси. Открытые поверхности бетона укрывают.

1. Определение объемов монолитного железобетона и материальных ресурсов

Согласно заданию разработать конструктивную схему фундамента и установить их размеры. Составить схему расположения фундаментов в котловане, определить их количество, установить необходимое количество бетона для их возведения. Рассчитать состав бетонной смеси, потребное количество цемента, инертных материалов.

Схема расположения фундаментов в котловане

Фундамент изготавливается из монолитного железобетона (марка бетона В25, вид цемента ШПЦ), с применением мелкощитовой разборно-переносной опалубки. Согласно заданию фундамент состоит из трех ступеней.

Определим объем бетона для одного фундаментного стакана и геометрического объема самого фундаментного стакана (Vст,м3):

Vст=(а1*а2)*а+(в1*в2)*в+(с1*с2)*с=(2,6*3,2)*0,4+(1,6*2,4)*0,5+(0,6*0,8)*2,1=6,26 м3

Объем бетона для одного фундаментного стакана:

б=Vст-0,3(с1*с2)*с=6,26-0,3(0,6*0,8)*2,1=5,96 м3

Общий объем бетона:

общ=Vб*n=5.96*35=208,6 м3

-количество фундаментных стаканов

Бетонные работы необходимо выполнять в течении 25 рабочих дней. В состав бетонных работ входят:

ü Установка опалубки;

ü  Монтаж арматуры;

ü  Укладка бетона;

ü  Утепление фундаментного стакана с целью набора прочности бетона;

ü  Демонтаж опалубки;

Непосредственно бетонные работы по заполнению фундаментных стаканов выполняются за 10 рабочих дней. Определяем минимальное количество бетонируемых фундаментных стаканов в смену:

===3,5 ≈ 4стакана

Принимаем 4 фундаментных стакана за смену.

Определяем необходимое количество бетона в смену для заполнения фундаментного стакана:

Qб.ст=Vб*Qmin=5,96*4=23,84 м3/смену;

Состав бетонной смеси

Водоцементное отношение:

В/Ц=А*Rц/(Rб+0,5*А*Rц)

А-коэффициент, учитывающий качество заполнителя=0,6

Rб- прочность при сжатии бетона

Rц- марка цемента (ШПЦ 300=30 МПа); Класс бетона- В25

б=В*1,25=25*1,25=31,25

В/Ц=0,6*30/(31,25+0,5*0,6*30)=0,45

Расход воды

Ц=В/ В/Ц; В=Ц * Ц/В=550*0,45=248 л

Расход щебня

Щ=1000/(Vп.щ*α/ρщеб.+1/ρист.щеб.)=1000/(0,47*1,46/1,45+1/2,5)=1149кг/м3

α-коэффициэнт раздвижки зерен щебня=1,46

Расход песка

ρср.б.см.=Ц+В+П+Щ

П= ρср.б.см-(Ц+В+Щ)=2300-(550+248+1149)=353

2       Опалубочные работы

Разработать конструкции опалубочных щитов. Рассчитать давление на щит опалубки от свежеуложенного бетона, элементы крепления опалубочного щита, составить их спецификацию. Разработать и запроектировать технологию процессов сборки опалубочных блоков, арматурно-опалубочных блоков.

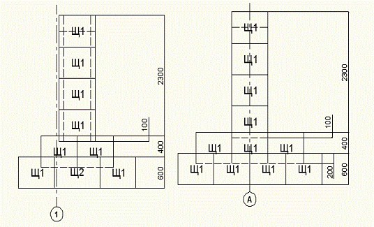
Для бетонирования фундаментов применяем мелкощитовую сборно-разборную опалубку. Материал опалубки сосна.

) щиты должны полностью закрывать боковые поверхности фундамента

) по высоте щит может быть равен высоте фундамента (ступени) или на 10-15 см. выше

) длина щита должна быть не более 2-х метров, ширина щита не более 0,6 м. ,каждый щит должен весить не более 50 кг.

Для изготовления щитов применяем сосну: толщина доски 25мм, бруски 40×40

Щит опалубки работает как многопролётная балка с равномерно распределённой нагрузкой.

Спецификация элементов опалубки

Щит 1 опалубки 800×600

Щит 1 опалубки 800×600

Щит 2 опалубки 1000×600

Распределили щиты опалубки, на 1 стакан понадобится

Щитов 800×600-26 шт.

Щитов 1000×600-2 штук. Всего 28 щитов.

КОМПАНОВКА ОПАЛУБКИ


АКСОНОМЕТРИЧЕСКАЯ СХЕМА ОПАЛУБКИ ФУНДАМЕНТА



Спецификация арматурных изделий на фундаменты

Марка фундамента

Наименование изделия

Марка изделия

Кол-во изделий

Масса, кг

Масса сетки, кг





одного изделия

всего


    Ф1

D=16,A III,L=2550

 C1-21

16

2,76

44,16

 80,06


D=16,A III,L=3150


13

2,76

35,88



D=16,A III,L=1550

 С1-21

8

2,76

22,08

 55,2


D=16,A III,L=2350


12

2,76

33,12



D=16,A III,L=2050

 С2-17

4

3,23

12,92

 13,46


D=6,A III,L=550


3

0,18

0,36



D=16,A III,L=2050

 С2-17

4

3,23

12,92

 13,64


D=6,A III,L=750


4

0,18

0,72




Ведомость арматурных изделий

Марка фундамента

Число фундаментов

Марка изделия

Число изделий

Масса изделий, кг


на захватку

На здание


на один фундамент

на одну захватку

на всё здание

на один фундамент

на одну захватку

на всё здание

  Ф1

  4

  40

C1-21

1

4

35

80,06

320,24

2802,1




С1-21

1

4

35

55,2

220,8

1932




С2-17

2

8

70

13,46

107,68

942,2




С2-17

2

8

70

13,64

109,12

954,8


Для того чтобы арматурные изделия установить в фундаментный стакан и повысить его прочность, укладываем арматурную сетку марки С1-21 на дно первой ступени фундаментного стакана, на дно второй ступени - сетку марки С1-21 и в подколонник ставим вертикальные арматурные сетки с четырех сторон марки С2-17 и С2-17. Для установки используем грузоподъемный кран.

3  Выбор метода выдерживания бетона

Нужно разработать и запроектировать метод выдерживания свежеуложенного бетона в опалубку: методом термоса, методом электротермообработки. Рассчитать и запроектировать утепленную опалубку.

Выбор рационального метода зимнего бетонирования зависит от массивности конструкций. Массивность характеризуется модулем поверхности, т.е. определяется соотношением суммарной площади охлаждения к объему стакана (конструкции):

Мn=Fохл/Vст;

Площадь поверхности бетонируемого фундамента:

Ø  Для первой ступени: Fохл1=2*а1*а2-в1*в2+2*2*(а1+а2)= =2*2,6*3,2-1,6*2,4+2*0,4(2,6*3,2)=17,44 м2

Ø  Для второй ступени:Fохл2=2*в1*в2-c1*c2+2в*(в1+в2)= =2*1,6*2,4-0,6*0,8+2*0,5(1,6+2,4)=11,2 м2

Ø  Для третей ступени: Fохл3=2*c1*c2+2*c(c1+c2)= =2*0,6 *0,8+2*2.1(0.6+0,8)=6,84 м2

Площадь охлаждения одного фундамента

охл=Fохл1+Fохл2+Fохл3=17,44+11,2+6,84=35,48 м2

Определение модуля поверхности фундамента

Мn=Fохл/Vст=35,48/6,26=5,67

Конструкция фундамента массивная и метод электротермообработки не подходит, потому что опалубка деревянная и с точки зрения экономики - это затратно (будет большой расход электроэнергии), т. к. бетонирование фундамента происходит в зимнее время, рациональным методом бетонирования в зимнее время считаем метод термоса.

При «термосном» выдерживание бетона необходимо определить толщину слоя теплоизоляционного материала.

Фактическое остывание бетона τ, час. Нормативное твердение бетона=84 часа. Это зависит от марки бетона, активности цемента и средней температуры бетонной смеси


Сб - удельная теплоемкость бетона.

Сб=1.05 кДж/кг0С

gб - средняя плотность бетона.

gб=2.3 кг/м3

tб.н - начальная температура бетона, 0С

tб.к - температура бетона к концу остывания.

tб.к=0 0С

Ц - расход цемента на 1 м3 бетона

Ц=550 кг/м3

Q - тепловыделение цемента за время твердения бетона.

Q=105 кДж/кг

Кт - коэффициент теплопередачи опалубки.

Мn - модуль поверхности конструкции.

τm - время остывания конструкции

tб.ср - средняя температура бетона за время остывания, 0С

tн.в - температура наружного воздуха, 0С

τ =(Сб*gб(tб.н- tб.к )+Ц* Q)/(3,6Кт*Мn(tн.в-tб.ср))= =(1,05*2300*17+105*550)/(3,6*5,67-5,2(7,9+14))=42,51 часов.

Требуемый коэффициент утеплителя определяем:

Kт.у. =(1,05*2300*17+105*550)/(3,6*5,67*84(7,9+14))=0,52 Вт/м2*град.

Тип опалубки 4. В качестве утеплителя принимаем пенопласт 30 мм, фанера 4 мм, доска 25 мм.

      Доставка, подача и укладка бетона

Рассчитать и запроектировать технологическую схему бетонирования фундаментов. Установить интенсивность подачи бетона в опалубку из условий непрерывного бетонирования. Выбрать машины и обородувание для доставки, подачи и укладки бетона. Рассчитать производительность бетонных работ.

Составить график интенсивности подачи бетона(диспетчерский график) и разработать технологию уплотнения бетона.

Расход бетона

Марка фундамента

Число фундаментов

На один фундаментный стакан

Объём бетона на захватке, м3

Объём бетона на здание, м3


на захватку

на всё здание

1 ступ.

2 ступ

под-кол.

1 ступ.

2 ступ

подкол

всего


Ф1

4

35

3,33

1,92

1,01

13,32

7,68

4,04

25,04

219,1


Выбор машин для доставки, подачи и укладки бетона

При подборе технологического автотранспорта для доставки бетонной смеси учитывают такие параметры, как объем перевозимой бетонной смеси, количество бадей для приема бетонной смеси и их вместимость, высота разгрузки бетонной смеси из автотранспорта.

Бетонная смесь доставляется на объект с завода-изготовителя. При сроках выполнения работ в 10 суток необходимо бетонировать 4 фундамента за смену.

Для обеспечения заданных темпов бетонирования выбираем автобетоносмеситель СБ-130.

Автобетоносмеситель СБ-130

ТЕХНИЧЕСКИЕ ХАРАКТЕРИСТИКИ АВТОБЕТОНАСМЕСИТЕЛЯ

Показатель

СБ-130

Вместимость смесительного барабана по готовому замесу, м3 Высота выгрузки материала, мм Базовый автомобиль Габаритные размеры, мм: длина ширина высота Мощность привода смесительного барабана, кВт Стоимость маш.-ч, руб. Затраты труда на эксплуатацию чел-ч/маш-ч Оптовая цена, руб. Число часов работы машины в год

8 960 КамАЗ-5412  11200 2500 3650 70 7,6 3,3 22400 2050


Расчет производительности автобетоносмесителя

Производительность автобетоносмесителя определяется по формуле


Где Vб/с - объем барабана автобетоносмесителя, м3

 - продолжительность смены, час

- продолжительность работы цикла, минв - коэффициент использования работы по времени (0,85)

k - коэффициент использования объема барабана

Продолжительность работы цикла определяется по формуле

 

t пог.1ст=1,5*Vф.1ст=1,5*3,33=4,995 мин

t раз.1ст= tц.крана+tвыг.*К0 =0,28+6*0,83 =5,26мин

К0==

tман=6 мин

===28 мин

 - средняя скорость движения АБС в груженном состоянии

дальность возки бетона на объект

хол===16,8 мин

tц1=4,995+5,26+6+28+16,8=61,055 мин

 

t пог.2ст=1,5*Vф.2ст=1,5*1,92=2,88 мин

t раз.2ст= tц.крана+tвыг.*К0=0,28+6*0,96=6,04 мин

К0==

tман=6 мин

===28 мин

 - средняя скорость движения АБС в груженном состоянии

дальность возки бетона на объект

хол===16,8 мин

tц2=2,88+6,04+6+28+16,8=59,72 мин

 

t пог.3ст=1,5*Vф.3ст=1,5*1,01=1,515 мин

t раз.3ст=tц.крана+tвыг.*К0=0,28+6*0,505=3,31 мин

К0==

tман=6 мин

===28 мин

 - средняя скорость движения АБС в груженном состоянии

дальность возки бетона на объект

хол ===16,8 мин

tц3=1,515+3,31+6+28+16,8=55,625 мин

Предусматриваем укладку бетонной смеси в опалубку фундаментов с использованием автобетононасоса.

Таблица 1 - Технические характеристики автобетононасоса

Показатель

СБ- 170-1

Производительность, м3/ч Вылет распределительной стрелы, м: - по горизонтали - по вертикали Угол поворота стрелы в плане, град. Габариты, мм: - длина - ширина - высота Стоимость маш.-ч, руб. Затраты труда на эксплуатацию, чел.-ч/маш.-ч Оптовая цена, руб. Число часов работы машины в год

65  20 22 400  10000 2500 3800 5,54  3,25 14390 1375


Для его выбора автокрана необходимо рассчитать следующие параметры:

1)      грузоподъемность крана Q,т

2)      вылет крюка крана L,м

)        высота подъема крюка крана Hк, м

)        длина стрелы крана lстр, м

Требуемая грузоподъемность крана:


Кран подбираем в соответствии с наибольшей требуемой грузоподъемностью.

Необходимое расстояние от центра до стакана определяли графическим методом, которое составляет Lтр=18,29м

==h0+a+hстр,

а- коэффициент запаса=0,5

h0 -высота фундамента,

h стр-рабочая высота строп,

Нк=3+0,5+5=8,5 м

L==18,29 м

На основании расчетов ведем подбор крана на автомобильной основе.


Высотная характеристика крана КС-55713 (-К-3)


Данная серия обладает увеличенной длиной стрелы 28 м, за счет чего увеличивается подстреловое пространство.

Предназначены для погрузочно-разгрузочных и строительно-монтажных работ на рассредоточенных объектах. Шасси обладают отличной маневренностью и легкостью управления, что позволяет использовать кран на объектах с различными типами подъездных путей, а небольшие габариты делают его пригодными для эксплуатации в стесненных условиях современных городов

График работы автобетоносмесителей. Диспетчерский график совместной работы бетоносмесителя и крана






5. Калькуляция трудозатрат и календарный график бетонных работ

Рассчитать и запроектировать технологическую схему бетонирования фундаментов. Установить интенсивность подачи бетона в опалубки из условий непрерывного бетонирования. Выбрать машины и оборудование для доставки, подачи и укладки бетона. Рассчитать производительность бетонных работ и установить состав бригады рабочих на подаче и укладке бетона. Составить график интенсивности подачи бетона (диспетчерский график) и разработать технологию уплотнения бетона.

 

 

Калькуляция трудозатрат

Обоснование ЕНиР

Наименование работ

Един. Измер.

Объем работ

Норма времени

Трудозатраты

Состав звена

Продолжит.см





Чел-час

Маш-час

Чел-день

Маш-день



Е4-1-34

Установка деревян. опалубки

1 м2

873,6

0,62


Плотник 4р.-2 2р.-2

9,98

Е4-1-44

Монтаж арматуры краном КС-55713(-К-3) а)гориз. б)вертик.

  а)шт   б)шт

  70   140


  0,42   0,79


  4,34   16,31

Арматурщик 4р.-2 2р.-2 Арматурщик 4р.-2 2р.-2

  1,08   4,07

Е4-1-49

Укладка бетон. смеси АБС

  1 м3

  219,1


  0,31


  10,02

Машинист 4р.-2 Слесарь 2р.-2

  1,37

Е4-1-54

Покрытие бетон. смеси утеплит.

100 м2

35,36

0,21


1,1


Бетонщик 2р.-2

0,55

Е4-1-54

Снятие с бетон. Поверх. Утеплит.

100 м2

35,36

0,22


1,15


Бетонщик 2р-2

0,57

Е4-1-34

Разборка деревян. опалубки

1 м2

873,6

0,15


19,3


Плотник 4р.-2 2р.-2

2,4


1.      Трудозатраты вычисляются по формуле:

 

где -норма времени, чел/час или маш/час- объем работ;

 = 8 ч - продолжительность смены.

Продолжительность работ вычисляется по формуле:

 

где R - количественный состав звена.

n-количество звеньев.

2.  Объем работ по установке арматурных сеток и каркасов <#"891487.files/image047.gif"> 

 

 

 

 

3. Объем работ по укладке бетонной смеси автобетононасосом

 

 

. Объем работ по покрытию бетонной поверхности утеплителем.

 

 

5. Объем работ по cнятию с бетонной поверхности утеплителя.

 

 

. Объем работ по разборке деревянной опалубки

 

 

6. Охрана труда , техника безопасности и охрана окружающей среды при выполнении бетонных работ в зимнее время

Ведомость материально технических ресурсов и контроль качества.

Ведомость материально технических ресурсов:

Наименование

Ед. изм.

Марка

Кол-во

1. Механизмы

1. Автобетоносмеситель

шт.

СБ-130

3

2. Автокран

шт.

КС-55713 (-К-3)

1

3. Автобенононасос

шт.

СБ 170-1

1

2. Материалы

1. Бетон

м3

ШПЦ - 300

219,1

2.Пиломатериал

м3

Сосна

873,6

3. Инструменты, инвентарь

1. Молоток плотничный

шт.

МПЛ

4

2. Лом

шт.

ЛЛ

4

3. Лом гвоздодёр

шт.

ЛГ - 20А

4

4. Топор плотничный

шт.

А - 2

4

5. Ножовка по дереву

шт.


4

6. Отвес

шт.

О - 400

2

7. Рулетка длиной 15 м

шт.


2

8. Уровень

шт.

УС - 2 - 700

2

9. Лопата совковая

шт.

ЛП

4

10. Лопата штыковая

шт.

ЛКП - 2

4

11. Лом строительный

шт.

ЛО - 28

4

12. Кувалда массой 1 кг

шт.


2

13. Щетка стальная

шт.


2

14. Уровень строительный

шт.


2

15. Ведро 8-литровое

шт.


2



Контроль качества:

1

Установка опалубки отдельно-стоящих фундаментов

Внутренний (оперативный) контроль, ГАСН, техническая инспекция

Не более чем через 5 оборотов, после установки

Внешний осмотр, измерения, 2-метровая рейка

Инструментальная проверка по акту

2

Установка арматурных сеток и каркасов

Внутренний контроль, ГАСН, технадзор

Перед и после установкой, до укладки бетона

Внешний осмотр, измерения

Утверждается актом освидетельствования скрытых работ

3

Приём бетонной смеси из АБС


Перед укладкой в бункер

Внешний осмотр

Каждый раз перед укладкой

4

Укладка бетонной смеси в конструкцию

Внутренний контроль, ГАСН,

Перед и в процессе бетонирования, каждые 2 часа, не реже 2 раз в смену

Внешний осмотр, замер температуры, испытание высверленных кернов или неразрушающими методами

Согласно СНиП III-15-76

5

Разборка деревянной опалубки

Внутренний контроль

В процессе разборки

Внешний осмотр

Согласно СНиП III-15-76


Качество бетонных и железобетонных конструкций определяется как качеством используемых материальных элементов, так и тщательностью соблюдения регламентирующих положений, технологий на всех стадиях комплексного процесса.

Для этого необходим контроль и его осуществляют на следующих стадиях: при приемке и хранении всех исходных материалов (бетон, арматурной стали, щиты опалубки.); при изготовлении и монтаже арматурных элементов и конструкций; при изготовлении и установке элементов опалубки; при подготовке основания и опалубки к укладке бетонной смеси; при уходе за бетоном в процессе его твердения.

В процессе армирования конструкций контроль осуществляется при приемке стали (наличия заводских марок и бирок, качества арматурной стали); при складировании и транспортировке (правильность складирования по маркам, сортам, размерам, сохранность при перевозках). После установки и соединения всех арматурных элементов в блоки бетонирования проводят окончательную проверку правильности размеров и положения арматуры с учетом допускаемых отклонений.

В процессе опалубливания контролируют правильность установки опалубки, крепления, а также плотность стыков щитах и сопряжениях, взаимное положение опалубных форм и арматуры (для получения заданной толщины защитного слоя). Правильность положения опалубки в пространстве проверяют привязкой к разбивочным осям и нивелировкой, а размеры - обычными измерениями. Допускаемые отклонения в положении и размерах опалубки приведены в СНиПе и справочниках.

Перед укладкой бетонной смеси контролируют чистоту рабочей поверхности опалубки и качество ее смазки.

На месте укладки следует обращать внимание на высоту сбрасываемой смеси, продолжительность вибрирования и равномерность уплотнения, не допуская расслоения смеси и образования раковин, пустот.

Окончательная оценка качества может быть получена лишь на основании испытаний прочности бетона на сжатие до разрушения образцов-кубиков, сделанных из бетона одновременно с его укладкой и выдерживаемых в тех же условиях, в которых твердеет бетон в бетонируемых блоках.

Наряду со стандартными лабораторными методами применяют косвенные неразрушающие методы оценки прочности непосредственно в сооружениях.

При механическом методе используют эталонный молоток Кашкарова.

При ультразвуковом импульсном методе используют специальные ультразвуковые приборы типа УП - 4 или УКБ - 1, с помощью которых определяют скорость прохождения ультразвука через бетон конструкции.

В зимних условиях помимо общих изложенных выше требований осуществляют дополнительный контроль.

Перед укладкой бетонной смеси проверяют отсутствие снега и наледи на поверхности основания стыкуемых элементов, арматуры и опалубки, следят за соответствием теплоизоляции опалубки требованиям технологической карты, а при необходимости отогрева стыкуемых поверхностей грунтового основания - за выполнением этих работ.

При укладке смеси контролируют ее температуру во время выгрузки из транспортных средств и температуру уложенной бетонной смеси. Проверяют соответствие гидроизоляции и теплоизоляции неопалубленных поверхностей требованиям технологических карт. При использовании метода «термоса» в процессе выдерживания бетона температуру измеряют каждые 2 часа в первые сутки, не реже двух раз в смену в последующие 3 суток и 1 раз в сутки в остальное время выдерживания. По окончании выдерживания бетона и распалубливания конструкций замеряют температуру воздуха не реже 1 раза в смену. Температуру бетона измеряют дистанционными методами с использованием температурных скважин, термометров сопротивления, либо применяют технические термометры.

Температуру бетона контролируют на участках, подверженных наибольшему охлаждению (в углах, выступающих элементов)

Правила контроля качества:

(СНиП III-15-76 т.2, т.4) Щиты: отклонение по длине или ширине - 3мм, по диагонали - 5мм, кромок щитов от прямой линии или линии, образующей поверхность конструкции, - 4 мм. Расстояние от вертикали или проектного наклона опалубки и линии их пересечения на 1 м высоты - 5мм, на всю высоту - 20 мм, смещение осей опалубки от проектного положения - 15 мм, местные неровности при проверке 2-метровой рейкой - 3 мм

Установка согласно технологии установки опалубки

(СНиП III-15-76 п.3.18, п.3.19, п.3.21) Смещение арматурных стержней при их установке в опалубку < max диаметра стержня и ¼ диаметра устанавливаемого стержня. Отклонение от проектной толщины бетонного защитного слоя < 5мм

Установка согласно технологи установки арматурных сеток и каркасов

(СНиП III-15-76 п.5.26) следить за температурой смеси на выгрузке, чтобы была > 0 ºС

Согласно технологии приёма смеси

(СНиП III-15-76 п.5.26) целостность утеплителя, его толщина = 52

Укладка согласно технологии укладки бетона

(СНиП III-15-76 п.2.29, п.2.30, п.2.32) Разборка в порядке, при котором после отделения её частей обеспечивается устойчивость и сохранность остающихся элементов

Разборка согласно технологии разборки опалубки


Техника безопасности

При монтаже сборных фундаментов следует руководствоваться следующими правилами:

)        монтажники должны знать грузоподъемность монтажных механизмов и приспособлений, а также массу сборных элементов;

)        при монтаже категорически запрещается нахождение людей под поднятой конструкцией;

) при подъеме сборных конструкций обязательна сигнализация, причем машинист обязан знать, кто из монтажников должен подавать ему сигналы;

) снимать крюк с опущенной конструкции разрешается только после ее выверки и окончательной установки;

) зоны, опасные для нахождения людей во время монтажа, должны быть ограждены и оборудованы хорошо видимыми предупредительными знаками.

При монтаже опалубки и арматуры, разгрузке бетонных смесей в опалубку особое внимание следует обращать на прочность и устойчивость поддерживающих конструкций, а также исправность и прочность приспособлений и устройств, применяемых для подъема всех видов материалов и изделий.

Опалубочные щиты, элементы лесов и приспособлений поднимают и подают к месту установки в пакетах или контейнерах. Опалубку освобождают от крюка крана только после ее надежного закрепления.

В случае обнаружения деформации опалубки должны быть приняты срочные меры по исправлению обнаруженных дефектов.

Опалубку разбирают только после достижения бетоном необходимой прочности, при этом следует принимать меры, предотвращающие падение элементов опалубки, обрушение лесов и конструкций.

Рабочая площадка в темное время суток должна быть хорошо освещена.

При монтаже арматуры фундаментов необходимо руководствоваться общими требованиями техники безопасности, при этом особое внимание уделяют мероприятиям по защите людей от поражения электрическим током. Рабочие должны иметь средства индивидуальной защиты. Необходимо предусматривать защиту окружающих от слепящего света, а деревянные элементы опалубки и лесов - от возможного возгорания. Корпуса сварочных аппаратов следует надежно заземлять.

Запрещается стоять на привязанных или приваренных хомутах и стержнях арматуры, находиться на опалубке до полного ее закрепления. Для приема бетонной смеси у опалубки устраивают площадки с ограждениями, на которых должны находиться рабочие.

Перед укладкой бетонной смеси в опалубку фундамента проверяют надежность крепления опалубки.

При выборе грузоподъемного механизма необходимый вылет крюке крана определяют с таким расчетом, чтобы обеспечивалась безопасная подача материалов и оснасти для всех возводимых фундаментов при принятой схеме производстве работ.

Охрана труда арматурщиков

. Перед началом работы арматурщики обязаны:

а) предъявить руководителю удостоверение о проверке знаний безопасных методов работ, получить задание у бригадира или руководителя и пройти инструктаж на рабочем месте по специфике выполняемых работ;

б) надеть спецодежду, спецобувь и каску установленного образца.

. После получения задания у бригадира или руководителя работ арматурщики обязаны:

а) подготовить необходимые средства индивидуальной защиты и проверить их исправность;

б) проверить рабочее место и подходы к нему на соответствие требованиям безопасности;

в) подобрать инструмент, оборудование и технологическую оснастку, необходимые при выполнении работы, проверить их исправность и соответствие требованиям безопасности;

г) убедиться в отсутствии дефектов у применяемых материалов;

д) проверить устойчивость и целостность опалубки и поддерживающих лесов.

. Арматурщики не должны приступать к выполнению работы при следующих нарушениях требований безопасности:

а) отсутствии ограждений рабочего места или оборудованных систем доступа при работе на высоте 1,3 м и более;

б) неисправностях применяемого оборудования и технологической оснастки, указанных в инструкциях заводов-изготовителей, при которых не допускается их применение;

в) несвоевременном проведении очередных испытаний (технического осмотра) технологической оснастки, инструмента и приспособлений;

г) недостаточной освещенности или загроможденности рабочего места;

д) нахождении в неустойчивом положении вертикальных конструкций армокаркаса, опалубки или наличии дефектов крепления лесов;

е) несоответствии параметров арматуры требованиям инструкций заводов-изготовителей по эксплуатации применяемого оборудования.

Обнаруженные нарушения требований безопасности должны быть устранены собственными силами, а при невозможности сделать это арматурщики обязаны сообщить бригадиру или руководителю работ.

Требования безопасности во время работы

. Складировать арматурные изделия следует на специально отведенных для этого местах.

. При изготовлении вязаных арматурных каркасов арматурщики обязаны использовать отожженную проволоку. Заготовка арматурных каркасов должна выполняться в специально отведенных местах. Не допускается производить работы по заготовке арматурных каркасов, их укрупнительной сборке вблизи от неогражденных или неотключенных токоведущих частей оборудования.

. Для перехода через участки уложенной арматуры арматурщики должны использовать трапы шириной не менее 0,6 м на подставках, установленных на опалубку.

Выпуски арматуры должны быть загнуты на 180°, а при невозможности выполнения этого - обозначены красными флажками. В местах массового прохода людей выпуски арматуры должны быть ограждены.

. В случае потери устойчивости вертикальных конструкций армокаркаса, рабочих настилов или опалубки арматурщики обязаны прекратить работу и принять меры к приведению их в устойчивое положение. При невозможности сделать это собственными силами арматурщики обязаны сообщить о случившемся бригадиру или руководителю работ.

Требования безопасности по окончании работы

. По окончании работы арматурщики обязаны:

а) привести в порядок рабочее место, спецодежду и средства индивидуальной защиты;

б) убрать инструмент и технологическую оснастку в помещение для их хранения;

в) о всех нарушениях, имеющих место в процессе работы, сообщить бригадиру или руководителю работ.

Охрана труда плотников.

Плотники при производстве работ согласно имеющейся квалификации обязаны выполнять требования безопасности, изложенные в «Типовой инструкции по охране труда для работников строительства, промышленности строительных материалов и жилищно-коммунального хозяйства», настоящей типовой инструкции, разработанной с учетом строительных норм и правил Российской Федерации, а также требования инструкций заводов-изготовителей по эксплуатации применяемого оборудования, инструмента, технологической оснастки.

Требования безопасности перед началом работы

. Перед началом работы плотники обязаны:

а) надеть каску, спецодежду, спецобувь установленного образца;

б) предъявить руководителю удостоверение о проверке знаний безопасных методов работы;

в) получить задание на выполнение работы у бригадира или руководителя и пройти инструктаж на рабочем месте с учетом специфики выполняемых работ;

. После получения задания у бригадира или руководителя плотники обязаны:

а) проверить рабочее место и подходы к нему на соответствие требованиям безопасности;

б) подобрать оборудование, инструмент и технологическую оснастку, необходимые при выполнении работ, проверить их исправность и соответствие требованиям безопасности;

в) проверить устойчивость ранее установленных конструкций;

. Плотники не должны приступать к работе при следующих нарушениях требований безопасности:

а) отсутствии ограждения рабочего места на высоте 1,3 м и более, а также специальных трапов в случае выполнения задания на крыше с уклоном более 20 и с покрытием, не рассчитанным на нагрузки от веса работников;

б) неисправности технологической оснастки, приспособлений и инструмента, указанных в инструкциях заводов-изготовителей, при которых не допускается их применение;

в) несвоевременном проведении очередных испытаний технологической оснастки, инструмента и приспособлений;

г) недостаточной освещенности рабочих мест и подходов к ним;

д) потере устойчивости ранее установленных конструкций. Обнаруженные нарушения требований безопасности должны быть устранены собственными силами, а при невозможности сделать это самостоятельно плотники обязаны сообщить о них бригадиру или руководителю работ.

Требования безопасности во время работы

. Для подхода на рабочие места плотники должны использовать оборудованные системы доступа (маршевые лестницы, трапы, стремянки, переходные мостики).

. Подмости, с которых производятся монтаж и установка деревянных конструкций, не допускается соединять или опирать на эти конструкции до их окончательного закрепления.

. При выполнении работ на лесах или подмостях, а также перекрытиях, покрытиях не следует располагать инструмент и материалы вблизи границы перепада по высоте. В случае перерыва в работе плотники должны принять меры для предупреждения их падения. Работы по изготовлению недостающих деталей (рубка, распиливание, теска и т.п.) в указанных местах не допускаются.

. При устройстве настилов, стремянок, ограждений с перилами нельзя оставлять сколы и торчащие гвозди. Шляпки гвоздей следует заглублять в древесину.

. Выполняя работы по демонтажу опалубки или других конструкций, плотники обязаны постоянно наблюдать за устойчивостью остающихся элементов.

Разбирать конструкции одновременно в двух и более ярусах по одной вертикали не допускается.

. Во время работы с применением машин с электрическим приводом плотникам запрещается:

а) натягивать и перегибать шланги и кабели;

б) допускать пересечение шлангов и кабелей электрических машин с электрокабелями и электросварочными проводами, находящимися под напряжением, а также со шлангами для подачи горючих газов;

в) передавать электрическую машину другому лицу;

г) производить работы с приставных лестниц;

д) производить обработку электроинструментом обледеневших и мокрых деревянных изделий;

е) оставлять без надзора работающий электроинструмент.

Требования безопасности в аварийных ситуациях

. При обнаружении неисправности средств подмащивания, технологической оснастки, электроинструмента, а также возникновении другой аварийной ситуации на месте работ (потере устойчивости возводимого или разбираемого объекта) работу необходимо приостановить и принять меры к ее устранению. В случае невозможности устранить аварийную ситуацию собственными силами плотники обязаны сообщить об этом бригадиру или руководителю работ.

Требования безопасности по окончании работы

. По окончании работы плотники обязаны:

а) применяемый электроинструмент отключить от сети и убрать в отведенное для этого место;

б) привести в порядок рабочее место;

в) обо всех неполадках, имевших место во время работы, необходимо сообщить бригадиру или руководителю.

Охрана труда бетонщиков.

Бетонщики при производстве работ согласно имеющейся квалификации обязаны выполнять требования безопасности, изложенные в «Типовой инструкции по охране труда для работников строительства, промышленности строительных материалов и жилищно-коммунального хозяйства», настоящей типовой инструкции, разработанной с учетом строительных норм и правил Российской Федерации, а также требования инструкций заводов-изготовителей по эксплуатации применяемого оборудования и технологической оснастки.

Требования безопасности перед началом работы

. Перед началом работы бетонщики обязаны:

а) предъявить руководителю удостоверение о проверке знаний безопасных методов работ и пройти инструктаж на рабочем месте с учетом специфики выполняемых работ;

б) надеть спецодежду, каску и спецобувь установленного образца;

в) получить задание на выполнение работы у бригадира или руководителя.

. После получения задания у бригадира или руководителя бетонщики обязаны:

а) подготовить необходимые средства индивидуальной защиты и проверить их исправность;

б) проверить рабочее место и подходы к нему на соответствие требованиям безопасности;

в) подобрать технологическую оснастку, инструмент, необходимые при выполнении работы, и проверить их соответствие требованиям безопасности;

г) проверить целостность опалубки и поддерживающих лесов.

. Бетонщики не должны приступать к выполнению работ при следующих нарушениях требований безопасности:

а) неисправностях технологической оснастки, средств защиты работающих и инструмента, указанных в инструкциях заводов-изготовителей по их эксплуатации, при которых не допускается их применение;

б) несвоевременном проведении очередных испытаний (технического осмотра) технологической оснастки, инструмента и приспособлений;

в) несвоевременном проведении очередных испытаний или истечении срока эксплуатации средств защиты работающих, установленного заводом-изготовителем;

г) недостаточной освещенности рабочих мест и подходов к ним;

д) повреждении целостности или потере устойчивости опалубки или поддерживающих лесов.

Обнаруженные нарушения требований безопасности должны быть устранены собственными силами, а при невозможности сделать это бетонщики обязаны незамедлительно сообщить о них бригадиру или руководителю работ.

Требования безопасности во время работы

. При необходимости в процессе работы перехода с одного рабочего места на другое бетонщики должны использовать оборудованные системы доступа (лестницы, трапы, мостики).

Переход по строительным конструкциям или находящимся на них лестницам, трапам, мостикам, а также пребывание на них работников разрешается при условии закрепления конструкций в соответствии с проектом. Нахождение работников на элементах строительных конструкций, удерживаемых краном, не допускается.

. При разгрузке бетоносмесителей бетонщикам запрещается ускорять разгрузку лопатами и другими ручными инструментами.

Чистка и ремонт бетоносмесителей и других машин, занятых на бетонных работах допускаются только после отключения от источника питания (снятия напряжения) и вывешивания на рубильнике плаката «Не включать - работают люди!».

. Для предотвращения обрушения опалубки от действия динамических нагрузок (бетона, ветра и т.п.) необходимо устраивать дополнительные крепления (расчалки, распорки и т.п.) согласно проекту.

. Разбирать и передвигать опалубку следует только с разрешения руководителя работ.

Элементы разборной опалубки необходимо опустить на землю, рассортировав с удалением выступающих гвоздей и скоб, и складировать в штабель.

Запрещается складировать разбираемые элементы опалубки на подмостях (лесах) или рабочих настилах, а также сбрасывать их с высоты.

Требования безопасности в аварийных ситуациях

. При обнаружении неисправностей крепления опалубки, средств подмащивания, средств механизации или технологической оснастки работы необходимо приостановить и сообщить об этом бригадиру или руководителю работ. Требования безопасности по окончании работы

. По окончании работы бетонщики обязаны:

а) отключить от электросети механизированный инструмент и механизмы, применяемые во время работы;

б) очистить от загрязнений после полной остановки механизмов их движущиеся части;

в) привести в порядок рабочее место;

г) сообщить бригадиру или руководителю работ о всех неполадках, возникших во время работы.

Охрана окружающей среды при выполнении бетонных работ в зимнее время.

К зимнему периоду должны быть: подготовлены помещения для согревания рабочих и средства борьбы со снежными заносами и наледями, а также необходимый фронт работ для рабочих всех квалификаций; разработаны и осуществлены мероприятия, обеспечивающие экономичные и безопасные методы производства бетонных работ.

автобетоносмеситель календарный калькуляция опалубочный

Заключение

Курсовая работа выполнена в соответствии с заданием. Технические решения принятые в работе соответствуют требованиям экологических, санитарно-гигиенических, противопожарных, строительных и других норм, действующих на территории Российской Федерации.

Для выполнения бетонных работ использованы следующие механизмы:

-     перевозка бетонной смеси - автобетоносмеситель марки СБ 130,

-        для монтажа арматурных изделий - кран марки КС-55713 (-К-3) и бетонирования автобетононасос СБ 170-1

При опалубочных работах использована мелкощитовая опалубка двух типов размеров.

При расчетах по выбору механизмов были учтены все требования техники безопасности для безопасной подачи материалов и оснастки при принятых схемах производства бетонных работ.

Список используемой литературы

1. Веригин Ю.А., Горобец В.П. Механизация технологических процессов строительства- Барнаул: Изд-во АлтГТУ: 2004.-298с.:ил.

. Вольф А.В., Мозговая Я.Г. Расчет беспрогревного выдерживания бетона: Методические указания к практическим занятиям по дисциплине «Основы технологии возведения зданий в суровых климатических условиях» для студентов , обучающихся по направлению «Строительство» / Алт. Гос. Техн. Ун-т им. И.И. Ползунова- Барнаул: Изд-во АлтГТУ, 2011- 34 с.

. Кандаурова Н.М. Проектирование технологии выполнения работ нулевого цикла: учебное пособие к курсовому проекту для студентов специальностей ПГС, МиАС, ГСХ всех форм обучения / Н.М. Кандаурова, М.М. Титов; Алт. гос. техн. ун-т им. И.И. Ползунова. - Барнаул: Изд-во АлтГТУ, 2005. - 139 с.

. Кандаурова Н.М. Проектирование технологии бетонных работ: Учебно-методическое пособие к курсовому и дипломному проектированию / АлтГТУ им. И.И. Ползунова. - Барнаул: 2011.-32 с.

. СНиП 12-03-2002. Безопасность труда в строительстве. Ч.2. Строительное производство.- М.: Книга- сервис, 2003.- 38 с.

. Соколов Г.К. Технология строительного производства : [учеб. пособие для вузов по направлению 270100 «Стр-во» ] / Г.К. Соколов. -3-е изд., стер. -М.: Академия, 2008. -539, с.: ил.

. Технология строительных процессов: В 2 ч. Ч. 1.: Учеб. для строит. Вузов / В.И. Теличенко, О.М. Терентьев, А.А. Лапидус -2-е изд., испр. И доп. -М.: Высш. шк.,2005. -392 с.: ил.

. Технология строительных процессов: В 2 ч. Ч. 2.: Учеб. для строит. Вузов / В.И. Теличенко, О.М. Терентьев, А.А. Лапидус -2-е изд., испр. И доп. -М.: Высш. шк.,2005. -392 с.: ил.

Похожие работы на - Технология выполнения работ нулевого цикла

 

Не нашли материал для своей работы?
Поможем написать уникальную работу
Без плагиата!
Без нейросетей!