Строительство общеобразовательного учреждения в поселке Новый республики Северная Осетия
Введение
Общественные здания повседневного и
периодического обслуживания относятся к массовым. Они составляют более 85%
общего объема строительства общественных зданий. Их проектирование основано на
принципах унификации и типизации и осуществляется с использованием
индустриальных изделий.
Общеобразовательные учреждения являются одними
из наиболее массовых объектов гражданского строительства, проектирование и
строительство которых тесным образом связано с реализацией жилищной программы и
перестройкой системы народного образования, а также с социальной сферой
жизнедеятельности населения.
Тема дипломного проекта: "Строительство
общеобразовательного учреждения в поселке Новый республики Северная
Осетия". Проект отвечает задачам гуманизации жилой среды, высоким архитектурно-художественным
и эстетическим требованиям.
При строительстве объекта учтены наиболее важные
современные требования, предъявляемые к учебным заведениям. Здание выполнено из
экологически безопасных, современных материалов и конструкций. Внутренняя
отделка - высококачественная, с применением новых отделочных материалов,
начавших поступать в большом объеме на рынок.
1. Архитектурно-строительный раздел
.1 Исходные данные
1. Место строительства - п. Новый Республика
Северная Осетия;
2. Климатический район - III Б;
. Снеговая нагрузка - 125 кгс/м2;
. Скорость напора ветра - 98 кгс/м2
. Расчетная температура внутреннего
воздуха - + 20оС;
. Относительная влажность внутреннего
воздуха - 50%.
. Расчетная температура наружного воздуха
- -18оС.
. Ориентация - ограниченная.
. Уровень ответственности здания -
нормальный;
. Класс здания - II.
. Степень долговечности - II;
. Степень огнестойкости здания - II;
. Класс конструкций пожарной опасности -
СО;
. Класс по функциональной пожарной
опасности - Ф 4.1;
. Глубина промерзания грунтов - 0,8 м;
. Сейсмичность - 8 баллов.
.2 Генеральный план
Участок для строительства представляет собой
площадку школы. На территории площадки кроме строящегося здания располагаются -
котельная, общие, групповые и хозяйственные площадки, а также пожарный водоем.
Участок озеленяется не только лиственными деревьями, но и вьющимися;
кустарником и газонами.
На данной площадке предусмотрены дороги в
основном шириной 4 м. Озеленение участка представляет собой периметральную
посадку лиственных деревьев, устройство кустарников в группах, размещением
цветников.
Расстояние от здания до стволов деревьев
принимается более 5 м.
Участок плана имеет спокойный рельеф. Уклон
планировки принимаем 0,01, учитывая, что перед началом планировки срезают растительный
слой на глубину 0,2 м. Проект организации рельефа предусматривает естественный
отвод воды с территории участка.
Участок средне-образовательного учреждения
размещен в коттеджной зоне. Радиус обслуживания не имеет ограничений.
Выбор участка для строительства школы
производился с учетом обеспечения необходимых санитарно-гигиенических
требований, инсоляции и аэрации территории.
Здание располагается с учётом требований
инсоляции, ориентации и проветривания, что позволяет ослабить влияние
неблагоприятных климатических условий.
Учитывая направление преобладающего зимнего
ветра в январе, проектируемое здание располагаем так чтобы господствующие ветра
дули в торец или угол проектируемого здания.
Для обеспечения условий инсоляции здание на
участке размещено в пределах допустимых секторов ориентации согласно его
градостроительной маневренности и выдержаны необходимые величины разрывов между
дошкольным учреждением и затеняющим объектом.
Территория школы размещена внутри квартала и
обеспечена удобными подходами к зданиям со стороны прилегающих транспортных
коммуникаций.
Технико-экономические показатели генерального
плана приведены в (Таблице 1).
Таблица 1.1 - Технико-экономические показатели
генплана
|
Наименование
|
Методика
определения
|
Ед.
изм.
|
Количество
|
|
Площадь
участка
|
га
|
42864
|
|
|
Площадь
застройки
|
м2
|
9919
|
|
|
Площадь
асфальтированных покрытий
|
м2
|
21715
|
|
|
Площадь
озеленения
|
м2
|
11230
|
|
|
Плотность
застройки
|
%
|
23,1
|
|
|
Процент
озеленения
|
%
|
26,2
|
|
.3 Объемно-планировочное решение
здание перекрытие ригель колонна
1.3.1 Конфигурация зданий и их параметры
Проектируемая общеобразовательная школа на 500
мест представляет комплекс, состоящий из 3 объемов: 3 этажный учебный корпус
размерами 89,76 х 18,80 м.; 2 этажный объем столовой и спортзала размером 30,00
х 18,00 м.; а также 1 этажный объем актового зала диаметром 16,6 м., частично
заглубленный в землю.
Учебный корпус.
На 1 этаже расположены: вестибюль, гардероб,
помещения трудового обучения мальчиков и девочек, библиотека, кабинеты
информатики и вычислительной техники, учебные помещения 1-2 классов, помещения
охраны.
На 2 этаже расположены: учебные помещения 2-7
классов, методический кабинет с учительской, помещения администрации,
медицинский блок, рекреационные помещения, помещение инструктора спортзала,
комната тихих игр, помещение группы продленного дня.
На 3 этаже расположены: учебные помещения 8-11
классов, кабинет психолога, кабинеты биологии, химии, физики с лаборантскими,
кабинеты иностранного языка, кабинет черчения и ИЗО, рекреация.
В цокольном этаже расположены: студия хореографии,
студия музыки, фото-киностудия, тренажерные залы, венткамера, насосная,
тепловой узел.
На каждом этаже учебного корпуса размещены блоки
санузлов для мальчиков и девочек.
-этажный блок.
На 1 этаже расположены: столовая на 162
посадочных мест с производственными помещениями, раздевальные помещения для
спортзала.
На 2 этаже расположен спортивный зал 30 х 18 м.
с инструкторской и снарядной.
В цокольном этаже расположены: помещения
персонала столовой, складские помещения, венткамера, раздевальные помещения
спортзала, санузлы.
Актовый зал.
Актовый зал частично заглублен под землю и имеет
эксплуатируемую кровлю. Также зал имеет эстраду, артистические помещения, фойе,
санузлы при фойе.
.4 Конструктивное решение
.4.1 Перекрытия
В проектируемом здании междуэтажные перекрытия
выполнены из железобетонных многопустотных плит с круглыми пустотами толщиной
220 мм, по серии ИИС-04-4 в. 10. Плиты выполнены из тяжелого бетона М250 и М300
с арматурным каркасом. Жесткость конструкции перекрытия обеспечивается путем сварки
расположенных на боковых гранях арматурных выпусков, замоноличиванием швов
цементным раствором марки 150. Плита опирается концами на ригели, уложенные на
консоли колонн.
Между рядом лежащими плитами перекрытия
устраивается шов 20 мм, заполняемый цементно-песчаным раствором.
Номенклатура панелей перекрытия приведена в
(Таблице 1.2).
Таблица 1.2 - Номенклатура сборных
железобетонных элементов
|
Поз.
|
Марка
|
Размеры,
мм
|
Объем
бетона, м3
|
Вес
элемента, т
|
Эскиз
|
|
|
ℓ
|
b
|
h
|
|
|
|
|
Рядовая
|
|
|
|
|
|
|
|
1
3 4 5 7 8
|
С-П8-58.6
С-ПК8-58.12 С-ПК12.5-58 С-П8-28.6 С-ПК8-28.12 С-ПК12.5-28
|
5760
5760 5760 2760 2760 2760
|
590
1190 1590 590 1190 1590
|
220
|
0,71
0,8 1,08 0,35 0,41 0,54
|
1,6
2,00 2,70 0,8 1,00 1,35
|
|
|
Связевая
|
|
|
|
|
|
|
|
3
7
|
С-ПК8-58.12С
С-ПК8-28.12С
|
5760
2760
|
1190
1190
|
220
|
1,01
0,55
|
2,52
1,26
|
|
|
Пристенная
|
|
|
|
|
|
|
|
2
6
|
С-ПК4-58.8П
С-ПК4-28.8П
|
5760
2760
|
790
790
|
220
|
0,82
0,41
|
2,05
1,02
|
|
.4.2 Лестница
В проектируемом здании путями сообщения между
этажами служат монолитные железобетонные марши с площадками по серии 1.050.1-1с
в. 1 из бетона класса В25. Марши, площадки армированы сварными
пространственными каркасами и имеют закладные изделия для крепления к ригелю и
между собой, а также для крепления ограждения. Высота ограждений марша 900 мм.
Ограждения устраиваются из стальных звеньев, привариваемых к закладным
элементам в боковой плоскости марша. Поручень выполняется из древесины твердых
пород, который крепится на шурупах.
Конструкция лестниц способствует жесткости
здания. Шов, получаемый в месте примыкания лестницы к ригелю заделывается
цементно-песчаным раствором марки 150.
Номенклатура лестниц приведена в (Таблице 1.3)
Таблица 1.3 - Номенклатура
элементов лестничной клетки
|
Марка
|
Размеры,
мм
|
Объем
бетона, м3
|
Вес
элемента, т
|
Эскиз
|
|
ℓ
|
b
|
h
|
|
|
|
|
2ЛМ58.12.17-4-С
|
5760
|
1200
|
1650
|
1,2
|
3,0
|
|
.4.3 Окна и двери
В проектируемом здании предусмотрены деревянные
блоки с двойным остеклением по серии 1.236-6 в. 4, ч. 1, 2. Двери деревянные
однопольные и двупольные по серии 1.136-11 и 1.136-5-19. При креплении оконных
и дверных блоков, их антисептируют, затем обивают одним слоем рубероида,
вставляют в проем и прибивают гвоздями к закладным деревянным брускам. Зазоры
тщательно проконопачиваются паклей смоченной в гипсовом растворе и
зачеканиваются.
Окна подобраны в соответствии с площадями
освещаемых помещений. Верх окон максимально приближен к потолку, что
обеспечивает лучшую освещенность в глубине комнаты. Деревянные конструкции окон
чувствительны к изменению влажности воздуха и подвержены гниению, в связи с чем
их необходимо периодически окрашивать.
Номенклатура элементов заполнения оконных и
дверных проёмов приведена в (Таблице 1.4).
Таблица 1.4 - Номенклатура оконных и дверных
заполнений
|
Поз.
|
Марка
злемента
|
Размеры,
мм
|
Эскиз
|
|
|
b
|
h
|
|
|
ОК-1
|
ОС18-9В
|
870
|
1760
|
|
|
Д1
|
ДН20-8-4
|
886
|
2088
|
|
|
Д2
|
ДН20-4.8-8
|
1276
|
2088
|
|
|
Д3
Д4 Д5 Д6
|
ДС20-8У
ДС20-7У ДС20-5У ДС21-13ГТ
|
876
776 576 1274
|
1888
1888 1888 2085
|
|
.4.4 Полы
В проектируемом здании принято три разновидности
устройства полов:
. Ламинированные
. Линолеумные
. Керамические
. Дощатые
.4.5 Наружная отделка
Повышение теплозащитных качеств стеновых
ограждающих конструкций заключается в увеличении их сопротивления теплопередачи
до нормативных значений. Это достигается утеплением стен теплоизоляционными
материалами, которые должны защищаться от наружных воздействий
защитно-декоративным слоем. Утепление производится с наружной стороны здания.
Устройство дополнительной теплоизоляции снаружи
так же лучше защищает стену от попеременного замерзания и оттаивания.
Выравниваются температурные колебания массива стены, что препятствует появлению
деформаций. Зона конденсации сдвигается в наружный теплоизоляционный слой,
который граничит с вентилируемой воздушной прослойкой.
Другим достоинством наружной теплоизоляции
является увеличение теплоаккумулирующей способности массива стены. Если
произойдет отключение источника теплоснабжения то при наличии наружной
изоляции, стена будет остывать в несколько раз медленнее, чем при внутреннем
слое теплоизоляции такой же толщины. Установка теплоизоляции снаружи позволяет
также снизить расходы на косметический ремонт поврежденных стен.
Фасады здания отделываются облицовочным кирпичом
с утеплителем "ПЕНОПЛЭКС" толщиной 50 мм., а также применен
вентилируемый фасад с плитами "МИНЕРИТ" по каркасу. Цоколь
облицовывается бетонной плиткой 600х300.
.4.6 Внутренняя отделка
Отделка стен - штукатурка, затирка, в учебных
кабинетах - высококачественная водоэмальсионная окраска.
На лестничных клетках:
Полы - неполированный керамогранит, стены -
декоративная штукатурка.
Полы в учебных помещениях - коммерческий
линолеум "ТАРКЕТТ"
Полы в санузлах, лаборантскизх - керамическая
плитка.
Потолки - затирка, водоэмульсионная окраска.
Подвесные потолки - "ARMSTRONG", -
гипсокартон, - алюминиевые реечные.
По периметру коридора устанавливается отбойная
доска из ламинированной ДСП Н=200 мм.
Внутренние перегородки - кирпичные толщиной 120
мм, 65 мм, и перегородки санузлов "Ирлайн".
.5 Инженерное оборудование
.5.1 Санитарно-техническое оборудование,
вентиляция
В проектируемом здании приняты отдельные
санитарно-технические узлы, оборудованные умывальниками и унитазами. Приборы и тубы
крепятся к заложенным в стены и пол деревянным антисептированным пробкам и
стальным пластинам. Электропроводка проходит в отформованных штрабах.
Чугунные канализационные трубы в стояках
соединяются путем выдвижения из компенсационного патрубка, водопроводные -
монтажными вставками. В помещении санитарно-технического узла стояки ограждены
щитками из инсулака на дощатом каркасе.
.5.2 Электроснабжение
Электроснабжение школы на 500 учащихся в п.
Новый Пригородного района выполнено в соответствии с техническими условиями №
4699 от 26.08.2012 г, выданными Северо-Осетинским филиалом ОАО "МРСК
Северного Кавказа".
По степени надежности электроснабжения
проектируемая школа относится к потребителям II категории.
Расчетная нагрузка составляет Рр= 252 кВт.
Годовой расход электроэнергии - 705,6
тыс.кВт.час.
Согласно ТУ на месте потребления электроэнергии
запроектирована БКТП 6/0,4 кВ с трансформатором мощностью 400 кВА (см. ОП
004-03-07). Подключение осуществляется от подвижных контактов разъединителя
кабелем ААБ2л сеч. 3х95 мм2.
На вводе 0,4 кВ проектируемой ТП устанавливается
устройство ограничения максимальной потребной мощности типа ОМ-310 производства
ООО "НОВАТЕК-Электро" г Санкт-Петербург. Контрольный учет
электроэнергии на вводе 0,4 кВ проектируемой ТП-10/0,4 обеспечивается
электронным счетчиком ЦЭ6805В с функцией хранения профиля нагрузок , класс
точности 0,5.
Для обеспечения II категории предусматривается
установка дизельной электростанции ДЭСК-240-II-У1 II степени автоматизации. От
ДЭС до ВРУ школы предусмотрена прокладка кабелей АВБбШв-1 сечением 4х185 мм2.
Питание котельной выполняется по II категории от
разных секций существующего ВРУ школы кабелями АВБбШв-1 сеч. 4х50 мм2.
Внутриплощадочные сети 0,4 кВ выполняются
кабелями АВБбШв-1.
Сечение кабелей выбрано по длительно-допустимому
току, проверено по потере напряжения и на термическую устойчивость к токам к.з.
Кабели прокладываются в траншее на глубине 0,7м
от спланированной отметки земли. При пересечении кабеля с подземными
коммуникациями и проезжей частью дороги кабели прокладываются в а/ц трубах.
Под проезжей частью дороги кабели прокладываются
на глубине 1м.
Защитные мероприятия
Система заземления принята TN-S, в которой
нулевой защитный и нулевой рабочий проводники разделены на всем ее протяжении
(N,PE).
Для защиты людей от поражения электрическим
током в распределительных и групповых сетях для заземления используется нулевой
защитный проводник.
Для уравнивания потенциалов котельной основной
(магистральный) проводник, стальные трубы коммуникаций, металлические части
строительных конструкций, приборы учета газа подсоединяются к заземляющей шине
ЗШ в составе силового распределительного пункта.
Заземление оборудования котельной выполняется
путем присоединения металлических частей электрооборудования к нулевому
защитному проводу электрической сети.
В качестве молниеприемника служит дымовая труба
высотой 21 м . На дымовой трубе предусматривается металлический молниеотвод
диаметром 16 мм высотой 1,0 м. Основание трубы присоединяется к заземляющему
контуру котельной.
Наружный контур заземления состоит из
вертикальных электродов, выполненных сталью ф 18 мм, L=2,5 м, соединенных между
собой сталью круглой Ø12 мм.
Автоматизация
Проектируемая котельная поставляется в комплекте
с системой автоматики.
Диспетчеризация
Проектируемая котельная поставляется комплектно
с автоматической системой контроля загазованности САКЗ-М с выносным пультом
диспетчеризации. Выносной пульт диспетчеризации устанавливается на посту охраны
в здании школы. От САКЗ-М в котельной до пульта запроектирован кабель АКВБбШв
сечением 19х2,5 мм2 (К2) в общей земляной траншее с кабелями Н3 и К1
и далее по стене здания школы на скобах.
Пожарная сигнализация. Оповещение о пожаре
Проектируемая котельная поставляется комплектно
с системой пожарной сигнализации. Для оповещения о пожаре на посту охраны в
здании школы предусматривается установка комбинированного извещателя
"Маяк-12КП". От прибора пожарной сигнализации в котельной до
извещателя запроектирован кабель ПРППМ сечением 2х1,2 мм2 в общей
земляной траншее и далее по стене здания архива на скобах.
1.5.3 Система водоснабжения
В проекте, согласно заданию на проектирование,
предусматривается водопровод диаметром 110 мм.
Согласно техническому заданию на проектирование
источником водоснабжения является существующий водозабор (водовод диаметром 250
мм).
Протяженность, проектная мощность, пропускная
способность проектируемого участка хозяйственно-питьевого водопровода
определены заданием на проектирование.
Необходимости изъятия дополнительных земельных
участков нет.
Снос зданий и сооружений, перенос сетей
инженерно-технического обеспечения не требуется.
Принципиальные проектные решения, обеспечивающие
надежность проектируемого объекта приведены в технологической части,
последовательность его строительства, этапы приведены в разделе ПОС,
разработанной проектной документации.
Ширина полосы земли для водопроводных сетей (20
м) и размер земельных участков для размещения колодцев (3х3 м) устанавливаются
по нормам отвода земель СН 456-73. В проекте выполнен расчет полосы отвода, для
водопровода диаметром 110 мм достаточно полосы отвода шириной 13м.
Полоса земли для сетей водоснабжения необходима
для временного краткосрочного пользования на период строительства, а земельные
участки для размещения колодцев - для постоянного пользования.
Полоса отвода земли приведена на плане с сетями
водоснабжения.
На площадке водозабора нет существующих сетей.
Организация рельефа трассы и инженерной
подготовки территории не требуется.
Рельеф трассы спокоен и имеет постоянный уклон с
запада на восток.
Согласно ТУ источником водоснабжения является
существующий водозабор (водопровод диаметром 250 мм). Вода удовлетворяет
требованиям ГОСТ 2874-82*. Гарантированный напор в точке подключения 17 м вод
ст. В точке подключения проектируемой сети к существующей предусматривается
водопроводный колодец с отключающей арматурой.
Внутренние сети водоснабжения были выполнены в
2013 году ООО "Геополис". Вода подается на хозяйственно-питьевые
нужды в школу, на приготовление горячей воды в котельную и на полив территории.
В соответствии с ТУ на площадку школы заведен
водопровод диаметром 110 мм.
В данном разделе проекта разработаны площадочные
сети хозяйственно-питьевого водопровода диаметром 110мм и 50мм.
Внутреннее пожаротушение в ранее выпущенном
проекте 33(1/480)-ВК, согласно СП 10.13130.2009 "Внутренний
противопожарный водопровод" не предусмотрено.
Расход воды на наружное пожаротушение - 25 л/с
принят по зданию школы (3-х этажное здание, объем здания 35000 м3)
по - СП 8.13130.2009 "Источники наружного противопожарного
водоснабжения". Расчетное количество одновременных пожаров-1
Проектируемый водопровод диаметром 110мм при
пожаре не обеспечит требуемый напор в сети (10м вод ст.) при расходе 25 л/с в
связи с потерями в сети.
Согласно СП 8.13130.2009 "Системы противопожарной
защиты. Источники наружного противопожарного водоснабжения" пункт 4,
примечание 1 наружное пожаротушение предусматривается из двух резервуаров
емкостью по 300 м3 каждый. Объем резервуаров определен из условия
хранения удвоенного трехчасового расхода воды на наружное пожаротушение с
учетом требований СНиП 2.04.02-84 п. 15.3 (25л/сх3,6х3х2=540 м3).
Резервуары приняты сборные железобетонные по типовому проекту 901-4-78с.84.
Заполнение резервуаров предусматривается из пожарного крана, размещаемого в
колодце, на сети хозяйственно-питьевого водопровода.
Расходы воды на хозяйственно-питьевые нужды
приняты по ранее выпущенному проекту ООО "Геополис" 33(1/480)-ВК и
приведены в таблице 1.5:
Таблица 1.5 - Расходы воды
|
Наименование
потребителей
|
Потребный
напор на вводе, м
|
Расчетный
расход
|
Примечание
|
|
при
хоз.-пит. вод.
|
при
пожаре
|
м3/сут.
|
м3/ч
|
л/с
|
При
пожаре л/с
|
|
|
Котельная
в т. ч. на приготовление горячей воды; на подпитку
|
25
|
-
|
7,27
0,40
|
2,85
|
1,65
|
-
|
потери
|
|
Школа
|
25
|
-
|
14,06
|
4,85
|
2,05
|
-
|
|
|
На
полив территории
|
10
|
-
|
1,5
|
|
|
-
|
потери
|
|
ИТОГО:
|
|
|
23,23
|
7,7
|
3,7
|
|
|
Трубы - полиэтиленовые ПЭ100 SDR17 диаметром 110
и 63мм по ГОСТ 18599-2001.
Трубы прокладываются в траншее на песчаном
основании. Водопроводные колодцы выполняются по т. п. р. 901-09-11.84 с
установкой стальных закладных деталей.
Учет потребления холодной воды обеспечивается
установкой счетчика холодной воды в здании школы (предусмотрено в проекте
33(1/480)-ВК).
Водопотребление = водоотведение + потери
,23 м3/сут = 21,33 м3/сут+1,9
м3/сут
1.5.4 Система водоотведения
В п. Новый нет существующих сетей канализации.
Для сбора стоков с территории школы
запроектирована бытовая канализация диаметром 160 мм.
Внутренние сети канализации были выполнены в
2008 году ООО "Геополис".
Расход стоков приведен в таблице 1.6:
Таблица 1.6 - Расход стоков
|
Наименование
потребителей
|
Расчетный
расход
|
Примечание
|
|
м3/сут.
|
м3/ч
|
л/с
|
|
|
Котельная
|
7,27
|
2,85
|
1,65
|
|
|
Школа
|
14,06
|
4,85
|
2,05
|
|
|
ИТОГО:
|
21,33
|
7,7
|
5,3
|
|
Бытовые и производственные стоки школы и
котельной сбрасываются в проектируемую площадочную сеть бытовой канализации
диаметром 160 мм.
Согласно техническому заданию на проектирование
бытовые стоки отводятся в выгреб емкостью 180 м3 с последующим
подключением к планируемым сетям канализации в п. Новый.
В качестве выгреба принята полиэтиленовая
горизонтальная емкость для канализационных стоков емкостью 180 м3
компании "Сити Проект" г. Москва.
Опорожнение емкости предусмотрено
ассенизационной машиной раз в неделю и вывозится в места, согласованные с СЭС.
Проектируемая канализация выполняется из труб
POLITRON-K2 диаметром 160 мм. Трубы прокладываются в траншее на песчаном
основании.
Трубы на 0,3 м засыпаются песчаным грунтом с
уплотнением.
Канализационные колодцы выполняются из
железобетонных колец по т. п. р. 902-09-22.84 с установкой стальных закладных
деталей 80х8.
На площадке предусмотрен организованный сброс
дождевых стоков на рельеф.
.5.5 Тепловые сети
Источник теплоснабжения для систем отопления,
теплоснабжения приточных установок реконструируемого здания - проектируемая
блочно-модульная котельная ТБГК-1.0Мвт("Экология-термо") с 2-мя
котлами REX DUAL 100, производительностью 500квт каждый, расположенная на
территории школы. Основные технические характеристики котельной прикладываются
Расходы тепла по потребителям приведены в таблице
1.7:
Таблица 1.7 - Расход тепла по потребителям
|
№п.п.
|
Наименование
потребителей
|
Расход
тепла Вт
|
Общий
расход тепла Квт/час
|
|
|
На
отопление и вентиляцию
|
на
гор. водоснаб.
|
|
|
1.
|
Школа
|
724565
|
181830
|
906395
|
|
|
Итого
|
724565
|
181830
|
906395
|
Теплоноситель в теплосети для систем отопления и
теплоснабжения калориферов-вода с параметрами 95-70ºС,
для нужд горячего водоснабжения - вода с температурой 60ºС.
Точка подключения проектируемой сети в
котельной. Схема теплоснабжения - закрытая.
В теплофикационной камере устанавливается
запорная и спускная арматура.
Прокладка теплосети подземная четырехтрубная в
непроходном лотковом канале типа КЛ 1260х500.
Спуск воды из теплосети осуществляется в
сбросной колодец, где температура снижается до 40ºС.
Компенсация тепловых удлинений осуществляется за
счет углов поворотов и П-образных компенсаторов.
В проекте приняты стальные электросварные
трубопроводы по ГОСТ 10704-91 и оцинкованные по ГОСТ 3262-75.
Трубопроводы теплосети теплоизолируются:
антикоррозийное покрытие - изол (ГОСТ 10296-79)
в два слоя по холодной изольной мастике МРБ-Х-Т15ТУ21-27-37-74МПСМ
теплоизоляция трубопроводов минераловатными
полуцилиндрами на синтетическом связующем марки М-100ГОСТ 23208-83.
покровный слой- стеклопластик рулонный.
Монтаж трубопроводов, очистка и промывка
системы, гидравлическое испытание, а также контроль за качеством сварных
соединений должен производится согласно СНиП 3.05.03-85. После монтажа провести
гидравлическое испытание теплосети на прочность и герметичность давлением не
менее Р=1.6 Мпа. Предусматривается защита трубопроводов от блуждающих
токов:укладка паронитовых прокладок, проваренных в бакелитовом лаке, в местах
установки подвижных опор.
.5.6 Система газоснабжения
Согласно техническим условиям, точка
подключения: существующий подземный газопровод среднего давления Д-159 мм
подземной прокладки, выход с ГРПБ п. Новый.
Проектом предусмотрена прокладка подземного
газопровода среднего давления к модульной котельной.
Расход газа на котельную 60 м³/час.
Протяженность трассы газопровода 50 м, в т.ч.
- подземный - 42 м;
надземный - 8 м.
Используемое в проекте газовое оборудование и
материалы, сертифицированы на соответствие требованиям безопасности и имеют
разрешение Ростехнадзора на применение, согл. п. 2.1.7 ПБ 12-529-03.
Для отключения отдельных участков газопровода и
обеспечения безопасности и надежности газоснабжения отключающие устройства
устанавливаются:
на врезке в газопровод среднего давления кран
шаровой для подземной установки
на газ. стояке кран шаровой Ду50, Р=1,6МПа с
герметичностью затвора по классу А, надземного исполнения.
Для защиты от несанкционированного доступа кран,
установленныей на надземном газопроводе, заключается в киоск для запорной
арматуры и запирается на замок.
На газовом стояке предусматривается неразъемное
изолирующее соединение.
Расстояние по вертикали в свету при пересечении
газопровода с подземными инженерными сетями следует принимать не менее 0.2 м, с
электрическими сетями и кабельными линиями связи - 0.5 м.
На врезках и выходах из земли устанавливаются
контрольные трубки, выходящие под ковер.
Для сохранности изоляции подземный газопровод
укладывается на песчаное основание и засыпается песком на высоту 0.2 м.
Сварные соединения подлежат визуальному и
измерительному контролю в целях выявления наружных дефектов всех видов, а также
отклонений по геометрическим размерам и взаимному расположению элементов.
Сварные стыки на проектируемом газопроводе
подлежат контролю в соответствии с таблицами 14 и 15 СП 62.13330.2011 г.
Сварное соединение труб на газопроводах по своим
физико-механическим свойствам и герметичности должны соответствовать основному
металлу сварных труб. Сварные швы выполнять по ГОСТ 16037-80.
Контроль качества сварных стыков:
подземный газопровод - 100%.
Законченные строительством газопроводы следует
испытать на герметичность воздухом.
Герметичность стальных труб должна быть
гарантирована предприятием - изготовителем методами, предусмотренными
соответствующими ГОСТ или ТУ.
Перед испытанием на герметичность внутренняя
полость газопроводов должна быть очищена в соответствии с проектом производства
работ.
Испытания подземных газопроводов следует
производить после их монтажа в траншее и присыпки выше верхней образующей трубы
не менее чем на 0,2 м или после полной засыпки траншеи.
До начала испытаний на герметичность газопровод
следует выдерживать под испытательным давлением в течение времени, необходимого
для выравнивания температуры воздуха в газопроводе с температурой грунта.
Испытания газопровода на герметичность проводить
путем подачи в газопровод сжатого воздуха и создания в газопроводе
испытательного давления. Значение испытательного давления и время выдержки под
давлением принять:
- надземный газопровод среднего давления -
испытательное давление 0,45 Мпа в течение 1 часа;
подземный газопровод среднего давления -
испытательное давление 1.5 МПа в течение 24 часов.
Для проведения испытаний газопроводов следует
применять манометры класса точности 0,15. Допускается применение манометров
класса точности 0,4, а также класса точности 0,6.
Результаты испытания на герметичность считаются
положительными, если за период испытания нет видимого падения давления в
газопроводе по манометру класса точности 0,6, а по манометрам класса точности
0,15 и 0,4 падение давления фиксируется в пределах одного деления шкалы.
Испытания газопроводов должны выполняться
строительно-монтажной организацией в соответствии с проектом производства работ
и СП 62.13330.2011 п. 10.5.1. Результаты испытаний следует оформлять в строительном
паспорте.
Согласно инженерно-геологическому заключению
подземные газопроводы прокладываются в сухих грунтах 2-3 группы. Коррозионная
активность грунтов к стали - низкая.
Блуждающие токи отсутствуют.
Глубина сезонного промерзания - 0.8 м.
После окончания монтажа надземные трубопроводы
покрыть двумя слоями грунтовки ГФ-021 ГОСТ 25129-82 и двумя слоями краски
желтого цвета для наружных работ ГОСТ 8292-85. Подготовку поверхности труб под
окраску необходимо выполнить согласно ГОСТ 9.402-2004 на базе монтажников с
применением средств механизации.
Защиту подземного газопровода от коррозии
осуществить защитным покрытием весьма усиленного типа согласно ГОСТ 9.602-2005,
состоящим из термоплавкого полимерного подслоя и защитного слоя на основе
экструдированного полиэтилена.
Толщина стенок газопроводов выбрана с учетом
давления в газопроводе, и требований по сейсмике, согл. п.6.7.8 ПБ 12-529-03.
Компенсация сейсмических воздействий и
температурных расширений производится за счет естественных поворотов, подъемов
и спусков газопровода.
Проект выполнен с соблюдением всех требований
нормативных документов, обеспечивающих промышленную безопасность, в том числе
требований ПБ 03-517-02 "Общие правила промышленной безопасности для
организаций, осуществляющих деятельность в области промышленной безопасности
опасных производственных объектов" от 28.11.2002г. № 3968, что является
гарантией безопасности эксплуатации опасного производственного объекта,
предупреждения аварии, случаев травматизма, обеспечение локализации последствий
аварии.
Охранная зона принята:
для наружного газопровода в виде территории,
ограниченной условными линиями, проходящими на расстоянии два метра с каждой
стороны газопровода;
Промышленная безопасность, предупреждение аварий
в проекте обеспечены следующими мероприятиями:
- в проекте применено оборудование,
соответствующе действующим стандартам, что подтверждено паспортами и
сертификатами на оборудование, оформленными надлежащим образом
материалы и конструкция технологических
сооружений рассчитаны на обеспечение прочности и надежной эксплуатации в
рабочем диапазоне температур от возможно минимальной до максимальной;
по завершении монтажа газопроводов и
оборудования производится испытание на герметичность;
при выполнении строительно-монтажных работ
производится контроль качества сварочных работ на стыках труб неразрушающими
методами (ультразвуковой метод).
Локализация и ликвидация аварийных ситуаций на
данном объекте осуществляется выездными бригадами существующего диспетчерского
пункта с круглосуточной работой, включая выходные и праздничные дни.
Эксплуатация газового хозяйства, техническое
обслуживание, ремонт газопроводов и газового оборудования должны осуществляться
в соответствии с требованиями "Правил безопасности систем
газораспределения и газопотребления" ПБ 12-529-03, "Общих правил
промышленной безопасности для организаций, осуществляющих деятельность в
области промышленной безопасности опасных производственных объектов",
зарегистрированных в Минюсте РФ 28 ноября 2002 года №3968, а также согласно
инструкциям заводов-изготовителей и производственных инструкций, обеспечивающих
безопасное проведение работ, согласованных с Ростехнадзором России.
Эксплуатационная компания ООО
"Газпромгазораспределение Владикавказ" располагает
аварийно-спасательной службой.
1.5.7 Слаботочные устройства
В проектируемом здании предусмотрено
использование слаботочных устройств, таких как радио, телефон и телевизионные
антенны. Их прокладка осуществляется по желанию администрации и может
производится, когда здание уже сдано в эксплуатацию. От телевизионной антенны
отходит кабель по помещениям. Телевизионная антенна может быть одна на все
здание или по желанию отдельная для каждого телеприемника.
1.5.8 Мероприятия для маломобильных групп
населения
Перед главным входом в школу предусмотрен пандус
для людей с ограниченными физическими возможностями. Внутри школы предусмотрены
устройства для людей с нарушением опорно-двигательных функций:
Подъемно-транспортировка средство ОМЕГА-Н, для
преодоления лестничных клеток
.5.9 Антисейсмические мероприятия
Антисейсмические мероприятия разработаны в
соответствии с требованиями СНиП-7-81* и СП 31-114-2004 "Строительство в
сейсмических районах".
1.6 Теплотехнический расчет ограждающих
конструкций
Расчет произведен в соответствии с требованиями
следующих нормативных документов:
СП 50.13330.2012 Тепловая защита зданий.
СП 131.13330.2012 Строительная климатология.
СП 23-101-2004 Проектирование тепловой защиты
зданий
Район строительства: с.п. Новый
Относительная влажность воздуха: φв=55%
Тип здания: Общеобразовательное учреждение
Вид ограждающей конструкции: Наружные стены
Расчетная средняя температура внутреннего
воздуха здания: tв= 20°C
Согласно таблицы 1 СП 50.13330.2012 при
температуре внутреннего воздуха здания tint = 20°C и относительной влажности
воздуха φint
=55% влажностный
режим помещения устанавливается, как нормальный.
Определяем базовое значение требуемого
сопротивления теплопередаче Roтр исходя из нормативных требований к
приведенному сопротивлению теплопередаче (п. 5.2) СП 50.13330.2012) согласно
формуле:
тр = a ·ГСОП + b (1.1)
где а и b - коэффициенты, значения которых
следует приниматься по данным таблицы 3 СП 50.13330.2012 для соответствующих
групп зданий.
Так для ограждающей конструкции вида- наружные
стены и типа здания -лечебно-профилактические и детские учреждения, школы,
интернаты а = 0,00035; b = 1,4
Определим градусо-сутки отопительного периода
ГСОП, 0С·сут. по формуле (5.2) СП 50.13330.2012
ГСОП=(tв-tот)zот (1.2)
где tв - расчетная средняя температура
внутреннего воздуха здания, °Cв = 20°Cот - средняя температура наружного
воздуха, °C принимаемые по таблице 1 СП131.13330.2012 для периода со средней
суточной температурой наружного воздуха не более 10°С - при проектировании
лечебно-профилактических, детских учреждений и домов-интернатов для
престарелых.ов=1,3°Сот - продолжительность, сут., отопительного периода
принимаемые по таблице 1 СП131.13330.2012 для периода со средней суточной
температурой наружного воздуха не более 10°С - при проектировании
лечебно-профилактических, детских учреждений и домов-интернатов для
престарелых.от = 185 сут.
Тогда
ГСОП = (20 - (1,3))185 = 3459.5 °С·сут
По формуле в таблице 3 СП 50.13330.2012
определяем базовое значение требуемого сопротивления теплопередачи Roтр (м2°С/Вт).
норм = 0,00035 · 3459,5 + 1,4 = 2,61 м2°С/Вт
Поскольку произведен расчет удельного расхода
тепловой энергии на отопление здания то сопротивление теплопередаче Roнорм
может быть меньше нормируемого Roтр,на величину mpнорм=Roтр0,63норм=1,64м2°С/Вт
Поскольку сельское поселение Новый относится к
зоне влажности - нормальной, при этом влажностный режим помещения - нормальный,
то в соответствии с таблицей 2 СП50.13330.2012 теплотехнические характеристики
материалов ограждающих конструкций будут приняты, как для условий эксплуатации Б.
Таблица 1.5- Теплотехнические характеристики
материалов
|
Наименование
материала
|
Удельный
вес, γ0,
кг/м3
|
Коэффициент
теплоповодности λ,
Вт/(м·ºC)
|
Толщина
слоя t, мм
|
Паропроницаемость μ1,м·ч·Па
|
|
1.
|
2.
|
3.
|
4.
|
5.
|
|
1.Пеноплекс
|
40
|
0,03
|
50
|
0,007
|
.7 Светотехнический расчет
Рассчитываемое помещение - учебный кабинет на
втором этаже, имеет глубину 7,66 м, ширину 6,4 м, высоту 2,99 м, площадь 49,02
м2.
. Предварительный расчет площади световых
проемов при боковом освещении.
Необходимая площадь световых проемов S0, м2,
определяется по формуле /31/:
, (1.3)
где Sп - площадь пола, Sп = 49,02 м2;
ен - нормативное значение коэффициента
естественного освещения, ен = 1,2 (п. Новый - III район);
Кз - коэффициент запаса, Кз =1,2;
h0 - световая характеристика окон, h0
= 28,68;
Кзд - коэффициент учитывающий затенение окон
противостоящими зданиями, Кзд =1;
t0 - общий коэффициент светопропускания,
t0 = t1 ×
t2
×
t3,
(1.4)
где t1 -
светопропускание материала, t1 = 0,8;
t2 - коэффициент учитывающий потери света в
переплетах светопроема, t2 = 0,8;
t3 - коэффициент учитывающий потери света в
несущих конструкциях, t3 = 1.
t0 = 0,8 × 0,8 ×
1 = 0,64;
- коэффициент, учитывающий повышение КЕО при
боковом освещении благодаря свету, отраженному от поверхности помещения и
подстилающего слоя, прилегающего к зданию, r1 = 3,59.
Фактическая площадь оконных проёмов
= (0,87 ´1,76) · 4 =
6,12 < 8,81.
Вывод: площадь световых проёмов не достаточна,
поэтому требуется искусственное освещение.
. Поверочный расчет коэффициента естественной
освещенности.
Коэффициента естественной освещенности
определяется по формуле /31/:
, (1.5)
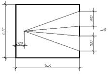
где eб - геометрический КЕО в расчетной точке при
боковом освещении, учитывающий свет неба, определяющийся по формуле /31/:
εб = 0,01(n1n2), (1.6)
где n1 - количество лучей по графику
1, проходящих от неба через световые проемы в расчетную точку на поперечном
разрезе помещения, n1 =11 (Рисунок 1.1);- количество лучей по графику 2,
проходящих от неба через световые проемы в расчетную точку на плане помещения,
n2 = 18 (Рисунок 1.2);
Рисунок 1.1. Поперечный разрез
рассчитываемого помещения
Рисунок 1.2. План рассчитываемого
помещения
eб
= 0,01(11 ×18) = 1,98.
q - коэффициент, учитывающий
неравномерную яркость облачного неба МКО, q = 0,763; eзд = 0; R = 0;
Необходимое условие
= 1,43 >
ен = 1,2 выполняется, следовательно расчетное значение КЕО больше нормативного.
.8 Технико-экономические показатели
Строительный объем здания 41042 м3
Общая площадь здания 10110,3 м2
Полезная площадь здания 7708,1 м2
Расчетная площадь здания 6391,6 м2
Площадь застройки 2902,5 м2
2. Расчетно-конструктивная часть
.1 Конструктивное решение
Каркас зрительного зала и сцены монолитный
железобетонный общитый деревянными досками толщиной 40(25) мм. Кладка II
категории по сопротивляемости сейсмическим воздействиям, т.е. нормальное
сцепление кирпича с раствором должно быть не менее Rp = 1,2 кг\кв.см.
Несущими конструкциями 3-х и 2-х этажных блоков
являются стены из кирпичной кладки с железобетонными сердечниками. В качестве
утеплителя используется сэндвич панели марки "TRIMOTERM" SNV толщиной
120 (100) мм.
.2 Фундаменты
Фундаменты в проекте предусмотрены монолитные
ленточные из бетона класса В25. Технология ленточного фундамента проста, хотя
ей и свойственна массивность, трудоёмкость и большой расход материала. Этот тип
фундаментов часто применяется в индивидуальном строительстве.
Ленточный фундамент - это железобетонная полоса,
идущая по периметру всего здания. Ленту закладывают под все внутренние и
наружные стены застройки, сохраняя одинаковую форму поперечного сечения по
всему периметру фундамента.
Ленточные фундаменты пригодны для зданий с
бетонными, каменными, кирпичными стенами или с тяжёлыми перекрытиями. Если в
здании планируется подвал или гараж, то необходим именно такой тип фундамента.
2.3 Расчёт основания и фундамента
.3.1 Физико-механические свойства грунтов
Согласно изысканиям ООО
"Гражданпроект", в районе строительства имеется грунт - суглинок,
, сn = 16
кПа, j = 16°, Е = 8 МПа, R0 = 200 кПа.
.3.2 Район строительства
Район строительства - с.п. Новый.
Глубина промерзания грунта
Снеговой район - IIIб.
Масса снежного покрова
Уровень грунтовых вод (УГВ) - 8 м.
.3.3 Подсчёт нагрузок
Расчетная схема плана здания
представлена на рисунке 2.1.
Рисунок 2.1 - Расчетная схема плана
здания
Для каждого сечения определяем
грузовые площади:
) Aгр1= 6 · 3 = 18 м2
) Aгр2= 4,5 · 6 = 27 м2
Расчетные схемы для каждого сечения
представлены на рисунке 2.2.
Рисунок 2.2 - Расчетные схемы для
каждого сечения
Сбор нагрузок для каждого сечения
представлен в таблице 2.1.
Таблица 2.1 - Сбор нагрузок
|
Нагрузки
|
Нормативная,
кН
|
gf
|
Расчётная,
кН
|
|
1
|
2
|
3
|
4
|
|
Сечение
1-1 Aгр1 = 18 м2
|
|
|
|
|
1
Постоянные:
|
|
|
|
|
1.1
Вес колонн: 0,4 · 0,4 · 12,99 · 25
|
51,96
|
1,1
|
57,16
|
|
1.2
Вес покрытий: 3,98 · 18 4,546 · 18
|
71,64
|
-
|
81,83
|
|
1.3
Вес перекрытий: 3,53 · 18 · 3 3,99 · 18 · 3
|
190,62
|
-
|
215,46
|
|
1.4
Вес ригелей: 3 · 0,14 · 25 · 4
|
42
|
1,1
|
46,2
|
|
1.5
Вес стены: 14,01 · 0,25 · 1 · 10
|
35
|
1,1
|
38,53
|
|
1.6
Вес перегородок: 1 · 3 · 18
|
54
|
1,1
|
59,4
|
|
2
Временные:
|
|
|
|
|
2.1
Снеговая: 2,4 · 18
|
30,86
|
1,4
|
43,2
|
|
Продолжение
таблицы 2.1
|
|
2.2
Временная на перекрытие: 1,5 · 18 · 3 · 0,65
|
52,65
|
1,3
|
68,45
|
|
Итого
постоянная:
|
445,22
|
-
|
498,58
|
|
1
|
2
|
3
|
4
|
|
Итого
временная:
|
83,51
|
-
|
111,65
|
|
Итого
в сечении 1-1
|
528,73
|
-
|
610,23
|
|
Сечение
2-2 Aгр1 = 27 м2
|
|
|
|
|
1
Постоянные:
|
|
|
|
|
1.1
Вес колонн: 0,4 · 0,4 · 12,99 · 25
|
51,96
|
1,1
|
57,16
|
|
1.2
Вес покрытий: 3,98 · 27 4,546 · 27
|
107,46
|
-
|
122,74
|
|
1.3
Вес перекрытий: 3,53 · 27 · 3 3,99 · 27 · 3
|
285,93
|
-
|
323,19
|
|
1.4
Вес ригелей: 4,5 · 0,14 · 25 · 4
|
63
|
1,1
|
69,3
|
|
1.5
Вес перегородок: 1 · 3 · 27
|
81
|
1,1
|
89,1
|
|
2
Временные:
|
|
|
|
|
2.1
Снеговая: 2,4 · 27
|
46,29
|
1,4
|
64,8
|
|
2.2
Временная на перекрытие: 1,5 · 27 · 3 · 0,65
|
78,98
|
1,3
|
102,67
|
|
Итого
постоянная:
|
589,35
|
-
|
661,49
|
|
Итого
временная:
|
125,27
|
-
|
167,47
|
|
Итого
в сечении 2-2
|
714,62
|
-
|
828,96
|
.3.4 Определение глубины заложения фундамента
Принимаем глубину заложения конструктивно, это
зависит от отметки подошвы фундамента, а так же отметки уровня земли и подвала,
d = 3,36 м.
.3.5 Определение размеров подошвы фундамента
Площадь подошвы фундамента Аf, м2,
определяется по формуле:
, (2.1)
Где R0 - условное расчетное сопротивление грунта
основания;
gmf -
усредненный удельный вес фундамента и грунта на его обрезах, кН/м3;- глубина
заложения фундамента, м
4,78 м2
Ширина подошвы b, м, определяется по формуле:
(2.2)
=2,19
Все размеры монолитного фундамента следует
принимать кратными 300 мм, что позволяет применять инвентарную унифицированную
опалубку. Принимаем подошву фундамента 2,4´2,4 м.
.3.6 Определение давления под подошвой фундамента
Проверка прочности основания производится по
формуле:
, (2.3)
где R - расчетное сопротивление грунта основания
Расчетное сопротивление грунта R, кН/м2,
определяется по формуле:
(2.4)
Где
gс1 - коэффициент, зависящий от вида грунта
основания,gс1 = 1,2;
gс2 - коэффициент, зависящий от отношения длины
сооружения к высоте, gс2 = 1;- коэффициент, k = 1,1;
Мg, Мq, Мc -
коэффициенты, зависящие от угла внутреннего трения грунта, принимаемые Мg
= 0,36, Мq = 2,43, Мc = 4,99;- коэффициент, при b<10 м kz = 1;- ширина
подошвы фундамента, м;
gII = gII¢
- удельный вес грунта под подошвой фундамента, кН/м3;
сn - расчетное значение удельное сцепление
грунта, сn = 16 кПа;
глубина заложения
фундамента;
(2.5)
где hs = 1,39 м;= 0,12 м;
кН/м3;
м;
= 2;
Определим давление под подошвой фундамента
Так как фундамент нагружен усилиями,
приложенными с эксцентриситетом, величина давлений под подошвой фундамента
имеет вид:
, (2. 6)
, (2.7)
где R - расчетное сопротивление грунта
основания.
, (2.8)
N=N1+Gf+Gg , (2.9)
где N1 - расчётная нагрузка на обрез фундамента,
N1=610,23 кН/м2;- вес фундамента,
Gf=
;
- вес грунта на уступах фундамента,
N=610,23+89,1+106,7=806,03кН
M= Gg1 · e1 - Gg2 · e2, (2.10)
где e1 = 0,825 м= 0,7 м
= 81,5 · 0,825 - 25,19 · 0,7=49,6 кНм,
,
,
Условие прочности основания в
сечении 1-1 выполняется, следовательно, данный грунт может служить основанием
для фундаментов, без какого либо усиления.
2.3.7 Армирование фундамента
Подошву армируют сварными сетками C-1 (рисунок
2.3) из арматурной стали класса А-III. Диаметр рабочих стержней принимается не
менее 10 мм (т.к. размер стороны фундамента < 3 м). Шаг сеток принимается не
менее 100 мм и не более 200 мм.
В расчётных сечениях фундамента возникают изгибающие
моменты.
Изгибающий момент МI, кН×м,
в расчётном сечении I-I вычисляется по формуле:
(2.11)
кН×м
Изгибающий момент МII, кН×м,
в расчётном сечении II-II вычисляется по формуле:
(2.12)
кН×м
Схема армирования фундамента в сечении 1-1
представлена на рисунке 2.3.
Рисунок 2.3 - Расчёт армирования фундамента в
сечении 1-1
Площадь сечения арматуры в расчётном сечении I-I,
вычисляется по формуле:
(2.13)
м2
Площадь сечения арматуры в расчётном
сечении II-II, вычисляется по формуле:
(2.14)
м2
Из полученных значений площадей
арматуры принимается наибольшая, по которой осуществляем подбор диаметра и
количества стержней n, шт, определяемых по формуле:
(2.15)
шт.
(2.16)
см2
Принимаем 13Æ10, АS=11,77 см2.
Сетка С-1 изображена на рисунке 2.4.
Рисунок 2.4 - Сварная сетка С-1
2.4 Расчет плиты перекрытия
.4.1 Компоновка конструктивной схемы сборного
перекрытия
Плиты перекрытий предварительно напряженные
многопустотные.
В поперечном направлении жесткость здания
обеспечивается по рамно-связевой системе: ветровая нагрузка через перекрытия
передается на торцевые стены, выполняющие функции вертикальных связевых
диафрагм и поперечные рамы.
.4.2 Расчетный пролет и нагрузки
Для установления расчетного пролета плиты
предварительно задаемся размерами сечения ригеля h = 450мм, b = 400 мм.
При опирании на полку ригеля расчетный пролет
определяем по формуле
Подсчет нагрузок на 1 м2
перекрытия приведен в Таблице 2.2
Таблица 2.2 - Нормативные и расчетные нагрузки
на 1 м2 перекрытия
|
Вид
нагрузки
|
Нормативная
нагрузка, кН/м2
|
Коэффициент
надежности по нагрузке, Расчетная
нагрузка, кН/м2
|
|
|
Постоянная
|
|
|
|
|
Продолжение
таблицы 2.2
|
|
Стеклоизол
 0,101,20,12
|
|
|
|
|
Цементно
- песчанная стяжка 0,61,30,78
|
|
|
|
|
Утеплитель
минераловатные плиты  0,31,20,36
|
|
|
|
|
Один
слой рубероида на мастике  0,031,20,036
|
|
|
|
|
Ж/бетонная
плита с круглыми пустотами  2,951,13,25
|
|
|
|
|
Итого
|
3,98
|
-
|
4,546
|
|
Временная
нагрузка
|
1,68
|
0,7
|
2,4
|
|
в
том числе: длительная кратковременная
|
0,84
0,84
|
1,4
1,4
|
1,2
1,2
|
|
всего
полная
|
5,66
|
-
|
6,946
|
|
Постоянная
и длительная
|
4,82
|
-
|
5,746
|
Расчетная нагрузка на 1 метр при
ширине плиты 1,6 метра с учетом коэффициента надежности по назначению здания
- расчетная постоянная
кН/м;
расчетная длительная
кН/м;
нормативная
кН/м;
нормативная длительная
кН/м;
.4.3 Расчетные усилия
- для расчетов по первой группе предельных
состояний
; (2.17)
кН∙м;
; (2.18)
кН∙м;
для расчетов по второй группе
предельных состояний
; (2.19)
кН∙м;
- постоянная и длительная
; (2.20)
кН∙м.
.4.4 Назначаем геометрические
размеры плиты
Материалы для плиты:
Бетон - тяжелый класса по прочности
на сжатие В25.
Коэффициент условия работы бетона
.
Rbn=Rb,ser = 18,5 МПа,
Rbtn=Rbt,ser = 1,6 МПа;=
14,5 ∙ 0,9 = 13,05 МПа, Rbt = 1,05 ∙ 0,9 = 0,95 МПа;
Начальный модуль упругости
МПа.
Арматура:
напрягаемая класса А- IV,
=Rs,ser = 59 кН/см2, Rs =
51 кН/см2, Es =1,9∙104 кН/см2.
Назначаем величину предварительного
напряжения арматуры
= 472 МПа.
Проверяем условие при
р = 30 + 360/5,68 = 93,38 МПа (для
электротермического способа натяжения арматуры).
Так как
+ р = 472 + 93,38 = 565,38 МПа < Rs,ser = 590 МПа и
- р = 472 -
93,38 = 378,62 МПа > 0,3Rs,ser =
0,3 ∙ 590 = 177 МПа,
следовательно, условие выполняется.
Предварительное натяжение при благоприятном
влиянии с учетом точности натяжения арматуры будет равно:
; (2.21)
где
>
0,1
>
0,1
МПа,
.4.5 Расчет плиты по предельным
состояниям первой группы
Расчет по прочности сечения,
нормального к продольной оси плиты
При расчете по прочности расчетное
поперечное сечение плиты принимается тавровым с полкой в сжатой зоне (свесы
полок в растянутой зоне не учитываются). М = 43,35 кН∙м. При
> 0,1 расчетная ширина
=1560 мм.
мм.
Проверяем условие;
кН∙м > М = 43,35кН∙м,
т.е. граница сжатой зоны проходит в
полке и расчет производим как для прямоугольного сечения шириной
= 1560 мм.
; (2.22)
;
При
,
,
.
Граничная относительная высота
сжатой зоны определяется по формуле:
; (2.23)
где
- характеристика сжатой зоны
бетона;
Предельное напряжение в арматуре
сжатой зоны:
МПа при
;
МПа (предварительное напряжение
принято с учетом полных потерь
МПа);

Площадь сечения растянутой арматуры:
, (2.24)
где
- коэффициент условий работы
арматуры, учитывающий сопротивление напрягаемой арматуры выше условного предела
текучести.
Поскольку
,
мм2
Принимаем 5Æ10 А- IV с
Asр = 393 мм2
.4.6 Проверка прочности сечений,
наклонным к продольной оси плиты
Поперечная сила
кН,
кН/м.
Выполним проверку прочности сечения
плиты на действие поперечной силы при отсутствии поперечной арматуры. Проверим
условие.
кН >
кН,
т.е. условие выполняется. Принимаем
упрощенно
и
м.
Находим усилие обжатия от растянутой
продольной арматуры;
; (2.24)
кН
Коэффициент, учитывающий влияние
продольной силы обжатия Р;
<
0,5, (2.25)
<
0,5,
,
Тогда
кН,
кН
Так как
кН <
кН,
следовательно, для прочности
наклонных сечений по расчету арматуры не требуется.
.4.7 Расчет плиты по предельным
состояниям второй группы
Пустотная плита, эксплуатируемая в
закрытом помещении и армированная напрягаемой арматурой А-IV Æ 10
удовлетворяет 3-й категории требований по трещеностойкости, т.е. допускается
непродолжительное раскрытие трещин шириной
мм и продолжительное -
мм. Прогиб
плиты от действия постоянной и длительной нагрузок не превышает:
мм.
Геометрические характеристики
приведенного сечения.
толщина полок;
ширина ребра;
ширина пустот;
.
Площадь приведенного сечения равна:
(2.25)
Расстояние от нижней грани до центра
тяжести приведенного сечения;
мм.
Момент инерции приведенного сечения
относительно его центра тяжести;
Момент сопротивления приведенного
сечения относительно грани, растянутой от внешней нагрузки:
=
(2.26)
см3 =
(сжатой от
внешней нагрузки).
;
Для симметричных двутавровых сечений
при
<
6
<
0,2
Упругопластический момент
сопротивления по растянутой зоне, определяемый по формуле:
(2.27)
.4.8 Определим первые потери
предварительного напряжения арматуры
Потери от релаксации напряжений в
арматуре при электротермическом способе натяжения стержневой арматуры
МПа.
Температурный перепад (разность
температур натянутой арматуры в зоне нагрева и устройства, воспринимающего
усилие натяжения при прогреве бетона)
Потери от деформации анкеров
при
механическом способе натяжения равны;
Усилие обжатия с учетом потерь
вычисляется
по формуле;
; (2.28)
кН.
Его эксцентриситет относительно
центра тяжести приведенного сечения равен:
Потери от быстронатекающей
ползучести бетона. Вычислим напряжение в бетоне
в середине пролета от действия силы
и
изгибающего момента от массы плиты. Нагрузка от массы плиты шириной 1,6 м
равна:
; (2.29)
МПа
мм
Назначаем передаточную прочность
бетона из условия;
≤ 0,75;
МПа < 0,5·B25,
принимаем
=12,5 МПа,
тогда
=2,43/12,5=0,19
Сжимающее напряжение в бетоне на
уровне центра тяжести площади напрягаемой арматуры;
; (2.30)
МПа
Потери от быстронатекающей
ползучести бетона
:
на уровне растянутой арматуры
<
0,8
,
то потери от быстронатекающей
ползучести
МПа
Определим первые потери;
МПа
Тогда усилие обжатия с учетом первых
потерь будет равно:
; (2.31)
кН
Вычислим максимальное сжимающее
напряжение в бетоне от действия силы
без учета собственной массы
; (2.32)
МПа
Поскольку
< 0,95, требования
удовлетворяются.
Определим вторые потери
предварительного напряжения:
Потери от усадки бетона 
МПа
; (2.33)
МПа
Итого вторые потери
МПа
Полные потери
< 100 МПа,
принимаем
МПа
Усилие обжатия с учетом суммарных
потерь будет равно
; (2.34)
кН
.4.9 Расчет по раскрытию трещин,
нормальных к продольной оси
Принимаем
=
= 35,49 кН∙м,
,
.
; (2.35)
Н∙см
;(2.36)
кН∙м
Так как
кН∙м >
= 35,49 кН∙м,
то трещины в растянутой зоне не образуются. Проверяем образуются ли начальные
трещины в верхней зоне плиты при ее обжатии при
.
Расчетные условия:
≤
;
(2.37)
для бетона В12,5.
>
следовательно трещины не образуются.
2.4.10 Расчет прогиба плиты
Расчет прогиба плиты выполняем с
учетом раскрытия трещин от действия постоянных и длительных нагрузок.
Находим кривизну от действия
постоянной и длительной нагрузок (
=
= 30,33 кН∙м,
,
).
; (2.37)
,
> 1,
принимаем
;
,
< 1,
; (2.38)

; (2.28)
,
где
;
- при длительным действии нагрузки
Прогиб плиты без учета выгиба от
усадки и ползучести бетона при предварительном обжатии будет равен:
<
; (2.38)
<
.
.5 Расчет монолитной лестницы
.5.1 Исходные данные
Расчёт проведён на основании СНиП 2.03.01-84
"Железобетонные конструкции".
Геометрические параметры:
Толщина плиты- 180 мм
Высота рабочей зоны - h0 = 160 мм
Материалы:
Бетон - тяжелый, класса по прочности на сжатие
В25.18.5 МПа
18.5 МПа
1.6 МПа
14.5 МПа
10.5 МПа
=30000 МПа
Коэффициент условия работы бетона
=0.9
Арматура периодического профиля
класса А-III Ø12
мм:
=365 МПа
390 МПа
=200000 МПа
Сбор нагрузок на лестницу.
Нормативные нагрузки:
. Керамическая плитка d = 20 мм; g =
2200 кг/м3
. Цементно-песчаная стяжка d = 55
мм; g = 1800 кг/м3
. Лестничная площадка d = 180 мм, g
= 2500 кг/м3
. Слой звукоизоляции d = 20 мм; g =
40 кг/м3
. Временная полезная нагрузка на
лестницу - 300 кг/м2
Расчётные нагрузки на 1 м
лестницы с
учетом коэффициента надежности по назначению
= 0.95:
Полная
= 10.33 * 0.95 = 9.8 кН/м2
Нормативная
= 8.93 * 0.95 = 8.5 кН/м2
Нормативная длительная
= 6.93 * 0.95 = 6.58 кН/м2
Категория по трещиностойкости - III
(трещины допускаются)
Действующие максимальные изгибающие
моменты от расчётной нагрузки:
На лестничной площадке:
по оси ОХ: в пролёте М1 = 0.83 кН×м (в нижней
зоне)
на опоре М2 = 5.65 кН×м (в верхней
зоне)
по оси ОУ: в пролёте М3 = 6.42 кН×м (в нижней
зоне)
на опоре М4 = 0.42 кН×м (в верхней
зоне)
На лестничном марше:
по оси ОХ: М1 = 5.20 кН×м (в нижней
зоне)
М2 = 8.20 кН×м (в верхней
зоне)
по оси ОУ: М3 = 0.44 кН×м (в нижней
зоне)
М4 = 0.14 кН×м (в верхней
зоне)
.6 Расчет монолитной железобетонной
колонны
.6.1 Начальные данные
По заданию требуется рассчитать
крайнюю колонну. Вследствие одностороннего приложения нагрузок, колонну
рассчитываем с несимметричным армированием.
Принимаем:
сечение колонны размерами b = 400
мм, h = 400 мм;
защитный слой a = a' = 32 мм;
бетон тяжелый класса B25 (Rb = 13
МПа при gb2 = 0,9; Eb = 2,7 · 104); арматура класса A-III (Rs = Rsc = 365 МПа);
продольная сила N = 213,35 кН;
эксцентриситет продольной силы
относительно центра тяжести бетонного сечения е0 = 275 мм;
расчетная длина l0 = 3,4 м.
Рисунок 2.5 - Расчетная схема колоны
.6.2 Определяем площади сечения
арматуры S и S’
Расчет:
= 400 - 32 = 368 мм.
Так как 4 < l0/h = 3,4/0,4=8,5
< 10, расчет производим с учетом прогиба элемента согласно п. 3.54 [4].
Предположим, что m, удельная площадь
армирования, m£
0,025, значение
Ncr определим по упрощенной формуле
(2.39)
Где - Ncr - критическая нагрузка на
колонну кН ;
А - площадь сечения мм2;-
модуль упругости бетона, МПа.
Коэффициент h вычислим по формуле:
(2.40)
Значение е с учетом прогиба элемента
равно:
мм. (2.41)
Требуемую площадь сечения арматуры
S’ и S определим по следующим формулам :
(2.42)
Где: A’s- площадь арматуры в сжатой
зоне, мм2;- расчетное сопротивление арматуры, МПа.
Конструктивно принимаем
вспомогательную арматуру 2 Ш 12 А-III A’s = 230 мм2
(2.43)
Где As - площадь поперечного сечения
рабочей продольной арматуры, мм2;- расчетное сопротивление арматуры,
МПа;
Поскольку
0,017 < 0,025,
значения Аs и A’s не уточняем.
Принимаем
= 230 мм2 (2 Æ 12)
A-III, Аs
= 2470 мм2
(4 Æ 28) A-III.
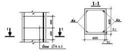
2.6.3 Назначаем d и S постановки
поперечных стержней
≥ 0,25 ds;= 0,25· 28 = 8
мм.
Принимаем поперечную, арматуру ш 8
мм A-I,
Принимаем поперечное армирование
вязаными хомутами.
≤ 15ds;≤ 15 ∙ 28 =
420 мм, принимаем S = 400 мм.
.6.4 Конструируем сечение колонны
Рисунок 2.6 - Сечение колонны
.6.5 Конструирование колонны
. Размеры сечения колонн следует
принимать не менее 250 мм, и они назначаются кратными 50 мм при размерах сторон
сечения до 500 мм кратным 100 мм при размерах стороны сечения больше 500 мм.
. Требования к материалам для колонн
следующее:
Бетон обычно принимается класса ≥
В20; для тяжело нагруженных колонн - не менее В30;
Рабочая арматура принимается классов
А- II, А - III, диаметрами от 12 до 40 мм, оптимально 16-25 мм;
Поперечная арматура назначается из
классов А- I, А - III и Вр I, диаметром dsw ≥0,25; шаг поперечных
стержней не более s≤20ds, где ds - меньший диаметр продольной арматуры.
. Правила установки арматуры в
колонны и проектирование каркасов:) Стержни продольной арматуры располагаются у
граней колонны с защитным слоем бетона не менее 20 мм и не менее 15 мм и не
менее ее диаметра;
б) Для свободной укладки в формы
концы продольной арматуры не должны доходить до грани торца колонны на 10 мм
при ее длине до 9 м и на 15 мм при длине до 12 м. При этом, если в оголовке
колонны предусмотрена закладная деталь для опирания вышележащих конструкции, то
продольный стержень арматуры должен не доходить до этой закладной детали не
менее чем на 10 мм;
в) При сечении колонны до 400Ч400 мм
можно ставить 4 стержня продольной арматуры, располагая по углам колонны, при
больших размерах сечения расстояние между осями продольных стержней не должны
превышать 400 мм;
г) плоские арматурные каркасы перед
постановкой в опалубку объединяются в пространственные каркасы при помощи
соединительных стержней (рис. 3.1.,а, 3.2.);
Рисунок 2.7 - Армирование колонн:
а) сварными каркасами; б) вязанными
каркасами; 1- каркасы; 2 - соединительные стержни; 3 - хомуты; аb - защитный
слой бетона продольной арматуры
Рисунок 2.8 - Постановка поперечных
стержней в каркасах:
а) объемный каркас; б) плоский
каркас; ds - диаметр продольных стержней арматуры; dsw - диаметр поперечных
стержней; S - шаг поперечных стержней
Испытывая сжатие при работе в стадии
эксплуатации, сборные железобетонные колонны при транспортировании и монтаже
работают на изгиб. Это учитывается расчетами на монтажные и транспортные
нагрузки, при выполнении которых к колоннам прикладывается нагрузка от ее
собственного веса с учетом коэффициентов динамичности.
3. Технология и организация
строительства
3.1 Общая часть
Данный подраздел проекта разработан в
соответствии с требованиями и положениями следующих документов:
- строительные решения проекта;
технологические решения проекта;
СНиП 2.04.02-84* "Водоснабжение. Наружные
сети и сооружения";
СП 8.13130.2009 "Источники наружного
противопожарного водоснабжения";
СП 10.13130.2009 "Внутренний
противопожарный водопровод";
технические условия на подключение проектируемых
сетей водоснабжения и канализации.
проектная документация "Общеобразовательная
школа на 500мест в пос. Новый Пригородного района РСО-Алания"
33(1/480)-ВК, выполненная ООО "Геополис" г. Владикавказ.
Настоящим подразделом решается проект
организации строительства площадочных сетей.
.2 Условия строительства
Территория, занимаемая школой, характеризуется
спокойным и сглаженным рельефом. Общий уклон рельефа направлен с запада на
восток, в сторону школы.
Грунты в основании проектируемых сетей и
сооружений представлены:
почвенно-растительным слоем мощностью 0,4 м;
глинами (глубиной до 1 м);
суглинками (глубиной от1м до 6,5 м).
Максимальная возможная глубина промерзания
грунтов составляет 0,8 м. Сейсмичность площадки - 8 баллов. Грунтовые воды не
встречены.
Опасные геологические и инженерно-геологические
процессы на данной территории отсутствуют. Агрессивность грунтов к бетону
отсутствует.
Среднее число дней с туманами - 100, среднее
многолетнее количество осадков-814 мм.
Таблица 3.1 - Климатические характеристики
района
|
Наименование
параметра
|
Единица
измерения
|
Величина
|
|
Средняя
относительная влажность воздуха наиболее жаркого месяца года
|
%
|
75
|
|
Средняя
относительная влажность воздуха наиболее холодного месяца года
|
%
|
82
|
|
Средняя
минимальная температура наиболее холодного месяца
|
°С
|
-7,1
|
|
Скорость
ветра, повторяемость которой не превышает 5%
|
м/с
|
4,3
|
|
Средняя
скорость ветра
|
м/с
|
1,9
|
|
Средняя
роза ветров: С
|
%
|
9
|
|
СВ
|
|
9
|
|
В
|
|
5
|
|
ЮВ
|
|
20
|
|
Ю
|
|
19
|
|
ЮЗ
|
|
16
|
|
З
|
|
13
|
|
СЗ
|
|
3
|
|
Штиль
|
|
33случая
|
.3 Организационно технологические схемы работ
.3.1 Подготовительный период строительства
В зависимости от организационной,
технологической и экономической подготовки строительства в подготовительном
периоде выделяются три этапа:
организационный,
мобилизационный,
подготовительно-технологический.
На организационном этапе должна быть рассмотрена
и согласована проектно-сметная документация, необходимая для начала
строительства, проработаны вопросы комплектации и социального развития.
Мероприятия организационного и мобилизационного
этапа выполняет заказчик.
На подготовительно-технологическом этапе должны
быть выполнены следующие подготовительные работы:
создание и закрепление геодезической основы на
строительной площадке путем забивки металлических штырей с закрашенной
головкой;
обеспечение работающих санитарно-бытовыми
помещениями, согласно расчетной потребности, с обеспечением мер противопожарной
безопасности в соответствии требований ППБ 01-03;
обеспечение строительства, в том числе
санитарно-бытовые помещения, водой, электроэнергией;
сварка труб в секции на полевой трубосварочной
базе;
изготовление гнутых отводов (кривых).
Работы по подготовке строительной полосы вести в
соответствие с требованиями СН 103-34-96 "Подготовка строительной
полосы".
.3.2 Работы основного периода строительства
На выполнение комплекса работ по прокладке сетей
подземного и надземного газопровода генподрядчиком должен быть разработан в
обязательном порядке проект производства работ, обеспечивающий безопасность
работ в сложившейся ситуации.
Полный объем строительно-монтажных работ
выполняется строительно-монтажной бригадой, оснащенной строительными машинами,
механизмами и автотранспортом, согласно производимым работам и их объему.
Работы ведутся поточным методом.
Весь комплекс строительно-монтажных работ по
прокладке газопровода рекомендуется производить при температуре наружного
воздуха не ниже минус 15°С и не выше плюс 30°С.
Земляные работы должны выполнятся с соблюдением
требований СНиП 3.02.01-87, СН-452-73, ВСН 004-88, СП104-34-96 и СНиП 12-04-2002.
Разработка грунта в траншее производится
ковшовыми экскаваторами.
Марка строительной техники уточняется в проекте
производства работ.
Разрабатываемый грунт складируется в пределах
полосы работ.
Грунт в траншее выбирается, не доходя до
проектной отметки на глубину 10 см. Доработка грунта выполняется вручную перед
началом работ по укладке трубопроводов. Отрытые траншеи не должны
продолжительное время оставаться открытыми.
Засыпку траншеи следует производить в две
стадии:
на первой стадии выполняется засыпка нижней зоны
не мерзлым грунтом, не содержащим твердых включений размером свыше 1/10
диаметра трубопровода на высоту 0,5 м над верхом трубы с подбивкой пазух и
равномерным послойным уплотнением;
на второй стадии выполняется засыпка верхней
зоны траншеи грунтом, не содержащим твердых включений размером свыше диаметра
трубы.
При обнаружении в траншее грунтовых вод
необходимо выполнить откачку воды с последующим сбросом ее в близлежащие канавы
и пониженные места.
Прокладка сети подземного газопровода, сетей
водопровода и канализации выполняется с помощью автокрана, которые
безостановочно перемещаются вдоль траншеи в процессе опуска укладываемой плети.
В качестве грузозахватной оснастки следует применять мягкие стропы (полотенца).
Укладка изолированного газопровода, сетей
водопровода и канализации в проектное положение (на дно траншеи) производится
автокранами с бермы траншеи, частично с вдоль трассового проезда и частично со
сланей.
Перед засыпкой траншей проверяется проектное
положение труб и качество изоляции. Результаты проверки должны оформляться
актами.
При засыпке, уложенного на проектные отметки,
газопровода соблюдаются следующие правила, обеспечивающие нормальную работу
трубы:
при наличии горизонтальных кривых, вначале
засыпается криволинейный участок, начиная от середины в обе стороны, затем
остальная часть траншеи;
на участках местности с вертикальными кривыми
газопровода (на оврагах, балках) засыпка производится с двух сторон сверху
вниз;
на участках захлестов засыпка выполняется
перемещением бульдозера с двух сторон к захлесту.
После засыпки грунт над трупроводом уплотняется
несколькими проходами бульдозера.
На участке, где ведутся монтажные работы, не
допускается выполнение других работ и нахождение посторонних лиц. На период
производства работ строительную площадку оградить, обозначить опасную зону с
установкой соответствующих знаков безопасности.
Марки автомобильного транспорта и монтажного
крана уточняются в проекте производства работ.
Переход газопровода через дороги с дорожным
покрытием (см. работы подготовительного периода) предусматривается открытым
способом с разборкой и восстановлением дорожного покрытия
Проезды, проходы, рабочие места необходимо
регулярно очищать от строительного мусора и не загромождать.
Монтаж сетей должен выполняться
специализированными монтажными организациями.
Соединение стальных труб газопроводов в
"нитку", а так же соединение труб и арматуры (отводы, тройники,
переходы, заглушки) производится на трассе (на берме траншеи) ручной дуговой
сваркой.
Повороты линейной части газопровода в
вертикальной и горизонтальной плоскости выполнены упругим изгибом сваренной
нитки трубопровода или монтажом криволинейных участков из гнутых отводов.
На сварочных стыках подземных газопроводов
должна быть нанесена маркировка клеймо сварщика), выполнившего сварку. Способ
маркировки должен обеспечить ее сохранность в течение эксплуатации газопровода.
При заварке стыка несколькими сварщиками клейма проставляются на границах
свариваемых участков.
.3.3 Создание опорной геодезической сети
Все геодезические работы на площадке следует
выполнять в соответствии с действующими нормативными документами и проектами
производства геодезических работ (ППРГ).
Для перенесения проектных параметров здания в
натуру, производства детальных разбивочных работ и исполнительных съемок на
строительной площадке создается внешняя разбивочная сеть здания, пункты которой
закрепляют на местности главные и промежуточные разбивочные оси.
Застройщик (заказчик) должен обеспечить вынос на
площадку геодезической разбивочной основы силами местного органа архитектуры и
градостроительства или по его поручению - специализированной организацией,
принять ее по акту.
Производство геодезических работ в процессе
строительства и геодезический контроль точности выполнения строительно-монтажных
работ входит в обязанность подрядчика.
Приемка правильности установки конструкций
оформляется актами с приложениями исполнительных схем геодезической проверки
нахождения конструкций с нанесением на них всех отклонений от проекта и
согласованных с авторским надзором заказчика.
.3.4 Устройство ограждения строительной площадки
Согласно СНиП 12-03-2001 производственные
территории и участки работ в населенных пунктах или на территории организации
во избежание доступа посторонних лиц должны быть ограждены.
Строительный объект оборудовать информационным
щитом - "паспортом строительства" размером 2х3 м со следующими
реквизитами:
эмблема и наименование строительной организации;
адрес и наименование строящегося объекта;
наименование заказчика, инвестора;
наименование генподрядных организаций;
фамилия, имя и отчество руководителя проекта,
прораба;
наименование проектировщика;
срок окончания строительства.
На ограждениях строительных площадок в
обязательном порядке разместить графическое изображение строящегося объекта с
краткой его характеристикой и указанием автора или авторского коллектива,
разработавшего проект, а также графическое изображение или фотографии
исторического места, на котором ведется строительство (если строительство
осуществляется в исторической части города).
Щиты установить со стороны основной улицы или
площади.
Размер щитов - не менее 3х5 метров.
У въезда на строительную площадку указать схему
внутриплощадочных дорог и проездов с указанием мест складирования материалов и
конструкций, мест разворота транспортных средств, объектов пожарного
водоснабжения и пр.
3.3.5 Устройство временных дорог
Временные дороги и подъездные пути закладывают
после окончания вертикальной планировки территории, устройства дренажей,
водотоков и других инженерных коммуникаций. Исключение составляют кабели
наружного освещения и телефон.
Состав работ:
·
планировка
поверхности земляного полотна;
·
устройство
корыта и водосборных канав;
·
уплотнение
корыта;
·
укладка
подстилающего слоя из песка;
·
устройство
покрытия из щебня;
Рисунок 3.1- Щебеночная односкатная дорога по
песчаному основанию
.3.6 Монтаж временных инвентарных зданий
Временные здания и сооружения для нужд
строительства устанавливаются на строительной площадке специально для обеспечения
строительства и после его окончания подлежат ликвидации.
.3.7 Производство работ в зимних условиях
Выполнение основных видов строительно-монтажных
работ в условиях зимы с сохранением установленных сроков их строительства
предусматривается за счет применения дополнительных механизмов и проведения
различных технических и подготовительных мероприятий.
Для успешного выполнения работ в зимний период
строительства необходимо:
до наступления заморозков на территории
строительной площадки провести подготовительные мероприятия по укреплению
незаконченных и мелкозаложенных фундаментов, а все готовые фундаменты засыпать;
своевременно провести подготовительные работы по
отводу дождевых и внешних вод с территории сооружаемых зданий, дорог и других
объектов;
приспособить для работы в зимних условиях
временные установки, строительные машины и прочее производственное и
вспомогательное хозяйство;
обеспечить дополнительное электроосвещение на
строительной площадке.
Основным методом прокладки трубопроводов в
зимних условиях является комплексное поточное строительство с однодневным
циклом работ, включающих: расчистку трассы, рытье траншеи, изоляцию стыков,
укладку и засыпку трубопровода минеральным грунтом.
Во избежание повреждения изоляции, запрещается
оставлять трубопровод незасыпанным при низких температурах длительное время,
производить засыпку трубопровода крупными глыбами смерзшегося грунта,
укладывать трубопровод на промерзший грунт.
Производство земляных работ в зимнее время
следует осуществлять в строгом соответствии с требованиями СНиП 3.02.01-87
"Земляные сооружения, основания и фундаменты".
Зимой следует производить преимущественно
работы, осуществление которых облегчается в этот период, а именно: работы по
разработке траншей на обводненных и пойменных участках трассы.
3.3.8 Перечень основных видов строительных и
монтажных работ, подлежащих освидетельствованию с составлением соответствующих
актов приемки перед производством последующих работ и устройством последующих
конструкций
Перечень видов работ, для которых необходимо
составление актов освидетельствования скрытых работ:
проверка глубины заложения газопровода, уклонов;
испытание сварочных швов;
испытание на прочность и проверку на
герметичность;
Земляные работы должны выполняться с соблюдением
требований СНиП 3.02.01-87, СН-452-73, ВСН 004-88, СП 104-34-96 и СНиП
12-04-2002.
Производство земляных работ осуществляется в
строгом соответствии с материалами по отводу земель.
Для обеспечения беспрепятственного передвижения
строительной землеройной техники рекомендуется по трассе произвести планировку
строительной полосы.
Полоса движения транспорта должна планироваться
таким образом, чтобы обеспечивалась бесперебойная доставка длинномерных секций
трубопровода.
Для обеспечения проезда автотранспорта, прохода
строительных машин и механизмов на период строительства, проектом
предусматривается на полосе отвода, предназначенной для строительства выполнить
профилирование проезда бульдозерами.
Разработка траншеи под трубопровод производится
одноковшовыми экскаваторами.
Детальная разработка технологии и организации
мероприятий осуществляется при составлении технологических карт в проекте
производства работ с учетом специфики грунтовых условий каждого участка.
Засыпка траншей является конечной операцией в
строительном процессе возведения инженерных сетей.
Перед засыпкой траншей проверяется проектное
положение инженерных сетей и качество изоляции. Результаты проверки должны
оформляться актами.
Обратная засыпка грунта выполняется бульдозером
и частично вручную.
При засыпке, уложенных на проектные отметки
труб, должны соблюдаются следующие правила, обеспечивающие нормальную работу:
при наличии горизонтальных кривых, вначале
засыпается криволинейный участок, начиная от середины в обе стороны, затем
остальная часть траншеи;
на участках местности с вертикальными кривыми
газопровода (на оврагах, балках) засыпка производится с двух сторон сверху
вниз;
на участках захлестов засыпка выполняется
перемещением бульдозера с двух сторон к захлесту.
После засыпки грунт уплотняется несколькими проходами
бульдозера. Сварочно-монтажные работы на трассе, сборке и сварке одиночных труб
в "нитку" выполняются в общем потоке строительства
специализированными сварочно-монтажными бригадами.
Сварка труб в "нитку" производится на
берме траншеи с помощью сварочных агрегатов. Работы вести в строгом
соответствии с требованиями ВСН 006-88; СП 105-34-96.
Требования к аттестации и проверке квалификации
сварщиков определены в СНиП III-42-80* раздел 4; ВСН 006-89 Справочное
приложение; ВСН 0012-88 ч.1 раздел 5.
Контроль качества сварных соединений выполняется
в соответствии с требованиями СНиП III-42-80*; СНиП 3.01.01-85*; ГОСТ
16037-80*; СНиП 42-01-2002. Работы вести в соответствии с требованиями ВСН
008-88.
Укладка изолированного трубопровода в проектное
положение (на дно траншеи) производится с бермы траншеи автокранами.
Подземный газопровод защищается от почвенной
коррозии покрытием "весьма усиленного" по ГОСТ9.602-2005 (конструкция
№1) экструдированным полиэтиленом, а также ЭХЗ выполняемой трестом
"Подземметаллозащита".
Надземные участки стального газопровода защитить
от атмосферной коррозии: окрасить двумя слоями грунтовки ГФ-021 ГОСТ 25129-82 и
двумя слоями краски желтого цвета для наружных работ ГОСТ 8292-85. Подготовку
поверхности труб под окраску необходимо выполнить согласно ГОСТ 9.402-04 на
базе монтажников с применением средств механизации.
В местах пересечения газопровода с
автомобильными дорогами всех категорий устанавливают дорожные знаки
"Осторожно, газопровод", "Остановка запрещена".
Места пересечения газопроводов с другими
надземными и подземными коммуникациями обозначают знаками "Газопровод
высокого давления".
На ограждениях крановых узлов, приема-запуска
очистных устройств, амбаров устанавливают знаки "Вход воспрещен".
.3.9 Подземные трубопроводы из полиэтиленовых
труб
Трубы в пакетах должны храниться на чистой
ровной поверхности и снаружи поддерживаться опорами.
На складе хранения труб и деталей не допускается
проведение электросварочных и других огневых работ.
При монтаже подземного трубопоровода должны быть
приняты меры по предотвращению засорения полости труб, секций, плетей.
После укладки труб в траншею должны быть
проверены:
проектная глубина, уклон и прилегание
газопровода ко дну траншеи на всём его протяжении;
физические расстояния между газопроводом и
стенками траншеи.
Правильность укладки труб следует проверять
путём нивелировки всех узловых точек, уложенных труб.
Если после укладки будет установлено наличие
неплотного его прилегания ко дну траншеи в отдельных местах, то в этих местах
должна быть сделана подсыпка грунта с его послойным уплотнением и подбивкой
пазух.
.3.10 Контроль качества сварных стыков
Управление качеством строительно-монтажных работ
должно осуществляться строительными организациями и включать в себя
совокупность мероприятий, методов и средств, направленных на обеспечение
соответствия качества строительно-монтажных работ и законченных строительством
объектов требованиям нормативных документов и проектной документации.
Производственный контроль качества строительно-монтажных работ должен включать
входной контроль отдельных строительных процессов и приемочный контроль
строительно-монтажных работ.
.3.11 Защита от коррозии
Защита строительных конструкций от коррозии
производится в соответствии со СНиП 2.03.11-85. Защиту металлических
конструкций от коррозии производить эмалью ПФ-115 ГОСТ 6465-76* в два слоя по
двум слоям грунтовки ГФ-021 по ГОСТ 25129-82*. Защиту необетонируемых закладных
деталей, рабочих сварных швов следует предусматривать лакокрасочными
покрытиями. Все бетонные и железобетонные конструкции, соприкасающиеся с
грунтом обмазать горячим битумом за два раза.
.3.12 Погрузочно-разгрузочные и транспортные
работы
Складирование и хранение строительных материалов
и конструкций следует осуществлять в местах, указанных в технологических схемах
ППР, в соответствии с требованиями стандартов или технических условий на
материалы и конструкции.
С целью сокращения складских площадей и
уменьшения объема погрузочно-разгрузочных работ необходимо максимально
применять монтаж конструкций, а также разгрузку материалов на рабочие места
непосредственно с транспортных средств.
Погрузка и разгрузка конструкций и материалов
осуществляется автокраном КС-4562.
Доставка материалов производится бортовыми
машинами и автосамосвалами.
При выполнении указанных операций рекомендуется
пользоваться указаниями, изложенными в разделе 8.2 СНиП 12-03-2001, СНиП
12-04-2002 и СанПин 2.2.3.1384-03, ВСН 274-88, РД 10-107-96.
.3.13 Транспортирование и хранение стальных труб
и соединительных деталей
При выполнении погрузочно-разгрузочных операций,
не допускается перемещение труб волоком; сбрасывать трубы и детали с
транспортных средств запрещается.
При перевозке труб автотранспортом (с закрытым
или открытым кузовом), длина свешивающихся с кузова концов труб не должна
превышать 1.5 метров.
Во избежание повреждения труб при их
транспортировке, нижний ряд труб располагается на деревянных подкладках,
укреплённых на платформе транспортного средства.
В качестве строповочных средств используют
текстильные канаты.
Транспортировка, погрузка и разгрузка
производится при температуре наружного воздуха не ниже минус 20 С.
На складе хранения труб и деталей не допускается
проведение электросварочных и других огневых работ.
3.3.14 Транспортирование и хранение
полиэтиленовых труб и соединительных деталей
Транспортирование и хранение полиэтиленовых труб
и соединительных деталей осуществляют в соответствии с требованиями нормативной
документации на трубы и соединительные детали, а также положениями СП.
Одиночные трубы для транспортировки и хранения
связываются в пакеты массой до 3 тонн.
Пакеты скрепляют тросами по ГОСТ 21650. Пакеты
труб, длиной 6 м, скрепляют не менее чем в двух местах, большей длины - не
менее чем в трёх местах.
Трубы в пакетах должны храниться на чистой
ровной поверхности и снаружи поддерживаться опорами. В целях безопасности,
высота уложенных пакетов не должна превышать 3 метров.
При выполнении погрузочно-разгрузочных операций,
не допускается перемещение труб волоком; сбрасывать трубы и детали с
транспортных средств запрещается.
При перевозке труб автотранспортом (с закрытым
или открытым кузовом), длина свешивающихся с кузова концов труб не должна
превышать 1.5 метров.
Во избежание повреждения труб при их
транспортировке, нижний ряд труб располагается на деревянных подкладках,
укреплённых на платформе транспортного средства. Не связанные в пакеты трубы,
укладывают так, чтобы в нижнем ряду они располагались вплотную одна к другой, а
в последующих рядах - в гнёздах, образуемых нижележащими трубами.
В качестве строповочных средств используют
текстильные канаты.
Транспортировка, погрузка и разгрузка
производится при температуре наружного воздуха не ниже минус 200С.
Трубы хранятся в соответствии с требованиями
ГОСТ 50838. Заглушки, которые предотвращают попадание грязи в трубы, во время
хранения не снимаются.
Трубы и соединительные детали хранятся отдельно
по партиям, сортаменту, виду материала. Не допускается при хранении смешивать
трубы и детали из полиэтилена разных марок и SDR.
На складе хранения труб и деталей не допускается
проведение электросварочных и других огневых работ.
4. Сметы и ТЭП
.1 Общие положения
Сметная документация составлена в соответствии с
инструкцией МДС 81.35-2004 на условия подрядной строительной организации,
определенной на тендерной основе.
Сметная стоимость определена по локальным сметам
в ценах и нормах ,введенных с 1 января 2001 г. в редакции 2009 года ,
разработанных по Территориальным Единичным Расценкам для региона РСО-Алания и
пересчитана с индексацией в текущие цены 1 квартала 2014 г:
к СМР К=6,59 (без учета НДС) НДС- 18%.
(распоряжение правительства РСО-Алания от 07.02.2014г. №44-р)
к оборудованию К=3,37 (без учета НДС) НДС- 18%
(прил. к Письму Министерства стр-ва и ЖКХ РФ от 28.02.2014 г №3085-ЕС/08)
к прочим затратам К=8,84 (прил. к письму Письму
Министерства стр-ва и ЖКХ РФ от 28.02.2014 г №3085-ЕС/08)
к проектным работам К=3,64 (прил. к письму
Письму Министерства стр-ва и ЖКХ РФ от 28.02.2014 г №3085-ЕС/08)
к изыскательским работам К=3,7 (прил. к письму
Письму Министерства стр-ва и ЖКХ РФ от 28.02.2014 г №3085-ЕС/08)
к экспертным работам К=3,72 (письмо РГУ
"Управления госэкспертизы РСО-Алания")
Накладные расходы определены по видам работ в
соответствии с инструкцией МДС 81-33.2004.
Сметная прибыль определена по видам работ на
основании инструкции МДС 81-25.2001 и письму Госстроя №-АП55/356/06 от
28.02.2004 г.
4.2 Сметное нормирование и ценообразование
Сметное нормирование - это система технических,
организационных и экономических методов определения затрат времени, трудовых и
материально-технических ресурсов на производство строительно-монтажных работ с
целью разработки и обоснования сметных норм и нормативов.
Сметной нормой называют совокупность ресурсов
затрат труда работников строительства, времени работы строительных машин и механизмов,
потребности в строительных материалах, изделиях и конструкциях, установленных
на принятый измеритель строительных, монтажных или других работ.
Сметным нормативом называется комплекс сметных
норм, расценок и цен, представленных отдельными сборниками, содержащими
требования по выполнению строительно-монтажных работ, основу для определения
сметной стоимости строительства зданий и сооружений.
Государственные сметные нормы являются первичным
нормативным документом и служат для разработки единичных сметных стоимостей -
единичных расценок. Эти нормы приведены в ч. IV СНиП "Сметные нормы и
правила" и отражают:
Данные о затратах труда, в человеко-часах;
Нормы времени строительных машин и механизмов, в
машино-часах;
Нормы расхода материалов, полуфабрикатов, деталей
и конструкций в натуральном выражении, в кубических метрах, штуках, тоннах.
Затраты труда определены исходя из средней
продолжительности рабочего дня 6,82 ч.
В связи с тем что ч. IV СНиП включает
поэлементные затраты на строительные работы, их называют Государственными
элементными сметными нормами на строительные конструкции и работы (ГЭСН).
В элементных нормах предусмотрена определенная
степень оборачиваемости материалов и деталей, выраженная в виде дроби. В
числителе (показатели предназначены для определения сметной стоимости)
приведена норма расхода материалов, в которой учтено нормальное число оборотов
и возврат материала, получаемого при демонтаже после последнего оборота. В
знаменателе (показатели предназначены только для определения количества
завозимых на строительную площадку материалов при числе оборотов, принятом в
нормах) - норма расхода материалов, в которой предусмотрено определенное число
оборотов без учета возврата материала.
Ценообразование и сметное дело в строительстве
• сметные нормативы подразделяются на:
Федеральные, ведомственные (отраслевые), Территориальные (местные) и
собственную нормативную базу пользователя.
• федеральные нормативы утверждаются
Госстроем, отраслевые и территориальные - соответственно министерствами и
администрацией субъектов и регистрируются Госстроем.
• основой современного сметного
нормирования являются сборники сметных норм и расценок на строительные работы -
СНиП-2001.
Определение сметной стоимости строительства на
основе единичных расценок требует большого объема исходных данных о местных
условиях стро¬ительства, конструктивных решениях сооружений, методах
производства работ, применяемых механизмах и других сведений, которые могут
быть получены только из подробно составленного проекта основных сооружений,
проекта производства работ и организации строительства. Как правило, на
предпроектных проработках, на предварительных стадиях проектирования при
сопоставлении нескольких вариантов проектных решений такие сведения в полном
объеме отсутствуют. Кроме того, определение сметной стоимости по единичным
расценкам требует больших затрат инженерного труда. Поэтому для упрощения
сметных расчетов на ранних стадиях проектирования разработаны и применяются
укрупненные сметные нормы.
4.3 Локальный сметный расчет
Локальные сметные расчеты составляются на основе
физических объемов работ, конструктивных чертежей элементов зданий и
сооружений, принятых методов производства работ и, как правило, на каждое
здание и сооружение по видам работ. При этом данные по видам работ группируются
по отдельным конструктивным элементам зданий и сооружений. Исходя из этого
локальные сметные расчёты делятся на:
общестроительные работы: земляные работы,
фундаменты и стены подземной части, стены, каркас, перекрытия, перегородки,
полы и основания, покрытия и кровли, отделочные работы и пр.;
специальные работы: фундаменты под оборудование,
каналы и приямки, футеровка и изоляция, химические защитные покрытия и т.п.;
внутренние санитарно-технические работы:
водопровод, канализация, отопление, вентиляция и кондиционирование воздуха и
т.п.;
установку оборудования: приобретение и монтаж
технологического оборудования, технологических трубопроводов, металлических
конструкций и т.п.
.4 Объектный сметный расчет
Объектные сметы составляются на объекты в целом
путём суммирования данных локальных смет с группировкой работ и затрат по
соответствующим графам сметной стоимости "строительных работ",
"монтажных работ", "оборудования, мебели и инвентаря",
"прочих затрат".
С целью определения полной стоимости объекта,
необходимой для расчётов за выполненные работы между заказчиком и подрядчиком,
в конце объектной сметы к стоимости строительных и монтажных работ
дополнительно включаются средства на покрытие лимитированных затрат, в том
числе:
• на удорожание работ, выполняемых в зимнее
время, стоимость временных зданий и сооружений и другие затраты, включаемые в
сметную стоимость строительно-монтажных работ и предусматриваемые в составе
главы "Прочие работы и затраты" сводного сметного расчета стоимости
строительства;
• часть резерва средств на непредвиденные работы
и затраты, предусмотренного в сводном сметном расчете.
В тех случаях, когда стоимость объекта
определена по одной локальной смете, объектная смета не составляется. При
совпадении понятий объекта и стройки в сводный сметный расчет стоимости
строительства включаются также данные из локальных смет.
При составлении на один и тот же вид работ двух
или более локальных смет эти сметы объединяются в объектный смете в одну строку
под общим названием.
В объектной смете построчно и в итоге приводятся
показатели единичной стоимости на 1 м3 объема, 1 м2
площади зданий и сооружений, 1 м протяжённости сетей и т. п.
Объектные сметные объединяют в своем составе на
объект в целом данные из локальных смет и являются сметными документами, на
основе которых формируются договорные цены на объекты.
В составе объектной сметы учитывается также
часть резерва средств на непредвиденные работы и затраты, предназначенные для
возмещения стоимости работ и затрат, потребность в которых возникает в процессе
разработки рабочей документации или в ходе строительства при уточнении
проектных решений или условий строительства по объектам (видам работ),
предусмотренным в утвержденном проекте. Размер резерва должен быть согласован
заказчиком и подрядчиком для включения в смету в порядке, предусмотренном п.
4.96 МДС81-35.2004. Определение суммы резерва осуществляется от итога затрат
(вместе с временными зданиями и зимними удорожаниями) в установленном проценте
к стоимости СМР.
При расчетах между заказчиком и подрядчиком за
фактически выполненные объемы работ эта часть резерва подрядчику не передается,
а остается в распоряжении заказчика. В том случае в договоре подряда должны
предусматриваться порядок и сроки согласования дополнительной сметы на работы,
которые могут дополнительно возникать в ходе строительства в случае внесения
заказчиком в техническую документацию изменений принятых ранее проектных
решений.
При расчетах за выполненные работы по договорам
с установленной твердой ценой, резерв средств на непредвиденные работы и
затраты в актах приемки выполненных работ не расшифровывается и оплачивается
заказчиком по норме согласованной при формировании договорной цены.
За итогом объектной сметы показываются
возвратные суммы, которые являются итоговым результатом возвратных сумм,
предусмотренных локальными сметами.
Объектные сметы составляются по форме,
установленной в базисном уровне цен на объекты в составе проекта строек,
объединяют итоги локальных смет и являются сметными документами, на основе
которых формируются договорные цены при подрядных торгах и заключении
контрактов.
Пример локального и объектного сметных расчетов
приведены в Приложении.
5. БЖД и экологичность проекта
5.1 Мероприятия по охране труда
.1.1 Указания по технике безопасности
До начала строительства объекта генподрядная
организация должна выполнить подготовительные работы по организации
стройплощадки, необходимые для обеспечения безопасности строительства, включая:
·
устройство
ограждения территории стройплощадки при строительстве объекта в населенном
пункте или на территории организации;
·
планировку
территории, водоотвод;
·
устройство
временных автомобильных дорог, прокладку сетей временного электроснабжения,
освещения, водопровода;
·
завоз
и размещение на территории стройплощадки или за ее пределами инвентарных
санитарно-бытовых, производственных и административных зданий и сооружений;
·
устройство
мест складирования материалов и конструкций.
Окончание подготовительных работ должно быть
принято по акту о выполнении мероприятий по безопасности труда, оформленному
согласно СНиП 12-03-2001.
Перед началом выполнения строительно-монтажных
работ на строительной площадке необходимо выделить опасные для людей зоны, в
которых постоянно действуют или потенциально могут действовать опасные производственные
факторы, связанные или не связанные с характером выполняемых работ,
соответствующие требованиям СНиП 12-03-2001.
К зонам постоянно действующих опасных
производственных факторов следует отнести:
·
места
вблизи неизолированных токоведущих частей электроустановок;
·
места
вблизи не огражденных перепадов по высоте 1,3 м и более;
·
места,
где возможно превышение предельных допустимых концентраций вредных веществ в
воздухе рабочей зоны.
К зонам потенциально опасных производственных
факторов следует относить:
·
зоны
перемещения машин, оборудования или частей, рабочих органов;
·
места,
над которыми происходит перемещение грузов кранами.
На границах зон постоянно действующих опасных
производственных факторов должны быть установлены предохранительные защитные
ограждения, а зон потенциально опасных производственных факторов сигнальные
ограждения и знаки безопасности.
При производстве работ руководствоваться
требованиями СНиП 12-03-2001, СНиП 12-04-2002.
С целью исключения размыва грунта, образования
оползней, обрушения стенок выемок в местах производства земляных работ до их
начала необходимо обеспечить отвод поверхностных и подземных вод.
Место производства работ должно быть очищено от
валунов, деревьев, строительного мусора.
Разработка грунта в непосредственной близости от
действующих подземных коммуникаций допускается только при помощи лопат, без
использования ударных инструментов.
Применение землеройных машин в местах
пересечения выемок с действующими коммуникациями, не защищенными от
механических повреждений, разрешается по согласованию с организациями -
владельцами коммуникаций.
В случае обнаружения в процессе производства
земляных работ не указанных в проекте коммуникаций, подземных сооружений или
взрывоопасных материалов земляные работы должны быть приостановлены, до
получения разрешения соответствующих органов.
Выемки, разрабатываемые на улицах, проездах, во
дворах населенных пунктов, а также в других местах возможного нахождения людей,
должны быть ограждены защитными ограждениями с учетом требований
государственных стандартов. На ограждении необходимо устанавливать
предупредительные надписи, а в ночное время - сигнальное освещение.
Для прохода людей через выемки должны быть
устроены переходные мостики в соответствии с требованиями СНиП 12-03-2001.
Для прохода на рабочие места в выемки следует
устанавливать трапы или маршевые лестницы шириной не менее 0,6 м с ограждениями
или приставные лестницы (деревянные - длиной не более 5 м).
На участке (захватке), где ведутся монтажные
работы, не допускается выполнение других работ и нахождение посторонних лиц.
Способы строповки элементов конструкций и
оборудования должны обеспечивать их подачу к месту установки в положении,
близком к проектному и исключать возможность падения или скольжения
застропованного груза. Монтируемые элементы следует поднимать плавно, без
рывков, раскачивания и вращения.
Запрещается подъем сборных железобетонных
конструкций, не имеющих монтажных петель или меток, обеспечивающих их
правильную строповку и монтаж.
Очистку подлежащих монтажу элементов
конструкций от грязи и наледи следует производить до их подъема.
Не допускается пребывание людей на элементах
конструкций и оборудования во время их подъема или перемещения.
До выполнения монтажных работ необходимо
установить порядок обмена условными сигналами между лицом, руководящим
монтажом, и машинистом (мотористом). Все сигналы подаются только одним лицом
(бригадиром монтажной бригады, звеньевым, такелажником-стропальщиком), кроме
сигнала "Стоп", который может быть подан любым работником, заметившим
явную опасность.
5.1.2 Противопожарные мероприятия
При организации строительной площадки и
производстве строительно-монтажных работ необходимо руководствоваться
требованиями ППБ 01-03.
У въездов на стройплощадку должны
устанавливаться (вывешиваться) планы пожарной защиты с нанесенными строящимися
и вспомогательными зданиями и сооружениями, въездами, подъездами,
местонахождением водоисточников, средств пожаротушения, связи. Ко всем
строящимся и эксплуатируемым зданиям (в том числе и временным), местам
открытого хранения строительных материалов, конструкций и оборудования должен
быть обеспечен свободный проезд.
Противопожарные расстояния между зданиями и
сооружениями, штабелями леса, пиломатериалов, других материалов и оборудования
не разрешается использовать под складирование материалов, оборудования и тары,
для стоянки транспорта и строительства (установки) зданий и сооружений.
Для всех производственных и складских помещений
должна быть определена категория взрывопожарной и пожарной опасности, а также
класс зоны по правилам устройства электроустановок, которые надлежит обозначать
на дверях помещений.
При хранении баллонов на открытых площадках
сооружения, защищающие их от воздействия осадков и солнечных лучей, должны быть
выполнены из негорючих материалов.
К началу основных строительных работ на стройке
должно быть обеспечено противопожарное водоснабжение от пожарных гидрантов на
водопроводной сети.
Места проведения огневых работ следует
обеспечивать первичными средствами пожаротушения (огнетушитель, ящик с песком и
лопатой, ведром с водой).
5.2 Решения по охране труда и промышленной
безопасности
Все решения по охране труда и промышленной
безопасности определяются СНиП 12-03-2001, СНиП 12-04-2002, ПБ 10-382-00, ППБ
01-03.
Организация строительной площадки, участков
работ и рабочих мест должна обеспечивать безопасность труда работающих на всех
этапах выполнения строительно-монтажных работ.
Устройство производственных территорий, их
техническая эксплуатация должны соответствовать требованиям строительных норм и
правил, государственных стандартов, санитарных, противопожарных, экологических
и других действующих нормативных документов.
Производственные территории и участки работ в
населенных пунктах или на территории организации во избежание доступа посторонних
лиц должны быть ограждены.
Места прохода людей в пределах опасных зон
должны иметь защитные ограждения. Входы в строящиеся здания (сооружения) должны
быть защищены сверху козырьком шириной не менее 2 м от стены здания. Угол,
образуемый между козырьком и вышерасположенной стеной над входом, должен быть
70-75°.
На производственных территориях, участках работ
и рабочих местах работники должны быть обеспечены питьевой водой, качество
которой должно соответствовать санитарным требованиям.
Скорость движения автотранспорта на строительной
площадке и вблизи мест производства работ не должна превышать 10 км/час на
прямых участках и 5 км/час на поворотах. Запрещается передвижение механизмов в
темное время суток, а также во время технологических перерывов без сопровождения
лица ответственного за безопасное производство работ.
На территории площадки устанавливаются
огнетушители, щиты с противопожарным инвентарем, места для курения. Временные
здания должны быть обеспечены первичными средствами пожаротушения.
Строительные площадки, участки работ и рабочие
места, проезды и подходы к ним в темное время суток должны быть освещены в
соответствии с требованиями государственных стандартов. Освещение закрытых
помещений должно соответствовать требованиям строительных норм и правил.
Освещенность должна быть равномерной, без
слепящего действия осветительных приспособлений на работающих. Производство
работ в неосвещенных местах не допускается.
Материалы (конструкции) следует размещать в
соответствии с требованиями СНиП12-03-2001 ч.1 на выровненных площадках,
принимая меры против самопроизвольного смещения, просадки, осыпания и
раскатывания складируемых материалов.
Производственное оборудование, приспособления и
инструмент, применяемые для организации рабочего места, должны отвечать
требованиям безопасности труда.
Производственные территории, участки работ и
рабочие места, должны быть обеспечены необходимыми средствами коллективной или
индивидуальной защиты работающих, а также средствами связи, сигнализации и
другими техническими средствами обеспечения безопасных условий труда в
соответствии с требованиями действующих нормативных документов.
Обязанности по обеспечению охраны труда на
строительной площадке возлагаются на производителя работ по строительному
объекту, а при выполнении конкретных работ и на рабочих местах - на мастера.
Инструкции по безопасному выполнению работ
должны быть доведены до работника под расписку перед началом производства работ
на объекте, а в дальнейшем периодически с учетом изменения характера и вида
работ.
5.3 Защита окружающей среды
.3.1 Общие положения
С целью снижения отрицательного воздействия
строительного производства на окружающую среду и создания наиболее
благоприятных условий для трудящихся на строительной площадке в проекте
предусматривается выполнение следующих мероприятий:
·
в
летний период времени все автодороги и площадки дорожного типа должны регулярно
поливаться водой;
·
с
целью предохранения почвы от ветровой и водной эрозии, продолжительность
производства земляных работ при разработке котлованов и траншей должна быть
минимальной.
·
с
целью уменьшения шума от производства строительных работ запрещается работа
механизмов вхолостую.
На территории строящихся объектов не допускается
не предусмотренное проектной документацией уничтожение древесно-кустарниковой
растительности и засыпка грунтом стволов растущих деревьев и кустарников.
Растительный слой грунта снимется и сохраняется
для использования при озеленении участка.
.2 Меры защиты зелёных насаждений
В связи с тем, что строительно-монтажные работы
происходят на территории существующего здания, принимаются все необходимые меры
по защите и сохранению зеленых насаждений. Спиливанию подлежат только те
деревья которые будут мешать установке башенного крана. Зелёные насаждения не
подлежащие вырубке или пересадке, обносят общей оградой. Стволы отдельно
стоящих деревьев, попадающих в зону работ, предохраняют от повреждений,
покрывая отходами пиломатериалов. Отдельно стоящие кусты пересаживают. Деревья
и кустарники, пригодные для озеленения, должны быть выкопаны или пересажены в
специально отведённую охранную зону.
Плодородный слой почвы, подлежащий снятию с
застраиваемых площадей, срезают и перемещают в специально отведённые места, где
складируют для последующего использования. При этом плодородный слой следует
предохранять от смешивания с нижележащим слоем, загрязнения, размыва и
выветривания.
.3 Рекультивация земель
Рекультивация - комплекс работ, направленных на
восстановление нарушенных территорий, а также на улучшение условий окружающей
среды.
Нарушение территории при строительном освоении
происходит главным образом при добыче естественных строительных материалов и
строительно-монтажных работах.
Объектами рекультивации являются:
карьерно-отвальные комплексы (карьерные выемки,
отвалы, насыпи, мульды оседания и др.)
земли, нарушенные при строительно-монтажных
работах;
территории полигонов твердых отходов после их
закрытия
свалки строительного мусора (малогабаритные
бетонные плиты, кирпич и др.).
Рекультивация осуществляется последовательно, по
этапам. Различают техническую и биологическую рекультивации, реже выделяют и
третий этап рекультивации - строительный.
Техническая рекультивация - предварительная
подготовка территорий для различных видов использования. В состав работ входят:
планировка поверхности, снятие, транспортировка и нанесение плодородных почв на
рекультивируемые земли, формирование откосов выемок, подготовка участков для
освоения и т.п.
При строительных работах очень важно сохранить
плодородный слой почвы. При необходимости его снимают и складируют в удобных
местах для временного хранения.
Биологическая рекультивация проводится после
технической, с целью создания на на подготовительных участках растительного
покрова. С ее помощью устанавливают продуктивность нарушенных земель, формируют
зеленый ландшафт, закрепляют грунты от водной и ветровой эрозии и т.д.
Рекультивацию нарушенных при строительстве
территорий рекомендуется проводить в кратчайшие сроки, лучше сразу же после
завершения формирования отвалов.
.4 Утилизация отходов строительства
Важнейшим этапом обращения с отходами является
их сбор. При сборе отходы должны разделяться по признакам в зависимости от
дальнейшего использования, способа переработки, утилизации, захоронения.
Переработка отходов - важнейший этап в обеспечении охраны окружающей среды от
загрязнения. Отходы не подлежащие переработке и дальнейшему использованию в
качестве вторичных ресурсов подвергаются захоронению на полигонах.
Радикальное решение проблем защиты от отходов
возможно при широком внедрении малоотходных технологий. Под малоотходной
технологией понимается такая технология, при которой рационально используются
все компоненты сырья и энергии в замкнутом цикле.
Отходы которые в дальнейшем могут быть
использованы в производстве относятся к вторичным материальным ресурсам.
Например макулатура для производства бумаги; стеклянный бой для производства
стекла; металлический бой - металла; зола, пыль, шлаки, битый кирпич,
штукатурка - для производства строительных материалов и конструкций.
При производстве строительных работ возможны
следующие отходы: кирпич, щебень, песок, древесина.
Оставшийся гравий и щебень отправляется на
другой строящийся объект, кирпич на переработку на керамический завод,
древесина вывозится на мебельный комбинат. Оставшийся мусор вывозится в места
непригодные для землепользования.
.5 Меры борьбы с загрязнением почвы и воздуха,
защита от шума
Для снижения шума на пути распространения
используются два принципа: защита расстоянием и установки на пути
распространения сооружений, которые обеспечивают отражение звука. Зелёные
насаждения являются одним из средств защиты от шума. Снижение шума
автотранспорта достигнуто применением комплекса средств, включая установку
эффективных глушителей на выхлопе и всасывании двигателей внутреннего сгорания.
Для защиты от шума предусматриваются
конструктивные мероприятия:
примыкание стёкол к рамам уплотняются
прокладками;
расстояние между стёклами составляет 110 мм, что
обеспечивает защиту от длинных волн.
Кроме того, по окончании реконструкции, с целью
защиты от шума и загрязнения проводится озеленение территории деревьями и
кустарниками, устойчивыми к воздействию шума и загрязнению.
Одной из важнейших задач при разработке
мероприятий по охране окружающей природной среды является защита почвы и
воздуха от вредных воздействий.
В связи с этим на территории строительной
площадки запрещается сжигать отходы и остатки материалов, в частности рулонных
на битумной мастике, изоляционных материалов, красителей и т.п. Замена сухих
процессов на мокрые.
Наряду с этим большое внимание уделяется
вопросам предотвращения загрязнения почвы, а в частности запрещается
захоронение строительного мусора на территории строительной площадки.
Для охраны окружающей среды при производстве
строительных работ предусмотрены мероприятия по борьбе с загазованностью и
шумом на строительной площадке: использование машин и механизмов.
.6 Отвод дождевых и талых вод
Поверхностные воды (ливневые) образуются в
результате выпадения атмосферных осадков. Поверхностные воды подразделяют на
"внешние", поступающие с повышенных соседних участков, и
"внутренние", образующиеся непосредственно на строительной площадке.
Чтобы на территорию площадки не поступали "внешние" поверхностные
воды, их перехватывают и отводят за пределы площадки. Для перехвата вод делают
нагорные канавы или обвалование вдоль границ строительной площадки в повышенной
её части. Для предотвращения быстрого заиливания, продольный уклон водоотводных
канав должен быть не менее 0,003%.
Для отвода "внутренних" поверхностных
вод придают соответствующий уклон при вертикальной планировке площадки и
устраивают сеть открытого водостока.
.7 Оценка уровня загрязнения атмосферного
воздуха отработанными газами автотранспорта на строительной площадке
Загрязнение атмосферного воздуха отработанными
газами автомобилей удобно оценивать по концентрации окиси углерода, в мг/м3.
Исходными данными для работы служат показатели, собранные в результате
составления ведомости потребности в основных машинах в наиболее загруженный
период работы, автомобилей в 1 час.
Концентрацию окиси определяем по формуле 5.1.
(5.1)
где 0,5 - фоновое загрязнение атмосферного
воздуха нетранспортного происхождения- суммарная интенсивность движения
автомобилей на строительной площадке, N=4
Ка - коэффициент учитывающий аэрацию местности,
Ка=0,6
Ку - коэффициент учитывающий изменение
загрязнения атмосферного воздуха окисью углерода в зависимости от величины
продольного уклона, Ку=0,7
Кс - коэффициент учитывающий изменение
концентрации окиси углерода в зависимости от скорости ветра, Кс=1,05
Кв - коэффициент учитывающий изменение
концентрации окиси углерода в зависимости от относительной влажности воздуха,
Кв=0,75
Кn - коэффициент увеличения загрязнения
атмосферного воздуха окисью углерода у пересечений, Кn=1,9
Коэффициент токсичности автомобилей определяется
как средневзвешенный для потока автомобилей по формуле 6.2.
(5.2)
где
-
состав автотранспорта в долях единицы
- тип автомобиля,
тяжелый грузовой
ПДК выбросов автотранспорта по окиси углерода
равна 5 мг/м3. Полученный результат показывает, что уровень выбросов
углекислого газа в атмосферу на территории строительной площадки менее
предельно допустимого.
Заключение
Разработанный дипломный проект на тему:
"Строительство общеобразовательного учреждения в поселке Новый республики
Северная Осетия" отвечает ряду требований - максимально, по возможности,
описаны все этапы проектирования, в разделах, приведены наглядные примеры и
этапы строительства. В графической части - подробные архитектурные чертежи
объекта, рабочие чертежи сборных конструкций, технологическая карта,
календарный план производства работ и строительный генеральный план.
В пояснительной записке были произведены расчеты
и описания.
В архитектурно-строительном разделе было
разработано-запроектировано здание на местности. Произведены теплотехнический и
светотехнический расчеты, подобраны конструкции.
В расчетно-конструктивном разделе произведены
расчеты многопустотной плиты перекрытия, лестничного марша с полуплощадками,
ригеля и колонны.
В разделе технологии строительного производства
подробно разработаны технологические карты на земляные работы и на монтаж
стеновых панелей, где описана организация строительных работ, определены
объемы, трудоемкость, потребность в основных материалах и конструкциях,
подобраны механизмы.
В организационно-экономическом разделе
определена трудоемкость основных строительных работ. Определены основные машины
и механизмы. Определены площади: складов, бытовых помещений. Произведен расчет
потребности в воде и электроэнергии мощность трансформатора. Определена сметная
стоимость строительства, технико-экономическое сравнение вариантов, определены
наиболее экономически целесообразные варианты применяемых материалов,
механизмов, объемно-планировочных решений. Определены технико-экономические
показатели по дипломному проекту.
В разделе безопасность труда описаны необходимые
мероприятия для обеспечения техники безопасности и охраны труда при выполнении
работ.
В разделе охрана окружающей среды, описаны
мероприятия по охране прилегающей к объекту строительства среде, описаны меры
воздействия и предупреждения различного рода загрязнений.
Исходя из вышесказанного, можно сделать
предложение о широкой практике применения данного проекта, строительстве нашего
объекта в других районах, регионах, если позволяют местные условия. При
необходимости проект может быть переработан и дополнен.
Список использованной литературы
1.
ГОСТ Р21.5101-92. "Правила выполнения архитектурно-строительных
чертежей".
.
ГОСТ 21.204-93. "Условные графические обозначения и изображения элементов
генеральных планов и транспорта".
.
ГОСТ Р21.1101-92. "Основные требования к рабочей документации".
.
Пособие к СНиП 2.08.01-89. "Проектирование жилых зданий.
Объемно-планировочные решения".
.
СанПиН 2.2.1/2.1.1.1076-01. "Гигиеничекие требования к инсоляции и
солнцезащите помещений жилых и общественных зданий и территорий".
.
СП 48.13330.2011 "Организация строительства".
.
СНиП 12-03-2001. "Безопасность труда в строительстве. Часть 1. Общие
требования".
.
СНиП 12-04-2002. "Безопасность труда в строительстве. Часть 2.
Строительное производство".
.
СП 20.13330.2011. "Нагрузки и воздействия".
.
СП 22.13330.2011. "Основания зданий и сооружений".
.
СП 29.13330.2011. "Полы".
.
СНиП 2.04.09-84. "Пожарная автоматика зданий и сооружений".
.
СНиП 21-01-97. "Пожарная безопасность зданий и сооружений".
.
СП 131.13330.2012. "Строительная климатология".
.
СП 50.13330.2012. "Тепловая защита зданий".
.
СП 54.13330.2011. "Здания жилые многоквартирные".
.
СП 60.13330.2012. "Отопление, вентиляция и кондиционирование".
.
СП 63.13330.2012. "Бетонные и железобетонные конструкции".
.
СП 15.13330.2012. "Каменные и армокаменные конструкции".
.
СНиП III-18-75. "Правила производства и приемки работ. Металлические
конструкции".
.
СП 23-101-2004. "Проектирование тепловой защиты зданий".
.
СП 23-102-2003. "Естественное освещение жилых и общественных зданий".
.
СП 52-102-2003. "Предварительно напряженные железобетонные
конструкции".
.
И.П. Авилова "Строительные генеральные планы": Учеб. Пособие -
Белгород: Изд-во БелГТАСМ, 2000 г.
.
Ю.В. Алексеев, Ю.Г. Страшнова "Реконструкция пятиэтажек" - Жилищное
строительство, 2002 г.
.
А.И. Бедов, Т.А. Щепетьева "Проектирование каменных и армокаменных
конструкций" - М.: Изд-во АВС, 2003 г.
.
В.М. Васильев, Ю.П. Панибратов, С.Д. Резник, В.А. Хитров "Управление в
строительстве" - М.: Издательство "АСВ", 2001 г.
.
В.А. Веселов "Проектирование оснований и фундаментов" - М.: Стройиздат,
1990 г.
.
В.Л. Вольфсон "Реконструкция и капитальный ремонт жилых и общественных
зданий" - М.: Стройиздат, 2003 г.
.
О.М. Донченко, Г.А. Смоляго, В.И. Дронов, Н.И. Литовкин "Несущие
конструкции многоэтажного каркасного здания" - Белгород: 1988 г.
.
О.М. Донченко, В.И. Дронов, А.Е. Наумов "Проектирование железобетонных
конструкций многоэтажного здания" - Белгород: 2003 г.
.
А.И. Еремкин, Т.И. Королева "Тепловой режим зданий" - М.:
Издательство АСВ, 2000 г.
.
А.А. Калинин "Обследование, расчет и усиление зданий и сооружений" -
М.: Издательство "АСВ", 2002 г.
.
Д.В. Коротеев "Справочник мастера-строителя" - М.: Стройиздат, 1986
г.
.
В.Л. Курбатов, Н.Д. Комарова "Проектирование строительства и реконструкции
зданий и сооружений" - Белгород: БГТУ им. В.Г. Шухова, 2003 г.
.
Ю.П. Левин "Совершенствование систем теплогазоснабжения и вентиляции"
- Жилищное строительство, 2003 г.
.
Е.Ф. Лысенко, И.А. Русинова "Железобетонные конструкции" - М.: Киев,
1975 г.
.
"Охрана труда" - М.: Издательство "Приор", 1999 г.
.
М.В. Панасюк "Кровельные материалы". Практическое руководство -
Ростов н/Д.: Феникс, 2005 г.
.
В.В. Путилин "Основы строительного дела" - М.: 1990 г.
.
В.К. Соколов "Реконструкция жилых зданий" - М.: Стройиздат, 1986 г.
.
В.П. Станевский, В.Г. Моисеенко, Н.П. Колеснюк "Строительные краны".
Справочник - Киев: 1989 г.
.
И.Г. Староверова "Справочник проектировщика. Внутреннее
санитарно-техническое устройство: В 3 ч. Отопление, водопровод,
канализация" - М.: Стройиздат, 1991 г.
.
И.С. Степанова. "Экономика строительства" - М.: Юрайт-Издат, 2002 г.
.
В.Н. Строкинов "Организация и технология ремонта зданий и сооружений"
- М.: АСВ, 2003 г.
.
А.Г. Требулева "Методические указания по разработке сетевых графиков
строительства в курсовых и дипломных проектах" - Белгород.: 1984 г.
.
А.К. Фролов, А.И. Бедов, В.Н. Шпанова, А.Ю. Родина, Т.В. Фролова
"Проектирование железобетонных, каменных и армокаменных конструкций"
- М.: Издат-во АСВ, 2001.
.
Т.Н. Цай, Л.Н. Лаврицкий и др. "Организация, экономика и управление
строительством" - М.: Стройиздат, 2003 г.