Проектирование фундамента под 9-этажное 36-квартирное здание в городе Белгороде

  • Вид работы:
    Курсовая работа (т)
  • Предмет:
    Строительство
  • Язык:
    Русский
    ,
    Формат файла:
    MS Word
    64,58 Кб
  • Опубликовано:
    2016-02-16
Вы можете узнать стоимость помощи в написании студенческой работы.
Помощь в написании работы, которую точно примут!

Проектирование фундамента под 9-этажное 36-квартирное здание в городе Белгороде















Курсовая работа

по дисциплине " Основания и фундаменты"

Тема: Проектирование фундамента под 9-этажное 36-квартирное здание в городе Белгороде

Содержание

Введение

.        Анализ исходных данных по надфундаментной конструкции

.        Анализ инженерно-геологических и гидрогеологических условий площадки строительства

.        Расчет размеров фундамента мелкого заложения

.1 Определение глубины заложения фундаментов

.2 Определение размеров подошвы фундамента

.        Проектирование и конструирование фундамента мелкого заложения

.        Проверка давления на подстилающий слой слабого грунта

.        Расчет осадок фундамента мелкого заложения

.        Определение несущей способности одиночной сваи

.        Проектирование и конструирование свайного фундамента

.        Расчет осадок свайного фундамента

.        Сравнение вариантов фундаментов

Заключение

Библиографический список

Введение

Любое здание или сооружение строится на грунтовом основании, возводится из грунта как строительного материала или располагающегося в толще грунта. Его прочность, устойчивость и нормальная эксплуатация определяются не только конструктивными особенностями сооружения, но и свойствами грунта, условиями взаимодействия сооружения и основания.

Фундамент - это часть конструкции или сооружения, через которую нагрузки от сооружения передаются на грунты основания. Стоимость возведения фундамента составляет 12% от общей стоимости возводимого здания, а при наличии сложных геологических условий эта цифра увеличивается.

В данной курсовой работе необходимо запроектировать фундаменты мелкого заложения и свайный, под 9-этажную 54-квартирную блок-секцию. Произвести анализ инженерно-геологических условий, определить глубину заложения фундамента, его размеры, рассчитать осадки для каждого вида фундамента, сравнить и выбрать наиболее выгодный.

1.      Анализ исходных данных по надфундаментной конструкции

Здание представляет собой 9-этажное дом, имеет в плане прямоугольную форму, размеры в осях 16,92м х 32,20м; имеет подвальное помещение, его высота - 3,4 м. высота этаж - 2,8м. высота здания 28,52м. количество квартир на этаже - 6.

Стены выполнены из блока. Толщина наружных стен составляет 580мм. Внутренние продольные и поперечные стены - толщиной 380 мм также выполняются из блоков. Стены подполья выполнены из сборных бетонных блоков. Перекрытия выполнены из многопустотных железобетонных панелей. Лестницы - сборные железобетонные марши, площадки ступени. Покрытие «тёплое» с проходным чердаком, выполнено из двухслойных теплых кровельных панелей толщиной 300 мм.

Усилие на верхних обрезах фундаментов (основное сочетание нагрузок)

I сочетание

II сочетание

Fv,II, кН

Mx,II, кНм

Fh,II, кН

Fv,II, кН

Mx,II, кНм

Fh,II, кН

312

16

10

320

14

9


2. Анализ инженерно-геологических и гидрогеологических условий площадки строительства

ИГЭ 1;2 - культурный слой; чернозем с песком. Нельзя использовать в качестве несущего слоя.

ИГЭ 3 - Песок средней крупности, маловлажный, средней плотности.

R0=400 кПа- надежный, подходит для использования в качестве несущего слоя;

φ=35°; с=1 кПа; е=0,68 - повышенная пористость приведет к повешению деформативности и снижению прочности.

ИГЭ 4 - Суглинок туго-пластичный, влажный.

E0=11 МПа >0,8 МПа - можно использовать для основания здания;

R0=195 кПа >100 кПа - надежный, подходит для использования в качестве несущего слоя; φ=19°; с=18 кПа. е=0,83.

ИГЭ 5 - Песок крупный, маловлажный, средней плотности.

R0=500 кПа- надежный, подходит для использования в качестве несущего слоя;

φ=38°; с=0 кПа; е=0,74 - повышенная пористость приведет к повешению деформативности и снижению прочности.

ИГЭ 6 - Суглинок мягко-пластичный, влажный.

E0=8 МПа >0,8 МПа - можно использовать для основания здания;

R0=175 кПа >100 кПа - надежный, подходит для использования в качестве несущего слоя; φ=16°; с=16 кПа. е=0,83.

ИГЭ 7 - Песок крупный, влажный, средней плотности.

R0=500 кПа- надежный, подходит для использования в качестве несущего слоя;

φ=38°; с=0 кПа; е=0,90 - повышенная пористость приведет к повешению деформативности и снижению прочности.

3. Расчет размеров фундамента мелкого заложения

.1 Определение глубины заложения фундаментов

Глубина заложения фундамента (d) определяется, исходя из условий, определённых СНиП 2.02.01-83.

.        По назначению и конструктивным особенностям здания:

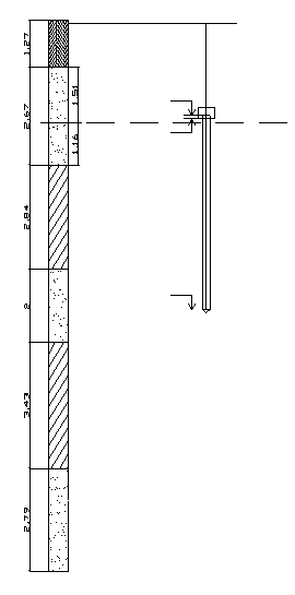
Так как здание имеет подвал, то необходимо определить глубину заложения фундаментов по назначению и конструктивным особенностям проектного сооружения. Для определения глубины заложения выполняем рис. 1.

Рис. 1 Определение глубины заложения фундамента с учетом конструктивных особенностей здания

фундамент свайный мелкий заложение

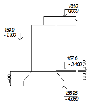
d=159,9-156,95=2,95 м

.        По инженерно-геологическим условиям строительной площадки:

)        культурный слой и насыпной грунт - не пригодны в соответствии со СНиП 2.02.01-83;

2)      Песок средней крупности, маловлажный, средней плотности =35º; с=1 кПа; Е=30 МПа, R=400 кПа

d=159,9-156,1=3,8 м

3.      По рельефу застраиваемой территории: ограничений нет

. По глубине заложения примыкающих зданий и сооружений: ограничений нет.

. По глубине сезонного промерзания грунтов:

Расчётная глубина сезонного промерзания грунтов:


где df,n-нормативная глубина промерзания, df,n=1,2;

kn-для наружных и внутренних фундаментов отапливаемых жилых помещений kn=1,1.

Абсолютная отметка заложения: 159,9-1,32=158,58

. По гидрогеологическим условиям строительной площадки

Фундаменты мелкого заложения попадают в уровень грунтовых вод (УГВ 157,2), ограничений к застройки нет, но следует предусмотреть мероприятия по гидроизоляции.

Сравниваем полученные отметки FL по всем условиям:

1. условие - 156,95 м.

. условие -3,8 м

. ограничений нет

. условие - ограничений нет

. условие - 158,58 м.

. условие - ограничений нет

В качестве расчётной принимаем минимальную отметку FL=156,95 м;

Тогда глубина заложения d=DL-FL=159,9-156,95=2,95 м;

Отметку подошвы ростверка назначаем по этим же условиям.

.2 Определение размеров подошвы фундамента

Определяем графическим методом:

 

так как фундамент сплошной ленточный, то A= ; γm=20кПа/м, d=2,95м.

Найдём P при:


, где

γс1, γс2-коэффициенты условий работы грунта, γс1=1,4; γс2=1,4;

Mγ, Mq, Mc- коэффициенты, зависящие от прочностных характеристик грунта,

Mγ=1,68, Mq=7,71, Mс=9,58;

Kz-коэффициент, зависящий от размеров фундамента, Kz=1;

b-ширина фундамента;

при b=2 м

при b=4м

γIII- осреднённый удельный вес грунта, залегающего выше подошвы фундамента,

;

cII-удельное сцепление грунта основания, cII=1кПа.

4.      Строим график и определяем точку пересечения функций f(b,P) и f(b,R). См. граф.1.


Точка пересечения графиков дает равенство R=P, опустив перпендикуляр на ось b получаем значение b-оптимальное

b=0,29м

Окончательно принимаем b=1м

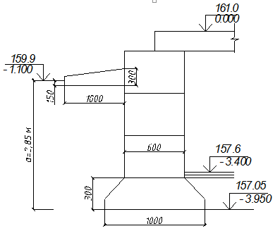
4. Проектирование и конструирование фундамента мелкого заложения

Так как мы проектируем сборный железобетонный ленточный фундамент, то будем применять типовые элементы: фундаментные плиты (ФЛ) и фундаментные стеновые блоки (ФБС).

Таблица 1

ФЛ

ФБС

ФЛ 10.24-1, 10.12-1,  (h=300мм)

ФБС 24-6-6, 12-6-6, 9-6-6,  ФБС 24-6-5, 12-6-5, 9-6-5, ФБС 24-4-5, 12-4-5, 9-4-5,   (h=580мм;480мм)


Рис. Схема фундамента мелкого заложения

Проверка прочности:


;

,64≤1599,05

Условие выполняется, следовательно, размеры фундамента подобраны, верно.

Проверка на плоский сдвиг.

Для проверки устойчивости фундамента на плоский сдвиг составляем расчетную схему указанием всех воздействий и определяем сумму сдвигающих и удерживающих сил.


;

где - активное давление


где φ - коэффициент трения грунта о бетон

с- удельное сцепление грунта




Следовательно, фундамент устойчив на плоский сдвиг.

5. Проверка давления на подстилающий слой слабого грунта

Так как слой грунта, находящийся ниже слоя выбранного под фундамент, является слабым необходимо провести проверку давления на этот слой.


α - принимаемый из табл. 1 СНиП, в зависимости от подошвы фундамента.


Mγ=0,47, Mq=2,89, Mс=5,48 , γс1=1,2; γс2=1,1, kz=1,1

6. Расчет осадок фундамента мелкого заложения

Расчет производим методом послойного суммирования.

Определяем напряжения от собственного веса грунта и строим эпюры


где γ - удельный вес грунтов, кН/м³;

h - мощность слоя грунта, м.

Производим расчёт осадок:

Расчетная схема.

Расчёт сводим в табл.2.

Таблица 2 ТАБЛИЦА РАСЧЕТА ОСАДКИ ФУНДАМЕНТА МЕЛКОГО ЗАЛОЖЕНИЯ МЕТОДОМ ПОСЛОЙНОГО СУММИРОВАНИЯ

№ точки

z, м

α№ слоя кПаh, мЕi. кПа








1

0,00

0,00

1,00







2

0,4

0,8

0,876

1

320,02

0,4

0,74

30000

0,00315748

3

0,8

1,6

0,612

2

253,83

0,4

30000

0,00250446

4

1,27

2,54

0,395

3

171,78

0,47

0,74

30000

0,0019915

5

1,87

3,74

0,237

4

107,81

0,6

0,62

11000

0,00364594

6

2,47

4,94

0,154

5

66,70

0,6

0,62

11000

0,00225567

7

3,07

6,14

0,106

6

44,35

0,6

0,62

11000

0,00149984

8

3,67

7,34

0,077

7

31,22

0,6

0,62

11000

0,00105563

9

3,91

7,82

0,069

8

24,91

0,24

0,62

11000

0,0003369

9

4,11

8,22

0,063












Суммарная осадка

0,01644742


S=0,01645м=1,645см

7. Определение несущей способности одиночной сваи

Ø  высота (длина)-6м;

Ø  размеры 300х300 мм.

Определяем её несущую способность:


γс-коэффициент условий работы материала сваи, γс=1;

γсr-коэффициент условий работы грунта на боковой поверхности, γсr=1;

R-расчётное сопротивление грунта основания, R=7150кПа;

A-площадь поперечного сечения сваи, A=0,09м2;

U-периметр сваи, U=1,2м;

γcf-коэффициент условий работы грунта под нижним концом сваи, γcf=1,0;

fi-расчётное сопротивление i-го слоя грунта, соприкасающегося с боковой поверхностью,

hi-толщина i-го слоя грунта,

h1=1,56 м, z1=2,7; f1= 46,2кПа

h2=1,0м, z2=3,7; f2= 26,4кПа

h3=1,84 м, z3=5,54; f3= 30,08кПа

h4=1,35м, z4=6,89; f4= 59,78кПа

где γк-коэффициент надёжности, γк=1,4.

Рис. 5 Схема к определению несущей способности одиночно стоящей сваи

8. Проектирование и конструирование свайного фундамента

Определяем число свай, необходимое для фундамента и расстояние между ними:


Принимаем а=1,8м

Ширину ростверка принимаем bp=0,7м

9. Расчет осадок свайного фундамента

Определим размеры условного фундамента АБВГ. Определим усредненное значение угла внутреннего трения :


Определим величину с:


byсл- эквивалентная ширина фундамента;

φср- осреднённое значение угла внутреннего трения.

Определим фактическое давление под подошвой условного фундамента:




γс1, γс2-коэффициенты условий работы грунта, γс1=1,4; γс2=1,4;

Mγ, Mq, Mc- коэффициенты, зависящие от прочностных характеристик грунта,

Mγ=2,11, Mq=9,44, Mс=10,8;

Kz-коэффициент, зависящий от размеров фундамента, Kz=1,1;

b-ширина фундамента;

γII-осреднённый удельный вес грунта, залегающего ниже подошвы фундамента, γII= кН/м3;

γIII- осреднённый удельный вес грунта, залегающего выше подошвы фундамента, γIII=17,73кН/м3;

d-приведённая глубина заложения фундамента; db=2,3

cII-удельное сцепление грунта основания, cII=1Па.

 

Условие выполнено, проводим расчет осадок методом послойного суммирования

Определим

Расчёт сводим в табл.3.

Таблица

№ точки

z, м

α№ слоя кПаH, мЕi. кПа








1

0,00

0,00

1,00







2

0,40

0,53

0,934

1

205,71

0,40

0,74

30000

0,00202967

3

1,17

0,810

2

185,50

0,51

0,74

30000

0,00233359

4

1,51

1,94

0,448

3

133,81

0,60

0,62

8000

0,00622193

5

2,11

2,71

0,289

4

78,39

0,60

0,62

8000

0,00364514

6

2,71

3,47

0,197

5

51,70

0,60

0,62

8000

0,00240382

7

2,84

3,64

0,183

6

40,38

0,13

0,62

8000

0,00040678

7

3,31

4,24

0,141







8

3,91

5,01

0,105







9

4,34

5,56

0,087












Суммарная осадка:

0,01704093


S=0,01704=1,704см

Расчетная схема

10. Сравнение вариантов фундаментов

Вычисляем технические показатели для каждого из фундаментов.

Таблица 4 Технические показатели на 1 фундамент, 1м2

Показатель

Для фундаментов

свайных, Ф2

Общий объём бетона, м³

2,28

2,73

Масса арматуры, кг

68,4

95,55


Исходя из технических показателей для проектирования выбираем фундамент мелкого заложения (Ф1).

Заключение

В ходе курсовой работы было выполнено проектирование двух видов фундаментов: свайного и мелкого заложения. Проектирование производилось на основе анализа надфундаментной конструкции и инженерно-геологических слоев площадки строительства. Для каждого из фундаментов был выбран несущий слой

мелкого заложения - песок - средней крупности,

свайного - песок - крупный.

Было выполнено конструирование фундаментов, произведен расчет осадок. Произведено сравнение фундаментов по техническим показателям, в результате чего был выбран фундамент мелкого заложения.

Из-за высокого уровня грунтовых вод, следует предусмотреть мероприятия по гидроизоляции фундамента, возможно устройство дренажа.

Библиографический список

1.      Механика грунтов. Основания и фундаменты/Ухов С.Б., Семёнов В.В., Знаменский В.В. и др.-М.:АСВ,2014.-524с.

.        Далматов Б.И. Механика грунтов, основания и фундаменты.-Л.:Стройиздат,2010.-415с.

.        СНиП 2.02.01.-83. Основания зданий и сооружений/Госстрой.-М.:Стройиздат.-40с.

.        СНиП 2.02.03.-85. Свайные фундаменты/Госстрой.-М.:Стройиздат.-48с.

Похожие работы на - Проектирование фундамента под 9-этажное 36-квартирное здание в городе Белгороде

 

Не нашли материал для своей работы?
Поможем написать уникальную работу
Без плагиата!
Без нейросетей!