Проектирование здания торгово-офисного центра в юго-западной части города Липецка по ул. Московской, 12
Аннотация
В пояснительной записке
приведен расчет:
. Теплотехнический
. Статический расчет рамы
. Сборной ж/б колонны по оси Б
. Отдельно стоящего фундамента
по колонну
. Параметров стройгенплана и
сетевого графика
. Расчет и обоснование границ
опасной зоны и оценка устойчивости башенного крана
. Локальный сметный расчет
Графическая часть содержит:
Перспектива
Генплан. Разрез 1-1. Сравнение
вариантов
Фасад в осях 1-6, А-Д
Фасад в осях 6-1, Д-А
План на отм. -4.100, 0.000
План на отм. +4.200, +7.500
План на отм. +10.940, +14.100
План на отм. +17.400. План
кровли
Схема расположения элементов
фундаментов
Схемы расположения перекрытия
на отм. +0.270, +3.930,+7.230, +10.530, +13.830, +17.130, +20.430
Колонна К4
Схемы расположения колонн и
ригелей на отм. -0.500, +3.700, +7.000, +10.300, +13.600, +16.900, +20.200
Стройгенплан
Сетевой график
Всего в листах формата А1 - 14
Содержание
Введение
.
Технологические решения
.1
Краткая характеристика и обоснование технологии производства
.2
Фонд времени работы оборудования и работающих
.3
Состав предприятия, площади
.4
Штаты работающих
.5
Организация производства
.6
Механизация и автоматизация производственных процессов
.7
Контроль качества продукции
.8
Охрана труда и техника безопасности
.9
Мощность производства
.
Генеральный план
.1
Краткая характеристика площадки строительства
.2
Решения и основные показатели по генеральному плану
.3
Благоустройство и озеленения
.4
Технико-экономические показатели по генеральному плану
.
Архитектурно-строительные решения
.1
Объемно-планировочные решения
.2
Конструктивные решения
.2.1
Фундаменты
.2.2
Конструкция каркаса
.2.3
Стены и перегородки
.2.4
Перекрытия
.2.5
Лестницы
.2.6
Лифты
.2.7
Кровля
.2.8
Элементы заполнения проемов
.2.9
Полы
.3
Теплотехнический расчет
.4
Звукоизоляция и акустика
.
Инженерное оборудование
.1
Решение по водопроводу и канализации
.1.1
Водоснабжение
.1.2
Канализация
.1.3
Дождевая канализация
.2
Решения по отоплению и вентиляции
.2.1
Отопление
.2.2
Вентиляция
.2.3
Основные показатели
.3
Решения по электрооборудованию, электроосвещению, связи
.3.1
Общие сведения
.3.2
Внешнее электроснабжение
.3.3
Электрическое освещение
.3.4
Силовое электрооборудование
.3.5
Учет электроэнергии
.3.6
Системы связи
.
Вариантное проектирование
.
Расчетно-конструктивный раздел
.1
Статический расчет рамы
.1.1
Определение эксплуатационных нагрузок на раму
.2
Расчет сборной железобетонной колонны по оси Б
.3
Расчет и конструирование отдельно стоящего фундамента под колонну
.3.1
Исходные данные для проектирования
.3.2
Определение размеров подошвы фундамента в плане
.3.3
Расчет на продавливание
.3.4
Определение рабочей арматуры в уровне подошвы фундамента
.
Организация строительства
.1
Введение
.2
Характеристика условий строительства и конструктивные особенности
проектируемого объекта
.3
Нормативная продолжительность строительства
.4
Геодезическое обеспечение строительства
.5
Противопожарные мероприятия
.6
Охрана окружающей среды
.7
Методы производства строительно-монтажных работ
.8
Особенности производства строительно монтажных работ в зимнее время
.9
Обеспечение строительства машинами, механизмами и транспортными средствами
.10
Карточка-определитель сетевого графика
.11
Расчет численности персонала
.12
Определение состава площадей временных сооружений
.13
Обеспечение строительства энергоресурсами, водой
.14
Стройгенплан
.15
Технико-экономические показатели
.
Безопасность труда в строительстве
8.1
Анализ условий труда, определение опасных и вредных производственных факторов
8.2
Обоснование границ опасной зоны и оценка устойчивости башенного крана
8.3
Противопожарные мероприятия, сигнализация
8.4
Эвакуация людей и доступ пожарных
Библиографический
список
Введение
Проектируемое здание торгово-офисного центра
расположено в юго-западной части города Липецка по ул. Московской, 12, на
территории Универсальной базы.
Торгово-офисный центр представляет собой 6-ти
этажное прямоугольное здание с цокольным этажом.
Отметка пола цокольного этажа -4.100 , отметка
верха здания +24.500. Размеры здания в плане 24x27,4 м. Высота цокольного и
первого этажей - 4,2 м; второго - шестого этажей - 3,3 м.
Цокольный этаж представляет собой первый ярус
магазина, на нем расположены: первый торговый зал, склад, вытяжная и приточная
венткамеры, комната кладовщика, подсобные помещения.
Первый этаж - второй ярус магазина - содержит
второй торговый зал, склад, кабинет, комнату персонала, комнату для пожарных,
электрощитовую.
Второй этаж здания занимает первый ярус кафе. Он
состоит из гардероба, помещения для посетителей, банкетный зал, служебные
помещения.
Третий этаж - второй ярус кафе - содержит
помещение для посетителей, бар, эстраду, помещения для музыкантов,
административные и служебные помещения.
На четвертом, пятом и шестом этаже размещены
офисные помещения. В центральной части шестого этажа расположен конференц-зал.
Все этажи здания, включая цокольный, снабжены
санузлами и сообщаются между собой лестницами и лифтами.
Конструктивная схема здания выполнена в виде ж/б
каркаса. Основу каркаса здания составляет четырех пролетная рама с шагом 6 м.
Фундаменты под колонны ж/б, монолитные столбчатого типа; под наружные стены -
ленточные, сборные. Наружные стены выполнены из силикатного кирпича толщиной
380 мм, утепленного плитами URSA б=80 мм. Лестничные марши приняты сборными
железобетонными. В здании ТОЦ предусмотрены 2 лифта: грузовой малый (Q=250 кг)
и пассажирский (Q=400 кг).
Кровля здания совмещенная, плоская. Сбор воды с
кровли осуществляется системой внутренних водостоков с выбросом воды на
отмостку.
Здание отапливаемое.
Основанием для разработки данного дипломного
проекта является комплект чертежей 010505-АР, выполненный ООО ПТИ
"Липецкагропромтехпроект".
Место строительства - г. Липецк.
Район строительства - IIВ.
Уровень ответственности - II.
Степень огнестойкости - I.
Класс конструктивной пожарной опасности - СО.
Расчетная снеговая нагрузка - 180 кг/м2.
Нормативный скоростной напор ветра - 30 кг/м2.
За относительную отметку 0.000 принят уровень
чистого пола 1 этажа, что соответствует абсолютной отметке на местности 169,35
м.
1. Технологические решения
.1 Краткая характеристика и обоснование
технологии производства
В цокольном и на первом этаже расположен
магазин. Сообщение между этажами происходит по центральной лестнице,
находящейся в торговом зале.
В цокольном этаже на отм. -4.100 расположен
торговый зал, склад товаров, санузел и ряд вспомогательных помещений. Товар
сначала поступает на первый этаж, затем часть товара поступает на склад первого
этажа, а другая часть на склад цокольного этажа, а затем по мере необходимости
в торговые залы магазина. Для подачи необходимых товаров на первый этаж
используется подъемный стол ножничного типа модель TN 3500 АМ,
грузоподъемностью 0,5 т. Склады оборудованы поддонами и стеллажами
индивидуального изготовления для хранения товаров.
На первом этаже находятся торговый зал, склад,
санузел и ряд вспомогательных помещений. Торговые залы оборудованы витринами и
стеллажами.
На втором и третьем этажах находятся кафе на 120
посадочных мест, предназначенное для снабжения горячим питанием посетителей
торгово-офисного центра и населения микрорайона. Технологией предусмотрен
полный цикл приготовления блюд.
На первом уровне кафе (отм. +4.200) расположены
производственные помещения с загрузочной, зал для посетителей с раздаточной и
банкетный зал.
На втором уровне кафе (отм. +7.500) находятся
служебные, бытовые помещения персонала, а также помещение для посетителей с
эстрадой и бар.
Доставка сырья для приготовления продукции
осуществляется малым грузовым лифтом модель ПГ-0225М грузоподъемностью 0,25 т.
Производственные помещения кафе оборудованы
современным отечественным и зарубежным модулированным оборудованием
индустриального изготовления.
Технологический поток запроектирован согласно
требования СП 2.3.6 1079-01.
Рис. 2.1. Функциональная схема кафе 1-й уровень
Рис. 2.2. Функциональная схема
кафе 2-й уровень
.2 Фонд времени работы оборудования и работающих
Магазин
Количество рабочих дней - 306.
Количество смен в сутки - 1.
Продолжительность смены - 12.
Годовой фонд времени работающих, час - 3672.
Кафе
Количество рабочих дней - 306.
Количество смен в сутки - 2.
Продолжительность смены - 8.
Годовой фонд времени работающих, час - 2256.
Годовой фонд времени работы оборудования, час -
4896.
.3 Состав предприятия, площади
Цокольный этаж: торговый зал - 260,9 м2;
склад - 37 м2;
Первый этаж: торговый зал - 253,7 м2;
склад - 57,2 м2;
Кафе: 1-й уровень - 248,8 м2;
-й уровень - 240,3 м2;
.4 Штаты работающих
Магазин
Расчетное количество работающих - 50.
Профессионально-квалификационный состав:
директор магазина - 1 чел;
продавец - 25 чел;
зав. складом - 1 чел;
кладовщик - 6 чел;
грузчик- 12 чел;
МОП - 5 чел.
Кафе
Расчетное количество работающих
- 52.
Профессионально-квалификационный
состав:
директор магазина - 1 чел;
зав. производством - 1 чел;
диетолог - 1 чел;
основные рабочие - 27 чел;
вспомогательные рабочие - 8
чел;
служащие - 10 чел;
МОП - 4 чел.
.5 Организация производства
Магазин
Организация производства
заключается в последовательном продвижении товаров с торговой базы на склад, а
затем в магазин (торговый зал) на реализацию.
Кафе
В основу организации
производства положен принцип работы на сырьевой основе с полным технологическим
циклом обработки сырья и приготовления продукции.
Загрузка сырья поступающего от
производителя осуществляется малым грузовым лифтом.
Подготовка продукции ведется в
цехах - овощном, мясорыбном, мучном, холодном, горячем.
Реализация готовых продуктов
питания производится посредством линии раздачи, барменов, официантов.
.6 Механизация и автоматизация
производственных процессов
Магазин
Основным средством механизации
является подъемник ножничного типа грузоподъемностью 0,5 т осуществляющий
погрузочно-разгрузочные работы.
Кафе
Кафе оснащено
высокопроизводительным полуавтоматическим отечественным и импортным
оборудованием (овощерезка, мясорубка, хлеборезка с электрическим приводом,
машина моечная, тестомес спиральный, тестораскаточная машина).
Погрузочно-разгрузочные работы осуществляются при помощи лифта грузового,
грузоподъемностью 0,25 т.
.7 Контроль качества продукции
Контроль качества продукции
осуществляется только в кафе, в соответствии с требованиями СП 2.3.6.1079-01
"Санитарно-эпидемиологические требования к организациям общественного
питания, изготовлению и оборотоспособности в них пищевых продуктов и
продовольственного сырья".
.8 Охрана труда и техника
безопасности
Магазин
При работе в магазине и на
складе должны соблюдаться правила по технике безопасности.
Раскладка товаров на стеллаже,
поддоны, витрины должны удовлетворять следующим требованиям:
- доступность для обзора
покупателями и невозможность падения с полок и травмирования покупателей и
обслуживающего персонала;
стеллажи должны быть надежно
собраны, закреплены, устойчивы. Персонал, обслуживающий подъемный стол, должен
следить за исправностью его механизма и не допускать перегрузок при его работе.
Кафе
Технологическое, холодильное и
другое оборудование кафе должно находиться в исправном состоянии, использование
его необходимо вести строго в соответствии с инструкциями по эксплуатации во избежание
нештатных ситуаций, способных привести к травматизму обслуживающего персонала.
Проектом предусмотрена защита
от поражения электрическим током путем зануления и заземления всего
электрооборудования. Соблюдение и выполнение постановлений и предписаний
органов и учреждений госсанэпидслужбы позволит поддерживать необходимое
санитарное состояние кафе и создать нормальные условия для работы сотрудников
кафе.
.9 Мощность производства
|
Наименование
производства
|
Мощность
|
|
Склад
(на отм. -4.100), торговый зал (на отм.-4.100)
|
37
м2 260,9 м2
|
|
Склад
(на отм. 0.000), торговый зал (на отм. 0.000)
|
57,2
м2 253,7 м2
|
|
Кафе
(площадь), количество посадочных мест
|
489,1
м2 120
|
2. Генеральный план
.1 Краткая характеристика
площадки строительства
Проектируемое здание торгово-офисного
центра расположено в юго-западной части г. Липецка по ул. Московская, на
территории Универсальной базы.
Площадь участка составляет 1965
м2.
Район работ характеризуется
умеренно-континентальным климатом и относится по СНиП 23-01-99 к IIВ климатическому
району.
Среднегодовая температура
воздуха - минус 5,10С.
Среднегодовая скорость ветра -
4,1 м/сек.
Преобладающее направление ветра
в зимние месяцы - юго-западное; в летнее - северо-западное.
Рельеф площадки ровный,
искусственно-спланированный. Абсолютные отметки дневной поверхности по
скважинам изменяются от 168,4 до 169,1 м.
Подземные воды на площадке до
глубины 10,0 м в скважинах не встречены. На площадке возможно формирование
верховодки на глубине 2,5-3,0 м от дневной поверхности, абсолютная отметка
165,9-166,1 м. Верховодка связана с общим развитием техногенного подтопления
застраиваемой территории (утечки из систем тепловодоснабжения, канализации), а
также инфильтрацией поверхностных ливневых и талых вод.
Нормативная глубина промерзания
грунтов - 1,4 м.
.2 Решения и основные
показатели по генеральному плану
Генеральный план решен с учетом
противопожарных и др. действующих норм и правил.
Общая площадь участка
составляет - 1965 м2
в том числе:
площадь застройки - 760 м2
площадь участков с покрытием -
1145 м2
площадь озеленения - 60 м2
.3 Благоустройство и озеленение
Планом благоустройства
предусмотрены:
проезды и площадки с
асфальтобетонным покрытием площадью 700 м2 и дорожными бордюрами;
кратковременная парковка
автомобилей площадью 315 м2;
устройство пешеходного тротуара
с покрытием из тротуарной плитки площадью 135 м2;
устройство цветника у фасада
здания общей площадью 60 м2;
устройство клумб у входов - 3
шт;
установка урн для мусора - 2
шт.
.4 Технико-экономические
показатели по генеральному плану
. Площадь участка - 1965 м2;
. Площадь застройки - 760 м2;
. Площадь участков с покрытием
- 1145 м2;
. 39% застройки;
. 58% участков с покрытием.
. 3% озеленения.
3. Архитектурно-строительные
решения
.1 Объемно-планировочные
решения
Объемно-планировочные решения
торгово-офисного центра разработаны исходя из функциональных особенностей
размещаемых этажей.
Здание 6-ти этажное с цокольным
этажом.
В цокольном этаже (на отм.
-4.100) расположен первый ярус магазина. Здесь расположен торговый зал, в
который посетители могут спуститься с первого этажа по центральной лестнице;
склад, в который на подъемнике с первого этажа поступает часть товара; санузел,
вытяжная и приточная венткамеры, комната кладовщика, подсобные помещения. Для
естественного освещения цокольного этажа устраиваются световые приямки.
Предусмотрен вход в подвал, а также два эвакуационных выхода.
На первом этаже (на отм. 0.000
расположен второй ярус магазина. Здесь расположен второй торговый зал, склад
товаров, кабинет, комната персонала, комната для пожарных, электрощитовая,
санузел. Помимо центральных входов предусмотрен служебный вход и эвакуационный
выход.
Второй этаж здания (на отм.
+4.200) занимает первый ярус кафе. Посетители поднимаются на второй этаж по
главной лестнице или на лифте. Рядом с входом в зал расположен гардероб для
посетителей. Из помещения для посетителей есть выходы на балкон, а также по
внутренним лестницам можно попасть на второй ярус кафе (на отм. +7.500). Для
закрытых мероприятий предусмотрен банкетный зал. Также на втором этаже
расположены служебные помещения для полного цикла приготовления блюд.
Третий этаж (на отм. +7.500)
занимает второй ярус кафе. Центральную часть яруса занимает помещение для
посетителей, в которое можно попасть по главной лестнице или на лифте, а также
по внутренним лестницам со второго этажа. В правой части помещения для
посетителей находятся : бар, эстрада, помещение для музыкантов. Также на
третьем этаже находятся административные, служебные помещения и санузлы.
Продукты в кафе поступают на малом грузовом лифте. Для служащих кафе
предусмотрен отдельный вход по служебной лестнице.
На четвертом, пятом и шестом
этаже размещены офисные помещения. На эти этажи можно попасть, как по отдельной
лестнице , так и по общей лестнице или на лифте. В центральной части шестого
этажа расположен конференц-зал.
Кровля здания совмещенная,
плоская из наплавляемых рулонных материалов. В центральной части кровли
расположен квадратный в плане световой фонарь. Водоотвод атмосферных вод с
кровли здания - внутренний. С одной из лестниц предусмотрен выход на кровлю.
Для монтажа оборудования лифтовой шахты, а также управления лифтом на отм.
+24.000 расположено машинное отделение.
В плане здание имеет размеры
27,4x24 м. Конструктивная схема здания выполнена в виде ж/б каркаса с
самонесущими наружными стенами. Сетка колонн 6.0м х 6.0м. Высота цокольного и
первого этажа - 4,2 м, второго, третьего, четвертого, пятого и шестого - 3,3 м.
Таблица 4.1.1.
Объемно-планировочные показатели
|
Наименование
|
Количество
|
Всего
|
|
Площадь
застройки, м2
|
900
|
900
|
|
Общая
площадь, м2 цокольный этаж 1 этаж 2 этаж 3 этаж 4 этаж 5 этаж 6 этаж
|
691,8
706,4 796,4 765,4 765,4 765,4 765,4
|
5256,2
|
|
Строительный
объем, м3 Надземная часть Подземная часть
|
16840
2280
|
19120
|
3.2 Конструктивные решения
Здание по конструктивному исполнению относится к
I степени огнестойкости, СО классу конструктивной пожарной опасности. По
функциональному назначению помещения относятся к Ф3.1, Ф3.2, Ф4.3 классам
функциональной пожарной опасности (помещение склада Ф5.2 класса функциональной
пожарной опасности, категории "В").
По периметру здания предусмотрена бетонная
отмостка из бетона кл. В7.5 шириной 1000 мм и толщиной 100 мм по щебеночному
основанию.
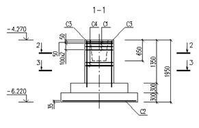
.2.1 Фундаменты
Фундаменты под колонны монолитные,
железобетонные отдельно стоящие, столбчатого типа из бетона кл. В15. Под
наружные стены фундаменты приняты ленточными из сборных бетонных блоков по ГОСТ
13579-78* и сборных железобетонных плит по ГОСТ 13580-85. Фундамент под
оборудование выполнить из бетона кл. В15.
Естественным основанием фундаментов, согласно
геологии, будет служить суглинок полутвердый со следующими характеристиками:
Сn=28,7 кПа, γn=22, Е=14,6 МПа.
Горизонтальная гидроизоляция стен на отм. -0.400
выполнена из цементного раствора состава 1:2 толщиной 30 мм.
Таблица 4.2.1. Спецификация к схеме расположения
элементов фундаментов
|
Марка
Поз.
|
Обозначение
|
Наименование
|
Кол.
|
Масса
ед. кг
|
Примеч
|
|
|
Фундаментные
плиты
|
|
|
|
|
ФЛ1
|
ГОСТ
13580-85
|
ФЛ
16.8-2
|
87
|
650
|
|
|
ФЛ2
|
|
ФЛ
16.12-2
|
11
|
1030
|
|
|
ФЛ3
|
|
ФЛ
14.8-2
|
50
|
580
|
|
|
|
Фундаментные
блоки
|
|
|
|
|
ФБС1
|
ГОСТ
13579-78*
|
ФБС
24.4.6-Т
|
316
|
1300
|
|
|
ФБС2
|
|
ФБС
12.4.6-Т
|
230
|
640
|
|
|
ФБС3
|
|
ФБС
9.4.6-Т
|
437
|
470
|
|
|
|
Фундаменты
монолитные
|
|
|
|
|
Фм1
|
|
Фм1
|
24
|
|
3,61
м3
|
|
Фм2
|
|
Фм2
|
2
|
|
1,59
м3
|
|
Фм3
|
|
Фм3
|
5
|
|
0,64
м3
|
|
|
Фундаменты
под
|
|
|
|
|
|
оборудование
|
|
|
|
|
ФО1
|
|
ФО1
|
1
|
|
1,4
м3
|
|
ФО2
|
|
ФО2
|
1
|
|
1,93
м3
|
|
ФО3
|
|
ФО3
|
1
|
|
1,9
м3
|
|
|
|
|
|
|
.2.2 Конструкция каркаса
Конструктивная схема здания выполнена в виде
железобетонного каркаса с самонесущими наружными стенами. Каркас здания принят
по серии 1.020-1/87.
Колонны каркаса сборные
железобетонные сечением 400x400 мм с консолями для опирания ригелей. Ригели -
сборные железобетонные с полками для опирания перекрытия.
Основу каркаса здания составляет четырех
пролетная рама. Шаг рам - 6 м. В каркасе здания предусмотрены диафрагмы жесткости.
Таблица 4.2.2. Спецификация к схемам
расположения колонн и ригелей
|
Марка
Поз.
|
Обозначение
|
Наименование
|
Кол.
|
Масса
ед. кг
|
Примеч.
|
|
|
|
|
К1
|
1.020.1-1/87,
в. 2-1
|
3
КСО 33-1.26
|
10
|
4030
|
|
|
К2
|
|
3
КСД 33-1.26
|
12
|
4100
|
|
|
К3
|
|
2
КНО 42.1-1.22
|
15
|
3100
|
|
|
К4
|
|
2
КНД 42.1-1.22
|
12
|
3100
|
|
|
К5
|
|
2
КВО 35-1.23
|
2
|
2380
|
|
|
К6
|
|
2
КВД 35-1.23
|
1
|
2430
|
|
|
К7
|
|
2
КВО 33-1.23
|
9
|
2380
|
|
|
К8
|
|
2
КВД 33-1.23
|
10
|
2430
|
|
|
К9
|
|
1
КН 42.1-23
|
2
|
2400
|
|
|
К10
|
|
1
КС 42-32
|
2
|
1700
|
|
|
К11
|
|
1
КВО 33-1.23
|
2
|
1050
|
|
|
К12
|
|
1
КВД 33-1.23
|
1
|
1080
|
|
|
К13
|
|
1
КС 33-40
|
9
|
1330
|
|
|
К14
|
|
1
КВ 33-26
|
2
|
1030
|
|
|
Ригели
|
|
Р1
|
1.020-1/87
в.3-1
|
РОП
4.56-60
|
37
|
2350
|
|
|
Р2
|
|
РДП
4.56-60АТV
|
67
|
2550
|
|
|
Р3
|
|
РЛП
4.56-60
|
5
|
1890
|
|
|
Р4
|
|
РЛП
4.26-60
|
3
|
840
|
|
|
Диафрагмы
жесткости
|
|
Д1
|
1.020-1/87
в.4-1
|
1ДП
26.42
|
2
|
3170
|
|
|
Д2
|
|
1Д
30.42
|
2
|
4850
|
|
|
Д3
|
|
1ДПК
56.33л
|
6
|
8100
|
|
|
Д4
|
|
2Д
30.42
|
2
|
4330
|
|
|
Д5
|
|
2ДП
26.42
|
2
|
3600
|
|
|
Д6
|
|
2Д
30.33
|
2
|
4400
|
|
|
Д7
|
|
2ДП
26.33
|
2
|
2750
|
|
|
Д8
|
|
2Д
56.33
|
3
|
8230
|
|
|
Д9
|
|
1ДП
26.42
|
3
|
3170
|
|
|
Д10
|
|
1Д
26.42
|
1
|
4180
|
|
|
Д11
|
|
1ДП
26.33
|
2
|
2380
|
|
|
Д12
|
1.020-1/87
в.4-1
|
1Д
26.33
|
1
|
3350
|
|
|
Д13
|
|
1ДП
56.33
|
1
|
6300
|
|
|
Д14
|
|
1ДПК
56.33п
|
1
|
8100
|
|
|
Д15
|
|
1ДП
30.33
|
1
|
2880
|
|
|
|
|
|
|
|
|
Соединительные
элементы
|
|
МС-1
|
1.020-1/87
в.6-1
|
МС-1
|
244
|
0,26
|
|
|
МС-7
|
1.020-1/87
в.6-5
|
МС-7
|
19
|
1,91
|
|
|
МС-8
|
1.020-1/87
в.6-5
|
МС-8
|
68
|
0,73
|
|
|
МС-9
|
1.020-1/87
в.6-5
|
МС-9
|
25
|
0,82
|
|
|
МС-10
|
1.020-1/87
в.6-5
|
МС-10
|
7
|
0,59
|
|
|
МС-11
|
1.020-1/87
в.6-5
|
МС-11
|
112
|
0,42
|
|
|
МС-12
|
1.020-1/87
в.6-5
|
МС-12
|
72
|
0,51
|
|
|
МС-13
|
1.020-1/87
в.6-5
|
МС-13
|
14
|
10,15
|
|
|
МС-14
|
1.020-1/87
в.6-5
|
МС-14
|
95
|
3,32
|
|
|
МС-15
|
1.020-1/87
в.6-1
|
МС-15
|
18
|
15,68
|
|
|
МС-28
|
1.020-1/87
в.6-5
|
МС-28
|
10
|
0,93
|
|
|
МС-31
|
1.020-1/87
в.6-5
|
МС-31
|
12
|
0,38
|
|
|
|
|
|
|
|
3.2.3 Стены и перегородки
Стены
Наружные стены выполнены из силикатного кирпича
СУР100/1800/15 ГОСТ 379-95 на растворе М75, толщиной 380 мм. Утепление стен -
наружное по системе "ЛАЭС-П".
Современные требования к ограждающим
конструкциям по теплотехническим характеристикам, надежности, долговечности, по
экологии и эстетике диктуют проектировщикам и строителям необходимость
использования современных материалов и технологий. Утепление наружных стен зданий
с применением систем "ЛАЭС" позволяет при минимальной толщине
ограждающих конструкций достигать требуемого сопротивления теплопередаче в
соответствии со СНиП 23-02-2003 "Тепловая защита зданий", а также
создавать новые оригинальные архитектурные решения и восстанавливать сложные
фасады при реконструкции и капитальном ремонте зданий, относящихся к
исторической застройке.
Системы теплоизоляции "ЛАЭС-П" - это
современная перспективная технология, которая позволяет значительно снизить
затраты на отопление и кондиционирование здания и одновременно снизить затраты
на строительство за счет уменьшения толщины стен и облегчения фундамента;
обеспечивает высокую звукоизоляцию и возможность декоративной отделки фасада с
созданием новых архитектурных форм.
Рис. 4.1. Система "ЛАЭС-П" с
пенополистиролом в качестве утеплителя:
- пенополистирольная плита;
- дюбель с сердечником из стали;
- адгезионный состав для приклеивания плит
утеплителя и армирования стеклосетки;
- армирующая стеклосетка;
- акриловое фактурное покрытие;
- основание.
Системы наружной теплоизоляции фасадов
"ЛАЭС-П" на основе энергосберегающих технологий имеют следующие
преимущества по сравнению с традиционно применяемыми материалами:
благодаря небольшому весу быстры и легки в
монтаже;
имеют повышенную тепло-звукоизоляцию;
абсолютно безвредны для здоровья человека как
при изготовлении, так и в период эксплуатации;
не реагируют на изменения температуры;
не дают трещин;
экономичны и долговечны;
легки в очистке.
Системы наружного утепления фасадов зданий
"ЛАЭС-П" представляют собой многослойную конструкцию, состоящую из
теплоизоляционного материала - плит из пенополистирола марки ПСБ-С-25
плотностью 19 кг/м3, толщина утеплителя -80 мм, приклеенного и
механически прикрепленного дюбелями к основанию. На теплоизоляционный материал
наносится базовый слой (адгезионный состав армированный стеклосеткой), а затем
высококачественное финишное покрытие.
Перегородки
Перегородки приняты из гипсокартона Тиги КНАУФ
по металлическому каркасу, в санузлах и помещениях с влажным режимом -
перегородки из влагостойкого гипсокартона КНАУФ по серии 1.031.9-2.001-1.
КНАУФ-лист (гипсокартонный лист ГКЛ) - это
строительно-отделочный материал, применяемый для облицовки стен, устройства
межкомнатных перегородок, подвесных потолков, огнезащитных покрытий
конструкций, а также для изготовления декоративных и звукопоглощающих изделий.
При использовании КНАУФ-листов из отделочных
работ исключаются неудобные "мокрые" процессы, значительно возрастает
производительность труда, предоставляется возможность реализации неограниченных
по замыслу, многовариантных архитектурных решений, включая исполнение
криволинейных поверхностей, достигается общая экономия затрат на строительство
за счет облегчения конструкций здания, обеспечивается не только экологическая
чистота, но и благоприятный для человека микроклимат в помещении.
КНАУФ- листы представляют собой листовые
изделия, состоящие из несгораемого гипсового сердечника, все плоскости
которого, кроме торцевых кромок, облицованы картоном, прочно приклеенным к
сердечнику.
Использование перегородок КНАУФ-листов в
большинстве случаев оказывается более выгодным по сравнению с известными
конструкциями (кирпич, бетон), так как скорость их монтажа выше, а масса -
меньше. Важное преимущество межкомнатных перегородок из КНАУФ-листов -
возможность их быстрого демонтажа с приданием помещению первоначального вида и
монтажа по индивидуальной планировке.
Перегородки состоят из несущего каркаса,
обшитого с обеих сторон одним (С111), двумя (С112), тремя (С113) слоями
гипсокартонных листов. Элементы металлического каркаса - профиль стоечный (ПС)
и профиль направляющий (ПН) по ТУ 1111-004-04001508-95 из оцинкованной стали.
Поверхность перегородок пригодна для нанесения
различных отделочных покрытий (краска, обои, керамическая плитка,
структурированная штукатурка и др.)
3.2.4 Перекрытия
Плиты перекрытия и покрытия запроектированы
сборными железобетонными многопустотными по серии 1.041.1-3 и частично
монолитными.
Таблица 4.2.3. Спецификация к схемам
расположения элементов перекрытия
|
Марка
Поз.
|
Обозначение
|
Наименование
|
Кол.
|
Масса
ед. кг
|
Примеч.
|
|
|
Плиты
|
|
|
|
|
П1
|
1.041.1-3
|
ПК
56.15-6АтV
|
224
|
2600
|
|
|
П2
|
|
ПК
56.15-6тV-2
|
45
|
2600
|
|
|
П3
|
|
ПК56.9-6АтV
|
45
|
1700
|
|
|
П4
|
|
ПК
21.15-6АIII
|
9
|
1200
|
|
|
П5
|
|
ПК
21.9-6АIII
|
3
|
800
|
|
|
П6
|
|
ПК
60.15-8АтVт
|
14
|
2800
|
|
|
П7
|
|
ПК
60.12-8АтVт
|
14
|
2100
|
|
|
П9
|
|
ПК
56.12-6АтV-1
|
1
|
2000
|
|
|
П10
|
|
ПК
56.12 -6АтV
|
3
|
2000
|
|
|
П11
|
|
ПК
63.15-8АтVтА
|
1
|
2975
|
|
|
П12
|
|
ПК
30.15-8тА
|
21
|
1470
|
|
|
П13
|
|
ПК
30.12-8тА
|
7
|
1110
|
|
|
|
Участки
монолитные
|
|
|
|
|
Ум1
|
|
Ум1
|
2
|
|
3,88
м3
|
|
Ум2
|
|
Ум2
|
3
|
|
2,45
м3
|
|
Ум3
|
|
Ум3
|
3
|
|
0,33
м3
|
|
Ум4
|
|
Ум4
|
3
|
|
0,7
м3
|
|
Ум5
|
|
Ум5
|
8
|
|
3,53
м3
|
|
Ум6
|
|
Ум6
|
7
|
|
7,01
м3
|
|
Ум7
|
|
Ум7
|
7
|
|
2,2
м3
|
|
Ум8
|
|
Ум8
|
1
|
|
12,41
м3
|
|
Ум9
|
|
Ум9
|
2
|
|
0,7
м3
|
|
Ум10
|
|
Ум10
|
1
|
|
6,24
м3
|
|
Ум11
|
|
Ум11
|
4
|
|
27,54
м3
|
|
|
Анкеры
|
|
|
|
|
А1
|
|
Ø10АI ГОСТ
5781-82*
|
67
|
0,85
|
|
|
|
l=1370
|
|
|
|
|
|
Соединительные
элементы
|
|
|
|
|
МС-2
|
1.020-1/87
в. 6-3
|
МС-2
|
161
|
1,32
|
|
|
МС-3
|
|
МС-3
|
150
|
0,1
|
|
|
МС-4
|
150
|
2,26
|
|
|
МС-5
|
|
МС-5
|
150
|
0,15
|
|
|
МС-6
|
|
МС-6
|
48
|
1,35
|
|
|
МС-30
|
|
МС-30
|
5
|
0,86
|
|
|
|
|
|
|
|
.2.5 Лестницы
Лестничные марши приняты сборными железобетонными
по серии 1.050.9-4.93.
.2.6 Лифты
В здании ТОЦ предусмотрены два лифта: грузовой
малый Q=250 кг и пассажирский Q=400 кг. Лифтовые шахты выполнить из
керамического кирпича КР-100/800/25 ГОСТ 530-95 на цементном растворе М100.
Толщина стенки шахты 250 мм. Армировать через 2 ряда кладки по высоте. Машинное
отделение грузового лифта расположено в цокольном этаже; пассажирского - на
кровле. В стенках шахт предусмотрены закладные изделия для крепления
направляющих и отверстия под настилы.
Цементный пол укладывается после установки
оборудования.
.2.7 Кровля
Кровля здания совмещенная, плоская из
наплавляемых рулонных материалов. Состав кровли: 2 слоя изопласта
наплавленного, верхний слой бронированный, стяжка из цем.-песчаного раствора
М150 δ=30
мм,
щебень из доменного шлака δ=150 мм,
утеплитель - пенополистирол γ=40 кг/м3,
пароизоляция п/э пленка 150 мкр.
В центральной части кровли расположен квадратный
в плане световой фонарь, индивидуального изготовления, пластиковый с двойным
остеклением.
3.2.8 Элементы заполнения проемов
Двери деревянные: наружные по ГОСТ 24698-81,
внутренние - по ГОСТ 6629-88*. Наружные двери входов в торговый зал, офисные
перегородки - индивидуального изготовления.
Окна и витражи - индивидуального изготовления,
пластиковые с тройным остеклением.
Таблица 4.2.4. Спецификация элементов заполнения
проемов
|
Поз
|
Обозначение
|
Наименование
|
Кол-во
на этаж
|
Масса
ед.кг.
|
Примеч.
|
|
|
|
Ц
|
1
|
2
|
3
|
4
|
5
|
6
|
Всего
|
|
|
|
1
|
2
|
3
|
4
|
5
|
6
|
7
|
8
|
9
|
10
|
11
|
12
|
13
|
|
Окна
|
|
ОК1
|
Индив.изготовл.
|
ОК
12х9
|
1
|
-
|
-
|
-
|
-
|
-
|
-
|
1
|
|
Профиль
Rehau
|
|
ОК2
|
|
ОК
15х9
|
-
|
-
|
2
|
2
|
2
|
2
|
2
|
10
|
|
|
|
ОК3
|
|
ОК
15х12
|
-
|
4
|
4
|
4
|
5
|
2
|
2
|
21
|
|
|
|
ОК4
|
|
ОК
15х15
|
-
|
1
|
1
|
1
|
1
|
1
|
2
|
7
|
|
|
|
ОК5
|
|
ОК
15х18
|
-
|
1
|
4
|
2
|
5
|
2
|
3
|
17
|
|
|
|
ОК6
|
|
ОК
15х21
|
-
|
-
|
2
|
3
|
3
|
1
|
1
|
10
|
|
|
|
ОК7
|
|
ОК
15х32
|
-
|
-
|
-
|
1
|
1
|
5
|
4
|
11
|
|
|
|
ВИ1
|
|
Витраж
ВИ1
|
-
|
2
|
-
|
-
|
-
|
-
|
-
|
2
|
|
|
|
ВИ2
|
|
Витраж
ВИ2
|
-
|
-
|
1
|
1
|
1
|
1
|
1
|
5
|
|
|
|
ВИ3
|
|
Витраж
ВИ3
|
-
|
-
|
3
|
-
|
-
|
-
|
-
|
3
|
|
|
|
ВИ4
|
|
Витраж
ВИ4
|
-
|
-
|
-
|
1
|
1
|
1
|
1
|
4
|
|
|
|
ВИ5
|
|
Витраж
ВИ5
|
-
|
1
|
-
|
-
|
-
|
-
|
-
|
1
|
|
|
|
ВИ6
|
|
Витраж
ВИ6
|
-
|
1
|
-
|
-
|
-
|
-
|
-
|
1
|
|
|
|
Двери
внутренние
|
|
1
|
ГОСТ
6629-88
|
ДГ
21-8
|
5
|
3
|
4
|
4
|
2
|
2
|
2
|
22
|
|
|
|
2
|
|
ДГ
21-8Л
|
2
|
2
|
4
|
5
|
2
|
2
|
2
|
19
|
|
|
|
3
|
|
ДГ
21-9
|
1
|
1
|
8
|
6
|
8
|
8
|
7
|
39
|
|
|
|
4
|
|
ДГ
21-9Л
|
-
|
-
|
11
|
10
|
17
|
4
|
9
|
51
|
|
|
|
5
|
|
ДГ
21-10
|
-
|
-
|
-
|
-
|
-
|
-
|
-
|
-
|
|
|
|
6
|
|
ДГ
21-13
|
6
|
6
|
3
|
3
|
2
|
2
|
3
|
25
|
|
|
|
7
|
|
ДГ
21-15
|
-
|
-
|
-
|
1
|
1
|
1
|
1
|
4
|
|
|
|
8
|
|
ДГ
21-19
|
-
|
2
|
-
|
-
|
-
|
-
|
-
|
2
|
|
|
|
9
|
|
ДО
21-15
|
-
|
-
|
2
|
1
|
1
|
1
|
1
|
6
|
|
|
|
10
|
|
ДО
24-15
|
-
|
1
|
-
|
-
|
-
|
-
|
-
|
1
|
|
|
|
11
|
Индив.
изготовл
|
ОП
24-30
|
-
|
-
|
-
|
-
|
-
|
-
|
2
|
2
|
|
|
|
Двери
наружные
|
|
12
|
ГОСТ
24698-81
|
ДН
21-9
|
-
|
1
|
-
|
-
|
-
|
-
|
-
|
1
|
|
|
|
13
|
|
ДН
21-9Т
|
1
|
-
|
-
|
-
|
-
|
-
|
-
|
1
|
|
|
|
14
|
|
ДН
21-10
|
-
|
5
|
-
|
-
|
-
|
-
|
-
|
5
|
|
|
|
15
|
|
ДН
24-13
|
-
|
2
|
-
|
-
|
-
|
-
|
-
|
2
|
|
|
|
16
|
Индив.
изготовл
|
ДН
24-15
|
-
|
1
|
-
|
-
|
-
|
-
|
1
|
|
|
|
17
|
Индив.
изготовл
|
ДН
24-19
|
-
|
1
|
-
|
-
|
-
|
-
|
-
|
1
|
|
|
|
18
|
|
Дверь
раздвиж
|
-
|
1
|
-
|
-
|
-
|
-
|
-
|
1
|
|
|
|
19
|
|
Ворота
3,5х3
|
-
|
1
|
-
|
-
|
-
|
-
|
-
|
1
|
|
|
|
20
|
ГОСТ
24698-81
|
ДЛ
10-10а
|
-
|
1
|
-
|
-
|
-
|
-
|
-
|
1
|
|
|
|
Двери
противопожарные
|
|
21
|
НПО
ЗАО "УНИХИМТЕК"
|
ДМП
01/90 2070x910
|
1
|
1
|
-
|
-
|
-
|
-
|
-
|
2
|
|
|
Таблица 4.2.5. Ведомость перемычек
|
Марка
|
Схема
сечения
|
Марка
|
Схема
сечения
|
|
ПР1
(3 шт.)
|
|
ПР9
(1 шт.)
|
|
|
ПР2
(3 шт.)
|
|
ПР10
(10 шт.)
|
|
|
ПР3
(12 шт.)
|
|
ПР11
(11 шт.)
|
|
|
ПР4
(4 шт.)
|
|
ПР12
(18 шт.)
|
|
ПР5
(1 шт.)
ПР13
|
(10
шт.)
|
|
|
|
|
ПР6
(4 шт.)
|
|
ПР14
(14 шт.)
|
|
|
ПР7
(23 шт.)
|
|
ПР15
(6 шт.)
|
|
|
ПР8
(10 шт.)
|
|
ПР16
(6 шт.)
|
|
Таблица 4.2.6. Спецификация элементов перемычек
|
Марка
Поз.
|
Обозначение
|
Наименование
|
Кол.
|
Масса
ед. кг
|
Примеч.
|
|
1
|
1.038.1-1,
вып.4
|
9
ПБ 13-37-п
|
51
|
74
|
|
|
2
|
|
8
ПБ 16-1
|
63
|
42
|
|
|
3
|
|
8
ПБ 13-1
|
66
|
41
|
|
|
4
|
1.225-2,
вып.12
|
ПРГ
36.1.4-4АIII
|
33
|
430
|
|
|
5
|
1.038.1-1,
вып.4
|
8
ПБ 19-3
|
12
|
52
|
|
|
6
|
|
8
ПБ 10-1
|
15
|
28
|
|
|
7
|
|
9
ПБ 22-3-п
|
69
|
125
|
|
|
8
|
|
9
ПБ 16-37-п
|
38
|
88
|
|
|
9
|
|
9
ПБ 25-3-п
|
30
|
140
|
|
|
10
|
|
9ПБ
21-8-п
|
18
|
118
|
|
|
11
|
1.020-1/87
в.3-1
|
Р
3.56
|
2
|
750
|
|
|
|
|
|
|
|
.2.9 Полы
Полы в помещениях выполнены согласно экспликации
полов.
Таблица 4.2.7. Экспликация полов
|
Номер
помеще-ния
|
Тип
пола
|
Схема
пола
|
Данные
элементов пола
|
Площадь,
м2
|
|
На
отм.-4.100 1, 6, 9
|
1
|
|
Керамогранитная
плитка - 10 мм
|
456,5
|
|
|
|
Слой
цем.-песчаный раствора
|
|
|
|
|
М150
- 30 мм
|
|
|
|
|
Гидроизол
ГОСТ 7415-86 на битум-
|
|
|
|
|
ной
мастике ГОСТ2889-80 - 3 слоя
|
|
|
|
|
Слой
цем.-песчаный раствора
|
|
|
|
|
М150
- 40 мм
|
|
|
|
|
Бетон
кл. В7.5 - 80 мм
|
|
|
|
|
Уплотненный
щебнем грунт
|
|
|
На
отм.-4.100 4, 5
|
2
|
|
Бетон
кл.В15 - 20 мм
|
61,2
|
|
|
|
Слой
цем.-песчаный раствора
|
|
|
|
|
М150
- 30 мм
|
|
|
|
|
Гидроизол
ГОСТ 7415-86 на битум-
|
|
|
|
|
ной
мастике ГОСТ2889-80 - 3 слоя
|
|
|
|
|
Слой
цем.-песчаный раствора
|
|
|
|
|
М150
- 30 мм
|
|
|
|
|
Бетон
кл. В7.5 - 80 мм
|
|
|
|
|
Уплотненный
щебнем грунт
|
|
|
На
отм.-4.100 2,7, 8
|
3
|
|
Линолеум
на тепло-звукоизоляц.
|
34,6
|
|
|
|
основе
- 5 мм
|
|
|
|
|
Мастика
клеящая
|
|
|
|
|
Стяжка
из цем.песчаного р-ра
|
|
|
|
|
марки
М150 - 25 мм
|
|
|
|
|
Бетон
кл. В7.5 - 80 мм
|
|
|
|
|
Гидроизол
ГОСТ 7415-86 на битум-
|
|
|
|
|
ной
мастике ГОСТ2889-80 - 3 слоя
|
|
|
|
|
Стяжка
из бетона кл.В10 - 50 мм
|
|
|
|
|
Уплотненный
щебнем грунт
|
|
|
|
|
|
|
|
На
отм.-4.100 3
|
4
|
|
Керамогранитная
плитка - 10 мм
|
7,4
|
|
|
|
Бетон
кл. В7.5 - 80 мм
|
|
|
|
|
Гидроизол
ГОСТ 7415-86 на битум-
|
|
|
|
|
ной
мастике ГОСТ2889-80 - 3 слоя
|
|
|
|
|
Стяжка
из бетона кл.В10 - 50 мм
|
|
|
|
|
Уплотненный
щебнем грунт
|
|
|
|
|
|
|
|
На
отм. 0.000 1,2,5,6,9,10, 11,12,13,14, 15 На отм+4.200 1,2,3,4,5,9,
10,11,20,21 22,23,24,29 На отм+7.500 1,2,3,5,6,7,8 11,13,20,21, 24,25 На
отм+10.940 10 На отм+14.100 1,7,8,9 На отм+17.400 10,15,16,17,18
|
5
|
|
Керамогранитная
плитка - 10 мм
|
1685,37
|
|
|
|
Слой
цем.-песчаный раствора
|
|
|
|
|
М150
- 20 мм
|
|
|
|
|
Стяжка
из цем.-песчаного р-ра
|
|
|
|
|
М150
- 20 мм
|
|
|
|
|
Панель
перекрытия - 220 мм
|
|
|
|
|
|
|
|
|
|
|
|
|
|
|
|
|
|
|
|
|
|
|
|
|
|
|
|
На
отм. 0.000 3, 4, 7 На отм+4.200 27, 28 На отм+7.500 14, 15 На отм+14.100 2,
3, 4 На отм+17.400 2, 3, 4, 5, 7
|
6
|
|
Линолеум
на тепло-звукоизоляц.
|
711,68
|
|
|
|
основе
- 5 мм
|
|
|
|
|
Мастика
клеящая
|
|
|
|
|
Стяжка
из цем.песчаного р-ра
|
|
|
|
|
марки
М150 - 40 мм
|
|
|
|
|
Панель
перекрытия - 220 мм
|
|
|
|
|
|
|
|
На
отм.0.000 8 На отм.+4,200 6,7,8,12,13, 14,15,16,17, 18,19,25,26 На отм.+7.500
16,17,18,19, 22, 23 На отм.+10.940 5, 6 На отм.+14.100 5, 6 На отм.+17.400
13, 14
|
7
|
|
Керамогранитная
плитка - 10 мм
|
194,88
|
|
|
|
Слой
цем.-песчаный раствора
|
|
|
|
|
М150
- 20 мм
|
|
|
|
|
Гидроизол
ГОСТ 7415-86 на битум-
|
|
|
|
|
ной
мастике ГОСТ2889-80 - 2 слоя
|
|
|
|
|
Стяжка
из цем.песчаного р-ра
|
|
|
|
|
марки
М150 - 20 мм
|
|
|
|
|
Панель
перекрытия - 220 мм
|
|
|
|
|
|
|
|
На
отм.+4.200 30
|
8
|
|
Керамогранитная
плитка - 10 мм
|
52,6
|
|
|
|
Слой
цем.-песчаный раствора
|
|
|
|
|
М150
- 20 мм
|
|
|
|
|
Панель
перекрытия - 220 мм
|
|
|
|
|
|
|
|
|
|
|
|
|
На
отм.+7.500 9, 10, 12 На отм.+17.400 1,6,8,9, 11,12
|
9
|
|
Ламинат
- 10 мм
|
313,14
|
|
|
|
П/э
пленка с фольгой толщи-
|
|
|
|
|
ной
- 2 мм
|
|
|
|
|
Стяжка
из цем.-песчаного р-ра
|
|
|
|
|
марки
М150 - 40 мм
|
|
|
|
|
Сплошная
звукоизоляционная
|
|
|
|
|
прокладка
из мин. плит на
|
|
|
|
|
синтетической
связке, мягких,
|
|
|
|
|
γ=50кг/м3(ПМ-50)
- 30 мм
|
|
|
На
отм.+10.940 1,2,3,4,7,8,9
|
10
|
|
Плиты
древесноволокн. повыш.
|
610,36
|
|
|
|
прочности,
марка СТ - 3,2мм
|
|
|
|
|
Мастика
клеящая
|
|
|
|
|
Доска
- 28 мм
|
|
|
|
|
Лаги
из досок - 40 мм
|
|
|
|
|
Прокладка
из доски б=25 мм
|
|
|
|
|
Гидроизол
ГОСТ 7415-86 на битум-
|
|
|
|
|
ной
мастике ГОСТ2889-80 - 2 слоя
|
|
|
|
|
Кирпичный
столик - 65 мм
|
|
|
|
|
Звукоизоляция
- щебень из
|
|
|
|
|
шлаковой
пемзы - 20 мм
|
|
|
|
|
Панель
перекрытия - 220 мм
|
|
.3 Теплотехнический расчет
Теплотехнический расчет заключается в
определении толщины искомого слоя ограждения, при которой температура на
внутренней поверхности ограждения будет выше температуры точки росы внутреннего
воздуха и будет удовлетворять санитарно-гигиеническим требованиям.
В соответствии со СНиП 23-02 расчет ведется по
двум из трех взаимоувязанным показателям:
а) приведенное сопротивление теплопередаче
отдельных элементов ограждающих конструкций здания;
б) санитарно-гигиенический, включающий
температурный перепад между температурами внутреннего воздуха и на поверхности
ограждающих конструкций и температуру на внутренней поверхности выше
температуры точки росы.
Исходные данные:
1. Район строительства: г. Липецк.
2. Расчетная наружная температура наиболее
холодной пятидневки tн=-27оС, обеспеченностью 0,92.
3. Расчетная наружная температура наиболее
холодных суток tх=-31оС, обеспеченностью 0,92.
. Внутренняя температура помещения :
tв=+20оС.
. Зона влажности - сухая.
. Влажностный режим помещений -
нормальный.
. Условия эксплуатации - А.
. Температура отопительного периода
tот.пер.=-3.4оС.
. Время отопительного периода
Zот.пер.=202оСсут.
. Коэффициент теплоотдачи наружной
поверхности ограждения αн=23 Вт/м2
оС.
. Коэффициент теплоотдачи у поверхности
ограждения
αв=8,7 Вт/м2
оС.
Наружная стена
а) приведенное сопротивление теплопередаче
отдельных элементов ограждающих конструкций здания:
Условие выполнено.
б) санитарно-гигиенический
показатель, включающий температурный перепад между температурами внутреннего
воздуха и на поверхности ограждающих конструкций и температуру на внутренней
поверхности выше температуры точки росы.
Условие выполнено.
Чердачное перекрытие
а) приведенное сопротивление
теплопередаче отдельных элементов ограждающих конструкций здания:
. Ж/б плита покрытия
;
. Пароизоляция п/э пленка 150 мкр;
. Пенополистирол
;
. Щебень из доменного шлака
;
. Стяжка из цем.-песчаного раствора
М150
;
Условие выполнено.
б) санитарно-гигиенический
показатель, включающий температурный перепад между температурами внутреннего
воздуха и на поверхности ограждающих конструкций и температуру на внутренней
поверхности выше температуры точки росы.
Условие выполнено.
.4 Звукоизоляция и акустика
ТОЦ представляет собой
многофункциональную систему, которую условно можно разделить на 3 зоны:
) торговую зону;
) зону отдыха и развлечений;
) офисную зону.
В состав этих зон входит много
различных по своему назначению помещений, уровни производимых шумов смежных
помещений различаются. В некоторых имеет место и интенсивный звуковой шум. Для
поглощения шумов выполнена дополнительная звукоизоляция полов.
Для звукоизоляции и улучшения
акустики в коридорах, помещениях требующих дополнительной звукоизоляции
проектом предусмотрена установка перегородок С112 и потолочных конструкций с использованием
КНАУФ-акуститка.
4. Инженерное оборужование
.1 Решения по водопроводу и
канализации
.1.1 Водоснабжение
Водоснабжение торгово-офисного
центра предусматривается от сетей водопровода Ø100 базы
"Липецкбакалея". Для здания выполняется два ввода Ø100 с установкой
водомерного узла в подвале здания.
Сети водопровода запроектированы из
чугунных труб и прокладываются на глубине 2,0 м.
Запорная арматура устанавливается в
проектируемых колодцах.
Наружное пожаротушение
предусматривается от существующих пожарных гидрантов, установленных в колодцах.
Для повышения напора в системе
водоснабжения торгово-офисного центра в подвале выполняется насосная станция с
установкой хозяйственно-питьевых и противопожарных насосов марок CR (E) 15-1
Nдв=1,1 кВт и АЧМС 8-20 Nдв=0,75 кВт соответственно.
Снабжение горячей водой
проектируемого здания предусматривается от водонагревателя, установленного в
подвале здания. Внутренние сети водоснабжения выполняются из стальных
оцинкованных труб по ГОСТ 3262-75*, и прокладываются в подвале в изоляции и
открыто с покраской в санузлах и производственных помещениях кафе.
Для обеспечения внутреннего
пожаротушения в здании проектируется установка внутренних пожарных кранов Ø50, оборудованных
шлангом L=20,0 м.
.1.2 Канализация
Канализация от проектируемого здания
предусматривается в существующий коллектор Ø150 базы
"Липецкбакалея".
Для сбора и отвода сточных вод
предусматривается прокладка сетей канализации Ø50 мм из
чугунных труб на глубине 2,5-3,5 м.
Смотровые колодцы устанавливаются на
канализационной сети в местах выпусков, поворотах, в местах изменения уклонов и
диаметров, на прямых участках, на нормативных расстояниях. От проектируемого
здания отвод стоков осуществляется через выпуски Ø100 мм.
Внутренние канализационные сети
прокладываются из чугунных труб открыто по стенам и потолкам.
Монтаж оборудования и трубопроводов
в санузлах проектируемого здания предусматривается из узлов и деталей.
К установке намечаются следующие
приборы: унитазы керамические с непосредственно-расположенными бочками,
умывальники керамические, мойки стальные.
.1.3 Дождевая канализация
Сбор воды с кровли здания
осуществляется системой внутренних водостоков с выбросом воды на отмостку.
Система внутренних водостоков
запроектирована из стальных электросварных труб.
.2 Решения по отоплению и вентиляции
.2.1 Отопление
Во всех помещениях здания
предусмотрены в качестве нагревательных приборов чугунные радиаторы МС - 140
АС.
Для регулировки подачи тепла на
стоянках устанавливается регулирующие шаровые краны марки 11б 27 п.1.
4.2.2 Вентиляция
Для проектирования вентиляции в
холодный период года:
температура, в 0С - минус 260;
удельная энтальпия, Кдж/кг - минус
25,3;
Для проектирования вентиляции в
теплый период года:
температура, в 0С - +22,30;
удельная энтальпия, Кдж/кг - +49;
Вентиляция помещений
приточно-вытяжная с механическим побуждением.
Приточные камеры установлены в
подвальной части здания.
Вытяжка из туалетных комнат
предусмотрена через вытяжные решетки по кирпичным каналам с помощью канальных
вентиляторов.
Вытяжка из других помещений
предусмотрена по воздуховодам из тонколистовой оцинкованной стали.
.2.3 Основные показатели
Теплоносителем для систем отопления
и вентиляции принята вода и электроэнергия.
Потребность на отопление составляет
- 410 кВт.
Потребность на вентиляцию - 370 кВт.
.3 Решения по электрооборудованию,
электроосвещению, связи
.3.1 Общие сведения
Проект электроснабжения выполнен на
основании технических условий №0439-238 от 22.03.2005 г, выданных ООО
"Липецкой городской энергетической компанией".
При разработке проекта учтены
требования:
СП 31-110-2003 "Проектирование
и монтаж электроустановок жилых и общественных зданий";
СНиП 23-05-95* "Естественное и
искусственное освещение";
СанПиН 2.2.1/2.1.1.1278-03
"Гигиенические требования к естественному, искусственному и совмещенному
освещению жилых и общественных зданий";
СО 153-34.21.122-2003
"Инструкция по устройству молниезащиты зданий, сооружений и промышленных
коммуникаций"; "Правила устройства электроустановок" (изд. 6 и 7
по состоянию на 15.08.2005 года).
Проектом предусмотрены меры по
электробезопасности: молниезащита, заземление и уравнивание потенциалов.
.3.2 Внешнее электроснабжение
По степени надежности
электроснабжения электроприемники относятся к II категории.
Внешнее электроснабжение
предусматривается от существующей трансформаторной подстанции ТП 341. Проектом
предусмотрено замена в РУ- 6 кВт ТП 341 высоковольтных ячеек типа КСО-366 на
КСО-298 с вакуумными выключателями.
В РУ - 0,4 кВт предусмотрена замена:
вводные выключатели на вакуумные типа ВВА - 1,14.
Точка присоединения объекта - I и II
секции шин в РУ - 0,4 кВт ТП 341.
Электропитание ТОЦ предусматривается
напряжением 0,4 кВт двумя кабелями ААБ 2лШв сечением 4x20 мм2. Питающая сеть
относится к системе TN-C-S, в которой функции нулевого рабочего и нулевого
защитного проводников совмещены в одном проводнике (PEN), разделение которого
на PE и N предусмотрено на ВРУ потребителя.
.3.3 Электрическое освещение
Проектом предусматривается система
общего рабочего и аварийного (эвакуационного) освещения напряжением 220 В.
Аварийное (эвакуационного) освещение предусматривается в коридорах, а также в
помещениях, при отключении в которых рабочего освещения может возникнуть
опасность травматизма.
Для эвакуационного освещения
применены светильники с автономным источником питания (встроенные
аккумуляторы).
Нормы освещенности помещений приняты
в соответствии со СНиП 23-05-95* и СанПиН 2.2.1/2.1.1.1278-03.
Типы светильников выбраны с учетом
характера их светораспределения и условий окружающей среды.
В помещениях с пожароопасными зонами
класса П-I, П-II, П-IIа выбраны светильники со степенью защиты IР 53.
В качестве источников света приняты
в основном люминесцентные лампы, в некоторых помещениях - лампы накаливания.
Питание осветительной нагрузки
предусматривается от групповых щитков с автоматическими выключателями, а
групповых линий розеточной сети от щитков с автоматическими выключателями и
дифференциальной защиты (УЗО).
Групповые линии розеточной сети для
подключения компьютеров выполнены отдельно от розеточной сети бытовых нагрузок.
Управление освещением -
выключателями по месту.
Для ремонтного освещения в
венткамерах, тепловом узле, электрощитовой и водомерном узле предусматривается
использовать переносные светильники напряжением 36 В от понижающих
трансформаторов 220/36 В.
Электропроводка предусматривается
кабелем с медными жилами ВВГнг, не поддерживающим горение и проводом ПУНП с
двойной изоляцией.
Кабели и провода прокладываются в
коробах с крышками, в электрических кабель-каналах или за непроходным подвесным
потолком.
В помещения с жароопасными зонами
вводы кабелей в ответвлительные коробки, выключатели, розетки, светильники
предусматривается выполнять через сальники с уплотнительными шайбами.
.3.4 Силовое электрооборудование
Основными силовыми
электроприемниками являются электродвигатели технологического оборудования,
приточно-вытяжных вентиляторов, насосов. Асинхронные двигатели трехфазные и
однофазные напряжением 380 В и 220 В с короткозамкнутым ротором.
Указанные электроприемники
поставляются, как правило, в комплекте со шкафами управления.
Схемы питания радиальные от силовых
распределительных шкафов с автоматическими выключателями для сантехнического
оборудования и с автоматическими выключателями с дифференциальной защитой (УЗО)
для подключения технологического оборудования.
Силовые распределительные шкафы для
электродвигателей вентиляционных систем подключаются от ВРУ через
автоматические выключатели с независимым расцепителем, что обеспечивает
групповое отключение вентсистем при пожаре.
Режим работы электродвигателей
технологического оборудования в основном кратковременный.
Распределительные сети и сети к
электроприемникам предусматриваются кабелями с медными жилами ВВГнг
неподдерживающими горение.
Кабели прокладываются в коробах с
крышками, в полу в металлических трубах.
Для отключения технологического
оборудования по окончании рабочего времени предусматриваются ручные кнопочные
выключатели типа ВКИ.
Проектом предусматривается установка
ящика аварийного выключения резерва для электроприемников: лифта, дымоудаления,
освещения эл. щитовой, венткамер, насосной. Электродвигатели резервных насосов
для пожарных кранов автоматически включаются при невключении рабочими.
.3.5 Учет электроэнергии
Для раздельного учета потребляемой
электрической энергии на щите учета в электрощитовом помещении
предусматривается установка пяти трехфазных расчетных счетчиков активной
энергии для 4-х проводной сети трансформаторного включения с телеметрическим
выходом RS 485 (для системы АСКУЭ), напряжением 380/220 В на ток 1
6 А, класса
точности 1,0 типа СЭТ 3а - 0,2 Т - 16 (П).
Для учета общей потребляемой эл.
энергии в ящике ЯАВР предусматривается установка трехфазного счетчика активной
энергии САЧ-И 672 классом точности 2,0 на ток 1
6 А.
.3.6 Системы связи
Общие проектные решения по
устройству средств систем связи проектируемого объекта основываются на
основании требований нижеперечисленной нормативно-технической документации:
РД 45.120-2000. Нормы
технологического проектирования.
НТП 112-2000. Городские и сельские
телефонные сети.
ВСН 332-93. Ведомственные
строительные нормы.
Устройство средств систем связи
торгово-офисного центра в г.Липецке производится следующим образом:
от ввода по стене подвала, до
кабельного канала и далее по кабельному каналу до распределительного шкафа
Nedlox (по каталогу №601204 в комплекте), расположенного на лестничной площадке
3-го этажа, прокладывается кабель телефонный ТППэп 30х2х0,4;
от распределительного шкафа Nedlox
на 2-й и 1-й этажи до защитных коробок клемников Piexo (по каталогу №01736 в
комплекте), прокладывается кабель телефонный ТППэп 5х2х0,4;
от распределительного шкафа Nedlox
на 4-й и 5-й этажи до шкафов распределительных Piexo (по каталогу №01742 в
комплекте), прокладывается кабель телефонный ТППэп 10х2х0,4.
Прокладку кабеля телефонного от
ввода по подвалу и в кабельном канале производится в трубе Ø50 из
непластифицированного поливинилхлорида. Щиты и коробки устанавливаются на
высоте 1,800 от чистого пола.
Подключение абонентов производится
по месту от щитов и коробок на этажах.
5. Вариантное проетирование
В дипломном проекте рассмотрено два
варианта архитектурного решения главного фасада ТОЦ.
Рис. 6.1. Первый вариант фасада.
Первый из рассматриваемых вариантов
выполнен в светло-бежевых тонах. Характерной особенностью фасада является
витражное остекление, благодаря которому улучшается естественное освещение
внутренних помещений. Остекление витражей и светового фонаря имеет
солнцезащитное тонированное покрытие, что придает фасаду большую органичность и
законченность.
Рис. 6.2. Второй вариант фасада.
Второй вариант выполнен в
бежево-розовых тонах. Центральный витраж заменен обычными стеклопакетами.
Для дипломного проектирования выбран
первый вариант фасада. Он является визуально более эффектным и законченным.
Благодаря центральному витражу улучшается естественное освещение внутренних
помещений.
6. Расчетно-конструктивный раздел
.1 Статический расчет рамы
.1.1 Определение эксплуатационных нагрузок на
раму
Расчетный пролет рамы принимаем равным
расстоянию между осями колон, l0=6 м.
Геометрические характеристики сечения колонны и
ригеля :
а) колонны a=b=400 мм;
б) ригеля:
Рис.7.1.Сечение а) колонны; б) ригеля.
Таблица 7.1. Сбор постоянных нагрузок
|
№п/п
|
Наименование
нагрузки
|
Нормативная
нагрузка кН/м2
|
Расчетная
нагрузка кН/м2
|
|
|
На
отм.0.000
|
|
|
|
|
1
|
Бетон
мозаичный б=20 мм, γ=2200кг/м3
|
0,44
|
1,1
|
0,484
|
|
2
|
Бетон
М200 б=40 мм,
γ=2000кг/м3
|
0,8
|
1,1
|
0,88
|
|
3
|
Утеплитель
URSA б=100 мм, γ=100кг/м3
|
0,1
|
1,3
|
0,13
|
|
4
|
Сборные
ж/б плиты
|
3,0
|
1,1
|
3,3
|
|
Итого:
|
4,34
|
-
|
5,96
|
|
5
|
Временная
полезная
|
4,5
|
1,2
|
5,45
|
|
На
отм.+4.200, +7.500
|
|
|
|
|
1
|
Бетон
мозаичный б=20 мм, γ=2200кг/м3
|
0,44
|
1,1
|
0,484
|
|
2
|
Бетон
М200 б=50 мм, γ=2000кг/м3
|
1,0
|
1,1
|
1,1
|
|
3
|
Сборные
ж/б плиты
|
3,0
|
1,1
|
3,3
|
|
Итого:
|
4,44
|
-
|
4,9
|
|
5
|
Временная
полезная
|
3,0
|
1,2
|
3,6
|
|
На
отм.+10.800
|
|
|
|
|
1
|
Плиты
древесноволокнистые марки СТ б=3,2 мм, γ=800кг/м3
|
0,026
|
1,2
|
0,03
|
|
2
|
Мастика
клеящая б=2 мм, γ=1400кг/м3
|
0,028
|
1,3
|
0,036
|
|
3
|
Доска
б=28 мм, γ=500кг/м3
|
0,14
|
1,2
|
0,17
|
|
4
|
Лаги
из досок б=40 мм, γ=500кг/м3
|
0,08
|
1,2
|
0,096
|
|
5
|
Прокладки
из доски б=25 мм, γ=500кг/м3
|
0,13
|
1,2
|
0,156
|
|
6
|
Кирпичный
столбик - 65 мм
|
0,13
|
1,2
|
0,156
|
|
7
|
Щебень
из шлаковой пемзы б=20 мм, γ=800кг/м3
|
0,16
|
1,3
|
0,21
|
|
8
|
Сборные
ж/б плиты
|
3,0
|
1,1
|
3,3
|
|
Итого:
|
3,7
|
-
|
4,15
|
|
9
|
Временная
полезная
|
2
|
1,3
|
2,6
|
|
На
отм.+14.100, +17.400
|
|
|
|
|
1
|
Линолеум
б=3 мм, γ=1400кг/м3
|
0,042
|
1,2
|
0,05
|
|
2
|
Мастика
б=2 мм, γ=1400кг/м3
|
0,028
|
1,3
|
0,036
|
|
3
|
Стяжка
б=40 мм, γ=1800кг/м3
|
0,72
|
1,3
|
0,94
|
|
4
|
Сборные
ж/б плиты
|
3,0
|
1,1
|
3,3
|
|
Итого:
|
3,8
|
-
|
4,3
|
|
5
|
Временно
полезная
|
2
|
1,3
|
2,6
|
|
На
отм.+20.700
|
|
|
|
|
1
|
Два
слоя "Унифлекс", верхний с посыпкой
|
0,15
|
1,2
|
0,18
|
|
2
|
Стяжка
б=30 мм, γ=1800кг/м3
|
0,54
|
1,3
|
0,702
|
|
3
|
Пенополистирол
б=150 мм, γ=35кг/м3
|
0,053
|
1,2
|
0,064
|
|
4
|
Пароизоляция
|
0,04
|
1,2
|
0,048
|
|
5
|
Сборные
ж/б плиты
|
3,0
|
1,1
|
3,3
|
|
Итого:
|
3,8
|
-
|
4,3
|
Расчет равномерно-распределенной нагрузки
С учетом коэффициента γn
= 0,95 составляет:
) на отм. 0.000:
Суммарная нагрузка на междуэтажное перекрытие с
учетом собственного веса ригеля:
кН/м.
) на отм. +4.200, +7.500:
Суммарная нагрузка на междуэтажное
перекрытие с учетом собственного веса ригеля:
кН/м.
) на отм. +10.800:
Суммарная нагрузка на междуэтажное
перекрытие с учетом собственного веса ригеля:
кН/м.
) на отм. +14.100, +17.400:
Суммарная нагрузка на междуэтажное
перекрытие с учетом собственного веса ригеля:
кН/м.
) на отм. +20.700:
Суммарная нагрузка на покрытие с
учетом собственного веса ригеля:
кН/м.
) погонная расчетная нагрузка от
собственного веса ж/б колонны:
кН/м.
Временно-полезная нагрузка
1) на отм. 0.000:
кН/м2.
2) на отм. +4.200, +7.500:
кН/м2.
3)
на отм. +10.800, +14.100, +17.400:
кН/м2.
Снеговая нагрузка
Вес снегового покрова на 1 м2
площади для г. Липецк (III снеговой район) S0 = 1,8 кН/м2
Расчетное значение:
= SoZ bZγn = 1,8Z6Z0,95 = 10,26
кН/м2.
Ветровая нагрузка
Нормальное ветровое давление для II
ветрового р-на согласно табл.5 СНиП 2.07.01-85* для местности типа
"В" городская застройка.
ω о = 0,3 кПа
Значение аэродинамического
коэффициента для наружних стен здания приняты:
С наветренной стороны С = 0,8
С подветренной стороны С = -0,6.
Нормативное значение средней
составляющей ветровой нагрузки с наветренной стороны:
)
кН/м;
)
кН/м;
)
кН/м;
)
кН/м;
)
кН/м;
)
кН/м;
Нормативное значение средней составляющей
ветровой нагрузки с подветренной стороны:
)
кН/м;
)
кН/м;
)
кН/м;
)
кН/м;
)
кН/м;
)
кН/м;
Расчетное значение средней
составляющей ветровой нагрузки с наветренной стороны:
)
кН/м2;
)
кН/м2;
)
кН/м2;
)
кН/м2;
)
кН/м2;
)
кН/м2;
Расчетное значение средней
составляющей ветровой нагрузки с подветренной стороны:
1)
кН/м2;
)
кН/м2;
)
кН/м2;
)
кН/м2;
)
кН/м2;
)
кН/м2;
Жесткости
. Колонна.
Е=24Z103 МПа=24Z106=
кН/м2. А=0,4Z0,4=0,16 м2.
I=
ЕА=24Z106Z0,16=3840000 кН; ЕI=24Z106Z0,00213=51120
кНм2.
. Ригель.
Е=24Z103 МПа=24Z106= кН/м2.
А=0,19 м2. I=
ЕА=24Z106Z0,19=456000 кН; ЕI=24Z106Z0,0051=122400
кНм2.
Рис. 7.2. Расчетная схема
Рис. 7.3. Постоянная нагрузка
Рис. 7.4. Временная нагрузка
Рис. 7.5. Снеговая нагрузка
Рис. 7.6. Ветровая нагрузка (ветер
слева)
Рис. 7.7. Ветровая нагрузка (ветер
справа)
Рис. 7.8. Граф дуг РСУ
Результаты расчета в программе РАМА
Т
Координаты узлов
+--------+----------+----------+----------+----------+----------+----------+
|No. узла| 1| 2| 3| 4| 5| 6|
| X | -12.000| -6.000| 0.000| 6.000|
12.000| -12.000|
| Y | -4.200| -4.200| -4.200|
-4.200| -4.200| 0.000|
+--------+----------+----------+----------+----------+----------+----------+
| X | -12.000| -6.000| -6.000|
0.000| 0.000| 6.000|
| Y | 0.000| 0.000| 0.000| 0.000|
0.000| 0.000|
+--------+----------+----------+----------+----------+----------+----------+
|No. узла| 13| 14| 15| 16| 17| 18|
| X | 6.000| 12.000| 12.000|
-12.000| -12.000| -6.000|
| Y | 0.000| 0.000| 0.000| 4.200|
4.200| 4.200|
+--------+----------+----------+----------+----------+----------+----------+
|No. узла| 19| 20| 21| 22| 23| 24|
| X | -6.000| 0.000| 0.000| 6.000|
6.000| 12.000|
| Y | 4.200| 4.200| 4.200| 4.200|
4.200| 4.200|
+--------+----------+----------+----------+----------+----------+----------+
|No. узла| 25| 26| 27| 28| 29| 30|
| X | 12.000| -12.000| -12.000|
-6.000| -6.000| 0.000|
| Y | 4.200| 7.500| 7.500| 7.500|
7.500| 7.500|
+--------+----------+----------+----------+----------+----------+----------+
|No. узла| 31| 32| 33| 34| 35| 36|
| X | 0.000| 6.000| 6.000| 12.000|
12.000| -12.000|
| Y | 7.500| 7.500| 7.500| 7.500|
7.500| 10.800|
+--------+----------+----------+----------+----------+----------+----------+
|No. узла| 37| 38| 39| 40| 41| 42|
| X | -12.000| -6.000| -6.000|
0.000| 0.000| 6.000|
| Y | 10.800| 10.800| 10.800|
10.800| 10.800| 10.800|
+--------+----------+----------+----------+----------+----------+----------+
|No. узла| 43| 44| 45| 46| 47| 48|
| X | 6.000| 12.000| 12.000|
-12.000| -12.000| -6.000|
| Y | 10.800| 10.800| 10.800|
14.100| 14.100| 14.100|
+--------+----------+----------+----------+----------+----------+----------+
|No. узла| 49| 50| 51| 52| 53| 54|
| X | -6.000| 0.000| 0.000| 6.000|
6.000| 12.000|
| Y | 14.100| 14.100| 14.100|
14.100| 14.100| 14.100|
+--------+----------+----------+----------+----------+----------+----------+
|No. узла| 55| 56| 57| 58| 59| 60|
| X | 12.000| -12.000| -12.000|
-6.000| -6.000| 0.000|
| Y | 14.100| 17.400| 17.400|
17.400| 17.400| 17.400|
+--------+----------+----------+----------+----------+----------+----------+
|No. узла| 61| 62| 63| 64| 65| 66|
| X | 0.000| 6.000| 6.000| 12.000| 12.000|
-12.000|
| Y | 17.400| 17.400| 17.400|
17.400| 17.400| 20.700|
+--------+----------+----------+----------+----------+----------+----------+
|No. узла| 67| 68| 69| 70| 71| 72|
| X | -12.000| -6.000| -6.000|
0.000| 0.000| 6.000|
| Y | 20.700| 20.700| 20.700|
20.700| 20.700| 20.700|
+--------+----------+----------+----------+----------+----------+----------+
|No. узла| 73| 74| 75|
| X | 6.000| 12.000| 12.000|
| Y | 20.700| 20.700| 20.700|
+--------+----------+----------+----------+
Элементы
+------------+---+---+---+---+---+---+---+---+---+---+---+---+---+---+---+---+
|No. элемента| 1| 2| 3| 4| 5| 6| 7|
8| 9| 10| 11| 12| 13| 14| 15| 16|
| Узел начала| 1| 2| 3| 4| 5| 6| 9|
11| 13| 15| 16| 19| 21| 23| 25| 26|
| Узел конца| 6| 9| 11| 13| 15| 16|
19| 21| 23| 25| 26| 29| 31| 33| 35| 36|
|No. жесткос.| 1| 1| 1| 1| 1| 1| 1|
1| 1| 1| 1| 1| 1| 1| 1| 1|
|Кол-во точек| 0| 0| 0| 0| 0| 0| 0|
0| 0| 0| 0| 0| 0| 0| 0| 0|
+------------+---+---+---+---+---+---+---+---+---+---+---+---+---+---+---+---+
|No. элемента| 17| 18| 19| 20| 21|
22| 23| 24| 25| 26| 27| 28| 29| 30| 31| 32|
| Узел начала| 29| 31| 33| 35| 36|
39| 41| 43| 45| 46| 49| 51| 53| 55| 56| 59|
| Узел конца| 39| 41| 43| 45| 46|
49| 51| 53| 55| 56| 59| 61| 63| 65| 66| 69|
|No. жесткос.| 1| 1| 1| 1| 1| 1| 1|
1| 1| 1| 1| 1| 1| 1| 1| 1|
|Кол-во точек| 0| 0| 0| 0| 0| 0| 0|
0| 0| 0| 0| 0| 0| 0| 0| 0|
+------------+---+---+---+---+---+---+---+---+---+---+---+---+---+---+---+---+
|No. элемента| 33| 34| 35| 36| 37|
38| 39| 40| 41| 42| 43| 44| 45| 46| 47| 48|
| Узел начала| 61| 63| 65| 7| 9| 11|
13| 17| 19| 21| 23| 27| 29| 31| 33| 37|
| Узел конца| 71| 73| 75| 8| 10| 12|
14| 18| 20| 22| 24| 28| 30| 32| 34| 38|
|No. жесткос.| 1| 1| 1| 2| 2| 2| 2|
2| 2| 2| 2| 2| 2| 2| 2| 2|
|Кол-во точек| 0| 0| 0| 0| 0| 0| 0|
0| 0| 0| 0| 0| 0| 0| 0| 0|
+------------+---+---+---+---+---+---+---+---+---+---+---+---+---+---+---+---+
|No. элемента| 49| 50| 51| 52| 53|
54| 55| 56| 57| 58| 59| 60| 61| 62| 63|
| Узел начала| 39| 41| 43| 47| 49|
51| 53| 57| 59| 61| 63| 67| 69| 71| 73|
| Узел конца| 40| 42| 44| 48| 50|
52| 54| 58| 60| 62| 64| 68| 70| 72| 74|
|No. жесткос.| 2| 2| 2| 2| 2| 2| 2|
2| 2| 2| 2| 2| 2| 2| 2|
|Кол-во точек| 0| 0| 0| 0| 0| 0| 0|
0| 0| 0| 0| 0| 0| 0| 0|
+------------+---+---+---+---+---+---+---+---+---+---+---+---+---+---+---+
строительство здание
архитектурный благоустройство
Опорные закрепления
+--------+---+---+---+---+---+
|No. узла| 1| 2| 3| 4| 5|
|Перем. X| 0| 0| 0| 0| 0|
|Перем. Y| 0| 0| 0| 0| 0|
|Поворот | 0| 0| 0| 0| 0|
+--------+---+---+---+---+---+
Шарнирные соединения узлов
+--------+---+---+---+---+---+---+---+---+---+---+---+---+---+---+---+---+---+
|1-й узел| 6| 8| 10| 12| 14| 16| 18|
20| 22| 24| 26| 28| 30| 32| 34| 36| 38|
|2-й узел| 7| 9| 11| 13| 15| 17| 19|
21| 23| 25| 27| 29| 31| 33| 35| 37| 39|
+--------+---+---+---+---+---+---+---+---+---+---+---+---+---+---+---+---+---+
|1-й узел| 40| 42| 44| 46| 48| 50|
52| 54| 56| 58| 60| 62| 64| 66| 68| 70| 72|
|2-й узел| 41| 43| 45| 47| 49| 51|
53| 55| 57| 59| 61| 63| 65| 67| 69| 71| 73|
+--------+---+---+---+---+---+---+---+---+---+---+---+---+---+---+---+---+---+
|1-й узел| 74|
|2-й узел| 75|
+--------+---+
Характеристики жесткости
+-----+-------------+-------------+
|Номер| 1| 2|
| E A | 3840000.000| 456000.000|
| E I | 51120.000| 122400.000|
+-----+-------------+-------------+
Загружение 1 Постоянная
Неузловые нагрузки
+---------+----------+----------+----------+----------+----------+----------+
|No. элем.| 6| 11| 16| 21| 26| 31|
|Направл. | 2| 2| 2| 2| 2| 2|
|Вел. нач.| -4.180| -4.180| -4.180|
-4.180| -4.180| -4.180|
|Вел. кон.| -4.180| -4.180| -4.180|
-4.180| -4.180| -4.180|
+---------+----------+----------+----------+----------+----------+----------+
|No. элем.| 10| 15| 20| 25| 30| 35|
|Направл. | 2| 2| 2| 2| 2| 2|
|Вел. нач.| -4.180| -4.180| -4.180|
-4.180| -4.180| -4.180|
|Вел. кон.| -4.180| -4.180| -4.180|
-4.180| -4.180| -4.180|
+---------+----------+----------+----------+----------+----------+----------+
|No. элем.| 36| 37| 38| 39| 40| 41|
|Направл. | 2| 2| 2| 2| 2| 2|
|Вел. нач.| -39.000| -39.000|
-39.000| -39.000| -33.000| -33.000|
|Вел. кон.| -39.000| -39.000|
-39.000| -39.000| -33.000| -33.000|
+---------+----------+----------+----------+----------+----------+----------+
|No. элем.| 42| 43| 44| 45| 46| 47|
|Направл. | 2| 2| 2| 2| 2| 2|
|Вел. нач.| -33.000| -33.000|
-33.000| -33.000| -33.000| -33.000|
|Вел. кон.| -33.000| -33.000|
-33.000| -33.000| -33.000| -33.000|
+---------+----------+----------+----------+----------+----------+----------+
|No. элем.| 48| 49| 50| 51| 52| 53|
|Направл. | 2| 2| 2| 2| 2| 2|
|Вел. нач.| -28.700| -28.700|
-28.700| -28.700| -29.600| -29.600|
|Вел. кон.| -28.700| -28.700|
-28.700| -28.700| -29.600| -29.600|
+---------+----------+----------+----------+----------+----------+----------+
|No. элем.| 54| 55| 56| 57| 58| 59|
|Направл. | 2| 2| 2| 2| 2| 2|
|Вел. нач.| -29.600| -29.600|
-29.600| -29.600| -29.600| -29.600|
|Вел. кон.| -29.600| -29.600|
-29.600| -29.600| -29.600| -29.600|
+---------+----------+----------+----------+----------+----------+----------+
|No. элем.| 60| 61| 62| 63|
|Направл. | 2| 2| 2| 2|
|Вел. нач.| -29.600| -29.600|
-29.600| -29.600|
|Вел. кон.| -29.600| -29.600|
-29.600| -29.600|
+---------+----------+----------+----------+----------+
Загружение 2 Временная
Неузловые нагрузки
+---------+----------+----------+----------+----------+----------+----------+
|No. элем.| 36| 37| 38| 39| 40| 41|
|Направл. | 2| 2| 2| 2| 2| 2|
|Вел. нач.| -6.210| -6.210| -6.210|
-6.210| -4.100| -4.100|
|Вел. кон.| -6.210| -6.210| -6.210|
-6.210| -4.100| -4.100|
+---------+----------+----------+----------+----------+----------+----------+
|No. элем.| 42| 43| 44| 45| 46| 47|
|Направл. | 2| 2| 2| 2| 2| 2|
|Вел. нач.| -4.100| -4.100| -4.100|
-4.100| -4.100| -4.100|
|Вел. кон.| -4.100| -4.100| -4.100|
-4.100| -4.100| -4.100|
+---------+----------+----------+----------+----------+----------+----------+
|No. элем.| 48| 49| 50| 51| 52| 53|
|Направл. | 2| 2| 2| 2| 2| 2|
|Вел. нач.| -2.960| -2.960| -2.960|
-2.960| -2.960| -2.960|
|Вел. кон.| -2.960| -2.960| -2.960|
-2.960| -2.960| -2.960|
+---------+----------+----------+----------+----------+----------+----------+
|No. элем.| 54| 55| 56| 57| 58| 59|
|Направл. | 2| 2| 2| 2| 2| 2|
|Вел. нач.| -2.960| -2.960| -2.960|
-2.960| -2.960| -2.960|
|Вел. кон.| -2.960| -2.960| -2.960|
-2.960| -2.960| -2.960|
+---------+----------+----------+----------+----------+----------+----------+
Загружение 3 Снеговая
Неузловые нагрузки
+---------+----------+----------+----------+----------+
|No. элем.| 60| 61| 62| 63|
|Направл. | 2| 2| 2| 2|
|Вел. нач.| -10.260| -10.260|
-10.260| -10.260|
|Вел. кон.| -10.260| -10.260|
-10.260| -10.260|
+---------+----------+----------+----------+----------+
Загружение 4 Ветровая
(ветер слева)
+---------+----------+----------+----------+----------+----------+----------+
|No. элем.| 6| 11| 16| 21| 26| 31|
|Направл. | 1| 1| 1| 1| 1| 1|
|Вел. нач.| 0.960| 0.960| 1.100|
1.280| 1.400| 1.530|
|Вел. кон.| 0.960| 1.100| 1.280|
1.400| 1.530| 1.640|
+---------+----------+----------+----------+----------+----------+----------+
|No. элем.| 10| 15| 20| 25| 30| 35|
|Направл. | 1| 1| 1| 1| 1| 1|
|Вел. нач.| 0.720| 0.720| 0.830|
0.960| 1.050| 1.150|
|Вел. кон.| 0.720| 0.830| 0.960|
1.050| 1.150| 1.240|
+---------+----------+----------+----------+----------+----------+----------+
Загружение 5 Ветровая (ветер справа)
Неузловые нагрузки
+---------+----------+----------+----------+----------+----------+----------+
|No. элем.| 6| 11| 16| 21| 26| 31|
|Направл. | 1| 1| 1| 1| 1| 1|
|Вел. нач.| -0.720| -0.720| -0.830|
-0.960| -1.050| -1.150|
|Вел. кон.| -0.720| -0.830| -0.960|
-1.050| -1.150| -1.240|
+---------+----------+----------+----------+----------+----------+----------+
|No. элем.| 10| 15| 20| 25| 30| 35|
|Направл. | 1| 1| 1| 1| 1| 1|
|Вел. нач.| -0.960| -0.960| -1.100|
-1.280| -1.400| -1.530|
|Вел. кон.| -0.960| -1.100| -1.280|
-1.400| -1.530| -1.640|
+---------+----------+----------+----------+----------+----------+----------+
Внутренние усилия в стержнях.
Загружение 1
+-------+----------+----------+----------+----------+----------+----------+
|Элемент| 1 Нач.| 1 Кон.| 2 Нач.| 2
Кон.| 3 Нач.| 3 Кон.|
| M | 30.854| 13.428| 20.925|
33.452| 20.995| 33.437|
| Q | 4.149| 4.149| -2.983| -2.983|
-2.962| -2.962|
| N | 1754.026| 1754.026| 2197.220|
2197.220| 2197.937| 2197.937|
+-------+----------+----------+----------+----------+----------+----------+
|Элемент| 4 Нач.| 4 Кон.| 5 Нач.| 5
Кон.| 6 Нач.| 6 Кон.|
| M | 21.829| 31.838| 30.960|
13.408| 13.428| -0.984|
| Q | -2.383| -2.383| 4.179| 4.179|
3.431| 3.431|
| N | 2197.392| 2197.392| 1755.476|
1755.476| 1637.026| 1619.470|
+-------+----------+----------+----------+----------+----------+----------+
|Элемент| 7 Нач.| 7 Кон.| 8 Нач.| 8
Кон.| 9 Нач.| 9 Кон.|
| M | -5.215| 6.582| -5.079| 6.356|
-2.416| 3.248|
| Q | -2.809| -2.809| -2.723|
-2.723| -1.348| -1.348|
| N | 2105.776| 2105.776| 2100.962|
2100.962| 2089.103| 2089.103|
+-------+----------+----------+----------+----------+----------+----------+
|Элемент| 10 Нач.| 10 Кон.| 11 Нач.|
11 Кон.| 12 Нач.| 12 Кон.|
| M | 13.408| -1.076| -0.984|
-1.860| -1.594| 2.058|
| Q | 3.448| 3.448| 0.266| 0.266|
-1.107| -1.107|
| N | 1644.185| 1626.629| 1520.470|
1506.676| 1906.413| 1906.413|
+-------+----------+----------+----------+----------+----------+----------+
|Элемент| 13 Нач.| 13 Кон.| 14 Нач.|
14 Кон.| 15 Нач.| 15 Кон.|
| M | -1.815| 2.239| 3.148| -2.950|
-1.076| -1.808|
| Q | -1.228| -1.228| 1.848| 1.848|
0.222| 0.222|
| N | 1902.963| 1902.963| 1892.448|
1892.448| 1527.646| 1513.852|
+-------+----------+----------+----------+----------+----------+----------+
|Элемент| 16 Нач.| 16 Кон.| 17 Нач.|
17 Кон.| 18 Нач.| 18 Кон.|
| M | -1.860| -1.730| -5.172|
-1.208| -5.004| -1.329|
| Q |-3.940E-02|-3.940E-02| -1.201|
-1.201| -1.114| -1.114|
| N | 1407.676| 1393.882| 1707.208|
1707.208| 1704.961| 1704.961|
+-------+----------+----------+----------+----------+----------+----------+
|Элемент| 19 Нач.| 19 Кон.| 20 Нач.|
20 Кон.| 21 Нач.| 21 Кон.|
| M | 0.599| -7.267| -1.808| -1.711|
-1.730|-3.809E-02|
| Q | 2.384|
2.384|-2.933E-02|-2.933E-02| -0.513| -0.513|
| N | 1696.247| 1696.247| ї414.260|
1400.466| 1307.782| 1293.988|
+-------+----------+----------+----------+----------+----------+----------+
|Элемент| 22 Нач.| 22 Кон.| 23 Нач.|
23 Кон.| 24 Нач.| 24 Кон.|
| M | -1.672| 1.707| -1.655| 1.701|
4.991| -5.183|
| Q | -1.024| -1.024| -1.017|
-1.017| 3.083| 3.083|
| N | 1534.931| 1534.931| 1532.784|
1532.784| 1526.144| 1526.144|
+-------+----------+----------+----------+----------+----------+----------+
|Элемент| 25 Нач.| 25 Кон.| 26 Нач.|
26 Кон.| 27 Нач.| 27 Кон.|
| M | -1.711| 3.485E-02|-3.809E-02|
0.132| -2.720| 2.430|
| Q | -0.529|
-0.529|-5.147E-02|-5.147E-02| -1.561| -1.561|
| N | 1312.323| 1298.529| 205.188|
191.394| 356.593| 356.593|
+-------+----------+----------+----------+----------+----------+----------+
|Элемент| 28 Нач.| 28 Кон.| 29 Нач.|
29 Кон.| 30 Нач.| 30 Кон.|
| M | -2.525| 2.142| 4.580| -4.982|
3.485E-02| -0.389|
| Q | -1.414| -1.414| 2.898| 2.898|
0.129| 0.129|
| N | 355.217| 355.217| 350.875|
350.875| 208.102| 194.308|
+-------+----------+----------+----------+----------+----------+----------+
|Элемент| 31 Нач.| 31 Кон.| 32 Нач.|
32 Кон.| 33 Нач.| 33 Кон.|
| M | 0.132|-1.863E-09| -2.556|
3.371| -2.803| 3.517|
| Q | 3.992E-02| 3.992E-02| -1.796|
-1.796| -1.915| -1.915|
| N | 102.594| 88.800| 178.162|
178.162| 177.624| 177.624|
+-------+----------+----------+----------+----------+----------+----------+
|Элемент| 34 Нач.| 34 Кон.| 35 Нач.|
35 Кон.| 36 Нач.| 36 Кон.|
| M | 5.299| -7.205| -0.389|
3.725E-09|-1.164E-10|-1.164E-10|
| Q | 3.789| 3.789| -0.118| -0.118|
117.000| -117.000|
| N | 175.813| 175.813| 103.795|
90.001| -0.718| -0.718|
+-------+----------+----------+----------+----------+----------+----------+
|Элемент| 37 Нач.| 37 Кон.| 38 Нач.|
38 Кон.| 39 Нач.| 39 Кон.|
| M | 38.667| 0.000|
38.515|-1.164E-10| 34.253|-2.328E-10|
| Q | 123.444| -110.556| 123.419|
-110.581| 122.709| -111.291|
| N | -0.544| -0.544| -0.304|
-0.304| 0.731| 0.731|
+-------+----------+----------+----------+----------+----------+----------+
|Элемент| 40 Нач.| 40 Кон.| 41 Нач.|
41 Кон.| 42 Нач.| 42 Кон.|
| M |-2.328E-10| 3.492E-10|
8.176|-1.164E-10| 8.172|-4.657E-10|
| Q | 99.000| -99.000| 100.363|
-97.637| 100.362| -97.638|
| N | -3.166| -3.166| -1.464|
-1.464| 3.033E-02| 3.033E-02|
+-------+----------+----------+----------+----------+----------+----------+
|Элемент| 43 Нач.| 43 Кон.| 44 Нач.|
44 Кон.| 45 Нач.| 45 Кон.|
| M | 9.997E-02| 1.164E-10|
1.164E-10| 1.164E-10| 7.230|-9.313E-10|
| Q | 99.017| -98.983| 99.000|
-99.000| 100.205| -97.795|
| N | 3.227| 3.227| -0.305| -0.305|
-0.399| -0.399|
+-------+----------+----------+----------+----------+----------+----------+
|Элемент| 46 Нач.| 46 Кон.| 47 Нач.|
47 Кон.| 48 Нач.| 48 Кон.|
| M | 7.243| 1.164E-10|
-3.549|-1.048E-09| 0.000| 2.328E-10|
| Q | 100.207| -97.793| 98.409|
-99.591| 86.100| -86.100|
| N | -0.285| -0.285| 0.251| 0.251|
-0.473| -0.473|
+-------+----------+----------+----------+----------+----------+----------+
|Элемент| 49 Нач.| 49 Кон.| 50 Нач.|
50 Кон.| 51 Нач.| 51 Кон.|
| M | 0.464|-6.985E-10| 0.326|
9.313E-10| -12.258|-6.985E-10|
| Q | 86.177| -86.023| 86.154|
-86.046| 84.057| -88.143|
| N | -0.296| -0.296| -0.200|
-0.200| 0.500| 0.500|
+-------+----------+----------+----------+----------+----------+----------+
|Элемент| 52 Нач.| 52 Кон.| 53 Нач.|
53 Кон.| 54 Нач.| 54 Кон.|
| M |-3.492E-10|-1.164E-10|
4.427|-3.492E-10| 4.226| 0.000|
| Q | 88.800| -88.800| 89.538|
-88.062| 89.504| -88.096|
| N | 0.461| 0.461|-7.530E-02|-7.530E-02|
-0.472| -0.472|
+-------+----------+----------+----------+----------+----------+----------+
|Элемент| 55 Нач.| 55 Кон.| 56 Нач.|
56 Кон.| 57 Нач.| 57 Кон.|
| M | -9.763| 2.328E-10|
1.164E-10|-1.164E-10| 4.986| 0.000|
| Q | 87.173| -90.427| 88.800|
-88.800| 89.631| -87.969|
| N | -0.658| -0.658| 9.139E-02|
9.139E-02| -0.144| -0.144|
+-------+----------+----------+----------+----------+----------+----------+
|Элемент| 58 Нач.| 58 Кон.| 59 Нач.|
59 Кон.| 60 Нач.| 60 Кон.|
| M | 4.944| 2.328E-10| -10.281|
1.164E-10|-3.492E-10| 1.164E-10|
| Q | 89.624| -87.976| 87.087|
-90.513| 88.800| -88.800|
| N | -0.645| -0.645| 0.247|
0.247|-3.992E-02|-3.992E-02|
+-------+----------+----------+----------+----------+----------+----------+
|Элемент| 61 Нач.| 61 Кон.| 62 Нач.|
62 Кон.| 63 Нач.| 63 Кон.|
| M | 3.371|-3.492E-10| 3.517|
0.000| -7.205| 3.492E-10|
| Q | 89.362| -88.238| 89.386|
-88.214| 87.599| -90.001|
| N | 1.756| 1.756| 3.671| 3.671|
-0.118| -0.118|
+-------+----------+----------+----------+----------+----------+----------+
Внутренние усилия в стержнях.
Загружение 2
+-------+----------+----------+----------+----------+----------+----------+
|Элемент| 1 Нач.| 1 Кон.| 2 Нач.| 2
Кон.| 3 Нач.| 3 Кон.|
| M | 4.868| 1.661| 3.064| 5.316|
3.079| 5.311|
| Q | 0.763| 0.763| -0.536| -0.536|
-0.532| -0.532|
| N | 69.870| 69.870| 141.250|
141.250| 139.741| 139.741|
+-------+----------+----------+----------+----------+----------+----------+
|Элемент| 4 Нач.| 4 Кон.| 5 Нач.| 5
Кон.| 6 Нач.| 6 Кон.|
| M | 3.174| 5.119| 4.880| 1.658|
1.661| -0.673|
| Q | -0.463| -0.463| 0.767| 0.767|
0.556| 0.556|
| N | 138.386| 138.386| 69.713|
69.713| 51.240| 51.240|
+-------+----------+----------+----------+----------+----------+----------+
|Элемент| 7 Нач.| 7 Кон.| 8 Нач.| 8
Кон.| 9 Нач.| 9 Кон.|
| M | -1.545| 0.272| -1.527| 0.237|
-1.212| -0.117|
| Q | -0.433| -0.433| -0.420|
-0.420| -0.261| -0.261|
| N | 102.846| 102.846| 102.485|
102.485| 101.211| 101.211|
+-------+----------+----------+----------+----------+----------+----------+
|Элемент| 10 Нач.| 10 Кон.| 11 Нач.|
11 Кон.| 12 Нач.| 12 Кон.|
| M | 1.658| -0.683| -0.673| -0.587|
-0.290|-1.286E-02|
| Q | 0.557|
0.557|-2.592E-02|-2.592E-02|-8.385E-02|-8.385E-02|
| N | 52.138| 52.138| 38.940|
38.940| 78.153| 78.153|
+-------+----------+----------+----------+----------+----------+----------+
|Элемент| 13 Нач.| 13 Кон.| 14 Нач.|
14 Кон.| 15 Нач.| 15 Кон.|
| M | -0.335| 3.046E-02| 0.251|
-0.578| -0.683| -0.581|
| Q | -0.111| -0.111| 0.251|
0.251|-3.096E-02|-3.096E-02|
| N | 77.883| 77.883| 76.768|
76.768| 39.776| 39.776|
+-------+----------+----------+----------+----------+----------+----------+
|Элемент| 16 Нач.| 16 Кон.| 17 Нач.|
17 Кон.| 18 Нач.| 18 Кон.|
| M | -0.587| -0.607| -1.169|
-0.697| -1.133| -0.733|
| Q | 6.193E-03| 6.193E-03| -0.143|
-0.143| -0.121| -0.121|
| N | 26.640| 26.640| 53.360|
53.360| 53.282| 53.282|
+-------+----------+----------+----------+----------+----------+----------+
|Элемент| 19 Нач.| 19 Кон.| 20 Нач.|
20 Кон.| 21 Нач.| 21 Кон.|
| M | -0.531| -1.359| -0.581|
-0.605| -0.607| -0.288|
| Q | 0.251| 0.251| 7.454E-03|
7.454E-03|-9.682E-02|-9.682E-02|
| N | 52.370| 52.370| 27.469|
27.469| 17.760| 17.760|
+-------+----------+----------+----------+----------+----------+----------+
|Элемент| 22 Нач.| 22 Кон.| 23 Нач.|
23 Кон.| 24 Нач.| 24 Кон.|
| M | -0.408| -0.174| -0.444|
-0.116| 0.304| -0.903|
| Q
|-7.102E-02|-7.102E-02|-9.958E-02|-9.958E-02| 0.366| 0.366|
| N | 35.648| 35.648| 35.522|
35.522| 34.839| 34.839|
+-------+----------+----------+----------+----------+----------+----------+
|Элемент| 25 Нач.| 25 Кон.| 26 Нач.|
26 Кон.| 27 Нач.| 27 Кон.|
| M | -0.605| -0.281| -0.288|
-1.400| -1.036| 0.310|
| Q |-9.834E-02|-9.834E-02| 0.337|
0.337| -0.408| -0.408|
| N | 18.311| 18.311| 8.880| 8.880|
17.744| 17.744|
+-------+----------+----------+----------+----------+----------+----------+
|Элемент| 28 Нач.| 28 Кон.| 29 Нач.|
29 Кон.| 30 Нач.| 30 Кон.|
| M | -0.926| 0.179| -0.279| -0.450|
-0.281| -1.450|
| Q | -0.335| -0.335| 5.174E-02|
5.174E-02| 0.354| 0.354|
+-------+----------+----------+----------+----------+----------+----------+
|Элемент| 31 Нач.| 31 Кон.| 32 Нач.|
32 Кон.| 33 Нач.| 33 Кон.|
| M | -1.400|-2.328E-10| -1.983|
-2.388| -2.103| -2.314|
| Q | -0.424| -0.424| 0.123| 0.123|
6.388E-02| 6.388E-02|
| N | 0.000| 0.000| -0.398| -0.398|
1.231E-02| 1.231E-02|
+-------+----------+----------+----------+----------+----------+----------+
|Элемент| 34 Нач.| 34 Кон.| 35 Нач.|
35 Кон.| 36 Нач.| 36 Кон.|
| M | -1.196| -3.430| -1.450|
2.328E-10| 2.910E-11| 0.000|
| Q | 0.677| 0.677| -0.439| -0.439|
18.630| -18.630|
| N | -0.186| -0.186| 0.572| 0.572|
-0.208| -0.208|
+-------+----------+----------+----------+----------+----------+----------+
|Элемент| 37 Нач.| 37 Кон.| 38 Нач.|
38 Кон.| 39 Нач.| 39 Кон.|
| M | 6.860| 0.000| 6.838| 0.000|
6.331|-2.910E-11|
| Q | 19.773| -17.487| 19.770|
-17.490| 19.685| -17.575|
| N | -0.104| -0.104| 7.221E-03|
7.221E-03| 0.210| 0.210|
+-------+----------+----------+----------+----------+----------+----------+
|Элемент| 40 Нач.| 40 Кон.| 41 Нач.|
41 Кон.| 42 Нач.| 42 Кон.|
| M | 1.455E-11| 2.910E-11| 0.561|
1.019E-10| 0.572| 0.000|
| Q | 12.300| -12.300| 12.394|
-12.206| 12.395| -12.205|
| N | -0.582| -0.582| -0.233|
-0.233| 7.634E-02| 7.634E-02|
+-------+----------+----------+----------+----------+----------+----------+
|Элемент| 43 Нач.| 43 Кон.| 44 Нач.|
44 Кон.| 45 Нач.| 45 Кон.|
| M | -0.369| 5.821E-11|
0.000|-1.455E-11| 1.156|-1.601E-10|
| Q | 12.239| -12.361| 12.300|
-12.300| 12.493| -12.107|
| N | 0.588| 0.588| 3.211E-02|
3.211E-02|-2.724E-02|-2.724E-02|
+-------+----------+----------+----------+----------+----------+----------+
|Элемент| 46 Нач.| 46 Кон.| 47 Нач.|
47 Кон.| 48 Нач.| 48 Кон.|
| M |
1.164|-4.366E-11|-4.741E-02|-1.310E-10|-1.455E-11| 0.000|
| Q | 12.494| -12.106| 12.292|
-12.308| 8.880| -8.880|
| N
|-3.783E-02|-3.783E-02|-3.841E-02|-3.841E-02| -0.103| -0.103|
+-------+----------+----------+----------+----------+----------+----------+
|Элемент| 49 Нач.| 49 Кон.| 50 Нач.|
50 Кон.| 51 Нач.| 51 Кон.|
| M | -0.288|-8.731E-11|
-0.289|-4.366E-11| -1.663|-1.455E-11|
| Q | 8.832| -8.928| 8.832| -8.928|
8.603| -9.157|
| N |-3.084E-02|-3.084E-02|-9.108E-03|-9.108E-03|
0.106| 0.106|
+-------+----------+----------+----------+----------+----------+----------+
|Элемент| 52 Нач.| 52 Кон.| 53 Нач.|
53 Кон.| 54 Нач.| 54 Кон.|
| M |-2.910E-11| 0.000| 0.861|
1.746E-10| 0.811| 8.731E-11|
| Q | 8.880| -8.880| 9.024| -8.736|
9.015| -8.745|
| N | 0.434| 0.434| 9.689E-02|
9.689E-02| -0.139| -0.139|
+-------+----------+----------+----------+----------+----------+----------+
|Элемент| 55 Нач.| 55 Кон.| 56 Нач.|
56 Кон.| 57 Нач.| 57 Кон.|
| M | -0.624| 8.731E-11|-4.366E-11|
2.910E-11| 2.294|-1.019E-10|
| Q | 8.776| -8.984| 8.880| -8.880|
9.262| -8.498|
| N | -0.453| -0.453| -0.761|
-0.761| -0.231| -0.231|
+-------+----------+----------+----------+----------+----------+----------+
|Элемент| 58 Нач.| 58 Кон.| 59 Нач.|
59 Кон.| 60 Нач.| 60 Кон.|
| M | 2.283| 2.910E-11| 0.746|
2.910E-11| 1.455E-11|-1.455E-11|
| Q | 9.260| -8.500| 9.004| -8.756|
3.638E-12| 3.638E-12|
| N | 0.168| 0.168| 0.794| 0.794|
0.424| 0.424|
+-------+----------+----------+----------+----------+----------+----------+
|Элемент| 61 Нач.| 61 Кон.| 62 Нач.|
62 Кон.| 63 Нач.| 63 Кон.|
| M | -2.388|-5.821E-11| -2.314|
0.000| -3.430| 0.000|
| Q | -0.398| -0.398| -0.386|
-0.386| -0.572| -0.572|
| N | 0.302| 0.302| 0.238| 0.238|
-0.439| -0.439|
+-------+----------+----------+----------+----------+----------+----------+
Внутренние усилия в стержнях.
Загружение 3
+-------+----------+----------+----------+----------+----------+----------+
|Элемент| 1 Нач.| 1 Кон.| 2 Нач.| 2
Кон.| 3 Нач.| 3 Кон.|
| M
|-2.431E-02|-1.990E-02|-3.751E-02| 6.814E-03|-3.405E-02| 3.820E-03|
| Q
|-1.050E-03|-1.050E-03|-1.055E-02|-1.055E-02|-9.017E-03|-9.017E-03|
| N | 30.780| 30.780| 61.875|
61.875| 61.528| 61.528|
+-------+----------+----------+----------+----------+----------+----------+
|Элемент| 4 Нач.| 4 Кон.| 5 Нач.| 5
Кон.| 6 Нач.| 6 Кон.|
| M |
9.196E-03|-7.528E-02|-1.839E-02|-2.052E-02|-1.990E-02|-9.792E-03|
| Q | 2.011E-02| 2.011E-02|
5.076E-04| 5.076E-04|-2.407E-03|-2.407E-03|
| N | 60.662| 60.662| 31.395| 31.395|
30.780| 30.780|
+-------+----------+----------+----------+----------+----------+----------+
|Элемент| 7 Нач.| 7 Кон.| 8 Нач.| 8
Кон.| 9 Нач.| 9 Кон.|
| M |-6.651E-02|
4.436E-02|-6.252E-02| 3.876E-02| 8.508E-02| -0.143|
| Q |-2.640E-02|-2.640E-02|-2.411E-02|-2.411E-02|
5.421E-02| 5.421E-02|
| N | 61.862| 61.862| 61.530|
61.530| 60.700| 60.700|
+-------+----------+----------+----------+----------+----------+----------+
|Элемент| 10 Нач.| 10 Кон.| 11 Нач.|
11 Кон.| 12 Нач.| 12 Кон.|
| M |-2.052E-02|-1.511E-02|-9.792E-03|
2.396E-02|-8.093E-02| 9.183E-02|
| Q
|-1.289E-03|-1.289E-03|-1.023E-02|-1.023E-02|-5.235E-02|-5.235E-02|
| N | 31.368| 31.368| 30.780|
30.780| 61.841| 61.841|
+-------+----------+----------+----------+----------+----------+----------+
|Элемент| 13 Нач.| 13 Кон.| 14 Нач.|
14 Кон.| 15 Нач.| 15 Кон.|
| M |-7.805E-02| 8.723E-02| 0.200|
-0.213|-1.511E-02| 2.686E-02|
| Q |-5.008E-02|-5.008E-02| 0.125|
0.125|-1.272E-02|-1.272E-02|
| N | 61.531| 61.531| 60.777|
60.777| 31.311| 31.311|
+-------+----------+----------+----------+----------+----------+----------+
|Элемент| 16 Нач.| 16 Кон.| 17 Нач.|
17 Кон.| 18 Нач.| 18 Кон.|
| M | 2.396E-02| 0.137|-9.188E-03|
0.167|-4.832E-03| 0.191|
| Q
|-3.428E-02|-3.428E-02|-5.347E-02|-5.347E-02|-5.942E-02|-5.942E-02|
| N | 30.780| 30.780| 61.825|
61.825| 61.532| 61.532|
+-------+----------+----------+----------+----------+----------+----------+
|Элемент| 19 Нач.| 19 Кон.| 20 Нач.|
20 Кон.| 21 Нач.| 21 Кон.|
| M | 0.363| -0.235| 2.686E-02|
0.139| 0.137| 0.637|
| Q | 0.181|
0.181|-3.393E-02|-3.393E-02| -0.152| -0.152|
| N | 60.888| 60.888| 31.215|
31.215| 30.780| 30.780|
+-------+----------+----------+----------+----------+----------+----------+
|Элемент| 22 Нач.| 22 Кон.| 23 Нач.|
23 Кон.| 24 Нач.| 24 Кон.|
| M | 0.381| 0.460| 0.473| 0.284|
0.853|-4.292E-02|
| Q |-2.391E-02|-2.391E-02|
5.716E-02| 5.716E-02| 0.271| 0.271|
| N | 61.860| 61.860| 61.544|
61.544| 61.022| 61.022|
+-------+----------+----------+----------+----------+----------+----------+
|Элемент| 25 Нач.| 25 Кон.| 26 Нач.|
26 Кон.| 27 Нач.| 27 Кон.|
| M | 0.139| 0.644| 0.637| 4.844|
2.338| -0.254|
| Q | -0.153| -0.153| -1.275|
-1.275| 0.785| 0.785|
| N | 31.034| 31.034| 30.780|
30.780| 62.173| 62.173|
+-------+----------+----------+----------+----------+----------+----------+
|Элемент| 28 Нач.| 28 Кон.| 29 Нач.|
29 Кон.| 30 Нач.| 30 Кон.|
| M | 2.067| 6.347E-02| 2.907|
-0.852| 0.644| 4.792|
| Q | 0.607| 0.607| 1.139| 1.139|
-1.257| -1.257|
| N | 61.528| 61.528| 61.217|
61.217| 30.542| 30.542|
+-------+----------+----------+----------+----------+----------+----------+
|Элемент| 31 Нач.| 31 Кон.| 32 Нач.|
32 Кон.| 33 Нач.| 33 Кон.|
| M | 4.844| 5.821E-11| 5.747|
9.680| 6.058| 9.481|
| Q | 1.468| 1.468| -1.192| -1.192|
-1.037| -1.037|
| N | 30.780| 30.780| 63.173|
63.173| 61.527| 61.527|
+-------+----------+----------+----------+----------+----------+----------+
|Элемент| 34 Нач.| 34 Кон.| 35 Нач.|
35 Кон.| 36 Нач.| 36 Кон.|
| M | 6.428| 8.708| 4.792| 0.000|
0.000| 1.819E-12|
| Q | -0.691| -0.691| 1.452|
1.452|-4.547E-13|-4.547E-13|
| N | 61.431| 61.431| 29.329|
29.329|-1.357E-03|-1.357E-03|
+-------+----------+----------+----------+----------+----------+----------+
|Элемент| 37 Нач.| 37 Кон.| 38 Нач.|
38 Кон.| 39 Нач.| 39 Кон.|
| M | 7.332E-02| 0.000| 6.634E-02|
1.819E-12| -0.160|-9.095E-13|
| Q | 1.222E-02| 1.222E-02|
1.106E-02| 1.106E-02|-2.673E-02|-2.673E-02|
| N
|-1.720E-02|-1.720E-02|-3.230E-02|-3.230E-02| 1.797E-03| 1.797E-03|
+-------+----------+----------+----------+----------+----------+----------+
|Элемент| 40 Нач.| 40 Кон.| 41 Нач.|
41 Кон.| 42 Нач.| 42 Кон.|
| M |-3.638E-12| 3.638E-12| 0.125|
0.000| 0.117| 3.638E-12|
| Q |-9.095E-13|-9.095E-13|
2.088E-02| 2.088E-02| 1.947E-02| 1.947E-02|
| N
|-7.821E-03|-7.821E-03|-3.378E-02|-3.378E-02|-5.974E-02|-5.974E-02|
+-------+----------+----------+----------+----------+----------+----------+
|Элемент| 43 Нач.| 43 Кон.| 44 Нач.|
44 Кон.| 45 Нач.| 45 Кон.|
| M | -0.343| 7.276E-12| 0.000|
0.000| 0.101| 0.000|
| Q |-5.717E-02|-5.717E-02| 0.000|
0.000| 1.684E-02| 1.684E-02|
| N | 1.143E-02|
1.143E-02|-2.405E-02|-2.405E-02|-2.517E-02|-2.517E-02|
+-------+----------+----------+----------+----------+----------+----------+
|Элемент| 46 Нач.| 46 Кон.| 47 Нач.|
47 Кон.| 48 Нач.| 48 Кон.|
| M | 9.206E-02|-1.455E-11|
-0.576|-7.276E-12| 0.000| 0.000|
| Q | 1.534E-02|
1.534E-02|-9.598E-02|-9.598E-02| 0.000| 0.000|
| N |-3.451E-02|-3.451E-02|
2.121E-02| 2.121E-02| -0.117| -0.117|
+-------+----------+----------+----------+----------+----------+----------+
|Элемент| 49 Нач.| 49 Кон.| 50 Нач.|
50 Кон.| 51 Нач.| 51 Кон.|
| M | -0.214| 0.000| -0.282|
7.276E-12| -1.088|-7.276E-12|
| Q
|-3.564E-02|-3.564E-02|-4.697E-02|-4.697E-02| -0.181| -0.181|
| N |-8.767E-02|-8.767E-02|
2.891E-02| 2.891E-02| 0.119| 0.119|
+-------+----------+----------+----------+----------+----------+----------+
|Элемент| 52 Нач.| 52 Кон.| 53 Нач.|
53 Кон.| 54 Нач.| 54 Кон.|
| M | 0.000| 0.000| -1.878|
2.183E-11| -1.783|-7.276E-12|
| Q | 0.000| 0.000| -0.313| -0.313|
-0.297| -0.297|
| N | -1.123| -1.123| -0.314|
-0.314| 0.236| 0.236|
+-------+----------+----------+----------+----------+----------+----------+
|Элемент| 55 Нач.| 55 Кон.| 56 Нач.|
56 Кон.| 57 Нач.| 57 Кон.|
| M | -2.950| 0.000|-7.276E-12| 0.000|
-6.001| 1.455E-11|
| Q | -0.492|
-0.492|-3.638E-12|-3.638E-12| -1.000| -1.000|
| N | 1.104| 1.104| 2.743| 2.743|
0.765| 0.765|
+-------+----------+----------+----------+----------+----------+----------+
|Элемент| 58 Нач.| 58 Кон.| 59 Нач.|
59 Кон.| 60 Нач.| 60 Кон.|
| M | -5.994| 4.366E-11| -7.280|
7.276E-12|-2.910E-11| 8.731E-11|
| Q | -0.999| -0.999| -1.213|
-1.213| 30.780| -30.780|
| N | -0.879| -0.879| -2.709|
-2.709| -1.468| -1.468|
+-------+----------+----------+----------+----------+----------+----------+
|Элемент| 61 Нач.| 61 Кон.| 62 Нач.|
62 Кон.| 63 Нач.| 63 Кон.|
| M | 9.680|-1.455E-10| 9.481|
2.910E-11| 8.708| 2.910E-11|
| Q | 32.393| -29.167| 32.360|
-29.200| 32.231| -29.329|
| N | -0.276| -0.276| 0.761| 0.761|
1.452| 1.452|
+-------+----------+----------+----------+----------+----------+----------+
Внутренние усилия в стержнях.
Загружение 4
+-------+----------+----------+----------+----------+----------+----------+
|Элемент| 1 Нач.| 1 Кон.| 2 Нач.| 2
Кон.| 3 Нач.| 3 Кон.|
| M | 23.656| 3.420| 33.601|
-16.187| 33.712| -16.358|
| Q | 4.818| 4.818| 11.854| 11.854|
11.922| 11.922|
| N |-1.019E-12|-1.019E-12| -30.936|
-30.936| -0.552| -0.552|
+-------+----------+----------+----------+----------+----------+----------+
|Элемент| 4 Нач.| 4 Кон.| 5 Нач.| 5
Кон.| 6 Нач.| 6 Кон.|
| M | 33.517| -16.135| 23.629|
3.242| 3.420| -3.178|
| Q | 11.822| 11.822| 4.854| 4.854|
3.587| -0.445|
| N | 0.554| 0.554| 30.934|
30.934|-1.152E-12|-1.152E-12|
+-------+----------+----------+----------+----------+----------+----------+
|Элемент| 7 Нач.| 7 Кон.| 8 Нач.| 8
Кон.| 9 Нач.| 9 Кон.|
| M | 27.253| -26.748| 27.260|
-26.826| 27.228| -26.701|
| Q | 12.857| 12.857| 12.878|
12.878| 12.840| 12.840|
| N | -23.696| -23.696| -0.523|
-0.523| 0.512| 0.512|
+-------+----------+----------+----------+----------+----------+----------+
|Элемент| 10 Нач.| 10 Кон.| 11 Нач.|
11 Кон.| 12 Нач.| 12 Кон.|
| M | 3.242| -3.460| -3.178| -1.685|
17.703| -22.020|
| Q | 3.108| 8.378E-02| 1.209|
-2.190| 12.037| 12.037|
| N | 23.707|
23.707|-1.126E-12|-1.126E-12| -16.288| -16.288|
+-------+----------+----------+----------+----------+----------+----------+
|Элемент| 13 Нач.| 13 Кон.| 14 Нач.|
14 Кон.| 15 Нач.| 15 Кон.|
| M | 17.870| -22.150| 17.728|
-22.038| -3.460| -1.948|
| Q | 12.127| 12.127| 12.051|
12.051| 0.790| -1.767|
| N | -0.482| -0.482| 0.467| 0.467|
16.302| 16.302|
+-------+----------+----------+----------+----------+----------+----------+
|Элемент| 16 Нач.| 16 Кон.| 17 Нач.|
17 Кон.| 18 Нач.| 18 Кон.|
| M | -1.685| -1.587| 13.764|
-17.895| 14.082| -18.192|
| Q | 1.884| -2.043| 9.593| 9.593|
9.780| 9.780|
| N |-1.303E-12|-1.303E-12| -10.324|
-10.324| -0.407| -0.407|
+-------+----------+----------+----------+----------+----------+----------+
|Элемент| 19 Нач.| 19 Кон.| 20 Нач.|
20 Кон.| 21 Нач.| 21 Кон.|
| M | 13.739| -17.881| -1.948|
-1.872| -1.587| -1.612|
| Q | 9.582| 9.582| 1.418| -1.536|
2.185| -2.237|
| N | 0.391| 0.391| 10.339|
10.339|-1.899E-13|-1.899E-13|
+-------+----------+----------+----------+----------+----------+----------+
|Элемент| 22 Нач.| 22 Кон.| 23 Нач.|
23 Кон.| 24 Нач.| 24 Кон.|
| M | 9.642| -13.875| 9.914|
-14.158| 9.627| -13.861|
| Q | 7.126| 7.126| 7.295| 7.295|
7.118| 7.118|
| N | -5.734| -5.734| -0.312|
-0.312| 0.291| 0.291|
+-------+----------+----------+----------+----------+----------+----------+
|Элемент| 25 Нач.| 25 Кон.| 26 Нач.|
26 Кон.| 27 Нач.| 27 Кон.|
| M | -1.872| -1.935| -1.612|
-1.542| 5.250| -9.463|
| Q | 1.653| -1.664| 2.360| -2.474|
4.459| 4.459|
| N | 5.755|
5.755|-5.419E-13|-5.419E-13| -2.547| -2.547|
+-------+----------+----------+----------+----------+----------+----------+
|Элемент| 28 Нач.| 28 Кон.| 29 Нач.|
29 Кон.| 30 Нач.| 30 Кон.|
| M | 5.560| -9.716| 5.234| -9.403|
-1.935| -1.830|
| Q | 4.629| 4.629| 4.435| 4.435|
1.755| -1.875|
| N | -0.213| -0.213| 0.188| 0.188|
2.572| 2.572|
+-------+----------+----------+----------+----------+----------+----------+
|Элемент| 31 Нач.| 31 Кон.| 32 Нач.|
32 Кон.| 33 Нач.| 33 Кон.|
| M | -1.542| 1.346E-10| 1.319|
-4.497| 1.789| -5.054|
| Q | 2.118| -3.113| 1.762| 1.762|
2.074| 2.074|
| N |-6.857E-13|-6.857E-13| -0.750|
-0.750|-9.282E-02|-9.282E-02|
+-------+----------+----------+----------+----------+----------+----------+
|Элемент| 34 Нач.| 34 Кон.| 35 Нач.|
35 Кон.| 36 Нач.| 36 Кон.|
| M | 1.436| -4.594|
-1.830|-1.239E-09| 0.000| 0.000|
| Q | 1.827| 1.827| 1.393| -2.551|
2.274E-13| 2.274E-13|
| N | 7.669E-02| 7.669E-02| 0.766|
0.766| -1.231| -1.231|
+-------+----------+----------+----------+----------+----------+----------+
|Элемент| 37 Нач.| 37 Кон.| 38 Нач.|
38 Кон.| 39 Нач.| 39 Кон.|
| M | -43.440| 2.169E-11| -43.618|
1.741E-11| -43.363|-9.186E-11|
| Q | -7.240| -7.240| -7.270|
-7.270| -7.227| -7.227|
| N | -0.228| -0.228| 0.728| 0.728|
1.746| 1.746|
+-------+----------+----------+----------+----------+----------+----------+
|Элемент| 40 Нач.| 40 Кон.| 41 Нач.|
41 Кон.| 42 Нач.| 42 Кон.|
| M | 0.000| 0.000| -44.451|
6.560E-11| -44.696| 2.973E-11|
| Q | 4.547E-13| 4.547E-13| -7.409|
-7.409| -7.449| -7.449|
| N | 1.654| 1.654| 0.833| 0.833|
8.304E-02| 8.304E-02|
+-------+----------+----------+----------+----------+----------+----------+
|Элемент| 43 Нач.| 43 Кон.| 44 Нач.|
44 Кон.| 45 Нач.| 45 Кон.|
| M | -44.429| 4.729E-11|
1.819E-12|-1.819E-12| -35.784|-2.192E-10|
| Q | -7.405| -7.405| 9.095E-13|
9.095E-13| -5.964| -5.964|
| N | -0.707| -0.707| 4.075| 4.075|
1.631| 1.631|
+-------+----------+----------+----------+----------+----------+----------+
|Элемент| 46 Нач.| 46 Кон.| 47 Нач.|
47 Кон.| 48 Нач.| 48 Кон.|
| M | -36.232| 9.305E-11| -35.777|
1.492E-10| 0.000| 0.000|
| Q | -6.039| -6.039| -5.963|
-5.963| 0.000| 0.000|
| N | -0.716| -0.716| -3.185|
-3.185| 4.228| 4.228|
+-------+----------+----------+----------+----------+----------+----------+
|Элемент| 49 Нач.| 49 Кон.| 50 Нач.|
50 Кон.| 51 Нач.| 51 Кон.|
| M | -27.536| 6.435E-11| -28.106|
5.275E-11| -27.508|-7.276E-11|
| Q | -4.589| -4.589| -4.684|
-4.684| -4.585| -4.585|
| N | 1.761| 1.761| -0.724| -0.724|
-3.188| -3.188|
+-------+----------+----------+----------+----------+----------+----------+
|Элемент| 52 Нач.| 52 Кон.| 53 Нач.|
53 Кон.| 54 Нач.| 54 Кон.|
| M | 1.819E-12|-1.819E-12|
-19.126|-6.253E-11| -19.718| 1.455E-10|
| Q | 0.000| 0.000| -3.188| -3.188|
-3.286| -3.286|
| N | 4.597| 4.597| 1.929| 1.929|
-0.737| -0.737|
+-------+----------+----------+----------+----------+----------+----------+
|Элемент| 55 Нач.| 55 Кон.| 56 Нач.|
56 Кон.| 57 Нач.| 57 Кон.|
| M | -19.095| 8.731E-11| 1.819E-12|
0.000| -10.782| 1.739E-10|
| Q | -3.183| -3.183| 9.095E-13|
9.095E-13| -1.797| -1.797|
| N | -3.419| -3.419| 4.592| 4.592|
1.896| 1.896|
+-------+----------+----------+----------+----------+----------+----------+
|Элемент| 58 Нач.| 58 Кон.| 59 Нач.|
59 Кон.| 60 Нач.| 60 Кон.|
| M | -11.505| 3.041E-10|
-10.839|-1.164E-10|-1.819E-12| 1.819E-12|
| Q | -1.918| -1.918| -1.806|
-1.806|-9.095E-13|-9.095E-13|
| N | -0.659| -0.659| -3.267|
-3.267| 3.113| 3.113|
+-------+----------+----------+----------+----------+----------+----------+
|Элемент| 61 Нач.| 61 Кон.| 62 Нач.|
62 Кон.| 63 Нач.| 63 Кон.|
| M | -4.497|-6.145E-11|
-5.054|-1.523E-11| -4.594| 1.819E-12|
| Q | -0.750| -0.750| -0.842|
-0.842| -0.766| -0.766|
| N | 1.350| 1.350| -0.724| -0.724|
-2.551| -2.551|
+-------+----------+----------+----------+----------+----------+----------+
Внутренние усилия в стержнях.
Загружение 5
+-------+----------+----------+----------+----------+----------+----------+
|Элемент| 1 Нач.| 1 Кон.| 2 Нач.| 2
Кон.| 3 Нач.| 3 Кон.|
| M | -23.629| -3.242| -33.517|
16.135| -33.712| 16.358|
| Q | -4.854| -4.854| -11.822|
-11.822| -11.922| -11.922|
| N | 1.133E-12| 1.133E-12| 30.934|
30.934| 0.554| 0.554|
+-------+----------+----------+----------+----------+----------+----------+
|Элемент| 4 Нач.| 4 Кон.| 5 Нач.| 5
Кон.| 6 Нач.| 6 Кон.|
| M | -33.601| 16.187| -23.656|
-3.420| -3.242| 3.460|
| Q | -11.854| -11.854| -4.818|
-4.818| -3.108|-8.378E-02|
| N | -0.552| -0.552| -30.936|
-30.936| 1.039E-12| 1.039E-12|
+-------+----------+----------+----------+----------+----------+----------+
|Элемент| 7 Нач.| 7 Кон.| 8 Нач.| 8
Кон.| 9 Нач.| 9 Кон.|
| M | -27.228| 26.701| -27.260|
26.826| -27.253| 26.748|
| Q | -12.840| -12.840| -12.878|
-12.878| -12.857| -12.857|
| N | 23.707| 23.707| 0.512| 0.512| -0.523|
-0.523|
+-------+----------+----------+----------+----------+----------+----------+
|Элемент| 10 Нач.| 10 Кон.| 11 Нач.|
11 Кон.| 12 Нач.| 12 Кон.|
| M | -3.420| 3.178| 3.460| 1.948|
-17.728| 22.038|
| Q | -3.587| 0.445| -0.790| 1.767|
-12.051| -12.051|
| N | -23.696| -23.696| 1.832E-12|
1.832E-12| 16.302| 16.302|
+-------+----------+----------+----------+----------+----------+----------+
|Элемент| 13 Нач.| 13 Кон.| 14 Нач.|
14 Кон.| 15 Нач.| 15 Кон.|
| M | -17.870| 22.150| -17.703| 22.020|
3.178| 1.685|
| Q | -12.127| -12.127| -12.037|
-12.037| -1.209| 2.190|
| N | 0.467| 0.467| -0.482| -0.482|
-16.288| -16.288|
+-------+----------+----------+----------+----------+----------+----------+
|Элемент| 16 Нач.| 16 Кон.| 17 Нач.|
17 Кон.| 18 Нач.| 18 Кон.|
| M | 1.948| 1.872| -13.739| 17.881|
-14.082| 18.192|
| Q | -1.418| 1.536| -9.582| -9.582|
-9.780| -9.780|
| N | 5.966E-13| 5.966E-13| 10.339|
10.339| 0.391| 0.391|
+-------+----------+----------+----------+----------+----------+----------+
|Элемент| 19 Нач.| 19 Кон.| 20 Нач.|
20 Кон.| 21 Нач.| 21 Кон.|
| M | -13.764| 17.895| 1.685| 1.587|
1.872| 1.935|
| Q | -9.593| -9.593| -1.884| 2.043|
-1.653| 1.664|
| N | -0.407| -0.407| -10.324|
-10.324| 1.899E-13| 1.899E-13|
+-------+----------+----------+----------+----------+----------+----------+
|Элемент| 22 Нач.| 22 Кон.| 23 Нач.|
23 Кон.| 24 Нач.| 24 Кон.|
| M | -9.627| 13.861| -9.914|
14.158| -9.642| 13.875|
| Q | -7.118| -7.118| -7.295|
-7.295| -7.126| -7.126|
| N | 5.755| 5.755| 0.291| 0.291| -0.312|
-0.312|
+-------+----------+----------+----------+----------+----------+----------+
|Элемент| 25 Нач.| 25 Кон.| 26 Нач.|
26 Кон.| 27 Нач.| 27 Кон.|
| M | 1.587| 1.612| 1.935| 1.830|
-5.234| 9.403|
| Q | -2.185| 2.237| -1.755| 1.875|
-4.435| -4.435|
| N | -5.734| -5.734| 9.344E-13|
9.344E-13| 2.572| 2.572|
+-------+----------+----------+----------+----------+----------+----------+
|Элемент| 28 Нач.| 28 Кон.| 29 Нач.|
29 Кон.| 30 Нач.| 30 Кон.|
| M | -5.560| 9.716| -5.250| 9.463|
1.612| 1.542|
| Q | -4.629| -4.629| -4.459|
-4.459| -2.360| 2.474|
| N | 0.188| 0.188| -0.213| -0.213|
-2.547| -2.547|
+-------+----------+----------+----------+----------+----------+----------+
|Элемент| 31 Нач.| 31 Кон.| 32 Нач.|
32 Кон.| 33 Нач.| 33 Кон.|
| M | 1.830| 3.074E-10| -1.436|
4.594| -1.789| 5.054|
| Q | -1.393| 2.551| -1.827| -1.827|
-2.074| -2.074|
| N | 2.932E-13| 2.932E-13| 0.766|
0.766| 7.669E-02| 7.669E-02|
+-------+----------+----------+----------+----------+----------+----------+
|Элемент| 34 Нач.| 34 Кон.| 35 Нач.|
35 Кон.| 36 Нач.| 36 Кон.|
| M | -1.319| 4.497| 1.542|
7.967E-10| 0.000| 0.000|
| Q | -1.762| -1.762| -2.118| 3.113|
0.000| 0.000|
| N |-9.282E-02|-9.282E-02| -0.750|
-0.750| 1.746| 1.746|
+-------+----------+----------+----------+----------+----------+----------+
|Элемент| 37 Нач.| 37 Кон.| 38 Нач.|
38 Кон.| 39 Нач.| 39 Кон.|
| M | 43.363|-4.100E-11|
43.618|-6.629E-11| 43.440| 1.819E-12|
| Q | 7.227| 7.227| 7.270| 7.270|
7.240| 7.240|
| N | 0.728| 0.728| -0.228| -0.228|
-1.231| -1.231|
+-------+----------+----------+----------+----------+----------+----------+
|Элемент| 40 Нач.| 40 Кон.| 41 Нач.|
41 Кон.| 42 Нач.| 42 Кон.|
| M |-3.638E-12| 1.819E-12|
44.429|-1.175E-10| 44.696|-5.340E-11|
| Q |-9.095E-13|-9.095E-13| 7.405|
7.405| 7.449| 7.449|
| N | -0.707| -0.707| 8.304E-02|
8.304E-02| 0.833| 0.833|
+-------+----------+----------+----------+----------+----------+----------+
|Элемент| 43 Нач.| 43 Кон.| 44 Нач.|
44 Кон.| 45 Нач.| 45 Кон.|
| M | 44.451|-7.094E-11|
1.819E-12|-1.819E-12| 35.777| 2.060E-10|
| Q | 7.409| 7.409| 0.000| 0.000|
5.963| 5.963|
| N | 1.654| 1.654| -3.185| -3.185|
-0.716| -0.716|
+-------+----------+----------+----------+----------+----------+----------+
|Элемент| 46 Нач.| 46 Кон.| 47 Нач.|
47 Кон.| 48 Нач.| 48 Кон.|
| M | 36.232|-1.075E-10| 35.784|
8.185E-11| 1.819E-12|-1.819E-12|
| Q | 6.039| 6.039| 5.964| 5.964|
9.095E-13| 9.095E-13|
+-------+----------+----------+----------+----------+----------+----------+
|Элемент| 49 Нач.| 49 Кон.| 50 Нач.|
50 Кон.| 51 Нач.| 51 Кон.|
| M | 27.508|-3.507E-11| 28.106|
2.629E-10| 27.536| 2.910E-11|
| Q | 4.585| 4.585| 4.684| 4.684|
4.589| 4.589|
| N | -0.724| -0.724| 1.761| 1.761|
4.228| 4.228|
+-------+----------+----------+----------+----------+----------+----------+
|Элемент| 52 Нач.| 52 Кон.| 53 Нач.|
53 Кон.| 54 Нач.| 54 Кон.|
| M |-1.819E-12| 0.000| 19.095|
5.826E-11| 19.718| 2.105E-10|
| Q |-9.095E-13|-9.095E-13| 3.183|
3.183| 3.286| 3.286|
| N | -3.419| -3.419| -0.737|
-0.737| 1.929| 1.929|
+-------+----------+----------+----------+----------+----------+----------+
|Элемент| 55 Нач.| 55 Кон.| 56 Нач.|
56 Кон.| 57 Нач.| 57 Кон.|
| M | 19.126|-1.164E-10| 0.000|
0.000| 10.839|-3.445E-11|
| Q | 3.188| 3.188| 0.000| 0.000|
1.806| 1.806|
| N | 4.597| 4.597| -3.267| -3.267|
-0.659| -0.659|
+-------+----------+----------+----------+----------+----------+----------+
|Элемент| 58 Нач.| 58 Кон.| 59 Нач.|
59 Кон.| 60 Нач.| 60 Кон.|
| M | 11.505|-1.886E-10|
10.782|-6.003E-11| 0.000| 0.000|
| Q | 1.918| 1.918| 1.797| 1.797|
9.095E-13| 9.095E-13|
| N | 1.896| 1.896| 4.592| 4.592|
-2.551| -2.551|
+-------+----------+----------+----------+----------+----------+----------+
|Элемент| 61 Нач.| 61 Кон.| 62 Нач.|
62 Кон.| 63 Нач.| 63 Кон.|
| M | 4.594|-3.911E-11| 5.054|
2.927E-11| 4.497|-1.273E-11|
| Q | 0.766| 0.766| 0.842| 0.842|
0.750| 0.750|
| N | -0.724| -0.724| 1.350| 1.350|
3.113| 3.113|
+-------+----------+----------+----------+----------+----------+----------+
Граф расчетных сочетаний усилий
+---------+-----+-----+-----+-----+-----+-----+-----+-----+
|No. дуги | 1| 2| 3| 4| 5| 6| 7| 8|
|Нач. дуги| 1| 2| 2| 3| 3| 4| 4| 4|
|Кон. дуги| 2| 3| 3| 4| 4| 5| 5| 5|
|No. загр.| 1| 2| 0| 3| 0| 4| 5| 0|
|К-т соч.
|1.000|0.900|0.000|0.900|0.000|0.900|0.900|0.000|
+---------+-----+-----+-----+-----+-----+-----+-----+-----+
Таблица возможных сочетаний
загружений
+-------------+-------+-------+-------+-------+-------+-------+-------+
|No. сочетания| 1| 2| 3| 4| 5| 6| 7|
|Загружение 1| 1.000| 1.000| 1.000|
1.000| 1.000| 1.000| 1.000|
|Загружение 2| 0.900| 0.900| 0.900|
0.900| 0.900| 1.000| - |
|Загружение 3| 0.900| 0.900| 0.900|
- | - | - | 0.900|
|Загружение 4| 0.900| - | - | 0.900|
- | - | 0.900|
|Загружение 5| - | 0.900| - | - |
0.900| - | - |
+-------------+-------+-------+-------+-------+-------+-------+-------+
|No. сочетания| 8| 9| 10| 11| 12|
|Загружение 1| 1.000| 1.000| 1.000|
1.000| 1.000|
|Загружение 2| - | - | - | - | - |
|Загружение 3| 0.900| 1.000| - | - |
- |
|Загружение 4| - | - | 1.000| - | -
|
|Загружение 5| 0.900| - | - | 1.000|
- |
+-------------+-------+-------+-------+-------+-------+
Экстремальные силовые факторы
+--------+----------+----------+----------+----------+----------+----------+
|Элемент 1, начальная точка |
|Критерий| M_min | M_max | Q_min |
Q_max | N_min | N_max |
| M | 7.225| 56.526| 7.225| 56.526|
54.511| 56.504|
| Q | -0.705| 9.172| -0.705| 9.172|
8.967| 9.172|
| N | 1754.026| 1816.909| 1754.026|
1816.909| 1754.026| 1844.611|
|No. соч.| 11| 4| 11| 4| 10| 1|
+--------+----------+----------+----------+----------+----------+----------+
|Элемент 1, конечная точка |
|Критерий| M_min | M_max | Q_min |
Q_max | N_min | N_max |
| M | 10.186| 18.002| 10.186|
18.002| 16.849| 17.984|
| Q | -0.705| 9.172| -0.705| 9.172|
8.967| 9.172|
| N | 1754.026| 1816.909| 1754.026|
1816.909| 1754.026| 1844.611|
|No. соч.| 11| 4| 11| 4| 10| 1|
+--------+----------+----------+----------+----------+----------+----------+
|Элемент 2, начальная точка |
|Критерий| M_min | M_max | Q_min |
Q_max | N_min | N_max |
| M | -12.593| 54.526| -12.593|
54.526| 54.526| -6.517|
| Q | -14.805| 8.872| -14.805|
8.872| 8.872| -18.114|
| N | 2377.154| 2315.284| 2377.154|
2315.284| 2315.284| 2585.873|
|No. соч.| 11| 10| 11| 10| 10| 2|
+--------+----------+----------+----------+----------+----------+----------+
|Элемент 2, конечная точка |
|Критерий| M_min | M_max | Q_min |
Q_max | N_min | N_max |
| M | 17.264| 52.763| 49.587|
17.264| 17.264| 52.763|
| Q | 8.872| -14.114| -14.805|
8.872| 8.872| -14.114|
| N | 2315.284| 2585.873| 2377.154|
2315.284| 2315.284| 2585.873|
|No. соч.| 10| 2| 11| 10| 10| 2|
+--------+----------+----------+----------+----------+----------+----------+
|Элемент 3, начальная точка |
|Критерий| M_min | M_max | Q_min |
Q_max | N_min | N_max |
| M | -12.718| 54.707| -12.718|
54.707| 54.707| -6.607|
| Q | -14.884| 8.959| -14.884|
8.959| 8.959| -14.178|
| N | 2335.491| 2334.385| 2335.491|
2334.385| 2334.385| 2516.578|
|No. соч.| 11| 10| 11| 10| 10| 2|
+--------+----------+----------+----------+----------+----------+----------+
|Элемент 3, конечная точка |
|Критерий| M_min | M_max | Q_min |
Q_max | N_min | N_max |
| M | 17.078| 52.942| 49.795|
17.078| 17.078| 52.942|
| Q | 8.959| -14.178| -14.884|
8.959| 8.959| -14.178|
| N | 2334.385| 2516.578| 2335.491|
2334.385| 2334.385| 2516.578|
|No. соч.| 10| 2| 11| 10| 10| 2|
+--------+----------+----------+----------+----------+----------+----------+
|Элемент 4, начальная точка |
|Критерий| M_min | M_max | Q_min |
Q_max | N_min | N_max |
| M | -11.772| 55.346| -11.772|
55.346| -11.772| 54.859|
| Q | -14.237| 9.439| -14.237|
9.439| -14.237| 7.858|
| N | 2321.840| 2322.946| 2321.840|
2322.946| 2321.840| 2502.035|
|No. соч.| 11| 10| 11| 10| 11| 1|
+--------+----------+----------+----------+----------+----------+----------+
|Элемент 4, конечная точка |
|Критерий| M_min | M_max | Q_min |
Q_max | N_min | N_max |
| M | 15.703| 51.013| 48.025|
15.703| 48.025| 21.855|
| Q | 9.439| -13.469| -14.237| 9.439|
-14.237| 7.858|
| N | 2322.946| 2446.443| 2321.840|
2322.946| 2321.840| 2502.035|
|No. соч.| 10| 5| 11| 10| 11| 1|
+--------+----------+----------+----------+----------+----------+----------+
|Элемент 5, начальная точка |
|Критерий| M_min | M_max | Q_min |
Q_max | N_min | N_max |
| M | 7.304| 56.618| 7.304| 56.602|
7.304| 56.602|
| Q | -0.639| 9.238| -0.639| 9.238|
-0.639| 9.238|
| N | 1724.540| 1846.059| 1724.540|
1874.314| 1724.540| 1874.314|
|No. соч.| 11| 4| 11| 1| 11| 1|
+--------+----------+----------+----------+----------+----------+----------+
|Элемент 5, конечная точка |
|Критерий| M_min | M_max | Q_min |
Q_max | N_min | N_max |
| M | 9.988| 17.819| 9.988| 17.800|
9.988| 17.800|
| Q | -0.639| 9.238| -0.639| 9.238|
-0.639| 9.238|
| N | 1724.540| 1846.059| 1724.540|
1874.314| 1724.540| 1874.314|
|No. соч.| 11| 4| 11| 1| 11| 1|
+--------+----------+----------+----------+----------+----------+----------+
|Элемент 6, начальная точка |
|Критерий| M_min | M_max | Q_min |
Q_max | N_min | N_max |
| M | 10.186| 18.002| 10.186|
18.002| 16.849| 17.984|
| Q | 0.324| 7.160| 0.324| 7.160|
7.018| 7.158|
| N | 1637.026| 1683.142| 1637.026|
1683.142| 1637.026| 1710.844|
|No. соч.| 11| 4| 11| 4| 10| 1|
+--------+----------+----------+----------+----------+----------+----------+
|Элемент 6, конечная точка |
|Критерий| M_min | M_max | Q_min |
Q_max | N_min | N_max |
| M | -4.458| 2.476| -4.162| -1.656|
-4.162| -4.458|
| Q | 3.529| 3.348| 2.986| 3.987|
2.986| 3.529|
| N | 1693.288| 1619.470| 1619.470|
1670.710| 1619.470| 1693.288|
|No. соч.| 1| 11| 10| 6| 10| 1|
+--------+----------+----------+----------+----------+----------+----------+
|Элемент 7, начальная точка |
|Критерий| M_min | M_max | Q_min |
Q_max | N_min | N_max |
| M | -32.443| 22.038| -32.443|
22.038| 22.038| -31.170|
| Q | -15.649| 10.049| -15.649|
10.049| 10.049| -14.778|
| N | 2129.483| 2082.080| 2129.483|
2082.080| 2082.080| 2275.350|
|No. соч.| 11| 10| 11| 10| 10| 2|
+--------+----------+----------+----------+----------+----------+----------+
|Элемент 7, конечная точка |
|Критерий| M_min | M_max | Q_min |
Q_max | N_min | N_max |
| M | -20.166| 33.283| 33.283|
-20.166| -20.166| 30.897|
| Q | 10.049| -15.649| -15.649|
10.049| 10.049| -14.778|
| N | 2082.080| 2129.483| 2129.483|
2082.080| 2082.080| 2275.350|
|No. соч.| 10| 11| 11| 10| 10| 2|
+--------+----------+----------+----------+----------+----------+----------+
|Элемент 8, начальная точка |
|Критерий| M_min | M_max | Q_min |
Q_max | N_min | N_max |
| M | -32.338| 22.181| -32.338|
22.181| 22.181| -31.043|
| Q | -15.600| 10.155| -15.600|
10.155| 10.155| -14.712|
| N | 2101.474| 2100.440| 2101.474|
2100.440| 2100.440| 2249.035|
|No. соч.| 11| 10| 11| 10| 10| 2|
+--------+----------+----------+----------+----------+----------+----------+
|Элемент 8, конечная точка |
|Критерий| M_min | M_max | Q_min |
Q_max | N_min | N_max |
| M | -20.470| 33.182| 33.182|
-20.470| -20.470| 30.748|
| Q | 10.155| -15.600| -15.600|
10.155| 10.155| -14.712|
| N | 2100.440| 2101.474| 2101.474|
2100.440| 2100.440| 2249.035|
|No. соч.| 10| 11| 11| 10| 10| 2|
+--------+----------+----------+----------+----------+----------+----------+
|Элемент 9, начальная точка |
|Критерий| M_min | M_max | Q_min |
Q_max | N_min | N_max |
| M | -29.669| 24.812| -29.669|
24.812| -29.669| 21.075|
| Q | -14.206| 11.492| -14.206|
11.492| -14.206| 10.022|
| N | 2088.580| 2089.614| 2088.580|
2089.614| 2088.580| 2235.283|
|No. соч.| 11| 10| 11| 10| 11| 1|
+--------+----------+----------+----------+----------+----------+----------+
|Элемент 9, конечная точка |
|Критерий| M_min | M_max | Q_min |
Q_max | N_min | N_max |
| M | -23.453| 29.996| 29.996|
-23.453| 29.996| -21.017|
| Q | 11.492| -14.206| -14.206|
11.492| -14.206| 10.022|
| N | 2089.614| 2088.580| 2088.580|
2089.614| 2088.580| 2235.283|
|No. соч.| 10| 11| 11| 10| 11| 1|
+--------+----------+----------+----------+----------+----------+----------+
|Элемент 10, начальная точка |
|Критерий| M_min | M_max | Q_min |
Q_max | N_min | N_max |
| M | 9.988| 17.819| 9.988| 17.819|
9.988| 17.800|
| Q | -0.139| 6.747| -0.139| 6.747|
-0.139| 6.746|
| N | 1620.489| 1712.446| 1620.489|
1712.446| 1620.489| 1740.677|
|No. соч.| 11| 4| 11| 4| 11| 1|
+--------+----------+----------+----------+----------+----------+----------+
|Элемент 10, конечная точка |
|Критерий| M_min | M_max | Q_min |
Q_max | N_min | N_max |
| M | -4.818| 2.102| -1.091| 1.170|
2.102| -4.818|
| Q | 4.024| 3.893| 3.447| 4.351|
3.893| 4.024|
| N | 1723.121| 1602.933| 1657.997|
1652.227| 1602.933| 1723.121|
|No. соч.| 1| 11| 9| 5| 11| 1|
+--------+----------+----------+----------+----------+----------+----------+
|Элемент 11, начальная точка |
|Критерий| M_min | M_max | Q_min |
Q_max | N_min | N_max |
| M | -4.458| 2.476| 2.476| -4.162|
-4.162| -4.458|
| Q | 1.321| -0.525| -0.525| 1.474|
1.474| 1.321|
| N | 1583.218| 1520.470| 1520.470|
1520.470| 1520.470| 1583.218|
|No. соч.| 1| 11| 11| 10| 10| 1|
+--------+----------+----------+----------+----------+----------+----------+
|Элемент 11, конечная точка |
|Критерий| M_min | M_max | Q_min |
Q_max | N_min | N_max |
| M | -3.905| 8.809E-02| -3.545|
8.809E-02| -3.545| -3.883|
| Q | -1.729| 2.033| -1.925| 2.033|
-1.925| -1.738|
| N | 1541.722| 1506.676| 1506.676|
1506.676| 1506.676| 1569.424|
|No. соч.| 4| 11| 10| 11| 10| 1|
+--------+----------+----------+----------+----------+----------+----------+
|Элемент 12, начальная точка |
|Критерий| M_min | M_max | Q_min |
Q_max | N_min | N_max |
| M | -19.323| 16.109| -19.323|
16.109| 16.109| -17.883|
| Q | -13.157| 10.931| -13.157|
10.931| 10.931| -12.075|
| N | 1922.715| 1890.125| 1922.715|
1890.125| 1890.125| 2047.080|
|No. соч.| 11| 10| 11| 10| 10| 2|
+--------+----------+----------+----------+----------+----------+----------+
|Элемент 12, конечная точка |
|Критерий| M_min | M_max | Q_min |
Q_max | N_min | N_max |
| M | -19.962| 24.096| 24.096|
-19.962| -19.962| 21.964|
| Q | 10.931| -13.157| -13.157|
10.931| 10.931| -12.075|
| N | 1890.125| 1922.715| 1922.715|
1890.125| 1890.125| 2047.080|
|No. соч.| 10| 11| 11| 10| 10| 2|
+--------+----------+----------+----------+----------+----------+----------+
|Элемент 13, начальная точка |
|Критерий| M_min | M_max | Q_min |
Q_max | N_min | N_max |
| M | -19.685| 16.054| -19.685|
16.054| 16.054| -18.270|
| Q | -13.356| 10.899| -13.356|
10.899| 10.899| -12.288|
| N | 1903.430| 1902.481| 1903.430|
1902.481| 1902.481| 2028.856|
|No. соч.| 11| 10| 11| 10| 10| 2|
+--------+----------+----------+----------+----------+----------+----------+
|Элемент 13, конечная точка |
|Критерий| M_min | M_max | Q_min |
Q_max | N_min | N_max |
| M | -19.911| 24.389| 24.389|
-19.911| -19.911| 22.280|
| Q | 10.899| -13.356| -13.356|
10.899| 10.899| -12.288|
| N | 1902.481| 1903.430| 1903.430|
1902.481| 1902.481| 2028.856|
|No. соч.| 10| 11| 11| 10| 10| 2|
+--------+----------+----------+----------+----------+----------+----------+
|Элемент 14, начальная точка |
|Критерий| M_min | M_max | Q_min |
Q_max | N_min | N_max |
| M | -14.555| 20.876| -14.555|
20.876| -14.555| 19.510|
| Q | -10.189| 13.898| -10.189|
13.898| -10.189| 13.033|
| N | 891.966| 892.915| 891.966|
892.915| 891.966| 1016.659|
|No. соч.| 11| 10| 11| 10| 11| 1|
+--------+----------+----------+----------+----------+----------+----------+
|Элемент 14, конечная точка |
|Критерий| M_min | M_max | Q_min |
Q_max | N_min | N_max |
| M | -24.988| 19.070| 19.070|
-24.988| 19.070| -23.497|
| Q | 13.898| -10.189| -10.189|
13.898| -10.189| 13.033|
| N | 892.915| 891.966| 891.966|
892.915| 891.966| 1016.659|
|No. соч.| 10| 11| 11| 10| 11| 1|
+--------+----------+----------+----------+----------+----------+----------+
|Элемент 15, начальная точка |
|Критерий| M_min | M_max | Q_min |
Q_max | N_min | N_max |
| M | -4.818| 2.102| 2.102| -4.536|
2.102| -4.818|
| Q | 0.894| -0.987| -0.987| 1.012|
-0.987| 0.894|
| N | 606.297| 511.358| 511.358|
543.948| 511.358| 606.297|
|No. соч.| 1| 11| 11| 10| 11| 1|
+--------+----------+----------+----------+----------+----------+----------+
|Элемент 15, конечная точка |
|Критерий| M_min | M_max | Q_min |
Q_max | N_min | N_max |
| M | -4.084| -0.123| -3.756|
-0.123| -0.123| -4.060|
| Q | -1.396| 2.412| -1.545| 2.412|
2.412| -1.408|
| N | 564.323| 497.564| 530.154|
497.564| 497.564| 592.503|
|No. соч.| 4| 11| 10| 11| 11| 1|
+--------+----------+----------+----------+----------+----------+----------+
|Элемент 16, начальная точка |
|Критерий| M_min | M_max | Q_min |
Q_max | N_min | N_max |
| M | -3.905| 8.809E-02| 8.809E-02|
-3.545| -3.545| -3.883|
| Q | 1.662| -1.457| -1.457| 1.845|
1.845| 1.631|
| N | 431.652| 407.676| 407.676|
407.676| 407.676| 459.354|
|No. соч.| 4| 11| 11| 10| 10| 1|
+--------+----------+----------+----------+----------+----------+----------+
|Элемент 16, конечная точка |
|Критерий| M_min | M_max | Q_min | Q_max
| N_min | N_max |
| M | -3.705| 0.142| -3.317| 0.142|
-3.317| -3.582|
| Q | -1.872| 1.496| -2.082| 1.496|
-2.082| -1.903|
| N | 417.858| 393.882| 393.882|
393.882| 393.882| 445.560|
|No. соч.| 4| 11| 10| 11| 10| 1|
+--------+----------+----------+----------+----------+----------+----------+
|Элемент 17, начальная точка |
|Критерий| M_min | M_max | Q_min |
Q_max | N_min | N_max |
| M | -18.911| 8.591| -18.911|
8.591| 8.591| -18.598|
| Q | -10.783| 8.392| -10.783|
8.392| 8.392| -10.002|
| N | 717.547| 696.884| 717.547|
696.884| 696.884| 820.179|
|No. соч.| 11| 10| 11| 10| 10| 2|
+--------+----------+----------+----------+----------+----------+----------+
|Элемент 17, конечная точка |
|Критерий| M_min | M_max | Q_min |
Q_max | N_min | N_max |
| M | -19.103| 16.673| 16.673|
-19.103| -19.103| 14.408|
| Q | 8.392| -10.783| -10.783|
8.392| 8.392| -10.002|
| N | 696.884| 717.547| 717.547|
696.884| 696.884| 820.179|
|No. соч.| 10| 11| 11| 10| 10| 2|
+--------+----------+----------+----------+----------+----------+----------+
|Элемент 18, начальная точка |
|Критерий| M_min | M_max | Q_min |
Q_max | N_min | N_max |
| M | -19.086| 9.078| -19.086|
9.078| 9.078| -18.702|
| Q | -10.894| 8.666| -10.894|
8.666| 8.666| -10.078|
| N | 705.352| 704.554| 705.352|
704.554| 704.554| 808.646|
|No. соч.| 11| 10| 11| 10| 10| 2|
+--------+----------+----------+----------+----------+----------+----------+
|Элемент 18, конечная точка |
|Критерий| M_min | M_max | Q_min |
Q_max | N_min | N_max |
| M | -19.521| 16.863| 16.863|
-19.521| -19.521| 14.557|
| Q | 8.666| -10.894| -10.894|
8.666| 8.666| -10.078|
| N | 704.554| 705.352| 705.352|
704.554| 704.554| 808.646|
|No. соч.| 10| 11| 11| 10| 10| 2|
+--------+----------+----------+----------+----------+----------+----------+
|Элемент 19, начальная точка |
|Критерий| M_min | M_max | Q_min |
Q_max | N_min | N_max |
| M | -13.165| 14.337| -13.165|
14.337| -13.165| 12.812|
| Q | -7.210| 11.965| -7.210|
11.965| -7.210| 11.396|
| N | 695.840| 696.638| 695.840|
696.638| 695.840| 798.531|
|No. соч.| 11| 10| 11| 10| 11| 1|
+--------+----------+----------+----------+----------+----------+----------+
|Элемент 19, конечная точка |
|Критерий| M_min | M_max | Q_min |
Q_max | N_min | N_max |
| M | -25.148| 10.628| 10.628|
-25.148| 10.628| -24.795|
| Q | 11.965| -7.210| -7.210|
11.965| -7.210| 11.396|
| N | 696.638| 695.840| 695.840|
696.638| 695.840| 798.531|
|No. соч.| 10| 11| 11| 10| 11| 1|
+--------+----------+----------+----------+----------+----------+----------+
|Элемент 20, начальная точка |
|Критерий| M_min | M_max | Q_min |
Q_max | N_min | N_max |
| M | -4.084| -0.123| -0.123|
-3.756| -0.123| -4.060|
| Q | 1.253| -1.914| -1.914| 1.389|
-1.914| 1.223|
| N | 448.288| 403.937| 403.937| 424.600|
403.937| 476.381|
|No. соч.| 4| 11| 11| 10| 11| 1|
+--------+----------+----------+----------+----------+----------+----------+
|Элемент 20, конечная точка |
|Критерий| M_min | M_max | Q_min |
Q_max | N_min | N_max |
| M | -3.940| -0.124| -3.583| -0.124|
-0.124| -3.815|
| Q | -1.405| 2.013| -1.565| 2.013|
2.013| -1.435|
| N | 434.494| 390.143| 410.806|
390.143| 390.143| 462.587|
|No. соч.| 4| 11| 10| 11| 11| 1|
+--------+----------+----------+----------+----------+----------+----------+
|Элемент 21, начальная точка |
|Критерий| M_min | M_max | Q_min |
Q_max | N_min | N_max |
| M | -3.705| 0.142| -0.469| -3.317|
-3.317| -3.582|
| Q | 1.367| -2.166| -2.224| 1.673|
1.673| 1.231|
| N | 323.766| 307.782| 351.468|
307.782| 307.782| 351.468|
|No. соч.| 4| 11| 2| 10| 10| 1|
+--------+----------+----------+----------+----------+----------+----------+
|Элемент 21, конечная точка |
|Критерий| M_min | M_max | Q_min |
Q_max | N_min | N_max |
| M | -1.748| 2.277| -1.650| 1.897|
-1.650| -1.174|
| Q | -2.613| 0.848| -2.749| 1.151|
-2.749| -2.749|
| N | 309.972| 321.690| 293.988|
293.988| 293.988| 337.674|
|No. соч.| 4| 8| 10| 11| 10| 1|
+--------+----------+----------+----------+----------+----------+----------+
|Элемент 22, начальная точка |
|Критерий| M_min | M_max | Q_min |
Q_max | N_min | N_max |
| M | -11.299| 7.969| -11.299|
7.969| 7.969| -10.361|
| Q | -8.142| 6.102| -8.142| 6.102|
6.102| -7.515|
|No. соч.| 11| 10| 11| 10| 10| 2|
+--------+----------+----------+----------+----------+----------+----------+
|Элемент 22, конечная точка |
|Критерий| M_min | M_max | Q_min |
Q_max | N_min | N_max |
| M | -12.168| 15.569| 15.569|
-12.168| -12.168| 14.440|
| Q | 6.102| -8.142| -8.142| 6.102|
6.102| -7.515|
| N | 529.196| 540.685| 540.685|
529.196| 529.196| 627.867|
|No. соч.| 10| 11| 11| 10| 10| 2|
+--------+----------+----------+----------+----------+----------+----------+
|Элемент 23, начальная точка |
|Критерий| M_min | M_max | Q_min |
Q_max | N_min | N_max |
| M | -11.569| 8.259| -11.569|
8.259| 8.259| -10.552|
| Q | -8.312| 6.278| -8.312| 6.278|
6.278| -7.620|
| N | 533.075| 532.472| 533.075|
532.472| 532.472| 620.405|
|No. соч.| 11| 10| 11| 10| 10| 2|
+--------+----------+----------+----------+----------+----------+----------+
|Элемент 23, конечная точка |
|Критерий| M_min | M_max | Q_min |
Q_max | N_min | N_max |
| M | -12.457| 15.859| 15.859|
-12.457| -12.457| 14.596|
| Q | 6.278| -8.312| -8.312| 6.278|
6.278| -7.620|
| N | 532.472| 533.075| 533.075|
532.472| 532.472| 620.405|
|No. соч.| 10| 11| 11| 10| 10| 2|
+--------+----------+----------+----------+----------+----------+----------+
|Элемент 24, начальная точка |
|Критерий| M_min | M_max | Q_min | Q_max
| N_min | N_max |
| M | -4.651| 14.696| -4.651|
14.617| -4.651| 14.696|
| Q | -4.044| 10.062| -4.044|
10.201| -4.044| 10.062|
| N | 525.832| 612.681| 525.832|
526.435| 525.832| 612.681|
|No. соч.| 11| 1| 11| 10| 11| 1|
+--------+----------+----------+----------+----------+----------+----------+
|Элемент 24, конечная точка |
|Критерий| M_min | M_max | Q_min |
Q_max | N_min | N_max |
| M | -19.044| 8.693| 8.693|
-19.044| 8.693| -18.510|
| Q | 10.201| -4.044| -4.044|
10.201| -4.044| 10.062|
| N | 526.435| 525.832| 525.832|
526.435| 525.832| 612.681|
|No. соч.| 10| 11| 11| 10| 11| 1|
+--------+----------+----------+----------+----------+----------+----------+
|Элемент 25, начальная точка |
|Критерий| M_min | M_max | Q_min |
Q_max | N_min | N_max |
| M | -3.940| -0.124| -0.703|
-3.583| -0.124| -3.815|
| Q | 0.870| -2.714| -2.722| 1.124|
-2.714| 0.732|
| N | 333.983| 306.589| 351.573|
318.078| 306.589| 361.913|
|No. соч.| 4| 11| 2| 10| 11| 1|
+--------+----------+----------+----------+----------+----------+----------+
|Элемент 25, конечная точка |
|Критерий| M_min | M_max | Q_min |
Q_max | N_min | N_max |
| M | -1.960| 2.065| -1.380| 1.647|
1.647| -1.380|
| Q | -2.115| 1.346| -2.253| 1.708|
1.708| -2.253|
| N | 320.189| 321.299| 348.119|
292.795| 292.795| 348.119|
|No. соч.| 4| 8| 1| 11| 11| 1|
+--------+----------+----------+----------+----------+----------+----------+
|Элемент 26, начальная точка |
|Критерий| M_min | M_max | Q_min |
Q_max | N_min | N_max |
| M | -1.748| 2.277| 2.277| -1.748|
-1.650| -1.174|
| Q | 2.376| -2.779| -2.779| 2.376|
2.309| 1.229|
| N | 213.180| 232.890| 232.890|
213.180| 205.188| 240.882|
|No. соч.| 4| 8| 8| 4| 10| 1|
+--------+----------+----------+----------+----------+----------+----------+
|Элемент 26, конечная точка |
|Критерий| M_min | M_max | Q_min |
Q_max | N_min | N_max |
| M | -2.515| 6.138| 3.104| 0.519|
-1.410| 1.844|
| Q | -1.975| 0.488| -3.426| 1.939|
-2.526| -3.122|
| N | 199.386| 219.096| 219.096|
199.386| 191.394| 227.088|
|No. соч.| 4| 8| 7| 5| 10| 1|
+--------+----------+----------+----------+----------+----------+----------+
|Элемент 27, начальная точка |
|Критерий| M_min | M_max | Q_min |
Q_max | N_min | N_max |
| M | -8.362| 4.110| -7.953| 4.110|
2.530| -6.258|
| Q | -5.919| 3.159| -5.996| 3.159|
2.898| -5.213|
| N | 374.878| 410.257| 359.165|
410.257| 354.046| 430.834|
|No. соч.| 5| 7| 11| 7| 10| 2|
+--------+----------+----------+----------+----------+----------+----------+
|Элемент 27, конечная точка |
|Критерий| M_min | M_max | Q_min |
Q_max | N_min | N_max |
| M | -7.033| 11.833| 11.833|
-6.315| -7.033| 10.944|
| Q | 2.898| -5.996| -5.996| 3.159|
2.898| -5.213|
| N | 354.046| 359.165| 359.165|
410.257| 354.046| 430.834|
|No. соч.| 10| 11| 11| 7| 10| 2|
+--------+----------+----------+----------+----------+----------+----------+
|Элемент 28, начальная точка |
|Критерий| M_min | M_max | Q_min |
Q_max | N_min | N_max |
| M | -8.362| 4.340| -8.084| 4.340|
3.035| -6.502|
| Q | -5.882| 3.298| -6.043| 3.298|
3.215| -5.335|
| N | 371.380| 410.400| 355.405|
410.400| 355.004| 426.755|
|No. соч.| 5| 7| 11| 7| 10| 2|
+--------+----------+----------+----------+----------+----------+----------+
|Элемент 28, конечная точка |
|Критерий| M_min | M_max | Q_min |
Q_max | N_min | N_max |
| M | -7.574| 11.857| 11.857|
-6.545| -7.574| 11.104|
| Q | 3.215| -6.043| -6.043| 3.298|
3.215| -5.335|
| N | 355.004| 355.405| 355.405|
410.400| 355.004| 426.755|
|No. соч.| 10| 11| 11| 7| 10| 2|
+--------+----------+----------+----------+----------+----------+----------+
|Элемент 29, начальная точка |
|Критерий| M_min | M_max | Q_min |
Q_max | N_min | N_max |
| M | -0.670| 11.907| -0.670|
11.656| -0.670| 11.656|
| Q | -1.561| 7.915| -1.561| 7.961|
-1.561| 7.961|
| N | 350.662| 406.140| 350.662|
421.726| 350.662| 421.726|
|No. соч.| 11| 7| 11| 1| 11| 1|
+--------+----------+----------+----------+----------+----------+----------+
|Элемент 29, конечная точка |
|Критерий| M_min | M_max | Q_min |
Q_max | N_min | N_max |
| M | -14.616| 4.481| 4.481|
-14.616| 4.481| -14.616|
| Q | 7.961| -1.561| -1.561| 7.961|
-1.561| 7.961|
| N | 421.726| 350.662| 350.662|
421.726| 350.662| 421.726|
|No. соч.| 1| 11| 11| 1| 11| 1|
+--------+----------+----------+----------+----------+----------+----------+
|Элемент 30, начальная точка |
|Критерий| M_min | M_max | Q_min |
Q_max | N_min | N_max |
| M | -1.960| 2.065| 2.065| -1.960|
1.647| -1.380|
| Q | 2.027| -3.127| -3.127| 2.027|
-2.232| 0.896|
| N | 218.812| 233.298| 233.298|
218.812| 205.556| 246.300|
|No. соч.| 4| 8| 8| 4| 11| 1|
+--------+----------+----------+----------+----------+----------+----------+
|Элемент 30, конечная точка |
|Критерий| M_min | M_max | Q_min |
Q_max | N_min | N_max |
| M | -3.341| 5.311| 2.277| -0.307|
1.152| 0.972|
| Q | -1.240| 1.224| -2.690| 2.674|
2.603| -2.371|
| N | 205.018| 219.504| 224.111|
200.411| 191.762| 232.506|
|No. соч.| 4| 8| 7| 5| 11| 1|
+--------+----------+----------+----------+----------+----------+----------+
|Элемент 31, начальная точка |
|Критерий| M_min | M_max | Q_min |
Q_max | N_min | N_max |
| M | -2.515| 6.138| 0.519| 3.104|
-2.515| 4.975|
| Q | 1.564| 0.108| -1.595| 3.267|
1.564| 1.508|
| N | 102.594| 130.296| 102.594|
130.296| 102.594| 133.374|
|No. соч.| 4| 8| 5| 7| 4| 9|
+--------+----------+----------+----------+----------+----------+----------+
|Элемент 31, конечная точка |
|Критерий| M_min | M_max | Q_min |
Q_max | N_min | N_max |
| M
|-2.095E-09|-1.534E-09|-1.951E-09|-1.534E-09|-1.951E-09|-1.804E-09|
| Q | -0.384| 3.657| -3.143| 3.657|
-3.143| 1.508|
| N | 88.800| 116.502| 88.800|
116.502| 88.800| 119.580|
|No. соч.| 6| 8| 4| 8| 4| 9|
+--------+----------+----------+----------+----------+----------+----------+
|Элемент 32, начальная точка |
|Критерий| M_min | M_max | Q_min |
Q_max | N_min | N_max |
| M | -5.633| 3.803| 1.324| -1.237|
-3.154| 3.191|
| Q | -3.330| -1.283|
-4.513|-3.358E-02|-9.954E-02| -2.988|
| N | 178.493| 234.343| 235.707|
177.412| 177.129| 241.335|
|No. соч.| 5| 7| 8| 10| 4| 9|
+--------+----------+----------+----------+----------+----------+----------+
|Элемент 32, конечная точка |
|Критерий| M_min | M_max | Q_min |
Q_max | N_min | N_max |
| M | -2.826| 16.218| 16.218|
-1.126| -2.826| 13.051|
| Q |-9.954E-02| -4.513|
-4.513|-3.358E-02|-9.954E-02| -2.988|
| N | 177.129| 235.707| 235.707|
177.412| 177.129| 241.335|
|No. соч.| 4| 8| 8| 10| 4| 9|
+--------+----------+----------+----------+----------+----------+----------+
|Элемент 33, начальная точка |
|Критерий| M_min | M_max | Q_min |
Q_max | N_min | N_max |
| M | -6.306| 4.260| 1.039| -1.013|
-1.013| 3.255|
| Q | -3.724| -0.982| -4.715| 0.159|
0.159| -2.952|
| N | 177.704| 232.915| 233.067|
177.532| 177.532| 239.151|
|No. соч.| 5| 7| 8| 10| 10| 9|
+--------+----------+----------+----------+----------+----------+----------+
|Элемент 33, конечная точка |
|Критерий| M_min | M_max | Q_min |
Q_max | N_min | N_max |
| M | -3.114| 16.599| 16.599|
-1.537| -1.537| 12.998|
| Q | 8.929E-03| -4.715| -4.715|
0.159| 0.159| -2.952|
| N | 177.552| 233.067| 233.067|
177.532| 177.532| 239.151|
|No. соч.| 4| 8| 8| 10| 10| 9|
+--------+----------+----------+----------+----------+----------+----------+
|Элемент 34, начальная точка |
|Критерий| M_min | M_max | Q_min |
Q_max | N_min | N_max |
| M | 3.036| 12.376| 9.897| 5.515|
3.036| 11.727|
| Q | 2.812| 4.812| 1.581| 6.043|
2.812| 3.098|
| N | 175.562| 231.170| 231.018|
175.714| 175.562| 237.244|
|No. соч.| 5| 7| 8| 4| 5| 9|
+--------+----------+----------+----------+----------+----------+----------+
|Элемент 34, конечная точка |
|Критерий| M_min | M_max | Q_min |
Q_max | N_min | N_max |
| M | -14.427| 4.680| 4.680|
-14.427| -6.245| 1.503|
| Q | 6.043| 1.581| 1.581| 6.043|
2.812| 3.098|
| N | 175.714| 231.018| 231.018|
175.714| 175.562| 237.244|
|No. соч.| 4| 8| 8| 4| 5| 9|
+--------+----------+----------+----------+----------+----------+----------+
|Элемент 35, начальная точка |
|Критерий| M_min | M_max | Q_min |
Q_max | N_min | N_max |
| M | -3.341| 5.311| -0.307| 2.277|
1.152| 4.403|
| Q | 0.740| -0.717| -2.420| 2.442|
-2.236| 1.334|
| N | 104.999| 129.516| 103.635|
130.880| 103.045| 133.124|
|No. соч.| 4| 8| 5| 7| 11| 9|
+--------+----------+----------+----------+----------+----------+----------+
|Элемент 35, конечная точка |
|Критерий| M_min | M_max | Q_min |
Q_max | N_min | N_max |
| M | 2.487E-09| 4.652E-09|
2.820E-09| 4.442E-09| 4.522E-09| 3.725E-09|
| Q | -2.669| 3.595| -2.809| 3.990|
2.995| 1.334|
| N | 90.767| 116.237| 91.205|
115.722| 89.251| 119.330|
|No. соч.| 10| 2| 4| 8| 11| 9|
+--------+----------+----------+----------+----------+----------+----------+
|Элемент 36, начальная точка |
|Критерий| M_min | M_max | Q_min |
Q_max | N_min | N_max |
| M
|-1.164E-10|-8.731E-11|-1.164E-10|-8.731E-11|-9.022E-11|-1.164E-10|
| Q | 117.000| 135.630| 117.000|
135.630| 133.767| 117.000|
| N | -1.827| -0.925| -1.827|
-0.925| -2.014| 1.029|
|No. соч.| 7| 6| 7| 6| 1| 11|
+--------+----------+----------+----------+----------+----------+----------+
|Элемент 36, конечная точка |
|Критерий| M_min | M_max | Q_min |
Q_max | N_min | N_max |
| M
|-1.164E-10|-1.146E-10|-1.164E-10|-1.148E-10|-1.148E-10|-1.164E-10|
| Q | -133.767| -117.000| -135.630|
-117.000| -133.767| -117.000|
| N | -2.013| -0.719| -0.925|
-1.827| -2.014| 1.029|
|No. соч.| 4| 9| 6| 7| 1| 11|
+--------+----------+----------+----------+----------+----------+----------+
|Элемент 37, начальная точка |
|Критерий| M_min | M_max | Q_min |
Q_max | N_min | N_max |
| M | -4.773| 83.934| -4.773|
83.934| 5.811| 82.030|
| Q | 116.204| 147.756| 116.204| 147.756|
134.735| 130.672|
| N | -0.772| 2.025E-03| -0.772|
2.025E-03| -0.858| 0.184|
|No. соч.| 10| 2| 10| 2| 1| 11|
+--------+----------+----------+----------+----------+----------+----------+
|Элемент 37, конечная точка |
|Критерий| M_min | M_max | Q_min |
Q_max | N_min | N_max |
| M |-4.100E-11| 2.169E-11|
1.952E-11|-4.100E-11| 1.952E-11|-4.100E-11|
| Q | -103.328| -117.796| -132.810|
-103.328| -132.799| -103.328|
| N | 0.184| -0.772| -0.843| 0.184|
-0.858| 0.184|
|No. соч.| 11| 10| 4| 11| 1| 11|
+--------+----------+----------+----------+----------+----------+----------+
|Элемент 38, начальная точка |
|Критерий| M_min | M_max | Q_min |
Q_max | N_min | N_max |
| M | -5.102| 83.985| -5.102|
83.985| 77.831| -5.102|
| Q | 116.150| 147.765| 116.150|
147.765| 129.972| 116.150|
| N | 0.424| -0.532| 0.424| -0.532|
-0.538| 0.424|
|No. соч.| 10| 2| 10| 2| 8| 10|
+--------+----------+----------+----------+----------+----------+----------+
|Элемент 38, конечная точка |
|Критерий| M_min | M_max | Q_min |
Q_max | N_min | N_max |
| M
|-1.827E-10|-9.901E-11|-1.007E-10|-1.827E-10|-1.744E-10|-9.901E-11|
| Q | -103.311| -117.850| -132.865|
-103.311| -104.028| -117.850|
| N | -0.532| 0.424| 0.358| -0.532|
-0.538| 0.424|
|No. соч.| 11| 10| 4| 11| 8| 10|
+--------+----------+----------+----------+----------+----------+----------+
|Элемент 39, начальная точка |
|Критерий| M_min | M_max | Q_min |
Q_max | N_min | N_max |
| M | -9.109| 79.047| -9.109|
79.047| 77.694| 0.780|
| Q | 115.482| 146.942| 115.482| 146.942|
129.949| 133.897|
| N | 2.477| -0.189| 2.477| -0.189|
-0.501| 2.492|
|No. соч.| 10| 5| 10| 5| 11| 1|
+--------+----------+----------+----------+----------+----------+----------+
|Элемент 39, конечная точка |
|Критерий| M_min | M_max | Q_min |
Q_max | N_min | N_max |
| M
|-3.425E-10|-2.310E-10|-3.425E-10|-2.310E-10|-2.310E-10|-3.425E-10|
| Q | -133.637| -104.051| -133.637|
-104.051| -104.051| -133.637|
| N | 2.492| -0.501| 2.492| -0.501|
-0.501| 2.492|
|No. соч.| 1| 11| 1| 11| 11| 1|
+--------+----------+----------+----------+----------+----------+----------+
|Элемент 40, начальная точка |
|Критерий| M_min | M_max | Q_min |
Q_max | N_min | N_max |
| M
|-2.394E-10|-2.183E-10|-2.361E-10|-2.183E-10|-2.263E-10|-2.328E-10|
| Q | 99.000| 111.300| 99.000| 111.300|
110.070| 99.000|
| N | -3.809| -3.747| -1.685|
-3.747| -4.332| -1.512|
|No. соч.| 8| 6| 7| 6| 2| 10|
+--------+----------+----------+----------+----------+----------+----------+
|Элемент 40, конечная точка |
|Критерий| M_min | M_max | Q_min |
Q_max | N_min | N_max |
| M | 3.492E-10| 3.804E-10|
3.783E-10| 3.525E-10| 3.804E-10| 3.492E-10|
| Q | -99.000| -110.070| -111.300|
-99.000| -110.070| -99.000|
| N | -1.512| -4.332| -3.747|
-1.685| -4.332| -1.512|
|No. соч.| 10| 2| 6| 7| 2| 10|
+--------+----------+----------+----------+----------+----------+----------+
|Элемент 41, начальная точка |
|Критерий| M_min | M_max | Q_min |
Q_max | N_min | N_max |
| M | -36.275| 52.606| -36.275|
48.781| 8.794| -36.275|
| Q | 92.954| 107.768| 92.954| 118.200|
111.536| 92.954|
| N | -0.630| -1.381| -0.630|
-1.629| -1.704| -0.630|
|No. соч.| 10| 11| 10| 2| 3| 10|
+--------+----------+----------+----------+----------+----------+----------+
|Элемент 41, конечная точка |
|Критерий| M_min | M_max | Q_min |
Q_max | N_min | N_max |
| M |-2.339E-10| 3.430E-11|
3.430E-11|-2.339E-10|-2.474E-11|-5.082E-11|
| Q | -90.232| -115.272| -115.291|
-90.232| -108.604| -105.046|
| N | -1.381| -0.954| -0.923|
-1.381| -1.704| -0.630|
|No. соч.| 11| 1| 4| 11| 3| 10|
+--------+----------+----------+----------+----------+----------+----------+
|Элемент 42, начальная точка |
|Критерий| M_min | M_max | Q_min |
Q_max | N_min | N_max |
| M | -36.524| 52.867| -36.524|
49.018| 8.288| 52.867|
| Q | 92.913| 107.811| 92.913|
118.240| 100.381| 107.811|
| N | 0.113| 0.864| 0.113|
0.795|-2.941E-02| 0.864|
|No. соч.| 10| 11| 10| 2| 9| 11|
+--------+----------+----------+----------+----------+----------+----------+
|Элемент 42, конечная точка |
|Критерий| M_min | M_max | Q_min |
Q_max | N_min | N_max |
| M
|-5.191E-10|-4.356E-10|-4.389E-10|-5.191E-10|-4.620E-10|-5.191E-10|
| Q | -90.189| -115.309| -115.327|
-90.189| -97.619| -90.189|
| N | 0.864| 0.120| 0.174|
0.864|-2.941E-02| 0.864|
|No. соч.| 11| 1| 4| 11| 9| 11|
+--------+----------+----------+----------+----------+----------+----------+
|Элемент 43, начальная точка |
|Критерий| M_min | M_max | Q_min |
Q_max | N_min | N_max |
| M | -44.329| 44.551| -44.329|
39.774| -44.329| 39.465|
| Q | 91.612| 106.425| 91.612| 116.699|
91.612| 116.648|
| N | 2.520| 4.880| 2.520| 5.244|
2.520| 5.255|
|No. соч.| 10| 11| 10| 5| 10| 2|
+--------+----------+----------+----------+----------+----------+----------+
|Элемент 43, конечная точка |
|Критерий| M_min | M_max | Q_min |
Q_max | N_min | N_max |
| M | 4.547E-11| 2.179E-10|
2.179E-10| 4.547E-11| 1.637E-10| 1.115E-10|
| Q | -91.575| -116.825| -116.825|
-91.575| -106.388| -103.492|
| N | 4.880| 3.131| 3.131| 4.880|
2.520| 5.255|
|No. соч.| 11| 1| 1| 11| 10| 2|
+--------+----------+----------+----------+----------+----------+----------+
|Элемент 44, начальная точка |
|Критерий| M_min | M_max | Q_min |
Q_max | N_min | N_max |
| M | 1.164E-10| 1.182E-10|
1.181E-10| 1.164E-10| 1.182E-10| 1.182E-10|
| Q | 110.070| 99.000| 99.000|
111.300| 99.000| 99.000|
| N | -0.298| 3.770| 3.341| -0.273|
-3.490| 3.770|
|No. соч.| 3| 10| 7| 6| 11| 10|
+--------+----------+----------+----------+----------+----------+----------+
|Элемент 44, конечная точка |
|Критерий| M_min | M_max | Q_min |
Q_max | N_min | N_max |
| M | 1.017E-10| 1.164E-10|
1.019E-10| 1.148E-10| 1.146E-10| 1.146E-10|
| Q | -110.070| -99.000| -111.300|
-99.000| -99.000| -99.000|
| N | 3.370| -0.329| -0.273| 3.341|
-3.490| 3.770|
|No. соч.| 1| 9| 6| 7| 11| 10|
+--------+----------+----------+----------+----------+----------+----------+
|Элемент 45, начальная точка |
|Критерий| M_min | M_max | Q_min |
Q_max | N_min | N_max |
| M | -28.554| 43.007| -28.554|
40.561| 43.007| -28.554|
| Q | 94.241| 106.168| 94.241|
116.830| 106.168| 94.241|
| N | 1.232| -1.116| 1.232| -1.091|
-1.116| 1.232|
|No. соч.| 10| 11| 10| 2| 11| 10|
+--------+----------+----------+----------+----------+----------+----------+
|Элемент 45, конечная точка |
|Критерий| M_min | M_max | Q_min |
Q_max | N_min | N_max |
| M
|-1.273E-09|-7.253E-10|-1.273E-09|-7.253E-10|-7.253E-10|-1.151E-09|
| Q | -114.044| -91.832| -114.059|
-91.832| -91.832| -103.759|
| N | 1.021| -1.116| 1.044| -1.116|
-1.116| 1.232|
|No. соч.| 1| 11| 4| 11| 11| 10|
+--------+----------+----------+----------+----------+----------+----------+
|Элемент 46, начальная точка |
|Критерий| M_min | M_max | Q_min |
Q_max | N_min | N_max |
| M | -28.989| 43.475| -28.989|
40.982| -28.989| 43.475|
| Q | 94.168| 106.246| 94.168|
116.900| 94.168| 106.246|
| N | -1.001| 1.346| -1.001| 1.118|
-1.001| 1.346|
|No. соч.| 10| 11| 10| 2| 10| 11|
+--------+----------+----------+----------+----------+----------+----------+
|Элемент 46, конечная точка |
|Критерий| M_min | M_max | Q_min |
Q_max | N_min | N_max |
| M |-3.276E-11| 2.095E-10|
1.609E-10| 8.868E-12| 2.095E-10| 8.868E-12|
| Q | -103.240| -103.832| -114.123|
-91.754| -103.832| -91.754|
| N | 1.118| -1.001| -0.963| 1.346|
-1.001| 1.346|
|No. соч.| 2| 10| 4| 11| 10| 11|
+--------+----------+----------+----------+----------+----------+----------+
|Элемент 47, начальная точка |
|Критерий| M_min | M_max | Q_min |
Q_max | N_min | N_max |
| M | -39.326| 32.235| -39.326|
28.614| -39.326| 32.235|
| Q | 92.446| 104.373| 92.446|
114.839| 92.446| 104.373|
| N | -2.934| 4.326| -2.934| 3.884|
-2.934| 4.326|
+--------+----------+----------+----------+----------+----------+----------+
|Элемент 47, конечная точка |
|Критерий| M_min | M_max | Q_min |
Q_max | N_min | N_max |
| M
|-1.179E-09|-8.986E-10|-1.038E-09|-9.659E-10|-8.986E-10|-9.659E-10|
| Q | -111.899| -105.554| -116.122|
-93.627| -105.554| -93.627|
| N | 0.213| -2.934| -2.631| 4.326|
-2.934| 4.326|
|No. соч.| 6| 10| 1| 11| 10| 11|
+--------+----------+----------+----------+----------+----------+----------+
|Элемент 48, начальная точка |
|Критерий| M_min | M_max | Q_min |
Q_max | N_min | N_max |
| M |-1.455E-11| 1.819E-12|
0.000|-1.455E-11| 1.819E-12| 0.000|
| Q | 94.980| 86.100| 86.100|
94.980| 86.100| 86.100|
| N | -0.576| -3.662| 3.227| -0.576|
-3.662| 3.755|
|No. соч.| 6| 11| 7| 6| 11| 10|
+--------+----------+----------+----------+----------+----------+----------+
|Элемент 48, конечная точка |
|Критерий| M_min | M_max | Q_min |
Q_max | N_min | N_max |
| M | 2.310E-10| 2.328E-10|
2.328E-10| 2.328E-10| 2.310E-10| 2.328E-10|
| Q | -86.100| -94.092| -94.980|
-86.100| -86.100| -86.100|
| N | -3.662| 3.134| -0.576| 3.227|
-3.662| 3.755|
|No. соч.| 11| 1| 6| 7| 11| 10|
+--------+----------+----------+----------+----------+----------+----------+
|Элемент 49, начальная точка |
|Критерий| M_min | M_max | Q_min |
Q_max | N_min | N_max |
| M | -27.072| 27.972| -27.072|
24.962| 24.769| -27.072|
| Q | 81.588| 90.762| 81.588|
98.252| 98.220| 81.588|
| N | 1.465| -1.021| 1.465| -0.976|
-1.055| 1.465|
|No. соч.| 10| 11| 10| 5| 2| 10|
+--------+----------+----------+----------+----------+----------+----------+
|Элемент 49, конечная точка |
|Критерий| M_min | M_max | Q_min |
Q_max | N_min | N_max |
| M
|-8.086E-10|-6.341E-10|-7.192E-10|-7.336E-10|-8.086E-10|-6.341E-10|
| Q | -89.964| -90.612| -98.220|
-81.438| -89.964| -90.612|
| N | -1.055| 1.465| 1.182| -1.021|
-1.055| 1.465|
|No. соч.| 2| 10| 1| 11| 2| 10|
+--------+----------+----------+----------+----------+----------+----------+
|Элемент 50, начальная точка |
|Критерий| M_min | M_max | Q_min |
Q_max | N_min | N_max |
| M | -27.780| 28.432| -27.780|
25.362| -27.780| 28.432|
| Q | 81.470| 90.839| 81.470|
98.319| 81.470| 90.839|
| N | -0.924| 1.562| -0.924| 1.377|
-0.924| 1.562|
|No. соч.| 10| 11| 10| 5| 10| 11|
+--------+----------+----------+----------+----------+----------+----------+
|Элемент 50, конечная точка |
|Критерий| M_min | M_max | Q_min |
Q_max | N_min | N_max |
| M | 8.877E-10| 1.194E-09|
9.461E-10| 1.194E-09| 9.841E-10| 1.194E-09|
| Q | -94.974| -81.361| -98.339|
-81.361| -90.730| -81.361|
| N | -0.209| 1.562| -0.834| 1.562|
-0.924| 1.562|
|No. соч.| 6| 11| 1| 11| 10| 11|
+--------+----------+----------+----------+----------+----------+----------+
|Элемент 51, начальная точка |
|Критерий| M_min | M_max | Q_min |
Q_max | N_min | N_max |
| M | -39.766| 15.279| -39.766|
11.028| -39.766| 15.279|
| Q | 79.472| 88.646| 79.472|
95.930| 79.472| 88.646|
| N | -2.689| 4.728| -2.689| 4.400|
-2.689| 4.728|
|No. соч.| 10| 11| 10| 5| 10| 11|
+--------+----------+----------+----------+----------+----------+----------+
|Элемент 51, конечная точка |
|Критерий| M_min | M_max | Q_min |
Q_max | N_min | N_max |
| M |-7.836E-10|-6.694E-10|-7.836E-10|-6.694E-10|-7.713E-10|-6.694E-10|
| Q | -100.674| -83.554| -100.674|
-83.554| -92.728| -83.554|
| N | -2.167| 4.728| -2.167| 4.728|
-2.689| 4.728|
|No. соч.| 1| 11| 1| 11| 10| 11|
+--------+----------+----------+----------+----------+----------+----------+
|Элемент 52, начальная точка |
|Критерий| M_min | M_max | Q_min |
Q_max | N_min | N_max |
| M
|-3.783E-10|-3.474E-10|-3.476E-10|-3.783E-10|-3.509E-10|-3.474E-10|
| Q | 97.680| 88.800| 88.800|
97.680| 88.800| 88.800|
| N | 0.895| 5.058| 3.587| 0.895|
-3.627| 5.058|
|No. соч.| 6| 10| 7| 6| 8| 10|
+--------+----------+----------+----------+----------+----------+----------+
|Элемент 52, конечная точка |
|Критерий| M_min | M_max | Q_min |
Q_max | N_min | N_max |
| M |-1.182E-10|-1.164E-10|-1.164E-10|-1.181E-10|-1.164E-10|-1.182E-10|
| Q | -88.800| -96.792| -97.680|
-88.800| -88.800| -88.800|
| N | 5.058| -3.236| 0.895| 3.587|
-3.627| 5.058|
|No. соч.| 10| 2| 6| 7| 8| 10|
+--------+----------+----------+----------+----------+----------+----------+
|Элемент 53, начальная точка |
|Критерий| M_min | M_max | Q_min |
Q_max | N_min | N_max |
| M | -14.699| 23.522| -14.699|
22.388| 19.922| -14.699|
| Q | 86.350| 92.720| 86.350|
100.523| 92.120| 86.350|
| N | 1.854| -0.812| 1.854| -0.651|
-1.021| 1.854|
|No. соч.| 10| 11| 10| 5| 8| 10|
+--------+----------+----------+----------+----------+----------+----------+
|Элемент 53, конечная точка |
|Критерий| M_min | M_max | Q_min |
Q_max | N_min | N_max |
| M |-4.118E-10|-1.200E-10|-2.287E-10|-2.910E-10|-2.772E-10|-4.118E-10|
| Q | -91.250| -93.342| -99.076|
-84.880| -85.480| -91.250|
| N | 1.854| -0.934| 1.466| -0.812|
-1.021| 1.854|
|No. соч.| 10| 2| 1| 11| 8| 10|
+--------+----------+----------+----------+----------+----------+----------+
|Элемент 54, начальная точка |
|Критерий| M_min | M_max | Q_min |
Q_max | N_min | N_max |
| M | -15.492| 23.944| -15.492|
22.702| -12.790| 20.368|
| Q | 86.218| 92.791| 86.218|
100.576| 94.660| 92.195|
| N | -1.209| 1.457| -1.209| 1.139|
-1.260| 1.476|
|No. соч.| 10| 11| 10| 5| 4| 8|
+--------+----------+----------+----------+----------+----------+----------+
|Элемент 54, конечная точка |
|Критерий| M_min | M_max | Q_min |
Q_max | N_min | N_max |
| M |-7.276E-12| 2.681E-10|
2.030E-10| 2.105E-10| 2.095E-10| 1.829E-10|
| Q | -88.393| -93.008| -99.191|
-84.809| -98.924| -85.405|
| N | -0.236| 1.139| -1.048| 1.457|
-1.260| 1.476|
|No. соч.| 9| 5| 1| 11| 4| 8|
+--------+----------+----------+----------+----------+----------+----------+
|Элемент 55, начальная точка |
|Критерий| M_min | M_max | Q_min |
Q_max | N_min | N_max |
| M | -30.165| 9.363| -29.604|
6.888| -27.510| 4.795|
| Q | 91.764| 90.360| 83.866|
97.940| 92.207| 89.599|
| N | -3.149| 3.939| -2.741| 3.072|
-4.142| 4.473|
|No. соч.| 1| 11| 7| 5| 4| 8|
+--------+----------+----------+----------+----------+----------+----------+
|Элемент 55, конечная точка |
|Критерий| M_min | M_max | Q_min |
Q_max | N_min | N_max |
| M | 1.164E-10| 3.900E-10|
3.900E-10| 1.164E-10| 3.900E-10| 1.281E-10|
| Q | -87.240| -101.820| -101.820|
-87.240| -101.377| -88.001|
| N | 3.939| -3.149| -3.149| 3.939|
-4.142| 4.473|
|No. соч.| 11| 1| 1| 11| 4| 8|
+--------+----------+----------+----------+----------+----------+----------+
|Элемент 56, начальная точка |
|Критерий| M_min | M_max | Q_min |
Q_max | N_min | N_max |
| M | 7.058E-11| 1.182E-10|
1.115E-10| 7.276E-11| 7.713E-11| 1.115E-10|
| Q | 96.792| 88.800| 88.800|
97.680| 96.792| 88.800|
| N | -1.066| 4.683| 6.693| -0.670|
-3.534| 6.693|
|No. соч.| 2| 10| 7| 6| 5| 7|
+--------+----------+----------+----------+----------+----------+----------+
|Элемент 56, конечная точка |
|Критерий| M_min | M_max | Q_min |
Q_max | N_min | N_max |
| M
|-1.164E-10|-8.731E-11|-8.731E-11|-1.164E-10|-9.022E-11|-1.164E-10|
| Q | -88.800| -97.680| -97.680|
-88.800| -96.792| -88.800|
| N | 6.693| -0.670| -0.670| 6.693|
-3.534| 6.693|
|No. соч.| 7| 6| 6| 7| 5| 7|
+--------+----------+----------+----------+----------+----------+----------+
|Элемент 57, начальная точка |
|Критерий| M_min | M_max | Q_min |
Q_max | N_min | N_max |
| M | -10.119| 16.806| -10.119|
16.806| 16.806| -10.119|
| Q | 87.114| 99.593| 87.114|
99.593| 99.593| 87.114|
| N | 2.251| -0.945| 2.251| -0.945|
-0.945| 2.251|
|No. соч.| 7| 5| 7| 5| 5| 7|
+--------+----------+----------+----------+----------+----------+----------+
|Элемент 57, конечная точка |
|Критерий| M_min | M_max | Q_min |
Q_max | N_min | N_max |
| M |-1.227E-10| 1.739E-10|
7.797E-11|-3.445E-11|-1.227E-10| 1.696E-10|
| Q | -93.991| -89.766| -98.134|
-86.163| -93.991| -90.486|
| N | -0.945| 1.752| 2.043| -0.803|
-0.945| 2.251|
|No. соч.| 5| 10| 1| 11| 5| 7|
+--------+----------+----------+----------+----------+----------+----------+
|Элемент 58, начальная точка |
|Критерий| M_min | M_max | Q_min |
Q_max | N_min | N_max |
| M | -10.805| 17.353| -10.805|
17.353| -10.805| 16.449|
| Q | 86.999| 99.684| 86.999|
99.684| 86.999| 91.542|
| N | -2.029| 1.213| -2.029| 1.213|
-2.029| 1.251|
|No. соч.| 7| 5| 7| 5| 7| 11|
+--------+----------+----------+----------+----------+----------+----------+
|Элемент 58, конечная точка |
|Критерий| M_min | M_max | Q_min |
Q_max | N_min | N_max |
| M | 4.422E-11| 5.720E-10|
5.720E-10| 4.422E-11| 5.458E-10| 4.422E-11|
| Q | -86.058| -98.250| -98.250|
-86.058| -90.601| -86.058|
| N | 1.251| -1.878| -1.878| 1.251|
-2.029| 1.251|
|No. соч.| 11| 1| 1| 11| 7| 11|
+--------+----------+----------+----------+----------+----------+----------+
|Элемент 59, начальная точка |
|Критерий| M_min | M_max | Q_min |
Q_max | N_min | N_max |
| M | -26.588| 0.501| -26.588|
9.440E-02| -26.588| 9.440E-02|
| Q | 84.369| 88.884| 84.369|
96.808| 84.369| 96.808|
| N | -5.132| 4.839| -5.132| 5.094|
-5.132| 5.094|
|No. соч.| 7| 11| 7| 5| 7| 5|
+--------+----------+----------+----------+----------+----------+----------+
|Элемент 59, конечная точка |
|Критерий| M_min | M_max | Q_min |
Q_max | N_min | N_max |
| M | 0.000| 1.492E-10| 4.438E-11|
5.639E-11| 1.819E-11| 8.858E-11|
| Q | -92.320| -99.486| -101.111|
-88.716| -93.231| -96.776|
| N | -3.021| -1.477| -4.418| 4.839|
-5.132| 5.094|
|No. соч.| 10| 3| 1| 11| 7| 5|
+--------+----------+----------+----------+----------+----------+----------+
|Элемент 60, начальная точка |
|Критерий| M_min | M_max | Q_min |
Q_max | N_min | N_max |
| M
|-3.783E-10|-3.347E-10|-3.378E-10|-3.783E-10|-3.754E-10|-3.378E-10|
| Q | 119.580| 88.800| 88.800|
119.580| 116.502| 88.800|
| N | -1.508| 0.384| 3.143| -1.508|
-3.657| 3.143|
|No. соч.| 9| 6| 4| 9| 8| 4|
+--------+----------+----------+----------+----------+----------+----------+
|Элемент 60, конечная точка |
|Критерий| M_min | M_max | Q_min |
Q_max | N_min | N_max |
| M | 1.019E-10| 2.037E-10|
2.037E-10| 1.050E-10| 1.950E-10| 1.050E-10|
| Q | -88.800| -119.580| -119.580|
-88.800| -116.502| -88.800|
| N | 0.384| -1.508| -1.508| 3.143|
-3.657| 3.143|
|No. соч.| 6| 9| 9| 4| 8| 4|
+--------+----------+----------+----------+----------+----------+----------+
|Элемент 61, начальная точка |
|Критерий| M_min | M_max | Q_min |
Q_max | N_min | N_max |
| M | -2.826| 16.218| -2.826|
13.051| 16.218| -2.826|
| Q | 88.329| 119.205| 88.329|
121.755| 119.205| 88.329|
| N | 3.243| 0.856| 3.243| 1.480|
0.856| 3.243|
|No. соч.| 4| 8| 4| 9| 8| 4|
+--------+----------+----------+----------+----------+----------+----------+
|Элемент 61, конечная точка |
|Критерий| M_min | M_max | Q_min |
Q_max | N_min | N_max |
| M
|-5.879E-10|-3.492E-10|-4.948E-10|-3.884E-10|-5.154E-10|-4.569E-10|
| Q | -115.521| -88.238| -117.405|
-87.472| -113.799| -89.271|
| N | 2.994| 1.756| 1.480| 1.032| 0.856|
3.243|
|No. соч.| 1| 12| 9| 11| 8| 4|
+--------+----------+----------+----------+----------+----------+----------+
|Элемент 62, начальная точка |
|Критерий| M_min | M_max | Q_min |
Q_max | N_min | N_max |
| M | -3.114| 16.599| -3.114|
12.998| -1.537| 14.516|
| Q | 88.281| 119.268| 88.281|
121.746| 88.544| 118.921|
| N | 3.234| 5.572| 3.234| 4.432|
2.947| 5.786|
|No. соч.| 4| 8| 4| 9| 10| 2|
+--------+----------+----------+----------+----------+----------+----------+
|Элемент 62, конечная точка |
|Критерий| M_min | M_max | Q_min |
Q_max | N_min | N_max |
| M |-1.523E-11| 5.254E-11|
2.910E-11| 2.927E-11|-1.523E-11| 5.254E-11|
| Q | -89.056| -114.083| -117.414|
-87.371| -89.056| -114.083|
| N | 2.947| 5.786| 4.432| 5.021|
2.947| 5.786|
|No. соч.| 10| 2| 9| 11| 10| 2|
+--------+----------+----------+----------+----------+----------+----------+
|Элемент 63, начальная точка |
|Критерий| M_min | M_max | Q_min |
Q_max | N_min | N_max |
| M | -14.427| 4.680| -14.427| 1.503|
-14.427| 4.680|
| Q | 86.395| 117.282| 86.395|
119.830| 86.395| 117.282|
| N | -2.809| 3.990| -2.809| 1.334|
-2.809| 3.990|
|No. соч.| 4| 8| 4| 9| 4| 8|
+--------+----------+----------+----------+----------+----------+----------+
|Элемент 63, конечная точка |
|Критерий| M_min | M_max | Q_min |
Q_max | N_min | N_max |
| M | 3.365E-10| 3.783E-10|
3.783E-10| 3.365E-10| 3.509E-10| 3.640E-10|
| Q | -89.251| -119.330| -119.330|
-89.251| -91.205| -115.722|
| N | 2.995| 1.334| 1.334| 2.995|
-2.809| 3.990|
|No. соч.| 11| 9| 9| 11| 4| 8|
6.2 Расчет сборной железобетонной колонны по оси
Б
Рассчитываем среднюю колонну первого этажа по
оси Б. Сетка колонн 6x6 м. Конструктивно здание решено с ненесущими наружными
стенами. Стыки колонн располагаются на 0,75 м от уровня верха панелей
перекрытия. Ригели опираются на консоли колонн.
Сечение колонны 400x400 мм, бетон класса В30,
Rb=17 МПа, Rbt=1,2 МПа, арматура из стали класса А-III, Rsc=365 МПа, γb2=0,9.
За расчетное сечение колонн по этажам приняты
сечения в уровне стыков колонн, а для первого этажа - в уровне отметки верха
фундамента.
Усилия от полной нагрузки: N1=2585; усилия от
постоянной нагрузки : N2=2197 кН.
Предварительно вычисляем отношение
/N1=2197/2585=0,85.
Гибкость колонны
>4,
следовательно, необходимо учитывать прогиб колонны.
Эксцентриситет
см, а также
не менее
см.
Принимаем большее значение еа=1,7
см; расчетная длина колонны l=460 см<20hc=20Z40=800 см, значит расчет продольной
арматуры можно выполнить по формуле:
, (7.2.1)
Задаемся процентом армирования μ=1% (коэффициент μ=0,01) и вычисляем:
При N2/N1=0,85 и
коэффициенты
φb=0,9 и,
полагая, что
, а
коэффициент
Требуемая площадь сечения продольной
арматуры по формуле (7.2.1) :
11 см2.
Принимаем конструктивно 4 Ø 20 А-III, с
Аs=12,56 см2.
Фактическая несущая способность
сечения 400x400 мм:
Несущая способность сечения достаточна.
Поперечная арматура принята Ø 6 мм класса
А-I шагом
мм<20d1=20Z20=400 мм и
меньше hc=400 мм.
Рис. 7.9. Схема армирования колонны
.3 Расчет и конструирование отдельно
стоящего фундамента под колонну
.3.1 Исходные данные для
проектирования
Проектируемое здание
торгово-офисного центра расположено в юго-западной части г. Липецка по ул.
Московская, на территории Универсальной базы.
Район характеризуется
умеренно-континентальным климатом и относится по СНиП 23-01-99 к IIВ
климатическому району.
В геоморфологическом отношении
площадка приурочена к поверхности эрозионной равнины. Рельеф площадки ровный,
искусственно-спланированный. Абсолютные отметки дневной поверхности по
скважинам изменяются от 168,4 до 169,1 м.
Подземные воды на площадке до
глубины 10,0 м в скважинах не встречены. На площадке возможно формирование верховодки
на глубине 2,5-3,0 м от дневной поверхности, абсолютная отметка 165,9-166,1 м.
Верховодка связана с общим развитием техногенного подтопления застраиваемой
территории (утечки из систем тепловодоснабжения, канализации), а также
инфильтрацией поверхностных ливневых и талых вод.
Нормативная глубина промерзания
грунтов - 1,4 м.
Фундаменты под колонны -
столбчатые монолитные, под стены - ленточные.
Естественным основанием фундамента служат грунты
№3 - суглинок полутвердый.
Физические характеристики грунта:
Сопротивление грунта Ro = 0,25 МПа;
Объемный вес γ = 27,1
Усилие в заделке в фндаменте N = 2585 кН, M = 18
кН м;
Нормальная сила, передаваемая фундаменту
N n = N / γf = 2585/1,15 =
2247,8 кН;
Эксцентриситет
= M / N = 18/2585 = 0,007 см
γf = 1,15 - усредненное
значение коэффициента надежности по нагрузке,
Ввиду малого значения эксцентриситета фундамент
рассчитываем как центрально загруженный.
Бетон тяжелый В15 (Rbt = 0,75 МПа, γb2
= 0,9)
Арматура класса А-III (RS = 365 МПа).
Отметка подошвы фундамента -6.570.
.3.2 Определение размеров подошвы фундамента в
плане
Конструктивно принимаем высоту фундамента равной
1,95 м, размер стороны фундамента а=2,4м. Фундамент - трехступенчатый, высота
нижних ступеней - 0,3 м.
Размеры подошвы фундамента проверяем по результатам
расчета оснований по деформациям, который производиться, исходя из условий:
ср ≤ R, (7.3.1)≤ Su, (7.3.2)
где Pср - среднее давление на грунт под подошвой
фундамента;- совместная деформация основания и сооружения определяемая
расчетом;- расчетное сопротивление грунта основания фундамента, вычисляемое при
известных размерах подошвы фундамента, глубине его заложения и характеристиках
грунта;- предельное значение совместной деформации основания и сооруже ния;
, (7.3.3)
где N1 - собственный вес
фундамента,- вес грунта, расположенного над фундаментом.
тс/м2=491,2 кПа.
Среднее давление под подошвой
фундамента Рср не должно превышать расчетного сопротивления грунта основания R,
кПа (тс/м2), определяемого по формуле:
, (7.3.4)
Где
,
- коэффициенты условий работы,
принимаемые по табл.3 СНиПа 2.02.01-83.
=1,25;
=1,09;
=1;
- коэффициенты, принимаемые по
табл.4 СНиПа 2.02.01-83.
;
;
.
; b=2,4 м - ширина подошвы
фундамента.
- осредненное расчетное значение
удельного веса грунтов, залегающих ниже подошвы фундамента;
- осредненное расчетное значение
удельного веса грунтов, залегающих выше подошвы фундамента;
=19,3 кН/м3,
=18 кН/м3;
- расчетное
значение удельного сцепления грунта, залегающего непосредственно под подошвой
фундамента, кПа;
=27,3 кПа;-
приведенная глубина заложения фундамента от пола подвала, определяемая по
формуле:
,
где
hs - толщина слоя грунта выше подошвы фундамента со стороны подвала, м; hs=3,2
м;сf - толщина конструкции пола подвала, м;сf=0,16 м;
- расчетное
значение удельного веса конструкции пола подвала, кН/м2;=0.
м.
Рср=491,2
кПа<R=786,3 кПа.
Условие
выполнено.
Предельные
деформации основания:
относительная
разность осадок:
(ΔS/L)U=0,004
максимальная
осадка Smax,u, см = 12
≤SU
Для
проверки совместной деформации основания и здания необходимо определить
ожидаемые абсолютные осадки оснований проектируемых фундаментов, т.е.:
, (7.3.5)
где
σzp
- среднее
значение дополнительного вертикального нормального напряжения, равная полу
сумме напряжений на верхней и нижней границах.
β
- коэффициент,
равный 0,8.- толщина деформации i-го слоя грунта,
Еi
- модуль деформации i -го слоя грунта.число слоев, на которое разбита сжимаемая
толща основания.
, (7.3.6)
. (7.3.7)
р0=0,49
МПа.
Насыпной
грунт
Суглинок
полутвердый
Суглинок
полутвердый
Суглинок
твердый
Таблица
7.3.1 Значение ординат эпюры дополнительных давлений
|
z
|
α Е МПа
|
|
|
|
|
|
|
1,4
|
1,17
|
0,58
|
0,98
|
0,48
|
0,12
|
10,2
|
|
3
|
2,5
|
1,25
|
0,2
|
0,098
|
0,025
|
14,6
|
|
4,6
|
3,8
|
1,92
|
0,112
|
0,055
|
|
|
6,6
|
5,5
|
2,75
|
0,06
|
0,03
|
0,008
|
16,8
|
|
9,6
|
8
|
4
|
0,029
|
0,014
|
0,004
|
|
|
11,6
|
9,7
|
4,83
|
0,014
|
0,007
|
0,002
|
21,5
|
<12см.
Условие выполнено. Следовательно, расчет осадки
фундамента удовлетворяет расчету по второй группе предельных состояний.
.3.3 Расчет на продавливание
Проверяем прочность фундамента на продавливание
по поверхности пирамиды, ограниченной плоскостями, проведенными под углом 450 к
боковым граням колонны, по формуле (7.3.8):
,
где
кН,
см;
Подставляем в (7.3.9) вычисленные
значения, тогда
Условие удовлетворяется.
6.3.4 Определение рабочей арматуры в
уровне подошвы фундамента
При подсчете арматуры для фундамента
за расчетные принимаем изгибающие моменты по сечениям, соответствующим
расположению уступов фундамента как для консоли с защемленным концом:
Подсчет требуемого количества арматуры
в разных сечениях фундамента в одном направлении:
5,67 см2;
16,44 см2;
8,57 см2;
Принимаем сетку с одинаковой в обоих
направлениях рабочей арматурой
ГОСТ 23279-85. AS =12x1,539= 18,47
см2. (См. сетку С2).
Процент армирования:
= 0,054%
Условие выполнено.
Верхнюю ступень армируют
конструктивно горизонтальными сетками С1, С4 из арматуры диаметром 6 АI c шагом
100 мм, и вертикальными сетками С3 с рабочей арматурой диаметром 12 АIII и
распределительной диаметром 6 АIII. См. рис. 7.3.1.

Рис. 7.3.1. Конструкция фундамента монолитного
Фм1, разрез 1-1
Рис. 7.3.2. Разрез 2-2, 3-3, узел А
7. Организация строительства
.1 Введение
Организация строительного производства должна
обеспечивать целенаправленность всех организационных, технических и
технологических решений на достижении конечного результата - ввода в действие
объекта с необходимым качеством и в установленные сроки.
Исходными материалами для
разработки проекта организации строительства (ПОС) служат:
- технико-экономические
обоснования строительства и расчеты, обосновывающие хозяйственную необходимость
и экономическую целесообразность строительства данного объекта и задания на его
проектирование;
· материалы
инженерных изысканий, рекомендованные генподрядной и субподрядной организацией
решениями по применению материалов и конструкций, средств механизации
строительно-монтажных работ, порядок обеспечения строительства энергетическими
ресурсами, водой, временными инженерными сетями, а также местными строительными
материалами;
· сведения
об условиях поставки и транспортирования с предприятий-поставщиков строительных
конструкций, готовых изделий, материалов и оборудование;
· сведения
об условиях обеспечения кадрами строителей.
При организации строительного
производства должны обеспечиваться:
- согласованная работа
всех участников строительства объекта с координацией их деятельности
генподрядчика, решение которого по вопросам связанным с выполнением
утвержденных планов и графиков работ; - являются обязательными для всех
участников не зависимо от ведомственной подчиненности. До начала выполнения
строительно- монтажных, в том числе подготовительных работ на объекте заказчик
обязан получить в установленном подряда разрешение на выполнение строительно-
монтажных работ. Выполнение работ без указанного разрешения запрещается.
Строительство должно вестись в
технологической последовательности в соответствии с календарным планом с учетом
обоснованного совмещения отдельных видов работ.
К основным работам по
строительству объекта или его части разрешается приступать только после отвода
в натуре площадки для его строительства;
- устройство необходимых
ограждений строительной площадки (охранных, защитных и сигнальных) и создание
разбивочной геодезической основы. До начала возведения зданий и сооружений
необходимо произвести срезку и складирование используемого для рекультивации
земель растительного слоя грунта в специально отведенных местах. Вертикальную
планировку строительной площадки, работы по водоотводу, устройство постоянных и
временных внутриплощадочных дорог и инженерных сетей (канализаций, водопровода,
тепло и электроснабжения) необходимых на время строительства и предусмотренных
проектами организации строительства и ППР (проект производства работ).
При организации строительного
производства должны предусматриваться своевременное строительство подъездных
путей, создание складского хозяйства, развитие производственной базы
строительных организаций и подготовка помещения жилищного и социально-бытового
назначения коммунального хозяйства в объеме, необходимом для нужд строительства
с учетом возможности временного использования запроектированных постоянных
зданий и сооружений.
Список нормативно-справочных
документов
. СНиП 3.01.01.85.
"Организация строительного производства" (взамен СНиП III-76).
. СНиП 1.04.03.85 (1990) часть
1. "Нормы продолжительности строительства и задела в строительстве
предприятий, зданий и сооружений".
З. СНиП 12.01-2004.
"Организация строительства".
.СНиП 12.03.-2001.
"Безопасность труда в строительстве" часть 2. Строительное
производство".
. СП 12-136-2002.
"Безопасность труда в строительстве. Решение по охране труда и
промышленной безопасности в проектах организации строительства и проектах
производства работ".
. СНиП 21-01-97. "Пожарная
безопасность зданий и сооружений".
. ППБ 01-03. "Правила
пожарной безопасности в Российской Федерации".
. Сан.ПиН 2.2.3-1984-03.
"Санитарно-эпидемиологические правила и нормативы".
. ПБ 10-382-00. "Правила
устройства и безопасной эксплуатации грузоподъемных кранов".
. ГОСТ 12.4.059-89. "Ограждение
строительных площадок".
. Нормы расходов строительных
материалов.
.2 Характеристика условий строительства и
конструктивные особенности проектируемого объекта
Место строительства - г. Липецк.
Район строительства - IIВ.
Расчетная снеговая нагрузка - 180 кг/м2.
Нормативный скоростной напор ветра - 30 кг/м2.
Проектируемое здание торгово-офисного центра
расположено в юго-западной части города по ул. Московской, на территории
Универсальной базы.
Рельеф площадки ровный, искусственно
спланированный. Абсолютные отметки дневной поверхности по скважинам изменяются
от 168.4 м до 169.1 м.
Подземные воды на площадке до глубины 10 м в
скважинах не встречены.На площадке возможно формирование верховодки на глубине
2,5-3 м от дневной поверхности, абсолютная отметка 165,9 - 166.1 м.
Нормативная глубина промерзания грунтов - 1,4 м.
Фундаменты под колонны монолитные,
железобетонные отдельно стоящие, столбчатого типа из бетона Кл. В15. Под
наружные стены из сборных ж/б блоков и сборных ж/б плит.
Каркас здания - принят по серии 1.020-1/87.
Колонны каркаса сборные ж/б сечением 400x400 с
консолями для опирания ригелей.
Ригели - сборные ж/б.
Плиты перекрытия и покрытия - сборные ж/б.
Перегородки - из гипсокартона по металлическому
каркасу.
Лестничные марши - сборные ж/б.
Наружные стены - из кирпича.
Утепление стен из пенополистирольных плит
толщиной 90 мм.
Кровля - совмещенная, плоская из наплавляемых
рулонных материалов.
Водоснабжение торгово-офисного центра
предусмотрено от сетей водопровода диаметром 100 мм базы "Липецкбакалея".
Канализация - от проектируемого здания в
существующий коллектор диаметром 150 мм базы "Липецкбакалея".
Электроснабжение - от существующей
трансформаторной подстанции.
.3 Нормативная продолжительность строительства
Исходные данные
строительный объем 19120 м3
общая площадь 5256,2 м2
площадь застройки 900 м2
этажность 6
Продолжительность строительства согласно СНиП
1.04.03-85 раздел 3 подр. 6 п. 53 - 15 месяцев, в том числе 2 месяца -
подготовительный период.
.4 Геодезическое обеспечение строительства
Согласно СНиП 12.01-2004 раздел 4 стр. 4 п. 4.10
предусмотреть на основе проектной документации исполнителю работ следует
подготовить схемы расположения разбиваемых в натуре осей зданий и сооружений
,знаков закрепления этих осей и монтажных ориентиров, а также схемы
расположения конструкций и их элементов относительно этих осей и ориентиров.
Схемы разрабатывают исходя из
условия, что оси и ориентиры, разбиваемые в натуре, должны быть технологически
доступны для наблюдения при контроле точности положения элементов конструкций
на всех этапах строительства. Одновременно следует, при необходимости,
откорректировать имеющуюся или разработать методику выполнения и контроля
точности геодезических разбивочных работ, правила нанесения и закрепления
монтажных ориентиров. Для выполнения геодезических работ по возведение зданий и
сооружений применяют приборы позволяющие переносить геодезическую основу с
исходного горизонта на монтажный горизонт.
Геодезическое обеспечение работ
по прокладке подземных коммуникаций осуществляют в следующем порядке:
- разбивают оси и закрепляют на
них углы поворота и основные характерные точки (колодцы, камеры и пр.);
оси закрепляют обносками,
забивкой в них гвоздей с последующим натяжением стальной проволоки;
отвесом переносят на дно траншей
ось прокладываемой коммуникации.
7.5 Противопожарные мероприятия
Пожарную безопасность на
строительной площадке обеспечивают в соответствии с требованиями правил
пожарной безопасности при производстве строительно-монтажных работ (ППБ 05-86),
утверждено ГУПО МВД РФ.
Электрическая безопасность на
строительной площадке обеспечивается в соответствии с требованиями ГОСТ
1.013-78
Территория строительства должна
быть спланирована, проходы в зимнее время постоянно очищают от снега, наледи и
посыпают песком. В местах расположения грузоподъемных машин и механизмов
создают охранные зоны, находиться в которых запрещено.
Противопожарные мероприятия на
период строительства выполнять согласно СНиП 21.01.-97. "Пожарная
безопасность зданий и сооружений", также СНиП 12.03-2001.
"Безопасность труда в строительстве".
Опасность пожара на
строительно-монтажных площадках особенно следует учитывать при работах,
связанных с применением открытого огня, сварочных работ и т.д.
Поэтому в этих местах огневых и
сварочных работ следует строго соблюдать меры противопожарной защиты.