Проектирование вертикальной планировки территории микрорайона

  • Вид работы:
    Курсовая работа (т)
  • Предмет:
    Строительство
  • Язык:
    Русский
    ,
    Формат файла:
    MS Word
    719,11 Кб
  • Опубликовано:
    2015-05-25
Вы можете узнать стоимость помощи в написании студенческой работы.
Помощь в написании работы, которую точно примут!

Проектирование вертикальной планировки территории микрорайона

МИНИСТЕРСТВО ОБРАЗОВАНИЯ И НАУКИ РОССИЙСКОЙ ФЕДЕРАЦИИ

Федеративное государственное бюджетное образовательное учреждение высшего профессионального образования

«Ростовский государственный строительный университет»

Институт ДТИ

Кафедра ВГ и Ф






РАСЧЕТНО-ПОЯСНИТЕЛЬНАЯ ЗАПИСКА КУРСОВОГО ПРОЕКТА

По дисциплине: технология строительства

Тема: проектирование вертикальной планировки территории микрорайона










Ростов-на-Дону

г.

Ростовский государственный строительный университет

«Утверждаю» Институт ДТИ

Зав. Кафедрой Кафедра ВГ и Ф









ЗАДАНИЕ

ПО КУРСАВОМУ ПРОЕКТУ

по дисциплине: Технология строительства

Студенту группы

. Тема проекта: проектирование вертикальной планировки территории микрорайона

. Срок сдачи проекта:

3. Исходные данные к курсовому проекту: планировка и застройка квартала - копия генерального плана города, поперечные профили улиц, ограничивающих квартал, отметки центров перекрёстков, проектные уклоны осей улиц.

. Содержание расчетно-пояснительной записки: Проектирование вертикальной планировки микрорайона, вычисление объемов земляных работ

. Перечень графического материала: План вертикальной планировки микрорайона, картограмма земляных работ, продольный профиль автомобильной дороги.

Дата выдачи задания: 10.02.14

Руководитель курсового проекта:

Задание получил: обучающийся

СОДЕРЖАНИЕ

Раздел 1

. Проектирование вертикальной планировки территории микрорайона

.1 Исходные данные к выполнению курсового проекта

.2 Вычисление отметок характерных точек и уклонов на перекрестках

.3 Определения положения проектных горизонталей на перекрестке

1.4 Определение положения горизонталей на участках улиц вне пределов размостки

.5 Определение положения горизонталей на въезде в микрорайон

.6 Вычисление отметок точек пересечения осей внутриквартальных проездов с красными линиями

1.7 Определение положения проектных горизонталей на внутриквартальных проездов

.8 Определение положения горизонталей на отмостке зданий

.9 Проектирование рельефа на не застроенной территории

Раздел 2

.1 Определение объемов земляных работ для территории микрорайона

.2 Вычисление объёмов земляных работ для участка улицы

2.3 Вычисление объёма земляных работ при возведении земляного полотна участка автомобильной дороги

Приложение 1

Приложение 2

РАЗДЕЛ 1. Проектирование вертикальной планировки территории микрорайона

Несомненно, главным мероприятием по инженерной подготовке территории является вертикальная планировка, представляющая собой совокупность мероприятий по изменению рельефа с целью обеспечения беспрепятственного стока с территории поверхностных вод, создания комфортных условий для движения транспорта и пешеходов, размещения зданий и сооружений.

Объем и виды работ по вертикальной планировке зависят от целого ряда факторов: функционального назначения территории, ее размеров, характера и плотности застройки, категории улиц и дорог, типа грунтов, слагающих территорию и др.

При проектировании вертикальной планировки проектные отметки территории населенного пункта или его планировочного элемента следуют назначить исходя из условий максимального сохранения естественного рельефа, почвенного покрова и существующих древесных насаждений, минимизации объема земляных работ.

1.1 Исходные данные

Для выполнения курсового проекта приводятся следующие исходные данные:

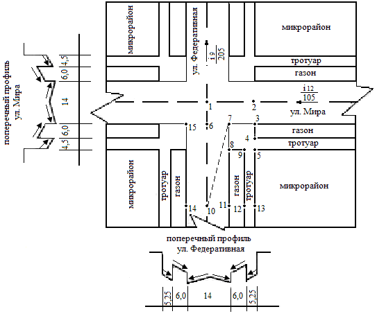
1.      Поперечные профили улиц (рисунок 1);

2.      Схема планировки микрорайона (рисунок 2);

3.      Продольные уклоны осей ул. Федеративная, ул. Мира, ул. 1-го Мая:

i1-2пр= - 0,009, i2-3пр= 0,012, i1-4пр= 0,012;

4.      Проектная отметка на перекрестке № 1 (пересечение ул. Федеративная и ул. 1-го Мая):

Н1= 342,11 м.

Также, для дальнейшего выполнения вертикальной планировки были найдены проектные отметки остальных трех перекрестков и продольный уклон по ул. Спортивной:

Н2 = Н1 + i1-2 *d1-2=342,11 - (0,009 * 205) = 340,26 м;

Н3 = Н2 + i2-3* d2-3= 340,26 + (0,012 * 105) = 341,52 м;

Н4 = Н1 + i1-4* d1-4= 342,11 + (0,012 * 105) = 343,37 м;

i3-4 =  =

Рисунок 1 - Поперечные профили улиц.

Рисунок 2 - Схема планировки и застройки квартала

1.2 Вычисление отметок характерных точек и уклонов (продольных и поперечных), характерных направлений на пересечениях улиц

перекресток улица горизонталь микрорайон

Проектирование рельефа на перекрестках городских улиц и дорог несколько усложняется вследствие необходимости устройства размостки улиц для обеспечения пропуска через перекресток поверхностных вод с более высоких территорий к расположенному ниже рельефу.

Размосткой улицы называется переход от двускатного поперечного профиля к односкатному на участке улицы, непосредственно прилегающем к перекрестку. Размостка выполняется постепенным поворотом одной половины проезжей части вокруг оси улицы до совмещения с плоскостью второй половины проезжей части или постепенным смещением гребня проезжей части от ее оси к верхнему лотку. Гребень размостки располагают на размащиваемой улице, начало его на оси улицы, а конец - в пересечении верхнего лотка с пересекающейся улицей.

Длина участка улицы, в пределах которого осуществляется размостка, вычисляется по следующим формулам:

              (1)

,            (2)

где В - ширина проезжей части размащиваемой улицы;

 - поперечный уклон размащиваемой улицы в конце размостки.

- продольный уклон размащиваемой улицы.

При этом, формула (2) используются в том случае, когда продольный уклон размащиваемой улицы менее 0,020. Когда продольный уклон больше 0,020, используют формулу (1).

Для определения положения проектных горизонталей на перекрестке предварительно назначают улицы, для которых будет запроектирована размостка, затем вычисляют отметки характерных точек рельефа на перекрестке и прилегающих к нему участках улиц (центры перекрестков, точки на пересечении продленных красных линий застройки между собой, с тротуарами, газонами, лотками и осями улиц, на пересечении лотков, начало размостки и на поперечниках на ней).

Расчет характерных точек рельефа приведен далее на примере первого и второго перекрестков:

. Перекресток № 1. Пересечение ул. Федеративная и ул. 1-го Мая.

Длина размостки:


Длина гребня проезжей части по ул. Федеративная в пределах размостки:


Далее, необходимо провести последовательный расчет отметок характерных точек рельефа:


Далее, для вычисления отметок восьмой и девятой точки необходимо вычислить уклон лотка (7-11):


Вычисленные через поперечные профили двух пересекающихся улиц два значения  и  высоты угла квартала не совпадают и поэтому по двум полученным значениям необходимо назначить одну окончательную отметку. Добиться совпадения отметок  и  можно изменением поперечных уклонов тротуаров у перекрестка.

Найдем разницу между  и :


После изменения поперечных уклонов, необходимо вычислить их заново:


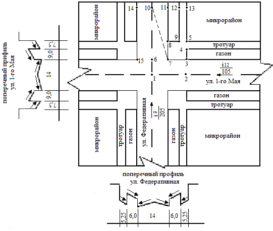
Рисунок 3 - Схема расположения характерных точек рельефа на перекрестке ул. Федеративная и ул. 1-го Мая

. Перекресток № 2. Пересечение ул. Мира и ул. Федеративная:

Длина размостки:

Длина гребня проезжей части по ул. Федеративная в пределах размостки:


Далее, необходимо провести последовательный расчет отметок характерных точек рельефа:


Далее, для вычисления отметок восьмой и девятой точки необходимо вычислить уклон лотка (7-11):


Вычисленные через поперечные профили двух пересекающихся улиц два значения  и  высоты угла квартала не совпадают и поэтому по двум полученным значениям необходимо назначить одну окончательную отметку. Добиться совпадения отметок  и  можно изменением поперечных уклонов тротуаров у перекрестка.

Найдем разницу между  и :


После изменения поперечных уклонов, необходимо вычислить их заново:


Рисунок 4 - Схема расположения характерных точек рельефа на перекрестке ул. Федеративная и ул. Мира.

3. Перекресток № 3. Пересечение ул. Мира и ул. Спортивная:

Длина размостки:

Длина гребня проезжей части по ул. Спортивная в пределах размостки:


Далее, необходимо провести последовательный расчет отметок характерных точек рельефа:


Для вычисления отметок точек 8 и 9 предварительно необходимо определить уклон лотка (7-11):


Вычисленные через поперечные профили двух пересекающихся улиц два значения  и  высоты угла квартала не совпадают и поэтому по двум полученным значениям необходимо назначить одну окончательную отметку. Добиться совпадения отметок  и  можно изменением поперечных уклонов тротуаров у перекрестка.

Найдем разницу между  и :


Так как поперечный уклон был изменен по улице Мира, то необходимо узнать докуда будет измененный уклон. Для этого мы задаем расстояние и находим характерные точки рельефа:


После изменения поперечных уклонов, необходимо вычислить их заново:

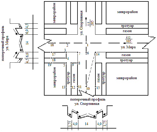
Рисунок 5 - Схема расположения характерных точек рельефа на перекрестке ул. Спортивная и ул. Мира.

4. Перекресток № 4. Пересечение ул. 1-го Мая и ул. Спортивная:

Длина размостки:


Длина гребня проезжей части по ул. Спортивная в пределах размостки:


Далее, необходимо провести последовательный расчет отметок характерных точек рельефа:


Для вычисления отметок точек 8 и 9 предварительно необходимо определить уклон лотка (7-11):


Вычисленные через поперечные профили двух пересекающихся улиц два значения  и  высоты угла квартала не совпадают и поэтому по двум полученным значениям необходимо назначить одну окончательную отметку. Добиться совпадения отметок  и  можно изменением поперечных уклонов тротуаров у перекрестка.

Найдем разницу между  и :


После изменения поперечных уклонов, необходимо вычислить их заново.


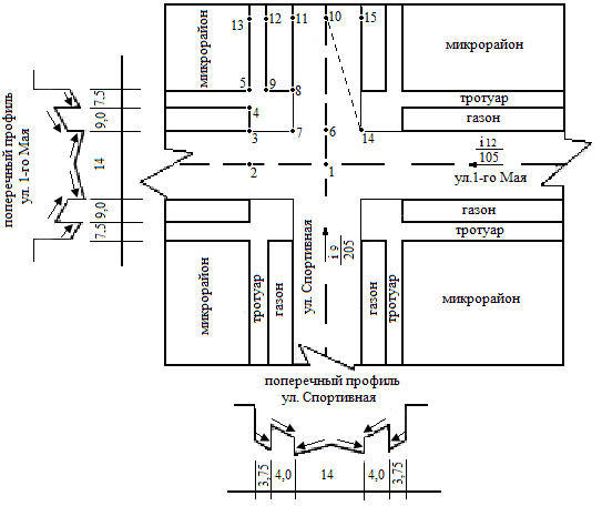
Рисунок 6 - Схема расположения характерных точек рельефа на перекрестке ул. Спортивная и ул. 1-Мая.

1.3 Определения положения проектных горизонталей на перекрестке

Вычисленные отметки точек и уклоны позволяют без особого труда определить положение проектных горизонталей на перекрестке и прилегающей к ним участках улиц, которое в последующем может быть подвергнуто дополнительной корректировке, если сформированный рельеф не удовлетворяет требованиям обеспечения удобства движения транспорта и пешеходов или производства планировочных работ.

При построении горизонталей на перекрестках, прежде всего, необходимо по отметкам характерных точек (т.т. 1….15) определить, какие горизонтали (с какими отметками) будут располагаться в пределах размостки и участка неразмащиваемой улицы с измененными поперечными уклонами элементов улицы.

Для примера рассмотрим расположение горизонталей в пределах перекрестка на пересечении ул. 1-го Мая и ул. Федеративной. От центра перекрестка до точки 10 при заданной высоте сечения 0,25 м. будут располагаться горизонтали с отметками 342,00 м., 341,75 м.

Для горизонтали с отметкой 341,75 м. расстояния между характерными точками перекрестка и характерными точками горизонтали равны:

расстояние от т.7 до горизонтали по гребню 7-10:

где 342,02м - отметка лотка в т.7, а 0,008 - уклон линии 7-10;

расстояние от т.7 до горизонтали по лотку проезжей части:

 где 0,012 - уклон лотка 7-11;

расстояние от т.7 до горизонтали по верху бордюрного камня:

 где 342,17м - отметка верха бордюрного камня в точке 7;

расстояние от т.8 до горизонтали по верху бордюрного камня:

 где 342,37м - отметка верха бордюрного камня в точке 8, а 0,022 - уклон линии 8-9;

расстояние от т.8 до горизонтали по лотку бордюрного камня;

 где 342,27м - отметка верха бордюрного камня в точки 8, а 0,022 - уклон линии

расстояние от т.9 до горизонтали по верху поребрика:

 где 342,66м - отметка верха поребрика в точке 9, а 0,046 - уклон линии 9-12;

расстояние от т.9 до горизонтали по лотку тротуара:

 где 342,27м - отметка лотка в точке 9;

расстояние от т.5 до горизонтали по красной линии:

 где 342,62м - отметка точки 5 после уравнивания, а 0,044 - уклон красной линии в пределах размостки;

Для горизонтали с отметкой 342,00м расстояния между характерными точками перекрестка и характерными точками горизонтали равны:

расстояние от т.7 до горизонтали по гребню 7-10:

где 342,17м - отметка лотка в точке 7, а 0,013 - уклон линии 7-10;

расстояние от т.7 до горизонтали по лотку проезжей части:

 где 0,012 - уклон лотка 7-11;

расстояние от т.7 до горизонтали по верху бордюрного камня:

 где 342,17 м - отметка верха бордюрного камня в точке 7;

расстояние от т.9 до горизонтали по верху поребрика:

 где 342,37м - отметка верха поребрика в т.9, а 0,022 - уклон линии 8-9;

расстояние от т.9 до горизонтали по лотку тротуара:

 где 342,27м - отметка лотка в точке 9;

расстояние от т.5 до горизонтали по красной линии:

 где 342,62м - отметка точке 5 после уравнивания, а 0,044 - уклон красной линии в пределах размостки;

Вычисленные расстояния позволяют нанести на план перекрестка горизонтали с отметкой 341,75 м. и 342,00 м. Аналогично определяются расстояния для других горизонталей. На рисунке 7 дано изображение горизонталей перекрестка в пределах размостки.

Таким же способом наносятся горизонтали на остальные три перекрестка.

Рисунок 7 - Изображение проектного рельефа на 1-ом перекрестке в горизонталях

1.4 Определение положения горизонталей на участках улиц вне пределах размостки

Для определения положения проектных горизонталей в пределах улиц и дорог необходимо знать проектные отметки точек пересечения осей и перегибов продольного профиля, продольный уклон по оси улицы, расстояния между точками пересечения осей и перегибов профиля, а также проекты поперечных профилей (ширину и поперечный уклон элементов улицы - проезжей части, тротуара, газона и др.), которые берем из п. 1.2. На основе этих данных вычисляют по формулам (3) расстояния, определяющие положение горизонталей на плане улицы (рисунок 11):

 (3)

где Н1 и Н2 - проектные отметки точек А и С (рисунок 11) изменения продольного уклона улицы, либо центров перекрестков;

, ,  - поперечный уклон соответственно проезжей части улицы, газона и тротуара;

В, bгаз , bтрот - ширина соответственно проезжей части, газона и тротуара;

hсеч - высота сечения проектного рельефа;

,  - высота бортового камня, отделяющего соответственно проезжую часть от газона и тротуар от газона, равна 0,15м и 0,10м;

Н3 и Н5 - отметки проектной горизонтали на участке между точками с высотами Н1 и Н2, ближайшей соответственно к точке с высотой Н1 и к точке с высотой Н2;

n - число заложений между первой и последней горизонталями с отметками Н3 и Н5.

Для контроля вычисляют горизонтальное расстояние l между точками изменения продольного уклона улицы:


Проектные горизонтали первоначально наносят на план улиц без учета наличия въездов с улиц внутрь кварталов. В последующем корректируют положение горизонталей в пределах въездов на территорию квартала, т.к. у границ въезда тротуар и газон прерываются и отделяются от него бордюрным камнем и при этом поверхность покрытия въезда располагается ниже поверхности газона и тротуара.

Рисунок 8 - Изображение проектного рельефа улицы в горизонталях

Приведем пример расположения горизонтали с отметкой 342,25 м. вне пределах размостки по ул. 1-го Мая:

Вычислив, как будет проходить горизонталь 343,25, вычисляем через какое расстояние будут проходить последующие горизонтали:

Через 20,8м будет проходить горизонталь 343,50 (рисунок 12).

Вычисление расположения горизонталей на остальных улицах вне пределов размостки ведется аналогичным способом.

Рисунок 9 - Изображение проектного рельефа улицы от 1-го до 4-го перекрестка в горизонталях

1.5 Определение положения горизонталей на въезде в микрорайон

Первоначально не принимается во внимание наличие въездов с улиц в квартал. Но после нанесения проектных горизонталей на план улиц выполняется корректировка их положения на въездах, т.к. газон и тротуар у границ въезда прерываются и отделяются от проезжей части въезда бордюрным камнем, что меняет положение горизонталей.

Рисунок 14 - Схема организации рельефа на въезде с улицы в квартал

Для определения положения проектных горизонталей в границах проезда вычисляют отметки точек пересечения оси лотка проезжей части улицы с осями лотков въезда:

НА = Н1 + h * n / (n + m)          (4)

HB = H1 + h * k / (k + t )

где: Н1 - отметка ближайшей к т.А младшей проектной горизонтали на проезжей части улицы;- расстояние от горизонтали с отметкой Н1 до т.А по оси лотка проезжей части улицы;

m - расстояние от т.А до ближайшей к ней старшей проектной горизонтали на проезжей части улицы по оси лотка с отметкой Н2 = Н1 + h;

k и t - расстояния аналогичные n и m, но только для т.В;- высота сечения рельефа.

Далее вычисляют расстояния d1 и d2 по осям лотков въезда: d1 = (H2 - HA)/iвпр; d2 = (H2 - HB) / iвпр , где iвпр - продольный уклон по оси и лоткам въезда; принимается равным проектному поперечному уклону газона и тротуара.

Откладывают на плане от т.А и т.В соответственно расстояния d1 и d2 и полученные точки соединяют отрезком прямой линии. Этот отрезок и является частью проектной горизонтали с отметкой Н2 в границах въезда. Участки горизонтали за пределами въезда не корректируют и сохраняют в первоначальном виде.

Рисунок 15 - Определение положения проектных горизонталей на въезде в квартал

К примеру, для определения положения проектной горизонтали с отметкой 341,25 в границах проезда по ул. Федеративная необходимо вычислить отметки точек пересечения оси лотка проезжей части улицы с осями лотков въезда:

НА = 341,00 + 0,25 * 20 / (8 + 20) = 341,18 м;

HB = 341,00 + 0,25 * 14 / (14 + 14 ) = 341,12 м.

Расстояния d1 и d2 по осям лотков въезда:= (341,25 - 341,18)/0,020 = 3,5 м;

d2 = (341,25 - 341,12)/0,020 = 6,5 м.

На плане откладываем соответствующие расстояния и соединяем их линией горизонтали.

Рисунок 16. Горизонталь с отметкой 341,25 на проезде по ул. Федеративной.

1.6 Вычисление отметок точек пересечения осей внутриквартальных проездов с красными линиями

Используя проектные горизонтали улиц, способом интерполирования вычисляют отметки начальных точек проездов, точки пересечения осей (или одного из лотков) проездов с красными линиями квартала(т.т. 1….5 на рисунке 16). Рассмотрим вычисление всех 5 проектных отметок.

Проектные отметки вычисляются по следующей формуле:

  (5)

где:  - отметка ближайшая к т. i младшей проектной горизонтали улицы;

h - высота сечения рельефа;

n - расстояние по красной линии от горизонтали с отметкой  до т.i;

m - расстояние по красной линии от т.i до ближайшей старшей горизонтали;

 - высота бордюра, отделяющего въезд в квартал от тротуара.

Для т.1 проектная отметка вычисляется по формуле (5):

Для т.2 проектная отметка по формуле (5):

Для т.3 проектная отметка по формуле (5):

Так как через точку 4 проходит горизонталь с отметкой 342,25 м., то отметка этой точки будет равняться отметке горизонтали.

Для т.5 проектная отметка по формуле (5):


Рисунок 16 - Определение отметок точек пересечения осей внутриквартальных проездов с красными линиями

1.7 Определение положения проектных горизонталей для внутриквартальных проездов

После тога, как определены все отметки начальных точек проездов, можно начинать вычислять продольные уклоны проездов, которые определяются по формуле:

 (6)

где  - расстояние между точками I и j; определяется графически по плану квартала.

Продольный уклон проезда (3-5) определяется по формуле (6):

После того, как нашли продольный уклон проезда 3-5, вычисляем отметки т.т. 8 и 6:


Определим теперь продольный уклон по проезду (1-7) по формуле (6):

Вычисляем отметку т. 7:


Затем вычисляем продольные уклоны проездов (3-8) и (6-4) по формуле (6):

После вычисления отметок т.т. 1…8 и назначения продольных уклонов по проездам определяют положение проектных горизонталей на проездах. Проезды, как правило, проектируют с односкатным поперечным профилем с наклоном поверхности проезда в том же направлении, что и существующий рельеф квартала, а величину поперечных уклонов назначают в пределах от 1,5 до 2,5%. Расстояния, необходимые для вычисления проектных горизонталей на план проездов (рисунок 17), вычисляем по следующим формулам:

 (7)

 (8)

 (9)

 (10)

где: Нн - отметка начальной точки проезда;

Нгор - отметка ближайшей к начальной точке проектной горизонтали;

- продольный уклон проезда;

h - высота сечения рельефа;

- поперечный уклон проезда;

b - ширина проезда;

hпор - высота поребрика, отделяющего проезд от прилегающей территории квартала.

Рассмотрим, как будут проходить проектные горизонтали от т.1 до т.8

( рисунок 17):

- расстояние от т.2 до ближайшей горизонтали вычисляется по формуле (7):

- смещение горизонтали вследствие поперечного наклона проезда вычисляется по формуле (8):

смещение горизонтали по поребрику вычисляется по формуле (9):

расстояние между соседними горизонталями вычисляется по формуле (10):

Рассмотрим, как будут проходить проектные горизонтали от т.2 до т.7

( рисунок 17):

- расстояние от т.2 до ближайшей горизонтали вычисляется по формуле (7):

- смещение горизонтали вследствие поперечного наклона проезда вычисляется по формуле (8):

смещение горизонтали по поребрику вычисляется по формуле (9):

расстояние между соседними горизонталями вычисляется по формуле (10):

Местоположение проектных горизонталей между остальными точками вычисляются аналогичным образом. Пример расположения горизонталей изображен на Рисунке 17.

Рисунок 17 - Определение положения проектных горизонталей на внутриквартальных проездов

1.8 Определение положения горизонталей на отмостке зданий

Проектные отметки площадок под здания, расположенные по красным линиям микрорайона, со стороны главных фасадов определяются по проектным горизонталям, запроектированным для прилегающих улиц. Со стороны дворовых фасадов высоты углов площадок под здание назначаются таким образом, чтобы максимальная разность угловых отметок не превышала предельного значения и чтобы был обеспечен отвод поверхностных вод от здания. Уклоны по противоположным сторонам могут быть равными.

Рассмотрим вычисление проектных горизонталей в границах отмостки на примере 5-ти этажного здания, которое находится на 2-ом перекрестке (рисунок 18):


Рисунок 18 - Изображение проектного рельефа горизонталями в границах отмостки

1.9 Проектирование рельефа на не застроенной территории

Рельеф территорий, расположенных между линиями застройки, зданиями и проездами, проектируется в виде отдельных плоскостей таким образом, чтобы в микрорайоне не образовались бессточные места, чтобы уклон плоскостей был достаточен для обеспечения стока поверхностных вод (min 5‰), удовлетворял архитектурным требования и обеспечивал хорошие условия для произрастания растительности. Считая, что в проекте принята сплошная система вертикальной планировки, проектные горизонтали с одинаковыми отметками, нанесенные на план улиц, внутриквартальных проездов и отмосток зданий, соединяют между собой в границах незастроенной территории квартала отрезками прямых линий и таким образом получают изображение незастроенной территории проектными горизонталями.

Раздел 2. Вычисление объемов земляных работ

.1 Вычисление объемов земляных работ для территории микрорайона

Вычисление объёмов земляных работ на территории микрорайона будет производиться способом четырёхгранных призм.

Сущность метода 4-гранных призм заключается в определении объемов отдельных земляных призм, основаниями которых являются четырехугольники (как правил, квадраты, а на границах территорий - прямоугольники или трапеции) проектной и существующей поверхностей земли, а боковыми поверхностями - вертикальные плоскости, проходящие через стороны этих четырехугольников, с последующим суммированием объемов призм для всей территории микрорайона.

Подсчёт объёмов земляных работ для территории микрорайона включает следующие этапы:

вычерчивание на листе миллиметровой бумаги плана линий застройки микрорайона с членением его территории на квадраты и трапеции. Масштаб плана 1:1000 (прил.2);

вычисление существующих (табл.1) и проектных отметок (табл.2) вершин квадратов и трапеции для данного варианта в соответствии с порядковым номером студента (N=9);

Таблица 1.


1

2

3

4

5

1 вариант

A

437,33

440,04

435,17

438,30

441,39


B

438,64

440,91

436,03

439,15

441,28


C

436,49

439,30

434,36

437,49

440,06


Таблица 2.


Проектная высота вершины А1

Проектные уклоны



А1-А5

Вариант 1

437,37

+0,020

-0,008


Вычислим проектные отметки наших точек:


- вычисление рабочих отметок вершин фигур. Вычисленные проектные, существующие и рабочие отметки указываются на плане микрорайона у вершин фигур в виде дроби: в числителе - проектную, в знаменателе - существующую, слева от дроби- рабочую

Рабочая отметка представляет собой разность проектной и существующей отметок. На той части территории, где рабочии отметки вершин квадратов положительные необходимо проводить подсыпку грунта, а где отрицательные - срезку

определение положения линий нулевых работ. Расстояния от точек нулевых работ до ближайших вершин фигур вычисляется по формулам:

 (11)

где а - длина стороны квадрата (прямоугольника или трапеции);

|h1|, |h2| - абсолютные значения рабочих отметок конечных точек стороны квадрата;

l1, l2 - расстояние от точки нулевых работ до вершин квадрата, имеющей соответственно рабочую отметку h1 или h2. Сумма этих расстояний должна быть равна длине стороны квадрата.

- нумерация фигур;

- вычисление площадей фигур;

- вычисление объёмов насыпи и выемки по формуле:

 (12)

Подсчёт объёмов ведётся в табличной форме (табл. 3)

Вычисление объёмов насыпи и выемки для территории микрорайона

Таблица 3.

№ фигуры или ее части

Количество вершин

Сумма рабочих отметок, м

Средняя рабочая отметка, м

Площадь фигуры или её части, м²

Объем фигуры или её части, м³






Выемка -V

Насыпь +V

1

4

+0,37

+0,09

156,25


17,19

2

3

+4,83

+1,61

126,25


203,26

3

3

+4,50

+1,50

1186,87


1780,31

4

3

+7,44

+2,48

625,00


1550,00

5

4

+10,33

+2,58

2500,00


6456,25

6

3

+2,89

+0,96

555,50


424,03

7

3

+2,07

+0,69

1357,22


936,48

8

3

+2,11

+0,70

44,00


30,95

9

4

-4,61

-1,15

2343,75

2683,59


10

3

-2,94

-0,98

561,88

550,64


11

3

-1,21

-0,40

793,28

319,95


12

5

-6,38

-1,28

2749,28

4325,16


13

4

-4,71

-1,18

1097,25

1292,01


14

4

+7,11

+1,78

1652,75


2937,76

15

4

+7,33

+1,83

2750,00


6166,88

16

4

+1,86

+0,46

1393,70


648,07

17

4

-2,18

-0,54

1631,30

889,06


18

3

+0,04

+0,01

0,71


0,09


2.2 Вычисление объёмов земляных работ для участка улицы

Определение объёма земляных работ выполняется в следующей последовательности:

вычисление проектных высот по оси улицы на пикетах 0,1,2 (табл.4).

Отметки точек по оси и границам улицы

Таблица 4.

Проектные высоты

Существующие высоты



По оси улицы

По границам улицы


ПК0

ПК1

ПК2

ПК0

ПК1

ПК2

Левая

Правая








ПК0

ПК1

ПК2

ПК0

ПК1

ПК2

1

114,0

113,0

112,0

115,3

111,5

113,1

115,3

111,5

113,1

115,3

111,5

113,1


определение проектных высот всех характерных точек поперечников улицы на тех же пикетах:


Проектные высоты характерных точек правой половины поперечника улицы равны проектным высотам соответствующих точек левой половины ввиду симметричности поперечного профиля.

вычисление существующих отметок характерных точек поперечников на ПК0,1,2. Отметки точек по оси и границам улицы определяются по данным табл. 4, а остальных точек (A,C,D,E) -интерполяцией. При этом земная поверхность от оси до границы улицы принимается за плоскость.

вычерчивание плана улицы с делением её территории на прямоугольники, ширина которых равна ширине тротуаров, газонов и половине проезжей части, а длина - 50м (прил. 3).

определение рабочих отметок вершин прямоугольников и положения линий нулевых работ, вычисление объёмов земляных работ по методу четырёхгранных призм.

Объемы определяются, так же как и в п. 2.1.

Ведомость подсчета объёма земляных работ

Таблица 5

№ фигуры или ее части

Кол-во вершин

Сумма рабочих отметок, м

Средняя рабочая отметка, м

Площадь фигуры или её части, м²

Объем фигуры или её части, м³






Выемка -V

Насыпь +V

1

4

-2,21

-0,55

148,01

163,55


2

4

-2,43

-0,61

195,26

237,24


3

4

-2,78

-0,70

173,70

120,72


4

4

-2,78

-0,70

173,70

120,72


5

4

-2,43

-0,61

195,26

237,24


6

4

-2,21

-0,55

148,01

163,55


7

4

+3,39

+0,85

226,99


192,37

8

4

+3,17

+0,79

254,74


201,88

9

4

+2,82

+0,70

176,26


124,26

10

4

+2,82

+0,70

176,26


124,26

11

4

+3,17

+0,79

254,74


201,88

12

4

+3,39

+0,85

226,99


192,37

13

4

+3,39

+0,85

244,46


207,18

14

4

+3,17

+0,79

274,32


215,81

15

4

+2,82

+0,70

189,80


133,81

16

4

+2,82

+0,70

189,80


133,81

17

4

+3,17

+0,79

274,32


215,81

18

4

+3,39

+0,85

244,46


207,18

19

4

-1,81

-0,45

130,54

59,07


20

4

-2,03

-0,51

175,68

89,16


21

4

-2,38

-0,60

170,20

101,27


22

4

-2,38

-0,60

170,20

101,27


23

4

-2,03

-0,51

175,68

89,16


24

4

-1,81

-0,45

130,54

59,07



.3 Вычисление объёма земляных работ при возведении земляного полотна участка автомобильной дороги

В заключительной части работы определяется объём земляных работ при возведении земляного полотна участка автомобильной дороги длиной l=400м (четыре пикета по 100м). Схемы поперечных профилей в насыпях и выемках принимаем в соответствии с рис.3.

1)      вычисление существующих, проектных и рабочих отметок пикетов 0,1,2,3 и 4 по данным табл.6.

Вычисление существующих, проектных и рабочих отметок пикетов

Таблица 6.


Существующие отметки земли, м

Проектная отметка ПК0, м

Проектный уклон дороги

Ширина земляного полотна

Крутизна откосов


ПК0

ПК1

ПК2

ПК3

ПК4





Вариант1

110,12

112,54

111,55

117,05

119,33

107,77

0,023

12м

1:1,5


Определим проектные отметки пикетов:

107,77м

 110,07м

112,37м

114,67м

116,97м

2)      определение положения точек нулевых работ на участках автомобильной дороги между двумя смежными пикетами, имеющими рабочие отметки противоположных знаков. Используем формулы (6).

) вычисление объёмов земляных работ для участков автодороги, ограниченных смежными пикетами с рабочими пикетами одного знака. При подсчёте используем формулы (11) и (12).

) определение объёмов земляных работ для участков дороги между отметками нулевых работ и ближайшими пикетами. Используем те же формулы. Все результаты заносим в табл.7.

Определение объёмов земляных работ для участков дороги

Таблица 7.

Пикеты и плюсовые точки

Рабочие отметки, м

Расстояние, м

Площадь поперечного сечения F, м²

Объём, м³


+

-


насыпи

выемки

Насыпи

Выемки

ПК0


2,35



69,97






100




5183,92

ПК1


2,47



33,73






75,05




1265,17

+75,05

0

0


0

0






24,95



128,09


ПК2

0,82



10,29







25,65



131,79


+25,65

0

0


0

0






74,35




1202,45

ПК3


2,38



32,36






100




3219,44

ПК4


2,36



32,05




Приложение 1

Приложение 2



Похожие работы на - Проектирование вертикальной планировки территории микрорайона

 

Не нашли материал для своей работы?
Поможем написать уникальную работу
Без плагиата!
Без нейросетей!