Проектирование 4-х квартирного индивидуального жилого дома

  • Вид работы:
    Курсовая работа (т)
  • Предмет:
    Строительство
  • Язык:
    Русский
    ,
    Формат файла:
    MS Word
    208,43 Кб
  • Опубликовано:
    2016-01-12
Вы можете узнать стоимость помощи в написании студенческой работы.
Помощь в написании работы, которую точно примут!

Проектирование 4-х квартирного индивидуального жилого дома

Содержание

Введение

Архитектурно-конструкторский раздел

. Общие сведения. Характеристика здания

. План благоустройства (генплан)

. Технико-экономические показатели здания

. Объемно-планировочное решение

. Конструктивное решение

. Наружная отделка

. Инженерное оборудование

. Архитектурно-художественное решение

Список литературы

Приложения

Введение

Двадцатое столетие для ряда стран Европы характерно процессами интенсивной урбанизации в связи с индустриализацией производства и соответствующим размахам градостроительной деятельности.

В стране был разработан и внедрен ряд принципиальных организационно-технических и народно-хозяйственных мероприятий, обеспечивших интенсификацию жилищного строительства. Главнейшим из этих мероприятий стали типизация проектирования зданий массового строительства, их объемно-планировочных и конструктивных элементов, индустриализация строительства, создание мощных домостроительной промышленности и промышленности сборного железобетона.

Все эти мероприятия увеличили показатель средней обеспеченности населения общей площадью, который приблизился к концу 80-х гг. к 16м2/чел. Благодаря такому интенсивному развитию объемов жилищного строительства была сформирована большая часть современного жилого фонда городов.

Но на ряду с ростом строительства жилья отстало от градостроительных нормативов обеспеченность населения учебно-воспитательными, лечебно-профилактическими, спортивными и другими массовыми учреждениями обслуживания. Все это требует пересмотра направленности и средств дальнейшего повешения интенсификации городского жилищно-гражданского строительства.

Многообразие функциональных процессов, различие условий для их успешного осуществления, вопросы рационального объемно-пространственного и архитектурно-художественного решения общественных объектов потребовали детального изучения всего комплекса проблем, связанных с их проектированием и возведением.

Архитектурно-конструкторский раздел

. Общие указания

Наименование объекта - 2-х этажный 4-х квартирный индивидуальный жилой дом

Место строительства - Тульская область, г. Тула

Климатический район - IIВ, по СНиП 23-01-2003 «Строительная климатология»

Нормативная глубина промерзания грунта - 137см, по СНиП 23-01-2003.

Температура наиболее холодной пятидневки - t =-270С, по СНиП 23-01-2003, табл.1.

Температура внутреннего воздуха - t =200С, по СНиП 2.08.02-89* «Общественные здания и сооружения».

Грунты - суглинок.

Инженерно-геологические условия - обычные.

Характеристики здания:

Класс капитальности - II.

Степень долговечности - II.

Степень огнестойкости - II.

. Генплан

Проектируемое здание располагается в местности со спокойным рельефом с уклоном на юго-восток.

Планировка участка определена в соответствии с СП 42.13330-2011 «Градостроительство. Планировка и застройка городских и сельских поселений» Актуализированная редакция СНиП 2.07.01-89* прил.3 и составляет 64×62м.

Проезд шириной 3м, радиус закругления дорог 6м. Расстояние до красной линии от здания составляет 17,74м. На участке, кроме проектируемого здания, размещены: хозяйственная постройка, фонтан, огород. Участок благоустроен и озеленен посадкой деревьев и кустарников. Генплан разрабатывался на основе СП 42.13330-2011 «Градостроительство. Планировка и застройка городских и сельских поселений» Актуализированная редакция СНиП 2.07.01-89*

ТЭП генплана:

Технико-экономические показатели генплана:

Общая площадь участка - 3968 м2.

Площадь застройки - 195,30 м2.

Площадь твердого покрытия - 658,36 м2.

Площадь озеленения - 3114,34 м2.

Процент озеленения - 78,48%.

строительство благоустройство теплотехнический инженерный

3. Технико-экономические показатели здания

Общая площадь - 375,62 м2.

Полезная площадь - 278,55 м2

Строительный объем здания - 2040,89 м3.

Коэффициент экономической эффективности архитектурно-планировочного решения К1:


Коэффициент экономической эффективности объемно-планировочного решения К2:

 

. Объемно-планировочное решение

Проектируемое здание имеет близкую к квадратной конфигурацию в плане и имеет размеры в осях «1»-«5»- 12920 мм, а в осях «А»-«Д»-12950 мм.

Здание двухэтажное, высотой этажа 2,8 м. В здании имеется подвал высотой 2,47 м для проводки инженерных коммуникаций и размещении подсобных помещений. Так же в подвале имеется сауна. Вход в подвал выполнен внутри здания.

По назначению проектируемое здание 2 этажное, 4 комнатное

Количество эвакуационных выходов - 1.

Таблица 4.1. Экспликация помещений

Наименование

Площадь м2

1

Крыльцо

7,12

2

Тамбур- веранда

9,81

3

Холл

20,43

4

Общая комната

49,14

5

Кухня

17,46

6

Санузел

4,28

7

Кладовая

5,62

8

Лестница

4,00

9

Лоджия

11,47

10

Лестница

4,00

11

Холл

20,43

12

Спальная

17,46

13

Спальная

26,64

14

Спальная

33,85

15

Санузел

10,22

16

Гардеробная

9,81

17

Лоджия

7,12

18

Лестница

4,00

19

Холл

20,43

20

Топочная

10,22

21

Кладовая

9,81

22

Кладовая

6,01

23

Раздевалка

6,71

24

Душевая

4,52

25

Сауна

5,92

26

Гараж

49,14


. Конструктивное решение

Конструктивная система здания - стеновая.

Конструктивная схема здания - двухэтажное здание с поперечными несущими стенами.

Фундаменты - ленточные из сборного железобетона, состоят из фундаментных плит и фундаментных блоков. Ширина фундамента выполнена конструктивно и составляет 1200 и 1400 мм; Для защиты подвальной части от промерзания предусмотрено утепление экструдированным пенополистиролом толщиной 80 мм и гидроизоляция из наплавляемого рулонного полимер-битумного материала Техноэласт ЭПП.

Горизонтальная гидроизоляция стен выполнена из наплавляемого рулонного полимер-битумного материала Техноэласт ЭПП на отметке -0,330 и -1,530.

Фундаментные блоки выполнены из тяжёлого бетона класса В30 толщиной 600 мм под наружные стены и 400 мм под внутренние стены.

Наружные стены жилого дома предусмотрены толщиной 640 мм:

)        кладка из керамических блоков «Кетра LIGHT 2.1 NF» - 510 мм;

)        с облицовкой - полнотелым силикатным кирпичом - 120 мм.

Внутренние стены - сплошная кладка толщиной 380 мм из керамического кирпича М100 на растворе М50.

Перегородки - кирпичные толщиной 120 мм.

Перекрытия (и покрытия) - сборные железобетонные панели по серии 1.241-1 толщиной 220 мм и с опиранием на 2 стороны. Перед опиранием плиты перекрытия на наружные стены из поризованного кирпича, необходимо выполнить кладку из 3 рядов полнотелого кирпича.

Перемычки - сборные железобетонные брусковые марки В20 серии 1.038.1-1.

Крыша - двухскатная, с холодным чердаком, утеплитель - пенополистирол «Пеноплэкс -35» - 200 мм

Кровля - скатная, выполненная из металлочерепицы.

Полы - линолеум, керамическая плитка, бетонные.

Окна - пластиковые, с тройным остеклением, поворотно-откидные, самовентелируемые.

Двери внутренние - однопольные, двупольные деревянные щитовой конструкции, глухие, остеклённые, металлические.

Двери наружные - металлические.

Пространственная жесткость обеспечивается совместной работой стен и перекрытий.

Наибольшая масса монтажного элемента - 3,35т (железобетонная плита перекрытия).

Таблица 5.1. Спецификация сборных железобетонных конструкций

Обозначение

Наименование

Кол-во

Масса т.

примечание



Фундаментные блоки




1

ГОСТ 13579-78

ФБС 24-6-6т

18

1,96


2

ГОСТ 13579-78

ФБС 12-6-6т

36

0,96


3

ГОСТ 13579-78

ФБС 9-6-6т

66

0,70


4

ГОСТ 13579-78

ФБС 12-5-6т

3

0,79


5

ГОСТ 13579-78

ФБС 9-5-6т

9

0,59


6

ГОСТ 13579-78

ФБС 24-4-6т

9

1,30


7

ГОСТ 13579-78

ФБС 12-4-6т

3

0,64


8

ГОСТ 13579-78

ФБС 9-4-6т

12

0,47




Плиты фундаментные




9

ГОСТ 13580-85

ФЛ 12.8

9

0,50


10

ГОСТ 13580-85

ФЛ 12.12

9

0,78


11

ГОСТ 13580-85

ФЛ 12.24

13

1,63


12

ГОСТ 13580-85

ФЛ 14.8

2

0,65


13

ГОСТ 13580-85

ФЛ 14.12

2

0,91


14

ГОСТ 13580-85

ФЛ 14.24

2

1,90




Лестничные ступени




15

ГОСТ 8717.1-84

ЛС 14-1

12

0,15


16

ГОСТ 8717.1-84

ЛС 23-350

8

0,242




Лестничные марши




17

ГОСТ 9818-85

1ЛМ27.12.14-4-1

4

1,52




Плиты перекрытия




18

ГОСТ 9561-91

ПК 21.10-8АтIVс

12

0,635


19

ГОСТ 9561-91

ПК 27.12-8АтIVс

1

0,97


20

ГОСТ 9561-91

ПК 27.15-8АтIVс

2

1,29


21

ГОСТ 9561-91

ПК 42.12-8АтIVс

3

1,49


22

ГОСТ 9561-91

ПК 42.15-8АтIVс

3

1,97


23

ГОСТ 9561-91

ПК 48.10-8АтIVс

3

1,40


24

ГОСТ 9561-91

ПК 48.15-8АтIVс

6

2,25


25

ГОСТ 9561-91

ПК 56.10-8АтIVс

1

1,66


26

ГОСТ 9561-91

ПК 56.12-8АтIVс

1

2,02


27

ГОСТ 9561-91

ПК 56.15-8АтIVс

1

2,65


28

ГОСТ 9561-91

ПК 57.15-8АтIVс

18

2,68


29

ГОСТ 9561-91

ПК 57.12-8АтIVс

1

2,00


30

ГОСТ 9561-91

ПК 57.10-8АтIVс

1

1,65


31

ГОСТ 9561-91

ПК 72.15-8АтIVс

9

3,35




Лестничные площадки




32

ГОСТ 9818-85

2ЛП25.15-4к

2

1,34




Лестничные балки




33

ГОСТ 9818-85

БЛ 28.2.3

3

0,45




Прогоны и перемычки




34

Серия 1.225-2 в.11

ПРГ 58.2.5-4И

3

1,45


35

Серия 1.225-2 в.11

5ПБ18-27п

5


36

Серия 1.225-2 в.11

3ПП18-71

1

0,38


37

Серия 1.225-2 в.11

ОП 4.4-т

4

0,05



Таблица 5.2. Спецификация элементов заполнения проёмов

Обозначение

Наименование

Кол-во

Масса т.

примечание



Двери глухие




1

ГОСТ 6629-88

ДО 21-13

4



3

ГОСТ 6629-88

ДГ 21-9

2



4

ГОСТ 6629-88

ДГ 21-9п

2



5

ГОСТ 6629-88

ДГ 21-8

1



6

ГОСТ 6629-88

ДГ 21-8п

1



7

ГОСТ 6629-88

ДГ 21-7

3



8

ГОСТ 6629-88

ДГ 21-7п

4





Двери наружные




2

ГОСТ 6629-88

ДН 21-10

1





Двери балконные




9

ГОСТ 24698-81

БП В1 ОСП 22-7 ПО-СВ

2





Ворота гаражные




10

ГОСТ 31174-2003

ВМ ДН2047.17.03.МЛ 2200х3000-330

1





Оконные блоки




ОК 1

ГОСТ 30674-99

ОП В1 ОСП 15-9 ПО-СВ

3



ОК 2

ГОСТ 30674-99

ОП В1 ОСП 15-18 ПО-СВ

11



ОК 3

ГОСТ 30674-99

ОП В1 ОСП 15-12 ПО-СВ

3



ОК 4

ГОСТ 30674-99

ОП В1 ОСП 15-27 ПО-СВ

1



ОК 5

ГОСТ 30674-99

ОП В1 ОСП 6-6 ПО-СВ

6




Таблица 5.3. Ведомость раскладки перемычек

Марка

Схема сечения

Состав сечения

Пр 1

1. L 120х10, l= 2820 2. 2ПБ 30-4 3. 5ПБ 34-20п

Пр 2

1. L 120х10, l= 1920 2. 2ПБ 22-3п 3. 3ПБ 25-8п

Пр 3

1. L 120х10, l= 1920 2. 2ПБ 22-3п

Пр 4

1. L 120х10, l= 2680 2. 2ПБ 30-4

Пр 5

1. L 120х10, l= 1320 2. 2ПБ 17-2п

Пр 6

1. L 120х10, l= 1020 2. 2ПБ 13-1

Пр 7

1. L 120х10, l= 1020 2. 2ПБ 13-1 3. 5ПБ 21-27п

Пр 8

1. 2ПБ 16-2

Пр 9

1. 2ПБ 16-2 2. 3ПБ 18-37

Пр 10

1. 2ПБ 13-1 2. 3ПБ 13-37п

Пр 11

1. L 120х10, l= 2080 2. 2ПБ 25-3 3. 3ПБ 25-8п

Пр 12

1. 2ПБ 16-2

Пр 13

1. 1ПБ 13-1

Пр 14

1. 2ПБ 13-1 2. 3ПБ 13-37п

Пр 15

1. 5ПБ 36-20 2. 3ПБ 36-4п


. Наружная отделка

Цоколь - облицовывается плиткой «кабанчик».

Наружные стены - облицовка силикатным кирпичом 1.4 НФ по ГОСТ 379-95

7. Инженерное оборудование

Водопровод - хозяйственно-питьевой от городской сети. Напор на вводе=32 м.вод.ст.

Канализация - бытовая и производственная в городскую сеть.

Отопление - индивидуальное, водяное. Параметры теплоносителя T=150+70ºС и 95+70ºС.

Вентиляция - приточно-вытяжная естественная.

Электроснабжение - от городских сетей напряжением 380/220В.

Устройство связи - радио, телевидение, телефон, интернет.

Горячее водоснабжение - индивидуальное.

Газоснабжение - от наружной подземной сети газопровода низкого давления

Освещение - лампами накаливания и люминесцентное.

Предусмотрена установка индивидуальных приборов учета расхода воды, электроэнергии и тепла, газовые плиты, сантехнические приборы.

. Архитектурно-художественное решение здания

В данном проекте фасад здания выполнен из силикатного кирпича 3 различных цветов: белого, жёлтого и оранжевого. Белым кирпичом выкладываются кирпичные столбы на входной группе, формируя открытую с 2 сторон лоджию на 2 этаже здания. Ограждения лоджий и входной части здания предусмотрено из кованых металлических узорчатых элементов высотой 1,2 метра . На 1 этаже так же предусмотрена лоджия, ограждённая с 2 сторон стенами, а на другой стороне кирпичным столбом из оранжевого кирпича. Эта лоджия так же ограждается металлическим ограждением. Второй этаж здания предусмотрено выполнить из жёлтого силикатного кирпича. Фронтоны здания так же выполняются из жёлтого кирпича. Входной узел здания выполнен в форме перевёрнутой буквы «Т». Это придаёт зданию более красивый и эстетичный вид и выполняет функцию разделения лестницы на 2 сектора. Это достаточно удобно, потому что с правой стороны здания располагается гараж. Так же этот способ оформления лестницы значительно её укорачивает по сравнению со стандартной лестницей.

Таблица 8.1. Экспликация полов

Номер (наим.) помещений

Тип пола

Схема пола или тип пола по серии

Данные элементов пола (наименование толщина обоснование и др.), мм

Площадь, м2




Полы 1 этажа


2,3,4,5,7             Л             1. Линолеум ГОСТ 18108-80 5=5 мм

2. Цементно- песчаная стяжка М150 б= 50 мм

3. Пароизоляция "Изоспан В"

4. Утеплитель "Пеноплэкс 35" б= 30 мм

5. Звуко,- гидроизоляция «Техноэласт акустик Супер»

. Цементно- песчаная стяжка М150 б= 20 мм

 7. Ж.Б. плита перекрытия б=220 мм102,46



6,8       К             1. Керамическая плитка на плиточном клее б=15 мм

. Цементно- песчаная стяжка М150

б= 40 мм

. Пароизоляция "Изоспан В"

. Утеплитель "Пеноплэкс 35" б= 30 мм

. Звуко,- гидроизоляция Технозласт акустик Супер"

. Цементно- песчаная стяжка М150 б= 20 мм

7. Ж.Б. плита перекрытия б=220 мм8,28



1,9       С             1. Цементно- песчаная стяжка М150

б= 20мм

2. Ж.Б. плита перекрытия б=220 мм18,59



 




Полы 2 этажа


11,12, 13,14, 16               Л             1. Линолеум ГОСТ 18108-80 5=5 мм

2. Цементно- песчаная стяжка М150

б= 50 мм

3. Пароизоляция "Изоспан В"

4. Звуко,- гидроизоляция «Техноэласт акустик Супер»

. Цементно- песчаная стяжка М150 б= 20 мм

 6. Ж.Б. плита перекрытия б=220 мм108,19



10,15, 18,          К             1. Керамическая плитка на плиточном клее б=15 мм

. Цементно- песчаная стяжка М150

б= 40 мм

. Пароизоляция "Изоспан В"

. Звуко,- гидроизоляция Технозласт акустик Супер"

. Цементно- песчаная стяжка М150 б= 20 мм

6. Ж.Б. плита перекрытия б=220 мм18,22



17        С             1. Цементно- песчаная стяжка М150

б= 20мм

2. Ж.Б. плита перекрытия б=220 мм7,12



19,20, 21,22, 23,24, 25,26            П             1. Бетонная подготобка В 12,5 б=100 мм

. Песчаная поЗготобка б=50 мм

3. Уплотнённый грунт112,76




Таблица 8.2. Ведомость отделки помещений

номер помещений

Вид отделки элементов интерьеров.


Потолок

Площадь м2

Стены и перегородки

Площадь м2

Низ стен и перегородок

Площадь м2

2,3,4,11, 12,13,14,16

Натяжной потолок

187,57

Штукатурка и клейка виниловыми обоями на флизелиновой основе

297,53



5

Натяжной потолок

17,46

Штукатурка и клейка виниловыми обоями на флизелиновой основе

33,60

Керамич. плитка

3,07

6,15

Подвесной реечный потолок

14,50

Керамическая плитка

50,96



7,19,20,21, 22,26

Окраска водоэм. краской

101,23

Окраска водоэмульсионной краской

221,97



23,24,25

Вагонка

17,15

Вагонка

66,89




Спилок литературы

1.      СП 55.13330.2012 Здания жилые одноквартирные. Актуализированная редакция СНиП 31-01-2003

.        СП 42.13330.2011 Градостроительство. Планировка и застройка городских и сельских поселений. Актуализированная редакция СНиП 2.07.01-89*

.        СП 50.13330.2010 Тепловая защита зданий. Актуализированная редакция СНиП 23-02-2003

.        СП 51.13330.2011 Защита от шума. Актуализированная редакция. СНиП 23-02-2003

.        СП 52.13330.2011 Естественное и искусственное освещение Актуализированная редакция. СНиП 23-05-95* .

.        СП 29.13330.2011 Полы. Актуализированная редакция СНиП 2.03.13-88.

.        СП 1.13130.2009 Свод правил по проектированию.

.        СП 59.13330.2010 Доступность зданий и сооружений для маломобильных групп населения Актуализированная редакция СНиП 35-01-2001

.        ГОСТ 25772-83 Ограждения лестниц балконов и крыш стальные.

.        ГОСТ 21.501-93 Правила выполнения архитектурно- строительных рабочих чертежей.

.        ГОСТ 21.508-93 Правила выполнения рабочей документации генеральных планов предприятий, сооружений и жилищно- гражданских объектов.

.        ГОСТ 9818-85 Марши и площадки лестниц железобетонные.

.        СП 60.13330.2010 Отопление, вентиляция и кондиционирование Актуализированная редакция СНиП 41-01-2003.

.        СП 62.13330.2011 Газораспределительные системы Актуализированная редакция СНиП 42-01-2002.

.        ГОСТ 13580-85 Плиты железобетонные ленточных фундаментов

.        ГОСТ 30494-96 Здания жилые и общественные. Параметры микроклимата в помещениях

.        СП 4.13130.2009 Системы противопожарной защиты. Ограничение распространения пожара на объектах защиты. Требования к объемно-планировочным и конструктивным решениям

.        СП 7.13130.2009 Отопление, вентиляция и кондиционирование. Противопожарные требования

.        СанПиН 2.1.2.2645-2010 Санитарно-эпидемиологические требования к условиям проживания в жилых зданиях и помещениях

.        СП 112.133333.2012. Пожарная безопасность зданий и сооружений. СНиП 21-01-97 - М.: 1998.

.        СНиП 23-05-99 Строительная климатология. - М.: 2000.

.        СНиП 11.3-79 Строительная теплотехника. - М.: 1980.

.        СНиП 3.03.01-87 Несущие и ограждающие конструкции. - М.: 1988.

.        СНиП 3.04.01-87 Изоляционные и отделочные покрытия. - М.: 1988.

.        Ардзинов В.Д. Ценообразование и сметное дело в строительстве. - С.-П.: Питер, 2004.

.        Буга П.Г. Гражданские, промышленные и сельскохозяйственные здания: Учеб. для строит. техникумов по спец. 1202 «Пром. и гражд. стр-во». - 2-е изд., перераб. и доп. - М.: Высш. шк., 2003.

.        Дикман Л.Г. Организация и планирование строительного производства: Управление строительными предприятиями с основами АСУ: Учеб. для строит. вузов и фак. - 4-е изд., перераб. и доп. - М.: Высш. шк., 2011.

.        Маклакова Т.Г., Нанасова С.М., Шарапенко В.Г. Проектирование жилых и общественных зданий: Учеб. пособие для вузов/ Под ред. Т.Г. Маклаковой. - М.: Высш. шк., 2009.

.        Шерешевский И.А. Конструирование гражданских зданий. Учеб. пособие для техникумов. - Л.: Стройиздат. Ленингр. отд-ние, 2006

Приложения

Приложение 1

Теплотехнический расчёт ограждающей конструкции.

Введение:

Расчет произведен в соответствии с требованиями следующих нормативных документов:

СП 50.13330.2012 Тепловая защита зданий.

СП 131.13330.2012 Строительная климатология.

СП 23-101-2004 Проектирование тепловой защиты зданий

. Исходные данные:

Район строительства: Тула

Относительная влажность воздуха: φв=55%

Тип здания или помещения: Жилые

Вид ограждающей конструкции: Наружные стены

Расчетная средняя температура внутреннего воздуха здания: tв=20°C

Расчет:

Согласно таблицы 1 СП 50.13330.2012 при температуре внутреннего воздуха здания tint=20°C и относительной влажности воздуха φint=55% влажностный режим помещения устанавливается, как нормальный.

Определим базовое значение требуемого сопротивления теплопередаче Roтр исходя из нормативных требований к приведенному сопротивлению теплопередаче(п. 5.2) СП 50.13330.2012) согласно формуле:

тр=a·ГСОП+b

Где а и b- коэффициенты, значения которых следует приниматься по данным таблицы 3 СП 50.13330.2012 для соответствующих групп зданий. Так для ограждающей конструкции вида- наружные стены и типа здания -жилые а=0.00035;b=1.4 Определим градусо-сутки отопительного периода ГСОП, 0С·сут по формуле (5.2) СП 50.13330.2012

ГСОП=(tв-tот)zот

где tв-расчетная средняя температура внутреннего воздуха здания, °Cв=20°Cот-средняя температура наружного воздуха, °C принимаемые по таблице 1 СП131.13330.2012 для периода со средней суточной температурой наружного воздуха не более8 °С для типа здания - жилыеов=-3 °Сот-продолжительность, сут, отопительного периода принимаемые по таблице 1 СП131.13330.2012 для периода со средней суточной температурой наружного воздуха не более 8 °С для типа здания - жилыеот=207 сут.

Тогда

ГСОП=(20-(-3))207=4761 °С·сут

По формуле в таблице 3 СП 50.13330.2012 определяем базовое значение требуемого сопротивления теплопередачи Roтр2·°С/Вт).норм=0.00035·4761+1.4=3.07м2°С/Вт

Поскольку населенный пункт Тула относится к зоне влажности - нормальной, при этом влажностный режим помещения - нормальный, то в соответствии с таблицей 2 СП50.13330.2012 теплотехнические характеристики материалов ограждающих конструкций будут приняты, как для условий эксплуатации Б.

Схема ограждающей конструкции показана на рисунке:


.Кладка из силикатного кирпича (ГОСТ 379) на ц.-п. р-ре, толщина δ1=0.12м, коэффициент теплопроводности λБ1=0.87Вт/(м°С)

.Раствор цементно-песчаный, толщина δ2=0.01м, коэффициент теплопроводности λБ2=0.93Вт/(м°С)

.Кладка из камней Кетра LIGHT 2.1 NF, толщина δ2=0.51м, коэффициент теплопроводности λБ3=0.146Вт/(м°С)

Условное сопротивление теплопередаче R0усл, (м2°С/Вт) определим по формуле E.6 СП 50.13330.2012:

0усл=1/αintnn+1/αext

где αint - коэффициент теплоотдачи внутренней поверхности ограждающих конструкций, Вт/(м2°С), принимаемый по таблице 4 СП 50.13330.2012

αint=8.7 Вт/(м2°С)

αext - коэффициент теплоотдачи наружной поверхности ограждающей конструкций для условий холодного периода, принимаемый по таблице 6 СП 50.13330.2012

αext=23 Вт/(м2°С) -согласно п.1 таблицы 6 СП 50.13330.2012 для наружных стен.0усл=1/8.7+0.12/0.87+0.01/0.93+0.51/0.146+1/230усл=3.8м2°С/Вт

Приведенное сопротивление теплопередаче R0пр, (м2°С/Вт) определим по формуле 11 СП 23-101-2004:

0пр=R0усл ·r

коэффициент теплотехнической однородности ограждающей конструкции, учитывающий влияние стыков, откосов проемов, обрамляющих ребер, гибких связей и других теплопроводных включений=0.92

Тогда0пр=3.8·0.92=3.5м2·°С/Вт

Вывод: величина приведённого сопротивления теплопередаче R0пр больше требуемого R0норм(3.5>3.07) следовательно представленная ограждающая конструкция соответствует требованиям по теплопередаче.

Приложение 2

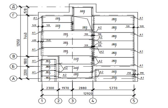
Рис.1 Схема расположения элементов перекрытия на отм. 0,000

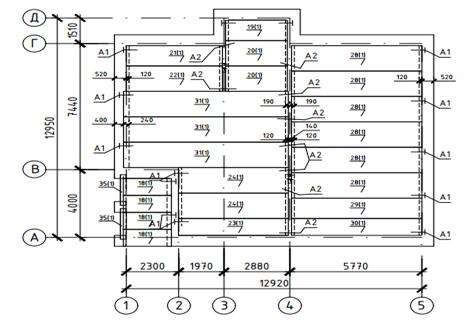
Рис. 2 Схема расположения элементов покрытия

Похожие работы на - Проектирование 4-х квартирного индивидуального жилого дома

 

Не нашли материал для своей работы?
Поможем написать уникальную работу
Без плагиата!
Без нейросетей!