Проект фундаментов под здание гаража в г. Быхове

  • Вид работы:
    Курсовая работа (т)
  • Предмет:
    Строительство
  • Язык:
    Русский
    ,
    Формат файла:
    MS Word
    191,13 Кб
  • Опубликовано:
    2015-09-13
Вы можете узнать стоимость помощи в написании студенческой работы.
Помощь в написании работы, которую точно примут!

Проект фундаментов под здание гаража в г. Быхове

Введение

В данном курсовом проекте нужно рассчитать и запроектировать фундаменты под здание гаража в г. Быхове.

Проектирование конструкций сооружения и их оснований осуществляется по предельным состояниям, которые подразделяются на две группы. Первая группа - по несущей способности - потеря устойчивости или формы, возможные виды разрушений, ползучесть или текучесть материала, чрезмерное раскрытие трещин и др. Вторая группа - по непригодности к нормальной эксплуатации.

Предельные состояния оснований существенно отличаются от предельных состояний строительных конструкций, в том числе и самого фундамента, т.к. у них различные условия работы, а именно: материалы в строительных конструкциях и грунтов в основаниях; физико-механические свойства; критерии оценки прочности и деформативности оснований и возводимых на них фундаментов и надземных конструкций.

Проектирование оснований и фундаментов состоит из обоснованного соответствующим расчетом выбора типа основания (естественного и искусственного), фундамента (конструкции, типа материала и размеров, мелкого или глубокого заложения), мероприятий по уменьшению влияния деформаций здания или сооружения на эксплуатационную пригодность.

Данное здание представляет собой гараж, наружные стены которой выполнены кирпичными толщиной 510 мм, внутренние - кирпичные 380мм. Под зданием между осями Ж-И предусмотрен подвал глубиной 3м. Здание имеет следующие размеры в осях: длина - 42,0 м; ширина - 36,0 м.

Под наружные стены предусматривается сборный ленточный фундамент. Колонны для данного здания запроектированы сборными железобетонными сечением 300х400 мм, 300х300мм под них запроектированы фундаменты стаканного типа.

Инженерно-геологические условия площадки определялись по трем пробуренным скважинам, одна - в центре плана здания и две - на расстоянии 5м от крайних осей здания по продольной стороне.

1. Оценка инженерно-геологических условий строительной площадки

Инженерно-геологические условия строительной площадки представляются по данным буровых скважин.

Оценку инженерно-геологических условий строительной площадки начинают с построения инженерно-геологического разреза. По данным колонок скважин (скважин должно быть минимум три) строится инженерно-геологический разрез (см. графическую часть) в масштабах: вертикальном - 1:100, горизонтальном -1:200. При построении геологического разреза указывается граница каждого слоя грунта, проставляются отметки каждого слоя, наносятся отметки уровня грунтовых вод по каждой из скважин. Чтобы наглядно представить особенности каждого слоя грунта, справа от геологического разреза строится эпюра табличных значений Ro по вертикали.

В данном курсовом проекте, исходя из предварительного изучения данных на проектирование, скважины прошли 5 слоев грунта. Отметки устьев скважин, мощность каждого из слоев, отметки уровня грунтовых вод по каждой скважине приведены в задании на проектирование.

2. Анализ грунтовых условий строительной площадки

.1 Определение наименования грунтов

Толщина растительного слоя - 0,3 м.

Слой № 2(53):

Таблица 1 - Исходные данные

Номер варианта грунта

Физико-механическая характеристика


ρs, г/см3

ρ, г/см3

W, %

WL, %

Wp, %

53

2,3

1,69

17,4

40

23


Определим основные показатели:

число пластичности:

P = WL - WP, (2.1)

где WL и Wp - влажность на границе текучести и границе раскатывания соответственно.

IP = 40 - 23 = 17 %

Показатель текучести:

 

 (2.2)

Так как IP = 17≥ 17, а IL = -0,329 < 0, то данный грунт - глина твёрдая .

Плотность грунта ρd в сухом состоянии определяется по формуле (2.3):

 (2.3)

 

 г/см3

Определим коэффициент пористости по формуле (2.4):

 

 (2.4)

 

Определим степень влажности по формуле (2.5):

 

 (2.5)

 

Т.к. 0,5<Sr = 0,67 < 0,8, то грунт является влажным.

Прочностные и деформативные характеристики для глины твёрдой при е = 0,597; R0 = 503кПа; сn =74,89кПа; φn = 20,53º; Еn =26,12 МПа.

Слой № 3(51):

Таблица 2 - Исходные данные

Номер варианта грунта

Физико-механическая характеристика


ρs, г/см3

ρ, г/см3

W, %

WL, %

Wp, %

51

2,71

1,72

36,0

34,2

19,1


Определим основные показатели:

число пластичности:

IP = WL - WP, (2.1)

где WL и Wp - влажность на границе текучести и границе раскатывания соответственно.

IP = 34,2 - 19,1 = 15,1 %

Показатель текучести:

 

 (2.2)

Т.к. 7< IP = 15,1<17, а IL = 1.119 >1, то данный грунт - суглинок текучий.

Плотность грунта ρd в сухом состоянии определяется по формуле (2.3):

 г/см3

Определим коэффициент пористости по формуле (2.4):

Определим степень влажности по формуле (2.5):

Т.к. Sr =0,85 >0,8, то грунт является насыщенным водой.

Прочностные и деформативные характеристики для суглинка текучего при е = 1,14; R0 = 150кПа; сn =12кПа; φn = 12º; Еn =5 МПа.

Слой № 4(7):

Таблица 3 - Исходные данные

N грунта

Гранулометрический состав - содержание частиц грунта в %, крупностью, мм

Физико-механическая характеристика


2--1

1--0,5

0,5--0,25

0,25--0,1

0,1--0,05

0,05--0,01

0,01--0,005

менее 0,005

ρs, г/см3

ρ, г/см3

W, г/см3

7

4

25

28,9

39

2,8

1

1

0,7

2,66

2,08

20


Частиц > 2 мм 4% < 25%.

Частиц > 0,5мм 25%+4%=29 < 50%.

Частиц > 0,25мм 29%+28,9%=57,9% > 50%.

Так как частиц крупнее 0,25 мм - 57,9%, что больше 50% следовательно, песок средней крупности.

Плотность грунта ρd в сухом состоянии определяется по формуле (2.3):

 (2.3)

 

 г/см3

Устанавливаем плотность сложения по коэффициенту пористости, определяется по формуле (2.4):

 

 (2.4)

 

 

Таким образом, при е = 0,535 < 0,55 имеем песок средней крупности, плотный.

Определим степень влажности по формуле (2.5):

 (2.5)

 

Так как, при  > 0,8 - пески, насыщенные водой.

Прочностные и деформативные характеристики для песка гравелистого, средней плотности, насыщенного водой при е = 0,535; R0 = 500 кПа; сn = 2,15 кПа; φn = 38,3; Еn = 36,5 МПа.

Слой № 5(67):

Таблица 4 - Исходные данные

Номер варианта грунта

Физико-механическая характеристика


ρs, г/см3

ρ, г/см3

W, %

WL, %

Wp, %

67

2,69

1,95

25,3

35,0

22,0


Определим основные показатели:

число пластичности:

P = WL - WP, (2.1)

где WL и Wp - влажность на границе текучести и границе раскатывания соответственно.

IP = 35 - 22 = 13 %

Показатель текучести:

 (2.2)

Т.к. 7< IP = 13<17, а 0,25< IL = 0,254<0,55, то данный грунт - суглинок тугопластичный.

Плотность грунта ρd в сухом состоянии определяется по формуле (2.3):

 г/см3

Определим коэффициент пористости по формуле (2.4):

Определим степень влажности по формуле (2.5):

Т.к. Sr =0,934 >0,8, то грунт является насыщенным водой.

Прочностные и деформативные характеристики для суглинка тугопластичного при е = 0,729; R0 = 314,95кПа; сn =24,05кПа; φn = 21,21º; Еn =15,05 МПа.

Таблица 5 - Сводная таблица физико-механических свойств грунтов

№ п.п

Наименование грунта

Мощность слоя

Физическая характеристика грунта

Прочностная и деформационная характеристики




ρs, г/см3

ρ, г/см3

ρd, г/см3W, %

WL, %

WP, %

Ip

IL

e

Sr

cn, кПа

φn

R0, кПа

En, МПа





γS

γ

γd












1

Растительный слой

0,3

-

-

-

-

-

-

-

-

-

-

-

-

-

-

2

Глина твёрдая

3,4

2,3

1,69

1,44

17,4

40

23

17

-0,329

0,597

0,67

74,89

20,53

503

26,12




23,0

16,9

14,4












3

Суглинок текучий

11,15

2,71

1,72

1,27

36

34,2

19,1

15,1

1,119

1,143

0,8535

12

12

150

5




27,1

17,2

12,7












4

Песок средней крупности, плотный

1,07

2,66

2,08

1,733

20

-

-

-

-

0,535

0,994

2,15

38,3

500

36,5




26,6

20,8

17,33












5

Суглинок тугопластичный

3,72

2,69

1,95

1,556

25,3

35

22

13

0,2538

0,729

0,934

24,05

21,21

314,95

15,05




26,9

19,5

15,56














. Анализ грунтовых условий строительной площадки

Характер напластований и сведения о физико-механических свойствах грунтов позволяют выделить в пределах исследованной толщи пяти инженерно-геологических элементов:

Горизонт 1 - растительный слой;

Горизонт 2 - глина твёрдая, влажная, с коэффициентом пористости е = 0,597 может служить естественным основанием;

Горизонт 3 - суглинок текучий, с коэффициентом пористости е = 1,143, не может служить естественным основанием;

Горизонт 4 - песок средней крупности, плотный с коэффициентом пористости е = 0,535, может служить естественным основанием;

Горизонт 5 - суглинок тугопластичный, с коэффициентом пористости е = 0,729, может служить естественным основанием.

Вывод: Исходя из оценки инженерно-геологических условий строительной площадки и анализа физических характеристик грунтов можно сделать вывод, что верхний слой - глина твёрдая, влажная может служить основанием.

4. Расчет и конструирование фундаментов по выбранным вариантам

При выборе типа фундамента необходимо рассмотреть два-три конкурентоспособных варианта, которые зависят от инженерно-геологических условий площадки и величины нагрузки на фундамент. Возможны следующие основные варианты:

фундаменты мелкого заложения;

свайные фундаменты.

.1 Расчёт фундаментов мелкого заложения

.1.1 Определение глубины заложения фундаментов

) по назначению и конструктивным особенностям - здание не имеет подвала.

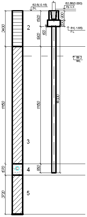
При применении железобетонных колонн верхний обрез фундамента проектируем на 150 мм ниже отметки чистого пола. Планировочная отметка DL = (62,9+ 62,5 + 62,0) / 3 = 62,5 м(-0,15), тогда получаем отметку чистого пола 62,65 м.

Глубину заделки сборных колонн сплошного сечения Нз принимают равной:

Нз=(1¸1,5)·hk = (1¸1,5)·0,3 = 0,3¸ 0,45 м,

где hk - больший размер колонны.

Толщина дна стакана не менее 200 мм, примем

hf = 0,3+0,45 = 0,75 м.

) по существующему и проектируемому рельефу - рельеф спокойный - ограничений нет;

) по глубине заложения фундаментов существующих сооружений - ограничений нет;

) по нагрузкам - на основания и фундаменты - ограничений нет;

) по инженерно-геологическим и гидрологическим условиям площади строительства - несущий слой - глина твёрдая, влажный с коэффициентом пористости е = 0,597 может служить естественным основанием;

) по глубине сезонного промерзания грунтов - нормативная глубина промерзания для г. Быхов глины dfn =1,05 м.

Вычисляем расчетную глубину промерзания:

df = kh · dfn = 0,6 · 1,05 = 0,63 м,

где kh - коэффициент, учитывающий влияние теплового режима здания на глубину промерзания грунта у фундаментов наружных стен.

Следовательно, в любом случае подошва фундамента будет ниже глубины промерзания.

Минимальная глубина заполнения фундамента по конструктивным соображениям, используя унифицированный подколонник размером 0,9×0,9 м, глубиной 0,9 м > 0,45 м и плитную часть толщиной 0,3 м.

d = 0,9 + 0,45 = 1,35 м.

Примем типовой монолитный фундамент под колонну 0,3×0,3 м высотой h=1,35 м.

.1.2 Определение размеров подошвы фундамента

Исходные данные: схема 9, сечение 5-5.

Расчетное значение нагрузок по двум группам предельных состояний(нагрузки даны на уровне обреза фундамента).

По 1-ой группе: FV0,1= 612,3 кH М0,1 = 58,6 кН×м Fh0,1= 16,5 кН

По 2-ой группе: FV0,11= 556,6 кH М0,11= 53,3 кН×м Fh0,11= 15 кН

Определим площадь подошвы фундамента в плане:

Рисунок 1 - К определению глубины заложения в сечении 5-5

 (4.1)

 м2,

тогда м.

Уточняем расчетное сопротивление грунта при b1 =1,08 м по формуле для здания без подвала:

 

, (4.2)

где gС1 и gС2 - коэффициенты условий работы, учитывающие особенности работы разных грунтов в основании фундаментов: gС1 = 1,25; gС2 = 1 при L/Н = 42/8,6 = 4,88;

k - коэффициент, принимаемый: k = 1,1 - т.к. прочностные характеристики грунта приняты по нормативным таблицам;

kZ - коэффициент принимаемый kZ = 1 при b<10 м; b - ширина подошвы фундамента, м;

gII и g'II - усредненные расчетные значения удельного веса грунтов, залегающих соответственно ниже подошвы фундамента (при наличии подземных вод определяется с учетом взвешивающего действия воды) и выше подошвы, кН/м3; g'II = gII = 16,9 кН/м3;

СII - расчетное значение удельного сцепления грунта, залегающего непосредственно под подошвой фундамента, кПа; СII =74,89 кПа;

Мg , Мq , Мс - безразмерные коэффициенты; при φn=20,530 Mg = 0,5365; Мq = 3,1554; Мс = 5,7554;

d1 - глубина заложения фундаментов бесподвальных сооружений или приведенная глубина заложения наружных и внутренних фундаментов от пола подвала; d1=1,35 м.

              Уточняем А2 при R1 = 582,73 кПа:

 м2

тогда м.

Принимаем b = 1,5 м.

Уточняем расчетное сопротивление грунта при b =1,5 м:

Найдем экцентриситет при b = 1,5 м:

м (4.3)

Так как м >м, то размеры подошвы фундамента определяем как для внецентренно загруженного прямоугольного фундамента.

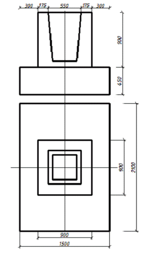
Принимаем размеры фундамента в плане b x l = 1,5 х 2,1 м.

Для внецентренно сжатых фундаментов:

Рm ≤ R; Pmax ≤ 1,2R; Pmin > 0 (4.4)

Фактическое давление под подошвой фундамента:

 (4.5)

 (4.6)

Определим вес фундамента:

кН (4.7)

Вес грунта обратной засыпки:

кН (4.8)

кН

кПа

 (4.8) (4.9)


 (4.10)

 

Так как Рm=231,35≤ R=587,06; Pmax =271,03≤1,2R=704,47; Pmin=137,67>0 - условия, необходимые для расчета по деформациям, выполняются.

Следовательно, размеры подошвы фундамента подобраны правильно.

Рисунок 2 - К определению размеров фундамента

4.2 Проверка подстилающего слоя

Наличие в пределах сжимаемой толщи слоя грунта менее прочного, чем грунт под подошвой фундамента, требует проверки условия:

sZp + sZq £ Rz ,  (4.11)

где sZp и sZq - вертикальные нормальные напряжения в грунте на глубине z от подошвы фундамента соответственно дополнительные от нагрузки на фундамент и от собственного веса грунта, кПа;

Rz - расчетное сопротивление грунта на кровле слабого слоя для условного фундамента шириной bz.

Проверяем прочность подстилающего слоя грунта - суглинка мягкопластичного, расположенного под подошвой фундамента на глубине z = 2,05 м.

Напряжение на уровне подошвы фундамента от собственного веса грунта:

σzq0 = γ1 · h1 =16,9· 1,35=22,815 кПа;

На глубине z = 2,05 м:

σzq1 = σzq0 + γ2 · h2 =22,815+16,9· 2,05=57,46 кПа.

Дополнительное давление под подошвой фундамента:

P0 = Рm - σzq0 =231,35-22,815=208,535 кПа.

Дополнительное вертикальное напряжение, действующее на кровлю слабого грунта от нагрузки на фундамент на глубине z =2,05м, определим по формуле:

sZp = a × P0

Для определения a найдем  и , тогда a = 0,2714, откуда

sZp = 0,2714 ∙ 208,535 = 56,6 кПа.

Определяем расчетное сопротивление Rz суглинка текучего на глубине 2,05 м от подошвы фундамента по формуле 4.2.

Для этого по значению φn = 120 находим Mg = 0,23, Mq = 1,94, Mc = 4,42, CII = 12 кПа, gC1=1,1 и gC2=1 , кН/м3.

Находим ширину квадратного фундамента:

, (4.12)

где  м2. 

м.

 кПа

Условие выполняется:

sZp + sZq = 56,6 + 57,46 = 114,06 кПа < RZ = 120,3 кПа,

следовательно, размеры фундамента подобраны удовлетворительно.

Рисунок 3 - К расчету подстилающего слоя

4.3 Расчет оснований по деформациям

Задача расчета по деформациям состоит в том, чтобы не допустить такие деформации основания, при которых нарушается нормальная эксплуатация надземных конструкций. Основное условие расчета определяется выражением:

S £ Su , (4.13)

где S - совместная деформация основания и сооружения, определяемая расчетом;

Su - предельное допустимое значение деформации основания.

Если условие (4.13) не удовлетворяется, то возможно применение следующих мероприятий: изменение размеров фундамента, переход к другому типу фундаментов, улучшение деформативно-прочностных показателей грунта основания, изменение верхнего строения.

Осадка основания S с использованием расчетной схемы в виде линейно-деформируемого полупространства определяется методом послойного суммирования по формуле (4.14):

, (4.14)

где β = 0,8 - безразмерный коэффициент, корректирующий упрощенную схему расчета;

hi - толщина i-го слоя грунта, м;

Еi - модуль деформации i-го слоя грунта, кПа;

- среднее дополнительное напряжение в i-ом слое грунта, равное полусумме дополнительных напряжений на верхней и нижней границах i-го слоя, кПа:

, (4.15)

Размеры фундамента в плане: b × l = 1,5 × 2,1 м, среднее давление под подошвой условного свайного фундамента - Рm = 231,35 кПа.

Построим эпюру распределения вертикальных напряжений от собственного веса грунта в пределах глубины 6 · b = 6 · 1,5 = 9 м ниже подошвы фундамента.

Нижняя граница сжимаемой толщи основания принимается на глубине Z = Hc от подошвы фундамента, где выполняется условие:

szp = 0,2 · szq (4.16)

Вертикальные природные напряжения szq на некоторой глубине Z от поверхности грунта определяют по формуле:

, (4.17)

где gi - удельный вес грунта i-го слоя;

hi - толщина i-го грунта;

n - число слоев грунта в пределах глубины Z.

Удельный вес грунтов залегающих ниже уровня подземных вод, но выше водоупора, должен приниматься с учетом взвешивающего действия воды, т.е:

, (4.18)

где gsi , ei - соответственно удельный вес частиц грунта и коэффициент пористости i-го слоя грунта;

gw = 10 кН/м3 - удельный вес воды.

по подошве фундамента:

σzq0 = γ1 · h1 = 16.9 · 1,35 = 22,815 кПа 0,2·σzq0 = 0,2·22,815 = 4,563 кПа.

на подошве первого слоя:

σzq1 = σzq0 + γ1 · h2 = 22,815 + 16,9 · 2,05 =57,46 кПа

0,2·σzq1 = 0,2·57,46 = 11,492 кПа.

по подошве суглинка текучего без учета взвешивающего действия воды:

σzq2 = σzq1 + γ2 · h3 = 57,46 +17,2 · 0,9 = 72,94 кПа

,2·σzq2 = 0,2 · 72,94 = 14,588 кПа.

по подошве суглинка текучего с учетом взвешивающего действия воды:

σzq3 = σzq2 + · h4 = 72,94 +  · 10,25 = 154,73 кПа

0,2·σzq3 = 0,2·154,73 = 30,95 кПа

по подошве песка средней крупности с учетом взвешивающего действия воды:

σzq4 = σzq3+· h5 =154,73 + · 1,07 = 166,03 кПа

0,2·σzq4 = 0,2 · 166,03 = 33,26 кПа

по подошве суглинка тугопластичного с учетом взвешивающего действия воды:

σzq5= σzq4 +· h6 = 166,03 + · 3,72 = 202,66кПа

0,2·σzq5 = 0,2 · 202,66 = 40,53 кПа

Определяем дополнительное давление на основание под подошвой фундамента:

P0 = Рm - σzq0 = 231,35 - 22,815 = 208,535 кПа. (4.19)

Толщу грунта ниже подошвы фундамента разбиваем на слои:

Полученные значения ординат напряжений отложим на геологическом разрезе (см. графическую часть) и построим эпюры от собственного веса грунта и вспомогательную.

Дополнительные вертикальные напряжения от внешней нагрузки определяют по формуле:

szp = a × P0 , (4.20)

где Р0 = Рm - szg,0 - дополнительное вертикальное давление на основание;

Рср - среднее давление под подошвой фундамента;

szg,0 - вертикальное напряжение от собственного веса грунта на уровне подошвы фундамента;

a - коэффициент, учитывающий уменьшение дополнительных напряжений по глубине.

Вычисления произведем в табличной форме. Нижнюю границу сжимаемой толщи находим по точке пересечения вспомогательной эпюры и эпюры дополнительных вертикальных напряжений. Эта точка соответствует мощности сжимаемой толщи Нc = 4,2 м.

Осадку вычисляем с помощью послойного суммирования. Суммарная осадка не должна превышать предельно допустимых деформаций основания, которые составляют для данного вида сооружения 8 см.

Кроме того, глубина сжимаемой толщи не должна превышать значения, равного 6 · b = 6 · 1,5 = 9,0 м. Это условие выполняется:

Нс = 4,2 м ≤ 6·b = 9,0 м.

Таблица 6 - К расчету осадки фундамента мелкого заложения

Наименование грунта

Еi, Мпа

Толщина пласта грунта, м

ϒi, кН/м3

σz0, кПа

0,2σzp, кПа

hi, м

Zi, м

ζ=2Z/b b=1.5м

α

σzp, кПа

Si, м

Глина твёрдая

26,12

2,2

16,9

22,815

4,563

0

0

0

1

208,5350

0





32,955

6,591

0,6

0,6

0,8

0,848

176,8377

0,00325





43,095

8,619

0,6

1,2

1,6

0,532

110,9406

0,00204





53,235

10,647

0,6

1,8

2,4

0,325

67,7739

0,00125





57,46

11,492

0,3

2,05

2,733

0,271

56,5130

0,00043

Суглинок текучий

5

0,9

17,2

67,78

13,556

0,6

2,65

3,5333

0,179

37,3695

0,00359





72,94

14,588

0,3

2,95

3,9333

0,15

31,2177

0,00150


5

10,25

7,98

77,728

15,546

0,6

3,55

4,7333

0,108

22,5218

0,00216





82,516

16,503

0,6

4,15

5,5333

0,081

16,8913

0,00162





87,304

17,461

0,6

4,75

6,3333

0,063

13,2003

0,00127





92,092

18,418

0,6

5,35

7,1333

0,05

10,42675

0,00100





96,88

19,376

0,6

5,95

7,9333

0,041

8,487375

0,00081





101,67

20,334

0,6

6,55

8,7333

0,034

7,02763

0,00067





106,46

21,291

0,6

7,15

9,5333

0,029

5,943248

0,00057





111,24

22,249

0,6

7,75

10,333

0,024

5,067401

0,00049





116,03

23,206

0,6

8,35

11,133

0,021

4,420942

0,00042





120,82

24,164

0,6

8,95

11,933

0,018

3,816191

0,00037





121,22

24,244

0,1

9

12

0,018

3,75363

0,00003


Суммируем осадку в пределах сжимаемой толщи Hс = 4,2 м:

Si= 0,00325 + 0,00204 + 0,00125 + 0,00043 + 0,00359 + 0,0015 + 0,00216 + 0,00162 + 0,00127 = 0,0171 м. = 1,71см.

Si = ∑Si = 1,71 cм < SU = 8 cм.

Следовательно, основное условие расчета по 2-ой группе предельных состояний удовлетворяется.

5. Расчет свайного фундамента

Расчет свайных фундаментов и их оснований производится по двум группам предельных состояний. По первой группе определяют несущую способность сваи по грунту, прочность материалов свай и ростверков. По второй группе предельных состояний рассчитываются осадки оснований фундаментов.

5.1 Предварительное определение размера сваи

Второй слой мощностью 3,4 м - глина твёрдая, влажная с коэффициентом пористости е = 0,575 имеет удовлетворительные деформационно-прочностные показатели, может служить естественным основанием, а также опорным пластом для опирания свай, но не хватает для заглубления сваи конструктивно, следовтельно не подходит.

Третий слой мощностью 11,15 м - суглинок текучий с коэффициентом пористости е = 1,143 имеет неудовлетворительные деформационно-прочностные показатели, не может служить естественным основанием, а также опорным пластом для опирания свай: γ = 17,2 т/м3; γs = 27,1 т/м3; W = 36 %; Ip = 15,1 %; IL = 1,119; Еn = 5 МПа; Сn = 12 кПа; φn =12; Ro =150 кПа.

Четвертый слой мощностью 1,07 м - песок средней крупности, плотный насыщенный водой с коэффициентом пористости е = 0,535 имеет удовлетворительные деформационно-прочностные показатели, может служить естественным основанием, а также опорным пластом для опирания свай: γ = 20,8 т/м3; γs = 26,6 т/м3; W = 20 %; Еn = 36,5 кПа; Сn = 2,15 кПа; φn = 38,3º.

Пятый слой мощностью 3,72 м - суглинок тугопластичный с коэффициентом пористости е = 0,729 имеет удовлетворительные деформационно-прочностные показатели, может служить естественным основанием, а также опорным пластом для опирания свай: γ = 19,5 т/м3; γs = 26,9 т/м3; W = 25,3 %; Ip = 13 %; IL = 0,254; Еn = 15,05 кПа; Сn = 24,05 кПа;φn = 21,21º; Ro = 314,95 кПа.

Высота ростверка должна быть не менее hо + 0,25 = 0,3 + 0,25 = 0,55 м,

где hо - рабочая толщина ростверка, не менее 0,3 м.

Примем hо = 0,6 м и hст = 0,9 м, тогда высота ростверка составит:

hр = 0,6 + 0,9 = 1,5 м > 0,55м.

Глубина заложения ростверка от отметки чистого пола составит:

,5 + 0,15 = 1,65 м.

Глубина заложения ростверка от планировочной отметки составит:

,65 - 0,15 = 1,5 м.

Полная длина сваи определяется как сумма:

 , (5.1)

где l0 - глубина заделки свай в ростверк, м;

∑lгр - расстояние от подошвы ростверка до кровли несущего слоя, м;

lн.с. - заглубление в несущий слой.

м.

Принимаем l = 14 м, сваю марки С14-40 G = 5,62 т. Сечение сваи принимаем 400х400 мм. Класс бетона С18/22,5.

фундамент свайный грунтовый

Рисунок 4 - К определению длины сваи.

5.2 Определение несущей способности сваи

Рисунок 5 - К определению несущей способности сваи.

Используя схему разбивки слоев грунта hi, приведенную на рисунке 5, определим несущую способность висячих свай, погружённых забивкой молотами в третий слой в соответствии с формулой (5.2):

 , (5.2)

где gс - коэффициент условия работы сваи в грунте, принимаемый gс = 1;

gсR , gсf - коэффициенты условий работы грунта соответственно под нижним концом и на боковой поверхности сваи, учитывающие влияние способа погружения сваи на расчетные сопротивления грунта, принимаемые gсR = 1, gсf =1;

А - площадь опирания на грунт сваи, принимаемая по площади поперечного сечения сваи брутто, А = 0,4∙0,4 = 0,16 м2;

Ui - усредненный периметр поперечного сечения сваи в i-ом слое грунта, Ui = 4 ∙ 0,4 = 1,6 м;

R - расчетное сопротивление грунта под нижним концом сваи, кН.

Rfi - расчетное сопротивление i-го слоя грунта основания на боковой поверхности сваи, кПа.

hi - толщина итого слоя грунта соприкасающегося с боковой поверхностью сваи, м.

Расчет будем вести в соответствии с уточненной схемой на рисунке 5.

При z0 = 14,975 м под нижним концом сваи для песка средней крупности, плотного R = 5398,33 кПа.

Определим расчетное сопротивление грунта на боковой поверхности сваи:

глина твёрдая, IL= - 0.329:

) при z1 = 2,45 м Rf1 = 57,25 кПа, h1 = 1,9 м, Rf1 · 1,15 = 65,84 кПа;

суглинок текучий, IL= 1,119:

) при z2 = 4,4 м Rf2 = 6,7кПа, h2 = 2 м;

) при z3 = 6,4 м Rf3 = 7,7кПа, h2 = 2 м;

) при z4 = 8,4 м Rf4 = 8кПа, h2 = 2 м;

) при z5 = 10,4 м Rf5 = 8кПа, h2 = 2 м;

) при z6 = 12,4 м Rf6 = 8кПа, h2 = 2 м;

) при z7 = 13,975 м Rf7 = 8кПа, h2 = 2 м;

песок средней крупности, плотный:

) при z8 = 14,975 м Rf8 = 113,967кПа, h2 = 0,85 м; Rf8 · 1,3= 148,157кПа

Несущая способность сваи будет равна:

 

Расчетная нагрузка, допускаемая на сваю:

кН. (5.3)

.3 Определение количества свай и размещение их в ростверке

Нагрузки по обрезу ростверка FV0,1= 612,3 кH; М0,1 = 58,6 кН×м;

Fh0,1= 16,5кН.

Необходимое количество свай в грунте определяется по формуле:

свай (5.4)

Примем количество свай n = 1 шт.

Высота ростверка 0,6 м.

Расстояние от края ростверка до внешней стороны вертикально нагруженной сваи при жесткой заделке ее в ростверк принимается на 20 см больше размеров куста свай по наружному контуру, размеры ростверка в плане принимаются кратными 30 см: - ширина ростверка 0,4 + 2 · 0,2 = 0,8 м.

длина ростверка 0,4+2 · 0,2 = 0,8 м.

Принимаем следующие размеры ростверка с учетом принятого стакана под колонну размером 0,9×0,9 м: 1,2 × 1,2 м.

Рисунок 6 - Конструирование ростверка.

Нагрузку, приходящуюся на каждую сваю во внецентренно нагруженном фундаменте, определяем по формуле:

 

, (5.5)


NI = NOI + Gр + Gгр. (5.6)

Объем ростверка:

Vр =1,2 · 1,2 · 0,6 + 0,9 · 0,9 · 0,9 = 0,864 + 0,729 = 1,593 м3

Вес ростверка:

Gр = Vp ·γб = 1,593 · 24 = 38,232 кН.

Вес грунта на уступах:

;

;

Общий объем:

м3;

м3.

тогда:

кН.

кН.

кН·м.

кН

кНкН; (5.7)

кН > 0. (5.8)

Условие выполняется, свайный фундамент запроектирован рационально.

.4 Проверка прочности основания куста свай

Удовлетворение условия (5.7), для каждой сваи в отдельности не означает, что основание свай будет работать надежно. С цель проверки прочности основания свайный фундамент рассматривают как условный массивный фундамент (схема условного фундамента для свайного фундамента под колонну рисунок 7).

Для внецентренно-загруженного фундамента:

Pmin/max= £ 1,2Rусл, (5.9)

где NOI I, Gр , Gгр - соответственно, нагрузка по обрезу фундамента NOI I, вес ростверка Gр и грунта на его уступах Gгр, в пределах условного фундамента, кН;

aусл, bусл - соответственно длина и ширина подошвы условного фундамента, м;

ayсл=a1+2∙h∙tg(j II,mt / 4); (5.10)yсл=b1+2∙h∙tg(jII,mt / 4), (5.11)

где j II,mt - осредненное расчетное значение угла внутренного трения грунта, определенное по формуле (5.12):

jII, mt = , (5.12)

где jII,i - расчётные значения углов внутреннего трения грунта по второй группе предельных состояний в пределах слоёв h i;

hi - глубина погружения сваи в грунт, считаем от подошвы ростверка

М - расчетный момент, действующий в уровне нижних концов свай, т.е. по подошве условного свайного фундамента и равен М = М0II + F0II,h ·dусл , кН·м;

W - момент сопротивления подошвы условного свайного фундамента, м3;

Rусл - расчетное сопротивление грунта в плоскости подошвы условного фундамента, кПа.

Если условие (5.9) не выполняется, то необходимо либо увеличить количество свай, либо изменить расстояние между сваями, либо изменить размеры свай, или же увеличить глубину погружения свай.

; .

Определяем ширину условного фундамента:

ayсл = byсл =0,4 + 2 · 13,9 ∙ tg(15,330 / 4) = 2,262 м; Принимаем byсл =2,3м

Рисунок 7 - К определению размеров условного фундамента.

Объем условного фундамента ABCD:

 (5.13)

Площадь условного фундамента:

м2 (5.14)

м3.

Объем ростверка и подколонника:

Vр =1,2 · 1,2 · 0,6 + 0,9 · 0,9 · 0,9 = 0864 + 0,729 = 1,593 м3

Объем свай:

 м3.

Объем грунта в пределах условного фундамента:

м3. (5.15)

Вес грунта в объеме условного фундамента:

Gгр = g´II ·Vгр = 10,64 ∙ 77,65= 826,2кН. (5.16)

где g/II -средний удельный вес грунтов, лежащих выше уровня подошвы:

Вес свай и ростверка:

Gсв = Vсв ∙ gб = 2,224 ∙ 24 = 53,38 кН (5.17)

Gр = Vр ∙ gб = 1,593 ∙ 24 = 38,232 кН. (5.18)

Вертикальная составляющая нормальных сил в уровне нижних концов свай:

N = FV0II+Gр +Gсв +Gгр =556,6+ 38,232 + 53,38 + 826,2 = 1474,41 кН (5.19)

Момент в уровне нижних концов свай:

M = MOI I + F0II,h ∙ hp = 53,3 + 15 × 1,5 = 75,8 кН∙м. (5.20)

кПа.

Рмах = 278,72 + 263,19 = 541,91 кПа;

Pmin = 278,72 - 263,19 = 15,53 кПа.

Расчетное давление на грунт основания условного свайного фундамента в уровне его подошвы, при котором еще возможен расчет оснований по II группе предельных состояний:

 (5.21)

Так как при L/Н = 42/8,6=4,88 gС2 = 1,2; gС1 = 1,4; k = 1,1; kZ = 1; gII = 10,81 кН/м3; g'II = 10,64 кН/м3

При φ = 38,30 Mg = 2,161; Мq = 9,641; Мс = 10,935; Сn = 2,15 кПа.

кПа

Рср = 278,72 кПа < R = 2530,65 кПа;

Рmax = 541,91 кПа < 1,2·R = 1,2 · 2530,65 = 3036,78 кПа;

Pmin =15,53 кПа > 0.

Все условия соблюдаются.

6. Технико-экономическое сравнение вариантов фундаментов

В данном курсовом проекте рассматриваются два варианта фундаментов: фундамент мелкого заложения и свайный фундамент. В применении к заданным геологическим условиям в качестве проектного выбран фундамент мелкого заложения. Это связано с тем, что проектирование свайного фундамента является экономически и технологически невыгодным. Причиной этому - наличие в верхней части слоя грунта - глины твёрдой, влажной, которая может служить надежным основанием для опирания на него фундаментов мелкого заложения, а сваю нужно бить до 4 слоя грунта, который находится на 15 м глубже проектной отметки. И так, исходя из вышеизложенного, наиболее приемлемыми являются два варианта фундаментов: мелкого заложения на естественном основании и свайного.

Однако при возведении свайного фундамента, возникают некоторые трудности, а именно - необходимо задействовать большее количество технических средств, затраты связаны с большим объемом земляных работ и т.д. Поэтому затраты при возведении фундамента мелкого заложения значительно меньше чем при возведении свайных фундаментов, в данных инженерно-геологических условиях.

7. Расчет фундамента по прочности материала

Необходимо рассчитать армирование фундамента стаканного типа под колонну для сечения 5-5.

Исходные данные: бетон С20/25, fck = 20 MПа, fctd = fctk /1,5=1MПа арматура класса S500, fyd = 435 MПа, γс=1,5, γf = 1,5, с = 80 мм.

Расчетные нагрузки на обрез фундамента:

Nsd = FV0,1= 612,3 кH,

Мsd = М0,1 = 58,6 кН× м,

Vsd = Fh0,1= 16,5 кН.

Поскольку фундамент не имеет поперечной арматуры, высота нижней ступени должна быть проверена на прочность по наклонному сечению по условию восприятия поперечной силы бетоном:

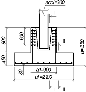
Vsd1 = P ∙ (af - a1 - 2 ∙ linc) ∙ 0,5 ∙ bf ≤ Vcd,min = 0,6 ∙ fctd ∙ α ∙ bf ∙ d1 , (7.1)

где linc - длина проекции рассматриваемого наклонного сечения, принимаем: linc = d1 = h1 - c -0,5ø= 450 - 80 -5= 365 мм;

af = 1,5 м - ширина ступени.

Р = Nsd / A = 612,3/ 3,15 = 194,38 кН/м2

Vsd1 = 244,36 ∙ (2,1 - 0,9 - 2 ∙ 0,365) ∙ 0,5 ∙ 1,5 = 86,14кН < Vcd = 0,6 ∙ 1 ∙ 106 ∙ 1 ∙ 1,5 ∙ 0,365 = 328,5 кН

Условие прочности выполняется.

Определяем сечение арматуры плитной части фундамента. Расчетная схема фундамента представляет собой консольный свес, работающий на изгиб, на который действует давление грунта. Сечение рассматриваем на грани колонны и на гранях ступени.

Усилие определяем в каждом сечении:

MI-I = ( P ∙ ( af - acol )2 ∙ bf ) / 8;II-II = ( P ∙ ( af - a1 )2 ∙ bf ) / 8.  (7.2)

I-I = ( 222,13 ∙ ( 2,1 - 0,4 )2 ∙ 1,5 ) / 8 = 120,37 кН∙м;II-II = (244,36 ∙ ( 2,1 - 0,9 )2 ∙ 1,5 ) / 8 = 65,98 кН∙м;

Определяем площадь сечения арматуры по максимальному моменту:

As = Msd / 0,9 ∙ d1 ∙ fyd , (7.3)

sI-I = 120,37/ 0,9 ∙ 1265 ∙ 435 = 2,448∙ 10-4 м2 = 244,79 мм2

AsII-II = 65,98 / 0,9 ∙ 365 ∙ 435 = 4,617∙ 10-4 м2 = 461,73 мм2

Принимаем требуемое количество рабочих стержней:

в продольном направлении: Ø10 S500 c  с шагом 200 мм;

в поперечном направлении: Ø10 S500 c  с шагом 200 мм;

Поперечную арматуру в подколоннике назначаем конструктивно.

Рисунок 8 - К расчету фундамента под колонну

8. Технология производства работ по устройству фундаментов

Перед устройством фундаментов необходимо выполнить ряд работ по разработке грунта. В самом начале производится очистка строительной площадки от мусора, деревьев, различного рода корчей, пней и т.д. Следующим этапом идет срезка растительного слоя, который может вывозиться или оставаться в отвалах для благоустройства и в дальнейшем использоваться для благоустройства территории. Следующим этапом является планировка площадки до проектной отметки, в данном случае DL=62,5 м, затем идет разработка грунта экскаваторами до проектной отметки.

При устройстве фундаментов мелкого заложения разбивку мест установки элементов фундамента проводят до их монтажа путем натягивания проволоки между обносками по продольным и поперечным осям.

С помощью отвеса на дно котлована переносят точку пересечения проволоки оси и размещают положение трех узлов фундаментной плиты. Нивелиром проверяется отметка основания дна котлована под фундамент, горизонтальность основания в различных направлениях выверяют рейкой и уровнем.

С помощью теодолита определяется правильность установки плитной части фундамента по осевым рискам или отвесом, подвешенным к проволочным осям.

Монтаж отдельных сборных фундаментов разделяется на:

устройство основания;

подачу сборных элементов в котлован с их установкой в проектное положение;

заделкой стыков и швов.

Сборные элементы монтируются краном с установкой его внутри контура котлована, что обуславливает максимальное приближение крана к монтируемому фундаменту.

Особое внимание обращается на сохранность естественной структуры грунтов основания. Не допускается движение монтажных средств по подготовленной поверхности основания фундаментов.

Список использованной литературы

1.  Бартоломой А.А. Механика грунтов: Учебник

2.      Берлинов М.В. Основания и фундаменты: Учебник

.        Механика грунтов, основания и фундаменты: учебное пособие / С.Б. Ухов; под редакцией С.Б. Ухова - 2-е изд., стер. - М.

.        Механика грунтов, основания и фундаменты: учебное пособие / С.Б. Ухов; под редакцией С.Б. Ухова - 3-е изд., стер. - М.

.        СНБ 5.01.01-99 Основания и фундаменты зданий и сооружений.

.        СНиП 2.01.07-85 Нагрузка и воздействия.

.        СниП 2.02.01-83 Основания зданий и сооружений - М.: Стройиздат, 1985. - 41 с.

.        СНиП 2.02.03-85. Свайные фундаменты.- М.: Стройиздат, 1990. - 51 с.

.        СТБ 943-94 Грунты. Классификация.

Похожие работы на - Проект фундаментов под здание гаража в г. Быхове

 

Не нашли материал для своей работы?
Поможем написать уникальную работу
Без плагиата!
Без нейросетей!