Примеры расчета железобетонных конструкций многоэтажного каркасного здания
МИНИСТЕРСТВО ОБРАЗОВАНИЯ РОССИЙСКОЙ
ФЕДЕРАЦИИ
Пензенский государственный
университет архитектуры и строительства
Кафедра: «Строительных конструкций»
Курсовой проект
по дисциплине «Железобетонные
конструкции»
Примеры расчета железобетонных конструкций
многоэтажного каркасного здания
Выполнила: Маркина А.Е
Специальность: ЭУН
Проверала: к.т.н.доц. Лаврова О.В
Пенза 2015
ПЛИТА С КРУГЛЫМИ ПУСТОТАМИ
Плита
междуэтажного перекрытия с номинальными размерами в плане 
эксплуатируется
при положительной температуре и влажности окружающей среды 40-65 %.
Временная
нормативная нагрузка на перекрытие - 
. Способ
изготовления - заводской по агрегатно-поточной технологии с натяжением арматуры
на упоры. Бетон тяжёлый, с объёмным весом 
.
Расчётный пролёт плиты (рис. 1) при опирании на ригель перекрытия поверху
мм =
6,475 м.
a)
б)
Рисунок 1 -
Геометрические размеры (а) и расчётная схема (б) плиты
Подсчёт нагрузок на 1 м2 перекрытия приведён в таблице 1.
Таблица 1 -Нагрузки на 1м2 перекрытия
|
Вид нагрузки
|
Нормативная нагрузка, Коэффициент
надёжности по нагрузкеРасчетная нагрузка, 
|
|
|
|
Постоянная: - от массы
плиты (d=0,12 м, g=25 кН/м3)
|
0,12×25=3,0
|
1,1
|
3,3
|
|
- от массы пола (по
заданию)
|
1,5
|
1,2
|
1,8
|
|
Временная (по заданию)
|
2,0
|
1,2
|
2,4
|
|
в т.ч. длительная
|
0,5
|
1,2
|
0,6
|
|
кратковременная
|
1,5
|
1,2
|
1,8
|
|
Всего:
|
6,5
|
-
|
7,5
|
|
В т.ч. постоянная и
длительная
|
5,0
|
-
|
-
|
Определяется
расчётная нагрузка на 1 м длины плиты при ширине 2,2 м с учётом коэффициента
надёжности по назначению здания 
(класс
ответственности здания II):
для
расчета по прочности
для
расчета по второй группе предельных состояний
полная
длительная
Расчётные
усилия:
для
расчета по прочности
кН×м;
кН.
для
расчета по второй группе предельных состояний
кН×м;
кН×м;
Назначаются геометрические размеры поперечного сечения плиты (см. рис. 1). Расчётные характеристики материалов:
бетон - тяжелый класса В35.

(определяется
в соответствии с приложением 1);
арматура
- напрягаемая класса А1000Ø10 мм.
Расчет прочности нормальных сечений плиты

,
т.е.
граница сжатой зоны проходит в полке - расчет производится как для прямоугольного
сечения шириной 
мм.
Определяется
значение коэффициента αm:

принимается
согласно приложению 3.
Следовательно,
сжатая арматура по расчету не требуется. Сечение рассчитывается с одиночной
арматурой.
Вычисляется
относительная высота сжатой зоны

определяется
согласно приложению 3.
Условие

соблюдается,
расчетное сопротивление напрягаемой арматуры 
можно
увеличить путем умножения на коэффициент условной работы 
,
учитывающий увеличение сопротивления напрягаемой арматуры выше условного
предела текучести
Принимаем

=1,1.
Требуемая
площадь растянутой арматуры
Так
как пустот в плите 11, согласно приложению 4 принимается8Ø10 А1000.
В
многопустотных плитах в соответствии с [2]наибольшее расстояние между осями
стержней продольной арматуры не должно превышать 
и не
должно быть более 400 мм.
Выполняется
проверка расстояния между осями стержней продольной арматуры.

-
расстояние от боковой поверхности плиты понизу до оси крайнего продольного
стержня.
следовательно,
расчет выполнен верно.
Расчет
прочности наклонных сечений плиты
В
соответствии с [1] в многопустотных плитах высотой менее 300 мм, на участках,
где поперечная сила воспринимается только бетоном, поперечную арматуру можно не
устанавливать. Выполняется проверочный расчет.

= 15,675

-
полная,
где
= 5,016 
-
временная нагрузка.
Расчет
выполняется из условия
где

-
поперечная сила в рассматриваемом сечении;

-
поперечная сила, воспринимаемая бетоном;

-
поперечная сила, воспринимаемая хомутами.
Вычисление
поперечной силы, воспринимаемой бетоном 
Предварительно
назначается усилие пред напряжения с учетом всех потерь.

принимается
до 700 МПа для стержневой арматуры и округляется до 10 МПа.
Вычисляется
коэффициент, учитывающий влияние предварительного напряжения на прочность
наклонного сечения
где

- площадь
бетонного сечения без учета свесов сжатой полки
Нагрузка
приводится к эквивалентной равномерно распределенной и определяется в
соответствии с формулой
Наиболее
выгодное расположение проекции наклонного сечения 
при
действии эквивалентной равномерно распределенной нагрузки определяется по
формуле, указанной выше. При этом должны выполняться условия

однако 
верхнее
условие не выполняется, поэтому принимаем 
и
вычисляем 
.
При
вычислении 
должны
выполняться следующие условия
Условия
выполняются, для дальнейших расчетов принимается 
.
Вычисление
поперечной силы, воспринимаемойхомутами
Усилие

определяетсяпо
формуле 
в
зависимости от величины
Проверяем
условие
Требуемая
интенсивность хомутов 
определяется
по формуле
Хомуты
учитываются в расчете, если соблюдаетсяусловие

-условие
не выполняется.

следовательно,
установка поперечной арматуры не требуется по расчету.
Расчет
плиты по предельным состояниям второй группы
Согласно
[1] к заданной плите предъявляются требования, соответствующие 3-ей категории
трещиностойкости, т. е. допускается непродолжительное раскрытие трещин
шириной 
и
продолжительное 
.
Геометрические
свойства:
Находится
площадь приведенного сечения.
фундамент
бетон плита ригель
б)
Рисунок 2 - К расчету геометрических свойств сечения (а) и расчетное
поперечное сечение плиты при расчете по второй группе предельных состояний (б)
где α - коэффициент приведения арматуры к бетону
Принимается
толщина защитного слоя бетона
Определяется
статический момент приведенного сечения относительно нижней грани
Расстояние
от центра тяжести приведенного сечения до нижней грани
Расстояние
от центра тяжести напрягаемой арматуры до центра тяжести приведенного сечения
Момент
инерции приведенного сечения
Момент
сопротивления приведенного сечения:
– относительно нижней грани
– относительно верхней грани
Упругопластический момент приведенного сечения:
– относительно нижней грани
– относительно верхней грани
где значения коэффициента γ, учитывающего пластические свойства
бетона, принимаются по приложению 5.
Сечение двутавровое симметричное:
Принимается

Определяется
расстояние от центра тяжести приведенного сечения до нижней ядровой точки
и
до верхней ядровой точки
Определение
потерь предварительного напряжения.
Расчет
потерь ведется при коэффициенте точности натяжения арматуры 
Первые
потери.
Величина
предварительного напряжения 
.
Также для арматуры А1000 - не более 
.
Многопустотные
плиты перекрытий, как правило, изготавливаются с применением
электротермического способа натяжения арматуры.
назначается
с учетом допустимых температур нагрева. В расчете принимается данный метод.
Длястержневойарматуры
верхний предел
при
электротермическом методе - 700 МПа. Принимается это значение:
При
электротермическом способе натяжения среди первых потерь учитываются только
потери от релаксаций
. Для
стержневой арматуры
Потери
от температурного перепада 
(исключаются
технологией изготовления плит).
Потери
от деформации формы 
и потери
от деформации анкеров 
учитываются
при расчете длины заготовки арматуры).
Таким
образом, первые потери
Усилие
предварительного обжатия с учетом первых потерь
Вторые
потери
Потери
от усадки бетона
где

-
деформация усадки бетона B35.
Максимальное
сжимающее напряжение на уровне крайнего волокна без учета влияния собственного
веса плиты
Принимается
передаточная прочность бетона 

-
условие выполняется.
Нагрузка
от собственной массы плиты
Изгибающий
момент от собственного веса плиты
Напряжение
на уровне центра тяжести продольной арматуры
Потери
от ползучести арматуры 
где

-
коэффициент ползучести бетона (принимается по приложению 7). Для класса бетона B35 и нормальной
влажности -75% 
Суммарные вторые потери
Полные потери
следовательно, принимаются полные потери
Усилие в арматуре с учетом всех потерь
Расчет трещиностойкости плиты
Момент трещинообразования сечения
где

-
коэффциент точности натяжения, 
.
Принимается
(для
конструкций 3-ей категории требований по трещиностойкости).
следовательно,
условие выполняется, трещины в растянутой зоне бетона не образуются. Расчет на
раскрытие трещин производится в случае невыполнения условия.
Расчет
прогибов для участков без трещин в растянутой зоне
Расчет
производится из условия
где

- прогиб
от внешней нагрузки,

-
предельно допустимый прогиб.
где
S - табличный коэффициент,
в случаезагружения для плиты равный 
(см.
приложение 6).
Полная
кривизна в сечении с наибольшим моментом
где

-
кривизна от непродолжительного действия кратковременной нагрузки,

-
кривизна от продолжительного действия постоянных и длительных нагрузок.
Принимается

Коэффициент

находитсяпри
помощи дополнительных коэффициентов по таблице приложения 8.
Вспомогательные
коэффициенты
где

В
соответствии с полученными значениями вспомогательных коэффициентов принимается

Условие
выполняется, прогиб не превышает предельно допустимого значения.
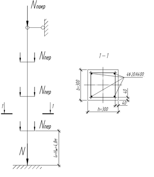
РАЗРЕЗНОЙ
РИГЕЛЬ
Требуется запроектировать разрезной ригель перекрытия при
свободномопирании концов ригеля на консоли колонны. Опирание плит перекрытия
осуществляется на ригель по верху. Шаг колонн в направлении длины ригеля равен
7 м.
Бетон для ригеля перекрытия следует принять тяжёлый. Класс бетона В35. В
качестве продольной арматуры ригеля целесообразно применить арматуру класса
А400, в качестве поперечной - арматуру класса А240. На рисунке 3 показана
конструктивная схема перекрытия.
Рисунок 3 - Конструктивная схема перекрытия
Назначаются размеры поперечного сечения ригеля. Высота сечения
где

- пролет
ригеляв осях.
Ширина
сечения
Конструктивная
длина ригеля
где

- размер
сечения колонны,

- зазор
между колонной и торцом ригеля.
где
- длина
площадки опирания, принимается 
Расчетная
нагрузка на 1 погонный метр от веса ригеля (сечение


Полная
нагрузкас учетом нагрузки от перекрытия и 
Расчетные
усилия в ригеле:
Пролетный
момент
Поперечная
сила
Прочность
нормальных сечений ригеля в пролете
Расчетные характеристики материалов:
бетон - тяжелый класса В35.

(определяется
в соответствии с приложением 1);
арматура
- напрягаемая класса А400, 
.
Расчетное
сечение в середине пролета рассматривается как прямоугольное с размерами 
м.
Предварительно назначается рабочая высота сечения 
Рисунок
4 - Расчётная схема ригеля
Определяется
относительная высота сжатой зоны сечения
По
таблице приложения 3 для арматуры А400 определяются 
и 

,
следовательно, сжатой арматуры по расчету не требуется. Сечение можно
рассчитывать как прямоугольное с одиночной арматурой.
Площадь
сечения растянутой арматуры определяется по формуле
где

Принимаются
4Ø22 А400c
.
Расчет
прочности ригеля по наклонным сечениям
Расчет
производится из условия прочности наклонного сечения
Принимается
поперечная арматура А240 Ø10, 
с
площадью стержня 
В
поперечном сечении располагаются два плоских каркаса.
Рисунок
5 - К расчёту прочности ригеля по наклонному сечению
Поперечная
сила, воспринимаемая бетоном 

-
временная нагрузка,

- полная
погонная нагрузка от постоянных и временных нагрузок.
При
определении 
должны
выполняться условия

-
неверно, принимается 
При
вычислении 
должны
выполняться условия
Условия
выполняются. Для дальнейших расчетов принимается
Требуемая
интенсивность хомутов 
определяется
в зависимости от величины
тогда
Расчетный
максимальный шаг хомутов
По
конструктивным требованиям при рабочей высоте сечения 540 мм шаг должен быть не более 
и не
более 300 мм. Принимается шаг 250 мм.
Фактическая
погонная нагрузка на хомуты
Поперечная
сила, воспринимаемая хомутами 
где

- длина
проекции наклонной трещины, равная 
,не более
Условие
выполняется, прочность наклонного сечения обеспечена.
Конструктивные
требования обязывают для балок высотой более 150 мм на приопорных участках
длиной 
иметь
шаг поперечных стержней не более 
рабочей
высоты элемента и не более 300 мм. На остальной части пролета шаг стержней не
должен превышать 
или 500
мм.
Следовательно,
на приопорных участках за подрезкой шаг не должен быть более 
на
остальной части пролета 
Окончательно
принимаются:
на
приопорных участках 
;
на
остальной части пролета 
.
СБОРНАЯ
ЖЕЛЕЗОБЕТОННАЯ КОЛОННА
Сетка
колонн 
, высота
этажа - 4,8 м.
Снеговой
район - IV. Нагрузка от веса плит покрытия и кровли - 
.
Колонна
проектируется из тяжёлого бетона класса В35 с продольной рабочей арматурой
класса А400.
Расчёт
прочности колонны выполняется на действие продольной силы со случайным
эксцентриситетом и заключается в подборе продольной арматуры.
Определяется
нагрузка на колонну с грузовой площадки, соответствующей заданной сетке колонн
7´6=42 м2 и коэффициентом надёжности по назначению
здания 
(для II
класса ответственности здания). На колонну первого этажа передаётся нагрузка от
3-х перекрытий (при числе этажей - 4) и от одного покрытия (см. рис. 6).
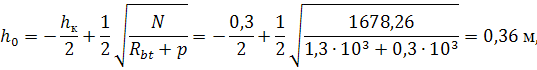
Рисунок 6 - Расчётная схема колонны
Нагрузка от одного перекрытия:
– от
веса плиты перекрытия, пола и временная нагрузка (см. таблицу 1):
;
– от
собственного веса ригеля сечением
длиной 
при
плотности железобетона
и 
: 
– от
собственного веса колонны сечением 
при
высоте этажа 4,8 м: 
.
Таким
образом, полная расчётная нагрузка на колонну от одного перекрытия составит
.
Нагрузка от покрытия:
– постоянная
нагрузка составит 
при
распределённой нагрузке от кровли и плит, равной 
;
– временная
нагрузка от снега (IV снеговой район, 2,4 кПа) будет равна 
.
Таким
образом, полная расчётная нагрузка от покрытия с учётом нагрузки от ригеля и
колонны верхнего этажа составит

.
Суммарная (максимальная) величина продольной силы в колонне первого этажа
(при заданном количестве этажей - 4):

.
Расчетные
характеристики материалов:
бетон
- тяжелый класса В35, 
продольная
арматура - напрягаемая класса А400, 
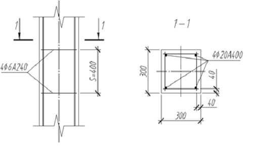
Расчет прочности колонны 1-го этажа
Рабочая
высота колонны
принимается равной высоте этажа 
Принимается
начальный эксцентриситет 
, так
как при свободном опирании момент в опоре приближен к 0.
Вычисляются
величины случайных эксцентриситетов
Так
как разница между начальным и случайными эксцентриситетами минимальна, Расчет
колонны проводится как для элемента, сжатого со случайными эксцентриситетами.
Вычисляется
гибкость стойки
Необходим
учет влияния прогиба на начальный эксцентриситет.
Уравнение
прочности сжатого со случайными эксцентриситетами элемента
где

,
причем 
, 
Принимается
отношение 
где

-
расчетная продольная сила от постоянной и длительной нагрузки.
По
таблице приложения9 находятся коэффициенты 
и 
из
предположения, что промежуточные стержни в сечении отсутствуют:
Принимается
коэффициент 
Количество
арматуры определяется исходя из минимального коэффициента армирования 
Принимается
арматура 4Ø20 A400 c
Поперечная
арматура принимается в соответствии с требованиями [1]. Диаметр назначается не
менее 
наибольшего
диаметра продольной арматуры и не менее Ø6 мм.Принимается арматура из стержней A240Ø6.
Шаг
арматуры устанавливается не более 
(
500 мм.
Принимается шаг 400 мм.
Рисунок 7 - Детали армирования колонны
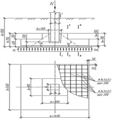
ЦЕНТРАЛЬНО-НАГРУЖЕННЫЙ ФУНДАМЕНТ
Нормативное продольное усилие на фундамент
где

-
коэффициент надежности по нагрузке.
Условное
расчетное сопротивление грунта и глубина заложения фундамента (по заданию):
Требуемая
площадь подошвы фундамента
где

- вес
фундамента и грунта на его обрезах (обычно 
Высота
фундамента должна обеспечивать неизменяемость расчетной схемы сооружения, а
также прочность самого фундамента, не допуская продавливания.
Сторона
фундамента принимается не менее
Принимается
сторона 2,4 м.
Условие
прочности на продавливание
где
-
реакция грунта под подошвой фундамента от расчетных нагрузок.
Высота
фундамента определяется исходя из надежности заделки колонны в фундаменте

Принимается
высота 750 мм со ступенями высотой 400 и 350ммсоответственно. С учетом бетонной подготовки под подошвой фундамента
рабочая высота фундамента
а
для первой ступени
Также
для обеспечения прочности фундамента от скалывания ширина верхней ступени
принимается такой, чтобы линия пересечения граней уступов не выходила за
условную линию, проведенную под углом 
Принимается

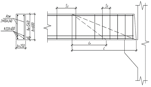
Рисунок 8 - Расчётные сечения и армирование фундамента
Расчет прочности подошвы фундамента.
Определяются значения изгибающих моментов в расчётных сечениях по грани
сечения колонны (сечение I-I) и по грани первой ступени (сечение II-II)
Площадь сечения арматуры в расчетных сечениях.
Сечение арматуры одного и другого направления на всю ширину фундамента
определим из условий:
Принимается
нестандартная сварная сетка с одинаковой в обоих направлениях рабочей арматурой
12Æ14 А400 (
) с шагом
стержней 200 мм. Процент армирования расчётных сечений с учётом фактически принятой
арматуры равен
что
больше 
.
БИБЛИОГРАФИЧЕСКИЙ
СПИСОК
1. СП 63.13330.2012 Бетонные и
железобетонные конструкции. Актуализированная редакция СНиП 52-01-2003.
2. Пособие к СП 52-101-2003 по
проектированию бетонных и железобетонных конструкций из тяжелого бетона без
предварительного напряжения арматуры.
3. Пособие к СП 52-102-2004 по
проектированию предварительно напряженных железобетонных конструкций из
тяжелого бетона.
4. СП 20.13330.2011 Нагрузки и
воздействия.
5. Кузнецов В.С. Железобетонные
конструкции многоэтажных зданий: Учебное пособие. - М.: Издательство АСВ, 2013.
- 200 с.
ПРИЛОЖЕНИЯ
Приложение 1
Нормативные и расчетные характеристики бетона
Приложение 2
Механические характеристики арматуры
Приложение 3
Значения граничной относительной высоты сжатой зоны бетона
Приложение 4
Таблица 1 - Сортамент горячекатаной арматуры (ГОСТ 5781-82)
Таблица 2 - Сортамент канатной арматуры
Таблица 3 - Классы тяжелого бетона, рекомендуемые для преднапряженных
конструкций
Приложение 5
Значение коэффициента γ для определения упругопластического
момента сопротивления некоторых сечений
Приложение 6
К определению прогибов железобетонных элементов
Приложение 7
Значения
коэффициента ползучести бетона 
в
зависимости от относительной влажности воздуха и класса бетона
Приложение 8
Значения
коэффициента
для
определения кривизны элемента на участках с трещинами
Приложение 9
Значения
коэффициентов 
и 
для
расчета сжатых элементов из тяжелого бетона