Проектирование строительства эксплуатационной скважины на нефть на Приобском месторождении
РЕФЕРАТ
Выпускная квалификационная работа 298 с., 19
рисунков, 54 таблиц, 29 источников, 1 приложение.
Цель работы - проектирование строительства
эксплуатационной скважины на нефть на Приобском месторождении.
В процессе работы был составлен проект на строительство
эксплуатационной скважины на нефть глубиной 2800 м на Приобском месторождении.
Разработаны мероприятия по организации
строительства, охране труда и окружающей среды.
В работе рассмотрен вопрос о применении
гель-раствора.
Дипломная работа выполнена с учетом современных
достижений в области техники и технологии строительства нефтяных скважин.
Основной задачей дипломного проекта являются:
. Описание географо - экономических особенностей
района работ, геологических условий бурения на Приобском месторождении.
. Расчет, обоснование проектирование
горизонтальной скважины для конкретных геологических условий.
. Описание и характеристика вспомогательных
цехов и служб, разработка мероприятий по безопасному ведению работ в рабочей
зоне. Экологические проблемы, а также вопросы пожарной безопасности.
. Разработка вопросов по повышению ТЭП
предприятия, расчет нормативных карт. Вопросы, связанные с акционированием
нефтяной отрасли.
Выпускная квалификационная работа выполнена в
текстовом редакторе Microsoft Word и представлена на диске (в конверте на
обороте обложки).
ОГЛАВЛЕНИЕ
ВВЕДЕНИЕ
1. ОБЩАЯ И ГЕОЛОГИЧЕСКАЯ ЧАСТЬ
1.1 Географо-экономическая характеристика района работ
1.2 Горно-геологические условия
1.3. Ожидаемые осложнения и их характеристика
2. ТЕХНОЛОГИЧЕСКАЯ ЧАСТЬ
2.1 Выбор способа бурения
2.2 Проектирование профиля и конструкции скважины
2.2.1 Обоснование и расчёт профиля проектной скважины
2.2.2 Выбор конструкции эксплуатационного забоя скважины
2.2.3 Проектирование и обоснование конструкции скважины
2.2.4 Разработка схем обвязки устья скважины
2.3 Проектирование процесса углубления скважин
2.3.1 Выбор буровых долот
2.3.2 Расчёт осевой нагрузки на долото по интервалам горных пород
2.3.3 Расчет частоты вращения долота
2.3.4 Выбор и обоснование типа забойного двигателя
2.3.5 Выбор компоновки и расчёт бурильной колонны
2.3.6 Обоснование типов и компонентного состава промывочной
жидкости
2.3.7 Расчёт необходимого расхода бурового раствора
2.3.8.Выбор гидравлической программы промывки скважины
2.3.9 Обоснование критериев рациональной отработки долот
2.3.10 Технология бурения на участках направленного изменения
кривизны скважины и при вскрытии продуктивного пласта
2.4 Технические средства и режимы бурения при отборе керна
2.5 Проектирование процессов заканчивания скважины
2.5.1 Расчёт обсадных колонн
2.5.2 Выбор режима спуска обсадных колонн
2.5.3 Выбор способа цементирования обсадных колонн
2.5.4 Выбор состава тампонажной смеси
2.5.5 Расчёт параметров и технология цементирования
2.6 Проектирование процессов испытания и освоения скважины в процессе бурения
2.6.1 Вторичное вскрытие пласта
2.6.2 Вызов притока
2.7 Разработка мероприятий по предупреждению осложнений и аварий
при сооружении скважины
2.8 Выбор буровой установки
2.9 Проектирование бурового технологического комплекса
3. ВСПОМОГАТЕЛЬНЫЕ ЦЕХИ И СЛУЖБЫ
3.1 Ремонтная база
3.2 Энергетическая база и энергоснабжение
3.3.Водные ресурсы и водоснабжение
3.4 Цех по приготовлению и очистке буровых растворов
3.5 Транспорт
3.6 Связь и диспетчерская служба
4. БЕЗОПАСНОСТЬ ЖИЗНЕДЕЯТЕЛЬНОСТИ
4.1 Безопасность в рабочей зоне
4.2 Чрезвычайные ситуации
5. ОХРАНА ОКРУЖАЮЩЕЙ СРЕДЫ
5.1 Фон загрязнения объектов природной среды
5.2 Объемы отходов бурения
5.3 Система сбора и хранения отходов бурения
5.4 Методы и системы очистки, обезвреживания и утилизации отходов
бурения
5.5 Места вывоза и захоронения отходов бурения
5.6 Сроки и методы рекультивации земель
5.7 Организационные мероприятия по предупреждению загрязнения
объектов природной среды
5.8 Охрана почв и водных объектов при подготовительных,
строительно-монтажных работах и в процессе бурения скважин
5.9 Материалы и технические средства, используемые для очистки и
утилизации буровых сточных вод
5.10 Материалы и технические средства, используемые при вывозе,
утилизации и обезвреживании отработанного бурового раствора и бурового шлама
5.11 Охрана атмосферного воздуха от загрязнения
5.12 Ликвидация и консервация скважин
5.13 Контроль за состоянием и охраной окружающей природной среды
5.14 Охрана недр при строительстве скважин
6. ОРГАНИЗАЦИОННО-ЭКОНОМИЧЕСКАЯ ЧАСТЬ
6.1. Структура и организационные формы работы бурового предприятия
ЗАО «Сибирская Сервисная компания»
6.2 Расчёт нормативной продолжительности сооружения скважины
6.3 Разработка календарного план-графика строительства скважины
6.4 Расчёт сметной стоимости сооружения скважины
6.5 План организационно-технических мероприятий по повышению
технико-экономических показателей
7. СПЕЦИАЛЬНАЯ ЧАСТЬ
ЗАКЛЮЧЕНИЕ
СПИСОК ЛИТЕРАТУРЫ
ПРИЛОЖЕНИЕ А
ВВЕДЕНИЕ
Нефть и газ имеют особое значение в развитии
народного хозяйства и наряду с продуктами их переработки являются не только
высококалорийным топливом, но и ценнейшим сырьём для химической промышленности.
Единственным действенным средством поисков,
разведки и эксплуатации месторождений нефти и газа служит глубокое бурение.
Принципиальное отличие глубокого бурения на нефть и газ от других видов
бурения, и в первую очередь от геологоразведочного на твёрдые полезные
ископаемые, можно видеть не только в глубине, но и в целом ряде особенностей технологического
процесса сооружения скважин. Справедливо отмечают, что бурение нефтяных и
газовых скважин - это строительство сложного капитального
инженерно-технического сооружения в земной коре. Совершенствование техники и
технологии глубокого бурения, существенное повышение производительности буровых
долот и снижение их себестоимости - серьёзная народнохозяйственная задача. К её
решению привлечены крупные научно-исследовательские учреждения страны, а также
научные кадры ведущих вузов страны. В научно-исследовательских лабораториях и
на производстве изыскиваются наиболее совершенные способы проводки скважин в
различных условиях. Для успешного осуществления этих планов необходимо, чтобы
инженеры-буровики могли не только хорошо разбираться в теоретических аспектах
глубокого бурения, но и уверенно проводить инженерные расчёты, связанные с
технологией бурения.
Данная выпускная квалификационная работа
представляет собой проект на строительство эксплуатационной скважины на нефть.
Проект включает в себя решения во всех основных сферах проектирования:
технологической, обслуживающей, безопасности труда, охраны окружающей среды и
экономической. В специальной части работы рассматривается вопрос о применении
гель-раствора.
1. ОБЩАЯ И ГЕОЛОГИЧЕСКАЯ ЧАСТЬ
.1 Географо-экономическая
характеристика района работ
Приобское месторождение располагается в
Ханты-Мансийском автономном округе Тюменской области на расстоянии 65 км от
Ханты-Мансийска и в 200 км от Нефтеюганска.
Завод по переработке буровых шламов на правом
берегу Приобского месторождения выпускает силикатный кирпич, который
используется в качестве строительного материала для строительства дорог,
кустовых оснований и т.д.
На месторождении построен современный вахтовый
посёлок на 600 мест "Меркур". Здесь созданы все условия для
проживания нефтяников и работников смежных и подрядных организаций.
Приобское месторождение разрабатывается
относительно недавно с 1982 года. Месторождение характеризуется как
многопластовое, низкопродуктивное. 60% территории Приобского месторождения
расположены в затопляемой части поймы реки Оби, при строительстве кустовых
площадок, напорных нефтепроводов и подводных переходов применяются экологически
- безопасные технологии. Только в последние годы, методом
наклонно-направленного бурения, здесь выполнено 29 подводных переходов, в том
числе построено 19 новых и реконструировано 10 старых.
Обзорная карта района работ представлена на рис.
1.1.
Рис. 1 - Обзорная карта района работ
1.2 Горно-геологические условия
Стратиграфический разрез скважины представлен в
табл. 1.1.
Таблица 1.1 - Стратиграфический разрез скважины
|
Глубина
залегания, м
|
Стратиграфическое
подразделение
|
Коэффициент
кавернозности
|
|
От
(кровля)
|
До
(подошва)
|
название
|
индекс
|
|
|
|
|
|
|
|
1
|
2
|
3
|
4
|
8
|
|
0
|
40
|
четвертичные
отл.
|
Q
|
1,3
|
|
40
|
90
|
туртасская
свита
|
P2/3
|
1,3
|
|
90
|
195
|
новомихайловская
свита
|
P2/3
|
1,3
|
|
195
|
255
|
атлымская
свита
|
P1/3
|
1,3
|
|
255
|
470
|
тавдинская
свита
|
P1/3
-P3/2
|
1,3
|
|
470
|
690
|
люлинворская
свита
|
P3/2-P1/2
|
1,3
|
|
690
|
820
|
талицкая
свита
|
P1
|
1,25
|
|
820
|
990
|
ганькинская
свита
|
K2
|
1,25
|
|
990
|
1100
|
берёзовская
свита
|
K2
|
1,25
|
|
1100
|
1130
|
кузнецовская
свита
|
K2
|
1,25
|
|
1130
|
1550
|
уватская
свита
|
K2
|
1,25
|
|
1550
|
1740
|
ханты-мансийская
свита
|
K1
|
1,25
|
|
1740
|
2015
|
викуловская
свита
|
K1
|
1,25
|
|
2015
|
2200
|
алымская
свита
|
К1
|
1,25
|
|
2200
|
2800
|
сангопайская
свита
|
К1
|
1,25
|
Стратиграфический разрез Приобского
месторождения является типичным для условий Западной Сибири.
Литологическая характеристика разреза скважины
представлена в табл. 1.2.
Таблица 1.2 - Литологическая характеристика
разреза скважин
|
Индекс
стратиграфического подразделения
|
Интервал,
м
|
Горная
порода
|
Стандартное
описание горной породы: полное название, характерные признаки (структура,
текстура, минеральный состав и т.п.)
|
|
от
(верх)
|
до
(низ)
|
краткое
название
|
%
в интервале
|
|
|
1
|
2
|
3
|
4
|
5
|
6
|
|
Q
|
0
|
30
|
Глины
Суглинки Пески Торфяники
|
40
40 10 10
|
Пески
желтовато-серые, разнозернистые, хорошо отсортированные, суглинки и глины
желтовато-коричневато-серые и торфяники.
|
|
Pg3
nk
|
30
|
250
|
Глины
|
100
|
Отложения
сложены глинами голубовато- и оливково-зелеными, жирными, пластинчатыми,
обычно тонкослоистыми, иногда листоватыми, с включениями крупных сростков
марказита и сидерита.
|
|
Pg2-3
cg
|
250
|
370
|
Глины
Алевролиты Пески
|
80
10 10
|
Представлены
опоковидными глинами от светло-серых до оливково-зеленых, включаюшими иногда
маломощные прослои алевролитов и песков зеленовато-серых, плотных опок.
|
|
Pg2
ll
|
370
|
540
|
Глины
Алевролиты Пески
|
80
10 10
|
Представлены
опоковидными глинами от светло-серых до оливково-зеленых, включаюшими иногда
маломощные прослои алевролитов и песков зеленовато-серых, плотных опок.
|
|
Pg3
tl
|
540
|
590
|
Глины
Алевролиты Пески
|
80
10 10
|
Представлены
опоковидными глинами от светло-серых до оливково-зеленых, включаюшими иногда
маломощные прослои алевролитов и песков зеленовато-серых, плотных опок.
|
|
K2
gn
|
590
|
730
|
Глины
|
100
|
Представлена
глинами серого, темно-серого цвета, плотными алевролитистыми, слюдистыми,
участками известковистыми.
|
|
K2
ip
|
730
|
790
|
Глины
|
100
|
Отложения
сложены глинами серыми, зеленовато-серыми плотными, опоковидными.
|
|
K2
kz
|
790
|
850
|
Глины
Аргиллиты
|
80
20
|
Представлена
пластичными морскими глинами со следами скольжения и аргиллитами серого и
зеленовато-серого цвета.
|
|
K1-2
pk
|
850
|
1620
|
Песчаники
Алевролиты Глины
|
60
20 20
|
Сложена
комплексом с неравномерным чередованием глин, алевролитов и песчаников. Глины
темно-серые алевритистые, плотные, с неясно выраженной слоистостью и
включениями растительного детрита. Алевролиты серые, темно-серые, часто
песчанистые. Песчаники мелко- и среднезернистые, глинистые.
|
|
K1
al
|
1620
|
1670
|
Песчаники
Глины
|
50
50
|
Низы
свиты сложены песчаниками. Песчаные отложения перекрыты аргиллитоподобными
мелководно-морскими глинами кошайской пачки.
|
|
K1
kls
|
1670
|
2040
|
Глины
Алевролиты Песчаники
|
60
20 20
|
Отложения
представлены неравномерным переслаиванием песчаников, алевролитов и глинистых
пластов. Песчаники зеленовато- и голубовато-серые, мелкозернистые, массивные
и слоистые, известковистые. Алевролиты буровато-серые, песчанистые, слоистые.
Глинистые разности по разрезу преобладают.
|
|
K2
tr
|
2040
|
2170
|
Песчаники
Аргиллиты Алевролиты
|
70
15 15
|
Представлена
песчаными отложениями с подчиненными прослоями аргиллитов и алевролитов.
Песчаники светло-серые, серые, разнозернистые, слоистые с маломощными
прослоями аргиллитов.
|
|
K1
klm
|
2170
|
2485
|
Песчаники
Аргиллиты Алевролиты
|
50
30 20
|
Свита
сложена темно-серыми и серыми аргиллитами, плотными, с большим количеством
растительного детрита и тонкими пропластками известковых алевролитов. В
верхней части свиты выделяются мощные песчаные пласты серии Б. Песчаные
пласты в низах свиты выделяются в ачимовскую пачку (Б16-Б20). представленную
светло-серыми, мелкозернистыми, плотными песчаниками.
|
|
J3
bg - J3 gr
|
2485
|
2500
|
Аргиллиты
|
100
|
Сложена
плитчатыми битуминозными аргиллитами темно-серого (до черного) цвета с
остатками пелиципод, белемнитов и фрагментов скелетных остатков рыб.
|
|
J2-3
vs
|
2700
|
2770
|
Глины
Песчаники Алевролиты Аргиллиты Угли
|
40
30 20 5 5
|
Подразделяется
на две подсвиты: нижнюю-преимущественно глинистую и верхнюю-глинисто-алевролито-песчанистую.
В нижней подсвите развиты серые и темно-серые аргиллиты с обилием обугленного
растительного детрита. В верхней части песчаники обычно серые, мелко- и
тонкозернистые, различной степени сцементированности: от рыхлых до крепко-
сцементированных, нередко с тонкими прослоями алевролита и аргиллита.
|
|
J3-2
tm
|
2770
|
2800
|
Песчаники
Аргиллиты Алевролиты Угли
|
40
30 20 10
|
Литологически
представленных чередованием темно-серых, углистых аргиллитов, светло-серых
песчаников и алевролитов. Для разреза характерны повышенная углистость и
сидеритизации пород, встречаются прослои углей.
|
|
|
|
|
|
|
|
|
|
Литологическая характеристика разреза скважины
представлена, в основном, глинами, алевролитами, песчаниками.
Основные физико-механические свойства пород представлены
в табл. 1.3.
Таблица 1.3 - Физико-механические свойства пород
по разрезу скважины
|
Индекс
стратиграфического подразделения
|
Интервал,
м
|
Краткое
название горной породы
|
Плотность
г/см3
|
Пористость,
%
|
Проницаемость,
мдарси
|
Глинистость,
%
|
Карбонатность,
%
|
Твердость
кгс/мм2
|
Расслоеность
породы
|
Абразивность
|
Категория
породы промысловой классификации (мягкая, средняя и т.п.)
|
|
От
(верх)
|
До
(низ)
|
|
|
|
|
|
|
|
|
|
|
|
1
|
2
|
3
|
4
|
5
|
6
|
7
|
8
|
9
|
10
|
11
|
12
|
13
|
|
Q
|
0
|
30
|
Глины
Суглинки Пески Торфяники
|
2.1
2.0 1.9 2.0
|
30
25-30 25-30 20
|
0
0 2500 0
|
95
90 10 40
|
0
0 0 0
|
10
10 0 15
|
2
2 1 3
|
4
4 10 10
|
Мягкая
Мягкая Мягкая Мягкая
|
|
Pg3
nk
|
30
|
250
|
Глины
|
2.1
|
30
|
95
|
0
|
10
|
2
|
4
|
Мягкая
|
|
Pg2-3
cg
|
250
|
370
|
Пески
Алевролиты Глины
|
2.1
2.2 2.1
|
25
20 30
|
2000
1000 0
|
10
40 100
|
0
0 0
|
-
10 10
|
2
2 2
|
10
6 4
|
Мягкая
Мягкая Мягкая
|
|
Pg2
ll
|
370
|
540
|
Алевролиты
Пески Глины
|
2.2
2.1 2.1
|
20
15 30
|
50
50 0
|
25
25 100
|
0
0 0
|
-
- 10
|
2
2 2
|
10
10 4
|
Мягкая
Мягкая Мягкая
|
|
Pg3
tl
|
540
|
590
|
Пески
Алевролиты Глины
|
2.1
2.1 2.2
|
15
25 30
|
50
10 0
|
25
50 100
|
0
0 0
|
-
10 10
|
2
2 3
|
10
6 4
|
Мягкая
Мягкая Мягкая
|
|
K2
gn
|
590
|
730
|
Глины
|
2.2
|
25
|
0
|
100
|
5
|
10
|
3
|
4
|
Мягкая
|
|
K2
ip
|
730
|
790
|
Глины
|
2.3
|
20
|
0
|
95
|
0
|
15
|
3
|
4
|
Мягкая
|
|
K2
kz
|
790
|
850
|
Глины
Аргиллиты
|
2.3
2.4
|
20
5
|
0
0
|
100
20
|
2
5
|
15
20
|
3
2
|
4
4
|
Мягкая
Средняя
|
|
K1-2
pk
|
850
|
1620
|
Алевролиты
Песчаники Глины
|
2.3
2.1 2.3
|
15
22 10
|
50
50-300 0
|
20
20 100
|
0
3 0
|
20
30 15
|
2
2 1
|
6
10 3
|
Средняя
Средняя Средняя
|
|
K1
al
|
1620
|
1670
|
Песчаники
Глины
|
2.2
2.4
|
22
16
|
20-50
0
|
5
95
|
5
2
|
30
25
|
2
3
|
10
4
|
Средняя
Мягкая
|
|
K1
kls
|
1670
|
2040
|
Алевролиты
Песчаники Глины
|
2.3
2.2 2.4
|
10
20 20
|
10
10 0
|
20
15 95
|
5
5 10
|
20
35 30
|
1
3 3
|
6
10 4
|
Средняя
Средняя Средняя
|
|
K2
tr
|
2040
|
2170
|
Аргиллиты
Алевролиты Песчаники
|
2.4
2.4 2.3
|
5
15 19
|
0
10 20-50
|
95
5 20
|
5
5 5
|
50
30 40
|
2
2 3
|
4
6 10
|
Средняя
Средняя Средняя
|
|
K1
klm
|
2170
|
2485
|
Аргиллиты
Песчаники Алевролиты
|
2.4
2.3 2.3
|
5
15 10
|
0
10-250 0
|
95
20 25
|
5
5 5
|
80
50 40
|
3
3 3
|
4
10 6
|
Средняя
Средняя Средняя
|
|
J3
bg - J3 gr
|
2480
|
2500
|
Аргиллиты
|
2.4
|
5
|
0
|
95
|
5
|
120
|
3
|
6
|
Средняя
|
|
J2-3
vs
|
2700
|
2770
|
Угли
Глины Алевролиты Песчаники Аргиллиты
|
1.2
2.3 2.3 2.3 2.4
|
0
5 10 15 5
|
0
0 5 5-100 9
|
0
100 25 20 95
|
0
5 5 5 10
|
25
75 100 80 120
|
4
1 3 3 1
|
5
4 6 10 6
|
Средняя
Средняя Средняя Средняя Средняя
|
|
J3-2
tm
|
2770
|
2800
|
Аргиллиты
Песчаники Алевролиты Угли
|
2.4
2.3 2.4 -
|
5
20 15 5
|
0
20 10 0
|
95
2 3 0
|
10
0 5 0
|
120
100 100 35
|
1
2 2 4
|
6
10 6 -
|
Средняя
Средняя Средняя Средняя
|
|
|
|
|
|
|
|
|
|
|
|
|
|
|
|
|
|
|
|
|
|
|
|
Градиенты давлений и температура по разрезу
скважин представлены в табл. 1.4.
Таблица 1.4 - Давление и температура по разрезу
скважины
|
Индекс
стратиграфи-ческого подразделения
|
Интервал,
м
|
Градиент
|
Температура,
оС
|
|
|
Пластового
давления
|
Порового
давления
|
Гидроразрыва
пород
|
Горного
давления
|
|
|
от
(верх)
|
до
(низ)
|
Величина,
МПа/100 м
|
Величина,
МПа/100 м
|
Величина,
МПа/100 м
|
Величина,
МПа/100 м
|
|
|
Q-P3/2
|
0
|
370
|
Рпл
- гидростатич.
|
1,00
|
2,00
|
2,20
|
24,84
|
|
P2/2
-K2
|
370
|
790
|
1,00
|
1,00
|
2,00
|
2,20
|
39,96
|
|
К2-К1
|
850
|
1620
|
1,00
|
1,00
|
1,70
|
2,20
|
72,54
|
|
К1
|
1670
|
2040
|
1,00
|
1,00
|
1,65
|
2,20
|
86,40
|
|
К1(АС10)
|
2040
|
2170
|
0,99
|
0,99
|
1,62
|
2,30
|
88,20
|
|
К1(АС11)
|
2170
|
2485
|
0,99
|
0,99
|
1,60
|
2,30
|
90,36
|
|
J3-2
vs
|
2485
|
2800
|
0,99
|
0,99
|
1,60
|
2,30
|
97,20
|
По данной таблице можно сделать следующий вывод:
аномально высоких пластовых давлений нет, максимальная забойная температура
97,2 0С.
Нефтеносность Приобского месторождения
представлена в табл. 1.5.
Таблица 1.5 - Нефтеносность
|
Интервалы
залегания, м
|
Тип
коллектора
|
Плотность,
г/см3
|
Свободный
дебит, м3/сут
|
Газовый
фактор, м3/т
|
|
от
|
до
|
|
|
|
|
|
2700
|
2735
|
поровый
|
0,73
|
120
|
59
|
|
|
|
|
|
|
|
1.3 Ожидаемые осложнения и их
характеристика
Характеризуя горно-геологические условия бурения
проектируемой скважины на Приобском месторождении, нужно указать, что на
интервале от 0 до 2800 метров возможны поглощения бурового раствора, осыпи и
обвалы стенок скважины, прихваты бурильного инструмента. Многолетние мерзлые
породы в разрезе скважины отсутствуют, а также не наблюдаются текучие породы.
Прочих осложнений нет, кроме тех, что перечислены выше.
Характеристика поглощающих горизонтов
представлена в табл. 1.6.
Таблица 1.6 - Характеристика поглощающих
горизонтов
|
Индекс
страти-рафического подразделения
|
Интервал,
м
|
Максимальная
интенсивность поглощения м3/час
|
Расстояние
от устья скважины до статического уровня при его максимальном снижении, м
|
Имеется
ли потеря циркуляции (да, нет)
|
Градиент
давления поглощения, кгс/см2 на м
|
Условия
возникновения
|
|
от
(верх)
|
до
(низ)
|
|
|
|
при
вскрытии
|
после
изоляци-онных работ
|
|
|
1
|
2
|
3
|
4
|
5
|
6
|
7
|
8
|
9
|
|
Q
- Pg3 nk
|
0
|
250
|
1
|
10
|
нет
|
0,15
|
0,2
|
Увеличение
плотности промывочной жидкости против проектной, репрессия на пласт более 20%
гидро-статического давления
|
|
K1-2
pk
|
850
|
1620
|
1
|
20
|
нет
|
0,15
|
0,2
|
|
|
K1
al
|
1640
|
1670
|
1
|
30
|
нет
|
0,12
|
0,18
|
|
|
K2
tr
|
2040
|
2170
|
1
|
30
|
нет
|
0,12
|
0,17
|
|
|
J2-3
vs
|
2700
|
2770
|
1
|
30
|
нет
|
0,12
|
0,16
|
|
Характеристика зон осыпей и обвалов представлена
в табл. 1.7.
Таблица 1.7 - Осыпи и обвалы
|
Индекс
стратиграфического подразделения
|
Интервал,
м
|
Буровые
растворы применявшиеся ранее
|
Время
для начала осложнения сут.
|
Мероприятия
по ликвидации последствий (проработка, промывка и т.д.)
|
|
От
(верх)
|
До
(низ)
|
Плотность,
к г/м3
|
Дополни-тельные
данные по раствору, влияющие на устойчивость пород
|
|
|
|
1
|
2
|
3
|
4
|
5
|
6
|
7
|
8
|
|
Q
- K2 kz
|
0
|
850
|
Глинистый
|
<1160
|
Ф>10
см3 за 30 мин
|
3.0
|
Соблюдение
технологической скорости бурения, проработка ствола скважины, увеличение
плотности и снижение водоотдачи промывочной жидкости.
|
|
K1
al
|
1620
|
1640
|
Глинистый
|
<1100
- в интервале под эксплуатацион-ную колонну
|
Ф>10
см3 за 30 мин
|
2.5
|
|
|
K1
kls+tr
|
1670
|
2170
|
Глинистый
|
<1100
- в интервале под эксплуатацион-ную колонну
|
Ф>10
см3 за 30 мин
|
2.5
|
|
Нефтегазоводопроявления представлены в табл.
1.8.
Таблица 1.8 - Нефтегазоводопроявления
|
Индекс
стратиграфического подразделения
|
Интервал,
м
|
Вид
проявляемого флюида (вода, нефть, конденсат, газ)
|
Длина
столба газа при ликвидации газопро-явления, м
|
Плотность
смеси при проявлении для расчета избыточных давлений, г/см3
|
Условия
возникновения
|
Характер
проявления (в виде пленок нефти, пузырьков газа, перелива воды, увеличения
водоотдачи и т.п.)
|
|
от
(верх)
|
до
(низ)
|
|
|
внутреннего
|
наружного
|
|
|
|
1
|
2
|
3
|
4
|
5
|
6
|
7
|
8
|
9
|
|
Q
- Pg3
|
0
|
250
|
вода
|
-
|
1.00
|
1.00
|
Снижение
противодавления на пласт ниже гидростатического
|
Увеличение
водоотдачи, перелив бурового раствора
|
|
K1-2
pk
|
850
|
1620
|
вода
|
-
|
1.01
|
1.01
|
-//-
|
-//-
|
|
K1
al
|
1640
|
1670
|
вода
|
-
|
1.01
|
1.01
|
-//-
|
-//-
|
|
K2
tr
|
2040
|
2170
|
вода
|
-
|
1.01
|
1.01
|
-//-
|
-//-
|
|
K1
klm
|
2170
|
2685
|
вода
|
-
|
1.01
|
1.01
|
-//-
|
-//-
|
|
J2-3
vs
|
2700
|
2735
|
нефть
|
-
|
0.730
|
0.730
|
Несоблюдение
параметров бурового раствора
|
Перелив
бурового раствора, пленка нефти
|
|
2735
|
2800
|
вода
|
|
1.02
|
1.02
|
Снижение
противодавления на пласт ниже гидростатического
|
Увеличение
водоотдачи, перелив бурового раствора. Полное поглощение.
|
Прихватоопасные зоны представлены в табл. 1.9.
Таблица 1.9 - Прихватоопасные зоны
|
Индекс
стратиграфического подразделения
|
Интервал,
м
|
Вид
прихвата (от перепада давления, заклинки, сальнико-образования и пр.)
|
Раствор,
при применении которого произошел прихват
|
Наличие
ограничений на оставление инструмента без движения или промывки (да, нет)
|
Условия
возникновения
|
|
от
(верх)
|
до
(низ)
|
|
тип
|
плотность,
кг/м3
|
показатель
фильтрации, см3 30 мин
|
смазываю-щие
добавки (название)
|
|
|
|
1
|
2
|
3
|
4
|
5
|
6
|
7
|
8
|
9
|
10
|
|
Q
- Pg2-3 cg
|
0
|
370
|
От
перепада давления, от обвала неустойчивых пород
|
глинистый
|
<1160
|
>10
|
нет
|
да
|
Несоблюдение
проектных параметров бурового раствора, режима промывки, недостаточная
очистка забоя от выбуренной породы.
|
|
Pg2
ll - K2 ip
|
370
|
790
|
От
обвала неустойчивых пород
|
глинистый
|
<1160
|
>10
|
нет
|
да
|
Несоблюдение
проектных параметров бурового раствора, режима промывки, недостаточная
очистка забоя от выбуренной породы.
|
|
K1-2
pk
|
850
|
1620
|
От
перепада давления
|
глинистый
|
>1150
|
>10
|
нет
|
да
|
Оставление
бурового инструмента без движения. Увеличение плотности бурового раствора
выше проектной.
|
|
K1
kls
|
1670
|
2040
|
От
заклинки и сальникообразования, разбухания гланистых пород, от перепада
давления
|
глинистый
|
>1150
|
>10
|
нет
|
да
|
Оставление
бурового инструмента без движения. Увеличение плотности бурового раствора
выше проектной.
|
Осложнения, описанные в табл. 1.6., 1.7., 1.8. и
1.9., являются типичными для данного разреза. Для их ликвидации требуется
большое количество времени и значительные материальные затраты. Поэтому нужно
соблюдать мероприятия по предупреждению осложнений и вовремя реагировать на
изменение поведения скважины.
Для предотвращения возникновения осложнений во
время спуска обсадной колонны и кондуктора необходимо:
перед началом спуска довести параметры бурового
раствора до заложенных в проекте величин, для чего произвести не менее одного
цикла промывки;
соблюдать установленную скорость спуска колонн;
постоянно следить за уровнем бурового раствора в
скважине;
доливать скважину по мере необходимости;
минимизировать время работ по обсадке скважины,
для чего все подготовительные и вспомогательные работы произвести до начала
спуска колон.
2. ТЕХНОЛОГИЧЕСКАЯ ЧАСТЬ
.1 Выбор способа бурения
Целесообразность применения того или иного
способа бурения определяется геолого-техническими условиями. Основные
требования к выбору способа бурения - необходимость обеспечения успешной
проводки скважины с высокими технико-экономическими показателями. Поэтому
способ бурения выбирается на основе анализа статистического материала по уже
пробуренным скважинам и соответствующих экономических расчётов.
Выбор способа бурения определяет многие
технические решения - режимы бурения, бурильный инструмент, гидравлическую
программу, тип буровой установки и, как следствие, технологию крепления
скважины.
В Российской Федерации наиболее распространены
вращательные способы бурения, а именно:
роторный;
бурение гидравлическими забойными двигателями;
бурение электробурами.
Каждый способ бурения в определенных
горно-геологических, технико-экономических и материально-технических условиях
имеет свои преимущества.
Бурение роторным способом имеет преимущества
[1]:
При бурении глубоких интервалов (более 3500
метров).
Когда оптимальная частота вращения долота
находится в пределах 35 - 150 об/мин.
При разбуривании мощных толщ горных пород, для
которых целесообразно применять энергоемкие долота.
При бурении скважин в осложненных условиях,
требующих применения буровых растворов плотностью более 1700 кг/м3 , большой
вязкости и СНС.
При бурении скважин с продувкой забоя воздухом и
промывкой аэрированной жидкостью с высокой степенью аэрации.
При бурении скважин в условиях высоких забойных
температур (более 1500 С).
При бурении вертикальных скважин.
Бурение скважин с помощью гидравлических
забойных двигателей имеет преимущества [1]:
При бурении наклонно-направленных и вертикальных
скважин глубиной до 3500 метров.
При использовании буровых растворов плотностью
менее 1700 кг/м3.
При бурение скважин в условиях низких забойных
температур (менее 1400 С).
Из опыта работ по строительству скважин в
районах Поволжья, Приуралья и Западной Сибири показывает, что породы средней и
малой твердости успешно разбуриваются шарошечными долотами при высоких частотах
вращения 400 - 600 об/мин [5].
Бурение роторным способом в этих условиях при
повышенных частотах вращения (150 - 200 об/мин) приводит к быстрому износу
бурильных труб, бурильных замков, а также к авариям. Для роторного бурения
требуются бурильные трубы повышенной прочности и сбалансированный тяжелый низ
бурильной колонны [1].
Исходя из геолого-технологических условий
бурения и экономического обоснования, выбирается бурение с помощью
гидравлических забойных двигателей. Это позволит добиться простоты конструкции
скважины за счет того, что колонна бурильных труб не вращается, тем самым
исключается возможность нежелательных осыпей, обвалов стенок скважины, так как
бурение в данных геологических условиях идёт по неустойчивым горным породам.
2.2 Проектирование профиля и
конструкции скважины
.2.1 Обоснование и расчёт профиля
проектной скважины
Проектирование профилей наклонно направленных
скважин заключается, во-первых, в выборе типа профиля, во-вторых, в определении
интенсивности искривления на отдельных участках ствола, и, в-третьих, в расчете
профиля, включающем расчет длин, глубин по вертикали и отходов по горизонтали
для каждого интервала ствола и скважины в целом [24].
Профиль наклонно направленной скважины
выбирается так, чтобы при минимальных затратах средств и времени на ее проходку
было обеспечено попадание скважины в заданную точку продуктивного пласта при
допустимом отклонении.
Основными параметрами, характеризующими профиль
наклонной скважины, являются интенсивность углов искривления на участке набора
кривизны и падения углов искривления на участке стабилизации. Для обеспечения
успешной проводки скважины радиусы ствола скважины должны обеспечить:
возможность спуска приборов;
нормальное прохождение КБТ и обсадных колонн;
нормальную эксплуатацию обсадных колонн и
глубинного насосного оборудования.
Профили скважины классифицируют по количеству
интервалов ствола. За интервал принимается участок скважины с неизменной
интенсивностью искривления. По указанному признаку профили наклонно
направленных скважин подразделяются на двух, трех, четырех, пяти и более
интервальные. Кроме того, профили подразделяются на плоские - расположенные в
одной вертикальной плоскости, и пространственные, представляющие собой
пространственную кривую линию. В данном разделе рассматриваются только плоские
профили [24].
В данном случае применяется пятиинтервальный
профиль скважины (рис. 2.2). Данный тип профиля скважины включает вертикальный
участок, участок набора зенитного угла, участок стабилизации зенитного угла,
участок падения зенитного угла до 00 или близких к нему значений и второй
вертикальный участок. Выбор данного типа профиля обусловлен тем, что при эксплуатации
скважины возможна установка насосного оборудования в зоне продуктивного
горизонта. Помимо этого, данный тип профиля является наиболее распространенным
на Приобском месторождении и позволяет реализовать комплекс поставленных задач.
При проведении расчетов используем следующие
условные обозначения:- глубина скважины по вертикали, м;- общий отход скважины
(смещение), м;- вертикальная проекция n-го интервала, м;- горизонтальная
проекция n-го интервала, м;- длина n-го интервала, м;- радиус кривизны n-го интервала,
м;- глубина скважины по стволу, м;
qn - зенитный угол скважины в конце n-го
интервала, град.
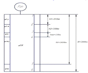
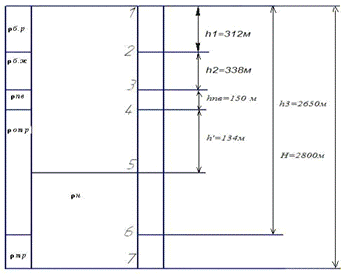
Рис. 2.1 - Пятиинтервальный профиль
При расчете пятиинтервального профиля скважины
используем следующие проектные данные: глубина скважины по вертикали h=2800 м;
общий отход скважины S=1000 м; радиус кривизны 4-го интервала R4=750 м; длина
пятого вертикального участка H5=350 м.
Далее определяются промежуточные параметры R0 и
Н по формулам
= R2+ R4 м; (2.1)
=500+750=1250 м;
Н= h-Н1-Н5 м; (2.2)
Н= 2800-150-350=2300 м.
Зенитный угол в конце второго интервала по
формуле (2.3) составит
q2=arcsin(R0 · H-(R0-S) ×
(H2-S· (2·R0-S)2)0,5/( H2+ R02- S · (2 ·R0-S))); (2.3)
q2=arcsin(1250· 2300-(1250-1000) (23002-1000· (2·1250-1000)2)0,5/(23002+
12502- 1000 · (2 ·1250-1000)))=26,5 град
Расчет профиля на втором интервале ведется по
следующим формулам
=0,01745· R2 q2 м; (2.4)
=0,01745· 500 ·26,5 =231,3 м;
Н2= R2 ·sinq2 м; (2.5)
Н2= 500
sin26,5=223,1 м;
S2= R2 · (1-cos q2)
м;
(2.6)
S2= 500 · (1-cos 26,5)=52,6 м.
Остальные параметры определяются по следующим
формулам
Н3= h- Н1- Н5-( R2+ R4) · sinq2
м; (2.7)
Н3= 2800-150-350-(500+750) · sin26,5=1742,3 м
= Н3/cos q2 м; (2.8)
l3= 1742,3/cos26,5=1946,8 м;
= Н3
· tg q2
м;
(2.9)
= 1742,3 · tg26,5=868,6 м;
=0,01745· R4 ·q2
м;
(2.10)
=0,01745· 750 ·26,5=346,9 м;
= R4 · (1-cos q2)
м;
(2.11)
= 750 · (1-cos 26,5)=78,8 м;
Н4= R4 ·sinq2
м;
(2.12)
Н4= 750 ·sin26,5=334,6 м;
L= Н1+ l2+ l3+ l4+ Н5 м; (2.13)
= 150+231,3+1946,8+346,9+350=3025 м
= Н1+ Н2+ Н3+ Н4+ Н5 м; (2.14)
= 150+223,1+1742,1+334,6+350=2800 м
= S2+ S3+ S4 м; (2.15)
= 52,5+868,6+78,9=1000 м.
Все расчетные параметры заносятся в программу на
проводку наклонно-направленной скважины, приведенную в табл. 2.1.
Таблица 2.1 - Программа на проводку
наклонно-направленной скважины
|
Интервал,
м
|
Зенитный
угол, град
|
Отклонение,
м
|
Удлинение
ствола, м
|
Глубина
по стволу, м
|
|
от
|
до
|
длина
|
нач.
|
конеч.
|
на
интервал
|
всего
|
на
интервал
|
всего
|
|
|
0
150 373 2115 2450
|
150
373 2115 2450 2800
|
150
223 1742 335 350
|
0
0 26,5 26,5 0
|
0
26,5 26,5 0 0
|
0
52,6 868,6 78,8 0
|
0
52,6 921,2 1000 1000
|
0
8 205 12 0
|
0
8 213 225 225
|
150
381 2328 2675 3025
|
При проведении скважины интенсивность
пространственного искривления не должна превышать 1,5 град/10 метров.
2.2.2 Выбор конструкции
эксплуатационного забоя скважины
Под конструкцией забоя подразумевают соотношение
элементов системы скважина-крепь в интервале продуктивного объекта, которые
обеспечивают устойчивость ствола, разобщение напорных пластов, проведение
технико-технологических воздействий на пласт, ремонтно-изоляционные работы, а
также продолжительную эксплуатацию скважин с оптимальным дебитом.
Ниже дано описание продуктивных пластов
Приобского месторождения.
Многопластовая залежь.
По литологической характеристике разреза
скважины пласты являются литологически неоднородными, так как идет
переслаивание углей, глин, песчаников, алевролитов и аргиллитов.
По проницаемости пласты являются однородными
(проницаемость песчаников в интервале продуктивного пласта равна 0,5 мкм2,
которая не выходит за пределы одного из классов 0,5-0,1). Пласт считается
высокопроницаемым.
По типу флюида пласты являются однородными.
По величине градиента Pпл пласты является
однородными, так как в пределах интервала продуктивных пластов градиент равен
0,099 МПа. Данный пласт с низким пластовым давлением.
Следовательно, пласт необходимо считать
неоднородным.
К устойчивым коллекторам относят коллекторы,
породы которых при проектных депрессиях в процессе освоения и эксплуатации
скважины сохраняют устойчивость и не разрушаются под воздействием
фильтрационных и геостатических нагрузок.
К непрочным, слабосцементированным коллекторам
относят поровые коллекторы, состоящие из низкопрочных песчаников, продукты
разрушения которых при эксплуатации скважин выносятся на поверхность вместе с
флюидом.
Данный коллектор является неустойчивым, так как
прочность песчаников меньше величины радиальных геостатических и фильтрационных
нагрузок. Действительно, коллектор считается прочным, если выполняется условие
[12]:
σсж ≥
2[K(Ргорн-Рпл)+(Pпл-Рз)] (2.16)
где правая часть неравенства суммарная
фильтрационная и геостатическая нагрузка; σсж-
граница прочности пород продуктивного пласта при одноосевом сжатии, МПа;
Правая часть неравенства - радиальная нагрузка,
действующая на породы коллектора, МПа;
К- коэффициент бокового распора,
К= μ/(1- μ)
(2.17)
μ - коэффициент
Пуассона;
Рпл - пластовое давление, МПа;
Рз - минимальное давление столба жидкости на
забое скважины, МПа;
Ргорн =Σ
∆Pгор
i hi (2.18)
∆Pгор i - градиент горного давление i-го
пласта, Па/м;- толщина i-го пласта, м.
Расчетное значение радиальной нагрузки сравнить
с табличными значениями σсж. σсж
для песчаника 30 МПа [12]. Значения коэффициента Пуассона для различных пород
приведены в нижеследующей таблице.
Для песчаников μ=0,3;
К=0,3/(1-0,3)=0,43.
Рассчитывается горное давление с помощью
градиентов горного давления и интервалов их
действия:горн=0,022*2040+760*0,023=44,88+17,48=61,44 МПа.
Рассчитывается пластовое давление с помощью
градиента пластового давления и интервала его действия:пл=0,0099*2800=27,72
МПа.
Рассчитывается забойное давление с помощью
значения динамического уровня в конце эксплуатации:З=2800/3*730*9,81=6,6 МПа.
Проверяется неравенство:
σсж ≥
2[0,43(33,72) + 21,12]= 71,24 МПа - расчетное значение.
σсж=30 МПа -
табличное значение радиальной нагрузки для песчаника.
Неравенство не выполняется, следовательно,
коллектор неустойчивый.
. Важным фактором, определяющим выбор
конструкции забоя, наряду с типом коллектора и условиями его залегания,
является способ эксплуатации объекта.
В зависимости от способа эксплуатации
продуктивные объекты делят на эксплуатирующиеся раздельно, совместно и
совместно - раздельно.
При раздельной эксплуатации объектов возможно
применение всех опробованных в наше время конструкций забоя.
При совместной или совместно - раздельной
эксплуатации необходимо изолировать продуктивные горизонты друг от друга,
поэтому они должны быть перекрыты сплошной или потайной колонной с обязательным
их цементированием.
Выбирается раздельный способ эксплуатации, так
как разрабатывается многопластовая залежь.
Вывод: коллектор поровый, непрочный,
неоднородный, неустойчивый, с раздельным способом эксплуатации, следовательно,
необходимо использовать закрытый забой.
При бурении данной скважины применяется
следующий способ вскрытия продуктивного пласта: продуктивный пласт перебуриваем
на 50 метров, затем спускаем обсадную колонну до забоя, цементируем. Для
сообщения обсадной колонны с продуктивным пластом её перфорируем, т.е. в
обсадной колонне и цементном кольце простреливаем нужное количество отверстий
(см. рис.2.2).
Рис. 2.2 - Схема конструкции эксплуатационного
забоя скважины: 1 - обсадная колонна; 2 - цементный камень; 3 - вышележащая
горная порода; 4 - продуктивный пласт; 5 - водяной пласт; 6 - перфорационные
отверстия
При качественном цементировании эксплуатационной
колонны достигается одновременное разобщение всех продуктивных и водоносных
горизонтов. При этом возможно достижение высокой герметичности кольцевого
пространства. Учитывая то, что диаметр обсадной колонны 146,1 мм и диаметр
ствола скважины 190,5 мм, выбираем пакер гидромеханический проходной с
малогабаритным клапанным узлом для предотвращения межпластовых перетоков типа
ПДМ-146, который предназначен для надежной изоляции газонефтеводоносных пластов
на любых глубинах.
2.2.3 Проектирование и обоснование
конструкции скважины
Конструкция скважины должна обеспечивать [26]:
максимально возможное использование пластовой
энергии продуктивных горизонтов в процессе эксплуатации за счет выбора
оптимальных конструкций забоя и диаметра эксплуатационной колонны;
применение эффективного оборудования,
оптимальных способов и режимов эксплуатации, поддержания пластового давления,
теплового воздействия и других методов повышения нефтеотдачи пластов;
условия безопасного ведения работ без аварий и
осложнений на всех этапах строительства и эксплуатации скважины;
получение необходимой горно-геологической
информации по вскрываемому разрезу;
условия охраны недр и окружающей среды за счет
прочности и долговечности крепи скважины, герметичности обсадных колонн и
кольцевых пространств, а также изоляции флюидосодержащих горизонтов друг от
друга, от проницаемых пород и дневной поверхности;
максимальную унификацию по типоразмерам обсадных
труб и ствола скважины.
Выбор конструкции скважины осуществляется в
определении следующих параметров:
количество обсадных колонн;
глубины их спуска;
диаметра обсадных колонн;
вида обсадных колонн;
высота подъёма цемента.
Оптимальное число обсадных колонн и глубины их
спуска при проектировании конструкции скважин определяются количеством зон с
несовместимыми условиями проводки ствола по градиентам пластовых давлений и
давлений гидроразрыва пластов, прочности и устойчивости пород.
С целью определения количества обсадных колонн
(за исключением кондуктора) используется совмещённый график давлений для
Приобского месторождения.
Совмещенный график давлений иллюстрирует
изменение по глубине скважины давлений гидроразрыва пород, пластовых давлений и
давлений столба бурового раствора. График строится на основании
горно-геологических условий.
Совмещенный график давлений позволяет выделить в
разрезе интервалы, несовместимые по условиям бурения. С учетом наличия
геологических осложнений по графику совмещенных давлений решается вопрос о
необходимости промежуточных (технических) колонн, их числа и глубины спуска.
Опираясь на данные таблицы 1.2.4., строим
совмещённый график давлений (рис. 2.3).
Рис. 2.3 - Совмещённый график давлений
В конструкцию скважины могут быть включены
следующие типы обсадных колонн: направление, кондуктор, техническая и
эксплуатационная колонны. Кондуктор и эксплуатационная колонна, являются
обязательными при любой конструкции скважины. Промежуточная колонна
проектируется при наличии интервалов, несовместимых по условиям бурения, а
также при существовании зон осложнений, когда другие способы их ликвидации не
дают положительных результатов.
В данном случае, исходя из совмещённого графика
давлений, поставленных задач и геологических характеристик, конструкция
скважины будет включать: направление, кондуктор и эксплуатационную колонну.
Циркуляция бурового раствора при бурении интервала под направление организуется
следующим образом: роется забурная яма, в неё спускается вертикальный шламовый
насос, который откачивает загрязнённый буровой раствор со шламом и через
манифольд передаёт его в систему очистки, после этого очищенный буровой раствор
закачивается через манифольды буровыми насосами в скважину.
Направление спускается на глубину 40 м с целью
перекрытия зон поглощений и неустойчивых пород четвертичных отложений,
предупреждения размыва устья, и связанных с ним осложнений в виде осыпей и
обвалов.
Глубина спуска кондуктора должна обеспечить
выполнение следующих условий [26]:
перекрытие всей толщи рыхлого неустойчивого
интервала разреза;
разобщение водоносных горизонтов, залегающих в
интервале спуска кондуктора;
установку на устье противовыбросового
оборудования;
при наличии несовместимых интервалов бурения -
возможность их разделения.
Минимальную глубину спуска
кондуктора
определяем
из условия недопущения гидроразрыва горных пород под его башмаком при ГНВП [2],
по формуле
к ≥ (Рпл - 0,01* L*ρф)/ (ΔРгр - 0,01*ρф)*0,95
(2.19)
где ρф = 730
кг/м3;ПЛ=27,72 МПа;=2800 м;
ΔPГР=0,17 кгс/см2=0,017 МПа/м.
Проектируем спуск кондуктора на
глубину 800 м. Эксплуатационная колонна, как правило, опускается до забоя
скважины, перекрывая все продуктивные горизонты.
В соответствии с требованиями правил
безопасности в нефтяной и газовой промышленности предусматриваются следующие
интервалы цементирования [22]:
направление, кондуктор, потайные
колонны цементируются на всю длину;
промежуточные и эксплуатационные
колонны цементируются с учетом перекрытия башмака предыдущей колонны на высоту
не менее 150 м для нефтяных скважин и не менее 500 м для газовых скважин.
В соответствии с требованием
вышеперечисленных правил кондуктор цементируем на всю длину, а эксплуатационную
колонну цементируем с учетом перекрытия башмака кондуктора на 150 м. Интервалы
цементирования приведены в табл. 2.2.
Таблица 2.2 - Интервалы цементирования обсадных
колонн
|
Наименование
колонны
|
Интервалы
установки
|
Интервалы
цементирования
|
|
|
По
вертикали
|
По
стволу
|
По
вертикали
|
По
стволу
|
|
|
От
|
до
|
от
|
до
|
от
|
до
|
от
|
до
|
|
Направление
|
0
|
40
|
0
|
40
|
0
|
40
|
0
|
40
|
|
Кондуктор
|
0
|
800
|
0
|
877
|
0
|
800
|
0
|
800
|
|
Эксплуатационная
колонна
|
0
|
2800
|
0
|
3025
|
650
|
2800
|
727
|
3025
|
|
|
|
|
|
|
|
|
|
|
Расчет диаметров обсадных колонн и скважины
осуществляется снизу вверх. При этом исходным является диаметр эксплуатационной
колонны.
Диаметр эксплуатационной колонны принимаем,
исходя из ожидаемого дебита Q=110 т/сут, равным 146,1 мм. Наружный диаметр
соединительной муфты при выбранном диаметре эксплуатационной колонны равен dМ =
166,0 мм [15].
Рассчитывается диаметр долота для бурения под
эксплуатационную колонну по формуле
д = dм+ 2∆, (2.20)
где dм - диаметр соединительной муфты, мм.д -
расчётный диаметр долота, мм
2δ-разность диаметров
ствола скважины и муфты обсадной колонны, мм [12].
В данном случае 2δ=20 мм.
Тогдад = 166,0 + 20 =186 мм
Ближайший нормализованный диаметр долота по ГОСТ
20692-80 составляет 190,5 мм.
Внутренний диаметр кондуктора рассчитывается по
формуле
к = Dд +(10-14)мм, (2.21)
где 10-14-минимально необходимый зазор для
свободного прохода долота для бурения под эксплуатационную колонну внутри
кондуктора, ммк=190,5+12=202,5 мм
Из стандартного ряда выбирается кондуктор с
диаметром 219,1 мм и диаметром муфты 244,5 мм и толщиной стенки 8,9 мм.
Диаметр долота под кондуктор:
Из стандартного ряда выбирается
диаметр долота [2]:
Внутренний диаметр направления
рассчитывается по формуле
=Dд+(10-14)= 269,9+14=283,9 мм
(2.22)
Из стандартного ряда выбирается
направление с диаметром 298,5 мм и диаметром муфты 323,9 мм и толщиной стенки
11,0 мм.
Диаметр долота под направление:
Из стандартного ряда выбирается
диаметр долота:
Данные расчетов сведены в табл. 2.3.
Таблица 2.3 - Конструкция скважины
|
Номер
колонны в порядке спуска
|
Название
колонны
|
Интервал
спуска, м
|
Номинальный
диаметр ствола скважины (долота), мм
|
Номинальный
наружный диаметр обсадных труб, мм
|
Максимальный
наружный диаметр соединения, мм
|
|
1
2 3
|
Направление
Кондуктор Эксплуатационная
|
0
- 40 0 - 800 0 - 2800
|
393,7
269,9 190,5
|
298,5
219,1 146,1
|
323,9
244,5 166
|
2.2.4 Разработка схем обвязки устья
скважины
Цель раздела - определить необходимость
использования противовыбросового оборудования (ПВО) и колонных головок (КГ) для
нормальной проводки скважины при вскрытии продуктивного пласта. Критериями
выбора ПВО являются:
. максимальное давление, возникающее на устье
скважины при полном замещении бурового раствора пластовым флюидом при закрытом
превенторе;
. диаметры проходных отверстий превенторов,
позволяющих нормально вести углубление скважины или проводить в ней любые
работы.
Величина максимального устьевого давления Рму
рассчитывается по формуле [8]
Рму = Рпл - ρ • g • H,
МПа (2.23)
где Рпл - пластовое давление в кровле
продуктивного пласта,
ρ - плотность флюида,
кг/м3;- ускорение свободного падения, м/с2;- глубина залегания кровли
продуктивного пласта, м.
При выборе колонных головок, помимо
максимального устьевого давления, необходимо учесть диаметры всех обсадных
колонн, обвязываемых с помощью колонной головки.
При наличии в пластовом флюиде сероводорода
необходимо выбирать ПВО и КГ в коррозионностойком исполнении. В этом случае к
аббревиатуре оборудования добавляется индекс К2. Типоразмер колонной головки
выбирается в зависимости от условного диаметра подвешиваемой на ней
эксплуатационной колонны и кондуктора (промежуточной колонны), на который
головка устанавливается.
Максимальное устьевое давление
Рму = Рпл - ρ • g •
H=27,72-0,00073*9,81*2700=8,39 МПа.
В соответсвии с правилами безопасности в
нефтяной и газовой промышленности, выбираем ПВО ОП5-230/80×35,
рабочее
давление составляет 35 МПа, диаметр проходного отверстия равно 230 мм, что
подходит для данной скважины.
Выбираем колонную головку типа ОКК-1×21-146×219,
рабочее
давление которой составляет 21 МПа, что подходит для данной скважины. Также
выбирается фонтанная арматура АФК (Ш) - 80×35.
Исходя из выше написанного, а также согласно
правилам безопасности в нефтяной и газовой промышленности и учитывая опыт
бурения на данной площади, проектируется следующее оборудование устья скважины
(табл. 2.4).
Таблица 2.4 - Устьевое оборудование
|
Название
обсадной колонны
|
Типоразмер,
шифр или название устанавливаемого устьевого и противовыбросового
оборудования
|
ГОСТ,
ОСТ, МРТУ, ТУ и т.п. на изготовление
|
Количество,
шт
|
Допустимое
рабочее давление, МПа
|
Масса,
т
|
|
|
|
|
|
Единицы
|
Суммарная
|
|
1
|
2
|
3
|
4
|
5
|
6
|
7
|
|
Направление
|
ВСР-324
|
МУ
|
1
|
-
|
0,56
|
0,56
|
|
Кондуктор
|
ПВО
ОП5-230/80*35
|
ГОСТ
13962-90
|
1
|
35
|
16,7
|
16,7
|
|
Колонная
головка ОКК1-21-146*219
|
ТУ
3665-002-31429576-97
|
1
|
21
|
0,56
|
0,56
|
|
Эксплуатационная
колонна
|
Фонтанная
арматура АФК (Ш)-80х35
|
ГОСТ-13846-89
|
1
|
35
|
0,575
|
0,575
|
2.3 Проектирование процесса
углубления скважины
Углубление (механическое бурение) - это
результат разрушения горных пород долотом, вращающимся с определённой
скоростью, находящимся под некоторой нагрузкой при постоянном очищении забоя
скважины от выбуренной породы буровым раствором определённого качества и
движущегося с некоторой заданной скоростью [2].
Темп углубления скважины при правильно выбранных
способе и породоразрушающем инструменте для данного комплекса пород зависит от
параметров режима бурения. При разработке технологии бурения для каждого
интервала геологического разреза скважины проектируются параметры режима
бурения: осевая (или удельная) нагрузка на породоразрушающий инструмент Рд;
частота вращения бурового инструмента п; расход Q бурового раствора (или
газообразного агента) и его качество. Сочетание перечисленных параметров,
позволяющее получить наиболее высокие показатели работы долота, качественные
показатели работы и минимальную стоимость 1 м бурения с использованием
имеющегося оборудования, называется оптимальным режимом бурения. Параметры
режима бурения следует выбирать до начала бурения применительно к конкретным
условиям участка работ и строго сочетать с возможностями применяемого оборудования
и породоразрушающего инструмента, прочностью бурильной колонны и др.
Запроектированные параметры режима бурения должны обеспечить высокую
механическую скорость бурения. Последняя также связана с геологическими
условиями проводки скважины, физико-механическими свойствами разбуриваемых
горных пород и типом породоразрушающего инструмента.
2.3.1 Выбор буровых долот
Выбор типа и класса породоразрушающего
инструмента основывается на детальном знании механических свойств горных пород
и литологическом строении разреза.
Выбор типа и класса долота должен производиться
на основе следующих факторов:
долото должно соответствовать твердости и
абразивности разрушаемых горных пород;
долото должно обеспечивать наиболее эффективное
разрушение горных пород на забое;
риск поломки инструмента должен быть
минимальным;
с помощью используемого породоразрушающего
инструмента должны достигаться высокие показатели бурения;
должна обеспечиваться экономическая выгода
использования долота данного типа (минимальная стоимость метра проходки
скважины);
долото должно соответствовать выбранному режиму
бурения.
Рациональным типом долота определённого размера
для конкретных геолого-технических условий бурения является такой тип, который
при бурении в рассматриваемых условиях обеспечивает минимум эксплуатационных
затрат на 1 м проходки.
В табл. 1.3. указаны горные породы по разрезу,
их физико-механические свойства. В таблице породы разбиты на пачки и для них
установлены категории по промысловой квалификации. По данным таблицы сделано
можно сделать вывод, что все породы лежат в интервале М - С по показателям
твердости.
На Приобском месторождении накоплен богатый опыт
бурения как с помощью шарошечных долот, так и с помощью долот типа БИТ
(российский аналог долот PDC). Опыт показывает, что наиболее износостойкими
являются долота типа БИТ, проходка на которые порой достигает 10000 м, а
среднее значение колеблется в интервале 5000-7000 м (одного долота хватает для
бурения, к примеру, нескольких кондукторов).
Долота БИТ, выпускаемые ООО НПО «Буринтех»,
имеют преимущества перед шарошечными по механической скорости бурения - при
использовании этих долот на одинаковых интервалах, долота БИТ обеспечивают
требуемую проходку в три раза быстрее, чем шарошечные. Но при этом данные
долота имеют высокую стоимость по сравнению с шарошечными долотами, кроме того
была отмечена их высокая аварийность (множественные потери вооружения) при
разбуривании цементных стаканов и резиновых разделительных пробок. Основным
недостатком шарошечных долот по сравнению с долотами типа БИТ является их малая
проходка на долото, что приводит к увеличению частоты СПО и увеличению общего
времени сооружения скважины.
Проанализировав вышеуказанные данные, делается
вывод, что в данном проекте следует выбрать два комплекта долот - шарошечные и
БИТ. Производится выбор долот для сооружения эксплуатационной скважины на
Приобском месторождении.
Для бурения интервала под направление
используется трехшарошечное долото 393,7 М-ГВУ-R227 для бурения мягких пород,
имеющее боковую гидромониторную промывку. Данное долото считается
«высокооборотным», поскольку имеет тип опоры «В» (имеются только подшипники
качения). Кроме того, данное долото имеет систему маслонаполнения и торцевое
резиновое кольцо с тарельчатым поджимающим каркасом.
Для бурения интервала под кондуктор в интервале
40-800 м используется трехшарошечное долото 269,9 М-ГН-R03 для бурения мягких
пород, имеющее боковую гидромониторную промывку.
Для бурения интервала под эксплуатационную
колонну выбирается долото компании ООО НПО «Буринтех» БИТ 190,5 МС ВТ 613 Н,
имеющее 6 лопастей с диаметром основных резцов 13 мм и 6 промывочных отверстий.
Данное долото рассчитано на частоты вращения от 60 до 260 об/мин, осевую
нагрузку в интервале 2-10 т и расход бурового раствора 30-36 л/с.
Шестилопастные долота являются наиболее универсальным и оптимальным
инструментом для бурения скважин и интервалов, сложенных различными типами
пород: от мягких и средних до пропластков твердых. Для повышения
абразивоустойчивости применяется опция «У».
Применяемые долота представлены в табл. 2.5.
Таблица 2.5 - Применяемые долота
|
Наименование
колонны
|
Интервалы
бурения, м
|
Применяемые
долота
|
|
По
вертикали
|
По
стволу
|
|
|
от
|
до
|
от
|
до
|
|
|
Направление
|
0
|
40
|
0
|
40
|
393,7
М-ГВУ-R227
|
|
Кондуктор
|
40
|
800
|
40
|
877
|
269,9
М-ГН-R03
|
|
Эксплуатационная
колонна
|
800
|
2800
|
877
|
3025
|
БИТ
190,5 МС ВТ 613 Н
|
2.3.2 Расчёт осевой нагрузки на
долото по интервалам горных пород
При расчете осевой нагрузки на долото используют
следующие методы:
Статистический анализ отработки долот в
аналогичных геолого-технических условиях.
Аналитический расчет на основе качественных
показателей механический свойств горной породы и характеристик шарошечных
долот, применения базовых зависимостей долговечности долота и механической
скорости бурения от основных параметров бурения.
Расчет из условия допустимой нагрузки на долото.
Наиболее правильной считается
последовательность, когда используются аналитический и статистический методы
расчета осевой нагрузки. После расчетов большее из полученных значений
сравнивается с допустимой нагрузкой по паспорту долота. Если расчетная нагрузка
больше паспортного значения, то принимается последнее. При обратной ситуации -
принимается расчетная величина.
Аналитический расчет осевой нагрузки G1 для
шарошечных долот, при которой обеспечивается объемное разрушение породы,
ведется по формуле (2.24) [12]
, (2.24)
где α - коэффициент
забойных условий, α
= 0,33 - 0,59, в
проектировочных условиях α
=1;
Pш - средневзвешенная твердость
горных пород по штампу для данной пачки пород по буримости, кг/см2 ;- опорная
площадь рабочей поверхности долота, см2.
Для новых шарошечных долот опорная
площадь определяется по формуле (2.25) [18]
, (2.25)
где Dд - диаметр долота, см;
η - коэффициент перекрытия -
отношение длины образующей шарошки к суммарной длине зубьев, контактирующих с
породой, для современных долот η = 0,7- 1,7, в расчетах можно принять η = 1;
δ - начальное притупление зубьев,
см, δ
= 1- 4 мм,
в расчетах принимается среднее значение δ = 1,5 мм.
В процессе бурения происходит износ
зубьев долота, и опорная площадь увеличивается. Как показывают эксперименты,
это увеличение составляет от пяти до восьми раз. В связи с этим в процессе
бурения осевая нагрузка для обеспечения объемного разрушения породы должна
постепенно повышаться.
Аналитический расчет для долот PDC
определяется по формуле аналогичной (2.25) только опорная площадь рабочей
поверхности долота вычисляется по формуле (2.26):
(2.26)
где kт - число зубцов на рабочей
поверхности;- средний диаметр зубцов, мм.
При статистическом расчете осевой
нагрузки G2 используется формула (2.27) [12]:
, (2.27)
где q - удельная нагрузка на один
миллиметр диаметра долота, кН/мм;д - диаметр долота, мм.
Значения удельных осевых нагрузок
для шарошечных долот приведены в табл. 2.6 [12].
Таблица 2.6 - Удельные осевые
нагрузки для шарошечных долот
|
Тип
долота
|
М
|
МЗ
|
МС
|
МСЗ,
СЗ
|
С,
СТ
|
Т,
ТК
|
ТЗ,
ТКЗ
|
К,
ОК
|
|
Удельная
нагрузка, кН/мм
|
0,1
-0,2
|
0,2-0,5
|
0,3-0,6
|
0,3-0,8
|
0,4-1
|
0,6-1,5
|
0,5-1
|
1-1,5
|
Меньшие удельные нагрузки берутся для
трещиноватых неоднородных пород и при высоких частотах вращения.
Для PDC, алмазных и ИСМ долот удельные осевые
нагрузки принимаются в пределах от 50 до 400 кг/см (0,05-0,4 кН/мм). Большие
значения берутся в более твердых породах.
Допустимая в процессе бурения осевая нагрузка на
долото G3 не должна превышать 80% от предельной Gпред, указанной в технической
характеристике (паспорте) долота (2.28) [12]
= 0,8 Gпред , (2.28)
Производятся вспомогательные расчеты и подготовка
материалов для определения осевой нагрузки.
Вычисляются величины опорной площади выбранных
долот. Ведется расчет для шарошечных долот.
Для долота диаметром 393,7 мм:
Для долота диаметром 269,9 мм:
Производится расчет опорной площади
для выбранных долот PDC.
Для долота диаметром 190,5 мм:
Определяется средневзвешенная
твердость горных пород для каждого интервала бурения.
На интервале бурения 0-40 м залегают
породы категории М, твёрдость по штампу Pш=1000 кг/см2.
На интервале бурения 40-800 м
залегают породы категории М и МС, твёрдость по штампу Pш=1500 кг/см2.
На интервале бурения 800-2800 м
залегают породы категории МС и С, твёрдость по штампу Pш=2500 кг/см2.
Определяются удельные нагрузки на 1
мм долота по табл. 2.6 для шарошечных долот и по рекомендациям для долот PDC.
Выбранные значения заносятся в табл. 2.7. Также в эту таблицу заносятся
предельные нагрузки на долото по паспорту.
Таблица 2.7 - Данные для расчета
осевой нагрузки
|
Применяемые
долота
|
393,7
М-ГВУ-R227
|
269,9
М-ГН-R03
|
БИТ
190,5 МС ВТ 613 Н
|
|
q,
кН/м
|
0,1
|
0,15
|
0,2
|
|
Gпред
|
470
|
480
|
100
|
Проводится аналитический расчет осевой нагрузки
G1 для шарошечных и PDC долот по формуле (2.24).
Интервал бурения 0-40 м:
Интервал бурения 40-800 м:
Интервал бурения 800-2800 м:
Проводится статистический расчет
осевой нагрузки G2 по формуле (2.27):
Интервал бурения 0-40 м:
Интервал бурения 40-800 м:
Интервал бурения 800-2800 м:
Определяется допустимая в процессе
бурения осевая нагрузка на долото G3 по формуле (2.28).
Интервал бурения 0-40 м:
Интервал бурения 40-800 м:
Интервал бурения 800-2800 м:
Рассчитанные значения осевой
нагрузки сводятся в таблицу 2.8.
Таблица 2.8 - Рассчитанные значения осевой
нагрузки
|
Применяемые
долота
|
393,7
М-ГВУ-R227
|
269,9
М-ГН-R03
|
БИТ
190,5 МС ВТ 613 Н
|
|
G1,
кН
|
29,5
|
30,3
|
62,5
|
|
G2,
кН
|
39,4
|
40,5
|
38,1
|
|
G3,
кН
|
376
|
384
|
80
|
Проанализировав таблицу 2.8 в соответствии с
рекомендациями по выбору осевой нагрузки, а также руководствуясь опытом
сооружения скважин на данном месторождении, выбранные значения осевой нагрузки
приведены в табл. 2.9.
Таблица 2.9 - Значения осевой нагрузки по
интервалам бурения
|
Интервал
бурения (по стволу), м
|
Применяемые
долота
|
Осевая
нагрузка, т
|
|
0-40
|
393,7
М-ГВУ-R227
|
2,95
|
|
40-877
|
269,9
М-ГН-R03
|
3,03
|
|
877-3025
|
БИТ
190,5 МС ВТ 613 Н
|
6,25
|
2.3.3 Расчет частоты вращения долота
Каждому классу пород и типу долот соответствуют
свои оптимальные частоты вращения инструмента, при которых разрушение горных
пород максимально. Расчет частоты вращения для шарошечных долот производится из
условий:
• создания оптимальной линейной скорости на
периферийном венце шарошки (статистический метод);
• по времени контакта зубьев долота с горной
породой (аналитический метод);
• по стойкости опор (технологический метод).
Для безопорных долот (в том числе долот типа БИТ)
расчет производится только из условия создания необходимой линейной скорости на
периферии долота. Расчет в этом случае ведется по формуле (2.29) [5]:
, (2.29)
где Vл - рекомендуемая линейная
скорость на периферии долота, м/с;д - диаметр долота, м.
Для шарошечных долот линейная
скорость принимается:
в породах М - 3,4-2,8 м/с;
в породах МС - 2,8-1,8 м/с;
в породах С - 1,8-1,3 м/с;
в породах СТ - 1,5-1,2 м/с;
в породах Т - 1,2-1,0 м/с;
в породах К - 0,8-0,6 м/с.
Для алмазных и ИСМ долот Vл = 3-5
м/с, для долот PDC Vл = 1-2 м/с.
Меньшие значения линейной скорости
берутся
• в трещиноватых неоднородных
породах;
• в твердых абразивных породах;
• при повышенных осевых нагрузках;
Расчет частоты вращения шарошечного долота n2 по
минимально допустимому времени контакта зуба долота с породой ведется по
формуле (2.30) [17]
, (2.30)
где dш - диаметр шарошки, мм;
τ - минимальное время контакта зуба
долота с породой, мс;- число зубьев на периферийном венце шарошки;д -диаметр
долота, мм.
Для современных шарошечных долот в
среднем dш=0,65Dд. Минимальное время контакта для упруго-пластичных пород равно
5-7 мс, для упруго-хрупких - 6-8 мс, для пластичных - 3-6 мс. Меньшие значения
принимаются в более твердых породах. Число зубьев на периферийном венце шарошки
зависит от типа долота, его диаметра и номера шарошки. В среднем оно может быть
принято для долот диаметром 142,9-190,5 - 20 шт.; 215,9-244,5 - 22 шт.;
269,9-349,2 - 24 шт.; 349,2-393,7 - 26 шт.
Максимально допустимая частота
вращения шарошечного долота n3 по стойкости опоры ведется по формуле (2.31)
[5]:
, (2.31)
где α - коэффициент,
характеризующий свойства горной породы;
То - стойкость опоры, которая
определяется по формуле (2.32), час.
То = 0,0935 Dд, (2.32)
где Dд - диаметр долота, мм.
Для мягких пород α=0,7-0,9, для средних α=0,5-0,7, для твердых α=0,3-0,5, то есть с
увеличением твердости пород этот коэффициент уменьшается.
Для шарошечных долот из рассчитанных
значений n1, n2 ,n3 первое является оптимальным, а принятое не должно быть
больше меньшего из значений n2 и n3. Для безопорных долот принимается значение
n1.
Общие рекомендации по осевой
нагрузке на долото и частоте вращения инструмента сводятся к следующим:
• с увеличением твердости горной
породы осевую нагрузку следует увеличить при одновременном снижении частоты
вращения;
• в трещиноватых неоднородных
породах указанные параметры процесса бурения следует снижать;
• в течение рейса осевая нагрузка
постепенно увеличивается.
Производятся вспомогательные расчеты
и подготовка материалов для определения частот вращения.
Определяются рекомендуемые линейные
скорости на переферии долота для комплекта шарошечных долот и долот PDC.
Найденные значения сводятся в табл. 2.11. Для долот PDC берется меньшее
значение, поскольку бурение ведется в абразивных породах. Также для шарошечных
долот выбираются меньшие значения, поскольку бурение ведется в абразивных
породах, а долота оснащены твердосплавным вооружением. Значения линейной
скорости с глубиной уменьшаются, поскольку повышается твердость горных пород.
Для эксплуатационной колонны и «хвостовика» берутся одинаковые значения, так
как бурение ведется в интервалах со сходными значениями твердости и
абразивности.
Таблица 2.10 - Линейные скорости на
переферии долота
|
Комплект
шарошечных долот
|
Тип
горной породы по промысловой классификации по интервала бурения
|
|
Направление
- М
|
Кондуктор
- МС
|
|
Vл,
м/с
|
3,1
|
2,3
|
|
Комплект
долот PDC
|
|
Vл,
м/с
|
1
|
Определяются значения данных для расчета частоты
вращения аналитическим методом (табл. 2.11). По большей части разрез
представлен упруго-пластичными горными породами.
Таблица 2.11 - Данные для аналитического расчета
|
Комплект
шарошечных долот
|
393,7
М-ГВУ-R227
|
269,9
М-ГН-R03
|
|
τ,
мс
|
6
|
6
|
|
z,
шт.
|
26
|
24
|
|
dш,
мм
|
255,9
|
175,4
|
Определяются значения данных для расчетов
частоты вращения технологическим методом и (табл. 2.12). Значения коэффициента α
уменьшаются
вниз по разрезу, так как идет увеличение твердости горных пород. Стойкость
опоры определяется по формуле (2.32) и приведены в табл. 2.12.
Таблица 2.12 - Данные для расчета
технологическим методом
|
Комплект
шарошечных долот
|
393,7
М-ГВУ-R227
|
269,9
М-ГН-R03
|
|
α
|
0,75
|
0,7
|
|
То,
час
|
36,8
|
25,2
|
Производится расчет частот вращения по
интервалам бурения статистическим методом по формуле (2.29) для долот типа PDC.
Интервалы берутся по стволу.
Интервал бурения 877-3025 м:
Производится расчет частот вращения
по интервалам бурения статистическим методом по формуле (2.29) для шарошечных
долот. Интервалы берутся по стволу.
Интервал бурения 0-40 м:
Интервал бурения 40-877 м:
Производится расчет частот вращения
по интервалам бурения аналитическим методом по формуле (2.30) для шарошечных
долот. Интервалы берутся по стволу.
Интервал бурения 0-40 м:
Интервал бурения 40-877 м:
Производится расчет частот вращения
по интервалам бурения технологическим методом по формуле (2.31) для шарошечных
долот. Интервалы берутся по стволу.
Интервал бурения 0-40 м:
Интервал бурения 40-877 м:
Рассчитанные значения частот
вращения для каждого комплекта долот приведены в табл. 2.13. Для долот
указывается паспортный рекомендуемый интервал частот вращения.
Таблица 2.13 - Рассчитанные значения
частот вращения
|
Применяемые
долота
|
393,7
М-ГВУ-R227
|
269,9
М-ГН-R03
|
|
n1,
кН
|
150
|
163
|
|
n2,
кН
|
250
|
271
|
|
n3,
кН
|
669
|
467
|
|
Применяемые
долота
|
БИТ
190,5 МС ВТ 613 Н
|
|
n1,
кН
|
100
|
|
nпасп,
кН
|
60-266
|
|
|
|
|
Для долота БИТ 190,5 МС ВТ 613 Н выбирается
частота вращения 100 об/мин, которое соответствует расчетному значению. Частоты
для остальных долот выбираются в соответствии с рекомендациями (табл. 2.14).
Таблица 2.14 - Значения частот вращения по
интервалам бурения
|
Интервал
бурения (по стволу), м
|
Применяемые
долота
|
Частота
вращения, об/мин
|
|
0-40
|
393,7
М-ГВУ-R167
|
150
|
|
40-877
|
269,9
М-ГН-R03
|
163
|
|
877-3025
|
БИТ
190,5 МС ВТ 613 Н
|
100
|
2.3.4 Выбор и обоснование типа
забойного двигателя
Тип забойного двигателя выбирается в зависимости
от проектного профиля скважины, типоразмера долот, осевой нагрузки, плотности
бурового раствора и удельного момента, обеспечивающего вращение долота.
Забойный двигатель должен соответствовать
следующим требованиям:
Диаметр забойного двигателя должен лежать в
интервале 80-90% от диаметра долота;
Жесткость забойного двигателя должна
соответствовать требованиям компоновки низа бурильной колонны для заданной
траектории ствола скважины;
Расход бурового раствора должен быть близким к
номинальному расходу забойного двигателя;
Крутящий момент, развиваемый забойным
двигателем, должен обеспечить эффективное разрушение горной породы на забое
скважины;
Забойный двигатель должен обеспечивать частоту
вращения долота, находящуюся в пределах или не менее этих значений, необходимых
для разрушения горных пород.
Диаметр забойного двигателя в зависимости от
диаметра долота определяется по следующей формуле (2.33)
, (2.33)
где Дзд - диаметр забойного двигателя,
мм;
Дд - диаметр долота, мм.
Выбираемый турбобур должен развивать
мощность, которая будет тратиться на работу долота под действием осевой
нагрузки и на преодоление трения в опорах. Требуемый крутящий момент
определяется по формуле (2.34) [12]
, (2.34)
где Мр - момент необходимый для
разрушения горной породы, Н*м;
Мо - момент необходимый для вращения
ненагруженного долота, Н*м;
Муд - удельный момент долота,
Н*м/кН;ос - осевая нагрузка на долото, кН.
Момент необходимый для вращения
ненагруженного долота определяется по формуле (2.35)
, (2.35)
где Dд - диаметр долота, м.
Удельный момент долота определяется
по формуле (2.36)
, (2.36)
где Q - расчетный коэффициент,
принимаемый в расчетах 1-2 (принимается 1,5), Н·м/кН;д - диаметр долота, см.
Проводятся требуемые расчеты по
интервалам бурения (берутся значения по стволу).
Для интервала 0-40 м. расчеты не
проводятся, так как способ бурения роторный.
Интервал бурения 40-877 м:
Диаметр долота - 269,9 мм. Осевая
нагрузка на долото - 30,3 кН. Частота вращения - 150 об/мин.зд=(0,8÷0,9) ·
269,9=215,9-242,9 мм;
Мо = 500 · 0,2699 = 134,95 Н·м;
Муд = 1,5+ 1,2 · 26,99 = 33,88
Н·м/кН.
Расчет крутящего момента для долота:
Мр = 134,95 +33,88 · 30,3 = 1161,5
Н·м = 1,16 кН·м.
Интервал бурения 877-3025 м:
Диаметр долота - 190,5 мм. Осевая
нагрузка на долото - 62,5 кН. Частота вращения - 100 об/мин.зд=(0,8÷0,9) · 190,5=152-171
мм;
Мо = 500 · 0,1905 = 95 Н·м;
Муд = 1,5+ 1,2 · 19,05 = 24,4
Н·м/кН.
Расчет крутящего момента для долота:
Мр = 95 +24,4 · 62,5 = 1620 Н·м =
1,62 кН·м.
Определены первичные характеристики для выбора
забойных двигателей. Но поскольку скважина является наклонно-направленной, то
необходимо учесть наличие двигателей-отклонителей в КНБК. Рассчитанные
параметры и потребность в забойных машинах приведены в табл. 2.15.
Таблица 2.15 - Параметры и потребность в
забойных двигателях
|
Обсадная
колонна
|
Интервалы
бурения (по искривлению скважины), м
|
Описание
интервала
|
Рассчитанные
параметры забойных двигателей
|
Потребность
в забойном двигателе
|
|
|
|
Дзд,
мм
|
Мр,
кН·м
|
|
|
Направление
|
0-40
|
вертикальный
участок
|
-
|
-
|
нет
|
|
Кондуктор
|
40-150
|
вертикальный
участок
|
216-243
|
1,16
|
да
|
|
150-381
|
участок
набора зенитного угла до 26,50
|
|
|
да
|
|
381-877
|
участок
стабилизации зенитного угла
|
|
|
да
|
|
Эксплуатационная
колонна
|
877-2328
|
участок
стабилизации зенитного угла
|
152-171
|
1,62
|
да
|
|
2328-2675
|
участок
падения зенитного угла до 00
|
|
|
да
|
|
2675-3025
|
вертикальный
участок
|
|
|
да
|
Выбираются забойные двигатели по интервалам для
выбранных долот.
Для бурения в интервале 40-150 м. проектом
предусматривается использовать забойный двигатель ТР-240, который имеет диаметр
240 мм, расход жидкости - 34-45 л/с, максимальный крутящий момент в рабочем
режиме - 2,8-3,5 кН·м, а также частоту вращения 145-260 об/мин [12].
Для бурения в интервале 40-150 м. проектом
предусматривается использовать забойный двигатель-отклонитель ТО2-240, который
имеет диаметр 240 мм, расход жидкости - 40-50 л/с, максимальный крутящий момент
в рабочем режиме - 2,04 кН·м, а также частоту вращения 420 об/мин [12].
Интервал 381-877:
Предлагается использовать выбранный забойный
двигатель ТР-240 [12].
Интервал 877-2328:
Предлагается использовать отечественный забойный
двигатель Д3-176, который имеет диаметр 176 мм, расход жидкости - 25-35 л/с,
максимальный крутящий момент в рабочем режиме - 12,0 кН·м, а также частоту
вращения 90-120 об/мин [12].
Интервал 2328-2675:
Предлагается использовать забойный
двигатель-отклонитель ДГ-176, который имеет диаметр 176 мм, расход жидкости -
25-35 л/с, максимальный крутящий момент в рабочем режиме - 9,8 кН·м, а также
частоту вращения 90-120 об/мин [12].
Интервал 2675-3025:
Предлагается использовать выбранный забойный
двигатель Д3-176 [12].
Технические характеристики выбранных забойных
двигателей приведены в таблице 2.16.
Таблица 2.16 - Технические характеристики
забойных двигателей
|
Технические
характеристики
|
Винтовые
забойные двигатели
|
|
ТР-240
|
ТО2-240
|
Д3-176
|
ДГ-176
|
|
Наружный
диаметр, мм
|
240
|
240
|
176
|
176
|
|
Длина,
м
|
10,6
|
10,17
|
6,4
|
5,3
|
|
Вес,
кг
|
2800
|
2507
|
910
|
750
|
|
Расход
жидкости, л/с
|
34-45
|
40-50
|
25-35
|
25-35
|
|
Число
оборотов, об/мин
|
145-260
|
420
|
90-120
|
90-120
|
|
Максимальный
рабочий момент, кН·м
|
3,5
|
2,04
|
12,0
|
9,8
|
|
Угол
искривления между секциями двигателя, град
|
-
|
0-3
|
-
|
0-3
|
|
Перепад
давления на рабочем режиме, МПа
|
2,4-4,2
|
3,0
|
8-11
|
7,4-9,8
|
2.3.5 Выбор компоновки и расчёт
бурильной колонны
Бурильная колонна (БК) состоит из компоновки
низа бурильной колонны (КНБК) и колонны бурильных труб (КБТ).
В общем случае КНБК включает в себя долото,
забойный двигатель, калибраторы, центраторы, стабилизаторы, расширители,
маховики, отклонители и утяжеленные бурильные трубы (УБТ).
КБТ состоит из секций бурильных труб (БТ),
одинаковых по типу, наружному диаметру, толщине стенки, группе прочности
(марке) материала, типоразмеру замковых соединений.
Последовательно расположенные секции БТ одного
наружного диаметра - ступень КБТ.
Бурильная колонна предназначена в общем случае для:
. Передачи вращения от ротора к долоту.
. Восприятия реактивного момента забойного
двигателя.
. Подвода промывочной жидкости к забойному
двигателю, долоту, забою скважины.
. Создания осевой нагрузки на долото.
. Подъема и спуска долота и забойного двигателя.
. Проведения вспомогательных работ.
Исходя из назначения, требования к бурильной
колонне сводятся к следующим:
. Достаточная прочность при минимальном весе,
обеспечивающем создание требуемой осевой нагрузки.
. Обеспечение герметичности при циркуляции
бурового раствора, причем с минимальными гидравлическими потерями.
. Минимальные затраты времени при
спуско-подъемных операциях, при этом соединения должны обеспечивать прочность
не менее прочности тела трубы, быть взаимозаменяемыми.
В процессе бурения на бурильную колонну
действуют различные силы и моменты. К ним в общем случае относятся:
растягивающие силы от собственного веса;
растягивающие гидравлические нагрузки за счет
перепада давления в забойном двигателе и долоте;
силы внутреннего и наружного давления
промывочной жидкости;
силы взаимодействия колонны со стенками скважины
(силы трения)
силы инерции как самой колонны, так и
промывочной жидкости;
изгибающие моменты на участках естественного и
искусственного искривления ствола скважины;
осевая сжимающая сила в нижней части колонны;
крутящий момент при вращении колонны;
изгибающей момент за счет потери колонной
прямолинейной формы;
динамические составляющие продольных и
поперечных сил, изгибающего и крутящего моментов за счет различного рода
колебаний колонны.
Совместное действие всех этих сил и моментов
приводит к тому, что бурильная колонна находится в условиях весьма сложного
напряженного состояния.
В связи с тем, что при проектировании и расчетах
бурильной колонны практически невозможно учесть все нагрузки, а некоторые из
них не поддаются точному определению, поэтому рассматриваются только основные,
наиболее существенные и опасные. К их числу относятся растягивающие силы,
крутящий и изгибающие моменты, наружное и внутреннее избыточные давления промывочной
жидкости [13].
Исходные данные:
. Вид технологической операции - бурение.
. Скважина наклонно направленная, профиль
состоит из пяти участков (см. рис. 2.2): h=2800 м, H1=150 м, H2=223 м, R2=500
м, R4=750 м, αIH=0, αIK=
αIIH=0, αIIK= =αIIIH=26,50, αIIIK= =αIVH=26,50,
αIVK= αVH=0, αVК=0.
. Интервал бурения 877 - 3025 м.
. Бурение ведётся под эксплуатационную колонну
диаметром 146 мм.
. Конструкция обсадной колонны, спущенной к
началу бурения данного интервала: 0 - 877 м - кондуктор диаметром 219 мм.
. Способ бурения: ВЗД. Винтовой забойный
двигатель Д3 - 176 диаметром 176 мм, вес ВЗД QЗД=910 кгс, длина 6,4 м.
. Диаметр долота Дд=190,5 мм.
. Осевая нагрузка на долото Qд=6,25 тс.
. Наружное давление - 2,1 кгс/мм2.
. Плотность бурового раствора γж=1,1
кгс/см3.
. Коэффициент трения колонны о породу μ=0,3.
12. Условия бурения - нормальные.
. Клиновой захват ПКР-560 с длиной клина lk=400
мм.
Расчет УБТ
Целью расчета является определение компоновки
УБТ, обеспечивающей заданную осевую нагрузку на породоразрушающий инструмент и
необходимую жесткость при изгибе. В общем случае компоновка УБТ состоит из труб
разного диаметра, уменьшающегося от долота к КБТ.
Для не осложненных условий бурения при диаметре
долота 190,5 мм для первой ступени выбирается УБТ с наружным диаметром D01=146
мм. Характеристика выбранных УБТ указана в табл. 2.17 [6].
Таблица 2.17 - Характеристики УБТ
|
Тип
|
Наружный
диаметр, мм
|
Внутренний
диаметр, мм
|
Резьба
|
Диаметр
проточки под элеватор, мм
|
Масса
1 м, кг
|
|
УБТ-146×74Д
|
146
|
74
|
3-121
|
136
|
128
|
Так как жесткость основной ступени УБТ должна
быть не меньше жесткости обсадной колонны, под которую ведется бурение,
необходимо, чтобы выполнялось условие
, (2.37)
где
D01 - наружный диаметр УБТ, мм;ок - наружный диаметр обсадной колонны, мм;-
внутренний диаметр УБТ, мм;ок - внутренний диаметр обсадной колонны, мм.
;
,9993
> 0,789, следовательно, условие выполняется, т.е. при спуске обсадной
колонны посадок не будет.
Наружный
диаметр бурильных труб первой секции принимается в соответствии со способом
бурения и диаметром обсадных труб. При бурении забойным двигателем, при
диаметре обсадной колонны 146,1 мм диаметр первой секции бурильной колонны
выбирается равным 114 мм.
Для
обеспечения плавного перехода по жесткости от основной ступени УБТ к КБТ должно
выполняться условие
(2.38)
где
Dоп - диаметр последней ступени УБТ, мм;- диаметр бурильных труб первой секции,
мм.
мм
Условие выполняется, следовательно компоновку
УБТ необходимо проектировать ступенчатой.
Длина основной ступени УБТ l01 приближенно может
быть определена по формуле
, (2.39)
где QД - осевая нагрузка на долото,
кгс;- вес 1 метра основной ступени УБТ, кгс/м;
КД - коэффициент нагрузки на долото,
для турбинного бурения КД = 1,175;
γ0 - удельный вес материала УБТ,
гс/см3;
γЖ - удельный вес промывочной
жидкости, гс/см3;ЗД - вес забойного двигателя, кгс;- вес элементов КНБК за
исключением забойного двигателя и УБТ, кгс.i - длина первой переходной ступени
УБТ, м;i - вес 1 м первой переходной ступени УБТ, кгс/м.
Принимается l01 = 20 м.
Вес колонны УБТ в воздухе
определяется по формуле:
, (2.40)
Вес КНБК в скважине:
, (2.41)
Общая длина КНБК
Для ограничения прогиба УБТ и
уменьшения контакта со стенками скважины рекомендуется устанавливать
промежуточные опоры профильного сечения. Диаметр опоры выбирается в
соответствии с диаметром долота. Для долота диаметром 190,5 мм выбирается
диаметр опоры равный 181 мм. Расстояние между промежуточными опорами (a)
выбирается в зависимости от наружного диаметра УБТ и частоты вращения колонны
(n). При бурении забойными двигателями значение частоты вращения колонны
принимается n=50 об/мин. При D01=146 мм и n=50 об/мин выбирается a=24,9 м [6].
Количество промежуточных опор (m)
определяется по формуле
(2.42)
Так как количество промежуточных
опор равно 0,8, то необходимость в их установке отпадает, так как расстояние
между опорами равно длине УБТ и количество опор должно быть не менее двух.
Резьбовые соединения УБТ должны быть
свинчены крутящими моментами. Для УБТ-146*74 из стали группы прочности Д и
графитовой смазки момент затяжки МЗТ=1280-1630 кгс·м [6]. Меньшее значение
момента соответствует условию достижения наибольшего предела выносливости
соединения, а большее - условию предотвращения раскрепления соединения в
процессе бурения. Верхнее значение следует использовать только при появлении
раскреплений. Допустимым является весь диапазон моментов свинчивания - от
нижнего до верхнего значений.
Расчет КБТ
Первая над УБТ секция КБТ длиной 100
м компонуется из труб типа ТБД16Т диаметром 129 мм (с целью возможности
проведения инклинометрических работ в скважине без подъёма КБТ) и толщиной
стенки 11 мм.
Допускаемое наружное избыточное
давление для данной трубы составляет
Рн<Ркр/n (2.43)
Ркр - критическое наружное давление,
кгс/мм2, Ркр=3,89 кгс/мм2 [6];=1,15 -нормативный запас для наружного
избыточного давления.
Рн=3,89/1,15=3,38 кгс/мм2,
Так как длина первой секции задана
(100 м), проверяется выполнение условий статической прочности в верхнем сечении
секции для случая отрыва долота от забоя.
Бi=qi·li∙(1-γж/ γi), (2.44)
Бi - вес i - ой секции КБТ, кгс;-
длина i - ой секции БТ, м;
γi - приведённый удельный вес
трубы i-ой секции, гс/см3;- приведенный вес 1м тубы i - ой секции,
кгс/м.Б1=14·100∙(1-1,1/ 2,78) = 846 кгс;
На вертикальном участке
пятиинтервального профиля растягивающая нагрузка Qр определяется по формуле
Qр = к∙(
) + Dр∙Fк , (2.46)
где к - коэффициент учитывающий силы
трения, силы инерции, силы сопротивления промывочной жидкости, к = 1,15;
Dр
- перепад давления в забойном двигателе и долоте, кгс;к - площадь поперечного
сечения канала трубы, мм2, Fк = 8992 мм2 (для труб 1-ой секции);порядковый
номер (снизу от УБТ) рассчитываемой секции КБТ;Бi - вес i-ой секции КБТ, кгс;КН
- вес КНБК, кгс.р =1,15∙(846+2984)+1,1∙8992 = 14296 кгс.
Напряжение растяжения, таким
образом, равно
σр=Qр/F (2.47)
σр = 14296/4078 = 3,5 кгс/мм2
Допускаемое напряжение для бурильных
труб первой секции определяется по следующей формуле:
[σ]= σт/n (2.48)
где [s] - допускаемое напряжение, кгс/мм2;
sт
- предел текучести материала труб. Для труб группы прочности Д16Т sт = 33 кгс/мм2;- нормативный
запас прочности, n = 1,4.
[s]
= 33 / 1,4 = 23,6 кгс/мм2.
Фактический запас прочности
составляет:= 33/3,5 = 9,4.
Найденное растягивающее усилие Qр
меньше допустимой растягивающей нагрузки для ЗЛ-152 (Pmax=190,1 тс) [6].
Далее для первой секции проверяется
выполнение условия статической прочности на верхней границе искривленного
участка (в данном случае два искривлённых участка) при подъёме БК.
Для искривлённого участка на
интервале 2328-2675 м:
Длина искривленного участка lи=347 м
(см. табл. 2.2). В данном случае вся суммарная длина первой секции КБТ и КНБК
будут меньше протяжённости искривлённого участка (126,4 м < 347 м), поэтому
проверку условия статической прочности на верхней границе искривлённого участка
на интервале 2328-2675 при подъёме БК выполнять не требуется.
Для искривлённого участка на
интервале 150-381 м:
Длина искривленного участка lи=231 м
(см. табл. 2.2). В данном случае вся суммарная длина первой секции КБТ и КНБК
будут меньше протяжённости искривлённого участка (126,4 м < 231 м), поэтому
проверку условия статической прочности на верхней границе искривлённого участка
на интервале 150-381 при подъёме БК выполнять не требуется.
Таким образом, трубы ТБД16Т 129*11
удовлетворяют всем условиям и принимаются для компоновки первой секции КБТ.
Для плавного перехода по жёсткости от
УБТ к колонне бурильных труб рекомендуется последующую секцию БТ формировать из
труб возможно более низкой группы прочности с максимальной толщиной стенки.
Поэтому для этой секции принимаются трубы ПК 114
11Д. Эти трубы лишены главных
недостатков труб В и Н, кроме того, в них существенно меньше гидравлические
потери, что особенно важно при турбинном способе бурения. Длина первой секции
бурильной колонны принимается равной l2=250м.
Проверяем выполнение условий
статической прочности в верхнем сечении секции для случая отрыва долота от
забоя:
(2.49)
где qi - приведенный вес 1 м трубы i-ой секции,
кгс/м;- длина i-ой секции БТ, м;
γЖ - удельный вес
бурового раствора, г/см3;
γi - приведенный
удельный вес i-ой секции, гс/см3.Б1 - вес 1-ой секции КБТ, кгс.
(2.50)
где μ - коэффициент
трения БТ о стенки скважины;
α - зенитный угол,
град;К - вес КНБК, кгс;
К - коэффициент кавернозности.К - усилие,
обусловленное весом, силами сопротивления колонны и перепадом давления в
забойном двигателе и долоте на предыдущих (нижерасположенных) участках, кгс.
(2.51)
где ∆р - перепад давления в забойном
двигателе и долоте, кгс/мм2.К - площадь поперечного сечения канала трубы данной
секции, мм2.
(2.52)
где F - площадь поперечного сечения
трубы, мм2 [6].
Фактический запас прочности
Найденное растягивающее усилие QP
существенно меньше допустимой растягивающей нагрузки для ЗП-159-76
Проверим для первой секции
выполнение условий статической прочности на верхней границе искривленного
участка при подъеме БК.
Длина искривленного участка: = 0, 01745∙R∙α
= 0,01745∙500∙26,5 = 231,3 м
Принимаем ln = 231 м, тогда на
наклонном прямолинейном участке будет находиться часть 1-ой секции длиной 19
метров и КНБК.
(2.53)
Расчет растягивающей нагрузки на
искривленном (переходном) участке при увеличении зенитного угла
(2.54)
По значению ψ(+) находим
значение угла α*,
при
котором происходит переход прилегания колонны от нижней к верхней стенке
скважины.
(2.55)
Данное трансцендентное уравнение
имеет графическое решение (рис.2.4).
Рис. 2.4 - Зависимость ψ(+) для решения
трансцендентного уравнения
Так как при полученном ψ(+) не
существует решения трансцендентного уравнения. Следовательно, на всей длине
искривленного участка бурильная колонна при ее подъеме располагается на верхней
стенке скважины.
Тогда при α = αН = 0 и α* = αК величину
растягивающей нагрузки находим по формуле
Qр=2·к∙
·R((1-γж/ γ0)/(1+
2))·[
(Ψ(+)·e μαк
+2μcosα
)·( e μαк
- μ) ] (2.56)
(2.57)
где ТС1 - первая критическая
нагрузка, соответствующая касанию бурильной трубы стенки скважины посередине
между замками, кгс;
Е - модуль упругости материала
трубы, кгс/см2;- осевой момент инерции сечения трубы, см4;- радиус кривизны
профиля скважины, м;- длина бурильной трубы между замками, м.
δ = (DЗ - D)/2
(2.58)
где DЗ - наружный диаметр замка;-
наружный диаметр бурильной трубы.
ТС2 = 3ТС1 (2.59)
ТС2 - вторая критическая нагрузка,
соответствующая началу прилегания бурильной трубы к стенке скважины посередине
между замками, кгс.
Тс2= 3·18106=54318 кгс
При
:
(2.60)
(2.61)
Фактический запас прочности
Найденное значение QP также
существенно меньше допустимой для замкового соединения ЗП-159-76. Таким
образом, трубы ПК 114×11Д
удовлетворяют всем условиям и принимаются для компоновки второй секции КБТ.
С целью облегчения колонны бурильных
труб и уменьшения гидравлических сопротивлений третья секция проектируется из
труб ТБД16Т-129
11.
Определим наибольшую допустимую
длину третьей секции (первое приближение) по формулам
(2.62)
где Qpmax - максимальная допустимая
растягивающая нагрузка на тело трубы m-й секции, кгс;
Кт - коэффициент влияния касательных
напряжений на напряженное состояние трубы; при бурении забойными двигателями КТ
= 1;
К - коэффициент, учитывающий влияние
сил трения, сопротивления движению бурового раствора, К = 1,15;- порядковый
номер от УБТ секции;Бi - вес i-й секции КБТ, кгс;
∆р - перепад давления в
забойном двигателе и долоте, кгс/мм2;К - площадь поперечного сечения канала
трубы, мм2;- приведенный вес 1 метра трубы, кгс/м.
(2.63)
где σТ - предел
текучести для материала труб, кгс/мм2;- нормативный запас прочности.
Расстояние по стволу скважины от
забоя до устья расчетам профиля составляет 3025 м. Необходимая длина третьей
секции:= 3025 - (26,4+250+100) = 2648 м
Проверим далее, требуется ли
корректировка (уменьшение) длины третьей секции с целью удовлетворения условиям
прочности на участках повышенной напряженности. Для этого, во-первых, проверим
выполнение условий статической прочности третьей секции на верхней границе
искривленного участка и отрыва долота от забоя.
(2.64)
ТС2 = 3ТС1 = 3∙15992=47978 кгс
Так как ТС1 < QP < ТС2, то
наибольший изгибающий момент находится по формуле:
Фактический запас прочности:
Усилие QP в данном случае
существенно меньше допустимого значения осевой растягивающей нагрузки на
замковое соединение ЗЛ-152.
Проверяем выполнение условий
статической прочности для третьей секции на устье скважины.
Фактический запас статической прочности на устье
скважины:
Усилие QP здесь также существенно
меньше допустимого для замкового соединения ЗЛ-152, который имеет значение
Таким образом, ТБД16Т-129×11удовлетворяет
всем условиям и принимается для компоновки третьей секции КБТ.
Определим наибольшие допустимые
глубины спуска секций в клиновом захвате по формулам:
(2.65)
где QCТК - предельная
(соответствующая пределу текучести) осевая нагрузка, на трубу в клиновом
захвате, кгс;’ТК - предельная осевая нагрузка на трубу в клиновом захвате при
коэффициенте охвата, равном единице, кгс;
С - коэффициент охвата [6].
(2.66)
Для второй секции:
Данная длина значительно больше
принятой длины секции l2 = 250 м.
Для третьей секции:
Данная длина значительно больше
принятой длины l3 = 2648 м.
Таким образом, вся бурильная колонна
длиной 3025 метров может быть спущена с использованием клинового захвата
ПКР-560.
В итоге проектировочного расчета
получена конструкция бурильной колонны для бурения скважины под
эксплуатационную колонну (табл.2.18).
Таблица 2.18 - Сведения о конструкции бурильной
колонны
|
№
|
Тип
трубы
|
Размеры,
мм
|
Группа
прочности
|
Длина
секции, м
|
|
1
|
УБТ
|
146×74
|
Д
|
20
|
|
2
|
ТБД16Т
|
129×11
|
Д
|
100
|
|
3
|
ПК
|
114×11
|
Д
|
250
|
|
4
|
ТБД16Т
|
129×11
|
Д
|
2648
|
2.3.6 Обоснование типов и
компонентного состава бурового раствора
Эффективность бурения скважин во многом
определяется составом очистного агента, а также схемой и режимом промывки
скважины. Очистные агенты выполняют следующие основные функции при бурении
скважин [10]:
удаление с забоя частиц разрушенной породы
(шлама) и транспортирование (вынос) шлама на поверхность;
охлаждение породоразрушающего инструмента (ПРИ);
при бурении с использованием гидравлических
забойных двигателей (ГЗД) поток бурового раствора выполняет еще одну основную
функцию - переносит к ним энергию от буровых насосов.
К числу дополнительных функций бурового раствора
относятся следующие [10]:
обеспечение устойчивости горных пород в
околоствольном пространстве скважины;
создание равновесия в системе «ствол скважины -
пласт», т.е. предупреждение флюидопроявлений (поступлений в скважину газа,
нефти, воды) и поглощений (ухода бурового раствора из скважины вглубь
проницаемых пластов);
удержание частиц шлама во взвешенном состоянии
при остановках циркуляции;
снижение сил трения между контактирующими в
скважине поверхностями и их износа.
При этом в любых условиях буровой раствор должен
удовлетворять еще и целому ряду требований [10]:
активизировать процесс разрушения горных пород
на забое;
не вызывать коррозии бурового оборудования и
инструмента;
максимально сохранять естественную проницаемость
продуктивных горизонтов (коллекторские свойства пород);
не искажать геолого-геофизическую информацию;
быть устойчивым к возмущающим воздействиям, т.е.
к обогащению частицами разрушаемых пород, электролитной агрессии, высоким и
низким температурам, действию бактерий и др.;
быть безопасным для обслуживающего персонала,
экологически безопасным для компонентов окружающей природной среды и
«рентабельным», т.е. обеспечивающим максимально возможное снижение стоимости 1
м бурения или себестоимости 1 т (1 м3) нефти (газа).
Согласно «Правилам безопасности в нефтяной и
газовой промышленности» давление столба промывочной жидкости должно превышать
PПЛ на глубине 0 - 1200 метров на 10%, но не более 1,5 МПа, на глубине более
1200 м на 5%, но не более 2,5-3 МПа.
Тип бурового раствора, его компонентный состав и
границы возможного применения устанавливают из геологических условий:
физико-химических свойств пород и содержащихся в них флюидов, пластовых и
горных давлений, забойных температур.
Для обеспечения успешной проводки скважины в
качестве промывочной жидкости принимаем гель-раствор, приготовляемый из
очищенного глинозема и технической воды.
Данный буровой раствор по сравнению с растворами
на нефтяной основе достаточно дешев и абсолютно пожаробезопасен.
Пластовое давление рассчитывается по следующей
формуле [18]:
ПЛ =grad PПЛ·Н, МПа (2.68)
где grad PПЛ - градиент пластового давления,
МПа/м;
Н- глубина скважины по вертикали, м.
Плотность бурового раствора рассчитывается в
зависимости от пластового давления по формуле (2.66):
ρ = (PПЛ + αпл∙PПЛ)/(g∙L),
кг/м3 (2.69)
где PПЛ - пластовое давление на глубине L, Па;-
текущая глубина скважины, м;- ускорение свободного падения, м/с2;
αпл - градиент
пластового давления на глубине L.
Интервал 0 - 800 м:
При бурении под направление и кондуктор
превышение гидростатического давления над пластовым должно составлять не менее
10 % (глубина до 1200 м).
Пластовое давление рассчитывается по формуле
(2.68):ПЛ =0,01∙800∙106=8000000 Па.
Плотность бурового раствора для бурения в этом
интервале равна:
ρ = (8000000 + 0,1∙8000000)/(9,81∙800)
= 1121 кг/м3.
Плотность бурового раствора в рассматриваемом
интервале должна быть не менее 1120 кг/м3, но допускается превышение
гидростатического давления столба бурового раствора над пластовым давлением на
15 кгс/см2. С целью обеспечения устойчивости стенок скважин и исходя из опыта
бурения на Приобском месторождении выбирается плотность бурового раствора при
бурении под направление и кондуктор - 1120 кг/м3.
Интервал 800 -1200 м:
При бурении под эксплуатационную колонну
превышение гидростатического давления над пластовым должно составлять не менее
10% (глубина до 1200 м).
Пластовое давление рассчитывается по формуле
(2.68):ПЛ =0,01∙1200∙106=12000000 Па.
Плотность бурового раствора для бурения в этом
интервале равна:
ρ = (12000000+ 0,1∙12000000)/(9,81∙1200)
= 1121 кг/м3.
С целью обеспечения устойчивости стенок скважин
и исходя из опыта бурения на Приобском месторождении выбирается плотность
бурового раствора на данном интервале ρ=1120 кг/м3.
Интервал 1200 -2800 м:
При бурении под эксплуатационную колонну
превышение гидростатического давления над пластовым должно составлять не менее
5% (глубина более 1200 м).
Пластовое давление рассчитывается по формуле
(2.68):ПЛ =(0,01∙2040+0,0099∙760)∙106=27924000 Па.
Плотность бурового раствора для бурения в этом
интервале равна:
ρ = (27924000+ 0,1∙27924000)/(9,81∙2800)
= 1067 кг/м3.
С целью обеспечения устойчивости стенок скважин
и исходя из опыта бурения на Приобском месторождении, выбирается плотность
бурового раствора 1,10 г/см3.
Для вскрытия продуктивного пласта выбирается
плотность бурового раствора ρ = 1,10 г/см3.
В табл. 2.19. представлены плотности бурового
раствора по интервалам бурения.
Таблица 2.19 - Плотности бурового раствора
|
Интервал
бурения, м
|
Плотность
бурового раствора, кг/м3
|
|
0
- 800 800 - 1200 1200 - 2800
|
1120
1120 1100
|
Статическое напряжение сдвига рассчитываем по
формуле:
СНС1 = d∙(qп - qпж)∙g∙К/6,
где
СНС1 - статическое напряжение сдвига через 1 минуту, дПа;- диаметр частиц
шлама, м;п - плотность горной породы, кг/м3;пж - плотность промывочной
жидкости, кг/м3;- ускорение свободного падения, м/с;
К
- коэффициент, учитывающий реальную форму частиц шлама, К = 1,5.
СНС10
³ 5∙[2
- ехр∙( - 110∙d)]∙d∙(qп - qпж), (2.70)
где
СНС10 - статическое напряжение сдвига за 10 минут, дПа.
Условная
вязкость рассчитывается по формуле:
УВ
£ 21∙qпж∙10-3
(2.71)
где
УВ - условная вязкость, с;пж - плотность бурового раствора.
Показатель
фильтрации рассчитывается по формуле:
Ф<
(6·103/ qБР)+3, см3/30 мин. (2.72)
где qБР - плотность бурового раствора, кг/м3;
Статическое напряжение сдвига равно:
в интервале 0 - 800 м,
СНС1 = 0,003∙9,81∙ (2150 - 1120) ∙1,5
/ 6 = 7,58 дПа;
СНС10 = 5∙[2 - exp(-110∙0,003)] ∙0,003∙
(2150 - 1120) = 19,8 дПа;
в интервале 800 - 1200 м,
СНС1 = 0,003∙9,81∙ (2300 - 1120) ∙1,5
/ 6 = 8,7 дПа;
СНС10 = 5∙ [2 - exp(-110∙0,003)] ∙0,003∙
(2300 - 1120) = 22,7 дПа;
в интервале 1200 - 2800 м,
СНС1 = 0,003∙9,81∙ (2350 - 1100) ∙1,5
/ 6 = 9,2 дПа;
СНС10 = 5∙ [2 - exp(-110∙0,003)] ∙0,003∙
(2350 - 1100) = 24 дПа;
Условная вязкость:
в интервале 0 - 800 м:
УВ £ 21∙1120∙10-3
= 23,5 с;
в интервале 800 - 1200 м:
УВ £ 21∙1120∙10-3
= 23,5 c;
в интервале 1200 - 2800 м:
УВ £ 21∙1100∙10-3
= 23,1 с;
Показатель фильтрации:
в интервале 0 - 800 м:
Ф < (6·103/1120)+3 = 8,35 см3/30 мин;
в интервале 800 - 1200 м:
Ф < (6·103/1120)+3 = 8,35 см3/30 мин;
в интервале 1200 - 2800 м:
Ф < (6·103/1100)+3 = 8,45 см3/30 мин;
Параметры бурового раствора представлены в табл.
2.20.
Таблица 2.20 - Параметры бурового раствора
|
Интервал,
м
|
Плотность,
кг/м
|
Условная
вязкость, с
|
Фильтрация,
см3/30минут
|
СНС1/10,
дПа
|
Содержание
песка, %
|
|
0-800
800-1200 1200-2800
|
1120
1120 1100
|
23,5
23,5 23,1
|
8,35
8,35 8,45
|
7,6/20
9/23 9/24
|
1,5
1 0,5
|
Состав бурового раствора:
Вода техническая;
Очищенный глинозем;
Поваренная соль;
Крахмал;
Каустическая сода;
Жидкое стекло;
Сернокислый алюминий.
Для снижения показателей фильтрации вводятся:из
расчета 10 кг сухого реагента на 1м3 бурового раствора;
Габроил НV из расчета 5 кг сухого реагента на
1м3 бурового раствора.
Для увеличения условной вязкости применяется:
Габроил HY.
Для стабилизации условной вязкости применяется:.
Для снижения трения и стабилизации крутящего
момента между колонной бурильных труб и стенками скважины, а также в качестве
антиприхватной смазывающей добавки рекомендуется применение «ФК-2000». При
разбуривании цементного стакана направления и кондуктора необходимо добавлять в
буровой раствор кальцинированную соду для связывания активных катионов Ca2+ и
Mg2+.
Перед вскрытием продуктивного пласта для
сохранения коллекторских свойств пласта вводится ПАВ СНПХ ПКД-515. Добавка
ПКД-515 осуществляется в объёме 200 л за 15-20 м до кровли продуктивного
пласта.
2.3.7 Расчёт необходимого расхода
бурового раствора
Расход бурового раствора должен обеспечить:
эффективную очистку забоя скважины от шлама;
транспортирование шлама на поверхность без
аккумуляции его в кольцевом пространстве между бурильными трубами и стенками
скважины;
устойчивую работу забойного двигателя;
предотвращение гидроразрыва горных пород;
обеспечение гидромониторного эффекта;
предотвращение размыва стенки скважины и т.д.
Расчет расхода промывочной жидкости для
эффективной очистки забоя скважины осуществляется по формуле [20]=К· SЗАБ,
(2.73)
где К - коэффициент удельного расхода жидкости
принимается равным 0,55 м3/сек на 1 м2 забоя;ЗАБ - площадь забоя м2,
определяется по формуле
ЗАБ =0,785·ДД2 (2.74)
При бурении под направление долотом диаметром
0,3937 м по формуле (2.73)=0,55·0,785·0,39372 =0,067 м3/с.
При бурении под кондуктор долотом диаметром
0,2699 м по формуле (2.73)=0,55·0,785·0,26992 =0,031 м3/с.
При бурении под эксплуатационную колонну долотом
диаметром 0,1905 м по формуле (2.73)=0,55·0,785·0,19052 =0,016 м3/с.
Расход раствора Q2 при котором обеспечивается
вынос шлама на поверхность определяется по формуле [20]
м3/с, (2.75)
где Vкр - критическая скорость
проскальзывания шлама относительно раствора, м/с;М - механическая скорость
бурения, м/с;
ρп - плотность разбуриваемой
породы, г/см3;
ρр - плотность бурового
раствора, г/см3;
ρсм - плотность раствора со
шламом, г/см3;- максимальная площадь кольцевого пространства, м2.
м2, (2.76)
где dбт - минимальный диаметр
бурильных труб запроектированной компоновки, м.
, (2.77)
где КК - коэффициент каверзности.
При бурении под кондуктор долотом
диаметром 0,2699 м, по формуле=1,2·0,785·(0,26992 - 0,1292) =0,053 м3/с.
При бурении под эксплуатационную
колонну долотом диаметром 0,1905 м, по формуле=1,1·0,785·(0,19052 - 0,1292)
=0,017 м3/с.
Расчет расхода промывочной жидкости, исходя из
условия создания гидромониторного эффекта, рассчитывается по формуле [20]
=Fн·0,75, (2.78)
где Fн - площадь поперечного сечения насадок,
м2; определяется по формуле
н = (π·dН/4)·m
м2, (2.79)
где dН - диаметр насадок, м;- число насадок,
m=3.
При бурении под кондуктор долотом 269,9 М-ГН,
имеющем dН = =0,015 м по формуле:=(3,14·0,015/4)·3·0,75=0,033 м3/с.
При бурении под эксплуатационную колонну долотом
БИТ 190,5 ВТ 613 Н имеющими dН =0,01 м по формуле:=(3,14·0,01/4)·3·0,75=0,018
м3/с.
Расчет расхода промывочной жидкости,
обеспечивающий вынос шлама ведется по формуле [20]
= VКР·SMAX+(SЗАБ ·VMЕХ·(jП -jЖ))/(jСМ - jЖ)
м3/с, (2.80)
где VКР - скорость частиц шлама относительно
промывочной жидкости, м/сек; VКР =0,5 м/с;- максимальная площадь кольцевого
пространства в открытом стволе, м2, равен SКП;ЕХ - механическая скорость
бурения, м/сек; в интервале 0-800 м - VMЕХ =0,009 м/сек; в интервале 800-2800 м
- VMЕХ = 0,006;П - удельный вес породы, Н/м3;Ж - удельный вес промывочной
жидкости, Н/м3;СМ - удельный вес смеси шлама и промывочной жидкости, Н/м3;
(jСМ - jЖ)=0,01…0,02·104 Н/м3; принимается
0,02·104 Н/м3.
При бурении под кондуктор расход промывочной
жидкости, обеспечивающий вынос шлама, составит=0,5·0,785·(0,26992 - 0,1292)
+(0,785·0,26992· 0,009· (2,15·104 - 1,12·104))/0,02·104 = 0,046 м3/с.
При бурении под эксплуатационную колонну расход
промывочной жидкости, обеспечивающий вынос шлама составит=0,5·0,785·(0,19052 -
0,1292) +(0,785·0,19052· 0,005·(2,25·104- 1,08·104))/0,02·104 = 0,016 м3/с.
Расчет расхода промывочной жидкости,
предотвращающего размыв стенок скважины, ведется по формуле [20]
= VКП MAX·SMIN, (2.81)
где SMIN - минимальная площадь кольцевого
пространства, м2;КП MAX - максимально допустимая скорость течения, жидкости в
кольцевом пространстве, м/сек; VКП MAX =1,5 м/с [20].
Максимальные диаметры бурового инструмента: при
бурении под кондуктор - турбобур диаметром 0,240 м, при бурении под
эксплуатационную колонну - ВЗД диаметром 0,176 м.
Коэффициент каверзности при бурении под
кондуктор принимается равным 1,3, при бурении под эксплуатационную колонну
1,25.
При бурении под кондуктор расход промывочной
жидкости, предотвращающий размыв стенок скважины
составит=1,5·0,785·(0,26992·1,3 - 0,2402) =0,044 м3/с.
При бурении под эксплуатационную колонну расход
промывочной жидкости, предотвращающий размыв стенок скважины
составит=1,5·0,785·(0,19052·1,25 - 0,1762) =0,017 м3/с.
Расчет расхода промывочной жидкости из условия
предотвращения прихватов ведется по формуле [20]
Q= VКП MIN·SMAX, (2.82)
где VКП MIN - минимально допустимая скорость
промывочной жидкости в кольцевом пространстве; VКП MIN =0,5 м/с [20];-
максимальная площадь кольцевого пространства; минимальный диаметр бурового
инструмента у бурильных труб диаметр =0,129 м.
При бурении под кондуктор расход промывочной
жидкости, предотвращающий прихваты составит=0,5·0,785·(0,26992·1,3 - 0,1292) =
0,031 м3/с.
При бурении под эксплуатационную колонну расход
промывочной жидкости, предотвращающий прихваты составит=0,5·0,785·(0,19052·1,25
- 0,1292) =0,011 м3/с.
Учитывая полученные результаты расчётов расхода
промывочной жидкости различными методами, проектируется:
Расход промывочной жидкости при бурении под
кондуктор 45-50 л/с;
Расход промывочной жидкости при бурении под
эксплуатационную колонну 17-21 л/с.
Расчетные значения расхода промывочной жидкости
на интервалах бурения приведены в табл. 2.21.
Таблица 2.21 - Расход промывочной жидкости по
интервалам бурения
|
Интервал,
м
|
Расход
промывочной жидкости, м3/с
|
|
0
- 877 877 - 3025
|
0,045-0,05
0,017-0,021
|
2.3.8 Выбор гидравлической программы
промывки скважины
Под гидравлической программой бурения скважин
понимается рациональный выбор регулируемых параметров гидромеханических и
типовых процессов промывки ствола скважин, направленной на улучшение
технико-экономических показателей бурового процесса.
Целью составления гидравлической программы
бурения является определения рационального режима промывки скважины,
обеспечивающего наиболее эффективную отработку буровых долот при соблюдении
требований и ограничений, обусловленных геологическими техническими и
эксплуатационными характеристиками применяемого оборудования и инструмента.
При составлении гидравлической программы
предполагается:
исключить флюидопроявления из пласта и
поглощения бурового раствора;
предотвратить размыв стенок скважины и
диспергирование транспортируемого шлама;
обеспечить очистку забоя и вынос шлама из
кольцевого пространства скважины;
рационально использовать гидравлическую мощность
насосной установки;
исключить аварийные ситуации при остановках
циркуляции и пуске буровых насосов.
Гидравлический расчёт промывки скважины при
бурении под эксплуатационную колонну производится по методике, изложенной в
[20].
Таблица 2.22 - Исходные данные для расчета
|
Глубина
бурения скважины по стволу Н, м
|
3025
|
|
Диметр
долота dд, м
|
0,1905
|
|
Коэффициент
кавернозности К
|
1,25
|
|
Пластовое
давление Рпл, МПа
|
|
Давление
гидроразрыва Ргд, МПа
|
49
|
|
Плотность
разбуриваемых пород ρп, кг/м3
|
2300
|
|
Расход
промывочной жидкости Q, м3/с
|
0,02
|
|
Тип
бурового насоса
|
УНБ-600
|
|
Механическая
скорость бурения Vм, м/с
|
0,005
|
|
Наружный
диаметр УБТ 129×74 Д
dн, м
|
0,146
|
|
Наружный
диаметр ПК 114×11Д,
м
|
0,114
|
|
Наружный
диаметр ТБД16Т 129×11 dн,
м
|
0,129
|
|
Длина
УБТ 146×74Д, м
|
25
|
|
Длина
ТБД16Т 129×11, м
|
100
|
|
Длина
ПК 114×11
Д,
м
|
250
|
|
Длина
ТБД16Т 129×11, м
|
2663
|
|
Внутренний
диаметр УБТ 146×74Д
dв, м
|
0,074
|
|
Внутренний
диаметр ПК 114×11Д,
м
|
0,092
|
|
Внутренний
диаметр ТБД16Т 129×11 dв,
м
|
0,107
|
|
Пластическая
вязкость промывочной жидкости ηп,
Па٠с
|
0,010
|
|
Динамическое
напряжение сдвига τт, Па
|
15
|
|
Плотность
промывочной жидкости ρпж, кг/м3
|
1,1
|
|
|
|
Проверяем, дает ли выбранный ВЗД Д3-176 при
расходе Q крутящий момент, необходимый для разрушения породы:
(2.83)
где МТН - тормозной момент на валу
ВЗД при расходе QC;
ρВ - плотность технической
воды;
МТ = 4500∙1000∙0,0202/(1000∙0,0252)
= 2880 Н∙м.
Полученный момент МТ превышает
заданный, необходимый для разрушения породы МР=900÷1300 Н∙м
более чем на 20%. Следовательно, данный винтовой двигатель Д5-172 и насос
НБТ-600 с диаметром втулки можно использовать для промывки скважины.
Определение плотности промывочной
жидкости, при которой не произойдет гидроразрыва пласта.
Критическая плотность промывочной
жидкости кр определяется по формуле
rкр
=( PГР-∑( ΔРКП)
- (1- φ)∙ rп∙g∙Н)/( φ∙g∙Н)
(2.84)
где
- содержание жидкости в
шламожидкостном потоке, которое определяется по следующей формуле
φ = Q/((π/4)∙VМ∙dС2+
Q) (2.85)
С
- диаметр скважины, м, который определяется по следующей формуле:
С
= dД∙К; (2.86)
∑(ΔРКП) - сумма
потерь давления по длине кольцевого пространства ΔРКП и
местных потерь давления от замков РМН МПа.С = 0,1905∙1,25= 0,238 м.
φ
= 0,020/((3,14/4)∙0,005∙0,2382 +0,020) = 0,989
Следовательно,
содержание шлама в промывочной жидкости составит
-
j = 1 - 0,989
= 0,011
Для
определения Ркп и Рмн необходимо вычислить критические числа Рейнольдса Rекр в
кольцевом пространстве, действительные числа Рейнольдса в кольцевом
пространстве Rекп и числа Сен-Венана в кольцевом пространстве.
Критические
числа Рейнольдса определяются по формуле
(2.87)
В
затрубном пространстве за ТБД16Т 129×11:
Rекр=2100
+ 7,3∙((1000∙(0,238 - 0,129)2∙15)/0,0102)0,58 = 32923;
В
затрубном пространстве за ПК 114×11Д:екр=2100 + 7,3∙((1000∙(0,238-
0,114)2∙15)/0,0102)0,58 = 37895;
В
затрубном пространстве за УБТ 146×74Д:екр=2100 + 7,3∙((1000∙(0,238
- 0,146)2∙15)/0,0102)0,58 = 27419;
В
затрубном пространстве за забойным двигателем:екр=2100+7,3∙((1000∙(0,238
- 0,176)2∙15)/0,0102)0,58 = 18119.
Вычисляются
действительные значения чисел Рейнольдса в затрубном пространстве по формуле
(2.88)
В
затрубном пространстве за ТБД16Т 129×11:
Rекп=
(4∙1000∙0,020)/(3,14∙(0,238+0,129)∙0,010) = 6942;
В
затрубном пространстве за ПК 114×11Д:екп= (4∙1000∙0,020)/(3,14∙(0,238+0,114)∙0,010)
= 7238;
В
затрубном пространстве за УБТ 146-74Д:екп=(4∙1000∙0,020)/(3,14∙(0,238+0,146)∙0,010)
= 6635;
В
затрубном пространстве за забойным двигателемекп = (4∙1000∙0,020)/(3,14(0,238+0,172)
∙0,010) = 6214.
Так
как полученные значения Rекп<Reкр, то движение жидкости везде в кольцевом
канале происходит при ламинарном режиме. Определим числа Сен-Венана по формуле
(2.89)
В
затрубном пространстве за ТБД16Т 129×11
Sкп=
(3,14∙15· (0,238-0,129)2·(0,238+0,129))/(4·0,020·0,010) = 257;
В
затрубном пространстве за ПК 114×11Дкп=
(3,14·15·(0,238-0,114)2·(0,238+0,114))/(4·0,020·0,010) = 319;
В
затрубном пространстве за УБТ 146×74Дкп=
(3,14·15·(0,238-0,146)2·(0,238+0,146))/(4·0,020·0,010) = 191;
В
затрубном пространстве за забойным двигателемкп= (3,14·15·(0,238-0,172)2·(0,238+0,172))/(4·0,020·0,010)
= 105.
Потери
давления по длине кольцевого пространства определяются по формуле
(2.90)
где
- коэффициент, равный 0,89 для ПК, 0,87 для ТБД16Т, 0,85 для УБТ и 0,83 для
ВЗД.
В
затрубном пространстве за ТБД16Т 129×11
DРкп=
(4·15·2748)/(0,87·(0,238-0,129)) = 1,74 МПа;
В
затрубном пространстве за ПК 114×11Д:
DРкп=(4·15·250)/(0,89·(0,238-0,114))
= 0,14 МПа;
В
затрубном пространстве за УБТ 146×74Д:
DРкп=
(4·15·20)/(0,85·(0,238-0,146)) = 0,013 МПа;
В
затрубном пространстве за забойным двигателем:
DРкп=
(4·15·7)/(0,83·(0,238-0,172)) = 0,0076 МПа.
Вычисляются
потери давления от замков в затрубном пространстве по формуле
(2.91)
где lт - длина одной бурильной трубы, м, lт = 12
м; dнм - наружный диаметр муфт, м, dнм = 0,1588 м и 0,152 м для ПК 114×11Д
и ТБД16Т 129×11 соответственно;кп -
скорость движения жидкости в кольцевом канале, м/с.
Скорость движения жидкости в кольцевом канале
определяется по формуле:
(2.92)
За ТБД16Т 129×11
Vкп= (4∙0,020)/(3,14∙(0,2382-0,1292))
= 0,64 м/с;
За ПК 114×11Дкп=
(4∙0,020)/(3,14∙(0,2382-0,1142)) = 0,58 м/с.
Тогда потери давления от замков:
В затрубном пространстве за ТБД16Т 129×11
DРмк =(2748/12) ∙((0,2382-0,1292)/(0,2382-0,1522)-1)2
∙1000∙0,422=0,0015 МПа;
В затрубном пространстве за ПК 114×11Д
DРмк= (250/12)∙((0,2382-0,1142)/(0,2382-0,15882)-1)2
∙1000∙0,402 = 0,0005 МПа.
МПа.
Тогда критическая плотность
промывочной жидкости кр
кг/м3.
Критическая плотность промывочной
жидкости больше принятой, следовательно, условие недопущения гидроразрыва
пласта выполняется.
Далее определяются потери давления в
элементах циркуляционной системы. Для этого необходимо вычислить следующие
параметры:
Критические числа Рейнольдса в
бурильной колонне по формулекр = 2100 + 7,3∙((пж∙dв2∙t0)/ h2)0.58 (2.93)
ТБД16Т 129×11: Rекр=
2100+7,3∙((1000∙0,1072∙15)/ 0,0102)0,58=32267;
(ТБ)ПК 114×11Д: Rекр=
2100+7,3∙((1000∙0,0922∙15)/0,0102)0,58=27419;
УБТ 146×74Д:
Rекр=2100+7,3∙ ((1000∙0,0742∙15)/0,0102)0,58=21768.
Определяются действительные числа
Рейнольдса в бурильной колонне по формуле
ет=(4∙пж∙Q)/(p ∙dв∙h) (2.94)
ТБД16Т 129×11: Rет=(4∙1000∙0,020)/(3,14∙0,107∙0,010)=23811;
ПК 114×11Д: Rет=(4∙1000∙0,020)/(3,14∙0,092∙0,010)=27693;
УБТ 146×74Д: Rет=(4∙1000∙0,020)/(3,14∙0,074∙0,010)=34429.
В бурильной колонне в ТБД16Т 129×11 Rет <
Rекр, значит движение происходит при ламинарном режиме и описывается уравнением
Сен-Венана, а в ПК 114×11Д, УБТ 146×74Д Rет >
Rекр, следовательно движение происходит при турбулентном режиме и описывается
уравнением Дарси-Вейсбаха.
Рассчитывается число Сен-Венана для
колонны труб ТБД16Т формуле
т= (p∙t0∙dв3)/(4∙h∙Q) (2.95)
т=(3,14∙15∙0,1073)/(4∙0,010∙0,020)
= 72.
Вычисляются потери давления внутри
бурильной колонны по формуле
DРт=
(4∙t0∙l)/(b ∙dв), МПа, (2.96)
месторождение бурение
профиль скважина
где: - коэффициент, равный 0,85 для
ТБД16Т 129×11;
ТБД16Т 129×11: DРт = (4∙15∙2748)/(0,85∙0,107)
= 1,81 МПа.
Рассчитываются значения коэффициентов
гидравлического сопротивления l для ПК
114×11Д, УБТ 146×74Д
по формуле
l=0,1∙(1,46∙К/dв+100/ Rет)0,25,
(2.97)
где К - коэффициент шероховатости стенок,
принимается для ТБПК = 3∙10-4 м, для УБТ = 3∙10-4 м.
В ПК 114×11Д:
l=0,1∙
(1,46∙3∙10-4/0,092+100/27693)0,25=0,03;
В УБТ 146×74Д:
l=0,1∙
(1,46∙3∙10-4/0,074+100/34429)0,25=0,0296.
Вычисляются потери давления внутри ПК 127-9 Д,
УБТ 178-80Д по формуле
DРт = (l∙0,8∙пж∙Q2∙l)/(
p2∙dв5),
МПа. (2.98)
ПК 114×11Д:
DРт=(0,03∙0,8∙1000∙0,0202∙250)/(3,142∙0,0925)=0,037
МПа.
УБТ146×74Д:DРт=(0,0296∙0,8∙1000∙0,0202∙20)/(3,142∙0,0745)=0,0029
МПа.
Местными потерями давления в приварных замках ПК
114×11Д
пренебрегают, так как потери не значительны.
Вычисляются потери давления в наземной обвязке
по формуле:
(2.99)
где aс,
aш, aв, aк -
коэффициенты гидравлических сопротивлений элементов обвязки (стояка, бурового
рукава, вертлюга, ведущей трубы соответственно); aс=1,1×105
м-4, aш=0,93×105 м-4, aв=0,7×105 м-4, aк=0,9×105
м-4.
DРо = (1,1 + 0,93 + 0,7 + 0,9) ∙105∙1000∙0,0202
= 0,145 МПа.
Перепад давления в забойном двигателе Рзд
определяется по формуле
, (2.100)
где Рс - перепад давления в забойном
двигателе при его работе на технической воде, МПа, Рс = 7 МПа; Qс - расход
технической воды, м3/с, Qс = 0,025 м3/с.
МПа.
Разность между гидростатическими
давлениями столбов жидкости в кольцевом пространстве и трубах Рг определяется
по формуле
(2.101)
МПа.
Сумма потерь давления Р, во всех
элементах циркуляционной системы за исключением потерь давления в долоте Рд,
составит
МПа.
Резерв давления на долоте Рр
определяется по формуле
; (2.102)
где Рн - давление развиваемое
насосом, МПа, Рн = 26 МПа [20].
МПа.
Определяется возможность гидромониторного
эффекта, вычислив скорость течения жидкости в насадках долота по формуле
(2.103)
где m - коэффициент
расхода (m=0,95).
м/с.
Так как Vд > 80 м/с и перепад
давления на долоте меньше критического (Ркр=13 МПа), то бурение интервала
возможно с использованием гидромониторных долот.
Принимая Vд=80 м/с, вычисляется
перепад давления в долоте по формуле
(2.104)
МПа.
Таким образом, расчетное рабочее
давление в насосе Р составит
МПа.
Площадь промывочных отверстий
определяется по формуле
; (2.105)
где Qд - утечки промывочной жидкости
через уплотнения вала забойного двигателя, м3/с, Qд = 0,0007 м3/с [20].
м2.
Принимаются три насадки с внутренним диаметром
10 мм.
Рассчитанная гидравлическая программа промывки
скважины свидетельствует о том, что принятое значение расхода, развиваемое
насосом давление достаточны для преодоления гидравлических сопротивлений в
элементах циркуляционной системы, нормальной работы забойного двигателя и для
реализации гидромониторного эффекта. При этом соблюдается условие недопущения
гидроразрыва пород, слагающих стенки скважины.
2.3.9 Обоснование критериев
рациональной отработки долот
Использование долот типа PDC позволяет свести
расчеты рационального времени работы к минимуму. Из-за сравнительно небольшой
глубины скважин и высоких рабочих характеристик данных долот обычно одного
породоразрушающего инструмента хватает на бурение нескольких скважин (точнее
интервалов бурения - направление, кондуктор, эксплуатационная колонна). Причем
долота не доводятся до полного износа, как только проявляется сильное снижение
скорости бурения, сразу следует смена инструмента.
Эффективность разрушения породы долотом зависит
от многих факторов: осевой нагрузки на долото, частоты его вращения, чистоты
забоя скважины, конструкции долота, свойств породы, соотношения давления
промывочной жидкости на забой скважины и порового давления в слоях породы,
примыкающих к забою, состава и свойств промывочной жидкости. Некоторыми из этих
факторов можно оперативно управлять в период работы долота на забое либо перед
спуском его в скважину; для измерения других факторов требуется весьма
длительное время, так что в период работы одного долота такие факторы остаются
почти неизменными.
В процессе бурения не только разрушается горная
порода, но и изнашивается долото. Те факторы, от которых зависит эффективность
разрушения породы, оказывают влияние также на интенсивность изнашивания долота.
Наилучший результат можно получить лишь при оптимальном сочетании эффективности
разрушения породы и интенсивности износа вооружений и опор долота. Об
эффективности работы долот судят по нескольким показателям, основными из
которых являются проходка на одно долото, механическая и рейсовая скорость
бурения и эксплуатационные затраты на 1 метр проходки.
Проходка на одно долото h - это число метров,
пробуренных от начала разрушения породы данным долотом до рассматриваемого
момента работы его на забое. Если, пробурив некоторый интервал скважины, долото
поднимают с забоя далеко не полностью изношенным, а позже спускают его в ту же
или другую скважину, число метров, пробуренных долотом за время от первого
спуска на забой до первого подъема из скважины, или за время от повторного
спуска до повторного подъема, называют проходкой за рейс hp; общее число
метров, пробуренных долотом за время до полного износа, называют проходкой на
долото hд. В большинстве случаев hp=hд. Однако при использовании алмазных и ИСМ
долот, а также головок для отбора керна нередко hp < hд [16].
Механическая скорость проходки характеризует интенсивность
разрушения породы долотом и равна числу метров, пробуренных за единицу времени
взаимодействия долота с породой
м = dh/dt, (2.106)
где Vм-механическая скорость проходки,
м/с;количество пробуренных метров, м;время бурения,с.
Отношение проходки за рейс долота к единице
времени, затраченного на разрушение породы в течение этого рейса, называют
средней механической скоростью проходки за рейс Vср.
Под рейсовой скоростью проходки понимают
скорость углубления скважины и затрат времени tр не только на разрушение
породы, но и на спуско-подъемные операции и вспомогательные работы в течение
этого рейса:
=dh/dtp, (2.107)
Отношение проходки за рейс к сумме затрат
времени на механическое разрушение породы tм в течение данного рейса, на спуск
нового и подъем изношенного долота, а также на замену последнего tc, на
вспомогательные работы tв в течение рейса (наращивание, проработка, промывка)
называют средней рейсовой скоростью:
ср=hp/(tм+tc+tв), (2.108)
Показатель - эксплуатационные затраты на 1 м
проходки учитывает стоимость долота, а также все другие расходы, необходимые
для обеспечения разбуривания породы забоя (стоимость проката БУ,
израсходованной энергии, стоимость промывочной жидкости и реагентов и т.д.)
Сэ= [Сд+( Сб+Сж)
(tм+tc+tв)]/tд, (2.109)
где Сд -цена долота, руб.;
Сб - стоимость 1 ч. работы буровой установки по
жидкость, руб./ч.
Если партию однотипных долот одинакового
диаметра отрабатывать в однородной породе при одной и той же частоте вращения,
но при разных осевых нагрузках (постоянных для каждого долота), то при каждой
из нагрузок будет получено свое значение минимума эксплуатационных затрат и
максимума рейсовой скорости. Ту осевую нагрузку, при которой величина минимума
эксплуатационных затрат будет наименьшей по сравнению с минимумами при других
нагрузках, называют оптимальной при данной частоте вращения. Аналогично, ту
частоту вращения, при которой величина минимальных эксплуатационных затрат
является наименьшей по сравнению с минимумами при других частотах вращения,
называют оптимальной при данной осевой нагрузке. То сочетание частоты вращения
и осевой нагрузки, при котором величина минимума эксплуатационных затрат
является наименьшей по сравнению с минимумами при других сочетаниях тех же
параметров, называют оптимальными режимами бурения. Эксплуатировать долота
всегда желательно при оптимальном режиме или хотя бы при оптимальной нагрузке
для выбранной частоты вращения. Продолжать отработку долота после достижения
минимума эксплуатационных затрат на 1 м проходки в однородной породе нецелесообразно,
так как это приводит к увеличению себестоимости бурения скважины в целом.
Рейсовая скорость и эксплуатационные затраты на
1 м проходки значительно зависят от затрат времени tc и tв. Сумма tc и tв от
параметров режима бурения почти не зависит, но увеличивается пропорционально
глубине. Поэтому с глубиной, как правило, Vp уменьшается, а Сэ растет. Частично
уменьшить отрицательное влияние глубины на эти показатели можно, если по мере
углубления скважины так изменять сочетание осевой нагрузки и частоты вращения,
чтобы возрастала проходка за рейс даже ценой некоторого уменьшения механической
скорости. Практически для этого увеличивают осевую нагрузку при значительном
уменьшении частоты вращения долота.
2.3.10 Технология бурения на
участках направленного изменения кривизны скважины и при вскрытии продуктивного
пласта
Технологические причины искривления скважин
связаны с режимными параметрами процесса бурения. К их числу относятся осевая
нагрузка на породоразрушающий инструмент, частота и направление вращения инструмента,
количество и качество промывочной жидкости.
Повышение осевой нагрузки всегда приводит к
увеличению интенсивности искривления скважины. Это объясняется увеличением
прогиба КНБК, возрастанием отклоняющей силы, увеличением разработки стенок
скважины, что приводит к увеличению угла перекоса инструмента.
Повышение частоты вращения колонны бурильных
труб практически всегда сопровождается уменьшением интенсивности искривления.
Это можно объяснить кинематикой движения КНБК в скважине. При малой частоте
вращения колонна вращается в основном вокруг собственной оси, а при большой -
вокруг оси скважины. При средних значениях частот вращения имеет место
постепенный переходный процесс. Очевидно, что при вращении колонны вокруг оси
скважины искривление ствола за счет перекоса инструмента отсутствует. Изменение
направления вращения инструмента приводит, как правило, к изменению механизма
разрушения горной породы на забое и изменению направления искривления, особенно
по азимуту.
Расход и качество промывочной жидкости также
оказывают влияние на искривление скважин. В мягких породах при повышенном
расходе промывочной жидкости стенки скважины размываются более интенсивно, угол
перекоса инструмента увеличивается, что приводит к увеличению интенсивности
искривления. Введение в раствор смазывающих добавок уменьшает трение
инструмента о стенки скважины, что изменяет кинематику движения колонны
бурильных труб и приводит к изменению интенсивности искривления.
Для бурения проектируемой скважины на различных
интервалах проектируются следующие компоновки:
КНБК для бурения направления (0-40 м):
Долото 393,7 М-ГВУ-R227;
Калибратор 8К 393,7 М;
Переводник П-171/121;
Обратный клапан (КОБ 146-3-121);
Переводник З-121/133;
ТБД16Т - 37,5 м.
КНБК для бурения вертикального участка (интервал
50-100 м):
Долото БИТ-269,9 МС;
Калибратор 8К 269,9 МС;
Переводник З-152/121;
Турбобур 3ТСШ-195;
Переводник П-147/121;
Обратный клапан;
Переводник З-121/133;
ТБД16Т - 75 м.
КНБК для бурения интервала набора зенитного угла
(интервал 100-320 м):
Долото БИТ-269,9 МС;
Калибратор 8К 269,9 МС;
Переводник З-152/117;
Турбобур ТО2-195;
Переводник З-147/121;
Обратный клапан;
Переводник З-121/133;
ЗИС-4М;
ТБД16Т - 100 м;
Переводник З-133/121;
УБТ-146×74 - 25 м;
Переводник П-121/122;
ПК - 180 м.
КНБК для бурения интервала стабилизации
зенитного угла (интервал 320-714 м):
Долото БИТ-269,9 МС;
Калибратор 8К 269,9 МС;
Переводник З-152/121;
Турбобур 3ТСШ-195;
Переводник З-147/121;
Обратный клапан;
УБТ-146×74 - 25 м;
Переводник П-121/122;
ПК - 250 м;
Переводник П-122/133;
ТБД16Т129 - 415 м.
КНБК для бурения интервала стабилизации
зенитного угла (интервал 714-1722 м):
Долото БИТ-190,5 М5;
Калибратор 1К 190,5 МС;
Турбобур Д5-172;
Переводник З-147/121;
Обратный клапан;
УБТ-146×74 - 25 м;
Переводник П-121/122;
ПК - 250 м;
Переводник П-122/133;
ТБД16Т129 - 1440 м.
КНБК для бурения интервала падении зенитного
угла (интервал 1722-2600 м):
Долото БИТ-190,5 М5;
Калибратор 1К 190,5 МС;
Турбобур ДГ-176М;
Переводник З-147/121;
Обратный клапан;
Переводник П-121/133;
ЗИС-4М;
ТБД16Т - 100 м;
Переводник П-133/121;
УБТ-146×74 - 25 м;
Переводник П-121/122;
ПК - 250 м;
Переводник П-122/133;
ТБД16Т129 - 2214 м.
КНБК для бурения интервала стабилизации
зенитного угла (вертикальный интервал 2600-2900 м):
Долото БИТ-190,5 М5;
Калибратор 1К 190,5 МС;
Турбобур Д5-172;
Переводник З-147/121;
Обратный клапан;
Переводник П-121/133;
ТБД16Т - 100 м;
Переводник П-133/121;
УБТ-146×74 - 25 м;
Переводник П-121/122;
ПК - 250 м;
Переводник П-122/133;
ТБД16Т129 - 2615 м.
Технология первичного вскрытия продуктивного
пласта
Конечная цель бурения - получение промышленного
притока нефти и газа из продуктивных пластов. Получение начального притока
нефти и газа из пласта в большой степени зависит от технологии первичного
вскрытия продуктивного горизонта: состава и свойств промывочной жидкости,
длительности воздействия её на продуктивную залежь, от качества работ по
разобщению пластов от других проницаемых горизонтов.
При выборе промывочной жидкости для вскрытия
продуктивного пласта следует учесть следующие требования [28]:
фильтрат бурового раствора не должен
способствовать набуханию глинистых частиц, увеличению гидрофильности породы;
состав фильтрата должен быть таким, чтобы при
проникновении в пласт не происходило физических и химических взаимодействий,
сопровождающих образование нерастворимых осадков;
содержание частиц твёрдой фазы в буровом
растворе должно быть минимальным;
поверхностное натяжение на контакте
“фильтрат-порода” должно быть наименьшим;
показатель фильтрации должен быть минимальным;
степень минерализации фильтрата должна быть
близка к степени минерализации пластовых вод.
Руководствуясь опытом бурения в данном регионе и
выше перечисленными требованиями, выбираем для первичного вскрытия пласта -
ингибированный полимерный буровой раствор, содержащий в своем составе
биополимеры, полисахариды, ингибиторы глинистых минералов. Данный буровой
раствор наиболее дешевый и оказывает наименьшее отрицательное воздействие на
окружающую среду, чем при использовании других буровых растворов.
Перед вскрытием продуктивного пласта для
сохранения коллекторских свойств в буровой раствор вводятся
поверхностно-активные вещества - ПАВ. ПАВ гидрофобизируют поверхность поровых
каналов, препятствуют образованию в них водонефтяной эмульсии.
Параметры бурового раствора при вскрытии продуктивного
горизонта представлены в табл. 2.23.
Таблица 2.23 - Параметры раствора при вскрытии
продуктивного горизонта
|
Плотность,
г/см3
|
Условная
вязкость, с
|
Показатель
фильтрации, см3/30 мин
|
Содержание
песка, %
|
СНС1/10,
дПа
|
|
1,10
|
23-28
|
5
|
1
|
18
|
2.4 Технические средства и режимы
бурения при отборе керна
Данным проектом отбор керна не
предусматривается, так как скважина эксплуатационная.
.5 Проектирование процессов
заканчивания скважины
.5.1 Расчёт обсадных колонн
Обсадные колонны в процессе цементирования и
эксплуатации скважины подвергаются воздействию различных нагрузок, основными из
которых являются:
осевые растягивающие нагрузки от веса колонны;
осевые сжимающие нагрузки от веса части колонны
при ее посадке на уступ или забой;
динамические нагрузки, возникающие при
неустановившемся движении колонны;
осевые статические нагрузки от избыточного
давления и температуры;
избыточные наружные и внутренние давления в
затрубном пространстве и внутри обсадной колонны;
изгибающие нагрузки из-за искривления колонны в
результате потери устойчивости или при нахождении ее в искривленных участках
ствола скважины.
Наиболее опасными являются осевые растягивающие,
наружные и внутренние избыточные давления. Поэтому, в отечественной и
зарубежной практике типы обсадных труб, марки стали и толщины стенок
определяются из расчета на смятие (от действия наружного избыточного давления),
расчета на разрыв (от действия внутреннего избыточного давления), расчета на
страгивание в резьбовом соединении и на предел текучести тела трубы (от
действия растягивающих нагрузок) [3].
Расчет действующих нагрузок
Среди всего многообразия нагрузок, действующих
на колонну, выделяются главные, к которым, как правило, относятся наружные и
внутренние избыточные нагрузки, а также нагрузка растяжения от действия
собственного веса. Указанные нагрузки рассчитываются для периода, когда они
достигают максимального значения.
Избыточные наружные давления определяются как
разность между наружными и внутренними и достигают максимального значения,
когда внутренние давления оказываются минимальными. В соответствии с
действующей "Инструкцией по расчету обсадных колонн для нефтяных и газовых
скважин" наружные избыточные давления рассчитываются для характерных точек
по глубине скважины (устье, уровень цементного раствора за колонной, уровень
жидкости в колонне, забой скважины) [14]. По расчетным точкам строится эпюра
наружных избыточных давлений.
Избыточные внутренние давления определяются как
разность между внутренними и наружными и достигают максимального значения в период
опрессовки обсадной колонны, когда внутренние давления оказываются
максимальными, и во время цементирования обсадной колонны, при посадке
цементировочной пробки на стоп-кольцо. Расчет внутренних избыточных давлений
производится также для характерных точек, по которым строится эпюра внутренних
избыточных давлений. Для получения характерных точек необходимо изобразить
схему расположения уровней жидкости внутри колонны и за обсадной колонной для
соответствующего периода.
Нагрузки растяжения от собственного веса
достигают максимального значения в конце спуска обсадной колонны и определяются
как сумма весов секций колонны с различными толщинами стенок.
Обсадные колонны рассчитываются по правилам и
нормам, изложенным в “Инструкции по расчёту обсадных колонн для нефтяных и
газовых скважин” от 12.03.1997 г., с учётом требований “Правил безопасности в
нефтяной и газовой промышленности” от 2003 г.
Исходные данные для расчета действующих
нагрузок:
Глубина спуска эксплуатационной колонны
диаметром 146,1 мм: 2800 м;
Интервал цементирования 650 - 2800 м (660 - 2703
м ПЦТ III об 5-100 плотностью 1500 кг/м3; 2703 - 2848 м ПЦТ I-100 плотностью
1850 кг/м3; выбор цементов см. ниже);
Плотность продавочной жидкости 1000 кг/м3
(техническая вода);
Плотность буферной жидкости 1000 кг/м3;
Плотность бурового раствора 1100 кг/м3;
Плотность нефти 730 кг/м3;
Плотность пластовой воды 1010 кг/м3.
Расчет наружных избыточных давлений
Расчет наружных избыточных давлений
На обсадную колонну скважины действует давление
со стороны кольцевого пространства, называемое РН (наружное давление) и
действует давление внутри колонны РВ (внутреннее давление), разность этих
давлений составляет РНИ. В разные периоды времени наружное избыточное давление
достигает наибольших значений [14]. РНИ = РН - РВ; РНИ Þ
max. Имеются три таких случая.
случай: При цементировании:
в конце продавки тампонажной смеси и снятом на
устье давлении;
случай: При снижении уровня жидкости в колонне:
при испытании на герметичность снижением уровня;
вызов притока (в начале эксплуатации).
случай: Конец эксплуатации:
снижение уровня флюида для нефтяных скважин,
снижение давления для газовых скважин.
Первый случай
Первый случай встречается в период
цементирования в конце продавки тампонажной смеси и снятом на устье давлении.
На рис. 2.5 представлена схема цементирования
эксплуатационной колонны в конце продавки тампонажной смеси.
Рис. 2.5 - Цементирование эксплуатационной
колонны в конце продавки тампонажной смеси
Точка 1
РНИ = РН - РВ; РН = 0; РВ = 0; РНИ = 0.
Точка 2
РНИ = РН - РВ; РН = ρБР
g h1; РВ = ρПЖ g h1;
ρБР = 1100 кг/м3;
=800-150-338=312 м, (800 м - глубина спуска кондуктора, 338 м - высота столба
буферной жидкости);
РНИ = ρБР
g h1 - ρПЖ
g h1 = 1100*9,81*312-1000*9,81*312=0,3 МПа
Точка 3
РНИ = РН - РВ; ΡБЖ
= 1000 кг/м3
РН =g (ρБР
·h1 + ρБЖ
·h2))=9,81*(1100*312+1000*338)=6,68 МПа;
ΡПЖ = 1000 кг/м3;
РВ = ρПЖ
g (h1+h2)=1000*9,81*650=6,37;
РНИ = 6,68 - 6,37=0,31 МПа.
Точка 4
РНИ = РН - РВ;
РВ = ρПЖ
g h4 = 1000*9,81*2650 = 25,99 МПа;
РНИ = 36,11 - 25,99 = 10,12 МПа.
Точка 5
РНИ = РН - РВ;
РН =g (ρБР
·h1 + ρБЖ
h2 + ρОТР
h3 + ρТР
h5) = 9,81*(1100*312+338*1000 + 1500*2000 + 1850*150) = 38,83 МПа;
РВ = ρПЖ
g H = 1000*9,81*2800 = 27,46 МПа;
РНИ = 38,83 - 27,46 = 11,37 МПа.
Второй случай.
Этот случай характерен для периодов испытания на
герметичность и освоения скважины, при котором производят снижение уровня
жидкости в колонне.
Второй случай рассматривать нет необходимости,
т.к. РНИ будут больше в третьем случае, который соответствует концу
эксплуатации скважины.
Третий случай.
Этот случай соответствует концу эксплуатации
скважины.
На рис. 2.6 представлена схема конца
эксплуатации скважины.
Рис. 2.6 - Конец эксплуатации скважины
Точка 1
РНИ = РН - РВ; РН = 0; РВ = 0; РНИ = 0.
Точка 2
РНИ = РН - РВ; РВ = 0; РН = ρБР
g h1;
РНИ = ρБР
g h1 = 1100*9,81*312 = 3,36 МПа;
Точка 3
РНИ = РН - РВ; РВ = 0; РН = ρБР
g h1 + ρБЖ
g h2
РНИ = ρБР
g h1 + ρБЖ
g h2 = 3,36 + 1000*9,81*338 = 6,68 МПа;
Точка 4
РНИ = РН - РВ; РВ = 0; РН = ρБР
g h1+ ρБЖ
g h2+ ρБР
g hпв;
РНИ = ρБР
g h1+ ρБЖ
g h2+ ρПВ
g hпв = 6,68 + 1010*9,81*150 = 8,16 МПа;
Точка 5
РНИ = РН - РВ; РВ = 0;
РН = ρБР
g h1+ ρБЖ
g h2+ ρПВ
g hпв + ρОТР(1-К)ghI;
= H - 2*H/3 - (h2+h1) - hпв=2800-1866-800 = 134
м;
РНИ = ρБР
g h1+ ρБЖ
g h2+ ρПВ
g hпв + ρОТР(1-К)ghI
= 8,16 + 1500*0,75*9,81*134 = 9,638 МПа.
Точка 6
РНИ = РН - РВ; РВ = ρН
g(2Н/3- (H-h3))=730*9,81*(1866-150)=12,2 МПа;
РН = ρБР
g
h1+ ρБЖ g (h2-h1)+ ρПВ
g hпв + ρОТР(1-К)g(h3-h2-h1-hпв);
РН = 8,16 + 1500*0,75*9,81*1850= 28,56 МПа;
РНИ = 28,56 - 12,2 = 16,36 МПа.
Точка 7
РНИ = РН - РВ; РВ = ρН
g(2Н/3)=730*9,81*1866=13,3 МПа;
РН = ρБР
g h1+ ρБЖ
g (h2-h1)+ρПВ g hпв+ρОТР(1-К)g(h3-h2-hпв)+ρТР(1-К)g(H-h3);
РН = 28,56 + 1850*0,75*9,81*150 =30,6 МПа;
РНИ = 30,6 - 13,3 = 17,3 МПа.
На рис. 2.7 представлен график наружных
избыточных давлений.
Рис. 2.7 - График наружных избыточных давлений
Расчёт внутренних избыточных давлений.
Расчёт внутренних избыточных давлений
производится, как и для внешних избыточных давлений для периода времени, когда
они достигают максимальных давлений. РВИ = РВ - РН; РВИ Þ
max. Имеются два таких случая.
случай:
Конец продавки тампонажной смеси при
цементировании, когда давление на цементировочной головке достигает
максимального значения.
случай:
Опрессовка колонны с целью проверки её
герметичности.
Первый случай
Этот случай встречается в период цементирования
в конце продавки ТС. Известно, что при цементировании максимальные давления в
цементировочной головке РЦГ возникают в конце процесса при посадке
разделительной пробки на стоп-кольцо. Величина этого давления составит
РЦГ = ΔРГС
+ РГД + РСТ (2.110)
где ΔРГС
- разность гидростатических давлений, возникающих из-за разности плотностей
жидкости в затрубном пространстве и внутри колонны:
ΔPГС=(ρбур.р-ра*h1+
ρбуф.ж.*h2+ρобл.тамп.р-ра*h3+ρтамп.р-ра*h4)*g
- ρп.ж.*g*H
(2.111)
ΔРГС=1100*9,81*312+1000*9,81*338+1500*9,81*2000+1850*9,81*
150-1000*9,81*2800 = 3,36+ 3,32 +29,43 + 2,72-27,5 = 11,33 МПа;
РГД - гидродинамическое давление, необходимое
для преодоления гидравлических сопротивлений жидкости при движении её внутри
колонны и в затрубном пространстве
РГД = 0,002 L + 1,6, МПа; (2.112)
РГД = 0,002*3025+1,6=7,65 МПа;
РСТ - дополнительное давление, возникающее при
получении сигнала “стоп”:
РСТ = 2÷3 МПа,
принимаем РСТ = 3 МПа.
Тогда давление в цементировочной головке РЦГ
РЦГ = 11,33 + 7,65 + 3 = 21,98 МПа.
На рис. 2.10. представлен конец продавки
тампонажного раствора в затрубное пространство.
Рис. 2.8 - Конец продавки тампонажного раствора
Точка 1
РВИ = РВ - РН; РН = 0; РВ = РЦГ;
РВИ = РЦГ=21,98 МПа;
Точка 2
РВИ = РВ - РН; РН = ρБР
g h1; РВ = РЦГ + ρПЖ g h1;
РВИ = РЦГ + ρПЖ
g h1 - ρБР
g h1=21,98+1000*9,81*312- 1100*9,81*312=25,04-3,36=21,67 МПа;
Точка 3
РВИ = РВ - РН; РН = ρБР
g
h1 + ρБЖ g h2;
РВ = РЦГ + ρПЖ
g (h2+h1);
РВИ = РЦГ + ρПЖ
g (h2+h1) - ρБР g
h1 - ρБЖ g
h2=21,98+1000*9,81*650-1100*9,81*312-1000*9,81*338=28,35-6,68=21,67 МПа.
Точка 4
РВИ = РВ - РН; РН = ρБР
g
h1 + ρБЖ g h2 + ρОТС
g h3;
РВ = РЦГ + ρПЖ
g (h1+h2+h3);
РВИ = РЦГ + ρПЖ
g (h1+h2+h3) - ρБР g
h1 - ρБЖ g h2 - ρОТС
g h3=21,98+1000*9,81*2650-6,68-1500*9,81*2000=47,97-6,68-29,43=11,87 МПа.
Точка 5
РВИ = РВ - РН; РН = ρБР
g
h1 + ρБЖ g h2 + ρОТС
g h3 + ρТС
g h4;
РВ = РЦГ + ρПЖ
g H;
РВИ = РЦГ + ρПЖ
g H - ρБР
g
h1 - ρБЖ g h2 - ρОТС
g h3 + ρТС
g
h4=21,98+1000*9,81*2800-1100*9,81*312-1000*9,81*338-1500*9,81*2000-1850*9,81*150=49,44-38,83=10,61
МПа.
Второй случай
Этот случай характерен для опрессовки колонны.
В этом случае:
В=PОП+PГС (2.113)
ОП - давление опрессовки обсадной колонны. В
соответствии с «Правилами безопасности в нефтяной и газовой промышленности»
величина давления опрессовки РОП должна составлять [22]:
РОП = 1,1 РУ (2.114)
где РУ - максимальное ожидаемое давление на
устье.
Для добывающих скважин максимальное давление на
устье возникает в начальный момент эксплуатации при закрытом устье. Для
нефтяной скважины это давление составит
РУ = РПЛ - ρН
g L (2.115)
где РПЛ - пластовое давление в МПа;- глубина
измерения пластового давления, м;
ρН - плотность
нефти, кг/м3.
Тогда давление опрессовки составит
РОП = 1,1(РПЛ - ρН
g L)=1,1(27,72-730*9,81*2800)=1,1*7,72 = 8,49 МПа;
Необходимо, чтобы выполнялось условие
РОП≥РОПmin,
где РОПmin для колонны диаметром 177,8 мм равно
9,5 МПа, следовательно принимаем РОП =9,5 МПа.ГС - гидростатическое давление
столба жидкости, которой производится опрессовка скважины.
На рис. 2.11. представлена опрессовка обсадной
колонны.
Рис. 2.9 - Опрессовка обсадной колонны
Точка 1
РВИ = РВ - РН; РН = 0; РВ =
РОП;
РВИ = РОП = 9,5 МПа;
Точка 2
РВИ = РВ - РН; РН = ρБРg
h1; РВ = РОП + ρПЖg h1;
РВИ = РОП + ρПЖg
h1 - ρБРg
h1 = 9,5+1000*9,81*312-1100*9,81*312=12,56-3,36=9,2 МПа.
Точка 3
РВИ = РВ - РН; РН =
ρБРgh1
+ ρБЖgh2;
РВ = РОП + ρПЖg(h2+h1);
РВИ = (РОП + ρПЖg(h2+h1))
- (ρБРgh1
- ρПВgh2)=9,5+1000*9,81*650-3,36-1000*9,81*338=9,2
МПа;
Точка 4
РВИ = РВ - РН; РН = ρБРgh1
+ ρБЖgh2
+ ρПВghпв;
РВ = РОП + ρПЖg(h2+h1+hпв);
РВИ = РОП + ρПЖg(h2+h1+hпв)
- ρБРgh1
- ρБЖgh2
- ρПВghпв
=9,5+1000*9,81*800-6,68-1010*9,81*150 = 9,182 МПа.
Точка 5
РВИ = РВ - РН; РН = ρБРgh1
+ ρБЖgh2
+ ρПВghпв
+ ρОТР
g(1-К) (h3- h1- h2-hпв);
РВ = РОП + ρПЖgh3
=9,5+1000*9,81*2650=35,4 МПа;
РН = 8,16+ 1500*9,81*0,75*1850=28,57 МПа;
РВИ = 35,4-28,57=6,83 МПа.
Точка 6
РВИ = РВ - РН; РН = ρБРgh1
+ ρБЖgh2
+ ρПВghпв
+ ρОТР
g(1-К) (h3- h1- h2-hпв)+ ρТР g(1-К)
(Н-h3);
РВ = РОП + ρПЖgН
=9,5+1000*9,81*2800=36,9 МПа;
РН = 28,57+ 1850*9,81*0,75*150=30,61 МПа;
РВИ = 36,9-30,61=6,29 МПа.
На рис. 2.12. представлен график внутренних
избыточных давлений.
Рис. 2.10 - График внутренних избыточных
давлений
Конструирование обсадной колонны но длине
Под конструкцией обсадной колонны понимается тип
труб (их соединения), наружный диаметр обсадных труб, толщиной стенок,
материалом труб (группой прочности). Диаметр эксплуатационной колонны равен
146,1 мм.
Для комплектования обсадной колонны диаметром
146,1 мм принимаются обсадные трубы муфтового соединения с резьбой ОТТМ
исполнение А по ГОСТ 632-80.
Группа прочности стали выбирается в соответствии
с инструкцией по расчету обсадных колонн, которая рекомендует начинать расчет с
группы прочности “Д” [14].
Расчет производится с нижней секции, где
наружные давления имеют максимальные значения.
Определяется требуемая прочность трубы на смятие
для 1-ой секции Р1см, которая удовлетворяет условию
Р1СМ ≥ nСМ Р1НИ, (2.116)
где nСМ=1,2 - коэффициент запаса на смятие
внешним избыточным давлением;
Р1НИ - величина наружного избыточного давления в
начале 1-ой секции (на забое).
Тогда
Р1СМ ≥17,3*1,2 = 20,76 МПа.
По таблице определяется толщина стенки δ1
для
трубы из марки стали Д и с диаметром 146,1 мм [14]
δ1=7,0 мм (соответствует
давлению 22,4 МПа).
Глубина спуска определяется по формуле
=Hк+50м, (2.117)
где Hк - глубина кровли пласта, м.
Тогда=2650 м.
При пересчете на длину по стволу: 3025 м.
По эпюре определяется наружное избыточное
давление на верхнем конце первой секции Р2НИ=16,36 МПа и по таблице находят
трубы с толщиной стенки δ2, у которых
Р2СМ больше Р2НИ. Из этих труб будет состоять 2-я секция:
δ2=6,5 мм (соответствует
давлению 19,4 МПа) [14].
Предварительная длина 1-ой секции l1
определяется по формуле
=L-L1, (2.118)
где L - длина скважины по стволу, м;- глубина
спуска 1-й секции обсадных колонн, м.= 3025-2875 = 150 м.
Предварительный вес 1 секции при q1=0,243 кН/м
определяется по формуле:
= 11 • q1, (2.119)
где q1 - вес 1 метра обсадной колонны,
кН/м.=150*0,243=36,45 кН.
Корректируется прочность на смятие труб для 2-ой
секции с учетом двухосного нагружения от наружного избыточного давления и
растяжения от веса 1-ой секции по формуле:
*Р2СМ = Р2СМ (1-0,3 G1 / Q2Т), (2.120)
где *Р2СМ - прочность на смятие труб 2-ой секции
при двухосном нагружении, МПа;
Р2СМ - прочность на смятие труб 2-ой секции при
радиальном нагружении - 19,4 МПа;- растягивающая нагрузка на 2-ю секцию, равная
весу 1-ой секции - 36,45 кН;Т - растягивающая нагрузка для 2-ой секции, при
которой напряжение в теле трубы достигает предела текучести - 1078 кН [14].
*Р2СМ = 19,4 (1-0,3*36,45 / 1078)=19,206 МПа.
Коэффициент запаса определяется по формуле:
с=*Р2СМ/P2НИ ≥1. (2.121)
с =19,206/16,36=1,174≥1,
следовательно, принимаются рассчитанные
параметры труб первой секции.
Предполагается, что вторая секция труб может
использоваться до устья, поэтому рассчитываются коэффициенты запаса прочности:
На внутренне давление (берется точка на устье)
по формуле
Р = Р2Р / Р2ВИ≥1,15, (2.122)
где Р2Р - прочность труб 2-ой секции на
внутреннее давление с толщиной стенки δ2 - 29,5 МПа;
Р2ВИ - внутреннее избыточное давление на устье
скважины - 21,98 МПа.Р = 29,5 / 21,98=1,34≥1,15.
На страгивание в резьбовом соединении по формуле
СТР = Q2СТР / Σ*G>1,3,
(2.123)
где Q2СТР - прочность на страгивающие нагрузки
для труб 2-ой секции с толщиной стенок δ2 - 863 кН.
Σ*G - общий вес обсадной
колонны.
Вес второй секции, проектируемой до устья,
определяется по формуле
=(L-L1)*q2, (2.124)
где L - длина скважины по стволу, м;- длина 1-й
секции обсадных труб, м;- вес 1 метра обсадной трубы 2-й секции,
кН/м.=(3025-150)*0,226=649,75 кН;
Тогда проверка условия на страгиваниеСТР = 863 /
(36,45+649,75)=1,26<1,30.
Так как колонна не имеет требуемого запаса
прочности по страгивающим нагрузкам, то ведется расчет длины второй секции
через страгивающие нагрузки по формуле
= (Q2СТР / nСТР - ΣG1)
/ q2. (2.125)
= (863 / 1,3 - 36,45) /0,226=2776 м.
Проверка коэффициентов запаса по формулеСТР =
863 / (36,45+2776*0,226)=1,31.
Так как расчет коэффициента запаса прочности nР≥1,15,
и максимальное избыточное давление находится на устье, а поскольку, колонна
выдерживает нагрузки давления на устье, значит и в расчетном случае требования
безопасности будут соблюдаться.
Рассчитываются значения коэффициентов запаса
прочности для третьей секции (трубы из стали марки Д с толщиной стенки 7 мм).
Поскольку труба с толщиной стенки 6,5 мм
выдержала испытания при максимальном внутреннем избыточном давлении, то
дальнейший расчет для больших значений толщины стенки не обязателен.
Расчет коэффициентов запаса прочности на
страгивание в резьбовом соединении:
в точке перехода 2 секции в 3-ю определяется по
формуле
СТР = Q3СТР / Σ*G,
(2.126)
где Q3СТР - прочность на страгивающие нагрузки
для труб 3-ой секции с толщиной стенок δ3 - 931 кН;
Σ*G - суммарный вес
первой и второй секции, кН.СТР = 931/(36,45+2776*0,226)=1,4.
в точке на устье (планируется использовать 3-ю
секцию до устья) по формуле
СТР = Q3СТР / Σ*G,
(2.127)
где Σ*G - суммарный
вес первой, второй и третий секции обсадных колонн, кН.=36,45 кН;
*G2=627,376 кН;=(3025-2776-150)*0,382=37,818
кН.СТР = 931 / (36,45+627,376+37,818)=1,32>1,3.
Следовательно, 3-ю секцию обсадных труб можно
проектировать до устья.
Определяется длина 3-ей секции обсадных
труб:=(3025-150-2776)=99 м.
В табл. 2.24. представлены рассчитанные
параметры обсадных труб, составляющих эксплуатационную колонну.
Таблица 2.24 - Характеристики обсадных труб
|
№
секций
|
Группа
прочности
|
Толщина
стенки, мм
|
Длина,
м
|
Вес,
кг
|
Интервал
установки, м
|
|
|
|
|
1м
трубы
|
секций
|
суммарный
|
|
|
1
|
Д
|
7,0
|
150
|
0,243
|
36,45
|
36,45
|
3025-2875
|
|
2
|
Д
|
6,5
|
2776
|
0,226
|
627,376
|
663,826
|
2875-99
|
|
3
|
Д
|
7,0
|
99
|
0,243
|
37,818
|
701,644
|
99-0
|
Также проводится проверка запаса прочности на
растяжение на участке начала искривления. Искривление начинается с глубины в
150 м.
Соответственно берется расчет для глубины 175 м.
В интервал для расчета попадают:
секция: l1=150 м, G1=36,45 кН;
секция: l2=2776 м, *G2=627,376 кН;раст=663,826
кН.
Растягивающая нагрузка для труб 2й секции из
стали марки Д с толщиной стенки 6,5 мм:раст=863 кН.
Коэффициент запаса прочности для изогнутой
обсадной колонны на страгивающие нагрузки определяется по формуле:
раст.расчет.= Qраст/ Gраст. (2.128)
Тогда:раст.расчет.=863/663,826=1,3.
Требуемый коэффициент запаса определяется по
формуле:
РАСТ = nРАСТ / [1- nРАСТ λ1
(α0 - 0,5)], (2.129)
где nСТР - коэффициент запаса прочности на
страгивающие нагрузки для вертикальной колонны - 1,25;
λ1 - коэффициент,
учитывающий влияние размеров соединения обсадных труб и его прочностные
характеристики - 0,035;
α0 - интенсивность
искривления труб - 1 град/10 м.РАСТ = 1,25/ [1- 1,25* 0,035 (1,14 -
0,5)]=1,02<1,3.
Следовательно, колонна выдерживает требуемые
нагрузки на участке искривления.
Технологическая оснастка обсадной колонны
Элементы оснастки обсадных колонн представляют
собой комплекс устройств, применяемый для успешного спуска обсадных колонн и
качественного цементирования скважин, надежного разобщения пластов и
последующей нормальной эксплуатации скважин. К ним относятся: направляющий
башмак, обратный клапан, центратор, пробка продавочная, цементировочная
головка.
К использованию допускаются только элементы
технологической оснастки обсадных колонн, выпускаемые серийно или по отдельным
заказам специализированными заводами или предприятиями по технической
документации, утвержденной в установленном порядке.
Элементы оснастки (в том числе их резьбовые
соединения, стыковочные узлы и другие), встраиваемые в состав обсадной колонны,
не должны снижать ее герметичность, расчетную прочность на растяжение, сжатие,
изгиб, внутреннее и внешнее давление, а также долговечность с учетом конкретных
геолого-технических условий их работы (температура, наличие или отсутствие
агрессивных сред и др.).
Неизвлекаемые из скважины или неразбуриваемые
элементы оснастки, их отдельные узлы и детали, устанавливаемые на обсадные
колонны в коррозионностойком исполнении, должны быть также коррозионностойкими.
Подвесные устройства-разъединители потайных колонн должны обеспечивать
нахождение их в растянутом состоянии, как в процессе цементирования, так и в
период ОЗЦ.
Устройства, предусматривающие подвеску обсадных
труб в период ОЗЦ на бурильных трубах, должны предусматривать возможность
промывки скважины через башмак извлекаемого инструмента и его вращение до
отсоединения от обсадных труб.
Внутриколонные детали и узлы элементов оснастки,
выполняющие технологические функции лишь в период спуска и цементирования
обсадной колонны, насадки направляющих башмаков и другие должны быть
легкоразбуриваемыми.
Цементировочная головка
Цементировочные головки предназначены для
создания герметичного соединения обсадной колонны с нагнетательными линиями
цементировочных агрегатов.
Для эксплуатационной колонны диаметром 146,1 мм
выбираем цементировочную головку типа ГУЦ 146×400 с
рабочим давлением 40 МПа, которое не превышает расчётного давления Рцг= 21,9
МПа в конце продавки тампонажной смеси при цементировании, когда давление на
цементировочной головке достигает максимального значения [1]. При установке на
устье скважины верхнюю разделительную пробку в эту головку закладывают заранее,
поэтому отпадает необходимость разборки головки ГУЦ после закачивания
тампонажного раствора.
В табл. 2.25. представлены параметры выбранной
цементировочной головки.
Таблица 2.25 - Параметры цементировочной головки
|
Шифр
головки
|
Рраб,
МПа
|
Диаметр
колонны, мм
|
Габаритные
размеры, мм
|
Масса,
кг
|
|
|
|
Длина
|
Ширина
|
Высота
|
|
|
ГУЦ
146*400
|
40,0
|
146
|
1148
|
1148
|
875
|
305
|
Разделительные пробки
Разделительные пробки предназначены для
предотвращения смешивания тампонажного раствора с буферной жидкостью и
продавочной жидкостью при цементировании, а так же получения сигнала о посадки
пробки на стоп - кольцо, свидетельствующего об окончании процесса продавливания
тампонажного раствора в затрубное пространство скважины.
Выбираются пробки типа ПЦН-146 и ПВЦ-146 с
максимально допустимым перепадом давлением 6 МПа [1].
Пробки продавочные верхние типа ПВЦ
предназначены для разделения тампонажного раствора при его продавливании в
затрубное пространство скважин от продавочной жидкости.
Пробки разделительные нижние типа ПЦН
разработаны на базе пробки ПВЦ. Отличительной особенностью их является наличие
сквозного отверстия в сердечнике, в нижней части которого устанавливается
мембрана из жести, закреплённая гайкой. Внутри неё установлен подвижной
кольцевой нож с упорным кольцом. Такие пробки используют для разделения
буферной жидкости или бурового раствора с тампонажным раствором. Нижнюю пробку
устанавливают в цементировочной головке ниже верхней пробки. При нагнетании
жидкости пробка движется вниз в обсадной колонне до упора на стоп - кольцо или
опорную поверхность обратного клапана типа ЦКОД, после чего, вследствие
возрастания давления в колонне, её корпус с манжетами и мембраной смещается на
кольцевой нож, который подрезает мембрану. Под действием потока жидкости
мембрана отгибается, образуя канал, по которому жидкость поступает в затрубное
пространство скважины.
Обратные клапаны
Клапаны обратные дроссельные типа ЦКОД
предназначены для непрерывного самозаполнения буровым раствором обсадной
колонны при спуске её в скважину, для предотвращения обратного движения
тампонажного раствора из заколонного пространства и для упора разделительной
цементировочной пробки. Выбираем ЦКОД-146-1-ОТТМ [1]. Верхняя часть клапана
имеет опорную торцовую поверхность, которая выполняет функцию стоп-кольца для
остановки разделительной цементировочной пробки, поэтому установка упорных
колец не требуется.
В табл. 2.26. представлены характеристики
выбранного ЦКОДа.
Таблица 2.26 - Характеристики ЦКОД-146-1-ОТТМ
|
Параметр
|
Шифр
клапана
|
|
ЦКОД-146-1-ОТТМ
|
|
Условный
диаметр клапана, мм
|
146
|
|
Диаметр
шара, мм
|
76
|
|
Диаметр
отверстия в дросселе, мм
|
14
|
|
Наружный
диаметр клапана, мм
|
166
|
|
Длина
клапана, мм
|
344/370
|
|
Масса
клапана, кг
|
19,4/20,9
|
Башмак колонный
Башмаки колонные предназначены для оборудования
низа обсадных колонн с целью направления их по стволу скважины и защиты от
повреждений при спуске в процессе крепления нефтяных и газовых скважин с
температурой на забое до 2500 С.
Выбирается башмак типа БКМ-146 с трапецеидальной
резьбой ОТТМ [1].
В табл. 2.27. представлены характеристики
выбранного колонного башмака.
Таблица 2.27 - Характеристики башмака БКМ-146
|
Параметр
|
Шифр
башмака
|
|
БКМ-146
|
|
Условный
диаметр обсадной трубы, мм
|
146
|
|
Диаметр
башмака, мм
|
166
|
|
Высота
башмака, мм
|
298
|
|
Диаметр
центрального отверстия, мм
|
70
|
|
Диаметр
отверстия каналов, мм
|
15
|
|
Число
отверстий каналов
|
6
|
|
Масса,
кг, не более
|
16
|
Центраторы
Центраторы предназначены для обеспечения
концентричного размещения обсадной колонны в скважине с целью достижения
качественного разобщения пластов при цементировании. Кроме того, центраторы
способствуют облегчению спуска обсадной колонны за счёт снижения сил трения
между обсадной колонной и стенками скважины, увеличению степени вытеснения
бурового раствора тампонажем за счёт некоторой турбулизации потоков в зоне их
установки.
Расчет центрирования обсадной колонны производим
в интервалах, указанных в табл. 2.28.
Таблица 2.28 - Интервалы центрирования обсадной
колонны
|
Интервал,
м
|
Название
интервала
|
Зенитный
угол в начале интервала, град.
|
Зенитный
угол в конце интервала, град.
|
|
727-2328
|
Участок
стабилизации
|
26,51
|
26,51
|
|
2328-2675
|
Участок
падения угла
|
26,51
|
0
|
|
2675-3025
|
Участок
стабилизации
|
0
|
0
|
Расчёт центрирования обсадных колонн в интервале
2675-3025 м.
Поскольку имеется участок стабилизации, в
котором зенитный угол равен 00, принимается следующее решение: ставится 2
центратора над кровлей продуктивного пласта и 2 центратора под подошвой пласта.
Расстояние между центратора принимается - 10 м. Итого выбирается 4 центратора
ЦЦ-1-146/216.
Расчёт центрирования обсадных колонн в интервале
2328-2675 м:
глубина спуска обсадной колонны L = 3025 м;
диаметр ствола скважины на рассматриваемом участке
D = 0,1901 м;
высота подъема цемента HЦ = 727 м;
наружный диаметр обсадной колонны dН = 0,1461 м;
внутренний диаметр обсадной колонны dВ = 0,133
м;
Внутренний
диаметр колонны определяется как средневзвешешнный диаметр по формулеВ= Σ(DОК - 2*δi)*li/L, (2.130)
где
DОК - внешний диаметр обсадной колонны, м;
δi
- толщина
стенки обсадной трубы i-й секции, м;- длина i-й секции обсадной колонны, м;-
общая длина обсадной колонны в интервале цементирования,
м.В=[(0,1461-2*0,007)*150+(0,1461-2*0,0065)*2152]/2302=0,133 м.
зенитный
угол наклона скважины на рассматриваемом участке α1 = 13,25;
α1
=(26,51+0)/2=13,25о.
плотность
облегчённого тампонажного раствора (интервал 732-2875 м):
плотность
тампонажного раствора нормальной плотности (интервал 2875-3025 м) ρОТ = 1850
кг/м3;
плотность
бурового раствора ρБ = 1100
кг/м3 ;
плотность
продавочной жидкости ρП = 1000
кг/м3;
вес
единицы длины обсадной колонны в воздухе q = 22,6 кгс/м;
интервал
центрирования колонны (верх-низ) hВ - hН = 2328-2675 м
допустимая
нагрузка на центратор (для вертикальных участков ствола скважины и участков с
углом наклона до 30-350 применяются центраторы типа ЦЦ-1) [Q] = 780 кгс;
допустимая
стрела прогиба [f] = 0,011517 м.
Определяется
стрела прогиба обсадной колонны в центрируемом участке по формуле
[f]
= 0,33 (D-dН)/2, (2.131)
где
D - диаметр скважины, м;Н - наружный диаметр обсадной колонны, м.
[f]
=0,33*(0,1901-0,1461)/2=0,00726 м.
Предварительные
расчеты. Жесткость труб обсадной колонны определяется по формуле
EI = 2,1·1010·
·[1-(
)4], (2.132)
где dН - наружный диаметр обсадной
колонны, м;
где dв - внутренний диаметр обсадной
колонны, м.= (2,1*1010*3,14*0,14614/64)*(1-(0,133/0,1461)4)= 147043 кгс·м2.
Объем вытесненного тампонажного
раствора на 1 метре обсадной колонны определяется по формуле
Vт=0,785·dн2, (2.133)
Т =0,785*0,14612=0,01676 м3.
Вес вытесненного тампонажного раствора на 1
метре определяется по формуле
т = VТ · ρт,
(2.134)
где ρт
- плотность тампонажного раствора, кг/м3.т =0,01676*1500=25,14 кгс/м.
Внутренний объем 1 метра обсадной колонны
определяется по формуле
VВ = 0,785 · d
(2.135)В
=0,785*0,1332=0,0139 м3.
Вес продавочной жидкости на 1 метре
определяется по формуле
п = VВ · ρп, (2.136)
где ρп -
плотность продавочной жидкости, кг/м3.п =0,0139*1000=13,9 кгс/м.
Вес 1 метра обсадной колонны с
продавочной жидкостью определяется по формуле
к = q + qп, (2.137)
где q - вес 1 метра обсадной колонны
в воздухе, кгс/м.к =22,6+13,9=36,5 кгс/м.
Вес 1 метра обсадной колонны с продавочной
жидкостью в цементном растворе определяется по формуле
ж = qк - qт (2.138)
ж =36,5-25,14=11,36 кгс/м
Прижимающее усилие, действующее на центратор при
расстоянии между центраторами 10 м определяется по формуле
= 1,43 · 10 · qж · sin α1,
(2.139)
где α1 - зенитный
угол наклона ствола скважины на участке расположения рассматриваемой трубы.=
1,43*10*11,36*sin13,25=37,23 кгс.
Расстояние между центраторами по допустимой
нагрузке на один центратор определяется по формуле
l1 =
(2.140)
где [Q] - допустимая нагрузка на
один центратор, кгс.=780/37,23=20,9 м.
Расчет расстояний между центраторами
и количества центраторов. Стрела прогиба обсадной колонны от собственного веса
определяется по формуле
=
(2.141)
=(6,3*11,36*20,94*sin13,25)/
147043=21,285 мм.
Растягивающее усилие от нижележащего
участка обсадной колонны определяется по формуле
N = 0,3 · qж
· (L-hн)
· cos α2,
(2.142)
где α2 - средневзвешенный
зенитный угол ствола скважины в интервале от hн до L.=
0,3*11,36*(3025-2675)*cos0=1192,8 кгс.
Критическая сила (по Эйлеру)
определяется по формуле
КР =
, (2.143)
где μ = 1.
PКР =3,142*147043 /20,92=3319 кгс.
Стрела прогиба труб между
центраторами с учетом растягивающего усилия определяется по формуле
=
. (2.144)
=21,285/[1+(1192,8/3319)2]=18,85 мм.
Так как f
[f]
принимается l = l1=20,9 м.
Необходимое количество центраторов в
рассматриваемом интервале определяется по формуле
= [(hН - hВ)/l] + 1, (2.145)
где (hН - hВ) - интервал центрирования колонны,
м.=[(2675-2328)/20,9]+1=18 шт.
Выбираются для данного интервала центраторы
ЦЦ-1-146/216, n =18 шт.
Расчёт центрирования обсадных колонн в интервале
877-2328м:
глубина спуска обсадной колонны L = 3025 м;
диаметр ствола скважины на рассматриваемом
участке D = 0,1901 м;
высота подъема цемента HЦ = 727 м;
наружный диаметр обсадной колонны dН = 0,1461 м;
- внутренний диаметр обсадной колонны dВ = 0,133 м;
зенитный угол наклона скважины на рассматриваемом
участке α1
= 26,51.
α1 =(26,51+26,51)/2=26,51 ̊.
- плотность облегчённого тампонажного раствора
(интервал: 727-2875 м) ρОТ = 1500
кг/м3;
плотность бурового раствора ρБ
= 1100 кг/м3;
плотность продавочной жидкости ρП
= 1000 кг/м3 ;
вес единицы длины обсадной колонны в воздухе q =
22,6 кгс/м;
интервал центрирования колонны (верх-низ) hВ -
hН = 877-2328 м;
допустимая нагрузка на центратор (для
вертикальных участков ствола скважины и участков с углом наклона до 30-350
применяются центраторы типа ЦЦ-1) [Q] = 780 кгс;
допустимая стрела прогиба [f] = 0,007326 м.
[f] = 0,33 (D-dН)/2, м. (2.146)
[f] =0,33*(0,1905-0,1461)/2=0,007326 м.
Предварительные расчеты.
Жесткость труб обсадной колонны определяется по
формуле= (2,1*1010*3,14*0,14614/64)*(1-(0,133/0,1461)4)= 147043 кгс·м2.
Объем вытесненного тампонажного раствора на 1
метре обсадной колонны определяется по формулеТ =0,785*0,14612=0,01676 м3.
Вес вытесненного тампонажного раствора на 1
метре определяется по формулет =0,01676*1500=25,14 кгс/м.
Внутренний объем 1 метра обсадной колонны
определяется по формулеВ =0,785*0,1332=0,0139 м3.
Вес продавочной жидкости на 1 метре определяется
по формулеп =0,0139*1000=13,9 кгс/м.
Вес 1 метра обсадной колонны с продавочной жидкостью
определяется по формулек =22,6+13,9=36,5 кгс/м.
Вес 1 метра обсадной колонны с продавочной
жидкостью в цементном растворе определяется по формулеж =36,5-25,14=11,36
кгс/м.
Прижимающее усилие, действующее на центратор при
расстоянии между центраторами 10 м определяется по формуле=
1,43*10*11,36*sin26,51=72,51 кгс.
Расстояние между центраторами по допустимой
нагрузке на один центратор определяется по формуле=780/72,51=10,76 м.
Расчет расстояний между центраторами и
количества центраторов. Стрела прогиба обсадной колонны от собственного веса
определяется по формуле=(6,3*11,36*10,764*sin26,51)/ 147043=2,91 мм.
Растягивающее усилие от нижележащего участка
обсадной колонны определяется по формуле
α2=(350*0+347*13,25)/697=6,60.=
0,3*11,36*(3025-2328)*cos6,6=2359,6 кгс.
Критическая сила (по Эйлеру) определяется по
формулеКР =3,142*147043 /10,762=12522 кгс.
Стрела прогиба труб между центраторами с учетом
растягивающего усилия определяется по формуле=2,91/[1+(2359,6/12522)2]=2,81 мм.
Так как f
[f]
принимается l = l1=10,76 м.
Необходимое количество центраторов в
рассматриваемом интервале определяется по формуле:=[(2328-877)/10,76]+1=136 шт.
Выбираются для данного интервала
центраторы ЦЦ-1-146/216, n =136 шт.
Расчёт центрирования обсадных колонн
в интервале 727 - 877 м:
глубина спуска обсадной колонны L =
3292 м;
диаметр ствола скважины на
рассматриваемом участке D = 0,2013 м;
высота подъема цемента HЦ = 727 м;
наружный диаметр обсадной колонны dН
= 0,1461 м;
внутренний диаметр обсадной колонны
dВ = 0,133 м;
зенитный угол наклона скважины на
рассматриваемом участке α1
= 26,51;
- плотность облегчённого
тампонажного раствора (интервал 727-2875 м) ρОТ = 1500 кг/м3;
плотность бурового раствора ρБ = 1100
кг/м3 ;
плотность продавочной жидкости ρП = 1000
кг/м3;
вес единицы длины обсадной колонны в
воздухе q = 22,6 кгс/м;
интервал центрирования колонны
(верх-низ) hВ - hН = 727-877 м;
допустимая нагрузка на центратор
(для вертикальных участков ствола скважины и участков с углом наклона до 30-350
применяются центраторы типа ЦЦ-1) [Q] = 780 кгс;
- допустимая стрела прогиба [f] = 0,007326 м.
[f] = 0,33 (D-dН)/2, м. (2.147)
[f] =0,33*(0,1905-0,1461)/2=0,007326 м.
Предварительные расчеты. Жесткость труб обсадной
колонны определяется по формуле= (2,1*1010*3,14*0,14614/64)*(1-(0,133/0,1461)4)=
147043 кгс·м2.
Объем вытесненного тампонажного раствора на 1
метре обсадной колонны определяется по формулеТ =0,785*0,14612=0,01676 м3.
Вес вытесненного тампонажного раствора на 1
метре определяется по формулет =0,01676*1500=25,14 кгс/м.
Внутренний объем 1 метра обсадной колонны
определяется по формулеВ =0,785*0,1332=0,0139 м3.
Вес продавочной жидкости на 1 метре определяется
по формулеп =0,0139*1000=13,9 кгс/м.
Вес 1 метра обсадной колонны с продавочной
жидкостью определяется по формулек =22,6+13,9=36,5 кгс/м.
Вес 1 метра обсадной колонны с продавочной
жидкостью в цементном растворе определяется по формулеж =36,5-25,14=11,36
кгс/м.
Прижимающее усилие, действующее на центратор при
расстоянии между центраторами 10 м определяется по формуле=
1,43*10*11,36*sin26,51=72,51 кгс.
Расстояние между центраторами по допустимой
нагрузке на один центратор определяется по формуле=780/72,51=10,76 м.
Расчет расстояний между центраторами и
количества центраторов. Стрела прогиба обсадной колонны от собственного веса
определяется по формуле=(6,3*11,36*10,764*sin26,51)/ 147043=2,91 мм.
Растягивающее усилие от нижележащего участка
обсадной колонны определяется по формуле
α2=(350*0+347*13,25+1550*26,51)/2148=21,270.=
0,3*11,36*(3025-877)*cos21,27=6821,73 кгс.
Критическая сила (по Эйлеру) определяется по
формулеКР =3,142*147043/10,762=12522 кгс.
Стрела прогиба труб между центраторами с учетом
растягивающего усилия определяется по формуле=2,91/[1+(6821,73/12522)2]=2,24
мм.
Так как f
[f]
принимается l = l1=10,76 м.
Необходимое количество центраторов в
рассматриваемом интервале определяется по формуле=[(877-727)/10,76]+1=15 шт.
Выбираем для данного интервала
центраторы ЦЦ-1-146/216, n =15 шт.
Все данные об центрировании колонны
сводим в табл. 2.29.
Таблица 2.29 - Сведения о
центраторах
|
Интервал,
м
|
Расстояние
м/у центраторами, м
|
Количество
центраторов, шт
|
|
727
- 877
|
10,76
|
15
|
|
877
- 2328
|
10,76
|
136
|
|
2328
- 2675
|
20,9
|
18
|
|
2675
- 3025
|
10
|
4
|
Общее количество центраторов 173 штук.
. Пакер
Пакер предназначен для изоляции заколонного
пространства между скважиной и колоннами или между промежуточной колонной и
эксплуатационной колонной, и для разделения двоих близко расположенных
проницаемых горизонта.
Выбираем пакер гидравлический проходной с
малогабаритным клапанным узлом типа ПДМ-146, для предотвращения возможных
межпластовых перетоков.
В табл. 2.30. приведен список технологической
оснастки эксплуатационной колонны.
Таблица 2.30 - Технологическая оснастка эксплуатационной
колонны
|
Наименование
|
Обозначение
|
Количество,
шт.
|
|
Цементировочная
головка
|
ГУЦ
146*400
|
1
|
|
Разделительные
пробки
|
ПЦН-140-168
ПВЦ-140-168
|
1
1
|
|
Обратный
клапан
|
ЦКОД-146-1-ОТТМ
|
1
|
|
Башмак
колонный
|
БКМ-146
|
1
|
|
Центратор
|
ЦЦ-1-146/216
|
173
|
|
Пакер
заколонный
|
ПДМ-146
|
1
|
Расчет натяжения эксплуатационной колонны
Натяжение обсадной колонны необходимо для
сохранения прямолинейной формы её незацементированной части путём компенсации
веса и с учётом изменения температуры и давления. Если расчётное значение натяжения
не удовлетворяет условию прочности колонны, то необходимо либо повысить
прочность труб, либо увеличить высоту подъёма цемента.
Определяют как нижний, так и верхний предел
натяжения обсадных колонн.
Нижний предел - минимальное значение усилия
натяжения для скважин любого назначения выбирается по наибольшему значению из
двух значений, рассчитанных по формуле [12]
QН = Q + α E F Δ T
10-3 + 0,31* P* d2 103 - 0,655 *l *(D2 ρР - d2 ρВ)10-2,
(2.148)
где QН - усилие натяжения, кН;- вес свободной
(незацементированной) части колонны, кН;- внутреннее устьевое давление в
колонне при эксплуатации или при нагнетании, МПа;- длина свободной части
колонны, м;, d - соответственно наружный и внутренний диаметры свободной части
колонны, м;- площадь поперечного сечения тела трубы, м2;
ρР, ρВ
- удельные веса жидкости за колонной и внутри неё в процессе эксплуатации,
кг/м3;
α - коэффициент
линейного расширения материала труб, 1/ 0С;- модуль упругости материала трубы,
Па;
Δ T - средняя температура
нагрева (охлаждения) колонны, 0С.
Вес незацементированной части колонны
определяется по формуле
Q=ΣGi, (2.149)
где Gi - вес секции, из которых состоит обсадная
колонна, кН.= 37,88+628*0,226=179,8 кН.
Внутреннее устьевое давление берется из расчета
внутренних избыточных давлений= 7,72 МПа.
Длина свободной части эксплуатационной колонны=
727 м.
Имеются 3 секции эксплуатационной колонны,
следовательно, будут рассчитываться средневзвешенные значения внутреннего
диаметра колонн, площади поперечного сечения тела трубы и плотности жидкости в
заколонном пространстве. Внешний диаметр эксплуатационной колоны=0,1461 м.
Внутренний
диаметр колонны определяется как средневзвешенный диаметр по формуле=
(0,1321*99+628*0,1331)/727=0,133 м.
Средневзвешенная
площадь сечения тела трубы определяется по формуле
F=πΣ((D2-d
i2)*li)/4*L,
(2.150)
где
D - внешний диаметр обсадной колонны, м;- внутренний диаметр i-й секции
обсадной колонны, м;- длина i-й секции обсадной колонны, м;- длина свободной
части обсадной колонны, м.= 3,14*((0,14612-0,13212)*99+(0,14612-0,13312)*628)/
(4*727) = 0,0029 м2;
Средневзвешенная
плотность жидкости в заколонном пространстве определяется по формуле
ρ=Σρi*li/L, (2.151)
где
ρi
- плотность
i-й жидкости в заколонном пространстве, кг/м3;- интервал, в котором находится
i-я жидкость, м;- длина свободной части обсадной колонны, м.
ρР=(1100*332+1000*395)/727=1045
кг/м3.
Плотность
жидкости в обсадной колонне во время эксплуатации равна плотности флюида ρВ=730 кг/м3.
Среднюю
температуру нагрева берут как среднюю величину по глубине по формуле
Δ
T = ((t3 - t1) + (t4 - t2)) / 2, (2.152)
где
t1, t2 - температура колонны у верхнего и нижнего концов до эксплуатации, 0С
(t1 принимают по среднегодовой температуре района бурения (-2 0С), t2 обычно
принимают по геотермическому градиенту);, t4 - температура колонны у верхнего и
нижнего концов в процессе эксплуатации, 0С (t3 принимают температуре жидкости,
движущейся по колонне (+400С)).
Температура
t4 определяется по формуле
4
= t3+ (tзаб - t3) l / L, (2.153)
где
tзаб - температура на забое, 0С;- длина свободной части колонны, м;- глубина
скважины, м.=-2 0С;=31 0С;=40 0С;= 40+ (97,2 - 40)*727 /3025=54 0С;
Δ
T = ((40 +2) + (54 - 31)) / 2=32,5 0С.
Коэффициент
линейного расширения материала труб
α=12*10-6
1/0С.
Модуль
упругости материала трубы=2,1*1011 Па.Н =
180+12*10-6*2,1*1011*0,0029*32,5*10-3+0,31*7,72*0,1332*103-0,655*727*(0,14612*1045-0,1332*730)*10-2
=415,12 кН.
Номинальное
усилие натяжения превышает вес незацементированной части обсадной колонны
415,12 кН > 179,8 кН, поэтому принимается исходная величина QН = 415,12 кН.
Верхний
предел натяжения обсадных колонн:
Н
≤ QМАКС
МАКС
- допустимая осевая нагрузка на трубы колонныМАКС = QСТР/nСТР = 863/1,3 =
663,84 кН.
Так
как значение QН попадает в интервал между нижним и верхним пределами натяжения обсадных
колонн, то выбираем QН = 415,12 кН. Условие QН ≤ QМАКС выполняется.
2.5.2
Выбор режима спуска обсадных колонн
Подготовительные
работы к спуску колонны
Крепление
некоторого интервала ствола скважины обсадной колонны с последующим её
цементированием - весьма важный и ответственный этап в строительстве скважины.
От качества проведения этих работ в значительной степени зависит успешное
выполнение последующих работ в скважине, её надёжность и долговечность.
Весь
комплекс подготовительных мероприятий направлен на то, чтобы спуск обсадной
колонны проходил без вынужденных остановок и перерывов, во время спуска
обсадная колонна не подвергалась непредвиденным перегрузкам, опасным с точки
зрения её целостности и нарушения профиля труб, и чтобы в скважину не попали
трубы с дефектами, которые могут повлечь нарушение целостности обсадной колонны
или потерю герметичности.
Спуск
эксплуатационной колонны один из важных и трудоёмких процессов в строительстве
скважин. Для благополучного спуска колонны необходимо провести ряд
подготовительных работ таких как: подготовка колонны, ствола скважины и
бурового оборудования.
Подготовка
обсадных труб
Подготовка
и проверка элементов обсадной колонны осуществляются прежде всего на трубной
базе. Визуально осматривают все трубы, предназначенные для спуска и
отбраковывают те из них, в которых обнаружены явные дефекты. После осмотра
трубы подвергают инструментальному осмотру при помощи дефектоскопической
установки, проверяют при помощи калибров конусность и шаг резьбы, подбирают муфты
к трубам по величине натяга. Трубы, при осмотре которых дефектов не обнаружено,
опрессовываются водой.
Обсадные
трубы, поставленные на буровую, должны иметь комплектовочную ведомость,
сертификаты или их копии на завезенные трубы, а также сведения о проверке и
подготовке труб (опрессовке, дефектоскопии).
Соответствие
внутреннего диаметра трубы номинальному проводится пропуском через трубу
жесткого цилиндрического шаблона Диаметр шаблона должен быть меньше
номинального на следующие величины:
для
труб 114-219 мм на 3 мм;
На
трубах, отбракованных при шаблонировании, устойчивой светлой краской делается
надпись "брак", трубы складируются в стороне буровой на отдельный
стеллаж.
Необходимо
проверять у всех труб группу прочности, толщину стенки, диаметр муфт, тип и
состояние резьбы, давление опрессовки на поверхности в соответствии с
ведомостью.
Замерять
трубы необходимо стальной рулеткой, не имеющей наклонов, укладывать на стеллажи
(предохраняя от ударов) маркировкой вверх в последовательности, предусмотренной
планом работ, муфтовые концы должны располагаться на одной прямой и быть
обращены в сторону буровой.
Транспортирование
труб без предохранительных колец и ниппелей, а также перетаскивание их волоком
и сбрасывание запрещается;
При
укладке труб на стеллажи необходимо снять предохранительные кольца и ниппели,
очистить, промыть соляркой и протереть насухо, после чего на ниппельный конец
вновь навернуть предохранительные кольца (если заводом-изготовителем не
предусмотрена смазка резьб, нанесенная непосредственно на заводе).
Применение
металлических щеток или иных металлических приспособлений для очистки резьбы
запрещается, в связи с наличием в муфтах покрытия из мягкого металла для
дополнительной герметичности резьбы.
Данные
о количестве и характеристике труб в каждом ряду необходимо записать в
ведомость по форме:
номер
трубы по порядку спуска;
условный
диаметр трубы;
толщина
стенки;
группа
прочности стали;
длина
трубы;
нарастающая
длина колонны;
дата
выпуска трубы;
завод-изготовитель;
тип
резьбы;
давление
опрессовки на поверхности;
маркировка
трубной базы;
Для
замены дефектных труб на буровую должны доставляться резервные трубы
максимальной (по расчету) группы прочности одного или нескольких типоразмеров в
зависимости от конструкции обсадной колонны в количестве 30-50 м на каждые 1000
м длины. Общая длина доставленных труб должна на 5% превышать длину обсадной
колонны. Следовательно, в проектируемом случае длина колонны определяется по
формуле
=1,05Lскв,
(2.154)
где
Lскв - длина скважины по стволу, м.=3025*1,05=3176 м.
Внешним
осмотром определить качество заводского соединения муфты. Характерным признаком
некачественного свинчивания является большое расстояние между торцом муфты и
последней риской резьбы (более 1 нитки).
Необходимо
проверять соответствие присоединительных резьб труб, на которые навинчиваются
башмак, ЦКОД и другие элементы оснастки. При несоответствии типов резьб
запрещается перенарезка резьб на башмаке, ЦКОДе и др. элементах оснастки. Для
этих целей должны быть использованы проверенные и опрессованные переводные
трубы.
Все
изготовленные трубной базой переводные трубы, патрубки и переводники должны
завозиться на буровую вместе с актами об их опрессовке.
Вместе
с трубами на буровую доставляют элементы технической оснастки обсадной колонны:
центрирующие фонари, скребки, башмак, обратный клапан, стоп - кольцо.
Подготовка
ствола скважины
В
процессе последнего долбления параметры промывочной жидкости следует привести в
соответствие с требованиями ГТН и «Карты поинтервальной обработки промывочной
жидкости».
После
окончания последнего долбления произвести промывку скважины в течении 1,5- 2
циклов циркуляции с максимально возможной при данной глубине скважины
производительностью насосов.
Электрометрические
работы производить через бурильный инструмент, низ которой оборудован воронкой.
В
процессе электрометрических работ производить расхаживание бурового инструмента
на длину свечи после каждого подъёма каротажного прибора, но не реже, чем через
2 часа. Через каждые 6 часов электрометрических работ ствол скважины необходимо
промыть.
В
случае продолжительности электрометрических работ более 16 часов, наличия в
стволе сужения или желобных выработок, а также затяжек при подъёме бурильных
труб, ствол скважины необходимо прошаблонировать компоновкой инструмента,
применяемой при последнем долблении. Скорость проработки ствола перед спуском
должен быть 100 - 120 м/час, при производительности насосов 30 - 32 л/с. После
проведения геофизических работ, спустить воронку до забоя и промыть скважины.
Во время промывки скважины довести параметры промывочной жидкости в
соответствии с ГТН.
Готовность
ствола скважины к спуску обсадной колонны необходимо отметить соответствующей
записью в журнале.
Подготовка
бурового оборудования
Задача
подготовки оборудования в обеспечении безотказной работы и создание
благоприятных условий для работы буровой бригады. Одновременно на буровую
должны быть доставлены весь необходимый инструмент и материалы.
При
проверке бурового оборудования буровая бригада проверяет буровое и силовое
оборудование. Особое внимание обращают на надежность крепления и исправность
буровой лебедки и ее тормозной системы, проверяют исправность буровых насосов и
заменяют изношенные детали, проверяют состояние вышки и ее талевой системы,
тщательно проверяют стояние крюка, талевого блока, кронблока, проверяют
состояние контрольно-измерительных приборов на буровой. Подготавливают рабочее
место у устья скважины.
Технологический
режим спуска колонн
Технологический
режим спуска обсадных колонн зависит от геологических, технических, технологических
условий проводки скважины и её конструкции.
К
спуску обсадной колонны приступают сразу же, как только закончен подъём
бурильных труб после промывки скважины.
Спуск
колонны не следует начинать без плана работ на крепление скважины, акта на
подготовку труб на СЦТБ, разрешения главного инженера, графика дежурства ИТР
при спуске.
Спуск
колонны должен осуществляется с применением двух элеваторов.
При
затаскивании на буровую трубы прошаблонировать. На буровой снимают
предохранительное кольцо, очищают резьбу, наносят смазку. Подготовку резьб,
приготовление двухкомпонентных составов смазки на буровой, нанесение состава на
резьбы необходимо осуществлять в соответствии с инструкциями по их применению.
В любом случае до смазки резьба должна быть очищена неметаллической щеткой или
другим приспособлением, обезжирена и протерта насухо с принятием мер по
предотвращению загрязнения и попадания влаги перед смазкой и свинчиванием.
Для
свинчивания и закрепления резьбовых соединений необходимо использовать
специальные автоматические ключи, как правило, с гидравлическим приводом. Ключи
оборудуются моментомером.
До
подачи на мостки буровой к ротору длина каждой трубы и встраиваемых в колонну
элементов технологической оснастки должны быть подвергнуты контрольному
измерению рулеткой и записана мелом.
Башмак
обсадной колонны должен навинчиваться «на весу» после затаскивания обсадной
трубы и закрепляться на роторе.
Спуск
колонны производить плавно без резких рывков и торможений, а также не поднимая
её и не расхаживая. Скорость спуска колонны до кровли должна быть не более 0,5
м/с, до забоя 0,3м/с.
Обсадную
колонну спускают с помощью клинового захвата и одного элеватора. Возможность
спуска обсадной колонны на клиновых захватах с учетом коэффициента запаса
определяем по формуле [12]
Q
PK/nИ. (2.155)
PK=(F*GT*X*103)/(1+dСР/4*L*tg(
)), (2.156)
где Q - допускаемый вес, кН;-
площадь сечения трубы, м2;- предел текучести материала трубы, МПа (для стали
группы прочности Д 380 МПа);
Х
- коэффициент охвата, МПа (0,78
Х
1);СР - средний диаметр трубы, мм
СР=(DH+dВН)/2,
(2.157)
ВН
- внутренний диаметр колонны (берется как средневзвешенный), мм;- длина плашек
клина, мм;
- угол
уклона клина [
=9027’15’’
(уклон 1 к 6)];
- угол
внутреннего трения (для углеродистых сталей 70).=3,14•(0,14612-0,1332)/4=0,0029
м2.СР=(0,1461+0,133)/2=0,1396
мм.=(0,0029*380*1*103)/(1+0,1396/4*300*tg(9,5+7))=1102 т.
1102/1,3=847,7
кН.
Так
как суммарный вес секций 701,644 кН не превышает предельной нагрузки на клинья,
то всю колонну спускаем на клиновых захватах.
После
окончания спуска колонну оставляют подвешенной на буровом крюке, а скважину
промывают. Разгрузка обсадной колонны на забой скважины категорически
запрещается.
При
возникновении посадок необходимо:
восстановить
циркуляцию;
произвести
расхаживание колонны с промывкой.
После
окончания допуска колонны до проектной глубины следует промыть скважину в
течение 1,5-2-х циклов циркуляции.
В
процессе любых промывок скважины необходимо:
контролировать
состояние бурового раствора с обработкой в случае необходимости и поддержанием
параметров в соответствие ГТН;
контролировать
характер циркуляции с целью своевременного обнаружения поглощений или
флюидопроявлений;
контролировать
наличие в буровом растворе пластовой воды, нефти или газа, в том числе с
помощью газоанализатора;
вести
тщательную очистку бурового раствора.
Разгрузка
обсадной колонны на забой скважины категорически запрещается.
Организация
работ по цементированию скважины
Цементировочная
техника должна прибыть на буровую в рабочем состоянии за 2 часа до окончания
спуска колонны. Прибывшую тампонажную технику необходимо подготовить к работе и
расставить на площадке перед буровой установкой, согласно разработанной схеме.
Необходимо: завести на буровую необходимое количество тампонажных материалов;
подготовить расчётный объём воды (нагретой в зимнее время до 500С); произвести
опрессовку нагнетательной линии на полуторократное ожидаемое в процессе
цементирования максимальное давление.
После
окончания промывки скважины на верхний конец обсадной колонны навинчивают
цементировочную головку, боковые отводы с помощью нагнетательных линий
соединяют с цементировочными агрегатами.
Для
предупреждения порыва колонны от гидравлического удара при посадке
разделительной пробки на кольцо «стоп » последние 2 м3 продавочной жидкости
закачиваются с наименьшей производительностью одним цементировочным агрегатом.
После
посадки пробки, давление в колонне начнёт резко возрастать, что служит сигналом
окончания закачки продавочной жидкости. Все краны на цементировочной головке
закрывают, а скважину оставляют в покое на срок, необходимый для превращения
тампонажной смеси в тампонажный камень (ОЗЦ 24 часа).
2.5.3 Выбор способа цементирования
обсадных колонн
Цементирование скважин наиболее ответственный
этап в строительстве скважин. Значение цементировочных работ, обуславливается
тем, что они являются заключительным этапом, и неудачи при их выполнении могут
свести к минимуму успех предыдущей работы вплоть до полной потери скважины.
Так как градиенты гидроразрыва пород
малоразличаются по всему разрезу скважины и глубина скважины меньше 3000 м, то
выбираем способ цементирования - прямое одноступенчатое [3].
Проектирование процесса цементирования начинаем
с выбора состава и определения свойств трех жидкостей используемых при
цементировании - буферной, тампонажного раствора и продавочной жидкости. При
определении плотности облегчённого тампонажного раствора должно быть выполнено
условие недопущения гидроразрыва пластов или поглощения раствора по формуле
ГСКП + РГДКП ≤ 0,95 PПГ или PГСКП + РГДКП ≤
0,95 PГР (2.158)
где PГС - гидростатическое давление в кольцевом
пространстве, МПа;
РГДКП - гидродинамические потери давления в
кольцевом
пространстве, МПа;ПГ - давление начала
поглощения, МПа;ГР - давление гидроразрыва пород на забое скважины или в
интервале пласта с наименьшим градиентом гидроразрыва, МПа.
Гидродинамическое давление в кольцевом
пространстве определяется по формуле
РГДКП = (l·rсрвз·vкп2·L·10-6)/2(DСКВ
·k0,5 - dН), (2.159)
где l = 0,035 -
коэффициент гидравлического сопротивления;
rсрвз-
средневзвешенная плотность растворов за колонной в конце продавки, кг/м3;кп =
0,4м/с скорость восходящего потока за колонной в конце продавки;= 3025 м -
длина ствола;СКВ = 0,1905 м - диаметр ствола скважины;= 1,22 - коэффициент
кавернозности;Н - наружный диаметр обсадной колонны, = 0,1461.ГР =
0.02*790+0.017*(1620-790)+0.0165*(2040-1620)+0.0162*(2170-2040)+0.016*(2800-2170)
= 49.026 МПа;
Тогда
РГДКП
= (0,035*1766*0,42*3025*10-6)/2*(0,1905 *1,220,5 - 0,1461)=0,23
МПа.ГСКП=(1100*312+1000*338+2000*1500+1850*150)*9,81=38,83 МПа.
Следовательно,
условие выполняется
,83+0,22≤49,03*0,95;
,05≤46,58.
Для
нахождения плотности облегчённого тампонажного раствора необходимо определить
средневзвешенную плотность жидкости, заполняющей скважину.
Выразим
максимально возможную rсрвз, при
которой не будет гидроразрыва пласта
rсрвз =0,95
PГР 2(DСКВ ·k0,5 - dН)/(l·vкп2·L·10-6+2
gH DСКВ k0,5- 2gH dН)= 0,95· 49026000· 2· (0,1905·1,220,5 -
0,1461)/(0,035·0,42·3025·10-6+2·9,81·2800· 0,1905·1,220,5- 2·9,81·2800·0,1461)
= 1695,6 кг/м3.
Рассчитывается
максимально допустимая rтробл
(максимально допустимая плотность облегчённого тампонажного раствора) по
формуле
rтробл=[rсрвз·H-(rбж·hбж+rтр·hтр+rбр·hбр)]/hтробл, (2.160)
где rбж - плотность
буферной жидкости, rбж=1000 кг/м3;бж - длина интервала,
занимаемого буферной жидкостью, hбж =338 м;
rбр - плотность бурового раствора, rбр=1100
кг/м3;бр - длина интервала, занимаемого буровым раствором, hбр =312 м;
rтр - плотность тампонажного раствора нормальной
плотности, rтр=1850 кг/м3;тр - длина интервала, занимаемого
тампонажным раствором нормальной плотности, hтр=150 м;тробл - длина интервала,
занимаемого облегчённым тампонажным раствором, hтробл=2000 м;
rтробл =(1695,6·2800 - (1000·338 +
1850·150+1100*312)) /2000 = 1894,5 кг/м3.
Учитывая температуры на интервалах
цементирования и полученные расчётные данные выбираем для цементирования
скважины цементы:
. ПЦТ I-100: В/Ц=0.44; rтр=1850
кг/м3
. ПЦТ III Об 5-50: В/Ц=1; rтробл=1500
кг/м3
В табл. 2.31. представлены плотности тампонажных
растворов по интервалам цементирования эксплуатационной колонны.
Таблица 2.31 - Плотность тампонажных растворов
по интервалам
|
Плотность
тампонажного раствора, кг/м3
|
Интервал
(по стволу), м
|
|
1500
|
650-2875
|
|
1850
|
2875-3025
|
При использовании данных тампонажных растворов
гидроразрыва пласта не будет, поэтому можно использовать одноступенчатый способ
цементирования.
2.5.4 Выбор состава тампонажной
смеси
Расчёт объёма тампонажной смеси и количества
составных компонентов
Объём тампонажного раствора VТР (в м3)
определяется как сумма объёма кольцевого пространства в межтрубном пространстве
(кондуктор - эксплуатационная колонна), объёма кольцевого пространства между
стенками скважины и наружными стенками обсадной колонны, с учётом коэффициента
кавернозности, и объёма цементного стакана, который оставляют в колонне:
ТР = π [(D2СКВ
k - D2ОК) (L - HК) + (d2КОН - D2ОК) HЦК + d2НОК hСТ] / 4 (2.161)
где
k - коэффициент кавернозности;СКВ = 0,1905 м - диаметр скважины;ОК = 0,1461 м -
наружный диаметр обсадной колонны;КОН = 0,2013 м - внутренний диаметр
кондуктора;НОК = 0,1321 м - внутренний диаметр низа обсадной колонны;= 3025 м -
глубина скважины по стволу;К = 877 м - глубина спуска кондуктора по стволу;ЦК =
150 м - высота подъёма цементного раствора от башмака кондуктора по стволу;СТ
=30 м - высота цементного стакана в обсадной колонне (расстояние между башмаком
обсадной колонны и местом установки кольца “Стоп”.тр = 150 м - высота
тампонажного раствора нормальной плотности.
Для
облегчённого тампонажного раствора
(2.162)
Для тампонажного раствора нормальной
плотности
(2.163)
Общий объём тампонажного раствора
Расчет количества компонентов сухой
тампонажной смеси и жидкости для её затворения производят с учётом водотвёрдого
(водоцементного) отношения рекомендуемого поставщиком и оптимальной плотности
цементного раствора, которая для бездобавочного цемента равна 1850 кг/м3, а для
облегчённого выбирается из условия недопущения гидроразрыва наиболее слабого
пласта (rтробл=1500
кг/м3).
Поскольку температура на забое -
97,2 оС, то выбирается ПЦТ-I-100 и рассчитывается плотность его твердой фазы
(водоцементное отношение выбирается 0,44) по формуле
ρТ = ρТР / [1 - m
(ρТР / ρЖ - 1)],
(2.164)
где m - водоцементное отношение;
ρТР - требуемая плотность
тампонажного раствора, кг/м3;
ρЖ - плотность жидкости
затворения, кг/м3.
ρТ =1,85/(1-0,44(1,85/1,0 -
1))=2955 кг/м3.
Плотность входит в заданный интервал для
выбранного тампонажного цемента.
Для облегченного тампонажного (плотность 1,5
кг/м3) раствора выбирается - ПЦТ - III - Об 5 - 50 и рассчитывается плотность
его твердой фазы (водоцементное отношение принимается равным 1) по формуле:
ρТ =
1,5/(1-1(1,5/1,0 - 1))=3000 кг/м3.
Плотность входит в заданный интервал для
выбранного тампонажного цемента.
Масса тампонажного материала G (в тоннах),
необходимая для приготовления 1 м3 раствора определяется по формуле:
Тогда
Для ПЦТ-I-100:= 2955(1850-1000)/(2955-1000)=1284
кг.
Для ПЦТ - III - Об 5 - 50:=
3000(1500-1000)/(3000-1000)=750 кг.
Общая масса сухого тампонажного материала (в
тоннах) для приготовления требуемого объема тампонажного раствора по формуле
СУХ = KЦ G VТР, (2.166)
где КЦ = 1,03÷1,05 - коэффициент,
учитывающий потери тампонажного материала при погрузочно-разгрузочных работах.
Тогда
Для ПЦТ-I-100:СУХ = KЦ G VТР=1,04*1284*3,11=4152
кг.
Для ПЦТ - III - Об 5 - 50:СУХ = KЦ G
VТР=1,04*750*38,22=29812 кг.
Расход сухого тампонажного материала на 1 м3
воды затворения (в тоннах) определяется по формуле
G1 = ρТ m (2.167)
Для ПЦТ-I-100:
G1 = ρТ m=2955*0,44=1300
кг.
Для ПЦТ - III - Об 5 - 50:
G1 = ρТ m=3000*1=3000 кг.
Полный объем воды для затворения общей массы
сухого тампонажного материала (в м3) определяется по формуле
В=КВ GСУХ / G1, (2.168)
где КВ = 1,08÷1,10 - коэффициент,
учитывающий потери воды.
Тогда
Для ПЦТ-I-100:В=КВ GСУХ / G1 =1,09*
4152/1300=3,48 м3.
Для ПЦТ - III - Об 5 - 50:В=КВ GСУХ / G1 =1,09*
29812/3000=10,83 м3.
Полный объём воды VВ для затворения общей массы
сухого облегчённого и нормального тампонажных материаловВ = VВ тр + VВ отр
=3,48 + 10,83 = 14,31 м3.
Обоснование типа и расчёт объема буферной и
продавочной жидкостей
Буферная жидкость служит для разделения
тампонажной смеси от глинистого раствора, находящегося в скважине и
закачивается в обсадную колонну перед тампонажной смесью. Кроме того, при
движении в затрубном пространстве впереди тампонажной смеси столб буферной
жидкости очищает стенки скважины от глинистой корки, что способствует повышению
качества цементирования.
Объем буферной жидкости для цементирования эксплуатационной
колонны зависит от времени контакта для эффективной очистки затрубного
пространства и определяется как произведение:
БЖ = SК vВП t (2.169)
где SК = π (D2СКВ
k - d2н) / 4 - площадь затрубного (кольцевого) пространства,
К = 3,14· (0,19012·1,22 - 0,14612)/4= 0,0178 м2;
(2.170)
ВП - скорость восходящего потока, =1,8м/с;-
время контакта, с (в соответствии с РД 39-00147001-767-2000 принимается равным
480÷600
с при турбулентном течении и 600÷900 при
ламинарном и течении) = 550 с;БЖ = SК· vВП · t =0,0178·1,8·550= 17,622 м3.
(2.171)
При определении объёма буферной жидкости с
плотностью меньше плотности бурового раствора при вскрытых нефтегазовых пластах
следует также учитывать возможность газонефтепроявления за счёт снижения
забойного давления во время продавки этой жидкости в заколонное пространство. В
этом случае допускается снижение репрессии на пласт до 2,5 %. Исходя из этого
допущения, получена формула, определяющая максимально допустимый объём буферной
жидкостиVбж в м3:
(2.172)
где rбр и rбж
- плотности бурового раствора и буферной жидкости, кг/м3;
DР - величина репрессии в соответствии с
правилами безопасности в нефтегазовой промышленности, Па;
DР = 0,025· РПЛ = 0,025*26,51*106 = 662750 Па;
(2.173)
к - площадь сечения затрубного простанства, м2;
a - средневзвешенный зенитный угол в интервале
расположения буферной жидкости после её полного выхода из под башмака
цементируемой колонны, град;- ускорение свободного падения, м/с2;
Высота столба БЖ (НБЖ) определяется по формуле
(2.174)
Тогда
.БЖ =
0,5·662750·0,0178/(cos26,51·(1100-1000) ·9,81) = 6,72 м3.
Принимаем VБЖ равный 6,72 м3.
Исходя из геологических условий
выбираем буферную жидкость на основе МБП-М-100, для приготовления которой на 1
м3 технической воды добавляется 0,5% смеси полифосфатов и 0,5% смеси ненонола
АФ-12 или АФ-25.БЖ=6,72 м3, следовательно:(полифосфатов)=5кг/ м3*6,72 м3=33,6
кг.(неонола)=5кг/ м3*6,72 м3=33,6 кг.
Продавочная жидкость служит для
продавки тампонажной смеси из обсадной колонны в затрубное пространство. Расчёт
необходимого количества продавочной жидкости VПР выполняем по формуле, м3
VПР = kПР π [(d2ОК
L - d2НОК hСТ] / 4, (2.175)
где
kПР - коэффициент, учитывающий сжатие продавочной жидкости (для глинистого
раствора kПР = 1,03 - 1,05).ОК - средневзвешенный внутренний диаметр обсадной
колонны, мОК
=((0,1461-2*0,007)*150+(0,1461-2*0,0065)*2776+(0,1461-2*0,007)*99)/3025=0,133
мм.ПР = 1,04∙3,14∙(0,1332∙3025 - 0,13212∙30) / 4 =
43,258 м3.
2.5.5 Расчёт параметров и технология
цементирования
Гидравлический расчет цементирования обсадных
колонн проводят для определения необходимой суммарной подачи цементировочных
агрегатов Q из условия обеспечения максимально возможной скорости восходящего
потока бурового и тампонажного растворов в затрубном пространстве v,
допустимого давления на цементировочной головке PЦГ и забое скважины PЗ (в
интервале пласта с наименьшим градиентом гидроразрыва начала поглощения), а
также для выбора цементировочного оборудования и определения продолжительности
процесса цементирования tЦ. При этом принимаются следующие граничные условия:
ЦГ ≤ PЦграсч (2.176)З ≤ 0,95 PПГ или
PЗ ≤ 0,95 (2.177)Ц = tЦЕМ+15 мин ≤ 0,75 tЗАГ, (2.177)
где PУ - максимальное ожидаемое внутреннее
избыточное давление на устье, МПа;Цграсч - максимальное давление на
цементировочной головке, найденное в расчётах обсадной колонны на прочность,
МПа;ПГ - давление начала поглощения, МПа;ГР - давление гидроразрыва пород на
забое скважины или в интервале пласта с наименьшим градиентом гидроразрыва, МПа;ЦЕМ
- затраты времени на закачивание и продавливание тампонажного раствора, мин;ЗАГ
- время загустевания тампонажного раствора, определяемое консистометром, мин
(для ПЦТ III-Об 5-100 равно 120 мин);
мин - дополнительное время, необходимое для
вывода цементосмесительной машины на режим, освобождения продавочной пробки и
получения сигнала “Стоп”.
Гидравлический расчет цементирования скважин
проводят в следующем порядке.
Максимальное ожидаемое давление на
цементировочной головке РЦГ (в МПа) рассчитывают по формуле
РЦГ = ∆ PГС + PТ + PК + PСТ, (2.178)
где ∆ PГС - максимальная ожидаемая
разность гидростатических давлений в затрубном пространстве и в трубах в конце
процесса цементирования, МПа;Т, PК - гидравлические сопротивления
соответственно в трубах и в затрубном пространстве при принятом значении v,
МПа;СТ =
2,5 ÷ 3 МПа - давление момента “Стоп”.
Разность гидростатических давлений определяют по
формуле
∆ PГС =0.001*(ρсрвзКП-ρсрвзОК)*g*H;
(2.179)
ρсрвзКП=(ρтр*Hтр+
ρоблтр*Hоблтр+
ρбж*Hбж+
ρбр*Hбр
)/H (2.180)
ρсрвзОК=(ρтр*Hтр+
ρпр*Hпр)/H
(2.181)
где L1 - глубина скважины по вертикали, м;
Н1 - высота подъема тампонажного раствора от
башмака колонны по вертикали, м;- высота цементного стакана в колонне по
вертикали, м;
ρПР - плотность
продавочной жидкости г/см3.
ρсрвзКП=(1850*150 +
1500*2000 + 1000*338+1100*312)/2800 = 1413,82 кг/м3;
ρсрвзОК=(1850*30 +
1000*2770)/2800 = 1009,1 кг/м3;
∆ PГС = 0,001*(1,414 - 1,0091)*9,81*2800 =
11,12 МПа.
Гидравлические сопротивления внутри обсадной
колонны РТ и в затрубном пространстве РК (в МПа) в конце продавки тампонажной
смеси находят по формулам Дарси-Вейсбаха:
РТ = ΣРТi
(2.182)Тi = 8,11 λТ ρПР
Q2 Li / d5ОКi (2.183)К = 8,11 λК
Q2 {ρТР(ср
вз в необсаж части ствола) (L - l) / [(DСКВ∙k0,5 - DОК )3 (DCКВ ∙k0,5
+ DОК)2]+ρСРВЗВ(в интервале
кондуктора) l / [(dКОН - DОК )3 (dКОН + DОК)2]}; (2.184)
ρТР(ср вз в необсаж
части ствола)=( ρТРобл*HТРобл+
ρТР*HТР)/(H-Hк);
(2.185)
ρСРВЗВ(в интервале
кондуктора)=( ρБР*HБР+ ρБЖ*HБЖ+
ρТРобл*HТРобл)/Hк;
(2.186)
где
λТ, К -
коэффициенты гидравлических сопротивлений внутри обсадной колонны и кольцевом
пространстве, для практических расчетов принимаются равными 0,02 и 0,035
соответственно;СКВ, DОК, dКОН - соответственно средний диаметр скважины,
наружный диаметр обсадной колонны и внутренний диаметр кондуктора;-
производительность закачки раствора, л/с;- длина обсадной колонны, м;- длина
кондуктора, м;ОКi - внутренние диаметры секций обсадной колонны, см;
РТi
- гидравлические сопротивления внутри секций обсадной колонны,
имеющих
диаметры dОКi, МПа;- длина секций обсадной колонны, м;
ρСРВЗВ -
средневзвешенная плотность раствора в кондукторе в конце продавки тампонажной
смеси, г/см3. Равна ρТР при
цементировании колонны до устья;
ρПР -
плотность продавочной жидкости, г/см3.
ρТР(ср вз в
необсаж части ствола)=(1500*2000 + 1850*150)/(2800-800) = 1638,7 кг/м3;
ρСРВЗВ(в
интервале кондуктора)=(1100*312+1000*338+1500*150)/800 = 1132,75 кг/м3;К =
8,11*0,035*5,832*[(1,638*(3025-877)/(((19,05*1,220,5-14,61)3*
(19,05*1,220,5+14,61)2) + 1,132*877/((20,13-14,61)3*(20,13+14,61)2)]=0,1
МПа.Т=8,11*0,02*1*5,832*((150/13,215)+(2776/13,315)+(99/13,215)) = 0,04 МПа.
Производительность
закачки цементного и бурового растворов (в л/с)
=
0,785(D2СКВ∙k0,5 - D2ОК) v (2.187)
где
v - скорость подъёма тампонажного раствора в кольцевом пространстве в конце
продавки =0,4м/с.= 0,0785*(19,052*1,1-14,612)*0,4 = 5,83 л/с.
Максимальное
ожидаемое давление на забое скважины РЗ (в МПа) равно:
З
= PГС + PК, (2.188)
где
PГС - гидростатическое давление на забой со стороны составного столба
тампонажного раствора, буферной жидкости и бурового растворов (в МПа)
PГС =0,001*ρсрвзКП*g*H;
(2.189)
ГС = 0,001*1,087*9,81*2800 = 29,86 МПа.З
=29,86+0,1= 29,96 МПа.
РЦГ =11,12+0,04+0,1+3 = 14,26 МПа.
По вычисленным PЦГ и PЗ проверяютcя следующие
условия:ЦГ ≤21,98 МПаЗ ≤ 46,57 МПа;
Условия выполняются.
Давление на цементировочных насосах
цементировочных агрегатов РЦА (в МПа)
РЦА ≥ РЦГ / 0,8 (2.190)
РЦА ≥ 14,26/0,8 = 17,825 МПа.
По расчетным значениям Q и PЦА выбираем агрегат
ЦА-320А.
У агрегата производительность на 2 - й скорости
QЦА = 5,1 л/с, при диаметре втулки 127 мм, давление PЦА = 18,5 МПа, т.е.
заданный режим по давлению обеспечится при использовании этого цементировочного
агрегата.
В табл. 2.32. представлены параметры работы
насоса агрегата ЦА-320А при диаметре втулки 127 мм.
Таблица 2.32 - Подача и давление
цементировочного агрегата ЦА-320А
|
Передача
|
Давление
(МПа) при диаметре поршня, мм
|
Производительность
(л/сек) при диаметре поршня, мм
|
|
127
|
127
|
|
2
|
18,5
|
5,1
|
|
3
|
9,5
|
9,8
|
|
4
|
6,1
|
15,1
|
|
5
|
4,0
|
23,0
|
По расчетным значениям Q и PЦА выбирают тип
цементировочных агрегатов (ЦА), количество которых определяется из соотношения:
, (2.191)
где q - производительность одного ЦА
на второй скорости при давлении РЦА;
- резервный
агрегат.=5,83/5,1+1=2,143=3 агрегата.
Так как скорость восходящего потока
не более 0,4 м/с принимаем n = 3 (2 основных агрегата и 1 резервный агрегат).
Определим максимальную подачу,
которую развивают 2 агрегата на максимальной передачеМАХ=q5*n=23*2=46 л/с.
(2.192)
где q5- идеальная подача на 5-ой
передаче, л/с;- количество ЦА без учёта резервного;
Теперь проверим, возможно, ли
закачать тампонажный раствор до забоя в режиме ускоренной закачкой
МАКС ≤ √ [0,95 PГР -
0,001 g L1 ρсрвз] / 8,11
λК {ρсрвз(в
необсаж части ствола) (L - l) / [(DСКВ ∙k0,5 - DОК )3 (DCКВ∙k0,5 +
DОК)2] + ρСРВЗВ l /
[(dКОН - DОК )3 (dКОН + DОК)2]}
МАКС ≤ √[0,95·49,026-0,001·9,81·2800·1,087]/8,11·0,035·{1,082·2148/
[(19,05·1,220,5-14,61)3·(19,05·1,220,5+14,61)2]+1,1·877/[(20,13-14,61)3·(20,13+
14,61)2]}=71,17 л/с.
л/с < 71,17 л/с.
Следовательно, до забоя можно
закачивать тампонажный раствор в режиме ускоренной закачки.
Приготовление тампонажных растворов
для изоляции продуктивных горизонтов должно производиться в отдельной
осреднительной емкости с целью получения однородной смеси и качественного
разобщения пластов. Рассчитаем дополнительное количество цементировочных
агрегатов, которые будут качать тампонажный раствор в эту ёмкость.
Так как потери давления в
циркуляционной системе насосного агрегата пренебрежимо малы, целесообразно
качать тампонажный раствор в осреднительную ёмкость при максимальном диаметре
втулок (127 мм).
Для обеспечения QMAX. = 49 л/с при
продавке тампонажного раствора в скважину необходимо иметь запас по суммарной
производительности агрегатов работающих на осреднительную ёмкость. На основании
изложенного проектируем 3 дополнительных цементировочных агрегата.
Определим подачу этих агрегатовДОП.
= 3*23 = 69 л/с.
Определим коэффициент запаса по
производительности агрегатов работающих на осреднительную ёмкость
ОСР.ЁМК. = QДОП. / QMAX. = 69/46 =
1,5. (2.193)
Общее количество агрегатов,
участвующих в цементировании скважины равно 5+1 резервный агрегат.
Выбираем тип цементосмесительных
машин УС6-30Н(У).
Требуемое количество
цементосмесительных машин m определяется по формуле
= QV / qСМ, (2.194)
где qСМ - производительность одной
цементосмесительной машины, л/с. QV - подача на 5-ой передаче 2-х
цементировочных агрегатов.=46/27=1,7=> 2.
Требуемое количество
цементосмесительных машин принимаем равным 2.
По количеству необходимого сухого
порошка, затариваемого в смесительные машины, их количество находится по
формуле
С.М. = ΣG/G1, (2.195)
где ΣG - суммарное
количество сухого порошка, необходимого для проведения цементирования.
Но так как тампонажные цементы не
должны смешиваться, то расчет количества цементосмесительных машин ведем для
каждого цемента отдельно.
Для ПЦТ-I-100:С.М. = (GСУХ.)Н./ 18 =
4,152/18=0,23=1.
Для ПЦТ - III - Об 5 - 50:С.М. =
(GСУХ.)ОБ. /18 = 29,812/18=1,65=2.
Принимается nС.М. = 3.
Таким образом, необходимое число
смесительных машин составляет 3 машины. Следовательно, число цементировочных
агрегатов, работающих на осреднительную емкость необходимо принять равным трем.
Технологический режим цементирования
скважины
Расчёт режимов закачки растворов
начинается с построения графика изменения давлений на цементировочной головке в
зависимости от суммарного объёма закаченных растворов. График строится по трём
характерным точкам, между которыми изменение давления на цементировочной
головке с некоторой долей условности считают линейным. Это точка начала закачки
тампонажного раствора в обсадную колонну, в которой давление на цементировочной
головке равно сумме гидравлических сопротивлений в колонне и кольцевом
пространстве, точка, соответствующая моменту прихода тампонажного раствора на
забой, когда давление на цементировочной головке минимально и точка в конце
продавки тампонажного раствора, в которой давление на цементировочной головке
максимально.
Максимальное давление на
цементировочной головке, без учёта давления “Стоп” в конце продавки тампонажной
смеси РЦ может быть найдено по формуле
РЦ = РЦГ - РСТ, (2.196)
РЦ = 14,26-3=11,26 МПа;
Затем рассчитывается давление,
которое возникает на цементировочной головке в момент прихода тампонажной смеси
на забой, Р1Ц (в МПа)
Р1Ц = ∆ P1ГС + P1Т + P1К
(2.197)
где ∆ P1ГС - максимальная
ожидаемая разность гидростатических давлений в затрубном пространстве и в
трубах на момент прихода тампонажной смеси на забой, МПа (эта величина
отрицательна);Т, P1К - гидравлические сопротивления соответственно в трубах и в
затрубном пространстве, МПа;
∆ P1ГС можно рассчитать по
формуле
∆ P1ГС = 0.001*(ρсрвзКП-ρсрвзОК)*g*H;
(2.198)
ρсрвзКП=(ρБЖ*HБЖ+ ρБР*HБР)/ L
=(1000*377 + 1100*2648)/3025=1087 м3; (2.199)БЖ=VБЖ/SК = 6,72/0,0178 = 377 м;
(2.200)
HБР=H- HБЖ = 3025 - 377 = 2648 м; (2.201)
ρсрвзОК=( ρпж.*Hпж
ρтробл*Hтробл+
ρтр*Hтр)/L,
(2.202)
ρсрвзОК
=(1000*47+1500*2754+1850*224)/3025 =1518 кг/м3;
Для
определения Нтр (и облегчённого, и обычного) необходимо найти объём, занимаемый
этими растворами. Для начала найдём средневзвешанный внутренний диаметр
обсадной колонныОК(срвз)=(99*(0,1321)+2776*(0,1331)+150*(0,1312))/3025=0,133мК=(DСКВ2*k-DОК2)*π/4=(0,19052*1,22-0,14612)*3,14/4=0,0178
м2.
(2.203)
Теперь
найдём Hтробл=Vтробл/S=38,22*4/(3.14*0.1332)=2754 м.
(2.204)тр=Vтр/S=3,11*4/(3.14*0.1332)=224 м. (2.205)пж= H - Hтр- Hтробл= 3025-224-2754=47
м. (2.206)
∆
P1ГС = 0,001*(1,087-1,518)*9,81*2800=-10,838 МПа.
В
связи с тем, что величина Р1Ц будет иметь отрицательное значение, то закачку
тампонажного раствора до забоя можно производить с максимальной
производительностью, которая ограничивается только условием
З
≤ 0,95 PГР, (2.207)
Так
как забойное давление с другой стороны равно P1З = P1ГС + P1К, условие можно
переписать в виде
ГС
+ P1К ≤ 0,95 PГР, (2.208)
Записав
выражение для гидростатического давления на забой P1ГС и преобразовав относительно
гидравлического сопротивления в кольцевом пространстве PК получим
P1К ≤ 0,95 PГР - 0,001 g L1 ρБР,
(2.209)
где L1 - глубина скважины по вертикали, м;
ρБР - плотность
бурового раствора, г/см3.
Найдём гидравлические сопротивления в трубах Р1Т
и кольцевом пространстве P1К (в МПа)
Р1Т = ΣРТi,
(2.210)Тi = 8,11 λТ ρi
Q2МАКС
Li / d5ОКi (2.211)К = 8,11 λК
QСУМ2 {ρсрвз(в
необсаж части ствола) (L - l) / [(DСКВ∙k0,5 - DОК )3 (DCКВ ∙k0,5 +
DОК)2] + ρСРВЗВ l / [(dКОН -
DОК )3 (dКОН + DОК)2]},
где λТ,
К - коэффициенты гидравлических сопротивлений внутри обсадной колонны и
кольцевом пространстве, для практических расчетов принимаются равными 0,02 и
0,035 соответственно;СКВ, DОК, dОК - соответственно средний диаметр скважины,
наружный диаметр обсадной колонны и внутренние диаметры участков обсадных труб,
см;- длина обсадной колонны, м.
ρi
- плотность
раствора в секциях обсадной колонны, г/см3. Она равна плотности тампонажного
раствора ρТР, если
необходимый объём тампонажного раствора VТР ≥ VОК ;- длина секций
обсадной колонны, м;ОКi - внутренние диаметр секций обсадной колонны, см.
P1К=8,11*0,035*462*{1,082*(3025-877) /
[(19,05*1,220.5-14,61)3 * *(19,05*1,150.5+14,61)2] +1,1*877/[(20,13-14,61)3
*(20,13+14,61)2]}=6,98 МПа.
Найдём величину давления на цементировочной
головке в момент прихода тампонажного раствора на забой
Р1Ц= -11,838+3,78+6,98= -1,078 МПа.
Давление на цементировочной головке в момент
начала закачки тампонажного раствора в обсадную колонну Р0Ц (в МПа) равна сумме
гидравлических сопротивлений в секциях обсадной колонны Р0Т и Р0К, которые
рассчитываются по формулам
Р0Ц = Р0Т+ Р0К, (2.212)
Р0Т = ΣРТi,
(2.213)Тi = 8,11 λТ ρБР
Q2СУМ Li / d5ОКi, (2.214)
К = 8,11 λК Q2СУМ {ρБР (L - l) /
[(DСКВ ∙k0,5 - DОК )3 (DCКВ ∙k0,5 + DОК)2]+ΡБР l /
[(dКОН - DОК )3 (dКОН + DОК)2]},К = 8,11*0,035*462*{1,1*(3025-877) /
[(19,05*1,220.5-14,61)3 * *(19,05*1,220.5+14,61)2] + 1,1*877 / [(20,13-14,61)3
*(20,13+14,61)2]}=7,0516 МПа.
Р0Ц = 2,74 + 7,0516 = 9,79 МПа.
По рекомендациям давление на
цементировочной головке к конце продавки должно быть больше, чем в начале
закачки тампонажного раствора в обсадную колонны. Условие не выполняется,
следовательно закачку раствора нужно начинать на меньшей передаче. Максимально
допустимый расход ТР на IV передаче при диаметре цилиндровой втулки насоса 127
мм определяется как сумма подач агрегатов. Подача на IV передаче равна 15,1
л/с, так как количество цементировочных агрегатов 2, тоМАКС = 2 * 15,1 = 30,2
л/с
Найдём гидравлические сопротивления в трубах Р1Т
и кольцевом пространстве P1К (в МПа)
Р1Т = ΣРТi,
(2.215)Тi = 8,11 λТ ρi
Q2МАКС
Li / d5ОКi, (2.216)К = 8,11 λК
QСУМ2 {ρсрвз(в
необсаж части ствола) (L - l) / [(DСКВ∙k0,5 - DОК )3 (DCКВ ∙k0,5 +
DОК)2] + ρСРВЗВ l / [(dКОН -
DОК )3 (dКОН + DОК)2]},
где λТ,
К - коэффициенты гидравлических сопротивлений внутри обсадной колонны и
кольцевом пространстве, для практических расчетов принимаются равными 0,02 и
0,035 соответственно;СКВ, DОК, dОК - соответственно средний диаметр скважины,
наружный диаметр обсадной колонны и внутренние диаметры участков обсадных труб,
см;- длина обсадной колонны, м.
ρi
- плотность
раствора в секциях обсадной колонны, г/см3. Она равна плотности тампонажного
раствора ρТР, если
необходимый объём тампонажного раствора VТР ≥ VОК ;- длина секций
обсадной колонны, м;ОКi - внутренние диаметр секций обсадной колонны, см.
К=8,11*0,035*30,22*{1,082*(3025-877)
/ [(19,05*1,220.5-14,61)3 * *(19,05*1,220.5+14,61)2] +1,1*877/[(20,13-14,61)3
*(20,13+14,61)2]}=3,01 МПа.
Найдём величину давления на
цементировочной головке в момент прихода тампонажного раствора на забой
Р1Ц= -11,838+1,63+3,01= -7,198 МПа.
Давление на цементировочной головке в момент
начала закачки тампонажного раствора в обсадную колонну Р0Ц (в МПа) равна сумме
гидравлических сопротивлений в секциях обсадной колонны Р0Т и Р0К, которые
рассчитываются по формулам
Р0Ц = Р0Т+ Р0К,
Р0Т = ΣРТi,Тi
= 8,11 λТ
ρБР
Q2СУМ Li / d5ОКi,
К = 8,11 λК Q2СУМ {ρБР (L - l) /
[(DСКВ ∙k0,5 - DОК )3 (DCКВ ∙k0,5 + DОК)2] ΡБР l /
[(dКОН - DОК )3 (dКОН + DОК)2]},
К = 8,11*0,035*30,22*{1,1*(3025-877)
/ [(19,05*1,220.5-14,61)3 * *(19,05*1,220.5+14,61)2] + 1,1*877 /
[(20,13-14,61)3 *(20,13+14,61)2]}=3,0394 МПа
Р0Ц = 1,18 + 3,0394 = 4,22 МПа.
Проверим возможно ли осуществлять
закачку тампонажного раствора в режиме максимальной подачи ЦА (4 передача для
данных условий), должно выполняться условие
ГС + P0К ≤ 0,95 PГР, (2.217)
ГС= 0,001*ρБР*g*HБР=0,001*1,1*9,8*2648=28,57
МПа. (2.218)
,57+3,04=31,61<46,57
Следовательно, начать закачку ЦА
можем на 4-ой передаче.
Давление на цементировочной головке
в начале закачки тамонажного раствора в обсадную колонну не должно быть больше
давления в конце продавки. По результатам расчёта это условие выполняется.
Таким образом, найдены необходимые
для построения графика изменения давления на цементировочной головке величины
давлений в моменты начала закачки тампонажного раствора Р0Ц=4,22 МПа, прихода
тампонажного раствора на забой Р1Ц= -7,198 МПа и конца продавки РЦ=11,26 МПа
(ординаты графика).
Следующий этап - определение
суммарных закачанных объёмов ΣV в скважину при цементировании
(абсциссы графика). Эти объёмы рассчитываются без учёта закачки буферной
жидкости. На момент начала закачки тампонажного раствора объём ΣV0 равен нулю.
В момент прихода тампонажного раствора на забой ΣV1 равна
внутреннему объёму обсадной колонны VОК.
ΣV1=VОК=(πd2ОК(срвз)/4)*L,
(2.219)
где
L - длина скважины по стволу, м;ОК - средневзвешенный внутренний диаметр
обсадной колонны, м.ОК=(3,14*0,1332/4)*3025=42 м3.
В
конце продавки тампонажного раствора ΣV равен сумме объёмов
тампонажного раствора VТР и продавочной жидкости VПР
ΣV
=VТР+
VПР=41,33+43,258=84,5888 м3. (2.220)
На
график накладываются горизонтальные линии соответствующие максимальным
давлениям развиваемым цементировочным насосом цементировочных агрегатов на
каждой передаче, от максимально допустимой до низшей передачи, предварительно
умноженным на 0,8. То есть строятся графики Pi(V)·0,8, совмещённые с графиком
изменения давления на цементировочной головке. Пересечения этих графиков дают
возможность определить объёмы технологических жидкостей, откаченные
цементировочными насосами на разных передачах Vi с расходами Qi=qi(n-1). Здесь
n - число цементировочных агрегатов, qi подача цементировочного насоса на i-ой
передаче.
По
полученным данным строят график изменения давления на цементировочной головке
(рис. 2.13).
Рис. 2.11 - График изменения давления на
цементировочной головке и распределение закачки тампонажного раствора по
скоростям
(V)●0,8=18,5*0,8=14,8 МПа; Q2 =
q2(n-1)=5,1*2=10,2 л/с;(V)●0,8=9,5*0,8=7,6 МПа; Q3 = q3(n-1)=9,8*2=19,6
л/с;(V)●0,8=6,1*0,8=4,88 МПа; Q4 = q4(n-1)=15,1*2=30,2 л/с;(V)●0,8=4,0*0,8=3,2
МПа. Q5 = q5(n-1)=23,0*2=46,0 л/с.
В табл. 2.33. представлены режимы работы
цементировочных агрегатов.
Таблица 2.33 - Режимы работы цементировочных
агрегатов
|
Скорость
агрегата
|
Объем
раствора закачиваемый на данной скорости, м3
|
|
V
IV III II
|
62,24
7,63 6,28 8,44
|
Вычисляем общее время закачки и продавки
тампонажного раствора tцем в минутах, по формуле
цем = 16,7 ΣVi / (qi (n-1)) +
16,7 VII / qII, (2.221)
где qi- производительность одного
цементировочного агрегата на i-ой передаче, л/с;- число цементировочных
агрегатов;- объёмы, откаченные всеми задействованными цементировочными
агрегатами на i-ой передаче, м3.- производительность одного цементировочного
агрегата на второй передаче до момента посадки цементировочной пробки на стоп,
л/с;- объём, откачиваемый одним цементировочным агрегатом до посадки
цементировочной пробки на стоп-кольцо, равный VII = 1,0÷1,5
м3цем
= 16,7*(62,24/46+7,63/30,2+6,28/19,6+8,44/10,2)+16,7*1/5,1 = 49,26 мин.
Затем определяем время цементирования скважины
tЦ (в мин)
Ц=tцем+15 мин, (2.222)
где tцем - затраты времени на закачивание
тампонажного раствора и его продавку, мин;
мин - дополнительное время, необходимое для
вывода цементосмесительной машины на режим, освобождения продавочной пробки и
получения сигнала “Стоп”.Ц=49,26+15=64,26 мин.
По вычисленному значению tЦ проверяется
следующее условие:Ц = tЦЕМ+15 мин ≤ 0,75 tЗАГ, (2.223)
,26<120*0,75=90
Условие выполняется, поэтому в тампонажный
раствор не требуется вводить добавки замедлителя схватывания.
Рассчитывается также число агрегатов,
задействованных в закачке буферной жидкости, по формуле
БЖ = VБЖ / VМБ, (2.224)
где VБЖ- объём буферной жидкости, м3;МБ - объём
мерных баков, м3.БЖ = 6,72/6,6=1,018.
Время закачки буферной жидкости tБЖ определяем
по формуле
БЖ = 16,7*VБЖ / (qМАКС nБЖ), (2.225)
где VБЖ - объём буферной жидкости, м3;МАКС -
производительность закачки раствора в обсадную колонну одним цементировочным
агрегатом в режиме ускоренной закачки, л/с.БЖ = 16,7*6,72/(23*1) = 4,8 мин.
По результатам расчёта количества и выбора
цементировочной техники разрабатывается технологическая схема обвязки
цементировочного оборудования (рис. 2.12).
Рис. 2.12 - Схема расположения оборудования при
цементировании эксплуатационной колонны: 1 - цементосмесительная машина УС6-30;
2 - бачок затворения; 3 - цементировочный агрегат ЦА-320М; 4 - осреднительная
установка УО-16; 5 - станция КСКЦ 01; 6 - блок манифольдов СИН-43; 7 - устье
скважины, цементировочная головка; 8 - Автоцистерна; 9 - подводящая водяная
линия; 10 - цементировочный агрегат ЦА-320М (резервный)
2.6 Проектирование процессов
испытания и освоения скважины в процессе бурения
.6.1 Вторичное вскрытие пласта
Основная задача вторичного вскрытия пласта
является - создание совершенной гидродинамической связи между скважиной и
продуктивным пластом без отрицательного воздействия на коллекторские свойства
призабойной зоны пласта, без значительных деформаций обсадных колонн и цементной
оболочки. Решение этой задачи обеспечивается выбором условий перфорации,
перфорационной среды, оптимальной плотности перфорации и типоразмера
перфоратора. В настоящее время широкое распространение получило 3 вида
перфорации: пулевая, кумулятивная и гидропескоструйная.
Перфорационной средой является продавочная
жидкость (техническая вода).
Способ доставки перфоратора - на геофизическом
кабеле, что не требует дополнительных затрат времени и действий бригады
освоения (на спуск НКТ).
Наиболее подходящий к данным условиям является
перфоратор кумулятивный бескорпусный ленточный ПКС-105У [8]. Характеристика
перфоратора ПКС-105У представлена в табл. 2.34.
Таблица 2.34 - Техническая характеристика
перфоратора ПКС - 105У
|
Техническая
характеристика
|
50;80
100;150 10 118 1-3 12
|
|
Максимальное
гидростатическое давление, МПа Максимальная температура, С0 Минимальное
гидростатическое давление в скважине, МПа Минимальный внутренний диаметр
обсадной колонны, мм Число труб в интервале перфорации Средний диаметр канала,
мм
|
|
Интервал перфорации определяется по формуле
(2.226)
где m - плотность перфорации,
отверстие на 1 м;- кол-во перфорированных отверстий.
ТР ≤ n*SПЕРФ, (2.227)
где SТР - площадь трубы, м2;- кол-во
перфорированных отверстий;ПЕРФ - площадь перфорации, м2.
Тогда:
≤ SТР/ SПЕРФ, (2.228)
(2.229)
(2.230)
где
d1 - внутренний диаметр колонны;- диаметр перфорационного канала.
≤
(0,0137)/ (0,00011)=124,5.≤ 124.
Интервал
перфорации равен:= 124/6 = 20,6 м.
Устье скважины перед проведением перфорации
оборудуется малогабаритной превенторной установкой типа ППР 180х21.
2.6.2 Вызов притока
Перед началом вызова притока на устье скважины,
должна быть установлена фонтанная арматура. До установки на устье скважины
фонтанная арматура подвергается гидравлическому испытанию на пробное давление,
которое в 2 раза больше паспортного рабочего давления. После установки арматуры
ее испытывают на давление, равное давлению опрессовки эксплуатационной колонны.
С учетом требования заказчика выбирается для
герметизации устья скважины фонтанная арматура типа АФК (Ш) - 80×35(ТУ
3665-009-4965 2808-2004) [15]. Схема фонтанной арматуры представлена на рис.
2.13.
Рис. 2.13 - Схема фонтанной арматуры АФК (Ш) -
80×35:
1-манометр;
2-задвижка; 3-тройник; 4-дроссельное устройство; 5-трубная головка;6-крестовина
колонной головки
В практике известно две группы вызова притока:
технологии, связанные с уменьшением плотности
жидкости в скважине;
технологии, связанные с уменьшением уровня
жидкости в скважине.
К технологии с уменьшением плотности жидкости в
скважине относятся:
вызов притока жидкостями замещения;
вызов притока аэрированными жидкостями;
вызов притока пенами.
К технологии с уменьшением уровня жидкости в
скважине относятся:
вызов притока с помощью компрессора высокого
давления;
вызов притока тартанием;
вызов притока свабированием;
вызов притока с помощью струйных насосов.
Прежде чем приступить к вызову притока, устье
скважины оборудуется фонтанной арматурой.
Понижение давления у забоя скважины может быть
достигнуто способом снижением уровня жидкости.
В последнее время просматривается необходимость
перехода к технологиям освоения скважин в сторону ресурсосберегающих и
наносящих минимальный вред окружающей среде методов работы в скважине. Наиболее
полно этому процессу отвечает освоение скважин с помощью поршневого вытеснения
- свабирования.
В классическом виде свабирование представляет
собой процесс периодического спуска поршневого узла (сваба) под динамический
уровень жидкости глушения.
Спуск и подъем сваба производится с помощью
каротажного подъемника (ПКС-5) на геофизическом кабеле. Глубина погружения
сваба под уровень жидкости, из соображения допустимого усилия нагрузки в узле
заделки троса, достигающего 3 тонны, не превышает 500-550 м.
Так как сваб имеет гибкую связь с устьевым
оборудованием, то на последних циклах свабирования к нему можно присоединить
регистрирующие приборы (манометр, термометр, расходомер, пробоотборник и т.д.)
и совместить процесс исследования скважины со стадией понижения уровня
жидкости, что также значительно сокращает рабочее время. Кроме того,
геофизический кабель создает электрическую связь с прибором, а это предполагает
не только регистрацию, но и контроль за моментом начала притока и, таким
образом, своевременно прекратить свабирование и целиком переключиться на
процесс исследования скважины, а также получить качественную глубинную пробу и
сведения о гидродинамических характеристиках пласта.
Данный способ обладает следующими
преимуществами:
) возможность установки над свабом геофизических
приборов, что дает возможность совместить процесс снижения уровни с
исследованием скважины и дает контроль за моментом начала притока;
) многократное снижение энергоемкости;
) простота реализации метода.
При выполнении операции вызова притока из пласта
свабированием должны быть выполнены следующие технологические правила:
. До начала работ должны быть опрессованы:
сальниковое устройство на 10 МПа, превентор и перфорационная задвижка на
давление опрессовки эксплуатационной колонны.
. На тартальном канате (кабеле) должны быть
установлены метки,
предупреждающие оператора подъемника о приближении сваба к устью скважины.
. Спуск сваба в скважину следует производить со
скоростью не более 0,5м/с.
Спуск сваба ниже уровня жидкости в колонне
продолжать медленно, не допуская провисания кабеля (тартального каната) и не
более 200м ниже уровня.
Производить подъем сваба на 3-4-ой скорости подъемника.
При этом строго следить за глубиномером, показаниями динамометра, характером и
объемом вытесняемой жидкости, метками на тартальном канате.
. Обеспечить обогрев устьевого оборудования при
температуре окружающего воздуха ниже 0 °С.
. Освещенность рабочих мест в ночное время
должна быть не менее 25 лк.
В нижней части колонны НКТ устанавливается
безопасная муфта с внутренним диаметром 50 мм (для предупреждения падения
сборки сваба и тартального каната).
Вся техника, принимающая участие при выполнении
операции свабирования на скважине, должна быть оснащена искрогасителями.
. Запрещается свабирование скважины при скорости
ветра более 15м/с и температуре окружающего воздуха ниже минус 37 °С.
Свабирование скважины прекращается после
получения фонтанного или переливающего притока жидкости из пласта, а при
отсутствии поверхностного притока - до снижения уровня в колонне до проектной
глубины и извлечения из пласта пластовой жидкости. После вызова притока
пластового флюида, проводятся гидродинамические исследования объекта, затем
производят глушение скважины, спуск глубинного насосного оборудования в данном
случае УЭЦН. На рис. 2.14 представлено оборудование для свабирования,
спускаемое в скважину.
Рис. 2.14 - Оборудование для свабирования,
спускаемое в скважину
2.7 Разработка мероприятий по
предупреждению осложнений и аварий при сооружении скважины
К осложнениям относятся нарушения
технологического процесса бурения при соблюдении технического проекта и единых
правил безопасности, вызванные горно-геологическими условиями. При осложнениях
бурение скважины возможно, но для этого необходимо выполнение специальных
мероприятий. Если осложнения встречаются редко, или их нет вовсе, то процесс
строительства скважин характеризуется как нормальные условия бурения. Если
осложнения возможны на каждой скважине, то это осложненные условия бурения. В
последнем случае уже на стадии проектирования предусматривается комплекс специальных
мероприятий.
К числу осложнений относятся:
поглощения бурового раствора;
газонефтеводопроявления (ГНВП);
нарушение устойчивости стенок скважины;
прихваты;
осложнения при разбуривании многолетнемерзлых
пород (ММП).
Авария - нарушение технологического процесса
бурения, вызываемое потерей подвижности колонны бурильных труб, или ее
поломкой, с оставлением в скважине отдельных элементов колонны, а также
различных предметов и инструментов, для извлечения которых требуется
специальные работы, не предусмотренные проектом.
Аварии условно подразделяются на:
аварии с бурильной колонной;
аварии с породоразрушающим инструментом;
аварии с забойными двигателями;
аварии, связанные с падением в скважину
посторонних предметов;
аварии при геофизических исследованиях;
пожары и взрывы;
прочие.
Практически все осложнения, если не принимать
специальных мер по их предупреждению и ликвидации, переходят в аварии.
Что касается мероприятий по предупреждению
поглощений, то все они сводятся к обеспечению минимального избыточного давления
на поглощающий пласт и предотвращению резких колебаний давления в скважине. Это
достигается за счет:
снижения плотности раствора;
использования аэрированных растворов;
уменьшения расхода (скорости восходящего потока)
раствора;
ограничения скорости спуско-подъемных операций;
расхаживания инструмента перед пуском насосов и
плавного восстановления циркуляции;
подбора соответствующих КНБК;
предотвращения образование сальников.
Основные мероприятия по предупреждению ГНВП
сводятся к следующим:
установка противовыбросового оборудования (ПВО);
проверка работоспособности ПВО раз в сутки;
установка автоматической газокаротажной станции
(АГКС);
установка в КНБК клапана - отсекателя, а под
ведущей трубой шарового крана;
учебные тревоги раз в месяц;
наличие запаса бурового раствора, равного объему
скважины;
контроль за циркуляцией раствора (расход на
устье, уровень в приемных емкостях);
при снижении плотности раствора необходимо
довести ее до указанной в ГТН;
выравнивание параметров раствора перед подъемом
инструмента;
снижение скорости спуско-подъемных операций;
долив скважины при подъеме инструмента, если
объем долива сокращается, то подъем необходимо прекратить, скважину промыть;
при появлении признаков проявлений при поднятом
инструменте, необходимо начать спуск его на максимально возможную глубину;
при вынужденных остановках колонна бурильных
труб должна быть поднята до башмака обсадной колонны, и раз в сутки должна
опускаться до забоя для промывки скважины.
Для предупреждения неустойчивости стенок
скважины, необходимо снизить влияние факторов, приводящих к этому.
Следовательно, необходимо:
Стремиться к тому, чтобы напряжения в горной
породе в приствольной зоне были близки к напряжениям в массиве. Для этого
необходимо повысить гидростатическое давление в скважине, что достигается
увеличением плотности бурового раствора.
Предотвратить попадание водной фазы раствора в
породу, особенно в глины. Это предотвратит их набухание, ослабление сил
сцепления, сохранит коэффициент трения между отдельными частицами породы. Это достигается
применением качественных глинистых растворов с минимальной фильтрацией,
образующих тонкую непроницаемую корку на стенках скважины. Наибольший эффект
может быть получен при применении растворов на нефтяной основе или гидрофобных
эмульсий.
Максимально сократить время нахождения пород в
открытом стволе.
Не допускать снижение гидростатического давления
в скважине. Для этого постоянно следить за плотностью бурового раствора
согласно утвержденным регламентам, и при необходимости доводить ее до требуемой.
В процессе подъема инструмента производить долив скважины.
Избегать существенных колебаний давления в
скважине путем снижения скорости спуско-подъемных операций, плавного запуска
насосов с одновременным расхаживанием и вращением колонны бурильных труб.
Предотвратить усталостное разрушение горных
пород в стенках скважины за счет установки амортизаторов, протекторов.
Предотвратить эрозию стенок скважины путем
снижения скорости восходящего потока бурового раствора.
Применение малоглинистых растворов.
Введение в раствор смазывающих добавок -
графита, стеклянных шариков, смазок на рыбожировой основе, таллового масла,
глицерина и др.
Постоянный контроль за циркуляцией раствора.
В глубоких скважинах замер температуры раствора
через 30 мин. При снижении температуры - подъем инструмента и его опрессовка.
При остановках до 0,5 часа на 15 м и производить
его расхаживание. При остановках на большее время поднять инструмент в обсадную
колонну.
При посадках поднять инструмент на 15 м и
проработать ствол.
В процессе бурения производить контрольные
приподъемы инструмента на 15-20 м через 45 мин. При появлении затяжек интервал
проработать, контрольные приподъемы производить через 15-20 мин.
На основе анализа ведения работ на территории
Приобского месторождения к основным видам аварий можно отнести:
.Прихваты бурильных и обсадных колонн.
.Аварии с долотами.
.Аварии при цементировании.
.Аварии с забойными двигателями.
.Аварии в результате падения в скважину
посторонних предметов.
.Аварии при проведении промысловых исследований
в скважине;
Аварии с долотами - оставление в скважине
долота, бурильной головки, расширителя, а также их элементов и частей. Такого
типа аварии происходят в результате: нарушений правил крепления или спуска долота,
при использовании переводников над долотом с несоответствующей резьбой; бурение
с нагрузками, превышающими допустимые; передержка на забое; удар долотом о
забой или уступ; несоответствие крепости пород и применяемого долота; слабая
прочность сварных швов; заклинивание шарошек и другие причины.
В результате аварий с долотами в скважине чаще
всего остаются шарошки долот. Это связано со значительным износом опор,
недостаточным сроком их работы даже в пределах предусматриваемых конструкцией
долот и режимами работы их в скважине.
Предупреждение аварий с долотами: учет всех
рекомендаций и правил эксплуатации; осмотр и обмер долот; соблюдение правил
хранения; исключения сбрасывания долот на металлические предметы; плавное
навинчивание; исключение крепления долота ротором; постоянны контроль за
состоянием долота по ГИВ - 6.
Аварии при креплении скважин - прихваты обсадных
колонн; падение отдельных труб и секций колонн в скважину; смятие обсадных
колонн; разъединение обсадной колонны по резьбовому соединению.
Аварии при цементировании. В основном это не до
подъем цементного раствора.
Аварии с забойными двигателями в основном
происходят из-за срыва резьбы вследствие недостаточного крепления, нарушение
правил эксплуатации и ремонта турбобуров. Предупреждение такого рода аварий
заключается, прежде всего, в выполнении правил и рекомендаций, в правильном
сочетании диаметров резьбы турбобура и долота, соблюдении правил
транспортировки и хранения, качественное опробование и осмотр соединений и
узлов.
Для предотвращения попадания в скважину
посторонних предметов необходимо: применять исправный спускоподъемный
инструмент (элеваторы, машинные ключи, клинья и т. д.), не допускать
захламленности пола буровой, вести работы внимательно и аккуратно.
2.8 Выбор буровой установки
Буровая установка выбирается, прежде всего, по
условной глубине бурения, а затем, согласно действующим правилам безопасности в
нефтяной и газовой промышленности, по её допустимой максимальной
грузоподъёмности, позволяющей проводить спуско-подъёмные операции с наиболее
тяжёлой бурильной и обсадной колоннами. Также необходимо руководствоваться
геологическими, климатическими, энергетическими, дорожно-транспортными и
другими условиями.
Учитывая конкретные условия бурения, а именно
то, что площадь ведения буровых работ заболоченная и бурение ведется с кустовых
площадок, район обеспечен электроэнергией и условная глубина бурения является
соответствующей, выбирается буровая установка типа БУ - 3000 ЭУК-1М.
Должны выполняться следующие условия [22]
[Gкр] / Qбк > 0,6; (2.231)
[Gкр] / Qоб > 0,9; (2.232)
[Gкр] / Qпр > 1, (2.233)
где Gкр - допустимая нагрузка на крюке, тс;ок -
максимальный вес бурильной колонны, тс;об -максимальный вес обсадной колонны,
тс;пр -параметр веса колонны при ликвидации прихвата, тс.
Максимальный вес бурильной колонны составляет
QБК =42,43 тс.
Максимальный вес обсадной колонны составляет QОБ
=81,07 тс.
Параметр веса колонны при ликвидации прихвата
определяется по формуле
Qпр = k × Qмах, (2.234)
где k - коэффициент увеличения веса колонны при
ликвидации прихвата (k =1,3);мах - наибольший вес одной из колонн, тс.пр = 1,3 ×
42,43=55,16 тс.
По условию (2.231)
/42,43=4,71 >0,6.
По условию (2.232)
/81,07=2,47 >0,9.
По условию (2.233)
/55,16=3,63 >1.
Из вышеприведенных расчетов видно, что все условия
выполняются, следовательно, буровая установка для бурения проектируемой
скважины выбрана верно.
В соответствии с [22] тип и размеры фундаментов
определяются исходя из нагрузки на грунт основания, допустимой удельной
нагрузки на грунт и коэффициента запаса прочности для грунта, используемого для
устройства оснований.
Фундаменты входят в заводской комплект буровой
установки, поэтому дополнительные расчёты на прочность и определение площади
опорной поверхности не требуются.
Расчёт фундаментов под буровое оборудование
сводится к определению нагрузок на грунт основания, создаваемых весом бурового
и дополнительного оборудования в процессе работы.
В соответствии с паспортными характеристиками,
техническими условиями на монтаж и схемой расположения бурового оборудования и
привышечных сооружений, наибольшее давление на грунт основания создаёт
вышечно-лебёдочный блок.
При расчёте давления на грунт основания, кроме
веса вышечно-лебёдочного блока учитывается дополнительная нагрузка от веса
обсадной и бурильной колонны при проектной глубине скважины и веса бурового
раствора для долива. Принято, что общая масса вышечно-лебёдочного блока и
дополнительная нагрузка равномерно распределены на 4 направляющих, опорная
поверхность которых составляет 324 м2.
Расчётное давление на грунт основания
бо=0,1(Qвлб+Qбк+(Qок*Кп)+Qбр)/Fбо, (2.234)
где Qвлб - вес вышечно-лебёдочного блока, т;бк -
вес бурильной колонны, т;ок - вес обсадной колонны, т;
Кп - коэффициент, учитывающий возможность
прихвата;бр - вес бурового раствора для долива, т;бо - площадь опорной
поверхности фундаментов, м2.
По формуле
(2.234)бо=0,1(450+42,43+(81,07*1,5)+12)/324=0,2 кг/см2.
Основание отсыпается песчаным грунтом различных
фракций. Наиболее неблагоприятные условия связаны с применением мелких песков,
насыщенных водой, нормативное давление (Pо) для которых равно 1,5 кг/см2 [25].
При этом требование к прочности Pбо< Pо выдерживается.
Коэффициент запаса прочности для грунта
основания с учётом динамических нагрузок
по= Pо/ Pбо (2.235)
по =1,5/0,2=7,5>[k]=1,25.
В соответствии с [25] при устройстве тела
основания из песка различной крупности установку фундаментов можно производить
непосредственно на поверхностный слой грунта.
Установка БУ - 3000 ЭУК 1М предназначена для
кустового бурения скважин на нефть и газ до 3000 метров. Она состоит из
следующих основных блоков: вышечно - лебедочного, насосного, компрессорного и
энергоблока. Первые два состоят из мелких блоков из металлоконструкций с
установленным на них оборудованием и коммуникациями. В процессе разбуривания куста
с точки на точку все блоки движутся с точки на точку по двум специальным
направляющим. После окончания бурения оборудование демонтируется на следующий
куст.
Техническая характеристика БУ - 3000 ЭУК-1М
приведена в табл. 2.29.
Таблица 2.35 - Техническая характеристика БУ -
3000 ЭУК-1М
|
Наименование
параметров
|
Значение
параметров
|
|
1
|
2
|
|
Допускаемая
нагрузка на крюке, кН
|
2000
|
|
Условный
диапазон глубины бурения, м
|
2000
- 3200
|
|
Наибольшая
оснастка талевой системы
|
5
х 6
|
|
Диаметр
талевого каната, мм
|
28,
32
|
|
Скорость
подъёма крюка при расхаживании колонны и ликвидаций аварий, м/с
|
0,1
- 0,2
|
|
Скорость
установившего движении при подъёме незагруженного элеватора, м/с
|
1,5
|
|
Мощность
на приводном валу подъёмного агрегата, кВт
|
550
- 670
|
|
Проходной
диаметр стола ротора, мм
|
560
|
|
Допускаемая
статическая нагрузка на стол ротора, кН
|
3200
|
|
Число
основных буровых насосов, шт
|
2
|
|
Номинальная
длина свечи, м
|
25
|
2.9 Проектирование бурового
технологического комплекса
Проектирование бурового технологического
комплекса сводится к следующим задачам: по максимальной нагрузке на крюке
выбирается оснастка талевой системы, рассчитывается количество свечей,
поднимаемых на каждой скорости лебедки.
Кратность оснастки талевой системы (u)
определяется по формуле
, (2.236)
где QMAX - максимальная нагрузка на
крюке (QMAX=663 кН);
РРАЗ - разрывное усилие каната (для
ЛК-РО 6
31
(1+6+6/6+12)+МС РРАЗ=481 кН);
η - КПД талевой системы (η=0,9);
k - коэффициент запаса (k=5).
.
Максимальный вес, поднимаемый на
i-той передаче определяется по формуле
, (2.284)
где DБЛ - диаметр барабана лебедки,
м (DБЛ=0,65 м);- частота вращения вала лебедки на i-той передаче, об/мин (n1=46
об/мин, n2=97 об/мин, n3=170 об/мин, n4=360 об/мин);- мощность, развиваемая на
барабане лебедки, кВт, определяется по формуле
, (2.237)
где NД - мощность двигателя, кВт
(NД=500 кВт);
ηТ - КПД трансмиссии (ηТ=0,9);ТС -
вес талевой системы, кН, определяется по формуле
, (2.238)
где QMAX - максимальная нагрузка на
крюке, кН (QMAX=663 кН).
кН.
кВт.
кН.
кН.
кН.
кН.
Условный вес одной свечи
определяется по формуле
, (2.239)
где QБК - вес бурильной колонны, кН
(QБК=424 кН);- длина одной свечи, м (l=25м);- глубина скважины по стволу
(L=3025 м).
кН.
Общее количество свечей определяется по формуле
. (2.240)
шт.
Количество свечей, которое можно
поднять на i-той передаче лебедки определяется по формуле
, (2.241)
где GiMAX и Gi+1MAX - максимальная
нагрузка на крюке на i-той и i+1-ой передачах соответственно, кН.
шт.
шт.
Расчет для первой и второй скорости
не определяется, так как всю колонну можно поднять на 3 и 4 скоростях.
Режимы СПО приведены в табл. 2.36.
Таблица 2.36 - Режимы СПО
|
Скорость
лебедки
|
Количество
поднимаемых свечей, шт
|
|
3
4
|
96
76
|
3. ВСПОМОГАТЕЛЬНЫЕ ЦЕХИ И СЛУЖБЫ
.1 Ремонтная база
В результате длительной эксплуатации, либо при
возникновении аварийных ситуаций, происходит износ или поломка бурового
оборудования. Основной задачей ремонтной базы управления буровых работ является
предупреждение последствий износа бурового инструмента и оборудования, их
восстановление и профилактическое обслуживание. Силами механических мастерских
выполняются работы по ремонту бурового оборудования, транспорта, а также
производится ремонт и изготовление отдельных узлов и деталей, необходимый для
восстановительного ремонта при эксплуатации оборудования.
Ремонтом вышедшего из строя оборудования
занимается центральная база производственного обеспечения (ЦБПО), состоящая из
прокатно-ремонтного цеха бурового оборудования (ПРЦБО), и прокатно-ремонтного
цеха труб и турбобуров (ПРЦТ и Т).
Каждый цех имеет все станки и оборудование,
необходимые для ремонта.
В состав прокатно-ремонтного цеха бурового
оборудования входят комплексные бригады по проведению планово-предупредительных
ремонтов бурового оборудования, противовыбросового оборудования и фонтанных
арматур.
В состав прокатно-ремонтного цеха труб и
турбобуров входит участок по ремонту труб и турбобуров. С целью повышения
ответственности рабочих на своих местах за каждым закреплена определенная
группа оборудования.
Для поддержания оборудования в постоянной
технической исправности и эксплуатационной готовности, а также с целью
предупреждения аварий и поломок осуществляться система технического
обслуживания. Межремонтное техническое обслуживание бурового и
эксплуатационного оборудования подразделяется на два типа:
ежедневное техническое обслуживание (выполняется
раз в сутки);
периодическое техническое обслуживание
(выполняется после отработки определенного времени).
Капитальный ремонт крупноблочного оборудования
производится на ремонтно-механических заводах по разовым заявкам.
Текущий ремонт оборудования осуществляется
слесарями, входящими в состав бригады, работающей на месторождении.
Годовой график планово-предупредительного
ремонта составляется главным механиком управления совместно с начальниками
производственных участков и буровыми мастерами. При составлении графика
учитывают техническое состояние оборудования, длительность его эксплуатации или
объем выполненных работ, выполнение предыдущих ремонтов, технологическую связь
с другими звеньями производства. Проект годового графика
планово-предупредительного ремонта утверждает главный инженер управления.
.2 Энергетическая база и
энергоснабжение
Месторождение обеспечено линией электропередач
(ЛЭП), от которой и производится энергоснабжение. Сведения об электрическом
снабжении буровой, его источниках и характеристики линии электропередач
представлены в табл. 3.1.
Таблица 3.1 - Электроснабжение
|
Источник
электроснабжения
|
Характеристика
ЛЭП
|
Заявленная
мощность, кВт
|
|
Наименование
|
Расстояние
до буровой, км
|
Количество
одновременно работающих установок
|
ЛЭП,
кВ
|
длина,
км
|
трансформаторов
|
суммарная
мощность системы электроснабжения буровой
|
|
Энергосистема
|
12
|
1
|
6
|
15
|
292
|
1396,8
|
Данные о количестве потребляемой энергии при
подготовительных работах, бурении, креплении и испытании скважины приведены в
табл. 3.2.
Таблица 3.2 - Количество потребляемой
электроэнергии
|
Наименование
работ
|
Норма
расхода электроэнергии
|
Количество
потребляемой электроэнергии, кВт×ч
|
|
Единицы
измерения
|
Величи-на
|
Источник
нормы
|
На
первую скважину куста
|
На
последующие
|
|
Подготовительные
работы
|
кВт×ч/сут
|
4140
|
ЭСН
табл. 49-404
|
16560
|
4968
|
|
Бурение
и крепление
|
кВт×ч/м
|
68
|
ЭСН
табл. 49-405
|
181832
|
181832
|
|
Испытание
в колонне с передвижной установкой
|
кВт×ч/сут
|
1520
|
ЭСН
табл. 49-407
|
18665,6
|
18665,6
|
|
Всего
на скважину
|
|
|
|
217057,6
|
205465,6
|
Во время отключение электроэнергии на буровой
имеется аварийная станция с дизельным силовым приводом.
3.3 Водные ресурсы и водоснабжение
На каждом кусте, где ведётся бурение скважин на
нефть и газ, для бытовых нужд, а так же для технических нужд бурится неглубокая
скважина на воду, глубина и параметры которой задаются «Рабочим проектом на
бурение разведочно-эксплуатационных скважин для водоснабжения» Том-3-856,
1988г. В данном случае водяная скважина бурится глубиной 250 м. Скважина
артезианская, расположена на расстоянии 60 м от буровой. Рабочий расход
составляет 6,3 м3/ч, что вполне удовлетворяет потребности в воде: техническая
вода 120 м3/сут, а остальное на бытовые нужды. Объем запасных емкостей для воды
составляет 50 м3. Скважина оборудуется фильтрами для очистки воды, в обвязку
скважины входит водопровод диаметром 0,05 м и длиной 60 м.
3.4 Цех по приготовлению и очистке
буровых растворов
Буровой раствор для бурения скважин
приготавливается непосредственно на буровой из привозных материалов при помощи
гидравлической мешалки, которая располагается в блоке ёмкостей.
Приготовление бурового раствора осуществляется
по разработанной рецептуре под наблюдением технолога, который в свою очередь
контролирует его параметры во время процесса бурения.
На буровой ведется журнал, в котором ведутся
записи о параметрах бурового раствора, количестве использованных химреагентов.
Каждую неделю заполняется паспорт качества бурового раствора, в котором
обозначаются основные качественные параметры бурового раствора и отправляется
проба бурового раствора в лабораторию буровых растворов. За наличие и хранение
химических реагентов, а также за приготовление и качество бурового раствора
несет ответственность лаборант, который по вахтам работает на буровой.
Для забуривания скважины на буровой используется
центробежный насос, который подаёт воду из емкости по водопроводной сети.
Заготавливают необходимое количество бентонита. При бурении скважины в дальнейшем
приготавливается полимерглинистый раствор, который нужно правильно и
своевременно обработать выше перечисленными химическими реагентами.
Для приготовления раствора химические реагенты
доставляются на буровую от базы в плотных целлофановых пакетах, бумажных
мешках, бочках для избежания воздействия внешней среды.
На буровой должен быть необходимый запас
химических реагентов, для обработки глинистого раствора, на случай вскрытия
продуктивных горизонтов, выброса и т. д.
Основной запас химических реагентов и бентонита
находится на складах БПО в количестве, необходимом для нормальной работы
буровых бригад в течение года. На буровых также должен иметься запас химических
реагентов, храниться они должны в отдельно оборудованных для этого местах.
3.5 Транспорт
Транспортировка грузов и вахт наземным
транспортом обеспечивается управлением технологического транспорта УТТ. Парк
УТТ составляет как колесная, так и гусеничная техника. В зависимости от времени
года и состояния дорожного полотна применяется та или иная техника.
К месторождению ведет автотрасса с бетонным
покрытием, по которой ведется транспортировка грузов и рабочего персонала. На
территории месторождения проложены дороги к кустам из круглого леса, отсыпанные
грунтом. В зимнее время также используются зимние временные дороги.
3.6 Связь и диспетчерская служба
Связь с буровой бригадой осуществляется с
помощью стационарной цифровой телефонной радиостанции DX-220 фирмы Nokia - 640.
Бурильщик работающей вахты сдает сводку в районную инженерно-техническую службу
(РИТС) в 6, 8, 12, 16, 20 и 24 часа. В непредвиденных, экстренных ситуациях на
связь разрешено выходить в любое время.
Сводка передается в центральную
инженерно-техническую службу (ЦИТС) начальником смены РИТС посредством
телефонной связи. Помимо этого начальник смены РИТС принимает все распоряжения
руководства внесением сообщений в журнал и доводит их до мастера бригады, также
ведет диспетчеризацию служб и техники предприятия, относящихся к месторождению,
связывается с подрядными организациями (геофизиками, дорожными строителями) и
заказчиком (НГДУ).
Отсутствие простоев в работе во многом зависит
от отлаженности работы диспетчерской службы.
3.7 Культурно-бытовое и медицинское
обслуживание
Процесс бурения скважины - непрерывный процесс,
поэтому работы на буровой ведутся вахтовым методом и работающие проживают на
месте определенное время. Для комфортабельного проживания бригады (вахта 15
дней) на буровой устанавливается передвижной вахтовый городок, состоящий из
жилых вагончиков, пункта приема пищи, бани-сауны, сушилки.
Каждый жилой вагончик оборудован кондиционером,
телевизором и радио, а так же комфортные спальные места. Кухня обеспечивает
трехразовое питание. В сушилке можно просушить спецодежду и переодеться. В
вагончике мастера находится аптечка и необходимые медикаменты для оказания
первой медицинской помощи.
В экстренном случае на куст вызывается
специальная бригада скорой помощи для транспортировки пострадавшего в больницу.
4. БЕЗОПАСНОСТЬ ЖИЗНЕДЕЯТЕЛЬНОСТИ
.1 Безопасность в рабочей зоне
Анализ опасных и вредных факторов опасности
Вопросам охраны труда в Конституции Российской
Федерации отводится особое место. В ней говорится, что Российское государство
заботится об улучшении условий и охране труда, его научной организации, о
сокращении, а в дальнейшем и полном вытеснении тяжелого физического труда на
основе комплексной механизации и автоматизации производственных процессов во
всех отраслях народного хозяйства.
При сооружении проектной скважины при
неправильной организации труда, несоблюдении технологии проводки скважины
возможны следующие опасности:
Механические травмы;
Поражение электрическим током;
Взрывы;
Пожары;
Ожоги.
Также возможно появление следующих вредностей:
Суровые климатические условия;
Шум;
Вибрация;
Плохое освещение;
Запыленность и загазованность.
Опасность механических травм при производстве
буровых работ возникает при неисправности перил, лестниц, при производстве
спуско-подъемных работ, при производстве работ на высоте, при падении с высоты
различных предметов, от движущихся и вращающихся частей машин и механизмов, не
оборудованных кожухами и ограждениями (ротор, буровые насосы, лебедка, ключи
АКБ, ПКБ), при проведении погрузочно-разгрузочных работ, при монтаже и
демонтаже буровой установки, при захламленности пола и т.д [19].
Опасность поражения электрическим током
возникает при контакте с голыми токоведущими частями, которые находятся под
напряжением или при контакте с металлическими частями, которые могут оказаться
под напряжением, например, при нарушении изоляции. Кроме того, поражение
электрическим током возможно при работе с установками без защитного заземления
и при неиспользовании защитных средств при обслуживании электроустановок.
Опасность пожара возникает в следующих случаях:
при неправильной эксплуатации электроустановок (короткое замыкание, перегрев
проводки), неосторожном обращении с открытым огнем (при курении в неразрешенном
месте, сварке), при неправильном хранении и использовании горюче-смазочных
материалов, самовозгорании (химическая реакция, удар молнии).
Опасность получения ожогов возможна при
небрежном обращении с химическими реагентами, открытым огнем и горючими
материалами, а также от электрического тока.
Мероприятия по устранению опасных и вредных
факторов
Безопасные условия труда на буровой
обеспечиваются согласно следующим нормативным документам: «Трудовому кодексу» и
«Правил безопасности в нефтяной и газовой промышленности» от 2003 года, по
которым к буровым работам допускаются лица мужского пола, не моложе 18 лет,
прошедшие медицинское освидетельствование и имеющие квалификацию для ведения
данного вида работ.
Мероприятия по устранению механических травм
Данные мероприятия проводятся согласно следующим
нормативным документам: отраслевые инструкции по безопасности труда при
проводке скважин роторным и турбинным способом от 1979 года, при ведении СПО в
бурении от 1979 года, при спуске в скважину обсадных труб от 1982 года.
Буровое оборудование должно обеспечивать
требования безопасности устройства и эксплуатации механизмов по ГОСТ
12.2.003-91.
Необходимо проводить следующие мероприятия:
проверка наличия на вращающихся и двигающихся
частях механизмов кожухов и защитных ограждений;
согласно ГОСТ 12.4.026 - 76 «Цвета сигнальные и
знаки безопасности» вывешиваются инструкции и плакаты по технике безопасности,
предупредительные надписи и знаки, а также используются сигнальные цвета;
проверка состояния пусковых и тормозных
устройств, ремней, тросов, цепей;
согласно “Правилам устройства и безопасной
эксплуатации грузоподъемных кранов 1992 г.” буровая лебедка и консольно-
поворотный кран подвергаются статическому и динамическому испытанию;
наглядная проверка на механические повреждения;
проведение инструктажей по технике безопасности;
при работе на высоте рабочий должен быть
обеспечен страховым поясом;
при наличии грузоподъемного механизма
использовать блокировки;
лестницы на буровой должны быть с уклоном не
более 600, с высотой перил 1 метр;
использование средств индивидуальной защиты
(каска, предохранительные пояса, резиновые перчатки, кирзовые сапоги, резиновые
сапоги, рукавицы брезентовые, защитные очки и т.д.).
Мероприятия по устранению поражений
электрическим током
Предупреждение электротравматизма на объектах
достигается выполнением следующих мероприятий:
проектирование, монтаж, наладка, испытание и
эксплуатация электрооборудования буровых установок должны проводиться в
соответствии с требованиями ''Правил устройства электроустановок'' (ПУЭ),
''Межотраслевые правила по охране труда при эксплуатации электроустановок''
2001 г.
обеспечение недоступности прикосновения к оголенным
токоведущим частям, находящимся под напряжением;
применение блокировочных устройств;
применение защитного заземления буровой
установки;
применение изолирующих, защитных средств
(диэлектрические перчатки, боты, инструмент с изолированными ручками) при
обслуживании электроустановок;
допускать к работе специально обученных лиц,
имеющих группу по электробезопасности не ниже IV.
Расчет контура заземления
Защитное заземление - преднамеренное соединение
с землей металлической конструкции не токоведущих частей, которые в случае
аварии могут оказаться под напряжением.
Расчет производится согласно «Правил устройства
электроустановок».
Защитное заземление показано на рис. 4.1.
Рис. 4.1 - Схема защитного заземления
Допустимое сопротивление контура
заземления
Ом.
Рассчитывается сопротивление одного электрода по
формуле
, (4.1)
где
- удельное электрическое
сопротивление грунта,
Ом×м;
- длина
электрода,
м;
- диаметр
электрода,
м;
-
расстояние от середины электрода до поверхности земли,
м.
Ом.
Определяется необходимое число
электродов, которое необходимо забить в грунт по формуле
=(Rт × ηс)/ (Rд × ηЭТ), (4.2)
где
- коэффициент экранировки труб
(электородов), (0,2< ηЭТ <0,9);
- коэффициент сезонности, учитывает
неравномерность стекания тока
.
Принимается 17 электродов.
Определяется сопротивление
соединительной полосы по формуле
, (4.3)
где
- длина соединительной полосы, м;
- ширина соединительной полосы, м;
, (4.4)
м
По формуле (4.3.)
Ом.
Находится общее заземление контура
по формуле:
Ом, (4.5)
где
- коэффициент экранировки полосы,
.
Ом.
Расчётное сопротивление контура
меньше допустимого сопротивления 4 Ом, что соответствует требованиям ПУЭ.
Мероприятия по предупреждению
взрывов
Нормативные документы:
взрывоопасные работы должны
проводиться согласно требованиям «Правил безопасности в нефтяной и газовой
промышленности»;
сосуды, работающие под давлением
должны соответствовать требованиям «Правил устройства и безопасной эксплуатации
сосудов, работающих под давлением» от 2003 г.;
буровое оборудование должно
изготовляться во взрывобезопасном исполнении по ГОСТ 12.2.041 - 79.
Для предупреждения взрыва на буровой
установке всё оборудование и трубопроводы, которые находятся под давлением,
должны опрессовываться в зависимости от рабочего давления. Должен
осуществляться контроль за давлением (манометры, датчики) и применяться
перепускные и защитные устройства. Устье скважины при бурении должно быть
обвязано и герметезированно в соответствии с утвержденной схемой обвязки противовыбросового
оборудования и оборудования устья, предусмотренной в проекте на строительство
скважины. Должен осуществляться постоянный контроль (каждую вахту) за
исправностью противовыбросового оборудования, заземляющих устройств буровой
установки, вентиляционных систем, контроль наличия газа в буровом растворе. Во
всех взрывоопасных зонах исключить использование открытого огня, ремонтные и
аварийные работы в этих зонах проводить с использованием обмедненного
инструмента.
Мероприятия по устранению вредных факторов
Микроклимат. Должен соответствовать
ГОСТ 12.1.005-88 «Общие санитарно-гигиенические требования к воздуху рабочей
зоны». Для защиты от неблагоприятных климатических условий нужно использовать
коллективные средства защиты (система отопления, места для отдыха и обогрева,
защитные щиты и т.д.) и средства индивидуальной защиты (спецодежда). Следует
запрещать работу при неблагоприятных метеоусловиях. Осуществлять чередование
труда и отдыха. В связи с вредными условиями труда должны выплачиваться
компенсации (“Трудовой кодекс”, “Правила безопасности в нефтяной и газовой
промышленности”).
Освещение. Освещение рабочих мест
должно отвечать требованиям, изложенным в СНиП 23-05-95 ''Естественное и
искусственное освещение''.
Освещение должно быть постоянным во
времени, без пульсации, иметь спектр, близкий к естественному. Нужно обеспечить
равномерное распределение яркости освещения и отсутствие резких теней. Общее
освещение должно составлять 10 %, а местное 90 % от всего освещения буровой.
Оптимальное направление светового потока - под углом 60 градусов к рабочей
поверхности. Нормы освещенности на буровой установке приведены в табл. 4.1.
Таблица 4.1 - Нормы освещенности
|
Рабочие
места, подлежащие освещению
|
Места
установки светильников
|
Норма
освещенности, люкс
|
|
Роторный
стол
|
На
ногах вышки на высоте 4 м, под углом 45-500. Над лебедкой на высоте 4 м под
углом 25-300
|
40
|
|
Щит
контрольно-измерительных приборов.
|
Перед
приборами
|
50
|
|
Полати
верхового рабочего.
|
На
ногах вышки, на высоте не менее 2,5 м. от пола полатей под углом не менее 500
|
25
|
|
Путь
талевого блока
|
На
лестничных площадках, по высоте вышки, под углом не менее 64-700
|
13
|
|
Кронблок
|
Над
кронблоком
|
25
|
|
Приемный
мост
|
На
передних ногах вышки на высоте не менее 6 м
|
13
|
|
Редукторное
помещение
|
На
высоте не менее 6 м
|
30
|
|
Насосное
помещение: - пусковые ящики - буровые насосы
|
На
высоте не менее 3 м
|
50
25
|
|
Глиномешалки
|
На
высоте не менее 3 м
|
26
|
|
Превентор
|
Под
полом буровой
|
26
|
|
Площадка
ГСМ и инструмента
|
На
высоте не менее 3 м
|
10
|
|
Желобная
система
|
На
высоте не менее 3 м
|
10
|
На буровой используется рабочее и дежурное
освещение, а также предусматривается и аварийное.
Шум. Применяются следующие мероприятия по
устранению шума:
применение коллективных средств защиты
(планово-предупредительные ремонты, смазки, кожухи, установка экранов, кабин,
звукоизоляции, звукопоглощения, глушителей);
применение средств индивидуальной защиты
(наушники, вкладыши, противошумный шлем);
периодическое производство замеров уровня шума,
который на буровой не должен превышать 85 дБ по шкале А, согласно ГОСТ
12.1.003-83.
Вибрация. Вибрация на рабочем месте
регламентируется нормативным документом - ГОСТ 12.1.012-90 ССБТ ''Вибрация.
Общие требования безопасности''.
Мероприятия по устранению вибрации:
применение коллективных средств защиты:
балансировка, установка амортизаторов, проведение планово-предупредительных
ремонтов, увеличение массы основания вибрирующих устройств, крепление
вибрационных систем;
применение средств индивидуальной защиты
(виброобувь, виброрукавицы, виброгасящие коврики).
Допустимые нормы по вибрации приведены в табл.
4.2.
Таблица 4.2 - Допустимые нормы по вибрации
|
Частота
колебания, Гц
|
Амплитуда
смещения, мм
|
|
2
4 8 16 31,5 63
|
1,28
0,28 0,056 0,028 0,014 0,0072
|
11,2
5 2 2 2 2
|
Состояние воздушной среды. Количество вредных
примесей в воздухе рабочей зоны не должно превышать предельно-допустимых
концентраций. Микроклимат рабочих мест должен отвечать требованиям ГОСТ
12.1005-88 ССБТ ''Воздух рабочей зоны. Общие санитарно-гигиенические
требования''. Для исключения нежелательных последствий от запыленности и
загазованности используются: индивидуальные средства защиты (респираторы,
противогазы) и коллективные средства защиты (вентиляция). Вентиляция должна
соответствовать требованиям, изложенным в СНиП 2.04.05-91 ''Отопление,
вентиляция, кондиционирование''. При приготовлении бурового раствора необходимо
использовать респираторы, очки и рукавицы. Работа с вредными веществами должна
выполняться в соответствии с ГОСТ 12.1.007-76 ССБТ ''Вредные вещества,
классификация и общие требования безопасности''. Склад химреагентов необходимо
располагать по розе ветров.
Пожарная безопасность
Пожарная безопасность согласуется со следующими
нормативными документами: ГОСТ 12.1.044-84 "Пожаровзрывоопасность
взрывчатых веществ и материалов", ГОСТ 12.1.044-76 "Пожарная
безопасность, общие требования", ГОСТ 12.1.010-76
"Взрывобезопасность. Общие требования", СНиП 2-80
"Противопожарные нормы проектирования зданий и сооружений";
"Правила пожарной безопасности в Российской Федерации" 1993 г.,
"Правила безопасности в нефтяной и газовой промышленности" 2000 г.
Для предупреждения возникновения пожара
необходимо:
устанавливать молниезащиту;
устье скважины обвязывать противовыбросовым
оборудованием и осуществлять постоянный контроль за ним;
выхлопные трубы дизелей и автомобилей
оборудовать искрогасителями;
организовывать места для курения за пределами
буровой установки;
осторожное обращение с открытым огнем (сварные
работы, курение); - применять обмедненный инструмент;
устанавливать коммутирующую аппаратуру;
проверять сопротивление изоляции (один раз в
год);
соблюдать правила хранения и эксплуатации
горючесмазочных материалов.
Буровая установка должна быть обеспечена
средствами пожаротушения. Противопожарные щиты располагаются: в насосной - у
входа на буровую, в котельной, в роторном сарае и на складе ГСМ. В двадцати
метрах от культбудки должен быть оборудован инвентарный пожарный щит. Первичные
средства пожаротушения представлены в табл. 4.3.
Таблица 4.3 - Первичные средства пожаротушения
|
Наименование
|
ГОСТ,
ОСТ, ТУ и т.д. на изготовление
|
Количество,
шт
|
|
Огнетушитель
пенный Ящик с песком объемом 0.5 м3 Ящик с песком объемом 1 м3 Лопаты Ломы
Топоры Багры Ведра пожарные
|
ГОСТ
16005-70 - - ГОСТ 3620-76 ГОСТ 16714-71 ГОСТ 16714-71 ГОСТ 16714-71 -
|
8
4 2 5 2 2 2 4
|
На месторождении, на случай возникновения
пожара, должна находиться пожарная часть. Для предупреждения возгорания от
удара молнии все буровые установки оснащаются молниезащитой, которая должна
соответствовать РД 34.21.122-87 ''Инструкция по устройству молниезащиты зданий
и сооружений''.
Расчет молниезащиты
Основным устройством, служащим для защиты
буровых вышек и привышечных сооружений от прямых ударов молний является
молниеотводы. Молниеотводы состоят из молниеприемников, тоководов и заземления.
Молниеприемники устанавливаются на кронблочной раме вышки, тоководы ведут от
молниеприемника к заземлению. В качестве тоководов будет служить буровая вышка.
Схема для расчета молниезащиты буровой установки
представлена на рис. 4.2.
Расчет молниезащиты производим для зоны А.
Число ожидаемых ударов молнии на месте
производства работ определяется по формуле
=(S + 6 ×
hx) ×
( L + 6 ×
hx) ×
n ×
10-6, (4.6)
где S - ширина основания буровой, м (S=18 м);-
длина основания буровой, м (L =36 м);- число ожидаемых ударов молнии в 1 км2
(для Тюменской области n = 6);-высота оборудования, м (hx = 4 м).=(18+ 6 ×
4) ×
( 36 + 6 × 4) ×
6 ×
10-6 =0,01512 шт.
Рис. 4.2 - Схема для расчета молниезащиты
буровой установки: hx - высота оборудования; h - высота вышки с молниеотводом
(h=42 м); h0 - высота вышки (h0=41 м); Rх - радиус зоны защиты на уровне высоты
оборудования; R0 - радиус зоны защиты на земле
Радиусы зон защиты на уровне высоты оборудования
и земли определяются по формулам
=(1,1 - 0,002 ×
h) ×
h (4.7)х =(1,1 - 0,002 × h) ×
(h - hx /0,85 ) (4.8)
=(1,1 - 0,002 ×
42) ×
42=42,7 м;х =(1,1 - 0,002 × h) ×
(42 - 4 /0,85 )=37,9 м.
Радиус конуса защиты составляет 42,7 м на
поверхности земли и 37,9 м на уровне высоты оборудования.
Промсанитария и гигиена. Территория вокруг
буровой установки должна быть спланирована таким образом, чтобы полностью
исключить распределение загрязненных стоков, образовавшихся в процессе бурения
скважины.
Под туалеты и свалки должно быть отведено
специальное место, на расстоянии 30 метров с подветренной стороны жилого
поселка, для предотвращения попадания нечистот в источник водоснабжения.
Буровые бригады должны быть обеспечены аптечками
с инструкциями по их применению. По мере расхода медикаментов из аптечки они должны
пополняться.
Рабочие места, подходы к оборудованию,
механизмам должны содержаться в чистоте и не загромождаться.
Все рабочие должны быть обучены методами первой
медицинской помощи при несчастных случаях, отравлениях, обморожениях и
простудных заболеваниях. Также должны быть ознакомлены с профилактикой
различных заболеваний.
4.2 Чрезвычайные ситуации
Чрезвычайные ситуации подразделяются на
следующие виды:
природные (наводнение, снег, ветер, низкие
температуры);
техногенные (аварии, пожары);
военные.
Разработка мероприятий по гражданской обороне.
Гражданская оборона представляет собой систему
общегосударственных оборонных мероприятий, направленных на защиту населения,
создания необходимых условий для нормальной работы объектов народного
хозяйяства в военное время, при стихийных бедствиях в районе работ, а в случае
применения противником оружия массового поражения - на проведение спасательных
и неотложных действий и аварийно-спасательных работ.
Защита населения от оружия массового поражения
достигается рассредоточением и эвакуацией людей в сочетании с использованием
индивидуальных и коллективных средств защиты.
Необходимо заранее определить виды укрытий и
возможность обеспечения строительными материалами, а также предусмотреть
плановое снабжение средствами защиты. Необходимо создание запасов
продовольствия и питьевой воды и других предметов потребления.
Для обнаружения и измерений степени заражения
радиоактивными веществами кожного покрова, продуктов питания, воды,
оборудования и материалов, а также атмосферы на всех объектах должны быть
дозиметрические контрольные посты. Для дезактивации в случае радиоактивного
заражения необходимо иметь запас дезактивирующих веществ.
Общее руководство гражданской обороной
осуществляется штабом гражданской обороны. Связь со штабом гражданской обороны
осуществляется по радиостанции.
Все мероприятия по предупреждению, а также в
случае возникновения чрезвычайных ситуаций должны быть заранее спланированы и
согласованы с Министерством чрезвычайных ситуаций (МЧС) России, из числа работников
предприятия созданы и обучены специализированные подразделения по гражданской
обороне. Организация учебного процесса этих подразделений должна проводиться по
типовым программам и сочетать теоретическое и практическое обучение. Население
и рабочие должны быть проинформированы о способах подачи сигналов о нападении,
их значениях и конкретных действиях каждого человека. Необходимо проведение
периодических учебных тревог.
5. ОХРАНА ОКРУЖАЮЩЕЙ СРЕДЫ
.1 Фон загрязнения объектов
природной среды
Бурение скважин при определенных условиях может
сопровождаться:
химическим загрязнением почв, грунтов,
горизонтов подземных вод, поверхностных водоемов и водотоков, атмосферного
воздуха веществами и химреагентами, используемыми при проводке скважины,
буровыми и технологическими отходами, а также пластовым флюидом
(газоконденсатом, минерализованной водой), получаемым в процессе освоения
скважины;
физическим нарушением почвенно-растительного
покрова, грунтов зоны аэрации, природных ландшафтов на буровых площадках и по
трассам линейных сооружений (дорог, ЛЭП);
изъятием водных ресурсов и т. д.
Основные возможные источники и виды негативного
воздействия на окружающую среду (ОС) при строительстве скважины следующие [11]:
автодорожный транспорт, строительная техника;
блок приготовления бурового раствора, устье
скважины, циркуляционная система, система сбора отходов бурения и т. п.;
буровые растворы, материалы и реагенты для их
приготовления и обработки;
отходы бурения: отработанный буровой раствор
(ОБР), буровые сточные воды (БСВ) и буровой шлам (БШ); тампонажные растворы,
материалы и реагенты для их приготовления и обработки;
горюче-смазочные материалы (ГСМ);
пластовые минерализованные воды и продукты
освоения скважины (нефть, минерализованные воды);
продукты сгорания топлива при работе двигателей
внутреннего сгорания дизель-электростанции и котельной;
хозяйственно-бытовые жидкие и твердые отходы;
загрязненные ливневые сточные воды;
перетоки пластовых флюидов по затрубному
пространству скважины из-за некачественного цементирования колонн,
несоответствия конструкции скважины геолого-техническим условиям разреза и
перетоки по нарушенным обсадным колоннам;
продукты аварийных выбросов скважины (пластовый
флюид, смесь пластового флюида с буровым или тампонажным раствором);
негерметичность обсадных колонн, фонтанной
арматуры, задвижек высокого давления и т. п.
5.2 Объемы отходов бурения
В процессе бурения скважины образуются три вида
отходов: БШ, ОБР, БСВ.
С целью сокращения объемов наработки бурового
раствора, а следовательно, уменьшения объема ОБР, подлежащего обезвреживанию и
утилизации, предусмотрена четырех - ступенчатая система отчистки бурового
раствора от выбуренной породы.
Рассчитывается количество отходов в процессе
бурения и освоения.
Объем выбуренной породы при строительстве
скважины определяется по формуле
, (5.1)
где
- объем выбуренной породы при
бурении скважины под кондуктор;
- объем выбуренной породы при бурении
скважины под эксплуатационную колонну.
Объем выбуренной породы при бурении интервала
определяется по формуле
, (5.2)
где
- диаметр скважины, м;
- коэффициент кавернозности;
- длина интервала.
Тогда при бурении интервала скважины
под направление
Тогда при бурении интервала скважины
под кондуктор
При бурении интервала скважины под
эксплуатационную колонну
Тогда по формуле (5.2.1.2)
Определяется объем шлама по формуле
(5.3.1.3):
(5.3)
где 1,2 - коэффициент учитывающий
разуплотнение породы;
,052 - коэффициент, учитывающий
потери бурового раствора, уходящего со шламом при очистке на вибросите,
пескоотделителе, илоотделителе и центрифуге;
,1 - коэффициент, учитывающий
увеличение объема шлама за счет влагосодержания.
Исходя из опыта бурения скважин объем ОБР и БСВ
в сумме составляет примерно 115 - 120% от объема бурового шлама.
(5.4)
5.3 Система сбора и хранения отходов
бурения
При бурении скважин на кустовой
площадке строится шламовый амбар, который предназначен для сбора шлама и жидких
отходов бурения и освоения скважины.
Шламовый амбар должен быть
обвалован. Высота обвалования 1 м, ширина по верху - 0,8 м, уклон до 1:2.
Отходы бурения попадают в шламовый амбар, где происходит оседание шлама и
твердой фазы.
В целях предупреждения загрязнения
грунтовых вод инфильтратом отходов бурения дно и стенки амбара должны быть
гидроизолированы. Гидроизоляция может выполнятся цементно-глинистой пастой.
Для расчета объема шламового амбара
VША используется формула:
(5.5)
где Vобщ - общий объем отходов
бурения.
(5.6)
м3
м3
Таким образом, в процессе
строительства скважины подлежит размещению в шламовом амбаре
м3 отходов
бурения.
5.4 Методы и системы очистки,
обезвреживания и утилизации отходов бурения
Очистка бурового раствора от выбуренной породы с
помощью комплектного оборудования буровой установки направлена на решение задач
технологии проводки скважин и повышение показателей работы долот. После
механической очистки буровой раствор поступает в рабочие емкости, а выбуренная
порода удаляется в шламовый амбар.
Промышленное оборудование и технология очистки
отходов бурения до уровня ПДК отсутствует. Снижение концентрации твердой фазы в
отходах бурения достигается двумя этапами:
естественное отстаивание отработанного бурового
раствора, бурового шлама и буровых сточных вод в первой секции амбара;
осветление жидкой фазы отходов бурения методом
реагентной коагуляции. При реализации метода жидкую фазу обрабатывают
системой: коагулянт - флокулянт. В качестве коагулянта могут быть использованы:
сульфат алюминия, алюминиевые квасцы, сульфат железа и т.п. Наиболее доступным
и достаточно эффективным является сульфат алюминия. В качестве флокулянта
рекомендуется использовать полиакриламид (ПАА) - анионоактивный полимер.
Количество коагулянта, необходимое для достижения требуемой степени очистки
зависит от вида используемого коагулянта и химического состава жидкой фазы.
Расход коагулянта - сульфата алюминия 0,6 кг на 1 м3 обрабатываемой жидкости,
флокулянта ПАА - 0,06 кг/м3. Рекомендуемое время отстоя после введения системы
коагулянт-флокулянт около 1 сут. После отстоя, осветленная жидкая фаза
откачивается в нефтепромысловый коллектор или закачивается в поглощающую
скважину.
Обезвреживание бурового шлама и твердой фазы
отходов бурения до связанной инертной массы достигается вводом вяжущего
вещества совместно с активирующими добавками. В качестве отверждаюших добавок
могут применяться: карбамидная смола, хризотил, портландцемент, гипс и т.п.
Миграция загрязняющих веществ из связанной
инертной массы исключена, поэтому отвержденный шлам можно захоронить в амбаре
засыпкой грунтом.
Конструктивная прочность накопителя и
предотвращение фильтрации жидкой фазы за пределы накопителя обеспечивается
геометрией боковых поверхностей, применением синтетического натканного
материала (СНМ) и созданием на внутренней поверхности накопителя
противофильтрационных экранов из глинистых (суглинистых) грунтов.
Система утилизации и захоронения буровых отходов
должна включать:
сбор и накопление в накопителе-отстойнике
сбросов выбуренной породы, отработанных промывочных жидкостей и сточных вод с
поверхности, находящейся под вышечно-лебедочным и насосно-емкостными блоками;
отстой в накопителе - отстойнике жидкой фазы за
счет гравитационного выпадения твердой фазы;
захоронение отходов бурения после окончания
строительства скважины ликвидацией накопителя.
При ликвидации накопителя в период положительных
температур окружающего воздуха производится химическая обработка.
5.5 Места вывоза и захоронения
отходов бурения
Сброс отходов бурения за пределы кустового
основания запрещается.
При необходимости вывоза отходов бурения за
пределы кустового основания заказчиком в установленном порядке определяются и
обустраиваются полигоны для сбора и хранения отходов производства.
5.6 Сроки и методы рекультивации
земель
Рекультивация земель проводится в срок с 1.04 по
1.09 и включает в себя два этапа: технический и биологический. При проведении
технического этапа должны быть выполнены следующие работы:
очистка площадки от бетонных и металлических
отходов, засыпка амбаров, планировка площадки;
строительство подъездных путей к
некультивированным участкам, строительство въездов и дорог на них;
покрытие площадки слоем плодородной почвы.
Биологический этап осуществляется после
завершения технического и включает в себя: весь комплекс агротехнических и
мелиоративных мероприятий по восстановлению участка.
По окончанию бурения и опробования скважины,
демонтажа и вывоза оборудования, работу по рекультивации земель следует
производить в следующей последовательности:
демонтировать фундамент;
очистить участок от металлолома и других
материалов с последующей его рекультивацией;
снять загрязненные нефтью грунты, обезвредить и
захранить в шламовом амбаре;
при ликвидации шламового амбара обезвредить
отходы бурения, засыпать грунтом из обваловки амбара или привозным.
Биологический этап рекультивации земель должен
осуществляться после полного завершения технического этапа и включает в себя
весь комплекс агротехнических и фитомелиоративных мероприятий по восстановлению
нарушенных земель. Осуществляется землепользователем за счет средств
организации, нарушавшей землю.
5.7 Организационные мероприятия по
предупреждению загрязнения объектов природной среды
. Основные требования к буровым растворам.
Промывочная жидкость снижает интенсивность
кавернообразования, позволяет значительно снизить объем нарабатываемого
раствора за счет уменьшения скорости гидротации выбуренной породы и перехода ее
коллоидной составляющей в раствор.
Для химической обработки промывочной жидкости
используются высокоэффективные реагенты с определенными санитарно -
технологическими характеристиками, обладающими способностью снижать токсичность
отходов бурения.
Нефть и нефтепродукты в качестве смазочной
добавки к глинистому раствору не предусматриваются.
. Предупреждение загрязнения территории буровой.
Основание должно обеспечивать размещение, монтаж
и эксплуатацию необходимого комплекса сооружений и оборудования для
строительства скважин и предотвращать прямое контактирование технических
средств и технологических процессов с естественной территорией.
Основные земляные, транспортные и
строительно-монтажные работы требуется проводить в период устойчивых
отрицательных температур воздуха.
Защита территории основания и территории,
окружающей основание обеспечивается:
конструктивным исполнением технологического
оборудования, предотвращающим переливы, утечки и проливы технологических
жидкостей;
исключением попадания отходов бурения на
поверхность за счет введения элементов сбора и отвода (поддоны, трубопроводы,
желоба, подроторная воронка), проливов жидкостей, образующейся при ремонте
оборудования и подъеме инструмента, при сбросе с вибросита, гидроциклонов,
шламоотделителей и отработанных промывочных жидкостей из блока емкостей;
создание организованного стока с поверхности
основания, находящегося под вышечно-лебедочным и насосно-емкостными блоками,
талых, дождевых, и сточных от обмыва оборудования вод в накопитель - отстойник;
обваловкой периметра производительной зоны
основания и созданием уклонов поверхности зоны от обваловки к отстойникам -
накопителям с целью предупреждения слива дождевых, талых и сточных вод за
территорию площадки;
обваловкой места установки блока ГСМ, емкости
сбора отработанных ГСМ;
сооружением накопителей для сбора, хранения и
последующей утилизации и захоронения шлама, отработанного бурового раствора и
буровых сточных вод;
в процессе освоения скважин продукт (нефть)
собирается в емкости с последующим использованием в котельной и закачкой
излишек в нефтяной сборный коллектор.
5.8 Охрана почв и водных объектов
при подготовительных, строительно-монтажных работах и в процессе бурения
скважин
Транспортировка бурового оборудования
осуществляется только по дорогам, соединяющим основную трассу и буровую
площадку. При отсутствии дорог перевозки оборудования возможны только в зимнее
время года по специально подготовленным трассам и зимникам. В летнее время
движение транспорта должно осуществляться по дорогам с твердым покрытием или
водным путем. Расположение трасс перетаскивания бурового оборудования,
подъездных дорог и зимников, а также сроки их использования согласовываются с
местными органами.
При трассировке временных дорог руководствуются
следующими положениями: трассу прокладывают на участках местности с
относительно спокойным рельефом; в случае совпадения направления дороги с
направлением реки трассу прокладывают в ее пойме; избегают открытых
снегозаносимых понижений рельефа, глубоких и плохо промерзающих болот.
Строительство временных дорог необходимо
осуществлять в зимний период года при наличии мерзлого мохо-торфяного покрова.
Передвижение наземного транспорта необходимо
осуществлять только по подготовленным дорогам.
На той части участков и трасс, где не намечаются
земляные и планировочные работы, необходимо обеспечивать сохранение не менее
40% травяно-мохового покрова и почв. С целью сохранения плодородия почв и
предотвращения эрозийных процессов предпочтение отдается зимней прорубке трасс.
В районе с тундровыми и мерзлотно-таежными
почвами плодородный слой почвы не снимается. Максимально сохраняется почвенный
и растительный покров, естественное состояние ММП.
Схемы размещения бурового оборудования
разработаны с учетом руководящих документов по охране окружающей среды и
являются основой для определения объемов строительно-монтажных работ.
Площадка, предназначенная для размещения
бурового оборудования, строительства амбаров и склада ГСМ, должна быть очищена
от леса, кустарника, затем произведена отсыпка песком. На остальной территории
строительной площадки должен быть сохранен травяно-моховой покров не менее 40
%.
При выборе площадки на участках, примыкающих к
существующим оврагам и склонам, для предупреждения термоэрозии необходимо на
склонах площадки сохранять мохово-торфяной покров.
Для уменьшения степени загрязнения пластов в
проекте предусмотрена ограниченная скорость спуска обсадных труб (0,4 м/с).
Для того, чтобы поверхностные воды не засорялись
бытовыми отходами, в проекте предусмотрено применение мусоросборников.
Для предотвращения загрязнения водоносных
горизонтов применяются следующие технологические решения:
глинистая кольматация стенок скважины с
образованием прочной низкопроницаемой корки, препятствующей фильтрации раствора
в водоносный горизонт;
обработка бурового раствора высокомолекулярными
соединениями, обеспечивающими снижение фильтрационных свойств промывочной
жидкости;
ограничение репрессий на водоносный горизонт
путем регулирования структурно-механических свойств бурового раствора,
обеспечивающих снижение гидродинамического давления, в том числе
спускоподъемных операциях.
5.9 Материалы и технические
средства, используемые для очистки и утилизации буровых сточных вод
К материалам и техническим средствам,
используемым для очистки и утилизации буровых сточных вод относятся: коагулянт,
флокулянт, известь, установка для очистки, водяной насос, ёмкости для
растворов, коагулянта и флокулянта, устройство для обработки буровых сточных
вод коагулянтом или флокулянтом, краны или задвижки, трубы, шланги,
цементировочный агрегат ЦА-320М, автосамосвал.
Продолжительность работы ЦА-320М при обработке
жидких отходов бурения коагулянтом-флокулянтом - 80,0 час; продолжительность
работы ЦА-320М при откачке осветленных жидких отходов бурения в
нефтепромысловый коллектор - также 80,0 час.
5.10 Материалы и технические
средства, используемые при вывозе, утилизации и обезвреживании отработанного
бурового раствора и бурового шлама
Материалы и технические средства, используемые
при вывозе, утилизации и обезвреживании отработанного бурового раствора и
бурового шлама представлены следующими: автоцистерна, экскаватор, автосамосвал,
отверждающий состав, цементировочный агрегат, смесительная машина, установка
для обработки отработанного бурового раствора отверждающим составом, установка
для отверждения бурового шлама, установка для термической обработки отходов
бурения, энергоносители, материалы, используемые для сбора плавающей нефти,
технические средства для сбора и откачки нефти.
Продолжительность работы ЦА-320М при отверждении
бурового шлама - 36.7 час.
Обезвреживание отработанного бурового раствора
производится методом отверждения с последующим захоронением в шламовых амбарах.
Жидкая фаза отработанных буровых растворов осветляется методом реагентной
коагуляции.
5.11 Охрана атмосферного воздуха от
загрязнения
Приоритетным загрязняющим фактором являются
дымовые газы автотранспорта и строительных машин в процессе строительства
кустового основания и передвижной теплофикационной котельной с котлами ПКН-2с
(паропроизводительность - 2 т/час, расход нефти 158 кг/час) в процессе
строительства скважины. Основными выбрасываемыми вредными веществами при работе
транспорта и строительных машин и при рабочем режиме горения нефти в топках
котлов являются: оксид углерода, окислы азота и серы.
Газоочистка конструкцией котельной и проектом не
предусматривается.
В теплое время года испарения углеводородов из
емкостей ГСМ, циркуляционной системы и шламовых амбаров являются загрязняющим
фактором, интенсивность воздействия которого зависит от объемов применения
нефти и нефтепродуктов для технологических целей, от герметичности емкостей и
исправности запорной и контрольной арматуры. Загрязнение атмосферного воздуха
испарениями углеводородов носит эпизодический характер.
В процессе приготовления буровых и тампонажных
растворов возможно загрязнение воздуха пылью сыпучих материалов: цемента,
глинопорошка, химреагентов и т.п. Загрязнение атмосферного воздуха пылью также
носит эпизодический характер.
При строительстве скважин рекомендуется
осуществлять следующие мероприятия для снижения отрицательного воздействия на
атмосферный воздух:
до начала бурения скважины необходимо проверить
и привести в исправное состояние все ёмкости, где будут храниться буровые
растворы и химические реагенты;
устье скважины, система приёма и замера
пластовых флюидов, поступающих при испытании скважины, циркуляционная система
должны быть герметизированы;
для процесса строительства скважины необходимо
использовать химические реагенты, имеющие установленные значения ПДК;
доставка и хранение химических реагентов должны
осуществляться в герметичных ёмкостях, необходимо вести учёт расходуемых и
отработанных ГСМ и химических реагентов;
применяемый при строительстве скважины
передвижной транспорт должен своевременно проходить контроль;
процесс сжигания топлива в котельной и ППУ
необходимо регулировать (оптимизировать) согласно режимным картам;
определение содержания загрязняющих веществ в
отработанных газах дизельных агрегатов и при работе двигателя автомобиля
осуществлять с помощью газоанализатора.
5.12 Ликвидация и консервация
скважин
При возникновении необходимости ликвидации или
консервации скважин изоляционно-ликвидационные работы осуществляются по
индивидуальному плану, согласованному с местными органами Госгортехнадзора и
военизированным отрядом по предупреждению и ликвидации открытых фонтанов в
соответствии с «Инструкцией о порядке ликвидации, консервации скважин и оборудования
их устьев и стволов» РД 08-71-94.
Скважина, законченная строительством, подлежит
консервации на срок до передачи ее в эксплуатацию.
При вводе скважины в консервацию необходимо
поднять из скважины оборудование, промыть и очистить ствол скважины. Устье заполнить
незамерзающей жидкостью. Ствол скважины заполнить жидкостью, обеспечивающей
необходимое противодавление на пласт.
Устье скважины оборудуется в соответствии с
требованиями "Правил безопасности в нефтяной и газовой
промышленности", утвержденных Госгортехнадзором России 09.04.98 г.
Проверяется герметичность колонны и отсутствие
заколонной циркуляции.
Необходимость спуска насосно-компрессорных труб
в скважине, а также установки цементного моста выше интервала перфорации
определяется службой Госгортехнадзора.
5.13 Контроль за состоянием и
охраной окружающей природной среды
В соответствии с "Основами земельного
законодательства"" РФ 17.04.93 г., законом "О недрах'' РФ,
4.05.92 г., законом РФ "Об охране окружающей природной среды" 3.03.92
г. производственные объединения и управления организуют ведомственный контроль
за использованием и охраной недр, почв и водных объектов, за сбором, очисткой и
обезвреживанием отходов производства.
Для организации ведомственного контроля за
состоянием и охраной окружающей среды на предприятиях создаются соответствующие
структурные подразделения, службы, лаборатории или отделы. Форма и содержание
работы, распределение обязанностей и ответственности, вид и содержание учетной
документации и отчетности определяются в соответствии с действующими
нормативными актами, видом и объемом производственной деятельности.
Строительство кустового основания осуществляется
по проекту, предусматривающему комплекс мероприятий по защите окружающей среды.
Проект строительства скважины учитывает требования охраны окружающей среды, как
непосредственно в процессе строительства, так и в процессе эксплуатации
скважины.
Применяемое для строительства скважины типовое
комплектное оборудование не позволяет снизить концентрацию загрязняющих веществ
в отходах бурения до уровня ПДК, поэтому комплекс мероприятий носит в
значительной мере организационный характер и направлен на предупреждение или
максимальное снижение вредного воздействия техники и технологии на окружающую
среду
Работы по охране окружающей среды при
строительстве кустового основания и строительстве куста скважин
предусматривают:
детальное обследование источников загрязняющих
выбросов и отходов, определение массы выбрасываемых загрязняющих веществ;
разработку организационно-технических мероприятий
по предупреждению или максимальному снижению загрязняющих выбросов и отходов
производства;
разработку плана контроля за состоянием и
охраной окружающей среды и согласование плана с соответствующими
природоохранными органами;
контроль выполнения проектов и действующих
проектных решений;
организация и ведение мониторинга.
5.14 Охрана недр при строительстве
скважин
Для обеспечения охраны недр настоящим проектом
предусматривается строительство скважин в соответствии с действующими
требованиями технологии бурения, крепления и испытания скважин в соответствии с
инструкциями и руководящими документами.
Основной этап проектирования, обеспечивающий
качественное строительство скважины несет в себе следующие природоохранные
функции:
обеспечивает охрану недр надежной изоляцией
флюидо - содержащих горизонтов друг от друга;
предупреждает возникновение, нефтегазопроявлений
и открытых выбросов нефти и газа в окружающую среду путем использования
рационального количества обсадных колонн, расчета глубин их спуска, изоляции
нефтеводоносных горизонтов тампонажными растворами за всеми обсадными
колонками, а также установкой на кондуктор противовыбросового оборудования
согласно ГОСТ 13862-90.
предотвращение проникновения газа в проницаемые
горизонты предусматривается путем применения высокогерметичных труб типа ОТТГ,
ОТТМ и применения специальной герметизирующей резьбовой смазки типа Р - 402.
Для уменьшения степени загрязнения пластов в
проекте предусмотрена ограниченная скорость спуска обсадных труб.
Для того, чтобы поверхностные воды не засорялись
бытовыми отходами, в проекте предусмотрено применение мусоросборников.
Для предотвращения загрязнения водоносных
горизонтов применяются следующие технологические решения:
глинистая кольматация стенок скважины с
образованием прочной низкопроницаемой корки, препятствующей фильтрации раствора
в водоносный горизонт;
обработка бурового раствора высокомолекулярными
соединениями, обеспечивающими снижение фильтрационных свойств промывочной
жидкости;
ограничение репрессий на водоносный горизонт
путем регулирования структурно-механических свойств бурового раствора,
обеспечивающих снижение гидродинамического давления.
6. ОРГАНИЗАЦИОННО-ЭКОНОМИЧЕСКАЯ
ЧАСТЬ
.1 Структура и организационные формы
работы бурового предприятия ЗАО «Сибирская Сервисная компания»
Нефтеюганский филиал ЗАО «ССК» создан на базе
четырех сервисных предприятий региона, входивших в состав Нефтеюганского УБР. В
самом начале здесь работало 8 бригад бурения и 22 - капитального ремонта
скважин. Наиболее крупные проекты - на Приобском и Салымском месторождениях.
Здесь сегодня работают самые современные буровые установки БУ 4500 ЭУК,
оснащенные верхними силовыми приводами. Бурение скважин проходит в рекордные
сроки, в среднем от 9 до 11 суток.
Остновными партнерами копании ОАО «НК «Роснефть»
(ОАО «РН-Юганскнефтегаз», ЗАО «Ванкорнефть», ОАО «Томскнефть» ВНК, ОАО
«Самаранефтегаз», ОАО «Восточно-Сибирская Нефтяная Компания»), ОАО «Газпром»
(ООО «Красноярскгаздобыча», ЗАО «Зарубежнефтегаз», ОАО «Томскгазпром», ОАО
«Газпромнефть» (ООО «Газпромнефть-Хантос», ООО «Газпромнефть-Восток»)),
Компания «Салым Петролеум Девелопмент Н.В.», ОАО «Восточная Транснациональная
Компания», ОАО «Татнефтепром», ЗАО «Самара-Нафта», ОАО «Норд-Империал», ОАО
«Альянснефтегаз», ОАО «Северонефтегаз», «Smith Siberian Services», «Derrick
Equipment», ОАО «НОВАТЭК», ОАО Нефтегазовая компания «Русснефть» и другие, не
менее известные в российской и мировой нефтяной промышленности компании.
Предприятие возглавляет директор филиала, у
которого есть шесть заместителей: технический директор - первый заместитель
директора, заместитель директора по экономике и финансам, заместитель директора
по безопасности, заместитель директора по производству, заместитель директора
по работе с персоналом и заместитель директора по общим вопросам.
Техническому директору подчиняются следующие
руководители: главный технолог, главный геолог и заместитель технического
директора по ОТ и ПБ. Также он курирует работу отдела главного механика, отдела
главного энергетика, производственно-технического отдела бурения,
производственно-технического отдела КРС и отдела компьютерных технологий.
Главный технолог возглавляет технологический
отдел, технологическую группу по бурению и группу заключительных работ, а также
лабораторию буровых и тампонажных растворов. Главной задачей этих подразделений
является контроль и выполнение технологии строительства скважин.
Главный геолог возглавляет геологический отдел,
который разделен на отдел бурения и отдел КРС, также в его подчинении находится
группа геологов на месторождении. Задачей геологического отдела является
предоставление информации, связанной с геологией при бурении и освоении
скважин.
Заместитель технического директора по ОТ и ПБ
возглавляет одноименную службу, главной задачей которой является контроль
промышленной безопасности на всех объектах НФ ЗАО «ССК» и обеспечение
предприятия всем необходимым для создания безопасных условий труда.
Заместитель директора по производству
возглавляет центральный пункт диспетчерской службы (ЦПДС), через которую он
руководит работой следующих служб и цехов: служба буровых и вышкомонтажных
работ, служба по ремонту скважин и цех тампонажных работ.
Служба буровых и вышкомонтажных работ включает в
себя: цех буровых работ (ЦБР) и цех вышкомонтажных работ. ЦБР является органом
оперативного управления основным производством, обеспечивающим выполнения
плана-графика строительства скважин в целом по предприятию с соблюдением
установленной технологии. Начальник ЦБР организует работу шести буровых бригад
и бригады технического водоснабжения. В цех вышкомонтажных работ входят три
бригады, которые обеспечивают работы по выполнению плана-графика строительства
буровых, организации и выполнение переездов и передвижек буровых установок, а
также по установке и монтажу оборудования с соблюдением установленной
технологией.
К службе по ремонту скважин относятся: цех по
зарезке вторых стволов (ЦЗВС) и цех по повышению нефтеотдачи пластов и
капитальному ремонту скважин. В ЦЗВС входят две бригады. Задачами ЦЗВС является
планирование технологии работ по зарезке второго ствола, и выполнение этих
работ.
Цех тампонажных работ организует работы по
креплению скважин, обеспечению основного производства исправными агрегатами,
техническому обслуживанию и ремонту техники. В цех тампонажных работ входят:
ремонтно-механическая мастерская, отдел эксплуатации, участок крепления и
участок освоения.
Заместитель директора по экономике и финансам
руководит работой планово-экономического отдела и проектно-сметного отдела.
Кроме того, ему подчиняется главный бухгалтер, который организует и планирует
работу следующих секторов: по учету основных фондов, по учету материалов, по
расчетам заработной платы, по налогам, по отчетности.
Заместитель директора по работе с персоналом
руководит работой отдела кадров, отдела организации и мотивации труда,
менеджера по обучению, менеджера по гражданской обороне и чрезвычайным
ситуациям, сектором по социально-бытовым вопросам.
Заместитель директора по общим вопросам
руководит работой административно-хозяйственного отдела, отделом
материально-технического снабжения и базой производственного обслуживания, куда
входят прокатно-ремонтный цех бурового оборудования и прокатно-ремонтный цех
труб и турбобуров.
Заместитель директора по безопасности руководит
работой службы безопасности предприятия.
Одним из ближайших изменений в структуре
предприятия является выделение технологического отдела в самостоятельную
технологическую службу. В настоящее время идет разработка схемы взаимодействия
службы с предприятием. Схема организационной структуры приведена на рис. 6.1.
Рис. 6.1 - Организационная структура
Нефтеюганского филиала ЗАО «Сибирская Сервисная Компания»
6.2 Расчёт нормативной
продолжительности сооружения скважины
Нормативная карта - это документ, в котором
указывается нормы времени на выполнение отдельных операций в процессе
строительства скважины, а также общее время на строительство скважины. Расчет
нормативной карты производится по следующему плану:
Нормативного времени на механическое бурение
рассчитывается по формуле
, (6.1)
где
- нормативное время на механическое
бурение рассчитываемого интервала;
- нормативное время на механическое
бурение одного метра данного интервала (из местных норм), час.;
-
количество метров в интервале, м.
В интервалах, где проходка ведется с
отбором керна, нормативное время на механическое бурение рассчитывается дважды.
а) Время на механическое бурение с
отбором керна специальными долотами и снарядами. Рассчитывается по формуле
, (6.2)
где
- нормативное время на механическое
бурение с отбором керна рассчитываемого интервала, час;
- время
бурения одного метра с отбором керна (из местных норм), час;
-
количество метров в интервале отбора керна, м.
б) Время на проработку интервала
пробуренного с отбором керна.
Расчет ведется по формуле
, (6.3)
где
- нормативное время на проработку
ствола скважины после бурения с отбором керна, час;
- время на
проработку одного метра интервала (из местных норм, как на механическое бурение
сплошным забоем), час;
-
количество метров в интервале отбора керна, м.
Расчет нормативного времени на
спускоподъемные операции
Нормативное количество долблений по
каждому интервалу рассчитывается по формуле
, (6.4)
где
- нормативное количество долблений;
-
количество метров в интервале, м;
- проходка на долото (из местных
норм).
Количество спускаемых по интервалам
свечей рассчитывается по формуле
, (6.5)
где
- нормативное количество долблений
в интервале;
-
соответственно начальная и конечная глубина интервала, м;
- длинна
неизменной части инструмента (в зависимости от условий бурения состоит из
суммы: квадрат - 14,5 м, турбобур - 9,5 м, переводник долото - 1 м, УБТ - из
задания), м;
- проходка
на долото, м;
- длина
свечи, м.
Количество поднимаемых по интервалам свечей
определяется по формуле
, (6.6)
где
- длина интервала, м.
Нормативное время на спуск свечей
рассчитывается по интервалам по формуле
, (6.7)
на подъем свечей
, (6.8)
где
и
- нормативное время соответственно
на спуск и подъем одной свечи (из ЕНВ), мин.
При оснастки талевой системы
:
мин;
мин.
При оснастке талевой системы
:
мин;
мин.
При глубине залегания интервала
более 2500 м, к нормам времени на спуск и подъем одной свечи добавляется 0,1
мин.
Расчет нормативного времени на
наращивание труб.
Нормативное время на наращивание
труб рассчитывается по следующей формуле
, (6.9)
где
- нормативное время на одно
наращивание, час;
-
количество наращиваний, которое определяется по формуле
, (6.10)
где
- длина интервала, м;
- длина
неизменной части инструмента, м;
- длина трубы (12,5), м.
Расчет нормативного времени на
прочие работы
Нормативное время на смену долота
рассчитывается по интервалам по формуле
, (6.11)
где
- нормативное количество долблений
по интервалам;
Время на промывку скважины после
спуска и перед подъемом инструмента
Нормативное время на промывку
скважины после спуска и перед подъемом инструмента, рассчитывается по формуле
, (6.12)
где
- начальные глубины интервалов, м;
- конечные
глубины интервалов, м;
-
нормативное время одной промывки одного 100 метрового интервала скважины (из
ЕНВ), час;
-
количества долблений по интервалам.
Время на проверку турбобура
Смена и проверка турбобура
производится после 40 часов работы турбобура на забое скважины. Временем
непосредственной работы турбобура считается время механического бурения и
промывки. Расчет производится по формуле
, (6.13)
где
- нормативное время механического
бурения турбинным способом, час;
- нормативное время на промывку
скважины после спуска и перед подъемом инструмента, час;
- норма
времени на одну смену и проверку турбобура (из ЕНВ равна 0,63 часа).
Время на подготовительно -
заключительные работы
Нормативное время на подготовительно
- заключительные работы при спускоподъемных операциях рассчитывается по
интервалам, суммируется с нормативным временем на смену долота и заносится в
нормативную карту. Расчет для каждого интервала по формуле
, (6.14)
Опрессовка бурильных свечей проводится
через каждые 500 м глубины скважины. Расчет нормативного времени на опрессовку
проводится по формуле
, (6.15)
где
- норма времени на подготовительно
- заключительные работы к опрессовке, равная 1,67 часа (по ЕНВ);
- норма
времени на опрессовку одной свечи, равная 0,11 часа (по ЕНВ);
-
количество опрессовок в зависимости от глубины скважины;
- длинна
свечи, м;
- длина
опрессованного бурильного вала (
и т. д., где
- длина
неизменной части инструмента), м.
Время на переоснастку талевой
системы
Нормативное время на переоснастку
талевой системы составляет 2,37 часа (согласно ЕНВ).
Время на сборку и разборку УБТ
Время на сборку и разборку свечей
УБТ рассчитывается по формуле
, (6.16)
где
- количество свечей;
- общее
количество долблений;
- норма
времени на установку и вывод из - за пальца одной свечи УБТ.
Расчет нормативного времени на
ремонтные работы
Вычисляется нормативное время на
бурение скважины без учета ремонтных работ, как сумма значений в графе «Итого
времени» нормативной карты, и заносится в этой графе по строке «Итого по
скважине». Затем это время переводится в сутки. По таблице (из ЕНВ)
определяется процент ремонтных работ.
Затем вычисляется нормативное время
на ремонтные работы в процентном отношении от графы и записывается в
нормативную карту.
Расчет нормативного времени на прием
и сдачу вахт
Нормативное время на прием и сдачу
вахты рассчитывается по формуле
, (6.17)
где
- нормативное время на прием и
проводку скважины без учета смены вахты, час;
- норма времени на смену вахты,
равная 0,12 часа (по ЕНВ).
Суммарное значение
и
дает общее
нормативное время на проводку скважины -
. Это время заносится в графу
нормативной карты по строке «Общее нормативное время». Его отношение к глубине
скважины дает общее нормативное время бурения 1 метра скважины.
Расчет скоростей бурения
Расчет механической скорости
, м/час (6.18)
где Н - длина скважины, м; tМ -
продолжительность механического бурения, час.
м/час.
Механическая скорость бурения
характеризуется эффективностью разрушения горной породы и зависит от ее
особенностей, типа долота, способа и режима бурения, типа применяемого
оборудования, забойного двигателя, параметров промывочной жидкости,
квалификации бурильщика.
Расчет рейсовой скорости
Рейсовая скорость проходки Vрейс.
отражает проходку в метрах за 1 час механического бурения, спуско-подъемных
операций и подготовительно-вспомогательных работ, выполняемых при каждом спуске
и подъеме инструмента:
Vр = H / (Tм + Tс.п. + Tп.в.р. + Тн ) (6.19)
= 3025 / (169,55 + 48,72 + 8,75 + 33,77 ) = 11,6
м/ч
где Tм - время механического бурения, ч
Тс.п. - продолжительность спуско - подъемных
операций, ч
Тн - время на наращивание, ч
Тп.в.р. - продолжительность подготовительно - вспомогательных
работ, ч
Рейсовая скорость характеризует темп углубления
скважин в единицу времени, зависит от тех факторов, что и механическая
скорость, а также от глубины бурения, определяющей затраты времени на
спуско-подъемные операции.
Расчет технической скорости
, м/ст мес (6.20)
где tПР - производительное
(технологически необходимое) время бурения, час.
м/ст мес
Этот показатель используют для
сравнительной оценки эффективности новой техники, разных способов бурения и
выяснения резервов роста его скоростей. С помощью его определяют степень
интенсивности использования оборудования, его потенциальные возможности.
Расчет коммерческой скорости
, м/ст мес (6.21)
где ТБ - общее время бурения скважины, час.
м/ст мес
На основании вышеизложенного
составляем нормативную карту на проводку скважины, представленная в табл. 6.1.
Таблица 6.1 - Нормативная карта
|
Наименование
работ
|
Тип
и размер долота
|
Интервал
бурения, м
|
Норма
|
Проходка
в интервале, м
|
Количество
долблений, шт.
|
Время
механического бурения, ч
|
СПО
и прочие работы, ч
|
Всего,
ч
|
|
|
|
от
|
до
|
Время
бурения 1м, ч
|
|
|
|
|
|
|
|
Бурение
под направление
|
393,7
М-ГВУ-R167
|
0
|
40
|
400
|
0,012
|
40
|
0,1
|
0,48
|
0,55
|
5,58
|
|
|
Промывка
(ЕНВ)
|
|
|
|
|
|
|
|
|
|
0,066
|
|
|
Проработка
(ЕНВ)
|
|
|
|
|
|
|
|
|
|
0,19
|
|
|
Наращивание
(ЕНВ)
|
|
|
|
|
|
|
|
|
|
2
|
|
|
Смена
долот (ЕНВ)
|
|
|
|
|
|
|
|
|
|
0,27
|
|
|
ПЗР
к СПО (ЕНВ)
|
|
|
|
|
|
|
|
|
|
0,15
|
|
|
Установка,
вывод, разборка и сборка УБТ (ЕНВ)
|
|
|
|
|
|
|
|
|
|
1,81
|
|
|
Крепление
(ЕНВ)
|
|
|
|
|
|
|
|
|
|
34,49
|
|
|
ГИС
(ЕНВ)
|
|
|
|
|
|
|
|
|
|
10
|
|
|
Смена
обтираторов (ЕНВ)
|
|
|
|
|
|
|
|
|
|
0,67
|
|
|
Итого
на проводку скважины:
|
|
|
|
|
|
|
|
|
|
55,226
|
|
|
Ремонтные
работы (ЕНВ)
|
|
|
|
|
|
|
|
|
|
2,7613
|
|
|
Смена
вахт (ЕНВ)
|
|
|
|
|
|
|
|
|
|
0,82839
|
|
|
Итого:
|
|
|
|
|
|
|
0,1
|
0,48
|
0,55
|
58,81569
|
|
|
Бурение
под кондуктор
|
269,9
М-ГН-R03
|
40
|
150
|
400
|
0,02
|
110
|
0,325
|
2,2
|
2,97
|
32,2
|
|
|
Бурение
под кондуктор
|
|
150
|
381
|
400
|
0,02
|
231
|
0,0575
|
4,62
|
|
|
|
|
Бурение
под кондуктор
|
|
381
|
620
|
400
|
0,04
|
239
|
0,4175
|
9,56
|
|
|
|
|
Бурение
под кондуктор
|
|
620
|
693
|
400
|
0,05
|
73
|
0,1825
|
3,65
|
|
|
|
|
Бурение
под кондуктор
|
|
693
|
805
|
400
|
0,05
|
112
|
0,28
|
5,6
|
|
|
|
|
Бурение
под кондуктор
|
|
805
|
877
|
400
|
0,05
|
72
|
0,1125
|
3,6
|
|
|
|
|
Промывка
(ЕНВ)
|
|
|
|
|
|
|
|
|
|
0,77
|
|
|
Проработка
(ЕНВ)
|
|
|
|
|
|
|
|
|
|
0,5
|
|
|
Наращивание
(ЕНВ)
|
|
|
|
|
|
|
|
|
|
6,4
|
|
|
Смена
долот (ЕНВ)
|
|
|
|
|
|
|
|
|
|
0,81
|
|
|
ПЗР
к СПО (ЕНВ)
|
|
|
|
|
|
|
|
|
|
1,29
|
|
|
Крепление
(ЕНВ)
|
|
|
|
|
|
|
|
|
|
76,9
|
|
ГИС
(ЕНВ)
|
|
|
|
|
|
|
|
|
|
20
|
|
Смена
обтираторов (ЕНВ)
|
|
|
|
|
|
|
|
|
|
1,34
|
|
Итого
на проводку скважины:
|
|
|
|
|
|
|
|
|
|
153,73
|
|
Ремонтные
работы (ЕНВ)
|
|
|
|
|
|
|
|
|
|
7,6865
|
|
Смена
вахт (ЕНВ)
|
|
|
|
|
|
|
|
|
|
2,30595
|
|
Итого:
|
|
|
|
|
|
|
1,47
|
29,71
|
3,52
|
163,72245
|
|
Бурение
под ЭК
|
БИТ
190,5 МС BT 613 H
|
877
|
1206
|
3500
|
22
|
329
|
3,18
|
14,9
|
45,2
|
214,75
|
|
Бурение
под ЭК
|
|
1206
|
1806
|
3500
|
20
|
600
|
0,35
|
30
|
|
|
|
Бурение
под ЭК
|
|
1806
|
2397
|
3500
|
12
|
591
|
2,955
|
49,25
|
|
|
|
Бурение
под ЭК
|
|
2397
|
2625
|
3500
|
12
|
228
|
1,14
|
19
|
|
|
|
Бурение
под ЭК
|
|
2625
|
2989
|
3500
|
15
|
364
|
1,82
|
24,3
|
|
|
|
Бурение
под ЭК
|
|
2989
|
3025
|
3500
|
15
|
36
|
0,205
|
2,4
|
|
|
|
Промывка
(ЕНВ)
|
|
|
|
|
|
|
|
|
|
11,05
|
|
Проработка
(ЕНВ)
|
|
|
|
|
|
|
|
|
|
2,41
|
|
Наращивание
(ЕНВ)
|
|
|
|
|
|
|
|
|
|
15,6
|
|
Смена
долот (ЕНВ)
|
|
|
|
|
|
|
|
|
|
2,7
|
|
ПЗР
к СПО (ЕНВ)
|
|
|
|
|
|
|
|
|
|
4,3
|
|
Установка,
вывод, разборка и сборка УБТ (ЕНВ)
|
|
|
|
|
|
|
|
|
|
11,8
|
|
Крепление
(ЕНВ)
|
|
|
|
|
|
|
|
|
|
130,02
|
|
ГИС
(ЕНВ)
|
|
|
|
|
|
|
|
|
|
30
|
|
Смена
обтираторов (ЕНВ)
|
|
|
|
|
|
|
|
|
|
2,67
|
|
Итого
на проводку скважины:
|
|
|
|
|
|
|
|
|
|
405,49
|
|
Ремонтные
работы (ЕНВ)
|
|
|
|
|
|
|
|
|
|
20,2745
|
|
Смена
вахт (ЕНВ)
|
|
|
|
|
|
|
|
|
|
6,08235
|
|
Итого:
|
|
|
|
|
|
|
9,65
|
169,55
|
48,72
|
431,84685
|
|
|
|
|
|
|
|
|
|
|
|
|
|
|
|
|
|
|
|
|
Таблица 6.2 - Расчет времени на промывку и
проработку
|
Интервал,
м
|
Усреднённая
глубина, м
|
Норма
времени
|
Количество
циклов
|
Количество
долблений
|
Промывка
|
Проработка
|
Итого
|
|
0-40
|
0,4
|
1,9
|
1,5
|
0,159
|
0,004
|
0,125
|
0,129
|
|
40-150
|
1,8
|
1,9
|
1,5
|
0,379
|
0,032
|
0,45
|
0,482
|
|
150-200
|
5,0
|
1,9
|
1,5
|
0,735
|
0,175
|
1,25
|
1,425
|
|
200-877
|
10,4
|
1,2
|
1,5
|
0,831
|
0,259
|
2,6
|
2,859
|
|
877-1206
|
16,1
|
1,2
|
1,5
|
1,747
|
0,844
|
4,025
|
4,869
|
|
1206-1806
|
18,9
|
1,2
|
1,5
|
0,226
|
0,128
|
4,725
|
4,853
|
|
1806-2397
|
21,9
|
1,2
|
1,5
|
3,033
|
1,993
|
5,475
|
7,468
|
|
2397-2625
|
25,2
|
1,2
|
1,5
|
0,147
|
0,111
|
6,3
|
6,411
|
|
2625-2989
|
26,6
|
1,2
|
1,5
|
0,307
|
0,245
|
6,65
|
6,895
|
|
2989-3025
|
29,3
|
1,2
|
1,5
|
0,686
|
0,603
|
7,325
|
7,928
|
6.3 Разработка календарного
план-графика строительства скважины
Календарный план проектируемых работ
составляется для определения продолжительности выполнения всего проектируемого
комплекса работ, для определения взаимосвязи последовательности выполнения
работ, для оптимизации использования времени, для сокращения затрат времени в
целом по проекту и т.д.
Календарный план оформляется в виде таблицы, в
него включаются все проектируемые роботы, входящие в сметную форму CM-1.
В таблице календарного плана должны быть
следующие графы:
. Виды работ.
. Исходная информация (объем, время выполнения
каждого вида работ);
. Месяцы, планируемые для выполнения работ по
проекту.
К показателям, отражающим объем буровых работ,
относятся:
станко-месяцы;
число буровых и вышкомонтажных бригад,
необходимых для выполнения плана по проходке;
число буровых установок в парке бурового
предприятия, необходимых для обеспечения беспрерывной работы буровых бригад и
выполнения производственной программы.
Производительность труда за смену равна
м/см. (6.22)
Производительность труда смены за
месяц равна
м/мес. (6.23)
Планируемое время для выполнения
работ по бурению двумя бригадами равно
мес. (6.24)
Таблица 6.3 - Календарный план
|
№
|
Наименование
работ
|
Объем
|
Месяцы
|
|
|
ед.
изм.
|
кол-во
|
1
|
2
|
3
|
4
|
5
|
6
|
7
|
8
|
9
|
10
|
11
|
12
|
|
1
|
Проектно-сметные
работы
|
дни
|
30
|
|
|
|
|
|
|
|
|
|
|
|
|
|
2
|
Организация
полевых работ
|
дни
|
5
|
|
|
|
|
|
|
|
|
|
|
|
|
|
|
3
|
Транспортировка
грузов и персонала
|
дни
|
25
|
|
|
|
|
|
|
|
|
|
|
|
|
|
|
4
|
Строительство
зданий и сооружений
|
дни
|
5
|
|
|
|
|
|
|
|
|
|
|
|
|
|
|
5
|
Полевые
топоработы
|
дни
|
90
|
|
|
|
|
|
|
|
|
|
|
|
|
6
|
Буровые
работы
|
дни
|
31
|
|
|
|
|
|
|
|
|
|
|
|
|
|
|
7
|
ГИС
|
дни
|
|
|
|
|
|
|
|
|
|
|
|
|
|
8
|
Лабораторные
работы
|
дни
|
3
|
|
|
|
|
|
|
|
|
|
|
|
|
|
9
|
Загрузка
вспомогательного оборудования
|
дни
|
5
|
|
|
|
|
|
|
|
|
|
|
|
|
|
10
|
Камеральные
работы
|
дни
|
2
|
|
|
|
|
|
|
|
|
|
|
|
|
|
11
|
Ликвидация
полевых работ
|
дни
|
30
|
|
|
|
|
|
|
|
|
|
|
|
|
|
|
12
|
Составление
отчета/отчет
|
дни
|
25
|
|
|
|
|
|
|
|
|
|
|
|
|
|
|
|
|
|
|
|
|
|
|
|
|
|
|
|
|
|
|
|
|
|
|
|
Построение линейно-календарного графика
При составлении линейно-календарного графика
выполнения работ учитывается то, что буровые бригады должны работать
непрерывно, без простоев и пробурить все запланированные скважины за
запланированное время.
Остальные бригады (вышкомонтажные и освоения) не
должны по возможности простаивать.
Количество монтажных бригад определяется из
условия своевременного обеспечения буровых бригад устройством и оборудованием
новых кустов.
При составлении графика учитывается тип буровой
установки, месячная производительность, то есть число скважин законченных за
месяц буровой бригадой и количество календарных часов для бурения.
Проект предполагает сооружение 10 скважин на
кусте:
2 скважины под воду (время на сооружение одной
скважины 7 дней);
6 наклонно-направленных скважин (время на сооружение
- 18 дней);
2 горизонтальных скважины (время на сооружение
при использовании шарошечных долот - 31 день, при использовании долот БИТ - 26
дней). Линейно-календарные графики разработки куста при использовании в
сооружении горизонтальной скважины шарошечных или долот типа БИТ будут
различаться всего на 10 дней, следовательно, работы теоретически должны быть
закончены к началу октября. Необходимость в построении второго графика
отпадает.
Линейно-календарный график представлен в табл.
6.4.
Таблица 6.4 - Линейно-календарный график
|
Линейно-календарный
график работ
|
|
Бригады,
участвующие в строительстве
|
Затраты
времени
|
1
|
2
|
3
|
4
|
5
|
6
|
7
|
8
|
9
|
10
|
11
|
12
|
|
Вышкомонтажные
|
Первичный
монтаж - 2,4 мес.; Передвижка 15 м - 0,03 мес.
|
Первичный
монтаж
|
    
|
|
|
|
|
|
|
|
|
|
|
Буровые
|
Водяная
скважина - 0,23 мес.; Наклонно-направленная - 0,6 мес.; Горизонтальная - 1,02
мес.
|
|
|
|
В1
|
В2
|
Н1
|
Н2
|
Н3
|
Н4
|
Н5
|
Н6
|
Г1
|
Г1
|
|
|
|
|
|
Испытания
и освоения
|
Скважины
типа «В» - 0,3 мес.; Скважины типа «Н» - 0,5 мес.; Скважины типа «Г» - 1 мес.
|
|
|
|
|
В1
|
В2
|
Н1
|
Н2
|
Н3
|
Н4
|
Н5
|
Н6
|
Г1
|
Г2
|
|
|
|
|
|
|
|
|
|
|
|
|
|
|
|
|
|
|
|
|
|
|
|
|
|
|
|
|
|
|
|
|
|
|
Условные обозначения:
-
первичный монтаж, передвижки;
- бурение,
освоение, освоение наклонно-направленных скважин;
-
бурение, освоение горизонтальных скважин;
-
водяных скважин;
- бурение
проектируемая скважина.
6.4 Расчёт сметной стоимости
сооружения скважины
Общий расчет сметной стоимости геологического
задания
Расчет данной сметы сведен в табл. 6.5.
Таблица 6.5 - Общая сметная стоимость работ по
проекту (СМ 1)
|
№
|
Наименование
работ и затрат
|
Объем
|
Сумма
основный расходов на единицу объема
|
Итого
стоимость на объем, руб.
|
|
|
Ед.
изм.
|
Количество
|
|
|
|
1
|
Основные
расходы
|
|
А.
Собственно геологоразведочные работы:
|
|
1.
проектно-сметные работы
|
%
|
2
|
от
буровых работ
|
2752750
|
|
2.
буровые растворы
|
м
|
3025
|
45500
|
137637500
|
|
4.
работы по креплению
|
ч
|
300
|
32450
|
9735000
|
|
5.
испытание и вызов притока
|
сут
|
30
|
33450
|
1003500
|
|
6.
геофизические работы (комплекс)
|
|
|
1920400
|
1920400
|
|
Итого
полевых работ: Σ1
|
153049150
|
|
3.
организация полевых работ
|
%
|
1,2
|
от
Σ1
|
1836589,8
|
|
4.
ликвидация полевых работ
|
%
|
1,5
|
от
Σ1
|
2295737,25
|
|
Итого
основных расходов: Σ2
|
157181477,1
|
|
Б.
Сопутствующие работы и затраты
|
|
1.
Транспортировка грузов и персонала
|
%
|
20
|
от
Σ2
|
31436295,41
|
|
2.
Строительство временных зданий и сооружений
|
%
|
13
|
от
Σ2
|
20433592,02
|
|
Итого
себестоимость проекта: Σ3
|
209051364,5
|
|
2
|
Накладные
расходы
|
%
|
14
|
от
Σ2
|
22005406,79
|
|
3
|
Плановые
накопления
|
%
|
15
|
от
Σ2
|
23577221,56
|
|
4
|
Компенсируемые
затраты
|
|
А.
производственные командировки
|
%
|
0,8
|
от
Σ1
|
1224393,2
|
|
Б.
полевое довольствие
|
%
|
3
|
от
Σ2
|
4715444,312
|
|
В.
доплаты
|
%
|
8
|
от
Σ2
|
12574518,16
|
|
Г.
охрана природы
|
%
|
5
|
от
Σ2
|
7859073,853
|
|
5
|
Резерв
|
%
|
10
|
от
Σ3
|
20905136,45
|
|
ИТОГО
себестоимость проекта
|
301912558,8
|
|
Договорная
цена с учетом НДС (+18%)
|
356256819,4
|
В расчетах принималась усредненная цена
сооружения 1 м скважины, то есть в расчетах не учитывался тип используемых
долот. Следует отметить, что если проводить объективную оценку, то сметная
стоимость скважины сооруженной с помощью шарошечных долот значительно больше,
чем скважины, сооруженной с помощью долот БИТ. Это происходит потому, что
затраты времени на сооружение в первом случае значительно выше.
Сметно-финансовый расчет основных расходов
буровых работ (СМ-5)
Расчет данной сметы сведен в табл 6.6.
Таблица 6.6 - СМ-5
|
№
|
Статьи
затрат
|
Буровые
работы
|
|
|
Норма,
руб.
|
Норма
затрат с учетом коэффициентов, руб.
|
|
1
|
Заработная
плата
|
2350000
|
|
|
2
|
Дополнительная
зарплата (7,9%)
|
185650
|
|
|
3
|
ФЗП
|
2535650
|
|
|
4
|
Страховые
взносы (26%)
|
659269
|
|
|
5
|
ФОТ
(к=1,3)
|
2310400
|
3003520
|
|
6
|
Материальные
затраты (к=1,1)
|
435000
|
478500
|
|
|
|
|
|
7
|
Амортизация
(к=0,8)
|
650000
|
520000
|
|
Итого
|
|
4002020
|
Сметно-финансовый расчет на проектно-сметные
работы
Расчет данной сметы сведен в табл. 6.7.
Таблица 6.7 - Сметно-финансовый расчет на
проектно-сметные работы
|
Профессия
|
Отработанных
дней
|
Оклад,
руб.
|
|
Ведущий
инженер-технолог
|
28
|
120000
|
|
Технолог
|
28
|
65000
|
|
Экономист
|
14
|
34000
|
|
Главный
геолог
|
28
|
71000
|
|
Сметчик
|
14
|
28000
|
|
Итого:
|
|
318000
|
|
ДЗП
|
|
25122
|
|
ФЗП
|
|
343122
|
|
Страховые
взносы
|
|
89211,7
|
|
Материалы
|
|
35000
|
|
Амортизация
|
|
18000
|
|
Транспорт
|
|
43000
|
|
Резерв
|
|
18000
|
|
Командировки
|
|
20000
|
|
Итого
|
|
566333,72
|
Финансовый план
Основой рациональной организации работы во всех
областях финансово-хозяйственной деятельности предприятия является финансовый
план.
Финансовый план представлен в табл.6.8.
Таблица 6.8 - Финансовый план
|
Статья
|
Руб.
|
|
Доходы
|
|
Сметная
стоимость проекта
|
356256819,4
|
|
Расходы
|
|
ФЗП
|
47154443
|
|
Материалы
|
75360315
|
|
Амортизация
|
47154443
|
|
Накладные
расходы
|
13188055
|
|
Компенсируемые
затраты
|
31611708
|
|
Резерв
|
20905136,45
|
|
Организация
и ликвидация полевых работ
|
4953088
|
|
Проектно-сметные
работы
|
3348800
|
|
Итого
расходов
|
243675988,5
|
|
Налоги
|
|
НДС
|
65138091,99
|
|
Страховые
взносы
|
12260155,18
|
|
Накладные
расходы
|
13188055
|
|
Итого
налогов
|
90586302,17
|
|
Балансовая
прибыль
|
21994528,78
|
|
Налог
на прибыль
|
4398905,756
|
|
Чистая
прибыль
|
17595623,02
|
|
Схема
распределения выручки
|
|
|
|
|
Сметная
стоимость геологического задания
|
|
|
|
|
|
|
|
|
356256819,4
|
|
|
|
|
|
|
|
Расходы
предприятия:
|
|
|
|
|
|
|
|
|
|
|
ФЗП:
|
|
47154443
|
|
|
|
Выплаты
государству:
|
|
|
|
|
|
Материалы:
|
|
75360315
|
|
|
|
НДС
(18%):
|
|
65138091,99
|
|
|
|
|
|
Амортизация:
|
|
47154443
|
|
|
|
Страховые
взносы (26%):
|
|
12260155,18
|
|
|
|
|
|
Компенс.
затраты:
|
|
31611708
|
|
|
|
Накладные
расходы:
|
13188055
|
|
|
|
|
|
Резерв:
|
|
20905136,45
|
|
|
|
|
|
|
|
|
|
|
|
Накладные
расходы:
|
13188055
|
|
|
|
|
|
|
|
|
|
|
|
Орг.
и ликв. пол раб.:
|
4953088
|
|
|
|
|
|
|
|
|
|
|
|
Проектно-сметные
раб.:
|
3348800
|
|
|
|
|
|
|
|
|
|
|
|
|
|
|
Балансовая
прибыль
|
|
|
|
|
|
|
|
|
|
|
21
994 528,78
|
|
|
|
|
|
|
|
|
|
|
|
|
|
Налоги
на прибыль:
|
|
|
|
|
|
|
|
|
|
|
|
4398905,756
|
|
|
|
|
|
|
|
|
|
|
|
|
|
|
|
|
|
|
|
|
|
|
Чистая
прибыль
|
|
|
|
|
|
|
|
|
|
|
17
595 623,02
|
|
|
|
|
|
|
|
Фонд
развития предприятия
|
|
|
Соц.
фонд
|
|
|
|
|
61230941,42
|
|
|
3
519 124,60
|
|
|
Рис. 6.2 - Схема распределения выручки
Схема распределения денежных средств
Эта схема заполняется на основе расчетов
стоимости проектируемых работ и представлена на рис. 6.2:
6.5 План организационно-технических
мероприятий по повышению технико-экономических показателей
Целью внедрения модернизированной техники
является уменьшение материальных затрат, относящихся на 1 метр проходки
скважины. В условиях рынка, внедрение новой техники способствует выполнению
основной задачи предприятия - получение максимальной прибыли при минимальных
затратах. Прирост прибыли, полученной благодаря использованию модернизированной
техники, проявляется, также как и прирост прибыли от снижения себестоимости
продукции.
Для проведения экономического анализа новую
технику и технологию делят на три категории:
Принципиально новая техника, не имеющая
аналогов. Ее внедрение требует больших финансовых затрат и длительного времени
(5 - 10 лет). В данном случае речь идет о принципиально новых типах буровых
растворов.
Новая техника и технология современного
научно-технического уровня, имеющая аналоги в других сферах промышленности.
Требует для изготовления и «привязки» к конкретному производству 3 - 4 года.
Новая техника как результат модернизации. Эта
техника требует для внедрения относительно небольших затрат и короткого времени
(0,5 -2 года), и даст наибольший экономический эффект за короткий промежуток
времени, что является существенным фактором в условиях рыночной экономики.
Следует также учесть современное состояние
научно-технической базы России в области нефтяного машиностроения, которая не
позволяет рассчитывать на долгосрочные проекты внедрения абсолютно новой
техники и технологии в настоящее время.
В мировой практике применяются многочисленные
показатели, позволяющие анализировать технический уровень производства,
экономичность и эффективность использования новой техники.
В России нормативный коэффициент эффективности
новой техники установлен для народного хозяйства 0,15, что предполагает срок
окупаемости до 6,6 лет.
Социально-экономическая эффективность на уровне
предприятия определяется эффективностью отдельных нововведений и их комплексов.
При этом эффективными считаются новшества, абсолютная эффективность которых
(ЭАБС) не ниже нормативной (ЕН = 0,15) и базовой
ЭАБС = ДЧП / КМТ, (6.25)
где ДЧП - прирост чистой прибыли (хозрасчетного
дохода в результате нововведений); КМТ - прирост затрат на использование
модернизированной техники. При расчетах, экономической эффективности
сравниваемые варианты должны быть приведены в сопоставимый вид по всем
признакам; объему выпускаемой продукции иди выполняемых работ, их составу в
соответствии с заданной номенклатурой, качеству, срокам изготовления, а также
социальному эффекту, включая охрану окружающей среды. При внедрении новой
техники учитываются также соотношения по производительности, срокам службы и
другим качественным параметрам. При разработке показателей эффективности
внедрения новой техники следует исходить из той конечной цели, ради которой
осуществляется внедрение.
Гель-растворы это одна из новых разработок в
области буровых растворов, которая обещает стать успешным средством для
обеспечения устойчивости стенок скважины в осложненных условиях бурения.
Учитывая, что одним из самых распространенных осложнений на месторождениях
Западной Сибири являются - осыпи и обвалы стенок скважины, то применение
данного типа промывочной жидкости особенно актуально.
При расчетах смет расходов на бурения принято использовать
цены 1991 г., следовательно, ниже расчеты производятся с поправкой на этот год.
Сравнительные данные по капитальным затратам
сведены в табл. 6.9.
Таблица 6.9 - Сравнительный анализ затрат
|
Показатель
|
Полимерглистый
|
Показатель
|
Гель-раствор
|
|
На
СКВ.
|
|
На
СКВ.
|
|
Стоимость
на 1 кг., руб.
|
Потреб-ность,
кг.
|
Стоимость,
руб.
|
|
Стоимость
на 1 кг., руб.
|
Потребность,
кг.
|
Стоимость,
руб.
|
|
Материалы
|
|
Глинопоро-шки
|
2,70
|
7322
|
19769
|
Крахмал
|
7,36
|
5437
|
40016
|
|
Сайпан
|
78,00
|
146
|
11388
|
Каустическая
сода
|
13,89
|
900
|
12501
|
|
Габроил
- HV
|
134,09
|
57
|
7608
|
Жидкое
стекло
|
2,19
|
1440
|
3154
|
|
НТФ
|
160,00
|
14
|
2235
|
Поваренная
соль
|
1,932
|
2235
|
4318
|
|
ФК-2000
|
38,00
|
833
|
31654
|
Сернокислый
алюминий
|
0,828
|
440
|
364
|
|
Кальцинир.
сода
|
6,94
|
31
|
218
|
Вода
|
|
|
|
|
Бентонит
АНИ
|
8,99
|
7064
|
63500
|
Глинопоро-шки
|
2,70
|
7322
|
19769
|
|
ХВ-Полимер
|
415,12
|
706
|
293242
|
Гипан
|
35,8
|
300
|
10740
|
|
Экопак
SL/r
|
151,54
|
2119
|
321143
|
-
|
-
|
-
|
-
|
|
ИКСИН
|
172,33
|
353
|
60865
|
-
|
-
|
-
|
-
|
|
ИКСТАВ
|
183,54
|
177
|
32412
|
-
|
-
|
-
|
-
|
|
NaOH
|
13,89
|
353
|
4905
|
-
|
-
|
-
|
-
|
|
ИКБАК
|
180,37
|
177
|
31853
|
-
|
-
|
-
|
-
|
|
ИКЛУБ
|
101,09
|
366
|
36949
|
-
|
-
|
-
|
-
|
|
ИККАРБ
|
6,12
|
39547
|
242175
|
-
|
-
|
-
|
-
|
|
Приготовление
и утилизация
|
|
Приготовление
|
819390,7
|
Приготовление
|
805503,9
|
|
Утилизация
|
2458172,054
|
Утилизация
|
2416511,8
|
|
Итого
|
4437478,7
|
Итого
|
3312877,7
|
Поскольку данный раствор увеличивает
устойчивость стенок скважины, то соответственно уменьшается опасность посадок и
затяжек и снижаются затраты на простои и ликвидацию аварий и осложнений. Кроме
того, уменьшаются временные затраты на сооружение скважины в целом.
Таблица 6.9 - Оценка эффективности использования
|
Показатель
|
Сумма,
руб.
|
|
Снижение
затрат на простои, проработку и промывку
|
1138569,5
|
|
Снижение
затрат на ликвидацию аварий
|
1638781,4
|
|
Итого
|
2777350,8
|
Поскольку не на каждой скважине происходят
аварии из-за неустойчивости стенок скважины, то берется фиксированное значение
от сметной стоимости скважины: 1% = 3562568,194.
Оценка эффективности по формуле (6.25) будет
проводиться как отношение чистой прибыли к общим затратам на данный канал.
Тогда:
Эабс=( 4437478,7+ 2777350,8 -( 3312877,7)/
3312877,7 =1,18 руб./руб..
Ток = 1/ Эабс = 0,8 года.
Коэффициент экономической эффективности имеет
среднестатистическое - 1,18, кроме того, предлагаемый буровой раствор позволит
уменьшить время на строительство скважины.
7. СПЕЦИАЛЬНАЯ ЧАСТЬ
Изучение параметров гель-раствора для бурения
неустойчивых горных пород
При строительстве скважин в условиях
неустойчивых горных пород и солесодержащих пород к буровому раствору
предъявляются более высокие требования. Он должен обладать ингибирующими и
инкапсулирующими свойствами. В связи с этим разработка таких систем имеет очень
большое значение.
Одним из направлений стабилизации глинистых
отложений является создание новых композиций, предотвращающих диспергирование
глины и укрепляющих ее. При строительстве скважин в солесодержащих и
неустойчивых глинистых породах предлагается промывочная жидкость, в состав
которой входят: крахмал, каустическая сода, жидкое стекло, поваренная соль,
сернокислый алюминий. Жидкое стекло в составе бурового раствора для
стабилизации глинистых отложений использовалось и ранее. Главным затруднением
при его использовании является гидратная структура полимеров гидрата
кремнезема, которая активно взаимодействует с различными полимерами. Большая
часть известных полимеров ускоряет и усиливает процессы полимеризации гидрата
кремнезема, другие реагенты сами неустойчивы в растворах полимеризованного
гидрата кремнезема, и при их контакте происходит их выделение в отдельную фазу,
то есть высаливание. Технологические осложнения буровых растворов, содержащих
жидкое стекло, ограничивают их применение.
Задача предотвращения диспергирования глины при
контакте бурового раствора с осыпающейся глиной сводится к поиску соединений,
способных эффективно деполимеризовать полимерный гидрат кремнезема в составе
жидкого стекла. Такое сочетание позволит получить высокоэффективный буровой
раствор и обеспечить стабилизацию глины в контакте с ним. Разрушение глины
можно предотвратить путем создания гидратного полимера, способного скрепить
частицы глины между собой. Одним из таких гидратных полимеров является
полимерный гидрат кремнезема или глинозема. Приготовление промывочного
гель-раствора требует строго определенного порядка ведения компонентов. Хорошая
совместимость компонентов позволяет иметь систему, параметры которой отвечают
условиям бурения скважины (табл. 7.1).
Таблица 7.1 - Композиционный состав промывочного
гель-раствора
|
№
|
Рецептура
|
Параметры
растворов
|
|
|
ρ,
кг/м3
|
В,
с
|
Ф,
см3/30 мин.
|
СНС,
дПа
|
Толщ.
корки, мм
|
рН
|
Сут.
отстой
|
С,
кг/м3
|
|
1
|
1%
NaOH+3%кр.+7% Na2SiO3+25%NaCl+5% глинозема
|
1220
|
36
|
9
|
10/13
|
1
|
6
|
4
|
0,01
|
|
2
|
1%
NaOH+3%кр.+7% Na2SiO3+25%NaCl+10% глинозема
|
1240
|
40
|
7,5
|
8/12
|
пленка
|
4-5
|
0
|
0,0
|
|
3
|
1%
NaOH+3%кр.+7% Na2SiO3+25%NaCl+15% глинозема
|
1270
|
44
|
6
|
2/4
|
пленка
|
3
|
0
|
0,0
|
|
4
|
1%
NaOH+3%кр.+7% Na2SiO3+25%NaCl+20% глинозема
|
1290
|
48
|
4
|
1/3
|
пленка
|
3
|
0
|
0,0
|
|
5
|
1%
NaOH+3%кр.+7% Na2SiO3+25%NaCl+25% глинозема
|
1310
|
52
|
3,5
|
0/4
|
пленка
|
3
|
0
|
0,0
|
|
6
|
1%
NaOH+3%кр.+7% Na2SiO3+25%NaCl
|
1200
|
18
|
12
|
0/1
|
пленка
|
10
|
-
|
-
|
|
7
|
1%
NaOH+3%кр.+7% Na2SiO3+5% глинозема
|
1070
|
84
|
23
|
41/45
|
3
|
7
|
-
|
-
|
Данная композиция была получена
экспериментальным путем. Введение в оптимальных количествах соли сернокислого
алюминия позволило получить стабильную гелеобразную систему достаточного
удельного веса, лишенную твердой фазы, и дающую кислую реакцию, в результате
которой исключается пептизация и растворение выбуренных глинистых и галогенных
пород и тем самым облегчается их удаление из промывочной жидкости на
поверхности. Анализ данных табл. 7.1 показывает обоснованность применения
очищенного глинозема.
Таблица 7.2 - Влияние различных добавок на
параметры гель-раствора
|
№
|
Рецептура
|
Параметры
растворов
|
|
|
ρ,
кг/м3
|
В,
с
|
Ф,
см3/30 мин.
|
СНС,
дПа
|
Толщ.
корки мм
|
рН
|
Сут.
отстой
|
С,
кг/м3
|
|
1
|
Исходный
раствор 1% NaOH+3%кр.+7% Na2SiO3+25%NaCl+5% глинозема
|
1220
|
36
|
9
|
10/13
|
1
|
6
|
4
|
0,01
|
|
2
|
Раствор
№1+10% бентонитовой глины
|
1290
|
64
|
8,5
|
36/41
|
2
|
8
|
5
|
0,01
|
|
3
|
Раствор
№1+10% константиновской глины
|
1260
|
50
|
18
|
6/9
|
2
|
6
|
7
|
0,01
|
|
4
|
Раствор
№1+10% гипса
|
1260
|
32
|
6
|
6/9
|
0,5
|
7
|
12
|
0,02
|
|
5
|
Раствор
№1+10% аскангеля
|
1270
|
40
|
5
|
3/5
|
0,5
|
6
|
24
|
0,05
|
|
6
|
Раствор
№1+10% константиновской глины + 5% гипса
|
1280
|
44
|
7
|
5/10
|
пленка
|
6
|
8
|
0,02
|
Примечание: вода артезианская, плотность - 1010
кг/м3
В случае отсутствия глинозема (вариант 6)
насыщение раствора поваренной солью вызывает потерю структуры и снижение
вязкости. Среда дает щелочную реакцию рН=10. В случае отсутствия соли добавка
глинозема, являющегося полиэлектролитом, вызывает резкое повышение структурных
параметров - вязкости и СНС и увеличение показателя фильтрации. При этом имеет
место незначительное образование геля за счет реакции замещения глинозема со
щелочью. Только присутствие очищенного глинозема и поваренной соли в указанных
количествах, в присутствии реагентов-стабилизаторов, позволяет получить
оптимальный вариант 1.
Таблица 7.3 - Регулирование свойств промывочной
жидкости добавками различного назначения
|
№
|
Рецептура
|
Параметры
растворов
|
|
|
ρ,
кг/м3
|
В,
с
|
Ф,
см3/30 мин.
|
СНС,
дПа
|
Толщ.
корки мм
|
рН
|
Сут.
отстой
|
С,
кг/м3
|
|
1
|
Исходный
раствор 1% NaOH+3%кр.+7% Na2SiO3+25%NaCl+5% глинозема
|
1280
|
32
|
9
|
4/6
|
пленка
|
6
|
8
|
|
2
|
Раствор
№1+10% бентонитовой глины
|
1270
|
40
|
6
|
1/4
|
0,5
|
5
|
10
|
0,01
|
|
3
|
Раствор
№1+10% константиновской глины
|
1310
|
36
|
4
|
1/3
|
1
|
6
|
оседание
глины
|
оседание
глины
|
|
4
|
Раствор
№1+10% гипса
|
1260
|
44
|
12
|
9/18
|
2
|
5
|
6
|
0,02
|
|
5
|
Раствор
№1+10% аскангеля
|
1290
|
76
|
5
|
10/11
|
1
|
5
|
6
|
0,02
|
Реагент-стабилизатор состояния глины в стволе
скважины должен действовать в два этапа в процессе взаимодействия глины с
водой. Первым этапом является всасывание глиной воды вторым этапом,
лимитирующим процесс разрушения глины, является диспергирование гидратированных
частиц глины. Нейтрализации процессов, происходящих на первом этапе, можно
достичь, если создавать в водной структуре глины раствор внедрения
углеводородов или углеводородных фрагментов какого-либо соединения. Это
позволяет снизить скорость поступления воды в глину и повысить прочность
структуры глины. Образование раствора внедрения в связанной воде глины
гидрофобизирует ее. При соблюдении гидравлической программы бурения это
предотвращает образование сальников, не дает возможности глинистому шламу диспергировать
и переходить в раствор. Вторым важным этапом во взаимодействии воды с глиной
является диспергирование частиц глины. Данный этап наступает после прохождения
процессов набухания ее силикагелевой оболочки и формирования гидратной воды.
Добиться нейтрализации последствий от прохождения этого этапа можно только лишь
путем создания в глине или с глиной нового гидратного полимера, способного
скрепить частицы глины между собой.
Повышение прочности структуры по сравнению с
вариантом 6 достигнуто за счет гелеобразования, вызванного гидролизом хлоридов
алюминия, образующихся в результате реакции обмена сернокислой соли с
поваренной солью в водной среде. Гелеобразование приводит также к уменьшению
количества свободной воды, то есть понижению фильтрации. Гель представляет
собой студенистую аморфную массу молочно-белого цвета. Замечено, что при
длительном состоянии покоя от геля отделяется вода, как и у глинистого
раствора, но плотного осадка не образуется. Фильтрат раствора имеет кислую
среду.
Как видно из табл. 7.1, с увеличением содержания
глинозема уменьшается водоотдача, но при этом ухудшаются реологические
свойства. Регулирование свойств промывочной жидкости может быть достигнуто
добавкой в раствор глинистых и неглинистых материалов (барита, гипса, аскангеля,
палыгорскита, бентонита). Исследования проводились на пресной и
минерализованной артезианской воде (табл. 7.2, 7.3).
Результаты экспериментов показали, что
реологические и фильтрационные свойства раствора в значительной степени зависят
от вида наполнителя и состава воды. Если в гель-растворах, приготовленных на
пресной воде, например, бентонитовая глина повышает прочность структуры, а
аскан-гель значительно снижает СНС и водоотдачу, то в гель-растворах,
приготовленных на минерализованной хлормагниевой воде, наоборот, бентонит
уменьшает, а аскан-гель увеличивает СНС, сохраняя низкими значения водоотдачи.
Опыты проводились на артезианской воде следующего состава: CI-- 49,02%, SO4--
0,27%, СО3-нет, НСО3- - 5,6%, Ca++- 5,68%, Мg++ -18,3%, Na++K+- 26,02%.
Содержание глинозема обеспечивает получение
стабильной системы с высокими ингибирующими свойствами по отношению к пластовой
глине и глинистым породам.
Лабораторные исследования стойкости образцов к
пластовой глине и соли в предлагаемых растворах показали высокое ингибирующее
действие жидкости. Например, многодневная выдержка образов в растворе с
периодическим прогревом до 90 - 95 °С не нарушила их целостности: образцы
сохранили форму, размеры и вес. Характерно, что поверхность образца глины
покрылась тонкой гелеобразной защитной пленкой, очевидно, явившейся результатом
обменного процесса и образования полурастворимого коллоида - AI(OH)3 и инертной
соли CaSO4. Образцы пластовой соли в насыщенном водном растворе поваренной соли
за то же самое время выдержки полностью разрушились.
Таблица 7.4 - Глиноемокость засолоненного
гель-раствора
|
№
|
Рецептура
|
Параметры
растворов
|
|
|
ρ,
кг/м3
|
Т,
с
|
В,
см3/30 мин.
|
СНС,
дПа
|
Толщ.
корки мм
|
рН
|
|
1
|
Исходный
раствор 1% NaOH+3%кр.+7% Na2SiO3+25%NaCl+5% глинозема
|
1220
|
36
|
9
|
10/13
|
1
|
6
|
|
2
|
Раствор
№1+1% пластовой глины
|
1230
|
38
|
8
|
13/17
|
0,5
|
6-7
|
|
3
|
Раствор
№1+3% пластовой глины
|
1240
|
40
|
6,5
|
18/21
|
0,5
|
7
|
|
4
|
Раствор
№1+5% пластовой глины
|
1250
|
44
|
5
|
23/29
|
0,5
|
7-8
|
|
5
|
Раствор
№1+10% пластовой глины
|
1280
|
48
|
4,5
|
25/31
|
0,5
|
8
|
|
6
|
Раствор
№1+20% пластовой глины
|
1320
|
52
|
4,5
|
35/39
|
1
|
8-9
|
С целью определения агрегативной устойчивости
промывочной жидкости проводились исследования глиноемкости раствора.
Фракционный состав глинистого материала, добавляемого в гель-раствор, - до 0,25
мм.
Как показывает табл. 7.4, значительное насыщение
гель-раствора пластовой тонкодисперсной глиной не вызывает ухудшения его
свойств, и, наоборот, имеет место предельно допустимое повышение структурных
показателей и снижение водоотдачи.
Изучено влияние температуры на параметры
гель-раствора [29]. Исследовалась термостойкость гель-раствора при температуре
25, 50, 75°С. Замеры параметров безглинистого гель-растовора проводились в
горячем и охлажденном состоянии.
Таблица 7.5 - Влияние температуры на параметры
гель-раствора
|
Температура
|
90°С
|
Охлаждение
до 20°С
|
75°С
|
Охлаждение
до 20°С
|
50°С
|
Охлаждение
до 20°С
|
25°С
|
Охлаждение
до 20°С
|
20°С
|
|
Параметры
р-ра
|
Для
соленого раствора с 5% глинозема
|
|
Плотность,
кг/м3
|
1210
|
1220
|
1230
|
1230
|
1230
|
1230
|
1220
|
1220
|
1220
|
|
Вязкость,
с
|
18
|
22
|
24
|
32
|
28
|
36
|
38
|
30
|
36
|
|
Водоотдача,
см3/30 мин.
|
40/3
|
37
|
31
|
19
|
20
|
8
|
12
|
8
|
8
|
|
СНС,
дПа
|
2/5
|
4/6
|
3/5
|
3/5
|
2/4
|
2/3
|
0/1
|
0/1
|
10/13
|
|
Параметры
р-ра
|
Для
соленого раствора с 5% глинозема
|
|
Плотность,
кг/м3
|
1330
|
1300
|
1310
|
1300
|
1300
|
1300
|
1290
|
1300
|
1310
|
|
Вязкость,
с
|
25
|
36
|
29
|
40
|
37
|
48
|
47
|
50
|
52
|
|
Водоотдача,
см3/30 мин.
|
40/2
|
40/15
|
40/15
|
39
|
11
|
6
|
4
|
3,5
|
3,4
|
|
СНС,
дПа
|
5/6
|
5/6
|
4/6
|
4/5
|
3/5
|
3/5
|
2/4
|
0/1
|
0/4
|
Таблица 7.6 - Воздействие гипана на параметры
гель-раствора
|
№
|
Рецептура
|
Параметры
растворов
|
|
|
ρ,
кг/м3
|
Т,
с
|
В,
см3/30 мин.
|
СНС,
дПа
|
|
1
|
Исходный
раствор 1% NaOH+3%кр.+7% Na2SiO3+25%NaCl+5% глинозема (Т=22°С)
|
1220
|
36
|
8
|
10/13
|
|
2
|
Исходный
раствор 1% NaOH+3%кр.+7% Na2SiO3+25%NaCl+5% глинозема (Т=90°С)
|
1210
|
18
|
40/3
|
2/5
|
|
3
|
Исходный
раствор 1% NaOH+3%кр.+7% Na2SiO3+25%NaCl+5% глинозема+2% гипана (Т=22°С)
|
1220
|
36
|
9
|
6/7
|
Испытывались растворы с содержанием глинозема -
5 и 25%, поваренной соли - 25% (табл. 7.5).
Из данных таблицы видно, что с повышением
температуры показатели раствора ухудшаются - значительно повышается водоотдача.
Чтобы повысить термостойкость гель-раствора, его обрабатывают гипаном. Если
водоотдача гель-раствора при температуре 90°С была больше 40 см3 за 30 минут,
то после обработки гипаном она снижается до 9 см3 (табл. 7.6).
Однако следует отметить что гель-раствор,
поддается обработке гипаном при содержании глинозема в растворе не более 10%. В
противном случае, т. е. при увеличении содержания глинозема, гипан
сворачивается и не дает эффекта.
Таким образом, соленый гель-раствор (NaCI до
25%) с минимальным содержанием глинозема (5 - 10%) может быть применен для
разбуривания неустойчивых горных пород при температурах до 75°С, а при более
высокой температуре раствор требует обработки гипаном. Термостойкость пресного
гель-раствора составляет 110 - 125°С.
Проведение исследований активности гель-раствора
крепящего действия на образцах трубной стали и алюминиевого сплава показало,
что соленый промывочный гель-раствор, имеющий предельно высокое количество
AI2(SO4)3, без ингибирования можно применять только при работе стальными
бурильными трубами. Однако пресный гель-раствор, содержащий минимальное
количество сернокислого алюминия - 5%, допускает работу на ЛБТ без
ингибирования.
Выводы
• Промывочный гель-раствор по своим параметрам
удовлетворяет требованиям бурения глубоких скважин, разрез которых представлен
глинистыми, сульфатными, песчаными и солесодержащими породами.
•Промывочный гель-раствор обладает некоторыми
характерными особенностями:
позволяет отказаться от наполнителя;
в результате изменения количества соли и
очищенного глинозема регулирует водоотдачу, вязкость и плотность в пределах
1200 - 1300 кг/м3.
• Оказывает крепящее действие на глинистые и
галоидные горные породы.
• Предварительные исследования показали
возможность применения гель-раствора без ингибиторов при работе стальными
бурильными трубами, а трубами из легкого сплава - только в случае если
содержание сернокислого алюминия в раствор не превышает 5 - 7%.
• Промывочный гель-раствор на основе очищенного
глинозема можно рекомендовать для бурения скважин с температурой до 125°С.
ЗАКЛЮЧЕНИЕ
В данном дипломном проекте, а именно в общей и
геологической части, представлены географо-экономическая характеристика района
работ, геологические условия бурения, газонефтеводоносность, зоны возможных
осложнений.
В технической части проекта произведен выбор и
обоснование способа бурения, конструкции и профиля проектной скважины,
типоразмеров долот по интервалам бурения, режимы бурения для каждого интервала,
очистного агента, способа бурения и типа забойного двигателя. Произведен
гидравлический расчет промывки скважины. Обоснованы критерии рациональной
отработки долот. Разработаны мероприятия по предупреждению геологических
осложнений и аварий при сооружении скважины. Произведен расчет бурильной и
обсадной колон, цементирования скважины. Рассмотрена технология спуска обсадной
колонны и освоение скважины. По наибольшему весу из рассчитанных колонн выбрана
буровая установка.
Представлены вспомогательные цеха и службы
предприятия. Рассмотрены вопросы безопасности в рабочей зоне, охраны окружающей
среды, чрезвычайные ситуации.
В организационно - экономической части отражена
структура и организационные формы бурового предприятия, произведен расчёт
нормативной продолжительности сооружения скважины, разработан календарный
план-график строительства скважины, рассчитана сметная стоимость сооружения
скважины, предложен реальный план организационно-технических мероприятий для
повышения производительности труда и снижения себестоимости работ.
В специальной части дипломного проекта
рассмотрен вопрос о применении гель-раствора.
СПИСОК ЛИТЕРАТУРЫ
1. Абубакиров
В.Ф., Буримов Ю.Г., Гноевых А.Н., Межлумов А.О., Близнюков В.Ю. Буровое
оборудование: Справочник: в 2-х т. Т. 2. Буровой инструмент. - М.: ОАО
Издательства «Недра», 2003. - 494 с.
. Басарыгин
Ю.М., Будников В.Ф., Булатов А.И., Гераськин В.Г. Строительство наклонных и
горизонтальных скважин.- М.: ООО «Недра-Бизнесцентр», 2000. - 262 с.
. Басарыгин
Ю.М., Булатов А.И., Проселков Ю.М. Заканчивание скважин. Учеб. пособие для
вузов. - М.: ООО «Недра - Бизнесцентр», 2000. - 670 с.
. Басарыгин
Ю.М., Булатов А.И., Проселков Ю.М. Осложнения и аварии при бурении нефтяных и
газовых скважин: Учеб. для вузов. - М.: ООО «Недра-Бизнесцентр», 2000. - 679 с.
. Басарыгин
Ю.М., Булатов А.И., Проселков Ю.М. Технология бурения нефтяных и газовых
скважин. Учеб. для вузов. - М.: ООО «Недра-Бизнесцентр», 2001. - 679 с.
. Борисов
К.И., Рязанов В.И. Методические основы расчёта колонны бурильных труб: Учебное
пособие. - Томск: Изд.ТПУ, 2005-75 с.
. Булатов
А.И. Тампонажные материалы и технология цементирования скважин: Учебник. - М.:
Недра, 1991. - 315 с.
. Булатов
А.И., Аветисов А.Т. Справочник инженера по бурению. В 4-х кн. - М.: Недра, 1996
-1997.
. Булатов
А.И., Габузов Г.Г., Макаренко П.П. Гидромеханика углубления и цементирования
скважин. - М.: Недра, 1999. - 438 с.
. Булатов
А.И., Макаренко П.П., Проселков Ю.М. Буровые промывочные и тампонажные
растворы: Учебное пособие для вузов. - М.: ОАО «Издательство «Недра», 1999. -
424 с.
. Булатов
А.И., Макаренко П.П., Шеметов В.Ю. Охрана окружающей среды в нефтегазовой
промышленности. - М.: Недра, 1997. - 483 с.
. Ганджумян
Р.А., Калинин А.Г., Никитин Б.А. Инженерные расчеты при бурении глубоких
скважин: Справочное пособие /Под ред. А.Г. Калинина. - М.: ОАО «Изда-тельство
«Недра», 2000. - 489 с.
. Инструкция
по расчету бурильных колонн. - М.: ВНИИБТ, 1997. - 168 с.
. Инструкция
по расчету обсадных колонн для нефтяных и газовых скважин. М.: ВНИИБТ, 1997. -
194 с.
. Иогансен
К.В. Спутник буровика: Справочник. 3-е издан. переработ. и доп. - М.: Недра,
1990. - 388 с.: ил.
. Калинин
А.Г., Никитин Б.А., Солодский К.М. и др. Бурение наклонных и горизонтальных
скважин: Справочник /Под ред. А.Г. Калинина. - М.: Недра, 1997. - 648 с.
. Калинин
А.Г., Левицкий А.З., Мессер А.Г., Соловьев Н.В. Практическое руководство по
технологии бурения скважин на жидкие и газообразные полезные ископаемые:
Справочное пособие /Под ред. А.Г.Калинина.- М.: ООО «Недра-Бизнесцентр», 2001.-
450 с.
. Калинин
А.Г., Ганджумян Р.А., Мессер А.Г. Справочник инженера-технолога по бурению
глубоких скважин./Под. Ред. Проф. А.Г. Калинина. - М.: ООО «Недра-Бизнесцентр»,
2005. - 808 с.
. Крепша
Н.В., Свиридов Ю.Ф. Безопасность жизнедеятельности: Учеб.-метод. Пособие. -
Томск: Изд-во ТПУ, 2003. - 144 с.
. Леонов
Е.Г., Исаев В.И. Гидроаэромеханика в бурении. Учебник. - М.: Недра, 1997. -
174с.: ил.
. Организация,
планирование и управление предприятиями нефтяной и газовой промышленности:
Учебник. - М.: Недра, 1986. - 511 с.
. Правила
безопасности в нефтяной и газовой промышленности. - М.: НПО ОБТ, 2004. - 263 с.
. Редутинский
Л.С. Расчет параметров цементирования обсадных колонн - Томск: Изд. ТПУ, 1997.
- 47 с.
. Рязанов
В.И. Направленное бурение нефтяных и газовых скважин. Учебное пособие. - Томск:
Изд. ТПУ, 2007. - 117 с.
. Сооружение
и оборудование для кустового бурения скважин. Справочное пособие / В.Г.
Колгерин, Б.З. Султанов, Л.А. Шварцев, М.О. Крист. - М.: Недра, 1992. - 231 с.
. Теория
и практика заканчивания скважин. В 5 т. / А.И. Булатов, П.П. Макаренко, В.Ф.
Будников, Ю.М. Басарыгин; Под ред. А.И. Булатова. - М.: ОАО «Издательство
«Недра», 1998.
. Трубы
нефтяного сортамента / Под науч. ред. В.И. Вяхирева, В. Я. Кершембаума. - М.:
Наука и техника, - 1997. - 344 с.
. Технология
бурения нефтяных и газовых скважин: Учеб. Для вузов/ А.Н.Попов, А.Н.Спивак,
Т.О.Акбулатов и др.; Под общей ред. А.И.Спивака. - М.: ООО «Недра-Бизнесцентр»,
2003. - 509 с.
. О.А.
Нечаева, В.В. Живаева. Изучение параметров гель-раствора для бурения
солесодержащих и неустойчивых горных пород. Журнал. - “Бурение и нефть”
ПРИЛОЖЕНИЕ А
Qualitätsüberwachung der
Zementierung der Spalten
Die Entwicklung der Technologie
des Bohrens ist mit der Vervollkommnung der spülenden und verbindenden
Bohrlösungen untrennbar verbunden, die die komplizierten polydispersen
heterogenen Systeme darstellen. Die Versorgung der Bohrarbeiten unter den
komplizierten geologischen Bedingungen kann bei der heftigen
Vergrößerung des Umfanges des tiefen Bohrens nur mittels der
richtigen, differenzierten Auswahl als System für jeden konkreten Fall und
die rationale Regulierung ihrer Eigenschaften im Laufe Bohrlochbediening
erreicht sein. Also wird die Entwicklung und die Vervollkommnung der
wissenschaftlichen Grundlagen der Bedienung der Eigenschaften der
bohrspülenden und zementierenden Lösungen eines der zentralen
Probleme der Technologie des Bohrens, deren erfolgreiche Lösung die
Entwicklung der erdölfördernden Industrie insgesamt in bedeutendem Grade
bestimmt.technologischen Haupteigenschaften der spülenden und verbindenden
Bohrlösungen, die beim Bohren der Spalten verwendet werden, werden von
ihrem physikalisch-chemischen Zustand als polygranularen Systeme bestimmt. Die
physikalisch-chemischen Prozesse haben die Hauptbedeutung bei der Bearbeitung
der bohrverbindenden Lösungen, ihrer Wechselwirkung mit der Bohrlochwand,
gebohrtem Gestein und den Schichtfluiden, sowie bei der Einwirkung der hohen
Bohrlochtemperaturen und Drücke.Autor der
vorliegenden Arbeit hat besondere Aufmerksamkeit den verbindenden Lösungen
geschenkt, da von ihren Eigenschaften und der Zusammensetzung der Prozess der
Zementierung der Spalten abhängt. Es waren auch die Geräte für
die Bestimmung der Haupteigenschaften der zementierenden Lösungen
betrachtet, es wurde die Nutzung der komputerisierten Station der Landkontrolle
des Zementierungsprozesses der Spalten vorgeschlagen, es wurde die Einrichtung
der Stationknotenpunkte und das Prinzip ihrer
Arbeit betrachtet.
TAMPONIERUNGSSLÖSUNG DIE
ALLGEMEINEN ANGABEN ÜBER TAMPPONIERENDE LÖSUNGENtamponierende
Lösung ist ein heterogenes polygranulares System, das im Laufe einiger
Zeit fähig ist aus zähflüssig-elastischem in den
festen Zustand überzugehen, sowohl in der
Luft , als auch in den Flüssigkeiten. Wodurch ist
die disperse Phase und das disperse Medium der
zementierenden Lösung vorgestellt?disperse Phase der tamponierenden
Lösung ist durch das verbindende Zement vorgestellt, der aus dem bindenden
Stoff und seiner Zusätze besteht. Die
Zusätze können chemisch aktiv und inert sein.
Das disperse Medium oder
die Sperrflüssigkeit ist mit der zementierenden Lösung öfter als
Wasser und seltener als hochkonzentrierte Salz- und
Kohlenwasserstoffllösungen dargestellt.Sperrflüssigkeit kann im
aufgelösten Zustand die chemischen Reaktanten enthalten, die für die
Regulierung der Eigenschaften der zementierenden Lösung und des Steins
bestimmt sind. Die in die Sperrflüssigkeit eingeführten chemischen
Reaktanten werden nach der funktionalen Bestimmung in die folgenden 4 Gruppen
eingeteilt: die Beschleuniger der Haftung und Erhärtung; die Inhibitoren
der Haftung und Erhärtung; die Herabsetzer
der Filtrierung; die Weichmacher oder Verdünnungsmittel.HAUPTFUNKTIONEN
DER TAMPONIErenDEN LÖSUNGEN.FORDERUNGEN, DIE AN DIE TAMPONIerendeN
LÖSUNGEN UND STEINE GESTELLT WERDEN
Die Hauptfunktionen der tamponierenden
Lösungen, die beim Bau der Spalten erfüllt werden, sind die
folgenden:
Die Befestigung der Standrohren und ihr
Schutz vor dem Korrosionseinfluß der Schichtenfluiden;
- Die Isolierung der Schichten, die
verschiedene Arten der Fluiden (Wasser, Erdöl,
Gas) oder eine Art des Fluides mit verschiedenen Eigenschaften enthalten, voneinander
und von der Tagesoberfläche;
Die Bildung der künstlichen
Örte und der Scheiderpfropfen oder der Oberschwellen im Schacht der Spalte
zum Ziel der Bohrung des neuen Schachtes, des Übergangs zum
höhergelegenen Objekt, der Liquidation der Erscheinungsformen,
der Konservierung der Spalte u.a.;
- Die Liquidation der Absorptionen der
Bohrlösung;
Die Befestigung der Bohrlochwände
in den potentiell instabilen Gesteinen.existiert die Reihe der Forderungen,
denen die zementierendeLösung gerecht werden
soll.
Wir werden diese Forderungen
aufzählen:
Leicht von den Zementierungsanlagen
durchgeleitet werden im Laufe der Zeit, die für ihre Beförderung zum
aufgegebenen Intervall der Spalte notwendig ist;
Über die minimale Filtrierung
für die Erhaltung der hohen Durchlässigkeit der Schachtzone der
produktiven Schicht und die Verhinderung der vorzeitigen Verdichtung bei der
Strömung im Rohrraum zu verfügen;
- In Bezug auf Sedimentation
standfest zu sein, damit im Ruhezustand darin keine mit dem dispersen Medium
gefüllte Kanäle entstanden;
Chemisch inert sein in Bezug auf Metall,
Gesteine, Schichtfluiden und Bohrlösung;
Nach Abschluss der Beförderung zum
aufgegebenen Intervall der Spalte sich maximal schnell ins Tamponierungsstein
zu verwandeln;
-Leicht von
der technologischen Ausrüstung abgespült zu werden;
- Ungiftig zu sein.
Die Forderungen an tamponierende
Materialien für die Zementierung der Erdöl- und
Gasbohrlöcher werden
hauptsächlich von den geologisch-technischen
Bedingungen in den Spalten bestimmt. Das
Problem der Auswahl der Materialien ist kompliziert. Die
Tamponierungslösung soll während der Transportzeit in den Spaltraum beweglich
bleiben und sofort nach der Prozesseinstellung zu einem schrumpfenlosen Stein
mit bestimmten physikalisch-mechanischen Eigenschaften zu verhärten. Die
angegebenen Prozesse geschehen im Spaltschacht mit der komplizierten
Konfiguration, wo sich die Temperaturen und die Drücke mit der Tiefe
ändern, wo es absorbierende und
hochgedruckte Schichten existieren, sowie die Schichten
mit dem Vorhandensein der mineralisierten Wässer, des Erdöles und des
Gases. Bei solchen sich ändernden Bedingungen können ein Typ des
Zements oder eine und dieselbe Rezeptur der Tamponierungslösung nicht
identisch annehmbar sein. Ein Typ des Zements kann allen Anforderungen, die mit
der Vielfältigkeit der Bedingungen sogar in einer Spalte verbunden sind,
nicht entsprechen.
Tamponierungsstein ist der
künstliche feste Körper, der sich beim Erhärten der
Tamponierungslösung bildet.
Der Tamponierungsstein soll den
folgenden Forderungen gerecht werden:
- Hoch elastisch für die
Verhinderung seiner Zerstörung bei den dynamischen Belastungen,
insbesondere bei der Perforation zu sein;
- thermo- und korrosionsfest zu
sein;
- über gute Adhäsion mit dem
Metall und den Gesteinen, die die Wände der Spalte bilden, zu
verfügen;
keine Setzungen beim Erhärten zu
geben;
praktisch undurchlässig für
Flüssigkeiten und
Gase zu sein;
- genügend fest zu sein und zur
gleichen Zeit leicht gebohrt werden.
DIE EIGENSCHAFTEN DER
TAMPONIERUNGSLÖSUNGEN UND DIE REAKTANTEN FÜR IHRE
BEARBEITUNGEigenschaften des Zementmörtels hängen von vielen Faktoren
ab, wesentlich von denen die chemisch-minerale Zusammensetzung, die
Qualität und die Zahl der Füllmassen, das
Wasserzementverhältnis, die Zahl und der Charakter der chemischen
Füllmassen, das Regime der
Temperaturvermischung, der Druck u.a.
Die Haupteigenschaften des
Zementmörtels in Bezug auf die Bohrlöcher sind die folgenden: der
Wasserinhalt, die Fließfähigkeit, die Dichte, der Filtrierungsindex,
der dynamische Widerstand der Verschiebung, die strukturelle Zähigkeit,
die Sedimentationsimmunität, die Zeit der Verdickung, die Haftungsdauer
und einige anderen. Den Eigenschaften des Zementsteines kann man die
mechanische Haltbarkeit, die Durchlässigeit, die räumliche
Veränderung, die Korrosionsimmunität in den aggressiven Umgebungen und
das Modul der Elastizität zurechnen.Eigenschaften der Zementlösungen
und des Steines können durch den
Zusatz der Füllmassen, der aktiven Zusatzstoffe oder die Bearbeitung mit
den chemischen Reaktanten geändert sein.. Der Wasserinhalt wird mit dem
Wasser-Zementverhältnis, d.h. dem Verhältnis der Masse des Wassers
zur Masse des festen Tamponierungsmaterials charakterisiert. Für
standardmäßige Portlandzemente mit der spezifischen Oberfläche
von 2500-3500 cm2/g kann sich das Wasserzementverhältnis
innerhalb von 0,5-0,6 schwingen.
Die wichtige Eigenschaft der
Zementlösung - die Fließfähigkeit, die am Anfang mit Hilfe des
abgestumpften Kegels АзНИИ
mittels des Abzählens des mittleren Durchmessers der verschwimmenden
Lösung in zwei Richtungen bestimmt wird.Dichte. Eine der wichtigen
Charakteristiken des Zementmörtels ist die Dichte. Es ist praktisch die
einzige Kennziffer der Lösungsqualität, die im Laufe ihrer
Vorbereitung und der Beförderung in die Spalte kontrolliert wird.. Die
Dichte des Zementmörtels hängt von der Dichte der trockenen
Tamponierungsmaterialien und der Schließenflüssigkeit, sowie vom
Wasserzementverhältnis ab. Für den standardmäßigen
Zementmörtel bei W/Z=0,5 (entsprechend den Forderungen ГОСТ
1581-85) bildet seine Rechendichte 1,81-1,85/cm3.
Die Dichte des Zementmörtels in den
Industriebedingungen wird häufiger mit Hilfe von Areometern bestimmt, die
arterielle Hypertension-1 und die arterielle Hypertension-2 ist in jedem Punkt
unabhängig vom Vorhandensein der Station der Kontrolle der Zementierung
SKZ, die die automatische Registrierung und die Aufzeichnung der mittleren
Dichte der gepumpten Lösung gewährleistet.
Der Filtrierungsindex.
Unter der Einwirkung des Druckgefälles im Zementmörtel geschieht der
Prozess der Wassertrennung, der die Filtrierung heißt. Die
Geschwindigkeit der Filtrierung hängt von übernommen W/Z ab: sie ist
zum Quadrat der spezifischen Oberfläche des Zements (die Feinheit des
Mahlens), der Zahl der Füllmasse und der Zähigkeit der flüssigen
Phase des Zementmörtels umgekehrt proportional. Wegen
der hohen Filtrierung wird der Zementmörtel
zähflüssig, schwergepumpt, die Haftungsdauer wird beschleunigt; im
Ergebnis der Bildung der dicken Zementschalen ist die Haltekralle des
Mantelrohrs während Umhergehens möglich. Die Filtrierung des
Zementmörtels kann mit Hilfe des speziellen Gerätes VM-6 bestimmt
sein, das für die Messung der Filtrierung der Bohrlösung beim
Druck 0,1 Мпа verwendet
wird.
Sedimentatiosimmunität. Unter der
Sedimentationsimmunität wird Fähigkeit der
Tamponierunglösungsteilchen, sich
in die Schleißenflüssigkeit unter dem
Einfluß vom Schwerkraft
zu senken. Dieser Parameter hängt von der Differenz der Dichten der festen
und flüssigen Phasen der Tamponierungslösung, der Mikrostruktur des
Porenraumes, der Zähigkeit der Schließenflüssigkeit ab.der
stark entwickelten Grenzschichtioberfläche sind die
Tamponierungslösungen agrgregat-unbeständig. Ausgehend vom Charakter
und Grad der Sedimentationsbewegungen im Hauptteil der Tamponagenlösungssäule
kann man mit der ausreichender Genauigkeit über
den Charakter und den Grad der Umstellungen des oberen Niveaus der festen
Komponente der Lösung urteilen.
Bei der Zementierung der
Gestängestrange in den Gasbohrlöchern und den Spalten mit dem
Vorhandensein der Zonen AVPD erscheint die Notwendigkeit der Normierung
Sedimentationsimmunität der Tamponagelösungen, für deren
Erhöhung der gesamte Maßnahmenkomplex
zur Senkung der Kennziffer der Filtrierung des Zementmörtels empfohlen
sein kann.. Nach einiger Zeit nach dem Einschließen und der mechanischen
Vermischung beginnt die Fähigkeit des Zementmörtels zur
Strukturbildun zutage treten, die sich konsequent in der Verdickung und Haftung
der Lösungen ausprägt. Die Verdickung der Tamponierungslösungen
bewertet man mit Hilfe des Konsistometers.
Den wesentlichen Einfluss auf die
Verdickung des Zementmörtels übt die Qualität des Zements, seine
Mahlenfeinheit, die Temperatur, der Druck und
einige anderen Faktoren.
Die Vergrößerung der
Vedickungszeit der Tamponierungslösungen kann bei der Nutzung der
Inhibitoren der Strukturbildungsprozesse erreicht werden, deren Qualität
und Zahl unter Berücksichtigung der konkreten Bohrlöcherbedingungen
gewählt werden.. Die Möglichkeit der Anwendung der Tamponierungslösungen
in der einheimischen Praxis wird meistens von der Haftungsdauer bestimmt, die
von den folgenden Faktoren abhängt: der chemisch-mineralischen
Zusammensetzung des Zements; seiner spezifischen Oberfläche; В/Ц;
der chemischen Reaktanten, die in die Lösung eingeführt werden; der
Temperaturen; die Drücke u.a.den übrigen gleichen Bedingungen wird
mit der Erhöhung der spezifischen Oberfläche des Zements
und der Verkleinerung В/Ц
die Haftungsdauer des Zementmörtels verringert. Auf ihre Verkürzung
leistet die Temperatur den wesentlicheren Einfluss, als der Druck, und ihre
gemeinsame Einwirkung ist noch effektiver.
Die mechanische Haltbarkeit des
Zementsteines. Die Haltbarkeit des
Tamponierungssteines wird von dem vorübergehenden Widerstand der
Kompression, dem Dehnen oder der Biegung charakterisiert. Zu diesem Ziel werden
die in bestimmter Form hergestellten Muster des Zementsteines auf die
Haltbarkeit erprobt, wobei die Anstrengung der Zerstörung des Musters
entspricht.mechanische Haltbarkeit des Zementsteines hängt von der Reihe
der Faktoren ab, die wichtigsten von denen folgende sind: die
chemisch-mineralische Zusammensetzung, W/Z, die spezifische Oberfläche des
Zements, das Vorhandensein der Füllmassen und der chemischen Zusätze,
die Bedingungen der Erhärtens u.a. Den wesentlichen Einfluss auf die
Haltbarkeit des Zementsteines üben auch
die Temperatur und der Druck.
Die Durchlässigkeit des
Zementsteines. Unter der Durchlässigkeit des Zementsteines versteht man
seine Fähigkeit, durch sich Flüssigkeiten oder Gase bei einem bestimmten
Druckgefälle durchzulassen. Für die Versorgung der sicheren
Schichtenteilung soll der Zementstein im Rohrraum die minimal mögliche
Durchlässigkeit für Schichtfluiden haben.Durchlössigkeit des
Zementsteines ändert sich im Laufe seines Erhärtens und hängt in
großem Maße von der Herkunft des Zements und der Füllmassen,
W/Z, der Bedingungen und der Erhärtenszeit
usw. ab.
DIE REGELUNG DER EIGENSCHAFTEN DES
ZEMENTMÖRTELS UND DES STEINES MIT HILFE DER REAKTANTEN
Das Komplizierung der
geologisch-technischen Bedingungen der Bohrlochanlagen, sowie die
Vervollkommnung der Technik und der Technologie ihres Bohrens und der Befestigung
erhöhen das Niveau der Forderungen an die tamponierenden Materialien und
an die aus ihnen produzierten Lösungen. Das ruft die Notwendigkeit der
zielgerichteten Veränderung der Eigenschaften des Zementmörtels und
des sich bildenden Steines mittels der Bearbeitung
von den chemischen Reaktanten hervor.
Zu den Kennziffern der
Tamponierungssysteme, deren quantitative Veränderung sich von der
Notwendigkeit der Technologie oder den Besonderheiten der
Bohrlochverhältnisse hervorgerufen wird, gehören die Verdickungs -
oder Haftungsdauer, rheologische Eigenschaften, Sedimentationsimmunität
für Tamponierungslösungen und die mechanische Haltbarkeit, die
Durchlässigkeit, die Korrosionsbeständigkeit
für Tamponagestein.der quantitativen
Veränderung eines der Kennziffern der Tamponagelösung ändert
sich der anderere Parameter. In der Regel beeinflussen komplexweise die
Reaktanten und die Materialien, die in Tamponagesysteme eingeführt werden,
und ändern gleichzeitig einige Parameter. Manche Reaktanten ändern
bei einen Bedingungen die Eigenschaften
der Tamponagesysteme in einer Richtung, und bei den sonstigen Bedingungen kann
der Einfluss der selben Reaktanten entgegengesetzt sein.Anwendung der
Tamponagezemente unter verschiedenen Bedingungen ist mit der Nutzung der
folgenden Reaktanten verbunden:
der Beschleuniger der Haftung und
Erhärtung der Tamponagelösungen - Kalzium-, Natrium-, Kalium- und
Aluminiumchloride, der Sulfate des Natriums und des Kaliums, des kohlensaueren
Kaliums und des Natriums, Siliziumoxidnatrium
usw. ;
der Verlangsamer der Haftung und
Erhärtung - NTF, OEDF, der Weinsäure und ihrer Salze, der
Borsäure usw. ;
der Herabsetzer der Filtrierung -
Gypan, , CDB, КССB, PFXL,
FXLC, Polyoxiethilen, Karboximetilzellulose des Polyvinylspiritus (PBC),
Polyakrilamid, Methilzellulose usw.;
der Schaumdämpfer
- НЧК,
angelaufen Petrolatum, Seifenfluß, ЖЖт,
РС,
kalcium-seifenöl, Flotationsöl,
des Skrubberkondensates, Т-66,
steroaksa-6, die arterielle Hypertension-2, NGB-1, des Polyamids, Stearat des
Aluminiums, Karbolenium usw.der Auswahl des Reaktanten muss man davon ausgehen,
dass viele Reaktanten dem technologischen Effekt nach gleichwertig sind.
Infolgedessen muss man bei der Auswahl der Reaktanten ihr Preis, die Entfernung
bis zum Betrieb-Hersteller, den Aggregatzustand, die Lieferungsbedingungen berücksichtigen.
DIE ZUSAMMENSETZUNG DES
TAMPONIERUNGSZEMENTSder zusammensetzung der TZ als ВВ,
die das Erhärten der Tamponagelösungen gewährleisten,
werden die folgenden verwendet:
Portlandzement;
Tonerdezement;
Schlackenzement;
Kalk-Kieselerde-Zement;
Gips;
Magnesialzement;
Die Mischungen verschiedener
mineralischen ВВ;
Organische ВВ
(die synthetischen Harze).PHYSIKALISCH-CHEMISCHEN
GRUNDLAGENEIGENSCHAFTENSREGELUNG VON ТL
UND ТSMoment
der Vermischung PTZ mit Wasser und bis zur Bildung ТS
im betrachteten System verlaufen die folgenden untereinander verbundenen
Prozesse konsequent:Hydratation. Bei der Wechselwirkung PTZ mit dem Wasser sind
drei folgende Typen der Reaktionen möglich: A
+ aq = A·aq - die Hydratation (der Beitritt des Wassers);
+ aq = A * · aq + A ** ·aq - die
Hydratation + die Hydrolyse (die Zerlegung zu Wasser);+ B + aq = A·B·aq - die
Hydratation + гидротермальный
die Synthese.
Gewöhnlich nennt man diese
drei Reaktionen identisch - die Reaktionen der Hydratation, und die erhaltenen
Produkte als Hydratationsprodukte.
Die Reaktion der verschiedenen
Klinkermineralien verläuft mit der Bildung von verschiedenen
Hydratationprodukte, wobei sogar für ein und
dasselbe Klinkermineral je nach der Temperatur, des
Wasserinhalts im reaktiven Umfang, des Vorhandenseins der Beimischungen und
einiger sonstigen Bedingungen, die Hydratationsprodukte verschieden
sein können.
Hydratationsprozess von Alit und
Belit:Einschließen
von PTZ zu Wasser geschieht am Anfang die
Teilauflösung der Oberfläche der Klinkermineralien (es wird die
Trübung beobachtet).
Die Auflösungsprodukte gehen in
Form der einzelnen Ionen und ihren Hydraten in Auflösungsflüssigkeit
über, die allmählich mit den Reaktionsprodukten bis zur vollen
Sättigung gesättigt wird.entstehen in dieser gesättigten
(übergesättigten) Lösung
die Keime der neuen kristallinischen Phase (die Neubildungen).
Der Hydratationsprodukt von Alit und
Belit ist das Hydrosilikat des Kalziums C2SH2
(2CaO · SiO2 · 2H2O), der nach dem Aufbau des kristallinischen Gitters dem
natürlichen Mineral - Tobermorite
C5S6H5 nah ist.
Für Tobermorite ist der
Schichtaufbau charakteristisch; der dem von Montmorillonit ähnlich ist.
Die elementaren Tomborietenpakete sehen als Bande (der
Blätter)mit der Dicke 20 … 30 Å aus. Die Bandbreite beträgt von
0,04 bis zu 0,06 мкм,
und die Länge kann 1 мкм
erreichen. Infolge des kleinen Umfanges der Teilchen hat Tomborit die
große spezifische Oberfläche - 300
… 400 ¼2Neubildungen werden hauptsächlich
um teilweise aufgelöste Körner der Ausgangsklinkermineralien
konzentriert, indem sie eine Feinporenmasse bilden, die man als Zementgel
nennt.
Aus allen untersuchten Stadien des
Hydratationsprozesses (die Auflösung der
Körneroberfläche der PTZ,
die Bildung der übergesättigten Lösung, das Entstehen der Keime
der neuen Phase - der Neubildungen) ist das erste Stadium das langsamste - die
Auflösung der Oberfläche der Körner von PTZ.Geschwindigkeit der
Auflösung der Körneroberfläche bestimmt die Geschwindigkeit des
ganzen Hydratationsprozesses, die ihrerseits mit der Geschwindigkeit der Haftung
und des Erhärtens direkt verbunden ist.diesem Zusammenhang ist es für
die Steuerung der Eigenschaften der Tamponagelösungen wichtig, alle
Faktoren zu wissen, die die Auflösungsgeschwindigkeit der
Klinkermineralienoberfläche beeinflussen, also, auch die Geschwindigkeit
der Haftungs-und Erhärtungsprozesse.solchen Faktoren gehören die
folgenden:
- mineralogische Zusammensetzung des
Klinkers.;
- Dispersitätsgrad
von ТZ;
Druck;
Temperatur.mineralogische
Zusammensetzung des Klinkersschnellste hydratisierende Mineral des
Portlandzementklinkers ist das Dreikalciumaluminat, weiter folgt das
Vierkalcium-Alumferrit (C4AF), dann Alit (C3S) und am langsamsten reagiert mit
Wasser Belit (C2S).sind die Zemente mit dem hohen Inhalt des
Dreikalciumaluminates, des Vierkalcium-Alumferrits und des Alits
schnellbindend, und mit dem hohen Inhalt des Belits - langsambindend,
die hauptsächlich für Tamponierung in den Berichen der erhöhten
Temperaturen verwendet werden.ätsgrad von ТZ
Die Erhöhung des
Dispersitätsgrads von ТZ
führt zur Vergrößerung der Oberfläche der
Hydratationsreaktion und auf solche Weise zu ihrer
Geschwindigkeit.
Ungefähr kann man annehmen, dass
die Geschwindigkeit der Hydratation zur Größe der spezifischen
Oberfläche von ТZ
gerade proportional ist./Z
Bei den Bedeutungen von W/Z, die am
häufigsten in der Praxis der Bohrlochtamponage
verwendet werden (0,45 … 0,55), ist sein Einfluss auf die Geschwindigkeit der
Hydratation nicht sehr wesentlich.
In der Wirklichkeit nimmt die
Geschwindigkeit der Hydratation mit der Größe von W/Z
zu.den hohen Bedeutungen des W/Z geht die Periode der intensiven
Hydratation schnell vor sich, dann wird sie verzögert. Bei niedrigem W/Z
ist der Prozess der intensiven Hydratation zeitlich ausgedehnt.der
Größe der Temperatur bis zu 70 … 90 ºС
sind diese Unterschiede schon weniger deutlich geäußert.
Bei der Regelung der Bedeutungen des
W/Z ist es nötig es sich nach dem Folgenden
zu richten:
Vergrößerung W/Z;
Sedimentationsimmunität der TL
sinkt;
- Filtrierungkennziffer der ТL
wächst.
Mit derAbnahme der Bedeutungen W/Z
bis zu 0,3 ist es unmöglich, den TZ in den
Rohrraum zu transportieren, da er sich in die Paste verwandelt.
- Bei W/Z 0,6 bildet sich in der
Struktur ТS das
System zusammengebunden Kapillarporen, d.h. mit der Größe des W/Z
wird die Porosität, die
Durchlässigkeitkeit des ТS
erhöht, und seine Haltbarkeit sinkt.
Mit der Erhöhung des Drucks nimmt
die Geschwindigkeit der Hydratation zu.
Bekanntlic verkürzen sich mit der
Zunahme des Drucks von atmosphärisch bis zu 50 … 60
Мpa
die Haftungsfristen ungefähr zweifach.
Temperatur
Die Geschwindigkeit der Auflösung
der Klinkermineralienoberfläche die Geschwindigkeit der Hydratation)
wächst mit der Größe der Temperatur exponentiell, d.h. die
Temperatur ist ein Hauptfaktor, der die Geschwindigkeit der Haftung und des
Erhärtens von ТL
bestimmt.
Die Konstante der Geschwindigkeit der
Auflösung der Bindenden Stoffe (ВS)
wird nach der Formel bestimmt:
= K0 exp (-E / Rt),
K0 - die Konstante eines bestimmten ВS;-
universell Gaskonstante (R = 8,314 Dzh/K·mol');
Е - die Energie der
Aktivierung, das dzh/Mol;
t - die Temperatur, Zu (t = T + 273,15;
wo T - die Temperatur, ºС).Energie
der Aktivierung (E) ist jene überschüssige Energie, die man verwenden
muss, damit die Reaktion der Auflösung ВS
angefängt.
Strukturbildung
Die Porenumfänge des Zementgels ist
weniger, als die Umfänge der elementaren Tobemoritpakete.
Deshalb ist die Kristallisation des Letzten in Poren
des Gels unmöglich.geschieht nur nach der Diffusion der
Auflösungsprodukte der Zementkörneroberfläche durch die
Hülle des Zementgels in den sogenannten Interteilraum.
Je nach der Zunahme der Neubildungen
und ihrer Dimensionen bilden sich in ТL
"die beschränkten" Bedingungen.
Im Ergebnis der Hydratationsreaktion
auf den Oberflächen der Körner der
Ausgangsklinkermineralien und der
elementaren Tomboritpakete bilden sich Hydrathüllen.verbundene Wasser bildet
ungefähr 20 % von der Masse des Zements. So verringert sich im Ergebnis
der Hydratation die Zahl der Erschließenflüssigkeit und die Zahl der
dispersen Phase der ТL
nimmt zu, weil ein Teil des Wassers, das mit ТZ
reagiert, zu ihrer Bestandteil wird.
Außer den Hydrathüllen
entstehen auf den Oberflächen der festen Phase ТL
die elektrischen Ladungen, die sowohl durch gesättigte Verbindungen in den
aufgelösten Abschnitten des kristallinischen Gitters der Klinkermineralien
bedingt sind, als auch durch Unvollkommenheit
des kristallinischen Gitters der Neubildungen, die mit ihrer Unvollendetheit
verbunden ist.
Es ist bekannt, dass das Vorhandensein
auf den Oberflächen der festen Teilchen der Hydrathüllen und der
identischen nach dem Zeichen der elektrischen Ladungen zur Abstoßung der
Teilchen voneinander bringt.lassen "die geschränkten"
Bedingungen, in denen sich die Teilchen der festen Phase ТL
befinden, nicht zu, dass sie sich zu trennen, gleichzeitig lassen die
Hydrathüllen auf ihren Oberflächen -
nicht zu, dass sie sich dicht zu
nähern.führt das alles? Die Teilchen der festen Phase
(Zementkörner und die elementaren Tobermoritpakete) beginnen miteinander
mit scharfen Rändern und Rippen zu kontaktieren, auf denen die Dicke der
Hydrathülle wesentlich weniger ist,
und infolgedessen die Abstoßungskraft auch
weniger ist.bildet sich die Netzkoagulationsstruktur aus den Zementkörnern
und den elementaren Tobermoritpakete, den ganzen Inhalt der ТL
durchdringt. Solche Struktur ist thixotrop (die Verbindung zwischen
den Teilchen durch Hydrathüllen), d.h. nach ihrer mechanischen
Zerstörung (die Vermischungen) werden die Beziehungen zwischen den festen
Teilchen wieder hergestellt.
Haftungnach der Zunahme der
Neubildungkristalle wird die Haltbarkeit der Koagulationsstruktur
erhöht, es nimmt die Zahl der Beziehungen zu und es entsteht die
unmittelbare Verbindung (und nicht durch Hydrathüllen) zwischen den
Teilchen, immer mehr und grösser erscheint der Kontakte des
Zusammenwachsens der Neubildungen, es nimmt die Fläche solcher Kontakte
zu, den vorwiegenden Einfluss im System erwerben die festen chemischen
Beziehungen.
Daraufhin wird коагуляционная
die Struktur in locker кристаллизационную
die Struktur umgewandelt werden.
Erhärtengeschieht die
endgültige Bildung der Kristallisationsstruktur, die die hohe mechanische
Haltbarkeit und die elastischen-brüchigen Eigenschaften
hat.Zerstörung der Verbindungen zwischen den Teilchen solcher Strukturen
ist irreversibel.QUALITÄTSÜBERWACHUNG
DES TAMPONAGEZEMENTS (ТZ),
DER LÖSUNG (ТL)
UND DES STEINES (ТS)Arten
der Kontrolle:
- Die Eingangskontrolle der
Qualität ТZ;
Die Kontrolle bei der Aufbewahrung ТZ;
Die Kontrolle bei der Findung der
Rezeptur ТL;
Die Kontrolle bei der Vorbereitung ТL
im Bohrturm.Eingangskontrolle und die Kontrolle verwirklicht sich bei der
Aufbewahrung ТZ von den
Mitarbeitern der Laboratorien der Basen УПТОК
oder Tamponagebüros, die Kontrolle bei der Findung der Rezepturen ТР
- die Mitarbeiter der Laboratorien Bohr- und Tamponagelösungen
der Bohrunternehmen.Eingangskontrolle der Qualität ТZ
wird beim Eingang ТZ
auf der Basis УПТОК oder der Basis
des Tamponagebüros erzeugt.
Bei der Eingangskontrolle werden
alle normierten Parameter gemessen.PARAMETER, DIE BEI DER EINGANGSKONTROLLE
GEMESSEN WERDENParametern, die bei der Eingangskontrolle in der Regel gemessen
werden, sind die folgenden:
Die Feinheit des Mahlens von TZ;
- Die spezifische Oberfläche ТZ
(seltener);
- Die Dichte und
Fließfähigkeit von ТL
bei aufgegeber W/Z;
Die Zeit der Dickung von ТL;
Die Haftungsfristen von ТL
bei aufgegebenem Testregime.FEINHEIT DES MAHLENS VON ТZStandards
und die technischen Bedingungen des ТZ
charakterisieren die Mahlenfeinheit mit dem relativen Inhalt von zwei Fraktionen,
die mittels des Durchsiebens durch das Sieb mit dem Durchmesser der
Öffnungen von 0,08 mm geteilt sind (das Sieb №
008 nach ГОСТ 3584-73).
Dabei brauchen die meisten Standards, dass der Massenanteil des Zements, der
durch dieses Sieb ging, nicht weniger als 85 %
beträgt.ür die Bestimmung der Mahlenfeinheit wird die Probe des ТZ
zuerst in der Masse ungefähr 150 g im
Trockenschrank bei der Temperatur 110
5º im Laufe von einer Stunde getrocknet. Nach der Abkühlung der Probe
nimmt man daraus eine Einwaage mit der Masse 50
g und legt sie auf das Sieb № 008.
Gewöhnlich werden die Siebe in den
zylindrischen Gehäusen verwendet. Das wird auf folgende Weise bestimmt:
das Gehäuse wird vom Boden herausgenommen, im Laufe von 1 Minute wird
über dem Blatt des weißen Papiers,
und der in dieser Zeit durch das Sieb gegangene ТZ
auf der technischen Waage gewogen.dem Abschluss des Durchsiebens wird der auf
dem Sieb № 008 gebliebene ТZ
mit Hilfe des harten kleinen Pinsels in die Tasse der technischen Waage
vorsichtig verlegt und gewogen.Masse des Restes, die die Mahlenfeinheit des ТZ
charakterisiert, prägt sich prozentual von der Größe der
Ausgangseinwaage mit der Genauigkeit bis zu 0,1 % aus.
Die Mahlenfeinheit wird als
arithmetisches Mittel der Ergebnisse von zwei Siebanalysen gerechnet, deren
Daten sich voneinander nicht mehr als auf 0,2 % unterscheiden.
DIE SPEZIFISCHE OBERFLÄCHE
DES ТZ
Die spezifische Oberfläche des ТZ
ist eine summarische Oberfläche seiner Teilchen in 1 g des Pulvers.ür
die Bestimmung der spezifischen Oberfläche benutzt man am häufigsten
die Methode der Luftdurchlässigkeit, die auf der Messung des Widerstands
gegründet ist, der von der Schicht des verdichteten ТZ
abhängt.Gerät für die Bestimmung der spezifischen
Oberfläche des Тamponagezements
anhand der Methode der Luftdurchlässigkeit besteht im allgemeinen aus der
Küvette 4, in die die Probe des ТZ
gelegt wird, des U-förmigen Glasrohrs 1, das als Manometer-Respirator gilt
und der Gummibirne 2, mit deren Hilfe im Gerät die notwendige Entspannung
(die Abb. 3) entsteht.
ТZ, unterbracht im
Küvette 4, wird mit Plunger 3 verdichtet.Manometer-Respirator wird mit
gefärbten Wasser ausgefüllt. Auf das Rohr sind die Risiken für
die Messung der Geschwindigkeit der Senkung der Flüssigkeit im Manometer
beim Luftdurchsaugen durch das Muster aufgetragen.
Vor der Bestimmung seiner spezifischen
Oberfläche wird TZ im Laufe von 2 Stunden bei der Temperatur 110
5 ºß ausgetrocknet, dann nimmt man eine Einwaage m (in g), gleich
3,33 т.ц,
wo т.ц
- die Dichte des ТZ,
den/cm3 ist.
Auf das Küvettengitter legt man
eine Scheibe des Filterpapiers, die nach ihrem Innendurchmesser ausgeschnitten
ist. Oben wird auf die TZ-Schicht die gleiche Scheibe des Filterpapiers gelegt.
Es wird ein Plunger eingestellt und der Zement
verdichtet. Danach wird and der Plungerskala die Höhe der Zementschicht
gemessen.Hilfe der Birne wird im Gerät die Entspannung geschaffen, die so
groß sein soll, um mit der Flüssigkeit
im Manometer die obere Ausdehnung teilweise auszufüllen. Dann
schließt man den Hahn 5 zu und mit der Stoppuhr in den Händen
beobachtet man
die Senkung der Flüssigkeit im Manometerrohr.spezifische Oberfläche ТZ
wird nach der Formel ausgerechnetуд
= (K M
T) / m,S уд - die spezifische
Oberfläche ТЦ,
den cm2/g;- die Bedeutung der Gerätkonstanta
(wird experimentell bestimmt) für jenes Paar
der Strichmarken, zwischen denen die Zeit der Senkung des
Flüssigkeitniveaus gemessen wurde: beim hohen Dispersitätsgrad - die
Strichmarken 1 und 2, beim niedrigen- 3 und 4;
Т - die Zeit der Senkung
der Flüssigkeitsniveaus zwischen zwei Strichmarken mit; m - die
Einwaagemasse
M = 14 / L (sL
- m / s)
3/2 (1 / h) 0,5,
Wo s
- die Fläche des Querschnitts der TZ-Schicht in der Küvette cm2;
L - die Schichthöhe des Zementsin
der Küvette, cm; h - die Zähigkeit der Luft bei
der Temperatur der Erfahrung, дПа×с.
h = (184,84×10-12 t +
28,964×10-9) 0,5
Wo t - die Temperatur der Luft
während der Durchführung der Versuche
ºС
ist.
Die spezifische Oberfläche wird
als arithmetisches Mittel der Ergebnissevon zwei Bestimmungen ausgerechnet, die
sich voneinander nicht mehr als 200 cm2/g unterscheiden. Die
Berechnung werden mit der Genauigkeit bis zu 10 cm2 durchgeführt.
DIE DICHTE DER ТAMPONAGELÖSUNGDichte
der Tamponagelösung wird mit Hilfe des Aräometers ABR-1 gemessen, der
aus der abnehmbaren Ladung 1 besteht, des Polyäthylenblindverschlusses 2,
des metallischen Ballastes 3, des Meßbechers 4, des Deckels 5 und des Bodens
6, des Schwimmers, des Kernes 7 mit den
Haupt- und Korrekturskalen, des Pfropfen 8 und des Eimers 9 (Abb. 4).
Fließfähigkeit der
Тamponagelösungßfähigkeit
von ТL
wird mit Hilfe des Kegels АзНИИ
(die Abb. 5á, 5б),
der streng bestimmte Dimensionen hat.Kegel wird auf das Glas gestellt, unter
dem der Kreis mit den konzentrischen Kreisen untergebracht ist, die im
Intervall von 5 mm aufgetragen sind. Mit Hilfe der Regelungsschrauben wird
Kreis mit dem Glas in der horizontalen Lage nach dem Niveau angeordnet. Der
Kegel soll in der Kreismitte gestellt werden,
und seine innere Oberfläche soll poliert sein.ür die Bestimmung der
Fließfähigkeit wird 250 cm3 ТL
vorbereitet. Nach der Vermischung im Laufe von 3 Minuten wird die vorbereitete ТL
in den Kegel in gleicher Höhe mit dem oberen Ring gegossen.
Das Zeitintervall
vom Moment des Vermischungsabschluss soll bis zu dem Anfang der Auffüllung
des Kegels 5 Sek. nicht überschreiten.Kegel wird heftig gehoben und in 10
… 12 sek. wird der größte und de kleinste Durchmesser des
Zerfliesenskreises gemessen. Danach wird der mittlere Durchmesser ausgerechnet,
der die Fließfähigkeit der ТL
charakterisiert.
Für das Erhalten der richtigen
Ergebnisse ist es notwendig, dass die innere Oberfläche des Kegels und des
Glases rein und trocken sind.Fließfähigkeit der ТL
prägt sich in mm aus.DES ТZHaftungsfristen
der ТL
werden mit Hilfe des Gerätes Wika mittels der periodischen Messung der
Tiefe des Eintauchens der Nadel eines
bestimmten Schnitts in verhärtende
Тampongelösung
unter dem Einfluß der Ladung einer
bestimmten Masse.
Das Gerät besteht aus der
prismatischen metallischen Stange 1, der sich frei
in der senkrechten Schelle des Gestells 2 bewegt. Für
die Befestigung der Stange in der erwünschten Höhe dient eine
Klemmschraube 3.
In den unteren Teil der Stange wird
die Stahlnadel 4 mit dem Durchmesser von 1,1 mm und der Länge 50 mm
eingeschraubt. Der obere 5 Teil der Stange hat die zylindrische Form und
heißt Tetmayer-Stüßel. Die Masse der Stange (mit dem
Stößel und der Nadel) soll 300 2 g betragen. Auf dem
Gestell ist die Skala 6 mit den Teilungen von 0 bis zu 40 mm gefestigt.
Der konische Ring 7 für ТL
hat die folgenden Dimensionen: der Innendurchmesser der oberen Grundlage - 65 5
mm, der unteren - 75 5 mm, die Höhe - 40 0,5 mm. Unter
den Ring wird die Platte unterlegt. Oben wird auf
den Ring ein Ansatz in der Höhe 5 mm festgestellt. Die Ringe ohne Ansatz
kann man nur bei W/Z 0,3 verwenden.
Vor dem Anfang der Tests ist nötig
es zu prüfen, ob die Gerätstange frei fällt, und ob
die Nullteilung der Skala mit dem Strich auf dem
bei der Berührung der Nadel mit der Platte Kern zusammenfällt. Im
Falle ihrer Nichtübereinstimmung wird die Skala des Gerätes
verschoben.Wände des Rings und die Platte, auf die er festgestellt wird,
schmiert man mit dem flüssigen Maschinenöl.
Andernfalls wird es schwierig sein, die gefasste ТL
aus dem Ring (die Abb. 6) zu entfernen.
Für die Bestimmung der
Haftungsfristen wird eine ТL
300 cm vorbereitet, die nach der dreiminutenlangen
Vermischung in den Ring des Gerätes Wika bis zum
oberen Rand des Ansatzes gegossen wird und notieren die
Zeit des Anfanges des Einschließens der Lösung auf.einer Stunde nach
dem Einschließen wird der Ansatz abgenommen, und der Überfluss von ТL
schneidet man in gleicher Höhe mit den Rändern des Rings mit
naßem, metallischen Lineal ab.
Das erste Eintauchen der Nadel in ТL
wird in einer Stunde nach seiner Vorbereitung erzeugt, und die nachfolgenden -
nicht seltener als alle 15 Minuten. Bei dem Test der schnellhaftenden
Mischungen, die für die Isolierung der Absorptionenszonen der
Bohrlösung verwendet werden, muss man die Nadel alle 5 Minuten seit dem
Moment der Vorbereitung ТL
eintauchen.
Vor dem Eintauchen der Iglus ist
nötig es in gleicher Höhe mit dem oberen Niveau ТР
festzustellen und, den Kern von der Schraube zu
festigen. Die Klemme entlassend, ermöglichen der Nadel frei, in die
Lösung einzutauchen.
Nach jedem Eintauchen muss man die
Nadel abwischen und den Ring so umdrehen, dass die Nadel jedesmal in die neue
Stelle eintauchte.
Während der Erfahrung
muss man den Ring mit ТL
von den Stößen und den Erschütterungen, und die Nadel
- von der Biegung behüten.