5-ти этажное двадцатиквартирное жилое здание с подземными гаражами
Исходные данные
Курсовой проект на тему: «5-ти этажное двадцати
квартирное жилое здание с подземными гаражами».
Район строительства - г. Алматы,
Расчетная зимняя температура наружного воздуха
по СНиП РК 2.04.01-2001 «Строительная климатология» -38°С.
Средняя температура наиболее холодной
пятидневки: tсхп = -210С
Средняя температура наиболее холодных суток:
tсхс = -280С
Относительная влажность наружного воздуха для
самого холодного месяца в %, φ = 8%
Грунты - суглинки
Уровень грунтовых вод - более 25м.
Нормативная глубина промерзания грунтов по СНиП
РК 2.01.01-2001 - 900 см
Снеговая нагрузка по СНиП 2.01.07-87* «Нагрузки
и воздействия» - 100 кгс/м2
Скоростной напор ветра - 45 кгс/м2
Максимальная из средних скоростей ветра по
румбам за январь, повторяемостью которых составляет 45% и более, принимается
согласно СНиП 23.01.99 равен 1,9 м/сек.
Площадка строительства характеризуется
следующими условиями:
сейсмичность района строительства по СНиП РК
2.03-04-2001 - 9 баллов;
нормативная снеговая нагрузка для III снегового
района - 70 кг/м2 по СНиП 2.01.07-85;
абсолютная минимальная температура - 38°С.
Краткое объёмно- планировочное решение здания
Проектируемое здание имеет прямоугольную форму в
плане с разрезом 15,3 Х 48м. Здание трёх пролётное, величина пролётов L1= L3=
5,4м; L2=4,4м. Шаг основных несущих элементов (колонн) В=3,6 м и В=4 м.
Здание пяти этажное, высота этажа H=3,2м.
Основные объемно- планировочные размеры здания
представлены ниже, на плане и разрезе здания.
Технико-экономические показатели
|
№
п/п
|
Наименование
показателей
|
Ед.
изм.
|
Количество
|
|
1
|
Строительный
объем Vстр
|
м³
|
11750,4
|
|
2
|
Площадь
застройки Sз
|
м²
|
758,4
|
|
3
|
Общая
площадь Sоб
|
м²
|
4550,4
|
|
4
|
Полезная
площадь Sп
|
м²
|
4129
|
|
5
|
0,9
|
|
|
|
6
|
2,6
|
|
|
Генплан
Генплан выполнен в М 1: 500.
В роза ветров для города Алматы расположена в
левом верхнем углу от генплана.
Согласно сейсмическому микрорайонированию и
природным условиям участок относится к зоне сейсмичности 9 баллов. Высотные
отметки здания приняты с учётом рядом стоящих зданий и отметок прилегающих
тротуаров, проезжей части дороги и предусматривают водоотвод от здания и
территории участка.
Продумано озеленение территории деревьями и
кустарниками (березы, ели, дубы и т. д.) Подъезды и подходы предусматриваются
асфальтобетонные, проезд для машин к зданию шириной 6 м.
Ориентация розы ветров широтная.
Повторяемость направления ветра, % (по СН и П.
РК 2. 04. 01-2001)
|
Стороны
света Месяцы
|
С
|
С
В
|
В
|
ЮВ
|
Ю
|
ЮЗ
|
СЗ
|
СЗ
|
|
Январь
|
9
|
12
|
7
|
23
|
16
|
20
|
7
|
|
Июль
|
5
|
11
|
6
|
45
|
17
|
8
|
4
|
4
|
Роза ветров
Краткое объёмно- планировочное
решение здания
Проектируемое здание имеет
прямоугольную форму в плане с размером в осях 1-2 3,6м. и 4-5 4м. Здание трёх
пролётное, величина пролётов А-Б 5,4м. Б-В 4,5м. Шаг основных несущих элементов
(колонн) В=3,6 м и В=4 м.
Здание пяти этажное, высота здания
H=19,550м. высота этажа H=3,2м.
Конструктивное решение здания
Проектируемое здание выполнено в
монолитном железобетонном каркасе.
Основными элементами здания
являются:
Фундаменты монолитные ленточные
железобётонные двухступенчатой формы.
Колоны монолитные железобетонные
сечением 400 х 400 мм.
Чердачное и междуэтажные перекрытия
монолитные, безбалочные высотой 200 мм.
Лестница монолитная железобетонная.
Наружные и внутренние стены монолитные
железобетонные толщиной 400мм.
Диафрагмы жёсткости монолитные
железобетонные толщиной 400мм.
Полы: бетонные, керамические
плиточные, ковралинные и паркетные.
Кровля рулонная мягкая из рубероида.
Перегородки гипсокартонные толщиной
120мм.
Окна деревянные, открывающаяся часть
с двойным остеклением типоразмеров 3
Витражи деревянные, открывающаяся
часть с двойным остеклением типоразмеров 2
Двери деревянные и металлические
типоразмеров 2
Ворота металлические размером
4000X3000мм
Отделка потолков - левкас и окраска.
Внутренняя отделка стен - левкас и
окраска или облицовка керамической плиткой.
Наружная отделка стен фасада -
оштукатуривание и окраска.
Гидроизоляция стен подвала
осуществляется мастикой.
Экспликация помещений
|
№
|
НАИМЕНОВАНИЕ
ПОМЕЩЕНИЙ
|
ПЛОЩ.М²
|
ПРИМЕЧАНИЕ
|
|
1
|
Кухня
|
375
|
|
|
2
|
Зал,
гостиная
|
1221
|
|
|
3
|
Санузел
|
900
|
|
|
4
|
Спальня
|
1003
|
|
|
5
|
Подъезд
|
386
|
|
|
6
|
Подвал-
гараж
|
758
|
|
Теплотехнический расчет наружной стены здания
Проверить пригодность намеченной конструкции
стены для климатических условий г.Алматы. Влажностный режим в помещении -
нормальный, климатическая зона строительства по влажности - сухая.
Расчетная схема намеченной конструкции стены и
теплотехнические характеристики её отдельных слоёв приведены ниже.
Исходные данные:


Расчетная схема стены.
Вт/м2,
, п=1,
Вт/м2,
Теплотехнические характеристики
отдельных слоёв стены
|
№п/п
|
δ(м)
|
ρ(кг/м3)
|
λ(Вт/м∙°С)
|
S(Вт/м∙°С)
|
|
1
|
Цементно
песчанный раствор
|
0,02
|
1800
|
0,76
|
9,6
|
|
2
|
Железобетон
|
0,4
|
1600
|
0,7
|
9,2
|
|
3
|
Мин.
плита
|
0,002
|
125
|
0,064
|
0,73
|
|
4
|
Цементно
известковый раствор
|
0,02
|
1600
|
0,7
|
8,69
|
Решение
Определяем требуемое термическое сопротивление,
предварительно принимая что ограждение легкой массивности:
Приравниваем:
;
Получим:
;
;
;
;
;
Принимаем общую толщину стеновой
панели:
м
Тогда:
м.
Произведем проверку массивности
ограждения при
м по
величине тепловой инерции:
;
Следовательно, ограждение легкой
массивности:
Полученная массивность наружной
стеновой панели соответствует предварительно принятой, поэтому перерасчет не
требуется.
Окончательно принимаем толщину
утеплителя стеновой панели:
м.
Теплотехнический расчет покрытия
здания.
Проверить пригодность намеченной
конструкции покрытия для климатических условий г.Алматы. Влажностный режим в
помещении - нормальный, климатическая зона строительства по влажности - сухая.
Расчетная схема намеченной
конструкции покрытия и теплотехнические характеристики её отдельных слоёв
приведены ниже.
Расчетная схема кровли
Теплотехнические характеристики отдельных слоёв
покрытия
|
№
п/п
|
Наименование
|
 ρλs
|
|
|
|
|
1
|
Цементно-песчаная
стяжка
|
0,035
|
1800
|
0,93
|
11,09
|
|
2
|
Минераловатные
плиты
|
0,1
|
300
|
0,09
|
1,44
|
|
3
|
Железобетонная
плита покрытия
|
2500
|
2,04
|
16,95
|
Решение
Выписываем из таблицы необходимые для расчета
нормативные данные:
Расчетная температура внутреннего воздуха tв =
18°С;
Расчетная температура наружного воздуха для
ограждения «малой инерционности» (температура наиболее холодной пятидневки) tн
= tн.х.п .= -25°С (обеспеченность 0,92);
Коэффициент n=1 для наружной стены;
Нормативный наружный перепад ∆tн = 4°С;
Коэффициент теплоотдачи внутренней поверхности αв
= 8,7 Вт/м2∙°С;
Коэффициент теплоотдачи наружной поверхности αн
= 23 Вт/м2∙°С.
Определяем сопротивление намеченной конструкции
покрытия теплопередаче R0:
Определяем характеристику тепловой
инерции покрытия D:
при D = 2,14 < 7 ограждение
«малой инерционности».
Принимаем общую толщину покрытия:
Определяем требуемое сопротивление
покрытия теплопередаче
:
Проверяем пригодности намеченной
конструкции покрытия. Проверяем условие:
Намеченная конструкция покрытия соответствует
климатическим условиям г. Алматы.
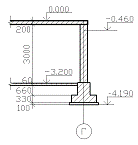
Определение глубины заложения
фундаментов
планировочный здание
стена фундамент
Нормативная глубина промерзания (по
СНиП РК 2.01.01 - 2001 «Строительная климатология») 90-100см.
Расчетная глубина промерзания
- коэффициент температурного
расширения =0,4.
Уровень грунтовых вод на площадке
строительства dw=12м
Сравниваем
и dw
dw
0,36+0,1=0,46м
Грунты - лессовидные суглинки с
консистенцией L>0,25, следовательно, глубина заложения фундамента Н согласно
СНиП 2.20.01-83 «Основания зданий и сооружений» должны быть не менее
.
Конструктивно принимаем отметку
подошвы фундамента -4,190.
Экспликация полов
Антисейсмические мероприятия
Так как здание расположено на
участке с сейсмичностью 9 баллов, категория грунтов по сейсмическим свойствам -
II (вторая), в основании фундаментов залегают особые (структурно-неустойчивые)
грунты, в соответствии с требованиями СНиП РК 2.03-04-2001 и СНиП 2.02.01-83*
(изд. 2001г.) при проектировании этого здания должен предусматриваться комплекс
антисейсмических мероприятий и мероприятий по уменьшению деформаций оснований и
влияния их на здание.
Основные мероприятия отражены в
соответствующих разделах данной пояснительной записки. Более детальное описание
комплекса требуемых мероприятий будет дано при разработке проектной
документации на стадии «Рабочих чертежей»
Конструкциями, воспринимающими
горизонтальную сейсмическую нагрузку служат диафрагмы жесткости и сплошные
монолитные перекрытия.
Инженерное оборудование
В проектируемое здание предусмотрены
следующие основные виды инженерного оборудования: холодное и горячее
водоснабжение, удаление сточных хозяйственно-фекальных вод, отопление,
вентиляция, газоснабжение, электроосвещение, телефонизация, радио-,
телефикация, удаление мусора.
Водопровод -
хозяйственно-производственный, расчетный напор у основания стояков - 30м
водяного столба.
Горячее водоснабжение - от внешней
сети, расчетный напор у основания стояков 30м водяного столба.
Канализация - хозяйственно-фекальная
со сбросом в городскую сеть.
Отопление - водяное, секционное.
Система отопления однотрубная.
Прокладка внутренних сетей горячего
и холодного водоснабжения, канализации и отопления, газоснабжения
предусмотрена, открыто по стенам и перегородкам.
Вентиляция - естественная.
Сеть хозяйственно-фекальной
канализации вентилируют через канализационные стояка, вытяжную часть которых
выводят выше крыши на 0,7м.
Электроосвещение - II категории,
напряжение 220/380 В, освещение лампами накаливания.
Устройство связи - радиотрансляция,
коллективные телеантенны, телефонные вводы.
Противопожарные мероприятия
Проектируемое здание относится ко
II-й группе по степени огнестойкости, поэтому все основные конструкции здания
предусмотрены из несгораемых материалов:
Стены - имеют предел огнестойкости
2,5 часа;
Перекрытия - имеют предел
огнестойкости 1 час;
Перегородки - имеют предел
огнестойкости 0,25 часа;
Элементы лестничного блока - имеют
предел огнестойкости 1,5 часа;
Шахты и помещения машинных отделений
лифтов - имеют предел огнестойкости 1 час.
Мероприятия по защите несущих
конструкций здания от поднятия грунтовых вод и коррозии
Гидрогеологические условия
строительной площадки в процессе строительства жилого комплекса оценивался по
следующим параметрам:
наличие и возможность образования
верховодки;
естественные сезонные и многолетние
колебания уровня подземных вод;
возможное техногенное изменение
уровня подземных вод по отношению к материалам подземных конструкций и
коррозийная активность грунтов на основе проведенных инженерных изысканий.
Оценка возможных изменений уровня
грунтовых вод на площадке строительства на срок 15 лет (для зданий второго
класса) инженерными изысканиями не проводилась, но т. к. средний подъём уровня
подземных вод за предшествующие15 лет составил до 0,1м в год. То в качестве превентивных
мер проектом предусматривается устройство полов технических подземных этажей не
менее чем на 0,7 м выше максимального уровня поднятия подземных вод,
полученного выработками в период изысканий.
Все элементы несущих бетонных и
железобетонных конструкций, находящихся в грунте (фундаменты, стены подвалов)
выполняются из бетонов соответствующих классов по прочности на сжатие, на
сульфатостойком цементе.
Все бетонные и железобетонные
конструкции, соприкасающиеся с грунтом, подлежат обмазке горячим мастикой в 1
слой.
по содержанию сульфатов - для
бетонов класса В7,5 на сульфатостойких цементах - неагрессивная;
по содержанию хлоридов - от
неагрессивной до слабоагрессивной.
Все металлические элементы несущих
конструкций (опорные закладные детали, соединительные элементы) зачищаются, по
очищенной поверхности покрываются антикоррозийным покрытием (пентафталевыми
лаками и в санузлах слоем цинка толщиной 120 - 180мм ).
Мероприятия по уменьшению деформаций
основания здания
Основной несущий слой основания
фундамента это непросадочный слой обводненных суглинков. Свойства этих грунтов
позволяют отнести их к сильно сжимаемым грунтам. Поэтому в проекте
предусмотрены мероприятия по уменьшению влияния деформаций данного слоя на
эксплуатационную пригодность сооружения (увеличением глубины заложения
фундамента).
Охрана окружающей среды
Особое место при планировке и
застройки населенных мест занимают вопросы охраны окружающей среды,
предусматривающие устранение нежелательных последствий, которые возникают в
результате недостаточно продуманной застройки городов и чрезмерной концентрации
в них населения и промышленных предприятий. Расположение жилых домов,
предприятий и учреждений, общественных мест и зон отдыха должно быть
целесообразно спланировано, с учетом перспектив развития города и максимального
удовлетворения культурно-бытовых потребностей его населения.
Озеленение очищает воздух и имеет
большое оздоровительное значение, а также защищает от ветров и городского шума.
Площадь озеленения должна составлять не менее 40% территории микрорайона. На
одного жителя должно быть предусмотрено не менее 10м зеленых насаждений. В
суммарную площадь озеленения входят все зеленые насаждения, кроме площади
участков школ, детских садов и яслей. Однако из важных градостроительных
требований формирования комфортной городской среды - сохранение естественного
ландшафта, гормональное сочетание его с застройкой.
В курсовом проекте учтены требования
СНиП 2.08.02-85 «Общественные здания» - ширина коридоров не менее 1,2м. Двери
ведущие на улицу открываются из помещения. При подсчете толщины наружной стены
учтены требования СНиП II-3-79* «Строительная теплотехника». При подсчете
количества и размеров окон учтен фактор необходимый для помещения. При посадке
здания на генплане учтены направления и интенсивность ветров в зимний и летний
периоды, а также необходимые санитарные разрывы между зданий и сооружений. При
строительстве здания и благоустройстве района следует максимально сохранить
естественней ландшафт. При проектировании новой застройки следует предусмотреть
меры по устранению неблагоприятных воздействий в процессе строительства на
окружающую среду. Жилые дома и предприятия общественного назначения расположены
на необходимом удалении от магистральных дорог мастного назначения, между
красной линией застройки и проезжей частью дорого предусмотрены защитные полосы
насаждений.
Список литературы
П.Г.Буга.
Гражданские, промышленные и сельскохозяйственные здания. - Высш. шк,1987 год.
Маклакова
Т.Г., Нанасова С.М. Конструкции гражданских зданий. - М.: Издательство АСВ,2000
год.
Маклакова
Т.Г., Нанасова С.М., Шарашенко В.Г. Проектирование жилых и общественных зданий:
Учебное пособие для вузов/под ред. Т.Г.Маклаковой. - М.: Высш. шк.,1998 год.
Гиясов
А. Конструирование гражданских зданий: Учебное пособие. - М.: Издательство
АСВ,2004 год.
Нанасова
С.М. Архитектурно - конструктивный практикум (жилые здания). - М.: Изд-во АСВ,2005
год.
Дыховичный
Ю.А. и др. Архитектурные конструкции многоэтажных зданий: Учебное пособие. -
М.: Архитектура-С, 2007 год.
Шерешевский
И.А. Конструирование гражданских зданий: Учебное пособие. - «Юнита»
Санкт-Петербургское отделение,2001 год.