Определение индуктивности катушки и ее активного сопротивления методом резонанса

  • Вид работы:
    Статья
  • Предмет:
    Медицина, физкультура, здравоохранение
  • Язык:
    Русский
    ,
    Формат файла:
    MS Word
    40,88 kb
  • Опубликовано:
    2009-01-12
Вы можете узнать стоимость помощи в написании студенческой работы.
Помощь в написании работы, которую точно примут!

Определение индуктивности катушки и ее активного сопротивления методом резонанса

Определение индуктивности катушки и ее активного сопротивления методом резонанса.

Данченко О.П., учитель физики (гимназия №2 г. Хабаровск)

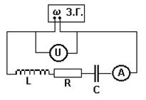
Подпись:  Принадлежности:  звуковой генератор, катушка индуктивности, емкостная батарея (известной емкости), вольтметр, миллиамперметр.

Целью работы является: исследования зависимости полного сопротивления (импеданса) в цепи переменного тока от частоты, построение резонансной кривой и нахождение по ней  резонансной частоты, активного сопротивления цепи и индуктивности катушки.

ТЕОРИЯ: При последовательном подключении в цепь с переменным электрическим током катушки индуктивности (реальная катушка всегда имеет активное сопротивление) и  емкости     получается последовательно соединенная R-L-C цепь. При последовательном соединении постоянным параметром цепи будет электрический ток. Напряжение на емкости и индуктивности будут сдвинуты относительно тока UL=IwLcos(wt+p¤2), UC=I/wC*cos(wt-p¤2). Этот сдвиг фаз удобно рассматривать на векторной диаграмме, представленной на рисунке. Из рисунка видно, что сдвиг фаз между током и напряжением на активном сопротивлении катушки R составляет  0, на индуктивности L +p¤2, а на емкости С -p¤2. Из графика видно, что сдвиг фаз между напряжениями  на индуктивности UL и емкости UC составляет p, то есть, находится в противофазе. Результирующее напряжение определяется разностью: UL-UC и при  равенстве этих напряжений по модулю общее напряжение на реактивных сопротивлениях равно нулю. В этом случае все падение напряжения источника тока приходится на активное сопротивление R (напряжение на индуктивности и емкости могут быть в этом случае во много раз больше, но их сумма равна нулю). Такое состояние системы называют резонансом. При резонансе сопротивление схемы минимально и равно активному сопротивлению катушки. График зависимости полного сопротивления цепи Z  от частоты представлен на графике.  Значения сопротивления определяют по формуле Ома  Z=U/I . Так как при резонансе реактивные сопротивления равны, значения индуктивности можно выразить из формулы  1/wс=wL; L =1/w2C, где w резонансная частота, определенная из графика.

ОПИСАНИЕ УСТАНОВКИ:  Установку собирают согласно предложенной схеме (катушка представлена в виде активного и индуктивного сопротивления). Последовательно катушки подключают известную емкость. Измерительные приборы представлены вольтметром и миллиамперметром. Звуковой генератор должен иметь диапазон  от 20 до 20000 гц и напряжение выхода порядка 20в.

Задание.

Соберите установку, согласно чертежу.

Заполните предложенную таблицу:

n(гц.)


















(w гц.)


















U (в)


















I (А)


















Z (Ом)


















Xc=1/w (Ом)


















По данным таблицы постройте график зависимости полного сопротивления цепи от циклической частоты колебания. По графику определите:

Резонансную частоту. (При необходимости повторите  измерения в точках, близких к резонансу.)

Активное сопротивление катушки.

Индуктивность катушки.

Напишите вывод.

Для подготовки данной работы были использованы материалы с сайта http://www.khspu.ru

Похожие работы на - Определение индуктивности катушки и ее активного сопротивления методом резонанса

 

Не нашли материал для своей работы?
Поможем написать уникальную работу
Без плагиата!
Без нейросетей!