Оптимизация технического обслуживания и ремонта на линиях связи
Федеральное государственное бюджетное
образовательное учреждение
высшего образования
«Казанский национальный
исследовательский технический университет им. А.Н. Туполева-КАИ» (КНИТУ-КАИ)
Институт Автоматики и Электронного
Приборостроения
Кафедра Стандартизации, сертификации
и технологического менеджмента
Направление/Специальность 200503.65
Стандартизация, сертификация
ВЫПУСКНАЯ КВАЛИФИКАЦИОННАЯ РАБОТА
на тему Оптимизация технического
обслуживания и ремонта на линиях связи
ВЫПУСКНИК Р.Г. Гарипов
РУКОВОДИТЕЛЬ доцент В.И.Ибатуллин
КОНСУЛЬТАНТЫ: к.т.н, доцент И.А.Абросимов
старш. преподаватель Ю.А.Гайнутдинова
Казань, 2016 г.
Содержание
Введение
Глава 1
.1 Краткая характеристика ПАО "ТАТТЕЛЕКОМ"
.2 Политика ПАО «Таттелеком» в области качества
.3 Документы по СМК предприятия
.3.1 Руководство по качеству РК ТТК 01-2014
.3.2 Порядок управления стандартами СТП ТТК 01-2014
.3.3 Управление положениями о структурных подразделениях СТП
ТТК 01-2014
.3.4 Подбор и расстановка кадров СТП ТТК 06-2014
.3.5 Порядок обращения корреспонденции и распорядительной
документацией СТП ТТК 01-2014
.3.6 Порядок организации обучения и проведение аттестации
персонала СТП ТТК 06-2013
.3.7 Порядок управления документацией внешнего происхождения
СТП ТТК 01-2014
.3.8 Порядок учета затрат на эксплуатацию средств связи СТП
ТТК 14-2014
.3.9 Требования к культуре производства и производственной
среде СТП ТТК 04-2011
.3.10 Порядок проведения внутренних аудитов качества СТП ТТК
12-2014
.3.11 Метрологическое обеспечение (МО) производства СТП ТТК
02-2015.25
.3.12 Организация охранно-предупредительной работы в
структурных подразделениях ПАО « Таттелеком» СТП ТТК 05-2015
.3.13 Управление должностными инструкциями СТП ТТК -2014
.3.14 Управление проектированием объектов строительства СТП ТТК
08-2011
.3.15 Управление строительством СТП ТТК 07-2011
.4 Основные задачи технического обслуживания и ремонта на
линии связи
Глава 2
.1 Измерительные приборы в волоконно-оптической линии связи
(ВОЛС)
.2 Монтаж ВОЛС (волоконно-оптических линий связи) и выбор
оборудования для монтажа
.2.1 Сколователь оптических волокон
.2.2 Нагреватель КДЗС компактного сварочного аппарата
Fujikura 12S
.2.3 Монтаж муфт и кроссов
.3 Краткая характеристика волоконно-оптической системы
передачи ВОСП
.3.1 ВОСП «Транспорт- 32-30»
.3.2 ВОСП «FOM-4E»
.3.3 ВОСП «Zelax»
.4 Надежность оптической линии
.4.1 Термины и определения
.4.2 Расчет параметров надежности
.5 Основные технологические процессы. Место подразделения в
производственном процессе
Глава 3
.1 Характеристика промежуточных и оконечных пунктов
.2 Трасса кабельной линии передачи
.3 Схема организации связи
Глава 4. Безопасность жизнедеятельности
.1 Характеристика предприятия и сооружения связи, влияющие на
окружающую среду при строительстве волоконно-оптической линии связи
.2 Организация рабочего места оператора при работе с ПЭВМ.
Обеспечение комфортных условий для работы на компьютере
.2.1 Требования к помещениям для эксплуатации мониторов и
ПЭВМ
.2.2 Требования к микроклимату, содержанию аэроионов и
вредных химических веществ в воздухе помещений эксплуатации мониторов и ПЭВМ
.2.3 Требования к шуму и вибрации
.2.4 Требования к освещению помещений и рабочих мест с
мониторами и ПЭВМ
.2.5 Требования к рабочим местам, оборудованным ЭВМ
.2.6 Режим работы для операторов ПЭВМ
.3 Электробезопасность
.3.1 Идентификация опасностей
.4. Пожаробезопасность
.4.1 Возникновения пожара при ударе молнии на линию связи и
меры защиты
.4.2 Пути эвакуации
.5 Утилизация оргтехники
Глава 5. Организационно-экономический раздел
.1 Расчет затрат на проектирование
.1.1 Расчет трудоемкости работ
.1.2 Расчет числа работников
.1.3 Расчет длительности стадий, этапов работ
.2 Расчет затрат на конструкторские разработки
.2.1 Расчет затрат на основные материалы, покупные
комплектующие изделия и полуфабрикаты
.3 Расчет затрат на оплату труда
.4 Расчет затрат на машинное время и амортизацию
Заключение
Список использованных источников
Введение
В настоящее время ускорение технического прогресса
невозможно без совершенствования средств связи, систем сбора, передачи и
обработки информации. В вопросах развития сетей связи во всех странах большое
внимание уделяется развитию систем передачи и распределения (коммутации)
информации. Наиболее широкое распространение в последнее время получили
многоканальные телекоммуникационные системы (ТКС) волоконно-оптической линии
передачи (ВОСП).
В настоящее время волоконно-оптическая связь широко
применяется не только для организации телефонной связи, но и для кабельного
телевидения, видеотелефонии, радиовещания, передачи данных и т.д. Дальнейшему
развитию методов и аппаратуры волоконно-оптических систем передачи способствуют
уникальные свойства волоконно-оптических линий связи (ВОЛС):
· малые затухание и дисперсия оптических волокон (ОВ);
· гибкость в реализации требуемой полосы пропускания;
· широкополосность;
· малые габаритные размеры и масса ОВ и ОК;
· невосприимчивость к внешним электромагнитным полям;
· отсутствие искрения при обрывах, коротком замыкании и
ненадёжных контактах;
· допустимость изгиба световода под малым радиусом;
· низкая стоимость материала световода;
· возможность использования ОК, не обладающих
электропроводностью и индуктивностью;
· высокая скрытность связи;
· высокая прозрачность ОВ;
· возможность постоянного усовершенствования системы связи по
мере появления источников с улучшенными характеристиками.
Имеется определённый парк ВОСП плезиохронной цифровой
иерархии (ПЦИ, англ. PDH) который непрерывно пополняется и совершенствуется. Кроме
того, отечественными и зарубежными фирмами разработана и продолжает разрабатываться
широкая номенклатура волоконных световодов и оптических кабелей для ВОСП
различных предназначений и структур. Для широкополосных систем дальней связи, в
частности магистральных, изготавливаются кабели с одномодовыми волокнами, т.е.
волокнами, в которых распространяется лишь основной тип колебаний. Здесь
одновременно предъявляются и наиболее высокие требования по снижению затухания
и дисперсионных искажений. Изготавливаются волокна, обеспечивающие сохранение
поляризации в распространяющемся оптическом излучении.
Такие кабели, предназначенные для
магистральной связи, весьма сложны в изготовлении и относительно дороги. Кроме
того, их использование предусматривает сочетание с лазерными передающими
оптическими модуляторами (ПОМ), к которым также предъявляются повышенные
требования в отношении спектральной чистоты излучения, высокой стабильности
всех характеристик излучения и т.д.
Отсюда следует, что повышение
качества обслуживания таких сплошных технических систем является актуальной
задачей. Целью данной работы была разработка рекомендаций по совершенствованию
процесса обслуживания волоконно- оптических систем. Для достижения этой цели
необходимо решить следующие задачи:
· Изучить существующие волоконно- оптические линии передачи
информации.
· Изучить существующий порядок их технического обслуживания.
· Разработать рекомендации по оптимизации технического
обслуживания.
Работа выполнялась на базе Бавлинского РУЭС,
Альметьевского ЗУЭС.
Глава 1
.1 Краткая
характеристика ПАО "ТАТТЕЛЕКОМ"
В 1998 году на базе обособленного структурного подразделения Министерства
связи РТ "Казанская междугородная телефонно-телеграфная станция"
создано Государственное унитарное предприятие "Управление электрической
связи "Таттелеком".
На основании Постановления Кабинета Министров РТ № 350 от 2 июля 2003
года и Постановления Министерства земельных, и имущественных отношений
Республики Татарстан № 87 от 8 июля 2003 года ГУП "Таттелеком" было
преобразовано в открытое акционерное общество.
В 2015 году открытое акционерное общество "Таттелеком"
преобразовано в публичное акционерное общество.
В данное время ПАО "Таттелеком" имеет своей целью объединение
экономических интересов, материальных, трудовых и финансовых ресурсов его
участников (абонентов) для удовлетворения потребностей в продукции и услугах
общества и извлечения прибыли. Основными видами деятельности предприятия
являются предоставление таких услуг как:
· Местной, междугородной, международной, Зоновой связи, услуги
SIP и IP-телефонии;
· Услуги с использованием таксофонов и пунктов коллективного
доступа (ПКД). В рамках реализации федеральной программы "Электронная
Россия" ПАО "Таттелеком" устанавливает в отдаленных районах
республики таксофоны (с возможностью обратной связи) и терминалы с возможностью
· выхода в Интернет. В населенных пунктах, где насчитывается не
менее 500 жителей, установлены пункты коллективного доступа в Интернет. Все они
оборудованы сенсорными терминалами, и выходить во Всемирную Сеть;
· Услуга широкополосного доступа в Интернет;
· Услуги IPTV (англ. Internet Protocol Television) (IP-TV,
IP-телевидение) - цифровое интерактивное телевидение в сетях передачи данных по
протоколу IP, новое поколение телевидения. Другими словами, IP-TV - это также
цифровое ТВ, сигнал которого передается не по телевизионному кабелю, а по сетям
передачи данных. То есть, используя те же сети, что и для обеспечения доступа в
Интернет. Таким образом, практически каждый, у кого дома есть скоростной
широкополосный интернет "Летай", может смотреть IP TV, которое
предоставляется абонентам "Таттелеком" под маркой "Летай
ТВ".
Органами управления являются Общее собрание акционеров, Совет директоров,
Генеральный директор. Общее собрание акционеров является высшим органом
управления ПАО "Таттелеком". Исполнительным органом является Совет
директоров, в состав которого входят: главный экономист, генеральный директор,
заместители генерального директора, директора филиалов по РТ.
.2
Политика ПАО «Таттелеком» в области качества
Публичное акционерное общество «Таттелеком» (далее ПАО «Таттелеком»)
является лидером рынка и крупнейшим оператором связи Республики Татарстан.
Целью деятельности коллектива ПАО «Таттелеком» является предоставление
новых и традиционных услуг связи каждому клиенту по РТ путем:
· Повышение ценности компании через предоставление абонентам
новейших услуг высокого качества отвечающих требованиям завтрашнего дня;
· Обеспечение сотрудникам возможности роста профессионального
уровня и материального благосостояния;
· Совершенствования систем и процессов производства и
постоянного улучшения качества оказываемых услуг;
· Предоставление полного спектра услуг всем абонентам вне
зависимости от их местонахождения по всей Республике Татарстан.
Задачи ПАО «Таттелеком» в области качества:
· Освоение эффективной системы менеджмента качества, полностью
соответствующей требованиям межгосударственных стандартов ISO серии 9001, и
непрерывное ее совершенствование;
· Использование новых технологий с целью расширения
возможностей и удобства предоставляемых услуг;
· Развитие услуг мобильной беспроводной связи и мобильного
беспроводного доступа в Интернет;
· Расширение спектра услуг и своевременное предоставление
информации потребителю о дополнительных видах сервиса;
· Постоянное улучшение качества услуг на основе потребности
клиента;
· Обеспечение ответственности каждого работника от генерального
директора до рабочего за результат своего труда;
· Постоянное и планомерное совершенствования профессиональной
подготовки работника;
· Регулярное проведение внутренних аудитов системы менеджмента
качества и осуществление корректирующих действий.
При обнаружении отклонений от установленных требований руководство
ПАО «Таттелеком» берет на себя обязательства:
· Приоритетно решать вопросы обеспечения и повышения качества
услуг и результативности системы менеджмента качества;
· Создавать необходимые условия для выполнения Политики;
· Форма журнала системы менеджмента качества ПАО «Таттелеком»
· РК ТТК 01-2014 “Руководство по эксплуатации по качеству”;
· СТП ТТК 05-2015 “Организация охранно-предупредительной работы
в структурных подразделениях ПАО «Таттелеком»;
· СТП ТТК 08-2011 “Управление проектированием объектов
строительства”.
ПАО "Таттелеком" имеет сеть филиалов по республике Татарстан:
Набережно-Челнинская ЗУЭС, Альметьевская ЗУЭС, Арская ЗУЭС, Буинская ЗУЭС,
Нижнекамская ЗУЭС, Чистопольская ЗУЭС.
Рис. 1.1
Структура управления Бавлинского межрайонного узла электросвязи (БМРУЭС)
Рис. 1.2 ПАО «Таттелеком» Бавлинский межрайонный узел электросвязи
.3
Документы по СМК предприятия
.3.1
Руководство по качеству РК ТТК 01-2014
Руководство по качеству содержит описание системы менеджмента качества
далее СМК ПАО «Таттелеком». Руководство наглядно демонстрирует способность
предприятия обеспечивать потребителей услугами, отвечающими их соответствующим
обязательным требованиям. Удовлетворенность потребителей достигается
посредством результативного применения СМК, включающего процессы постоянного
улучшения системы и предотвращение появления возможных несоответствий.
Одной из основных целей СМК является создание механизма, обеспечивающего
соответствие услуг связи требованиям потребителей.
Требование руководства распространяется на все подразделения ПАО
«Таттелеком», отраженные в организационной структуре СМК предприятия и подлежат
применению всеми должностными лицами предприятия.
Область распространения СМК не имеет исключений из требований ГОСТ ISO
9001-2011.
.3.2
Порядок управления стандартами СТП ТТК 01-2014
Данный стандарт предприятия устанавливает порядок управления стандартами
предприятия ПАО «Таттелеком».
Стандарты предприятия являются документированными процедурами СМК.
Объектами стандартизации предприятия могут являться создаваемые услуги и
осуществляемые процессы, в том числе:
Процессы организации управления производством и качеством продукции;
Технологические нормы и требования к ним.
Стандарты должны быть изложены четко и ясно для того, чтобы обеспечить
однозначность их требования.
Процесс управления стандартами предприятия предусматривает:
Разработку СТП:
· Проверку стандартов на адекватность до их выпуска (процедура
согласования);
· Обеспечение идентификации изменений и статуса просмотра СТП
(лист регистрации изменений);
· Обеспечение наличия соответствующих версий СТП в местах их
применения (рассылка);
· Обеспечение сохранения стандартов четкими и легко
идентифицируемыми (наличие обозначения);
· Предотвращение непреднамеренного использования аннулированных
СТП и применение соответствующей идентификации таких стандартов, оставленных
для каких либо целей (процедура аннулирования, изъятие устаревших документов).
1.3.3
Управление положениями о структурных подразделениях СТП ТТК 01-2014
Стандарт устанавливает требования к разработке, изложению, оформлению,
согласованию, утверждению, внесению изменений (пересмотру) положений о
структурных подразделениях ПАО «Таттелеком», а также порядок их учета и
хранения.
Новое подразделение создается по приказу генерального директора.
Каждое структурное подразделение, входящее в организационную структуру
предприятия (согласно штатному расписанию), должно иметь Положение о
подразделении. Не допускается разработка отдельного Положения на группы,
бригады и т.п., входящие в состав другого подразделения. Разрабатывается одно
Положение на центр, цех и т.п., в котором прописывается функционал всех
включенных групп. Допускается не разрабатывать отдельного Положения на
подразделения, состоящие из одной должности (одного сотрудника)
Все Положения для Управления разрабатываются только на основе
Кодификатора (специального программного продукта). Эти обеспечивается
выполнение следующих задач:
· Функции, выполняемые структурными подразделениями
предприятия, формируются на основе применения процессного подхода;
· Исключается дублирования функций несколькими структурными
подразделениями;
· Все функции закрепляются за структурными подразделениями как
за центрами ответственности или участниками в реализации функций.
Кодификатор построен с использованием системы бизнес-процессов
предприятия, на основе которых выделены функции, распределенные в рамках
предприятия между структурными подразделениями, причем из структурных
подразделений является центром ответственности за выполнение определенной
функции, а другие подразделения могут быть участниками при выполнении этой
функции.
Положения о подразделениях разрабатываются с целью определения
документального закрепления организационной структуры, функций, задач и
полномочий каждой структурной единицы ПАО «Таттелеком».
На основе Положения организуется повседневная деятельность подразделения
и разрабатываются должностные инструкции его работников. Оно является одним из
основных документов для оценки итоговой деятельности подразделения.
С требованиями Положения должны быть ознакомлены под роспись все
работники структурных подразделений.
Положения должны быть изложены четко и ясно для того, чтобы обеспечить
однозначность понимания их требований.
.3.4
Подбор и расстановка кадров СТП ТТК 06-2014
Данный стандарт устанавливает порядок проведения комплекса работ по
подбору в расстановке кадров в ПАО «Таттелеком».
Цель набора персонала состоит в создании резерва кандидатов на все
рабочие места с учетом будущих организационных и кадровых изменений,
увольнений, перемещений, уходов на пенсию, окончании сроков трудовых договоров,
изменений направлений и характера производственной деятельности.
Задача ОК, ОУП/СУП КУЭС/ ЗУЭС состоит в осуществлении контроля за
соответствием кадрового состава организаций стоящим перед ней производственным
задачам.
Различают внутренние и внешние источники комплектования организаций
кадрами.
.3.5
Порядок обращения корреспонденции и распорядительной документацией СТП ТТК
01-2014
Стандарт предприятия устанавливает общее требование к управлении
корреспонденцией и внутренней распорядительной документацией ПАО «Таттелеком».
Стандарт устанавливает единый порядок делопроизводства ПАО «Таттелеком».
В документообороте ПАО «Таттелеком» выделяются следующие документы:
Входящие документы;
Исходящие документы;
Внутренние документы ПАО «Таттелеком»: распорядительные документы-
приказы и распоряжения; организационные документы-правила, положения,
инструкции, регламенты, программы, планы, графики, протоколы, акты; служебные
записки и служебные письма.
Стандарт определяет основные правила подготовки, оформления, прохождения
и контроля исполнения, учета, использования и хранения документов несекретного
характера в подразделениях предприятия.
Требования настоящего стандарта не распространяется на организацию работы
с документами секретного делопроизводства, бухгалтерскую ( счета,
счета-фактуры, накладные и т.п.), научно-техническую и другую специальную
документацию.
Делопроизводство в ПАО «Таттелеком» организуется с использованием СЭД
«Дело».
Содержание служебных документов ПАО «Таттелеком» не подлежит разглашению.
С ними должны быть ознакомлены только лица, имеющие отношения к их
использованию.
Руководство за организацией не секретного делопроизводства и контроль
требований настоящего стандарта осуществляется канцелярией ПАО «Таттелеком».
Руководство за организацией и контролем секретного делопроизводства
осуществляется начальником отдела по специальным работам, ГО и ЧС.
Ведение делопроизводства и архивного делопроизводства в структурном
подразделении (в том числе в РУЭС) осуществляется лицом, назначенным указанием
руководителя структурного подразделения/ начальника РУЭС.
Права, обязанности и ответственность сотрудников, осуществляющих по
делопроизводству и архивному делопроизводству, устанавливаются должностными
инструкциями.
Учет поступления, прохождения, исполнения и ознакомления с документами
осуществляются с использованием СЭД «Дело». Подтверждением работы с документом
служит запись в системном протоколе РК документа СЭД «Дело». Исполнителям,
которые не подключены к СЭД «Дело», документы направляются на бумажных
носителях с соответствующей отметкой в РК документа СЭД «Дело».
.3.6
Порядок организации обучения и проведение аттестации персонала СТП ТТК 06-2013
Стандарт устанавливает порядок подготовки, повышения квалификации и
аттестации персонала ПАО «Таттелеком».
Целью настоящего стандарта является координация деятельности руководства
ПАО «Таттелеком» и дирекции по управлению персоналом по современному
регулированию профессионально-квалификационного уровня персонала.
Система подготовки персонала предназначена для планомерного и
непрерывного совершенствования квалификации персонала с целью обеспечения
соответствия их профессиональной подготовки уровню технической оснащенности
предприятия и применяемым процессам системы менеджмента качества.
Система непрерывного обучения включает следующие виды обучения:
· Подготовка новых работников (вновь принятых - СУП/ОУП ЗУЭС,
ЦО и РП, куратор;
· Обучение вторым (смежным) профессиям - отдел кадров;
· Повышение квалификации персонала - центр обучения и развития
персонала.
Работники, принимаемые для выполнения работ в электроустановках, должны
иметь профессиональную подготовку, соответствующую характеру работы. При
отсутствии профессиональной подготовки такие работники должны быть обучены (до
допуска к самостоятельной работе) в специализированных центрах подготовки
персонала (учебных комбинатах, учебно-тренировочных центрах и т.п.) по 72
часовой программе обучения.
Профессиональная подготовка персонала, повышение его квалификации,
проверка знаний и инструктажи проводится в соответствии с требованиями
государственных и отраслевых нормативных правовых актов по организации охраны
труда и безопасной работе персонала.
Для профессиональной подготовки работников, руководство ПАО «Таттелеком»
организует индивидуальное, групповое и другие формы профессионального обучения
за счет организации.
Учебные планы и программы обучения рабочих и специалистов определяются
конкретной формой обучения и включают в себя изучение технических,
экономических, правовых проблем управления, обеспечение и менеджмента качества
и требований к качеству выполняемой работы в подразделениях.
Обучение работников непосредственно в подразделениях проводится в
пределах рабочего времени, установленного законодательством.
В период прохождения обучения в ЦО и РП работники ПАО «Таттелеком»
подчиняются требованиям трудовой дисциплины, правилом внутреннего трудового
распорядка, утвержденной в программе обучения.
Лицам, успешно окончившим обучение выдаются свидетельства или
удостоверения установленных обучающих организацией формах.
Сотрудники, прошедшие обучение, должны предоставить документ
(свидетельство, удостоверение, сертификат и т.п.) о прохождений обучения:
В Управлении - в отдел кадров, ЦО и РП;
В филиалах в отдел/службу управления персоналом.
Специалист отдела кадров/службы управления персоналом вносит
соответствующие записи о прохождении обучения в личной карточке работника формы
Т-2.
.3.7
Порядок управления документацией внешнего происхождения СТП ТТК 01-2014
Стандарт устанавливает требования к порядку управления
нормативно-техническими документами внешнего происхождения, применяемыми в ПАО
«Таттелеком».
Управление документацией внешнего происхождения осуществляется в
соответствии с требованиями ГОСТ ISO 9001 и включает в себя следующие действия:
· Приобретение системы «Гарант»;
· Установка системы «Гарант» на рабочих местах;
· Распечатка, при необходимости, справочных экземпляров
документации на бумажных носителях;
· Хранение документации;
· Обеспечение периодического обновления системы «Гарант» в
соответствии с договором;
· К НТД внешнего происхождения, определенным предприятием как
необходимые для планирования и функционирования СМК, относится;
· Законы и постановления правительства РФ и РТ;
· Ведомственные предписания (Постановления, Приказы,
Распоряжения Министерств РФ и РТ);
· Международные, национальные стандарты и директивы;
· Нормы и правила;
· Отраслевые стандарты и технические условия;
· Руководящие документы, инструкции, методики;
· Классификаторы.
· В ПАО «Таттелеком» применяются:
· НТД электронных информационных систем;
· НТД на бумажных носителях.
.3.8
Порядок учета затрат на эксплуатацию средств связи СТП ТТК 14-2014
Стандарт устанавливает порядок учета затрат на эксплуатацию средств связи
во всех структурных ПАО «Таттелеком».
Основная цель учета и анализа затрат на эксплуатацию средств связи
состоит в формировании данных для оценки ПАО «Таттелеком».
Данные о фактических затратах на эксплуатацию средств связи служат
основанием для проведения анализа и решении задачи эффективности работы по
оказанию услуг связи, так как только при этом условии можно перейти к обоснованному
их планированию и регулированию. Учет фактических расходов дает возможность
получить информацию, необходимую для принятия управленческих решений,
направленных на обеспечение рационального использования материальных, трудовых
и финансовых ресурсов.
Затраты на эксплуатацию средств связи в размере стоимости используемых
при этом и материальных, трудовых и иных ресурсов, а так же стоимости
потребленных услуг, выполненных сторонними организациями, в целях оказания ПАО
«Таттелеком» услуг связи представляют собой себестоимость оказания услуг.
Действующий порядок формирования себестоимости продукции (работ, услуг)
определен Положением по бухгалтерскому учету «Расходы организации» (ПБУ 10/99)
и другими нормативными актами. В ПБУ 10/99 раскрываются принципы формирования
расходов по обычным видам деятельности, в составе которых отражаются расходы,
связанные с изготовлением продукции, выполнением работ и оказанием услуг.
Перечень расходов, включаемых в себестоимость продукции (работ, услуг)
для целей налогообложения, конкретизирован в 25 главе Налогового Кодекса РФ
«Налог на прибыль организации»
Расходы организации в зависимости от их характера, условий осуществления
направлений деятельности подразделяются на:
· расходы по обычным видам;
· прочие расходы.
В ПАО «Таттелеком» расходами по обычным видам деятельности являются
расходы, осуществление которых связано с оказанием услуг связи.
· Расходы по обычным видам деятельности формирует:
· Расходы, связанные с приобретением сырья, материалов, товаров
и материально- производственных запасов;
· Расходы, возникающие непосредственно в процессе выполнения
работ и оказания услуг связи и их продажи, а также продажи( перепродажи)
товаров (расходы по содержанию и эксплуатации основных средств и иных
внеоборотных активов, а также по поддержанию их в исправном состоянии,
коммерческие расходы, управленческие расходы и др.).
При формировании расходов по обычным видам деятельности должна быть
обеспечена их группировка по следующим элементам:
· Материальные затраты;
· Затраты на оплату труда;
· Отчисления на социальные нужды;
· Амортизация;
· Прочие затраты.
Для целей управления в бухгалтерском учете организуется учет расходов по
статьям затрат. Перечень статей затрат устанавливается предприятием
самостоятельно.
Для целей формирования финансового результата деятельности ПАО
«Таттелеком» от обычных видов деятельности определяется себестоимость услуг,
которые формируются на базе расходов по обычным видам деятельности, признанных
как в отчетном году, так и в предыдущие отчетные периоды, и переходящих
расходах, имеющих отношение к получению доходов последующие отчетные периоды, с
учетом корректировок, зависящих от особенностей оказания услуг и их продажи.
При этом коммерческие и управленческие расходы могут признаваться в
себестоимости услуг полностью в отчетном году их признание в качестве расходов
по обычным видам деятельности.
Расходы признаются в том отчетном периоде, в котором они имели место,
независимо от времени фактической выплаты денежных средств и иной формы
осуществлений.
.3.9
Требования к культуре производства и производственной среде СТП ТТК 04-2011
Стандарт устанавливает обязательные требования к культуре производства и
производственной среде в подразделениях ПАО «Таттелеком».
Понятие «культура производства» означает степень совершенства
производства в техническом, технологическом, научном, социальном и эстетическом
отношениях.
Уровень культуры производства характеризуется следующими критериями:
· Техническими - степень механизации и автоматизации
производства, развитие технологии, научной организации труда и управления;
· Санитарно-гигиеническими - состояние рабочих мест на
участках: чистота, порядок, освещенность, воздухообмен, соответствие санитарным
нормам показателей запыленности поля и др., бытовое обеспечение;
· Психофизиологическими - отсутствие тяжелого ручного труда,
многотонных и однообразных трудовых операций, неудобных рабочих поз и движений;
· Социальными- отношения в коллективе, режим труда и отдыха,
компенсация за работу во вредных или опасных условиях труда, возможность
повышения квалификации, освоения нескольких профессий;
· Эстетическими- состояние производственной среды,
использование методов художественного конструирования и др.
Одним из основных составляющих повышения культуры производства является
эстетическое совершенствование производственной среды.
Обязательными условиями проведения эстетического совершенствования
производственной среды являются:
· Обеспечение чистоты и порядка на рабочем месте, на участке, в
производственных помещениях;
· Удовлетворительные (не нарушающие санитарных норм)
санитарно-гигиенические условия труда;
· Рациональное, с точки зрения технологии, размещение рабочих
мест;
· Механизация работ по уборке и удалению отходов, уборке
помещений, очистке окон.
Объектами эстетического совершенствования производственной среды
являются: производственное оборудование, оргтехоснастка, производственная
мебель, подъемно-транспортные средства, инструменты,
приборы, технологические коммутации; интерьер и его отдельные
архитектурно - строительные элементы; системы санитарно-гигиенического
обеспечения (система отопления, вентиляции, освещения, кондиционирования и
др.); бытовые помещения; территория предприятия; специальная одежда,
специальная обувь, СИЗ; средства информации.
.3.10
Порядок проведения внутренних аудитов качества СТП ТТК 12-2014
Стандарт устанавливает порядок планирования, проведения и документального
оформления результатов внутренних аудитов системы менеджмента качества ПАО
«Таттелеком» в целом и его процессов, подразделений, должностных лиц, а так же
требований к персоналу, проводящему проверки.
Внутренние аудиты проводятся на предприятие с целью:
· Установление того, что СМК соответствует запланированным
мероприятиям, требованиям ГОСТ Р ISO 9001, требованием документации СМК
предприятия;
· Обеспечение выполнения требований Руководства по качеству,
стандартов предприятия и других нормативных документов, которые были
предварительно определены, согласованы и внедрены, как документация СМК;
· Установление того, что СМК результативно поддерживается в
рабочем состоянии;
· Определение возможности и путей улучшения СМК, в том числе
продукции (услуг) и процессов.
· Периодичность проведения внутренних аудитов не реже одного
раза в два года.
Процесс внутренних аудитов включают в себя:
· Планирование аудитов;
· Выполнение внутренних аудитов: подготовка проведения
внутренних аудитов, проведение аудита, регистрация результатов аудита;
· Анализ результатов аудитов и проведение корректирующих
мероприятий.
.3.11
Метрологическое обеспечение (МО) производства СТП ТТК 02-2015
Документ устанавливает порядок и правила приобретения, приемки, учета,
проведения метрологического контроля, эксплуатации, хранения, и списания
средств измерения (СИ) в ПАО «Таттелеком».
Главная цель работ по МО обеспечению состоит в обеспечении единства и
требуемой точности измерений.
Стандарт разработан с учетом требований и рекомендаций Федерального
Закона №102-ФЗ от 26.06.2008 г. » Об обеспечения единства измерений».
Постоянное управление СИ необходимо для принятия правильных решений и
мер, основанных измерений.
Технической основой МО на предприятии являются:
· Рабочие средства измерений;
· Средства контроля;
· Систем метрологического контроля.
.3.12
Организация охранно-предупредительной работы в структурных подразделениях ПАО «
Таттелеком» СТП ТТК 05-2015
Стандарт устанавливает общие требования к проведению работ по сохранности
линии связи, состав технической документации в структурных подразделениях ПАО
«Таттелеком», порядок выдачи согласований и обеспечение технадзора за ЛС на
местах производства земельных работ сторонними организациями, частными лицами.
Стандарт предприятия разрабатывается с целью обеспечения сохранности ЛС,
для своевременного и полного выполнения комплекса организационно- технических и
разъяснительных мероприятий, порядок организаций которых изложен в настоящем
стандарте, направленных на предупреждение повреждений работ вблизи и в охранной
зоне ЛС.
Стандарт является основным документом, регламентирующим выполнение
мероприятий по обеспечению сохранности ЛС.
Стандарт по ОПР определяет необходимый перечень мероприятий по
обеспечению сохранности ЛС. Структурные подразделения ПАО «Таттелеком» могут
самостоятельно разрабатывать дополнительные мероприятия, не изменяя содержания
тех, которые отражены в настоящем стандарте.
Мероприятия, определенные настоящим стандартом, выполняются в
соответствии с разработанным ПАО «Таттелеком» «Регламентом
охранно-предупредительной работы по предупреждению повреждений ЛС сторонними
организациями от 17.07.2010г.»
1.3.13
Управление должностными инструкциями СТП ТТК -2014
Стандарт устанавливает требования к разработке, изложению, оформлению,
согласованию, утверждению, внесению изменений (пересмотру) должностных
инструкций (далее по тексту - Инструкция), а также порядок их учета и хранения.
Основные цели разработки Инструкции следующие:
· Определение функции, задач и полномочий сотрудников ПАО
«Таттелеком»;
· Рациональное разделение труда;
· Правильный подбор кадров, их расстановка и использование;
· Укрепление служебной дисциплины;
· Повышение эффективности деятельности организации;
· Создание организационно- правовой основы служебной
деятельности сотрудников;
· Обеспечение объективности при аттестации сотрудника, его
поощрении и при наложении на него дисциплинарного взыскания.
Для каждой должности ( профессии), входящий в штатные расписания ПАО
«Таттелеком», должна быть разработана должностная инструкция, в том числе для
руководителей подразделений. Исключение составляют руководители, функциональные
обязанности которых прописаны в договоре:
· Заместитель генерального директора - начальник КУЭС;
· Заместитель генерального директора - начальник ЗУЭС;
· Начальник ЗУЭС;
· Заместитель генерального директора по направлениям;
· Директор по направлениям;
· Заместитель начальников КУЭС/ЗУЭС по направлениям;
· Главный инженер;
· Начальники РУЭС.
Должностная инструкция должна определять персональные функции работника,
исходя из преимущественно выполняемых работ на конкретном рабочем месте.
Поэтому не допускается разрабатывать одинаковые должностные инструкции для
работников, задействованных в выполнении различных функций структурного
подразделения, даже если они состоят в одной должности (профессии).
Инструкции должны быть изложены четко и ясно для того, чтобы обеспечить
однозначность понимания их требований.
.3.14
Управление проектированием объектов строительства СТП ТТК 08-2011
Стандарт предприятия устанавливает порядок управления проектированием и
разработкой проектно-сметной документации на объекты связи (капитальное
строительство, расширение, реконструкцию, техническое перевооружение и ремонт
гражданских сооружений (далее по тексту - строительство)) производственного и
непроизводственного назначения ПАО «Таттелеком».
Объектами строительно-монтажной работы на предприятии могут являться
объекты строительства производственного и непроизводственного значения.
Проектирование объектов может выполняться как своими силами, так и силами
сторонней организации. В последнем случае выполнение работ и требование к
результатам устанавливается договором. Контроль за ходом выполнения работ по
договору осуществляет подразделение- заказчик проекта.
В общем случае в процессе управления проектированием объектов
предусматриваются следующие этапы:
· Планирование проектирования объектов;
· Разработка проектно- сметной документации;
· Внесение изменений (при необходимости) в проектную
документацию.
.3.15
Управление строительством СТП ТТК 07-2011
Стандарт устанавливает порядок управления строительством объектов связи
(капитального строительства, расширения, реконструкции, технического
перевооружения и капитального ремонта) производственного и непроизводственного
назначения (далее по тексту - строительство).
Объектами строительства на предприятии могут являться объекты
капитального строительства, расширение, реконструкции, технического
перевооружения и капитального ремонта производственного и непроизводственного
назначения.
Процесс управления строительством состоит из следующих основных этапов:
· Планирование строительства;
· Организация и выполнение строительства;
· Контроль качества, объема и сроков выполнения строительства;
· Подготовка исполнительной документации;
· Приемка построенных сооружений;
· Сдачу в эксплуатацию законченных строительством объектов.
.4
Основные задачи течнического обслуживания и ремонта на линии связи
Для обеспечения бесперебойной работы линии связи решающим условием
является проведение технического обслуживания и ремонтно-восстановительных
работ. Под техническим обслуживанием понимают поддержание ресурса любого
технического устройства в параметрах, предписанных эксплуатационной
документацией. Под ремонтом понимают восстановление технического ресурса
изделия. При этом и техническое обслуживание, и ремонт ранжируются по составу и
объему выполняемых технических воздействий.
Задачами технического обслуживания являются профилактика (для
предупреждения отказов) и ремонт (с целью восстановления работоспособности)
неисправной аппаратуры.
Профилактические работы, осуществляются в нижеприведённой
последовательности.
.При обесточенной аппаратуре производятся: разборка, осмотр состояния
креплений, паек и монтажа, чистка элементов и блоков, проверка качества
изоляции монтажа, проверка тока утечки конденсаторов, проверка надёжности
срабатывания реле.
.При испытаниях аппаратуры под током осуществляются: проверка и подбор
режимов работы, проверка работоспособности элементов и узлов при различных
режимах, регулировка и настройка отдельных параметров элементов и узлов.
.При контроле функционирования аппаратуры производятся: контроль
работоспособности при различных режимах работы, комплексная отладка и проверка
основных параметров в целом.
Объём и периодичность выполнения профилактических работ определяются
специально разработанным применительно к данному типу технических устройств
регламентом, т. е. сводом правил, устанавливающих соответствующий порядок
работ.
По времени исполнения профилактические работы подразделяются на
ежедневные, месячные, квартальные, полугодовые и годовые. По степени сложности
- на внешний осмотр и чистку, контрольно-регулировочные работы, сезонные
смазочные и крепёжные работы.
Текущий ремонт в средствах связи проводится в целях замены или
восстановления какого-либо неисправного элемента для повышения готовности
аппаратуры. Наиболее эффективным является агрегатный ремонт, когда заменяется
неисправный блок, а не неисправный элемент. В этом случае сокращается время
простоя аппаратуры в неработоспособном состоянии, так как отыскать неисправный
блок проще, чем неисправный элемент, поэтому можно использовать менее
квалифицированный обслуживающий персонал.
Ремонт при наличии резервирования осуществляется без снятия с аппаратуры
выполняемых функций. Необходимо отметить, что данный метод требует значительных
затрат на резервирование.
Наиболее трудоёмкой операцией при ремонте является отыскание
неисправностей. Для её реализации можно использовать приведённый ниже алгоритм
поиска неисправностей.
.Исследуемая схема делится по условной вероятности отказа пополам, и в
точке деления производится испытание схемы. В зависимости от результатов
испытаний принимается неисправной та или иная часть схемы.
.Для неисправной части схемы повторяется процедура, рассмотренная в п. 1.
Деление схемы проводится до тех пор, пока неисправным останется только один
элемент.
Кроме того, на практике для поиска неисправных элементов (или части схемы)
применяют внешний осмотр, промежуточные измерения, сравнение, замену.
При внешнем осмотре устанавливается наличие изменений внешнего вида
аппаратуры (перегрев, искрение, подгорание и т. д.). Промежуточные измерения
представляют собой измерение параметров аппаратуры и установку соответствия их
заданным допускам изменения. Способ сравнения заключается в том, что режимы
работы проверяемого элемента или участка схемы сравнивают с режимами работ
однотипного элемента, заведомо исправного, и делаются выводы о работоспособности
проверяемой аппаратуры. Способ замены характеризуется тем, что отдельные
элементы заменяются на заведомо исправные элементы.
При эксплуатации средства связи необходимо обосновывать целесообразность
проведения ремонта аппаратуры, отработавшей установленные сроки. Если стоимость
очередного ремонта лежит в пределах средней стоимости ремонта при постоянной
надёжности, проведение ремонта и дальнейшая эксплуатация целесообразны. При
истечении срока службы данного изделия его можно эксплуатировать, если
стоимость очередного ремонта находится в допустимых пределах средней стоимости
ремонта, а интенсивность отказов возрастает не более чем в 1,25 раза.
Основными задачами технической эксплуатации линейных сооружений местных
сетей связи являются:
· обеспечение бесперебойной и высококачественной работы
обслуживаемых линейных сооружений;
· содержание линейных сооружений в соответствии с техническими
нормами и правилами, утвержденными Министерством связи Российской Федерации
07.10.1996г;
· устранение в контрольные сроки всех возникающих повреждений и
аварий линейных сооружений;
· повышение производительности труда, снижение денежных,
трудовых и материальных затрат на технологическое обслуживание и текущий
ремонт;
· внедрение передовых методов эксплуатации и научной
организации труда и, в первую очередь, бригадной формы организации и
стимулирования труда;
· внедрение новой техники;
· обеспечение выполнения действующих положений, правил,
руководств и инструкций, приказов и директив, а также указаний Министерства
связи Российской Федерации по вопросам технического обслуживания и ремонта
линейных сооружений;
· повышение трудовой и производственной дисциплины;
· ведение статистического и технического учета в соответствии с
утвержденными формами и инструкциями.
Бесперебойная работа линейных сооружений может быть обеспечена:
· при правильной расстановке технического персонала;
· при высокой квалификации работников;
· при обеспечении работников материалами, оборудованием,
инструментами, измерительной аппаратурой, переговорным устройством и
транспортом.
На предприятиях предоставляющих услуги связи, различают два основных вида
повреждений станционные и линейные. Используя измерительные приборы, можно
распознать повреждения для последующих действий электротехнического ремонтного
персонала.
Регламент выезда для устранения аварий и повреждений БМРУЭС:
· необходимо для наименьшего простоя предоставляемых услуг
связи;
· для предотвращения отказа абонентов от предоставляемой услуг связи
и перехода к другим операторам связи;
· для уменьшения потери прибыли;
· Самым трудоемким устранением повреждений является на МСС ВОК
с привлечением аварийной восстановительной бригады и спецтехники.
Рис 1.3 Регламент выезда для устранения аварий и повреждений
Глава
2
.1
Измерительные приборы в волоконно-оптической линии связи (ВОЛС)
На сегодняшний момент на рынке представлен большой
ассортимент оборудования для обслуживания и монтажа ВОЛС. Это автоматические
сварочные аппараты, рефлектометры, скалыватели, стрипперы, измерительные
приборы.
Лазерный источник излучения SmartPocket OLS-34/35/36выполнен
в трех вариантах, позволяющих работать на длинах волн 850, 1300, 1310, 1550 нм.
В комбинации с измерителем оптической мощности
SmartPocket OLP-34/35/38 <#"882409.files/image004.gif">
|
|
1300 1310 1490 1550 1625 нм
|
|
|
|
|
где A - численное значение
оптической мощности в нВт: A=
|
|
Пределы допускаемого
значения относительной погрешности измерений относительных уровней мощности,
дБ
|
±0,1 в диапазоне от -50 до
+5 дБм
|
±0,1 в диапазоне от -32 до
+20 дБм
|
|
Время работы от батарей, ч,
не Менее
|
150
|
|
Источники оптического
излучения
|
OLS-36
|
OLS-35
|
OLS-35
|
|
Длины волн излучения
источника, нм
|
Многомодовый порт: 850±20
1310±30 Одномодовый порт: 1310±20 1550±20
|
1310±20 1550±20
|
|
Уровень выходной мощности в
непрерывном режиме, дБм, не менее
|
Многомодовый порт: -20
Одномодовый порт: -7
|
-7
|
|
Нестабильность уровня
выходной мощности излучения за 15 минут (после 20 минут прогрева), дБ, не
более
|
±0,02
|
|
Время работы от батарей, ч,
не Менее
|
Многомодовый порт: 25
Одномодовый порт: 60
|
60
|
* Здесь и далее (дБм) обозначает (дБ) относительно 1 мВт
|
Общие характеристики
|
|
|
Габаритные размеры
ваттметра / источника, мм, не более
|
30 80 150
|
|
Масса ваттметра /
источника, г, не более
|
200
|
Электропитание источника или ваттметра из состава тестера осуществляется
от двух батареек или Ni-MH аккумуляторов типа АА либо от сети переменного тока
напряжением 220
22 В, частотой 50
0,5 Гц через фирменный адаптер.
Рабочие условия эксплуатации тестера:
· температура
окружающей среды,
С...от -5 до +45
· относительная
влажность воздуха при +30
С, %, не более...95
· атмосферное
давление, кПа…от 84 до 106,7
Таблица 2.2 Идентификационные данные программного обеспечения
|
Наименование программного обеспечения
|
Идентификационное наименование программного обеспечения
|
Номер версии
(идентификационный номер) Программного обеспечения
|
Цифровой
идентификатор программного обеспечения (контрольная сумма исполняемого кода)
|
Алгоритм
вычисления цифрового идентификатора программного обеспечения
|
|
Программа микроконтроллера Ваттметра OLP-35/38
|
miniTargetFs3
|
3.89
|
088D3A49
|
CRC32
|
|
Программа микроконтроллера источника OLS-35/36
|
miniTargetFs7
|
3.81
|
A888EEA9
|
CRC32
|
Метрологические значимая часть программного обеспечения размещается
в энергонезависимой части памяти микроконтроллера, запись которой
осуществляется в процессе производства. Доступ к микроконтроллеру исключён
конструкцией аппаратной части тестера. Модификация программного обеспечения
возможна только в сервисных центрах фирмы-производителя.
Защита программного обеспечения от непреднамеренных и
преднамеренных изменений соответствует уровню «С» по МИ 3286-2010.
В комплект поставки тестера входит также вспомогательное ПО
“OFS-355”, служащее для считывания сохраненных данных из памяти ваттметра и
составления протокола измерений. Влияния на метрологические характеристики
прибора данное программное обеспечение не оказывает.
Комплектность средства измерений.
Таблица 2.3 Состав комплекта тестера
|
Наименование
|
Кол-во
|
|
Измеритель
оптической мощности OLP-35/38
|
1
|
|
Источник
оптического излучения OLS-35/36
|
1
|
|
Волоконно-оптический
адаптер источника излучения
|
1
|
|
Батарея 1,5В
типа АА
|
4
|
|
Адаптер
переменного тока SNT-505
|
1
|
|
Кабель USB (для
тестеров с индексом “P”)
|
1
|
|
Флэш-накопитель
USB (для тестеров с индексом “P”)
|
1
|
|
Сумка для
транспортировки и хранения
|
1
|
|
Тестеры
оптические серии SmartPocket OMK-35(35P)/36(36P)/38(38P) c ваттметрами
OLP-35/38 и источниками OLS-35/36. Руководство по эксплуатации
|
1
|
Поверка осуществляется по Рекомендациям «ГСИ. Измерители
оптической мощности, источники оптического излучения и оптические тестеры,
малогабаритные в волоконно-оптических системах передачи. Методика поверки» МИ
2505-98.
. ГОСТ 8.585-2005 «Государственная система обеспечения
единства измерений. Государственная поверочная схема для средств измерений
длины и времени распространения сигнала в световоде, средней мощности,
ослабления и длины волны для волоконно-оптических систем связи и передачи
информации».
. МИ 2505-98 «Измерители оптической мощности, источники
оптического излучения и оптические тестеры, малогабаритные в
волоконно-оптических системах передачи. Методика поверки».
Рис 2.1 Лазерный источник излучения SmartPocket OLS-35
2.2 Монтаж
ВОЛС (волоконно-оптических линий связи) и выбор оборудования для монтажа
От качества монтажа ВОЛС (волоконно-оптических линий связи) во многом
зависит надежность и скорость работы систем, которые оборудованы оптоволоконным
кабелем. Сращивание оптоволоконного кабеля в целом и отдельных его частей
возможно двумя способами: механическое соединение и сварка оптических волокон.
Методика сварки ВОЛС - это операции, проводимые в
определенной последовательности. Для начала нужно подготовить волокна к
процессу сварки: снять с них защитное покрытие, произвести скол оптоволокна и
очистить волокно. От того, насколько качественно кабели ВОЛС подготовлены к
сварке, зависит конечный результат операции.
На следующем этапе используется непосредственно
сварочный аппарат. Осуществляется необходимое выравнивание кабеля для ВОЛС,
сварка волокна, оцениваются полученные результаты. Если соединение выполнено
некачественно, весь процесс необходимо начать заново. В том случае, если кабели
ВОЛС не могут быть соединены при помощи сварки, возможен монтаж ВОЛС при помощи
механического соединения. Стоит отметить, этот метод во многом уступает сварке,
так как для его качественного исполнения требуется строгое соблюдение
геометрических параметров концов оптического волокна. К тому же, он отличается
более высоким уровнем потерь, возникающих в процессе работы. Монтаж и
обслуживание оптического кабеля возможен в передвижных лабораториях, которые
представляют собой укомплектованные необходимым для монтажа ВОЛС оборудованием
и приборами для измерения характеристик сетей. Такие лаборатории позволяют
специалистам быстро и качественно осуществлять прокладку и исследование
оптоволоконного кабеля в городских и полевых условиях.
Fujikura CT-30A, CT-30B, CT-30
2.2.1 Скалователь оптических волокон
СТ-30
Рис 2.2 Прибор для скалования
оптических волокон СТ-30
Основные характеристики:
· модель CT-30A предназначена для одиночных волокон (длина
скола от 6 до 20 мм)
· модель CT-30B предназначена для одиночных волокон
(фиксированная длина скола 16 мм)
· модель CT-30 предназначена для одиночных и ленточных волокон
(до 12 волокон), длина скола10 мм (для установки волокна необходим съёмный
держатель серии FH-60)
· ресурс ножа: 48 000 сколов
· погрешность угла скола: 0,5 градуса
· механизм автоматического перемещения лезвия
· встроенный контейнер для обрезков волокна
· минимум рабочих операций: скол в одно действиеCT-30A - это
основной универсальный прибор, скалыватель компании Fujikura, используемый со
всеми типами сварочных аппаратов. Выполняет скол волокна в одно действие и
автоматически затягивает остаток сколотого волокна в контейнер. Срок службы
скалывателя, превышает 10 лет.
В скалывателе используется специальное лезвие CB-16 из высокопрочной
стали. Каждое положение лезвия рассчитано на выполнение 1000 операций скола.
Лезвие может проворачиваться по кругу и фиксироваться в 16 различных
положениях. Кроме того, по мере износа лезвия, дополнительно можно регулировать
его высоту в трёх положениях. Общий ресурс лезвия составляет: 1000 ⋅ 16 ⋅ 3 = 48 000 сколов. После исчерпания
ресурса лезвия CB-16, оно может быть легко заменено на новое.
.2.2 Компактный автоматический сварочный аппарат для
оптоволокна Fujikura 12S
Рис 2.3 Автоматический сварочный аппарат для оптоволокна Fujikura 12S.
Основные характеристики:
· выравнивание по оболочке оптического волокна
· средние потери на сварке: 0,05 дБ (одномод), 0,02 дБ
(многомод)
· время сварки: 15 с. Время термоусадки: 30 с. Ресурс
электродов: 3000
· количество циклов сварки/термоусадки от штатного Li-ion
аккумулятора: 100
· длина скола: от 5 до 13 мм. Возможность приваривать
коннекторы SC, LC и др.
· автоподстройка мощности дуги
· диапазон рабочих температур: от -10°С до +50°С
· масса с аккумулятором:776 грамм
· русифицированное меню
· высокая защита от пыли, влаги, ударов и падений
Рис 2.4 Сварочный аппарат Fujikura 12S при сваривания оптического
волокна.
Fujikura 12S поддерживает длину скола волокон от 5 до 13 мм.
В Fujikura 12S установлены
миниатюрные посадочные площадки для укладки волокон, которые поддерживают длину
скола от 5 до 13 мм. Скол 13 мм можно использовать со стандартными 60 мм КДЗС
(термоусадками), скол 10-12 мм используется с 40 мм КДЗС, а минимальный скол 5
мм необходим для работы с новыми микро-КДЗС (20 мм и 30 мм), а также для
оконечивания волокон подвариваемыми коннекторами Fujikura FuseConnect.
Нагреватель КДЗС компактного сварочного аппарата Fujikura 12S
В сварочном аппарате для оптических
волокон Fujikura 12S используется классический дизайн нагревателя для
термоусадки.
Стандартная гильза 60 мм усаживается
за 30 секунд. Качество усадки гильз стабильно высокое, даже в холодную погоду и
при наличии ветра.
Рис 2.5 Нагреватель КДЗС (КДЗС комплект деталей защиты сварного стыка)
2.2.3 Монтаж муфт и кроссов
Оптический
кросс - устройство, предназначенное для оконечивания оптического кабеля и
подключения к нему активного оборудования. Для сращивания оптических кабелей
применяются оптические муфты, представляющие собой пластиковые контейнеры,
внутри которых расположена сплайс-пластина
<#"882409.files/image017.jpg">
Рис 2.6 Оптический кросс
2.3 Краткая характеристика волоконно-оптической системы
передачи (ВОСП)
.3.1
«Транспорт- 32х30»
Аппаратура «Транспорт-32х30» предназначена для
передачи 32первичных цифровых потоков Е1 (2,048 Мбит/с) и 1 потока 64 Кбит/с
синтерфейсом RS-232 между двумя или несколькими (до 64-х) пунктами связи по
одному или двум одномодовым или многомодовым оптическим волокнам.
Рис 2.7 Транспорт- 32х30
Технические характеристики.
· количество потоков Е1 одного полукомплекта: 1, 4, 8, 16, 24,
32,
· макс. кол-во потоков Е1 в оптическом кольце: 32;
· число передаваемых каналов 64Кбит/с: 1 двунаправленный канал
RS-232;
· скорость передачи группового потока: 69,632 Мбит/с;
· длина волны: 1310 или 1500 нм;
· затухание участка регенерации: 0 - 40 дБ;
· стандартный оптический разъем: FC;
· параметры тракта Е1: G.703;
· интерфейс с РС: RS-232;
· служебная связь: канал 64 кбит/с;
· тип источника излучения: лазерный диод;
· номинальная мощность излучения лазера на выходе
полукомплекта: 0,5мВт-0,9 мВт
· максимальная мощность излучения лазера на выходе
полукомплекта: 1,5 мВт (1,8дБм)
Полукомплекты, имеющие в маркировке букву "Р", обеспечивают
автоматическое резервирование группового потока в случае обрыва одного из
сегментов оптического волокна. При этом "Прием" и
"Передача" группового потока осуществляется по двум оптическим
волокнам в две противоположные стороны кольца. Передачу группового потока по
кольцу с резервированием можно организовать и по 1-му волокну с использованием
пассивных Y-ответвителей, позволяет разделить направление передачи и приема
оптического излучения.
Рис 2.8 Пассивный Y-ответвитель
Требования к Y - ответвителям.
Многомодовые или одномодовые, в зависимости от типа применяемого кабеля.
Широкополосные 1310 +/- 40 нм, 50/50, с переходным затуханием не менее 25 дБ
Максимальное время перерыва связи в случае обрыва сегмента кабеля
оптического кольца составляет от 500 мкс до 1 мс в зависимости от количества
полукомплектов включенных в кольцо.
Возможность резервирования группового потока Е1
Любой из подключенных первичных потоков 2,048МБит/с может быть
коммутирован пользователем с любым из 32 первичных потоков 2,048МБит/с,
передаваемых в групповом потоке по оптическому волокну. Эта операция
производится при конфигурировании сети из программы "Центр управления
ЦВОЛТ".
Возможность резервирования группового потока
Требования к оптоволокну
Одномодовое или многомодовое оптоволокно для передачи оптического сигнала
длиной волны 1310 (1500)нм. Одно оптоволокно используется для передачи, второе
- для приема. Система нормально работает по одному волокну при использовании Y-
ответвителей
Программное обеспечение
Программное обеспечение для компьютеров типа IBM PC позволяет на ближнем
и удаленном конце оптической линии связи:
· сконфигурировать систему;
· произвольно коммутировать подключенные тракты;
· заблокировать или разблокировать любой тракт;
· закольцевать любой тракт;
· просмотреть количество ошибок по трактам;
· протестировать любой тракт и оборудование, подключенное к
нему, а также линию связи;
· протестировать оптический кабель;
· просмотреть количество ошибок по оптическому кабелю;
· задать условия срабатывания аварийной сигнализации.
Параметры трактов Е1
Параметры трактор Е1 полностью соответствуют ГОСТ 26886-86(рекомендации
G.703). Тракты 2,048Мбит/с аппаратуры ЦВОЛТ серии "Транспорт-32х30" поддерживают
любой протокол передачи данных, использующий коды передачи ЧПИ (AMI) или МЧПИ
(HDB3). Для подключения трактов 2,048 Мбит/с к оптическому мультиплексору
"Транспорт" используется витая пара с волновым сопротивлением 120 Ом.
Допустимое затухание кабеля, соединяющего аппаратуру с внешним оборудованием по
трактам 2,048 Мбит/с, на полутактовой частоте - от 0 до 10 дБ. Поддерживается
режим автоматического включения сигнала AIS на передачу по потокам Е1. При
пропадании группового сигнала по приему оптического стыка, сигнал AIS выдается
одновременно на передачу по всем потокам Е1. При пропадании синхронизации по
приему в одном из потоков Е1, сигнал AIS выдается на передачу только по тому
потоку Е1, по которому пропала синхронизация по приему на удаленном конце.
Рис 2.9 Аппаратура «Транспор 32х30». Возможные схемы организации связи
приемопередатчик (трансивер)
SFP
(англ.
<https://ru.wikipedia.org/wiki/%D0%90%D0%BD%D0%B3%D0%BB%D0%B8%D0%B9%D1%81%D0%BA%D0%B8%D0%B9_%D1%8F%D0%B7%D1%8B%D0%BA>
Small Form-factor Pluggable) - промышленный стандарт модульных компактных
приёмопередатчиков (трансиверов), используемых для передачи данных
<https://ru.wikipedia.org/wiki/%D0%94%D0%B0%D0%BD%D0%BD%D1%8B%D0%B5> в
телекоммуникациях.
Модули
SFP используются для присоединения платы сетевого устройства (коммутатора
<https://ru.wikipedia.org/wiki/%D0%A1%D0%B5%D1%82%D0%B5%D0%B2%D0%BE%D0%B9_%D0%BA%D0%BE%D0%BC%D0%BC%D1%83%D1%82%D0%B0%D1%82%D0%BE%D1%80>,
маршрутизатора <https://ru.wikipedia.org/wiki/%D0%9C%D0%B0%D1%80%D1%88%D1%80%D1%83%D1%82%D0%B8%D0%B7%D0%B0%D1%82%D0%BE%D1%80>
или подобного устройства) к оптическому волокну
<https://ru.wikipedia.org/wiki/%D0%9E%D0%BF%D1%82%D0%B8%D1%87%D0%B5%D1%81%D0%BA%D0%BE%D0%B5_%D0%B2%D0%BE%D0%BB%D0%BE%D0%BA%D0%BD%D0%BE>
или неэкранированной витой паре
<https://ru.wikipedia.org/wiki/%D0%92%D0%B8%D1%82%D0%B0%D1%8F_%D0%BF%D0%B0%D1%80%D0%B0>
Используются
SFP оптические приемопередатчики на 15, 40, 80, 100, 120 и более километров.
Наиболее
распространённые области применения SFP-модулей - передача данных в
телекоммуникационных сетях на скоростях выше 100 Mbps с использованием
следующих технологий:
· Ethernet: 100 Mbps, 1 Gbps, 1,25 Gbps, 10
Gbps, 20 Gbps
· SDH: STM-1 (155 Mbps), STM-4
(622 Mbps), STM-16 (2488 Mbps)
· Fibre Channel: 1, 2, 4, 8, 16 Gbps
Рис 2.10 SFP-модуль. Вид спереди, оптический разъём LC
Рис 2.11 SFP-модуль. Вид сбоку
волоконный оптический связь кабельный
2.3.2 ВОСП
«FOM-4E»
Рис 2.12
Мультиплексор FlexGain FOM4 предназначен для передачи 4х потоков Е1 G.703
по двум волокнам оптического кабеля FlexGain FOM4E-RM может применяться:
· для передачи цифрового потока по волоконно-оптическим соединительным
линиям между АТС;
· для подключения базовых станций систем мобильной связи к АТС;
· для организации доступа к магистральным NGN сетям;
· для подключения систем DSLAM к IP сетям;
· для объединения локальных сетей со скоростью 100 Мбит/с в
линии.
Используются SFP оптические приемопередатчики на 15, 40, 80, 100, 120 и
более километров.
Особенности
4/8/12/16 интерфейсов E1 120 Ом
Giga Ethernet Combo full-duplex порта с обработкой VLAN с общей скоростью
2 Гбит/с с поддержкой функций LLCF и LLR
Функция Add/Drop для Е1 и GE-портов
Функции RSTP/MSTP
Вход внешнего синхросигнала
Канал служебной связи
Сервисный USB-интерфейс для сохранения и загрузки настроек мультиплексора
Управление CLI, Telnet, SNMP, Web
агрегатных SFP-интерфейса
Удвоенная полоса пропускания 2 Гбит/с с резервированием приоритетного
трафика
+0, 1+1 резервирование оптического тракта с системой автоматического
гашения лазера.
Рис 2.13
.3.3 ВОСП
«Zelax»
Мультиплексоры ГМ-1Gx представляют собой эффективное решение для
построения современных оптоволоконных сетей передачи данных. Используя одну
оптоволоконную линию, пользователь получает одновременно с каналом Gigabit
Ethernet до 88 каналов G.703/Е1. Передача потоков G.703/Е1 не влияет на
скорость передачи данных. Тип оптического волокна, дальность работы
определяются установленным SFP-модулем.
При соединении мультиплексоров «точка-точка» возможно одновременное
использование двух оптических линий связи для организации двух независимых
каналов Gigabit Ethernet, при этом в случае обрыва одного волокна передача
потоков G.703/Е1 продолжается по другому (функция резервирования).
Рис 2.14 Объединение узлов по волоконной оптической линии связи в
топологии «кольцо» с предоставлением в каждой точке потоков Е1 и трафика
Gigabit Ethernet
Преимущества:
· прозрачная передача трафика Gigabit Ethernet и потоков Е1 по
оптической линии связи;
· работа в топологиях: «точка-точка», «цепочка», «кольцо»;
· независимая синхронизация потоков G.703/Е1;
· возможность передачи двух независимых потоков Gigabit
Ethernet;
· удобный Web-интерфейс;
· управление и мониторинг по SNMP и Web;
Рис 2.15 Внешний вид Zelax
Питание:
· универсальное: ~220 В (через сетевой адаптер), ~36 В, =20…72
В,
· потребляемая мощность: не более 12 Вт.
Все вышеперечисленные ВОСП выполняют требования ГОСТ 26886-86 - Стыки
цифровых каналов передачи и групповых трактов первичной сети единая
автоматизированная сеть связи (ЕАСС).
Эксплуатация ВОСП требует знания персонала электротехнической
характеристики каждой аппаратуры и программного обеспечения.
Мониторинг по протоколу SNMP необходимо иметь на каждую систему передач.
Для быстрого реагирования и устранения повреждения необходимо иметь в ЗИП по одной
аппаратуре, что влечет дополнительные затраты.
По своим техническим характеристикам ВОСП «Zelax» более приемлем, для выполнения
данного проекта, а также из-за отсутствия свободных оптических волокон в кабеле
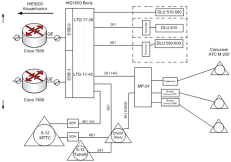
в направлении ЦС г.Бавлы-н.п. Васькино.
По своим техническим характеристикам ВОСП «Zelax» более приемлем, для
выполнения данного проекта, а также из-за отсутствия свободных оптических
волокон в кабеле в направлении ЦС г.Бавлы-н.п. Васькино.
Мультиплексоры просты в управлении, благодаря чему процесс их
установки и последующей эксплуатации практически исключает необходимость
привлечения высококвалифицированных специалистов.
.4
Надежность оптической линии
.4.1
Термины и определения
Под надежностью системы понимают его способность выполнять
заданные функции с заданным качеством в течение некоторого промежутка времени в
определенных условиях. Изменение состояния системы, которое влечет потерю
указанного свойства, называется отказом.
Применительно к проектируемой системе, надежность - это
свойство волоконно-оптической линии связи обеспечивать возможность передачи
требуемой информации с заданным качеством в течение определенного промежутка
времени. Надежность системы в целом зависит от двух совместно работающих
сооружений - линейного и станционного.
В теории надежности используются следующие понятия:
· отказ - повреждение ВОЛП с перерывом связи по одному,
множеству или всем каналам связи;
· неисправность - повреждение, не вызывающее закрытия связи,
характеризуемое состоянием линии, при котором значения одного или нескольких
параметров не удовлетворяют заданным нормам;
· наработка на отказ - среднее время между отказами, выраженное
в часах;
· среднее время восстановления связи - среднее время перерыва
связи, выраженное в часах;
· интенсивность отказов - среднее число отказов в единицу
времени (час);
· вероятность безотказной работы - вероятность того, что в
заданный интервал времени не возникнет отказ;
· коэффициент готовности - вероятность нахождения линии
передачи в исправном состоянии в произвольно выбранный момент времени;
· коэффициент простоя - вероятность нахождения линии передачи в
состоянии отказа в произвольно выбранный момент времени.
Системы относятся к восстанавливаемым системам, в которых отказы можно
устранять.
Отказы рассматриваются в теории надежности как случайные события.
Интервал времени от момента включения системы до его первого отказа является
случайной величиной и называется временем безотказной работы. Системы ВОЛС
состоят из нескольких отдельных элементов, и отказы происходят в них независимо,
но в то же время ведут к отказу всей системы. Вероятность безотказной работы
такой системы в целом равна произведению вероятностей безотказной работы
отдельных ее элементов:
, (2.1)
где
- интенсивность отказов системы;
- интенсивность отказов i-го элемента.
Среднее время безотказной работы системы равно:
,(2.2)
К числу основных характеристик надежности восстанавливаемых систем и ее
элементов относится коэффициент готовности:
, (2.3)
где
- среднее время восстановления системы (элемента).
Коэффициент готовности соответствует вероятности того, что система будет
работоспособна в любой момент времени.
.4.2
Расчет параметров надежности
В соответствии с выражением (2.1), интенсивность отказов проектируемой
волоконно-оптической линии передач определяется, как сумма отказов
промежуточных станций и оптического кабеля (регенерационных пунктов в системе
нет):
, (2.4)
где
- интенсивность отказов ОП;
- интенсивность отказов 1 км. Кабеля;
- количество промежуточных станций;
- протяженность оптической линии передачи.
Значения необходимых для расчета параметров приведены в таблице 2.4
Табл. 2.4 - Параметры надежности элементов ВОЛП
|
Наименование элемента
|
СП
|
НРП
|
Оптический кабель
|
|
, 1/час
|
|
|
на 1 км
|
|
, ч.
|
0,1
|
3,5
|
5,0
|
Подставив значения из таблицы 2.4 в формулу (2.4), получим значение
интенсивности отказов для нашей системы:
Среднее время безотказной работы проектируемой ВОЛС определим по формуле
(2.2):
часов,
или, если выразить это значение в годах - 4,14 г.
Вероятность безотказной работы в течение заданного промежутка времени
рассчитаем для разных промежутков времени по формуле (2.1):
для 1 суток (
) -
;
для 1 недели (
) -
;
для 1 месяца (
) -
;
для 1 года (
) -
;
По результатам расчетов построим график зависимости безотказной работы
ВОЛП от времени
. График приведен на рисунке 2.15.
Рис.2.16 Вероятность безотказной работы в заданном промежутке времени
Среднее время восстановления системы можем рассчитать по формуле:
, (2.5)
где
- среднее время восстановления связи на оконечном пункте;
- среднее время восстановления связи по кабелю.
Необходимые параметры возьмем из таблицы 2.4. Тогда получим:
ч.
Теперь можем определить коэффициент готовности системы, используя формулу
(2.6):
Проектируемая волоконно-оптическая линия передачи строится по
кольцевой топологии, определим влияние резервирования на время восстановления
системы. Для оценки используем формулу:
, (2.7)
где
- количество единичных участков в кольце;
- количество единичных участков на малой дуге.
Для расчетов возьмем участок ПС1-ПС6. Его протяженность - 14,8 км, что
примерно равно средней протяженности регенерационного участка, поэтому примем
его за единичный участок. Предполагаем также, что кольцо состоит из одной линии
и разбито на 6 единичных участков между двумя станциями - ПС1 и ПС6.
Взаимодействие станций возможно по малой дуге, равной единичному участку или по
кольцу, состоящему из 5 единичных участков.
Интенсивность отказов единичного участка определим по формуле (2.4):
Тогда среднее время безотказной работы в соответствии с формулой (2.2)
будет равно:
ч.,
или 139 лет.
Рассчитаем время восстановления единичного участка без резервирования по
формуле (2.5):
ч.
Тогда коэффициент готовности единичного участка равен:
Рассчитаем отношение времени восстановления кольцевой сети при
резервировании к времени восстановления без резервирования по формуле (2.6):
Как видно, отношение имеет очень малую величину, что говорит об очень
малом времени восстановления системы с резервированием по сравнению с системой
без резервирования. Таким образом, рассчитанные параметры позволяют сделать
заключение о достаточно высокой степени надежности проектируемой системы, а
значит и о высоком качестве работы оптического линейного тракта и оборудования.
.5
Основные технологические процессы. Место подразделения в производственном
процессе
Используя новейшее телекоммуникационное оборудование и передовые
достижения науки и техники, "Таттелеком" обеспечивает качественную,
быструю и надежную связь.
При моделировании технического обслуживания линейно-кабельных сооружений
ВОЛП было обеспечено выполнение заданных условий. При этом учитывалось, что
главная цель технического обслуживания состоит в предупреждении отказов,
которые могут нарушить функционирование ОК (оптического кабеля) или вызвать
перерыв действия ответственных объектов технической эксплуатации.
Предоставление таких услуг как:
· телефония: местная, междугородняя, международная;
· скоростной интернет;
· кабельное «Летай ТВ»;
· Dial-Up (Коммутируемый доступ);
· мобильная связь.
Многомодовое оптоволокно (многомод) или MultiMode
(MM)- способность передачи нескольких независимых световых сигналов (мод),
которые различаются фазами или длинами волн. Однако это требует
большего диаметра сердечника, а с увеличением диаметра
сердечника световода увеличивается вероятность отражения света от внешней
поверхности сердечника. Возникает модовая дисперсия - рассеивание. В результате
уменьшается расстояние и пропускная способность между повторителями
(ретрансляторами) сигнала.
В цифрах:пропускная способность многомодового
оптоволокна - до 2,5 Гбит/с.
Рис. 2.17 Многомодовое волокно со ступенчатым и
градиентным коффиентом
Одномодовое оптоволокно (одномод) или SingleMode (SM)-
способность передачи только одной моды (одного светового несущего сигнала).
Поскольку такое волокно имеет сердечник диаметром 10 мкм и меньше (очень
тонкий), при передаче сигнала наблюдается меньшая модовая дисперсия. Это
позволяет передавать сигнал на большие расстояния, не используя повторители.
Однако одномодовое оптоволокно и сопутствующие его компоненты приема-передачи
оптического сигнала стоят дороже. В цифрах: пропускная способность одномодового
оптоволокна -10 Гбит/с более.
Рис. 2.18 Ономодовое волокно
Многомодовый
кабель используют при монтаже ВОЛС
<#"882409.files/image070.jpg">
Рис 2.19 Оптический кабель в разрезе
оптические марки ОК и ОН (ТУ 16-705, 296-86) на длине волны 0,85 мкм, с
затуханием 3 и 5 дБ/км,
в полиэтиленовой и в поливинилхлорной оболочках и марок ОКК и ОКС (ТУ
16.К71-084-90) на длине волны 1,3 мкм, с затуханием 0,7 и 1,0 дБ/км,
в полиэтиленовой и поливинилхлоридной оболочках; марки ОККП (ТУ
3587-004-13173860-95) и многомодовые на длине волн 0,85 и 1,3 мкм и одномодовые
на длине волн 1,3 и 1,55 мкм.
Трасса линии связи должна обеспечивать удобство эксплуатации и
минимальные затраты по строительству линии и защите ее от повреждений.
Выбор ВОСП определяется характером передаваемой информации (телефония,
передача данных, телевидения и др.), а также числом организуемых каналов.
Развитие науки и ускорение технического процесса невозможны без совершенствования
средства связи, систем сбора, передачи и обработки информации. В вопросах
развитии сетей связи страны большое внимание уделяется развитию системы
передачи и распределение информации.
В настоящее время в ВОСП (волоконно-оптическая система передачи)
используется унифицированные каналообразующая аппаратура ЦСП (цифровые системы
передачи) различных ступеней иерархии.
На схеме организации связи БМРУЭС (Бавлинского межрайонного узла
электросвязи) обозначены ВОСП выполняющие одну и туже функцию, но отличается
технологическим исполнением и программным обеспечением мониторингом Транспорт
32х30, Zelax
ГМ GL-4Е и FOM-4 для передачи потока Е1 (30 каналов разговорного тракта) со
скоростью 2048Мb/c.
Глава
3
.1
Характеристика промежуточных и оконечных пунктов
Бавлы - это город нефтяников. После обнаружения залежей нефти
и принятия решения о развитии в районе нефтедобычи было образовано НГДУ
«Бавлынефть».
Для решения производственных задач, организации
социально-бытового обеспечения населения, укрепления культурных отношений,
развития образовательных и оздоровительных учреждений и т.д. необходима
качественная надежная связь, как с райцентром, так и с другими населенными
пунктами, а также выход на междугородную и международную связь. Учитывая
уровень и темпы развития современных технологий в различных областях
человеческой деятельности, сельские потребители нуждаются в традиционной
телефонной связи, но также и в доступе к сетям передачи данных, которого
является Интернет.
Основная доля сырьевого сектора района приходится на
нефтедобычу, которая в Бавлинском муниципальном районе представлена 4 нефтяными
компаниями: НГДУ «Бавлынефть» ПАО «Татнефть», ПАО «Алойл», ПАО «Татойлгаз» и
ПОО «Башнефть-Добыча».
Одним из предприятий Бавлинского района является
Бугурусланское РНУ. Бугурусланское районное нефтепроводное управление - самая
восточная часть Приволжских магистральных нефтепроводов. Нефтяной поток из
Западной Сибири, нефть Оренбуржья, Татарстана и Самарской области поступает в
трубопроводную систему ПАО «Приволжскнефтепровод» и движутся далее на Самару,
на запад и юг России. Оно эксплуатирует более 1000 км магистральных
нефтепроводов высокого давления, являющиеся объектами повышенной опасности и
важного государственного значения, которые проходят по территории Бавлинского
района: «Нижневартовск-Курган-Куйбышев», «Бавлы Куйбышев».
Все эти нефтяные предприятия, трубопроводы и газопроводы
непосредственно пересекаются с линиями передачи связи. В населенных пунктах
Бавлинского района линии связи в основном проложены под землей, где также
немало линий газопровода, водопровода. Все перечисленные коммуникационные линии
представляют собой угрозу повреждения линии передачи связи, при
ремонтно-восстановительных и на других земельных работах связанных со вскрытием
грунта. По статистике сторонними организациями повреждаются каждый год на линии
ВОЛС не менее одного раза, что влияет на качество предоставления услуг связи.
Так по регламенту устранения аварий и повреждений для восстановления линий
связи уделяется не более 10ч времени.
Проектируемое резервируемое географическое кольцо
волоконно-оптической линии передачи должно связать крупные населенные пункты
Бавлинского района, в которых в настоящее время расположены сельские
промежуточные станции. Выбор трассы для прокладки оптического кабеля является
сложной задачей. Это связано с тем, что местность имеет сложный гористый
рельеф, есть водные преграды, почва местами каменистая. Кроме этого, на
территории района находятся в эксплуатации нефте- и газодобывающие скважины, и
для транспортировки полезных ископаемых под землей проложена сеть
трубопроводов. В процессе предварительных изыскательских работ как один из
вариантов рассматривалась прокладка кабеля, эксплуатируемыми линиями связи ВОЛС
Бавлинским РУЭС в настоящее время. Для этого были изучены материалы по
следующим линиям связи:
· Бавлы - Новые Чути;
· Бавлы - Татарский Кандыз БС
При изучении технической документации было выявлено, что данные линии
построены наикратчайшими путями преимущественно вдоль автомобильных дорог, что
в свою очередь обеспечивает максимальное применение механизации при
строительстве и снижение эксплуатационных расходов при обслуживании объекта
связи. Также приняты меры для обеспечения достаточной удаленности от
высоковольтных ЛЭП. Переходы через водные преграды осуществлены в наиболее
благоприятных местах, имеющих наименьшую ширину, пологие берега и приемлемый
грунт. Немаловажен тот факт, что при строительстве этих линий были осуществлены
все необходимые согласования с заинтересованными организациями и отчуждена
полоса земли, которая охраняется законодательством.
В ходе рекогносцировочных изысканий непосредственно на местности данное
предположение нашло свое подтверждение. Поэтому в дальнейшем в данной работе
будем опираться на данные, полученные из материалов Бавлинского РУЭС по
эксплуатируемым линиям связи на основе ВОЛС, внося, где это необходимо, свои
коррективы и уточнения в соответствии с поставленными задачами.
В черте н.п. Новые Чути-н.п, Кандыз БС прокладка кабеля ВОЛС 20км будет
осуществляться подземным способом на глубину 1,2 м с применением
кабелеукладчика. При пересечении с автомобильными дорогами используется метод
горизонтального бурения. Соответствующая техника и технология проведения таких
работ имеется на базе вышестоящей организации. Водные преграды на пути
прохождения трассы представляют собой небольшие несудоходные реки с тихим
течением, поэтому наиболее надежной будет подводная прокладка кабеля.
При этом расстояние от мостов до перехода будем выдерживать в пределах
50-100 метров. Ситуационный план прокладки кабеля представлен на рис 3.2.2 По
географическому расположению выбираем самый оптимальный вариант, показанный на
карте Бавлинского района рис 3.2.1 При кольцевании связи две ветки ВОЛП с
промежуточными станциями рассматривается ЦС г. Бавлы-ПС. Тат.Кандыз БС и ЦС
г.Бавлы-ПС.Новые Чути.
Согласно решению замены оборудования Транспорта на Zelax, на промежуточных
станциях сети предусматриваем одиннадцать промежуточных пунктов. Это следующие
населенные пункты:
· ПС-1 - Бавлы;
· ПС-2 - Кзыл-Яр;
· ПС-3 - Исергапова;
· ПС-4 - Татарская Тумбарла;
· ПС-5 - Урусстамак;
· ПС-6 -Николашкино;
· ПС-7-Измайлова;
· ПС-8-Новазореченск;
· ПС-9-Шалты;
· ПС-10-Хансверкино;
· ПС-11- Новые Чути.
Рис 3.1 Карта Бавлинского района с промежуточными станциями ЭАТС
Рис 3.2 Ситуационный план прокладки кабеля
.3 Схема организации связи
Организация связи Бавлинского РУЭС построено различными типами системами
передачи Zelax,Транспорт
для передачи потока Е1 , а также электронные автоматическими телефонными
станциями (ЭАТС) типа EWSD фирма Simens (DLU-выноса г. Бавлы), сельские ЭАТС
М-200, МР-24 коммутатор распределения потока Е1. Далее для нашего проекта будем
рассматривать системы передачи сельского направления. Передача потока Е1 осуществляется
двумя системами передачи типа Zelax, Транспорт в различных сельских
направлениях. Схема межстанционных соединений связи Бавлинского РУЭС приведена
на приложение Г.
Как было сказано в предыдущих подразделах, проектируемая
транспортная система будет представлять собой кольцевую структуру с
вводом/выводом компонентных сигналов в пунктах связи (ПС). Параметры
применяемого оборудования и расстояния между промежуточными станциями позволяют
построить сеть без использования обслуживаемых (ОРП) и необслуживаемых (НРП)
регенерационных пунктов, что позволяет снизить затраты как на этапе
строительства, так и при эксплуатации системы.
На ПС будут вводиться/выводиться компонентные сигналы через
интерфейсы Е1 и Ethernet. Синхронизация сети будет осуществляться в ПС от сигнала
синхронизации оборудования Huawei OSN-1500. Система контроля и управления сетью
также размещается в ПС-1.
Для обеспечения передачи трафика телефонии и данных на ПС
используем оборудование ZeLax. На рис. 3.3.1 приведен пример организации связи между
ПС.
Рис. 3.3 Схема организации связи с ПС
На ПС сигналы подаются с интерфейсов Е1 и Ethernet непосредственно к ЭАТС, БС и
маршрутизатору. От маршрутизатора данные передаются к ADSL-оборудованию и на
выделенные линии. Схема организации связи проектируемой ВОЛС приведена в
схематических приложениях.
В результате строительство ВОЛС и оптимизации ВОЛП на участке
ЦС г.Бавлы-ПС Васькино освобождается одно оптическое волокно, на участке ЦС
г.Бавлы- ПС Кзыл- Яр освобождается два оптических волокна. В дальнейшем
свободные оптические волокна можно будет использовать при
аварийно-восстановительных работах или для развития связи. При
несанкционированном обрыве оптического кабеля сторонними организациями или
частными лицам синхронизация системы передачи переключится автоматически по
резервному кольцу, что не повлияет на качество предоставляемой услуги
телефонной связи.
Рис 3.4 Схема межстанционных соединений связи
Схемы организации телекоммуникационной связи до и после изменения
отображены в Приложениях:
Приложение А «Схема распределения волокон» (плоское кольцо);
Приложение Б «Схема распределения волокон» (географическое кольцо);
Приложение В «Схема организации связи» (плоское кольцо);
Приложение Г «Схема организации связи» (географическое кольцо);
Приложение Д «Схема межстанционных соединений» (плоское кольцо);
Приложение Е «Схема межстанционных соединений» (географическое кольцо).
Приложение Ж «Перечень существующих колец»;
Приложение З «Перечень проектируемых колец».
Глава 4. Безопасность жизнедеятельности
.1 Характеристика предприятия и сооружения связи, влияющие на
окружающую среду при строительстве волоконно-оптической линии связи
Предприятия и сооружения связи, в отличие от других предприятий и
сооружений по отрицательному воздействию на окружающую среду можно отнести
относительно «чистым».
Строительство и эксплуатация ВОЛС предусматриваемого настоящим проектом
оборудования технологической и оперативно-диспетчерской связи не влияет пагубно
на экологию. В процессе сооружения объектов связи, не на значительной площади
поверхности земли, происходит нарушение экологического баланса. Технологические
процессы и оборудование, используемые в связи, все же являются источником
определенного количества вредных веществ, выбрасываемых в атмосферу и
попадающих в гидросферу.
Совокупность предприятий и сооружений связи являются источником
электромагнитных полей, охватывающих большие территории.
При строительстве сооружений связи необходимо учитывать экономичное
использование земли и эффективное средство защиты окружающей среды от
загрязнения.
До начала работ по рытью траншей под ВОЛС необходимо выполнить снятие и
сохранение плодородного слоя.
Плодородный слой должен быть снят до начала производства земляных работ и
уложен в отвалы. После завершения работ по прокладке ВОЛС плодородный слой
ровным слоем планируется на месте трассы пригодное для дальнейшего
использования в сельском, лесном хозяйствах.
Использование земель над кабельной линией и ВОЛС по назначению должно
осуществляться землепользователями с соблюдением мер по обеспечению сохранности
линии.
Трасса прокладки линии связи не пересекает месторождений полезных
ископаемых и заповедных зон, поэтому в проекте не предусматриваются
природоохранные мероприятия.
На период строительства источниками загрязнения окружающей среды
возможно отходами производства (остатками провода и троса, отбракованными
изделиями и т. п.) и горюче смазочными материалами.
Строительная организация, осуществляющая строительство электросетевого
объекта, обязана осуществить сбор и вывоз строительных отходов в специальные
места перед сдачей объекта в эксплуатацию.
Волоконно-оптическая линия связи не представляет угрозу окружающей среде,
так как она не загрязняет воздух, землю и воду.
Глубина
прокладки ВОК технологической связи соответствует СНиП 2.05.06-85
<#"882409.files/image075.jpg">
Рис. 4.1 - Оптимальные параметры рабочего места оператора ЭВМ
Модульными размерами (рисунок 4.1) рабочей поверхности стола для ПЭВМ, на
основании которых должны рассчитываться конструктивные размеры, следует
считать: ширину 800, 1200, 1400мм, глубину 800 и 1000мм при нерегулируемой
высоте, равной 725 мм. Рабочий стол должен иметь пространство для ног высотой
не менее 600 мм, шириной - не менее 500 мм, глубиной на уровне колен - не менее
450 мм и на уровне вытянутых ног - не менее 650 мм.
Рабочий стул (кресло) должен быть подъемно-поворотным и регулируемым по
высоте и углам наклона сиденья и спинки, а также - расстоянию спинки до
переднего края сиденья.
Конструкция монитора должна обеспечивать возможность фронтального
наблюдения экрана путем поворота корпуса в горизонтальной плоскости вокруг
вертикальной оси в пределах 30°С и в вертикальной плоскости вокруг
горизонтальной оси в пределах 30°С.
.2.6 Режим работы для операторов ПЭВМ
В зависимости от напряженности работы, устраивать перерывы длительностью
до 15 минут в час, переключаться на другие виды работ, выполнять серию легких
физических упражнений несколько раз в час.
В случаях, когда характер работы требует постоянного взаимодействия с ВДТ
(набор текстов или ввод данных и т.п.) с напряжением внимания и
сосредоточенности, при исключении возможности периодического переключения на
другие виды трудовой деятельности, не связанные с ПЭВМ, рекомендуется
организация перерывов на 10 - 15 мин через каждые 45 - 60 мин работы.
Продолжительность непрерывной работы с ВДТ без регламентированного
перерыва не должна превышать 1ч.
В табл. 4.2 представлены сведения о регламентированных перерывах, которые
необходимо делать при работе на компьютере, в зависимости от продолжительности
рабочей смены, видов и категорий трудовой деятельности с ВДТ (видеодисплейный
терминал) и ПЭВМ.
Таблица 4.2
Время регламентированных перерывов при работе на компьютере
|
Категория работы с ВДТ или
ПЭВМ
|
Уровень нагрузки за рабочую
смену при видах работы с ВДТ
|
Суммарное время
регламентированных перерывов, мин
|
|
Группа А, количество знаков
|
Группа Б, количество знаков
|
Группа В, часов
|
|
|
|
|
|
|
При 8-часовой смене
|
При 12-часовой смене
|
|
I
|
до 20000
|
до 15000
|
до 2,0
|
30
|
70
|
|
II
|
до 40000
|
до 30000
|
до 4,0
|
50
|
90
|
|
III
|
до 60000
|
до 40000
|
до 6,0
|
70
|
120
|
В соответствии со СанПиН 2.2.2/2.4.1340-03 все виды трудовой
деятельности, связанные с использованием компьютера, разделяются на три группы:
группа А: работа по считыванию информации с экрана ВДТ или ПЭВМ с
предварительным запросом;
группа Б: работа по вводу информации;
группа В: творческая работа в режиме диалога с ЭВМ.
Эффективность перерывов повышается при сочетании с производственной
гимнастикой или организации специального помещения для отдыха персонала с
удобной мягкой мебелью, аквариумом, зеленой зоной и т.п.
Примечание: Время перерывов дано при соблюдении требований Санитарных
правил и норм. При несоответствии фактических условий труда требованиям
настоящих санитарных правил и норм, время регламентированных перерывов следует
увеличить на 30 %.
.3 Электробезопасность
Электробезопасностью называется система организационных и технических
мероприятий и средств, обеспечивающих защиту людей от вредного и опасного
воздействия электрического тока, электрической дуги, электромагнитного поля и
статического электричества.
Она достигается:
конструкцией электроустановок;
техническими способами и средствами защиты;
организационными и техническими мероприятиями.
Технические способы и средства защиты, обеспечивающие
электробезопасность, устанавливаются с учетом ГОСТ 12.1.019-2009:
номинального напряжения, рода и частоты тока электроустановки;
способа электроснабжения (от стационарной сети, от автономного источника
питания электроэнергией);
режима нейтрали (средней точки) источника питания электроэнергией
(изолированная, заземленная нейтраль);
вида исполнения (стационарные, передвижные, переносные);
условий внешней среды (помещения: особо опасные, повышенной опасности,
без повышенной опасности, на открытом воздухе).
Для обеспечения электробезопасности должны применяться отдельно или в
сочетании друг с другом следующие технические способы и средства:
изоляция токоведущих частей (рабочая, дополнительная, усиленная двойная);
оградительные устройства; предупредительная сигнализация, блокировка, знаки
безопасности; расположение на безопасной высоте; малое напряжение;
защитное заземление, зануление и защитное отключение;выравнивание
потенциалов; электрическое разделение сетей; средства защиты и
предохранительные приспособления.
Применение напряжений от 6 В до 110 В резко снижает опасность при всех
условиях поражения. Эти напряжения применяются для питания ручного
электроинструмента, светильников стационарного местного освещения и ламп
переносны в стрелочных указателях, а также ряда приборов. Источниками
рекомендуемого напряжения могут быть трансформаторы, батареи гальванических
элементов, аккумуляторы, выпрямительные установки и преобразователи. Применение
автотрансформаторов и реостатов для получения необходимых напряжений
запрещается, поскольку в них эта сеть связана с сетью высокого напряжения.
Для защиты от поражения электрическим током применяют защитные средства.
К ним входят:
указатель напряжения;
клещи изолирующие;
диэлектрические галоши;
диэлектрические перчатки;
диэлектрические коврики;
защитные очки;
монтерский инструмент с изолирующими рукоятками;
контрольная лампа;
предупредительные плакаты.
Расчет защитного заземления рассмотрим на примере технологического
корпуса. Предполагается сооружение заземлителя с внешней стороны здания с
расположением вертикальных электродов по периметру. В качестве вертикальных
заземлителей принимаются стальные стержни диаметром 16 мм и длиной 3 м, которые
погружаются в грунт методом ввертывания. Верхние концы электродов располагаются
на глубине 0,7 м от поверхности земли. К ним приваривают горизонтальные
электроды стержневого типа из той же стали, что вертикальные электроды.
Внутренняя сеть заземления выполняется горизонтальной стальной полосой 40х4 мм.
Защитное заземление - преднамеренное электрическое соединение с землей
или ее эквивалентом металлических нетоковедущих частей, которые могут оказаться
под напряжением. Назначение защитного заземления - устранение опасности
поражения током в случае прикосновения к корпусу электроустановки и другим
нетоковедущим металлическим частям, оказавшимся под напряжением вследствие
замыкания на корпус и по другим причинам.
В соответствии с ПУЭ сопротивление заземляющего устройства определяется
по формуле:

,[Ом], (4.1)
где I− расчетный ток замыкания на землю, (А).

= 19,4 Ом.
Сопротивление заземляющего устройства для электроустановок напряжением до
1 кВ не должно быть больше 4 Ом , поэтому за расчетное сопротивление принимаю
R3= 4 Ом. Сопротивление искусственного заземлителя, при отсутствии естественных
принимается равным допустимому сопротивлению заземляющего устройства Ru = R3 =
4 Ом.
Определим расчетное удельное сопротивление грунта с учетом повышающих
коэффициентов, учитывающих высыхание грунта летом и промерзание его зимой:
, [Ом∙м], (4.2)
где
− удельное сопротивление грунта (суглинок - от 40 до
150 Ом∙м);− коэффициент сезонного изменения (для II климатической
зоны принимается kc=1,7
= 170 Ом∙м.
Определяем сопротивление одного вертикального заземлителя .
=
∙
, [Ом] (4.3)
где L - длина вертикального
заземлителя, (от 2 до 5 м);- диаметр вертикального заземлителя, (0,016 м);-
расстояние от поверхности земли до середины вертикального заземлителя,
(0,7+L/2,м).=
∙
= 62,99
Ом.
Ориентировочное число
вертикальных заземлителей (влияние горизонтальных заземлителей не учитывается,
полагая что их проводимость будет идти в запас надежности):
'=
,[шт],(4.4)
'=
= 15,7 шт.
Потребное число вертикальных
заземлителей с учетом их взаимного экранирования (при коэффициенте
использования
= от 0,73 до 0,79, принятым при N=16 и
, где р = 188 м - периметр контура расположения
электродов):
=
, [шт], (4.5)
=
= 19,93 шт.
Окончательно принимается к
установке 20 вертикальных электродов, расположенные по контуру насосной.
Так как контурное ЗУ
закладывается на расстоянии не менее 1 м от здания, то длину по периметру
определяем по формуле:
[м] (4.6)
где А - длина здания, м;
В - ширина здания м;
м.
Расстояние между электродами
по ширине объекта:
[м] (4.7)
м.
Расстояние между электродами
по длине объекта:
[м] (4.8)
м.
Для уточнения принимаем
среднее значение отношения:
(4.9)
м.
Определяем уточненное
значение сопротивления горизонтальных электродов:
[Ом] (4.10)
= 12,78 Ом.
Определяем уточненное
значение сопротивления вертикальных электродов:
[Ом] (4.11)
= 3,9 Ом.
Определяем фазное
сопротивление защитного заземления:
Ом (4.12)
= 2,99 Ом.ЗУФ = 2,99 Ом < 4 Ом.
Защитное заземление
эффективно.
.3.1 Идентификация
опасностей
Вся аппаратура формирования
цифровых телефонных каналов связи делится на блоки внутренней установки,
которые размещаются внутри здания, в месте непосредственного его использования,
как оконечного оборудования каналов связи, и блоки наружной установки, те,
которые монтируются непосредственно по всей протяженности трассы
(необслуживаемые усилительные пункты (НУП)).
Блоки наружной установки
связаны с блоками внутренней установки оптическим кабелем, по которому
осуществляется передача и прием высокочастотных сигналов по оптоволокну, а
также питание блоков наружной установки по медным жилам для дистанционного
питания.
Блоки внутренней установки
являются потенциальными источниками опасности в плане поражения обслуживающего
персонала электрическим током, так и источниками сильных электромагнитных
полей. Кроме этого, аппаратура наружной установки несет опасность в зависимости
от метеорологических условий.
Во-первых, возможно поражение
обслуживающего персонала грозовым разрядом.
Во-вторых, в сырую погоду
увеличивается вероятность поражения обслуживающего персонала электрическим
током.
В-третьих, обледенение
площадок установки необслуживаемых усилительных пунктов и, как следствие
травматизм обслуживающего персонала.
Телефонные станции (цифровые
системы связи) также являются потенциальными источниками опасности в плане
поражения обслуживающего персонала электрическим током, или травмирования в
результате падения аппаратуры при настенном креплении, или стативном
размещении.
4.4 Пожаробезопасность
Здание, в котором ведется
работа согласно сводом правил СП 1.13130.2009 имеет степень огнестойкости 5,
т.е. несущие стены, навесные панели, междуэтажные перекрытия и перегородки
являются сгораемыми, категорию помещения по пожаро-опасности В3 класс зоны
П-IIа(П-IIа) .
В помещении имеются следующие
средства тушения:
огнетушитель ОУ-2 -1шт;
пожарный кран расположен в
коридоре- 1шт.
Обеспечение своевременных мер
по обнаружению и локализации пожара, эвакуации рабочего персонала, а также
уменьшение материальных потерь достигается при наличии:
системы автоматической
пожарной сигнализации;
эвакуационных путей и
выходов;
первичных средств тушения
пожаров: пожарные стволы, внутренние пожарные водопроводы, сухой песок,
огнетушители.
4.4.1 Возникновения пожара
при ударе молнии на линию связи и меры защиты
Пожаром называется
неконтролируемое горение во времени и пространстве, наносящее материальный
ущерб и создающее угрозу жизни и здоровью людей. Согласно ГОСТ 12.1.010-76
опасными факторами пожара, воздействующими на людей, являются:
открытый огонь и искры;
повышенная температура
воздуха, предметов и т.п.;
токсичные продукты горения;
дым;
пониженная концентрация
кислорода;
обрушение конструкций,
оборудования, коммуникаций;
взрыв.
Удар молнии в здание
(сооружение) или вблизи него является источником опасности для жизни и здоровья
людей, сохранности здания (сооружения), его содержимого и инженерных сетей.
Поэтому разработка и применение мер защиты от молний является очень важной
задачей.
Разряд молнии в землю:
Электрический разряд между грозовым облаком и землей, состоящий из одного или
нескольких ударов молнии.
Необходимость защиты от
молнии определяют в соответствии с системой менеджмента риска и с учетом
экономического эффекта от использования мер защиты от молнии. Описание
менеджмента риска, связанного с защитой от молнии, приведено в МЭК 62305-2*.
Настоящий стандарт
устанавливает общие принципы защиты от молнии зданий, сооружений и их частей,
включая находящихся в них людей, инженерных сетей, относящихся к зданию
(сооружению), и других объектов.
Удар молнии, направленный в
линии коммуникаций здания (сооружения) может вызвать:
возгорание и/или взрыв
вследствие искровых разрядов, вызванных током молнии и перенапряжением в линиях
коммуникаций;
вред живым существам
вследствие поражения электрическим током при соприкосновении с проводниками под
высоким напряжением в здании (сооружении), вызванного током молнии и токами,
наведенными через линии коммуникаций.
Меры защиты для уменьшения
физических повреждений здания (сооружения).
Защиту обеспечивают путем
применения системы защиты от молнии включающей:
систему молниеприемников;
систему токоотводов;
систему заземления;
систему уравнивания
потенциалов;
электрическую изоляцию
(зазор).
Эффективное заземление
возможно только благодаря обоснованным предварительным расчетам, в которых
основным изначальным параметром считается сопротивление заземляющего контура.
Современными правилами электроустановок его значение не допускается больше 8 Ом
для сети с напряжением 220 вольт и 4 Ом - при напряжении 380 вольт.
Расчету контура заземления
предшествует обработка и анализ грунта, в котором будет заложен контур
заземления, потому что у каждой категории почвы свои показатели электрической
проводимости. Удельное сопротивление почвы определяют на основе таких
показателей:
плотность грунта;
химический и механический
состав почвы;
температурный режим;
влажность.
|
Грунт
|
Удельное сопротивление Ом м
|
|
Песок
|
400-1000 и более
|
|
Супесок
|
150-400
|
|
Суглинок
|
40-150
|
|
Глина
|
8-70
|
|
Чернозем
|
10-50
|
В современных приборах радиоэлектронной аппаратуры сила тока при
замыканиях электрической цепи может составлять от единицы до сотен килоампер.
Если аппараты защиты быстродействующие и особенно токоограничивающие,
токи замыкания электрической цепи не успевают достичь максимального значения.
Токи замыкания электрической цепи обладают термическим и электрическим
действием и сопровождаются резким понижением напряжения в электрических сетях.
Поэтому они могут перегреть токоведущие части и расплавить проводники. Перегрев
проводников, электрические искры и дуги повреждают и воспламеняют изоляцию и
окружающую среду.
Тепло, выделяющееся при прохождении тока по проводникам, нагревает их до
температур, при которых усиливаются окислительные процессы, на проводах
образуются оксиды, имеющие высокое сопротивление, увеличивается сопротивление
контакта и, следовательно, количество выделяемого в нем тепла. Следствием этого
может быть электрический пробой изоляции повреждения аппаратуры, пожар или даже
взрыв.
Причиной пожаров и аварий могут быть большие переходные сопротивления,
возникающие в местах соединений, ответвлений проводников, в контактах
аппаратуры и другого оборудования.
При протекании тока нагрузки в таком контактном соединении выделяется
некоторое количество тепла, пропорциональное квадрату тока и сопротивлению
точек действительного соприкосновения.
4.4.2 Пути эвакуации
В случае возникновения пожара необходимо отключить электропитание,
вызвать по телефону пожарную команду, эвакуировать людей из помещения согласно
плану эвакуации и приступить к ликвидации пожара огнетушителями. При наличии
небольшого очага пламени можно воспользоваться подручными средствами с целью
прекращения доступа воздуха к объекту возгорания.
При проектировании зданий необходимо предусмотреть безопасную эвакуацию
людей на случай возникновения пожара. При возникновении пожара люди должны
покинуть здание в течение минимального времени, которое определяется кратчайшим
расстоянием от места их нахождения до выхода наружу.
Число эвакуационных выходов из зданий, помещений и с каждого этажа зданий
определяется расчетом, но должно составлять не менее двух. Эвакуационные выходы
должны располагаться рассредоточено. При этом лифты и другие механические
средства транспортирования людей при расчетах не учитывают. Ширина участков
путей эвакуации должна быть не менее 1 м, а дверей на путях эвакуации не менее
0,8м. Ширина наружных дверей лестничных клеток должна быть не менее ширины
марша лестницы, высота прохода на путях эвакуации - не менее 2 м. При
проектировании зданий и сооружений для эвакуации людей должны предусматриваться
следующие виды лестничных клеток и лестниц: незадымляемые лестничные клетки
(сообщающиеся с наружной воздушной зоной или оборудованные техническими
устройствами для подпора воздуха); закрытые клетки с естественным освещением
через окна в наружных стенах; закрытые лестничные клетки без естественного
освещения; внутренние открытые лестницы (без ограждающих внутренних стен);
наружные открытые лестницы. Для зданий с перепадами высот следует
предусматривать пожарные лестницы.
.5 Утилизация оргтехники
Федеральный
закон № 89 от 1998г. «Об отходах производства и потребления» запрещает
юридическим лицам самовольно избавляться от опасных отходов. Этим видом
деятельности, согласно постановлению Правительства РФ № 340 от 2002 г.,
занимаются только специализированные структуры и фирмы, утилизирующие
<#"882409.files/image107.gif"> (5.1)
где ТЧ - трудоемкость разработки чертежей, ч;
ТТ.Д - трудоемкость выполнения текстовых документов, ч;
ТТ.М - трудоемкость выполнения текстовых материалов, ч;
ТП - трудоемкость проверки технической документации, ч;
ТН.К - трудоемкость нормоконтроля, ч.
Трудоемкость разработки чертежей можно определить по существующим
нормативам с учетом групп новизны и сложности. Разработка сети относится к
группе новизны А, так как при проектировании используются типовые решения. По
группе сложности разрабатываемая документация относится ко второй группе, так
как требует несложных конструкторских расчетов. Всего будет выполнено 6
чертежей, два из которых представляют собой теоретические чертежи, два -
электрические схемы и два - чертежи общего вида. Их трудоемкость согласно
нормам времени на разработку конструкторских документов приведена в таблице
5.1.
Табл. 5.1 - Трудоемкость разработки чертежей
|
Тип документа
|
Группа новизны
|
Группа сложности
|
Норма времени, чел./ч.
|
|
Чертежи общего вида
|
А
|
II
|
20
|
|
Теоретический
чертеж
|
А
|
II
|
4
|
|
Электрическая
схема
|
А
|
II
|
32
|
Тогда общая трудоемкость выполнения чертежей будет
составлять:
чел./ч.
Трудоемкость выполнения текстовых документов определяется по нормативам в
зависимости от вида документов и находится по формуле:
(5.2)
где
- трудоемкость разработки спецификации, ч;
- трудоемкость составления ведомости покупных изделий, ч;
- трудоемкость составления перечня чертежей, ч;
- трудоемкость составления технического описания, ч;
- трудоемкость разработки инструкции по эксплуатации и
монтажу, ч;
- трудоемкость разработки технических условий, ч;
- трудоемкость разработки программы внедрения, ч;
m - количество агрегатов в изделии.
Определим трудоемкость разработки различных текстовых
документов в соответствии с нормами :
· спецификация 10 ч.
· ведомость покупных изделий 15 ч.
· перечень чертежей 5 ч.
· техническое описание 17 ч.
· инструкция по эксплуатации и монтажу .18 ч.
· технические условия (ТУ) 22 ч.
· программа испытаний 8 ч.
Тогда общая трудоемкость выполнения текстовых документов в соответствии с
формулой (5.2) составит:
чел./ч.
Трудоемкость выполнения текстовых материалов и расчетов зависят от вида
работ и определяются по формуле:
, (5.3)
где
- количество текстовых материалов на каждый вид выполняемой
работы, ч;
- норма времени на вид выполняемой работы, ч;
m - количество видов выполняемой работы.
Определим трудоемкость выполнения работ с текстовым
материалами в соответствии с нормами:
· обзор литературы, теоретическое освещение вопросов 18 ч.
· то же, с приложением таблиц 33 ч.
· расчеты по формулам без таблиц 20 ч.
· расчеты с использованием таблиц 13 ч.
· табличный расчет по исходным данным из чертежей 20 ч.
· таблицы исходных данных 22 ч.
· вычерчивание схем и эскизов 26 ч.
· оформление начисто 13 ч.
Найдем общую трудоемкость выполнения работ с текстовыми материалами по
формуле (5.3), учитывая, что в данном проекте по каждому виду работ выполняется
один текстовый материал:
чел./ч.
В зависимости от характера работ дополнительно предусматривается время на
проверку технической документации, которое определяется по формуле:
, (5.4)
где
- трудоемкость проверяемого вида технической документации,
(чертежи, текстовые документы, текстовые материалы);
- норматив на проверку отдельного вида технической
документации.
В соответствии с нормами времени на проверку технической документации
[стр.6] определим норму времени по отдельным видам документов в процентном
отношении:
· проверка чертежей и документов 3 %
· проверка калек чертежей 1 %
· проверка сводной спецификации, перечня чертежей и перечня
· изделий 2 %
Поскольку
определяется как сумма трудоемкостей выполнения чертежей,
текстовых материалов и текстовых документов, после подстановки в формулу (2.4)
получим:
Время на выполнение нормоконтроля определяется по формуле:
, (5.5)
где
- норматив нормоконтроля, примем равным 5 % для всех видов
документации;
Тогда общая трудоемкость нормоконтроля будет равна:
чел./ч.
Теперь можем определить трудоемкость работ по формуле (2.1):
чел./ч.
5.1.2
Расчет числа работников
На основе рассчитанной трудоемкости работ можно определить требуемое
число работников:
, (5.6)
где
- эффективный фонд времени одного работника, ч.;
- коэффициент выполнения норм (на стадии проектирования
принимается равным 1,0);
Эффективный фонд времени определяется как:
, (5.7)
где
- количество рабочих дней;
- продолжительность рабочего дня:
- коэффициент плановых потерь времени, принимается равным
0,9.
Будем считать, что для выполнения работ необходимо 20 рабочих дней
продолжительностью 8 часов 12 минут, тогда эффективный фонд времени одного
работника составит:
ч.
Тогда по формуле (2.6) определим общую численность работников:
Согласно рассчитанной величине для проведения работ необходимо 3
работника - руководитель проекта, старший технолог и конструктор. Распределение
работы между исполнителями осуществляется с учетом их квалификации и длительности
выполнения работы.
5.1.3
Расчет длительности стадий, этапов работ
Длительность каждой стадии, этапа работы определяется по формуле:
, (5.8)
где
- трудоемкость стадии, этапа работы, чел./ч.;
- численность работников, одновременно выполняющих данную
стадию, этап, работу, чел;
- коэффициент, учитывающий дополнительное время на
согласование, внесение изменений в техническую документацию и другие работы, не
предусмотренные нормативами, примем равным 1,4.
- коэффициент перевода рабочих дней в календарные, примем
равным 1,3.
Чертежи разрабатывают два человека - старший технолог и конструктор.
Определим по формуле (5.8) длительность этой стадии работы:
Текстовую документацию разрабатывают два человека - руководитель проекта
и старший технолог. Тогда длительность этой стадии работы составит:
дн.
Работу с текстовыми материалами осуществляют все работники, поэтому
длительность этой стадии работы составит:
дн.
Работы по проверке документации выполняет руководитель проекта. Для этого
необходимо затратить время, равное:
дн.
Нормоконтроль также выполняется руководителем проекта. На выполнение
этого этапа работы отводится время, равное:
дн.
, (5.9)
где
- количество материалов, кг; м; шт;
- цена за единицу материала, руб;
m - количество наименований товара.
Перечень необходимых материалов и их количество приведены в
таблице 5.2 В этой же таблице сведены рассчитанные значения затрат.
Табл. 5.2 - Затраты на материалы
|
Наименование
материала
|
Единица изм.
|
Расход материала
|
Цена за единицу,
руб.
|
Затраты на
материалы, руб.
|
|
Ватман А1
|
лист
|
6
|
12
|
72
|
|
Авторучка
|
шт.
|
3
|
12
|
36
|
|
Набор карандашей
|
шт.
|
3
|
16
|
48
|
|
Папка
|
шт.
|
1
|
50
|
50
|
|
Бумага 500 л.
|
упак.
|
2
|
150
|
300
|
|
Диски RV 10 шт.
|
упак.
|
1
|
650
|
650
|
|
Набор чертежных
принадлежностей
|
шт.
|
2
|
430
|
460
|
|
Итого:
|
1616
|
Затраты на материалы, покупные комплектующие изделия и
полуфабрикаты рассчитываются с учетом транспортно-заготовительных расходов,
которые составляют 4% от их стоимости. В таком случае затраты на материалы
составят:
руб
Расчет покупных комплектующих изделий и полуфабрикатов ведется по
формуле:
, (5.10)
где
- количество покупных изделий и полуфабрикатов, шт;
- цена за единицу покупных изделий и полуфабрикатов, руб;
m - количество наименований покупных изделий и полуфабрикатов.
Табл. 5.3 - Затраты на покупные изделия и полуфабрикаты
|
Наименование
покупных изделий и п/фабрикатов
|
Единица изм.
|
Расход покупных
изделий и п/фабр-ов
|
Цена за единицу,
руб.
|
Затраты на
материалы, руб
|
|
Картридж для
принтера
|
шт.
|
1
|
1380
|
1380
|
|
Тонер
|
банка
|
1
|
220
|
220
|
|
Итого:
|
1600
|
С учетом транспортно-заготовительных расходов затраты на
покупные комплектующие изделия и полуфабрикаты составят:
руб.
Расчет затрат на технологическую энергию
Расчет затрат по данной статье осуществляется по формуле:
, (5.11)
где
- мощность потребителей, кВт;
- номинальный фонд времени работы оборудования, ч.;
- коэффициент использования оборудования по мощности;
- коэффициент использования оборудования по времени;
- коэффициент, учитывающий потери электроэнергии в сети,
принимаем равной 1,05;
- стоимость 1 кВт/часа электроэнергии, составляет 3,20 руб.;
- количество групп оборудования.
Рассчитаем затраты на технологическую энергию по формуле (5.11):
руб.
5.3 Расчет
затрат на оплату труда
Расчет основной заработной платы исполнителей производится по формуле:
, (5.12)
где
- численность исполнителей, чел;
- фонд
рабочего времени исполнителей, час;
-
тарифная ставка исполнителей;
-
количество групп исполнителей.
Тарифная
ставка руководителя проекта в бюджетной организации, находящейся на бюджете РФ
составляет по 17 разряду 7862 руб. В той же организации конструктор 2 категории
по 13 разряду имеет тарифную ставку 5860 руб., а старший технолог по 14 разряду
- 6298 руб. Фонд рабочего времени для выполнения данной работы составит 1,5
месяца. Тогда затраты на основную заработную плату составят:
руб.
Дополнительная
заработная плата исполнителей рассчитывается по формуле:
, (5.13)
где
- норматив дополнительной заработной платы, для
бюджетных организаций РФ - до 50 %.
Тогда
руб.
Отчисления
на социальные нужды находятся по формуле:
, (5.14)
где
- норматив отчислений на социальные нужды, 30%.
Затраты
на отчисления на социальные нужды будут равны:
руб.
Для
проведения изыскательских и рекогносцировочных работ на местности необходим
выезд одного специалиста на место предполагаемого строительства проектируемой
ВОЛС на 2 рабочих дня. Поэтому необходимо рассчитать затраты на командировочные
расходы, которые определяются по формуле:
, (5.15)
где
- численность командируемых, чел;
-
тарифная ставка оплаты суточных, руб.;
-
количество дней командировки;
-
тарифная ставка оплаты проживания в гостинице, руб;
-
количество дней проживания в гостинице;
- оплата
проезда в пункт назначения и обратно.
Тарифная
ставка оплаты командировочных составляет 100 руб., день проживания в гостинице
стоит 650 руб., а проезд Казань-Бавлы и обратно 2х700=1400 руб. Тогда затраты
на производственную командировку составят:
руб.
Накладные
расходы включают в себя затраты на заработную плату с отчислением на социальные
нужды персонала учреждения, на содержание, текущий ремонт и амортизацию зданий,
сооружений, инвентаря и др. Для расчета накладных расходов можно
воспользоваться формулой:
, (5.16)
где
- норматив накладных расходов (для бюджетных
организаций, находящихся на бюджете РФ - 100-150%).
Тогда
затраты на накладные расходы составят:
руб.
.4 Расчет
затрат на машинное время и амортизацию
При разработке проекта 50% работы выполняется с применением ЭВМ. Поэтому
машинное время составит 200 часов. Зададимся ценой одного машинного часа в 36
руб. Тогда затраты на машинное время можно найти по формуле:
, (5.17)
где
- время выполнения работ на ЭВМ, ч.;
- цена
одного часа машинного времени, руб.
руб.
При
выполнении работы используется один персональный компьютер стоимостью 43000
руб., два компьютера стоимостью по 40000 руб. каждый и один лазерный принтер
стоимостью 8200 руб. Т.е., стоимость основных
средств,
задействованных при разработке проекта, составляет:
руб.
Амортизацию
основных средств на год можно рассчитать по формуле:
, (5.18)
где
- срок службы, лет.
Срок
службы персональных компьютеров и печатающих устройств ЭВМ равен 5 годам.
Определим годовую амортизацию:
руб.
Амортизацию,
приходящуюся на проект, определим по формуле:
, (5.19)
где
- время работы вычислительной техники на выполнение
данного проекта, ч.;
-
годовой фонд времени работы данного оборудования, ч. (примем равным 1100 ч.)
Тогда
затраты на амортизацию, приходящуюся на данный проект составят:
руб.
Затраты
на ремонт основных средств примем в размере 5% от первоначальной стоимости.
Тогда
руб.
Разрабатываемым
проектом предусматривается замена морально устаревших систем передачи на
современную транспортную систему на основе ВОЛС. Но сама система
непосредственно абонентам услуг не предоставляет, а является транспортной
средой, обеспечивающей доступ к различным видам услуг. Поэтому маркетинговых
исследований и рекламной деятельности по данному проекту не предусматривается.
Также
нет необходимости в приобретении и использовании специального оборудования для
научных и экспериментальных работ, т.к. проект выполняется с применением
типовых решений на серийно выпускаемом оборудовании. По этой же причине
отпадает необходимость в создании опытного образца. В связи с этим, расчеты
затрат по соответствующим статьям в данной работе не рассчитывались и не
приводятся.
Определим
суммарную величину затрат, для этого сложим все рассчитанные величины:
Таким
образом, определены все основные виды затрат, связанные с выполнением
проектировочных работ по теме данной дипломной работы. Все рассчитанные данные
и итоговую сумму затрат сведем в таблицу 5.4
Табл.
5.4 - Затраты, связанные с проектированием ВОЛС в Бавлинском районе
|
Статья затрат
|
Обозначение
|
Сумма затрат, руб.
|
|
основные материалы
|
|
1680,64
|
|
покупные комплектующие
изделия и полуфабрикаты
|
|
1664,00
|
|
технологическая энергия
|
|
967,68
|
|
основная заработная плата
|
|
30030,00
|
|
дополнительная заработная
плата
|
|
15015,00
|
|
отчисления на социальные
нужды
|
|
13513,50
|
|
командировочные расходы
|
|
3000,00
|
|
накладные расходы
|
|
89551,80
|
|
амортизация основных
средств
|
|
4770,91
|
|
ремонт основных средств
|
|
6560,00
|
|
Итого:
|
166753,53
|
Заключение
В данной выпускной квалификационной работе выполнено следующее:
Дана краткая характеристика производственной деятельности ПАО
«Таттелеком».
Дано описания существующей на предприятии системы качества.
Дано краткое содержание стандартов организации.
Дано описание основных технологических процессов по обслуживанию и
ремонта на линиях связи.
Приведено описание и технические характеристики приборов используемых при
техническом обслуживание волоконно-оптической линии связи.
Разработаны рекомендации по оптимизации технического обслуживания и
ремонта на линиях связи.
Выполнены основные технико-экономические расчеты.
Дано описание некоторых мероприятий по безопасной жизни деятельности.
Список использованных источников
1.Волоконно-оптические системы передачи и кабели: Справочник
/ И.И. Гроднев, А.Г. Мурадян, P.M. Шарафутдинов и др. - М.: Радио и связь,
1993.-265 с.
.Волоконно-оптические системы передачи: Учебник для ВУЗов /
М.М. Бутусов, С.М. Верник и др.; Под ред. В.Н. Гомзина. - М.: Радио и связь,
1992.-416 с.
.Оптические системы передачи: Учебник для ВУЗов / Б.В.
Скворцов, В.И. Иванов, В.В. Крухмалев и др.; Под ред. В.И. Иванова. - М.: Радио
и связь, 1994. - 224 с.
.Многоканальные системы передачи: Учебник для ВУЗов / Н.Н.
Баева, В.Н. Гордиенко, С.А. Курицын и др.; Под.ред. Н.Н. Баевой и В.Н.
Гордиенко. - М.: Радио и связь, 1997. - 560с.
.Рекомендации по метрологическому обеспечению системы
тактовой синхронизации (ТСС) на цифровой сети общего пользования РФ. - М.:
Госкомсвязи РФ, 1998. - 46 с.
.Нормы технологического проектирования. Городские и сельские
телефонные сети. РД 45.120-2000- Л. ЛОНИИС, Гипросвязь СПб, 2000.
.С.Э. Питерских. Оптические волокна, представленные на
российском рынке, и их характеристики. Одномодовые волокна.: LIGHTWAVE Russian
edition №2 2003.: www.lightwave-russia.com
.Кабели оптические с броней из круглых стальных проволок для
подземной прокладки типа ОКЛК.: http://www.soccom.ru/cable3.php3
.Хан Н. Организация управления сетями связи // Электросвязь,
1994. - №4.- с. 43-44.
.М.К.Насыров, Ю.С. Дровников, Э.Д. Касимова, Г.Ф. Мингалеев ,
М.А. Горбатова. Организационно-экономическая часть курсового и дипломного
проекта. Расчет затрат на проектирование: Учебно-методическое пособие.- Казань:
КГТУ, 2002.
.Правила по охране труда при работах на телефонных станциях и
телеграфах. ПОТ РО-45-007-96. Введены с 1.08.1997 г.
.Оптическая линия передачи: Учебное пособие по дипломному
проектированию по курсу МСП./ Сост. И.И.Корнилов.- Самара: ПГАТИ, 2000.
.В.Е. Сапаров. Дипломный проект от А до Я: Учебное
пособие.-М.:СОЛОН-Пресс, 2003.-224с.
.Р. Миргазизов, Л. Карташова, С. Рухов. 120 лет на связи.
Документально-историческое издание: 2008.
15.ww.nateks-ural.ru/resources/documentation/fom4.pdf
FlexGain FOM4. Оборудование цифровой оптической
системы передачи. Техническое описание и инструкции по эксплуатации.
.Зелакс ММ. Техническое описание.
.http://www.zelax.ru/assets/docs/mm101_104_116_164_technical_manual.pdf
18. Ошибка!
Недопустимый объект гиперссылки.
<http://yandex.ru/clck/jsredir?from=yandex.ru%3Bsearch%2F%3Bweb%3B%3B&text=&etext=1065.aUbo3SH2-yo_bPnlradWvMWn9JKFVkRtfoeXK8nX8I7X8SBZ1BvXAI-cxiQm8uTY9zuZEh7R2OrF1i0Y8vhY7Hu_HRssRLpZ4h5QYhevw-s.3324edf1d2718d93a81988f88563d79621bc802f&uuid=&state=PEtFfuTeVD5kpHnK9lio9XPOnieP7YQBovzVqj9ang0YEepmskggOQ&data=UlNrNmk5WktYejR0eWJFYk1LdmtxcUhSREdiT2RCZVVvTk5wWWRUaWc5dFYxNi11OG8tMElQX3BBLVJROExQM2p4V3dadkN1enhzd1hhRFNjMVZjTzN4dVdtQzdCUWQ3Q2NubGV4dGFmaGNxQVI3cF9JZTlnSWNnRW0zSmV3Y056MzhfamNhOXpadnVHUldZQzh2NHhnQmxlLWZxRWFxaVdGbnBtWW5DeU5aa25tY2lUUmNXZno5aUJ5cjItRF9ISHNfOVgzWTBVSFFvUGJYUTZFYXEtaDJuNXdXUm11TGwtdzhLRzdvUVdtb0xCdXpVdkF2S0JyUTFzWC1fRXo1RDdXQkJFcFZENHhoeVZBZjNhdnBqeDdTX0dGeFRKcmk4cTFpcWRLQjJDZTdzX21hLUFNWGMzS2F4YnFycmRjSVk&b64e=2&sign=135dabdc4a5ce75c4e70b571ec78a3e1&keyno=0&cst=AiuY0DBWFJ4CiF6OxvZkNNu-Vz8IMG7UTXsvBgN0wdXqs5GGIJJJsj14L30D4jJg7uEuT_sY-QaRUwkhCK4tLD9lbhkUYxQ7nNhtRHObrm3euf5yPh0g28oXYQf9ThbFtL4O01ok7nZ849xUA8-68kmtUcI9YqwYurIWvqqUgUVSHnE7J6VxR2hKl_U5XiSWFZHkuNBkFLdqAvTaWxfdeWHKNzAk3yUBrFsLg7NgpKRpl3wnTNLn_A&ref=orjY4mGPRjk5boDnW0uvlrrd71vZw9kpVBUyA8nmgRFSi5A7LMz1rab0oZVrxTdj5spjAVFlCIDqUpECkQz1JDookA00sVim35sevvlzIZti_sG_FGFc7T80aqNjbVwPKAoWG-JCEKFU-EoIQWmv0apItLeddKFrhDLJmrrjkb6BgfSsOioI_fdTzLv5QsVhfghfos8Eaor_nuOZEgevm7WL7AugEn9WPBMLjZ19c7m6lOhtFrJc0AQUoBANKYGaNXwa33RMrHWgbOgCHlsUAigCCrysJLCs&l10n=ru&cts=1464165865640&mc=4.250201918975738>
Ошибка!
Недопустимый объект гиперссылки. <http://yandex.ru/clck/jsredir?from=yandex.ru%3Bsearch%2F%3Bweb%3B%3B&text=&etext=1065.aUbo3SH2-yo_bPnlradWvMWn9JKFVkRtfoeXK8nX8I7X8SBZ1BvXAI-cxiQm8uTY9zuZEh7R2OrF1i0Y8vhY7Hu_HRssRLpZ4h5QYhevw-s.3324edf1d2718d93a81988f88563d79621bc802f&uuid=&state=PEtFfuTeVD4jaxywoSUvtJXex15Wcbo_PN27SaXvvNSrjOss3Xh6TRkVp9nw1WgJ&data=UlNrNmk5WktYejR0eWJFYk1LdmtxcUhSREdiT2RCZVVvTk5wWWRUaWc5dGYxTW04azZRXzFLTXU5MVpxSWxPdU9QSDl1ekhGRFV5QkRsSGszeUoxUFpBSzJOTmJNRE1pTEtXOUljUXEzak0&b64e=2&sign=a38b5f6ef306fda7a9b1e0d140c58361&keyno=0&cst=AiuY0DBWFJ4CiF6OxvZkNNu-Vz8IMG7UTXsvBgN0wdXqs5GGIJJJsj14L30D4jJg7uEuT_sY-QaRUwkhCK4tLD9lbhkUYxQ7nNhtRHObrm3euf5yPh0g28oXYQf9ThbFtL4O01ok7nZ849xUA8-68kmtUcI9YqwYurIWvqqUgUVSHnE7J6VxR2hKl_U5XiSWFZHkuNBkFLdqAvTaWxfdeWHKNzAk3yUBrFsLg7NgpKRpl3wnTNLn_A&ref=orjY4mGPRjk5boDnW0uvlrrd71vZw9kpVBUyA8nmgRFSi5A7LMz1rab0oZVrxTdj5spjAVFlCIDqUpECkQz1JDookA00sVim35sevvlzIZti_sG_FGFc7T80aqNjbVwPKAoWG-JCEKFU-EoIQWmv0apItLeddKFrhDLJmrrjkb6BgfSsOioI_fdTzLv5QsVhfghfos8Eaor_nuOZEgevm7WL7AugEn9WPBMLjZ19c7m6lOhtFrJc0AQUoBANKYGaNXwa33RMrHWgbOgCHlsUAigCCrysJLCs&l10n=ru&cts=1464165938081&mc=4.451474702593888>›Ошибка! Недопустимый объект
гиперссылки.
<http://yandex.ru/clck/jsredir?from=yandex.ru%3Bsearch%2F%3Bweb%3B%3B&text=&etext=1065.aUbo3SH2-yo_bPnlradWvMWn9JKFVkRtfoeXK8nX8I7X8SBZ1BvXAI-cxiQm8uTY9zuZEh7R2OrF1i0Y8vhY7Hu_HRssRLpZ4h5QYhevw-s.3324edf1d2718d93a81988f88563d79621bc802f&uuid=&state=PEtFfuTeVD4jaxywoSUvtJXex15Wcbo_xe6zfTZA2L39I_pdoHWlT5dsliJOD6Z-&data=UlNrNmk5WktYejR0eWJFYk1LdmtxcUhSREdiT2RCZVVvTk5wWWRUaWc5dFYxNi11OG8tMElQX3BBLVJROExQM2p4V3dadkN1enhzd1hhRFNjMVZjTzN4dVdtQzdCUWQ3Q2NubGV4dGFmaGNxQVI3cF9JZTlnSWNnRW0zSmV3Y056MzhfamNhOXpadnVHUldZQzh2NHhnQmxlLWZxRWFxaVdGbnBtWW5DeU5aa25tY2lUUmNXZno5aUJ5cjItRF9ISHNfOVgzWTBVSFFvUGJYUTZFYXEtaDJuNXdXUm11TGwtdzhLRzdvUVdtb0xCdXpVdkF2S0JyUTFzWC1fRXo1RDdXQkJFcFZENHhoeVZBZjNhdnBqeDdTX0dGeFRKcmk4cTFpcWRLQjJDZTdzX21hLUFNWGMzS2F4YnFycmRjSVk&b64e=2&sign=b110c5b325bdf51373c201dba868db7c&keyno=0&cst=AiuY0DBWFJ4CiF6OxvZkNNu-Vz8IMG7UTXsvBgN0wdXqs5GGIJJJsj14L30D4jJg7uEuT_sY-QaRUwkhCK4tLD9lbhkUYxQ7nNhtRHObrm3euf5yPh0g28oXYQf9ThbFtL4O01ok7nZ849xUA8-68kmtUcI9YqwYurIWvqqUgUVSHnE7J6VxR2hKl_U5XiSWFZHkuNBkFLdqAvTaWxfdeWHKNzAk3yUBrFsLg7NgpKRpl3wnTNLn_A&ref=orjY4mGPRjk5boDnW0uvlrrd71vZw9kpVBUyA8nmgRFSi5A7LMz1rab0oZVrxTdj5spjAVFlCIDqUpECkQz1JDookA00sVim35sevvlzIZti_sG_FGFc7T80aqNjbVwPKAoWG-JCEKFU-EoIQWmv0apItLeddKFrhDLJmrrjkb6BgfSsOioI_fdTzLv5QsVhfghfos8Eaor_nuOZEgevm7WL7AugEn9WPBMLjZ19c7m6lOhtFrJc0AQUoBANKYGaNXwa33RMrHWgbOgCHlsUAigCCrysJLCs&l10n=ru&cts=1464165915513&mc=4.296131258757015>
.Организационно-экономическая
часть курсового и дипломного проекта: Учебно-методическое пособие. Казань 2010.