Реконструкция отделения биохимической очистки сточных вод города Руза, производительностью 10000 м3/сут

  • Вид работы:
    Дипломная (ВКР)
  • Предмет:
    Экология
  • Язык:
    Русский
    ,
    Формат файла:
    MS Word
    1,34 Мб
  • Опубликовано:
    2015-09-16
Вы можете узнать стоимость помощи в написании студенческой работы.
Помощь в написании работы, которую точно примут!

Реконструкция отделения биохимической очистки сточных вод города Руза, производительностью 10000 м3/сут

Федеральное Агентство по Образованию

Московский государственный машиностроительный университет МАМИ

Кафедра «Инженерной экологии и альтернативной энергетики»










Пояснительная записка

к дипломному проекту

на тему:

«Реконструкция отделения биохимической очистки сточных вод города Руза, производительностью 10000 м3/сут»

Выполнил: Тюкин Д.Н. гр. И-53

Рук. проекта: Кузнецова Н.А.

Утвердил: Систер В.Г.



Москва

Содержание

Введение

.         Составы сточных вод и особенности их очистки биохимическими методами.

.1       Состав и свойства сточных вод.

.2       Характеристика сточных вод различного происхождения.

.3       Основные методы очистки сточных вод.

.4       Особенности биохимической очистки сточных вод.

.5       Литературный обзор на тему поиска современных штаммов микроорганизмов, и приемов для повышения эффективности их использования.

.         Технологическая схема и компоновка оборудования

.1       Описание технологической схемы

.2       Описание работы аппаратов

.2.1    Аэротенк.

.2.2    Вторичный отстойник.

.2.3    Фильтр.

.         Расчеты

.1       Материальные расчеты по схеме

.1.1    Материальный баланс песколовки

.1.2    Материальный баланс первичного отстойника

.1.3    Материальный баланс аэротенка

.1.4    Материальный баланс вторичного отстойника

.1.5    Материальный баланс фильтров доочистки

.2       Аэротенк

.2.1    Назначение

.2.2    Техническая характеристика аэротенка

.2.3    Исходные данные:

.2.4    Технологический расчет

.2.5    Механический расчет

.3       Вторичный отстойник

.3.1    Назначение

.3.2    Техническая характеристика аппарата

.3.3    Исходные данные:

.3.4    Технологический расчет вторичного отстойника.

.3.5    Механический расчет вторичного отстойника.

.4       Фильтр

.4.1    Назначение

.4.2    Техническая характеристика фильтра

.4.3    Исходные данные:

.4.4    Технологический расчет безнапорного фильтра.

.4.5    Механический расчет фильтра.

.         Заключение

Список использованной литературы

Введение

Жизнедеятельность человека всегда была связана с потреблением им водных ресурсов. Чем дальше движется человечество по пути технологического прогресса и улучшения комфортабельности бытовых условий жизни, тем острее встает проблема очистки сточных вод. Поэтому тема очистки бытовых сточных вод не теряет своей актуальности с течением времени.

Каждый город и промышленное предприятие имеют комплекс подземных трубопроводов, очистных сооружений, с помощью которых осуществляется отвод использованных и отработавших вод, очистка и обеззараживание их, а также обработка и обезвреживание образующихся при этом осадков с одновременной утилизацией ценных веществ.

Сточные воды образуются при использовании природной или водопроводной воды для бытовых целей и технологических процессов промышленных предприятий. Также относятся атмосферные осадки, подземные воды.

Сточные воды являются источником различных заболеваний и распространения эпидемий. Они являются источником загрязнения окружающей природной среды. Поэтому очень важно все сточные воды целенаправленно отводить, а главное очищать, чтобы устранить все негативные последствия от воздействия сточных вод.

Данный дипломный проект посвящен разработке системы биохимической водоочистки для очистных сооружений г. Рузы, предназначенной для эффективной очистки бытовых сточных вод.

Процесс биохимической очистки сточных вод играет крайне важную роль в возобновлении водных ресурсов нашей планеты. Биохимическая (биологическая) очистка сточных вод от загрязняющих веществ производится микроорганизмами активного ила в присутствии кислорода воздуха в аэротенках. Однако для обеспечения работы аэротенков требуется целая система аппаратов предварительной подготовки сточной воды, а также аппараты, осуществляющие очистку воды от активного ила после аэротенка. Микроорганизмы активного ила (более 200 видов бактерий, грибы, простейшие микроорганизмы типа коловраток, амеб, червей) в процессе своей жизнедеятельности окисляют сложные органические соединения загрязняющих веществ до простых соединений (СО2, N2). Окисление (очистка) загрязнений происходит под действием ферментов, вырабатываемых микроорганизмами активного ила и кислорода воздуха. Таким образом система биохимической очистки сточных вод представляет собой сложный комплекс сооружений, каждое из которых выполняет определенные функции.

Проектная мощность рассматриваемого цеха водоподготовки составляет 10000 м3/сут что является сравнительно не большой величиной и позволяет применить современные оригинальные опытные решения в очистных аппаратах.

Важным требованием для проектирования такой системы очистки является то что очищенная вода должна отвечать санитарно - гигиеническим нормам.

Характеристика исходных сточных вод и показатели, предъявляемые к качеству очищенной воды.


Кроме того, прошедшие полную биологическую очистку сточные воды должны содержать:

-      общие колиформные бактерии - не более 500 КОЕ/100 мл;

-      термотолерантные колиформные бвактерии - не более 100 КОЕ/100 мл;

-      формные бактерии - не более 100 КОЕ/100 мл;

-      общее число бактерий - не более 100 КОЕ/100 мл.

Очищенные и обеззараженные сточные воды по коллектору сбрасываются в р. Руза.

1.  
Составы сточных вод и особенности их очистки биохимическими методами.

1.1 Состав и свойства сточных вод

Понятие «сточные воды» объединяет различные по происхождению, составу и свойствам воды, которые, будучи использованы человеком для каких-либо целей, получили дополнительные загрязнения и в результате изменили свое качество.

Сточные воды чрезвычайно разнообразны по составу, а, следовательно, и по своим свойствам. Знание состава сточных вод и характера присутствующих примесей - основное условие, позволяющее правильно выбрать методы очистки и наиболее эффективный технологический прием очистки.

По своей природе загрязнения сточных вод подразделяются на органические, неорганические и биологические, представленные различными видами микроорганизмов.

К загрязнениям органической природы относятся примеси растительного (остатки плодов, овощей, злаков, бумаги) и животного (физиологические выделения людей, остатки животных тканей, клеевые вещества) происхождения.

Примеси неорганической природы - это песок, глина, щелочи, минеральные кислоты и их соли, минеральные масла.

Биологические загрязнения - это, главным образом, многочисленные виды бактерий, вирусы, грибы, яйца гельминтов делают сточные воды опасными в эпидемиологическом отношении. Физико-химическое состояние примесей в значительной степени определяется их дисперсностью, под которой понимают величину, обратную размеру частиц примесей.

Способность примесей разной степени дисперсности образовывать с водой гетерогенные или гомогенные системы позволяет составить фазово-дисперсную характеристику примесей.

Согласно классификации примесей по их фазово-дисперсному состоянию, разработанной под руководством академика Л.А. Кульского, все примеси сточных вод, независимо от их природы, разделены на четыре группы в соответствии с размерами частиц.

Первую группу примесей составляют нерастворимые в воде грубодисперсные примеси, образующие суспензии и эмульсии. Нерастворимыми могут быть примеси, органической и неорганической природы, к этой группе относятся микроорганизмы, яйца гельминтов. Примеси первой группы образуют с водой гетерогенные кинетически неустойчивые системы. В определенных условиях эти примеси могут выпадать в осадок или всплывать на поверхность воды. Значительная часть примесей первой группы может быть выделена из воды в результате гравитационного осаждения.

Вторую группу примесей составляют вещества коллоидной степени дисперсности с размером частиц < 10-6 см. Гидрофильные и гидрофобные коллоидные примеси этой группы образуют с водой гетерогенную систему с особыми молекулярно-кинетическими свойствами. К этой же группе отнесены и высокомолекулярные соединения, так как по своим свойствам их растворы сходны с коллоидными системами. Из микроорганизмов ко второй группе примесей относятся вирусы.

Примеси третьей группы имеют молекулярную степень дисперсности с размером частиц < 10-7 см. Они образуют в воде истинные растворы, т. е. системы гомогенные. Ряд показателей качества сточных вод, таких, как запах, окраска, БПК, ХПК, в значительной степени определяется присутствием в воде примесей этой группы. Для очистки сточных вод от этих примесей применяют биологические и физико-химические методы.

Примеси четвертой группы имеют размер частиц < 10-8 см, что соответствует ионной степени дисперсности. Это основания, кислоты, соли. Некоторые из них, в частности аммонийные соли и фосфаты, частично, изымаются из воды в процессе биологической очистки. Однако комплекс очистных сооружений города практически не изменяет солесодержание поступающих сточных вод. Для снижения солесодержания прибегают к достаточно сложным физико-химическим методам: ионному обмену, мембранной сепарации.

1.2 Характеристика сточных вод различного происхождения

сточный вода отстойник очистка

Различают три основных категории сточных вод в зависимости от их происхождения : бытовые, производственные и ливневые.

Бытовые сточные воды поступают в водоотводящую сеть от жилых домов и бытовых помещений различных предприятий, больниц и т.д. В составе бытовых сточных вод различают фекальные сточные воды, загрязненные в основном физиологическими выделениями людей, ее хозяйственные - загрязненные различными хозяйственными отбросами: кухонными остатками, моющими средствами, загрязняющими, смываемыми с предметов обихода и от мытья помещениями.

Второе название бытовых сточных вод - хозяйственно - фекальные отражают наличие двух непременных составляющих этих вод.

Бытовые сточные воды всегда содержат большое количество микроорганизмов , обитающих в кишечнике и на теле человека, а также смываемые с одежды, овощей, фруктов.

Среди этих микроорганизмов могут быть и патогенные.

Особенностью бытовых сточных вод является относительное постоянство их состава, вызванное однообразием физиологии человека и его хозяйственной деятельности.

Основная часть органических загрязнение бытовых сточных вод представлена белками, жирами, углеводами и полупродуктами их разложения. Неорганическую часть загрязнение составляют частицы песка, глины, а также соли, присущие питьевой воде и образующаяся в процессе жизнедеятельности человека.

Из общей массы загрязнений бытовых сточных вод на долю органических веществ приходится 45-58%. Приток бытовых сточных вод на очистные сооружения значительно колеблется по часам суток, при этом минимум притока приходится на ночное время .

Воды, образующиеся в результате использования воды в технологических процессах, называются производственными сточными водами. Характер загрязнений и концентрация их в производственных сточных водах очень разнообразны и зависят как от вида производства, так и от принятого технологического режима. Производственные сточные воды могут быть загрязнены примесями преимущественно неорганической или органической природы, или те и другие. Они могут иметь в своем составе специфические виды микроорганизмов, часто содержит ценные вещества, токсичные примеси. Эти загрязнения могут находиться во всех агрегатных состояниях.

Выпуск производственных сточных вод в водоотводящую сеть города может быть равномерным или неравномерным, непрерывном, или залповым, сезонным.

Ливневые сточные воды образуются в результате выпадения атмосферных осадков. К этой категории относят также талые воды, образующиеся в результате таянья снега и льда, и воды от поливки улиц. Ливневые воды содержат много песка, мусора, глинистых частиц, а также нефтепродуктов, смываемых с улиц.

Особенностью ливневого стока является его эпизодичность и резко выраженная неравномерность его по расходу и концентрации загрязнения.

1.3 Основные методы очистки сточных вод

В зависимости от сущности процессов, протекающих в сооружениях, различают методы механической, физико-химической и бихимиической очистки сточных вод. В процессе очистки сточных вод образуются большие массы осадков, которые подвергаются обезвреживанию, обеззараживанию, обезвоживанию, сушке и подготавливаются к дальнейшему использованию. Если по условиям сбора сточных вод в водоеме требуется высокая степень очистки, то после сооружений полной биологической очистки сточных вод устанавливаются сооружения глубокой очистки (доочистки).

Механический метод очистки сводится к удалению из сточных вод грубодисперсных примесей путем осаждения их под действием силы тяжести и центробежных сил и важен как сам по себе, так и как обязательная предварительная стадия подготовки воды перед химическими и биохимическими методами очистки.

Химический (реагентный) способ очистки сточных вод заключается во введении в воду реагентов для образования нерастворимых соединений, о выпадающих в осадок, и нейтрализации вредного действия примесей. К процессам химической очистки относят: химическое окисление, нейтрализацию и осаждение труднорастворимых соединений. Химические методы связаны с использованием реагентов, и соответственно более дорогостоящи и менее экологичны.

К биохимическим (биологическим) способам очистки сточных вод относятся такие, при которых под действием микроорганизмов и других факторов происходит минерализация органических загрязнений. Биохимический способ может протекать в естественных условиях или близких к ним и в искусственно созданных условиях (биологические фильтры, аэротенки).

1.4 Особенности биохимической очистки сточных вод

Биохимическая очистка сточных вод - (биологическая очистка) - основной способ очистки сточных вод, содержащих загрязнения органического происхождения, заключающийся в минерализзции этих загрязнений вследствие жизнедеятельности микроорганизмов. В процессе жизнедеятельности микробов органические вещества окисляются и освобождается энергии, необходимая для жизненных функций.

Часть энергии идет на процесс синтеза клеточного вещества, т. е. на увеличение массы бактерий, количества активного ила и биологической пленки в очистных сооружениях.

В минерализации органических соединений сточных вод участвуют бактерии, которые по своему отношению к кислороду разбиваются на 2 группы: аэробные (использующие при дыхании растворенный в воде кислород) и анаэробные (развивающиеся в отсутствии свободного кислорода).

Необходимыми условиями для жизнедеятельности организмов, способствующих очистке, и эффективного использования аэробных очистных сооружений являются:

наличие в сточных водах органических веществ, способных окисляться биохимически;

непрерывное снабжение сооружений кислородом в достаточном количестве; активная реакция очищаемой воды (в пределах 7-8,5 рН);

температура воды не ниже 10° и не выше 30°;

наличие биогенных элементов - азота, фосфора, калия в необходимых количествах;

содержание минеральных солей и воде не выше 10 г/л;

отсутствие токсических веществ в концентрациях, ядовито действующих на микроорганизмы.

Биохимическая очистка сточных вод протекает в две одновременно начинающиеся фазы: сорбция поверхностью тел бактерий растворенных органических веществ и коллоидов; окисление и минерализация растворенных и адсорбированных органических веществ микробами.

Для биохимической очистки бытовых в промышленных сточных вод применяются следующие очистные сооружения: аэробные - биологические пруды, поля орошения, поля фильтрации, биофильтры, аэрофильтры и аэротенки; анаэробные - септики, двухъярусные отстойники, метантенки. Выбор типа сооружений определяется характером и количеством сточных вод, местными условиями, требованиями к качеству очищенной воды, наличием свободных земельных площадей и т. д.

Перед биохимической очисткой из сточных вод необходимо удалить взвешенные вещества, смолы и масла. В результате очистки содержание органических веществ в сточных зонах снижается на 90-95%; они теряют способность к загниванию, становятся прозрачными, количество бактерий в них сильно снижается.

Важнейшую роль в проведении биохимической очистки является грамотный подбор штаммов микроорганизмов, составляющих основу биопленки или активного ила.

.5 Литературный обзор на тему поиска современных штаммов микроорганизмов, и приемов для повышения эффективности их использования

Лабораторное моделирование очистки сточных вод иммобилизованными магнитоуправляемыми микроорганизмами / Федотова Л. В., Колотова О. В. // 7 Региональная конференция молодых исследователей Волгоградской области, Волгоград Тезисы докладов. - Волгоград, 2002, 12-15 нояб., 2002. -С. 142-143. Рус.

Осуществлена иммобилизация в магнитоуправляемые альгинатные носители бактериального штамма Pseudomonas pickettii, являющегося основным представителем бактериальной микрофлоры активного или аэротенков. Проведено лабораторное моделирование процесса очистки сточной воды иммобилизованными магнитоуправляемыми микроорганизмами в условиях применения электромагнитного поля, интенсифицирующего рост бактериальной культуры.

Способ и устройство для очистки сточных вод с использованием грибов. Procede de degradation de la matiere organique par voie mycelienne / Fleury Sylvie // Заявка 2836909 Франция, МПК{7} C 02 F 3/34%C 02 F 11/02; Soc. D'amenagement Urbain et Rural, SA. - N 0202947, Заявл. 08.03.2002; Опубл. 12.09.2003.

Данные предложения связаны с тем, что ряд видов грибов способны утилизовать загрязнители, которые не разлагаются обычными биоценозами активного ила очистных сооружений. В связи с этим для очистки преимущественно городских СВ предлагается применять грибы видов Trichoderma, Aspergillus и др. В соответствии со способом традиционная схема аэротенк-вторичный отстойник дополняется культиватором грибной биомассы и регенератором для ее восстановления после участия в процессе биоочистки. Культивационные растворы содержат пептон, глюкозу, агар и т. д., схема включает узел обработки избыточной биомассы и др.

Использование метода стимультанного осаждения для удаления фосфатов при очистке сточных вод в процессе с активным илом. Часть 7: использование модели процесса. The use of simultaneous chemical precipitation in modified activated sludge systems exhibiting biological excess phosphate removal. Part 7. Application of the IAWQ model / De Haas D. W., Wentzel M. C., Ekama G. A. // Water S. Afr., 2001. 27, № 2 . -С. 151-168. Англ.

Представлен процесс очистки сточных вод, в котором в иловую смесь в аэротенке дозировался хлорид железа или соли алюминия с целью удаления фосфатов. Установлено, что хлорид железа является более эффективным реагентом, а оптимальным соотношение P:Fe, равное 1:1 (в молярном выражении). В экспериментах возраст активного ила поддерживался равным 20 суткам, при уменьшении этого значения эффективность удаления как ХПК, так и фосфора снижалась. Сообщается о разработке модели процесса, которая учитывает 52 параметра, приводятся методы калибровки этой модели. Среднее содержание фосфора в исходной сточной воде в течение эксперимента составляло 16,43 мг/л, эффективность удаления до 82%.

Сравнение методов биоочистки с использованием мембранного реактора, а также с применением традиционной технологии / Rui Liu, Xia Huang, Ruopeng Liu, Yi Qian // Huanjing kexue = Chin. J. Environ. Sci., 2001. 22, № 3. -С. 22-24. Кит.; рез. англ.

Традиционной является технология биоочистки сточных вод в процессе с активным илом, при которой выходящая из аэротенка иловая смесь разделяется во вторичном отстойнике, ее недостатком является невысокое качество разделения, большой вынос взвешенных веществ, невозможность поддерживать достаточно высокие концентрации биомассы в аэротенке и величину ее возраста. В реакторе мембранного типа отделение очищенной сточной воды производится, в данном примере, с использованием погружного мембранного фильтра, при этом вся биомасса удерживается в реакторе. В экспериментах лабораторного масштаба исследовались обычная схема и мембранный реактор, его емкость в обеих схемах 15 л. Вид мембраны - погружная, рабочая ПВ 0,4 м{2}, размер пор 0,1 мкм. После периода адаптации концентрация акт. ила в мембранном и обычном реакторах составила (в среднем) 5,5 и 2,1 г/л, соответственно, величина ХПК очищенной сточной воды 55,5 и 79,9 мг/л.

.МБ.243. Микроорганизмы, иммобилизованные на хитозане перекрестно связанном с лигносульфонатом, для очистки сточных вод Microorganisms immobilized in chitosan crosslinked with lignosulphonate for purification of waste water. Turtakovsky Buris, Petti Luca, Gulot Serge. Пат. 6051411 США, МПК 7 C12N 11/10, C12N 11/02. Nat. Research Council of Canada. № 08/934571; Заявл. 19.09.97; Опубл. 18.04.00; НПК 435/178

Микроорганизмы, которые могут быть в форме гомогенизир. анаэробного ила, были иммобилизованы на полимерном гелевом матриксе, содерж. хитозан и лигносульфонат. Смесь р-ра хитозана и микроорганизмов добавлялась по каплям к р-ру лигносульфоната для образования перекрестных связей и формирования шариков, представляющих собой микроорганизмы, инкапсулир. в хитозан/лигносульфонат-матриксную МБ. Другой способ предусматривает добавление смеси к нер-римой в воде орг. фазе с образованием шариков в эмульсии, последняя добавляется к р-ру лигносульфоната для получения перекрестных связей в носителе. В результате образуются хитозан/лигносульфонатные матриксные МБ, инкапсулирующие микроорганизмы. Анаэробные бактерии в форме гранул инкапсулируют в хитозан/лигносульфонатные матриксные МБ. СВ, содерж. биодеградируемые полихлорир. алифатич. углеводороды, очищали при контакте с микроорганизмами, включая анаэробные и метанотрофные виды, инкапсулир. в шарики хитозан/лигносульфонатных матриксных МБ. Восст. дехлорирование эффективно осуществляется анаэробными видами, а аэробная минерализация полупродуктов эффективно осуществляется метанотрофными видами, продуцирующими метанмонооксигеназу.

Биоочистка сточных вод от азота и фосфора / Крючихин Е. М., Николаев А. Н., Большаков Н. Ю. // Экол. и пром-сть России, 2002. - Июль. . -С. 9-12, 48. Рус.; рез. англ.

Эффективности очистки 70-90% можно достичь, если использовать биотехнологии нитриденитрификации и биологической дефосфотации. Указанные методы могут совмещаться с традиционной очисткой в аэротенках путем создания в них наряду с аэробными зонами дополнительных аноксидных и анаэробных зон. Данная биотехнология позволяет удалять соединения азота и фосфора из бытовых, городских и промышленных сточных вод. Качество очищенной воды по содержанию азота и фосфора удовлетворяет самым жестким требованиям на сброс для водоемов рыбохозяйственной категории водопользования. Одновременно достигается эффективная очистка от органических веществ, сокращение расхода воздуха на аэрацию и уменьшение количества образующегося избыточного ила.

2.      
Технологическая схема и компоновка оборудования

2.1      Описание технологической схемы

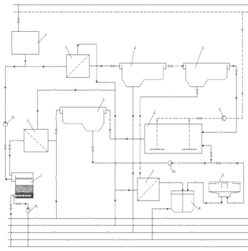
Технологическая схема процесса представлена на рисунке 1.

Рис. 1. Технологическая схема очистки сточных вод.


Сточные воды г. Руза по напорному трубопроводу и напорно-самотечному трубопроводу поступают в приемно-распределительную камеру 1. Сюда же направляются промывые воды с фильтров доочистки 7.

Из приемной камеры 1 сточные воды поступают на устройство предварительной механической очистки - решетку 2. Решетка служит для очистки сточной жидкости от крупных твердых и волокнистых отбросов (щепки, тряпки и т.п.). Для удаления задержанного мусора решетка оборудована механическими граблями, включающимися периодически. Отходы собираются в специальный контейнер с последующим удалением в место, установленное государственными органами экологического надзора.

После решетки сточные воды поступают на горизонтальную песколовку 3. Она предназначена для очистки сточных вод от тяжелых минеральных примесей крупностью более 0,2 мм (главным образом, песка). Песколовка оборудована устройствами гидросмыва осадка к приямку и гидроэлеватором для удаления осадка из приямка и подачи его на песковые площадки. В качестве рабочей воды используется техническая вода, прошедшая полную биологическую очистку. Обезвоживание песковой пульпы и подсушивание песка осуществляется на песковой площадке. Подсушенный песок вывозится автомашинами в места, специально отведенные для его складирования и на площадку обеззараживания.

Сточные воды после песколовки 3 поступают в первичный отстойник 4, предназначенный для очистки сточной воды от оседающих и всплывающих веществ, главным образом, органического характера. В процессе отстаивания при движении стоков в отстойнике со скоростью не более 7 мм/с взвешенные вещества под действием гравиметрической силы оседают на дно отстойника или всплывают на поверхность.

Осветленные стоки из сборного лотка отстойника самотёком поступают в аэротенк 5.

Осадок, выпавший из сточных вод на дно отстойника, сгребается при помощи илоскреба в приямок. Из приямка осадок удаляется плунжерными насосами, установленными в помещениях насосных станций сырого осадка первичных отстойников, и направляется через механические решетки в резервуар сырого осадка и избыточного ила 10.

Биологическая очистка сточных вод проводится в аэротенке 5. Циркулирующий активный ил из вторичного отстойника поступает в начало аэротенка. Иловая смесь (смесь сточной воды с активным илом), двигаясь по аэротенку, последовательно проходит анаэробную и аэробную зоны. Далее, переливается через водосливы в конце аэротенка, вода поступает в канал иловой смеси, откуда направляется на вторичный отстойник 6.

Сжатый воздух по магистральному воздухопроводу от воздуходувок подаётся через систему распределительных воздухопроводов к полиэтиленовым аэроторам, уложенным по дну аэротенка. Через отверстия аэраторов воздух мелкими пузырьками поступает в иловую смесь.

После прохождения водой вторичного отстойника осветленные стоки поступают самотёком на доочистку в скорых фильтрах 7. Активный ил, осевший на дно вторичного отстойника, откачивается через перфорированные трубы, проложенные по дну отстойника. Часть активного ила возвращается в аэротенк 5, остальной активный ил подается на илоуплотнитель 9.

Осветленные во вторичном отстойнике 6 стоки подаются в скорые фильтры 7 сверху на слой фильтрующей загрузки. Профильтрованная вода собирается распределительной системой для воды, а затем очищенные воды самотеком направляются в р.Руза.

Для периодической промывки фильтров используется техническая вода, которая насосами подается по трубопроводу промывной воды в распределительную систему каждого фильтра. Далее промывная вода сливается в водосборный лоток, из которого по нижнему отводу поступает в трубопровод и направляется в приемно-распределительную камеру 1.

Осветленные стоки из илоуплотнителя 9 по лоткам поступают в резервуар сырого осадка и избыточного ила 10. Далее сырой осадок в смеси с избыточным илом поступает на уплотнение, обезвоживание и вывозится на площадки обеззараживания. Здесь осадок выдерживается от 3 до 5 лет. Время выдержки определяется скоростью процесса естественного обеззараживания осадка от бактериального загрязнения и яиц гельминтов.

Осадок, обеззараженный на площадках обеззараживания, вывозится для повторного использования для рекультивации земель карьеров и промышленных полигонов.

Перед вывозом партии осадка для повторного использования проводится исследование осадка на содержание тяжелых металлов и бактериологическую загрязненность. Осадок повторно используется только при соответствии результатов анализов требованиям ГОСТ Р 17.4.3.07-2001. «Почвы. Требования к свойствам осадков сточных вод при использовании их в качестве удобрений».

2.2      Описание работы аппаратов

2.2.1      Аэротенк.

Аэротенк представляет собой прямоугольный железобетонный резервуар, разделенный перегородкой на два коридора. Анаэробная зона оборудована погружными мешалками, аэробная - системой распределительных воздухопроводов.

Сточные воды после первичных отстойников поступают в начало первого коридора аэротенка. Сюда же подается циркулирующий активный ил. Иловая смесь (смесь сточной воды с активным илом), пройдя по коридорам секции, переливается через водосливы в конце вторых коридоров каждой секции, поступает в канал иловой смеси, откуда направляется на вторичные отстойники.

Сжатый воздух по магистральному воздухопроводу от воздуходувок подаётся через систему распределительных воздухопроводов к полиэтиленовым аэроторам диаметром 118 мм, уложенным по дну аэротенка. Через пористую наружную оболочку аэраторов воздух мелкими пузырьками поступает в иловую смесь.

2.2.2      Вторичный отстойник

Вторичный отстойник представляет собой прямоугольный железобетонный резервуар, зона отстаивания отделена от зоны ввода воды и зоны слива стальными перфорированными перегородками, способствующими равномерному распределению воды по сечению аппарата и выравниванию поля скоростей.

В концевой части отстойника установлен тонкослойный модуль для лучшего качества конечной очистки воды. Установка пленочного модуля по всей длине аппарата не рациональна в связи с высоким содержанием взвешенных частиц (активного ила) на входе в аппарат, пленочный модуль будет просто зарастать. В концевой же части аппарата установка пленочного модуля позволяет существенно повысить очистку, так как до конца аппарата доходят лишь самые мелкие частицы загрязнения, которых не так много и которые наиболее эффективно улавливаются в тонкослойных элементах.

Тонкослойные элементы устанавливаются под углом к горизонту для естественного сползания осадка под действием гравитационных сил.

По дну вторичного отстойника проложена сеть перфорированных стальных труб для откачки оседающего в аппарате активного ила. Трубы закреплены к опорным швеллерам хомутами.

2.2.3      Фильтр

Фильтр представляет собой квадратный в плане железобетонный резервуар, оснащенный приемным карманом.

Фильтрация в безнапорном скором фильтре идет без образования осадка на поверхности фильтра; задерживание частиц происходит в самой толще загрузки, поскольку размер взвешенных частиц достаточно мал (вода поступает после вторичного отстойника), а крупность пор в толще песка достаточно велика. Мелкие частицы прилипают к поверхности зерен песка, увеличивая их. Следовательно, при фильтрации происходит изменение порозности фильтрующего слоя. Количество задержанного вещества быстро убывает с глубиной в направлении движения воды при фильтрации.

В нижней части аппарата, в поддерживающем песчаную загрузку слое гравия, устанавливается распределительная система, которая в рабочем режиме служит для сбора очищенной воды. На ответвлениях распределительной системы установлены колпачки, предотвращающие унос песка из фильтра с очищенной водой.

В режиме промывки подача сточной воды в фильтр прекращается. В нижнюю распределительную систему подается промывная вода, коротая обратным потоком, поднимаясь вверх взрыхляет слой песка отмывая его зерна от осевших на них частиц загрязнения. Промывная вода отводится, переливаясь через лотки в верхней части аппарата после чего стекает в приемный карман и отводится из аппарата.

3.      
Расчеты


3.1      Материальные расчеты по схеме

Исходные данные:

Производительность по сточной воде по заданию составляет

Первой стадией очистки воды по схеме являются решетки. Решетки улавливают крупные твердые частицы (мусор). После решеток вода, не содержащая крупных частиц загрязнения прокачивается через песколовку где оседают более мелкие взвешенные частицы. Песок отводится в нижней части песколовки в виде шлама. Потери воды со шламом принимаем равными 3%.

Принимаем содержание взвешенных частиц в сточной воде


3.1.1      Материальный баланс песколовки

Принимаем что 40% всех взвешенных частиц в сточной воде составляет достаточно крупная фракция, оседающая в песколовке, отстальные частицы слишком мелкие и проходят на следующие стадии очистки.

Тогда концентрация твердых взвешенных частиц в воде на выходе из песколовки составит

А содержание песка в сточной воде составляет

Расход воды, теряемый со шламом в песколовке составляет


Расход сточной воды на дальнейшую очистку составит


Количество твердой фазы, поступающей в песколовку с водой составит


Количество твердой фазы, уходящей из песколовки со шламом


Содержание твердых частиц в шламе при этом составит



3.1.2      Материальный баланс первичного отстойника

После песколовки сток направляется в первичный отстойник где происходит оседание более мелких взвешенных частиц с эффективностью 65%.

Тогда концентрация твердых взвешенных частиц в воде на выходе из отстойника составит:


Расход воды, теряемый со шламом в отстойнике составляет


Расход сточной воды на дальнейшую очистку составит


Количество твердой фазы в воде на дальнейшую очистку


Количество твердой фазы, уходящей из отстойника со шламом


Содержание твердых частиц в шламе при этом составит



3.1.3      Материальный баланс аэротенка

Далее вода подается на очистку в аэротенк, предварительно смешиваясь с потоком обратной воды, содержащей вторичный ил. Таким образом расход воды на очистку в аэротенк (после смешения с возвратным потоком ила) составит


В аэротенке происходит нарастание активного ила, в результате которого происходит очистка воды от органических соединений. При этом в воде накапливается ил в виде взвешенных частиц, который в последствии осаждается во вторичном отстойнике.

Принимаем содержание взвешенных частиц на выходе из аэротенка (с учетом нарастания активного ила)


3.1.4      Материальный баланс вторичного отстойника

После аэротенка вода направляется во вторичный отстойник где происходит оседание взвешенных частиц с эффективностью 70% (эффективность выше так как частицы на выходе из аэротенка крупнее). Тогда концентрация твердых взвешенных частиц в воде на выходе из отстойника составит


Расход воды, отводимый с активным илом на возврат в аэротенк в отстойнике составляет

Расход сточной воды на дальнейшую очистку составит


Количество твердой фазы в воде на дальнейшую очистку


Количество твердой фазы, уходящей из отстойника с активным илом



3.1.5      Материальный баланс фильтров доочистки

Далее в плоских щелевых ситах происходит осаждение из воды крупных инородных тел случайно занесенных в воду в ходе очистки после решеток. После сит вода направляется на дополнительную доочистку на безнапорные фильтры.

Эффективность очистки в фильтре 70%.

Тогда концентрация твердых взвешенных частиц в воде на выходе из фильтра составит


Расход воды, теряемый со шламом в фильтре составляет


Расход очищенной воды


Количество твердой фазы уходящей из фильра со шламом


Содержание твердых частиц в шламе при этом составит



3.2      Аэротенк

3.2.1      Назначение

Биохимический метод используется для очистки хозяйственно-бытовых и промышленных сточных вод от многих растворенных органических и некоторых неорганических (сероводорода, сульфидов, аммиака, нитритов и др.) веществ. Процесс очистки основан на способности микроорганизмов использовать эти вещества для питания в процессе жизнедеятельности - органические вещества для микроорганизмов являются источником углерода.

Биохимические процессы, протекающие в аэротенке, могут быть разделены на два этапа: 1) адсорбция поверхностью активного ила органических веществ и менерализация легко окисляющихся веществ при интенсивном потреблении кислорода, 2) доокисление медленно окисляющихся органических веществ. На втором этапе кислород потребляется медленее.

В данной проекте производится расчет и проектирование двухкоридорного аэротенка-вытеснителя.

3.2.2      Техническая характеристика аэротенка

Аппарат предназначен для биохимической очистки сточных вод. Производительность по воде 11800 м3/сут.

Среда в аппарате - сточная вода, содержащая органические отходы, аммонийные соли, хлориды, сульфаты, СПАВ.

Биологическая потребность в кислороде:

-      начальная БПКполн = 115 мг О2/л;

-      конечная БПКполн = 15 мг О2/л.

Рабочие условия процесса:

-      pH 6,5-8,5;

-      рабочий диапазон температур: 6-25 0С;

-      давление атмосферное;

-      среда не токсичная, невзрыво- и непожароопасная;

абразивный износ материала в результате движения твердых нерастворимых частиц.


3.2.3      Исходные данные

Расход сточной воды

Начальное загрязнение воды по БПК полн

Конечное загрязнение воды по БПК полн

Средняя температура воды

Величину рециркуляции принимаем


3.2.4      Технологический расчет

3.2.4.1        Определение объема аэротенка

Расчет ведется с использованием обобщенных (критериальных) уравнений кинетики биохимического окисления.

Исходным выражением для определения необходимого времени пребывания τ сточной жидкости в аэротенке является функциональная зависимость:

 (1)

где Lн и Lк - концентрации загрязнений в исходной сточной воде и иловой смеси после аэротенка, выраженные (например по БПКполн) в О2 на 1 м3 жидкости; aсм - концентрация активного ила (по сухой его части) в аэротенке, выраженная в единицах массы ила в 1м3 иловой сммеси в сооружении; k - константа скорости биохимического окисления, выраженная в сут-1, ч-1, с-1 и т.д.

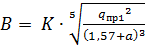
В соответствии с теорией размерностей из указанных функции (1) переменных можно составить три безразмерных комплекса πi с функциональной связью между ними:

 

где  - степень извлечения загрязнений из сточной воды в сооружении;  - критерий, характеризующий данную частную кинетику окисления;  - нагрузка загрязнений на активный ил.

Экспериментальные данные для получения явного вида функции f1 взяты из опыта эксплуатации большого числа промышленных аэротенков для очистки городских сточных вод обобщены для аэротенков вытеснения следующим уравнением:

 

В данной работе суточный расход сточных вод составляет Q = 11800 м3/сут, содержание начального Lн и конечного Lк загрязнений воды (по БПКполн) соответственно составляет 115 и 15 мг О2/л; средняя температура обработки воды в аэротенке 12 0С.

Для вычисления π1см = - степени очистки воды в аэротенке - найдем Lсм из материального баланса смешения воды, подаваемой на очистку, и рециркулята QR из вторичного отстойника:

 

Отсюда

 

Таким образом,

 

 

 

Время пребывания сточной воды в аэротенке  определяется по расчетному значению πсм2:

 

Где

b = 1,9 = 0,00375

 

где а = 2500 мг/л - доза ила по сухой его части.

Таким образом

 

 

В расчете принято:

k =  = 0,139.

Время пребывания сточной воды (а не смеси воды с рециркулятом) в аэротенке равно:

 

Объем аэротенка (аэробной зоны) составляет

 

Анаэробная зона аэротенков занимает 30 - 50% аэротенка, поэтому общий объем аэротенка можно определить как

V =

Подбираем типовой проект аэротенка-вытеснителя № 902-2-196 со следующими характеристиками [13]:

число аэротенков nа = 2;

число коридоров nк = 2;

рабочая глубина h = 4,4 м;

ширина коридора B = 6 м;

предел длины 48-54 м.

Определим длину аэротенка:

 

Принимаем длину

Lаэ = 49 м.

Расчет аэрационной системы.

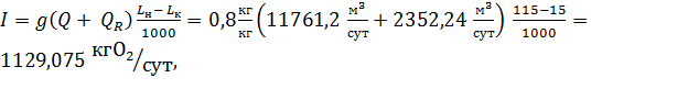
Суточное количество образующегося ила (конструктивный обмен) составляет:

 

где g - дополнительное количество ила, образующегося на единицу количества стоков.

Потребность в кислороде (энергообмен):

 

Степень использования кислорода воздуха составляет 5%, тогда потребность в кислороде будет равна:

 

 

где ρO2н.у. = 1,429 кг/м3 - плотность кислорода в нормальных условиях.

Объемный расход воздуха, который необходимо подавать в аппарат

 

Вычислим объемный расход и плотность воздуха при средней температуре t= = 12 0С и давлении в трубах 3 атм:

 

Скорость воздуха в трубах распределительной системы:

 

Определим диаметр центральной трубы:

 

Принимаем  = 219х7 мм.

 

Подбор аэраторов.

Используем аэраторы Экополимер серии Аква-лайн, со следующими основными параметрами:

·        длина аэратора 100020 мм, 200020 мм;

·        наружный диаметр аэратора 118;

·        внутренний диаметр опорной трубы 804 мм;

·        рабочее давление 10-100 кПа;

·        рабочий расход воздуха на 1 м аэратора 5 - 25 м3/ч;

·        оптимальный расход на 1 м аэратора 14 - 20 м3/ч;

·        потери давления 1,5 - 2,5 кПа.

Длина аэрируемого участка 49 м. Площадь поперечного сечения внутренней опорной трубы:

 

Минимально необходимое число труб ответвлений:

 

примем n = 23 шт.

Шаг между осями труб ответвления:

 

Выбор мешалок.

Анаэробную зону оснащаем погружными мешалками WILO EMU. Они служат для предотвращения осаждения частиц активного ила. Большой диаметр крыльчатки и малая частота вращения значительно повышают эффективность их работы. Лопасти со специально изогнутыми кромками позволяют крыльчатке самостоятельно очищаться даже при работе с длинноволокнистыми частицами перемешиваемой жидкости.


Выбираем мешалки фирмы WILO EMU Maxiprop со следующими характеристиками:

-      тип мешалки TR 90-2-6/8

-      крыльчатка 2-лопостная;

-      материал лопастей - стеклопластик;

-      диаметр крыльчатки 900 мм;

-      частота вращения n = 166 об/мин;

-      мощность ротора Pном = 1,75 кВт;

-      потребляемая мощность Рmax = 2,5 кВт;

-      вес 107 кг.                                       Погружная мешалка TR 90-2-6/8.

3.2.5      Механический расчет

Ширина резервуара

 

Длина резервуара

 

Высота резервуара

 

Резервуар подземный, высота засыпки

 

Объемная масса грунта

 

Угол внутреннего трения

 

Район строительства - Москва

Данные для проектирования:

Бетон тяжелый класса В20

Расчетное сопротивление на осевое сжатие

 

Расчетное сопротивление бетона для предельных состояний второй группы

 

Арматура класса А-III

Расчетное сопротивление растяжению рабочей продольной арматуры

 

Модуль упругости арматуры

 

Расчет и конструирование стеновой панели производим опираясь на следующие данные для проектирования:

Высота фундамента

 

Глубина заделки стеновой панели в фундамент

 

Назначаем толщину стеновой панели

 

Высота стеновой панели

 

 

Выделим для расчета вертикальную полосу шириной 1м.

Нагрузки на стеновую панель

Горизонтальная нагрузка от давления воды на уровне защемления стены


, где

 - коэффициент надежности по нагрузке для жидкостей

 - объемная масса воды (плотность)

 

Определим высоту эквивалентного слоя обсыпки

Временная нагрузка на поверхность грунта

 

 

 

Горизонтальная нагрузка от давления грунта и временной нагрузки на уровне верха стеновой панели (от давления грунта обсыпки)

 , где

 - коэффициент надежности по нагрузке для насыпных грунтов

Сумма высот обсыпки и эквивалентного слоя

 

 

 

Горизонтальная нагрузка от давления грунта обсыпки на уровне заделки стеновой панели в днище резервуара

        , где

 

 

 

Определим внутренние расчетные усилия в стеновой панели от давления воды

Изгибающий момент на уровне защемления стены

 

 

Максимальный изгибающий момент в пролете от уровня верха стены на расстоянии

 

 

 

 

Поперечная сила на уровне защемления

 

 

Вычислим внутренние расчетные усилия от давления грунта:

изгибающий момент на уровне защемления стены

 

 

максимальный изгибающий момент в пролете от уровня верха стены на расстоянии

 

 

 

 

поперечная сила на уровне защемления

 

 


Расчет прочности стеновой панели по первой группе предельных состояний.

Стеновую панель на прочность по нормальным сечениям рассчитываем как плиту с одиночной арматурой с шириной расчетной полосы

 

Толщина защитного слоя бетона

 

Рабочая высота сечения

 

 

В расчете по прочности из двух расчетных схем принимаем большие значения изгибающего момента

 

 

Рассмотрим сечение в уровне защемления

Определим:

 

       - для бетона

 

 

 

 

 

Характеристика сжатой зоны бетона

         , где

 для тяжелого бетона

 

Граничное значение относительной высоты сжатой зоны бетона

При

 

 - расчетное сопротивление растяжению арматуры класса А-III

 - предельное напряжение в арматуре сжатой зоны

 

Тогда

Площадь рабочей вертикальной арматуры

 

 

По приложению 4 назначаем диаметр и шаг арматуры: 4ф32 А-III с Аs1=32,17кв.см и шагом 250мм (с обеих сторон стеновой панели).

 

Сечение в пролете:

 

 

 

 

 

 

Тогда

Площадь рабочей вертикальной арматуры

 

 

По приложению 4 назначаем диаметр и шаг арматуры: 2ф32 А-III с Аs2=16,08кв.см и шагом 500мм (с обеих сторон стеновой панели).

Отдельные стержни арматуры ф32 А-III объединим в сварные сетки поперечной арматурой ф32 А-I (из условия свариваемости (прил.5) с шагом 250мм.

Расчет прочности стеновой панели по второй группе предельных состояний.

Проверим прочность стеновой панели из условия отсутствия наклонных трещин в сечениях стеновой панели:

                  - максимальная поперечная сила

   так как бетон тяжелый

 

Условие выполнено, следовательно, класс бетона удовлетворяет условию прочности по трещиностойкости.

Определим ширину раскрытия трещин, нормальных к продольной оси элемента:

        , где

 - коэффициент для изгибаемых элементов

 - коэффициент, учитывающий продолжительное действие постоянных и длительных нагрузок для конструкций из тяжелого бетона при попеременном водонасыщении и высушивании;

 при применении стержневой арматуры

 

 

 

 

 

 

 

Условие по раскрытию трещин выполняется.

Расчет и конструирование днища резервуара

Для сбора нагрузок рассмотрим фрагмент днища резервуара под колонну одной из стенок

По конструктивным требованиям назначим минимальный вылет

 

Полная нагрузка на колонну состоит из

 - нагрузка от покрытия, засыпки, снеговая нагрузка

 - собственный вес ригеля

 - собственный вес колонны

 

 

Собственный вес днища резервуара под каждой колонной

 

Нагрузка на фундамент

 

 

Суммарная рабочая высота из конструктивных требований

 толщина днища

 защитный слой бетона

 высота капители

 высота подколонника

 

 

Давление колонны от нормальной нагрузки при среднем коэффициенте безопасности

 

 

 

Коэффициент характера нагружения днища

 

Максимальные изгибающие моменты в двух направлениях

 

 

 

 

Расчет днища по первому предельному состоянию выполним в соответствии с гл. 3.2.6. [12] в виде определения площади сечения арматуры.

Максимальный изгибающий момент в рассматриваемых точках.

 

 для арматуры днища

 

 

Принимаем по приложению 4 арматуру 8 ф12 А-III с As=9.05кв.см с шагом 125мм

В другом направлении принимаем для

 

 

 

арматуру 3 ф12 А-III с As=3.39кв.см с шагом 333мм

Верхнюю сетку С-2 подбираем по максимальному моменту Му2. Площадь арматуры получается также 3.301кв.см, следовательно также используем арматуру 3 ф12 А-III с As=3.39кв.см с шагом 333мм.

3.3      Вторичный отстойник

3.3.1      Назначение

Вторичный отстойник является важной стадией биохимической очистки. В аппарате происходит механическая очистка сточных вод от взвешенных частиц активного ила, образующегося в аэротенке. Часть отделяемого активного ила возвращается в аэротенк для поддержания в нем необходимого микробиологического состава.

В зависимости от направления движения потока отстойники подразделяют на горизонтальные, вертикальные и радиальные. В данном проекте, ввиду заданной производительности по сточной воде рассматривается горизонтальный вторичный отстойник.

3.3.2      Техническая характеристика аппарата

1. Аппарат предназначен для отделения твердых взвешенных частиц (активного ила) методом осаждения.

Содержание твердых взвешенных частиц на входе, мг/л не более 33;

Содержание твердых взвешенных частиц на выходе, мг/л не более 10;

. Среда в аппарате - не токсичная, коррозионная.

. Производительность по воде, м3/час, не более 11800

. Давление в аппарате - атмосферное.

. Температура среды в аппарате, °С:

не менее +5

не более +25.

. Эффективность очистки, % - 69,7.

. Габаритные размеры установки, мм - 18200х3600х5800.


3.3.3      Исходные данные

Расход сточной воды

 

Содержание взвешенных частиц

 

Средний диаметр частиц

 

Плотность воды

 

Вязкость воды

 

Плотность твердой фазы принимаем рекомендуемую:

 

3.3.4      Технологический расчет вторичного отстойника

Определим скорость осаждения твердых частиц

Критерий Архимеда

 

 

Так как Ar<36, следовательно, осаждение происходит в области ламинарного движения. Следовательно, Re определим по следующей формуле

 

 

Скорость осаждения твердых частиц составит

 

 

Определим скорость отстаивания в стесненных условиях

Определение объемной доли жидкости в суспензии

Массовый расход твердых частиц поступающих с водой

 

 

Определим объемный расход твердой фазы

 

 

Объемная доля жидкости в суспензии

 

Сопротивление жидкой среды движущимся частицам выражается функцией Фe

 

 

Скорость стесненного осаждения составит

 

 

Таким образом, влияние стесненного движения не значительно. Это связано с низкой концентрацией твердых частиц. [7]

Для расчета отстойника необходимо перевести скорость отстаивания в мм/сек

 

Задаваясь L/H=10 по табл.26 [8] определяем коэффициенты К и a

 

По таблице 27 [8] экстраполяцией определяем скорость воды в отстойнике

 

Но так как по рекомендациям значение wср не должно превышать 8мм/с принимаем

 

Площадь отстойника в плане составит

 

 

Глубину зоны осаждения отстойника принимаем из рекомендуемого диапазона 2.5-3,5м

 

Тогда ширина отстойника составит

 

 

Принимаем ширину отстойника

 

Длина отстойника

 

 

Принимаем длину отстойника

 

Для обеспечения равномерного распределения воды по живому сечению отстойника в начале и в конце его ставят поперечные дырчатые перегородки на расстоянии 1,5м от торцевых стенок. В нижней части перегородок (на 0,3м выше зоны накопления и уплотнения осадка) отверстий нет.

Таким образом, рабочая (перфорированная) площадь распределительной перегородки в коридоре отстойника составит

 

 

Скорость движения воды в отверстиях перегородки

в начале отстойника

в конце отстойника

Необходимая площадь отверстий в распраделительных перегородках в начале отстойника

 

в конце отстойника

 

Принимаем в передней перегородке отверстия диаметром

 

Тогда число отверстий в передней перегородке составит

 

 

Принимаем в задней перегородке отверстия диаметром

 

Тогда число отверстий в задней перегородке составит

 

 

Принимаем по 230 отверстий в каждой перегородке, размещая их по горизонтали в 10 рядов и по вертикали в 23 ряда

Расстояние между осями отверстий по горизонтали

 

Принимаем шаг 0,275 мм

Расстояние между осями отверстий по вертикали

 

Осадок удаляется из отстойника периодически. Продолжительность действия отстойника между чистками

Количество взвеси в воде на выходе из отстойника допускается

 

Средняя концентрация уплотненного осадка

 

Объем зоны накопления и уплотнения осадка


 

Средняя высота зоны накопления и уплотнения осадка

 

 

Средняя глубина отстойника

 

 

Общая длина отстойника с учетом распределительных отделений

 

 

Определим степень очистки отстойника

 

 

Расчет устройств для удаления осадка из отстойника без прекращения его действия.

Осадок удаляется при помощи дырчатых труб, проложенных по дну отстойника

Количество осадка, удаляемое за 1 чистку

 

 

Продолжительность откачки осадка

 

Среднее содержание твердого вещества в осадке

 

Расход воды, сбрасываемой с осадком по дырчатой трубе, уложенной по дну отстойника

 

 

Диаметр дырчатых труб принимаем

 

Диаметр отверстий

 

Площадь отверстий на одной трубе должно составлять

 

 

Количество отверстий на одной трубе

 

 

Принимаем 50 отверстий и размещаем их в один ряд, направляя вниз

Шаг оси отверстий

 

 

Принимаем

 

Кроме того, для дополнительного повышения качества очистки сточной воды от мелкодисперстных взвешенных частиц в концевой части элемента устанавливаем тонкослойные элементы, которые за счет уменьшения высоты отстаивания (определяется расстоянием между тонкослойными элементами) существенно улучшеают оседание мелких частиц с последующим их укрупнением на поверхности тонкослойных элементов и сползанием на дно отстойника.

Угол наклона тонкослойных элементов к горизонту принимаем

 

Расстояние между пластинами

 

Диаметр труб входа и выхода воды в отстойник.

Скорость воды в трубе принимаем

 

Число вводов воды в аппарат

 

 

 

Принимаем трубу 325х7 мм

3.3.5      Механический расчет вторичного отстойника

Ширина резервуара

 

Длина резервуара

 

Высота резервуара

 

Резервуар подземный, высота засыпки

 

Объемная масса грунта

 

Угол внутреннего трения

 

Район строительства - Москва

Данные для проектирования:

Бетон тяжелый класса В20

Расчетное сопротивление на осевое сжатие

 

Расчетное сопротивление бетона для предельных состояний второй группы

 

Арматура класса А-III

Расчетное сопротивление растяжению рабочей продольной арматуры

 

Модуль упругости арматуры

 

Расчет и конструирование стеновой панели производим, опираясь на следующие данные для проектирования:

Высота фундамента

 

Глубина заделки стеновой панели в фундамент

 

Назначаем толщину стеновой панели

 

Высота стеновой панели

 

 

Выделим для расчета вертикальную полосу шириной 1м.

 

Нагрузки на стеновую панель

Горизонтальная нагрузка от давления воды на уровне защемления стены


, где

 - коэффициент надежности по нагрузке для жидкостей

 - объемная масса воды (плотность)

 

Определим высоту эквивалентного слоя обсыпки

Временная нагрузка на поверхность грунта

 

 

 

Горизонтальная нагрузка от давления грунта и временной нагрузки на уровне верха стеновой панели (от давления грунта обсыпки)

 , где

 - коэффициент надежности по нагрузке для насыпных грунтов

Сумма высот обсыпки и эквивалентного слоя

 

 

 

Горизонтальная нагрузка от давления грунта обсыпки на уровне заделки стеновой панели в днище резервуара

        , где

 

 

 

Определим внутренние расчетные усилия в стеновой панели от давления воды

Изгибающий момент на уровне защемления стены

 

 

Максимальный изгибающий момент в пролете от уровня верха стены на расстоянии

 

 

 

 

Поперечная сила на уровне защемления

 

 

Вычислим внутренние расчетные усилия от давления грунта:

изгибающий момент на уровне защемления стены

 

 

максимальный изгибающий момент в пролете от уровня верха стены на расстоянии

 

 

 

 

поперечная сила на уровне защемления

 

 


Расчет прочности стеновой панели по первой группе предельных состояний.

Стеновую панель на прочность по нормальным сечениям рассчитываем как плиту с одиночной арматурой с шириной расчетной полосы

 

Толщина защитного слоя бетона

 

Рабочая высота сечения

 

 

В расчете по прочности из двух расчетных схем принимаем большие значения изгибающего момента

 

 

Рассмотрим сечение в уровне защемления

Определим:

 

       - для бетона

 

 

 

 

 

Характеристика сжатой зоны бетона

         , где

 для тяжелого бетона

 

Граничное значение относительной высоты сжатой зоны бетона

При

 

 - расчетное сопротивление растяжению арматуры класса А-III

 - предельное напряжение в арматуре сжатой зоны

 

Тогда

Площадь рабочей вертикальной арматуры

 

 

По приложению 4 назначаем диаметр и шаг арматуры: 4ф14 А-III с Аs1=6,16кв.см и шагом 250мм (с обеих сторон стеновой панели).

 

Сечение в пролете:

 

 

 

 

 

 

Тогда

Площадь рабочей вертикальной арматуры

 

 

По приложению 4 назначаем диаметр и шаг арматуры: 2ф14 А-III с Аs2=3,08кв.см и шагом 500мм (с обеих сторон стеновой панели).

Отдельные стержни арматуры ф14 А-III объеденим в сварные сетки поперечной арматурой ф14 А-I (из условия свариваемости (прил.5) с шагом 250мм.

Расчет прочности стеновой панели по второй группе предельных состояний.

Проверим прочность стеновой панели из условия отсутствия наклонных трещин в сечениях стеновой панели:

          - максимальная поперечная сила

   так как бетон тяжелый

 

Условие выполнено, следовательно, класс бетона удовлетворяет условию прочности по трещиностойкости.

Определим ширину раскрытия трещин, нормальных к продольной оси элемента:

        , где

 - коэффициент для изгибаемых элементов

 - коэффициент, учитывающий продолжительное действие постоянных и длительных нагрузок для конструкций из тяжелого бетона при попеременном водонасыщении и высушивании;

 при применении стержневой арматуры

 

 

 

 

 

 

 

Условие по раскрытию трещин выполняется.

Расчет и конструирование днища резервуара

Для сбора нагрузок рассмотрим фрагмент днища резервуара под колонну одной из стенок

По конструктивным требованиям назначим минимальный вылет

 

Полная нагрузка на колонну состоит из

 - нагрузка от покрытия, засыпки, снеговая нагрузка

 - собственный вес ригеля

 - собственный вес колонны

 

 

Собственный вес днища резервуара под каждой колонной

 

Нагрузка на фундамент

 

 

Суммарная рабочая высота из конструктивных требований

 толщина днища

 защитный слой бетона

 высота капители

 высота подколонника

 

 

Давление колонны от нормальной нагрузки при среднем коэффициенте безопасности

 

 

 

Коэффициент характера нагружения днища

 

Максимальные изгибающие моменты в двух направлениях

 

 

 

 

Расчет днища по первому предельному состоянию выполним в соответствии с гл. 3.2.6. [12] в виде определения площади сечения арматуры.

Максимальный изгибающий момент в рассматриваемых точках.

 

 для арматуры днища

 

 

Принимаем по приложению 4 арматуру 8 ф12 А-III с As=9.05кв.см с шагом 125мм

В другом направлении принимаем для

 

 

 

арматуру 3 ф12 А-III с As=3.39кв.см с шагом 333мм

Верхнюю сетку С-2 подбираем по максимальному моменту Му2. Площадь арматуры получается также 3.301кв.см, следовательно также используем арматуру 3 ф12 А-III с As=3.39кв.см с шагом 333мм.

3.4     
Фильтр

3.4.1      Назначение

Вода, поступающая на полное осветление на фильтры после выхода из вторичных отстойников, должна содержать не более 8-12 мг/л взвешенных веществ. Помимо взвешенных частиц фильтры должны задерживать большую часть микроорганизмов и микрофлоры и понижать цветность воды до допускаемой.

Очистка фильтрованием происходит в результате двух одновременно протекающих процессов: прилипания частиц взвеси к поверхности зерен фильтрующего материала и ранее прилипшим загрязнениям и их отрыва под действием гидродинамического давления потока жидкости. В результате действия этих двух факторов происходит продвижение фронта загрязнений в толще фильтра. Накопление загрязнений приводит к уменьшению размера пор, увеличению истинной скорости фильтрации и росту гидравлического сопротивления фильтрующего материала, то есть к повышению уровня жидкости перед фильтром. Вместе с тем увеличение истинной скорости фильтрации приводит к повышению гидродинамического давления потока жидкости на скоплениях загрязнений, их отрыву и переносу в последующие по ходу движения слои загрузки.

3.4.2      Техническая характеристика фильтра

Аппарат предназначен для полного осветления сточных вод. Производительность по воде 10000 м3/сут.

Среда в аппарате - сточная вода.

Концентрация взвешенных веществ:

-      начальная Сн = 10 мг/л;

-      конечная Ск = 3 мг/л.

Рабочие условия процесса:

-      pH 6,5-8,5;

-      рабочий диапазон температур: 6-25 0С;

-      давление атмосферное;

-      среда не токсичная, невзрыво- и непожароопасная;

-      абразивный износ материала в результате движения твердых нерастворимых частиц.

-      габаритные размеры установки, мм - 5450х4800х3160.


3.4.3      Исходные данные

Расход сточной воды

Начальная концентрация твердых частиц

Эффективность очистки в фильтре


3.4.4     
Технологический расчет безнапорного фильтра

Заданная производительность станции, оборудованной безнапорными фильтрами с зернистой однородной загрузкой, Q = 10 000 м3/сут. Однако она велика для одно фильтра, поэтому по ходу расчета будет необходимо определить число однотипных фильтров.

Суммарная площадь всех скорых фильтров находится по формуле:

 

где Т = 24 ч - продолжительность работы в течение суток;

 - расчетная скорость фильтрования при нормальном режиме эксплуатации;

n = 2 - число промывок каждого фильтра за сутки;

 - интенсивность промывки;

t1 = 0,1 ч - продолжительность промывки;

t2 = 0,33 ч - время простоя фильтра в связи с промывкой.

 

Число фильтров должно быть:

 

Принимаем 5 фильтров площадью:

 

размером в плане 4,0х4,0 м.

B = 4 м - ширина фильтра;

L = 4 м - длина фильтра.

Тогда площадь одного фильтра составит

fф = 16 м2

Уточняем скорость фильтрования

 

Скорость фильтрования при форсированном режиме:

 

где N1 - число фильтров, находящихся в ремонте.

Следовательно, скорость фильтрования при форсированном режиме отвечает требованиям табл. 34 [1].

Подбор состава загрузки

Загрузка фильтра принята согласно данным табл. 32 и 34 [8]. Высота фильтрующего слоя Нф=700 мм с минимальным диаметром зерен 0,5 мм и максимальным 1,2 мм. Эквивалентный диаметр зерен dэ=0,7 мм, а коэффициент неоднородности Кн=2.Поддерживающие слои имеют общую высоту 500 мм и крупность зерен 2-32 мм. (см.табл.33 Кожинов)

Расчет распределительной системы.

В проектируемом фильтре распределительная система служит как для равномерного распределения промывной воды по площади фильтра, так и для сбора профильтрованной воды.

Интенсивность промывки была принята равной w = 12,5 л/(с, тогда количество промывной воды, необходимой для одного фильтра:

,

где fф - площадь одного фильтра;

Принимаем скорость промывной воды в коллекторе

,

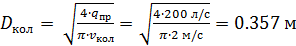
Тогда диаметр коллектора распределительной системы будет равен

 

Диаметр коллектора распределительной системы по очищенной воде:

 

Принимаем распределительный коллектор диаметром

Dкол = 357 мм. И изготавливаем его из трубы ф377х10 мм.

Площадь фильтра, приходящаяся на каждое ответвление распределительной системы при расстоянии между ними m = 0,27 м и наружном диаметре коллектора Dк = 377 мм:

 

Расход промывной воды, поступающей через одно ответвление:

 

Скорость движения воды в ответвлениях

,

Диаметр труб ответвлений:

 

Принимаем ответвления изготовленными из трубы ф 95х4 мм.

Пересчет скорости движения воды в ответвлениях

 

В верхней части ответвлений вертикально устанавливаем колпачки на патрубки диаметром 20мм.

Отношение площади всех патрубков для установки распределительных колпачков всех патрубков в ответвлениях распределительной системы Σfо к площади поперечного сечения общего коллектора Fкол принимается по СНиП равным а=0,35.

Площадь сечения коллектора

 

Принимаем диаметр отверстия в патрубке (с учетом стенки)

d0 = 16 мм,

Толщина стенки стальной трубы ответвления

δтр = 4 мм

Суммарная площадь отверстий для одного фильтра

 или 350 см2

При диаметре отверстия в патрубке 16мм площадь отверстия составит

 

Общее число патрубков (и, соответственно, колпачков) в распределительной системе каждого фильтра

 

Общее количество ответвлений на каждом фильтре при расстоянии между осями ответвлений 0.27 м

 

Принимаем с каждой их двух сторон коллектора по 15 ответвлений.

Число отверстий, приходящееся на каждое ответвление

 

При длине каждого ответвления

 

шаг оси отверстий будет:

 

На каждом патрубке устанавливается колпачек (см. [11] с 201)

Расчет устройства для сбора и отвода воды при промывке фильтра

Загрязненная вода при промывке скорых фильтров собирается и отводится по желобам, размещенным над поверхностью фильтрующей загрузки. Конструкция желобов должна предотвращать помехи нормальному расширению загрузки фильтра при поступлении промывной воды и препятствовать выносу зерен загрузки вместе с промывной водой.

Эти условия определяют выбор формы и размеров желоба, высоту его расположения над поверхность фильтра и допустимые расстояния между соседними желобами.

Принимаем 3 желоба. Расстояние между осями составляет 4м/3 = 1,333 м (рекомендуемое расстояние не более 2,2 м).

Расход промывной воды на 1 желоб:

 

Определим ширину желоба

 

где

К = 2 - для желобов с полукруглым основанием

a = 1,5 - отношение высоты прямоугольной части желоба к половине его ширины

 

Высота прямоугольной части желоба

 

Принимаем

Полезная высота желоба

 

Принимаем

Конструктивная высота желоба (с учетом толщины стенки)

 

Радиус полукруглого основания

 

Площадь сечения желоба

 

Скорость движения воды в желобе

 

При высоте фильтрующего слоя

hф = 700 мм

и относительном расширении фильтрующей загрузки в % (табл.37 [8])

е = 45%

Высота кромки желоба над поверхностью фильтрующей загрузки

 

Так как конструктивная высота желоба hк=0,44 м, т.е. более 0,303 м, нужно принять Dhж=0,5 м с тем, чтобы расстояние от низа желоба до верха загрузки фильтра было 0,05 - 0,06 м.

Определение расхода воды (в %) на промывку фильтра.

Продолжительность работы фильтра между двумя промывками при продолжительности рабочего фильтроцикла T0 = 12 ч и продолжитель-ности сброса первого фильтра в сток t3 = 0,17 ч.

 

Расход воды (в %) на промывку фильтра

 

Определение потерь напора при промывке.

Потери напора слагаются из следующих величин:

потери напора в распределительной системе фильтра:

 

где vкол - скорость движения воды в коллекторе, м/с;р.т. - скорость движения воды в распределительных трубах, м/с;

потери напора в фильтрующем слое высотой Нф по формуле А.И. Егорова [8]:

 

где a и b - параметры, равные для песка крупностью 0,51,0 мм а = 0,76 и b = 0,0017;

потери напора в гравийном поддерживающем слое высотой Нп.с. = 500 мм по формуле проф. В.Т. Турчинова [8]:

 

Принимаем суммарные местные сопротивления равными hм = 1 м

Суммарные потери напора составят:

 

Высоту уровня воды в аппрате (от его дна) следует принять больше суммы потерь напора, для того чтобы столб жидкости позволял преодолеть гидравлическое сопротивление аппарата.

В результате принимаем общую высоту уровня жидкости от дна аппарата 2,9 м. С учетом запаса высоты стенки во избежание перелива принимаем высоту стенок фильтра 3 м.

Определим диаметр штуцера подачи загрязненной воды в фильтр

При скорости в штуцере vш = 1 м/с

 

Принимаем для этого штуцера трубу ф 180х5.

Определим диаметр штуцера отвода промывной воды из кармана фильтра (принимаем 2 штуцера для отвода воды)

При скорости в штуцере vш = 2 м/с

 

Принимаем для этого штуцера трубу ф 273х5.

3.4.5      Механический расчет фильтра

Ширина резервуара

 

Длина резервуара

 

Высота резервуара

 

Резервуар подземный, высота засыпки

 

Объемная масса грунта

 

Угол внутреннего трения

 

Район строительства - Москва

Данные для проектирования:

Бетон тяжелый класса В20

Расчетное сопротивление на осевое сжатие

 

Расчетное сопротивление бетона для предельных состояний второй группы

 

Арматура класса А-III

Расчетное сопротивление растяжению рабочей продольной арматуры

 

Модуль упругости арматуры

 

Расчет и конструирование стеновой панели производим, опираясь на следующие данные для проектирования:

Высота фундамента

 

Глубина заделки стеновой панели в фундамент

 

Назначаем толщину стеновой панели

 

Высота стеновой панели

 

 

Выделим для расчета вертикальную полосу шириной 1м.

Нагрузки на стеновую панель

Горизонтальная нагрузка от давления воды на уровне защемления стены

, где

 - коэффициент надежности по нагрузке для жидкостей

 - объемная масса воды (плотность)

 

Определим высоту эквивалентного слоя обсыпки

Временная нагрузка на поверхность грунта

 

 

 

Горизонтальная нагрузка от давления грунта и временной нагрузки на уровне верха стеновой панели (от давления грунта обсыпки)

 , где

 - коэффициент надежности по нагрузке для насыпных грунтов

Сумма высот обсыпки и эквивалентного слоя

 

 

 

Горизонтальная нагрузка от давления грунта обсыпки на уровне заделки стеновой панели в днище резервуара

        , где

 

 

 

Определим внутренние расчетные усилия в стеновой панели от давления воды

Изгибающий момент на уровне защемления стены

 

 

Максимальный изгибающий момент в пролете от уровня верха стены на расстоянии

 

 

 

 

Поперечная сила на уровне защемления

 

 

Вычислим внутренние расчетные усилия от давления грунта:

изгибающий момент на уровне защемления стены

 

 

максимальный изгибающий момент в пролете от уровня верха стены на расстоянии

 

 

 

 

поперечная сила на уровне защемления

 

 


Расчет прочности стеновой панели по первой группе предельных состояний.

Стеновую панель на прочность по нормальным сечениям рассчитываем как плиту с одиночной арматурой с шириной расчетной полосы

 

Толщина защитного слоя бетона

 

Рабочая высота сечения

 

 

В расчете по прочности из двух расчетных схем принимаем большие значения изгибающего момента

 

 

Рассмотрим сечение в уровне защемления

Определим:

 

       - для бетона

 

 

 

 

 

Характеристика сжатой зоны бетона

         , где

 для тяжелого бетона

 

Граничное значение относительной высоты сжатой зоны бетона

При

 

 - расчетное сопротивление растяжению арматуры класса А-III

 - предельное напряжение в арматуре сжатой зоны

 

Тогда

Площадь рабочей вертикальной арматуры

 

 

По приложению 4 назначаем диаметр и шаг арматуры: 4ф14 А-III с Аs1=6,16кв.см и шагом 250мм (с обеих сторон стеновой панели).

 

Сечение в пролете:

 

 

 

 

 

 

Тогда

Площадь рабочей вертикальной арматуры

 

 

По приложению 4 назначаем диаметр и шаг арматуры: 2ф14 А-III с Аs2=3,08кв.см и шагом 500мм (с обеих сторон стеновой панели).

Отдельные стержни арматуры ф14 А-III объеденим в сварные сетки поперечной арматурой ф14 А-I (из условия свариваемости (прил.5) с шагом 250мм.

Расчет прочности стеновой панели по второй группе предельных состояний.

Проверим прочность стеновой панели из условия отсутствия наклонных трещин в сечениях стеновой панели:

          - максимальная поперечная сила

   так как бетон тяжелый

 

Условие выполнено, следовательно, класс бетона удовлетворяет условию прочности по трещиностойкости.

Определим ширину раскрытия трещин, нормальных к продольной оси элемента:

        , где

 - коэффициент для изгибаемых элементов

 - коэффициент, учитывающий продолжительное действие постоянных и длительных нагрузок для конструкций из тяжелого бетона при попеременном водонасыщении и высушивании;

 при применении стержневой арматуры

 

 

 

 

 

 

 

Условие по раскрытию трещин выполняется.

Расчет и конструирование днища резервуара

Для сбора нагрузок рассмотрим фрагмент днища резервуара под колонну одной из стенок

По конструктивным требованиям назначим минимальный вылет

 

Полная нагрузка на колонну состоит из

 - нагрузка от покрытия, засыпки, снеговая нагрузка

 - собственный вес ригеля

 - собственный вес колонны

 

 

Собственный вес днища резервуара под каждой колонной

 

Нагрузка на фундамент

 

 

Суммарная рабочая высота из конструктивных требований

 толщина днища

 защитный слой бетона

 высота капители

 высота подколонника

 

 

Давление колонны от нормальной нагрузки при среднем коэффициенте безопасности

 

 

 

Коэффициент характера нагружения днища

 

Максимальные изгибающие моменты в двух направлениях

 

 

 

 

Расчет днища по первому предельному состоянию выполним в соответствии с гл. 3.2.6. [12] в виде определения площади сечения арматуры.

Максимальный изгибающий момент в рассматриваемых точках.

 

 для арматуры днища

 

 

Принимаем по приложению 4 арматуру 8 ф12 А-III с As=9.05кв.см с шагом 125мм

В другом направлении принимаем для

 

 

 

арматуру 3 ф12 А-III с As=3.39кв.см с шагом 333мм

Верхнюю сетку С-2 подбираем по максимальному моменту Му2. Площадь арматуры получается также 3.301кв.см, следовательно также используем арматуру 3 ф12 А-III с As=3.39кв.см с шагом 333мм.

4.       Заключение

Вода играет решающую роль во многих процессах, протекающих в природе, и в обеспечении жизни человека. В промышленности воду используют как сырье и источник энергии, как хладоагент, растворитель, экстрагент, для транспортировки сырья и материалов и др.

Одно из наиболее серьезных опасений вызывает недостаток питьевой воды, ее качественные изменения, несоответствие санитарно-гигиеническим требованиям, серьезные последствия недоброкачественной питьевой воды для здоровья населения.

В общем объеме подаваемой воды 68 % занимают поверхностные водоемы. Ухудшение их состояния объясняется рядом причин, и главным образом:

-         сокращением годового стока рек;

-         неудовлетворительным состоянием зон санитарной охраны, в том числе постоянными нарушениями требуемых режимов в этих зонах.

Вышесказанное объясняет актуальность выполненной работы в которой разработано оборудование для отделения биохимической очистки сточных вод г. Рузы производительностью 10 000 м3/сут.

В рамках данной работы освещен вопрос тенденций в использовании современных штаммов микроорганизмов, и приемов для повышения эффективности их использования а так же спроектированы следующие аппараты: аэротенк, вторичный отстойник, безнапорный фильтр. Пояснительная записка содержит технологические и механические расчеты аппаратов, а также разделы по технико-экономическим показателям, по безопасности жизнедеятельности, по выбору конструкционных материалов и защите от коррозии и по экологической безопасности.

Список использованной литературы

1.       Лащинский А.А., Толчинский А.Р. Основы конструирования и расчета химической аппаратуры. Справ. Л.:Машиностроение, 1970.

.         Дытнерский Ю.И. Основные процессы и аппараты химической технологии. М.:Химия, 1991.

3.       Павлов К.Ф., Романков П.Г., Носков А.А. Примеры и задачи по курсу процессов и аппаратов химической технологии. Л.: Химия, 1987.

.         Кутателадзе С.С., Боришанский В.М. Справочник по теплопередаче. М.:ГОСЭНЕРГОИЗДАТ, 1965.

.         Касаткин А.Г. «Основные процессы и аппараты химической технологии» М., «Химия», 1973 г.

.         Ч.Л. Монгайт, И.Д. Родзилер «Методы очистки сточных вод»,М., 1984 г.

.         Плановский А.Н., Николаев П.И. «Процессы и аппараты химической технологии» М., «Химия» , 1972 г.

8.       Кожинов, В.Ф. Очистка питьевой и технической воды / В.Ф. Кожинов. - М.: БАСТЕТ, 2008.

9.       Позин, М.Е. Расчеты по технологии неорганических веществ / М.Е. Позин. - Л.: Химия, 1977.

.         Продан, В.Д. Расчеты железобетонных резервуаров: методические указания / В.Д. Продан. - М.: МГУИЭ, 2007.

.         Родионов, А.И. Защита биосферы от промышленных выбросов. Основы проектирования технологических процессов / А.И. Родионов, Ю.П. Кузнецов, Г.С. Соловьев. - М.: Химия, Колосс, 2005.

.         Яров, В.А. Проектирование железобетонных резервуаров / В.А. Яров, О.П. Медведева. - М.: Изд-во Ассоциации строительных ВУЗов, 1997.

13.     Гудков, А.Г. Биологическая очистка городских сточных вод: учебное пособие / А.Г. Гудков. - Вологда: ВоГТУ, 2002.

Похожие работы на - Реконструкция отделения биохимической очистки сточных вод города Руза, производительностью 10000 м3/сут

 

Не нашли материал для своей работы?
Поможем написать уникальную работу
Без плагиата!
Без нейросетей!