|
Кратность разбавления
|
16
|
|
Взвешенные вещества, мг/л
|
300
|
|
БПК5, мг/л
|
700
|
|
ХПК, мг/л
|
1750
|
|
Жиры, мг/л
|
50
|
|
Нефтепродукты, мг/л
|
0,7
|
|
ПАВ, мг/л
|
1,4
|
Основными загрязняющими веществами ливневого и талого стока являются
взвешенные вещества и нефтепродукты. Для сброса очищенных стоков в
мелиоративный канал необходима глубокая очистка по всем показателям
загрязняющих веществ.
1.4 Обоснование принятых систем сбора и отвода сточных вод, объема
сточных вод, способы предварительной очистки, применяемых реагентов,
оборудования и аппаратуры
На сегодняшний день производительность очистных сооружений составляет
2172,75 м3/сут. Технологическим оборудованием, входящим в состав
линии очистки промышленных стоков, является аккумулирующая емкость 30 м3
и усреднительная емкость объемом 600 м3.
Сточные воды с существующих цехов самотеком поступают в аккумулирующую
емкость объемом 30 м3, а затем насосами в усреднительную емкость
объемом 600 м3.
Главным недостатком действующей технологической схемы очистки
является высокое содержание загрязняющих веществ в промышленном стоке после
отстаивания в аккумулирующей емкости (БПК5 - 1791 мг/л, ХПК - 3759 мг/л и жиров
- 252 мг/л).
Проектом предусмотрена разработка двух вариантов технологических линий
очистки:
. Раздельная очистка производственных и ливневых сточных вод.
Производственный сток после предварительной очистки до нормативов ГУП
"Водоканал Санкт-Петербурга" по сбросу сточных вод в городскую
систему канализации, поступает на КНС, откуда перекачивается в систему
канализации.
Ливневой и талый сток после очистных сооружений сбрасываются в водоем
рыбохозяйственного назначения.
. Совместная очистка производственных и хозяйственно-бытовых
сточных вод до нормативов сброса в водоем рыбохозяйственного назначения.
Ливневой и талый сток после очистных сооружений сбрасываются в водоем
рыбохозяйственного назначения.
Рисунок 1. Принципиальная схема очистки сточных вод
.5 Описание реконструкции технологии очистки производственных сточных вод
Общая часть.
На производстве, в ходе расширения производства произойдет увеличение
объема производственного стока до 3600 м3/сут с содержанием взвесей
- 431 мг/л, БПК5 - 2558 мг/л и ХПК - 5370 мг/л.
Учитывая невозможность остановки работы очистных сооружений, а также
необходимость в значительных капитальных затратах, в проектом предусмотрена
реконструкция очистных сооружений в две очереди:
Первая очередь.
На данной стадии предусматривается только предварительное очищение
промышленных стоков до норм ПДК, установленных ГУП "Водоканал
Санкт-Петербург".
В связи с дальнейшим увеличением притока сточных вод на очистные
сооружения необходимо устройство канализационной насосной станции, рассчитанной
на максимальный приток сточных вод для подачи в усреднительную емкость объемом
600 м3.
Для улучшения осаждения взвешенных частиц и регулирования рН
предусматривается реагентная обработка сточных вод коагулянтом, а также
раствором кислоты.
Вторая стадия.
На второй стадии предусматривается глубокая очистка промышленных стоков
до нормативов сброса в водоем рыбохозяйственного назначения.
Проектом предусматривается очистка сточных вод на напорном флотаторе,
аэротенке, вторичном отстойнике, а также обеззараживание гипохлоритом натрия и
доочистка на сорбционных фильтрах.
Применяемая технология очистки позволяет достигать высокой степени
очистки промышленного стока.
Для рационального использования воды, позволяющего снизить объем
потребления свежей воды, проектные решения направлены на повторное
использование в технологических нуждах производства, а также полива территории
в летнее время.
Очистка производственного стока.
Производственный сток характеризуется высокой цветностью (кратность
разбавления 700), которую образуют микроскопические взвешенные частички. Для
эффективного снижения коллоидной (нерастворенной) цветности воды проектом
предусмотрено применение коагулянта Налко 71226, с последующим отстаиванием в
аккумулирующей емкости. Дополнительно предусматривается применение флокулянта,
позволит увеличить скорость осаждения взвешенных частиц без дополнительного
снижения цветности.
Доза коагулянта Налко 71226 Dk = 200 г/л. Максимальная эффективность применения коагулянта
достигается при рН сточных вод в диапазоне 7 - 7,5.
Расчет промышленного стока
Расход сточных вод, равномерно поступающих на очистку Qоч = 3430 м3/сут. В
дальнейшем для удобства расчетов примем Qоч = 143 м3/ч.
Расчет работы насосной станции для подачи стоков на очистные сооружения
сведен в таблицу (см. приложение А).
Расчет дозы реагентов
Объем расходной емкости для хранения раствора коагулянта определяется по
формуле:
м3
где Dk - доза Налко 71226, Dk = 200 г/м3;
Т - время, на которое заготавливается рабочий раствор, Т = 24 ч;
bр - концентрация раствора в расходных
баках, bр = 10 %;
ρр - плотность раствора 10 % концентрации, ρр = 1,100 т/м3;
Принимаем к установке два бака объемом 4 м3 каждый.
Производительность насоса-дозатора на каждый напорный трубопровод
принимается из выражения:
Принимаем к установке станцию дозирования с тремя (2 рабочих, 1
резервный) мембранными дозирующими насосами Prominent Sigma/1Cb с
максимальной подачей 10 л/ч и давлением 10 бар.
Коагулянт вводится перед подачей промышленного стока в усреднительную
емкость. Взвешенные частицы укрупняются, предварительно осаждаются в
усреднительной емкости.
Объем расходной емкости для хранения раствора флокулянта Superfloc определяется по формуле:
м3
где Dk - доза флокулянта, Dk = 10 г/м3;
Т - время, на которое заготавливается рабочий раствор, Т = 24 ч;
bр - концентрация раствора в расходных
баках, bр = 0,5 %;
ρр - плотность раствора 0,5 % концентрации, ρр = 1,300 т/м3;
Производительность насоса-дозатора на каждый напорный трубопровод
принимается из выражения:
Принимаем к установке станцию дозирования с двумя (1 рабочий, 1
резервный) мембранными дозирующими насосами Prominent Sigma/1Cb с
максимальной подачей 10 л/ч и давлением 10 бар.
Концентрированный раствор 0,5% флокулянта будет доставляться на
производство в жидком виде в емкостях объемом 1 м3.
Флокулянт вводится перед подачей промышленного стока в усреднительную
емкость. Взвешенные частицы укрупняются, предварительно осаждаются в усреднительной
емкости.
После предварительной очистки в усреднительном резервуаре промышленный
сток направляется на напорную флотацию.
Эффективность применения коагулянта зависит от рН сточной воды.
Производственные сточные воды, поступают на очистку с максимальным значением
рН=11.
Для достижения максимальной эффективности реагента необходимо
поддерживать рН в пределах 7-7,5.
Проектом предусмотрено дозирование 10% раствора серной кислоты H2SO4 в емкость канализационной насосной станции.
Расчеты показывают, что при рН=11 концентрация щелочи NaOH (40 г-экв) в производственном стоке
составляет 0,04 г/л. Итого щелочей в стоке
- 0,04 : 40 = 0,001 г-экв/л
Для нейтрализации такого количества щелочи проектом предусматривается
применение серной кислоты H2SO4 (49 г-экв).
Требуемое количество серной кислоты для нейтрализации 0,001 г-экв/л
щелочи NaOH составляет 0,049 г/л.
Плотность 10% раствора серной кислоты 1,0661 т/м3.
Производительность насоса-дозатора
Объем расходного бака раствора серной кислоты из расчета:
где Т - время, на которое хранится рабочий раствор, Т = 24 ч;
Принимаем к установке 2 емкости объемом 1 м3 каждая.
Принимаем к установке станцию дозирования с двумя (1 рабочий, 1 резервный)
мембранными дозирующими насосами Prominent Sigma/2Cb с максимальной подачей 90 л/ч и
давлением 10 бар. Насос будет управляться автоматически от датчиков рН,
установленных на самотечном трубопроводе перед КНС и на напорном трубопроводе
перед аккумулирующей емкостью.
Эффективность отстаивания в усреднительной емкости будет значительно
выше, поскольку очищаемый сток предварительно был подвержен реагентной
обработке растворами коагулянтов и флокулянтов.
Наличие реагентов в емкостях контролируется уровнемерами Endress+Hauser и визуальным мерным "стеклом" из
прозрачного ПВХ с тремя бистальбильными датчиками, с помощью которых система
управления выдает предупреждение при минимуме 1 и аварийное сообщение с
блокировкой насосов при минимуме 2. Для защиты от перелива на емкости
используется третий датчик, установленный в верхней точки водомерного стекла.
Рисунок 2. Станция дозирования
Флотатор
На первой стадии реконструкции очистки очистных сооружений предусмотрена
очистка сточных вод на напорном флотаторе компании KWI тип Minicell 18
производительностью 180 м3/ч, диаметром 5,5м.
Рисунок 3. Флотатор KWI Minicell
Концентрации загрязняющих веществ на выходе составляют:
Результаты очистки сточных вод на флотаторе сведены в таблицу 5.
Таблица 5
|
Показатель
|
Требования ГУП
"Водоканал Санкт-Петербург"
|
Сточные воды после очистки
на флотаторе
|
|
Кратность разбавления
|
16
|
10,5
|
|
Взвешенные вещества, мг/л
|
300
|
75,4
|
|
БПК5, мг/л
|
700
|
665
|
|
ХПК, мг/л
|
1750
|
1396
|
|
Жиры, мг/л
|
50
|
47,2
|
|
Нефтепродукты, мг/л
|
0,7
|
0,53
|
|
ПАВ, мг/л
|
1,4
|
1,19
|
Исходя из результатов очистки, сведенных в таблицу видно, что полученные
очищенные стоки удовлетворяют нормативам ГУП "Водоканал
Санкт-Петербург" на сброс в общегородскую систему канализации. После
очистки на напорном флотаторе стоки самотеком поступают в существующую
канализационную насосную станцию.
Пена, образовавшаяся во время очистки стоков, удаляется с поверхности
флотатора скребковым механизмом, с последующим обезвоживанием на фильтр-прессе.
Количество выпавшего осадка
, м3/сут на флотаторе
определяют по формуле:
- расход сточных вод, поступающих на очистку, м3/сут;
= 143 ∙ 24 = 3432 м3/сут;
С и С1 - начальное и конечное содержание взвешенных веществ в
сточной воде, г/м3;
pmud - влажность осадка равная 95%
γmud - плотность осадка равная 1 г/см3.
Количество выпавшего осадка
, м3/сут в усреднительном
резервуаре определяют по формуле:
mud - влажность осадка равная 99,2%
Определение производительности фильтр-пресса:
время работы каркасного фильтр - пресса.
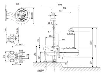
Для обезвоживания осадка проектом предусмотрено применение 1 рабочего
фильтр-пресса компании Intech GmbH с
гидравлической силовой установкой и производительностью до 30 м3/ч
(см. рисунок 4).
Размеры фильтр-пресса ДхВхШ 4825х1700х1622мм.
Рисунок 4. Фильтр пресс
Для повышения эффективности обезвоживания осадка на фильтр-прессе в
проекте предусмотрено дозирование флокулянта Superfloc. Доза флокулянта принята согласно п.
6.384 СНиП 2.04.03 - 85 "Канализация. Наружные сети и сооружения" 5
кг/т сухого вещества осадка.
Проектом предусмотрено дозирование 0,4% (4 г/л) раствора флокулянта.
Количество сухого осадка
, кг/сут в усреднительном резервуаре определяется по формуле:
Количество сухого осадка
, кг/сут на флотаторе определяется по формуле:
Общее количество сухого осадка, поступающего на обезвоживание
Количество флокулянта, необходимого
для обезвоживания
Объем расходной емкости для хранения раствора коагулянта определяется по
формуле:
где qфлок - расход флокулянта, 0,31 кг/ч;
Т - время, на которое заготавливается рабочий раствор, Т = 24 ч;
bр - концентрация раствора в расходных
баках, bр = 0,5% (5 г/л);
Раствор флокулянта дозируется шнековым насосом. Производительность
насоса-дозатора принимается из выражения:
К установке принимается два (1 рабочий + 1 резервный) шнековых
насоса-дозатора производительность 80 л/ч и давлением 6 бар.
Концентрированный раствор 0,5% флокулянта будет доставляться на
производство в жидком виде в емкостях объемом 1 м3.
Расчет хозяйственно-бытового стока
На сегодняшний день на предприятии работает 220 человек. К 2018 году
количество работников будет увеличено до 300 человек. Число работников,
питающихся в столовой, равно 80% от общего количества. Для расчета, количество
блюд принято 2,5.
, где
tot u - норма расхода воды в сутки
наибольшего водопотребления (в том числе горячей), л/сут;
N - количество рабочих,
чел;
n - количество блюд, шт.
Количество админинстративно-управленческого
персонала и инженерно-технических работников составляет 1/3 от общего
количества рабочих на предприятии и будет составлять 100 человек.
, где
tot u - норма расхода воды в сутки
наибольшего водопотребления (в том числе горячей), л/сут;
N - количество рабочих,
чел.
Число работающих на производстве составляет
2/3 от общего количества рабочих на предприятии и составляет 200 человек.
, где
tot u - норма расхода воды в сутки
наибольшего водопотребления (в том числе горячей), л/сут;
m - количество смен;
N - количество рабочих,
чел.
Концентрации загрязняющих веществ хозяйственно-бытовых сточных вод сведем
в таблицу 6.
Таблица 6
|
Взвешенные вещества, мг/л
|
2,5
|
|
БПК5, мг/л
|
2,9
|
|
ПАВ, мг/л
|
0,01
|
Расчет аэротенка
На второй очереди строительства очистных сооружений проектом
предусматривается введение блоков биологической очистки, обеззараживания стоков
и доочистки их на сорбционных фильтрах.
Для снижения затрат на перекачку хозяйственно-бытовых сточных вод в
общегородской коллектор предусмотрено его смешение с промышленным стоком и
совместной биологической очисткой.
В результате смешения хозяйственно-бытового и промышленного стока
получены усредненные концентрации, которые сведены в таблицу 7.
Таблица 7
|
Взвешенные вещества, мг/л
|
74,9
|
|
БПК5, мг/л
|
661
|
|
ХПК, мг/л
|
1387
|
|
Жиры, мг/л
|
46,9
|
|
Нефтепродукты, мг/л
|
0,53
|
|
ПАВ, мг/л
|
1,18
|
Для биологической очистки сточных вод применяется аэротенк-смеситель (150
мг/л<БПК5<1000 мг/л). Поскольку БПК5 воды поступающей в аэротенк выше 150
мг/л, в аэротенке предусматривается регенерация активного ила.
При условии, что хозяйственно-бытовые сточные воды поступают в на очистку
не равномерно, требуется введение коэффициента неравномерности.
Максимальный расход сточных вод:
,
где
- коэффициент неравномерности, определяется по таблице 2 СНиП
2.04.03-85, и составляет
.
Минимальный расход сточных вод:
,
где
- коэффициент неравномерности, определяется по таблице 2 СНиП
2.04.03-85, и составляет Кgenmin= 0,38
.
Расчет аэротенка будем производить при максимальном расходе
хозяйственно-бытовых сточных вод.
Qоч = Qпроизвод + Qmax = 3432 + 65,5 = 3497,5 м3/сут
В расчете далее принимаем расчетный среднечасовой расход Q = 146 м3/ч
Степень рециркуляции ила

Ji - иловый индекс, 130 см3/г. Принимаем
предварительно по табл. 41 СНиП 2.04.03 - 85 "Канализация. Наружные сети и
сооружения".
Нагрузку на ил qi, мг БПК5 на 1 г беззольного вещества ила в сутки, рассчитаем по формуле
где tat
- период аэрации, ч.
Период аэрации tatm, ч, в аэротенках, работающих по принципу смесителей (300
мг/л < БПК5 < 1000 мг/л), следует определить по формуле
где Len
- БПК5
поступающей в аэротенк сточной воды, 661 мг/л;
Lex - БПК5 очищенной воды, 5 мг/л;
ai - доза ила, 5 г/л;
s -
зольность ила, принимаемая по табл. 40 СНиП 2.04.03-85 (0,35);
r - удельная
скорость окисления, мг БПК5 на 1 г беззольного вещества ила в 1 ч,
определяемая по формуле
где rmax - максимальная скорость окисления, мг/(г×ч), принимаемая по табл. 40 СНиП
2.04.03-85 (232);O - концентрация растворенного кислорода, 15 мг/л;
Kl -
константа, характеризующая свойства органических загрязняющих веществ, мг БПК5/л,
и принимаемая по табл. 40 СНиП 2.04.03-85 (90);
КО - константа, характеризующая влияние кислорода, мг О2/л,
и принимаемая по табл. 40 СНиП 2.04.03-85 (1,66);
j - коэффициент
ингибирования продуктами распада активного ила, л/г, принимаемый по табл. 40 СНиП
2.04.03-85 (0,16).
При проектировании аэротенков с регенераторами продолжительность
окисления органических загрязняющих веществ tO, ч, надлежит определять по формуле
где Ri = 0,83;
ar - доза ила в регенераторе, г/л, определяемая по формуле
r - удельная
скорость окисления для аэротенков - смесителей, при дозе ила ar = 6,35.
Продолжительность обработки воды в аэротенке tat, ч, необходимо определять по формуле
Продолжительность регенерации tr, ч, надлежит определять по формуле
Вместимость аэротенка Wat, м3, следует определять
по формуле
где qw - расчетный расход сточных вод, 146
м3/ч.
Вместимость регенераторов Wr, м3, следует определять по формуле
Общий объем аэротенка составит
Расчетная продолжительность пребывания сточных вод в аэротенке
Прирост активного ила Pi, мг/л, в аэротенке надлежит определять по формуле:
где Ccdp
- концентрация
взвешенных веществ в сточной воде, поступающей в аэротенк, 74,9 мг/л;
Kg - коэффициент прироста; для городских и близких к ним по
составу производственных сточных вод Kg = 0,3.
Конструктивные размеры аэротенка: Wсумм=5697 м3
Примем 4 двухкоридорных аэротенка
В=6 м - ширина; Н=4 м - глубина.
- длина одной секции.
Вторичный отстойник
Гидравлическая нагрузка на вторичные отстойники для аэротенков-смесителей
рассчитывается по формуле
где Kss
- коэффициент
использования объема зоны отстаивания, принимаемый для горизонтальных
отстойников - 0,45;set = 3м,t = 30 мг/л,
ai = 5г/л.
Площадь одного отделения горизонтального отстойника после аэротенка
К установке принимаем 4 отстойника площадью каждого 20,6 м2.
Ширина отстойника Bset принимается 6м.
Длина отстойника Lset определяется по формуле
Полная строительная высота отстойника на выходе H
Н = Hset + Н1 + Н2 + Н3,
где Н1 - высота борта над слоем воды, равная 0,5м;
Н2 - высота нейтрального слоя (от дна на выходе), равная 0,3м;
Н3 - высота слоя ила, равная 0,5м;
Н = 3 + 0,5 + 0,3 + 0,5 = 4,3 м.
Количество выпавшего осадка (активного ила)
, м3/сут во вторичном
отстойнике определяют по формуле:
Концентрации загрязняющих веществ на выходе составляют:
Результаты очистки сточных вод в аэротенке и вторичном отстойнике сведены
в таблицу 8.
Таблица 8
|
Показатель
|
Требования РФ по
рыболовству
|
Сточные воды после очистки
в аэротенке и ВО
|
|
Кратность разбавления
|
|
6,3
|
|
Взвешенные вещества, мг/л
|
10
|
30
|
|
БПК5, мг/л
|
3
|
6,61
|
|
ХПК, мг/л
|
30
|
55,5
|
|
Жиры, мг/л
|
0,05
|
0,94
|
|
Нефтепродукты, мг/л
|
0,05
|
0,2
|
|
ПАВ, мг/л
|
0,5
|
0,47
|
Обезвоживание осадка.
Осадок, выпавший во вторичном отстойнике, предусматривается обезвоживать
на фильтр-прессе компании Intech GmbH.
Общее количество выпавшего во вторичном отстойнике
Максимальная производительность одного фильтр-пресса компании Intech GmbH с гидравлической силовой установкой
составляет 30 м3/ч. К установке принимается 4 рабочих и 1 резервный
фильтр-пресса.
Для повышения эффективности обезвоживания осадка на фильтр-прессе в
проекте предусмотрено дозирование высокомолекулярного флокулянта катионного
типа Flopam FO 4490 SSH. Доза флокулянта принята согласно п 6.384 СНиП 2.04.03
- 85 "Канализация. Наружные сети и сооружения" 5 кг/т сухого вещества
осадка.
Общее количество сухого осадка, поступающего на обезвоживание от
флотатора и усреднительной емкости:
Количество сухого осадка (активного
ила)
, кг/сут во вторичном отстойнике
определяется по формуле:
Общее количество сухого осадка, поступающего на обезвоживание
Количество флокулянта, необходимого для обезвоживания
Для обезвоживания осадка в проекте предусматривается дозирование 0,4% (4
г/л) раствора флокулянта.
Объем расходной емкости для хранения раствора коагулянта определяется по
формуле:
где qфлок - расход флокулянта, 4,6 кг/ч;
Т - время, на которое заготавливается рабочий раствор, Т = 3 ч;
bр - концентрация раствора в расходных
баках, bр = 0,4% (4 г/л);
Раствор флокулянта дозируется шнековым насосом. Производительность
насоса-дозатора для подачи раствора флокулянта на обезвоживание осадка из
вторичного отстойника принимается из выражения:
К установке принимается станция приготовления флокулянта Polyrex с емкостями приготовления раствора и
его хранения по 4,2 м3 каждая. Раствор готовится из сухого порошка.
Дозирование 0,4% раствора флокулянта на обезвоживание осадка,
поступающего от флотатора и усреднительной емкости, предусматривается двумя
шнековыми насосами (1 рабочий + 1 резервный) производительность 80 л/ч и давлением
6 бар.
Дозирование 0,4% раствора флокулянта на обезвоживание осадка,
поступающего от вторичного отстойника, предусматривается установка четырех
шнековых насоса (4 рабочих + 1 резервный) производительность 300 л/ч и
давлением 6 бар.
Рисунок 5. Установка Polyrex
Обеззараживание предварительно очищенного стока
гипохлоритом натрия.
Объем резервуара предварительно очищенного стока определяется из
выражения:
где t = 15 мин = 1/4 часа - время контакта
сточных вод с хлором;
Q =
146 м3/час - расход на очистку с учетом перспективы.
Принимаем к установке подземный резервуар объемом 50 м3.
Гипохлорит натрия доставляется в контейнерах объемом 1 м3 в
жидком виде с концентрацией раствора 10%. Доза активного хлора Dcl = 5 г/м3 (п. 6.223 СНиП
2.04.03 - 85 "Канализация. Наружные сети и сооружения").
Суточное потребление гипохлорита:
где Dcl - доза активного хлора, Dcl = 5 г/м3.
Производительность насоса-дозатора принимается из выражения:
где Qполн- полная производительность
сооружения, Qполн = 3497,5 м3/сут;
Dcl - доза активного хлора, Dcl = 5 г/м3;
bр - концентрация раствора в расходных
баках, bр = 10 %;
ρр - плотность раствора 10 % концентрации, ρр = 1,1 кг/л,
Принимаем к установке станцию дозирования с двумя (1 рабочий, 1
резервный) мембранными дозирующими насосами Prominent Sigma/1Cb с
максимальной подачей 10 л/ч и давлением 10 бар. Насос будет управляться
автоматически от датчика хлора, установленного на напорном трубопроводе от
резервуара предварительно очищенного стока.
Сорбционные фильтры с активированным углем.
После биологической очистки вода проходит через сорбционные фильтры для
доочистки до ПДК рыбохозяйственного значения. Они заполнены гранулированным
активным углем марки АГ 3 для удаления растворенных органических веществ. С
помощью этих фильтров также удаляются следы хлорных соединений, которые могут
оказаться в воде в результате очистки и обеззараживания стоков гипохлоритом
натрия.
Активный уголь АГ 3 имеет технические характеристики, приведенные в
таблице 9.
Таблица 9
|
Наименование показателя
|
Норма
|
|
Внешний вид
|
Цилиндрические гранулы
темно-серого или черного цвета
|
|
Размер гранул: >3,6 мм,
%, не более 3,6-2,8 мм, %, не более 2,8-1,5 мм, %, не менее 1,5-1,0 мм, %, не
более <1,0 мм, %, не более
|
0,4 3,0 86,0 10,0 0,6
|
|
Прочность на истирание, %,
не менее
|
75
|
|
Массовая доля влаги, %, не
более
|
5,0
|
|
Суммарный объем пор по
воде, см3/г
|
0,8
|
|
Динамическая активность по
бензолу, мин
|
40
|
|
Насыпная плотность кг/м3
|
480-500
|
Принимаем к установке четыре сорбционных фильтра ЭВИ 1/40.С производства
НПО "ЭкоВодИнжиниринг", три из которых являются рабочими, а четвертый
- резервным и включается в работу во время вывода одного из рабочих фильтров из
строя для замены активированного угля.
Напорные фильтры ЭВИ с сорбционной загрузкой предназначены для глубокой
доочистки сточных вод от растворенных органических и некоторых неорганических
соединений и для удаления хлора после обеззараживания.
На фильтр допускается подача воды с содержанием:
взвешенных веществ - не более 30 мг/л;
нефтепродуктов - не более 5 мг/л;
Сорбционные фильтры представляют собой емкости из стеклопластика,
оснащены распределительным устройством и заполнены активированным углем. В
комплектной системе очистки сточных вод они выполняют функцию
"сторожевого" фильтра, т.е. абсорбируют последние следы хлора,
взвешенных частиц и нефтепродуктов перед отправлением очищенной воды в водоем.
Направление потока - снизу вверх. Фильтр работает под давлением
1-2 бар.
Производительность этих фильтров рассчитана таким образом, чтобы в случае
необходимости замены заполнения одного из фильтров, оставшиеся в работе фильтры
справлялись бы с полным объемом подаваемой воды.
В корпусе фильтров предусмотрены боковые люки диаметром 600 мм для
обслуживания.
Технические данные сорбционных фильтров с активированным углём
представлены в таблице 10.
Таблица 10
|
Показатель
|
Ед. изм
|
Значение
|
|
Производительность
макс
|
м³
/ час
|
70
|
|
Температура жидкости макс.
|
°C
|
35
|
|
Объем загрузки
|
м³
|
20
|
|
Диаметр
|
мм
|
3000
|
|
Высота
|
мм
|
6000
|
|
Входной патрубок, DN (ДУ)
|
мм
|
100
|
|
Выходной патрубок, DN (ДУ)
|
мм
|
100
|
|
Материал емкости
|
-
|
стеклопластик
|
|
Заполнитель
|
-
|
Активированный уголь Cyclocarb 201
|
|
Вес нетто
|
кг
|
2350
|
|
Вес брутто
|
кг
|
44000
|
Часть очищенной воды отводится в емкость очищенного стока, из которой
происходит подача воды для обратной промывки сорбционного фильтра. Направление
фильтрации в фильтрах снизу вверх. Максимальная скорость фильтрования при
нормальном режиме работы - 5,6 м/ч, при форсированном режиме до 9 м/ч.
Потеря напора в фильтре не превышает 3 м. Минимальное время контакта воды
с загрузкой 23 мин.
Для повышения эффективности очистки сточных вод на сорбционном фильтре
применим коагулянт Fe2(SO4)3.
Объем расходной емкости для хранения раствора коагулянта определяется по
формуле:
м3
где Dk - доза Fe2(SO4)3, Dk = 7 г/м3;
Т - время, на которое заготавливается рабочий раствор, Т = 24 ч;
bр - концентрация раствора в расходных
баках, bр = 10 %;
ρр - плотность раствора 10 % концентрации, ρр = 1,100 т/м3;
Принимаем к установке бака объемом 4 м3.
Производительность насоса-дозатора принимается из выражения:
Принимаем к установке станцию дозирования с двумя (1 рабочий, 1
резервный) мембранными дозирующими насосами Prominent Sigma/1Cb с
максимальной подачей 10 л/ч и давлением 10 бар.
Коагулянт вводится перед подачей его на сорбционные фильтры в резервуар
предварительно очищенного стока.
Концентрации загрязняющих веществ на выходе составляют:
Результаты очистки на сорбционном фильтре сведем в таблицу11.
Таблица 11
|
Показатель
|
Требования РФ по
рыболовству
|
Сточные воды после очистки
на сорбционном фильтре
|
|
Кратность разбавления
|
|
3,2
|
|
Взвешенные вещества, мг/л
|
10
|
9
|
|
БПК5, мг/л
|
3
|
2,64
|
|
ХПК, мг/л
|
30
|
27,8
|
|
Жиры, мг/л
|
0,05
|
0,05
|
|
Нефтепродукты, мг/л
|
0,05
|
0,01
|
|
ПАВ, мг/л
|
0,5
|
0,3
|
1.6 Описание реконструкции технологии очистки ливневых и талых
сточных вод
Общая часть.
Реконструкция очистных сооружений поверхностного стока завода
производится в связи:
- с расширением территории завода и увеличением площадей сбора
поверхностных вод, подвергающихся очистке на существующих очистных сооружениях;
- с превышением ПДК очищенного стока по нефтепродуктам,
взвешенными частицами и содержанию железа на сборе в мелиоративный канал.
Завод является пищевым производством и относится к предприятиям I группы.
Основными примесями,
содержащимися в стоке с территории предприятий первой группы, являются грубодисперсные
примеси, сорбированные главным образом на взвешенных веществах, минеральные
соли и органические примеси естественного происхождения.
Расчетный состав поверхностного стока принят в соответствии с
"Рекомендаций по расчету систем сбора, отведения и очистки поверхностного
стока с селитебных территорий, площадок промпредприятий и определению условий
выпуска его в водные объекты" для предприятий I группы и представлен в таблице 12.
Таблица 12
|
Вид стока
|
Загрязняющие вещества
|
|
Наименование загрязнения
|
Концентрация загрязнений
|
|
Дождевой
|
Взвешенные вещества
|
До 400 мг/л
|
|
Нефтепродукты
|
До 20 мг/л
|
|
Талый
|
Взвешенные вещества
|
До 1200 мг/л
|
|
Нефтепродукты
|
До 30 мг/л
|
Дренажные сточные воды содержат железо с концентрацией загрязнений до 5
мг/л.
Технология очистки поверхностных и дренажных стоков.
Существующая схема очистки поверхностного стока.
На сегодняшний день, поверхностные воды с территории завода подвергаются очистке на подземных очистных
сооружениях производительностью 30 л/с, выполненных из стеклопластика, фирмы "FloTenk" с использованием повышающей канализационной
насосной станции. Очистные сооружения "FloTenk" предназначены для удаления из сточных
вод минеральных загрязнений и нефтепродуктов.
Существующие очистные
сооружения состоят из следующих сооружений:
- распределительный колодец;
- пескоотделитель FloTenk EN-40;
- насосная станция FloTenk-KNS-30;
- колодец-гаситель напора FloTenk-RK;
- маслобензоотделитель FloTenk - ОМ-30;
- сорбционный фильтр FloTenk-SB-30;
- ультрафиолетовый обеззараживатель FloTenk-UF -
30.
Поверхностные и дренажные стоки с территории завода по наружным
самотечным сетям дождевой канализации поступают к колодцу-распределителю и
далее на существующие очистные сооружения дождевой канализации.
Нарушение работы очистных
сооружений и превышение ПДК очищенного стока
по нефтепродуктам, взвесям и содержанию железа на сбросе в мелиоративный канал
вызвано следующими причинами:
- расход стоков, подаваемый на очистку, (94,2 л/сек на
сегодняшний день) превышает производительность
очистных сооружений (30 л/сек);
- неправильным подключением пескоотделителя (подающий и отводящий
патрубки врезаны с одной стороны, что нарушает закон гравитации и уменьшает
выпадение взвесей из стока);
- канализационная насосная станция в связи с незарегулированным притоком стоков
работает в режиме работы двух насосов одновременно
(рабочего и резервного). Таким образом, бензомаслоотделитель
и сорбционный блок доочистки работают с перегрузкой,
т.к. на них подается расход стоков в два раза
превышающий их производительность;
- выпуск в канаву значительно выше (более 1 метра), чем выходящий патрубок из сорбционного блока доочистки,
что приводит к подпору в сети после очистных
сооружений и нарушению самотечного режима очистных
сооружений.
После проведения технико-экономического обоснования, принято решение о
реконструкции очистных сооружений и выпуска дождевой канализации.
Описание процесса реконструкции.
В дипломном проекте выполняется реконструкция существующих локальных
очистных сооружений на основе емкостей из армированного стеклопластика"FloTenk":
- переформовка подающего патрубка в пескоотделителе;
- переоборудование сорбционного блока;
- установка канализационной насосной станции для перекачки всех
стоков в канаву;
- оборудование рабочей линии тремя аккумулирующими емкостями по
100 куб. м каждая;
- устройство байпасной линии для сброса стока во время дождей,
превышающих предельную интенсивность;
- установка УФ - обеззараживания.
После очистки вода,
поступает в мелиоративный канал.
Степень очистки стоков
обеспечивает качество очищенной воды нормам предельно-допустимых концентраций (ПДК)
для сброса в водоем рыбохозяйственного значения:
- по взвешенным веществам - до 3,0 мг/л;
- по нефтепродуктам - до 0,05 мг/л;
- БПКп - до 3,0 мгО2/л;
- ХПК - до 15 мг/л;
- солесодержание - до 1,0 г/л
Предусматривается контроль
качества очищенных поверхностных и дренажных сточных вод в контрольном колодце перед
выпуском в существующую канаву.
Очистные сооружения
после реконструкции состоят из следующих сооружений:
- распределительного колодца (существующего);
- три аккумулирующих
емкостей по 100 куб. м каждая, укомплектованных встроенными насосными установками
(вновь сооружаемых);
- колодца с отключающей арматурой (вновь сооружаемого №1);
- колодца с отключающей арматурой (вновь сооружаемого №9);
- колодца-гасителя напора (реконструируемого №10);
- пескоотделителя (реконструируемого);
- насосной станции №1 для отвода стоков в маслобензоотделитель (существующая);
- колодца-гасителя напора (существующего №2);
- маслобензоотделителя (существующего);
- сорбционного блока (реконструируемого);
- колодца для отбора проб (реконструируемого №4);
- колодца с отключающей арматурой (вновь сооружаемого №6);
- насосной станции №2 для подачи очищенных стоков в существующую канаву (вновь сооружаемой);
- колодца-гасителя напора (вновь сооружаемого №7);
- ультрафиолетового обеззараживания (вновь сооружаемого);
- поворотных колодцев (вновь сооружаемого №1, 5 и существующего №3).
Первую ступень очистки
обеспечивает пескоотделитель, в котором за счет гравитации, происходит осуждение
твердых частиц на дно резервуаров.
На второй
ступени очистки происходит осуждение взвешенных веществ и выделение механически
эмульгированных нефтепродуктов и масел. Этот этап блоком
маслобензоотделителя. В маслобензоотделителе установлены коалесцентные модули, представляющие
собой тонкослойные гофрированные пластины. При
протекании сквозь коалесцентные модули изменяется
скорость потока, что приводит к отслаиванию растворенных нефтепродуктов и осаждению взвешенных веществ, с последующим
закреплением капель нефтепродуктов на гидрофобных
поверхностях пластин модуля и отрывом укрупнившихся
частиц на поверхность. Масло и нефтепродукты
образуют единый слой на поверхности емкости. Маслобензоотделитель контролирует уровень
всплывших нефтепродуктов.
Сорбционный блок образует третью ступень очистки поверхностных и
дренажных сточных вод. В качестве сорбентов используются нефтеулавливающий сорбент
"НЕС" (НПО "Озон") и алюмосиликатный адсорбент "Глинт" (НПО "Квант минерал").
На этой ступени производится глубокая доочистка
сточных вод.
После сорбционной доочистки поверхностные и дренажные сточные воды направляются на
обеззараживание ультрафиолетом для уничтожения патогенных вирусов.
Очистные сооружения
"FloTenk" после реконструкции позволят
осуществить очистку поверхностных и дренажных сточных вод до норм сброса в водоем рыбохозяйственного назначения.
Расчет поверхностного стока.
Поверхностный сток отводится с территории водосбора площадью 7.88 Га, в
том числе:
- с кровель зданий - 2.0
Га;
- с асфальтовых покрытий и дорог - 2.14 Га;
- с газонов - 3.74
Га.
В соответствии с заданием предусматривается с территории пищевого
производства после очистки на локальных очистных сооружениях в водный объект
рыбохозяйственного назначения.
Количественные характеристики поверхностного стока для проектирования
систем сбора, очистки и отведения в водный объект определены согласно
"Рекомендаций по расчету систем сбора, отведения и очистки поверхностного
стока с селитебных территорий, площадок промпредприятий и определению условий
выпуска его в водные объекты" ФГУП "НИИ ВОДГЕО" (Москва, 2006
год) [1].
Расчет годового объема поверхностных вод.
Среднегодовой объем поверхностных сточных вод,
образующихся на предприятии в период выпадения дождей, таяния снега и мойки
дорожных покрытий за теплый (апрель - октябрь) и холодный (ноябрь-март) периоды
года с общей площади водосбора, определяется по формуле:
r = Wд + Wт + Wм,
где Wд, Wт и Wм - среднегодовой объем дождевых, талых и поливомоечных вод, м3.
Среднегодовой объем дождевых (Wд) и талых (Wт) вод, стекающих с селитебных
территорий и промышленных площадок, определяется по формулам:
Wд = 10 ∙hд
∙ Ψд ∙ F
Wт = 10 ∙ hт
∙ Ψт ∙ F,
hд - слой осадков, мм, за теплый период года, hд = 420 мм
(табл. 2 СНиП 23-01-99);
hт - слой осадков, мм, за холодный период года (определяет
общее годовое количество талых вод) или запас воды в снежном покрове к началу
снеготаяния, hт = 200 мм (табл. 1 СНиП 23-01-99);
Ψд и Ψт - общий коэффициент стока дождевых и талых вод
соответственно, определяется как средневзвешенная величина из частных значений
для площадей стока с разным видом поверхностей, согласно п. 5.1.3 и п. 5.1.5
[1].
Расчет общего коэффициента стока дождевых вод.
Таблица 13
|
Вид поверхности
|
Площадь Fi, Га
|
Доля покрытия от общей
площади стока, Fi/F
|
Коэф. стока, Ψi
|
Fi∙Ψi/F
|
|
|
|
|
|
|
Кровля зданий
|
2
|
0,254
|
0,8
|
0,203
|
|
Дороги и асфальтовые
покрытия
|
2,14
|
0,272
|
0,6
|
0,163
|
|
Газоны и зеленые насаждения
|
3,74
|
0,475
|
0,1
|
0,047
|
|
ΣF=
|
7,88
|
Σ=1,00
|
Ψд =
|
0,413
|
Ψт = 0.5, согласно п 5.1.5 [1].
д
= 10 ∙ 420 ∙0,413 ∙ 7,88 = 13669 м3/год
Wт = 10 ∙ 200 ∙
0,5 ∙ 7,88 = 7880 м3/год
Общий годовой объем поливомоечных вод (Wм), м3, стекающих с площади стока,
определяется по формуле:
Wм = 10 ∙ m ∙ k ∙ Fм ∙ Ψм ,
где m -
удельный расход воды на мойку дорожных покрытий
m = 1,2л/м2 на одну мойку;
k - среднее количество моек в году, k = 150;
Fм - площадь твердых покрытий, подвергающихся мойке, Fм = 2.14 Га;
Ψм - коэффициент стока для поливомоечных вод, Ψм = 0,5.
м = 10 ∙ 1,2 ∙ 150 ∙ 2,14 ∙ 0,5
= 1926 м3/год
Тогда среднегодовой объем поверхностных сточных вод с
территории предприятия составляет:
Wr = Wд + Wт + Wм = 13669 + 7880 + 1926 = 23475 м3/год
Расчет суточных расходов поверхностных вод.
Суточный объем дождевого стока Wоч, м3, отводимого на
очистные сооружения с территории предприятия, от расчетного дождя при повторяемости
P = 0,5 определяется по формуле:
оч = 10 ∙ hа ∙ F ∙
Ψmid ,
где F -
площадь стока, 7.88 Га; ha - максимальный слой осадков за дождь, мм, сток от которого подвергается
очистке в полном объеме, ha = 5 мм, так как завод относится к промышленным предприятия
первой группы (согласно п. 5.2.4 [1]); Ψmid - средний коэффициент стока для
расчетного дождя, определяется как средневзвешенная величина в зависимости от
постоянных значений коэффициента стока Ψi, для разного вида поверхностей
(табл. 11, п. 5.3.8 [1]).
Таблица 14
|
Вид поверхности
|
Площадь Fi, Га
|
Доля покрытия от общей
площади стока, Fi/F
|
Постоянный коэф. стока, Ψi
|
Fi∙Ψi/F
|
|
|
|
|
|
|
Кровля зданий и асфальтовые
покрытия
|
4,14
|
0,525
|
0,95
|
0,499
|
|
Газоны и зеленые насаждения
|
3,74
|
0,475
|
0,1
|
0,047
|
|
ΣF=
|
7,88
|
Σ=1,00
|
Ψmid =
|
0,547
|
Wоч = 10 ∙ 5 ∙ 7,88 ∙ 0,547 = 215,35 м3
Максимальный суточный объем дождевого стока Wсут оч , м3, отводимого на
очистные сооружения с территории предприятия, от расчетного дождя определяется
по формуле:
сут оч = 10 ∙ hа ∙ F ∙ Ψmid ,
где F -
площадь стока, 7.88 Га;
ha - максимальный слой осадков за
дождь, мм, сток от которого подвергается очистке в полном объеме,
ha = 18 мм, так как завод относится к
промышленным предприятия первой группы (согласно п. 5.2.4 [1]);
Ψmid - средний коэффициент стока для
расчетного дождя, определяется как средневзвешенная величина в зависимости от
постоянных значений коэффициента стока Ψi, для разного вида поверхностей
(табл. 11, п. 5.3.8 [1]).
сут оч = 10 ∙ 18 ∙ 7,88 ∙
0,547 = 775,87 м3
Максимальный суточный объем талых вод Wт.сут, м3, в середине периода
снеготаяния, отводимых на очистные сооружения с территории и промышленного
предприятия, определяется по формуле:
Wт.сут =10 ∙ Ψт ∙ Kу ∙ F ∙ hc,
где Ψт - общий коэффициент стока талых вод,
Ψт = 0,5 (согласно п. 5.1.5 [1]);
F - площадь стока, 7.88 Га;
Ку - коэффициент, учитывающий частичный
вывоз и уборку снега, определяется по формуле:
Ку=1 - Fу/F,
Fу - площадь, очищаемая от снега (включая площадь кровель,
оборудованных внутренними водостоками);
Ку = 1 - Fу/F = 1 - 4,14/7,88
= 0,47
c - слой талых вод за 10 дневных часов, мм, принимается в
зависимости от расположения объекта.
hc = 20 мм, так как территория, на которой находится завод
относится Северо-Западная территория Европейской части России (согласно п.
5.2.6 и Прил. 1 [1]).
т.сут =10 ∙ 0,5 ∙ 0,47 ∙ 7,88 ∙ 20 = 370,36 м3
Расчет секундных расходов поверхностных вод.
Расходы дождевых вод в коллекторах дождевой
канализации, л/с, отводящих сточные воды с территории предприятия, следует
определять методом предельных интенсивностей по формуле:
,
где А, п - параметры, характеризующие интенсивность и
продолжительность дождя для конкретной местности (определяются согласно п.
5.3.2 [1]);
Zmid - среднее значение коэффициента,
характеризующего вид поверхности стока (коэффициент покрова), определяется как
средневзвешенная величина в зависимости от коэффициентов Zi, для различных видов поверхностей
(согласно табл. 11 и 12 [1]);
F - площадь стока, 7.88 га;
tr - расчетная продолжительность дождя,
равная продолжительности протекания дождевых вод по поверхности и трубам до
расчетного участка (согласно п. 5.3.5 [1]).
Расчет среднего коэффициента покрова.
Таблица 15
|
Вид поверхности
|
Площадь Fi, Га
|
Доля покрытия от общей
площади стока, Fi/F
|
Коэф. покрова стока, Zi
|
Fi∙Ψi/F
|
|
|
|
|
|
|
Кровля зданий и асфальтовые
покрытия
|
4,14
|
0,525
|
0,32
|
0,168
|
|
Газоны и зеленые насаждения
|
3,74
|
0,475
|
0,038
|
0,018
|
|
ΣF=
|
7,88
|
Σ=1,00
|
Zmid =
|
0,186
|
Согласно п. 5.3.2 [1] параметры А и n определяются по результатам
обработки многолетних записей самопишущих дождемеров местных метеорологических
станций или по данным территориальных управлений Гидрометеослужбы. При
отсутствии обработанных данных параметр А допускается определять по формуле:
A = q20 ∙ 20n
∙ (1+lg P/lg mr)γ,
где q20 - интенсивность дождя для данной местности продолжительностью
20 мин при Р = 0,5 год,
q20 = 60 л/с ∙ Га (определяется по
чертежу Приложения 2 [1]);
n - показатель степени,
n = 0,48 (определяется по таблице Приложения 3 [1]);
mr - среднее количество дождей за год,
mr = 120 (принимается по таблице
Приложения 3 [1]);
P - период однократного превышения расчетной интенсивности
дождя,
P = 0,5 год (принимается по п. 5.3.3 [1]);
γ - показатель степени,
γ = 1,33 (принимается по таблице
Приложения 3 [1]).
= 60∙ 200,48 ∙ (1+lg 0,5/lg
120)1,33 = 205,3
Расчетную продолжительность протекания дождевых вод по
поверхности и трубам tr до расчетного участка (створа), мин, следует определять по формуле:
tr = tcon + tp,
где tcon - продолжительность протекания дождевых вод до
дождеприемников в пределах квартала до уличного коллектора (время поверхностной
концентрации),
tcon = 5 мин (определяется согласно п.
5.3.6 [1]);
tp - продолжительность протекания дождевых вод по трубам до рассчитываемого
сечения, определяемая по формуле:
,
где lр - длина расчетных участков
коллектора, м;
vp - расчетная скорость течения на
участке, м/с.
tp = 16,14 мин
tr = 5 + 16,14 = 21,14 мин (см. гидравлический расчет дождевой сети)
Тогда расчетный секундный расход поверхностных вод будет равен:
л/с
Расход дождевых вод для гидравлического расчета
дождевых сетей, л/с, определяется по формуле:
cal = β ∙ Qr,
где β - коэффициент, учитывающий заполнение
свободной емкости сети в момент возникновения напорного режима,
β = 0,75, так как n = 0,48 (определяется по табл. 6 [1]).
Qcal = 0,75 ∙ 204,42 = 153,32 л/с
Расход талых вод для гидравлического расчета дождевых
сетей, может быть определен по слою стока за часы снеготаяния в течение суток
по формуле:
Qr = 5,5 ∙ hc ∙ Ky ∙ F/(10
+ tr),
где hc - слой стока за 10 дневных часов, hc = 20 мм;
Ку - коэффициент, учитывающий частичный
вывоз и уборку снега,
Ку = 0,47;
F - площадь стока, 7.88 Га;
tr - продолжительность протекания талых
вод до расчетного участка,
tr = 0,39 ч.
r = 5,5 ∙ 20 ∙ 0,47∙ 7,88/(10 + 0,39)
= 39,21 л/с
Гидравлический расчет дождевой сети сведен в таблицу (см. приложение Б).
Расчет дренажного стока.
На предприятии был произведен замер количества дренажных сточных вод
отводимых то насосной станции пожаротушения, который равен - 1 л за 18 секунд.
Длина сети дренажа вокруг насосной станции пожаротушения равна 127 м.
На основании этих данных вычисляем количество дренажных стоков
приходящихся на 1 п.м. дренажной сети.
л за 18 секунд = 0,06 л/с,
,06 : 127 = 0,0005 л/с.
Из этого следует, что на 1 п.м. дренажа приходится 0,0005 л/с дренажных
стоков ( q = 0,0005 л/с).
Длина дренажной сети вокруг котельной и производственного корпуса
составляет 98 и 376 м.
В сумме длина дренажной сети всей площадки завода равна - 601 м (L = 601 м).
Определяем секундный расход дренажных сточных вод со всей территории
завода:
QДР = L ∙ q = 601 ∙ 0,0005 = 0,3 л/с
(25,92 м3/сут; 9461 м3/год)
Расчет производительности очистных сооружений.
Расчет годовых, суточных и секундных расходов
стоков, отводимых на очистку.
Средний годовой объем поверхностных и дренажных сточных вод составляет:
год = Wr + QДР = 23475 + 9461 = 32936 м3/год
Суточный объем дождевых и дренажных сточных вод
отводимых на очистку составляет:
сут = Wоч + QДР = 215,35 + 25,92 = 241,27 м3/сут
Секундный объем дождевых и дренажных сточных вод
составляет:
сек = Qcal + QДР = 153,32+ 0,30 = 153,62 л/с
Расчет производительности очистных сооружений.
Производительность очистных сооружений Qоч при очистке дождевых сточных вод
после аккумулирующих емкостей (на обводной линии) определяется по формуле (1) с
учетом объема очищаемого стока от расчетного дождя Wсут, нормативного периода его переработки Точ,
минимальной продолжительности предварительного отстаивания Тотст,
необходимой для эффективного осветления сточных вод перед последующей глубокой
очисткой, продолжительности технологических перерывов в работе очистных
сооружений Тт.п и запаса производительности для очистки объема загрязненных
вод, образующихся от операций обслуживания технологического оборудования,
входящего в состав очистных сооружений, Wт.п.
|
|
(1)
|
где Qоч - расчетный расход поверхностного
стока при отведении на очистку (расчетная производительность очистных
сооружений поверхностных сточных вод), л/с;
Wсут - объем дождевого стока от расчетного дождя, отводимого на
очистные сооружения, (Wсут = 241,27 м3);
Wт.п - суммарный объем загрязненных вод, образующихся при
обслуживании технологического оборудования очистных сооружений в течение
нормативного периода переработки объема дождевого стока от расчетного дождя, (Wт.п = 0,1 ∙ 241,27 = 24,13 м3);
Точ - нормативный период переработки объема
дождевого стока от расчетного дождя, отводимого на очистные сооружения
территории предприятия, (Точ = 4 ч);
Тотст - минимальная продолжительность
отстаивания поверхностных сточных вод в аккумулирующем резервуаре, (Тотст
= 0 ч);
Тт.п - суммарная продолжительность
технологических перерывов в работе очистных сооружений в течение нормативного
периода переработки объема дождевого стока от расчетного дождя, принимаемая
равной 3% от продолжительности непрерывной работы очистных сооружений, (Тт.п
= 0,03 ∙ 4; Тт.п = 0,12 ч). Величина продолжительности
предварительного отстаивания Тотст определяется исходя из величины
гидравлической крупности выделяемых в аккумулирующем резервуаре частиц механических
примесей и гидравлической глубины резервуара при его максимальном расчетном
заполнении.
Максимальная производительность очистных сооружений Qоч при очистке талых вод определяется по
формуле (2) с учетом максимального суточного объема талых вод в середине
периода снеготаяния
, периода его переработки
, минимальной продолжительности
предварительного отстаивания Тотст, необходимой для эффективного
осветления сточных вод перед последующей глубокой очисткой, продолжительности
технологических перерывов в работе очистных сооружений Тт.п и запаса
производительности для очистки объема загрязненных вод, образующихся при
обслуживании технологического оборудования, входящего в состав очистных
сооружений, Wт.п.
- нормативный период переработки
суточного объема талого стока, отводимого на очистные сооружения с территории
предприятия, (
= 7 ч);
Тотст - минимальная продолжительность
отстаивания сточных вод в аккумулирующем резервуаре, так как аккумулирующий
резервуар используется только в качестве буферной емкости, (Тотст =
0 ч);
Тт.п - суммарная продолжительность
технологических перерывов в работе очистных сооружений в течение нормативного
периода переработки объема стока, принимаемая равной 3% от продолжительности
непрерывной работы очистных сооружений, (Тт.п = 0,03 ∙ 7 =
0,21 ч).
В соответствии с п. 7.4.3 [1], к проектированию
принимается максимальная производительность очистных сооружений Qоч, определенная по формулам (1), (2).
Так как стоки из аккумулирующих емкостей подаются на
очистные сооружения насосами, то, по данным, при подборе очистных сооружений
при напорной схеме подачи воды на очистку, необходимо учитывать коэффициент
влияния насоса на структуру загрязненной воды kнасоса = 1,5.
Поэтому номинальную производительность следует
принимать:
н = Qоч ∙ kнасоса = 20 ∙ 1,5 = 30 л/с
Таким образом, к проектированию принимается
производительность очистных сооружений равная 30 л/с (108 м3/ч).
Гидравлический расчет очистных сооружений представлен
в приложении В.
Максимальный расход дождевых стоков Qсбр.об, отводимых в мелиоративный канал без
очистки рассчитывается по формуле:
где Qсбр.об - максимальный избыточный
расход стока от расчетного дождя, зарегулированного по объему и сбрасываемого в
канал, минуя ОС, л/с;r − расход дождевых вод в расчетном
участке главного коллектора дождевой канализации, л/с;- параметр,
характеризующий интенсивность и продолжительность дождя для конкретной
местности;
Трег.об - момент времени начала перелива
избыточного объема дождевого стока от расчетного дождя из аккумулирующего
резервуара, мин;r - расчетная продолжительность протекания дождевых
вод по поверхности и трубам до расчетного участка, мин.
Момент времени Трег.об, при котором
начинается перелив избыточного объема дождевого стока из разделительной камеры
(РК), определяется как момент времени, при котором объем дождевых стоков Wдтек,
поступивших в аккумулирующий резервуар, равен объему дождевого стока от
расчетного дождя, отводимого на очистные сооружения Wоч:
где Wдтек - объем стока от
расчетного дождя, поступившего в аккумулирующий резервуар из расчетного участка
главного коллектора с момента начала дождя, м3;оч - объем
дождевого стока от расчетного дождя, отводимого на очистные сооружения, м3.
Величина Трег.об рассчитывается из
равенства:
Расчет сведен в таблицу 14.8
Таблица 16
|
Qr, л/с
|
tr, мин
|
n
|
Wоч, м3
|
Трег.об, мин
|
Qсбр.об, л/с
|
|
20
|
21,14
|
0,48
|
215,35
|
1303
|
1,44
|
Проверка производительности существующей канализационной насосной станции
ливневого стока КНС-1.
Расчет насосной станции КНС-1 для перекачки
поверхностного и дренажного стока выполнен по методу предельных интенсивностей
согласно методике расчета производительности и объема приемного резервуара
насосных станций, приведенной в "Рекомендациях по расчету систем сбора,
отведения и очистки поверхностного стока с селитебных территорий, площадок
предприятий и определению условий его выпуска в водные объекты",
разработанный ФГУП "НИИ ВОДГЕО".
Рабочий объем резервуара насосной станции Wнс при максимальной производительности
насосов Qнс рассчитывается по формулам:
;
,
,
где Wнс - рабочий объем резервуара насосной
станции, м3;
Qr - расход дождевых сточных вод в
расчетном участке, л/с;
Qнс - максимальная производительность насосной станции, л/с;
- момент времени, при котором расход
дождевого стока, поступающего в насосную станцию, начинает превышать ее
максимальную производительность, мин;
- момент времени, при котором расход
дождевого стока, поступающего в насосную станцию, перестает превышать ее
максимальную производительность, мин.
Производительность насосной станции подобрана путем
решения тождеств. Данные сведены в таблицу 17.
Таблица 17
|
Qr, л/с
|
tr, мин
|
TННС , мин
|
TKНС, мин
|
QНС, л/с
|
WНС, м3
|
|
20
|
21,14
|
5,7
|
34
|
10,2
|
6,99
|
Объем существующей комплектной насосной станции
FloTenk-KNS-30 7,5 м3. Размеры станции D = 1800 мм, H = 3000 мм.
Существующая канализационная станция оборудована 1
рабочим и 1 резервным насосами фирмы Grundfos SE
1.80.100.40.4.51D.B с максимальным расходом Q = 51,1 л/с и напором 17,9 м (см.
рисунок 6).
Таким образом, целесообразно сохранить существующие
насосы.
Рисунок 6. Насос Grundfos SE 1.80.100.40.4.51D.B
Расчет канализационной насосной станции ливневого
стока КНС-2 для перекачивания в мелиоративный канал.
Поскольку мелиоративный канал расположен на
сравнительно дальнем расстоянии и имеет малую глубину, проектом
предусматривается вторая (повысительная) насосная станция перекачки очищенного
ливневого стока. КНС-2 устанавливается перед ультрафиолетовым обеззараживателем
FloTenk-UF - 30.
Расчет насосной станции КНС-2 для перекачки
поверхностного и дренажного стока выполнен аналогично расчету КНС-1.
Производительность насосной станции подобрана путем
решения тождеств. Данные сведены в таблицу 18.
Таблица 18
|
Qr, л/сtr, минTННС , минTKНС, минQНС, л/сWНС, м3
|
|
|
|
|
|
|
20
|
21,14
|
12,5
|
23
|
15,2
|
1,44
|
К установке принимаем одну комплектную насосную станцию FloTenk-KNS-10
2,6 м3. Размеры станции D = 1300 мм, H = 1800 мм.
В насосной станции КНС-2 устанавливаются 1 рабочий и 1
резервный насос Grundfos
SE 1.50.80.40.2.51D.B с максимальным расходом Q = 19,4 л/с и напором 27,1 м (см. рисунок 7).
Рисунок 7. Насос Grundfos SE 1.50.80.40.2.51D.B
Расчет сооружений для очистки сточных вод.
Расчет аккумулирующей емкости.
В разделе 1.6.3.2. был произведен расчет суточных
объемов дождевых осадков отводимых на очистные сооружения и поступающих на
очистку через аккумулирующий резервуар.
Поскольку Wоч =215,35 м3, то
к установке принимаем 3 емкости объемом 100 м3 каждая.
Полный гидравлический объем аккумулирующего резервуара для приема,
усреднения и предварительной очистки загрязненной части поверхностного стока
следует принимать в зависимости от конструктивных особенностей резервуара на 10−30
% больше расчетной величины объема стока от расчетного дождя.
Wаккум.емк =1,3 ∙ 215,35 = 279,96 м3
Рисунок 8. Чертеж аккумулирующей емкости
Расчет пескоотделителя.
Расчет произведен на основании материалов фирмы Labco "Временные указания по применению, подбору и
оценке эффективности работы локальных комплексов"
. На сегодняшний день на очистных сооружениях дождевого и талого
стока установлен пескоотделитель FloTenk
- OP - 40.
. Уточняем фактическую продолжительность отстаивания:
, мин
. Определяем гидравлическую крупность твердых частиц, осаждающихся
за время tфакт:
,
мм/с
где: H - высота выпускного патрубка
пескоотделителя от уровня дна, мм
K0 - коэффициент использования объема
сооружения (0,5)
,
мм/с
. Определяем минимальную крупность осаждающихся частиц:
мм
. Определяем эффективность отстаивания, как суммарную долю частиц
с размерами dМИН и более от общего количества
|
Размер частиц, мм
|
Доля в % от общей массы
|
Доля выделяемых частиц в %
|
|
17.1…1 - 5
|
3
|
3
|
|
1 - 2
|
10
|
10
|
|
0.5 - 1.0
|
12
|
12
|
|
0.25 - 0.5
|
18
|
18
|
|
0.1 - 0.25
|
22
|
20
|
|
0.05 - 0.1
|
14
|
-
|
|
0.01 - 0.05
|
12
|
-
|
|
0.005 - 0.01
|
7
|
-
|
|
< 0.005
|
2
|
-
|
|
100%
|
Э = 63%
|
Эффективность очистки на пескоотделителе составляет Э =79%
. Определяем концентрацию взвешенных веществ в очищенной воде
Расчет маслобензоотделителя.
Расчет произведен на основании материалов фирмы Labco "Временные указания по применению, подбору и
оценке эффективности работы локальных комплексов"
. На сегодняшний день на очистных сооружениях дождевого и талого
стока установлен маслобензоотделитель FloTenk - OM -
30.
. Определяем скорость движения сточных вод через тонкостенные
блоки:
мм/с
где: QОЧ - фактический расход, поступающий на
маслобензоотделитель, л/с;
ΣHбл - полная высота блоков, мм
Σbбл - полная ширина блоков, мм
. Определяем гидравлическую крупность выделяемых частиц
загрязнений:
,
мм/с
где: KK - коэффициент коалисцентности (0,1);
K0 - коэффициент использования объема
сооружения (0,8);
KСН - коэффициент сноса примесей (1,2);
h -
расстояние между пластинами в блоке, мм;
ΣLбл - полная длина блоков, мм
. Определяем минимальную крупность осаждающихся частиц:
взвешенных веществ
мм
- нефтепродуктов
мм
. Определяем эффективность выделения взвешенных веществ
|
Размер частиц, ммДоля в %
от общей массыДоля выделяемых частиц в %
|
|
|
|
0.1 - 0.129
|
5.4
|
5.4
|
|
0.05 - 0.1
|
37.8
|
|
0.01 - 0.05
|
32.4
|
32.4
|
|
0.005 - 0.01
|
19
|
9.9
|
|
< 0.005
|
2
|
-
|
|
100%
|
Э = 85.5%
|
Эффективность очистки на маслобензоотделителе составляет Э =94.6%
. Определяем концентрацию взвешенных веществ в очищенной воде
7. Определяем эффективность очистки от нефтепродуктов
|
Размер частиц, ммДоля в %
от общей массыДоля выделяемых частиц в %
|
|
|
|
0.14 - 0.2
|
85.4
|
85.4
|
|
0.1 - 0.14
|
9.8
|
9.8
|
|
0.06 - 0.1
|
4.0
|
4.0
|
|
0.02 - 0.06
|
0.4
|
0.4
|
|
0.003 - 0.02
|
0.4
|
0.071
|
|
100%
|
Э = 99.67%
|
Эффективность очистки на маслобензоотделителе составляет Э =99.6%
. Определяем концентрацию взвешенных веществ в очищенной воде
Расчет блока доочистки сорбционным фильтром.
Расчет произведен на основании материалов фирмы Labco "Временные указания по применению, подбору и
оценке эффективности работы локальных комплексов"
. На сегодняшний день на очистных сооружениях дождевого и талого
стока установлен сорбционный фильтр FloTenk - SB -
30.
. Определяем скорость фильтрования:
м/ч
где: QОЧ - фактический расход, поступающий на
маслобензоотделитель, л/с;
L -
длина блока доочистки, мм
B -
ширина блока доочистки, мм
nФ - количество блоков доочистки, шт.
. Определяем массу нефтепродуктов, поглощенных сорбентом
"НЕС":
кг
где: А - поглощающая способность сорбента "НЕС" (0,8);
М - масса сорбента равная
кг;
где: 80 - насыпная плотность "НЕС", кг/м3;
5,3 - объем "НЕС", м3.
. Определяем продолжительность работы сорбционного фильтра до
замены загрузки:
часов (более 7 лет)
Подбор блока УФ - обеззараживания.
Дождевые и талые воды содержат в своем составе бактерии, патогенные
вирусы, а так же споровые формы микроорганизмов. Содержание таких загрязнений в
очищенной воде, приведет к биологической и бактериальной опасности. Для
предотвращения этого, дождевые и талые воды перед выпуском в водоем проходят УФ
- обеззараживание, которое имеет много положительных качеств:
- высокая степень воздействия на
различные виды микроорганизмов, включая вирусы;
- минимальное время контакта (несколько
секунд) с обрабатываемой средой;
- сравнительно низкие затраты на
проектирование, строительство и эксплуатацию УФ оборудования;
- не уничтожает существующую микрофлору
водоема.
К установке принимается один УФ - обеззараживатель фирмы Flo-Tenk - UF -
30, рассчитанный на расход стоков 30 л/с с потребляемой мощностью 3,7 кВт.
Принятые технологические решение в полной мере обеспечивают высокую
степень очистки сточных вод промышленного и ливневого стоков завода достаточную
для сброса в водный объект, рациональное использование представляющих ценность
веществ, выделенных из сточных вод и безопасное размещение отходов.
Запроектированные канализационные очистные сооружения надежны в работе и
занимают минимальное пространство. Все системы автоматизированы и не требуют
постоянного присутствия персонала, что делает их надежными в работе и
застрахованными от возможности ошибки. В случае аварии или сбоя в работе
какого-либо из сооружений подается сигнал на диспетчерский пульт, находящийся в
административном корпусе, поэтому в процессе эксплуатации сооружения безопасны
для человека.
2. Насосные станции
Основные сведения об объекте
Проектируемый объект - канализационная насосная станция (КНС),
перекачивающая промышленные стоки от цехов пищевого производства в существующую
усреднительную емкость.
Насосная станция предназначена для перекачки неочищенных стоков.
Проектом предусмотрена автоматическая работа насосных агрегатов и
запорной арматуры. Постоянного присутствия персонала не предусмотрено.
2.1 Технологические решения
Расчет производственной сети от новых цехов
В результате увеличения производства на предприятии планируется
строительство новых производственных цехов. Подача промышленного стока по
существующей канализационной сети не возможна по причине ее износа, а именно,
имеются места прорыва, и в следствие, размывы грунта под трубопроводом.
В дипломном проекте разработана новая самотечная канализационная сеть,
насосная станция и трубопровод подачи промстоков промышленного стока в
существующую усреднительную емкость объемом 600 м3.
Для гидравлического расчета сети имеются следующие расходы
производственных стоков по сменам (предприятие работает в 3 смены):
|
Здания
|
Q, м3/час (за 1 смену*)
|
|
Выпуск 1
|
Выпуск 2
|
Выпуск 3
|
Выпуск 4
|
Выпуск 5
|
|
Существующие здания
|
191,1
|
40,7
|
60,25
|
50
|
0
|
|
1-я очередь строительства
|
97
|
100
|
60,6
|
66,85
|
0
|
|
2-я очередь строительства
|
0
|
0
|
0
|
0
|
151,3
|
|
ИТОГО
|
191,1 / 97
|
140,7
|
120,85
|
116,85
|
151,3
|
Составление графика и таблицы притока сточных вод на канализационную
станцию по часам суток.
Суточный приток сточных вод на насосную станцию (таблица 19).
Таблица 19
|
Часы
|
Приток, м3/ч
|
Часы
|
Приток, м3/ч
|
|
0-1
|
191,1
|
12-13
|
151,3
|
|
1-2
|
97
|
13-14
|
191,1
|
|
2-3
|
97
|
14-15
|
191,1
|
|
3-4
|
120,85
|
15-16
|
140,7
|
|
4-5
|
120,85
|
16-17
|
191,1
|
|
5-6
|
191,1
|
17-18
|
191,1
|
|
6-7
|
116,85
|
18-19
|
191,1
|
|
7-8
|
140,7
|
19-20
|
120,85
|
|
8-9
|
191,1
|
20-21
|
151,3
|
|
9-10
|
97
|
21-22
|
116,85
|
|
10-11
|
191,1
|
22-23
|
116,85
|
|
11-12
|
151,3
|
23-24
|
140,7
|
|
Итого
|
3600,00
|
На основании данных таблицы суточного притока сточных вод на
канализационную станцию определяется Qмакс. = 191,1 м3/ч.
В расчете далее принимаем расчетный расход Q макс. = 191,1 м3/ч.
Суммарная подача сточных вод рабочими насосами должна быть больше, либо равна
максимального суточного притока:
Принимаем QН.С. =4586,4 м³/сут ≥ Qсут. =3600 м³/сут.
На основании данных о неравномерности притока сточных вод на КНС построен
график притока.
Рисунок 9. График притока сточных вод на КНС
Расчет канализационной сети промышленного стока сведен в таблицу
Канализационная насосная станция неочищенного промстока
Определение диаметров трубопроводов.
Число напорных водоводов от насосной станции I и II категории надежности
должно быть не менее двух Пропускная способность напорных трубопроводов и
включение резервных агрегатов должно обеспечивать 100% пропуск расчетного
расхода при аварии на одном из трубопроводов в соответствии с требованиями СП
32.13330.2012. Для обеспечения данного условия будем подбирать каждый
трубопровод на полный расчетный расход.
Принимаются два напорных водовода. Расход в напорных водоводах:
н.вод.
= Qн.ст. = 191,1 м3/ч.
При подборе диаметров пользуются таблицами Шевелева и рекомендациями
СНиП. Напорные трубопроводы принимаются из пластиковых труб WehoPipe.
Принимаем трубопровод d =
200 мм.
При расходе 191,1м3/ч скорость потока будет υ
=2,14 м/с, что
удовлетворяет условию 0,7 < 2,14< 8 м/с (п. 5.4.2 СНиП 2.04.03 - 85
"Канализация. Наружные сети и сооружения")
1000i = 22,031 м
=
+
= 188,1+ (26,734 - 23,030) = 191,804 м
Z1 -
отметка уровня низа трубы от насосной станции (23,030 м);
hmin = hпр - (0,30,5) ≥ 0,7 + D, где
hпр - глубина промерзания грунтов в СПб и ЛО (1,16 м)
D -
диаметр трубопровода (200 мм)
hmin = 0,7 + 0,2 = 0,9 мmin = 1,16 - 0,3 = 0,86 м
Z1 = 23,930
- 0,9 = 23,030 м
2 -
отметка врезки в резервуар-усреднитель промышленного стока (26,734 м).
Принимаем длину напорного трубопровода
= 191,8 м
Определение потерь напора в напорной линии.
где
- гидравлический уклон;
- длина водоводов;
- коэффициент, учитывающий потери на местных сопротивлениях
.
Потери напора внутри насосной станции.
Все насосы в кнс являются погружными и не требуют дополнительного
охлаждения.
Все трубопроводы в помещении канализационной насосной станции выполняются
из пластиковых (dнап = 200 мм) и стальных труб с (dнап =
219 мм) применением фланцев для присоединения к арматуре, фасонным частям и
насосам.
При Q = 191,1 м3/ч,
По таблицам Шевелева dнап = 200 мм (толщина стенки 11,2 мм),
υ =2,14 м/с, что удовлетворяет условию 0,7
< 2,14< 8 м/с (п. 5.4.2 СНиП 2.04.03 - 85 "Канализация. Наружные
сети и сооружения")
1000i = 22,031 м
При Q = 191,1 м3/ч,
По таблицам Шевелева dнап = 219 мм (толщина стенки 5мм),
υ =1,56 м/с, что удовлетворяет условию 0,7
< 1,56< 8 м/с (п. 5.4.2 СНиП 2.04.03 - 85 "Канализация. Наружные
сети и сооружения")
1000i = 20,115 м
Определение потребного напора насосов насосной станции.
hгеод = 1,5 - высота подъема воды в
насосной станции;
= 1 м - потребный свободный напор;
= 1м - потери напора внутри насосной станции
(предварительно);
= 4,859 м - потери в напорном водоводе.
Произведем предварительный расчет напора насоса (зададимся hгеод =1,5м)
H =
(26,734 - 23,030) + 1,5 + 4,859 + 1 + 1 = 12,063 м
Первоначально принимаем три насоса (2 рабочих + 1 резервный) Grundfos
S1.100.125.4.50.L.C.267.G.N.D.
Производительность насоса 51,1 л/с (184,68 м3/ч), напор 13,4м.
Рисунок 10. Габаритные размеры насоса Grundfos S1.100.125.4.50.L.C.
Геодезическая разница высот (hгеод), т.е.
отметка всасывающего патрубка насоса определяется согласно рекомендациям
установки насосного агрегата Grundfos определяется:
Отметка входа самотечного трубопровода в КНС - 21,490 м
Уровень воды ниже подводящего коллектора на 100 мм - уровень аварийного
переполнения КНС - 21,39 м
Уровень воды ниже аварийного на 100 мм - уровень включения 3-го
(резервного насоса) - 21,29 м
Уровень воды ниже включения 3-го насоса на 100 мм - уровень включения
2-го - 21,19 м
Уровень воды ниже включения 2-го насоса на 100 мм - уровень включения
1-го - 21,09 м
Уровень отключения насоса определяется при помощи минимального
эффективного объема КНС:
, где
- производительность насоса, 184,68 м3/ч
n -
число рабочих насосов, 1 шт., потому что большую часть времени работает один
насос, а второй рабочий насос будет включаться в работу в часы максимального
притока, превышающую производительность 1 насоса.
Предварительный расчет канализационной станции сведен в таблицу (см.
приложение Д).
Z -
допустимое число пусков насоса в час, принимаем 2.
м3
Принимаем внутренний диаметр насосной станции 3 м, тогда площадь КНС:
Тогда разность между уровнем включения и выключения насоса будет:
м
Рисунок 11. График подбора эффективного объема КНС
Так как насосные агрегаты без рубашки охлаждения, необходимо нахождение
корпуса насоса под уровнем воды. Слой уровня воды определяется из габаритов
насоса.
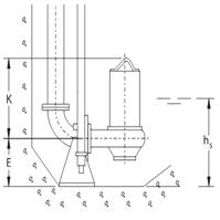
hS = E+ K/2, где
Е = 400 мм
K =
1217 - 400 = 817 мм
hs = 400+ 817/2 = 808,5 мм
Принимаем hs =
809 мм
Отметка дна колодца:
Zдно
колодца = Zподводящ. трубопров - Zур. авар. - Zвкл.3 нас. - Zвкл.2 нас. - Zвкл.1 нас. - НЭФ - hs
Zдно
колодца = 21,490 -
0,10 - 0,10 - 0,10- 0,10- 3,309 - 0,809 = 16,972 м
Отметка всасывающего патрубка насоса:
вс = Zдно колодца + 0,236 = 16,972 + 0,236 = 17,208 м
Высота подъема сточной жидкости из насосной станции до напорного
трубопровода:
hгеод = 23,030 - 17,208 = 5,822 м
При Q = 51,1 л/с,
По таблицам Шевелева dнап = 200 мм (толщина стенки 11,2 мм),
υ =2 м/с, что удовлетворяет условию 0,7
< 2< 8 м/с (п. 5.4.2 СНиП 2.04.03 - 85 "Канализация. Наружные сети и
сооружения")
i =
20,592 м
При Q = 51,1 л/с,
По таблицам Шевелева dнап = 219 мм (толщина стенки 5мм),
υ =1,5м/с, что удовлетворяет условию 0,7
< 1,5<8 м/с (п. 5.4.2 СНиП 2.04.03 - 85 "Канализация. Наружные сети
и сооружения")
i =
18,786 м
Потери в напорной линии:
= 0,67 м - потери напора внутри насосной станции;
= 1 м - потребный свободный напор;
= 4,830 м - потери в напорном водоводе;
H =
(26,734 - 23,030) + 5,822 + 4,830 + 0,67 + 1 = 15,74 м
2.2 Подбор насосов
Согласно требованиям (Q = 184,68 м3/ч, H = 15,74 м), и
техническому заданию, принимаем к установке в канализационную насосную станцию
1 категории надежности согласно табл. 21 СНиП 2.04.03 - 85 "Канализация.
Наружные сети и сооружения" три насоса (2 рабочих + 1 резервный) фирмы Grundfos
SL1.85.150.100.4.52H.S.N.51D мощностью 13
кВт каждый.
Насос имеет следующие характеристики:
Номинальная подача: QНС = 181,1 м3/ч = 50,3 л/с
Номинальный напор: ННС = 15,7 м
Рисунок 12. Насос Grundfos SL1.85.150.110.4.52H.S.N.51D
Уточнение потери напора
При Q = 50,3 л/с,
По таблицам Шевелева dнап = 200 мм (толщина стенки 11,2 мм),
υ =2 м/с, что удовлетворяет условию 0,7
< 2<8 м/с (п. 5.4.2 СНиП 2.04.03 - 85 "Канализация. Наружные сети и
сооружения")
i =
20,132 м
При Q = 50,3 л/с,
По таблицам Шевелева dнап = 219 мм (толщина стенки 4мм),
υ =1,47 м/с, что удовлетворяет условию 0,7
< 1,47<8 м/с (п. 5.4.2 СНиП 2.04.03 - 85 "Канализация. Наружные сети
и сооружения")
i =
18,061 м
Потери в напорном трубопроводе:
Объем резервуара должен соответствовать требованию СП 32.13330.2012, в
соответствии с которым емкость должна быть не менее пятиминутной
производительности самого крупного установленного на станции насоса.
Пятиминутная производительность насоса равна:
Рисунок 13. Габаритные размеры насоса Grundfos SL1.85.150.110.4.52
hS = E+ K/2, где
Е = 275 + 18 = 293 мм
K =
1248 - 293 = 955 мм
hs = 293+ 955/2 = 770,5 мм
Принимаем hs =
771 мм
Отметка дна колодца:
дно колодца = Zподводящ.
трубопров - Zур. авар. - Zвкл.3 нас. - Zвкл.2 нас. - Zвкл.1 нас. - НЭФ - hs
Zдно
колодца = 21,490 -
0,10 - 0,10 - 0,10- 0,10- 3,309 - 0,771 = 17,010 м
Отметка всасывающего патрубка насоса:
вс = Zдно колодца + 0,120 = 17,010 + 0,120 = 17,130 м
Высота подъема сточной жидкости из насосной станции до напорного
трубопровода:
hгеод = 23,030 - 17,130 = 5,900 м Потери в
напорной линии:
Уточненный напор насоса:
H =
(26,734 - 23,030) + 5,900 + 4,440 + 0,64 + 1 = 15,68 м
Окончательный расчет канализационной станции сведен в таблицу (см.
приложение Д).
Рисунок 14. График притока и расхода сточных вод на КНС
2.3 Совместная работа насосов и сети
, где
Нст -
статический напор;
∑hр - потери напора в системе;
∑S -
суммарный коэффициент удельного сопротивления;
Рабочий режим работы насосов и сети
На участке от насосной станции до аккумулирующего резервуара проектом
предусмотрен трубопровод, проложенный в 2 нитки из полиэтиленовых труб фирмы
WehoPipe SDR 17 d = 200 мм, с толщиной стенки s = 11,2 мм. Проектом предусматривается подача 100% (181,1 м3/ч)
стоков по одному трубопроводу.
Потери на сети от КНС до аккумулирующей емкости находятся по формуле:
Где b - коэффициент
учитывающий местные потери, b = 1,15;
m -
кол-во ниток трубопроводов, m = 1;
А200 = 9,34
К1 = 0,85 , при V200 = 2,02 м/снап =
191,8 м
Hст = (26,734 - 23,030) + 5,900 + 1 =
10,604 м
Напор насоса на станции будет равен
ННР = 10,604 + (0,000019 + 0,000135) ∙ Q2 = 10,604 + 1,55 ∙ 10-4 ∙ Q2
Напор насоса при полном расходе:
ННР = 10,604 + (0,000019 + 0,000135) ∙ 181,12
= 15,68 м
Аварийный режим работы насосов и сети
На участке от насосной станции до аккумулирующего резервуара проектом
предусмотрены три перемычки на расстоянии 49м друг от друга. Проектом
предусматривается подача 200% (362,2 м3/ч) стоков по одному участку
трубопровода длиной 49м.
Потери на сети от КНС до аккумулирующей емкости находятся по формуле:
Где b - коэффициент
учитывающий местные потери, b = 1,15;
m -
кол-во ниток трубопроводов, m = 1;
А200 = 9,34
К1 = 0,85 , при V200 = 2,02 м/снап =
142,8 м
Где b - коэффициент
учитывающий местные потери, b = 1,15;
m -
кол-во ниток трубопроводов, m = 1;
А200 = 6,76
К1 = 0,799 , при V200 = 4,06 м/снап = 49
м
Hст = (26,734 - 23,030) + 5,900 + 1 =
10,604 м
Напор насоса на станции будет равен
НАВ.Р. = 10,604 + (0,000019 + 0,0001) ∙ Q2 + 0,000025 ∙ (2∙Q2)
Напор насоса при аварии:
НАВ.Р. = 10,604 + (0,000019 + 0,0001) ∙ 181,12
+ 0,000025 ∙ (2∙181,1) 2 = 17,86 м
Расчет напоров на нормальный и аварийный случай работы сети сведен в
таблицу 20.
|
Характеристика насоса
|
|
|
|
0
|
30
|
60
|
90
|
120
|
150
|
165.2
|
180
|
181.1
|
210
|
|
|
|
21.42
|
21.26
|
20.79
|
20.00
|
18.90
|
17.48
|
16.65
|
15.75
|
15.68
|
13.71
|
|
|
|
Характеристика насоса
|
|
|
|
0
|
60
|
120
|
180
|
201.9
|
233.4
|
330.4
|
360
|
362.2
|
420
|
|
|
|
21.42
|
21.26
|
20.79
|
20.00
|
19.63
|
19.04
|
16.65
|
15.75
|
15.68
|
13.71
|
|
|
|
Характеристика сети в
нормальном режиме
|
|
0
|
30
|
60
|
90
|
120
|
150
|
151
|
180
|
181.1
|
210
|
233.4
|
240
|
|
10.60
|
10.74
|
11.16
|
11.86
|
12.83
|
14.09
|
14.13
|
15.62
|
15.68
|
17.43
|
19.04
|
19.52
|
|
Характеристика сети в
аварийном режиме
|
|
0
|
30
|
60
|
90
|
120
|
150
|
165.2
|
180
|
181.1
|
201.9
|
240
|
270
|
|
10.60
|
10.80
|
11.40
|
12.40
|
13.79
|
15.59
|
16.65
|
17.78
|
17.87
|
19.63
|
23.36
|
26.75
|
Рисунок 15. График совместной работы КНС и сети в нормальном и аварийном
режимах
Из графика совместной работы КНС и сети (см. рисунок 15) видно, что при
нормальном режиме работы производительность насоса 181,1 м3/ч при напоре
15,68м.
При нормальном режиме работы двух насосов на каждый трубопровод
производительность каждого насоса не изменится и будет 181,1 м3/ч
при напоре 15,68м.
При нормальном режиме работы двух насосов на один трубопровод общая
производительность насосов будет 233,4 м3/ч при напоре 19,04м
(производительность каждого 116,7 м3/ч при напоре 19,04м).
В случае аварии на одном из четырех участков трубопровода, в режиме
параллельной работы двух насосов на один трубопровод общая производительность
насосов будет 201,9 м3/ч при напоре 19,63м (производительность
каждого 100,95 м3/ч при напоре 19,63м).
2.4 Оборудование насосной станции
Насосные станции могут быть оснащены различным облегчающим эксплуатацию и
обслуживание дополнительным оборудованием. В зависимости от типа и конструкции
насосной станции возможно использование следующих видов оборудования:
Стремянки
Стремянки входят в стандартное оборудование насосных станций, конструкция
которых предполагает спуск персонала в мокрое помещение станции для проведения
регламентных работ.
Верхние перила
Для облегчения доступа в подземную насосную станцию возможна установка на
крышке насосной станции специальных перил.
Теплоизоляция
Подземная насосная станция должна быть изолирована до глубины 1200 мм.
При необходимости возможно применение более глубокой теплоизоляции.
Теплоизоляция устанавливается на верхнюю часть насосной на стадии изготовления.
Теплоизоляцию устанавливают также в крышках станций наружной установки.
Защитная решетка
Люки в крышках насосных станций могут быть оборудованы открывающейся
защитной решеткой, предотвращающей падение персонала и инструментов в колодец
во время проведения технического обслуживания и ремонта.
Кабельные соединения
Кабельные соединения делают возможным отсоединение насосов от блока
управления без помощи электрика. Кабельные соединения являются
водонепроницаемыми.
Пульт управления насосной станцией и контроль верхнего уровня
Пульт управления насосной станцией состоит из блока питания, блока
управления насосами (автоматический или ручной) и блока контроля верхнего
уровня.
Пульт управления насосной станции должен отвечать требованиям
безопасности, надежности и устойчивости к коррозии, так как оборудование
монтируется в местах с повышенной влажностью. Шкафы для пультов управления
часто изготавливаются из пластика, причем категория шкафа должна быть не ниже
IP 44. Пульты управления поставляются с маркировкой CE.
Пульты управления насосной станции размещают в непосредственной близости
от самой станции - в специальном наружном. При установке следует соблюдать
электромонтажные правила.
Пульт управления следует размещать только в запираемом помещении.
Наружные шкафы должны быть запираемыми и размещаться с учетом возможности
доступа к оборудованию и проведения обслуживания также и в зимнее время.
2.5 Строительная часть
Подземная часть: круглая в плане, внутренним диаметром 3 м.
Площадка установки КНС на отметке + 23,930 м.
Отметка заложения подводящего коллектора + 21,490 м.
Отметка заложения напорного трубопровода + 23,030 м.
Отметка дна приемного резервуара + 17,010 м.
Внутри корпуса КНС станции монтируются трубы, вентили, обратные клапаны и
насосное оборудование, стационарную лестницу. Для удобства обслуживания на отметке
+ 21,630 м устраивается площадка. Корзина для сбора мусора устанавливается на
площадке для удобства обслуживания. Для спуска на дно КНС и обслуживания
насосных агрегатов используется переносная лестница длиной 8 м.
В поставку КНС входят: поплавковые датчики уровня. Опора КНС представляет
собой железобетонную плиту, к которой при помощи анкерных болтов крепится днище
КНС. Для строительства КНС используют корпус из армированного стеклопластика
Ø3000 мм.
Канализационная насосная станция состоит из приемного резервуара
(корпуса) и шкафа управления. Современные технологии позволяют управлять
насосным оборудованием на большом расстоянии, благодаря использованию в пульте
управления GSM-модуля.
Установку КНС станции следует начинать с приготовления котлована, соответствующего
размерам КНС. Следующим этапом сооружается бетонное основание и монтирование
корпуса насосной установки, причем покрытие канализационной насосной станции
должно выступать не менее чем на 100 мм над планировочной отметкой земли. Далее
подсоединяются подводящий и отводящий трубопроводы, и засыпаются пазухи
котлована песчаным грунтом с послойным уплотнением до 95% от естественной
плотности. Заключительным этапом установки КНС станции является монтаж
насосного оборудования.
3. Автоматизация
3.1 Автоматизация канализационной насосной станции
Общие положения.
Насосные станции, как правило, должны проектироваться с управлением без
постоянного обслуживающего персонала. При этом рекомендуются следующие виды
управления:
автоматическое управление насосными агрегатами - в зависимости от уровня
сточной жидкости в приемном резервуаре;
местное - с периодически приходящим персоналом и с передачей необходимых
сигналов на диспетчерский пункт.
В насосных станциях, оборудованных агрегатами с электродвигателями
мощностью свыше 100 кВт и получающих электропитание от собственных
трансформаторных подстанций (ТП), следует учитывать возможность появления
ударных толчков нагрузки в трансформаторах, величина и частота которых
ограничиваются заводами-изготовителями.
На автоматизированных насосных станциях независимо от категории
надежности действия при аварийном отключении насосных агрегатов следует
осуществлять автоматическое включение резервного агрегата.
На телемеханизированных объектах автоматическое включение резервного
агрегата следует осуществлять на насосных станциях первой категории надежности
действия.
Пуск насосных агрегатов должен, как правило, производиться при
открытых напорных задвижках на обратный клапан. Пуск насосных агрегатов
при закрытых задвижках следует предусматривать при опасности гидравлических
ударов, а также при наличии требований, связанных с запуском синхронных
электродвигателей, и в других обоснованных случаях.
В насосных станциях следует контролировать следующие технологические
параметры:
· расход перекачиваемой жидкости (при необходимости);
· уровни в приемном резервуаре;
· уровни в дренажном приямке;
· давление в напорных трубопроводах;
· давление, развиваемое каждым насосным агрегатом;
· давление воды в системе гидроуплотнения.
В насосных станциях следует предусматривать местную аварийно-
предупредительную сигнализацию. При отсутствии постоянного обслуживающего
персонала предусматривается передача общего сигнала о неисправности на
диспетчерский пункт или пункт с круглосуточным дежурством.
Принцип работы шкафа управления
ШУ обеспечивает контроль уровня жидкости и управление включением насосов
с помощью поплавковых выключателей. К ШУ должны быть подключены четыре
поплавковых выключателя.
Поплавковый выключатель первого уровня сигнализирует о минимальном
рабочем уровне жидкости и отключает оба насоса.
Поплавковый выключатель второго уровня сигнализирует о верхнем рабочем
уровне жидкости и включает один из насосов в соответствии с очередностью
включения.
Поплавковый выключатель третьего уровня сигнализирует о пиковом рабочем
уровне жидкости и включает оба насоса одновременно.
Поплавковый выключатель четвёртого уровня сигнализирует о предельно
высоком допустимом уровне жидкости (угроза затопления) и включает индикатор
"УРОВЕНЬ МАКС" и внешний аварийный индикатор.
ШУ обеспечивает одновременную работу насосов в случае пиковой нагрузки,
функцию автоматической смены насосов, аварийное включение второго насоса в
случае отказа первого. В ручном режиме работы включение одного или двух насосов
будет происходить до тех пор, пока поплавковый выключатель не достигнет
минимально возможного уровня жидкости.
Если в ручном режиме работает только один из насосов, а другой находится
в автоматическом режиме, последний включается в параллельный режим эксплуатации
в случае превышения верхнего предельно допустимого уровня жидкости.
В автоматическом режиме ШУ выполняет следующие функции:
При подъёме уровня жидкости замыкается поплавковый выключатель верхнего
рабочего уровня и в соответствии с посменным режимом работы включается
следующий по порядку насос. При падении уровня жидкости до минимального уровня
насос отключается. При повторном подъёме уровня жидкости и замыкании контактов
поплавкового выключателя верхнего уровня включается следующий по порядку насос
для обеспечения посменного режима работы.
При замыкании поплавкового выключателя пикового рабочего уровня жидкости
в работу включается второй насос.
Защита от перегрузки электродвигателей насосов обеспечивается автоматами
защиты, расположенными в ШУ, защита от перегрева электродвигателей
обеспечивается встроенными тепловыми реле. При срабатывании автомата защиты или
теплового реле происходит отключение соответствующего электродвигателя и
включение аварийной сигнализации.
ШУ обеспечивает включение аварийного сигнала при срабатывании реле уровня
жидкости, которое применяется для контроля наличия жидкости в системе смазки.
Данная функция действует только при наличии встроенного в электродвигатель
датчика.
Сброс аварийного режима осуществляется кнопкой "СБРОС".
При подключении к релейному контакту сигнального устройства (светового,
звукового) можно осуществлять дистанционный контроль состояния ШУ. Данный
релейный контакт замыкается в случае аварийного состояния и при падении
напряжения питания.
4. Технология строительных процессов
очистка сточный вода насосный
4.1 Технология и организация работ по строительству напорного
канализационного трубопровода
В данном разделе дипломного проекта описана технология строительства
комплектной канализационной насосной станции и прокладки напорной канализации
неочищенного промышленного стока.
Канализационная насосная станция выполнена из армированного
стеклопластика, стойкого к большинству химических соединений, вызывающих
коррозию и процессы старения. Комплектная насосная станция выпускается в полной
заводской готовности и может монтироваться и подключаться на объекте сразу
после доставки. Станция представляет собой стеклопластиковый корпус,
выполненный методом машинной намотки (радиальным или перекрестным способом), со
смонтированной системой трубопроводов, запорной арматурой и элементами
обслуживания (люк, лестница, подвесная площадка). Комплектная насосная станция
комплектуется погружными насосами.
Монтаж насосной станции производится следующим образом:
. Подготовка основания. Разработка производится механизированным
способом, котлован должен быть немного недоработан до проектной отметки, для
того чтобы не нарушать природную целостность грунта.
. Установка шпунта.
. Доработка грунта до проектной отметки производится вручную, не
допуская перекопа.
. По разработанным чертежам собирается опалубка железобетонного
основания, устанавливается арматура с закладными деталями и заливается первый
слой бетона. Этот и все следующие слои бетона необходимо выполнять по всем
правилам технологии бетонных работ.
. После того как бетон наберет марочную прочность, начинается
монтаж корпуса КНС.
. При опускании корпуса в котлован нагрузку от массы корпуса
распределить равномерно по всем монтажным петлям (рисунок 16).
. Стеклопластиковый корпус должен быть смонтирован строго в
проектном положении. После того как корпус был установлен на проектную отметку,
необходимо убедиться, что он не имеет повреждений и установлен строго по осям.
Проверьте вертикальность корпуса. При горизонтальности фундамента КНС будет стоять
вертикально.
Рисунок 16
8. Необходимо закрепить корпус к фундаменту анкерными болтами
(рисунок 17). Расчет веса бетона производится в объеме рабочего проекта или
проекта производства работ.
Рисунок 17
9. После этого производят обратную засыпку до уровня самотечного и
напорного коллекторов.
. Далее необходимо подсоединить к КНС самотечный и напорный
трубопроводы.
. Обратную засыпку производить мягким грунтом без камней,
равномерно по окружности КНС. Засыпку выполнять по слоям с максимальной высотой
0,5 м. Зимой необходимо учесть, что грунту нельзя замерзать. Грунт под
самотечным и напорным коллектором утрамбовывают.
4.2 Подготовительные работы
- устройство подъездных дорог;
- планирование площадки для складирования конструкций;
- подвод электроэнергии;
- установка и испытание монтажных приспособлений.
Планировка строительной площадки.
Планировка строительной площадки зависит, от площади строящейся КНС, протяженности
напорного трубопровода, и от состава подсобных, бытовых, складских и других
временных зданий и сооружений. Для выполнения планировочных работ применяется
экскаватор-погрузчик JCB 3CX Super.
Технические данные экскаватора-погрузчика JCB 3CX Super:
— Мощность двигателя, кВт (л.с): 68,6
(92)
— Глубина копания, м: 5,46
— Вес, т: 8,07
— Передний ковш - 1,1 куб. м.
— Задний ковш 0,48 куб. м.
— Грузоподъемность фронтального ковша
при максимальной высоте подъема, 3 300 кг
— Максимальная скорость, 35 км/ч
— Габариты экскаватора 5620х2360х3610
мм
Рисунок 18. Технические характеристики и размеры JCB 3CX Super
Рисунок 19. Размеры экскаватора-погрузчика
Рисунок 19. Размеры экскаватора-погрузчика (продолжение)
Для разработки котлована под КНС применяется экскаватор JCB JS330.
Технические данные экскаватора JCB JS330:
— Мощность двигателя, л.с: 197
— Глубина копания, м: 8,19
— Вес, т: 27,75
— Вместимость ковша - 1,49 куб. м.
(ширина ковша 1500мм)
— Грузоподъемность фронтального ковша
при максимальной высоте подъема, 3 300 кг
— Максимальная скорость, 35 км/ч
— Габариты экскаватора 4640х34900х3220 мм

Рисунок 20. Размеры экскаватора JCB JS330
4.3 Установка шпунта
В проекте предусматривается установка шпунта Ларсен тип Л4, который
позволит при разработке котлована избежать больших затрат на механизированные
земляные работы.
Рисунок 21. Размеры шпунта Ларсен тип Л4
Ширина профиля по центрам замков - 400мм.
Размер котлована в плане (a x b) с учетом технологических проходов вокруг стен КНС будет 4,8
х 4,8 м.
К установке по периметру котлована размером 4,8 х 4,8 м принимается
4.4 Разработка котлована
Глубина рабочего котлована (Нкотл) составляет
Нкотл = Нст + Нфунд = 7,12 + 0,4 - 0,2=
7,32 м,
где Нст - высота канализационной станции, м
Нфунд - высота фундамента канализационной станции, м
Ншпунт = Нкотл + 1 = 7,32 + 1 = 8,32 м,
где Ншпунт - глубина установки шпунта, м
Принимаем к установке шпунт длиной 8,5 м.
Для установки шпунта в грунт в проекте предусмотрено применение копровой
установки СП-49Д.
Технические характеристики копра СП-49Д сведены в таблицу 21.
Таблица 21
|
Базовая модель
|
ТМ-10.00Е2Б - машина с
традиционной ходовой частью болотоходной модификации
|
|
Ширина гусеницы
|
900 мм
|
|
Копровая установка СП-49Д
предназначена
|
для забивки свай
стандартного сечения (300*300; 350*350; 400*400), длиной до 12 метров и
массой до 3 т
|
|
Установлен дизель-молот
|
СП6ВМ
|
|
Возможна установка
|
любого молота массой до 4,2
т
|
|
Полная масса установки
|
32 500 кг
|
Общий объем выгружаемого грунта Vобщ = 169 м3.
Однако следует учитывать увеличение объема грунта при
его разработке путем умножения на коэффициент разрыхления, который для
суглинистых грунтов принимается равным 1,2.
Окончательно Vобщ = 1,2 ∙
169 = 203 м3
На выбор ходового оборудования экскаватора влияют
характеристики грунта. На плотных грунтах применяют пневмоколёсные экскаваторы,
на слабых и влажных - гусеничные.
Выбор наиболее эффективного по техническим
характеристикам экскаватора осуществляют по трём основным позициям: шаг
экскаватора при работе в заданных условиях (глубине котлована, крутизне
откосов) должен быть не менее рекомендуемого для данного экскаватора (или не
менее 1 метра); угол поворота при отрывке грунта должен составлять 70-900;
высота ковша должна не менее трёх раз укладываться по глубине котлована (для
обеспечения 100% - ого заполнения ковша).
Наименьшая высота забоя, м, обеспечивающая наполнение
ковша экскаватора с "шапкой", принимается по данным таблицы 22.
Таблица 22
|
Группа грунта
|
Вместимость ковша, м3
|
|
0,25
|
0,4-0,5
|
0,65-0,8
|
1-1,25
|
1,6-2,5
|
|
I, II
|
1,5
|
1,5
|
2,5
|
3
|
3
|
С учётом выполнения всех требований принимаем
гусеничный экскаватор JCB JS330.
Как правило, рабочий радиус копания у экскаваторов принимается равным
0,85 - 0,95 от паспортного радиуса.
Для расчёта реального шага перемещения экскаватора необходимо определить
наибольший и наименьший радиус копания по низу
где
- шаг перемещения экскаватора;
- рабочий радиус копания, принятый как
;
- расстояние от оси пяты стрелы до оси вращения;
- высота оси пяты стрелы;
- полная глубина копания;
- глубина прямоугольного котлована с откосами вдоль сторон.
Рисунок 22. Выполнение земляных работ экскаватором JCB JS330
Объем разработки котлована механизированным способом
(экскаватором)
Объем разработки котлована вручную
Расчет сведен в таблицу 23.
Таблица 23
|
Наименование работ
|
Объем грунта
|
|
Механизированные земляные
работы (разработка траншеи экскаватором), Vмех
|
188
|
|
Ручные земляные работы
(подчистка дна траншеи и котлованов, устройство приямков), Vручн
|
15
|
|
ИТОГО
|
203
|
Объем извлеченного грунта, необходимого для обратной засыпки,
определяется по формуле
, где
V -
объем котлована, м3; Vом - объем укладываемой КНС, м3;
Объем грунта, который вывозится за пределы строительной площадки
Грунт, предназначенный для частичной засыпки КНС, Vо.з. разрабатывается экскаватором в отвал
и складируется на бровке траншеи. При этом основание откоса отвала грунта от
края котлована должно быть на расстоянии не менее 0,5-1,0 м.
При строительстве котлована обычно отвал грунта устраивается с нескольких
сторон котлована. В данном случае с трех. С четвертой стороны котлована
находится экскаватор.
Отвал грунта определяется площадью поперечного сечения,
по формуле
Высота отвала грунта находится по формуле
Ширина отвала грунта по низу Bотв при угле
естественного откоса разрыхленного грунта 450 определяется по
формуле
Так как вырытый котлован малых размеров, то в качестве крепления стен
котлована будет выполнено консольно-распорное крепление.
Консольно-распорное крепление представляет собой сочетание двух видов
крепления. Такое крепление воспринимает нагрузки распорками и ограждающими
элементами. В качестве ограждающих элементов используют также стальной шпунт и
двутавровые балки, между которыми закладывают щиты или доски.
Разгрузка и установка в котлован КНС
Разгрузка грузового автомобиля КамАЗ-65117 с комплектной насосной
станцией на борту выполняется с помощью автомобильного крана КС-35719-1-02
("Клинцы") на базе автомобиля КамАЗ 43253.
Рисунок 23. Размеры автомобильного крана КС-35719-1-02
Технические данные автомобильного крана КС-35719-1-02:
габаритные размеры: 10000х2500х3580 мм
грузоподъемность - 12,6 т;
двигатель - дизель, мощностью 260 л.с.
Рисунок 24. Технические характеристики крана КС-35719-1-02
4.5 Дренаж котлована
В виду того, что глубина котлована более 5м, в проекте предусматривается
откачивание из него (дренаж) грунтовых вод.
К установке принимается один дренажный насос Grundfos тип UNIFILT AP 12.40.08, производительностью до 24 м3/ч и
напором до 15 м. При условии, что подъем жидкости будет осуществляться с
глубины около 8 м, максимальная длина подающего трубопровода 310 м.
Грунтовые воды направляются в ближайший мелиоративный канал без
предварительной очистки.
Рисунок 25. Характеристика работы дренажного насоса
4.6 Разработка траншеи
Глубина траншеи
Глубина траншеи зависит от глубины заложения трубопровода в начале и
конце прокладываемого участка, а также от наличия искусственного основания под
грунт. Так, для трубопроводов, когда обычно задается глубина траншеи, при
известной абсолютной отметке поверхности земли Zп.з..и глубина заложения трубопровода hmin. При укладке
трубопровода на искусственное основание полученную глубину следует увеличить на
толщину слоя искусственного основания.
hmin = hпр - (0,30,5) ≥ 0,7 + Dmin
= 0,7 + 0,2 = 0,9 мmin = 1,16 - 0,3 = 0,86 м
Zниз.тр.= Zп.з. - hmin - 0,2 = 23,930 - 0,9 - 0,2 = 22,830 м
Нтр = Zп.з. - Zниз.тр. = 23,930 - 22,830 = 1,1м
Размер траншеи на глубине 1,1 в плане (a x b) с учетом технологических проходов вокруг трубы диаметром
200мм будет 1 х 188,1 м. Так как в месте строительства располагаются грунты в
виде суглинка и глубина его выемки не более 5 м, то крутизну откосов (1 : m) принимаем 1 : 0,5.
, где
Общий объем выгружаемого грунта Vобщ = 321,8
м3.
Однако следует учитывать увеличение объема грунта при
его разработке путем умножения на коэффициент разрыхления, который для
суглинистых грунтов принимается равным 1,2.
Окончательно Vобщ = 1,2 ∙
321,8 = 386,2 м3
Разработка траншеи производится на 97%
механизированным способом (экскаватором), на 3% вручную (зачистка недоборов)
(см. таблицу 24).
Таблица 24
|
Наименование работ
|
Объем грунта, м3
|
374,6
|
|
Ручные земляные работы
(подчистка дна траншеи и котлованов, устройство приямков), Vручн
|
11,6
|
|
ИТОГО
|
386,2
|
Объем песка, необходимого для устройства основания толщиной 0,2м
На выбор ходового оборудования экскаватора влияют
характеристики грунта. На плотных грунтах применяют пневмоколёсные экскаваторы,
на слабых и влажных - гусеничные.
Выбор наиболее эффективного по техническим
характеристикам экскаватора осуществляют по трём основным позициям: шаг
экскаватора при работе в заданных условиях (глубине котлована, крутизне
откосов) должен быть не менее рекомендуемого для данного экскаватора (или не
менее 1 метра); угол поворота при отрывке грунта должен составлять 70-900;
высота ковша должна не менее трёх раз укладываться по глубине котлована (для
обеспечения 100% - ого заполнения ковша).
Наименьшая высота забоя, м, обеспечивающая наполнение
ковша экскаватора с "шапкой", принимается по данным таблицы 25.
Таблица 25
|
Группа грунта
|
Вместимость ковша, м3
|
|
0,25
|
0,4-0,5
|
0,65-0,8
|
1-1,25
|
1,6-2,5
|
|
I, II
|
1,5
|
1,5
|
2,5
|
3
|
3
|
С учётом выполнения всех требований принимаем экскаватор
JCB JS330.
Как правило, рабочий радиус копания у экскаваторов принимается равным
0,85 - 0,95 от паспортного радиуса.
Для расчёта реального шага перемещения экскаватора необходимо определить
наибольший и наименьший радиус копания по низу
где
- шаг перемещения экскаватора;
- рабочий радиус копания, принятый как
;
- расстояние от оси пяты стрелы до оси вращения;
- высота оси пяты стрелы;
- полная глубина копания;
- глубина прямоугольного котлована с откосами вдоль сторон.
Объем извлеченного грунта, необходимого для обратной засыпки,
определяется по формуле
, где
V -
объем котлована, м3; Vом - объем укладываемых труб, м3;
, где
- количество протягиваемых трубопровода (n=2)
L -
длина трубопровода (188,1м)
Объем грунта, который вывозится за пределы строительной площадки
Грунт, предназначенный для частичной засыпки труб и засыпки траншеи, Vо.з. разрабатывается экскаватором в отвал
и складируется на бровке траншеи. При этом основание откоса отвала грунта от
края траншеи должно быть на расстоянии не менее 0,5-1,0 м.
В поперечном сечении полосы строительной площадки, отводимой для
строительства трубопроводов, отвал грунта занимает определенное место.
При строительстве трубопроводов обычно отвал грунта устраивается с одной
стороны траншеи, а трубы и другие материалы размещаются с другой стороны
траншеи.
Отвал грунта определяется площадью поперечного сечения,
по формуле
Высота отвала грунта находится по формуле
Ширина отвала грунта по низу Bотв при угле
естественного откоса разрыхленного грунта 450 определяется по
формуле
Так как вырытая траншея малых размеров, то в качестве крепления стен
котлована будет выполнено консольно-распорное крепление, представляющее собой
сочетание двух видов крепления. Такое крепление воспринимает нагрузки
распорками и ограждающими элементами. В качестве ограждающих элементов
используют также стальной шпунт и двутавровые балки, между которыми закладывают
щиты или доски.
Сварка плети труб.
Пред укладкой трубопровода у траншеи сваривается плеть из отдельных
полиэтиленовых труб. Готовая к кладке с траншею плеть трубопровода
располагается у траншеи.
Гидравлическое испытание.
Предварительное испытание трубопроводов (на плотность) производится после
сварки труб путем наполнения коллектора водой и наблюдения за утечкой воды из
коллектора.
Гидростатическое давление в коллекторе создается заполнением водой
стояка, установленного в верхней его точке. Гидростатическое давление при
испытании коллектора равно 0,4 МПа.
Предварительное испытание производится в течение 30 мин.
Коллектор признается выдерживанием предварительное испытание, если при
его осмотре не будет обнаружено утечек воды
4.7 Доставка строительных материалов на площадку
Масса одной трубы WehoPipe D = 200мм
определяется по формуле:
,
где R и r - соответственно наружный и внутренний диаметр трубы, м;
l -
длина трубы (1 п.м.);
ρ - плотность трубы высокого давления PE100 (970 кг/м3)
Общая масса труб M =
376,2 · 6,82 = 2566 кг = 2,57 т
Количество труб n =
376,2/6 = 63 шт.
Масса одной канализационной станции (без насосов и обвязки) диаметром 3м
и длиной 6,7м будет порядка 3 т.
Транспорт для доставки КНС и труб - грузовой автомобильный марки
КамАЗ-65117 с манипулятором Soosan SCS746LTop.
Рисунок 26. Размеры грузового автомобиля марки КамАЗ-65117
Технические характеристики КамАЗ-65117:
габаритные размеры: 10245х2420х2990 мм
грузоподъемность - 12,6 т;
двигатель - дизель, мощностью 260 л.с.
За один рейс КамАЗ способен отвезти 42 трубы, длинной 6 м и массой каждой
из них 85,3 кг. Общий вес, перевозимых за один раз труб, составит 3583 кг, что
меньше грузоподъемности КамАЗа.
Таким образом, количество рейсов автомобиля для доставки труб: 63/43 = 2
рейса.
Масса 1 п.м. стального шпунта тип Л4 - 74 кг.
Общая масса стального шпунта, доставленного на строительную площадку
.
Доставка 31 т шпунта будет выполнена за 3 рейса.
Рисунок 27. Характеристики Soosan SCS746LTop
Масса песка для подготовки необходимого для устройства основания толщиной
0,2м, при условии, что насыпная плотность песка 1500 кг/м3.
Рисунок 28. Размеры грузового автомобиля марки КамАЗ-6520
Технические характеристики КамАЗ-6520:
габаритные размеры: 7900х2420х3110 мм
грузоподъемность - 20 т;
двигатель - дизель, мощностью 400 л.с.
За один рейс КамАЗ способен отвезти 20 т песка. Для доставки 56,4 тонн
песка потребуется 3 рейса.
4.8 Расчет эксплуатационной сменной производительности экскаватора при
разработке котлована
Объем избыточного грунта
, при разработке котлована рекомендуется производить,
определяя эксплуатационную сменную производительность экскаватора, м3/см,
где 492 - продолжительность рабочей смены, мин (8,2 х 60);
q -
геометрическая ёмкость ковша экскаватора, 1,46м3;
- число циклов экскавации в минуту;
- продолжительность цикла экскавации;
- коэффициент емкости ковша экскаватора - отношение объёма
грунта в плотном состоянии, разрабатываемого за одну экскавацию, к
геометрической емкости ковша;
- коэффициент использования экскаватора по времени в течение
смены.
Продолжительность работы экскаватора по разработке котлована
Количество рейсов, необходимых для вывоза грунта за пределы строительной
площадки
.9 Расчет эксплуатационной сменной производительности экскаватора
при разработке траншеи
Объем избыточного грунта
, при разработке котлована рекомендуется производить,
определяя эксплуатационную сменную производительность экскаватора, м3/см,
где 492 - продолжительность рабочей смены, мин (8,2 х 60);
q -
геометрическая ёмкость ковша экскаватора, 1,46м3;
- число циклов экскавации в минуту;
- продолжительность цикла экскавации;
- коэффициент емкости ковша экскаватора - отношение объёма
грунта в плотном состоянии, разрабатываемого за одну экскавацию, к
геометрической емкости ковша;
- коэффициент использования экскаватора по времени в течение
смены.
Продолжительность работы экскаватора по разработке траншеи
Количество рейсов, необходимых для вывоза грунта за пределы строительной
площадки
4.10 Зачистка строительной площадки
Под зачисткой строительной площадки следует понимать уборку и отвозку на
склад, новые объекты или свалку неоднократно используемых и неиспользуемых
материалов, демонтаж и перевозки на склад или новые объекты различного
оборудования, которое использовалось на строительной площадке.
Так же после зачистки строительного объекта нужно спланировать оставшийся
грунт.
После завершения всех работ по строительству коллектора, его
окончательного испытания и зачистки строительной площадки коллектор
предъявляется комиссии для приемки его в эксплуатацию.
4.11 Составление календарного плана производства работ и графика
движения рабочей силы
Затраты труда рабочих в человеко-сменах (трудоемкость) или машинного
времени в машино-сменах, а также состав звеньев или бригад определяются по
Единым нормам и расценкам на строительные, монтажные и ремонтно-строительные
работы (ЕНиР) для каждого вида строительно-монтажных работ в соответствии с
технологической последовательностью их производства.
Трудоемкость того или иного вида строительно-монтажных работ определяется
по формуле:
Тр = 1,2 ∙ (Нвр ∙ V) / 8,2 , где
Тр - трудоёмкость каждого вида строительно-монтажных работ,
чел-см. или маш-см;
,2 - коэффициент, учитывающий затраты труда на выполнение вспомогательных
работ, сопутствующих основному процессу;
Нвр - норма времени на единицу объёма того или иного вида
строительно-монтажных работ, чел.-ч. или маш.-ч., принятая по ЕНиР;
V -
объём того или иного вида строительно-монтажных работ в единицах измерения,
принятых в ЕНиР;
,2 - средняя продолжительность рабочей смены.
Форма календарного плана производства работ и график движения рабочей
силы представлены в графической части проекта.
Календарный план производства работ составляется следующим образом (см.
таблицу 26):
)Наименование работ заполняем в технологической последовательности
производства строительно-монтажных работ с группировкой по видам и периодам
работ.
) Объем работ заполняется по технологическим данным
) Наименование и количество машин - по технологическим данным.
Продолжительность работ определяется по следующей формуле:
t = Tp / n ∙ m, где
t -
продолжительность выполнения того или иного вида строительного процесса или
строительно-монтажных работ, дн.;
Тр - нормативная трудоемкость работ, чел.-см.;
n -
число рабочих в смену принимается равным численности звена (бригады), указанной
в ЕНиР.
m -
количество рабочих смен в течение суток.
График работ показывает ход, последовательность и увязку во времени
выполнения отдельных видов строительно-монтажных работ.
Для определения непрерывности и равномерности использования рабочих, под
правой частью календарного плана строится график движения рабочих, на котором
по оси ординат откладывают число рабочих, занятых на строительно-монтажных
работах в каждый период времени, а по оси абсцисс - рабочие дни.
Качество графика движения рабочих оценивается по коэффициенту
неравномерности использования рабочих К. Коэффициент "К" не должен
превышать 1,5.
К=Nmax / Nсредн, где
max - максимальное число рабочих в день на объекте (берется из
графика движения рабочих), Nmax = 20 чел;
Nсредн - среднее число рабочих в день на
объекте, которое определяется по формуле:
Nсредн =1,1∙∑Тр/Т;
Где 1,1 - коэффициент, учитывающий невыход на работу по уважительным
причинам;
Тр - cуммарная
трудоемкость работ по объекту, чел.-см
Тр = 172,52 чел.-см;
Т - общая продолжительность работ по объекту, дн. Т = 16 дн.
средн =1,1∙172,52 / 17 = 13,36
К = 20/13,36= 1,49<1,5
Полученный график удовлетворяет необходимому условию.
Таблица 26
|
ЕНиР
|
Наименование работ
|
Объем работ
|
Норма времени, ч
|
Затраты труда
|
Состав звеньев и наименование
машин
|
|
|
|
|
|
|
|
|
|
|
Единица измерения
|
Количество
|
Рабочих, чел-ч
|
Машин, маш-ч
|
Рабочих, чел-ч
|
Машин, маш-ч
|
Профессия рабочих и наим.
машин
|
Число рабочих
|
|
|
Е1-5
|
Доставка и выгрузка
строительных материалов
|
100 т
|
0,9297
|
2,3
|
2,3
|
031
|
0,31
|
Машинист 4 разр.
|
1
|
|
|
|
|
|
9,2
|
-
|
8,55
|
-
|
Такелажник 2 разр.
|
2
|
|
|
Е2-1-9
|
Разработка грунта
экскаватором навымет для выкапывания котлована
|
100 м³
|
1,88
|
1,84
|
0,92
|
0,45
|
0,25
|
Машинист 6 разр.
|
1
|
|
|
|
|
|
1,84
|
-
|
0,45
|
-
|
Помощник машин. 5 разр.
|
1
|
|
|
Е2-1-13
|
Разработка грунта
экскаватором навымет для выкапывания траншеи
|
100 м³
|
3,746
|
2
|
1
|
1,10
|
0,55
|
Машинист 6 разр.
|
1
|
|
|
Е2-1-9
|
Погрузка грунта из
котлована экскаватором на транспортное средство
|
100 м³
|
0,489
|
2,4
|
1,2
|
0,17
|
0,09
|
Машинист 6 разр.
|
2
|
|
|
Е2-1-13
|
Погрузка грунта из траншеи
экскаватором на транспортное средство
|
100 м³
|
0,494
|
2,6
|
1,3
|
0,19
|
0,09
|
Машинист 6 разр.
|
2
|
|
|
Е12-51
|
Установка шпунта Ларсен-IV
|
1 свая
|
48
|
2,61
|
0,87
|
18,33
|
6,11
|
Машинист 6 разр.
|
1
|
|
|
|
|
|
2,61
|
-
|
18,33
|
-
|
Копровщик 5 разр.
|
1
|
|
|
|
|
|
2,61
|
-
|
18,33
|
-
|
Копровщик 4 разр.
|
1
|
|
|
Е2-1-58
|
Ручная разработка котлована
|
1 м³
|
15
|
2,3
|
-
|
5,05
|
-
|
Землекоп 2 разр.
|
1
|
|
|
|
|
|
2,3
|
-
|
5,05
|
-
|
Землекоп 1 разр.
|
1
|
|
|
|
Установка комплектной
насосной станции
|
100 т
|
0,03
|
2,3
|
2,3
|
0,01
|
0,01
|
Машинист 4 разр.
|
1
|
|
|
|
|
|
9,2
|
-
|
0,04
|
-
|
Такелажник 2 разр.
|
2
|
|
|
|
|
|
4,6
|
-
|
0,02
|
-
|
Монтажники 4 разр.
|
1
|
|
|
|
|
|
9,2
|
-
|
0,04
|
-
|
Монтажники 3 разр.
|
2
|
|
|
Е12-52
|
Выдергивание шпунта
Ларсен-IV
|
1 свая
|
48
|
2,88
|
0,72
|
20,23
|
5,06
|
Машинист 6 разр.
|
1
|
|
|
|
|
|
2,88
|
-
|
20,23
|
-
|
Копровщик 5 разр.
|
1
|
|
|
|
|
|
2,88
|
-
|
20,23
|
-
|
Копровщик 4 разр.
|
1
|
|
|
Е2-1-34
|
Засыпка котлована
|
100 м³
|
1,541
|
0,55
|
0,55
|
0,12
|
0,12
|
Машинист 6 разр.
|
1
|
|
|
Е9-2-7
|
Сварка труб
|
1 стык
|
70
|
1,3
|
-
|
13,32
|
-
|
Монтажники 5 разр.
|
1
|
|
|
|
|
|
1,3
|
-
|
13,32
|
-
|
1
|
|
|
Е2-1-34
|
Устройство песчаного
основания траншеи
|
100 м³
|
0,376
|
0,87
|
0,87
|
0,05
|
0,05
|
Машинист 6 разр.
|
1
|
|
|
Е9-2-7
|
Укладка труб
|
м
|
376,2
|
2,3
|
2,3
|
0,87
|
0,87
|
Машинист 6 разр.
|
1
|
|
|
|
|
|
0,02
|
-
|
1,10
|
-
|
Монтажники 4 разр.
|
1
|
|
|
|
|
|
0,02
|
-
|
1,10
|
-
|
Монтажники 3 разр.
|
1
|
|
|
Е2-1-58
|
Частичная засыпка труб
|
1 м³
|
56,4
|
0,81
|
-
|
6,69
|
-
|
Землекоп 2 разр.
|
1
|
|
|
|
|
|
0,81
|
-
|
6,69
|
-
|
Землекоп 1 разр.
|
1
|
|
|
Е9-1-8
|
Предварительное испытание
коллектора
|
100 м
|
3,762
|
17
|
-
|
9,36
|
-
|
Монтажники 5 разр.
|
1
|
|
|
|
|
|
17
|
-
|
9,36
|
-
|
Монтажники 3 разр.
|
1
|
|
|
Е2-1-34
|
Засыпка траншеи
|
100 м³
|
3,862
|
0,55
|
0,55
|
0,31
|
0,31
|
Машинист 6 разр.
|
1
|
|
Е9-1-8
|
Окончательное испытание
коллектора
|
100 м
|
3,762
|
9,4
|
-
|
5,18
|
-
|
Монтажники 5 разр.
|
1
|
|
|
|
|
9,4
|
-
|
5,18
|
-
|
Монтажники 4 разр.
|
1
|
|
Е2-1-36
|
Предварительная планировка
строительной площадки
|
1000 м²
|
1,2076
|
0,21
|
0,21
|
0,04
|
0,04
|
Машинист 6 разр.
|
1
|
|
Е2-1-36
|
Окончательная планировка
строительной площадки
|
1000 м²
|
1,11018
|
0,28
|
0,28
|
0,05
|
0,05
|
Машинист 6 разр.
|
1
|
|
|
|
|
|
|
|
|
|
|
|
|
|
5. Охрана труда
.1 Охрана труда на стадии проектирования
В соответствии с настоящим Федеральным Законом № 384
на стадии проектирования были выполнены следующие условия:
В проектной документации наружных и внутренних сетей
снабжения зданий и сооружений КОС промышленного предприятия водой, используемой
в качестве питьевой и для хозяйственно-бытовых нужд, предусмотрены меры по
обеспечению подачи требуемого количества воды и предотвращению ее загрязнения в
соответствии с Федеральным законом № 384.
В соответствии с СП 48.13330.2011 "Организация строительства"
разработан проект производства работ. Проект производства работ включает в
себя:
- календарный план производства работ по объекту;
- строительный генеральный план;
- график поступления на объект строительных конструкций,
изделий, материалов и оборудования;
- график движения рабочих кадров по объекту;
- график движения основных строительных машин по объекту;
Согласно СП 42.13330.2011 внутренняя и наружная
канализация промпредприятия запроектирована в соответствии с СП 32.13330.2010
"Канализация. Наружные сети и сооружения". Подземные инженерные сети
размещены в пределах поперечных профилей дорог под тротуарами.
5.2 Охрана труда на стадии строительства
На основании СП 48.13330.2011 "Организация строительства" К
организационно-технологической документации относятся проект производства
работ, а также иные документы, в которых содержатся решения по организации
строительного производства и технологии строительно-монтажных работ,
оформленные, согласованные, утвержденные и зарегистрированные в соответствии с
правилами, действующими в организациях, разрабатывающих, утверждающих и
согласующих эти документы.
При подготовке к ведению строительно-монтажных работ на территории объекта
администрация предприятия-застройщика и лицо, осуществляющее строительство,
назначают ответственного за оперативное руководство работами и определяют
порядок согласованных действий.
Важным фактором безопасного ведения монтажных работ является правильная
организация рабочих мест, включая систему мероприятий по оснащению рабочего
места необходимыми техническими средствами, а также средствами индивидуальной
защиты. Организация рабочего места обеспечивает безопасность труда, а также
безопасный и удобный доступ к рабочим местам.
Устойчивость монтируемых конструкций в процессе
монтажа является одним из наиболее решающих факторов профилактики
производственного травматизма. Способы монтажа строительных конструкций были
выбраны с учетом обеспечения прочности, устойчивости и не изменяемости формы
конструкций на всех стадиях монтажа (статья 7 Федерального закона № 384-ФЗ).
Строительство здания или сооружения осуществляется с
применением строительных материалов и изделий, обеспечивающих соответствие
здания или сооружения требованиям настоящего Федерального закона и проектной
документации (ст. 34 ФЗ № 384).
В проекте предусмотрена уборка территории стройплощадки КОС и
пятиметровой прилегающей зоны. Бытовой и строительный мусор, а также снег
вывозятся своевременно в сроки и в порядке, установленном органом местного
самоуправления. До начала любых работ строительная площадка и опасные зоны
работ ограждаются в соответствии с требованиями нормативных документов.
При въезде на площадку КОС города Сестрорецк установить информационные
щиты с указанием наименования объекта, названия застройщика (заказчика),
исполнителя работ (подрядчика, генподрядчика), фамилии, должности и номеров
телефонов ответственного производителя работ по объекту или местного
самоуправления, курирующего строительство, сроков начала и окончания работ,
схемы объекта (СП 48. 13330.2011 "Организация строительства")
В разделе 3 "Технология строительного
производства" был разработан проект по монтажу комплексной насосной
станции, в котором предусматривают общие мероприятия, обеспечивающие
безопасность труда на всех этапах строительства в соответствии с СП
48.13330.2011 "Организация строительства".
Для монтажа КНС необходимо организовать отрывку
котлована.
При производстве земляных работ соблюдать правила
предусмотренные СНиП 12-03-2001 "Безопасность труда в строительстве. Часть
1. Общие положения" и СНиП 12-04-2002 "Безопасность труда в
строительстве. Часть 2. Строительное производство". Соблюдать безопасность
при креплении стенок котлована, во избежание осыпания и обрушения стенок
котлована.
Для того чтобы обезопасить рабочих от обрушения стенок
котлована, проектом предусмотрено применение деревянного шпунта.
К работам на кране допускаются мужчины не моложе 18
лет, прошедшие медицинское освидетельствование и курс обучения безопасным
способам работ и по конструкции крана и вибропогружателя, аттестованные в
соответствии с требованиями ПБ 10-382-00 "Правила устройства и безопасной
эксплуатации грузоподъемных кранов", утвержденные Госгортехнадзором
России, изучившие Руководство по эксплуатации крана и получившие удостоверения
на право производства соответствующих видов работ.
При производстве работ по демонтажу шпунта вблизи
существующих зданий и сооружений необходимо оценить опасность для них
динамических воздействий, исходя из влияния колебаний на деформации грунтов
оснований, технологические приборы и оборудование, а также допустимости уровня
колебаний по санитарным нормам.
После окончания работ все механизмы копра и дизельного
агрегата должны быть отключены, пульты управления вышеуказанных механизмов
закрыты на замок.
При монтаже насосной станции очень важно правильно
подобрать оборудование и строительные машины. Кран должен устойчиво стоять на
поверхности, не меньше чем 1,5 метра от края котлована. Запрещено оставлять
подвешенным груз на время перерыва или ухода со строительной площадки. Не
допускается проводить монтажные работы при неблагоприятных погодных условиях
(туман, ветер более 15 м/с)
Монтаж оборудования производится согласно СНиП
12-04-2002. Подавать оборудование под сборку или монтаж следует непосредственно
в зону действия кранов.
5.3 Пожарная безопасность
На основании Федерального закона № 384-ФЗ (статья 8) "Технический
регламент о безопасности зданий и сооружений" пожарная безопасность
объекта должна обеспечиваться системами предотвращения пожара и противопожарной
защиты, в том числе организационно-техническими мероприятиями.
Системы пожарной безопасности характеризуются уровнем обеспечения
пожарной безопасности людей и материальных ценностей, а также экономическими
критериями эффективности этих систем для материальных ценностей, с учетом всех
стадий (научная разработка, проектирование, строительство, эксплуатация)
жизненного цикла объектов и выполняют одну из следующих задач:
· исключают возникновение пожара;
· обеспечивают пожарную безопасность
людей;
· обеспечивают пожарную безопасность
материальных ценностей;
· обеспечивают пожарную безопасность
людей и материальных ценностей одновременно.
Согласно Федеральному закону РФ от 22 июля 2008 года № 123-ФЗ "Технический
регламент о требованиях пожарной безопасности", объекты, пожары на которых
могут привести к массовому поражению людей, находящихся на этих объектах и
окружающей территории, должны иметь системы пожарной безопасности,
обеспечивающие минимально возможную вероятность возникновение пожара."
Противопожарная защита достигается применением автоматических установок
пожарной сигнализации и пожаротушения.
Пожаротушение осуществляется водой из производственно-пожарного
водопровода и первичными средствами пожаротушения.
Согласно ст.86 Федерального закона №123 выполняются следующие требования:
. Внутренний противопожарный водопровод обеспечивает нормативный
расход воды для тушения пожаров в зданиях, сооружениях и строениях.
. Внутренний противопожарный водопровод оборудован внутренними
пожарными кранами в количестве, обеспечивающем достижение целей пожаротушения.
. Требования к внутреннему противопожарному водопроводу
устанавливаются нормативными документами по пожарной безопасности
К первичным средствам пожаротушения относятся:
. ящик с песком
. внутренние пожарные краны
. огнетушители
Заблаговременно должно осуществляться накопление первичных средств
пожаротушения и их периодическая проверка и перезарядка.
В зданиях и сооружениях предусматриваются лестничные клетки,
противопожарные стены, аварийные люки, имеющие устойчивость при пожаре и
огнестойкость конструкций.
5.4 Санитарно-эпидемиологические требования
Согласно Федеральному закону РФ от 22 июля 2008 года № 123-ФЗ для
обеспечения выполнения санитарно-эпидемиологических требований в проектной
документации зданий и сооружений с помещениями с постоянным пребыванием людей
предусмотрено устройство систем водоснабжения, канализации, отопления,
вентиляции, энергоснабжения.
В проектной документации наружных и внутренних сетей снабжения зданий и
сооружений водой предусмотрены меры по обеспечению необходимого количества воды
и предотвращению ее загрязнения.
На основании СП 30.13330.2010 "Внутренний водопровод и канализация
зданий" качество холодной и горячей воды, подаваемой на
хозяйственно-питьевые нужды, соответствует СанПиН 2.1.4.1074-01. Температура
горячей воды соответствует требованиям СанПиН 2.1.4.2496-09.
Трубы, арматура, оборудование и материалы, применяемые при устройстве
внутренних систем холодного и горячего водоснабжения, канализации и водостоков,
соответствуют требованиям настоящих норм, национальных стандартов,
государственным санитарно-эпидемиологическим документам, утвержденным в
установленном порядке.
Не допускается прокладка трубопроводов внутренних систем водоснабжения,
канализации и водостоков в местах, где доступ к ним во время эксплуатации и при
аварийных ситуациях связан с ослаблением несущих элементов и конструкций зданий
и сооружений (оснований, фундаментов, ограждающих конструкций и конструкций
перекрытий). Системы внутреннего холодного и горячего водоснабжения
испытываются гидростатическим или манометрическим методом в соответствии с
требованиями.
В проектной документации предусмотрены мероприятия по охране окружающей
среды.
Выполняются требования по обеспечению экологической безопасности и охраны
здоровья населения, предусматриваются мероприятия по охране природы,
рациональному использованию и воспроизводству природных ресурсов, оздоровлению
окружающей среды. На территории обеспечивается достижение нормативных
требований и стандартов, определяющих допустимые уровни шума, вибрации,
электромагнитных излучений, радиации и других факторов природного и
техногенного происхождения (Федеральный закон № 384-ФЗ, СП 42.13330.2011.
Проектирование дождевой канализации осуществлено на основании действующих
нормативных документов: СП 32.13330, СанПиН 2.1.5.980, Водного кодекса РФ.
Отвод поверхностных вод осуществляется со всего бассейна стока территории
застройки со сбросом из сети дождевой канализации преимущественно после очистки
в водоток.
Хозяйственно-бытовая сеть транспортирует сточные воды на очистные
сооружения с последующим сбросом в водоем.
На основании СП 44.13330.2011 "Административные и бытовые
здания" были запроектированы санитарно-бытовые помещения, в которые входят
гардеробные, душевые, уборные, помещения для обогрева или охлаждения,
обработки, хранения и выдачи спецодежды.
На основании Федерального закона № 384-ФЗ, СП 42.13330.2011
"Градостроительство. Планировка и застройка городских и сельских
поселений" организации ВКХ обеспечивают соблюдение нормативов качества
окружающей среды на основе экологически безопасных технологий и производств,
надежной и эффективной эксплуатации систем канализации.
Место выпуска сточных вод расположено ниже по течению реки от границы
населенного пункта и всех мест водопользования населения с учетом возможности
обратного течения при нагонных ветрах. Условия отведения сточных вод в водные
объекты определено с учетом:
- степени возможного смешения и разбавления сточных вод водой водного
объекта на участке от места выпуска сточных вод до расчетных створов ближайших
пунктов хозяйственно-питьевого, культурно-бытового водопользования населения;
- фонового качества воды водного объекта выше места
рассматриваемого выпуска сточных вод по анализам не более двухлетней давности.
5.5 Охрана труда на стадии эксплуатации сооружений по очистке сточных вод
и обработке осадка
На основании СП 32.13330.2010 "Канализация. Наружные сети и
сооружения" эксплуатация сооружений по очистке сточных вод должна
удовлетворять требованиям безопасности.
Специальную одежду и специальную обувь работников контактирующих со
сточной водой или отбросами, подвергать стирке и дезинфекции не реже одного
раза в неделю. На станциях предусмотрены помещения для сушки одежды. Стирка и
дезинфекция спецодежды организована в организации ВКХ или проводится
специальными организациями по договору.
Отбор проб воды из открытых сооружений производят с рабочих площадок,
которые ограждают в соответствии с требованиями техники безопасности.
Эксплуатация сооружений по обработке осадка удовлетворяет следующим
требованиям, изложенных ниже.
Устройство и оборудование сооружений по обработке осадков сточных вод
удовлетворяет требованиям СП 32.13330.2010.
Работники, обслуживающие оборудование по механическому обезвоживанию и
термической обработке осадков, должны пройти специальное обучение и инструктаж
по безопасным методам ведения работ.
Эксплуатация оборудования для механического обезвоживания и термической
сушки осадков производится в соответствии с инструкциями
предприятий-изготовителей.
5.6 Требования безопасности при эксплуатации насосных станций
При эксплуатации насосных станций работники обязаны:
- обеспечивать наблюдение и контроль за состоянием и режимом
работы насосных агрегатов, коммуникаций и вспомогательного оборудования в
соответствии с инструкциями по эксплуатации;
- проводить осмотры и ремонт оборудования в установленные сроки;
поддерживать надлежащее санитарное состояние в помещениях;
вести систематический учет отработанных часов агрегатами и
производить записи в журналах эксплуатации или на дискетах компьютеров.
Ответственность за состояние безопасных условий труда и безопасность
эксплуатации оборудования насосных станций следует закрепить за
соответствующими производственными цехами (участками, службами), определить
функции подразделений и ответственность работников за эксплуатацию
оборудования.
На насосных станциях хранится следующая документация:
- генеральный план площадки с нанесенными подземными
коммуникациями и устройствами;
- технологическая схема коммуникаций, переключений и агрегатов;
схема электроснабжения, принципиальные и монтажные схемы
автоматики и телемеханики.
журнал контроля и учета работы оборудования.
При сменной работе работник может закончить работу не ранее того, как
сменяющий его работник примет от него обслуживание агрегатами.
Работники, обслуживающие насосные станции, обеспечены средствами
индивидуальной защиты, спецодеждой.
Перед входом в помещение насосных станций, помещение решеток и приемных
резервуаров проветриваются, для чего не менее чем на 10 минут включают
вентиляцию. Вентиляция непрерывно работает в течение всего периода нахождения в
помещении обслуживающего персонала.
Монтаж (демонтаж), ввод в эксплуатацию и эксплуатация оборудования
канализационных насосных станций выполняются в соответствии с эксплуатационной
документацией завода-изготовителя.
В насосных станциях предусмотрена аварийная сигнализация (световая,
звуковая). При отсутствии постоянных обслуживающих работников сигнал о нарушении
нормального режима работы станции подается на диспетчерский пункт с
круглосуточным дежурством.
Вход в помещение насосной станции посторонним лицам (не обслуживающим
установку) запрещен.
5.7 Требования безопасности работ при ремонте и эксплуатации сетей и
резервуаров
При выполнении работ на сетях учитываются возможные специфические опасные
вредные производственные факторы в соответствии с СП 32.13330.2010
"Канализация. Наружные сети и сооружения" и ГОСТ 12.3.006-85.
"Эксплуатация водопроводных и канализационных сооружений и сетей. Общие
требования безопасности" (загазованность камер, падению различных
предметов, повышенная влажность и т.д.)
Наружный осмотр сетей канализации без открывания люков колодцев
осуществляется одним работником, который должен быть одет в жилет оранжевого
цвета и иметь переносной знак ограждения.
Работнику или бригаде, осуществляющим обход сетей, ежедневно выдается
наряд со строго определенным маршрутом.
Работа на сетях канализации, связанная со спуском в колодцы, камеры и резервуары
выполняется бригадой, состоящей не менее чем из трех работников, один из
которых назначается старшим. Обязанности членов бригады распределяются
следующим образом:
- один выполняет работы в колодце (камере, резервуаре);
- второй с помощью веревки страхует работника в колодце и
наблюдает за ним;
третий работает на поверхности, подает необходимые инструменты и
материалы работнику в колодце, при необходимости оказывает помощь двум первым
работникам, наблюдает за движением транспорта.
В случае спуска в колодец (камеру, резервуар) нескольких работников,
каждый из них страхуется работником, находящимся на поверхности.
В рабочей части канализационного колодца имеются стальные скобы для
спуска в колодец.
Скобы, применяемые для подъема или спуска работников, оборудованы
устройствами для закрепления фала предохранительного пояса (каната с ловителями
и др.).
Крышки колодцев, камер следует закрывать после разрешения руководителя
работ, который должен лично убедиться в отсутствии в них людей, инвентаря,
инструмента и посторонних предметов.
6. Безопасность в чрезвычайных ситуациях
6.1 На стадии проектирования (или разработки)
Основными опасными факторами на стадии проектирования системы
водоснабжения и водоотведения проектируемого объекта - канализационная насосная
станция (КНС), перекачивающая промышленные стоки с пищевого производства в
существующую усреднительную емкость, для которых приняты мероприятия
обеспечения гражданской защиты, являются:
аварии на сетях водоснабжения и водоотведения;
использование оборудования и подъёмно-транспортных механизмов;
выход из рабочего состояния элементов очистных сооружений;
возможные действия недостаточно квалифицированных рабочих при
производстве строительных работ.
6.2 На стадии строительства (или производства)
Основные опасные факторы в процессе строительства сетей водоснабжения и
водоотведения, отметим следующие виды работ:
геодезические работы;
земляные работы;
бетонные работы;
гидроизоляционные работы;
монтажные работы;
сварочные работы;
испытание оборудования.
Разработанная проектная документация соответствует требованиям СП
48.13330.2011 ("Организация строительства"), СНиП 12-03-2001
("Безопасность труда в строительстве"), СНиП 12-04-2002
("Безопасность труда в строительстве"), СП 2.2.1.1312-03
"Гигиенические требования к проектированию вновь строящихся и
реконструируемых промышленных предприятий", СанПиН 2.2.3,1384 - 2003
(Гигиенические требования к организации строительного производства и
строительных работ), ПБ 10-382-00 ("Правила устройства и безопасности
эксплуатации грузоподъемных кранов"), ППБ 05-86 ("Правила пожарной
безопасности при производстве строительно-монтажных работ"),
"Межотраслевых правил по охране труда при работе на высоте" ПОТ РМ
012-2000, "Правил по охране труда при погрузо-разгрузочных работах и
размещении грузов" ПОТ РМ 007-98.
Также на стадии проектирования разработаны инструкции по охране труда для
рабочих различных специальностей.
6.3 На стадии эксплуатации (или использования)
Основными опасными факторами при эксплуатации системы водоснабжения и
водоотведения канализационной насосной станции (КНС), перекачивающей
промышленные стоки являются:
повреждения на сетях водоснабжения и водоотведения;
выход из строя оборудования очитных сооружений и насосных станций;
пожар на предприятии.
6.4 На стадии проектирования (или разработки)
Разработка проекта предусматривает использование нормативной, технической
документации: СНиП, ГОСТ, СП и т.д. Это даёт возможность снизить уровень
появления ошибок и принять обоснованный вариант проекта.
В процессе разработке проекта водоотведения канализационной насосной
станции (КНС), перекачивающей промышленные стоки были предусмотрены следующие
мероприятия:
на случай аварии или ремонта сеть закольцована, что обеспечивает
возможность отключения отдельных участков и подачу воды от других систем(см.
лист 2);
в зданиях ЛОС и насосной станции, где необходимо применение различного
оборудования предусмотрены подъёмно-транспортные механизмы(см. лист 3,4,5)
в насосной станции предусмотрен свободный проход к агрегатам и задвижкам
для свободного доступа обслуживающего персонала и замены оборудования(см. лист
5)
при разработке стройгенплана на основании анализа возможных опасных и
вредных факторов приведены инженерные решения, обеспечивающие безопасность
производства работ: выделены помещения для санитарно-бытового обслуживания
рабочих, рационально размещены склады, организована безопасная разгрузка на
складах, организован безопасный внутри площадочный транспорт, определены
стабильные и опасные зоны, указаны места установки элекротехнических устройств,
предусмотрены мероприятия по борьбе с шумом, решены вопросы освещённости
рабочих мест согласно СП18.13330.20119 (См.лист 10).
6.5 На стадии строительства (или
производства)
Рассмотрим мероприятия обеспечения гражданской защиты при производстве
некоторых видов строительных работ:
Земляные работы
Земляные работы производятся в присутствии лица ответственного за
безопасное производство работ и должны производиться с учетом требований
раздела 16 СанПиН 2.2.3.1384 - 2003 "Гигиенические требования к
организации строительного производства и строительных работ".
Запрещается нахождение людей и производство каких-либо других работ в
зоне действия экскаватора; путь передвижения экскаватора в пределах
строительной площадки должен быть заранее спланирован, а на слабых грунтах
усилен инвентарными щитами.
Погрузка грунта в автосамосвалы экскаватором должна производиться со
стороны заднего или бокового бока самосвала. Нахождение людей во время погрузки
между экскаватором и транспортным средством запрещается.
Во время перерывов в работе ковш экскаватора должен быть опущен на землю.
После окончания работы машинист экскаватора обязан не только прочно установить
ковш, но и затормозить экскаватор.
Площадка, на которой устанавливается экскаватор, должна быть хорошо
спланирована, освещена и обеспечивать хороший обзор фронта работ. Экскаватор
необходимо закрепить во избежание его самопроизвольного перемещения.
Рытье котлованов и траншей с вертикальными стенками без креплений в
нескальных и незамерзших грунтах выше уровня грунтовых вод и при отсутствии
вблизи подземных сооружений допускается на глубину не более, м:
,0 - в насыпных, песчаных и крупнообломочных грунтах;
,25 - в супесях;
,50 - в суглинках и глинах.
Рытье котлованов и траншей с откосами без креплений в нескальных
грунтах выше уровня грунтовых вод (с учетом капиллярного поднятия) или в
грунтах, осушенных с помощью искусственного водопонижения.
При установке креплений верхняя часть их должна выступать над бровкой
выемки не менее чем на 15 см. Устанавливать крепления необходимо в направлении
сверху вниз по мере разработки выемки на глубину не более 0,5 м. Разборку
креплений следует производить в направлении снизу - вверх по мере обратной
засыпки выемки.
Перед допуском рабочих в котлованы или траншеи глубиной более 1,3 м
должна быть проверена устойчивость откосов или крепления стен.
При извлечении грунта из выемок с помощью бадей необходимо устраивать
защитные навесы-козырьки для укрытия работающих в выемке.
Погрузка грунта на автосамосвалы должна производиться со стороны заднего
или бокового борта.
Бетонные работы
Работа смесительных машин должна осуществляться при соблюдении следующих
требований:
очистка приямков для загрузочных ковшей должна осуществляться после
надежного закрепления ковша в поднятом положении;
очистка барабанов и корыт смесительных машин допускается только после
остановки машины и снятия напряжения.
При выполнении работ по заготовке арматуры необходимо:
устанавливать защитные ограждения рабочих мест, предназначенных для
разматывания бухт (мотков) и выправления арматуры;
при резке станками стержней арматуры на отрезки длиной менее 0,3 м
применять приспособления, предупреждающие их разлет;
устанавливать защитные ограждения рабочих мест при обработке стержней
арматуры, выступающей за габариты верстака, а у двусторонних верстаков, кроме
того, разделять верстак посередине продольной металлической предохранительной
сеткой высотой не менее 1 м;
складывать заготовленную арматуру в специально отведенных для этого
местах;
закрывать щитами торцевые части стержней арматуры в местах общих
проходов, имеющих ширину менее 1 м.
Элементы каркасов арматуры необходимо пакетировать с учетом условий их
подъема, складирования и транспортирования к месту монтажа.
Ежедневно перед началом укладки бетона в опалубку необходимо проверять
состояние тары, опалубки и средств подмащивания. Обнаруженные неисправности
следует незамедлительно устранять.
Разборка опалубки должна производиться после достижения бетоном заданной
прочности.
При разборке опалубки необходимо принимать меры против случайного падения
элементов опалубки, обрушения поддерживающих лесов и конструкций.
При уплотнении бетонной смеси электровибраторами перемещать вибратор за
токоведущие кабели не допускается, а при перерывах в работе и при переходе с одного
места на другое электровибраторы необходимо выключать.
При устройстве технологических отверстий для пропуска трубопроводов в
бетонных и железобетонных конструкциях алмазными кольцевыми сверлами необходимо
на месте ожидаемого падения керна оградить опасную зону.
Монтажные работы
Согласно ПОТ РМ 007-98 "Правила по охране труда при
погрузо-разгрузочных работах и размещении грузов" до начала выполнения
монтажных работ необходимо установить порядок обмена сигналами между лицом,
руководящим монтажом, и машинистом. Все сигналы подаются только одним лицом
(бригадиром, звеньевым, такелажником-стропальщиком), кроме сигнала
"Стоп", который может быть подан любым работником, заметившим явную
опасность.
Строповку монтируемых элементов следует производить в местах, указанных в
рабочих чертежах, и обеспечить их подъем и подачу к месту установки в
положении, близком к проектному.
Запрещается подъем элементов строительных конструкций, не имеющих
монтажных петель, отверстий или маркировки и меток, обеспечивающих их правильную
строповку и монтаж.
Очистку подлежащих монтажу элементов конструкций от грязи и наледи
необходимо производить до их подъема.
Монтируемые элементы следует поднимать плавно, без рывков, раскачивания и
вращения.
Поднимать конструкции следует в два приема: сначала на высоту 20-30 см,
затем после проверки надежности строповки производить дальнейший подъем.
При перемещении конструкций или оборудования расстояние между ними и
выступающими частями смонтированного оборудования или других конструкций должно
быть по горизонтали не менее 1 м, по вертикали - не менее 0,5 м.
Во время перерывов в работе не допускается оставлять поднятые элементы
конструкций и оборудования на весу.
Установленные в проектное положение элементы конструкций или оборудования
должны быть закреплены так, чтобы обеспечивалась их устойчивость и
геометрическая неизменяемость.
Расстроповку элементов конструкций и оборудования, установленных в
проектное положение, следует производить после постоянного или временного их
закрепления согласно проекту. Перемещать установленные элементы конструкций или
оборудования после их расстроповки, за исключением случаев использования
монтажной оснастки, предусмотренных ППР, не допускается.
Запрещается выполнять монтажные работы на высоте в открытых местах при скорости
ветра 15 м/с и более, при гололеде, грозе или тумане, исключающих видимость в
пределах фронта работ.
Работы по перемещению и установке вертикальных панелей и подобных им
конструкций с большой парусностью необходимо прекращать при скорости ветра 10 м/с
и более.
6.6 Испытания трубопроводов
Испытания трубопроводов необходимо осуществлять в соответствии с СП
31.13330.2012"Водоснабжение. Наружние сети и сооружения. Актуализированная
редакция СНиП 2.04.02-84*".При испытаниях проверяется герметичность трубороводов,
стен, сварных соединений. Результаты испытаний оформляются специальным актом.
На стадии эксплуатации(или использования)
Пожарная безопасность на заводе должна обеспечиваться в соответствии с ФЗ
№123 "Технический регламент о требованиях пожарной безопасности"
Согласно статье 5 ФЗ №123 "Система обеспечения пожарной безопасности
объекта защиты включает в себя систему предотвращения пожара, систему
противопожарной защиты, комплекс организационно-технических мероприятий по
обеспечению пожарной безопасности"
Для обеспечения пожарной безопасности в строящихся зданиях очистных
сооружений промстока (КОС) и канализационной насосной станции (КНС)
используются только слабогорючие материалы (Г1): трехслойные стеновые панели;
окна, выполненные из ПВХ, теплоизоляционные плиты Rockwool и армированный стеклопластик,
имеющие температуру дымовых газов не более 135 градусов Цельсия,
продолжительность самостоятельного горения 0 секунд и негорючие (НГ)
строительные материалы: железобетон и кирпич;
В соответствии со ст. 99 123-ФЗ производственное здания КОС и КНС
обеспечивается наружным противопожарным водоснабжением.
Пожарный гидрант расположен на проезжей части на расстоянии 5 м от зданий
КОС и КНС.
Ширина проездов для пожарной техники составляет 6 м (ч. 6 ст. 67 123-ФЗ).
На территорию предприятия предусмотрено два въезда, что соответствует
нормам, так как предприятие занимает площадь более 5 га (см. чертеж лист 1.
Генплан).
Источником пожарного водоснабжения является существующий водопровод.
Здания КОС и КНС оснащены:
- внутренними лестницами, размещенными на лестничных клетках и,
предназначенными для эвакуации людей из зданий, при пожаре;
- первичными средствами пожаротушения (переносные и передвижные
огнетушители, а также пожарными кранами и средствами обеспечения их
использования), предназначенными для использования работниками организаций,
личным составом подразделений пожарной охраны в целях борьбы с пожарами все
сооружения.
6.7 Меры соблюдения природоохранного законадательства при выполнении
мероприятий гражданской защиты
Мероприятия ,применяемые в проекте водоснабжения и водоотведения
канализационной насосной станции (КНС), перекачивающей промышленные стоки ,для
соблюдения природоохраного законодательства:
для обеспечения санитарно-эпидемиологической надёжности канализации,
согласно требованиям СП31.13330.2012,гл."Зоны санитарной охраны",
предусмотрено зонирование;
для предотвращения нанесения ущерба водному объекту предусмотрена очистка
сточных вод до нормативов сброса их в рыбохозяйственные водные объекты Ленинградской
области.
В период реконструкции очистных сооружений предусмотрены меры для
сведения к минимуму ущерба, который может быть нанесён окружающей среде:
все временные здания и сооружения разбираются;
строительный мусор вывозится с места, указанные администрацией;
применяются технически исправленные машины и механизмы, исключающие
попадание горюче-смазочных материалов в грунт и воду;
восстановление нарушенных территорий;
проведение работ по озеленению.
В целях наименьшего загрязнения окружающей среды предусматривается
централизованная поставка растворов и бетона. В местах выезда строительного
транспорта и техники с территории строительства установлена мойка колёс.
Разобранные конструкции ,материалы и отходы от строительно-монтажных работ
сортировать по классам опасности.
7. Экономика
7.1 Локальный и объектный расчет на строительство
Локальный и объектный расчеты выполнены для строительства канализационной
насосной станции, нового блока очистных сооружений и ливневой самотечной
канализации. (см. приложения Е - З)
Таблица 27 Таблица сводного сметного расчета стоимости строительства
|
Сводный сметный расчет в
сумме -
|
96276,20
|
тыс. руб.
|
|
в том числе возвратных сумм
-
|
122,67
|
тыс. руб.
|
|
№ п/п
|
№ смет
|
Наименование глав, объектов
работ и затрат
|
Сметная стоимость, тыс.р.
|
Общая сметная стоимость,
тыс.р.
|
|
|
|
строительных работ
|
монтажных работ
|
оборудования,
приспособлений и инвентаря
|
прочих затрат
|
|
|
1
|
1,2 %
|
Гл.1
|
Подготовка территории
строительства
|
-
|
-
|
-
|
3,12
|
3,12
|
|
2
|
|
Гл.2
|
Основные объекты
строительства
|
|
|
3
|
|
а)
|
106,20
|
8,10
|
25,90
|
|
140,20
|
|
4
|
|
б)
|
Очистные сооружения
|
145,00
|
18,90
|
59,70
|
-
|
223,60
|
|
5
|
|
в)
|
Напорная канализационная
сеть
|
8,7
|
-
|
-
|
-
|
8,7
|
|
6
|
|
|
Итого по главе 2:
|
259,90
|
27,00
|
85,60
|
-
|
372,50
|
|
7
|
3%
|
Гл.3
|
Объекты подсобного и
обслуживающего назначения
|
7,8
|
0,81
|
2,57
|
-
|
11,18
|
|
8
|
2%
|
Гл.4
|
Объекты энергетического
хозяйства
|
5,20
|
0,54
|
1,71
|
-
|
7,45
|
|
9
|
2%
|
Гл.5
|
Объекты транспортного
хозяйства и связи
|
5,20
|
0,54
|
1,71
|
-
|
7,45
|
|
10
|
2%
|
Гл.6
|
Наружные сети и сооружения
водоснабжения, канализации, теплоснабжения и газоснабжения
|
5,20
|
0,54
|
1,71
|
-
|
7,45
|
|
11
|
3%
|
Гл.7
|
Благоустройство и
озеленение территории
|
7,80
|
-
|
-
|
-
|
7,80
|
|
12
|
1,5%
|
Гл.8
|
Временные здания и
сооружения
|
4,37
|
0,44
|
-
|
-
|
4,81
|
|
13
|
|
Гл.9
|
Прочие работы и затраты:
|
|
|
|
|
|
|
14
|
4,2%
|
|
а) дополнительные затраты,
связанные с производством работ в зимнее время;
|
8,27
|
0,84
|
-
|
-
|
9,11
|
|
15
|
0,11%
|
|
б) дополнительные затраты
на транспорт привозных материалов;
|
0,31
|
-
|
-
|
-
|
0,31
|
|
16
|
0,15%
|
|
в) затраты по вывозке
строительного мусора
|
0,44
|
-
|
-
|
-
|
0,44
|
|
17
|
|
|
Всего по гл.9
|
724,4
|
27,2
|
-
|
-
|
751,6
|
|
18
|
0,7%
|
Гл.110
|
Содержание дирекции
строящегося предприятия
|
-
|
-
|
-
|
3,45
|
3,45
|
|
19
|
0,7%
|
Гл.11
|
Подготовка
эксплуатационных кадров
|
-
|
-
|
-
|
3,02
|
3,02
|
|
20
|
4,5%
|
Гл.12
|
Проектные и изыскательские
работы
|
-
|
-
|
-
|
22,88
|
22,88
|
|
21
|
|
Итого по главам 1-12
|
304,48
|
30,71
|
93,30
|
32,47
|
460,96
|
|
22
|
|
Резерв на непредвиденные
работы и затраты
|
15,22
|
1,54
|
4,67
|
1,62
|
23,05
|
|
23
|
|
Всего
|
319,71
|
32,24
|
97,97
|
34,09
|
484,01
|
|
24
|
15%
|
В том числе возвратные
суммы
|
-
|
-
|
-
|
-
|
0,72
|
|
25
|
|
В ценах 2015 года
|
66882,48
|
7767,40
|
15384,10
|
6242,22
|
96296,20
|
|
21
|
|
В том числе возвратные
суммы
|
-
|
-
|
-
|
-
|
122,67
|
|
|
|
|
|
|
|
|
|
|
|
7.2 Определение эксплуатационных расходов и себестоимости продукции
Затраты, связанные с выпуском и реализацией продукции водопровода или
услуг канализации в течение года, определяются суммой годовых эксплуатационных
расходов.
Эксплуатационные расходы группируются в следующие статьи затрат:
1. затраты на материалы (химические реагенты);
2. затраты на электроэнергию;
. амортизационные отчисления;
. заработная плата производственных рабочих;
. цеховые и общеэксплуатационные расходы.
Порядок определения эксплуатационных расходов по каждой статье затрат
излагается ниже.
Затраты на материалы (химические реагенты).
Количество реагента Р, необходимое для очистки и дезинфекции сточной воды
определяется по формуле:
,
где Р - годовая производительность канализации, 1276,6 тыс.м3/год;
Н - удельная норма расхода реагента на 1000 м3 осадка
Транспортные и заготовительно-складские расходы принимаются ориентировочно
в размере 20 % отпускной цены реагента.
Результаты подсчета затрат на реагенты представлены в таблице 28.
Таблица 28
|
№ п/п
|
Наименование реагентов
|
Годовое количество
очищенной и дезинфицированной воды, тыс. м3
|
Расходы реагента, т
|
Цена 1 т реагента, р.
|
Годовые затраты на
реагенты, тыс. р.
|
|
|
|
норма на 1000 м3 воды
|
на годовое количество
очищенной воды
|
|
|
|
1
|
Флокулянт
|
1266,6
|
0,016
|
20,3
|
880,9
|
17,88
|
|
2
|
Сернокислое железо
|
1276,6
|
0,005
|
6,39
|
89,64
|
0,58
|
|
3
|
Гипохлорит натрия
|
1276,6
|
0,006
|
7,7
|
326,5
|
2,52
|
|
Всего:
|
-
|
-
|
-
|
-
|
20,98
|
|
Всего с учетом доставки:
|
-
|
-
|
-
|
-
|
25,21
|
|
На уровне цен 2015 г.
|
-
|
-
|
-
|
-
|
3958,8
|
Затраты на электроэнергию.
Затраты на электроэнергию определяются по действующим в соответствующей
энергосистеме тарифам. Существуют тарифы двуставочные и одноставочные.
Двуставочный тариф предусматривает оплату отдельно за присоединенную мощность
(по годовой ставке 1 кВ·А) и за израсходованное количество электроэнергии (по
ставке за 1 кВт-ч).
Затраты на электроэнергию по двуставочному тарифу подсчитываются в случаях,
когда оплачиваемая присоединенная мощность более 100 кВ·А. Если присоединенная
мощность менее 100 кВ·А, то затраты на электроэнергию исчисляются по
одноставочному тарифу за израсходованную электроэнергию, учтенную счетчиками.
Оплачиваемая присоединенная мощность вычисляется по формуле:
,
где p - коэффициент, учитывающий
трансформаторный резерв (1,5);
Ro - коэффициент, учитывающий электроосветительную нагрузку (1,06); SN - суммарная мощность рабочих
двигателей низкого напряжения (определяется по проектным данным);
j - принимается равным 0,9.
Расходы электроэнергии за год (тыс. кВт-ч) на подъем и подачу перекачку
сточных вод насосными станциями, а также на технологические нужды очистных
сооружений определяется по формуле:
,
где 2,72 - удельная норма электроэнергии на 1000 т·м работы при к.п.д.
насосно-силового агрегата, принимаемом условно равным единице, кВт-ч;
Q -
количество подаваемого осадка за год, тыс.м3 ;
H -
динамическая высота подъема воды, м;
h1 - к.п.д. насосов, h1
= 0,8;
h2 - к.п.д. двигателей, h2
=0,9.
Результаты подсчета затрат на электроэнергию представлены в таблице 29.
Таблица 29
|
№ п/п
|
Потребители электроэнергии
|
Оплаченная мощность
двигателей, кВ·А
|
Расход энергии, тыс.кВт-ч
|
Тарифы
|
Сумма затрат, тыс.р.
|
|
|
|
|
за 1 кВ·А
|
за 1кВт-ч
|
|
|
1
|
КНС и очистные сооружения
|
355,25
|
1227,925
|
190,12
|
1,32
|
67,54
|
|
|
|
|
|
|
1620,86
|
|
Всего:
|
355,25
|
1227,925
|
-
|
-
|
1688,4
|
Амортизационные отчисления.
Определение амортизационных отчислений производится по нормам
амортизационных отчислений по основным фондам. Допускается применение
усредненных норм в следующих размерах:
1. по оборудованию - 12% стоимости оборудования, определенной в
сводном расчете (итоговая сумма по графе 6);
2. по зданиям и сооружениям - 6% их сметной стоимости (общая
стоимость зданий и сооружений равна итоговой суме по графе 8 сводного сметного
расчета за вычетом стоимости оборудования и сметной стоимости наружных сетей).
Результаты подсчета затрат на электроэнергию представлены в таблице 30.
Таблица 30
|
№ п/п
|
Наименование основных
фондов
|
Стоимость фондов, тыс.руб.
|
Норма амортизационных
отчислений, %
|
Сумма амортизационных
отчислений, тыс.руб.
|
|
1
|
Сети канализации
|
1693,7
|
4
|
67,7
|
|
2
|
Оборудование
|
29393,7
|
12
|
3527,2
|
|
3
|
Здания и сооружения
|
65188,8
|
6
|
3911,3
|
|
|
ВСЕГО
|
96276,2
|
-
|
7506,2
|
Заработная плата производственных рабочих.
В данной статье определяются затраты на заработную плату рабочих, занятых
в основной производственной деятельности канализационного хозяйства. Расчет
численности рабочих производится на основе норм и нормативов обслуживания или
типовых штатов.
В общий фонд заработной платы включаются основная и дополнительная
заработная плата, а также различные доплаты.
Основная заработная плата рассчитывается по тарифным ставкам рабочих.
Доплата за работу в ночное время, праздничные дни и пр. может приниматься
в размере 15% тарифного фонда заработной платы.
Дополнительная заработная плата принимается ориентировочно в размере 8%
основной заработной платы.
Результаты подсчета заработной платы производственных рабочих
представлены в таблице 31.
Таблица 31
|
№ п/п
|
Наименование цехов и
профессий рабочих
|
Численность рабочих
|
Месячный тарифный оклад,
руб.
|
Месячный фонд заработной
платы, руб.
|
Годовой фонд заработной
платы, тыс. руб.
|
|
1
|
Операторы очистных
сооружений
|
3
|
130
|
390
|
|
2
|
Операторы реагентного
хозяйства
|
2
|
140
|
280
|
3,36
|
|
3
|
Слесари и ремонтники по
сетям и оборудованию
|
1
|
125
|
125
|
1,50
|
|
4
|
Дежурные машинисты насосных
станций
|
1
|
140
|
140
|
1,68
|
|
|
Итого тарифный фонд
|
7
|
-
|
-
|
11,22
|
|
Доплата к тарифному фонду
|
|
|
|
1,68
|
|
Итого основная заработная
плата
|
|
|
|
12,90
|
|
Дополнительная заработная
плата
|
|
|
|
1,03
|
|
Общий фонд заработной платы
|
-
|
-
|
-
|
13,93
|
|
|
Расходы на уровне цен 2015
г.
|
-
|
-
|
-
|
4057,39
|
Цеховые и общеэксплуатационные расходы.
В эту статью включаются затраты на основную и дополнительную заработную
плату цехового и административно-управленческого персонала, отчисления на
социальное страхование, содержание и текущий ремонт зданий и сооружений,
расходы на охрану, технику безопасности и др.
Численность работников и фонд заработной платы цехового и
административно-управленческого персонала определяется по примерным типовым
штатам.
Отчисления на единый социальный налог принимаются в размере 30% фондов
заработной платы цехового, административно-управленческого персонала и
производственных рабочих.
Затраты на текущий ремонт наружных сетей водопровода и канализации, а
также других сооружений, включенных в сводный сметный расчет, принимаются в
размере 1% сметной стоимости.
Прочие цеховые и общеэксплуатационные расходы (на охрану труда, технику
безопасности, освещение и отопление производственных и административных зданий
и др.) принимаются ориентировочно в размере 50% суммы затрат по предыдущим
статьям цеховых и общеэксплуатационных расходов.
Расчет годовой суммы цеховых и общеэксплуатационных расходов производится
по форме, приведенной в таблице 32.
Таблица 32
|
№ п/п
|
Состав цехового и
административно-управленческого персонала
|
Численность работников
|
Месячный тарифный оклад,
руб.
|
Месячный фонд заработной
платы, руб.
|
Годовой фонд заработной
платы, тыс. руб.
|
|
1
|
Начальник ОС
|
1
|
150
|
150
|
1,80
|
|
2
|
Мастера
|
1
|
130
|
130
|
1,56
|
|
3
|
Техник, лаборант
|
1
|
85
|
85
|
1,02
|
|
4
|
МОП, охрана
|
3
|
70
|
210
|
2,52
|
|
|
Общий фонд заработной платы
цехового персонала
|
-
|
-
|
-
|
6,90
|
|
|
Отчисления на единый
социальный налог (30%)
|
-
|
-
|
-
|
7,08
|
|
|
Прочие цеховые и
общеэксплуатационные расходы
|
-
|
-
|
-
|
8,59
|
|
|
Общая сумма цеховых и
общеэксплуатационных расходов
|
-
|
-
|
-
|
25,77
|
|
|
Затраты на текущий ремонт
(2015 г.)
|
-
|
-
|
-
|
3,20
|
|
|
Расходы на уровне цен 2015
г.
|
-
|
-
|
-
|
7506,0
|
Составление сметы эксплуатационных расходов и определение себестоимости
продукции.
Для определения общих годовых эксплуатационных расходов и себестоимости 1
м3 воды или сточной жидкости составляется смета по приведенной
форме. На основе приведенных выше расчетов составлена таблица основных
технико-экономических показателей проекта.
Таблица 33 Эксплуатационные расходы
|
№
|
Статьи затрат
|
Годовые затраты
|
Себестоимость 1 м3 воды
|
|
1
|
Химические реагенты
|
3958,8
|
-
|
|
2
|
Электроэнергия
|
1688,4
|
-
|
|
3
|
Амортизационные отчисления
|
7506,2
|
-
|
|
4
|
Заработная плата
производственных рабочих
|
4057,4
|
-
|
|
5
|
Цеховые и
общеэксплуатационные расходы
|
7506,0
|
-
|
|
|
ВСЕГО
|
24716,80
|
19,69
|
Таблица 34 Технико-экономические показатели
|
№ п/п
|
Наименование показателей
|
Единица измерения
|
Количество
|
|
1
|
Производительность
проектируемой системы канализации
|
м3/сут
|
4345,9
|
|
2
|
Производительность очистных
сооружений
|
м3/сут
|
3497,5
|
|
3
|
Протяженность
перекладываемой канализационной сети
|
км
|
0,365
|
|
4
|
Сметная стоимость 1 км сети
|
тыс.р.
|
4640,3
|
|
5
|
Полная сметная стоимость
строительства системы водоотведения
|
млн. р.
|
96,276
|
|
6
|
Протяженность
канализационной сети
|
км
|
0,365
|
|
7
|
Сметная стоимость 1 км сети
|
тыс.р.
|
5000,00
|
|
8
|
Нормативная трудоемкость на
1км канализационной сети
|
чел.-дн.
|
475,6
|
|
9
|
Нормативная трудоемкость
СМР по всему комплексу
|
чел.-дн.
|
10376,9
|
|
10
|
Выработка на 1 чел.-день
|
руб.
|
9277,9
|
|
Среднемесячная заработная
плата производственных рабочих
|
руб.
|
48302,3
|
|
11
|
Годовые эксплуатационные
расходы
|
тыс. р.
|
22320,4
|
|
12
|
Удельные капитальные
вложения на 1 м3 суточной производительности трубопровода
|
р.
|
23087,8
|
|
13
|
Себестоимость 1 м3
воды
|
р.
|
19,69
|
Вывод
Согласно распоряжению Комитета по тарифам Санкт-Петербурга от 19.12.2014
№ 594-р стоимость сброса 1 м3 воды в канализационную сеть ГУП
"Водоканал Санкт-Петербурга" составляет 25,60 руб. / м3 (с
01.01.2015 г. по 30.06.2015 г.), а с 01.07.2015 г. повысится до 28,67 руб. / м3.
Стоимость очистки 1 м3 воды на реконструированных ОС будет
составлять 19,69 руб. / м3. Таким образом, предприятию будет выгодно
сооружать локальные очистные сооружения для очистки промышленных и
хозяйственно-бытовых сточных вод до нормативов сброса в водоем
рыбохозяйственного назначения.