|
Характеристики
|
Методы
измерения КГР
|
|
Пассивный
(Тарханов)
|
Активный (Фере)
|
|
Возмущающее
воздействие на объект исследования
|
Слабое
|
От слабого до
сильного
|
|
Помехоустойчивость
|
Плохая
|
Хорошая
|
|
Информативность
|
Состояние
поверхности кожи, величина электродного потенциала, состояние подкожной
структуры.
|
Состояние
поверхности кожи, состояние подкожной структуры.
|
|
Техническая
реализация
|
Сложная
(фильтрация, обработка и выделение полезного сигнала, масштабирование,
преобразование).
|
Простая
(формирование измерительного сигнала масштабирование, преобразование).
|
Инженер Г. Мюллер в 1904 году, проверяя чувствительность
сконструированного им гальванометра, решил вместо омического сопротивления
подключить человека. При этом он заметил странное явление: стоило чем-либо
воздействовать на человека, как стрелка гальванометра начинала отклоняться, как
будто в цепи уменьшалось сопротивление. Г. Мюллер обратился за советом к О.
Верагуту, видному физиологу. Вначале О. Верагут думал, что это какая-то ошибка,
но, ознакомившись с работами И.Р. Тарханова и У. Фере, понял, что это явление обусловлено
воздействием на нервную систему человека и назвал его "психогальваническим
рефлексом". По сути, методики Фере и Верагута-Мюллера ничем не отличаются
друг от друга и призваны изучать изменения сопротивления кожи. В.П. Горев
отмечает, что, как и многие другие открытия наших отечественных ученых, феномен
Тарханова должным образом не был освещен в зарубежной литературе. Наоборот, он
был оттеснен появившимся через 20 лет (1909 г.) так называемым
"психогальваническим рефлексом" О. Верагута. Метод О. Верагута не
отражает биоэлектрических изменений, возникающих в коже, а регистрирует
результаты поляризационных процессов при включении в цепь (пропускание через
кожу) постоянного тока. Еще в 1884 году американский психолог У. Джеймс, а
годом позже датский Г. Ланге, подметили взаимосвязь между эмоциями и
физиологическими сдвигами организма. Первое упоминание об использовании
гальванометра в психоаналитическом исследовании находится в книге К.Г. Юнга
"Изучения и анализ слов" (1906 г.). Здесь швейцарский психолог
описывает методику подсоединения человека, держащего в руках электроды, к
прибору, измеряющему изменения в сопротивлении кожи, в то время как ему
читаются слова из подготовленного заранее списка. Если слово в этом списке было
эмоционально заряжено, происходило изменение в сопротивлении тела, вызывая
отклонение стрелки гальванометра. Таким образом, К.Г. Юнг работал для
локализации (определения) и разгрузки отрицательного неосознанного материала.
Этот метод исследования, используемый Юнгом, по крайней мере, с начала 1900-х,
снова упоминался в работе М. Коллинз и Дж. Дривера "Экспериментальная
Психология" (1926 г.).К.Г. Юнг ввел сам термин "кожно-гальваническая
реакция" (КГР). Другой физиолог в это время исследовал электрические
характеристики эмоции и мысли.Д. Симон в книге "Мнемоника" (1915 г.),
определяет "инграмму" как постоянный заряд, вызванный внутри
организма неким стимулом, где след от переживания этого стимула
"записан" в организме и образует часть его памяти. Когда стимул
повторяется, энергия, которую он освобождает, протекает через эту
"инграмму", захватывает какую-нибудь линию поведения, и это,
следовательно, ведет к более или менее различной форме реакции. Знание этих
результатов было широко распространено в 20-х годах: они упоминаются в работе
И.Б. Саксби "Психология Мышления". В нашей стране исследования в
области связи электрических процессов тела и процессов психических вел в
середине 1920-х годов А.Р. Лурия (соратник Л.С. Выготского и один из
зачинателей российской психологии и психофизиологии). Известный психолог и
психотерапевт В.Н. Мясищев, тщательно исследовав психологическое значение
электрокожной характеристики человека, пришел к выводу, что особое значение
эмоций в психогальванической реакции представляется убедительно доказанным.
Другой выдающийся теоретик психологии - СЛ. Рубинштейн, - обсуждая
психологическое значение КГР, отмечал: несомненно, что КГР является реакцией
вегетативной нервной системы человека, и эмоциональные состояния отражаются в
ней.
Ранний психогальванометр был сложным в использовании. Из-за
отсутствия усилителя он так и остался специализированным лабораторным прибором,
до разработки более сложных усилителей в 30-х годах. Использование такого
аппарата в специализированных исследованиях в психиатрических и медицинских лабораториях
продолжается и по сей день. Наиболее ранние исследования явлений сопротивления
кожи были выполнены в Германии. В связи со Второй мировой войной дальнейшие
разработки в этой области были прекращены во многих странах, кроме некоторых
исследований в США. В 30-40-е годы гальванометр активно применялся в составе
полиграфов ("Многофакторных детекторов лжи"), которые разрабатывали
американцы К. Бакстер, В. Мэтисон и ряд других исследователей. После войны
исследования в этом направлении возобновились и в нашей стране. В 1967 году
идея прибора под названием "Биометр" была предложена кандидатом
физико-математических наук (ныне профессор Критского университета) В.Г.
Адаменко и выдающимися русскими исследователями биологических полей живых
объектов С.Д. Кирлиан и В.Х. Кирлиан. Биометр представляет собой микроамперметр
с электродами в виде металлических трубок (медной и алюминиевой). Он начинает
работать с момента замыкания цепи, когда человек, не прилагая ощутимых усилий,
охватывает датчики ладонями. При этом между электродами, сделанными из
разнородных металлов, возникает контактная разность потенциалов, фиксируемая в
микроамперах. Показания биометра дают количественную характеристику уровня
активации (состояние нервной системы, характеризующее уровень ее возбуждения и
способность к ответной реакции), меняющегося в связи с эмоциональным
возбуждением. Обычно чем выше эмоциональное возбуждение, тем больше стрелка
микроамперметра отклоняется вправо от нуля. Однако такой прибор недостаточно
чувствителен, чтобы регистрировать мгновенные изменения показаний. Наиболее
удачная разработка в этой области - аппарат для регистрации
кожно-гальванической реакции, сконструированный В. Мэтисоном в 1952 году и
названный электропсихометр. Он позволяет отмечать весьма незначительные по
величине и по времени отклонения сопротивления тела испытуемого. С некоторыми
модификациями этот аппарат широко применяется до настоящего времени, в том
числе вместе с процедурами, в основе которых лежит техника К.Г. Юнга.
Параллельно развивалась электродиагностика функциональных
систем организма, основанная на понимании электромагнитной природы процессов
человеческого организма. Р. Фолль - немецкий врач, ученый и изобретатель -
впервые в Европе доказал существование взаимосвязи биологически активных точек
на теле человека с его внутренними органами: разработал и обосновал новый метод
электроакупунктурной диагностики и терапии. В 1953 году Р. Фолль совместно с
инженером Ф. Вернером разработали новый метод электроакупунктурной диагностики
и применили ее в клинической практике. С 1961 года действует Интернациональное
общество электроакупунктуры имени Р. Фолля. Выдающиеся заслуги Фолля и его
метод были признаны в бывшем СССР только 15 лет спустя. В 1989 году, после
проведения многочисленных клинических испытаний, постановлением Совета
Министров СССР метод Р. Фолля получил право на повсеместное внедрение в
клиническую практику. Согласно Р. Фоллю тело человека - целостная система, в
которой каждому органу присуща только ему свойственная частота колебаний, или
вибрация. Искажение естественной частоты колебаний влечет за собой
возникновение заболеваний и патологий органов. Доктор Фолль выявил, как можно
определить состояние каждого органа и любой системы человеческого организма,
воздействуя током особой частоты на биологически активные (акупунктурные) точки
тела. Именно поэтому стало возможным за короткое время провести диагностику и
получить данные функционального состояния организма. Сопоставляя данные
замеров, врач может делать выводы и назначать лечение.
На этой основе родилась целая отрасль электропунктурной
диагностики по различным методикам (Фолля, Накатани, Нечушкина), которые
основаны на измерениях кожной электропроводимости в биологически активных
точках (БАТ). В настоящее время наиболее объективным обоснованием строения
системы БАТ является концепция П.П. Гаряева о межклеточном веществе как особой
сигнальной системе организма человека, в том числе проявляющейся через БАТ.
Межклеточное вещество может выступать как своеобразный надмолекулярный аналог
нейронных сетей, который обеспечивает направленное введение информации в
определенные клеточные и тканевые комплексы, в том числе и в
"акупунктурные матрицы". Таким образом, к настоящему времени
существуют различные методы фиксации психофизиологического состояния человека
по электромагнитным процессам, проходящим в теле, и прежде всего - в кожном
покрове. (5)
электрофизиология кожная гальваническая реакция
Актуальные методы
По типу пропускаемого электрического сигнала:
Постоянный ток
Переменный ток
Постоянное напряжение
Переменное напряжение
По типу включения человека в цепь: (6 стр.150) (2) (7 стр.43)
Двухэлектродное включение
Тетраполярное включение
Трёхэлектродное включение
По конечной цели измерения:
Реография
Исследование БАТ
Исследование внутренних тканей
Исследование психических процессов
Оценка физического состояния организма
Импедансная томография
3. Внутренние
механизмы биоимпедансометрии
Устройство
биотканей
Строение кожи весьма сложно. Кожа состоит из 2 основных слоев:
наружного (эпидермис) и внутреннего (дерма). Наружный слой кожи (эпидермис) в
свою очередь состоит из 5 слоев, из которых самый верхний (роговой) является,
как правило, более толстым, чем все остальные слои вместе взятые. Роговой слой
включает в себя несколько десятков рядов мертвых ороговевших клеток, имеющих
вид чешуек, плотно прилегающих одна к другой. Каждая такая чешуйка представляет
собой плотную роговую оболочку, как бы сплюснутую маленькую подушечку,
содержащую небольшое количество воздуха.
Роговой слой лишен кровеносных сосудов и нервов и поэтому
является слоем неживой ткани. Толщина его на разных участках тела различна и
колеблется в пределах 0,05-0,2 мм. Наибольшей толщины он достигает в местах,
подвергающихся постоянным механическим воздействиям, в первую очередь на
подошвах и ладонях, где, утолщаясь, он может образовывать мозоли. Роговой слой
обладает относительно высокой механической прочностью, плохо проводит теплоту и
электричество и является как бы защитной оболочкой, покрывающей все тело человека.
В сухом и незагрязненном состоянии этот слой можно рассматривать как
диэлектрик: его удельное сопротивление достигает 105-106
Ом · м, т.е. в сотни и тысячи раз превышает сопротивление др. слоев кожи и
внутренних тканей организма.
Слои эпидермиса, лежащие под роговым слоем и образованные в
основном из живых клеток, можно условно объединить в один т. н. ростковый слой.
В основании этого слоя непрерывно происходит деление и развитие новых живых
клеток, а вверху - ороговение и отмирание клеток, которые при этом изменяют
свою форму, уплотняются, пропитываются особым белковым веществом и становятся
клетками рогового слоя, восполняя постоянно слущивающиеся с поверхности кожи
мертвые клетки. Электрическое сопротивление росткового слоя благодаря наличию в
нем отмирающих и находящихся в стадии ороговения клеток может в несколько раз
превышать сопротивление внутреннего слоя кожи (дермы) и подкожных (внутренних)
тканей организма, хотя по сравнению с сопротивлением рогового слоя оно
невелико.
Внутренний слой кожи (дерма) состоит из прочных волокон
соединительной и эластической ткани, переплетающихся между собой и образующих
густую прочную сетку, которая служит основой всей кожи. Между этими волокнами
находятся кровеносные и лимфатические сосуды, нервные окончания и корни волос.
Здесь же расположены потовые и сальные железы, выводные протоки которых выходят
на поверхность кожи, пронизывая эпидермис. Дерма является живой тканью,
электрическое сопротивление ее незначительно - во много раз меньше
сопротивления эпидермиса. (8)
Кожно-гальваническая реакция, происходит из активности на
клеточном уровне. Сама природа биоэлектрогенеза была установлена лишь после
появления теории электролитической диссоциации в растворах в 1887 г., а т.к.
живые ткани можно рассматривать как растворы электролитов, электрогенез в них
связывают с неравномерным распределением ионов. Современные представления в
электрофизиологии объясняют КГР следующим образом - мембрана клетки способна
менять свою проницаемость для ионов различной проводимости под действием
управляющих сигналов от нервной системы в виде электрических импульсов (т. н.
волны возбуждения) (в случае межклеточного расстояния менее 200А возможна
межклеточная синаптическая связь) или с помощью химических агентов -
медиаторов. Само по себе изменение проводимости мембраны и обеднение/обогащение
межклеточной среды ионами-носителями того же типа, что и пропускаемый ток,
обусловливает изменение активного сопротивления ткани. С другой стороны,
избирательное изменение проницаемости мембраны приводит к тому, что скорость
диффузии катионов и анионов протекает с различной скоростью, что при наличии
градиентов концентрации служит непосредственной причиной возникновения
мембранных потенциалов. Внутренняя сторона мембраны имеет меньший потенциал по
сравнению с межклеточной средой, что обусловливает появление разности
потенциалов на поверхности кожи, а так же обусловливает реактивную составляющую
импеданса ткани т.к. ионы, разделённые клеточной мембраной образуют
своеобразный конденсатор. (9)
В общем виде процесс измерения сопротивления кожи выглядит
следующим образом: на кожу накладываются два электрода и через них пропускается
фиксированный ток. Далее, в зависимости от схемы включения, подключаются от
нуля до двух электродов и измеряется падение напряжение на участке кожи,
основываясь на котором, по закону Ома, определяется сопротивление кожи. Иногда
вместо источника тока используется источник напряжения - тогда последовательно
с кожей включается сопротивление и по падению напряжения на нем, по принципу делителя
напряжения, вычисляется сопротивление кожи. Так же общий вид процесса измерения
может меняться в зависимости от того, постоянный или переменный ток/напряжение
будет использован (о). Каждый из способов имеет свои преимущества и недостатки,
особенности их применения будут раскрыты далее, когда мы осветим природу
погрешностей при съеме КГР. Так же большое значение имеет тип электродов - в
зависимости от цели измерения электроды могут менять свою форму и расположение,
но общим принципом является использование по возможности большего электрода с
целью уменьшения плотности тока через кожу, что приводит к различным
погрешностям, а так же с целью уменьшения сопротивления рогового слоя. С этой
целью, например, используют цилиндрические электроды, которые пациент
обхватывает ладонью т.к. в этом месте тела человека сопротивление кожи мало. Но
в то же время не всегда допустимо использование цилиндрических, да и вообще
электродов с большой площадью. Такое требование обычно вызвано необходимостью
локализовать измерение, например, при снятии электроэнцефалограммы или
реограммы отдельного органа.
Общий вид эквивалентной электронной схемы кожи представлен на
Рис. 1, из этого рисунка можно заметить, какие возникают трудности при
измерении сопротивления кожи - это сопротивление верхних слоев кожи и
сопротивление межэлектродное. Этим объясняется интерес современных
разработчиков к измерениям с помощью переменного тока - так можно значительно
уменьшить сопротивление верхних слоев кожи, которые обычно не являются целью
измерения. (10) (2)
Рис. 1. Эквивалентная схема для импедансометрических исследований,
где Ск - ёмкость электрод-кожа, RЭП -
сопротивление эпидермиса, Rмэ - сопротивление межэлектродного слоя, Сж
- ёмкость подкожных тканей.
Причины
возникновения погрешностей
Все погрешности в биорезистивных измерениях можно условно
разделить на погрешности средств измерения - инструментальные, и погрешности,
связанные с допущениями, несовершенством теории, не правильным планирование
эксперимента, а также из-за несоответствия измеряемой величины и ее модели -
методические.
Инструментальные
При проведении любых электрофизиологических исследований для
съема электрического сигнала, отображающего изучаемые процессы, используются
электроды. Так как от их метрологических и медико-технических характеристик
прежде всего зависит достоверность диагностической информации, то это
заставляет уделять большое внимание их конструкции, техническим параметрам и
помехоустойчивости. (2)
Равновесный потенциал электрода
При контакте металлического электрода с раствором, в котором
содержатся ионы металла электрода Ме+ на границе электрод-жидкость
возникает скачек потенциала φ. В результате диффузии
ионов Ме+ в электролит на поверхности электрода произойдет
накопление электрод-раствор установится разность потенциалов, препятствующая
дальнейшему переходу ионов Ме+ в раствор. Установившееся значение
разности потенциалов φ зависит от природы
металла и активности катионов а+ в растворе. Значение потенциала φ определяется из уравнения Нернста:
где n-число электронов в реакции, Т - абсолютная температура
раствора, F
- число Фарадея, R - универсальная газовая постоянная, φ0 - ЭДС гальванического элемента, состоящего из искомого электрода
и стандартного водородного электрода, помещенных в электролит, где активность
ионов метала равна 1.
Потенциал сдвига при протекании тока
При протекании тока через электрод равновесный потенциал
может менять своё значение в зависимости от силы и направления тока - в
положительную сторону в случае анодного тока и в отрицательную в случае
катодного. В обычных условиях величина поляризации тем больше, чем больше
плотность тока. Типичная кривая поляризации приведена на рис.1.
Рис. 2. Пример графика поляризации. V0 -
равновесный потенциал.
Кривая носит нелинейный характер, но при малых плотностях тока (до
10÷15
мкА/см2) можно выделить линейный участок.
Методические
Главное значение для медико-биологического исследования
приобретают методические погрешности, которые проявляются во взаимном влиянии
друг на друга объекта исследования и измерительных средств, в неточности
выполнения методики эксперимента, изменяемости свойств объекта в процессе
исследования, в шумах внутреннего происхождения и др. Особая роль принадлежит
психофизиологическим факторам, значительно искажающим результаты эксперимента.
Для учёта этих погрешностей требуется тщательный анализ получаемых результатов,
однако еще не разработаны приемы, методики и критерии, позволяющие оценить
влияние методических погрешностей. (2)
Методические погрешности различаются в зависимости от способа
наложения электродов, т.е. от способа включения человека в цепь. Поэтому,
рассмотрим погрешности двух основных методов включения - двухэлектродного и
тетраполярного.
Двухэлектродная схема:
Ниже представлены общий вид включения и эквивалентная схема
человеческой кожи при двухэлектродном включении:
Рис. 3. Общая схема двухэлектродного измерения сопротивления кожи.
Рис. 4. Эквивалентная схема сопротивления кожи человека при
двухэлектродном методе измерения.
Процитируем фрагмент из (2 стр.46):
"Двухэлектродные подключение биообъекта позволяет измерять
импеданс среды, заключенной между электродами Э1 и Э2 и
включающей участок биоткани; причём наибольший вклад в общий импеданс вносит
ороговевший слой - эпидермис, имеет высокое удельное сопротивление. Для
уменьшения влияния этого слоя его удаляют путём механической обработки.
Измеренная величина позволяет судить о состоянии кожного покрова и протекающих
в нем физиологических процессах, прежде всего связанных с кровообращением в
коже. В то же время важным для диагностики кровоснабжения кожи является
исследование кровоснабжения в подкожных тканях. Подкожные ткани условно
считаются однородными, а их электрическое сопротивление значительно меньше
сопротивления кожи, поэтому двухэлектродная схема не позволяет изучать эти
процессы. "
Таким образом, сразу можно выделить несколько методических
погрешностей:
Влияние на объект измерения (удаление рогового слоя, пропускание
тока)
Допущение об однородности подкожных тканей
Обратившись к источнику (6 стр.96), можно выделить еще два
момента:
"Одна из проблем современного измерения КГР это тот момент,
что здоровое состояние тела не напрямую связано с КГР, а является комбинацией
показателей, а значит, сама по себе КГР ничего не показывает, если
рассматривать её изолированно от других параметров, например, от состояния
кожи. "
Так же стоит заметить, что при использовании импедансометрических
методов значительные трудности возникают при оценке состояния гемодинамики для
небольших участков сосудистой системы. Здесь возникают проблемы выбора размера
электродов, расстояния между ними, контроля пути прохождения тока в биотканях.
(2)
Таким образом, еще три пункта:
Неоднозначность измеряемых параметров.
Большое влияние состояния кожи на измерение (требуется измерение
индивидуальных параметров кожи от пациента к пациенту).
Не контролируемый маршрут прохождения тока в тканях.
Подводя итог, можно сказать что данный метод обладает минимальной
точностью измерений, к его достоинствам стоит отнести лишь простоту.
Тетраполярное включение:
Ниже представлены схемы общего вида тетраполярного включения и
эквивалентной схемы кожи человека при проведении измерений этим способом:
Рис. 5. Общий вид тетраполярного включения.
Рис. 6. Эквивалентная схема сопротивления кожи человека при
измерениях тетраполярным методом.
По описаниям данного метода различными авторами (2) (6) (11) (10)
(12), принципиальных различий в методических погрешностях между двухэлектродным
и тетраполярным включениями выявлено не было, кроме лишь пары, которые мы и
рассмотрим здесь:
Более остро стоит проблема контроля растекаемости токов в тканях.
Если в двухэлектродном методе это влечет за собой то, что мы не знаем что
именно мы измеряли и это вынуждает нас сделать допущение об однородности
внутренних тканей, то здесь неопределенность в путях протекания токов напрямую
сказывается на результате измерения т.к. не весь ток, вышедший из анода
участвует в формировании выходного напряжения. Как пишет С. Уэбб в "Физика
визуализации изображений в медицине": "Главной трудностью которую необходимо
преодолеть при построении распределений импеданса биоткани, является эффект
расходимости линий электрического поля при приложении разности потенциалов
между двумя электродами. В то время как однородной ткани искривлённые линии
поля можно определить, в реальном случае неизвестной неоднородной ткани это
оказывается невозможным. Измерения, проводимые с помощью электрода считывания,
не связаны с биоэлектрическими свойствами ткани на прямой линии, соединяющей
электроды. Было бы просто неверным считать, что при приложении к биоткани
разности потенциалов и измерении тока во внешней цепи суммарное электрическое
сопротивление вдоль линии, соединяющей электроды, будет равно просто отношению
приложенной разности потенциалов к току." (12 стр.261).
Частично устраняется проблема преодоления сопротивления верхних
слоев кожи, чем значительно повышается точность измерения.
4.
МКТ-включение
Сущность
метода
Учитывая все описанные выше недостатки современных методов
измерения сопротивления биотканей, был предложен новый, свободный от ряда
методических погрешностей и открывающий ряд новых возможностей в
биоимпедансометрии, а частности, в формировании биорезистивной карты человека.
Рассмотрим сущность метода:
Для начала обратимся к эквивалентной схеме кожи человека, применяемой
в биоимпедансометрии, которую мы уже указывали ранее на Рис.1.
Прежде чем продолжать рассуждения, несколько упростим схему -
уберём ёмкости т.к. они не важны для нашей модели ввиду того, что мы будем
работать с постоянным током, а значит ёмкости будут влиять лишь на переходные
процессы, изучение которых не являются целью данной работы. Далее, примем Rэп2 = ∞ - данное
допущение вполне обоснованно, если вспомнить, что удельное рогового слоя
порядка 1Мом/м, а длина (расстояние между электродами) порядка 20 см при
толщине около 0.2мм. Таким образом, Rвн оказывается параллельно соединен с
сопротивлением около 1ГОм, при его сопротивлении в доли-единицы килоом. Таким
параллельным сопротивлением, безусловно, можно пренебречь. В результате
получается следующая схема эквивалентного сопротивления кожи при проведении
биорезистивных измерений:
Рис. 7. Упрощенная эквивалентная схема сопротивления кожи
человека. Где Rмэ - межэлектродное сопротивление, Rэп - сопротивление эпидермиса,
Rвн - сопротивление
внутренних тканей, I1 - источник тока, подключенный в целях измерения, V1 - вольтметр.
Из данной модели хорошо видно, что формирует выходной сигнал
и рассматривается как результат измерения Uвых:
Обратите внимание, что в уравнение включены члены, а учитывая, что

становится ясно, что по данной схеме определить внутреннее
сопротивление биоткани практически невозможно (по такой схеме работает
двухэлектродное включение). Далее, воспользуемся методом контурных токов и
составим еще два контура таким образом, чтобы токи текущие через Rмэ и Rэп были встречными (Рис. 4). Для этого
включим в получившуюся схему еще два источника тока так, чтобы они оказались по
обе стороны от источника I1 и были
включены с ним последовательно.
Таким образом, мы получили еще два контура в эквивалентной цепи
сопротивления кожи:
Рис. 8. Эквивалентная схема сопротивления кожи в биорезистивных
измерениях. Подключены 3 источника тока, используя 4 электрода (2 общих). I1 - основной измерительный источник тока, I2, I3 - вспомогательные источники. R9,R5,R4,R11 - межэлектродное сопротивление, R2,R3,R8,R10 -
Сопротивление эпидермиса при прохождении тока вглубь, R1,R6,R7 - сопротивление внутренних тканей.
Обратим внимание, что для того, чтобы источники тока образовывали
самостоятельные контуры необходима их гальваническая развязность друг отдруга.
Рассчитаем значение выходного сигнала в контуре I1: R4: R3: R1: R2: R5 (13):
учитывая, что внутреннее сопротивление источников тока равно
бесконечности, получается, что
I11=I1, I22=I2, I33=
I3
Тогда
приведя подобные получаем
таким образом, выходное напряжение становится равно 
и отклоняется от этого значения на значение, пропорциональное
разности значений токов измерительного и компенсирующих источников.
Если принять
то получим
В этом заключается сущность МКТ-включения.
Рассмотрим теперь МКТ-включение более подробно, отбросив упрощение
о бесконечности поверхностного сопротивления кожи. Более полная модель поможет
нам лучше понять внутренние механизмы метода, что позволит оценить величины
влияющие на погрешность, а так же оценить чувствительность метода к отклонениям
значений тока от расчетных, наметить перспективы развития метода.
Рис. 9. Дополненная схема МКТ-включения.
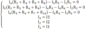
Составим систему уравнений по методу контурных токов:
Проведя ряд не сложных математических преобразований, выразим ток I5 через известные токи I1, I2, I3:
Теперь мы можем узнать напряжение на R9 и сравнить его со снимаемым нами напряжением с R2. Относительная ошибка значения снимаемого напряжения
будет определяться по следующей формуле:
Аналитическое выражение ошибки получилось достаточно сложным и по
его виду трудно ответить на поставленные выше вопросы о чувствительности
МКТ-включения к ошибкам. Поэтому, создадим простую модель кожи человека,
наделив её значениями сопротивлений, взятыми из (8) и выбрав конкретные
значения источников тока.
Возьмем следующие значения:
Подставив значения в приведенные выше формулы, получим следующие
значения:
UR9 = 2*10-4, UR2 =
2.145*10-4
Δ (Uвых) =
2.145*10-4 - 2*10-4 = 0.145*10-4.
δ (Uвых) = 
7.25%.
Таким образом мы видим, что расчеты сходятся и метод работает и
дает некоторую погрешность при случайно заданных параметрах. Теперь изменим
модель следующим образом - сделаем сопротивление в ветвях одинаковыми, чтобы
исключить не симметричную чувствительность к отклонению источников тока в
разных плечах, и начнем тестировать модель на предмет чувствительности к
ошибкам. Возьмем следующие параметры:
При данных параметрах, получаем следующие погрешности:
UR9 = 2*10-4
UR2 = 2.4*10-4
Δ (Uвых) =
2.145*10-4 - 2*10-4 = 0.4*10-4.
δ (Uвых) = 
20%.
теперь можно приступить к оценке влияния параметров схемы на
погрешности: I1, I3:
Источники тока - важнейшие элементы данной схемы, оценим
чувствительность метода к несовершенству источников тока:
Рис. 10. График зависимости относительной погрешности измерения от
отклонения значения источника тока I1 или I3.
Как видно из графика - МКТ-включение очень чувствительно к
отклонению плечевых источников тока - изменение значения плечевого источника
тока на 0.1% создает погрешность Uвых около 80%. Стоит обратить внимание на
форму графика - он имеет смещенную ось симметрии, а значит погрешность может и
уменьшаться, если не будет уходить далеко от точки симметрии.
Рассмотрим этот же график в меньшем масштабе:
Рис. 11. График зависимости относительной погрешности измерения от
отклонения значения источника тока I1 или I3 в уменьшенном масштабе.
На Рис. 11 можно видеть, что девиация источников тока вовсе не
линейно сказывается на погрешности, как могло показаться на Рис. 10. Это
замечание будет полезно для дальнейшей разработки метода.2 - опорный
измерительный источник тока. Оценим чувствительность метода к девиации тока в
этом источнике (Рис. 12):
Рис. 12. График зависимости относительной погрешности измерения от
отклонения значения источника тока I2.
Характер формирования погрешности от данного источника
практический такой же как и от предыдущих двух, за исключением того, что точка
симметрии графика находится по другую сторону от исходного значения, значит для
источника I2 не страшны небольшие отклонения не в
большую, как у I1 и I3, а в меньшую сторону. Так же стоит отметить увеличенную
чувствительность выходной ошибки - скорость нарастания ошибки от девиации
источника примерно в 2.5 раза выше при данных параметрах.
Так же приведем график зависимости погрешности от девиации
источника в уменьшенном масштабе (Рис. 13):
Рис. 13. График зависимости относительной погрешности измерения от
отклонения значения источника тока I2 в
уменьшенном масштабе. R1, R3.
R1,R3 - продольные поверхностные сопротивления
в контурах источников I1 и I3, те самые, которыми мы пренебрегли, рассматривая
идеальную модель (еще R2). Рассмотрим,
как они всё же влияют на погрешность выходного сигнала сами по себе (их
косвенное влияние так же отражалось в погрешностях от других параметров):
Рис. 14. График влияния продольного поверхностного сопротивления R1 и R3 в цепи
плечевых источников тока на выходной сигнал.
Как видим, график имеет явно выраженный нелинейных характер,
предположительно вида 1/x. Само
поведение погрешности в зависимости от продольного поверхностного сопротивления
ведет себя вполне ожидаемо - чем больше сопротивление, тем ближе модель к
идеальному случаю, когда вместо этих сопротивления мы брали разрыв. Стоит
отметить умеренно высокую чувствительность метода к данным параметрам, что
стоит учесть при наложении электродов. R2
R2-поверхностное продольное сопротивление в цепи основного
измерительного источника тока - I2. График
зависимости выходной погрешности от R2
приведен на Рис. 15:
Рис. 15. График влияния продольного поверхностного сопротивления R2 в цепи измерительного источника тока I2 на выходной сигнал.
Данный график представляет большой практический интерес - ведь
увеличивать поверхностное продольное сопротивление мы можем лишь за счет всё
большего допущения однородности внутренних тканей и потерей контроля пути
протекания тока, поэтому предыдущие графики небыли так интересны, а здесь же -
уменьшение поверхностного продольного сопротивления приводит к уменьшению
ошибки! Для примера был произведен расчет ошибки при R2= 1Мом, что соответствует долям миллиметра расстояния между
электродами. Уменьшив R2до 1 Мом получили δ (Uвых) =
14.27% против начальных 20%. Но уменьшая расстояние между электродами мы так же
уменьшаем и сопротивление R9, с которого
мы и снимаем напряжение - это будет рассмотрено ниже. В данном пункте,
напротив, стоит отметить слабую чувствительность метода к данному параметру. R4, R5, R6, R7
R4, R5, R6, R7 - поверхностное поперечное
сопротивление. Все они вносят одинаковый вклад в формирование погрешности и
графики зависимости выходной погрешности от разброса параметров выглядят
одинаково, поэтому, приведен лишь один график (Рис. 16):
Рис. 16. График зависимости относительной ошибки выходного сигнала
от разброса значений поверхностных поперечных сопротивлений R4, R5, R6, R7.
На графике можно видеть, что сопротивления R4, R5, R6, R7 всё же
оказывают влияние на точность результата измерения. Хоть чувствительность к
поперечному сопротивлению не особо высока, всё же стоит её учитывать. R8, R10
R8, R10 - сопротивления внутренних тканей,
находящихся в цепи плечевых источников тока. Ниже представлен график его
влияния на выходной сигнал (Рис. 17):
Рис. 17. График зависимости относительной ошибки выходного сигнала
от разброса значений сопротивлений внутренних тканей в цепи с плечевыми
источниками тока, R8, R10.
Как и стоило ожидать, сопротивление внутренних тканей, находящихся
не в измерительном контуре, влияет на результат измерения крайне слабо. В
рамках данной модели можно подобными погрешностями пренебречь. R9
R9 - измеряемое сопротивление. Цель данного пункта - оценить
степень влияния остальных элементов эквивалентной схемы в зависимости от
истинного значения сопротивления исследуемой внутренней ткани.
Рис. 18. График зависимости чувствительности схемы к погрешностям
в зависимости от значения измеряемой величины.
Рис. 19. График зависимости чувствительности схемы к погрешностям
в зависимости от значения измеряемой величины, уменьшенный масштаб.
Как видим из графиков, значение сопротивления внутренней ткани
играет большую роль в формировании погрешности. Как и ожидалось, основываясь на
самой идее измерения сопротивления по закону Ома, чем меньше сопротивление -
тем сложнее его измерять. Это ограничивающий фактор, не позволяющий брать
слишком малые расстояния между электродами с целью уменьшения значенияR2.
Из приведенных уравнений и графиков можно сделать следующие
выводы:
Выходной сигнал будет, через закон Ома, с большой точностью
отображать внутреннее сопротивление биоткани.
Сопротивление эпидермиса и межэлектродное сопротивление оказывают
несравнимо меньшее влияние на результат измерения чем при измерении другими
методами. В основном, они оказывают влияние лишь на чувствительность метода к
несовершенству источников тока.
В общем виде, включение будет выглядеть следующим образом:
Рис. 20. Общий вид МКТ-включения.
Следует обратить внимание (Рис. 20), что данный метод позволяет
решить не только проблему преодоления сопротивления верхних слоев кожи, но и
частично решает проблему эффекта расходимости линий электрического поля - это
выражается в том, что весь ток сообщающийся телу человека участвует в
измерении, чего нет в случае тетраполярного включения.
Решаемые проблемы
Резюмируем отличительные черты МКТ-включения:
Измеряется только сопротивление внутренних тканей.
Проблема растекаемости токов не стоит так остро как в тетраполярном
включении т.к. измерение производится с самих электродов, до растекания тока.
Более того, имеются механизмы, уменьшающие погрешность при сближении измеряющих
электродов, что позволяет вести точные измерения сопротивления внутренних
тканей без эффекта растекаемости тока.
Не имеют значения индивидуальные параметры кожи - сухость,
толщина рогового слоя и т.д. так как они не участвуют в формировании полезной
составляющей выходного напряжения, а лишь в небольшой степени сказываются на
погрешностях.
Нет необходимости в уменьшении сопротивления верхних слоев
кожи, что переводит метод в разряд простых неинвазивных методов, что
существенно расширяет область его применения, вплоть до массово-диагностических
терапий.
Уменьшается эффект поляризации электродов т.к. токи в
измерительной цепи (от I2) компенсируются измерительными источниками, направленными
противоположно и равными по значению, а значит вместе с процессами поляризации
одновременно будут происходить процессы деполяризации.
Опытная проверка МКТ-включения
В целях проведения эксперимента были разработаны три
высокостабильных источника тока малой мощности.
Схема источника тока представляет из себя два включенных
последовательно полевых транзистора с p-nпереходом и n-каналом. В качестве отрицательной обратной связи
используются резисторы в цепи стока, один из которых взят подстроечным для
тонкой регулировки тока. Нагрузка будет включаться в цепь истока первого
транзистора. Получившаяся схема выглядит, как представлено на Рис. 21:
Рис. 21. Принципиальная схема источника тока.
Выходное сопротивление источника тока на полевом транзисторе
крайне высоко, поэтому, включая второй такой источник тока в сток первого мы
получаем крайне глубокую обратную связь, чем добиваемся большей стабильности,
чем при использовании одного транзистора. (14)
Полевые транзисторы были использованы отечественные кп303ж (15),
основой для такого решения послужила высокая линейность выходного тока в
зависимости от напряжения сток-исток (ВАХ) и сверхмалый начальный ток
сток-исток. Тестирование данного источника тока показало его высокую
устойчивость к перепадам напряжения питания и высоким сопротивлениям нагрузки.
Следующим этапом была разработка топологии печатной платы:
Рис.22. Топология печатной платы для разработанного источника
тока.
Далее по ЛУТ-технологии рисунок был перенесен на
стеклотекстолит, а затем вытравлен с помощью хлорида железа. После монтажа
компонентов было получено конечное изделие, его фото приведено на Рис.23:
Рис.23. Фотография законченного изделия - пять источников
тока.
План эксперимента:
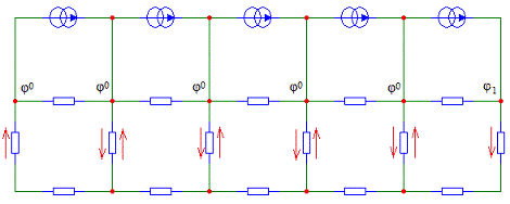
Из резисторов была составлена модель, моделирующая слоистую
структуру кожи (Рис.24). Верхний слой (тёмно-синие резисторы) состоит из
резисторов сверхвысокого сопротивления (десятки-сотни мегом) и эмулирует
поверхностное продольное сопротивление кожи, резисторы нижнего слоя моделируют
сопротивление внутренних тканей обладают сопротивлением в десятки ом, резисторы
соединяющие эти слои, поверхностное поперечное сопротивление, обладают
сопротивлением в десятки-сотни килоом.
Рис.24. Модель кожи для проведения эксперимента.
Собранные источники тока были подключены по схеме
МКТ-включения к верхней сетке резисторов, первый и четвертый электроды (отводы
от плечевых источников) подключаются удалённо друг от друга, например, вправый
верхний и левый нижний углы сетки, и больше не перемещаются. Второй и третий
электроды (измерительные) подключаются к различным резисторам верхней сетки -
последовательно с источником тока включается микроамперметр, а параллельно
вольтметр. Затем, по закону Ома определяется измеренное сопротивление и
сравнивается с реальным значением резисторов нижней сетки, которые заранее
известны.
Таблица 3. Результаты измерений, проведенных на модели кожи
человека, включенной по МКТ-включению.
|
№
|
Rповерхн. реальное
|
Rвн. реальное
|
Rизм.
|
δизм (отн. ошибка)
|
|
1
|
|
|
|
|
|
2
|
|
|
|
|
|
3
|
|
|
|
|
|
4
|
|
|
|
|
|
5
|
|
|
|
|
|
6
|
|
|
|
|
|
7
|
|
|
|
|
|
8
|
|
|
|
|
Таким образом мы видим, что практические результаты
подтверждают теоретические ожидания. Значения погрешностей несколько выше
ожидаемых, но это связанно с несовершенством источников тока.
Перспективы
развития
Были замечены механизмы уменьшающие погрешность при
уменьшении расстояния между электродами, что дает основание полагать, что при
дальнейшей разработке метода станет возможно точечное определение сопротивление
биоткани, исключающее эффект растекания тока, что позволит отбросить допущение
об однородности внутренних тканей.
Уменьшение поверхностного поперечного сопротивления увеличит
точность измерения, так что имеет смысл рассмотреть применение переменного тока
в МКТ-включении.
Как было показано выше, имеются возможности компенсировать
возникающие погрешности регулировкой доступных параметров - изменением
поверхностного сопротивления или токов. Стоит изучить этот вопрос подробнее и
попробовать отыскать механизмы введения обратной связи по ошибке, которая бы,
например, подстраивала источники тока с целью полного исключения ошибки.
Возможный вариант - поиск минимума выходного сигнала при тонкой подстройке
одного из плечевых источников (т.к. ошибка носит положительный знак).
Т.к. погрешность обратна пропорциональна поверхностному
продольному сопротивлению в контурах с плечевыми источниками тока, обоснованным
будет предположить, что погрешность вносят текущие по ним токи,
пропорциональныеR4 и R7. Основываясь на данных посылках, была предложена следующая
модификация схемы, устраняющая погрешности от R1,R3,R4,R7:
Рис. 25. Улучшенная схема МКТ-включения с дополнительными
плечевыми контурами.
Изучить поляризационные процессы на измерительных электродах
в случае протекания тока в противоположных направлениях. Есть основание
полагать, что встречные токи приведут к деполяризации, если иначе, стоит
изучить отношение скорости протекания этих процессов.
Заключение
В данной работе были рассмотрены современные методы измерения
сопротивления биотканей, их особенности и недостатки. По методу включения человека
в измерительную цепь, выделяют три метода - двух-, трёх- и четырехэлектродное
включение. На практике применяются двух - и четырёхэлектродные включения,
которые обладают следующими недостатками:
Двухэлектродное включение:
Неинвазивное измерение сопротивления внутренних тканей
невозможно.
Высокая чувствительность к индивидуальным параметрам кожи.
Поляризация электродов.
Четырёхэлектродное включение:
Более остро стоит проблема растекаемости токов.
Проблема преодоления верхних слоев кожи решена частично,
поперечное сопротивление эпидермиса по прежнему играет большую роль в
формировании погрешности.
Слабый выходной сигнал.
Далее было предложено включение на основе метода контурных
токов. Данное включение основано на применении трех независимых, встречно направленных
контуров, имеющих два общих электрода. Этим мы добиваемся вычитания токов в
измерительном контуре через поперечное сопротивление эпидермиса, чем уравниваем
потенциалы до этого сопротивления и после него, что, согласно законам
электротехники, позволяет заменить схему эквивалентной, в которой эти
сопротивления отсутствуют. Тем самым мы добиваемся виртуального погружения
электродов без нарушения кожного покрова, что позволяет с высокой точностью
измерять сопротивление внутренних тканей.
К плюсам данного метода можно отнести следующее:
Практически полностью устранено влияние сопротивления верхних
слоев кожи и межэлектродного сопротивления при измерении сопротивления
внутренних тканей.
Наименее остро стоит проблема растекаемости тока.
Уменьшенная поляризация электродов.
К минусам:
Увеличенная плотность тока через ткани.
Относительная сложность подготовки оборудования (но не
проведения измерения).
Далее, рассмотрением более полной модели и её математическим
анализом были выявлены факторы, повышающие точность МКТ-включения:
Увеличение продольного поверхностного сопротивления в
плечевых контурах.
Уменьшение поперечного поверхностного сопротивления.
Увеличение сопротивления внутренней ткани - объекта
измерения.
В последней части работы был проведен эксперимент, для
проверки МКТ-включения на практике. Для этой цели были собраны две резистивные
сетки - высокоомная и низкоомная, соединенные между собой сопротивлением
средней величины, тем самым мы получили модель кожи человека для измерений на
постоянном токе, а так же были собраны подстраиваемые высокостабильные
источники тока. Результаты эксперимента подтвердили теоретические ожидания.
Были выделены перспективные пути дальнейшей разработки
МКТ-включения:
Применение переменного тока.
Увеличение количества плечевых контуров.
Ввод обратной связи по ошибке для подстройки источников тока.
Список
литературы
1.
Куйбышев, В.В., и др. Большая Советская энциклопедия.1-е. Москва:
"Советская энциклопедия", 1933. Т.63.
.
Корневский Н.А., Попечителев Е.П., Филист С.А. Проектирование электронной
медицинской аппаратуры для диагностики и лечебных воздействий. Курск: Курская
городская типография, 1999.
.
Wikipedia. Электрофизиология. Wikipedia.org. [В Интернете] 21 Сентябрь 2013 г.
[Цитировано: 23 Май 2014 г.] https: // ru.
wikipedia.org/wiki/Электрофизиология.
.
Вадим Блейхер, Инна Крук. Толковый словарь психиатрических терминов. Воронеж:
Модэк, 1995. ISBN 5-87224-067-8;.
.
Калашников В.Н., к. п. н. Электрическое сопротивление кожи как индикатор
психофизиологического состояния человека. skfb.ru. [В Интернете] 3 февраль 2013
г. [Цитировано: 19 май 2014 г.] http://www.osoznanie. biz/info/concept_n_10.
pdf.
.
Амосова, Е.Н. Клиническая кардиология. Киев: Книга-Плюс, 1997. стр.704. Т.1.
.
Олейник, В.П. и Кулиш, С.Н. Аппаратные методы исследования в биомедицине.
Учебное пособие. Харьков: Нац. аэрокосм. ун-т "Харьковский авиационный
ин-т", 2004.
.
Министерством здравоохранения и социального развития Российской Федерации.
Российская энциклопедия по охране труда. Москва: ЭНАС, 2007.
.
Моторин, С.В., и др. Технические методы и средства диагностики и лечения.
Новосибирск: НГТУ, 2009. ISBN 978-5-7782-1293-0.
.
Полищук, В.И. и Терехова, Л.Г. Техника и методика реографии и реоплетизмографии.
Москва: Медиана, 1983.
.
В.П. Олейник, С.Н. Кулиш. Аппаратные методы исследований в биологии и медицине.
Харьков: Харьковский авиационный институт, 2004. стр.110.
.
Уэбб, С., и др. Физика визуализации изображений в медицине. [перев.] Л.В. Бабин
и Д.Н. Березюк. Москва: Мир, 1991. стр.408. Т.2. ISBN 5-03-001924-3.
.
Ионкин, П.А. и Зевеке, Г.В. Основы теории цепей.4-е. Москва: Энергия, 1975.
стр.752.
.
Хоровиц, П. и Хилл, У. Искусство схематехники.5-е. Москва: Мир, 1998.
.
Брежнева, К.М., Гантман, Е.И. и Давыдова, Т.И. Транзисторы для аппаратуры
широкого применения. Справочник. [ред. ] Перельман Б.Л. Москва: Радио и связь,
1981.
.
А.К. Платонов. Высокочувствительный сенсор электрического сопротивления кожи
человека. [В Интернете] 2012 г. http://library. keldysh.ru/preprint. asp?
id=2012-18.