Выбор метода утилизации отхода на основе расчета класса опасности

  • Вид работы:
    Курсовая работа (т)
  • Предмет:
    Экология
  • Язык:
    Русский
    ,
    Формат файла:
    MS Word
    35,58 Кб
  • Опубликовано:
    2015-07-06
Вы можете узнать стоимость помощи в написании студенческой работы.
Помощь в написании работы, которую точно примут!

Выбор метода утилизации отхода на основе расчета класса опасности

Министерство образования и науки Российской Федерации

Федеральное государственное бюджетное образовательное учреждение

высшего профессионального образования

«Российский государственный университет

нефти и газа имени И. М. Губкина»

Кафедра промышленной экологии

Специальность: 241000






Заключительная работа по дисциплине

«Отходы, их обезвреживание и утилизация в нефтегазовом комплексе»

на тему: «Выбор метода утилизации отхода на основе расчета класса опасности»









Москва 2014 г.

СОДЕРЖАНИЕ

ВВЕДЕНИЕ

. расчёт класса опасности отхода

.1 Состав и содержание отхода

.2.Расчет класса опасности

.2.1 Расчёт класса опасности по приказу №511

.2.2 Расчёт класса опасности по СП 2.1.7.1386-03

. Выбор метода утилизации отхода

.1 Обзор существующих методов

.2 Выбор технологии

ЗАКЛЮЧЕНИЕ

СПИСОК ИСПОЛЬЗОВАННОЙ ЛИТЕРАТУРЫ

ПРИЛОЖЕНИЯ

ВВЕДЕНИЕ

Данная работа посвящена обезвреживанию и утилизации отходов в нефтегазовом комплексе.

При нынешних темпах развития производственных сил и освоения углеводородных ресурсов вопросы охраны окружающей среды приобретают особую остроту и социальную значимость. Отличительная особенность воздействия процессов бурения - высокая интенсивность и кратковременность формирования значительных техногенных нагрузок на объекты гидро-, лито- и биосферы, которые нередко превышают пороговые нагрузки и тем самым приводят к негативным последствиям. Причём такой характер техногенного воздействия создаёт реальную угрозу экологического стресса в районах массового бурения.

Цель работы: рассчитать класс опасности отхода, составить паспорт опасного отхода, комплекс технологий, включающих в себя сбор, транспортировку, хранение и переработку.

1. расчёт класса опасности отхода

.1 Состав и содержание отхода

Данные отходы образуются при бурении скважин. Компонентный состав отхода приведен в таблице 1.1.

Таблица 1.1. Компонентный состав отхода

Наименование компонентов отхода

C, % масс

С, мг\кг

Диоксид кремния

66,5

665082

Нефть

24,68

246850,4

Ca(OН)2

6,5

65501,6

Хлорид натрия

1,52

14490,1

Оксид железа(Fe2O3)

0,8

8075,9


Рассмотрим основные физико-химические свойства каждого компонента отхода.

Диоксид кремния (оксид кремния, кремнезём SiO2) - бесцветные кристаллы, tпл 1713-1728 °C, обладают высокой твёрдостью и прочностью.

Нефть - жидкость от светло-коричневого (почти бесцветная) до тёмно-бурого (почти чёрного) цвета. Средняя молекулярная масса 220-400 г/моль (редко 450-470). Плотность 0,65-1,05 (обычно 0,82-0,95) г/см³; температура кристаллизации от −60 до + 30 °C; удельная теплоёмкость 1,7-2,1 кДж/(кг∙К); удельная теплота сгорания (низшая) 43,7-46,2 МДж/кг; диэлектрическая проницаемость 2,0-2,5; электрическая проводимость от 2∙10−10 до 0,3∙10−18 Ом−1∙см−1;легковоспламеняющаяся жидкость, температура вспышки от -35 до +121 °C.

Нефть представляет собой смесь около 1000 индивидуальных веществ, из которых большая часть - жидкие углеводороды (> 500 веществ или обычно 80-90 % по массе) и гетероатомные органические соединения (4-5 %), преимущественно сернистые (около 250 веществ), азотистые (> 30 веществ) и кислородные (около 85 веществ), а также металлоорганические соединения (в основном ванадиевые и никелевые); остальные компоненты - растворённые углеводородные газы (C1-C4, от десятых долей до 4 %), вода (от следов до 10 %), минеральные соли (главным образом хлориды, 0,1-4000 мг/л и более), растворы солей органических кислот и др., механические примеси

Гидроксид кальция Ca(OН)2 - химическое вещество, сильное основание. Гидроксид кальция является довольно сильным основанием, из-за чего водный раствор имеет щелочную реакцию. Получают путём взаимодействия оксида кальция (негашенной извести) с водой (процесс получил название «гашение извести»). Растворимость падает с ростом температуры. Плотность - 2.211 г/см³. Температура плавления - 512 °C. Растворимость в воде -         0.185 г/100 мл.

Оксид железа (III) - амфотерный оксид с большим преобладанием основных свойств. Красно-коричневого цвета. Термически устойчив до высоких температур. Образуется при сгорании железа на воздухе. Не реагирует с водой. Медленно реагирует с кислотами и щелочами. Восстанавливается монооксидом углерода, расплавленным железом. Сплавляется с оксидами других металлов и образует двойные оксиды - шпинели.

В природе встречается как широко распространённый минерал гематит, примеси которого обусловливают красноватую окраску латерита, красноземов, а также поверхности Марса. Применяется как сырьё при выплавке чугуна в доменном процессе, катализатор в производстве аммиака, компонент керамики, цветных цементов и минеральных красок, при термитной сварке стальных конструкций, как носитель аналоговой и цифровой информации (напр. звука и изображения) на магнитных лентах, как полирующее средство (красный крокус) для стали и стекла.

Хлорид натрия - химическое соединение NaCl, натриевая соль соляной кислоты, хлористый натрий.

Хлорид натрия известен в быту под названием поваренной соли, основным компонентом которой он является. Хлорид натрия в значительном количестве содержится в морской воде, создавая её солёный вкус. Встречается в природе в виде минерала галита (каменная соль).

Чистый хлорид натрия имеет вид бесцветных кристаллов, но с различными примесями его цвет может принимать голубой, фиолетовый, розовый, жёлтый или серый оттенок.Температура плавления 800,8 °С, кипения 1465 °С. Умеренно растворяется в воде, растворимость мало зависит от температуры: коэффициент растворимости NaCl (в г на 100 г воды) равен 35,9 при 21 °C и 38,1 при 80 °C. Растворимость хлорида натрия существенно снижается в присутствии хлороводорода, гидроксида натрия, солей - хлоридов металлов.

1.2 Расчет класса опасности

.2.1 Расчёт класса опасности по приказу №511

Компоненты представляют определенную опасность для окружающей природной среды и к ним необходимо применить расчетный метод.

На все компоненты, к которым применяется расчетный метод, из справочной литературы находим первичные показатели опасности (таблица 1.2.1.1.), используя также данные по реагентам (таблица 1.2.1.2.):

Таблица 1.2.1.1. Первичные показатели опасности

1

2

3

4

5

1

Реагент

Нефть

Оксид железа

Ca(OН)2

Оксид кремния

Хлорид натрия

2

ПЭБ

Нормативные данные

3

ПДКп (ОДК),мг/кг











4

Кл.оп-ти по почве











5

ПДКВ (ОДУ, ОБУВ), мг/л

0,3

3

0.3

4



10,0

4

0,2

4

6

Кл. опас-ти в воде хоз-п-го зн-я

4

4

3

3



2

2

2

2

7

ПДКР.Х. , мг/л

0,05

3

0,1

4

180,00

4

0,10

3

0,15

4

8

Кл. оп-ти в воде рыбхоз-ного исп-я

3

3

4

4



4

4

4

4

9

ПДКСС мг/м3



0,07

4

0,03

2

0,15

3

0,5

3

10

Кл. оп-сти в атм.в-ха



3

3

3

3

3

3

3

3

11

ПДКП.П. , мг/кг



15

4







12

LD50, мг/кг

4300

3

10000

4

7300

4

200

3

10000

4

13

LC50, мг/м3

227000

4





56000

4

42000

3

14

LC50водн, мг/л/96ч

10,4

3



100

3



21500

4

15

lg(S,мг/л/ПДКВ, мг/л)

2,22

2

0

4

0

4

0

4

3,2

2

16

lg(cнас, мг/м3/ПДКр.з.

1,3-1,4

3









17

lg(CНАС, /ПДКС.С)



< 1

4







19

БД=БПКП/ХПК %

<10

1









20

Персистентность

транс.

3



транс.

4

не транс.

3

не транс

4

21

Биоаккумуляция











22

ПИО (n/N)

11

4

10

3

7

2

10

3

11

4

23

n+1/Σ

12

36

11

41

8

26

11

36

12

41


Таблица 1.2.1.2. Используемые данные

Реагент

Литература

Нефть

СГР серии ВТ №001078 с п.с.д. от 4 декабря 1996г.

Оксид железа

СГР серии АТ-000196 от 06.01.1995 г.

Ca(OН)2

СГР серии ВТ №000464 с п.с.д. от 05мая 1995г.

Оксид кремния

СГР серии АТ-002554 с п.с.д. от 3декабря 2003г.

Хлорид натрия

СГР серии АТ-000435 12.04.1995 г.


Порядок расчёта:

.        Определяем показатель информационного обеспечения как суммарное количество первичных показателей, по которым найдены значения (для каждого компонента отхода) и соответствующий ему балл.

.        Определяем сумму баллов по каждому компоненту отхода.

.        Рассчитываем относительный параметр опасности Х как частное от деления суммы баллов на количество показателей (включая показатель информационного обеспечения).

.        По рассчитанным относительным параметрам опасности Х определяем коэффициенты степени опасности W для каждого компонента отхода (таблица 1.2.1.3).

Таблица 1.2.1.3. Коэффициенты степени опасности для компонентов отхода

1

2

3

4

5

Реагент

Нефть

Оксид железа

Ca(OН)2

Оксид кремния

Хлорид натрия

Xi

3,00

3,73

3,25

3,27

3,42

Zi

3,67

4,64

4,00

4,03

4,22

lgWi

3,67

4,93

4,00

4,03

4,25

Wi

4641,59

85769,59

10000,00

10734,19

17782,79


. Определяем показатели степени опасности К для каждого компонента отхода.

Таблица 1.2.1.4. Показатели степени опасности для компонентов отхода


Нефть

Оксид железа

Ca(OН)2

Оксид кремния

Хлорид натрия

Ki

215,44

11,66

100,00

93,16

56,23

Класс опасности

3

5

4

4

4


Показатель степени опасности отходов K вычисляют по формуле:

К = К1 + К2 + ... + Кn,

где К1 К2, ... Кn - показатели степени опасности отдельных компонентов отходов.

К = 53,18+0,09+6,55+61,96+0,81=122,60

По установленным показателям степени опасности компонентов отходов для различной природной среды в соответствии с таблицей 1.2.1.5 определяют класс опасности отходов.

Таблица 1.2.1.5. Показатель степени опасности отходов для окружающей природной среды

Класс опасности отходов

Показатель степени опасности отходов, К

I

106 ≥ K> 104

II

104 ≥ K> 103

III

103 ≥ K> 102

IV

102 ≥ K> 10

V

K ≤ 10


≥ 122,60> 102 (3 класс опасности - УМЕРЕННО ОПАСНЫЕ. Экологическая система нарушена. Период восстановления не менее 10 лет после снижения вредного воздействия от существующего источника.)

1.2.2 Расчёт класса опасности по СП 2.1.7.1386-03

На основе качественного состава отхода проводится информационный поиск токсикологических, санитарно-гигиенических и физико-химических показателей опасности каждого его компонента.

Выбирают показатели опасности, их значения из нормативных документов и литературных источников при этом приводятся полные библиографические данные использованного источника информации (таблица 1.2.2.1). По значению показателя опасности последнему присваивается балл от 1 до 4.

Усредненный параметр опасности компонента отхода Xi вычисляется делением суммы баллов по всем показателям, включая информационный, на общее число показателей.

Таблица 1.2.2.1 Первичные показатели опасности

Показатели опасности

Наименование компонентов отхода и его концентрация С, мг/кг



Нефть, 246850,4, мг/кг

Оксид железа2, 8075,9, мг/кг

Ca(OН)2, 65501,6, мг/кг

Оксид кремния, 665082 мг/кг

Хлорид натрия, 14490,1 мг/кг



числовое значение

балл

числовое значение

балл

балл

числовое значение

балл

числовое значение

балл

1

ПДКв (ОДУ), мг/л

0,3

3

0,3

3



10

4

0,2

3

2

ПДКс.с..(м.р.) (ОБУВ), мг/м3



0,07

2

0,03

2

0,15

3

0,5

3

3

Класс опасности в воде

4

4

3

3



2

2

2

2

4

Класс опасности в атмосферном воздухе



3

3

3

3

3

3

3

3

5

DL50 (мг/кг) перорально

4300

3

10000

4

7300

4

200

3

10000

4

6

CL50 (мг/м3)

227000

4







42000

4

7

Lg (S, мг/л/ПДКв)

2,22

2

0

4

0,3

4

0

4

3,2

2

8

Lg (Снас, мг/м3/ПДКр.з.)

1,35

2









9

ПДКвр, мг/л

3

4

4

4



4

4

4

4

10

CL50w, мг/л/96 ч

10,4

3



100

3



21500

4

11

Lg (Снас, мг/м3/ПДКсс/мр)



<1

4







12

Показатели информационного обеспечения

10

3

9

3

7

2

9

3

11

4

13

Персистентность: трансформация в окружающей среде

Трансф.

3



Трансф.

3

Не трансф.

4

Не трансф.

4

14


31,00

3,1

30,00

3,3

21,00

3,0

30,00

3,3

37,00

3,3

15

X,i

3,10


3,33


3,00


3,33


3,36




При наличии в составе отходов веществ, продуктов с доказанной для человека канцерогенностью данному компоненту отхода присваивается значение Wi = 1, остальные показатели опасности не учитываются, т.е. Ki = Ci /1 = Ci. Показатель опасности компонента отхода Ki рассчитывается как отношение концентрации компонента отхода Ci (мг/кг) и коэффициента степени опасности компонента Wi , формулы 1.2.2.1, 1.2.2.2.:

= Ci/Wi (1.2.2.1)Wi = 1,2 (Xi - 1), где (1.2.2.2)

- усредненный параметр опасности компонента отхода.

Таблица 1.2.2.2. Коэффициенты степени опасности для компонентов отхода

16

lg Wi

2,52


2,80


2,40


2,80


2,84


17

Wi

331,13


630,96


251,19


630,96


686,06


18

Сi

246850,4


8075,9


65501,6


665082,0


14490,1


19

К

745,48


12,80


260,77


1054,08


21,12



Суммарный индекс опасности К равен сумме Ki всех компонентов отхода:

= Σ Ki = K1 + K2 + K3 + Kn.

=745,48+12,80+260,77+1054,08+21,12=2094,25

Ранжирование отхода по классам опасности по величине K проводится в соответствии с таблицей 1.2.2.3.:

Таблица 1.2.2.3. Классификация опасности отходов для здоровья человека и среды обитания человека

Класс опасности

1

2

3

4

К

>50000

50000-1000

999-100

<100

=2094,25 (2 класс опасности - высоко опасные)

2. Выбор метода утилизации отхода

.1 Обзор существующих методов

отход нефтегазовый опасность утилизация

На современном этапе нефтедобыча сопровождается образованием бурового шлама. Его утилизация может осуществляться в трех направлениях: захоронение, обезвреживание и использование буровых шламов, каждое из которых характеризуется положительными и отрицательными сторонами. Эти направления утилизации и являются альтернативными вариантами обращения с буровыми шламами и рассматриваются ниже.

Нулевым вариантом обращения с буровыми шламами является оставление отходов в объектах размещения отходов, обустроенном в виде шламового амбара на кустовой площадке. Отказ от нефтедобывающей деятельности не рассматривается, поскольку нефтегазовая промышленность является одним из основных источников пополнения бюджета Российской Федерации. Рост добычи углеводородного сырья обеспечивается интенсивным развитием и увеличением объемов бурения.

Захоронение отходов - изоляция отходов, не подлежащих дальнейшему использованию, в специальных хранилищах в целях предотвращения попадания вредных веществ в окружающую среду (ФЗ «Об отходах производства и потребления»).

Оставление бурового шлама в буровом шламовом амбаре является самым простым способом обращения с отходом и не требует каких-либо материальных затрат, в т.ч. на приобретение оборудования. В процессе бурения нефтедобывающих, разведочных, поисковых скважин образуются отходы бурения, которые выносятся на дневную поверхность из скважины и размещаются в объекте размещения отходов - в буровом шламовом амбаре, обустраиваемыми в соответствии с проектной документацией, разработанной и утвержденной в установленном порядке.

Выводы об эффективности применения захоронения буровых шламов:

. Существует риск поступления загрязняющих веществ из бурового шлама в сопредельные среды.

. Неблагоприятные водно-физические свойства буровых шламов обуславливают механическую неустойчивость поверхности, на которой они захоронены без предварительной обработки, поэтому земельный участок не может быть использован по основному целевому назначению.

Обезвреживание отходов - обработка отходов, в том числе сжигание и обеззараживание отходов на специализированных установках, в целях предотвращения вредного воздействия отходов на здоровье человека и окружающую среду (ФЗ «Об отходах производства и потребления). Целью обезвреживания отходов является снижение их опасных свойств и (или)сокращение объема отходов.

Сегодня обезвреживание опасных отходов можно провести термическими, физико-химическими, химическими и другими способами. Так, например, при помощи окислительно-восстановительных реакций, реакций замещения происходит перевод различных токсичных и опасных соединений в нерастворимую форму.

Существует несколько способов обезвреживания бурового шлама, каждый из которых может эффективно применяться в зависимости от условий и предпосылок, существующих на нефтедобывающем предприятии: термическое обезвреживание бурового шлама, химическое обезвреживание бурового шлама, физические методы обезвреживания бурового шлама, физико-химическое обезвреживание бурового шлама, биологическое обезвреживание бурового шлама.

Термический способ обезвреживания бурового шлама заключается в сжигании шлама в специальном технологическом оборудование (печах) с последующим получением вторичных отходов. В целях полного разложения нежелательных газов горения в печах прокаливания(сжигания) необходимо использование высоких температур (порядка 850-2200 °С).

Химическое обезвреживание бурового шлама основывается на внесение химических реагентов, реакционные свойства которых позволяют снизить опасные свойства бурового шлама.

В основе наиболее распространенных технологических решений химического обезвреживания бурового шлама лежит промывка массы бурового шлама с применением поверхностно-активных веществ с последующей очисткой жидкости от нефтесодержащих веществ и утилизации вод в непродуктивные горизонты недр. Для отмывки бурового шлама от нефти используют холодную или горячую воду или воду со специальными добавками. Данный метод применяется для быстрой очистки недавно образовавшегося загрязнения или очистки глубинных слоев бурового шлама от загрязнения нефти любой давности.

Физические методы используются для сбора небольших пятен нефти и доочистки буровых шламов, после отмывки бурового шлама от нефти основного ее количества, с помощью различных сорбентов. При необходимости после сбора основного количества нефти с помощью сорбентов проводится доочистка нефтезагрязненного бурового шлама с помощью биоразлагаемых сорбентов, которые не подлежать удалению и утилизации.

Одним из распространенных способов обезвреживания бурового шлама является физико-химический способ, в основе которого лежит процесс солидификации (отверждения)отхода. Обезвреживание шлама проводится путем смешения в определенных пропорциях с сорбентом и цементом. В результате такой обработки присутствующие в шламе органические вещества связываются введенными сорбентами. При этом катионы тяжелых металлов, содержащиеся в шламе, переходят в состав труднорастворимых гидроксидов. Последующее отверждение обезвреженных отходов, протекающее в результате процессов гидратации введенного в систему цемента, приводит к еще более прочному связыванию нейтрализованных токсичных соединений и предотвращению последующего их растворения при воздействии окружающей среды.

Биологический метод заключается во внесении биопрепаратов, содержащих микроорганизмы, под действием которых углеводороды нефти и нефтепродуктов окисляются до экологически нейтральных соединений. Биопрепарат может представлять собой сухую или растворенную форму в зависимости от типа препарата.

Выводы об эффективности обезвреживания буровых шламов:

образование обезвреженного отхода, который не может быть нигде применен;

отсутствие технической документации на процесс обезвреживания, разработанной и утвержденной в установленном законодательством Российской Федерации порядке;

высокая ресурсоемкость и стоимость;

образование вторичных отходов.

2.2 Выбор технологии

отход нефтегазовый опасность утилизация

Учитывая состав отхода, класс опасности, характер его получения, был выбран метод утилизации отхода - патент RU 2242493 " Способ утилизации отходов бурения ".

Изобретение относится к способам переработки и утилизации нефтяных отходов бурения и может найти применение в нефтедобывающей и нефтеперерабатывающей промышленности, а именно при строительстве дорог и обустройстве кустовых площадок. В основу предлагаемого изобретения положена задача создания способа утилизации отходов бурения, при котором обеспечивалось бы получение керамического заполнителя с высокой морозостойкостью, прочностью и водопоглощением, используемого при дорожном строительстве.

Технический результат достигается тем, что в известном способе утилизации отходов бурения, включающем перемешивание отходов бурения с суглинком и термическую обработку полученной сырьевой смеси, в качестве отходов бурения используют твердую фазу от разделения на жидкую и твердую фазы бурового шлама и отработанного бурового раствора при следующем соотношении компонентов, мас.%:

Указанная твердая фаза 30-40

Суглинок 40-70

термическую обработку осуществляют во вращающейся барабанной печи при температуре не более 1100°С, а перед указанной термообработкой осуществляют грануляцию сырьевой смеси.

При этом жидкую фазу используют повторно (многократно) для приготовления бурового раствора, т. е. возвращают в циркуляционную систему буровой установки.

Для термообработки смеси суглинка и отходов бурения используют попутный нефтяной газ. При термообработке происходит вспучивание гранул с последующим отверждением.

На выходе вращающейся печи из пылегазовой смеси выделяют пыль, которую дополнительно вводят в сырьевую смесь в количестве не более 5% от массы сырьевой смеси. Это позволяет уменьшить содержание влаги в приготовленной сырьевой смеси, обеспечить предварительный подогрев и увеличить выпуск керамического заполнителя.

Содержание воды в подготовленной сырьевой смеси не должно превышать 30%, что обеспечивает сохранность гранул и уменьшает энергозатраты.

Увеличение содержания твердой фазы в смеси более 60% приводит к уменьшению спучивания гранул при термической обработке, т.к. увеличивается содержание трудноплавких компонентов (кварц и полевой шпат), а уменьшение содержания твердой фазы в смеси меньше 30% экономически нецелесообразно. При этом твердая фаза содержит до 35% жидкости.

Термическую обработку (или предварительная сушка) гранул осуществляют при температуре 350-400°С, а окончательную термообработку (обжиг) - при температуре 1000-1100°С. Время термической обработки определяют экспериментально, и оно определяется числом оборотов вращающейся барабанной печи.

В результате заявленного способа присутствующие в нефтяных отходах твердой фазы органические вещества связываются с суглинком. Последующая термическая обработка приводит к еще более прочному связыванию токсичных соединений и предотвращению последующего их растворения при воздействии окружающей среды.

Смешение в заявленных пропорциях твердой фазы с суглинком, выбранная последовательность и режимы утилизации обеспечивают получение продукта, соответствующего стандартам строительных материалов, который может быть использован при дорожном строительстве и обустройстве кустовых площадок. Требуемые характеристики керамического заполнителя обеспечиваются заявляемым содержанием компонентов, температурным режимом обработки и последовательностью проведения операций.

Для этого используют стандартное оборудование: вибросита, гидроциклоны, двухступенчатые циклоны, центрифугу, глиномешалку, гранулятор, вращающуюся барабанную печь, т.е. оборудование, выпускаемое промышленностью серийно для получения керамзита.


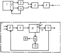
Схема реализации способа утилизации отходов бурения включает буровую установку 1, которая содержит циркуляционную систему 2 бурового раствора, соединенной через вибросито 3, центрифугу 4 с транспортером отходов 5 и контейнером 6. Установка термообработки 7 содержит смеситель 8, выход которого соединен через гранулятор 9 с вращающейся барабанной печью 10. Вращающаяся барабанная печь 10 содержит топку 11 с горелочными устройствами 12, выходы ее соединены с пылеуловителем 13 и через транспортер 14 с контейнером 15 для керамического заполнителя и вентилятор 16.

Схема работает следующим образом. В процессе бурения с выхода вибросито 3 и центрифуги 4 буровой шлам и отработанный буровой раствор при помощи транспортера 5 направляют в контейнер 6. После заполнения нескольких контейнеров их перевозят на установку по термообработке 7 отходов бурения. Сюда же доставляют и суглинок. Эти компоненты в требуемых пропорциях перемешивают в смесителе 8, после чего полученную сырьевую смесь подают на гранулятор 9, а затем из него - во вращающуюся барабанную печь 10. Одновременно с подачей гранул в печь на горелочные устройства 12 подают смесь нефтяного газа и воздуха, которую поджигают дистанционно. Горелочным устройством 12 обеспечивается требуемый температурный режим внутри печи: в зоне предварительной термообработки 350-400°С, а в зоне основной термообработки - 1000-1100°С. Время обжига определяют на основе практического опыта и регулируют числом оборотов вращающейся барабанной печи 10. Готовый продукт - керамический заполнитель поступает на металлический транспортер 14, где охлаждают воздухом при помощи вентилятора 16, а затем подают на контейнер 15. Так, на выходе вращающейся барабанной печи 10 пылегазовая смесь содержит пыль до 0,5% от массы смеси и ее выделяют с помощью двухступенчатого циклона-пылеуловителя 13. Пыль направляют на вход смесителя 8.

Таким образом, термообработка приготовленной в определенных пропорциях сырьевой смеси из суглинка и твердой фазы отходов бурения позволяет получить керамический заполнитель, который можно использовать при дорожном строительстве и обустройстве кустовых площадок. Кроме того, по сравнению с прототипом, в 2-3 раза уменьшаются удельные энергозатраты (за счет снижения температуры с 4000К (3727°С) до 1100°С) и увеличивается производительность установок утилизации отходов бурения. Это позволит использовать заявляемый способ при безамбарном способе бурения скважин.

Полученный керамический заполнитель соответствует требованиям, предъявляемым стандартами для строительных материалов и соответственно он может быть использован при дорожном строительстве и обустройстве кустовых площадок.

ЗАКЛЮЧЕНИЕ

Цели работы достигнуты: были рассмотрены методики определения класса опасности бурового отхода. Рассчитан класс опасности выбранного бурового отхода (3 класс опасности - умеренно опасные), по СП 2.1.7.1386-03 (2 класс опасности - высоко опасные). Также представлен паспорт опасности отхода, с указанием класса опасности отхода. Проведён анализ существующих технологий утилизации бурового шлама, с указанием недостатков и достоинств методов, и предложен конкретный способ утилизации отходов бурения.

СПИСОК ИСПОЛЬЗОВАННОЙ ЛИТЕРАТУРЫ

1.      СП 2.1.7.1386-03

.        Критерия отнесения опасных отходов к классу опасности для окружающей природной среды.

.        СГР серии ВТ №001078 с п.с.д. от 4 декабря 1996г.

.        СГР серии АТ-000196 от 06.01.1995 г.

.        СГР серии ВТ №000464 с п.с.д. от 05мая 1995г.

.        СГР серии АТ-002554 с п.с.д. от 3декабря 2003г.

.        СГР серии АТ-000435 12.04.1995 г.

.        Кувыкин Н.А., Бубнов А.Г., Гриневич В.И. Опасные промышленные отходы (лицензирование, нормативы образования и лимиты на размещение): Учебно-метод. пособие. Под общ. ред. Кострова В.В.. Иван. гос. хим.-технол. ун-т. -Иваново, 2004. - 148 с. ISBN

.        Федеральный классификационный каталог отходов

.        Единый Федеральный Реестр Сведений о фактах деятельности юридических лиц [http://www.fedresurs.ru/companies/2051595]

.        Патент RU 2242493

ПРИЛОЖЕНИЯ

УТВЕРЖДАЮ                                                          СОГЛАСОВАНО

Руководитель организации (индивидуальный предприниматель)


Руководитель территориального органа МПР России







(подпись)



(подпись)

«

21

»

мая

20

14

г. «

21

»

мая

20

14

г.


М. П.                                                              М. П.

ПАСПОРТ ОПАСНОГО ОТХОДА


Составлен на отход

34100000 00 00 0 Отходы при добыче нефти и газа


(код и наименование по федеральному классификационному каталогу отходов)

Твёрдое агрегатное состояние

(агрегатное состояние и физическая форма отхода: твёрдый, жидкий, пастообразный, шлам, гель, эмульсия, суспензия, сыпучий, гранулят, порошкообразный, пылеобразный, волокно, готовое изделие, потерявшее свои потребительские свойства, иное)


состоящий из

Диоксида кремния - 66,5%; Нефти - 24,68%; Ca(OН) - 26,5%;


Хлорида натрия - 1,52%; Оксида железа(Fe2O3) - 0,8%


(компонентный состав отхода в процентах)


образованный в результате

бурения скважин


(наименование технологического процесса, в результате которого


образовался отход, или процесса, в результате которого товар (продукция) утратил свои


потребительские свойства, с указанием наименования исходного товара)


имеющий класс опасности для окружающей природной среды

Третий

обладающий опасными свойствами

Токсичность


(токсичность, пожароопасность, взрывоопасность, высокая


реакционная способность, содержание возбудителей инфекционных болезней)


Дополнительные сведения



Ф. И. О. индивидуального предпринимателя или полное наименование юридического лица

Открытое акционерное общество «Ямал СПГ»


Сокращённое наименование юридического лица

ОАО «Ямал СПГ»


ИНН

7709602713/890901001


ОКАТО

71168917

ОКПО

76551334


ОКОНХ

84100

ОКВЭД

11.10.3

 


Адрес юридический

Российская Федерация, 629700, Ямало-Ненецкий автономный округ,


Ямальский район, с. Яр-Сале, улица Худи-Сэроко, дом 25, корп. А

Адрес почтовый

117420, г. Москва, ул. Наметкина, д.12А


Похожие работы на - Выбор метода утилизации отхода на основе расчета класса опасности

 

Не нашли материал для своей работы?
Поможем написать уникальную работу
Без плагиата!
Без нейросетей!