Технологические схемы и принцип работы газораспределительных станций разных видов
СОДЕРЖАНИЕ
ВВЕДЕНИЕ
Классификация газораспределительных станций
.1 Станции индивидуального проектирования
.2 Блочно-комплектные ГРС
.3 Автоматические ГРС
Технологические схемы и принцип работы
газораспределительных станций разных видов
.1 Технологическая схема и принцип работы ГРС индивидуального
проектирования
.2 Технологическая схема и принцип работы БК_ГРС
.3 Технологическая схема и принцип работы АГРС
Типовое оборудование на ГРС
.1 Арматура промышленная
.2 Регуляторы давления газа
.3 Фильтры газовые
.4 Предохранительные клапаны
.5 Устройства учета расхода газа
.6 Одоризаторы газа
.7 Подогреватели газа
ЗАКЛЮЧЕНИЕ
СПИСОК ИСПОЛЬЗОВАННЫХ ИСТОЧНИКОВ
ВВЕДЕНИЕ
В промышленности наряду с применением искусственных газов все более
широко используется природный газ. В нашей стране подача газа на значительные
расстояния осуществляется по магистральным газопроводам больших диаметров,
представляющих собой сложную систему сооружений.
Система доставки продукции газовых месторождений до потребителей
представляет собой единую технологическую цепочку. С месторождений газ
поступает через газосборный пункт по промысловому коллектору на установку
подготовки газа, где производят осушку газа, очистку от механических примесей,
углекислого газа и сероводорода. Далее газ поступает на головную компрессорную
станцию и в магистральный газопровод.
Газ из магистральных газопроводов поступает в городские, поселковые и
промышленные системы газоснабжения через газораспределительные станции, которые
являются конечными участками магистрального газопровода и являются как бы
границей между городскими и магистральными газопроводами.
Газораспределительная станция (ГРС) представляет собой совокупность
установок и технического оборудования, измерительных и вспомогательных систем
распределения газа и регулирования его давления. У каждой ГРС существует свое
назначение и функции. Основным назначением ГРС является снабжение газом
потребителей от магистральных и промысловых газопроводов. Основными
потребителями газа являются:
объекты газонефтяных месторождений (собственные нужды);
объекты компрессорных станций (собственные нужды);
объекты малых, средних и крупных населенных пунктов, городов;
электростанции;
промышленные предприятия.
Газораспределительная станция выполняет ряд определенных функций. Во-первых,
очищает газ от механических примесей и конденсата. Во-вторых, редуцирует газ до
заданного давления и поддерживает его с заданной точностью. В-третьих, измеряет
и регистрирует расход газа. Также на ГРС осуществляется одоризация газа перед
подачей потребителю и обеспечивается подача газа потребителю, минуя основные
блоки ГРС, в соответствии с требованием ГОСТ 5542-2014 [1].
Станция является сложным и ответственным энергетическим (технологическим)
объектом повышенной опасности. К технологическому оборудованию ГРС
предъявляются повышенные требования по надежности и безопасности
энергоснабжения потребителей газом, промышленной безопасности как
взрывопожароопасному промышленному объекту.
1
Классификация газораспределительных станций
В зависимости от производительности, исполнения, количества выходных
коллекторов газораспределительные станции условно делятся на три большие
группы: ГРС малой (1,0-50,0 тыс. м3/ч), средней (50,0-160,0 тыс. м3/ч) и
большой производительности (160,0-1000,0 тыс. м3/ч и более).
Также ГРС классифицируются по конструктивному признаку (рисунок 1). Они
делятся на такие виды: станции индивидуального проектирования,
блочно-комплектные ГРС (БК-ГРС) и автоматические ГРС (АГРС) [2].
Рисунок 1 - Классификация газораспределительных станций
.1 Станции индивидуального проектирования
Проектированием ГРС занимаются специализированные проектные организации в
соответствии с действующими нормами, правилами технологического проектирования
и разделами СНиП.
Станции индивидуального проектирование - это такие станции, которые
располагаются вблизи крупных населенных пунктов и в капитальных зданиях.
Преимуществом этих станций являются улучшение условий обслуживания
технологического оборудования и бытовых условий для обслуживающего персонала.
.2 Блочно-комплектные ГРС
БК-ГРС позволяют сильно сократить затраты и сроки на строительство.
Основной конструкцией ГРС является блок-бокс, выполненный из трехслойных
панелей заводского изготовления.
Наибольшая масса блок-бокса - 12 тонн. Степень огнестойкости - Ша.
Расчетная температура наружного воздуха - 40°C, для северного варианта - 45°C. Поставка всех элементов блочно-комплектной ГРС
осуществляется предприятием-изготовителем. На монтажной площадке блоки
соединяются газопроводами и кабелями, оснащаются вспомогательным оборудованием
(молниеотвод, продувочная свеча, прожекторы, охранная сигнализация и т.д.) и
оградой, образуя законченный комплекс [2].
БК-ГРС предназначены для газоснабжения городов, населенных пунктов и
промышленных предприятий от магистральных газопроводов с давлением газа 12-55
кгс/см2 и поддержания выходного давления 3, 6, 12 кгс/см2.
Блочно-комплектные ГРС могут быть с одной или двумя выходными линиями к
потребителям (рисунки 2 и 3). Известны БК-ГРС шести типоразмеров. С одним
выходом на потребителя три типоразмера - БК-ГРС-I-30, БК-ГРС-I-80, БК-ГРС-I-150. А также три типоразмера с двумя выходами на потребителя
- БК-ГРС-II-70, БК-ГРС-II-130 и БК-ГРС-II-160
[3].
Рисунок 2 - Структурная схема ГРС с одним потребителем
Рисунок 3 - Структурная схема ГРС с двумя потребителями
БК-ГРС всех типоразмеров применяют в России и странах СНГ, но все они на
монтажной площадке подвергаются реконструкции по индивидуальным проектам, так
как имеют существенные конструктивные недостатки в блоках очистки, обогрева,
редуцирования и учета газа.
.3 Автоматические ГРС
Автоматические ГРС содержат в основном те же технологические узлы, что и
ГРС индивидуального или блочно-комплектного вида. На монтажной площадке они так
же оснащаются вспомогательным оборудованием и оградой, как БК-ГРС. АГРС в
отличие от ГРС других типов работают по безлюдной технологии.
Данные станции предназначены для снижения высокого давления (55 кгс/см2)
природного, попутного нефтяного, искусственного газов, не содержащих
агрессивных примесей, до заданного низкого (3-12 кгс/см2), поддержания его с
заданной точностью ±10%, а также для подготовки газа перед подачей потребителю
в соответствии с требованиями ГОСТ 5542-2014[3,1].
Все АГРС предназначены для эксплуатации на открытом воздухе в районах с
сейсмичностью до 7 баллов по шкале Рихтера, с умеренным климатом, при
температуре окружающего воздуха от минус 40 до 50°C с относительной влажностью 95% при 35°C.
В процессе эксплуатации АГРС выявляются существенные конструктивные
недостатки, которые сводятся в своем большинстве к следующим:
выход из строя регуляторов давления газа вследствие выпадения конденсата
в процессе редуцирования газа в виде хлопьев льда и прихват ими клапана
регулятора;
выход из строя в зимнее время приборов КИП из-за низких температур в
блоках КИП и сигнализации, обогреваемых осветительными лампами.
Технологические схемы и принцип работы ГРС разных видов
.1 Технологическая схема и принцип работы ГРС индивидуального
проектирования
Существуют различные технологические схемы ГРС. Рассмотрим
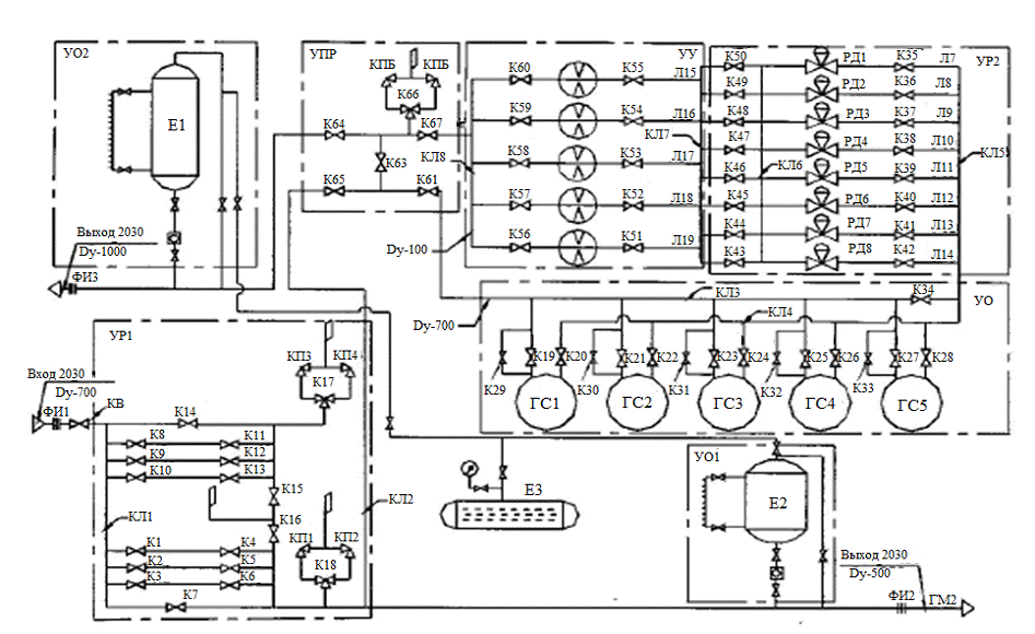
технологическую схему на примере ГРС-5 (рисунок 4)[2].
Газ из магистрального газопровода ГМ1 под давлением поступает через
изолирующий фланец ФИ1, входной кран КВ в узел редуцирования первой ступени
УР1. Узел редуцирования содержит входной КЛ1 и выходной КЛ2 коллекторы. Газ из
выходного коллектора поступает в рабочую нитку, состоящую из трех параллельно
подключенных линий Л1-Л3 с запорными кранами К1-К3 и задвижками К4-К6. С
помощью задвижек К4-К6 осуществляется ручное редуцирование газа под давлением 3
Мпа. Имеется также обводная линия с клапаном К7. В узле редуцирования
предусмотрена резервная нитка, имеющая одинаковое с рабочей ниткой оборудование:
линии Л4-Л6, запорные краны К8-К10, задвижки К11-К13 и обводной клапан К14. В
выходном коллекторе установлены основной К17 и резервный К18 трехходовые краны
с предохранительными клапанами КП1-КП4, которые обеспечивают защиту коллектора
от чрезмерного повышения давления.
Из выходного коллектора первой ступени редуцирования газ направляется
через одоризационную установку с рабочей емкостью Е1, изолирующий фланец ФИ2 в
магистральный газопровод ГМ2 и в узел редуцирования второй ступени УР2. Через
магистральный газопровод ГМ2 может осуществляться поставка газа крупному
потребителю, например, газоперерабатывающему заводу или наоборот, получение
газа с этого завода и его подача в узел редуцирования второй ступени.
В узел редуцирования второй ступени газ поступает через узел переключения
УПР, содержащий клапаны К61-К65, трехходовой кран К66 с предохранительными
клапанами КП5, КП6 и узел очистки УО, состоящий из входного КЛ3, выходного КЛ4
коллекторов, входных К19, К21, К23, К25, К27 кранов с обводными кранами К29-К33
меньшего условного диаметра, выходных кранов К20, К22, К24, К26, К28,
газосепараторов ГС1-ГС5 с сетчатыми насадками. Имеется также обводной кран К34
узла очистки. Входной КЛ5 и выходной КЛ6 коллекторы узла редуцирования
соединены линиями редуцирования Л7-Л14, оснащенные входными запорными кранами
К35-К42, регуляторами РД1РД8, выходными запорными кранами К43-К50. Для
редуцирования и поддержания постоянного давления газа на выходе в качестве
регуляторов РД1-РД8 использованы устройства типа РДУ и ЛОРД-150.
После выхода из узла редуцирования газ поступает во входной коллектор КЛ7
узла учета УУ, который соединен с выходным коллектором КЛ8 линиями измерения
расхода газа Л15-Л19.
Эти линии оснащены измерительными диафрагмами Д1-Д5, а также входными
К51-К55 и выходными К56-К60 запорными кранами. Из выходного коллектора КЛ8 газ,
проходя через краны К62, К64 узла переключения, одоризационную установку УО2 с
рабочей емкостью Е2 и изолирующий фланец ФИ3, поступает в распределительный
газопровод ГР. Рабочие емкости одоризационных установок периодически
пополняются из подземной емкости Е3 хранения одоранта.
Рисунок 4 - Технологическая схема ГРС-5. Индивидуальный проект
2.2 Технологическая схема и принцип работы БК_ГРС
В качестве примера рассмотрим технологическую схему блочно-комплектной
ГРС марки БК-ГРС-I-30 (рисунок 5)
[2].
ГРС работает следующим образом. Газ высокого давления поступает в блок
переключений БПР, состоящий из кранов К1, К2, на входном и выходном
газопроводах, обводной линии Л1 с клапанами К3, К4, трехходового крана К5,
предохранительных клапанов КП1, КП2, и линии сброса Л2 на свечу с краном К6 из
линии высокого давления. Из блока БПР газ направляется в блок очистки БОЧ,
состоящий из двух мультициклонных пылеуловителей МЦП1, МЦП2, запорных клапанов
К7-К10, обводной линии Л3 с клапаном К11. Клапаны К7-К11 позволяют отключать
один или два мультициклона для очистки и ремонтных работ, перепустив при этом
газ через один из мультициклонов или обводную линию Л3. Мультициклоны
предназначены для очистки газа от механических примесей и конденсата. Слив
конденсата из пылеуловителей автоматизирован с помощью регуляторов уровня и
клапанов с мембранным приводом.
Очищенный газ поступает в блок подогрева БПД. Подогрев газа осуществляется
огневым подогревателем типа ПГА-10.
Рисунок 5 - Технологическая схема ГРС марки БК-ГРС-I-30
Из блока редуцирования БР газ поступает в блок учета БУ (измерения
расхода) газа, состоящий из двух ниток Л7, Л8: рабочей и резервной. Расход газа
измеряется камерными диафрагмами Д1 и Д2 типа ДК-100 и регистрируется
дифманометрами-расходомерами ДР. Краны К17-К20 позволяют осуществлять
переключение рабочей и резервной линий Л7, Л8.
Газ после блока учета проходит через блок переключения и попадает в блок
одоризации БОД, где установлен универсальный одоризатор типа УОГ-1. Блок
содержит расходную РС1, подземную РС2 емкости, уровнемер У, смотровое окно СО и
вентили для управления работой блока.
После выхода из блока одоризации газ поступает в сеть к потребителям.
На входном и выходном газопроводах всех типоразмеров БК-ГРС
устанавливаются изолирующие фланцы ФИ1, ФИ2, препятствующие проникновению
блуждающих токов на оборудование станции.
Система аварийно-предупредительной сигнализации обеспечивает подачу
нерасшифрованного сигнала ДО и пульт диспетчера ЛПУ при нарушениях работы
станции.
2.3
Технологическая схема и принцип работы АГРС
В качестве примера рассмотрим технологическую схему автоматической ГРС
марки АГРС-10 (рисунок 6) [3].
АГРС-10 работает по следующей схеме. Газ высокого давления поступает в
блок переключения, состоящий из газопроводов, байпасной линии с двумя
вентилями, узла предохранительных клапанов с трехходовым краном, пробковых
кранов с ручным приводом и манометров. При подаче газа потребителю через
байпасную линию редуцирование газа осуществляется вручную, с помощью вентиля.
- кран входной ручной; 2 - подогреватель газа; 3 -кран с пневмоприводом;
4 - фильтр; 5 - регулятор давления газа; 6,12 - краны с ручным приводом; 7 -
блок учета; 8 - одоризатор газа; 9 - емкость для одоранта; 10 -
предохранительный клапан; 11 - трехходовой кран; 13 - шкафная газорегуляторная
установка; 14 - изолирующий фланец; 15 - обводная линия.
Рисунок 6 - Технологическая схема ГРС марки АГРС-10
Из блока переключения газ направляется в огневой подогреватель газа типа
ПГ-10. Подогретый газ поступает в узел очистки, где с помощью фильтров очищается
от механических примесей, а затем направляется в блок редуцирования. Все узлы
блока редуцирования, как и блока подогрева, расположены в металлическом шкафу с
тремя двустворчатыми дверями, которые обеспечивают свободный доступ ко всем
узлам и органам управления.
В блоке редуцирования находятся две редуцирующие нитки (рабочая и
резервная) с регулятором давления типа РДУ-50 краны пробковые как с ручным, так
и с пневматическим приводом, мультипликатор и узлы управления к ним, сбросной
клапан, щит с электроконтактными манометрами, щит автоматики и защиты,
фильтры-осушители для командного газа. Из блока редуцирования газ поступает в
узел учета газа камерными диафрагмами типа ДК-200, регистрируется расход газа
дифманоиетрами-расходомерами. Затем газ попадает в блок одоризации, где
установлен одоризатор типа УОГ-1.
АГРС оборудована системой дистанционной аварийной сигнализации для
контроля за работой основных узлов станции. Контроль за режимом блоков
осуществляется датчиками, связаными кабельными линиями с передающим блоком
дистанционной аварийной сигнализации, установленной в блоке КИП.
3
Типовое оборудование на ГРС
В состав газораспределительной станции входят:
узлы:
а) переключения станции;
б) очистки газа;
в) предотвращения гидратообразования;
г) редуцирования газа;
д) подогрева газа;
е) коммерческого измерения расхода газа;
ж) одоризации газа (при необходимости);
з) автономного энергопитания;
и) отбора газа на собственные нужды;
системы:
а) контроля и автоматики;
б) связи и телемеханики;
в) электроосвещения, молниезащиты, защиты от статического электричества;
г) электрохимзащиты;
д) отопления и вентиляции;
е) охранной сигнализации;
ж) контроля загазованности [4].
Узел переключения ГРС предназначен для переключения потока газа высокого
давления с автоматического на ручное регулирование давления по обводной линии,
а также для предотвращения повышения давления в линии подачи газа с помощью
предохранительной арматуры.
Узел очистки газа ГРС предназначен для предотвращения попадания
механических (твёрдых и жидких) примесей в технологическое и газорегуляторное
оборудование и средства контроля и автоматики.
Узел предотвращения гидратообразований предназначен для предотвращения
обмерзания арматуры и образования кристаллогидратов в газопроводных
коммуникациях и арматуре.
Узел редуцирования газа предназначен для снижения и автоматического
поддержания заданного давления подаваемого газа.
Узел учёта газа предназначен для учёта количества расхода газа с помощью
различных расходомеров и счётчиков.
Узел одоризации газа предназначен для добавления в газ веществ с резким
неприятным запахом (одорантов). Это позволяет своевременно обнаруживать утечки
газа по запаху без специального оборудования.
Данные узлы и системы состоят из оборудования, которое выполняет функции,
предназначенные для элементов, входящих в состав ГРС.
3.1 Арматура промышленная
Промышленная арматура - устройство, устанавливаемое на трубопроводах,
агрегатах, сосудах и предназначенное для управления (отключения, регулирования,
сброса, распределения, смешивания, фазораспределения) потоками рабочих сред
(газообразной, жидкой, газожидкостной, порошкообразной, суспензии и т.п.) путем
изменения площади проходного сечения.
Существует ряд государственных стандартов, регламентирующих требования,
предъявляемые к арматуре. В частности, основные параметры кранов необходимо
смотреть по ГОСТ 21345-2005 [5].
Промышленная арматура характеризуется двумя главными параметрами:
условным проходом (номинальным размером) и условным (номинальным) давлением.
Под условным проходом DN или
Ду понимают параметр, применяемый для трубопроводных систем в качестве
характеристики присоединяемых частей (ГОСТ 28338-89 [6]). Условное давление PN или Py - наибольшее избыточное давление при температуре рабочей
среды 20 °C, при котором обеспечивается заданный
срок службы соединений арматуры и трубопровода, имеющих определенные размеры,
обоснованные расчетом на прочность при выбранных материалах и характеристиках,
прочности их при температуре 20 °C. Значения и обозначения номинальных давлений
должны соответствовать указанным по ГОСТ 26349-84 [7,8].
Промышленную арматуру можно классифицировать по нескольким признакам.
Функциональное назначение (вид).
Запорная. Предназначена для полного перекрытия (или полного открытия)
потока рабочей среды в зависимости от требований технологического режима.
Регулирующая (редукционная). Предназначена для регулирования параметров
рабочей среды посредством изменения ее расхода. К ней относятся: регуляторы
давления (рисунок 7), регулирующие клапаны, регуляторы уровня жидкости, дросселирующая
арматура и т.п.
Предохранительная. Предназначена для автоматической защиты оборудования и
трубопроводов от недопустимого давления посредством сброса избытка рабочей
среды. Сюда относятся: предохранительные клапаны, импульсные предохранительные
устройства, мембранные разрывные устройства, перепускные клапаны.
Защитная. Предназначена для автоматической защиты оборудования и
трубопроводов от недопустимого или не предусмотренного технологическим
процессом изменения параметров или направления потока рабочей среды и для
отключения потока без сброса рабочей среды из технологической системы. Сюда
относятся обратные и отключающие клапаны.
Фазоразделительная. Предназначена для автоматического разделения рабочих
сред в зависимости от их фазы и состояния. Сюда относятся конденсатоотводчики,
маслоотделители, газоотделители, воздухоотделители.
Рисунок 7 - Устройство регулятора давления
Конструктивные типы.
Задвижки. Рабочий орган у них перемещается возвратно-поступательно перпендикулярно
потоку рабочей среды. Используется преимущественно в качестве запорной
арматуры.
Клапаны (вентили) (рисунок 8). Запорный или регулирующий рабочий орган у
них перемещается возвратно-поступательно параллельно оси потока рабочей среды.
Краны. Запорный или регулирующий рабочий орган у них имеет форму тела
вращения или его части, проворачивается вокруг своей оси, произвольно
расположенной по отношению к потоку рабочей среды.
Затворы. Запорный или регулирующий орган у них имеет, как правило, форму
диска и поворачивается вокруг оси, не являющейся его собственной.
Рисунок 8 - Вентиль (клапан) трехходовой
3.2 Регуляторы давления газа
Управление гидравлическим режимом работы системы газораспределения
осуществляется с помощью регуляторов давления. Регулятор давления газа (РД)
(рисунок 9) - это устройство для понижения (редуцирования) давления газа и
поддержания выходного давления в заданных пределах вне зависимости от изменения
входного давления и расхода газа, что достигается автоматическим изменением
степени открытия регулирующего органа регулятора, вследствие чего также
автоматически изменяется гидравлическое сопротивление проходящему потоку газа.
РД представляет собой совокупность следующих компонентов:
датчик, который осуществляет непрерывный мониторинг текущего значения
регулируемой величины и подает сигнал к регулирующему устройству;
задатчик, который вырабатывает сигнал заданного значения регулируемой
величины (требуемого выходного давления) и также передает его на регулирующее
устройство;
регулирующее устройство, которое осуществляет алгебраическое суммирование
текущего и заданного значений регулируемой величины, и попадает командный
сигнал к исполнительному механизму;
исполнительный механизм, который преобразует командный сигнал в
регулирующее воздействие, и в соответствующее перемещение регулирующего органа
за счет энергии рабочей среды.

Рисунок 9 - Регулятор давления газа РДБК1П
В связи с тем, что регулятор давления газа предназначен для поддержания
постоянного давления в заданной точке газовой сети, то всегда необходимо
рассматривать систему автоматического регулирования в целом - «регулятор и
объект регулирования (газовая сеть)» [8].
Правильный подбор регулятора давления должен обеспечивать устойчивость
системы «регулятор - газовая сеть», т.е. способность ее возвращаться к
первоначальному состоянию после прекращения возмущения.
В зависимости от поддерживаемого давления (расположения контролируемой
точки в газопроводе) РД делятся на регуляторы «до себя» и «после себя».
Исходя из положенного в основу работы закона регулирования, регуляторы
давления бывают астатические (отрабатывающие интегральный закон регулирования),
статические (отрабатывающие пропорциональный закон регулирования) и изодромные
(отрабатывающие пропорционально-интегральный закон регулирования).
В статистических РД величина изменения регулирующего отверстия прямо
пропорциональна изменению расхода газа в сети и обратно пропорциональна
изменению выходного давления. Примером статических РД являются регуляторы с
пружинным задатчиком выходного давления [8].
РД с интегральным законом регулирования в случае изменения расхода газа
создает колебательный режим, обусловленный самим процессом регулирования. При
изменении расхода газа разность между первоначальным и заданным значениями
выходного давления увеличивается до тех пор, пока количество газа, проходящее через
регулятор, меньше нового расхода и достигает своего максимума, когда эти
значения сравниваются. В этот момент скорость открытия регулирующего отверстия
максимальна. Но на этом регулирующий орган не останавливается, а продолжает
открывать отверстие, пропуская газа больше, чем требуется, и выходное давление,
соответственно тоже повышается. В результате этого получается ряд колебаний
около некого среднего значения, при котором постоянный режим (как в случае
статического регулятора) никогда не будет достигнута.
Представителями астатических регуляторов являются РД с пневматическим
задатчиком выходного давления, а характерным примером такого процесса можно
считать незатухающие автоколебания некоторых типов пилотных РД в определенных
переходных режимах работы.
Изодромный регулятор (с упругой обратной связью) при отклонении
регулируемого давления сначала переместит регулируемый орган на величину,
пропорциональную величине отклонения, но если при этом давление не придет к
заданному значению, то регулирующий орган будет перемещаться до тех пор, пока
давление не достигнет заданного значения. Подобный регулятор сочетает в себе
точность интегрального и быстродействие пропорционального регулирования.
Представителями изодромных РД являются «прямоточные» регуляторы [9].
3.3 Фильтры газовые
Фильтры газовые предназначены для очистки газа от пыли, ржавчины,
смолистых веществ и других твердых частиц. Качественная очистка газа повышает
герметичность запорных устройств и увеличивает межремонтное время эксплуатации
этих устройств за счет уменьшения износа уплотняющих поверхностей. При этом
уменьшается износ и повышается точность работы расходомеров (счетчиков и
измерительных диафрагм), особенно чувствительных к эрозии [8]. Верный выбор
фильтров и их квалифицированная эксплуатация являются одним из важнейших
мероприятий по обеспечению надежного и безопасного функционирования системы
газоснабжения.
По направлению движения газа через фильтрующий элемент все фильтры можно
поделить на прямоточные и поворотные, по конструктивному исполнению - на
линейные и угловые, по материалу корпуса и методу его изготовления - на
чугунные (или алюминиевые) литые и стальные сварные.
При разработке и выборе фильтров особенно важен фильтрующий материал,
который должен быть химически невосприимчив к газу, обеспечивать необходимую
степень очистки и не разрушаться под воздействием рабочей среды и в процессе
периодической очистки фильтра.
По тому, какой фильтрующий материал выбран для фильтра, они
подразделяются на сетчатые (рисунок 10) и волосяные (рисунок 11). В сетчатых
используют плетеную металлическую сетку, а в волосяных - кассеты, набитые
капроновой нитью (или прессованным конским волосом) и пропитанные висциновым
маслом.
1 - корпус; 2 - кассета; 3 - сетка; 5 - крышка.
Рисунок 10 - Фильтр сетчатый типа ФС
- корпус; 2 - отбойный лист; 3 - кассета; 4 - перфорированный лист; 5 -
фильтрующий элемент; 6 - крышка; 7 - штуцеры; 8 - фланец.
Рисунок 11 - Фильтр волосяной типа ФГ
Сетчатые фильтры, особенно двухслойные, отличаются повышенной тонкостью и
интенсивностью очистки. В процессе эксплуатации, по мере засорения сетки,
повышается тонкость фильтрования при одновременном уменьшении пропускной
способности фильтра. У волосяных фильтров, наоборот, в процессе эксплуатации
фильтрующая способность снижается за счет уноса частиц фильтрующего материала
потоком газа и при периодической очистке встряхиванием [9].
Для обеспечения достаточной степени очистки газа без уноса твердых частиц
и фильтрующего материала скорость газового потока лимитируется и
характеризуется максимально допустимым перепадом давления на сетке или кассете
фильтра.
Для сетчатых фильтров максимально допустимый перепад давления не должен
быть больше 5000 Па, для волосяных - 10000 Па. В фильтре до начала эксплуатации
или после очистки и промывки этот перепад должен быть для сетчатых фильтров
2000-2500 Па, а для волосяных - 4000-5000 Па. В конструкции фильтров есть
штуцеры для присоединения приборов, с помощью которых определяют величину
падения давления на фильтрующем элементе.
3.4 Предохранительные клапаны
Повышение или понижение давления газа после регулятора давления сверх
заданных пределов может привести к аварийной ситуации. При чрезмерном повышении
давления газа возможны отрыв пламени у горелок и появление в рабочем объеме
газоиспользующего оборудования взрывоопасной смеси, нарушение герметичности,
утечка газа в соединениях газопроводов и арматуры, выход из строя
контрольно-измерительных приборов и т. д. Значительное понижение давления газа
может привести к проскоку пламени в горелку или погасанию пламени, что при
неотключении подачи газа вызовет образование взрывоопасной газовоздушной смеси
в топках и газоходах агрегатов и в помещениях газифицированных зданий [8].
Общей причиной резкого снижения давления для любых сетей может быть
нарушение герметичности газопроводов и арматуры, а следовательно, утечка газа.
Для предотвращения недопустимого повышения или понижения давления
устанавливают быстродействующие предохранительные запорные клапаны (ПЗК)
(рисунок 12) и предохранительные сбросные клапаны (рисунок 13) (ПСК).
Корпус - 1; Переходной фланец - 2;Крышка - 3; Мембрана - 4; Большая
пружина - 5; Пробка - 6; Малая пружина - 7; Шток - 8; Клапан - 9; Направляющая
стойка - 10; Тарелка - 11; Вилка - 12; Поворотный вал - 13; Рычаг - 14;
Анкерный рычаг - 15; Коромысло - 16; Молоток - 17.
Рисунок 12 - Клапан запорный предохранительный
ПЗК предназначены для автоматического прекращения подачи газа к
потребителям в случае повышения или понижения давления сверх заданных пределов;
их устанавливают после регуляторов давления. ПЗК срабатывают при «чрезвычайных
ситуациях», поэтому самопроизвольное их включение недопустимо. До ручного
включения ПЗК необходимо обнаружить и устранить неисправности, а также
убедиться, что перед всеми газоиспользующими приборами и агрегатами запорные
устройства закрыты. Если по условиям производства перерыв в подаче газа
недопустим, то вместо ПЗК должна быть предусмотрена сигнализация оповещения
обслуживающего персонала.
ПСК предназначены для сброса в атмосферу определенного избыточного объема
газа из газопровода после регулятора давления с целью предотвращения повышения
давления сверх заданного значения; их устанавливают после регулятора давления
на отводном трубопроводе.
- корпус; 2 - крышка; 3 - клапан с направляющей; 4 - пружина; 5 - винт
регулировочный; 6 - мембрана; 7 - тарелка; 8 - тарелка пружины; 9 - крышка.
Рисунок 13 - Клапан сбросный предохранительный
При наличии расходомера (счетчика газа) ПСК необходимо устанавливать
после счетчика. После снижения контролируемого давления до заданного значения
ПСК должен герметично закрыться.
.5
Устройства учета расхода газа
Приборы учета самой высокой точности должны устанавливаться на ГРС.
Если объемы транспортировки газа превышают 200 млн. м3 в год, для
повышения надежности и достоверности измерений объема газа рекомендуется
применять дублирующие средства измерения (СИ). Дублирующие СИ не должны влиять
на работу основных СИ. Рекомендуется, чтобы основная и дублирующая
измерительные системы использовали разные методы измерений расхода и количества
газа.
На узлах измерения с максимальным объемным расходом газа более 100 м3/ч,
при любом избыточном давлении или диапазоне изменения объемного расхода от 16
м3/ч до 100 м3/ч, при избыточном давлении более 0,005МПа измерение объема газа
проводят только с использованием вычислителей или корректоров объема газа [8].
При избыточном давлении не более 0,005 МПа и объемном расходе не более
100 м3/ч разрешается использование преобразователей расхода с автоматической
коррекцией объема газа только по его температуре.
Состав СИ и вспомогательных устройств, на базе которых выполнен узел
учета газа, определяется:
применяемым методом измерения и требованиями методики измерений,
регламентирующих проведение измерений;
назначение узла учета;
заданным расходом газа и диапазоном его изменения;
давлением и показателями качества газа, с учетом режимов отбора газа;
необходимостью включения узлов учета в автоматизированные системы
коммерческого учета газа.
В общем случае в состав учета газа входят:
преобразователь расхода для измерения объема и расхода газа;
измерительные трубопроводы;
средства подготовки качества газа;
анализаторы качества газа;
комплекс технических средств автоматизации, в том числе - обработки,
хранения и передачи информации.
3.6 Одоризаторы газа
Одоризатор газа предназначен для дозированной подачи одоранта (смеси
природных меркаптанов) в поток газа на выходной линии газораспределительной
станции с рабочим давлением до 1,2 МПа (12 кгс/см2), с целью придания газу
характерного запаха [10].
Одоризатор газа используется в составе ГРС и обеспечивает:
дозированную подачу одоранта в трубопровод;
контроль вводимой дозы одоранта и автоматическую коррекцию расхода
одоранта в зависимости от текущего расхода газа;
автоматический учет суммарного расхода одоранта;
отображение следующей информации на экране дисплея блока управления
одоризатором (БУО):
а) уровень одоранта в рабочей емкости;
б) текущее значение часового расхода газа, полученное от расходомера;
в) время наработки одоризатора;
г) накопленное суммарное значение расхода одоранта с момента запуска
ОДДК;
д) аварийные и предупредительные сигналы.
связь с различными системами верхнего уровня по согласованному протоколу.
Одоризаторы предназначены для эксплуатации на открытом воздухе в районах
с сейсмичностью до 9 баллов с умеренным и холодным климатом в условиях,
нормированных для исполнения УХЛ, категории размещения 1 по ГОСТ 15150-69 [11].
Место размещения блока управления одоризатором определяется проектом привязки
ОДДК или ГРС во взрывобезопасной зоне, в обогреваемом помещении.
3.7 Подогреватели газа
Подогреватели газа предназначены для нагрева и автоматического
поддержания заданной температуры газа перед его дросселированием на
газораспределительных станциях. Подогрев газа производится в целях обеспечения
надежности работы технологического оборудования. Рабочая среда: газообразные
среды, не содержащие агрессивных примесей.
Тепловая мощность выпускающихся Российскими предприятиями подогревателей
превышает реальные потребности ГРС. В результате - 75% подогревателей работают
с нагрузкой менее 50%, 51% с нагрузкой менее 30%, 15% с нагрузкой менее 10%. Из
более 150 модификаций подогревателей газа прямого нагрева и с промежуточным
теплоносителем, выпускаемых отечественной промышленностью, по тепловой мощности
удовлетворяют подогреватели газа прямого нагрева ПГА-5, ПГА-10, ПГА-100 [12].
Основным преимуществом подогревателей ПГА в том, что подогрев газа
осуществляется через промежуточный теплоноситель, в роли которого может
использоваться диэтиленгликоль или охлаждающая жидкость. Благодаря этому
подогреватели ПГА имеют более высокую надёжность и безопасность эксплуатации по
сравнению подогревателями, осуществляющими нагрев топливного газа
непосредственно газом [9].
Основными достоинствами подогревателей ПГА является их высокая надежность
и безопасность.
ЗАКЛЮЧЕНИЕ
Газораспределительная станция (ГРС) является основным объектом в системе
магистральных газопроводов, функцией которой является понижение давления газа в
трубопроводе и его подготовка для потребителя. Современные ГРС - сложные,
высокоавтоматизированные и энергоемкие объекты. Эксплуатация газопроводов может
происходить при различных режимах, смена которых происходит при изменении
вариантов включения в работу агрегатов. При этом возникает задача выбора
наиболее целесообразных режимов, соответствующих оптимальной загрузке
газопровода.
С развитием электронной вычислительной техники стало возможным
автоматизированное управление ГРС. В настоящее время на объектах ГРС широко
используются как отечественные системы автоматизации, так и зарубежные
контрольно-измерительные приборы, системы автоматики и телемеханики.
Территория газораспределительной станции должна быть ограждена и оснащена
охранной сигнализацией. Газораспределительная станция должна размещаться за
пределами перспективной застройки населенного пункта согласно строительным
нормам.
Обслуживание газораспределительной станции должно проводиться на
основании «Правил технической эксплуатации газораспределительных станций
магистральных газопроводов» [13].
В
большинстве случаев, ГРС были построены в середине 1970-х
<https://ru.wikipedia.org/wiki/1970-%D0%B5> годов. В целом, срок
эксплуатации российской газотранспортной системы приближается к полувеку: 14 %
газопроводов отработали более 33 лет и требуют немедленной замены, еще 20 %
приближаются к этому возрасту, 37 % построены 10-20 лет назад и еще 29 % моложе
10 лет [14].
СПИСОК
ИСПОЛЬЗОВАННЫХ ИСТОЧНИКОВ
газораспределительный
станция оборудование
1. ГОСТ 5542-2014. Газы горючие природные для промышленного и
коммунально-бытового назначения. - М.: 2015. - 12с.
. Кантюков Р.А. Компрессорные и газораспределительные
станции. /Р.А. Кантюков, В.А. Максимов, М.Б. Хадиев - Казань: КГУ им. В.И.
Ульянова-Ленина, 2005. - 204с.
. Данилов А.А. Газораспределительные станции. /Данилов А.А.,
Петров А.И. - СПб.: Недра, 1997. - 240с.
. Гольянов А.И. Газовые сети и газохранилища: Учебник для
вузов. /А.И. Гольянов - Уфа: ООО «Издательство научно-технической литературы
«Монография»», 2004. - 303с.
. ГОСТ 21345-2005. Краны шаровые, конусные и цилиндрические
на номинальное давление не более PN 250. Общие технические условия. - М.: 2008.
- 16.
. ГОСТ 28338-89. Соединения трубопроводов и арматура. Проходы
условные (размеры номинальные). Ряды. - М.: 2005. - 4с.
. ГОСТ 26349-84. Соединения трубопроводов и арматура.
Давления номинальные (условные). Ряды. - М.: 1996. - 5с.
. Справочник. Промышленное газовое оборудование. Издание 6-е,
переработанное и дополненное. /Под ред. Е.А. Карякина - Саратов:
Научно-исследовательский центр промышленного газового оборудования «Газовик»,
2013. - 1280с.
9. Сайт. Промышленное газовое
оборудование. Компания «Газовик» [Электронный ресурс] - Режим доступа:
<http://gazovik-gaz.ru>
. Сайт. Назначение, область
применения и условия эксплуатации одоризатора [Электронный ресурс] - Режим
доступа: <http://odorizator.ru>
. ГОСТ 15151-69. Машины,
приборы и другие технические изделия. Исполнения для различных климатических
районов. Категории, условия эксплуатации, хранения и транспортирования в части
воздействия климатических факторов внешней среды. - М.: 2008. - 72с.
. ООО Фирма «СГПА».
Современное оборудование для газораспределительных станций. Подогреватель газа
с промежуточным теплоносителем ПГПТ-3. //Сфера нефтегаз. - 2010. - №3. - с.
48-49.
. Правила технической
эксплуатации газораспределительных станций магистральных газопроводов. М.: -
Недра, 1982.
. Сайт. Экспертиза
промышленной безопасности и техническое диагностирование газораспределительных
станций [Электронный ресурс] - Режим доступа:
<http://www.strategnk.ru/section/130>