Алкилирование фенола тримерами пропилена (производительность 125000 т. в год алкил фенола)

  • Вид работы:
    Дипломная (ВКР)
  • Предмет:
    Химия
  • Язык:
    Русский
    ,
    Формат файла:
    MS Word
    270,46 Кб
  • Опубликовано:
    2016-04-14
Вы можете узнать стоимость помощи в написании студенческой работы.
Помощь в написании работы, которую точно примут!

Алкилирование фенола тримерами пропилена (производительность 125000 т. в год алкил фенола)

Министерство образования и науки РФ

Нижнекамский нефтехимический университет

Специальность 240503 группа 1711-з










ВЫПУСКНАЯ КВАЛИФИКАЦИОННАЯ РАБОТА

Тема: Алкилирование фенола тримерами пропилена (производительность 125000 т. в год алкил фенола)


Выполнил

Проверил






2015

Содержание

Введение

. Технологическая часть

.1 Теоретические основы принятого метода производства

.2 Характеристика сырья материалов и готового продукта

.3 Описание технологической схемы

.4 Устройство и принцип действия основного аппарата

.5 Аналитический контроль производства

1.6 Автоматизация производства

.6.1 Описание контура регулирования расхода сырья

.6.2 Спецификация средств КИП и А

1.7 Охрана труда и безопасность производства

.8 Промышленная экология очистки сточных вод в производстве неонолов

. Расчётная часть

.1 Материальный баланс производства

.2 Расчет основного аппарата

.2.1 Технологический расчет основного аппарата

.2.2 Тепловой расчет аппарата

Литература

Введение

Актуальность темы настоящей выпускной квалификационной работы «Алкилирование фенола тримерами пропилена» обусловлена тем, что к настоящему времени внешнеторговый оборот России значительно опережает по темпам роста увеличение выпуска промышленной продукции. В целом это прогрессивная тенденция, проявляющаяся в большинстве развитых стран мира в конкурентной борьбе на мировом рынке. В ходе этой торговли осуществляется также интенсивный обмен научно-техническими достижениями отдельных стран.

Состояние химической, нефтехимической промышленности во многом зависят от общероссийского экспорта. ОАО «НКНХ» занимает лидирующее положение среди российских производителей и экспортеров нефтехимической продукции. Практически вся выпускаемая в ОАО «НКНХ» продукция пользуется широким спросом на внешнем рынке, многократно превышающим по емкости внутренний рынок.

Цель работы: алкилирование фенола тримерами пропилена.

Исходя из поставленной цели, выделяются следующие задачи данной работы:

.Рассмотреть теоретические основы метода производства алкилирования фенола.

.Произвести расчёты в производстве фенола.

Структуру работы составляют введение, две главы, заключение и список использованной литературы.

1. Технологическая часть

.1 Теоретические основы принятого метода производства

Алкилированием называют процессы введения алкильных групп в молекулы органических веществ.

Реакция алкилирования фенола олефинами является источником получения алкилфенола.

Данный метод является высокотемпературным, он протекает при следующих условиях:

температура ≈ 85 - 125оС

давление 0,4МПа

катализатор Леватит-SRC-108/4 ВС.

Олефины имеют первостепенное значение в качестве алкилирующих агентов. Алкилирование олефинами протекает по ионному механизму через образование карбокатионов и катализируется протонными и апротонными кислотами. Реакционная способность олефинов определяется их склонностью к образованию карбокатионов:

RCH = CH2 + H+ ↔ RC+H - CH3.

Это означает, что удлинение и разветвление цепи углеродных атомов в олефине значительно повышает его способность к алкилированию:

CH2 = CH2 < CH3 - CH = CH2 < CH3 - CH2 - CH = CH2 < (CH3)2C = CH2

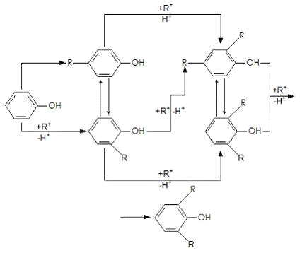
Алкилирование протекает последовательно с образованием моно-, ди-, и триалкилфенолов, но одновременно происходит катализируемая кислотами перегруппировка с миграцией орто-алкильных групп с образованием пара-изомеров, которые в данном случае являются наиболее стабильными. Таким образом, схема превращений следующая:


Алкилирование фенола олефинами сопровождается побочными реакциями полимеризации олефинов и деструкция алкильных групп. При целевом направлении алкилирования эти побочные процессы нежелательны.

Реакцию алкилирования проводят в адиабатическом реакторе. Продукты реакции после алкилирования подвергают ректификации. Степень превращения тримеров пропилена составляет 98,5 %.

Соотношение фенола к тримерам пропилена - 4:1.

Проведение процесса алкилирования фенола тримерами пропилена предусматривается в реакторе с аксиальным вводом сырья.

Управление технологическим процессом производства осуществляется при помощи автоматизированной системы управления с применением ЭВМ и APACS+.

Обогрев технологических трубопроводов предусматривается теплофикационной водой с температурой 150оС. /2.245./

.2 Характеристика сырья материалов и готового продукта

 

Таблица 1. Характеристика исходного сырья и получаемого продукта

Наименование сырья, материалов, реагентов, катализаторов, полуфабрикатов, изготовляемой продукции

Номер государственного или отраслевого стандарта, технических условий, стандарта предприятия

Показатели качества, обязательные для проверки

Норма по ГОСТу, ОСТу или стандарту предприятия

Назначение, область применения

1

2

3

4

5

Фенол марки “Б”

ГОСТ23 51979

1. Внешний вид 2. Температура кристаллизации, оС не ниже 3. Массовая доля нелетучего остатка, % не более 4. Оптическая плотность водного раствора фенола (0,8 г марки Б в 100 см3 (воды) при 20оС, не более 5. Оптическая плотность сульфированного фенола, не более 6. Цветность расплава фенола по платиновокобальтовой шкале, не более

Белая жидкость 40,6 0,008 0,03 не нормируется

Используется для синтеза алкилфенола

Тримеры пропилена

ТУ2211031 0576680195

1.Внешний вид

прозрачная бесцветная жидкость безмеханических примесей и нерастворимой влаги

Используется для синтеза алкилфенола



2. Массовая доля тримеров пропилена, % не менее 3. Массовая доля олефинов С8 и ниже, % не более 4. Массовая доля олефинов С10 и выше, % не более 5. Массовая доля влаги, % не более 6. Бромное число, мг. брома на 100 г. продукта, не ниже 7. Малеиновое число мг. малеинового ангидрида на 1г. продукта, не более 8.Массовая доля парафинов, %, не более 9.Массовая доля перекисных соединений, %, не более 10.Массовая доля ионола, %. в пределах

95,0 2,0 3,0 0,02 120 2,0 1,0 0,0005 0,01 0,02


Натр едкий технический марки РР

ГОСТ 226379

1. Внешний вид 2. Массовая доля гидроксида натрия, %, не менее

Бесцветная прозрачная жидкость 42,0

Для нейтрализации кислой среды алкилата

Натр едкий технический марки РР

ГОСТ 226379

1. Внешний вид 2. Массовая доля гидроксида натрия, %, не менее 3. Массовая доля углекислого натрия, %, не более 4. Массовая доля хлористого натрия, %, не более 5. Массовая доля железа в пересчете на Fe2О3, %, не более 6. Сумма массовых долей окислов железа, алюминия, %, не более сульфата натрия, %, не более

Бесцветная прозрачная жидкость 42,0 0,5 0,05 0,0015 0,02 0,008

Для нейтрализации кислой среды алкилата

Азот газообразный и жидкий повышенной чистоты, 2й сорт

ГОСТ 929374

1. Объёмная доля азота, %, не менее 2. Объёмная доля кислорода, %, не более Объёмная доля водяного пара в газообразном азоте, %, не более

99,95 0,05 0,004

Применяется при подготовке оборудования к ремонту и для опрессовки систем, для осушки отработанного катализатора

Моноалкилфенолы

ТУ 38. 602 09 20 91

1.Внешний вид 2. Цветность, единицы йодной шкалы, не более 3. Массовая доля моноалкилфенолов, %, не менее 4. Массовая доля диалкилфенолов, %, не более 5. Массовая доля фенола, %, не более 6. Массовая доля воды, %, не более 7. Температура вспышки в открытом тигле, оС, не ниже

Маслянистая прозрачная жидкость 10 98,0 1,0 0,1 0,05 142

Применяются в производстве оксиэтилированных моноалкилфенолов (неонолов), присадок к смазочным маслам, смол типа «Октофор»


Фенол (оксибензол, карболовая кислота) С6Н5ОН - это белое кристаллическое вещество со специфическим «дегтярным» запахом с температурой плавления 40,9 оС , температурой кипения 181,75 оС и плотностью 1057,6 кг/м3. Растворим в воде, образуя с ней азеотропную смесь с температурой кипения 99,6 оС. Хорошо растворим в этаноле, диэтиловом эфире, бензоле ацетоне, хлороформе. Обладает слабо кислыми свойствами и растворяется в водных растворах щелочей с образованием соответствующих фенолятов. Легко окисляется кислородом воздуха, образуя продукты окисления, окрашивающие его в розовый, а затем в бурый цвет. В виде паров, пыли и растворов

токсичен. При попадании на кожу фенол вызывает ожоги, в парах раздражает слизистые оболочки глаз и дыхательных путей.

Фенол относится к числу многотоннажных продуктов основного органического синтеза. Мировое производство его составляет около 5 млн. т. Около половины производимого фенола используется при получении фенолформальдегидных полимеров. Также фенол потребляется в производствах дифенилопропана, капролактама, алкилфенолов, адипиновой кислоты и различных пластификаторов.

Тримеры пропилена С9Н18 - это прозрачная бесцветная жидкость с температурой вспышки 21 оС, температурой кипения 125 оС и плотностью 749 кг/м3. Труднорастворимы в воде.

Моноалкилфенол - маслянистая прозрачная жидкость с температурой кипения 250оС

Температурой вспышки 112оС и плотностью 944 кг/м3. Не растворяется в воде. Моноалкилфенолы с алкильной группой из 5-8 атомов углерода являются сильными бактерицидными средствами, а при удлинении до 8-12 атомов углерода оказываются ценными промежуточными продуктами для синтеза неионогенных поверхностно-активных веществ путем их оксоэтилирования:


Важнейшей областью применения алкилфенолов и продуктов их дальнейшего превращения является производство стабилизаторов полимеров и масел против термоокислительной деструкции, развивающейся при эксплуатации этих материалов, особенно при повышенной температуре. /3.750./

.3 Описание технологической схемы

Процесс алкилирования фенола тримерами пропилена или олефинами проводится в жидкой фазе в двух последовательно включенных реакторах с образовании рекционноспособного катиона. Катализатор в общем случае присоединяется к тримеру или протонирует его. Алкилирующим агентом может быть и комплекс катализатора и тримера.

Основная реакция образования моноалкилфенола (МАФ) может быть следующая:неподвижным слоем катализатора. Роль катализатора алкилирования заключается

С6Н6О + С9Н18 ® С15Н24О

Побочная реакция образования диалкилфенола (ДАФ):

С15Н24О + С9Н18 ® С24Н42О

Реакция алкилирования при средней температуре 110оС протекает с выделением тепла 14,82 ккал/моль тримеров пропилена.

При принятых для процесса условиях образуется на 1 моль моноалкилфенола 0,083 моля диалкилфенола.

Образование побочных высокоалкилированных фенолов зависит от ряда факторов, например, от температуры, соотношения фенола и олефина, времени пребывания алкилата в зоне реакции и т.п.

Реакционная масса (алкилат) после реакторов алкилирования в среднем содержит:

0,60 % масс. - тримеров пропилена, парафинов;

32,65 % масс. - фенола;

58,60 % масс. - алкилфенолов

7,65 % масс. - диалкилфенолов и других.

Реакция алкилирования фенола тримерами пропилена происходит в адиабатическом реакторе при давлении 0,4 МПа (4 бар) и температуре от 80оС до 125о С.

Повышение температуры в реакторе происходит за счет выделения тепла при экзотермической реакции. Конечная температура обусловлена работоспособностью катализатора, который теряет свою активность при 170 оС. Скорость движения жидкости относительно свободного сечения реактора 0,7 см/сек, время пребывания 15 минут. Активность катализатора в процессе работы снижается и после 12 - 13ти месяцев работы требуется замена катализатора. Повышение температуры в реакторах оказывает существенное влияние на работоспособность катализатора, поэтому работа на свежем катализаторе требует более мягкого температурного режима алкилирования. Температура низа реактора выдерживается 70-800С.

При низких нагрузках во второй по ходу реактор реакционная смесь подаётся с начальной температурой 60-800С. Мольное соотношение фенол: тримеры пропилена выдерживается не менее 2:1. Это достигается регулированием расхода основных потоков - фенола и тримеров пропилена или олефинов - в смеситель поз. С-1.

Расход фенола в смеситель поз. С-1 выдерживается регулятором расхода поз.6-6, установленного на линии подачи

фенола, а тримеров пропилена регулятором расхода поз.5-6. После перемешивания в смесителе поз. С-1 реакционная смесь поступает в межтрубное пространство холодильника поз. Т-1, где охлаждается вторичной охлаждающей водой до температуры 80оС. Обратная охлаждающая вода из холодильника поз. Т-1 поступает в цеховой коллектор обратной воды.

Из холодильника поз. Т-1 реакционная смесь поступает на алкилирование в первый реактор поз. Р-1а снизу по ходу процесса, алкилат поступает через промежуточный холодильник поз. Т-2, где охлаждается вторичной охлаждающей водой, в нижнюю часть второго по ходу процесса реактора поз. Р-1б.

Температура верха первого по ходу процесса реактора выдерживается автоматически регулятором температуры поз.11-7 за счет охлаждения реакционной смеси в холодильнике поз. Т-1 вторичной охлаждающей водой, при помощи регулирующего клапана поз. 11-12, который установлен на линии сброса вторичной охлаждающей воды из холодильника поз. Т-1.

Температура верха второго по ходу процесса реактора выдерживается автоматически регулятором температуры поз. 14-5 за счет охлаждения алкилата в холодильнике поз. Т-2 вторичной охлаждающей водой, регулирующий клапан которого поз. 14-11 установлен на линии сброса вторичной охлаждающей воды из холодильника поз. Т-2.

Во избежание разгерметизации реакторов в случае завышения давления в них, установлены спаренные предохранительные клапаны.

В связи с тем, что алкилат имеет кислую среду, для предотвращения коррозии оборудования цеха, алкилат из второго по ходу процесса реактора поз. Р-1б поступает в

смеситель поз. С-2 для нейтрализации. Основная нейтрализация алкилата производится 20 - 42 % раствором едкого натра после включения в работу нового реактора со свежим катализатором до рН=6,5 - 7,0. Дальнейшее поддержание рН=6,5-7,0 производится тримерами пропилена рН=7,0. Смеситель внутри снабжен направляющими пластинами, за счет которых происходит смешивание потоков.

Из емкости поз. Е-2 в смеситель поз. С-2 щелочь по мере необходимости подается плунжерным насосом поз. Н-2а,б. Дозировка щелочи в алкилат производится в зависимости от кислотности алкилата.

Из смесителя поз. С-2 нейтрализованный алкилат поступает в емкость поз. Е-3, при этом часть его постоянно отводится в анализаторную на хроматограф.

Алкилат в емкости поз. Е-3 хранится под азотной “подушкой” при постоянном давлении, которое выдерживается автоматически регулятором давления поз. 18-5.

.4 Устройство и принцип действия основного аппарата

алкилирование фенол пропилен

Основным аппаратом для проведения процесса алкилирования является реактор поз. Р-1 а, б, предназначенный для алкилирования фенола тримерами пропилена.

Аппарат представляет собой вертикальный цилиндрический сосуд поз. 1 с верхней поз. 3 и нижней поз. 2 крышками, выполненные из нержавеющей стали. Цилиндрическая часть соединена с крышкой и днищем шпильками. Фланцевые соединения выполнены по типу «шип - паз». Между цилиндрической частью и днищем расположена решетка поз. 4, предназначенная для удерживания слоя катализатора. Решетка представляет собой продольные и поперечные металлические пластины, обтянутые сеткой с мелкой ячейкой на свету 0,25х0,25мм, которая исключает провал катализатора. Катализатор внутри аппарата расположен по насыпному методу. Реакционная смесь проходит через слой катализатора, где происходит реакция алкилирования на активных центрах катализатора. Алкилат выходит из реактора через фильтр поз. 5, встроенный в центр штуцера поз. З. Фильтр представляет собой цилиндр с множеством отверстий, обтянутый металлической сеткой с мелкой ячейкой на свету 0,25х0,25мм.


Сбоку нижней крышки врезан штуцер поз. А для входа реакционной смеси, выход прореагировавшей смеси осуществляется через штуцер поз. Б, врезанный в верхнюю крышку. Загрузка катализатора происходит через штуцер поз. В, установленный в крышке реактора под углом к основной оси аппарата, выгрузка происходит штуцер поз. Ж, расположенного внизу цилиндрической части аппарата, который также можно использовать в качестве люка для монтажа и осмотра внутренних устройств. В нижней точке аппарата врезан штуцер поз. Д, предназначенный для опорожнения реактора от продукта перед выгрузкой катализатора и ремонтом аппарата.

Снаружи к цилиндрической части приварена опора, состоящая из юбки и десяти лап. Технические характеристики:

1.     Емкость 10,3 м3

2.     Среда в аппарате токсичная, взрывоопасная

3.      Рабочее давление 0,4 МПа

.        Рабочая температура 95 0С

.        Основной материал Сталь Х18Н10Т

.        Масса аппарата 5030 кг

.        Габаритные размеры:

а) высота 9550 мм

б) диаметр 1200 мм

/4.86/

.5 Аналитический контроль производства

ГОСТ 14870-77 Измерение концентрации влаги методом Фишера

Метод заключается в растворении или диспергировании пробы в соответствующем растворителе и титровании реактивом Карла Фишера, который представляет собой смесь йода, диоксида серы, пиридина и метанола. В присутствии воды йод взаимодействует с сернистым ангидридом с образованием бесцветной йодисто-водородной кислоты и серного ангидридом в соответствии со следующим уравнением реакции:

С5Н5 · I2 + С5Н5N · SO2 + С5Н5N + H2O + CH3OH

С5Н5N · HI + С5Н5N · HSO4 CH3

За конечную точку титрования принимают момент появления свободного йода, определяемый электрометрически или визуально.

Этим методом определяется гидроскопическая, кристаллизационная, сорбированная вода.

Хроматографический метод № 307-007-92

Метод основан на хроматографическом разделении компонентов смеси с последующей их регистрацией на выходе из хроматографической колонки детектором по теплопроводности.

Хроматографический метод ТУ 2211-031 05766801

Метод основан на разделении компонентов анализируемой пробы на хроматографической колонке с последующей их регистрацией системой, связанной с пламенно-ионизационным детектором.

Потенциометрический метод № 8 Измерение водородного показателя ( pH )

Методика предназначена для измерения pH водного конденсата, сточных и производственных вод. Метод измерений Величина pH соответствует отрицательному десятичному логарифму активности ионов водорода в растворе pH=-lg ан. Водородный показатель является мерой кислотности или щелочности раствора.

Таблица 2.18 Определение среды водных растворов

Концентрация иона

Кислая среда

Нейтральная среда

Щелочная среда

[H+], г-ион/дм3

>10-7

10-7

<10-7

[OH-], г-ион/дм3

<10-7

10-7

>10-7

H

<7

7

>7


ГОСТ 4333 - 87

Сущность метода заключается в нагревании пробы нефтепродукта в открытом тигле с установленной скоростью до тех пор пока не произойдет вспышка паров (температура вспышки) нефтепродукта над его поверхностью от зажигательного устройства и пока при дальнейшем нагревании не произойдет загорание продукта (температура воспламенении) с продолжительностью горения не мене 5 секунд.

ГОСТ 14871 - 76

Цветность является условно принятой количественной характеристикой для жидких химических реактивов и их растворов, имеющих незначительную окраску.

Метод основан на определении цветности, путем визуального сравнения с цветовой шкалой.

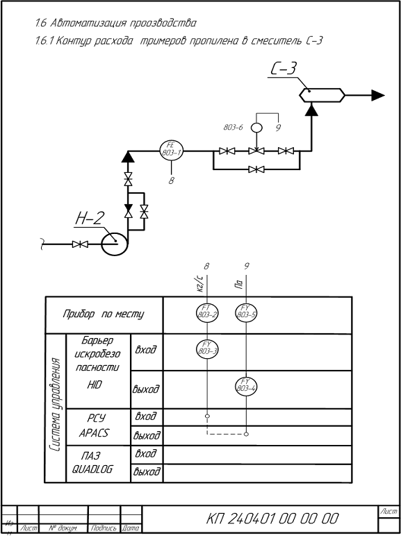
.6 Автоматизация производства

.6.1 Описание контура регулирования расхода сырья

803-1 - диафрагма ДК 25- 100

-2 - датчик избыточного давления Метран-100 ДД-2430

-3 - барьер искробезопасности HID 2029

-4 - барьер искробезопасности HID 2037

-5 - электропневматический позиционер ЭПП-Ex

-6 - односедельный регулирующий клапан - тип НЗ РК201нж

Описание контура регулирования расхода флегмы в Кт-2

Перепад давления от диафрагмы (поз. 803-1) поступает на датчик избыточного давления с встроенным микропроцессором Метран-100 ДД-2430 (поз.803-2). Нормированный электрический сигнал в 4 - 20 мА с датчика через барьер искробезопасности HID 2029 (поз. 803-3) подается в контроллер, где он регистрируется, сравнивается с ранее заданным значением. При наличии отклонений измеряемого параметра от заданного значения система APACS вырабатывает управляющее воздействие на

односедельный регулирующий клапан - тип НЗ РК201нж (поз. 803-6) через барьер искробезопасности HID 2037 (поз. 803-4) и через электропневматический позиционер ЭПП-Ex (поз. 803-5) до тех пор, пока рассогласование не станет равным нулю.

Рисунок 1. Контур расхода тримеров пропилена в смеситель С-3

.6.2 Спецификация средств КИПиА

Таблица - Спецификация средств КИПиА

Номер позиции

Наименование параметра

Место установки прибора

Контролируемая среда

Наименование и характеристика прибора

Модель прибора

Количество (шт)








600-1

Контроль давления в трубопроводе тримеров пропилена

На трубопроводе

тримеры пропилена

 Интеллектуальный датчик давления серии Метран-100-Ди-Еx предназначен для измерения и непрерывного преобразования в унифицированный аналоговый токовый сигнал 4-20 мА и/или цифровой сигнал на базе интерфейса RS485 выходной сигнал избыточного давления

Метран - 100-Ех- ДИ- 3141-МП

 1

600-2

То же

Шкаф барьеров искробезопасности

То же

Барьер искробезопасности серии HID входной, двухканальный. Входной сигнал от 4-20 мА, выходной от 4-20 мА

Модель HID 2029

1

800-1

Регулирование расхода тримеров пропиленаВ Е-1

В трубопроводе

тримеры пропилена

 Диафрагма камерная, устанавливаемая во фланцах трубопровода ДСК по ГОСТ 8.563.1, 8.563.2, 8.563.3.

Тип ДК 25-200 ГОСТ 8.563.1

1

 

800-2

То же

На трубопроводе

То же

 Интеллектуальный датчик давления серии Метран-100 предназначен для измерения и непрерывного преобразования в унифицированный аналоговый токовый сигнал 4-20 мА и/или цифровой сигнал в стандарте протокола HART, или цифровой сигнал на базе интерфейса RS485 входного сигнала разности давлений.

Метран-100-Ех-ДД-2430-МП

1

 

800-3

-//-

Шкаф барьеров искробезопасности

-//-

Барьер искробезопасности серии HID входной, двухканальный. Входной сигнал от 4-20 мА, выходной от 4-20 мА

Модель HID 2029

1

 

800-4

-//-

Шкаф барьеров искробезопасности

-//-

 Барьер искробезопасности серии HID выходной, двухканальный. Входной сигнал от 4-20 мА, выходной от 4-20 мА

Модель HID 2037

1

 

800-5

-//-

На клапане

-//-

 Электропневматический позиционер. Давление питающего воздуха 0.14 мПа. Входной сигнал 0.02-0.1 мПа. Рассчитан на ход 10…100 мм. Взрывозащита: ExdsllB+H2T6

ЭПП-Ex

1

 

800-6


На трубопроводе

-//-

 Исполнительный механизм регулирующий клапан с пневмоприводом

Тип НЗ РК201нж 100 160 Р

1

 

801-2

То же

Шкаф барьеров искробезопасности

То же

Барьер искробезопасности серии HID входной, двухканальный. Входной сигнал от 4-20 мА, выходной от 4-20 мА

Модель HID 2029

1

 

801-3

-//-

Шкаф барьеров искробезопасности

-//-

 Барьер искробезопасности серии HID выходной, двухканальный. Входной сигнал от 4-20 мА, выходной от 4-20 мА

Модель HID 2037

1

 

700-1

Температура в Е-1

На трубопроводе

тримеры пропилена

Термопреобразователь с унифицированным сигналом предназначен для измерения температуры нейтральных и агрессивных сред, применяют во взрывоопасных зонах. Диапазон унифицированного выходного сигнала постоянного тока 4-20 мА

ТСП Метран-256

1

 

700-2

То же

Шкаф барьеров искробезопасности

То же

 Барьер искробезопасности серии HID входной, двухканальный. Входной сигнал от 4-20 мА, выходной от 4-20 мА

HID 2071

 1

 

802-1

Регулирование давления в Е-1

На трубопроводе

Азот

 Интеллектуальный датчик давления серии Метран-100-Ди-Еx предназначен для измерения и непрерывного преобразования в унифицированный аналоговый токовый сигнал 4-20 мА и/или цифровой сигнал на базе интерфейса RS485 выходной сигнал избыточного давления

Метран - 100-Ех- ДИ- 3141-МП

 1

 

802-2

То же

Шкаф барьеров искробезопасности

То же

 Барьер искробезопасности серии HID входной, двухканальный. Входной сигнал от 4-20 мА, выходной от 4-20 мА

Модель HID 2029

1

 

802-3


Шкаф барьеров искробезопасности

-//-

 Барьер искробезопасности серии HID выходной, двухканальный. Входной сигнал от 4-20 мА, выходной от 4-20 мА

Модель HID 2037

1

 

802-4

-//-

На клапане

-//-

 Электропневматический позиционер. Давление питающего воздуха 0.14 мПа. Входной сигнал 0.02-0.1 мПа. Рассчитан на ход 10…100 мм. Взрывозащита: ExdsllB+H2T6

ЭПП-Ex

 1

 

802-5

-//-

На трубопроводе

-//-

Исполнительный механизм регулирующий клапан с пневмоприводом

Тип НЗ РК201нж 50 160 Р

 1

 

803-1

Регулирование расхода тримеров пропиленав С-1

В трубопроводе

тримеры пропилена

 Диафрагма камерная, устанавливаемая во фланцах трубопровода ДСК по ГОСТ 8.563.1, 8.563.2, 8.563.3.

Тип ДК 25-200 ГОСТ 8.563.1

1

 

803-2

То же

На трубопроводе

То же

 Интеллектуальный датчик давления серии Метран-100 предназначен для измерения и непрерывного преобразования в унифицированный аналоговый токовый сигнал 4-20 мА и/или цифровой сигнал в стандарте протокола HART, или цифровой сигнал на базе интерфейса RS485 входного сигнала разности давлений.

Метран-100-Ех-ДД-2430-МП

1

 

803-3

-//-

Шкаф барьеров искробезопасности

-//-

Барьер искробезопасности серии HID входной, двухканальный. Входной сигнал от 4-20 мА, выходной от 4-20 мА

Модель HID 2029

1

 

803-4

-//-

Шкаф барьеров искробезопасности

 Барьер искробезопасности серии HID выходной, двухканальный. Входной сигнал от 4-20 мА, выходной от 4-20 мА

Модель HID 2037

1

 

803-5

-//-

На клапане

-//-

 Электропневматический позиционер. Давление питающего воздуха 0.14 мПа. Входной сигнал 0.02-0.1 мПа. Рассчитан на ход 10…100 мм. Взрывозащита: ExdsllB+H2T6

ЭПП-Ex

1

 

803-6


На трубопроводе

-//-

 Исполнительный механизм регулирующий клапан с пневмоприводом

Тип НЗ РК201нж 100 160 Р

1

 

804-1

Регулирование расхода фенолав С-1

В трубопроводе

фенол

 Диафрагма камерная, устанавливаемая во фланцах трубопровода ДСК по ГОСТ 8.563.1, 8.563.2, 8.563.3.

Тип ДК 25-200 ГОСТ 8.563.1

1

 

804-2

То же

На трубопроводе

То же

 Интеллектуальный датчик давления серии Метран-100 предназначен для измерения и непрерывного преобразования в унифицированный аналоговый токовый сигнал 4-20 мА и/или цифровой сигнал в стандарте протокола HART, или цифровой сигнал на базе интерфейса RS485 входного сигнала разности давлений.

Метран-100-Ех-ДД-2430-МП

1

 

804-3

-//-

Шкаф барьеров искробезопасности

-//-

Барьер искробезопасности серии HID входной, двухканальный. Входной сигнал от 4-20 мА, выходной от 4-20 мА

Модель HID 2029

1

 

804-4

-//-

Шкаф барьеров искробезопасности

-//-

 Барьер искробезопасности серии HID выходной, двухканальный. Входной сигнал от 4-20 мА, выходной от 4-20 мА

Модель HID 2037

1

 

804-5

-//-

На клапане

-//-

 Электропневматический позиционер. Давление питающего воздуха 0.14 мПа. Входной сигнал 0.02-0.1 мПа. Рассчитан на ход 10…100 мм. Взрывозащита: ExdsllB+H2T6

ЭПП-Ex

1

 

804-6


На трубопроводе

-//-

 Исполнительный механизм регулирующий клапан с пневмоприводом

Тип НЗ РК201нж 100 160 Р

1

 

701-1

Температура алкилата до Т-4

На трубопроводе

алкилат

Термопреобразователь с унифицированным сигналом предназначен для измерения температуры нейтральных и агрессивных сред, применяют во взрывоопасных зонах. Диапазон унифицированного выходного сигнала постоянного тока 4-20 мА

ТСП Метран-256

1

 

701-2

То же

Шкаф барьеров искробезопасности

То же

 Барьер искробезопасности серии HID входной, двухканальный. Входной сигнал от 4-20 мА, выходной от 4-20 мА

HID 2071

 1

 

702-1

Температура алкилата после Т-4

На трубопроводе

алкилат

Термопреобразователь с унифицированным сигналом предназначен для измерения температуры нейтральных и агрессивных сред, применяют во взрывоопасных зонах. Диапазон унифицированного выходного сигнала постоянного тока 4-20 мА

ТСП Метран-256

1

 

702-2

То же

Шкаф барьеров искробезопасности

То же

 Барьер искробезопасности серии HID входной, двухканальный. Входной сигнал от 4-20 мА, выходной от 4-20 мА

HID 2071

 1

 

 

601-1

Контроль давления алкилата на входе в Р-5

На трубопроводе

алкилат

 Интеллектуальный датчик давления серии Метран-100-Ди-Еx предназначен для измерения и непрерывного преобразования в унифицированный аналоговый токовый сигнал 4-20 мА и/или цифровой сигнал на базе интерфейса RS485 выходной сигнал избыточного давления

Метран - 100-Ех- ДИ- 3141-МП

 1

 

 

601-2

То же

Шкаф барьеров искробезопасности

То же

Барьер искробезопасности серии HID входной, двухканальный. Входной сигнал от 4-20 мА, выходной от 4-20 мА

Модель HID 2029

1

 

 

805-1

Регулирование расхода промводы на выходе из Т-4

В трубопроводе

промвода

 Диафрагма камерная, устанавливаемая во фланцах трубопровода ДСК по ГОСТ 8.563.1, 8.563.2, 8.563.3.

Тип ДК 25-200 ГОСТ 8.563.1

1

 

 

805-2

То же

На трубопроводе

То же

 Интеллектуальный датчик давления серии Метран-100 предназначен для измерения и непрерывного преобразования в унифицированный аналоговый токовый сигнал 4-20 мА и/или цифровой сигнал в стандарте протокола HART, или цифровой сигнал на базе интерфейса RS485 входного сигнала разности давлений.

Метран-100-Ех-ДД-2430-МП

1

 

 

805-3

-//-

Шкаф барьеров искробезопасности

-//-

Барьер искробезопасности серии HID входной, двухканальный. Входной сигнал от 4-20 мА, выходной от 4-20 мА

Модель HID 2029

1

 

 

805-4

-//-

Шкаф барьеров искробезопасности

-//-

 Барьер искробезопасности серии HID выходной, двухканальный. Входной сигнал от 4-20 мА, выходной от 4-20 мА

Модель HID 2037

1

 

 

805-5

-//-

На клапане

-//-

 Электропневматический позиционер. Давление питающего воздуха 0.14 мПа. Входной сигнал 0.02-0.1 мПа. Рассчитан на ход 10…100 мм. Взрывозащита: ExdsllB+H2T6

ЭПП-Ex

1

 

 

805-6


На трубопроводе

-//-

 Исполнительный механизм регулирующий клапан с пневмоприводом

Тип НО РК201нж 100 160 Р

1

 

 

806-1

Температура верха Р-5

На трубопроводе

алкилат

Термопреобразователь с унифицированным сигналом предназначен для измерения температуры нейтральных и агрессивных сред, применяют во взрывоопасных зонах. Диапазон унифицированного выходного сигнала постоянного тока 4-20 мА

ТСП Метран-256

1

 

 

806-2

То же

Шкаф барьеров искробезопасности

То же

 Барьер искробезопасности серии HID входной, двухканальный. Входной сигнал от 4-20 мА, выходной от 4-20 мА

HID 2071

 1

 

 

806-3

То же

Шкаф барьеров искробезопасности

То же

Барьер искробезопасности с гальванической развязкой, выходной. Сигнал опасной зоны (вход) - 4-20 мА. Сигнал безопасной зоны (выход) - 4-20 мА. Питание 24 В постоянного тока. Одноканальный.

Модель HiD 2037

1

 

 

806-4

-//-

-//-

-//-

Клапан отсечной, 0% закрыт, 100% открыт

ЭПКД-83

1

 

 

703-1

Температура середины Р-5

На трубопроводе

алкилат

Термопреобразователь с унифицированным сигналом предназначен для измерения температуры нейтральных и агрессивных сред, применяют во взрывоопасных зонах. Диапазон унифицированного выходного сигнала постоянного тока 4-20 мА

ТСП Метран-256

1

 

 

703-2

То же

Шкаф барьеров искробезопасности

То же

 Барьер искробезопасности серии HID входной, двухканальный. Входной сигнал от 4-20 мА, выходной от 4-20 мА

HID 2071

 1

 

 

704-1

Температура низа Р-5

На трубопроводе

алкилат

Термопреобразователь с унифицированным сигналом предназначен для измерения температуры нейтральных и агрессивных сред, применяют во взрывоопасных зонах. Диапазон унифицированного выходного сигнала постоянного тока 4-20 мА

ТСП Метран-256

1

 

 

704-2

То же

Шкаф барьеров искробезопасности

То же

Барьер искробезопасности серии HID входной, двухканальный. Входной сигнал от 4-20 мА, выходной от 4-20 мА

HID 2071

 1

 

 

602-1

Контроль давления Р-5

На трубопроводе

алкилат

 Интеллектуальный датчик давления серии Метран-100-Ди-Еx предназначен для измерения и непрерывного преобразования в унифицированный аналоговый токовый сигнал 4-20 мА и/или цифровой сигнал на базе интерфейса RS485 выходной сигнал избыточного давления

Метран - 100-Ех- ДИ- 3141-МП

 1

 

 

602-2

То же

Шкаф барьеров искробезопасности

То же

Барьер искробезопасности серии HID входной, двухканальный. Входной сигнал от 4-20 мА, выходной от 4-20 мА

Модель HID 2029

1

 

 

805-1

Регулирование расхода промводы на выходе из Т-6

В трубопроводе

промвода

 Диафрагма камерная, устанавливаемая во фланцах трубопровода ДСК по ГОСТ 8.563.1, 8.563.2, 8.563.3.

Тип ДК 25-200 ГОСТ 8.563.1

1

 

 

805-2

То же

На трубопроводе

То же

 Интеллектуальный датчик давления серии Метран-100 предназначен для измерения и непрерывного преобразования в унифицированный аналоговый токовый сигнал 4-20 мА и/или цифровой сигнал в стандарте протокола HART, или цифровой сигнал на базе интерфейса RS485 входного сигнала разности давлений.

Метран-100-Ех-ДД-2430-МП

1

 

 

805-3

-//-

Шкаф барьеров искробезопасности

-//-

Барьер искробезопасности серии HID входной, двухканальный. Входной сигнал от 4-20 мА, выходной от 4-20 мА

Модель HID 2029

1

 

 

805-4

-//-

Шкаф барьеров искробезопасности

-//-

 Барьер искробезопасности серии HID выходной, двухканальный. Входной сигнал от 4-20 мА, выходной от 4-20 мА

Модель HID 2037

1

 

 

805-5

-//-

На клапане

-//-

 Электропневматический позиционер. Давление питающего воздуха 0.14 мПа. Входной сигнал 0.02-0.1 мПа. Рассчитан на ход 10…100 мм. Взрывозащита: ExdsllB+H2T6

ЭПП-Ex

1

 

 

805-6


На трубопроводе

-//-

 Исполнительный механизм регулирующий клапан с пневмоприводом

Тип НЗ РК201нж 100 160 Р

1

 

 

806-1

Температура верха Р-7

На трубопроводе

алкилат

Термопреобразователь с унифицированным сигналом предназначен для измерения температуры нейтральных и агрессивных сред, применяют во взрывоопасных зонах. Диапазон унифицированного выходного сигнала постоянного тока 4-20 мА

ТСП Метран-256

1

 

 

806-2

То же

Шкаф барьеров искробезопасности

То же

 Барьер искробезопасности серии HID входной, двухканальный. Входной сигнал от 4-20 мА, выходной от 4-20 мА

HID 2071

 1

 

 

705-1

Температура середины Р-7

На трубопроводе

алкилат

Термопреобразователь с унифицированным сигналом предназначен для измерения температуры нейтральных и агрессивных сред, применяют во взрывоопасных зонах. Диапазон унифицированного выходного сигнала постоянного тока 4-20 мА

ТСП Метран-256

1

 

 

705-2

То же

Шкаф барьеров искробезопасности

То же

Барьер искробезопасности серии HID входной, двухканальный. Входной сигнал от 4-20 мА, выходной от 4-20 мА

HID 2071

 1

 

 

706-1

Температура низа Р-7

На трубопроводе

алкилат

Термопреобразователь с унифицированным сигналом предназначен для измерения температуры нейтральных и агрессивных сред, применяют во взрывоопасных зонах. Диапазон унифицированного выходного сигнала постоянного тока 4-20 мА

ТСП Метран-256

1

 

 

706-2

То же

Шкаф барьеров искробезопасности

То же

Барьер искробезопасности серии HID входной, двухканальный. Входной сигнал от 4-20 мА, выходной от 4-20 мА

HID 2071

 1

 

 

603-1

Контроль давления Р-7

На трубопроводе

алкилат

 Интеллектуальный датчик давления серии Метран-100-Ди-Еx предназначен для измерения и непрерывного преобразования в унифицированный аналоговый токовый сигнал 4-20 мА и/или цифровой сигнал на базе интерфейса RS485 выходной сигнал избыточного давления

Метран - 100-Ех- ДИ- 3141-МП

 1

 

 

603-2

То же

Шкаф барьеров искробезопасности

То же

Барьер искробезопасности серии HID входной, двухканальный. Входной сигнал от 4-20 мА, выходной от 4-20 мА

Модель HID 2029

1

 

 

500-1

Контроль уровня в Е-8

На трубопроводе

алкилат

Интеллектуальный датчик давления серии Метран-100 предназначен для измерения и непрерывного преобразования в унифицированный аналоговый токовый сигнал 4-20 мА и/или цифровой сигнал в стандарте протокола HART, или цифровой сигнал на базе интерфейса RS485 гидростатического давления

 Метран-100-ДГ-Ех

1

 

 

500-2

То же

Шкаф барьеров искробезопасности

То же

Барьер искробезопасности серии HID входной, двухканальный. Входной сигнал от 4-20 мА, выходной от 4-20 мА

Модель HID 2029

1

 

 

809-1

рН алкилата после реакторов алкилирования

в трубопроводе

алкилат

Электрод со встроенным температурным сенсором Рt -100, длина 120мм, диаметр 12 мм. Температура измеряемой среды 0-120оС. Диапазон измеряемой среды 0-14.

CPS 11-2-BA2ESA

1

 

 

809-2

То же

На трубопроводе

То же

Преобразователь измерительный рН метра с кристаллическим дисплеем. Выходной сигнал 4÷20 мА, погрешность измерения 0,1%. Температура окружающей среды -20 ÷ +55 оС

MWP ROCPM 431- Модель 542/049А

1

 

 

809-3

-//-

Шкаф барьеров искробезопасности

-//-

 Барьер искробезопасности серии HID выходной, двухканальный. Входной сигнал от 4-20 мА, выходной от 4-20 мА

Модель HID 2037

1

 

 

501-1

Контроль расхода алкилата на выходе из реакторов

В трубопроводе

алкилат

 Диафрагма камерная, устанавливаемая во фланцах трубопровода ДСК по ГОСТ 8.563.1, 8.563.2, 8.563.3.

Тип ДК 25-200 ГОСТ 8.563.1

1

 

 

502-2

На трубопроводе

То же

 Интеллектуальный датчик давления серии Метран-100 предназначен для измерения и непрерывного преобразования в унифицированный аналоговый токовый сигнал 4-20 мА и/или цифровой сигнал в стандарте протокола HART, или цифровой сигнал на базе интерфейса RS485 входного сигнала разности давлений.

Метран-100-Ех-ДД-2430-МП

1

 

 

503-3

-//-

Шкаф барьеров искробезопасности

-//-

Барьер искробезопасности серии HID входной, двухканальный. Входной сигнал от 4-20 мА, выходной от 4-20 мА

Модель HID 2029

1

 

 

810-1

Регулирование давления в Е-11

На трубопроводе

Азот

 Интеллектуальный датчик давления серии Метран-100-Ди-Еx предназначен для измерения и непрерывного преобразования в унифицированный аналоговый токовый сигнал 4-20 мА и/или цифровой сигнал на базе интерфейса RS485 выходной сигнал избыточного давления

Метран - 100-Ех- ДИ- 3141-МП

 1

 

 

810-2

То же

Шкаф барьеров искробезопасности

То же

 Барьер искробезопасности серии HID входной, двухканальный. Входной сигнал от 4-20 мА, выходной от 4-20 мА

Модель HID 2029

1

 

 

810-3


Шкаф барьеров искробезопасности

-//-

 Барьер искробезопасности серии HID выходной, двухканальный. Входной сигнал от 4-20 мА, выходной от 4-20 мА

Модель HID 2037

1

 

 

810-4

-//-

На клапане

-//-

 Электропневматический позиционер. Давление питающего воздуха 0.14 мПа. Входной сигнал 0.02-0.1 мПа. Рассчитан на ход 10…100 мм. Взрывозащита: ExdsllB+H2T6

ЭПП-Ex

 1

 

 

810-5

-//-

На трубопроводе

-//-

Исполнительный механизм регулирующий клапан с пневмоприводом

Тип НО РК201нж 50 160 Р

 1

 

1.7 Охрана труда и безопасность производства

Требования к обеспечению взрывоопасности процесса алкилирования фенола.

Проектируемая установка производства алкилфенолов размещена в непосредственной близости от крупных предприятий: «НШЗ», завода «Эластик», ТЭЦ-1, ОАО «НКНХ» вблизи г. Нижнекамска с учетом “розы ветров”. Господствующие здесь ветра уносят значительную часть вредных выбросов в противоположную сторону от жилых массивов. Технологическое оборудование размещено на наружной установке размерами 24 на 24 метра высотой 17 метров. Управление технологическим процессом автоматизировано, осуществляется дистанционно при помощи системы APACS из здания операторной. Размеры операторной 15 на 20 метров высота 4 метра.

На основании свойств веществ по нормам пожарной безопасности НПБ 105-03 устанавливаем категорию и класс взрывоопасной зоны: для операторной категория “Д”, а для производства категория ”Ан”. Согласно ПБ 09.107-03 по энергетическому потенциалу взрыва и количеству взрывоопасных веществ процесс относится к I категории, так как Q > 54 и m > 9600 кг.

Согласно ПУЭ наружная установка относится к классу взрывоопасной зоны - В-1г.

Согласно ГОСТ 12.2.007.0-75 к электротехническим изделиям на наружных установках и в операторной используется трехфазное четырех проводная глухозаземленная электрическая сеть U = 380/220В. В соответствии с ПУЭ по степени опасности поражения электрическим током наружная установка приравнивается к особо опасным помещениям, операторная относится к помещениям без повышенной опасности.

По степени опасности поражения людей электрическим током операторная относится к классу повышенной опасности. Для операторной, согласно ПУЭ, минимальная допустимая степень защиты электрооборудования соответствует IP44 (от попадания твердых веществ диаметром более 1 мм и брызг воды в любом направлении).

В соответствии с ГОСТ 12.1.019-79 и ГОСТ 12.1.009-76 электробезопасность персонала обеспечивается конструктивными решениями электроустановок; применение защитного заземления всего оборудования, размещение электрооборудования РСУ в закрытых шкафах.

Все конструкции электрооборудования соответствуют условиям эксплуатации и обеспечивают защиту персонала от соприкосновения с токоведущими частями.

Для предотвращения нарушения изоляции от действия влаги все кабельное хозяйство герметизируется в трубные разводки.

Источником воспламенения являются: раскалённые или нагретые стенки оборудования, искры электрооборудования, статическое электричество, искры удара и трения.

Здания и сооружения проектируемого производства выполнены из железобетона и относятся ко II степени огнестойкости.

При подготовке на ремонт аппараты продувают азотом. Всё оборудование и соединения являются герметичными. Ремонтные работы проводятся только искробезопасным инструментом. С целью своевременного обнаружения пожара предусмотрена автоматически действующая сигнализация. В помещениях предусмотрена система электрической пожарной сигнализации, с целью обнаружения начальной стадии пожара с ручным и автоматическим включением. Для ручного включения используются кнопочные извещатели типа ПКИЛ-9. Для автоматического включения используются дымовые извещатели типа ДИ-1. Во взрывоопасной среде используются извещатели взрывозащищенного исполнения ДСП-1АГ (дифференциальные).

Для тушения пожара в цехе предусмотрены следующие первичные средства пожаротушения: противопожарный водопровод, огнетушители, асбестовые одеяла, песок, азот,

водяной пар. По периметру цеха расположены лафетные установки и пожарные гидранты.

Для тушения электрооборудования применяют углекислотные и порошковые огнетушители ОУ-8, ОУ-25, ОП-100.

С целью своевременного оповещения о возникновении пожара, а также вызова пожарных команд действует система пожарной связи.

Согласно пожарно-технической классификации в зданиях выполнены необходимые требования по безопасной эвакуации людей через эвакуационные выходы. Количество эвакуационных выходов - два.

Во избежание термических ожогов оборудование и трубопроводы с высокой температурой стенок изолированы минеральной ватой и оцинкованными металлическими листами.

Для защиты аппаратов, от избыточного давления сверх допустимого, применяются предохранительные клапаны марки ППК4-150-40, ППК4-125-40.

При проведении процесса выделения необходимо измерять температуру, давление и уровень в аппаратах, а так же расход поступающих продуктов.

Для измерения давления используется интеллектуальный датчик избыточного давления фирмы «Метран» во взрывозащищенном исполнении. Уровень измеряем цифровым датчиком уровня буйковым фирмы Masoneilan

во взрывозащищенном исполнении. Для измерения температуры используем термопреобразователь сопротивления платиновый. Расход измеряем диафрагмой камерной для трубопроводов фирмы «Метран». Управление процессом осуществляется дистанционно из операторной.

Контроллер обеспечивает поддержание заданных параметров процесса и быстроту регулирования, осуществляет сигнализацию и блокировку при отклонении параметров от допустимых величин по заданной программе.

.8 Промышленная экология

Защита водного бассейна от промышленных стоков.

На установке алкилирования фенола тримерами пропилена имеется следующее выбросы в сточные воды ОАО «НКНХ» в таблице 4 .

Сточные воды образуются: при подготовке емкостного и теплообменного оборудования к ремонту (1 раз в год). Сбрасываются в ХЗК через колодцы. ПДК для водоемов санитарно-бытового водопользования установлена для фенола 0,1 мг/л. ПДК для рыбо - хозяйственных вод для фенола 0,025мг/л.

Таблица 4. Сточные воды

Наименование стока

Количество образования сточных вод, м 3/ч

Установленная норма содержания загрязнений в стоках, мг/л

При подготовке емкостного и теплообменного оборудования

ы320,0

ПК-50,0 мг О2/дм3


Стоки из ХЗК попадают на БОС. Нормы для слива воды ХЗК, ХПК не выше 500мг/л, рН - 6,5÷12,5, при несоответствии, стоки выдавливаются на отпарку органики. Состояние воды анализируется на ХПК бихроматным способом №25.

Для защиты водоемов от вредных выбросов и предотвращения загрязнения почвы в цехе оборудованы лотки и подземные емкости для сбора атмосферных осадков, из которых по мере накопления стоки откачиваются в химически загрязненную канализацию.

Методы очистки производственных сточных вод принято подразделять на механические, химические, биологические и физико-химические. Указанными методами сточную воду кондиционируют для последующей очистки, либо полностью очищают от примесей.

При этом очистка может быть осуществлена как с выделением примесей в газообразную, твёрдую или жидкую фазу, так и с разрушением их.

2. Расчётная часть

.1 Материальный баланс производства

Исходные данные:

С6Н6О + С9Н18 = С15Н24О - целевая реакция образования алкилфенола; (1)

(94) (126) (220)

С6Н6О + 2 С9Н18 = С24Н42О - побочная реакция образования

(94) (126) (346)

диалкилфенола. (2)

Производительность установки по алкилфенолу составляет 125000

тонн в год.

Календарный фонд времени 365 дней.

Время, затраченное на капитальный ремонт - 10 дней.

Конверсия по тримерам пропилена составляет 98,5 %.

Состав реакционной смеси (% масс)

Фенол - 60

Тримеры пропилена - 40

Состав алкилата (% масс )

Алкилфенол - 58,60

В том числе:

Фенол - 32,65

Тримеры пропилена - 0,60

Диалкилфенол -7,65

Решение:

Процесс считается непрерывным.

Составляем схему материальных потоков

Рисунок 2.1 Схема материальных потоков производства алкилфенола

Р - реактор алкилирования фенола тримерами пропилена; G1 - материальный поток фенола и тримеров пропилена соответственно; G2 - питание колонны Кт-1, алкилат

Эффективный фонд работы оборудования (час)

Тэф=Тк - ∑Тр

Тэф=365 · 24 - 10 · 24=8520 часов

Производительность по алкилфенолу (кг/час)

Исходя из содержания алкилфенола в потоке G2, определяем количество этого продукта, а также количество компонентов, входящих в этот поток помимо алкилфенола (кг/час)

Алкилфенол

,36-100%

Х-58,60%

Х=8597,42 кг/ч

Фенол

,36-100%

Х-32,65%

Х=4790,20кг/ч

Тримеры пропилена

,36-100%

Х-0,60%

Х=88,03кг/ч

Тяжелые остатки

,36-100%

Х-0,49%

Х=71,89%

Диалкилфенол

,36-100%

Х-7,65%

Х=1122,36кг/ч

Питание колонны Кт-1 - алкилат реактора Р-1 (поток G2). Исходя из конверсии по тримерам пропилена, определяем количество поданного сырья. Рассчитываем количество участников реакции (1) (кг/час)

 - Фенол

 - Тримеры пропилена

Рассчитываем количество участников реакции (2) (кг/час)

 - Фенол

 - Тримеры пропилена

Определяем общее количество веществ, принявших участие в реакциях (1) и (2)

 - Фенол

 - Тримеры пропилена

Рассчитываем количество поданного сырья (кг/час)

Тримеры пропилена


Фенол


Составляем таблицу материального баланса

Таблица 5. Сводная таблица материального баланса

Приход

Расход

рьевой поток

К/час

% масс

Продуктовый поток

г/час

% масса

Фенол Тримеры пропилена

788,09 5882,01

0,6 40,4

Питание колонны Кт-1(поток G2) том числе: алкилфенол иалкилфенол фенол тримеры пропилена тяжелые остатки

4670 597,42 1122,36 790,20 88,03 71,89

100 58,60 7,65 32,65 0,60 0,49

Итого:

14670

100

Итого:

6784,11

100


2.2 Расчет основного аппарата

.2.1 Технологический расчет основного аппарата

Назначение: Алкилирование фенола тримерами пропилена производится в жидкой фазе в присутствии катализатора.

Количество сырья, поступающего в реактор

Gр=26784,11 кмоль (см. материальный баланс)

Режим работы:

t= 85-140 0С

P = 0,4 МПа (4кмоль/см2)

Объёмная скорость подачи реакционной смеси 7,2 час-1

Катализатор

Срок службы катализатора - 12-13 месяцев

Площадь сечения аппарата:

,

где: Vτ − объемный расход реакционной смеси, м3/с;

W - линейная скорость потока в аппарате, м/с.


Диаметр аппарата:

D = 1,13 ∙ √S

D = 1,13 ∙ √1 = 1,13 м

Принимаем реактор диаметром 1200 мм.

Необходимый объём катализатора:

Vк = ,

Vк =

где:

Vоб - объемная скорость подачи сырья, час-1;

Vоб = 7,2 час-1 = 0,002 с-1

Объем катализатора необходимого для проведения процесса равен 5 м3, следовательно, высота слоя катализатора соответствующая данному объему определяется по формуле:

Нкат =

Нкат = м

Расчет высоты реактора. Высота реактора определяется следующими характеристиками:

Hреак.зоны = 7 м - высота реакционной зоны;

Нкат. реш. = 0,035 м - высота катализаторной решетки;

Нштуц. = 0,55 м - высота устанавливаемых штуцеров;

Ндн. = 1 м - высота днища;

Нкр = 1 м - высота крышки.

Нреакт = 7 + 0,035 + 0,55 + 1 + 1 = 9,5 м.

Принимаем реактор высотой 9550 мм.

Следовательно, к установке принимается два реактора для обеспечения максимальной конверсии со следующими основными характеристиками:

·   диаметр - 1200 мм;

·   высота - 9550 мм;

·   высота слоя катализатора - 5,35 м;

·   объем катализатора 5 м3.

Расчёт реактора Р-1в проводиться аналогично, данные расчёта сводим

в таблицу 6

Таблица 6. Характеристика реакторного оборудования

Наименование оборудования

Объем, м3

Диаметр, мм

Высота, мм

Давление, МПа

Температура, 0С

1

2

3

4

5

6

Реактор Р-1в предназначен для переалкилирования диалкилфенолов в алкилфенолы

00,3

 1200

 9550

 0,4

 125


.2.2 Тепловой расчет аппарата

Исходные данные:

В реактор поступает реакционная смесь с температурой 70 0С.

Потери теплоты в окружающую среду 1,1% от прихода тепла.

Остальные данные из материального баланса.

Расчет:

На основании схемы тепловых потоков составляем уравнение теплового баланса.

Q1 + Q2 = Q3 + Q4 - уравнение для первого реактора,

Q5 + Q6 = Q7 + Q8 - уравнение для второго реактора.

Определим количество теплоты, поступающей с реакционной смесью

Q1 = G1 ∙ Ср1 ∙ t1

где:

G1 - количество поступающего сырья, кмоль;

Ср1 - удельная теплоемкость реакционной смеси, кДж/кг·К;

t - температура реакционной смеси, 0С.

G1 = 26784,11 кг/ч =7,44 кмоль

Определим удельную теплоемкость реакционной смеси

Ср (фенола) = 2344,98

Ср (тримера пропилена) = 2027,3

Состав реакционной смеси:

Фенол - 60 %,

Тримеры пропилена - 40 %.

Ср = Σ сpi·wi

Cр = 2344,98 ∙ 0,60 + 2027,3 ∙ 0,40 = 2217,90

Cр = 2217,9 = 2,218

Количество теплоты, поступающей с реакционной смесью

Q1 = 7,44 · 2,218 ∙ 70 = 1155,13 кВт

Определим количество теплоты, выделившейся в результате экзотермических реакций

С6Н6О + С9Н18 = С15Н24О - целевая реакция образования алкилфенола; (1)

С6Н6О + 2 С9Н18 = С24Н42О - побочная реакция образования диалкилфенола. (2)

Q2 = Q1цел + Q2поб,

где:

Q1цел - количество теплоты, выделившаяся в результате экзотермической реакции (1),

Q2поб - количество теплоты, выделившаяся в результате экзотермической реакции (2).

Q1цел = G1 ∙ ∆Нр

Q2поб = G2 ∙ ∆Нр,

где:

∆Нр1, ∆Нр2 - изменения энтальпий в результате реакций (1) и (2), кДж/кг;

G1, G2 - количество образовавшегося алкилфенола и диалкилфенола после первого реактора (30 % алкилфенола и 1 % диалкилфенола от образовавшегося алкилата 26784,11 кг/ч), кмоль.

∆Нр1 = 281,56 кДж/кг

∆Нр2 = 106,52 кДж/кг

G1 = 8035,23 кг/час = 2,23 кмоль

G2 = 267,84 кг/час = 0,07 кмоль

Q1цел = 2,23 ∙ 281,56 = 627,87 кВт

Q2поб = 0,07 ∙ 106,52 = 7,46 кВт

Q2 = 627,87 + 19,70 = 635,33 кВт

Определяем количество теплоты, уходящей с алкилатом из уравнения теплового баланса для первого реактора

Q1 + Q2 = Q3 + Q4

Q3 = Q1 + Q2 - Q4,

но для этого необходимо найти Q4 - потери в окружающую среду.

Q4 = (Q1 + Q2) ∙ 1,1%

Q4 = (1155,13 + 635,33) ∙ 0,011 = 19,70 кВт

Отсюда находим Q3

Q3 = 1155,13 + 635,33 - 19,70 = 1770,76 кВт

Определяем температуру реакционной смеси на выходе из первого реактора

,

где:

G3 - количество образовавшегося алкилата, кмоль

Ср3 - удельная теплоемкость алкилата, кДж/кг·К.

G3 = 26784,11 кг/час = 7,44 кмоль

Определим удельную теплоемкость алкилата

Ср (фенола) = 2344,98

Ср (тримера пропилена) = 2027,3

Ср (алкилфенола) = 2450,63

Ср (диалкилфенола) = 2373,48

Состав алкилата:

фенол - 49 %,

тримеры пропилена - 20 %,

алкилфенол - 30 %,

диалкилфенол - 1%.

Ср = Σ сpi·wi

Ср = 2344,98 ∙ 0,49 + 2027,3 ∙ 0,20 + 2450,63 ∙ 0,30 + 2373,48 ∙ 0,01 =

= 2313,42  = 2,313


Составляем таблицу теплового баланса для первого реактора

Таблица 7. Тепловой баланс для первого реактора

Приход

Расход

Тепловые потоки

Количества тепла, кВт

Тепловые потоки

Количества тепла, кВт

Q1 Q2

1155,13 635,33

Q3 Q4

1770,76 19,70

Итого

1790,46


1790,46


Определим количество теплоты, уходящей с хладагентом из теплообменника

Qводы = Gводы ∙ Срводы ∙ (t2к - t2н)

где:

Gводы - расход охлаждающей воды, кмоль;

Срводы - удельная теплоемкость воды, ;

t2к , t2н - конечная и начальная температура воды, 0С.

Определим расход охлаждающей воды из следующего уравнения

Gводы =

где:

Gалкилат - количество образовавшегося алкилата, кмоль;

Сралкилат - удельная теплоемкость алкилата, кДж/кг·К;

t1н, t1к - температура на входе и выходе из реактора, 0С.

Gводы =

Qводы = 6,67 ∙ 4,190 ∙ (38 - 18) =558,94 кВт

Определим количество теплоты, поступающей с алкилатом

Q5 = G5 ∙ Ср5 ∙ t5

где:

G5 - количество поступающего алкилата, кмоль;

Ср5 - удельная теплоемкость алкилата, кДж/кг·К;

t - температура алкилата, 0С. Q5 = 7,44 ∙ 70 ∙ 2,313 = 1204,61 кВт


С6Н6О + С9Н18 = С15Н24О - целевая реакция образования алкилфенола; (1)

С6Н6О + 2 С9Н18 = С24Н42О - побочная реакция образования диалкилфенола. (2)

Q6 = Q1цел + Q2поб,

где:

Q1цел - количество теплоты, выделившаяся в результате экзотермической реакции (1),

Q2поб - количество теплоты, выделившаяся в результате экзотермической реакции (2).

Q1цел = G1 ∙ ∆Нр

Q2поб = G2 ∙ ∆Нр,

где:

∆Нр1, ∆Нр2 - изменения энтальпий в результате реакций (1) и (2), кДж/кг;

G1, G2 - количество образовавшегося алкилфенола и диалкилфенола после второго реактора (разность общего количества образовавшихся алкилфенола и диалкилфенола после двух реакторов и количества образовавшихся алкилфенола и диалкилфенола после первого реактора), кмоль.

∆Нр1 = 281,56 кДж/кг

∆Нр2 = 106,52 кДж/кг

G1 = 15696,55 - 8035,23 = 7661,32 кг/час = 2,12 кмоль

G2 = 2050,35 - 267,84 = 1782,51 кг/час = 0,49 кмоль

Q1цел = 2,12 ∙ 281,56 = 596,90 кВт

Q2поб = 0,49 ∙ 106,52 = 107,01 кВт

Q6 = 596,90 + 107,01 = 703,91 кВт

Определяем количество теплоты, уходящей с алкилатом из уравнения теплового баланса для второго реактора

Q5 + Q6 = Q7 + Q8

Q7 = Q5 + Q6 - Q8,

но для этого необходимо найти Q8 - потери в окружающую среду.

Q8 = (Q5 + Q6) ∙ 1,1%

Q4 = (1204,61 + 703,91) ∙ 0,011 = 20,99 кВт

Отсюда находим Q7

Q7 = 1204,61 + 703,91 - 20,99 = 1887,53 кВт

Определяем температуру реакционной смеси на выходе из второго реактора


где:

G7 - количество образовавшегося алкилата, кмоль;

Ср7 - удельная теплоемкость алкилата, кДж/кг·К.

G7 = 26784,11 кг/час = 7,44 кмоль

Определим удельную теплоемкость алкилата

Ср (фенола) = 2344,98

Ср (тримера пропилена) = 2027,3

Ср (алкилфенола) = 2450,63

Ср (диалкилфенола) = 2373,48

Состав алкилата:

фенол - 32,65 %,

тримеры пропилена - 0,60 %,

алкилфенол - 58,60 %,

диалкилфенол - 7,65 %.

Ср = Σ сpi·wi

Ср = 2344,98 ∙ 0,32 + 2027,3 ∙ 0,006 + 2450,63 ∙ 0,58 + 2373,48 ∙ 0,07 =

= 2364,3  = 2,364


Составляем таблицу теплового баланса для второго реактора

Таблица 7. Тепловой баланс для второго реактора

Приход

Расход

Тепловой поток

Количества тепла, кВт

Тепловой поток

Количества тепла, кВт

Q5 Q6

1204,61 703,91

Q7 Q8

1887,53 20,99

Итого

1908,52


1908,52


Литература

1. ГОСТ 2.10 5 -95.Межгосударственный стандарт. ЕСКД.Общие требования к текстовым документам. Издание официальное.

. Межгосударственныйсовет по стандартизации, метрологии и сертификации. Минск; 2011

. ГОСТ 2.782- 96, ГОСТ 2.783-96, ГОСТ 2.785-70, ГОСТ 2.787-71, ГОСТ 2.788-74, ГОСТ 2. 792- 74, ГОСТ 2.793-79, ГОСТ 2.794-79, ГОСТ 2.795-80, ГОСТ 2.796-95, ГОСТ 2.797-81.ЕСКД. Обозначения условные, графические в схемах. Издание официальное. Москва.; ИПК. Издательство стандартов, 2014.

. Глухов, В.Н. Внешняя торговля России каучуком и резиной Производство и использование эластомеров. - 2014. - №2. - С.7-10.

5.Лебедев, Н.Н. Химия и технология основного органического и нефтехимического синтеза: учеб. для хим.-технол. спец. вузов Н.Н.Лебедев. - 6-е изд., перераб. и доп. - М.: Химия, 2014. - 592с.: ил.

. Большой энциклопедический словарь. Химия под ред. И.Л.Кнунянц. - М.: Большая Российская энциклопедия, 2014. - 792с.: ил.

. Рейхсфельд, В.О. Реакционная аппаратура и машины заводов основного органического синтеза и СК: учеб. пособ. для хим.-технол. спец. вузов

. В.О.Рейхсфельд, В.С.Шейн, В.И.Ермаков.- Л.: Химия, 2006. - 264с.: и

. Голубятников, В.А. Автоматизация производственных процессов в химической промышленности: учеб. пособ. для техникумов. - 2-е изд., перераб. и доп. В.А.Голубятников, В.В.Шувалов. - М.: Химия, 2007. - 352 с.

. Гутник, С.П. Расчеты по технологии органического синтеза С.П.Гутник, В.Е.Сосонко, В.Д.Гутман. - М.: Химия, 2010. - 272с.: ил.

. Павлов, К.Ф. Примеры и задачи по курсу процессов и аппаратов химической технологии: учеб. пособ. для вузов. - 13-е изд., стереотип. К.Ф.Павлов, П.Г.Романков, А.А.Носков. - Л.: Химия, 2009. - 552с.: ил.

. Охрана труда в химической промышленности под ред. Г.В. Маркова. - М.: Химия, 2013. - 496с.: ил.

. Барaтов, А.Н. Пожаровзрывоопасность веществ и материалов и средства их тушения. В 2-х кн. Кн.1 А.Н.Барaтов, А.Я.Корольченко, Г.Н.Кравчук. - М.: Химия, 2006. - 496c.: ил.

. Справочник химика. Т.2. Основные свойства неорганических и органических соединений. - 3-е изд., испр. - М.: Химия, 2013. - 1071с.: ил.

Похожие работы на - Алкилирование фенола тримерами пропилена (производительность 125000 т. в год алкил фенола)

 

Не нашли материал для своей работы?
Поможем написать уникальную работу
Без плагиата!
Без нейросетей!