Функционально-стоимостной анализ и технико-экономическое обоснование технологических решений в области литейного производства (на примере отливки 'Шкив')

  • Вид работы:
    Курсовая работа (т)
  • Предмет:
    Эктеория
  • Язык:
    Русский
    ,
    Формат файла:
    MS Word
    421,27 Кб
  • Опубликовано:
    2016-06-13
Вы можете узнать стоимость помощи в написании студенческой работы.
Помощь в написании работы, которую точно примут!

Функционально-стоимостной анализ и технико-экономическое обоснование технологических решений в области литейного производства (на примере отливки 'Шкив')

МИНИСТЕРСТВО ОБРАЗОВАНИЯ РЕСПУБЛИКИ БЕЛАРУСЬ

УЧРЕЖДЕНИЕ ОБРАЗОВАНИЯ

«ГОМЕЛЬСКИЙ ГОСУДАРСТВЕННЫЙ ТЕХНИЧЕСКИЙ УНИВЕРСИТЕТ ИМЕНИ П.О. СУХОГО»

Гуманитарно-экономический факультет

Кафедра «Экономика и управление в отраслях»






ПОЯСНИТЕЛЬНАЯ ЗАПИСКА

к курсовому проекту

по дисциплине: «Организация производства и управление предприятием»

на тему: «Функционально-стоимостной анализ и технико-экономическое обоснование технологических решений в области литейного производства (на примере отливки «Шкив»)»

Разработал студент

группы Л-51

Литвинчук А.В.

Проверил ст.преподаватель

Астраханцев С.Е

Гомель 2015

Введение

Цель курсового проекта - изучение технологического процесса получения отливки «Шкив УЭС-16-0400104А».

Задачей является рассмотрение технологических процессов изготовления отливки, большее внимание уделю технологическому процессу такому как плавка, сделаю его анализ и проведу модернизацию с целью получения экономии.

Повышение эффективности и качества производства требует комплексного подхода к изучению технологических процессов. В соответствии с Единой системой технологической подготовки производства (ЕСТПП) комплекс работ по разработке технологии производства изделия разбивается на следующие этапы:

отработка конструкции изделия на технологичность;

разработка технологических процессов;

конструирование и изготовление специального технологического оборудования и оснастки;

окончательная отработка и внедрение технологических процессов.

ГЛАВА 1 ФУНКЦИОНАЛЬНО-СТОИМОСТНОЙ АНАЛИЗ ТЕХНОЛОГИИ ИЗГОТОВЛЕНИЯ ОТЛИВКИ

стоимостной экономический формовочный отливка

Цели проведения ФСА изделий: Снижение себестоимости изделия и расходов на эксплуатацию; Повышение качества и конкурентоспособности изделия.

ФСА - целенаправленно составленный комплекс методов, сутью которого является поиск и предложение лучшего либо даже принципиально нового решения выполнения функций анализируемого объекта с целью повышения эффективности его использования.

ФСА - метод системного исследования функций объекта, направленный на обеспечение наилучших соотношений между качеством и затратами на исполнение функций.

Объектом ФСА могут быть: изделия, технологический процесс, производственная, организационная, информационная структура, а также их отдельные элементы, подвергнутые исследованию в целях выбора оптимального варианта реализации выполняемых ими основных функций при минимальных затратах.

ФСА проводится в 7 этапов:

) подготовительный;

) информационный;

) аналитический;

) творческий;

) исследовательский;

) рекомендательный;

) этап внедрения.

Сейчас рассмотрим этап ФСА:

Подготовительный этап. Одной из задач, которая должна решаться на этом этапе, является популяризация метода, в результате чего создаются благоприятные условия для выполнения определенных аналитических исследований. Тут же выбирается объект будущего исследования, создается временная исследовательская группа из специалистов разного направления для более полного охвата всех инженерно-экономических и технологических особенностей объекта. При отсутствии у этих специалистов знаний по ФСА их направляют на курсы по изучению методики. На этом этапе разрабатывается подробный календарный план выполнения исследования. Кроме того, на подготовительном этапе оформляются все нормативные документы, которые связаны с проведением ФСА (приказ руководителя о проведении анализа определенного объекта, привлечении определенных работников к выполнению этой работы, материальной заинтересованности работников по результатам анализа и т.д.).

Информационный этап. На данном этапе осуществляется сбор, систематизация и изучение данных, характеризующих объект, построение структурно-стоимостной, структурной моделей объекта и диаграммы Парето.

Аналитический этап. На данном этапе прежде всего проводятся детализация изучаемого объекта на функции, их классификация, определение стоимости каждой из них. Практически это означает создание функционально-стоимостной модели объекта. В результате проведенных исследований должны быть выявлены зоны наибольшей концентрации затрат (в том числе и ненужных), т.е. наиболее перспективные зоны с точки зрения задач ФСА. На основании этого формулируются задачи по усовершенствованию объекта с целью сокращения затрат на его производство, выбираются направления дальнейшего исследования.

Творческий этап. На этом этапе осуществляется разработка вариантов упрощения и удешевления конструкции изделия или технологии. Здесь решаются задачи по совмещению функций, возможности ликвидации ненужных функций, удешевления элементов конструкции, устанавливаются разные варианты выполнения основных функций, производится обсуждение и отбор наиболее реальных вариантов с точки зрения их реализации.

В разработке предложений участвует весь творческий коллектив. Внесенные предложения регистрируются в специальном журнале, доступном всем желающим. После сокращения или прекращения количества поступивших предложений начинается их обсуждение и обоснование всеми участниками творческого коллектива. В качестве экспертов могут привлекаться и другие специалисты. Обсуждение ведется обычно в форме круглого стола. Для обоснования эффективности каждого предложения используются методы "мозговой атаки", "мозгового штурма", синектический, морфологический, "Дельфы", ПАТТЕРН и др.

Метод "мозговой атаки" или конференции идей предусматривает генерирование идей членами экспертной группы в творческом споре при личном контакте специалистов. Продолжительность каждого заседания не более 45 мин., длительность генерирования 1-2 мин., не допускается на первом этапе критика вносимых предложений.

Разновидностью этого метода является "мозговой штурм", когда одна группа экспертов выдвигает идеи, а другая их анализирует.

Синектический метод предполагает при генерировании идей использование аналогий из других областей знаний и фантастики.

Метод "Дельфы" предусматривает анонимный опрос специально подобранной группы экспертов по заранее подготовленным анкетам с последующей статистической обработкой материала. После обобщения результатов опроса запрашивается мнение экспертов по спорным вопросам. В результате обеспечивается переход от интуитивных форм мышления к дискуссионным.

Для этого метода характерна изолированность в работе и независимость суждений каждого члена экспертной группы. Здесь полностью исключается влияние психологических факторов, таких, как внушение, мнение большинства или авторитетных лиц и т.п.

Название метода ПАТТЕРН состоит из первых букв английских слов, означающих помощь планированию посредством количественной оценки технических данных. Сущность его состоит в том, что изучаемая проблема расчленяется на ряд подпроблем, отдельных задач и элементов, которые выстраиваются в "дерево решений". Определяются коэффициенты важности каждого элемента, подлежащих экспертной оценке. Оценки отдельных экспертов подвергаются открытому обсуждению. Данный метод извлекает пользу от делового взаимовлияния экспертов, не исключая отрицательных последствий конформизма.

Морфологический метод основан на использовании морфологических матриц, с помощью которых обеспечивается системный поиск взаимосвязей между всеми ее элементами в рамках изучаемой проблемы. В левой ее части приводятся все функции изучаемого объекта, а в правой - всевозможные способы их осуществления.

На заключительном этапе из общего количества предложений должно остаться 2-3 наиболее привлекательных и перспективных, по мнению специалистов, вариантов усовершенствования объекта. К тому же эти предложения требуют более детального исследования, а иной раз и экспериментальной проверки.

Творческий этап является решающим, так как именно в ходе его начинается зарождение нового, усовершенствованного объекта, очерчиваются его контуры.

Исследовательский этап.

На данном этапе осуществляется:

1)      эскизная проработка отобранных вариантов, которые заключаются в подробном описании каждого варианта с применением схем, графиков, моделей, оперограмм, проектов, положений о подразделении, др. проектной документации.

2)      сравнительная технико-экономическая оценка вариантов управления осуществляемая на основе заключений экспертизы с расчетами экономической характеристики мероприятий.

)        отбор рациональных для реализации вариантов, при которых все предложения делятся на 4 группы:

·      реальные и возможные;

·        возможные, но в данных условия нереализуемые;

·        теоретически возможные, но пока практически нереализуемые;

·        нереальные.

4)      разработка проекта совершенствования управления производством.

Рекомендательный этап: рассмотрение предложений соответствующими службами предприятия; технико-экономические расчеты; принятие решения комитетом (советом) ФСА; составление проекта плана-графика внедрения рекомендаций и передача утвержденных рекомендаций соответствующим службам.

Этап внедрения: утверждение руководством плана-графика внедрения;

разработка научно-технической и проектной документации, ее согласование; внедрение полученных результатов в производство; поощрение участников разработки; оценка полученных результатов. В зависимости от специфики работ, выполняемых в различных отраслях, методики ФСА, используемые в них, отличаются друг от друга приемами выполнения, методами оценки и анализа решений, хотя основные положения ФСА соблюдаются в каждой из них.

1.1    Подготовительный этап

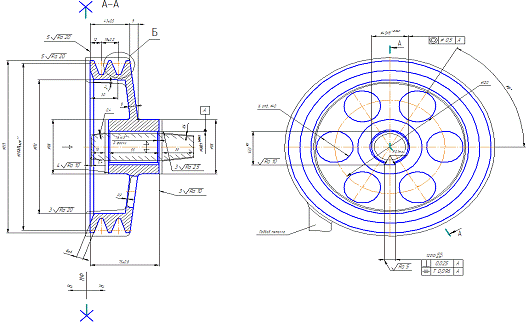
Объектом анализа является отливка «Шкив», которая изготавливается из сплава СЧ20 ГОСТ 1412-85.

Рисунок 1 - Деталь с нанесенной технологией

Отливка «Шкив УЭС-16-0400104А» изготавливается из серого чугуна марки СЧ20 ГОСТ 1412-85. Чугун этой марки имеет перлитную структуру матрицы, поэтому обладает также достаточно высокими прочностными свойствами. Необходимо учитывать, что порядок подготовки и проведения механических испытаний серого и других чугунов отличаются от методов испытания стали. Например, для чугунных отливок контроль свойств проводят по ГОСТ 27208-87 «Отливки из чугуна. Методы механических испытаний», а способы получения заготовок для образцов из каждого чугуна регламентированы соответствующим стандартом (для серого - ГОСТ 24648 -81).


.2 Информационный этап

На информационном этапе главная задача состоит в построении структурно-элементной модели технологического процесса - условного изображения, отражающего состав и соподчиненность его материальных составляющих (носителей функции).

На основе данных технологического процесса изготовляют иерархию технологических операций и переходов, начиная с высших уровней - технологический процесс, технологическая операция, переход.

Технологическая модель получения отливки (Рисунок 2)







Структурно-стоимостная модель получения отливки (Рисунок 3)

Далее, используя структурно-стоимостную модель строим диаграмму «Парето». Тщательному функциональному анализу подвергаются в первую очередь те элементы и блоки, на которые приходится наибольшая доля затрат или отказов в работе. Для выявления таких зон используется метод «АВС», согласно которому вводится деление элементов по зонам А, В и С путем построения диаграммы Парето. Все сборочные процессы располагаются в порядке убывания затрат.Диаграмма «Парето» представлена на рисунке 2.

Таблица 1 - Процентное соотношение затрат в процессе изготовления отливки.

Наименоваяние процесса

Затраты в %

Сумарные затраты

Плавка

78%

78%

Изготовление форм

8%

86%

Приготовление формовочной смеси

4%

90%

Отжиг

3%

93%

Приготовление стержневой смеси

2%

95%

Подготовка шихтовых материалов

2%

97%

Выбивка

1%

98%

Сборка форм

1%

99%

Очистка отливок

1%

99%

Изготовление стержней

0%

100%

Обрубка литников

0%

100%

Заливка форм

0%

100%



Рисунок 4 - Диаграмма «Парето

Те элементы, которые попадают в зону от 0 до 80% общих затрат (А), должны подвергаться наиболее тщательному анализу в первую очередь. При невозможности снижения затрат по этим элементам переходят к анализу тех, которые попали в зону В, и наконец в зону С. В случае, когда первая операция (с самой большой стоимостью) попадает в зону С, то необходимо пересмотреть принцип действия самого объекта анализа.

Для более наглядного отображения затрат в производстве воспользуемся круговой диаграммой.

Исходя из Рисунка 2 и Рисунка 3, можно сделать вывод о том, что плавка это самый затратный процесс в производстве отливки, на него нужно обратить особое внимание и заняться его оптимизацией в целях снижения затрат на производстве.

1.3 Аналитический этап

Функция - это проявление свойств материального объекта, заключающееся в его действии (воздействии или противодействии) на изменение состояния других материальных объектов.

Функционально-стоимостный анализ (ФСА) оперирует таким понятием как функция. ФСА полагает, что потребителю важна не вещь сама по себе, а функции, которые эта вещь выполняет.

Наиболее простое определение функции следует из происхождения этого слова от латинского functio - исполнение, осуществление. Функция (в широком понимании) - это "деятельность, обязанность, работа; внешнее проявление свойств какого-либо объекта в данной системе отношений...", т.е. выполнение какого-либо действия объектом. С позиции ФСА является важным то, что функция - это характеристика объекта, раскрывающая его назначение. Наиболее распространенное определение понятия "функция" звучит так.

В ФСА все функции непосредственно создающие стоимость делятся на два вида.

Рабочие функции - это функции, позволяющие объекту работать, то есть выполнять для потребителя какие-то действия.

Эстетические функции - это функции, которые делают данный объект желаемым для потребителя при неизменном уровне рабочих функций. Эти функции связаны с такими понятиями, как внешний вид, красота, стиль, удобство использования, престижность и т.д. Иногда эстетические функции способны играть главную роль в образовании стоимости объекта.

ФСА можно определить как метод комплексного технико-экономического исследования функций объекта изучения, позволяющий оптимизировать соотношение между качеством реализации его функций и затратами на их реализацию. При этом под функциями объекта понимаются потребительские свойства товара, услуги, процесса и т. п., которые в совокупности образуют его потребительскую стоимость.

Цель ФСА - снижение всех видов затрат при сохранении и повышении качества и эффективности функционирования объекта ФСА.

Объектами ФСА являются: продукция, производственные процессы, организационные структуры производства и управления. ФСА применяется для анализа и улучшения производственных процессов закупок, разработки и производства продукции, продаж, маркетинга, логистики, сервиса, обеспечения качества, управления.

ФСА играет большую роль в снижении издержек производства и повышении эффективности материально-технического снабжения и закупочной деятельности предприятия.

Наиболее эффективен анализ внутренних функций для исследования изделий простого конструктивного исполнения (до 30 деталей) с простейшим принципом действия, либо отдельных элементов более сложных объектов.

Анализу функций предшествует построение структурно-стоимостной таблицы (табл.2).

Таблица 2

Код операции

Наименование процесса/операции

Затраты на оплату труда рабочих, тыс.руб <file:///C:\Users\Andrey\Desktop\Общая%20паретто.xlsx>Затраты на ТЭР, тыс.руб <file:///C:\Users\Andrey\Desktop\Общая%20паретто.xlsx>Затраты на вспомогательные материалы, тыс.рубИТОГО затраты на операцию, тыс. руб.

Плавка

55478

138481

3432040

3626000

А.2.3.11.1

Загрузка подогретой шихты в печь

8621,166667

28495,74


37116,907

А.2.3.11.2

Расплав шихты до жидкого металла

32293,33333

90258


122551,333

А.2.3.11.3

Скачка шлака

4036,666667

9670,5


13707,167

А.2.3.11.4

Ввод лигирующих добавок

1326,33333

4383,96


5710,293

А.2.3.11.5

Замер температуры металла

663,1666667

0,322


663,489

А.2.3.11.6

Снятие шлака с зеркала металла

1989,5

0


1989,500

А.2.3.11.7

Заливка пробы металла

1326,333333

0


1326,333

А.2.3.11.8

Проверка хим состав металла

1781,9

96,705


1878,605

А.2.3.11.9

Доводка металла до неоходимого хим состава

1657,916667

5479,95


7137,867

А.2.3.11.10

Конечная проверка хим состава

1781,9

96,705


1878,605


По итогам аналитического этапа формирую задачи по совершенствованию технологического процесса.

Проанализировав функционально-стоимостную модель технологического процесса плавка нужно принять меры по снижению затрат на этом этапе производства, предлагаю такой вариант как:

сменить поставщика на вспомогательные материалы

1.4 Творческий этап

На этом этапе решаются выявленные задачи, и разрабатывается комплекс предложений, обеспечивающих совершенствование исходного объекта.

Результатом творческого этапа ФСА является перечень вариантов исполнения изделий и процессов, выдвижение идей способов выполнения функций управления, формирование на их основе вариантов осуществления функций, предварительная оценка и отбор наиболее целесообразных и реальных из них. Чтобы снизить затраты на этапе плавки, Я предлагаю сменить поставщика на вспомогательные материалы, т.е не покупать их внутри страны, а приобретать их в России, т.к они обойдутся на 18% дешевле. Сделаю сравнение диаграммы парето которая изображена на рисунке 2, и с диаграммой которая получиться в результате того, если производить закупку в России. Совершаю построение структурно-стоимостной таблицы (табл.3).

Таблица 3

Код операции

Наименование процесса/операции

Затраты на оплату труда рабочих, тыс.руб <file:///C:\Users\Andrey\Desktop\Общая%20паретто.xlsx>Затраты на ТЭР, тыс.руб <file:///C:\Users\Andrey\Desktop\Общая%20паретто.xlsx>Затраты на вспомогательные материалы, тыс.рубИТОГО затраты на операцию, тыс. руб.




А.2.3.11

Плавка

55478,21667

138481,882

2814272,8

А.2.3.11.1

Загрузка подогретой шихты в печь

8621,166667

28495,74


37116,907

А.2.3.11.2

Расплав шихты до жидкого металла

32293,33333

90258


122551,333

А.2.3.11.3

Скачка шлака

4036,666667

9670,5


13707,167

А.2.3.11.4

Ввод лигирующих добавок

1326,33333

4383,96


5710,293

А.2.3.11.5

Замер температуры металла

663,1666667

0,322


663,489

А.2.3.11.6

Снятие шлака с зеркала металла

1989,5

0


1989,500

А.2.3.11.7

Заливка пробы металла

1326,333333

0


1326,333

А.2.3.11.8

Проверка хим состав металла

1781,9

96,705


1878,605

А.2.3.11.9

Доводка металла до неоходимого хим состава

1657,916667

5479,95


7137,867

А.2.3.11.10

Конечная проверка хим состава

1781,9

96,705


1878,605

Строю структурно-стоимостную модель получения отливки.

Структурно-стоимостная модель получения отливки (Рисунок 5)








Таблица 4 - Процентное соотношение затрат «Плавки»

Наименование процесса

Затраты в %

Суммарные затраты

Плавка

75%

75%

Изготовление форм

7%

83%

Приготовление формовочной смеси

5%

87%

Отжиг

4%

91%

Приготовление стержневой смеси

94%

Подготовка шихтовых материалов

2%

96%

Выбивка

1%

97%

Сборка форм

1%

98%

Очистка отливок

1%

99%

Изготовление стержней

0%

99%

Обрубка литников

0%

100%

Заливка форм

0%

100%


По полученным данным строю диаграмму парето для случая закупки вспомогательных материалов в России.

Рисунок 6-Диаграмма парето при закупке вспомогательных материалов в России

В результате сравнения диаграмм, мы видим, что плавка упала в цене на 5%. Далее проведу расчет, какую экономию получим при смене поставщика в течение года.

ГЛАВА 2 МЕТОДИКА РАСЧЕТА ПОКАЗАТЕЛЕЙ ЭКОНОМИЧЕСКОЙ ЭФФЕКТИВНОСТИ ПРОЕКТНЫХ ТЕХНОЛОГИЧЕСКИХ РЕШЕНИЙ

Технико-экономические показатели работы литейного производства во многом зависят от разработки технологического процесса. Выбор и обоснование рационального варианта технологического процесса приготовления формовочной смеси должны способствовать достижению высокого качества при заданных затратах материальных и трудовых ресурсов, а также полному использованию производственного оборудования.

При оценке экономической эффективности варианта технологического процесса приготовления формовочной смеси смеси используются показатели трудоемкости, материалоемкости, технологической себестоимости, суммы приведенных затрат по вариантам и срок окупаемости дополнительных капитальных вложений.

Промежуточные расчеты для определения полезного эффекта выполняются по формулам приведенным ниже.

Годовые эксплуатационные издержки потребителя:

И= Из + Ис + Ир +Иазд + Изд + Иам + Иэ + Иос + Иом + Ин

где Из -заработная плата, тыс.руб.;

Ис -отчисления от заработной платы на социальное страхование, тыс.руб.;

Ир -затраты на ремонт (включая капитальный) и техническое обслуживание оборудования, тыс.руб.;

Иазд -затраты на амортизацию производственных помещений, тыс.руб.;

Изд -затраты на содержание производственных помещений, тыс.руб.;

Иам -амортизационные отчисления от затрат на доставку и установку оборудования, тыс.руб.;

Иэ -затраты на силовую энергию, тыс.руб;

Иос -затраты на ремонт и амортизацию универсальной оснастки,тыс.руб;

Иом -затраты на материалы, тыс.руб;

Ин -чрезвычайный налог и отчисления ы фонд занятости от фонда оплаты труда, тыс.руб.

Затраты на оплату труда:

Из = Зр ·Чр + Зн ·Чн

где Зр, Зн -годовая заработная плата рабочего (наладчика) по принятому среднему разряду, тыс.руб;

Чр, Чн -количество рабочих (наладчиков), чел.

Отчисления от заработной платы на социальное страхование:

Ис = Из ·Кстр,

где Кстр -коэффициент, учитывающий отчисления на социальное страхование (0,35).

Отчисления в чернобыльский фонд и фонд занятости населения:

Ин = Из·hч,

где hч -ставка чрезвычайного налога и отчислений в фонд занятости (5%)

Затраты на ремонт и техническое обслуживание оборудования:

Ир = Нм·Rм + Нэ ·Rs

где Нм, Нэ -норматив затрат на ремонт и техническое обслуживание механической (электрической части оборудования), тыс.руб;

Rм, Rs -ремонтная сложность механической (электрической) части оборудования, р.ед

Затраты на амортизацию производственных помещений:

Иазд = Кзд ·  ,

где На -норма амортизации производственных помещений, %

Затраты на содержание производственных помещений:

Изд =Нпл ·S,

где Нпл -норматив затрат на содержание 1м2 производственной площади, тыс.руб.

Амортизационное отчисления от затрат на доставку и установку оборудования:

Иам = Р · Км,

где Р -ставка отчислений на амортизацию (величина обратная сроку службы оборудования).

Затраты на силовую электроэнергию:

Иэ = Nэ ·Цэ ·Fпл ·Кз + Су,

где Nэ -установленная мощность оборудования, кВт;

Цэ -стоимость электроэнергии, руб/кВт-ч;

Fпл -плановый фонд времени работы оборудования, ч;

Су -стоимость за установленную электроэнергию, тыс.руб.

Затраты на ремонт и амортизацию универсальной оснастки:

Иос =0,8 · Цос

Затраты на основные и/или вспомогательные материалы (например - смазочные), применяемые в процессе эксплуотации оборудования:

Иом = Мм ·Цм ·d2 ,

где Мм -годовой расход материалов, кг;

Цм -цена единицы материала, руб./кг;

d2 -коэффициент, учитывающий затраты на доставку материала.

Срок окупаемости внедренного оборудования:

Ток =  ,

где Iзат -затраты на оборудование, тыс.руб;

Эус.г -условная годовая экономия, тыс.руб.

3. РАСЧЕТ ПОКАЗАТЕЛЕЙ СРАВНИТЕЛЬНОЙ ЭКОНОМИЧЕСКОЙ ЭФФЕКТИВНОСТИ ПРОЕКТНЫХ ТЕХНОЛОГИЧЕСКИХ РЕШЕНИЙ

)Затраты на вспомогательные материалы в год, закупаемые в РБ:

Иом1=(Зв*Кс)+Тр= (3432040*260)+1760000=894090400 руб

Зв-Затраты на вспомогательные материалы, тыс/руб

Кс-Количество смен

Тр- транспортные расходы руб

Затраты на вспомогательные материалы в год, закупаемые в РФ:

) Иом2=(2814272,8*260)+70400000= 802110928 руб

) Рассчитываю готовую экономию.

Эус.г=894090400-802110928=91979472 руб

Заключение

Цель курсового проекта - изучение технологического процесса получения отливки «Шкив».

Рассмотрел технологический процесс изготовления отливки, большое внимание уделю технологическому процессу такому как плавка, сделаю его анализ и проведу модернизацию с целью получения экономии.

В данной курсовой работе провел функционально-стоимостной анализ производства отливки, построил диаграммы парето, сделал их сравнительный анализ и выявил самый затратный процесс в производстве. В результате это получилась, что этим процессом является плавка. Предложил способ по экономии средств, при котором пришлось провести модернизацию путем смены поставщика, произвел расчет, затем сделал сравнительный анализ и в результате получил экономию в сумме 91979472 руб в год.

В данном курсовом проекте были изучены и представлены структурно-стоимостные анализы до и после смены поставщика

в производственном процессе плавка:

) Структурная модель;

) Структурно- стоимостная модель;

) Диаграмма Парето;

) Функционально- стоимостная модель.

Список использованных источников

1.   Волчек Р. Функционально-стоимостной анализ в управлении.- М.: Экономика, 1986.

2.      Кибанов А.Я.Управление машиностроительными предприятиями на основе ФСА.- М.: Машиностроение, 1991.

.        Моисеева Н.К., Карпунин М.Г.Основы теории и практики ФСА.- М.: Высш. шк.,1998.

.        Моисеева Н.К.ФСА в машиностроении.- М.: Машиностроение, 1987.

.        Справочник по ФСА / Под ред. М.Г. Карпунина, Б.И. Майданчика.- М.: Финансы и статистика , 1988.

.        Учебный портал ГГТУ им П.О.Сухого, ссылка на сайт gstu.by

Похожие работы на - Функционально-стоимостной анализ и технико-экономическое обоснование технологических решений в области литейного производства (на примере отливки 'Шкив')

 

Не нашли материал для своей работы?
Поможем написать уникальную работу
Без плагиата!
Без нейросетей!