Тормозная система автомобиля ГАЗ-3307

  • Вид работы:
    Дипломная (ВКР)
  • Предмет:
    Транспорт, грузоперевозки
  • Язык:
    Русский
    ,
    Формат файла:
    MS Word
    609,44 Кб
  • Опубликовано:
    2015-07-21
Вы можете узнать стоимость помощи в написании студенческой работы.
Помощь в написании работы, которую точно примут!

Тормозная система автомобиля ГАЗ-3307

Содержание

Введение

КамАЗ

Назначение стояночной тормозной системы

Принцип действия

Техническое обслуживание

Инструкционно- техническая карта по разборке и сборке

НОТ и соблюдение техники безопасности при выполнении разборочно-сборочных работ

Охрана окружающей среды

Вывод

Список использованной литературы

Введение

Газ 3307.

Автомобиль ГАЗ-3307, производство которого началось в 1990 году, является представителем четвертого поколения грузовых автомобилей Горьковского автозавода. При разработке конструкции автомобиля предусматривалась широкая унификация по узлам и агрегатам автомобилей действующего производства, что облегчало техническое обслуживание и ремонт автомобилей в эксплуатации.

Грузовой автомобиль ГАЗ-3307 предназначен для эксплуатации по всем видам дорог с твердым покрытием и характеризуется высокими технико-эксплуатационными показателями. Автомобиль имеет цельнометаллическую двухместную кабину капотного типа, с панорамным стеклом, оборудованную эффективной системой вентиляции и отопления.

Кабина имеет рациональное размещение органов управления, современную по конструкции панель приборов, мягкую обивку дверей и внутренних панелей, регулируемые сиденья, оснащенные ремнями безопасности. По заказу автомобиль может быть оборудован предпусковым подогревателем. Платформа - с деревометаллическим основанием и тремя откидными бортами, предусмотрена возможность установки надставных бортов и тента. Так же как и другие автомобили Газ-3307 оборудовано рабочей тормозной системой.

Тормозная система предназначена для управляемого изменения скорости автомобиля, его остановки, а также удержания на месте длительное время за счет использования тормозной силы между колесом и дорогой. Тормозная сила может создаваться колесным тормозным механизмом, двигателем автомобиля (торможение двигателем), гидравлическим или электрическим тормозом-замедлителем в трансмиссии. Для уменьшения скорости движения, остановки и удержания в неподвижном состоянии автомобили оборудуют тормозной системой, состоящей из тормозного механизма и привода.

Для торможения автомобиля во время движения, как правило, пользуются рабочим тормозом: при нажатии на педаль колодочные механизмы одновременно действуют на все четыре колеса. На стоянках или остановках пользуются стояночным тормозом.

Безопасность движения автомобилей с высокими скоростями в значительной степени определяется эффективностью действия и безопасностью тормозов.

Эксплуатация любого автомобиля допускается в том случае, если он имеет исправную тормозную систему. Тормозная система необходима на автомобиле для снижения его скорости, остановки и удерживания на месте. Тормозная сила возникает между колесом и дорогой по направлению, препятствующему вращению колеса. Максимальное значение тормозной силы на колесе зависит от возможностей механизма, создающего силу торможения, от нагрузки, приходящейся на колесо, и от коэффициента сцепления с дорогой. При равенстве всех условий, определяющих силу торможения, эффективность тормозной системы будет зависеть в первую очередь от особенностей конструкции механизмов, производящих торможение автомобиля.

КамАЗ

КамАЗ (акроним от Ка́мский автомоби́льный заво́д) - российская компания, производитель дизельных грузовых автомобилей и дизелей, действующий с 1976 года. В настоящее время также выпускает автобусы, тракторы, комбайны, электроагрегаты, тепловые миниэлектростанции и комплектующие. Основное производство расположено в городе Набережные Челны Республики Татарстан.

По состоянию на 2010 год КамАЗ занимал восьмое место в мире по объёмам выпуска дизельных двигателей. ОАО «КамАЗ» занимает 9-е место среди ведущих мировых производителей тяжёлых грузовых автомобилей.

Автомобили КамАЗ предназначены для работы во всех отраслях народного хозяйства. Объединением КамАЗ, включающим 10 основных заводов, выпускаются автомобили колесных формул 4×2, 6×4 и 6×6 - для эксплуатации на дорогах с различным покрытием и полноприводные - по бездорожью .

Также выпускается специализированная техника на базе этих автомобилей (банковские, пожарные, строительные - подъемные краны, бетоносмесители).

На рисунке 1 представлена схема автомобиля КамАЗ-53215 с колесной формулой 6×4, предназначенного для перевозки грузов массой до 10 тонн по дорогам с улучшенным покрытием в составе автопоезда (с прицепом).

Рис 1. - Автомобиль КамАЗ-53215

Автомобили КамАЗ, как и другие автомобили, состоит из ряда систем (пуска; питания топливом; смазки; охлаждения; тормозной и др), их агрегатов и узлов, а также рамы, кабины, платформы, двигателя, трансмиссии и др .

Каждая система и агрегат выполняют свои функции для обеспечения бесперебойной и безопасной работы всего автомобиля.

Автомобили и автопоезда КамАЗ оборудованы четырьмя автономными тормозными системами: рабочей, запасной, стояночной, вспомогательной и приводом аварийного растормаживания .

Хотя эти системы имеют общие элементы, работают они независимо и обеспечивают высокую эффективность торможения в любых условиях эксплуатации. Грузовые автомобили КамАЗ по мере развития их выпуска играют все более важную роль в народном хозяйстве нашей страны. Знание их характеристик, устройства и работы основных агрегатов и систем, содержания технического обслуживания позволит водителям, работникам автомобильного транспорта более полно использовать технические возможности машин в процессе их эксплуатации.

Назначение стояночной тормозной системы

ГАЗ-3307. КамАЗ.

Стояночная тормозная система предназначена для удержания автомобиля в неподвижном состоянии на стоянке, может выполнять функцию запасной тормозной системы, затормаживая автомобиль при отказе рабочей тормозной системы.

Стояночная тормозная система затормаживает автомобиль с помощью тормозных механизмов задней оси (задней тележки), которые приводятся в действие от пружинных энергоаккумуляторов, расположенных над тормозными камерами рабочей тормозной системы. Причем энергоаккумуляторы обратного действия - при подаче воздуха в его рабочую полость тормозной механизм растормаживается, а при выпуске воздуха затормаживается за счет энергии сжатой пружины. Это обеспечивает повышенную безопасность при эксплуатации автомобиля.

Энегоаккомулятор

Рис 2.

Состоит из:

- корпус энергоаккумулятора; 2 - мембрана; 3 - сапун; 4 - колпак; 5 - пружина замкового устройства; 6 - шарик; 7 - пробка колпака; 8 - гайка штока; 9 - направляющая толкателя; 10 - толкатель; 11 - конусная втулка; 12 - силовая пружина; 13 - гильза; 14 - опорная шайба; 15 - уплотнительное кольцо; 16 - подпятник.

Рис 3.

Привод стояночной тормозной системы:

- четырехконтурный защитный клапан; 2 - ускорительный клапан; 3 - включатель контрольной лампы стояночной тормозной системы; 4 - кран управления; 5 - клапан обрыва; 6 - клапан управления тормозными системами прицепа с двухпроводным приводом;

-включатель сигнализатора аварийного падения давления воздуха; 8 - ресивер; 9, 15 - клапан контрольного вывода; 10, 12 автоматическая соединительная головка; 11 - соединительная головка типа А ; 13 - клапан управления тормозными системами прицепа с однопроводным приводом; 14 - пружинный энергоаккумулятор; 16 - двухмагистральный перепускной клапан; 17 - кран экстренного растормаживания.

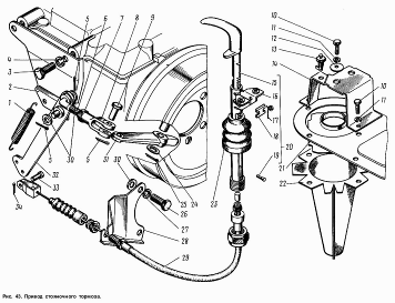
Привод стояночного тормоза ГАЗ-3307

Рис 4.

Номер №

Название

1

Пружина оттяжная

2

Кронштейн с пальцем

3

Болт

4

Шайба

5

Шплинт

6

Тяга

7

Гайка

8

Вилка

9

Палец

10

11

Шайба

12

Шайба

13

Выключатель лампы стояночного тормоза

14

Кронштейн

15

Стержень с рукояткой

16

Кожух с гайками

17

Пружина собачки

18

Собачка

19

Штифт

20

Стержень с кожухом

21

Крышка

22

Чехол

23

Колпак защитный

24

Шайба

25

Шплинт

26

Болт

27

Шайба

28

Кронштейн

29

Трос с оболочкой

30

Шайба

31

Рычаг

32

Рычаг с усилителем

33

Палец

34

Шплинт


Рис 5.

Принцип действия

Кран управления стояночным тормозом предназначен для приведения в действие вспомогательной тормозной системы, а также стояночной тормозной системы автомобиля без прицепа вместе с тормозными камерами с пружинными энергоаккумуляторами.

Ручной тормозной кран для вспомогательной и стояночной тормозных систем применяется вместе с тормозными камерами с пружинными аккумуляторами. Дополнительное подключение к клапану управления тормозами прицепа обеспечивает передачу тормозного воздействия на прицеп. Имеется положение контроля для проверки эффективности стояночного тормоза автомобиля.

Кран закреплен двумя винтами на дополнительном щитке приборов, справа от водителя

Рис. 6. Кран управления стояночным тормозом

Рис. 7. Положения рукоятки крана: А - положение расторможено; В - промежуточное положение вспомогательное торможение; С -точка наибольшего усилия на рукоятку; Д - стояночное положение заторможено (рукоятка зафиксирована); Е - снятие фиксируемого положения рукоятки; К - автоматическое возвращение рукоятки в расторможенное положение.

Принцип действия:

. Вспомогательный тормоз

В положении «расторможено» клапан (с) удерживает открытым проход между камерами А и В и подаваемый через вывод 1 сжатый воздух проходит через вход 21 в камеры пружинного энергоаккумулятора пневмоцилиндра . Одновременно сжатый воздух через контрольный клапан (b) и камеру С попадает к выводу 22 и выводу 43 клапана управления тормозами прицепа.

При повороте рукоятки (а) и срабатывании вспомогательной тормозной системы клапан (с) закрывает проход между камерами А и В. Сжатый воздух из камер пружинного энергоаккумулятора через открывшийся выпуск (d) на выводе 3 выходит в атмосферу. При этом давление в камере В снижается и поршень (е) перемещается вниз под воздействием пружины сжатия (f).

После закрытия выпуска при всех положениях торможения достигается положение закрытия, т.е. в камерах пружинного энергоаккумулятора всегда имеется давление, соответствующее необходимому замедлению.

. Положение парковки

При дальнейшем перемещении рукоятки (а) за подвижный упор достигается положение парковки. Выпускное отверстие (d) остается открытым и сжатый воздух полностью выходит из камер пружинного энергоаккумулятора. В области вспомогательного торможения (от положения «расторможено» до точки подвижного упора) после отпускания рукоятки она автоматически возвращается обратно в положение «расторможено».

С помощью основного и дополнительного контрольного клапана, скомбинированных вместе, можно проверить, обеспечивают ли механические силы стояночной тормозной системы тягача удержание автопоезда на спуске или подъеме при расторможенной тормозной системе прицепа.

. Контрольное положение

В положении «расторможено» камеры А, В и С соединены между собой и подаваемый через вывод 21 сжатый воздух проходит к камерам пружинного энергоаккумулятора, а также через вывод 22 к клапану управления тормозами прицепа. При перемещении рукоятки (а) давление в камерах В и С снижается до тех пор, пока не станет равным 0 при достижении подвижного упора. При перемещении за подвижный упор рукоятка (а) встает в промежуточное положение (положение стояночного тормоза). При дальнейшем перемещении рукоятки в контрольное положение имеющийся в камере А сжатый воздух проходит через открытый клапан (b) в камеру С.

При выпуске сжатого воздуха через вывод 22 происходит управление тормозным краном прицепа, который отменяет пневматическое торможение прицепа, осуществляющееся во время торможения вспомогательным или стояночным тормозом.

Теперь грузовой автопоезд удерживается только благодаря механической силе пневмокамер пружинного энергоаккумулятора тягача. Как только рукоятка (а) отпускается, она снова возвращается обратно в положение стояночного тормоза, при котором срабатывает тормозная система прицепа.

Не забывайте перед началом движения проверить положение ручника! Езда с не отпущенным ручным тормозом быстро выведет из строя тормозные колодки.

Как один из наиболее важных узлов, тормозная система автомобиля требует постоянного внимания и ухода. Здесь буквально любая неисправность может привести к непредсказуемым последствиям на дороге.
Некоторые диагнозы можно поставить, исходя из характера поведения тормозной педали. Так увеличенный ход или «мягкая» педаль свидетельствуют, скорее всего, о попадании воздуха в систему гидропривода в результате утечки тормозной жидкости. Поэтому необходимо периодически контролировать уровень жидкости в бачке. Её повышенный расход может быть следствием повреждения гидрошлангов и трубок, а также обыкновенного испарения со временем.

Это приводит к попаданию в систему воздуха и отказу тормозов. Пришедшие в негодность детали необходимо заменить, а систему придется прокачивать, выпуская воздух из каждого рабочего цилиндра на колесах и доливая жидкость. Процесс длительный и нудный.

Уход автомобиля при торможении в сторону говорит о возможном выходе из строя одного из рабочих цилиндров или чрезмерном износе накладок на каком-то определенном колесе. При загрязнении тормозных механизмов может возникать характерный шум при нажатии на педаль.

Все эти неисправности легко устраняются самостоятельно или обращением в сервисный центр. А чтобы свести к минимуму вышеописанные неприятности, берегите тормоза, чаще используйте торможение двигателем, особенно на крутых и затяжных спусках. Продолжительное по времени включение основной рабочей системы ведет к перегреву деталей и служит причиной различных поломок.

Техническое обслуживание

При ТО-1 отрегулировать ход штоков тормозных камер с помощью Ключа 10*12, линейки. Ход штоков должен быть не более 40 мм.

При ТО-2 Проверить:

Работоспособность тормозной системы манометрами по контрольным выводам на стенде.

контрольные лампы на щитке приборов должны погаснуть при давлении 4,5...5,5кгс/см²;

регулятор давления должен срабатывать при давлении 6,2...7,5кгс/см²;

при нажатии на педаль тормоза давление должно снизиться не более, чем на 0,5кгс/см².

Шплинтовку пальцев штоков тормозных камер. Отсутствие шплинтов не допускается.

Закрепить тормозные камеры и кронштейны тормозных камер. Момент затяжки гаек крепления передних тормозных камер 14...16кгс۰м; момент затяжки гаек крепления задних тормозных камер 18...22кгс۰м; момент затяжки гаек болтов крепления кронштейнов 7,5...10кгс۰м.

Обслуживание заключается в осмотре, очистке механизмов и проверке креплений, а также в регулировке зазоров между колодками и барабаном. При осмотре тормозных механизмов необходимо проверить следующее.

. Надежность крепления суппорта к фланцам мостов.

. Затяжку гаек осей колодок и гаек болтов крепления кронштейнов разжимных кулаков.

. Состояние фрикционных накладок. Если расстояние от поверхности накладок до головок заклепок менее 0,5 мм, то надо сменить тормозные накладки. Необходимо предохранять накладки от попадания на них масла, так как фрикционные свойства промасленных накладок нельзя полностью

восстановить очисткой и промывкой. Если требуется заменить одну из накладок левого или правою тормоза, нужно менять все у обоих тормозных механизмов (левого и правого колес). После установки новых фрикционных накладок колодку необходимо расточить. Радиус ивняки 200_0.4 мм дан применительно к новому барабану.

После расточки барабана при ремонте радиус колодки должен быть равен радиусу расточенного барабана. Барабаны допускается растачивать до диаметра не более 406 мм.

. Вращение вала разжимного кулака. Вал должен вращаться в кронштейне свободно, без заеданий. В противном случае нужно очистить опорные поверхности вала и кронштейна, после чего смазать их тонким слоем консистентной смазки.

Регулировка тормозного механизма может быть полной или частичной. В обоих случаях необходимо проверить, правильно ли затянуты подшипники ступицы колес.

Тормозные барабаны должны быть холодными. Стояночный тормоз следует выключить.

Полную регулировку проводят только после разборки и ремонта тормозов или в случае нарушения центровки рабочих поверхностей фрикционных накладок и тормозного барабана.

Необходимые операции надо выполнять в такой последовательности.

. Ослабить гайки крепления осей колодок и сблизить эксцентрики, повернув оси метками одну к другой. Метки поставлены на наружных выступающих над гайками торцах осей. Отпустить болты крепления кронштейна разжимного кулака

. Подать в тормозную камеру сжатый воздух под давлением 1-1,5 кгс/см2 (нажать на педаль тормоза при наличии воздуха в системе или воспользоваться сжатым воздухом из гаражной установки).

При отсутствии сжатого воздуха вынуть палец штока тормозной камеры и, нажимая на регулировочный рычаг в сторону хода штока тормозной камеры при торможении, прижать колодки к тормозному барабану.

Поворачивая эксцентрики в одну и другую сторону, сцентрировать колодки относительно барабана и добиться плотного прилегания их к барабану. После этого через окна в щитке тормоза, расположенные на расстоянии 20-30 мм от наружных концов накладок, направить щуп толщиной 0,1 мм под накладку: он не должен проходить вдоль всей ее ширины.

.Не прекращая подачи сжатого воздуха в тормозную камеру, а при отсутствии сжатого воздуха - не отпуская регулировочного рычага и удерживая оси колодок от проворачивания, надежно затянуть гайки осей и гайки болтов крепления кронштейна разжимного кулака к суппорту тормоза.

. Прекратить подачу сжатого воздуха, а при отсутствии сжатого воздуха отпустить регулировочный рычаги присоединить шток тормозной камеры.

. Повернуть оси червяка регулировочного рычага так, чтобы ход штока тормозной камеры был в пределах 20-30 мм.

Убедиться, что при включении и выключении подачи воздуха штоки тормозных камер перемещаются быстро, без заеданий.

. Проверить, как вращаются барабаны: они должны вращаться свободно и равномерно, не касаясь колодок.

После указанной регулировки между тормозным барабаном и колодками могут быть следующие зазоры: у разжимного кулака 0,4 мм, у осей колодок 0,2 мм.

Частичную регулировку проводят только для уменьшения зазора между колодками и барабаном, который увеличивается при эксплуатации вследствие износа накладок. Наличие больших зазоров, при которых требуется проведение частичной регулировки, обнаруживают по увеличению хода штоков тормозных камер (ход штока не должен превышать 40 мм). Частичную регулировку выполняют только вращением осей червяков регулировочных рычагов так же, как и при полной регулировке (см. пп. 5 и 6). При этом не следует ослаблять гайки осей колодок и изменять установку осей, так как это может нарушить нормальное прилегание колодок к барабану при торможении. В случае изменения установки осей необходимо проводить полную регулировку.

При частичной регулировке надо устанавливать наименьший ход штоков тормозных камер, равный 20 мм.

Для получения одинаковой эффективности торможения правых и левых колес необходимо, чтобы ходы штоков правых и левых камер каждого моста мало отличались один от другого.

При проверке тормозов на роликовом стенде необходимо, чтобы разность тормозных сил правого и левого колес испытуемого моста не превышала 15% максимальной величины.

Надежность работы пневмопривода тормозов автомобиля зависит от правильного обращения с приборами тормозной системы и ухода за ними.

. При обслуживании пневмопривода автомобиля прежде всего нужно убедиться в герметичности системы в целом и ее отдельных элементов. Особо тщательно следует проверять герметичность соединений трубопроводов и гибких шлангов, так как в этих местах чаще всего возникают утечки сжатого воздуха.

Места большой утечки воздуха определяются на слух, а небольшой утечки помощью мыльной эмульсии. Устраняют утечку воздуха из соединений трубопроводов подтягиванием или заменой отдельных элементов соединений.

Герметичность пневмосистемы следует проверять при номинальном

давлении, выключенных потребителях сжатого воздуха и неработающем компрессоре.

Давление воздуха в воздушных баллонах должно уменьшаться не более чем на 0,15 кгс/см2 за 15 мин при свободном положении органов управления тормозного привода (педали и рукоятки тормозных кранов, кнопок кранов аварийного растормаживания и привода вспомогательного тормоза) и на 0,3 кгс/см2 после включения органов управления.

.Для обеспечения нормальной работы пневмопривода необходимо постоянно сливать конденсат из воздушных баллонов через краны слива его. Скопление большого количества конденсата в баллонах не допускается, так как это может привести к попаданию его в приборы привода и выходу их из строя.

При высокой влажности окружающего воздуха следует ежедневно сливать конденсат. Наличие большого количества масла в конденсате указывает на неисправность компрессора. Зимой и в случае безгаражной стоянки автомобилей нужно более часто сливать конденсат из воздушных баллонов во избежание замерзания его в приборах и трубопроводах. В случае замерзания конденсата запрещается отогревать приборы, трубопроводы и воздушные баллоны открытым огнем. Для этой цели следует использовать горячую воду.

После полного слива конденсата из воздушных баллонов рекомендуется заполнить систему воздухом, доведя его давление до номинального, и только после этого остановить двигатель.

.Приборы пневматического тормозного привода (кроме указанных ниже) не нуждаются в специальном обслуживании и регулировке. В случае неисправности разборка этих приборов и устранение их дефектов могут проводиться только квалифицированными специалистами.

Вспомогательный тормоз. Обслуживание вспомогательного тормоза заключается в периодической проверке его крепления и вращения заслонки.

Если заслонка вращается туго, вследствие отложения на ее оси кокса, следует снять корпус с заслонкой, очистить, промыть в керосине, обдуть сжатым воздухом и установить на место.

Компрессор. При обслуживании компрессора необходимо проверять затяжку гаек его крепления к двигателю, затяжку гаек шпилек, крепящих головку, и других крепежных деталей. Гайки шпилек, крепящих головку, слезет затягивать равномерно, в два приема. Окончательный момент затяжки должен быть в пределах 1,2- 1,7 кгс-см2.

Через 80 000-100 000 км пробега при сезонном обслуживании (весной) надо снимать головку компрессора для истки поршней, клапанов и седел. Клапаны, не обеспечивающие герметичности, необходимо притереть к седлам, а сильно изношенные или поврежденные заменить новыми. 1овые клапаны также следует притереть к седлам (до получения непрерывного кольцевого контакта при проверке «на краску»).

Признаками неисправности компрессора являются появление шума и стука при его работе, увеличенное количество масла в конденсате, сливаемом из воздушных баллонов. Последнее обычно является следствием износа поршневых колец, масляного уплотнения заднего торца коленчатого вала или подшипников нижних головок шатунов.

Предохранитель от замерзания. При температуре окружающего воздуха 5 °С и выше предохранитель должен быть выключен. При температуре ниже 5 °С его необходимо заправить этиловым спиртом.

Для заливки спирта и контроля его уровня рукоятку предохранителя нужно опустить в нижнее положение и зафиксировать, повернув на 90°. Затем надо вывинтить пробку со щупом и залить в предохранитель через воронку спирт. После этого следует закрыть заливное отверстие и, повернув рукоятку на 90°, поднять ее в рабочее положение.

Ежедневно с помощью щупа следует контролировать уровень жидкости.

Перед началом заморозков (при сезонном обслуживании) внутренние полости испарителя очищают и промывают.

Тормозной кран. Обслуживание двухсекционного тормозного крана заключается в его периодическом осмотре, очистке от грязи, проверке герметичности и работы.

Необходимо следить за состоянием защитного резинового чехла крана и плотностью прилегания его к корпусу? Так как при попадании грязи на рычажную систему и трущиеся поверхности тормозной кран выходит из строя.

Герметичность тормозного крана проверяют с помощью мыльной эмульсии в двух положениях: в заторможенном и расторможенном. Утечка воздуха через атмосферный вывод тормозного крана при этих положениях1 свидетельствует о том, что в одной из секций либо пару» шилась герметичность впускного клапана, либо вышел из строя выпускной клапан. Кран с такими дефектами необходимо заменить.

Тормозной кран срабатывает полностью при усилии на рычаге 80 кгс и ходе рычага 26 мм. Начальная нечувствительность крана примерно 15 кгс. Разность давлении в секциях крана может составлять до 25 кгс/см2.

Обслуживание привода тормозного крана заключает! В периодическом осмотре, очистке и смазке шарнирных соединений. Следует проверить состояние защитного чехле (он не должен иметь разрывов) и убедиться в том, что он плотно прилегает к корпусу тормозного крана по всему периметру.

Необходимо следить за состоянием кронштейном, а также тяг и рычагов, связывающих тормозную педаль с тормозным краном, периодически очищать их от грязи и посторонних предметов (веток, проволоки и т. Д.).

Полностью нажатая педаль тормоза не должна доводить до пола на 10-30 мм. Полный ход ее должен быть в пределах 100-130 мм, а свободный 20-30 м.

В случае необходимости следует отрегулировать ход педали тормоза, изменяя с помощью регулировочном вилки длину тяги, соединяющей педаль с первым промежуточным рычагом привода.

Если по каким-либо причинам разбирался привод тормозного крана, то при сборке надо добиться совмещения нижнего отверстия промежуточного рычага с осью опрокидывания кабины. Затем, изменяя длину тяги, идущей от

педали к переднему рычагу, установить педаль в требуемое положение по отношению к полу кабины.

Регулятор тормозных сил. Обслуживание регулятора тормозных сил заключается в осмотре его крепления, в проверке состояния тяги упругого элемента и рычаги регулятора, в очистке от грязи и посторонних предметов.. Если мосты задней тележки тягача снимались для ремонта или замены, то при последующем их монтаже необходимо отрегулировать длину рычага регулятора. Эту операцию должен выполнять квалифицированный специалист.

Тормозные камеры. Обслуживание тормозных камер заключается в проверке их крепления к кронштейну и герметичности. Для проверки герметичности надо нажать на педаль тормоза, наполнить камеры сжатым воздухом, покрыть мыльной эмульсией стягивающий хомут, отверстие в корпусе и место присоединения трубопровода в камере. Утечку обнаруживают по образованию мыльных пузырей. Ее устраняют подтягиванием болтов хомута. Если при подтягивании болтов утечка не устраняется, необходимо сменить диафрагму камеры. Срок службы диафрагмы тормозных камер 2 года, по истечении этого срока диафрагму надо заменить.

Проверять герметичность этих камер следует при наличии сжатого воздуха в контурах приводов стояночного тормоза и рабочего тормоза задней тележки автомобиля. При этом необходимо выключить стояночный тормоз - цилиндры энергоаккумуляторов наполняются сжатым воздухом.

Если воздух утекает через дренажное отверстие или из-под винта устройства для механического растормаживания, то неисправно уплотнение поршня энергоаккумулятора, а если через входной штуцер диафрагменной тормозной камеры - нижнее уплотнение толкателя.

Утечку воздуха из-под фланца крепления цилиндра следует устранить подтягиванием болтовых соединений. Если этим приемом не удастся ликвидировать неисправность, то тормозные камеры следует заменить.

Для проверки герметичности диафрагменных тормозных камер следует нажать на педаль рабочего тормоза. Если воздух будет выходить через

входной штуцер цилиндра энергоаккумулятора, неисправно нижнее уплотнение толкателя.

При выходе воздуха из-под хомута следует обстучать его молотком и подтянуть болты крепления хомута. Если не герметичность не устраняется, следует сменить диафрагму.

Диафрагму также следует заменить при утечке воздуха через отверстия в корпусе камеры. Срок службы диафрагмы 2 года, по истечении его диафрагму следует заменить.

Разбирать, осматривать, чистить и смазывать детали цилиндра с пружинным энергоаккумулятором должен квалифицированный механик

только в условиях мастерской на специальном приспособлении с соблюдением мер безопасности.

Соединительные головки. Обслуживание соединительных головок заключается в периодическом осмотре, очистке от грязи и проверке герметичности соединения головок автомобиля и прицепа.

Проверку герметичности следует проводить при сцепке автомобиля с прицепом, последовательно в заторможенном и в расторможенном положениях.

Эксплуатация автомобилей с негерметичными соединениями тормозных магистралей запрещается.

Для устранения негерметичности в соединительных головках необходимо заменить уплотнительные кольца или соединительные головки в сборе.

При эксплуатации автомобиля без прицепа нужно соединительные головки закрыть крышками, защищающими их от попадания грязи, снега, влаги.

Проверка работоспособности пневматического тормозного привода заключается в определении выходных параметров давления воздуха по контурам с помощью контрольных манометров и штатных приборов, размещенных в кабине водителя (двухстрелочный манометр и блок контрольных ламп тормозной системы). Контрольные манометры устанавливают на клапанах контрольного вывода, имеющихся во всех контурах пневмопривода, и соединительных головках - типа «Палм» питающей (аварийной) и тормозной магистралей двухпроводного привода и типа А соединительной магистрали однопроводного привода тормозов прицепа.

Клапаны контрольного вывода смонтированы:

на клапане ограничения давления - контура привода тормозных механизмов колес передней оси; а левом лонжероне рамы в зоне заднего моста - контура привода тормозных механизмов колес среднего и заднего мостов;

на правом лонжероне рамы в зоне заднего моста и воздушном баллоне - контура привода механизмов стояночного и запасного тормозов;

в воздушном баллоне - контура привода механизма вспомогательноготормоза и питания потребителей сжатого воздуха.

Перед проверкой работоспособности пневматического тормозного привода следует устранить утечки сжатого воздуха из пневмосистемы.

Последовательность проверки. 1. Пустив двигатель, заполнить иневматическую систему воздухом (до срабатывания регулятора давления 12). При этом давление во всех контурах тормозного привода и соединительной головке 35 (типа «Палм») питающей магистрали двухпроводного привода тормозов прицепа должно находиться в пределах 6,2-7,5 кгс/см2, а в соединительной головке 36 (типа А) однопроводного привода 4,8-5,3 кгс/см2.

Сигнальные лампы блока контрольных ламп тормозной системы должны погаснуть при достижении давления в контурах 4,5-5,5 кгс/см2. Одновременно прекращает работу шумовой сигнализатор (зуммер).

.Нажать полностью педаль привода рабочих тормозов. Давление по двух стрелочному манометру 5 в кабине водителя должно резко снизиться, но не более чем на0,5 кгс/см2. При этом давление в клапане контрольного вывода контура привода тормозных механизмов колес передней оси должно быть равно показанию верхней шкалы двух стрелочного манометра в кабине водителя.

Давление в клапане контрольного вывода контура привода тормозных механизмов колес среднего и заднего мостов должно быть не менее 2,5 кгс/см2 (для незагруженного автомобиля). Поднять вверх вертикальную тягу привода регулятора 30 тормозных сил на величину прогиба подвески под нагрузкой (40 мм для автомобилей мод. 5320) Давление в тормозных камерах 27 должно быть равным показанию нижней шкалы двух стрелочного манометра, а в соединительной головке 35 тормозной магистрали двухпроводного привода 6,2 -7,5 кгс/см2; в соединительной головке 36 соединительной магистрали - упасть до 0.

. Рукоятку привода крана стояночного тормоза установить в переднее фиксированное положение. Давление в клапане контрольного вывода контура привода механизмов стояночного и запасного тормозов должно быть равным давлению в воздушном баллоне 24 стояночного и запасного контура и находиться в пределах 6,2-7,5 кгс/см2, давление в соединительной

головке 35 тормозной магистрали двухпроводного привода - равным 0, в соединительной головке 36 - от 4,8 до 5,3 кгс/см2.

4. Рукоятку привода крана стояночного тормоза 7 установить в заднее фиксированное положение. На блоке контрольных ламп тормозной системы должна гореть (в мигающем режиме) контрольная лампа стояночного тормоза. Давление в клапане контрольного вывода контура привода механизмов стояночного и запасного тормозов и в соединительной головке 36 должно упасть до О, а в соединительной головке 35 тормозной магистрали двухпроводного привода должно быть равным 6,2-7,5 кгс/см2.

. При положении рукоятки крана стояночного тормоза в заднем фиксированном положении нажать на кнопку крана аварийного растормаживания 6. Давление в клапане контрольного вывода контура привода механизмов стояночного и запасного тормозов должно быть равным показанию двух стрелочного манометра 5 в кабине водителя. Штоки тормозных камер 26 механизмов среднего и заднего мостов должны убраться.

.Отпустить кнопку крана аварийного растормаживания Давление в клапане контрольного вывода механизмов стояночного и запасного тормозов должно упасть до 0.

.Нажать на кран вспомогательного тормоза 8. Штоки пневмоцилиндров управления заслонками моторного тормоза 18 и выключения подачи топлива должны выдвинуться.

Давление воздуха в тормозных камерах прицепа (полуприцепа) должно быть равным 0,6 кгс/см2.

По мере износа накладок ход рычага увеличивается, и эффективность тормоза может снизиться. Если рычаг устанавливается на 12-м зубе сектора, отрегулировать зазор между колодками и барабаном при помощи эксцентрика и звездочки, отсоединив тягу от рычага на раздаточной коробке.

Не допускается регулировать зазоры между колодками и барабаном изменением длины тяги, так как это приводит к выходу стояночного тормоза из строя.

Каждая колодка регулируется отдельно. Для регулирования зазора между правой колодкой и барабаном ослабить на пол-оборота стопорную гайку на эксцентриковом пальце со стороны щита и, поворачивая палец ключом снизу вверх, установить зазор 0,3...0,4 мм. Обратное вращение пальца приводит к неправильной регулировке и износу накладок. Зазор

следует проверять щупом через щель в отражателе тормоза. Стопорную гайку затянуть.

Для регулировки зазора между левой колодкой и барабаном удалить заглушку. Через отверстие в щите тормоза, поворачивая отверткой звездочку снизу вверх, установить зазор 0,3...0,4 мм. Установить заглушку.

При крайнем нижнем положении рычага, выбрав свободный ход рычага на раздаточной коробке (перемещая вверх до заметного увеличения усилия), вращением вилки тяги необходимо обеспечить совпадение отверстий в вилке и рычаге. Установить палец и зашплинтовать его.

При усилии на рычаге в кабине 350...400 Н собачка рычага должна устанавливаться на 4...8 зубе сектора. При прохождении собачкой 2...4 зуба сектора должна загореться лампа сигнализатора включения стояночного тормоза. Регулирование момента включения осуществляется изменением количества прокладок под выключателем сигнализатора.

Инструкционно- техническая карта по разборке и сборке

ГАЗ 3307.

Разборка тормозного механизма. Отпускают регулировочный винт 1 настолько, чтобы концы колодок упирались в корпус регулировочного механизма. Отвертывают передний конец карданного вала и тягу привода от разжимного рычага тормоза. Снимают барабан. Отвертывают болты крепления тормозного механизма к коробке передач. Осторожно снимают отражатели масла и грязи. тормозная система кран

Снимают колодки, для чего отсоединяют пружины, стягивающие колодки, от корпусов регулировочного и разжимного механизмов. Снимают разжимной механизм и вынимают из него толкатели колодок, шарики и корпус шариков. Снимают регулировочный механизм и вынимают из него опоры колодок.

При необходимости вынимают заглушку из корпуса, а затем вынимают разжимной сухарь и отвертывают регулировочный винт.

Проверка и ремонт деталей стояночной тормозной системы. Тормозной барабан на рабочей поверхности не должен иметь задиров, глубоких рисок от изнашивания, выступающего цилиндрического пояска.

Выступающий цилиндрический поясок удаляют шабером. При наличии задиров, глубоких рисок барабан растачивают. Диаметр расточки не более 22,5мм. Барабаны с диаметром рабочей поверхности более 223мм к эксплуатации не допускают из-за возможного разрушения.

Фрикционные накладки колодок должны быть чистыми, без масляных пятен и глубоких рисок. При необходимости их зачищают шкуркой. Толщина фрикционных накладок не должка быть менее 0,5 мм до головок заклепок в наиболее изношенной части. При необходимости заменяют колодки вместе с фрикционными накладками или приклепывают к колодкам новые накладки.

После приклепки шлифуют наружную поверхность накладок так, чтобы их радиус был на 0,2 - 0,3 мм меньше радиуса барабана для ускорения приработки. Обе колодки заменяют одновременно.

Корпуса регулировочного и разжимного механизмов, а также входящие в них детали очищают от коррозии и грязи. Образованные на скосах толкателей вмятины глубиной до 0,15 мм удаляют шлифовкой скосов или заменяют толкатели. Если шарики покрылись коррозией или имеют граненность, их заменяют. Диаметр шарика 11,9 мм. Пружина на регулировочном болте должна надежно удерживаться заклепкой и при повороте фиксироваться в пазах болта.

Сборка тормозного механизма

Сборку ведут в последовательности, обратной разборке. При сборке толкатели, шарики, корпус шариков разжимного механизма, а также опоры колодок регулировочного механизма и опорные поверхности концов колодок смазывают тонким слоем Литола- 24 или жировым смазочным материалом. Следят, чтобы смазочный материал не попал на фрикционные накладки колодок.

На первичную колодку устанавливают более слабые пружины, окрашенные в красный или серый цвет, а на вторичную - пружины, окрашенные в черный цвет.

КамАЗ.

Наименование операций, переходов и приемов

Выключить стояночную тормозную систему

Ослабить гайки крепления осей колодок и сблизить эксцентрики, повернув оси метками друг к другу. Метки поставлены на наружных торцах осей

Подайте в тормозную камеру сжатый воздух под давлением 49... 68,8 кПа (0,5... 0,7 кгс/см2) (нажать тормозную педаль при наличии воздуха в системе или использовать сжатый воздух из установки). При отсутствии сжатого воздуха вынуть палец штока тормозной камеры и, нажимая регулировочный рычаг в сторону хода штока тормозной камеры при торможении, прижать колодки к тормозному барабану. Поворачивая эксцентрики в ту и другую стороны, сцентрировать колодки относительно барабана, обеспечив плотное прилегание их к барабану. Прилегание колодок к барабану проверять щупом через окна в тормозном щитке, расположенные на расстоянии 20... 30мм от наружных концов накладок. Щуп толщиной 0,1мм не должен проходить вдоль всей ширины накладки.

Не прекращая подачи сжатого воздуха в тормозную камеру, а при отсутствии сжатого воздуха не отпуская регулировочного рычага и удерживая оси колодок от проворачивания, надежно затянуть гайки осей.

Прекратить подачу сжатого воздуха, а при отсутствии сжатого воздуха отпустить регулировочный рычаг и присоединить шток тормозной камеры

Повернуть оси червяка регулировочного рычага так, чтобы ход штока тормозной камеры был 20... 30мм. Убедиться, что при включении и выключении подачи воздуха штоки тормозных камер перемещаются быстро, без заеданий.

Проверить вращение барабанов. Они должны вращаться свободно и равномерно, не касаясь колодок. После указанной регулировки между тормозным барабаном и колодками могут быть следующие зазоры: у разжимного кулака 0,4мм, у осей колодок 0,2мм.


НОТ и соблюдение техники безопасности при выполнении разборочно-сборочных работ

Основной задачей охраны труда является соблюдение всеми работающими нормативов и правил по трудовому законодательству, технике безопасности, промышленной санитарии и гигиене труда. Несоблюдение этих правил и нормативов в большинстве случаев приводит к несчастным случаям работающих. Ниже рассмотрим основные правила по технике безопасности, промсанитарии и гигиене труда при разборочно-сборочных, моечных и окрасочных работах.

Основные правила охраны труда и техники безопасности при разборочно-сборочных работах. Разборка и сборка машин связана с подъемом и опусканием крупногабаритных деталей. Поэтому подъемно-

транспортное оборудование должно быть в исправном состоянии и использоваться только по своему прямому назначению. К работе с этим оборудованием допускаются лица, прошедшие соответствующую подготовку и инструктаж. Техническое состояние и пригодность к работе талей и схваток должны быть проверены.

Резьбовые соединения съемников не должны иметь сорванных ниток, болты - смятых головок, корпуса и рычаги - трещин, погнутостей и т. п.

Повышенную опасность представляют операции снятия и установки пружин, поскольку в них накапливается значительная энергия. Эти операции необходимо выполнять на специальных стендах или при помощи приспособлений, обеспечивающих безопасную работу.

Гидравлические и пневматические устройства должны быть снабжены предохранительными и перепускными клапанами. Рабочий инструмент должен находиться в исправном состоянии. Молотки должны быть прочно насажены на рукоятки. Ключи, имеющие увеличенные зазоры между зевом и гайкой, с деформированными плоскостями зева применять нельзя.

При работе с электрифицированным инструментом или оборудованием необходимо следить за исправностью заземления и электропроводки, требуется применять резиновые коврики и перчатки. При разборке машин нельзя загромождать проходы и проезды.

Под грузом стоять нельзя. Агрегаты и детали массой более 20 кг необходимо снимать, транспортировать и устанавливать при помощи подъемно-транспортных средств. Рабочие места должны быть освещены согласно существующим нормам.

Рабочие должны работать в спецодежде (комбинезонах), а при использовании электрифицированного инструмента - надевать резиновые перчатки.


Перед снятием с агрегатов жидкость, находящуюся в них, сливают в специальные закрытые емкости по ГОСТ 12.2.002, ГОСТ 12.2.019, ГОСТ 18523, ГОСТ 18524.

Технические выбросы, удаляемые местными отсосами от технологического оборудования, ядовитые газы, пары, которые выделяются при техническом обслуживании тракторов и машин, подвергают очистке перед выбросом их в атмосферу, с тем чтобы концентрация вредных веществ, выбрасываемых в атмосферу, не превышала допустимого предела санитарных норм, указанных в ГОСТ 12.1.005, ГОСТ 17.2.2.02, ГОСТ 17.2.2.05.

Отходы производства хранят в специальной таре, в местах, предназначенных для этой цели, согласно.

Хранение и перевозку материалов и веществ с опасными и вредными выделениями осуществляют способами, исключающими их попадание в почвы, водоемы, канализацию, водопроводную систему, травмирование, интоксикацию, загрязнение, возгорание, взрыв или другие неблагоприятные последствия по ГОСТ 12.1.005.

Производственные (рабочие, монтажные) площадки, на которых выполняют работы по ТО тракторов и машин, должны соответствовать требованиям санитарных правил и норм согласно.

Вывод

Операции по техническому обслуживанию автомобилей нужно выполнять в специально отведенных, оборудованных, огражденных, и обозначенных местах (постах.) Рабочие места и посты, в помещениях для ремонта автомобилей должны обеспечиваться безопасными условиями труда для работающих и быть соответствующим образом ограждены. На одного рабочего положено не менее 45 квадратных метра и объемом помещения не менее 15 кубических метров. Ворота рабочих помещений должны открываться наружу, иметь фиксаторы, тепловые завесы, тамбуры. Выезды из производственных помещений выполняются с уклоном 5%. Они не должны иметь порогов, ступенек, выступов.

Производственные помещения должны соответствовать требованиям технической этике. Так же посты должны быть обеспечены предупреждающими знаками При проведении всех работ, связанных с уходом за автомобилем и его техническим обслуживанием, надо строго соблюдать необходимые меры безопасности, имея в виду, что автомобиль является средством повышенной пожарной, экологической и функциональной опасности. В помещении мастерской всегда поддерживать порядок, не оставлять замасленных тряпок, способных вызвать самовозгорание, содержать электропроводку в исправном состояние, применять переносные лампы напряжением не более 12 В.

В помещениях, где обслуживаются автомобили, не хранить бензин, баллоны с газом, краску и другие легковоспламеняющиеся вещества и предметы, не использовать газовые горелки и паяльные лампы, имеющими открытый факел огня, а также не применять самодельные электроподогревающие устройства и не курить.

При продувке гидропривода тормозной системы автомобиля, а также при заливке тосола, оказывающего отравляющее действие на организм человека, не подсасывать его через шланг ртом, а использовать магистральный сжатый воздух или насос для подкачки шин.

Применяемый при работах инструмент должен содержатся чистом и исправном состояние. При работах выполняемых электроинструментом соблюдать правила техники безопасности.

Воздействие транспорта и обеспечение функционирования его инфраструктуры на окружающую среду сопровождается значительным её загрязнением. В качестве основных видов воздействия транспортно-дорожного комплекса России можно отметить загрязнение атмосферного воздуха токсичными компонентами отработавших газов транспортных двигателей, выбросы в атмосферу стационарных источников загрязнения, образование производственных отходов и воздействие транспортного шума.

С транспортно-дорожным комплексом связаны газообразные, жидкие и твёрдые отходы, поступающие в атмосферу, подземные воды и поверхностные водоёмы. В результате сжигания органического топлива в двигателях транспортных средств в атмосферу поступает значительное количество углекислого газа и вредных веществ - свинца, углеводородов, оксидов углерода, серы и азота.

По данным Госкомстата РФ, ежегодно около 53% выбросов загрязняющих веществ в атмосферу приходится на выбросы транспортных средств.

Общий объём выбросов загрязняющих веществ автомобильным транспортом РФ составляет (70% от всех видов транспорта, или около 40% общего количества антропогенного загрязнения атмосферы).

Доля автомобилей, не соответствующих нормативам по токсичности и дымности отработавших газов, составляет 14,5%. В отдельных регионах число таких автомобилей существенно больше: в Читинской обл. - 51%, в Мордовии - 43,8%, в Вологодской обл. - 33,8%.

Снижение токсичности отработавших газов реализуется путём совершенствования рабочего процесса двигателей, снижения концентрации вредных компонентов в отработавших газах (использование каталитических нейтрализаторов и дожигателей), разработки новых двигателей, работающих на альтернативных топливах (природный газ, бензин в смеси с водородом, синтетические спирты, водород, метанол, использование электроэнергии аккумуляторных батарей и фотоэлементов), поддержания рациональных режимов работы, обеспечения исправного технического состояния.

Список использованной литературы

1. Автомобили КАМАЗ. Модели с колесной формулой 6х4 и 6х6. Руководство по эксплуатации, ремонту и техобслуживанию. М., 2004. 314 с.

. Руководство по ремонту и техническому обслуживанию автомобилей

КамАЗ. М., 2001.289 с.

. Пергамент Л.Р. Водителю автомобиля КамАЗ. М., 1982. 160 с.

. СТП СГУПС 01.01-2000. Курсовой и дипломный проекты. Требования к оформлению. Новосибирск, 2000. 44 с.

Автомобиль ГАЗ-3307: Устройство, технического обслуживания,

ремонт / А.М. Ширяев, Г.Ф. Анисимов, О.И. Загородзкий и др.; Под ред. Ю.В. Кудрявцева. - М.: Транспорт,1995.-254 с.

. Пеханский А.П. Устройство автомобилей: Учебник для студ. учреждений сред. проф. Образования/ А.П. Пеханский, И.П. Пеханский. -М.; Издательский центр «Академия»,2005.-528 с.

Похожие работы на - Тормозная система автомобиля ГАЗ-3307

 

Не нашли материал для своей работы?
Поможем написать уникальную работу
Без плагиата!
Без нейросетей!