Расчет участка ремонта двигателей с разработкой технологии ремонта головки блока цилиндров автомобилей ВАЗ–2112

  • Вид работы:
    Дипломная (ВКР)
  • Предмет:
    Транспорт, грузоперевозки
  • Язык:
    Русский
    ,
    Формат файла:
    MS Word
    3,99 Мб
  • Опубликовано:
    2015-06-15
Вы можете узнать стоимость помощи в написании студенческой работы.
Помощь в написании работы, которую точно примут!

Расчет участка ремонта двигателей с разработкой технологии ремонта головки блока цилиндров автомобилей ВАЗ–2112

Введение

В нашей стране принята планово-предупредительная система технического обслуживания и ремонта автомобилей, регламентированная «Положением о техническом обслуживании и ремонте подвижного состава автомобильного транспорта», которая представляет собой совокупность средств, нормативно-технической документации и исполнителей, необходимых для обеспечения работоспособного состояния подвижного состава. Данной системой предусматривается обеспечение работоспособного состояния подвижного состава автомобильного транспорта путем проведения планово-предупредительных работ по его техническому обслуживанию и ремонту. Планово-предупредительный характер системы технического обслуживания и ремонта определяется плановым и принудительным (через установленные пробеги или промежутки времени работы подвижного состава) выполнением контрольно-диагностических операций с последующим выполнением по потребности необходимых работ.

«Положением о техническом обслуживании и ремонте

подвижного состава автомобильного транспорта регламентируются виды и режимы технического обслуживания и ремонта с учетом условий эксплуатации автомобилей. Под режимом технического обслуживания понимают его периодичность, перечень выполняемых при этом работ и их трудоемкость.

Ремонтом-является комплекс операций по восстановлению исправного или работоспособного состояния, ресурса и обеспечения безопасности работы подвижного состава и его составных частей. Ремонт выполняется как по потребности после появления соответствующего неисправного состояния, так и принудительно по плану, через определенный пробег или время работы автомобиля. Второй вид ремонта является планово-предупредительным.

Ремонт автомобилей является объективной необходимостью, обусловленной невозможностью обеспечения одинаковых сроков службы деталей и сборочных единиц автомобиля при изготовлении и в процессе эксплуатации. В связи с этим нецелесообразно прекращать эксплуатацию автомобиля при выходе из строя отдельных деталей и сборочных единиц. Ремонт позволяет более полно использовать ресурс деталей автомобиля и продлить срок его службы.

Ремонт подразделяют на текущий и капитальный:

Текущий ремонт - предназначен для обеспечения работоспособного состояния автомобилей, с восстановлением или заменой отдельных его агрегатов, узлов и деталей (кроме базовых), достигших предельно допустимого состояния. Текущий ремонт должен обеспечивать безотказную работу отремонтированных агрегатов, узлов и деталей автомобиля на пробеге не менее чем до очередного ТО-2.

Определение потребности в текущем ремонте осуществляется обычно при техническом обслуживании и диагностировании автомобиля, а выполнение его, как правило, совмещается с текущим обслуживанием, либо производится при возникновении отказов.

На крупных автотранспортных предприятиях (АТП) текущий ремонт может осуществляться агрегатным методом, при котором отказавший или требующий ремонта агрегат заменяется на новый или заранее

отремонтированный, а снятый с автомобиля агрегат направляется в ремонт. При этом сокращаются простои в ремонте.

Капитальный ремонт - предназначен для восстановления исправности и близкого к полному (не менее 80%) ресурсу автомобиля или агрегата путем замены и (или) восстановления любых сборных единиц и деталей, включая базовые.

Капитальный ремонт может производиться необезличенным и обезличенным методами.

Необезличенный (индивидуальный) метод - метод ремонта, при котором сохраняется принадлежность восстановленных деталей или сборочных единиц к определенному объекту ремонта (автомобилю или агрегату), на котором они были установлены до ремонта. При этом методе в определенной степени сохраняется взаимная приработанность деталей, их первоначальная связь, что обеспечивает более высокое качество ремонта.

Обезличенный метод - метод ремонта, при котором не сохраняется принадлежность восстановительных деталей или сборочных единиц к определенному объекту ремонта. Данный метод может использоваться только на крупных предприятиях по ремонту автомобильных агрегатов и позволяет упростить организацию выполнения ремонтных работ и сократить время ремонта при большой производственной программе предприятия. Для ремонта легковых автомобилей данный метод в настоящее время не применяется.

Диагностирование - это определение технического состояния автомобилей, их агрегатов и узлов без разборки. Диагностирование является техническим элементом технического обслуживания и ремонта автомобилей.

Цель диагностирования при техническом обслуживании заключается в определении действительной потребности в выполнении работ технического обслуживания путем сопоставления фактических значений параметров с предельными, а также в оценке качества выполнения работ.

Цель диагностирования при ремонте заключается в выявлении неисправностей, причин их возникновения и установлении наиболее эффективного способа устранения: на месте, со снятием агрегата узла или детали, с полной или частичной разборкой и заключительным контролем качества выполнения работ.

При диагностировании с помощью контрольно-диагностических средств определяют диагностические параметры, по которым судят о структурных параметрах, отражающих техническое состояние диагностируемого механизма.

Структурный параметр - это физическая величина, непосредственно отражающая техническое состояние механизма (геометрическая форма, размеры, взаимное расположение поверхностей деталей). Структурные параметры, как правило, нельзя измерить без разборки механизма.

Диагностический параметр - это физическая величина, контролируемая средствами диагностирования и косвенно характеризующая работоспособность автомобиля или сто составной части (например, шум, вибрация, стуки, снижение мощности, давления).

Необходимость косвенной оценки структурных параметров с помощью диагностических параметров обусловлена сложностью непосредственного измерения структурных параметров, поскольку их, как правило, нельзя измерить без разборки механизма. Таким образом, диагностирование позволяет своевременно выявлять неисправности и предупредить внезапные отказы, сокращая потери от простоев автомобиля при устранении непредвиденных поломок. Однако при этом необходимо знать взаимосвязь структурных и диагностических параметров.

Различают номинальные, допускаемые, предельные, упреждающие и текущие значения диагностических и структурных параметров.

Номинальное значение параметра определяется его конструкцией и функциональным назначением. Номинальные значения параметров имеют обычно новые или капитально отремонтированные механизмы.

Допускаемым значением параметра называется такое граничное значение, при котором механизм может сохранять работоспособность и исправность до следующего планового контроля без каких-либо дополнительных воздействий.

Предельным значением параметра называется наибольшее наименьшее его значение, при котором обеспечивается работоспособность механизма. При достижении предельного значения параметра дальнейшая эксплуатация механизма либо технически недопустима, либо экономически нецелесообразна.

Применяют следующие основные методы диагностирования:

по параметрам рабочих процессов (например, по расходу топлива, мощности двигателя, тормозному пути), измеряемым при наиболее близких к эксплуатационным условиям режимах;

по параметрам сопутствующих процессов, пример, шумам, нагреву деталей, вибрациям), также измеряемым при наиболее близких к эксплуатационным условиям режимах;

по структурным параметрам (например, люфтам),измеряемых у неработающих механизмов.

Различают комплексное диагностирование (Д1), предремонтное, поэлементное диагностирование (Д2) и приремонтное диагностирование.

Комплексное диагностирование - обычно выполняют с периодичностью ТО-1 на завершающей его стадии. Оно заключается в измерении основных рабочих параметров автомобиля, определяющих безопасность и эффективность его эксплуатации, например расход топлива, тормозной путь, уровень шума в механизмах и т.д. Если измеренные параметры находятся в допустимых пределах, диагностирование завершают, а если нет, то выполняют поэлементное диагностирование.

Поэлементное диагностирование - выполняют обычно перед ТО-2 с целью детального обследования технического состояния механизма и выявления неисправностей и их причин.

.АНАЛИТИЧЕСКАЯ ЧАСТЬ

.1 Характеристика предприятия

Станция технического обслуживание - это территория, оснащенная для обслуживания, ремонта и хранения автомобилей. С целью обеспечить исправность автомобиля, на этом СТО выполняются работы, носящие профилактический характер капитальный ремонт (КР). Для выполнения всех работ применяют современное оборудование, которое обеспечивает качественное выполнение ремонта и высокий уровень безопасности.

СТОА имеет следующие зоны и участки:

зоны КР;

моечный участок;

участки по ремонту двигателей;

участки по диагностированию автомобилей;

участки по регулировке различных механизмов;

участки хранения автомобилей (автомобилей, которые ждут

ремонта, и которые уже отремонтированы);

склад.

Через каждые полгода с рабочими проводятся занятия инструктажа по технике безопасности. Проводится проверка работоспособности оборудования приспособлений, исправность электропроводки, и противопожарных систем.

В обязательном порядке наблюдается за исправностью оборудования, которым пользуются рабочие, чтобы работа с ними не привела к различным видам травм.

Участок мойки автомобилей оборудован автоматической моечной машиной для мойки кузова и днища автомобиля, снаряжением для ручной мойки, мойки салона и двигателя. СТОА снабжается горячей и холодной водой, отоплением, электроэнергией, сжатым воздухом.

Автомобили, пришедшие в ремонт, проходят мойку, затем проводится приёмка, на которой делается опись автомобиля:

данные об автомобиле (регистрационный номер, номер

двигателя, номер кузова, марка автомобиля);

дополнительное оборудование автомобиля;

внешние повреждения (сколы, трещины, вмятины, царапины)

вещи оставленные владельцем в автомобиле.

Составленная опись подписывается клиентом, если она его удовлетворяет, после чего автомобиль загоняют на пост и проводят операции по его ремонту.

Устранив все неисправности и отказы, автомобиль выдают владельцу. Он проверяет исправность автомобиля, сверяет комплектацию с описью и, если клиента всё удовлетворяет, он забирает свой автомобиль.

Также на территории СТОА располагается столовая, буфет или закусочная, где клиенты могут перекусить и отдохнуть пока автомашина находится в ремонте. Медицинский кабинет, где, при необходимости, окажут помощь.

.2 Характеристика объекта проектирования

Зона проектирования ТР

Зона текущего ремонта предназначена для выполнения комплекса работ по агрегатам и узлам автомобиля, неисправность которых нельзя устранить путём регулировочных работ с целью восстановления их параметров и работоспособности.

В зависимости от характера и места производства работ ТР выполняют либо на рабочих постах, либо на специализированных участках. К постовым работам относят: разборочно-сборочные операции, выполняемые непосредственно на автомобиле, регулировочные и крепёжные работы, устранение неисправностей тормозной и других систем, а также незначительных повреждениях агрегатов и узлов без их демонтажа и разборки. Рабочие посты участка ТР автомобилей оснащают необходимым оборудованием, подъёмными устройствами, приспособлениями и инструментом. Ряд работ, например замена карбюраторов и свечей зажигания, по своему характеру не требует применения подъёмников и выполняется на напольном посту - соответствующем автомобиле-месту, оборудованному подъемниками ПТО-16, приспособлениями и инструментами.

Выявление потребности в ТР осуществляется на разных стадиях производственного процесса. На АТП выполняют работы ТР с устранением неисправностей, заявленных владельцем автомобиля, а также в результате проведения контроля при диагностических работах и ТО, выполнение которых на постах диагностики и ТО в виду большой их трудоемкости или других причин не целесообразно. На участок ТР поступают также автомобили, которые нуждаются в услугах только специализированных участков для выполнения вне постовых работ: ремонта и заряда аккумуляторных батарей, ремонта электрооборудования, ремонта топливной аппаратуры, шиномонтажных и других.

На участке ТР выполняют только постовые работы, связанные с демонтажем-монтажом и последующей регулировкой агрегатов и узлов непосредственно на автомобиле. Все разборочно-сборочные, контрольно-дефектовочные, ремонтно-восстановительные и моечные операции (за исключением наружной мойки), предусмотренных текущим ремонтом, а также обкатки отремонтированных агрегатов, включающей их стендовую приработку, регулировку, испытание и устранение дефектов выполняется на территории отделения.

Итого имеем следующие виды работ:

Разборочно-сборочные работы.

Регулировочные и крепежные работы.

Устранение незначительных неисправностей агрегатов и узлов без их демонтажа и разборки.

При этом контрольно-диагностические и регулировочные работы по системам автомобиля, как правило, целесообразно проводить одновременно, используя при регулировках контрольное оборудование. Наиболее высокие требования к качеству ремонта с позиций обеспечения безопасности движения предъявляются к тормозным системам, рулевому управлению, установке передних колес. Поэтому диагностические и регулировочные работы по этим системам выделяют в отдельную группу.

Цель диагностирования при текущем ремонте заключается в выявление отказа или неисправности и установление наиболее эффективного способа их устранения: на месте, со снятием узла или агрегатов с полной или частичной разборкой их или регулировкой. Текущий ремонт заключается в проведении разборочно-сборочных, слесарных, сварочных и других работ, а также замены деталей в агрегатах (кроме базовых) и отдельных узлов и агрегатов в автомобиле (прицепе, полуприцепе), требующих соответственно текущего или капитального ремонта.

При текущем ремонте агрегаты на автомобиле меняют только в том случае если время ремонта агрегата превышает время, необходимое для его замены.

Пример планировки зоны ТР

При проектировании помещений для хранения автомобилей и постов технического ремонта основными факторами, определяющими размеры сооружений, являются габариты автомобилей и наименьшие радиусы их поворотов.

Высоту помещений постов ТР напольных и оборудованных смотровыми канавами следует принимать не менее 2,5 м в чистоте. Размеры осмотровых канав рекомендуется проектировать с учетом следующих требований:

длина рабочей зоны осмотровой канавы должна быть не менее габаритной длины обслуживаемого автомобиля (но не менее 5 м);

ширина осмотровой канавы должна устанавливаться исходя из размеров колеи автомобиля с учетом устройства наружных реборд (0,9 м для легковых автомобилей, также для автобусов особо малого класса);

рекомендуемая глубина осмотровой канавы - 1,5 м.

На въездной части осмотровой канавы целесообразно предусматривать рассекатель высотой 0,15 м.

Для входа в осмотровую канаву рекомендуется предусматривать лестницы шириной не менее 0,7 м.

Входы в осмотровые канавы не следует располагать под автомобилями и на путях движения и маневрирования автомобилей, рекомендуется также устройство ограждения указанных входов перилами высотой 0,9 м.

На тупиковых осмотровых канавах целесообразно предусматривать устройства упоров для колес автомобилей. В осмотровых канавах желательно устройство ниш для размещения светильников и розеток для включения переносных ламп.

Автомобиль при движении в пределах здания совершает повороты и другие маневры, в том числе при установке его на место хранения или для ТО и ТР. При этом должны соблюдаться так называемые защитные зоны (рекомендуемое приближение), исключающие взаимные повреждения въезжающего автомобиля и автомобилей, стоящих в одном или в противоположном с ним ряду (по другую сторону проезда).

Пост ТР:

 где О - это рабочее место - это подвод сжатого воздуха , - это местный вентиляционный отсос , - это подвод электроэнергии.

Характеристика объекта ремонта

Рис.2. Габаритные размеры автомобиля Fiat Albea

В декабре 2006 года на производственной площадке завода микролитражных автомобилей (ЗМА) «Северсталь-авто» началась сборка Fiat Albea.

За рулем Fiat Albea можно расположиться без труда, все очень продумано. Передние сидения порадуют хорошей боковой поддержкой. Использованный пластик в отделке передней панели качественный и приятный на ощупь.

Все органы управления автомобилем находятся под рукой. Эргономика на высоком уровне. Рулевое управление с гидроусилителем, регулируемая по высоте рулевая колонка, бардачок с подсветкой и элегантный центральный тоннель с удобным рычагом КПП и подстаканником - все, чтобы облегчить Вам жизнь, Fiat Albea отличается самым вместительным багажником в своём классе. Его объем - 515 литров.

Комфортная подвеска Fiat Albea без проблем проглатывает мелкие огрехи наших дорог. Двигатель 1,4 литра в 77 л.с. и механическая коробка - оптимальные параметры для рабочего автомобиля. Максимальная скорость 162 км/ч, разгон до сотни за 13,5 секунд. Этот двигатель является результатом технологического прогресса исследовательского центра FIAT: он не только гарантирует существенное снижение потребления топлива, бесшумное движение, но и минимальный выброс CO2. Пятиступенчатая механическая КПП обеспечивает превосходную избирательность переключения передач. Оптимально подобранные передаточные числа позволят максимально полно использовать возможности двигателя.

На российском рынке Fiat Albea предлагается в трех комплектациях - Base, Classic и Comfort. В базовое оснащение всех автомобилей входят центральный замок, регулируемая по высоте рулевая колонка, гидроусилитель руля, подушка безопасности водителя, 14-дюймовые колесные диски, полноразмерное запасное колесо, иммобилайзер, аудиоподготовка (6 динамиков) и устройство «Follow me home», позволяющее задать временную паузу до выключения ближнего света фар после выключения зажигания.

В комплектации Classic список стандартного оборудования расширен передними электрическими стеклоподъемниками, электроприводами зеркал, противотуманными фар, кондиционером с системой фильтрации воздуха, бортовым компьютером и раздельно складывающейся спинкой заднего сиденья (в соотношении 60х40).

подушкой безопасности переднего пассажира, АБС с системой распределения тормозных усилий EBD, регулировкой поясничного подпора и высоты подушки водительского кресла.

Все Fiat Albea российской сборки оснащены «зимним пакетом», который предусматривает морозоустойчивые резинотехнические изделия, аккумулятор увеличенной емкости, эксплуатационные жидкости с пониженным порогом замерзания, а также отопитель повышенной мощности.

Таблица 1. Технические характеристики автомобиля Fiat Albea.

Кузов

Тип кузова

Седан

Количество дверей

4

Количество мест

5

Ширина

1703 мм

Длина

4210 мм

Высота

1489 мм

Колесная база

2439 мм

Колея передняя

1414 мм

Колея задняя

1438 мм

Дорожный просвет

150 мм

Объем багажника максимальный

515 л

Двигатель

Тип двигателя

Бензин

Объем двигателя

1368 см³

Мощность

77 л.с.

При оборотах

6000

Крутящий момент

115/3000 н*м

Система питания

Распределенный впрыск

Газораспределительный механизм

OHC

Расположение цилиндров

Рядный

Количество цилиндров

4

Диаметр цилиндра

72 мм

Ход поршня

84 мм

Степень сжатия

11,7

Количество клапанов на цилиндр

2

Топливо

АИ-95

Кол-во передач (мех коробка)

5

Передаточное отношение главной пары

4,07

Привод

Передний

Тормозная система

Передние тормоза

Дисковые

Задние тормоза

Барабанные

Рулевое управление

Тип рулевого управления

Шестерня-рейка

Эксплуатационные показатели

Максимальная скорость

162 км/час

Время разгона (0-100 км/ч)

13,5 с

Расход топлива в городе на 100 км

8,2 л

Расход топлива на шоссе на 100 км

5 л

Расход топлива в смешанном цикле на 100 км

6,2 л

Снаряженная масса автомобиля

1015 кг

Объем топливного бака

47 л

Размер шин

175/70 R14

Размер дисков

5.5J x 14

Экологический стандарт

Euro 4


Конструктивные особенности первичного вала КПП.


Сцепление является важным конструктивным элементом трансмиссии автомобиля. Главная задача сцепления автомобиля - передать крутящий момент от двигателя. При работе сцепление кратковременно отсоединяет двигатель от трансмиссии и затем плавно их соединяет. Кроме всего прочего сцепление предохраняет от перегрузок детали трансмиссии. Об этом мы и расскажем Вам в статье «Ремонт и техническое обслуживание сцепления».

Сцепление состоит из привода, включающего в себя педаль, тягу, вилку и муфту с выжимным подшипником. Как только водитель отпустит педаль, сцепление будет включено. Включение происходит в момент, когда ведомый диск прижат к маховику нажимным диском при помощи пружины. Путем трения поверхности ведомого диска с маховиком и нажимным диском происходит процесс сцепления. Как только водитель нажмет на педаль сцепления, оно выключится. Выключение происходит по причине перемещения к маховику муфты с выжимным подшипником, при этом отодвигается нажимной диск от ведомого диска. То есть ведущие, и ведомые детали сцепления между собой разъединяются.

Сцепление производится при помощи силовой муфты, в качестве которой могут выступать фрикционные, гидравлические и электромагнитные муфты. В зависимости от того, какая муфта установлена, и передача крутящего момента осуществляется силами трения, гидродинамическими силами или при помощи электромагнитного поля. Сцепление предназначено для соединения или временного разъединения двигателя и трансмиссии.

.4. Задачи проектирования

Данный проект посвящен разработке и проектированию специального участка по ремонту двигателей, обслуживающего марку ВАЗ 2112. Всвязи с этим сформулированы следующие задачи:

.Расчет автомобилей, выходящих на линию ежедневно.

.Расчет количества рабочих мест и определение количества штатныхрабочих.

.Расчет необходимого количества оборудования.

.Расчет необходимой площади участка ТР.

.Выбор необходимого оборудования и оснастки.

.Разработка алгоритма основного маршрута технологического процесса ремонта двигателя.

.Планировка участка .

Основными из которых являются расчет необходимой площади участка и размещение на нем необходимого оборудования. Для решения данных основных задач необходимо:

.Определить количество штатных рабочих.

.Определить годовую трудоемкость рабочих.

.Подобрать необходимое оборудование.

.Разработать технологический процесс работы участка.

.Определить площадь участка.

.Разработать планировку участка.

.Организовать производственный процесс

2. Технологическая часть

Исходные данные:

Таблица 2

 Наименование

Показатель

1. Количество ремонтов в год

200

2. Марка автомобиля

ВАЗ - 2112

3.Удельная трудоемкость для ТРtтр, чел .час.

28.8

4.Количество дней работы предприятия

257

5. Режим работы участка

1 смена


2.1 Расчет проектируемого участка

1) Расчет численности производственных рабочих

При пятидневной рабочей неделе:

Фрм = Тсм (Дкг - Дв - Дпр)

где Тсм - продолжительность рабочей смены, ч;

Дкг - число календарных дней в году;

Дв - число выходных дней в году;

Дпр - число праздничных дней в году.

Фрм = 8 х (365 - 108) = 2056 ч.

Действительный производственный фонд времени:

Фпр = (Тсм х (Дк - Двых - Дпр - Дотп) ) х Кп

где Дотп - дни отпуска (28 дней);

Кп - коэффициент пропуска рабочих дней по уважительной причине - 0,9

Фпр = (8 × (365 - 108- 28))х0,9 = 1648,8ч

Принимаем: фонд рабочего места - 2056ч;

Фонд производственного рабочего - 1648,8 ч;

Годовой объем работ:

Тг = Т х Нг

где Нг - годовая производственная программа, шт.;

Т - трудоемкость на единицу продукции, ч*мин.

Тг = 28,8 х 200 = 5760 чел* час.

Число штатных рабочих определяется по формуле:

Ршт = Тг / (Фпр х Кпп)

где Тг - годовой объем работ, чел *час;

Фпр - годовой фонд времени одного производственного рабочего, ч.;

Кпп - коэффициент, учитывающий повышение производительности труда.

.2 Определение номенклатуры и количества (габариты, стоимость):

Ршт =5760/ (1648,8 х 1,25) = 3 чел.

Число явочных рабочих определяют по формуле:

Ряв = Тг / (Фрм х Кпп),

где Фрм - годовой фонд рабочего места, ч.

Ряв = 5760/ (2056 х 1,25) =2 чел.

) Подбор технологического оборудования

Х обр = Тг / ( Фдов х Кпп )

гдеТ - годовой объем работ, чел*час;

Фдов - годовой действительный фонд времени оборудования, ч;

Кпп - коэффициент, учитывающий повышение производительности труда.

Х обр = 5760/ (2056 х 1,25) = 2

.2.1 Определение оборудования

Таблица 3

Ведомость технологического оборудования

Наименование оборудования

Кол-во

Габаритные размеры, мм

Площадь, м²

Мощность, кВт

Стоимость, тыс. руб.

1. Моечная машина

1

3332х1600х2118

5,33

0,45

65,0

2. Стенд для опрессовки блоков и головок блока цилиндров

1

1800х850х1600

1,53

0,35

60,0

3. Расточной станок

1

1200х1150х2050

1,38

2,45

30,0

4.Кантователь (стенд) для двигателя

1

875х195х190

0,16

-

10,0

5.Хонинговальный станок

1

1295х1145х2755

1,48

7,5

30,0

6. Фрезерны станок

1

1820х1460х2250

2,66

1,5

25,0

7. Пресс гидравлический

1

1000х680х1340

0,68

6,5

30,0

8. Стенд для притирки клапанов

1

1300х700х1200

0,91

2,2

100,0

9. Станок для шлифования фасок клапанов

1

1000х1400х1300

1,4

0,25

130,0

10. Стенд для разборки-сборки головок блока

1

1000х900х750

1,8

0,37

50,0

11. Стенд для обкатки двигателя

1

3020х1010х1040

3,05

5,3

90,0

12. Кран - балка

1

9000х1320

11,88

9,5

100,0

13. Токарный станок

1

1300х560х640

0,73

0,38

30,0

14. Компрессор

1

1240х890х900

1,10

10,0

Итого



34,09 м²

38,75 кВт

760000руб


.2.2 Определение оргоснастки

Таблица 4

Ведомость оргоснастки

Наименование

Количество

Габаритные размеры, мм

Общая занимаемая площадь, м2

1. Стеллаж

2

1040х665х1900

1,38

2. Верстак

4

1000х600х700

2,4

3. Шкаф

2

560х500х1260

0,56

4. Стол дефектовщика

1

1800х600х800

1,08

5. Тележка инструментальная

2

520х400х780

0,42

6. Пожарный щит

1

636х 400х600

0,1

7. Ящик с опилками

1

320х300х380

0,16

8. Ящик для утилизированных деталей

1

400х400х900

0,16

9. Контейнер для масла

1

1000х640х870

0,64

Итого



6,99м2


.2.3 Определение основной технологической оснастки

Обозначение

Наименование

А. 60153/R

Оправка для выпрессовки и запрессовки направляющих втулок клапанов

А. 90310

Комплект разверток для направляющих втулок клапанов

А. 94003

Фреза 75° для обработки седел впускных клапанов

. 94031

Фреза 20° для обработки седел выпускных клапанов

А. 94058

Шпиндель фрез для обработки седел клапанов

А. 94059

Направляющий стержень для обработки седел клапанов

А. 94069

Шпиндель шлифовального круга для обработки седел клапанов

А. 94100

Шлифовальный круг для обработки седел выпускных клапанов

А. 94092

Фреза 75° для обработки седел выпускных клапанов

А. 94100

Шлифовальный круг для обработки седел впускных клапанов

А. 94101

Фреза 20° для обработки седел впускных клапанов

41.7853.4016

Оправка для установки маслоотражательных колпачков клапанов

67.7800.9503

Приспособление для утапливания толкателей клапанов

67.7800.9504

Фиксатор для толкателей клапанов

67.7800.9505

Приспособление для замены регулировочной шайбы толкателей клапанов

67.7823.9505

Приспособление для снятия и установки клапанов


.3 Расчет площади участка

уч = Σ F × К, где: (2.2)

ΣF - суммарная площадь, занимаемая оборудованием и оснасткой

К - коэффициент плотности оборудования.

уч = 41,08× 4,0 = 164,32 м²

ΣF = Fоб+ Σосн, где: (2.3)

об - суммарная площадь, занимаемая оборудованиемосн- суммарная площадь, занимаемая оснасткой

ΣF = 34,09 + 6,99 = 41,08 м²

Принимаем площадь участка Fуч =172 м² (L = 18м; В = 9м)

2.4 Разработка технологического процесса ремонта

Схема технологического процесса ремонта распределительного вала.



































Разборка двигателя

Установите на маховике по трем центрирующим штифтам кожух сцепления с ведомым диском, отцентрируйте оправкой А.70081 ведомый диск сцепления и закрепите кожух сцепления болтами. Установите в нижние лапы блока цилиндров две центрирующие втулки (если они снимались) и наденьте на них верхнюю крышку картера сцепления. Нанесите тонкий слой смазки ШРУС-4 на шлицевой конец первичного вала коробки передач и на наружную поверхность направляющей втулки муфты выключения сцепления. Соедините коробку передач с двигателем, не опирая при этом первичный вал на лепестки нажимной пружины сцепления. Прикрепите

коробку передач к двигателю болтами и гайкой. Установите нижнюю крышку картера сцепления и закрепите ее болтами. Установите и закрепите стартер. Прикрепите к кронштейну гайкой подушку правой опоры силового агрегата в сборе с кронштейном. Установите и закрепите кронштейн левой опоры силового агрегата, а также кронштейн с опорой, если они снимались. Установите и закрепитеприемную трубу глушителей.

Рис.3 Установочные штифты сцепления (черные стрелки)

центрирующие втулки коробки передач (белые стрелки)Вымытый и очищенный двигатель установите на стенд для разборки и слейте из картера масло. Разборку проводите в следующем порядке.

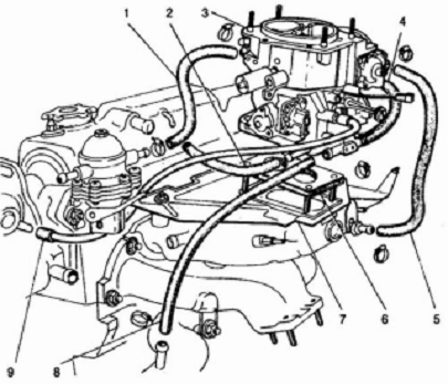
Снимите шланг идущий от топливного насоса к карбюратору, и шланг системы вентиляции картера двигателя; снимите шланги и подвода и отвода жидкости из системы охлаждения к карбюратору. Снимите шланг отбора разрежения к вакуумному регулятору датчика-распределителя зажигания.

Снимите карбюратор с проставкой и теплоизолирующий экран. Снимите провода высокого напряжения Снимите топливный насос с теплоизоляционной проставкой , толкателем и прокладками. Снимите корпус вспомогательных агрегатов с уплотнительным кольцом Ослабив натяжение, снимите ремень привода генератора. Снимите генератор и кронштейн 6 его крепления. Заблокируйте маховик фиксатором 67.7820.9526 отверните болт крепления шкива привода генератора и снимите шкив. Снимите кронштейн правой опоры подвески двигателя вместе с установочной планкой. Снимите переднюю крышку зубчатого ремня.Отверните гайку крепления механизма натяжения. Ослабьте и снимите зубчатый ремень. Снимите натяжной ролик с дистанционной шайбой . Придерживая шкив распределительного вала от проворачивания приспособлением 67.7811.9509, отверните болт крепления шкива, снимите шкив и шпонку. Снимите зубчатый шкив с коленчатого вала. Отверните болты крепления насоса охлаждающей жидкости. Отверните болт и гайку крепления задней крышки зубчатого ремня и снимите ее. Выньте из гнезда в блоке цилиндров насос охлаждающей жидкости с прокладкой. Снимите впускную трубу и выпускной коллектор с прокладками , заборником теплого воздуха и кронштейном . Выверните изголовки цилиндров датчик контрольной лампы давления масла.

Рис. 4. Снятие карбюратора:

- шланг подвода топлива; 2 - шланг системы вентиляции картера двигателя; 3 - карбюратор;

- шланг отвода жидкости из пускового устройства; 5 - шланг подвода охлаждающей жидкости;

- проставка; 7 - теплоизолирующий экран; 8 - шланг отвода охлаждающей жидкости;

- шланг вакуумного регулятора датчика-распределителя зажигания

Рис.5. Снятие топливного насоса и датчика-распределителя зажигания:

- датчик-распределитель зажигания; 2 - кронштейн крепления высоковольтных проводов;

, 5 - уплотнительные кольца; 4 - корпус вспомогательных агрегатов;

-теплоизоляционнаяпроставка; 7 - толкатель; 8 - топливный насос

Рис.6. Снятие генератора:

- шкив привода генератора; 2 - кронштейн правой опоры подвески двигателя;

- установочная планка; 4 - натяжная планка; 5 - генератор;

- кронштейн крепления генератора; 7 - ремень привода генератора

 Рис.7. Снятие привода распределительного вала:  1 - передняя защитная крышка; 2 - резиновый уплотнитель; 3 - зубчатый ремень; 4 - шкив распределительного вала; 5 - зубчатый шкив коленчатого вала; 6 - дистанционная шайба;  7 - натяжной ролик


 Рис. 8Снятие насоса охлаждающей жидкости:  1 - задняя защитная крышка зубчатого ремня; 2 - насос охлаждающей жидкости; 3 - прокладка

 Рис.9. Снятие впускной трубы и выпускного коллектора:  1 - датчик контрольной лампы давления масла; 2 - впускная труба; 3 - заборник теплого воздуха; 4 - кронштейн подводящей трубы насоса охлаждающей жидкости;  5 - выпускной коллектор; 6 - прокладка



Проверка технического состояния и ремонт распределительного вала.

Дефект 1. Сильный износ, задиры и царапины на поверхностях опорных шеек распределительного вала.

Причины:

Работа двигателя с недостаточным давлением в системе смазки.

Работа двигателя с недостаточным уровнем масла в картере.

Работа двигателя на некачественном масле.

Сильный перегрев, приводящий к разжижению масла.

Попадание в масло топлива (бензина или дизтоплива), приводящее к разжижению масла.

Работа двигателя с засоренным масляным фильтром.

Работа двигателя на грязном масле.

Большой пробег двигателя.

Действия:

Капитальный ремонт двигателя. Замена распределительного вала. В некоторых случаях - шлифовка шеек распределительного вала в ремонтный размер и установка утолщённых (ремонтного размера) вкладышей или втулок. Проверка посадочных мест под распределительный вал в головке блока цилиндров или в блоке цилиндров. В некоторых случаях - ремонт посадочных мест под распредвал. Проверка системы смазки, масляного насоса и при необходимости ремонт или замена масляного насоса. Чистка, промывка и продувка масляных каналов блока цилиндров и головки блока. Применение моторного масла надлежащего качества и регулярная, в предписанные производителем сроки, замена моторного масла и фильтра. Проверка системы охлаждения и при необходимости её ремонт. Проверка и при необходимости ремонт системы питания.

Дефект 2. Сильный износ и задиры на рабочих поверхностях кулачков распределительного вала.

Причины:

Работа двигателя с недостаточным давлением в системе смазки.

Работа двигателя с недостаточным уровнем масла в картере.

Работа двигателя на некачественном масле.

Сильный перегрев, приводящий к разжижению масла.

Попадание в масло топлива (бензина или дизтоплива), приводящее к разжижению масла.

Работа двигателя с засорённым масляным фильтром.

Работа двигателя на грязном масле.

Большой пробег двигателя.

Неотрегулированный зазор в клапанном механизме.

Дефекты гидрокомпенсаторов.

Дефекты и повреждения деталей привода клапанов (толкателей, штанг, коромысел).

Неверно установленные фазы газораспределения.

Действия:

Замена распределительного вала. Проверка, регулировка и при необходимости ремонт клапанного механизма. Замена гидрокомпенсаторов. Проверка системы смазки, масляного насоса и при необходимости ремонт или замена масляного насоса. Чистка, промывка и продувка масляных каналов блока цилиндров и головки блока. Применение моторного масла надлежащего качества и регулярная, в предписанные производителем сроки, замена моторного масла и фильтра. Проверка системы охлаждения и при необходимости её ремонт. Проверка и при необходимости ремонт системы питания.

Дефект 3. Прогиб распределительного вала.

Во всех вышеизложенных случаях обязательно проверяйте изгиб распределительного вала. Распределительный вал укладывается на призмы, установленные на металлической плите. С помощью стрелочного индикатора, установленного на стойке, проверяем прогиб опорных шеек, вращая распред вал рукой. Изгиб не должен превышать: для легковых моторов 0,05 мм; для грузовых моторов 0,1 мм. При большем прогибе распредвал подлежит замене!

Дефект 4. Трещины распредвала.

Причины:

Попадание в цилиндр посторонних предметов.

Разрушение ремня или цепи привода газораспределительного механизма.

Неверно установленные фазы газораспределения.

Действия:

При наличии трещин распределительный вал ремонту не подлежит! Замена распредвала.

Примечание: Как правило, в результате описанных причин происходит соударение поршней и клапанов. Через детали привода клапанов энергия ударов передается распредвалу, что может привести к образованию трещин. В большинстве случаев трещины приводят к поломке распредвала прямо во время работы двигателя.

Дефект 5. Выработка и царапины на поверхности под сальники распределительного вала.

Причины:

Длительная работа двигателя.

Попадание посторонних частиц в моторное масло.

Неаккуратное обращение с распредвалом при замене сальников на двигателе.

Действия:

При наличии незначительных царапин возможна шлифовка поверхностей под сальники. При наличии незначительной выработки устанавливаются новые сальники с небольшим осевым смещением. В противном случае - замена распредвала.

Дефект 6. Разрушение шпоночных пазов и посадочных мест под установочные штифты, а также под шкивы или шестерни привода распредвала.

Причины:

Неправильная затяжка болтов, крепящих шкивы или шестерни.

Биение шкивов или шестерён.

Последствия аварии, при которой произошла деформация моторного отсека.

Действия:

Замена распредвала.

Дефект 7. Разрушение резьбы в крепёжных отверстиях.

Причины:

Неправильная затяжка крепёжных болтов.

Действия:

Замена распредвала.

Сборка двигателя

Сборку двигателя на автомобиле ваз 2112 производите следующим образом. Установите на стенд чистый блок цилиндров и заверните в блок цилиндров отсутствующие шпильки. Установите кронштейн крепления генератора и закрепите его двумя болтами. Смажьте моторным маслом вкладыши подшипников и упорные полукольца коленчатого вала, а также поршни и сальники. При сборке двигателя после ремонта сальники коленчатого вала устанавливайте новые. Установите в 1-е, 2-е, 4-е и 5-е гнезда блока цилиндров вкладыши с канавкой, а в 3-е гнездо блока цилиндров и в крышки коренных подшипников - вкладыши без канавки. Уложите в коренные подшипники коленчатый вал и вставьте в гнездо среднего коренного подшипника упорные полукольца

С задней стороны от средней опоры коленчатого вала ставится металлокерамическое полукольцо (желтого цвета), а с передней стороны - сталеалюминиевое.Установите крышки коренных подшипников в соответствии с метками, которые нанесены на их наружной поверхности. Крышки разверните таким образом, чтобы метки на каждой из них находились со стороны установки генератора. Затяните болты крепления крышек. Проверьте осевой свободный ход коленчатого вала. Для этого поверните блок цилиндров задней стороной вверх и установите на нее стойку с индикатором так, чтобы ножка индикатора упиралась во фланец коленчатого вала. Перемещая вал вверх и вниз (например, отвертками), замерьте индикатором осевой свободный ход вала. Он должен быть в пределах 0,06-0,26 мм. Если ход больше, то приведите его в норму, заменив старые полукольца новыми или установив полукольца увеличенной толщины. Оправкой 67.7853.9571 запрессуйте в держатель задний сальник коленчатого вала. Наденьте держатель с сальником на оправку 67.7853.9572 и передвиньте его с оправки на фланец коленчатого вала. Установите под держатель прокладку и прикрепите его к блоку цилиндров болтами с пружинными шайбами. Установите маховик на коленчатый вал так, чтобы метка (конусообразная лунка, показана стрелкой на около обода находилась против оси шатунной шейки четвертого цилиндра. Установите шайбу и болты крепления маховика. Заблокируйте маховик фиксатором 67.7820.9526 см. и затяните болты крепления. На болты крепления маховика перед установкой нанесите герметик УГ-6. Для надежного схватывания герметика, перед его нанесением обезжирьте болты и резьбовые отверстия в коленчатом валу. Подберите поршни к цилиндрам по классу и соберите поршни с шатунами, как указано в подразделе "Шатунно-поршневая группа". С помощью регулируемой втулки 67.7854.9519 вставьте в цилиндры поршни с шатунами

Установите вкладыши в шатуны и крышки шатунов. Установите шатуны и крышки на шейки коленчатого вала, затяните шатунные болты. Крышки шатунов необходимо устанавливать так, чтобы номер цилиндра на крышке находился против номера цилиндра на нижней головке шатуна. Оправкой 67.7853.9580 запрессуйте передний сальник коленчатого вала в крышку масляного насоса. Залейте в масляный насос немного моторного масла и проверните несколько раз его ведущую шестерню. Установите на оправку 67.7853.9580 масляный насос с передним сальником коленчатого вала и поверните ведущую шестерню в такое положение, чтобы ее можно было надеть на шейку коленчатого вала. Передвиньте насос с оправки на вал, установите под насос прокладку и прикрепите его к блоку цилиндров. Для правильной установки насоса в его корпус запрессованы два направляющих штифта ,которые должны входить в соответствующие отверстия блока цилиндров. Вставьте в отверстие масляного насоса маслоприемник с уплотнительным кольцом, прикрепите его к масляному насосу и к крышке второго коренного подшипника коленчатого вала. Установите масляный картер 5 с прокладкой 4 и закрепите его. Установите на крышке масляного насоса датчик положения коленчатого вала для системы впрыска топлива (если эта система применяется на автомобиле ваз 2112). Установите датчик уровня масла. Смажьте моторным маслом уплотнительное кольцо масляного фильтра и установите масляный фильтр, вручную привернув его к штуцеру на блоке цилиндров. Вставьте в блок цилиндров две центрирующие втулки и установите по ним прокладку головки цилиндров. У правильно установленной прокладки отверстие для прохода масла (окантовано медной лентой) должно находиться в зоне 5-го болта крепления головки цилиндров номер болта

Перед установкой прокладки необходимо удалить масло с сопрягаемых поверхностей блока и головки цилиндров. Прокладка должна быть чистой и сухой. Попадание масла на поверхность прокладки не допускается. Поверните коленчатый вал так, чтобы поршни находились в средней части цилиндров. Установите по центрирующим втулкам головку цилиндров, собранную в соответствии с указаниями подраздела "Головка цилиндров". Затяните болты крепления головки цилиндров в определенной последовательности и в четыре приема:

- затяните болты моментом 20 Нм (2 кгс-м);

- затяните болты моментом 69,4-85,7 Нм (7,1-8,7 кгс-м);

- доверните болты на 90°;

- снова доверните все болты на 90°;

Перед сборкой двигателя заблаговременно смажьте резьбу и головки болтов, окунув их в моторное масло. Затем дайте стечь излишкам масла, выдержав болты не менее 30 мин. Удалите масло или охлаждающую жидкость из отверстий в блоке цилиндров под болты крепления головки цилиндров. Вставьте в гнездо блока цилиндров насос охлаждающей жидкости с прокладкой. Установите заднюю крышку зубчатого ремня и прикрепите ее вместе с крышкой насоса к блоку цилиндров. Дополнительно прикрепите крышку болтом к блоку цилиндров и гайкой к шпильке на головке цилиндров. Вложите в гнезда на передних концах коленчатого и распределительного валов сегментные шпонки и установите зубчатые шкивы. Заблокировав шкив распределительного вала от проворачивания, закрепите его болтом с шайбой.

Приспособлением 67.7811.9509 поверните распределительный вал до совмещения метки на шкиве с установочным усиком на задней крышке зубчатого ремня. Доверните коленчатый вал в сторону меньшего угла поворота до совмещения установочной метки на шкиве с меткой на крышке масляного насоса. Проворачивать коленчатый вал можно ключом за болт, временно завернутый в передний конец коленчатого вала. Установите натяжной ролик с дистанционной шайбой и закрепите его в положении, соответствующем минимальному натяжению ремня. Наденьте зубчатый ремень на шкив распределительного вала и, натягивая обе ветви ремня, заведите левую ветвь за натяжной ролик и наденьте ее на шкив насоса охлаждающей жидкости. Наденьте ремень на шкив коленчатого вала и слегка натяните его натяжным роликом, поворачивая ролик против часовой стрелки. При установке ремня избегайте его резких перегибов. Проверните коленчатый вал на два оборота в направлении вращения и проверьте совпадение установочных меток и. Если метки не совпадают, то ослабьте натяжение ремня, снимите его со шкива распределительного вала, поверните шкив на необходимый угол, наденьте ремень, слегка натяните его натяжным роликом, снова проверните коленчатый вал на два оборота и проверьте совпадение установочных меток. При совпадении меток отрегулируйте натяжение ремня, как описано в подразделе "Распределительный вал и его привод". Отрегулируйте зазоры в клапанном механизме, как указано в подразделе "Головка цилиндров". Установите переднюю крышку зубчатого ремня и закрепите ее болтами. Аккуратно уложите прокладку в паз крышки головки цилиндров по всему периметру. Установите крышку на головку цилиндров, наденьте резиновые втулки на шпильки и наживите гайки с шайбами. Если втулки имеют следы разрушения, то замените их новыми. Гайки затягивайте равномерно в несколько приемов до упора шайбы в шпильку. Помните, что герметичность крышки зависит от тщательности выполнения всех операций по ее установке. Заверните в головку цилиндров свечи зажигания, датчики указателя температуры охлаждающей жидкости и контрольной лампы давления масла. Установите на головке цилиндров отводящий патрубок 3 рубашки охлаждения с прокладкой и закрепите его двумя гайками. Установите прокладку и прикрепите к блоку цилиндров фланец подводящей трубы 1 насоса охлаждающей жидкости. Наденьте на патрубок и подводящую трубу шланги, идущие к термостату, установите термостат 2 и закрепите шланги хомутами. Установите на головке цилиндров корпус вспомогательных агрегатов с уплотнительным кольцом и закрепите его болтом. При установке корпуса особое внимание обратите на положение уплотнительного кольца в канавке, так как при затяжке гаек, возможно, его выскакивание из канавки и закусывание между кромками канавки и поверхностью головки цилиндров. Если уплотнительное кольцо имеет следы закусывания, его необходимо заменить на новое.Установите датчик-распределитель зажигания, действуя в следующем порядке. Смажьте моторным маслом и наденьте уплотнительное кольцо на фланец датчика-распределителя зажигания. Прикрепите датчик-распределитель зажигания к корпусу вспомогательных агрегатов в таком положении, чтобы средняя риска на фланце датчика-распределителя находилась против установочного выступа на корпусе вспомогательных агрегатов. Одновременно установите под верхнюю гайку крепления кронштейн проводов высокого напряжения. Валик датчика-распределителя зажигания соединяется с хвостовиком распределительного вала только в одном положении. Поэтому перед установкой поверните валик так, чтобы кулачки муфты валика вошли в пазы хвостовика распределительного вала. Наденьте на шпильки головки цилиндров прокладки, установите выпускной коллектор 1 и затяните центральную гайку его крепления. Затем установите впускную трубу 3, заборник 4 теплого воздуха, кронштейн 2 подводящей трубы насоса охлаждающей жидкости и закрепите их гайками. Установите шланг вытяжной вентиляции картера и закрепите его хомутами на патрубках блока и крышки головки цилиндров. Установите указатель уровня масла. Установите кронштейн правой опоры подвески двигателя с установочной планкой 3 генератора. Наденьте на коленчатый вал шкив привода генератора и закрепите его болтом с шайбой. Установите генератор, наденьте ремень на шкивы коленчатого вала и генератора и отрегулируйте его натяжение. Установите теплоизолирующий экран карбюратора, проставку и карбюратор. Закрепите его гайками и закройте сверху технологической заглушкой.

Обкатка двигателя после ремонта

Отремонтированный двигатель подвергается стендовым испытаниям (обкатке) без нагрузки по следующему циклу:

-800 мин-1.........2 мин

мин-1.........3 мин

мин-1.........4 мин

мин-1.........5 мин

Установив на стенде и запустив двигатель, проверьте:

нет ли течи охлаждающей жидкости или топлива между сопрягаемыми деталями и в соединениях трубопроводов;

давление масла и нет ли подтекания масла через прокладки;

Если обнаружатся посторонние стуки или неисправности, остановите двигатель, устраните их, а затем продолжите испытания.

При подтекании масла через прокладку между картером и блоком цилиндров подтяните болты крепления рекомендуемым моментом. Если течь масла не прекращается, проверьте прокладку и при необходимости замените ее.

При подтекании масла через прокладку между крышкой и головкой цилиндров проверьте прокладку и резиновые втулки на шпильках крепления крышки головки цилиндров.

После ремонта двигателя необходим определенный период приработки рабочих поверхностей новых деталей. Это в особенности относится к тем двигателям, на которых были заменены поршни, вкладыши шатунных и коренных подшипников, перешлифованы шейки коленчатого вала, а также отхонингованы цилиндры.

Поэтому во время обкатки отремонтированного двигателя не подвергайте его максимальным нагрузкам. Обкатка двигателя должна продолжаться на автомобиле с соблюдением тех скоростей движения, которые рекомендуются для периода обкатки автомобиля.

3. Конструкторская часть

.1 Описание устройства, принципа работы стенда, технические условия на его эксплуатацию

Приспособления для расухаривания клапанов


Прежде всего, следует разобраться, что такое сухарь, где он находится на клапанах и по какой причине его необходимо снимать только с помощью специнструмента. Задача, как впускного, так и выпускного клапана - очень плотно закрывать окно и открывать его только в необходимый момент.

Для того чтобы клапан прочно удерживался в седле, на его стержень надевают по две возвратные пружины, давящие на тарелку, которая в свою очередь соединяется ссо стержнем посредством сухариков. Они представляют собой небольшой цилиндр, разделённый на две половинки. Внутри них поверхность имеет шип, который входит в паз клапана. Наружный их диаметр в сборе больше отверстия в тарелке, имеющей специальное посадочное место.

Таким образом, сухарики всегда надёжно удерживаются, а усилие пружин не позволяет снять их и освободить клапан. Хотя сегодня в продаже можно найти любой инструмент для ремонта двигателей <#"872160.files/image013.gif">=  = =136 Н/, где

Рср - усилиеср - площадь среза

 - расчетное напряжение

d=D - S = 20 - 2 = 18= = ==54,95,гденаружный размер диаметра стержня- внутренний диаметр стержня

Н - высота натяжителя

К*≥[

* 91≥ 91

≥91, где

К - коэффициэнт запаса (1,5…..3)

 - допустимое напряжение разреза


4. Экономическая часть

Таблица 6

Исходные данные:

Наименование показателей

Размерность

Значение

1

Количество ремонтов

шт./год

200

2

Производственная площадь

м2

164

3

Номинальная трудоемкость

Чел.час/агр

28.8

4

Цена 1 м2 помещения

Руб./м2

14300

5

Тариф электрической энергии

Руб/кВт.ч

10

6

Тариф за отопление

Руб./м

530

7

Тариф за воду

Руб./м3

50


.1 Расчет заработной платы рабочих

.Заработная плата рабочих определяется на основании трудоемкости ремонтов, численности рабочих, уровня их квалификации, планируемого фонда рабочего времени (перечисленные показатели устанавливаются в организационной части дипломного проекта).

Для формирования себестоимости работ (услуг) производится последовательный расчет основной и дополнительной заработной платы рабочих (по категории основных рабочих).

.2.Тарифный фонд заработной платы включает выплаты заработной платы за выполненный объем работ и фактически отработанное время с учетом действующих тарифных сеток и ставок.

Тарифный (прямой) фонд заработной платы определяется по формуле:

           СixЧix Ф

Зт = ------------------ [руб.]

                  Kвн

где:

Сi -тарифная ставка рабочих соответствующего разряда, руб.

Чi -количество рабочих соответствующего разряда, чел.

Ф- полезный фонд рабочего времени рабочих, час.вн- коэффициент, учитывающий выполнение норм выработки (Kвн =1)

         (158.30 x 3 x 1648,8

Зт = ---------------------------- [руб.]

                      1

Зт = 783015,1( руб.)

.3.Премии за качественное выполнение технологических операций

(видов работ, услуг):

П = ∑Зт х Кпр,руб.,

где:

∑Зт- тарифный фонд заработной платы рабочих, руб.

Кпр,- коэффициент, учитывающий размер премий, (Кпр =0,3- 0,6)

П = ∑ 783015,1 х 0.3= 234904,5 (руб.)

.4.Доплаты за работу во вредных условиях (если есть вредные условия работы):

Звр = Квр х ∑Зт х Двр,руб.,

где:

Квр- коэффициент доплаты за вредные условия работы (Квр = 0,4)

Двр - доля вредных работ,% (Двр, =0,25)

∑Зт - тарифный фонд заработной платы рабочих, руб.

Звр = 0.4 х 783015,1 х 0.25 = 78301,5 (руб.)

.5.Доплаты за руководство бригадой (рассчитываются, если численность рабочих участка превышает два человека):

         ∑Зт х Кбр

Збр = -------------- [руб.]

                Ч

где:

Кбр- коэффициент доплаты за руководство бригадой (Кбр = 0,25)

Ч - численность рабочих, чел.

∑Зт - тарифный фонд заработной платы рабочих, руб.

     783015,1 х 0.25

Збр = -------------- [руб.]

            3

Збр = 65251

Основная заработная плата рабочих определяется по формуле:

Зо =∑Зт + П + Звр + Збр + Зн,руб.,

∑Зт - тарифный фонд заработной платы рабочих, руб.

П - премии за качественное выполнение технологических операций (видов работ, услуг)

Звр - доплаты за работу во вредных условиях

Збр - доплаты за руководство бригадой

Зн - доплаты за работу в ночное время

Зо = 783015,1+234904,5+78301,5+65251 = 1161472,1 (руб.)

.7. Дополнительная заработная плата производственных рабочих представляет собой оплату за неотработанное время в соответствии с действующим законодательством. Удельный вес дополнительной заработной платы составляет около 10-12% от основной заработной платы.

           Зо х %Зд

Зд=------------------ [руб.],

              100

где:

%Зд - процент дополнительной заработной платы (%Зд = 10-12%)

Зо - основная заработная плата рабочих

              1161472,1х 10

Зд=--------------------------------- = 116147,2[руб.],

              100

.8.Общий фонд заработной платы включает основную и дополнительную заработную плату:

Зобщ = Зо + Зд,руб.,

где:

Зо - основная заработная плата рабочих

Зд - дополнительная заработная плата производственных рабочих

Зобщ = 1161472,1+116147,2 = 1277619,3(руб.)

.9.Среднегодовая и среднемесячная заработная плата основных рабочих определяются по формулам:

                 Зобщ

Зср.год= ---------- [руб.],

                 Ч

где:

Ч - количество рабочих, чел.

               1277619,3

Зср.год= --------------- = 425873,1 [руб.],

                   3

Зобщ - общий фонд заработной платы

                 Зср.м

Зср.мес. = ---------[ руб.],

                  12

                  425873,1

Зср.мес. = --------------= 35489,4 [ руб.],

                        12

.10.Социальные отчисления от заработной платы - страховые взносы в государственные внебюджетные фонды устанавливаются государством и определяются в размере 30% от общего планируемого фонда заработной платы.

Остр = Зобщ х 0,3 руб.,

где:

Зобщ - общий фонд заработной платы

Остр = 1277619,3х 0,3 = 383285,8 (руб.)

.11.Общие затраты на оплату труда в себестоимости работ (услуг) состоят из планируемого фонда заработной платы и страховых взносов в государственные внебюджетные фонды.

ФОТ = Зобщ +Остр, руб.,

где:

Зобщ - общий фонд заработной платы

Остр. - социальные отчисления от заработной платы

ФОТ = 1277619,3+383285,8= 1660905,1(руб.)


Кроме затрат на заработную плату в себестоимость работ (услуг) включаются затраты, связанные с использованием материальных ресурсов, а также - накладные расходы.

.1.Величина материальных затрат (основные, вспомогательные материалы запасные части, детали для ремонта) отражается в материальной смете.

Зм = Qг xHм, руб.,

где:г-количество ремонтов (услуг) в год, ед.

Нм - норматив затрат на ремонт узла, детали (определяется на основе технологии ремонта, а также с учетом затрат, действующих на передовых предприятиях отрасли), руб.

Расчет может быть выполнен в виде таблицы:

Зм = 200x10250 = 2050000руб.

Таблица 1.

Смета материальных затрат на ремонт ГРМ.

(наименование работ, услуг)

Наименование материалов

Стоимость материала на 1-цу ремонта, руб.

Шлифование головки

1000

Замена седел клапанов

800

Замена клапанов

800

Замена пружин клапанов

800

Замена прокладки головки .

1500

Замена сухарей клапона

350

Замена прокладки клапанной крышки

800

Замена распределительного вала

2500

Замена шкива распределительного вала

1200

Замена сальников распределительного вала

600

Итого

10250


.2 Расчет общехозяйственных расходов

.2.1 Амортизационные отчисления на проектируемый объект

        Сз х Naз= -----------[руб,],

         100

где:

Сз- стоимость зданияз -норма амортизационных отчислений для зданий (Na = 2,6/3%)

        2345200 х 2.6= ----------- = 60975,2 (руб.)

           100

Стоимость здания определяется на основании площади проектируемого цеха (участка) и цены 1 м.кв. площади.

Сз= SзxЦз

где:з- площадь проектируемого объекта (цеха, участка), м2 (площадь берется из расчетов организационной части дипломного проекта)

Цз - цена1 м2 площади ,руб.

Сз= 164x 14300 = 2345200 (руб.)

.2.2 Затраты на текущий ремонт проектируемого объекта

          Ас xHтр

Рт =--------------- [руб.],

           100

где:тр - 1,5/3% от общих амортизационных отчислений

Ас - амортизационные отчисления на проектируемый объект

         60975,2x 1.5

Рт =--------------- = 914,63(руб.)

          100

.2.3 Амортизация оборудования

              Соб хNоб

Аоб =------------------[руб.]

                100

где:

Соб - стоимость оборудования (показатель берется из организационной части дипломного проекта), руб.об -норма амортизационных отчислений для оборудования (Nоб = 20%)

           760000 х 20

Аоб =------------------ = 152000 (руб.)

                100

.2.4 Затраты на электроэнергию

На освещение

            25 х Sз x Т осос = ------------------- [кВт.ч]

             1000

где:з -площадь проектируемого объекта, м2

Тос - количество часов искусственного освещения (1смена -800ч; 2смена- 2000ч; 3смена -3300ч.)

          25 х 164x 800ос = ------------------- = 3280[кВт.ч]

            1000

На силовую (двигательную) электроэнергию (потребляется оборудованием во время работы)

       Wx Фоб х Кз х Ксс=-------------------------[кВт.ч],

             Кп х Кпд

где:суммарная мощность токоприемников (показатель берется из организационной части дипломного проекта), кВт

Фоб- фонд времени работы оборудования (показатель берется из организационной части дипломного проекта), час

Кз-коэффициент загрузки оборудования (0,6/0,9)

Кс- коэффициент спроса (0,15/0,28)

Кп - коэффициент, учитывающий потери в сети (0,92/0,95)

Кп/д- коэффициент, учитывающий потери в двигателе (0,85/0,9)

     38,75 x2056х 0.6 х 0.15с=------------------------- = 9169,1[кВт.ч],

              0.92 х 0.85

Общая сумма затрат на электроэнергию

Qоб= Цэ х (Qос+ Qс),руб

Где:

Цэ- стоимость одного кВт.ч. электроэнергии, руб.ос - затраты на электроэнергию (на освещение)с - затраты на электроэнергию (на силовую)

об= 10 х (3280 + 9169,1) = 124491 (руб.)

.2.5 Затраты на водоснабжение

Бытовые и прочие нужды

              nxKсмxЧ х Др х Цв

Рб = -------------------------------- [руб.],

                      1000

где - норма расхода воды на 1-го рабочего (n =40 л. в день на 1-го чел.)

Ксм- количество смен работы

Ч- количество рабочих, занятых в одну смену, чел.

Др - число рабочих дней работы объекта

Цв- стоимость 1м3 воды, руб.

            40x 1 x 3 х 257 х 50

Рб = -------------------------------- = 1542 [руб.],

                 1000

Расход воды на производственные нужды (если есть необходимость)

              [В х Нв1)+(Км х Нв2)] х Цв

Рпр=------------------------------------------[руб.],

                 1000

где:

Км -количество моек в течении года

Нв1, Нв2 - норма расхода в литрах на одну мойку и емкость ванны, л

Цв - стоимость 1м3 воды

В - количество смен воды в течении года в ванной

На производстве работает всего одна мойка, не имеющая ванной.

Рпр = 200 х 52.5 х 50 / 1000 = 525 (руб.)

Общая сумма затрат на водоснабжение

Робщ = Рб +Рпр

где:

Рб - затраты на водоснабжение (бытовые и прочие нужды)

Рпр - затраты на водоснабжение (на производственные нужды)

Робщ = 1542 + 525= 2068 (руб.)

.2.6 Затраты на отопление

Зот=Тотг х Sз [руб];

где:

Тотг- тариф отопления за 1м2 в годз- площадь участка, м

Зот=530 х 164 = 86920[руб.];

.2.7 Затраты по технике безопасности и охране труда

             Зо х Зтех.б

Зох = -----------------[руб].,

                 100

где:

Зтех.б.- процент приходящийся на охрану труда, (Зтех.б. = 10%)

Зо - основная заработная плата рабочих

        1161472,1 х 10

Зох = ----------------- =116147,2 [руб.]

             100

.2.8 Затраты на возмещение малоценных и быстроизнашивающихся инструментов (определяются в размере 10-15% от стоимости оборудования)

Зм.б. = Соб х п(%),

где:

Соб- стоимость оборудования, руб.

п - процент отчислений,%

Зм.б. = 760000х 0,1 = 76000(руб.)

2.2.9 Затраты на содержание здания в чистоте и порядке определяются на основании площади участка и стоимости содержания 1 м.кв. (500-1000 руб.)

Зу = Sз х С, руб.

где:з - цеха, участка, м.кв.

С - стоимость содержании 1 м.кв. в год, руб.

Зу = 164 х 500 = 82000 (руб.)

Прочие расходы составляют 8-10% от общей суммы рассмотренных расходов.

На основании проведенных расчетов составляется смета общехозяйственных расходов.

Таблица 2.

Смета общехозяйственных расходов

№ п/п

Наименование статей

Сумма, руб.

1

2

3

1

Амортизационные отчисления на проектируемый объект

60975,2

2

Затраты на текущий ремонт проектируемого объекта

914,63

3

Амортизация оборудования

152000

4

Общая сумма затрат на электроэнергию

124491

5

Общая сумма затрат на водоснабжение

2068

6

Затраты на отопление

86920

7

Затраты по технике безопасности и охране труда

116147,2

8

Затраты на возмещение малоценных и быстроизнашивающихся инструментов

76000

9

Затраты на содержание здания в чистоте и порядке

82000

10

Прочие расходы

617048,7


Итого:

771310,9


Расчет себестоимости работ (оказание услуг)

Себестоимость - представляет собой все затраты на выполнение ремонтных работ.

Расчет полной себестоимости производится на основе плановой калькуляции затрат - таблицы 3.

Таблица 3.

Калькуляция на выполнение работ (оказание услуг)

(наименование работ, услуг)

№ п/п

Статья затрат

Затраты, руб.

Структура себестоимости (%)



на годовой объем ремонтов

на единицу ремонта (услуг)


1

2

3

4

5

1

Общий фонд заработной платы (Зобщ)

1277619,3

6388

28,5%

2

Социальные отчисления (страховые взносы)

383285,8

1916,4

8,6%

3

Затраты на основные материалы и запасные части

2050000

10250

45,7%

4

Общехозяйственные расходы

771310,9

3856,5

17,2%

5

Итого полная себестоимость (реализованных работ, услуг)

4482215,2

22411

100%


На основании калькуляции - состава и структуры себестоимости работ (услуг) следует сделать вывод о направлениях снижения затрат.

Калькуляция затрат - является основой для установления цен на ремонтные работы, услуги.

В хозяйственной практике используются различные способы установления цен. Наиболее распространенным является затратный - на основании себестоимости единицы ремонта, услуги и планируемого уровня рентабельности ремонта.

Прибыль за единицу продукции определяется

Пед. = %Пр х Себ.ед, руб.

где:

%Пр- процент прибыли от себестоимости единицы услуги (с учетом факторов спроса и конкуренции показатель устанавливается в диапазоне 20-30%)

Себ.ед - себестоимость единицы продукции

Пед. = 0.25 х 22411 = 5602,7 (руб.)

Цена за 1-цу ремонтных работ, услуги по ремонту автомобилей определяется

Ц1= Себ.ед.+ Пед.

где:

Себ.ед.- себестоимость единицы работы, услуги по ремонту автомобилей.

Пед - прибыль в расчете на 1-цу единицы ремонта, услуги (показатель устанавливается с учетом факторов спроса и конкуренции на соответствующем сегменте рынка в процентах от себестоимости ремонта, услуги)

Ц1= 22493,1+ 5602,7= 28095,8 (руб.)

.3 Расчет финансовых результатов деятельности

Финансовым результатами деятельности коммерческой организации являются выручка и прибыль от реализации работ, услуг.

Выручка определяется на основе планируемого количества работ, услуг и планируемых цен на работы и услуги по ремонту автомобилей.

Вг= Qг х Ц1

где:

Ог - количество ремонтов, услуг в год, шт.

Ц1 - средняя цена за 1-цу работы, услуги по ремонту.

Основным финансовым результатом деятельности коммерческой организации является прибыль. Величина прибыли характеризует эффективность деятельности организации, является источником ее экономического и социального развития, источником формирования доходов бюджета.

Вг= 200 х 28095,8 = 5619160 (руб.)

Прибыль от реализации работ, услуг определяется по формуле:

Пг= Вг - Себ.г

где:

Вг- выручка от реализации работ (услуг) в год, руб.

Себ.г- полная себестоимость годового объема работ, услуг (на основании калькуляции), руб.

Пг= 5619160- 4482215,2=1136944,8 (руб.)

Относительным показателем эффективности деятельности организации является рентабельность продаж, величина показателя определяется как отношение прибыли от продаж к выручке:

         Пг

Рпр=------ х 100%

          Вг

где:

Пг- прибыль от реализации работ (услуг), руб.

Вг- выручка от реализации работ (услуг), руб.

            1141944,8

Рпр=--------------------- х 100% = 20%

               5619160

.4 Расчет показателей безубыточности деятельности, запаса финансовой прочности

Оценка безубыточности деятельности производится на основании анализа затрат на выполнение работ, оказание услуг. В структуре себестоимости выделяют условно-переменные и условно-постоянные затраты.

Условно-переменные затраты - затраты, величина которых меняется в зависимости от изменения объема оказанных услуг: основные и вспомогательные материалы, сырье, топливо и электроэнергия на технологические цели, заработная плата основных производственных рабочих, страховые взносы (т.е. затраты, обусловленные технологией и организацией выполнения работ, оказания услуг).

Условно-постоянные затраты - затраты, непосредственно не связанные с изменениями объемов работ, услуг, они остаются неизменным в пределах определенного диапазона объемов работ, услуг. К условно-постоянным, относят затраты на управление, обслуживание предприятия (цехов, участков, рабочих мест). Условно-постоянными являются затраты на оплату труда руководителей, специалистов, вспомогательного персонала, коммунальные, затраты по охране труда и безопасности жизнедеятельности работников, содержанию зданий, оборудования, обеспечению рабочих мест необходимыми инструментами, приспособлениями, амортизационные отчисления, прочие затраты. Для оценки безубыточности затраты, представленные в калькуляции необходимо сгруппировать, выделив условно-переменные и условно-постоянные (формулы 4.1.- 4.2)

пер = ФОТ + Смат + Qc + Рпр

Спост = Собщ.х.р - Qc - Pпр

где:

ФОТ - фонд оплаты труда, тыс. руб.

Смат. - стоимость материалов и запасных частей, руб.- затраты на электроэнергию (на силовую), руб.

Рпр - затраты на водоснабжение (на производственные нужды)

Собщ.х.р - сумма общехозяйственных расходов

пер = 1660905,1+ 2050000 + 91691 + 525 = 3803121,1

Спост =3803121,1- 91691- 525 = 3710905,1

Для анализа уровня безубыточности составляется график безубыточности.

Порог рентабельности (точка безубыточности) определяются как отношение условно-постоянных затрат в себестоимости работ и услуг к маржинальному доходу в расчете на 1-цу ремонта (разность между ценой на 1-цу выполненной работы, услуги и величиной переменных затрат в расчете на 1-цу выполненного ремонта, услуги) (формулы 4.3.-4.4):

                   Спост.1

Тб = ---------------------- , шт

          Ц1- Спер. 1рем.

          Спост.1 х Ц1

Тб = ---------------------- , руб

         Ц1- Спер. 1рем.

где:

Спост.1- условно-постоянные затраты в себестоимости работ, услуг на единицу продукции, руб.

Ц1- цена за 1-цу выполненного ремонта, услуги, руб.

Спер.1- переменные затраты за 1-цу выполненного ремонта, услуги, руб.

               18654,5

Тб = ---------------------- , = 2(шт)

         28095,8-19097,7

           18654,5 х 28095,8

Тб = ------------------------------- = 58247(руб.)

           28095,8- 19097,7

Запас финансовой прочности (резерв безубыточности) - разность между планируемыми показателями выручки от реализации работ, услуг и величиной порога рентабельности. Запас финансовой прочности (резерв безубыточности) определяется как в стоимостных, так и в натуральных единицах (формулы 4.5.-4.6.).

R1 = Qг - Тб, шт= Вг- Тб, руб.

-резерв безубыточности, шт.-резерв безубыточности, руб.г-количество ремонтов(услуг) в год, шт.г-выручка годовая, руб.

Тб - точка безубыточности

= 200- 2 = 198 (шт.)= 5619160 - 58247 = 5560913(руб.)

На основании произведенных расчетов следует представить график безубыточности.


.5 Расчет экономической эффективности проектируемых мероприятий

Расчет дополнительных капитальных вложений, необходимых для внедрения проектируемых мероприятий определяются по формуле:

К = Зоб + Зосн + Зм*д +Зтр,

где:

Зоб- затраты на приобретение оборудования, руб.

Зосн- затраты на оснастку (могут составлять 10-15% от затрат на приобретение оборудования), руб.

Зм*д- затраты на монтаж и демонтаж устаревшего оборудования (могут составлять в размере от 10-30% от затрат на приобретение оборудования)

Зтр- затраты на транспортировку оборудования (могут составлять 6-8% от затрат на приобретение оборудования), руб.

К = 2070000 + 207000+ 310500 +124200 = 2711700

Определение периода окупаемости проектируемого объекта.

Период окупаемости (Т), берется в пределах от 1года до 3 лет (в зависимости от величины капитальных вложений).

Фактическая эффективность проекта

.6 Составление таблицы технико-экономических показателей

Таблица 4.Проектируемые технико-экономические показатели

(наименование работ, услуг)

№ п/п

Наименование показателей

Ед. изм.

Величина показателей

1

2

3

4

1

Годовой объем ремонтов, услуг

шт.

200

2

Годовая трудоемкость

н/ч.

5760

3

Выручка от реализации работ, услуг

руб.

5619160

4

Себестоимость реализованных работ, услуг

руб.

10250

5

Количество ед. оборудования

шт.

14

Общая площадь участка

м2.

164

7

Общее количество рабочих

чел.

3

8

Трудоемкость ед. ремонта, услуги

н/ч.

28,8

9

Себестоимость ед. ремонта, услуги

руб.

617048,7

10

Годовой фонд заработной платы: - основная заработная плата рабочих - дополнительная заработная плата рабочих - социальные отчисления (страховые взносы) от заработной платы рабочих

руб.

 1161472.1 116147,2 383285,8

11

Среднемесячная заработная плата рабочих

руб.

35489,4

12

Общехозяйственные расходы

руб.

771310,9

13

Экономический эффект

руб.

894861

14

Срок окупаемости

год

0.33

15

Прибыль от реализации работ, услуг

руб.

1136944,8

16

Рентабельность продаж

%

20




5. Техника безопасности. Охрана труда, промышленная санитария, пожарная безопасность, мероприятия по охране окружающей среды

Правила по технике безопасности.

При техническом обслуживании и ремонте автомобиля важное значение имеют мероприятия по соблюдению правил техники безопасности.

При проведении работ о техническому обслуживанию автомобиля запрещается пользоваться неисправным инструментом.

Проводить необходимые работы с агрегатами автомобиля следует при помощи подъемно-транспортных механизмов, оборудованных захватами, гарантирующих безопасность работ. Не допускается поднимание и вывешивание автомобиля за буксирные трюки. При подъеме и транспортировке агрегатов нельзя находиться под поднятыми частями автомобиля.

Перед проведением работ необходимо:

проверить спецодежду, проследить, чтобы не было свисающих концов. Рукава надо застегнуть или закатать выше локтя;

проверить слесарный верстак, который должен быть прочным и устойчивым, соответствовать росту рабочего. Слесарные тиски должны быть исправны, прочно закреплены на верстаке;

подготовить рабочее место: освободить нужную для работы площадь, удалив все посторонние предметы; обеспечить достаточную освещенность;

проверить исправность инструмента, правильность его заточки и заправки;

при проверке инструмента обратить внимание на то, чтобы молотки имели ровную, слегка выпуклую поверхность, были хорошо насажены на ручки и закреплены клином; зубила не должны иметь зазубрин на рабочей части и острых ребер на гранях; напильники прочно насажены на ручки;

проверить исправность оборудования, на котором придется работать, и его ограждение;

перед поднятием тяжестей проверить исправность подъемных приспособлений (блоки, домкраты и др.); все подъемные механизмы должны иметь надежные тормозные устройства, а вес поднимаемого груза не должен превышать грузоподъемность механизма. Запрещается стоять и проходить под поднятым грузом; не превышать предельные нормы веса для переноски вручную, установленные действующим законодательством об охране труда, для мужчин, женщин, юношей и девушек.

Во время проведения работы необходимо:

прочно зажимать в тисках деталь или заготовку, а во время установки или снятия ее соблюдать осторожность, так как при падении деталь может нанести травму;

опилки с верстака или обрабатываемой детали удалять только щеткой;

при рубке металла зубилом, работать только в защитных очках. Если по условиям работы нельзя применить защитные сетки, то рубку выполняют так, чтобы отрубаемые частицы отлетали в ту сторону, где нет людей;

не пользоваться при работах неисправными приспособлениями;

не допускать загрязнения одежды керосином, бензином, маслом.

После окончании работы необходимо:

убрать рабочее место;

разложить инструменты, приспособления и материалы на соответствующие места.

Был разработан данный курсовой проект на тему агрегатный участок грузового АТП, была разработана техника безопасности и охрана труда.

Противопожарная безопасность.

Помещение шиномонтажного цеха относится к категории Д по пожароопасности - помещение, в котором находятся или общаются негорючие вещества и материалы в холодном состоянии. В соответствии с действующим законодательством, ответственность за обеспечение пожарной безопасности на АТП несут их руководители. Таблички с указанием лиц, ответственных за пожарную безопасность, вывешивают на видных местах. В обязанность этих лиц входит: знание пожарной опасности применяемых в производстве веществ и материалов, технологического процесса производства; обучение работающих правилам пожарной безопасности; контроль за соблюдением правил пожарной безопасности на вверенных им участках; содержание в постоянной готовности всех имеющихся средств пожаротушения и извещения о пожарах; устранение нарушений правил пожарной безопасности и неисправности пожарного оборудования; разработка инструкций о мерах пожарной безопасности для своих подразделений. Они должны: не допускать загромождения пожарных подъездов к зданиям и сооружениям, к водоисточникам, подступам к пожарному оборудованию, проходам в зданиях, коридорам и лестничным клеткам; не допускать проведения работ с применением открытого огня, в том числе тщательно осматривать помещения перед закрытием, чтобы исключить условия возникновения пожара.

Для пожарной охраны АТП создают добровольные пожарные дружины (ДПД). На ДПД возлагают: контроль за соблюдением противопожарного режима АТП и его производственных участках, складах и других объектах; разъяснительную работу среди рабочих и служащих с целью соблюдения противопожарного режима; надзор за исправным состоянием первичных средств пожаротушения и готовность их к действию; вызов пожарных команд в случае возникновения пожара и принятие немедленных мер к тушению пожара имеющимися средствами пожаротужения; участие в случае необходимости в боевых расчетах в работе на пожарных автомобилях, мотопомпах и других передвижных и стационарных средствах пожаротушения, а также в исключительных случаях дежурства.

Численный состав ДПД определяет руководитель АТП. Комплектуют ДПД из работников предприятия не моложе 18 лет таким образом, чтобы в каждом цехе и смене имелись члены дружины.

Важную роль в проведении противопожарных профилактических мероприятий на АТП играют пожарно-технические комиссии. В состав комиссий входят: главный инженер, начальник пожарной охраны, главный механик, инженер по охране труда и другие лица по усмотрению руководителя предприятия.

В задачи пожарно-технической комиссии входит: выявление пожароопасных нарушений и недочетов в технических процессах ремонта автомобилей, в работе агрегатов, установок, производственных участках, на складах, которые могут привести к возникновению пожара, взрыва или аварии, и -­

разработка мероприятий, направленных на устранение этих нарушений и недочетов; содействие пожарной охране (ДПД) предприятия в организации и проведении пожарно-профилактической работы и устранении строго противопожарного режима в производственных помещениях.

Все инженерно-технические работники, служащие и рабочие АТП при приеме на работу обязаны пройти первичный противопожарный инструктаж, а затем непосредственно на рабочем месте - вторичный противопожарный инструктаж. Первичный инструктаж проводит начальник пожарной охраны, а где их нет, специальное лицо из инженерно-технических работников, назначенное приказом по АТП. Повторный инструктаж проводят ежеквартально. Ответственный за пожарную безопасность ведет журнал учета средств пожаротушения с перечислением и указанием дат их испытания и очередных проверок.

Для извещения о пожаре на АТП используют электрическую пожарную сигнализацию, телефонную связь. Для локализации и ликвидации небольших возгораний и пожаров в начальной стадии их развития на АТП применяют первичные средства пожаротушения, к которым относятся прежде всего переносные и передвижные огнетушители, ящики с песком, кошма, асбестовые покрывала, резервуары с водой.

Различают электрическую пожарную сигнализацию на автоматического и неавтоматического действия. Связь автоматического типа более совершенна, так как позволяет автоматически обнаружить возникший пожар и сообщить о нем в ближайшую пожарную часть. В ней используются автоматические извещатели, которые подразделяются на тепловые, пламенные (световые), ультразвуковые и комбинированные.

Прекратить горение можно физическим и химическим способом. К физическим способам относятся охлаждение горючих веществ, изоляция веществ от зоны горения, разбавление реагирующих веществ с негорючими и не поддерживающими горение веществами. Химический способ заключается в торможении реакции горения из-за понижения в зоне реакции концентрации активных веществ.

Для локализации и ликвидации небольших пожаров и возгораний в начальной их стадии применяют первичные средства пожаротушения, к которым относятся переносные и передвижные огнетушители (ГОСТ 122047-86), ящики с песком, резервуары с водой и прочие средства пожаротушения.

Охрана труда

Сложность современного производства требует комплексного подхода к охране труда. В этих условиях предприятие решает следующие задачи:

обучение работающих вопросам охраны труда;

обеспечение безопасности производственного оборудования;

обеспечение безопасности зданий и сооружений;

обеспечение работающих средствами индивидуальной защиты;

обеспечение оптимальных режимов труда и отдыха;

обеспечение безопасности производственных процессов;

нормализация условий труда и др.

Одним из важнейших направлений охраны труда на предприятиях является обеспечение работников инструкциями по охране труда. Данная работа должна осуществляться в соответствии с "Методическими указаниями по разработке правил и инструкций по охране труда", утверждёнными постановлением Минтруда РФ N 129 от 1 июля 1993 года.

Инструкция по охране труда - нормативный акт, устанавливающий требования по охране труда при выполнении работ в производственных помещениях, на территории предприятия, на строительных площадках и в иных местах, где производятся эти работы или выполняются служебные обязанности.

Инструкции по охране труда могут быть типовые (отраслевые) для работников предприятий, участков и конкретного рабочего места. Инструкции по охране труда разрабатываются на основе межотраслевых и отраслевых правил по охране труда и не должны им противоречить.

Утверждённые инструкции для работников учитываются службой охраны труда предприятия в журнале учёта. Надзор и контроль за соблюдением правил и инструкций по охране труда осуществляется федеральными органами надзора.

Инструкции для работников по профессиям и на отдельные виды работ разрабатываются в соответствии с утверждённым работодателем перечнем, который составляется при участии руководителей подразделений, служб главных специалистов и др. Разработка инструкций для работников осуществляется на основе приказа работодателя.

Инструкции для работников разрабатываются руководителями подразделений (цехов, отделов, лабораторий и др.).

Служба охраны труда организации осуществляет контроль за своевременной разработкой и пересмотром инструкций для работников, а также оказывает методическую помощь разработчикам.

Типовая инструкция и инструкция для работников должны содержать следующие разделы:

общие требования безопасности;

требования безопасности перед началом работ;

требования безопасности во время работы;

требования безопасности в аварийных ситуациях;

требования безопасности по окончанию работы.

Инструкции для работников не должны содержать ссылок на какие-либо нормативные акты, кроме ссылок на другие инструкции для работников, действующие на данном предприятии. В инструкциях не должны применяться слова, подчёркивающие особое значение отдельных требований (например, "категорически", "особенно", "строго" и т.п.), так как все требования инструкции должны выполняться работниками в равной степени. Замена слов в тексте буквенным сокращением допускается при условии полной расшифровки.

Если безопасность выполнения работы обусловлена определёнными нормами, то они должны быть указаны в инструкции (величина зазора, расстояния и т.п.).

Проверка инструкций на соответствие требованиям действующих государственных стандартов, санитарных норм и правил должна проводиться не реже одного раза в 5 лет.

Проверка инструкций для работников по профессиям или по видам работ, связанным с повышенной опасностью, должна проводиться не реже одного раза в 3 года.

Если в течение срока действия инструкции условия труда работников на предприятии не изменились, то приказом работодателя действие инструкции продлевается на следующий год, о чём делается запись на первой странице инструкции (штамп "Пересмотрено", дата и подпись лица, ответственного за пересмотр инструкции).

Выдача инструкций руководителям подразделений организации производится службой охраны труда с регистрацией в журнале учёта выдачи инструкций.

У руководителя подразделения организации должен постоянно храниться комплект действующих в подразделении инструкций для работников всех профессий и по всем видам работ.

Инструкции работникам могут быть выданы на руки под расписку в личной карточке инструктажа для изучения при первичном инструктаже, либо вывешены на рабочих местах или участках, либо храниться в ином месте, доступном для работников.

Контроль организации охраны труда на предприятии осуществляется:

работодателем и руководителями подразделений;

через совместный административно-общественный контроль;

через контроль вышестоящей организации;

инспекторами государственного специального надзора (Госгортехнадзор, Госэнергонадзор, Госсанэпиднадзор, Госатомнадзор и др.);

инспекторами государственной службы по охране труда (государственные инспекторы Рострудинспекции и работники подразделения по охране труда органа по труду субъекта Федерации);

через смотры по охране труда и технике безопасности.

Промышленная санитария

Производственная санитария - часть медицинской науки о гигиене труда, посвященная изучению и предупреждению профессиональных заболеваиий. Профессиональными называются заболевания, которые получены в результате длительного воздействия на организм работающего различных производственных вредных факторов. К таким факторам относятся: примеси вредных веществ (газов), шум, громкость которого превышает допустимые пределы.

На мероприятия по охране труда на предприятиях ежегодно :выделяются большие средства, разрабатываются планы мероприятий по оздоровлению условий труда.

Вывод

В данном дипломном проектировании было представлено описание и расчет участка ремонта двигателей с разработкой технологии ремонта головки блока цилиндров автомобилей ВАЗ - 2112на станции технического обслуживания автомобилей (СТОА). Цель и задачи дипломного проекта заключается в том, что бы подвести итог по пройденным за время обучения в данном учебном заведении, дисциплинам. Показать свои знания и умения в организации производственной программы по проведению технического обслуживания и текущего ремонта, полученные за время обучения. Научится практически производить расчеты производственной программы по ТР, расчета штата для выполнения работ, производить расчеты экономических затрат для работы предприятия и энергетических затрат предприятия, а также научится выбирать нужное оборудование и рационально расстановить его на рабочем месте.

Эти условия достигнуты - основная задача выполнена.

ремонт двигатель клапан цилиндр

Перечень использованной литературы

1.Трифонова М.М., Корсунова Н.М. Методические рекомендации по удобному проектированию. 2014.

. Сафронов Н.А. Экономика организации (предприятия). Учебник. М. Инфра- 42012.

. Виноградова М.В., Панина З.И. Организация и планирование деятельности предприятий сферы сервиса. Учебное пособие. М. Дашков и К. 2010.

.С.В. Шумик, Е.Л. Савич. Техническая эксплуатация автомобилей. Мн.

.О.И. Волкова. Экономика предприятия. Инфра-М. 2011.

.Организация войскового ремонта ВАТ. Основы проектирования ремонтно- восстановительных органов АТ и средств их технологического оснащения;

.Б.Д. Колубаев, И. С. Туревский. Дипломное проектирование станций технического обслуживания автомобилей. Издательство: Форум, Инфра-М,

. О.И. Гируцкий, Ю.К. Есиновский ,Д.Г.Поляк. - электронные системы управления агрегатами автомобилей 2000г.

. Ю.Е.Чумаченко, Г.В. Чумаченко- Эксплуатация автомобилей и охрана труда на автотранспорте - 2003г. Издание «Феникс».

Похожие работы на - Расчет участка ремонта двигателей с разработкой технологии ремонта головки блока цилиндров автомобилей ВАЗ–2112

 

Не нашли материал для своей работы?
Поможем написать уникальную работу
Без плагиата!
Без нейросетей!