Проект новой функциональной блок-схемы установки подготовки нефти

  • Вид работы:
    Курсовая работа (т)
  • Предмет:
    Другое
  • Язык:
    Русский
    ,
    Формат файла:
    MS Word
    389,18 Кб
  • Опубликовано:
    2016-01-03
Вы можете узнать стоимость помощи в написании студенческой работы.
Помощь в написании работы, которую точно примут!

Проект новой функциональной блок-схемы установки подготовки нефти

ВВЕДЕНИЕ

Месторождение Ата Мура находится на территории Жылыойского района, Атырауской области Республики Казахстан. Исследование настоящего месторождения проводилось по заказу «ТОО Биг». Ключевыми моментами в проведении геолого-промысловых и гидродинамических исследований было получение информации о добывных возможностях скважин и режиме работы залежи, установлении характера изменения давлений, дебитов, газового фактора и состава пластовых флюидов во времени на различных режимах работы скважины.

В условиях быстрого развития нефтяной и газовой промышленности становится весьма актуальным проблемы дальнейшего совершенствования систем промыслового сбора, транспорта и подготовки скважинной продукции. Нефтегазодобывающие предприятия представляют собой сложный комплекс многочисленных сооружений основного и вспомогательного назначения, обеспечивающий добычу, сбор и подготовку нефти к транспорту; сбор и очистку нефтяного газа; подготовку для закачки в пласт пресной и пластовой воды, используемых в системах поддержания пластового давления. Специфические проблемы возникают при добычи высоковязких смолистых и парафинистых нефтей, при содержании в продукции скважин сероводорода и углекислого газа, при смешении продукции из разных нефтеносных горизонтов, при закачке в пласт воды, несовместимой по своим качествам с пластовыми водами. Одной из серьезных проблем на нефтяных месторождениях является борьба с потерями нефти и газа как при сборе, так и особенно при подготовки и хранении в резервуарах. Снижение потери нефти и газа на нефтяных месторождениях достигает применением герметизированных систем сбора, герметизированного оборудования на установках подготовки нефти, газа и воды, а также сдачей нефти по закрытой схеме нефтепроводным управлениям для последующей перекачки по магистральным нефтепроводам.

Цель работы. Промысловая подготовка аномально высоковязкой нефти до высшей группы качества путем научно обоснованного оснащения оборудованием технологической схемы и усовершенствования конструктивных элементов основных аппаратов.Для чего необходимо провести: -исследование физико-химических свойств нефти и определение ее сепарационных свойств.

Анализ существующего состояния технологии и техники промысловой подготовки нефти и расчетно-конструкторские работы по модернизации отстойной аппаратуры установки подготовки нефти позволили разработать проект новой функциональной блок-схемы установки подготовки нефти.

1. ОБОСНОВАНИЕ ТЕМЫ ПРОЕКТА

.1 Общие сведение о месторождении

Месторождение Ата Мура было открыто и получило промышленную оценку в 1988-93 г.г. Промышленная нефтеносность месторождения связана с меловыми и юрскими отложениями.

Оценка запасов нефти, газа и попутных компонентов выполнена институтом «КазНИГРИ» по материалам, полученным с 23 глубоких и 8 структурных скважин, и утверждена в Центральной комиссии по запасам полезных ископаемых Министерства геологии и охраны недр Республики Казахстан (Протокол №2 от 28.06.93 г.).

Утверждённые геологические запасы нефти по категории С1 и С2 (числитель) и извлекаемые (знаменатель) составляют соответственно:

для мела по категории С1 13264 и по категории С2 3911 тыс. т

510

для юры по категории С1 4704 тыс. т.

Согласно Лицензии серии МГ № 95 (нефть) от 04.05.1995 г. ТОО «БИГ» с 01.01.97 года осуществляет добычу углеводородного сырья из юрского эксплуатационного объекта.

Согласно условиям Лицензии, по меловым отложениям предусмотрено их доизучение. С целью доизучения меловых горизонтов и для проектирования их разработки на месторождении были пробурены пять скважин №№ 16-М, 21-М, 80-М, 90-М и 79-М (три на грабене и две на южном крыле структуры).

ТОО «БИГ» на юрские горизонты южного крыла месторождения пробурены 25 эксплуатационных скважин.

На месторождении реализуется вариант разработки с плотностью сетки 8 га/скв. с площадным заводнением. С целью обоснования параметров воды, нагнетаемой в юрские горизонты для интенсификации добычи и повышения КИН в пределах южного крыла месторождения были проведены экспериментальные исследования в лаборатории физико-химических методов повышения КИН «ВНИГНИ» (РФ) под руководством зав. лабораторией к.т.н. Звездова А.В., на основе которых в 2003 году институтом АО «НИПИ «Каспиймунайгаз» составлена «Программа промышленного заводнения юрского эксплуатационного объекта месторождения Ата Мура».

Месторождение нефти Ата Мура в административном отношении расположено на территории Жылыойского района Атырауской области, в районе с развитой инфраструктурой. В юго-восточном направлении в 40 км от месторождения проходит нефтепровод «Кенкияк - Атырау». Сам город находится на расстояние 290 км к западу. В 45 км к северо-западу от месторождения проходит железная дорога и автотрасса «Атырау - Актюбинск».

Электроснабжение промысла, подсобных объектов и бытового жилого комплекса осуществляется от дизельной электростанции с четырьмя дизельгенераторами типа « Катерпиллар» мощностью 290квт каждый, комплектными трансформаторными подстанциями и линиями электропередачи 6 и 0,4кв Защита от коррозии колонн скважин и подземных трубопроводов осуществляется двумя мощными катодными установками.

Внешний транспорт нефти осуществляется по нефтепроводу - НПС-3 диаметром 219мм и протяжённостью 41км, принадлежащему компании до приёмо-сдаточного пункта НПС-3.

Защита нефтепровода от коррозии осуществляется 6-тью катодными станциями , питающимися электроэнергией от 6-ти ветроагрегатов.

В обустройство промысла в процессе его работы постоянно вносились дополнения, направленные на обеспечение надёжности и повышение устойчивости и экономичности. Усилена мощность ДЭС от двух до четырёх дизельгенераторов «Катерпиллар», промысловая химлаборатория оснащена новейшими приборами, посудой и мебелью фирмы ЭКРОС, на промысле смонтированы и действуют опреснительная установка, установки «Гелиос», мини-котельная для обогрева жилого поселка, проведена реконструкция внутри промыслового электрохозяйства, при переводе скважин на механизированный способ добычи нефти внедрены винтовые системы, экономичные в части потребления электроэнергии и длительным межремонтным периодом.

Для разработки юрских горизонтов на южной части месторождения пробурены 21 эксплуатационных скважины.

Несмотря на выполненный значительный объем буровых работ, новой информации, позволяющей судить об изменениях геологической модели, не получено.

В результате интерпретации материалов ГИС и по результатам опробования во всех вновь пробуренных скважинах выделены продуктивные интервалы номенклатурных юрских горизонтов.

В тектоническом отношении по поверхности докембрийского фундамента месторождение расположено в зоне сочленения Биикжальского поднятия и Коскульского выступа, юго-восточнее Доссорского прогиба, являющихся составными частями обширной Астраханско-Актюбинской зоны поднятий.Фундамент в сопредельных с площадью месторождения районах залегает на глубине 7,5 км и характеризуется ступенчато-блоковым строением.

Нефтеносность

Продуктивные пласты Ю-І, Ю-ІІА, Ю-ІІБ, Ю-ІІІ на месторождении приурочены к юрским отложениям. Коллекторы представлены песками, слабосцементированными песчаниками и алевролитами.

В 1997 году было проведено 10 замеров пластового давления юрских горизонтов в скважинах №№ 53, 59, 61, 64, 65, 66, 67, 68, 71 и 74 , которое в среднем составило 8,9 МПа. В 1998 году замеры были проведены в скважинах №№15А, 55, 61 и пластовое давление в среднем составило 8,9 МПа.

Среднее пластовое давление в 1999 г. (замеренное в скважинах №№15А, 53, 55, 60, 64, 70, 74 и 75) составило 8,82 МПа, в 2000 г. (замеренное в скважинах №№ 59, 60, 64, 65, 67, 68, 71, 72 и 75) составило 8,7 МПа. В 2001 г. замер пластового давления было проведено в скважинах №№ 59, 64, 67, в среднем пластовое давление составило 8,34 МПа. В 2002г. среднее пластовое давление составило уже 7,1 МПа., в 2003г. - 7 МПа.

Динамика пластового давления юрских горизонтов месторождения Ата Мура представлена на рисунке 1

С целью дальнейшей оптимальной разработки залежи и недопущения дальнейшего снижения пластового давления в других частях залежи и выделения газа в эксплуатационных скважинах в 2002-2003гг. разработана «Программа промышленного заводнения юрского эксплуатационного объекта месторождения,,» выполненного институтом «Каспиймунайгаз». В работе представлены результаты экспериментальных исследований по обоснованию параметров воды для нагнетания в юрские горизонты, проведённых сотрудниками лаборатории физико-химических методов повышения КИН ВНИГНИ РФ под руководством зав. лабораторией к.т.н. Звездова А.В.

Месторождение нефти и газа «Ата Мура» открыто в 1988 году. Запасы нефти и газа утверждены в ГКЗ РК в 1993 г. (Протокол №2 от 28.06.93 г.). Балансовые и извлекаемые запасы нефти по категории С1 составляют соответственно:

для мела -13264/2927 тыс.т., для юры - 4704/1863 тыс.т., для триаса - 1623/114 тыс.т. и всего по месторождению - 19591/4904 тыс.т.

С 1997 г. ТОО «БИГ» занимается разработкой и эксплуатацией основного юрского эксплуатационного объекта в соответствии с «Технологической схемой разработки месторождения Ата Мура», составленной в 1995 году Атырауским филиалом «КазНИПИнефть».

Для разработки юрских горизонтов на южной части месторождения пробурены 21 эксплуатационных скважины.

С начала разработки в эксплуатационных скважинах проводились гидродинамические исследования скважин. Материалы опробования скважин месторождения Ата Мура включают в себя две части: непосредственное опробование продуктивных горизонтов и исследования на установившихся режимах (МУО) и методом снятия кривой восстановления давления (КВД). В настоящее время работы по испытанию продуктивных горизонтов в отложениях юры завершены. Всего по 21 скважине были испытаны Ю-II-А, Ю-II-Б и Ю-III продуктивные горизонты.

Исследования МУО по скважинам №№ 65, 66, 67 и 68 проводили на трех режимах с отработкой на каждом режиме по 3 суток, по скважинам №№ 53, 59, 61 и 64 - на двух режимах.

В эксплуатационных скважинах при исследовании МУО были получены фонтанные притоки нефти с водой, определены параметры пластов, такие как коэффициент продуктивности и проницаемость. Коэффициенты продуктивности скважин изменяются от 12,99 (скважина №66) до 38,6 (скважина №65) м3/сут*МПа, коэффициенты проницаемости - от 0,565 (скважина №68) до 0,806 (скважина №66) мкм2. Пластовое давление изменяется от 8,38 (скважина №66) до 9,23 (скважина №68) МПа.

В 1997 году было проведено 10 замеров пластового давления юрских горизонтов в скважинах №№ 53, 59, 61, 64, 65, 66, 67, 68, 71 и 74, которое в среднем составило 8,9 МПа. В 1998 году замеры были проведены в скважинах №№15А, 55, 61 и пластовое давление в среднем составило 8,9 МПа.

Среднее пластовое давление в 1999 г. (замеренное в скважинах №№15А, 53, 55, 60, 64, 70, 74 и 75) составило 8,82 МПа, в 2000 г. (замеренное в скважинах №№ 59, 60, 64, 65, 67, 68, 71, 72 и 75) составило 8,7 МПа (рисунок 1). В 2001 г. замеры пластового давления были проведены в скважинах №№ 59, 64, 67, в среднем пластовое давление составило 8,34 МПа. В 2002 г. среднее пластовое давление составило уже 7,1 МПа, в 2003 г. - 7 МПа.

Рассчитанные основные варианты разработки эксплуатационных объектов подверглись экономической оценке и объединены в три варианта в целом по месторождению:

вариант - разработка I объекта c ППД заводнением плотностью сетки 2,25 га/скв., разработка II объекта c ППД заводнением плотностью сетки 6,8 га/скв.;

вариант - разработка I объекта c ПТОС и ПТВ плотностью сетки 2,25 га/скв., разработка II объекта c ППД заводнением плотностью сетки 6,8 га/скв.;

вариант - разработка I объекта на естественном режиме c «CHOPS», плотностью сетки 2,25 га/скв., разработка II объекта c ППД заводнением плотностью сетки 6,8 га/скв.

На основе технико-экономического анализа основных вариантов разработки месторождения к утверждению рекомендуется 3 вариант с нижеследующими проектными показателями:

Проектный уровень добычи нефти - 233,7 тыс.т (2012 г.);

Темп отбора при проектном уровне 5,7%;

Проектный уровень добычи жидкости - 1483,2 тыс.т;

Проектный уровень закачки рабочих агентов (воды) - 478,8 тыс.м3;

Накопленная добыча нефти - 3329,9 тыс.т;

КИН - 0,22 доли ед.;

Накопленная добыча жидкости - 21189,8 тыс.т;

Накопленная закачка рабочих агентов - 8546,7 тыс.м3;

Фонд добывающих скважин - 104 ед.;

Фонд нагнетательных скважин - 8 ед.;

Фонд добывающих скважин для бурения - 83 ед.;

Фонд нагнетательных скважин для бурения - 1 ед.;

Средняя обводненность к концу разработки - 94,9%;

Капитальные вложения - 31250,8 тыс.долл.США;

Эксплуатационные затраты - 257464 тыс.долл.США;

Себестоимость тонны нефти - 80 долл. США;

Чистая прибыль - 58765,3 тыс.долл.США;

Накопленный поток наличности - 46226,9 тыс. долл. США;

Интегральный эффект - 26608,3 тыс. долл. США;

Роялти - 5954,2 тыс. долл. США;

Налогооблагаемый доход - 59250,7 тыс. долл. США;

Срок экономического предела - 2025 год;

ВНП - 19,38.

.2 Объемы добычи нефти и газа

Динамика основных технологических показателей разработки юрских продуктивных горизонтов представлена в таблице 7 и на рисунках 8, 9.

С начала разработки за период 01.01.97г. - 01.06.03г. юрского эксплуатационного объекта накопленная добыча составила 484 тыс. тонн нефти. Отобрано нефти от начальных извлекаемых запасов категории С1 - 25,99%. Коэффициент нефтеизвлечения достигла 10,29%. Среднесуточный дебит одной добывающей скважины по нефти составляет 13,06 т/сут. Накопленная обводнённость продукции в среднем составляет около 32%.

С начала разработки отмечается постоянный рост добычи нефти, так в 1997 г. было добыто 10,6 тыс.т., в 1998г. - 42,1 тыс.т., в 1999г. - 80,3 тыс.т., 2000г. - 102,9 тыс.т., в 2001г. - 102,3 тыс.т. и 2002 г. -105,3 тыс.т. Увеличение объемов добычи нефти с 1997 г. по 2001 г. связано с возрастанием фонда добывающих скважин соответственно с 7 до 21 единиц. Максимальный ввод скважин в количестве 8 единиц состоялся в 1998 г., ввод скважин в 1999 и 2001г.г. составил 4 и 2 единицы.

Рост и стабилизация добычи нефти в 2000 - 2002 г.г. поддерживалась путем проведения различных геолого-технических мероприятий: комплексом ГИС по контролю за разработкой месторождения, проведением различных ремонтно-изоляционных работ (цементировок на нефтяной основе, обработок призабойной зоны различными поверхностно-активными веществами и др.).

Однако, начиная с 1999г. наблюдается естественное постепенное обводнение залежи, из них по годам: 1998г. - 1,96%, 1999г . - 17,5%, 2000 г. - 28,3%, 2001 г. - 35,1% и 2002 г. -41,6%. %. В большей степени скважины обводнены в приконтурной юго-восточной части месторождения, что связано с активностью законтурных напорных вод.

По приведенным графикам текущих технологических показателей разработки юрских горизонтов и картам суммарных отборов нефти и воды по состоянию на 01.06.03г. (рисунки 7) видно, что залежь разрабатывается достаточно равномерно по площади и стабильно по отборам жидкости и нефти.

Дебиты скважин по жидкости замеряются на групповых замерных установках типа «Спутник АМ40-14-400П» за определённый (установленный в часах) период времени. Для определения дебита скважин по нефти производится отбор проб с последующим анализом в химической лаборатории промысла на содержание воды, и по результатам обводнённости определяется дебит скважины по нефти и воде в объёмном выражении. Определяются плотность нефти, содержание в ней хлористых солей, механических примесей и расчётным путём вычисляется дебит нефти в тоннах за сутки. Исходя из периодов замеров ведётся учёт суммарной добычи нефти по каждой скважине за месяц и далее нарастающим итогом за год.

Дебиты скважин по газу замеряются на групповых замерных установках типа "СПУТНИК" АМ40-14-400П, поочередным переключением их на замерной блок установки.

Попутный газ, выделившийся на первой и второй ступенях сепарации, проходит дополнительную осушку в газосепараторах и используется в качестве топлива на УПН в печах нагрева нефти и воды и котлах промысловой котельной.

Учёт газа ведётся ежесуточно по счётчикам газа «АГАТ», смонтированным на газовых трубопроводах, на одном из которых фиксируется общий объём добычи газа, на другом - объём его потребления на собственные нужды.

При разработке месторождения с нефтью извлекаются и пластовые попутные воды. Пластовая вода, отделившаяся в отстойнике и электродегидраторе, поступает в отстойник с патронным фильтром ОПФ-3000, где происходит её подготовка до требуемых норм и далее через накопительные ёмкости закачивается в нагнетательные скважины по напорным водоводам через блочные водораспределительные гребёнки БГ. Защита от коррозии коммуникаций ППД осуществляется дозированием ингибитора коррозии KW-2068 фирмы «Бейкер Петролайт» блочной установкой БР-2,5. Контроль объёма и параметров закачиваемого агента ежедневно фиксируется водомерными счётчиками фирмы «WEC». На нагнетательных скважинах и на насосе установлены манометры, фиксирующие давление закачки. Фактически отбор проб закачиваемой воды производится ежедневно и отправляется в лабораторию промысла на содержание механических примесей и нефти. Заведены журналы учёта закачки, где фиксируются показания манометров, продолжительность и объём закачанной жидкости. Таким образом, контроль объёма закачки и отбор проб производится согласно Проекту.

Фактически с начала разработки месторождения по всему фонду проводятся нижеследующие гидродинамические исследования скважин и промыслово-геофизические исследования по контролю за разработкой:

с целью контроля за производительностью скважин - определение дебита по жидкости - не менее 6 раз в месяц, обводнённости продукции не менее 6-8 анализов в месяц по каждой скважине (по проекту: определение дебита по жидкости - 1 раз в неделю, определение обводнённости - 1 раз в неделю);

замеры динамических уровней - 3-5 раз в месяц с целью определения режима работы глубинных насосов по каждой скважине (по проекту: определение динамических уровней - 1 раз в квартал);

отбор и лабораторный анализ поверхностных проб флюида по каждой скважине - один раз в месяц;

замер устьевых давлений манометрами: трубного, затрубного и давления на выкидных линиях - ежедневно;

исследования методом установившихся отборов с целью снятия кривой восстановления давления и определения продуктивности скважин -16 исследований. Исследования проводились специализированным гидродинамическим отрядом ЦНИЛ АО "Эмбамунайгаз", специальным отрядом ГИС по контролю за разработкой, а с приобретением глубинного скважинного манометра "Микон -107" собственными силами персонала промысла;

с целью контроля пластового и забойного давления проводятся постоянные замеры статических и динамических уровней - динамических не менее 3-5 раз ежемесячно по всему фонду скважин, статических - при смене внутрискважинного оборудования, проведении каких - либо геолого-технических мероприятий;

по 15 скважинам проведены специальные исследования ГИС по контролю за разработкой с целью определения работающих интервалов (профиля притока), дебита отдельных прослоев, состава флюида по стволу скважины, выделения обводнившихся интервалов и заколонных перетоков.

Исследования проводятся как в статическом, так и динамическом режимах с записью методов: термометрии, барометрии, термодебитометрии, влагометрии, плотности, магнитного локатора муфт, ГК. По шести скважинам проведены исследования методом ИННК по определению текущей нефтенасыщенности и выделению обводнившихся интервалов.

Полученные данные проведённых гидродинамических и геофизических исследований в скважинах достаточно информативны и используются при разработке месторождения. В большинстве случаев по результатам исследований компанией проводятся различные геолого-технические мероприятия: определяется и /или уточняется оптимальный режим работы скважин, проводятся работы по изоляции обводнившихся интервалов путём установки пакеров и проведения селективных цементировок на углеводородной основе. Так, по данным ГИС по контролю за разработкой в скважинах №№65, 71, 72, 2-А проведены геолого-промысловые мероприятия

по снижению обводнённости с получением реальной эффективности по добыче нефти.

В процессе эксплуатации скважин происходит кольматация призабойных зон парафино-смолистыми отложениями и для восстановления и очистки призабойных зон проводились обработки их горячей нефтью и нестабильным бензином с ПАВ. По некоторым скважинам с целью интенсификации притоков привлекались научно-производственные фирмы, такие как Московская «Сервон», Тюменьская «Гелий», для проведения более сложных работ по обработке пластов многокомпонентными химическими растворами.

С целью интенсификации притоков нефти на промысле проводятся работы по ограничению притока пластовых вод. В результате прорыва пластовой воды по отдельным пропласткам или по пласту резко снижается приток нефти. Восстановления дебита скважин по нефти удаётся достичь путём отсечки пакерами обводнившихся пропластков или изоляции пластовых вод цементными растворами на углеводородной основе. Стабилизация добычи нефти поддерживается путём проведения различных геолого-технических мероприятий.

На месторождении ранее было пробурено 23 скважины - 12 поисковых (№№1, 2, 3, 5, 6, 7, 8, 9, 10, 13, 23 и 24) и 11 разведочных (11, 12, 14, 15, 16, 17, 18, 19, 20, 21 и 22). Их них 8 (№№ 1, 2, 7, 9, 11, 15, 16 и 21) скважин введены в консервацию как продуктивные, 15 скважин (№№ 3, 5, 6, 8, 10, 12, 13, 14, 17, 18, 19, 20, 22, 23 и 24) ликвидированы по геологическим причинам.

С сентября 1999 года по I квартал 2000 года в скважинах №№2-А, 15-А, 70, 71, 72, 75 наблюдается высокое обводнение (50 - 80%), что привело к образованию двух языка обводнения в юго-восточной части месторождения: один в районе скважины 15-А и другой в районе скважин 70, 71 и 75. В отчёте «Уточнение геологической модели меловых горизонтов месторождения и выбор участка опытно-промышленной разработки", выполненный институтом "Каспиймунайгаз" в мае 2000г. было предложено с целью увеличения продуктивности нефти и исключения возможного влияния языкового обводнения провести капремонт скважин с зарезкой наклонных стволов, которые обеспечили бы более благоприятные условия эксплуатации.

Работы по изоляции обводнившихся интервалов путём установки пакеров и проведения селективных цементировок на углеводородной основе позволили снизить и стабилизировать обводненность скважин №№ 15-А, 70, 71. Данные ГИС (по контролю за разработкой) в скважинах № 2-А, 65, 71 показали реальную эффективность уменьшения обводненности и увеличение добычи нефти. Многократные и длительные по времени работы по снижению обводненности в скважинах №№ 68, 72 и 75 проведенные, как самостоятельно, так и с привлечением специализированных научно - исследовательских фирм («Гелий» «КазПромГеофизика») не дали удовлетворительных результатов.

Таким образом, в юго-восточной части месторождения на 01.06.03г. выделяются отдельные скважины №№15А, 68, 72 с текущей обводнённостью выше 70%, в районе скважин №№2-А, 55, 56, 61, 62, 67, 74, 75 текущая обводнённость изменяется от 40 до 70% .

На состояние 01.06.03г. основной текущий отбор приходится на центральную часть южного крыла месторождения. В юго-восточной части с ростом обводнения в скважинах незначительный текущий отбор нефти.

Таблица 1.

Характеристика фонда скважин на 01.01.05

Наименование

Характеристика фонда скважин

меловые горизонты

юрские горизонты



Количество скважин / номера скважин

Фонд добывающих скважин

Пробурено

5

25



(скв. №№16-М, 21-М, 90-М, 80-М, 79-М)

(скв. №№ 52, 53, 54, 55, 56, 59, 60, 61, 62, 64, 65, 66, 76, 67, 68, 70, 72,71, 74, 75, 2-А, 15-А, 77, 78, 80)


Возвращены с других горизонтов

-

-


Всего

5

23


в том числе:




Действующие

4

23



(скв. №№ 16-М, 21-М, 79-М 90-М)

(скв. №№ 52, 53, 54, 55, 56, 59, 60, 61, 62, 64, 65, 76, 67, 68, 70, 71, 74, 75, 2-А , 15-А, 77, 78, 80)


из них фонтанные

-

-


ЭВН

-

23


ШГН

4

-


Бездействующие

-

-


В освоении после бурения

-

-


В консервации

1 (скв. №80-М)

-


Переведены под закачку

-

2 (скв. №№72, 66)


Ликвидированные

-

-

Фонд нагнетательных скважин

Пробурено

-

-


Возвращены с других горизонтов

-

-


Переведены из добывающих

-

4 (скв. №№2-Г, 15-Г, 72, 66)


Всего

-

4 (скв. №№2-Г, 15-Г, 72, 66)


в том числе:




Под закачкой

-

3 (скв. №№2-Г, 15-Г , 66)


Бездействующие (ожидание КРС)

-

1 (скв. №72)


В освоении после бурения

-

-


В консервации

-

-


В обработке на нефть

-

-


Переведены на другие горизонты

-

-


Ликвидированные

-

-

Водозаборный фонд

Пробурено всего

3 (скв. №№1-ГР, 2-ГР, 3-ГР)


в том числе:



Действующие

2 (скв. №№2-ГР, 3-ГР)


Наблюдательная

1(скв. №2-ГР)


.3 Сбор и подготовка скважинной продукции

Концепция системы добычи продукции соответствует общим принципам обустройства:

охрана труда и окружающей среды;

обеспечение проектных дебитов скважин;

минимизация трудозатрат и создание максимально возможных комфортных условий работы обслуживающего персонала непосредственно на скважинах;

минимизация затрат на строительство и функционирование системы.

Рекомендации и расчеты по применению оборудования базируются на показателях разработки на период 20-25 лет, исходя из тех соображений, что за этот срок существующая техника амортизируется и будет заменена более прогрессивной.

При этом необходимо отметить, что на нефтяном месторождении Ата Мура имеются два объекта для разработки, находящиеся на разных стадиях:

В I объект входят все меловые продуктивные горизонты М-I, М-II, М-III, М-IV, М-V и М-VI, находящиеся на стадии пробной эксплуатации.

На втором объекте эксплуатируются юрские продуктивные горизонты распространенные на южном крыле структуры Ю-I, Ю-II и Ю-III и находящиеся на промышленной стадии разработки.

Учитывая различия физико-химического состава пластовых флюидов и глубин залегания продуктивных нефтенасыщенных пластов рекомендации по технике и технологии добычи нефти будут рассматриваться отдельно для меловых и юрских отложений.

.3.1 Требования и рекомендации к системе сбора и промысловой подготовки продукции скважин

Нефтепромысел Ата Мура обустроен в соответствии с проектом «Обустройство юрских горизонтов нефтяного месторождения Ата Мура», выполненным институтом КазНИПИнефть в 1995 году.

В соответствии с РД 39-0148311-605-86 «Унифицированные технологические схемы сбора, транспорта и подготовки нефти, газа и воды» на месторождении применена лучевая герметизированная напорная система сбора продукции скважин.

Меловые отложения

В период испытания трёх действующих скважин мелового горизонта, одна скважина (№90-М) работала на ёмкость, смонтированную вблизи устья. По мере накопления продукции в ёмкости, периодически автоцистерной продукция вывозится на установку подготовки нефти (УПН), где совместно с нефтью юрского эксплуатационного объекта подготавливается до товарной кондиции.

Две другие скважины (№№16-М, 21-М) были включены в промысловую систему сбора и подготовки нефти юрских горизонтов.

В районе скважины №21-М оборудована бетонная площадка, на которой смонтированы сборная ёмкость объёмом 28 м3, замерная ёмкость объёмом 5 м3, насос НБ-32, батарея задвижек замерного блока. Скважины №№16-М, 21-М выкидными линиями соединены с площадкой и через батарею задвижек могут быть переключены на замерную ёмкость, на сборную ёмкость или непосредственно в нефтесборный коллектор, соединяющий площадку с групповой замерной установкой №1 (ГЗУ №1). Наружный диаметр и толщина стенки нефтепроводных труб выкидной линии равен 89х5 мм с протяженностью 450м (скважина №16-М) и 50 м (скважина №21-М), заложенных на глубину 1 метр. Наружный диаметр и толщина стенки нефтепроводных труб нефтесборного коллектора равен 89х3,5 мм протяженностью 820 м, заложенных на 1 метр глубины.

Насос НБ-32 обвязан трубопроводами с замерной и сборной (аварийной) ёмкостями и нефтесборным коллектором и выполняет функции откачки жидкости из замерной и сборной (аварийной) ёмкостей на ГЗУ и налива её в автоцистерны непосредственно на площадке.

В ГЗУ №1 продукция скважин меловых горизонтов, смешавшись с продукцией юрского эксплуатационного объекта, направляется по общему нефтесборному коллектору на площадку установки подготовки нефти.

В процессе работ по испытанию скважин определился недостаток принятой схемы, связанный с возникновением в системе больших давлений в зимний период, из-за высокой вязкости эмульсии и значительной длины выкидной линии скважины №16-М и нефтесборного коллектора от площадки до ГЗУ. При откачке нефтяной эмульсии насосом создавались повышенные давления на ГЗУ (по-видимому, создавались пробки из вязкой нефти ) и соответственно повышались давления на устье юрских скважин, работающих на данную ГЗУ. А при работе скважин непосредственно в систему сбора создавались высокие давления на устьях скважин. В зимний период нефтяная эмульсия постоянно вывозилась на УПН автоцистернами.

Технология внутрипромыслового сбора и транспорта нефти, газа и воды действующей системы следующая: поток газожидкостной смеси от устья скважин по выкидным линиям из труб 89х3,5мм, заложенных на глубину 1 м под давлением 1,0 МПа поступает на две АГЗУ типа «Спутник АМ40-14-400П». На ГЗУ проводятся замеры дебита скважин по жидкости и газу, с поочерёдными переключениями их на замерной блок установки.

От ГЗУ по сточным линиям из нефтепроводных труб 159х4,5мм продукция скважин поступает на площадку УПН для её сепарации от газа и подготовки до нормативных требований с целью дальнейшей транспортировки нефти в систему магистральных нефтепроводов, а воды в систему ППД.

.3.2 Подготовка нефти

Подготовка нефти осуществляется термохимическим методом на установке подготовки нефти (УПН). Продукция скважин от ГЗУ «Спутник АМ40-14-400П», на которых производится дозирование деэмульгатора «RP-6319» фирмы «Бейкер- Петролайт» блочными установками БР-10 (БР-2,5), поступает на нефтегазосепаратор первой ступени НГС1-1,6-1600-1-ГП, где происходит отделение жидкости от газа.

Жидкость (нефть, вода) под давлением сепарации направляется на печи подогрева ПТ-16/150, где нагревается до температуры 80-90 °С, после чего поступает в отстойник ОГ - 200П, в котором в динамическом режиме происходит отделение нефти от воды.

Обезвоженная нефть направляется в электродегидратор ЭГ-160/10, где также в динамическом режиме происходит её более глубокое обессоливание за счёт электрополя и подачи на вход аппарата нагретой на печах ППТ-0,2 пресной воды. После электродегидратора и второй ступени сепарации на нефтегазосепараторе НГС2-0,6-1600 нефть поступает в технологический резервуар РВС-1000 где, проходя через распределитель потока и слоя пресной воды, окончательно обессоливается до содержания хлористых солей менее 100 мг/л. Затем нефть накапливается поочерёдно в 2-х товарных резервуарах РВС-1000 и РВС-3000 и насосами внешней перекачки НБ-125 по нефтепроводу диаметром 219 мм и длиной 41 км откачивается на пункт приёма-сдачи НПС-3, принадлежащий «КазТрансОйл». Вся нефть подготавливается и сдается по первой группе качества.

Попутный газ, выделившийся на первой и второй ступенях сепарации, проходит дополнительную осушку в газосепараторах и используется в качестве топлива на УПН в печах подогрева нефти и воды и котлах промысловой и бытовой котельной. Часть газа сжигается на факелах. Учёт газа осуществляется двумя газовыми счётчиками типа «АГАТ», один из которых фиксирует общий объём газа, второй - расход газа на вышеуказанные нужды.

Пластовая вода, отделившаяся в отстойнике и электродегидраторе, поступает в отстойник с патронным фильтром ОПФ-3000, где происходит её подготовка до требуемых норм и далее через накопительные ёмкости закачивается в нагнетательные скважины по напорным водоводам через блочные водораспределительные «гребёнки» БГ.

Защита от коррозии коммуникаций системы ППД осуществляется дозированием ингибитора коррозии CRW-82068 фирмы «Бейкер Петролайт» блочной установкой БР-2,5. Для технического водоснабжения нефтепромысла используются подземные воды, добываемые из водозаборных скважин в разрешённом объёме. Объем извлеченных подземных вод из водозаборных скважин в 2001 г. составил 3701 м3, в 2002 г. - 4100 м3, 2003 г. - 5130 м3. Учет извлекаемой воды ведется объемным способом счётчиками типа «WORTEX».

Оборудование и сооружения:

нефтегазосепарационные установки первой ступени сепарации - НГСI-1,6-1600-1-ГП, второй ступени сепарации - НГС-II-0,6-1600-И и газосепараторы после каждой ступени ГС1-25-600-1-1;

установка подготовки нефти (УПН), подогреватели, автоматизированные ПТ16/150 для нефти - 2 шт., отстойник горизонтальный ОГ-200П, электродегидратор ЭГ-160/10;

установка подготовки пластовой воды - отстойник с патронным фильтром ОПФ-3000, буферные ёмкости для очищенной пластовой воды V-80 м3 - 2 шт.;

резервуарный парк РВС-1000 - 3 шт., РВС-3000 - 1шт., два РВС-1000 оборудованы как технологические и взаимозаменяемые, другие - для накопления кондиционной товарной нефти;

нефтяная насосная с технологическими насосами и насосами внешней перекачки нефти ЦНС38-66 - 4 шт. и НБ-125 - 2 шт. соответственно;

насосная для закачки воды в систему ППД типа ЦНС60-330 - 1шт., блок-гребёнки БГ-1 для распределения нагнетаемой воды по нагнетательным скважинам - 2 шт.;

насосная пожаротушения с резервуарами для хранения противопожарного запаса воды и раствора пенообразователя;

Промысловая котельная с тремя котлами на газовом и жидком топливе;

блочные дозировочные установки БР-10 и БР-2,5 для дозирования деэмульгатора и ингибитора коррозии;

наливная эстакада для налива нефти в автотранспорт и спецтехнику;

операторная с КИП и АТ;

промысловая химлаборатория.

Электроснабжение промысла, подсобных объектов и жилого бытового комплекса осуществляется от дизельной электростанции с четырьмя дизельгенераторами типа «Катерпиллар» мощностью 290 кВт каждый, комплектными трансформаторными подстанциями и линиями электропередачи на 6,0 и 0,4 кВ.

Защита от коррозии колонн скважин и подземных трубопроводов осуществляется двумя мощными катодными установками.

Внешний транспорт нефти осуществляется по нефтепроводу Ата Мура - НПС-3 диаметром 219 мм и протяжённостью 41 км, принадлежащему компании «АНАКО», до приёмо-сдаточного пункта НПС-3.

Защита нефтепровода от коррозии осуществляется двумя СК3 (станции катодной защиты), питающимися электроэнергией от ЛЭП промысла и НПС-3.

На приёмо-сдаточном пункте компанией построены узел учёта нефти, два резервуара РВС-1000 для товарной нефти и противопожарная насосная с резервуарами воды и раствора пенообразователя.

Существующая система сбора и промысловой подготовки продукции скважин работает надёжно, аварий на трубопроводах и с оборудованием не было.

.4 Проект новой системы промыслового сбора и подготовки скважинной продукции

Исходя из расположения на месторождении скважин №97-М и №79, рекомендуется подключить выкидной линией скважину № 97-М на площадку скважины № 21-М, а скважину №79 выкидной линией на ГЗУ № 1.

ГЗУ на УПН, расположенная на расстоянии 450-500м от опережающих добывающих скважин №№91-М, 92-М, 94-М, 95-М (и резервных 93-М, 96-М), полностью загружена.

ГЗУ №1 расположена от проектных скважин на расстоянии 700-850 м и по сравнению с ГЗУ на УПН имеет свободные места для подключения.

На основании анализа опыта сбора и перекачки высоковязкой нефти меловых отложений и в связи со значительным удалением проектных скважин от ГЗУ №1, на период опытных работ рекомендуется следующая система сбора и подготовки нефти перечисленных выше скважин (рисунок 1.8.1).

В центре четырехугольника из скважин №№91-М, 92-М, 94-М, 95-М создаётся площадка (сборный пункт), на которой монтируются сборная (аварийная) ёмкость объёмом 28 м3, замерная ёмкость объёмом 5м3, замерной блок из задвижек 80 мм × 1,6 атм., вертикальный нефтегазосепаратор (трап) объёмом 0,8м3, ёмкость для улавливания песка, насос НБ-32, дренажная ёмкость с насосным агрегатом (рисунок 1.8.2). Скважины выкидными линиями из нефтепроводных труб диаметром и толщиной стенки 89 х 3,5 мм с глубиной заложения 1 м подключаются к замерному блоку. Площадка располагается таким образом, что длина выкидных линий скважин не превышает 100-150м. Насос НБ-32 обвязан с замерной и сборной (аварийной) ёмкостями и нефтесборным коллектором диаметром и толщиной стенки 114×4,5мм с глубиной заложения 1 м, от площадки (сборного пункта) до емкостей площадки приёма нефти с других месторождений (Жиланкабак и др.), расположенных на УПН. Нефть меловых отложений со скважин перекачивается насосом НБ-32 в эти ёмкости и далее по существующей схеме вовлекается в процесс подготовки или направляется непосредственно на начало процесса подготовки нефти юрских отложений.

Продукция скважин №№91-М, 92-М, 94- М, 95-М по выкидным линиям поступает на замерный узел 1 (рисунок 12), на котором для каждой скважины смонтированы две задвижки, позволяющие переключать каждую из них на замерную ёмкость 3 или в общий коллектор на УПН. При замере дебита скважины её продукция направляется на калиброванную замерную ёмкость 3, где происходит замер дебита скважин за определённое время с последующим пересчётом на сутки, все остальные скважины работают в общий коллектор на УПН. После замера ёмкость опорожняется насосом 7 в общий коллектор на УПН. В случае аварий на коллекторе или других непредвиденных обстоятельствах продукция скважин может быть направлена на аварийную ёмкость 6 до полной остановки всех скважин с последующим опорожнением её насосом 7 в общий коллектор. Дренажная ёмкость ЕП -16 с насосным агрегатом, вмонтированным в ёмкость, предназначается для дренажа со всех действующих ёмкостей с последующей откачкой жидкой фазы в общий коллектор на УПН, а твёрдой в ёмкость для песка 5, из которой вывозится в шламонакопитель. Все ёмкости герметичные и их вскрытие может быть произведено только в аварийной ситуации.

Скважину №97-М выкидной линией из нефтепроводных труб 89×3,5 мм рекомендуется подключить на существующую площадку сбора скважин №№21-М, 16-М двумя задвижками Ду80 (рисунок 13). Скважину №79 выкидной линией из нефтепроводных труб 89 × 3,5 мм рекомендуется подключить на ГЗУ №1.

Все ёмкости и трубопроводы, смонтированные на сборном пункте, необходимо теплоизолировать и предусмотреть электронагреватели внутри всех ёмкостей.

В процессе опытных работ необходимы промысловые наблюдения за количеством выносимого песка, его оседанием в трубопроводах и в ёмкостях, оседанием на внутренних полостях трубопроводов и ёмкостей смолопарафинистых отложений и периодичностью их очистки, влиянием на внутреннюю поверхность коммуникаций коррозии от воздействия минерализованных пластовых вод с тем, чтобы использовать накопленный опыт при составлении проектных документов на промышленную разработку объекта.

Исходя из расположения на месторождении проектных скважин №№80, 82, 83, 85 и в зависимости от свободных мест для подключения к «Спутнику АМ40-14-400П», рекомендуется подключить скважины выкидной линией на ГЗУ №1. Остальные проектные скважины №№81, 84 и 86 рекомендуется подключить на ГЗУ, расположенную на территории УПН, так как они располагаются рядом с УПН. Подключение проектных скважин к ГЗУ будет происходить в зависимости от выбытия добывающих скважин под нагнетание. Рекомендованные к переводу под нагнетание добывающие скважины №№15-А, 52, 55, 66, 68. На основании анализа опыта сбора и перекачки нефти юрских отложений на период промышленной разработки рекомендуется следующая система сбора и подготовки нефти вышеперечисленных скважин (рисунки 11, 14, 15). Предлагаемая система сбора значительно сокращает протяжённость трубопроводов и при этом позволяет создать процесс сбора и подготовки нефти проектных скважин юрского эксплуатационного объекта без изменения существующей схемы сбора и подготовки.

На установке подготовки нефти и воды рекомендуется:

Ввести в схему подготовки оборудование предварительного сброса попутной воды до нагревателей ПТ 16/150 и оборудование по подготовке воды до нормативных требований. Эти мероприятия позволят разгрузить подогреватели и обеспечить достаточный технически необходимый резерв по мощности установки;

Для улучшения работы и достижения высокого КПД установки предварительного сброса воды рекомендуется построить теплообменник для подачи более нагретой эмульсии в УПСВ;

Увеличение объемов добываемой попутной воды создает нагрузку для работы отстойника с патронным фильтром для очищения сточных вод. Для оптимальной работы установки подготовки воды необходимо построить вспомогательный отстойник для улавливания нефтяных капель. Здесь же можно рекомендовать горизонтальные отстойники с гидрофобным слоем, которые показали в нефтяной промышленности высокую эффективность;

Автоматизировать некоторые процессы, в частности, замер уровней в резервуарах, контроль за работой фонда скважин из операторной;

Полная утилизация попутного нефтяного газа.

 

Рисунок 1. Площадка сбора нефти на опытно-промышленном участке скважин

1.5 Требования и рекомендации по полной утилизации газа

На нефтепромысле Ата Мура применена напорная система сбора продукции с двухступенчатой сепапрацией газа на установке подготовки нефти (УПН). Выделившийся на нефтегазосепараторах первой и второй ступени сепарации газ проходит дополнительную осушку и далее используется, в основном на собственные нужды промысла.

Коэффициент использования нефтяного газа на собственные нужды промысла Ата Мура составляет по годам:

Годы

1999

2000

2001

2002

2010

2011

Коэффициент использования

66,9%

63,7%

74,8%

75%

74,7%

80,5%


В настоящее время попутный газ, используемый на собственные нужды на промысле Ата Мура направляется на:

печи подогрева нефти ПТ16/150 при ее подготовке до товарной кондиции;

печи подогрева пресной воды ППТ-0,2 при обессоливании нефти;

промысловую котельную (теплоснабжение промышленных зданий УПН, обогрев резервуаров, технологических трубопроводов и аппаратов);

миникотельную (теплоснабжение бытового комплекса);

котельную ремонтно-механической мастерской.

С целью повышения степени использования попутного газа ТОО "БИГ" в 2001-2002 гг. было приобретено необходимое оборудование и смонтирован газопровод для перевода одного из котлов промысловой котельной с жидкого топлива на газ. В осенне-зимний период (отопительный сезон) 2002-2003 гг., 2003-2004г.г., котёл работал на газовом топливе. Это мероприятие позволило увеличить использование попутного газа на 300-тыс.м3 в год. В 2002 г. полностью завершено строительство газопровода и проведены работы по переводу миникотельной, обеспечивающей теплоснабжение бытового комплекса вахтового посёлка и котельной ремонтно-механической мастерской на газовое топливо, что позволило увеличить использование газа на 90-110 тыс.м3 в год.

Увеличение использования объема газа на собственные нужды предполагается:

в связи с увеличением обводненности;

настоящим проектом предусматривается предварительный сброс воды, для чего будет приобретён и смонтирован концевой делитель фаз (КДФ) до подогревателей установки подготовки нефти, что потребует дополнительного подогрева воды для интенсификации процесса её отделения с применением подогревателей типа ППТ-02, работающих на газовом топливе;

полная утилизация попутного газа будет связана с увеличением добычи нефти, в том числе и высоковязкой нефти из меловых горизонтов на опытно-промышленном участке, имеющей незначительный газовый фактор, а также круглогодичной работой указанных выше подогревателей ППТ-02.

Ниже в таблице 2 приводятся прогнозные данные по полному использованию попутного газа на нефтепромысле Ата Мура в течении 2012-2013 гг.

Таблица 2.

Прогнозные данные по использованию попутного газа

Показатели:

2012г.

2013г.

Добыча нефти, тыс.т

101.2

120.1

Добыча газа, млн.м3

2,03

2,3

 Поступление нефти на подготовку, тыс.т., всего

111.2

130.1

в том числе привоз нефти сторонних организаций, тыс. т.

10.0

10.0

Расход газа на подготовку 1 т. нефти, м3

13

13

Всего Используется на нужды промысла, млн.м3, в том числе:

1,917

2,29

1. на установке подготовки нефти в печах ПТТ16/150 и ПТТ-02

1.446

1.690

2. промысловой котельной (теплоснабжение промышленных зданий, обогрев резервуаров, технологических трубопроводов и аппаратов

0.296

0.296

3. миникотельнаой (теплоснабжение бытового комплекса)

0.100

0.100

4. котельная ремонтно-механической мастерской

0.01

0.01

5. Подогреватели ППТ-0.2 для подогрева воды

0.065

0.194

Сжигается на факеле, млн.м3

0,113

0,01

Коэффициент использования, %

94.5

99,5


2. ТЕХНОЛОГИЧЕСКАЯ ЧАСТЬ

.1 Технологический расчет

.1.1 Определение поверхности теплообмена в теплообменниках

Для большинства теплообменников теплообмен в трубном пространстве осуществляется за счет конвекции при продольном омывании поверхности теплообмена потоком. Критерии Нуссельта Nu, а значит, коэффициент теплоотдачи , в зависимости от режима движения.

Методика расчета

Поверхность теплообмена в теплообменниках, работающих в стационарном режиме, определяют по формуле

=Q/(Ktср), (1.1)

где Q- количество теплоты, переданное в единицу времени через поверхность S,Вт.

Для теплообменников с цилиндрическими станками применяется уравнение

= KStcp, (1.2)

где l - длина трубки теплообменника, м; n - число параллельно работающих труб;  и - коэффициенты теплоотдачи с внутренней и наружной стороны трубы, Вт/(м2 .0С); r1 и r2 - внутренний и наружный радиус трубы, м; - толщина i-го слоя, м;  - теплопроводность i-го слоя, м; K - коэффициент теплопередачи, отнесенных к поверхности S, Вт/(м2 .0С); S=- общая поверхность теплопередачи, м2 ; d - наружный диаметр трубы.

Количество переданной теплоты Q определяют из теплового баланса

Q = G1cp1(t-t)=G2cp2(t-t), (1.3)

где cp1 и cp2 - удельная теплоемкость жидкостей 1 и 2, Дж/(кг. 0С); t- начальная температура нагреваемой жидкости, 0С; t - конечная температура нагреваемой жидкости, 0С; t- начальная температура охлаждаемой жидкости, 0С; t- конечная температура охлаждаемой жидкости, 0С.

Средний температурный напор, входящий в (1.2), при прямотоке или противотоке определяют как средне логарифмический

tcp = , (1.4)

где t0 и ts - разность температур жидкостей на обоих концах теплообменника. При прямотоке t0=t-t, ts=t-t, при противотоке t0=t-t, ts=t-t.

Если t0/ts2, то вместо среднего логарифмического температурного напора можно использовать средний арифметический.

cp1(t -t)=, (1.5)

где G1 и G 2 - соответственно количество поступающей в теплообменник безводной (горячей) и обводненной нефти (холодной), кг/ч; Gэ - количество поступающей пластовой воды вместе с нефтью, кг/ч; cp1, cp2, cp3 - удельные теплоемкости соответственно горячей, холодной нефти и пластовой воды, Дж/(кг.0С); t- температура эмульсии при входе в теплообменник, 0С; t- температура безводной (горячей) нефти при входе в теплообменник, а t- температура этой нефти при выходе из теплообменника, 0С; t - температура эмульсии, нагреваемая в теплообменнике (неизвестная), 0С;  - к.п.д. теплообменника.

Формулу (5) можно представить так:

cp1 (t- t)= Gэ cp3(t- t):, (1.6)

а удельную теплоемкость эмульсии так:

= cpн+В(cpв- cpн), (1.7)

где В - содержание воды в эмульсии; cpн и cpв - соответственно удельная теплоемкость нефти и воды, Дж/(кг.0С); Gэ - массовый расход эмульсии, кг/ч.

Требуется определить длину теплообменника для нагревания G1= 14000 кг/ч раствора от температуры t= 120С до t = 920С.

Исходные данные: Удельная теплоемкость раствора cp = 4050 Дж/(кг.0С). Для нагревания используется G2 = 33000 кг/ч парового конденсата при температуре t= 1200С. Теплообменник имеет 100 труб диаметром 25*2 мм. В межтрубном пространстве установлены перегородки. Коэффициент теплоотдачи: для раствора, движущегося по трубкам,  = 520 Вт/(м2 .0С); для конденсата движущегося в межтрубном пространстве,  = 2300 Вт/(м2 .0С); теплопроводность стенки труб ст=45 Вт/(м .0С), толщина слоя отложения на стенках труб отл = 0,3мм, а их теплопроводность отл =1,7 Вт/(м .0С).

Решение. Количество теплоты, передаваемой в единицу времени,

= G2cp1(t-t)=МВт.

Конечную температуру греющего агента определяют из уравнения

= G2cp2 (t- t),

Откуда

= 120-.

Так как конечная температура греющего агента меньше конечной температуры нагреваемой жидкости, должен быть предусмотрен противоток.

Изменение температуры

= 12 t = 920С=87 t= 1200С

Средний температурный напор

tср=

Длина теплообменника, согласно (2)

=

Подставляя в данное уравнение числовые значения величин: внутренний радиус трубы r1 ; r2 - наружный радиус трубы; rср отл и rср ст - средние радиусы отложений и стенки трубы, определим длину теплообменника

=1,2 м.

.1.2 Расчет веутрипромыслового нефтепровода

При гидравлических расчетах системы сбора на нефтяных месторождениях приходится сталкиваться с различными условиями движения продукции скважин по трубам. При транспорте ее за счет пластовой энергии в выкидных линиях скважин наблюдается движение двухфазной газожидкостной смеси, а при обводнении - трехфазной смеси.

Водонефтяные эмульсии почти всегда являются вязкопластичными жидкостями. Движение продукции осложняется также присутствием в потоке твердых частиц - механических примесей, парафинов и асфальтенов. При использовании печей при транспортировке нефти или, учитывая естественные потери тепла в окружающую среду, приходится выполнять гидравлические расчеты, учитывающие неизотермичность процесса.

Методика расчета

Гидравлический расчет трубопровода предусматривает определение перепада давления по его длине, диаметра трубопровода или его пропускной способности. В основу расчета положено уравнение Бернулли

(z1+p1/rg+w12/2g) - (z2+p2/rg+w22/2g)=hП (1.8)

Где:, z2 - геодезические отметки, м.;, p2 - начальное и конечное давление;,w2 - скорость жидкости в начале и в конце трубопровода, м/с;П - путевые потери напора, м.

Путевые потери напора складываются из потерь на трение и на местные сопротивления. При гидравлическом расчете промысловых трубопроводов местными сопротивлениями можно чаще всего пренебречь, пренебрегаем и сжимаемостью жидкости, тогда из (1.8) получим

Dp = Dpmp - Dzrg  (1.9)

или суммарные потери напора

= hmp ± (z1 - z2) (1.10)

Потери давления на трение определяются по уравнению Дарси - Вейсбаха

Dpmp =l*(Lrw2/ D2), (1.11)

а потери напора на трение из этой же формулы

Dhmp =l*(Lw2/ D2g), (1.12)

где:- длина трубопровода, м;- внутренний диаметр трубопровода, м;- средняя скорость течения жидкости в трубопроводе;

l - коэффициент гидравлического сопротивления, который зависит от режима течения (числа Рейнольдса) и относительной шероховатости труб.

Число Рейнольдса можно определить в зщависимости от расхода жидкости по формуле:

Re = wD/v или Re = wDr/m (1.13)

Где:=Q/F - скорость течения жидкости;- площадь поперечного сечения трубы;- кинематическая вязкость жидкости, м2/с;

m - динамическая вязкость жидкости, Па*с.

При числе Рейнольдса Re £ 2320 режим давления жидкости в трубе ламинарный и гидравлические сопротивления определяют по формуле Стокса

l = 64/Re (1.14)

При турбулентном режиме течения жидкости, когда Re > 2320, для определения l имеется ряд полуэмпирических формул.

При движении жидкости по трубам непосредственно у стенки труб образуется вязкий подслой, который может перекрывать или не перекрывать шероховатость этой трубы. Если микронеровности стенки не выступают за вязкий подслой, стенку считают гидравлически гладкой, если выступают - гидравлически шероховатой. Толщина вязкого подслоя зависит от скорости течения жидкости. Чем больше эта скорость, тем она меньше.

Существуют зоны гладкого, смешанного и шероховатого трения. Границы зон определяют величиной выступов шероховатости. В расчетах трубопроводов принимают «эквивалентную» шероховатость Кэ. Эквивалентная шероховатость определяется опытным путем. Для стальных цельнотянутых труб величина Кэ колеблется в пределах 0,1-0,2 мм.

Зона гладкого трения лежит в диапазоне чисел Рейнольдса от Re = 3000-4000 до Re = 15D/ Кэ, где D - внутренний диаметр трубопровода. В этой зоне справедлива формула Блазиуса

l = 0,3164/Re0,25 (1.15)

Зона смешанного трения лежит в диапазоне 15D/Кэ<Re<560D/Кэ. В этой зоне для расчета гидравлического сопротивления используется формула Альтшуля

l = 0,11(68/Re+2Кэ/D),25 (1.16)

Зона шероховатого трения (в диапазоне 560D/Кэ<Re и 2Кэ/D,<0,007) обычно называют автомодельной или квадратичной. В этой зоне величина 68/Re становится пренебрежимо малой по сравнению с 2Кэ/D,, и формула называется формулой Шифирсона и принимает вид

l = 0,11(2Кэ/D),25 (1.17)

В нефтепроводах наблюдается в основном турбулентный режим с зоной гидравлически гладких труб, а в газопроводах могут встречаться все вышеперечисленные режимы течения.

Расчеты трубопровода выполняются для наиболее сложных условий их работы - при максимальной нагрузке по жидкости и ее максимальной вязкости.

Приведенные формулы позволяют определить перепад давления на длине трубопровода и рассчитать начальное давление перекачки.

Гидравлический расчет простого напорного трубопровода, транспортирующего жидкость в однофазном состоянии, сводится к определению одного из следующих параметров:

пропускной способности трубопровода Q;

необходимого начального давления p;

диаметра трубопровода D.

Для определения пропускной способности трубопровода или его диаметра задаются режимы течения жидкости, а затем определяют Q или D, после чего обязательно проверяют правильность выбора режима по числу Рейнольдса.

По величине напора (или давления) можно определить мощность перекачивающего насоса

=wHrg/1000h (1.18)

Где:

h - общий коэффициент полезного действия насосной установки;

- переводной коэффициент Вт в кВт.

Расчет

Исходные данные:

По рельефному трубопроводу длиной L = 100 км транспортируется нефть с расходом Qн = 270 т/час. Плотность перекачиваемой нефти составляет rн = 885 кг/м3 при кинематической вязкости v = 1,21*10-4 м2/с.

Геодезические отметки начального и конечного участков нефтепровода составляют соответственно zн = 120 м и zк= 122м.

Определить: диаметр нефтепровода, давление нагнетания насоса и его мощность.

Решение: Перед расчетами необходимо произвести выбор движения нефти по трубам согласно таблице 12.1. При вязкости v=1,21*10-4 м2/с рекомендуемая скорость при всасывании w = 1,1м/с, при нагнетании w = 1,2 м/с.

Таблица 3.

Выбор скорости движения жидкости по трубопроводу

Кинематическая вязкость нефти, vн, м2/с*10-4

Рекомендуемая скорость, м/с


При всасывании

При нагнетании

0,010-0,015

1,6

2,5

0,016-0,277

1,3

2,0

0,278-0,725

1,2

1,5

0,726-1,460

1,1

1,2

1,461-4,380

1,0

1,1

4,381-8,770

0,8

0,8


С учетом выбранной скорости нагнетания w = 1,2м/с определим диаметр трубопровода из формулы

= Qн/F = 4* Qн/3600pD2

Отсюда

= √(4*270)/(3600*3.14*1,2) = 0,282 м.

На основании расчетного диаметра выбираем по ГОСТу ближайшую по размерам трубу с внешним диаметром н = 325мм и толщиной стенок d = 10мм.

Внутренний диаметр труб будет

вн = Dн - 2d = 325 - 2*10 = 305мм,

тогда фактическая скорость движения жидкости в трубопроводе с учетом выбранного диаметра

= 4Qн/3600pD2 = 4*270/3600*3,14*0,3052= 1,03м/с.

Режим движения жидкости по трубам определим по критерию Рейнольдса по формуле

= wDвн/v = 1,03*0,305/1,21*10-4 = 2588

Так как число Рейнольдса больше 2320, режим движения в трубопроводе турбулентный и определение коэффициента гидравлического сопротивления следует проводить по формуле Блазиуса

l = 0,3164/Re0,25 = 0,3164/25880,25= 0,044

Потери напора на трение составят по формуле

= 0,044*(100000*1,032/0,305*2*9,81)= 781,9м.

С учетом разницы геодезических отметок начала и конца трассы трубопровода суммарные потери напора жидкости составят по формуле

Н = 781,9 +(122-120) = 779,9 м.

Давление насоса по формуле

Рн = rgH = 885*9,81*779,9 = 6,79 МПа.

Для определения мощности насоса по формуле необходимо произвести перерасчет массового часового расхода в объемный

= 270*1000/885*3600 = 0,085м3/с.= 1,03*781,9*885*9,81/1000*0,5 = 13983кВт.

По величине вычисленной мощности насоса, равной N = 13983 кВт производят подбор насоса типа ЦНС, БНДС и тд.

3. КОНСТРУКТИВНАЯ ЧАСТЬ

.1 Научно-технологические предпосылки промысловой подготовки высоковязких нефтей

Добыча нефти в Республике Казахстан в 2011 году составила 145,3 миллионов тонн. Из года в год растут объемы добычи углеводородного сырья. Вводятся в эксплуатацию нефтяные промыслы с высоковязкой и неньютоновской нефтью. К числу таких относится месторождение Ата Мура расположеной на территории Атырауской области Республики Казахстан, в 150 км от областного центра г. Атырау.

Доразведка месторождения, создание фонда эксплуатационных скважин и работы по обустройству начаты в 1999 году.

Пробная эксплуатация нефтяных скважин показала, что нефти юрского и мелового горизонтов месторождения являются аномально высоковязкими, с содержанием смол и асфальтенов до 20%.

Опыта промысловой подготовки нефтей с характеристиками по вязкости 560 мПас (спз) при 20°С и плотностью 0,912 г/см на месторождениях в Казахстане не было.

Реализация сырой неподготовленной нефти на Атырауский нефтеперерабатывающий завод по низким ценам не обеспечивала рентабельность производства.

Повышение показателей качества подготавливаемой нефти до товарной кондиции, рациональное использование сырьевых и топливно-энергетических ресурсов связано с применением прогрессивных технологических процессов, аппаратуры и оборудования с высокой функциональной эффективностью.

Поэтому комплексные исследования физико-механических свойств эмульсий, нефтей и пластовых вод, разработка и научно обоснованный выбор технологического оборудования с целью создания функциональной блок-схемы установки подготовки нефти месторождения Ата Мура приобрели особую актуальность.

Эксплуатационные параметры аппаратуры и оборудования для промысловой подготовки высоковязких нефтей зависят от реологических и эмульсионных характеристик, физико-химических свойств продукции скважин. Поэтому исследования этих свойств становятся первоочередными задачами.

На основании анализа накопленного производственного опыта и имеющихся результатов научно-исследовательских работ сформулированы следующие основные требования к системам промысловой подготовки аномально высоковязких нефтей.

На любой стадии разработки нефтяных месторождений эффективны совмещенные установки подготовки нефти и воды универсального типа.

Основными требованиями к системам промысловой подготовки аномально высоковязких нефтей являются: гибкость, т.е. возможность использования ряда технологических вариантов при минимальном наборе оборудования и аппаратуры; создание комплексных технологических схем эксплуатации скважин, сбора, подготовки и внешнего транспорта нефти.

Выполнены исследования исходного компонентного состава, физико-химических и сепарационных свойств нефтей, необходимых для научно обоснованного выбора технологического оборудования и аппаратуры и назначения их эксплуатационных параметров.

Исследовали три пробы нефтей и одну пробу пластовой воды по следующим параметрам: плотность, обводненность, агрегативная устойчивость, вязкость, поверхностная активность, содержание хлористых солей, механических примесей, асфальтосмолистых веществ и парафина; пластовая вода анализировалась на минерализацию, ионный состав, плотность.

Из результатов исследований видно, что нефти данного месторождения относятся к категории тяжелых с плотностью при температуре 18°С от 0,912 до 0,918 г/см3. В пределах обводненности от нуля до 6,40% обладают высокой вязкостью 565-588 мПас при температуре 20°С. Содержание солей - 162000,0 мг/л; мехпримесей 0,001-0,002%; смол и асфальтенов до 20%; парафинов 1,40-1,60%.

По изысканию наиболее эффективных деэмульгаторов для процессов предварительного сброса воды, обезвоживания и обессоливания была приготовлена исходная сборная нефть, смешанная в равных долях из трех представленных проб нефтей, из которых готовили искусственную эмульсию с различной обводненностью.

Смесь нефтей анализировали на качественном составе стабилизаторов. Состав данного осадка после центрифугирования содержит нефти 89,70%, осадка 2,3%, воды 7,47%. В водной вытяжке были обнаружены в основном ионы Cl-, а также ионы Fe++ и SO4-.

Таким образом, стабилизаторами сборной эмульсии, кроме смол и парафинов, являются неорганические соединения, а именно, NaCl в виде кристаллов, сульфаты и соединения железа. Агрегативная устойчивость (АУ) изучалась на смеси искусственно приготовленных эмульсий нефтей с обводненностью 10, 40 и 60%. За агрегативную устойчивость исследуемой эмульсии принимается разница в процентах к исходной нефти между всей выделившейся водой при втором центрифугировании и процент воды, выделившейся при первом центрифугировании. В результате анализа были получены следующие значения аг-регативной устойчивости для 10% эмульсии - 68%; 40% эмульсии - 85%, а для 60% эмульсии - 89%.

Исследовались физико-химические характеристики пластовой воды, которая использовалась для приготовления вышеприведенных эмульсий. Пластовая вода имеет плотность 1,132 г/см3, она высокоминерализована, хлористо-кальциевого типа, содержит ионы двух- и трехвалентного железа. Общая минерализация пластовой воды составляет 262 г/л.

Содержание в воде двух- и трехвалентных ионов Fe может привести в случае смешения сероводородом, содержащимся в нефти, к образованию сульфидов железа, которые, как и обнаруженные в нефтяной фазе кристаллы NaCl, играют роль сильных стабилизаторов эмульсии.

Получены данные по вязкости нефти при температуре до 80°С.

Установлено, что кроме аномальных значений по плотности и вязкости физико-химические свойства характеризуются высоким содержанием смол и асфальтенов (около 20%), а также неорганических соединений в виде хлористых солей, сульфатов и соединений железа, а также мехпримесей, являющихся природными стабилизаторами водонефтяных эмульсий.

Высокая минерализация пластовой воды предопределяет трудности в осуществлении процесса обессоливания нефти, связанные с тем, что эмульсия при обессоливании должна подвергаться глубокому обезвоживанию в несколько стадий - до и после промывки пресной водой.

.2 Выбор аппаратуры и оборудования разделения скважинной продукции

Выбор аппаратуры и оборудования проводился при разработке технологической схемы подготовки нефти на начальных этапах освоения месторождения Ата Мура. Приведены ее недостатки, обоснована необходимость разработки новой технологической схемы и ее аппаратурного оформления.

Нефти месторождения Ата Мура кроме их аномальных значений по плотности и вязкости имеют большой сульфатный фон, повышенную концентрацию неорганических соединений, возрастающую обводненность скважин.

При концентрациях воды в нефти более 50% возникают сложные множественные эмульсии с прочной бронирующей оболочкой, распределенные в объеме свободной неэмульгированной воды.

Все эти и другие факторы существенно осложняют промысловую подготовку нефти, предполагают:

многообразие методов воздействия на эмульсии;

разработку и применение эффективных технологических схем, оснащение их аппаратурой и оборудованием с учетом специфики сепарационных свойств аномально высоковязких нефтей.

При выборе аппаратуры и оборудования для оснащения технологической схемы подготовки нефти придерживались принципа, сформулированного в первой главе - создание совмещенной схемы с многообразием технологических процессов.

В диссертации приведено подробное описание оборудования и аппаратуры в технологиях сбора и транспортировки нефтепродукции скважин, установки подготовки нефти и газа.

Изначально существующее состояние установки подготовки нефти было ориентировано на использование западного оборудования.

Продукция нефтяных скважин (нефть, пластовая вода с остаточным попутным газом) после сепарации при давлении 0,4-0,5 МПа основного количества газа

на АГЗУ, под давлением дожимных винтовых насосов от АГЗУ проходит через теплообменники трех групповых установок, где происходит ее нагрев до 45-50°С, и по внутрипромысловому коллектору диаметром 219 мм откачивается на сборный пункт УПН для подготовки до параметров, соответствующих требованиям, предъявляемым покупателями нефти - местными нефтеперерабатывающим заводами с целью ее компудирования (смешения подготовленной нефти м/р Сазанку-рак с содержанием солей до 500 мг/л с товарной нефтью, имеющейся на НПЗ).

На УПН нефтегазоводяная смесь поступает с температурой 20-25°С и давлении 0,4-0,5 МПа. При существующей производительности около 900 м3/сут. поток эмульсии на входе УПН подогревается, за счет утилизации тепла горячей нефти выходящей из УПН, в теплообменных аппаратах М-15 (ГЖС - подготовленная нефть с содержанием солей 200-500 мг/л) до 40° и далее в теплообменниках (ГЖС -пар) М-10 пластинчатого типа до 95-100°С, затем поступает в трехфазный сепаратор фирмы «Bukom Laval» объемом 12 м и далее на центрифугу LEO (фирмы «Alfa Laval»).

В трехфазном сепараторе (ССВ) поступившая среда разделяется на три фазы: нефть, вода, газ. Межфазовый уровень поддерживается автоматически датчиком уровня, который фиксирует границу раздела фаз и регулирующего клапана на линии выхода воды из трехфазного сепаратора. Имеется датчик для замера уровня границы раздела фаз «нефть-газ». Нефть автоматически отводится из сепаратора через регулирующий клапан на трубопроводе выхода нефти, который связан с датчиком уровня нефти на границе раздела фаз с газом. Давление в трехфазном сепараторе фирмы «Bukom Laval» поддерживается в пределах 2-4 атмосфер, и выделившийся газ проходит далее через вертикальный сепаратор для отбивки капельной жидкости, после чего отводится на факел высокого давления.

Процесс глубокой сепарации не происходит, так как трехфазный сепаратор работает под давлением и для его снижения необходимо установить дополнительно газосепаратор с факелом низкого давления на 0,5 атм. Пластовая вода из трехфазного сепаратора направляется в резервуар пластовой воды РВС-300, для отстоя и закачки в нагнетательные скважины.

Из-за несоответствия параметров пластовой воды требованиям ГОСТа при ее закачке происходили загрязнение призабойной зоны нагнетальных скважин и рост устьевых давлений с 60 атм до 100 атм, что приводило к частым остановкам насосов ППД и переполнению резервуара пластовой воды.

Перед центрифугой эмульсия проходит через смеситель (Mixer), где в нее впрыскивается пресная вода, расход которой регулируется и составляет значительный процент от объема водонефтяной эмульсии. Остаточная обводненность после трехфазного сепаратора составляет от 3 до 12%.

Высокое водосодержание эмульсии после трехфазного сепаратора (ССБ) предопределено его малым объемом и, соответственно, недостаточным временем динамического отстоя (порядка 10-12 минут).

Из центрифуги выходит нефть с остаточным содержанием воды 0,5% и со-лесодержанием - более 200-500 мг/л, превышающим в среднем требуемый норматив 100 мг/л. При повышенных нагрузках обводненность нефти после трехфазного сепаратора может стабильно повышаться с 3% до 10-12%, что увеличивает содержание хлористых солей в нефти после центрифуги на один порядок. Далее нефть с температурой 90-95°С через промежуточный теплообменник М-15, где происходит ее охлаждение до 40°С за счет передачи тепла входящей на УПН эмульсии, поступает в товарные резервуары РВС-2000, для дополнительного отстоя в течение суток и отгрузки железнодорожным транспортом.

Вода после трехфазного сепаратора и центрифуги сбрасывается в РВС-300 объемом 300 м3 и в 4 буллита каждый объемом 50 м3 для отстоя и последующей утилизации в нагнетательные скважины.

В целом существующая технология и набор технологического оборудования не обеспечивают стабильной работы УПН. Центрифуга LEO с проектной производительностью 70-100 м3/час фактически обеспечивает, при существующей нагрузке по жидкости 900 м /сут, выход подготовленной к реализации нефти в объеме 550-600 м3/сут, с содержанием солей 200-500 мг/л.

Нестабильная работа центрифуги вызвана неудовлетворительной работой трехфазного сепаратора и отсутствием резервного агрегата (2-й центрифуги), что исключает своевременный профилактический осмотр и обслуживание центрифуги и приводит к частым ее ремонтам, увеличению эксплуатационных затрат.

Проведенные расчеты по применению центрифуг на стадии обессоливания без добавления пресной воды также не гарантируют требуемого качества нефти.

Емкостная отстойная аппаратура для подобного типа нефтей более предпочтительна, так как в отличие от сложных механических агрегатов она не требует ремонта и оснащается простыми приборами для управления и контроля и поставляется традиционными российскими изготовителями.

.3 Модернизации узла емкостного отстойника нефти

Модернизации узла емкостного отстойника нефти проводилась на основании теоретических расчетов по моделированию процессов гидравлического отстоя, использованию энергии свободной (затопленной) струи и описанию коагуляции дисперсных систем.

Переход к отстойникам емкостного типа предопределил необходимость в упрощении внутренних устройств без ухудшения показателей функционального назначения аппаратов.

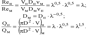
Моделирование условий седиментации (осаждения или всплытия) частиц из потока возможно провести, если воспользоваться принципом равенства градиентов горизонтальной скорости по сечению потока (частная производная горизонтальной скорости по вертикальной) в натурном (VH) и модельном (VM) объектах:

(gradV )н =(gradV )м. (3.1)

Из рис.3. 1 видно, что процесс седиментации в идеализированном потоке полностью определяется условиями перехода из одного слоя в другой.

Тогда из условия (1), применяя обычную оценку, получаем для среднего значения такого градиента

 (3.2)

где D - диаметр отстойной части.

Принимая соотношение между вязкостью модельной и натурной жидкости VM = VH • AT1,5, после преобразований получаем:

 (3.3)

Последние соотношения (для диаметра D и расхода Q) позволяют значительно уменьшить затраты на построение моделей и проведение оптимизационных экспериментов.

Изложенные представления применимы при условии соблюдения ламинарности потока в аппаратах, отсутствия или незначительности влияния устройств ввода и вывода на ламинарность потоков в отстойной части аппаратов.

высоковязкий нефть оборудование

Рис. 3.1. Профиль скоростей потока в отстойнике:

- газ; 2 - вода; 3 - нефть

На основе анализа формул для определения производительности горизонтальных аппаратов цилиндрической формы установлено, что для улучшения работы отстойников необходимо:

осуществлять предварительное укрупнение капель эмульсии до их введения в зону отстоя или расслоение эмульсии;

обеспечивать торцевой равномерный ввод жидкости по сечению аппарата, а также равномерный отбор жидкости;

поддерживать низкий уровень водяной подушки или практически исключать ее;

исключать из отстойной зоны аппарата сепарацию промывки эмульсии через слой дренажной воды.

С учетом этих требований выполнены конструктивные изменения внутренних устройств горизонтального отстойника нефти ОН - основного в технологической схеме подготовки нефти.

Обычно на практике используются серийные отстойники типа ОГ, ОБН, т. е. отстойники с горизонтальным движением потока и распределителями внутри отстойника в виде перфорированных труб. Внутренняя начинка их сложная, громоздкая, в процессе эксплуатации вследствие коррозии, зарастания кристаллами солей, засорения механическими примесями быстро приходят в негодность, нарушаются гидродинамические характеристики аппаратов.

Для Ата Мураской нефти с высокой минерализацией пластовой воды применение этих отстойников без модернизации внутренней начинки становится невозможным.

Сущность модернизации заключалась в изменении конструктивного исполнения входных и выходных устройств и упрощении внутренней начинки аппарата.

Ранее существующие внутренние распределительные устройства удалены без ухудшения показателей назначения и надежности отстойника. Оставлена внутри усовершенствованная система размыва осадка мехпримесей.

Особую новизну представляет то, что отстойник снабжен входными и выходными распределительными коллекторами оригинальной конструкции, обеспечивающие эффективное использование объема аппарата за счет выравнивания эпюры скоростей и по сечению и длине отстойника.

Входной коллектор отстойника выполнен в виде отражателя, имеющего форму сферического сегмента, установленного напротив входного патрубка отстойника. Входной патрубок размещен на торце по горизонтальной оси отстойника (рис. 3.2).

- входной патрубок; 2 - отражатель; 3 - устройство для размыва остатков мехпримесей , полезный объем V = 2000 м3, рабочее давление Рраб = 1,0 МПа:

П - вход продукта; Н - выход нефти; В - выход воды

Рис. 3.2 Модернизированный отстойник нефти диаметром 3400 мм

Такая конструкция входного коллектора позволяет распределить входящий в отстойник поток жидкости по поперечному сечению отстойника. При этом уже за отражателем резко падает скорость потока за счет распределения потока жидкости по всему сечению отстойника, сводятся к минимуму возмущения отстоявшейся эмульсии в отстойнике. Размерные параметры входного отражателя рассчитаны по теории использования энергии свободной затопленной струи.

В результате исследований получена зависимость изменения безразмерной осевой скорости в виде

 (3.4)

где Иж - скорость в центре данного сечения струи, м/с;

Ио - скорость в начальном сечении струи, м/с; - расстояние от отражателя до начального сечения струи, м;- радиус начального сечения, м; а - экспериментальная константа, зависящая от структуры потока в начальном сечении.

Используя эту зависимость, определены параметры отражателя на входном патрубке отстойника. Из литературного источника известно, что а =0,08. Для нашего случая R0 = 0,1 м считаем, что отражатель необходимо устанавливать до расширения струи, т. е. при Иж = Ио. При таких условиях по формуле (3.4) можно найти S - расстояние до отражателя:

 

Отсюда S = 0,875 м. При этом диаметр отражателя должен быть не менее диаметра входного патрубка. Но с учетом искривления входящей струи принимаем диаметр отражателя в два раза больше, чем диаметр входного патрубка, т. е. не меньше 400 мм.

Выходные коллекторы для отвода нефти и воды выполнены так, чтобы нефть поступала в коллектор только с горизонтального слоя на уровне размещения коллектора для отвода нефти, а коллектор для отвода воды обеспечивает забор и отвод воды с нижнего горизонтального слоя без вовлечения воды с других слоев с целью сохранения заданных условий забора воды.

Теоретически подтвержденные размерные параметры входного отражателя и выходных коллекторов позволили следующее:

резко снизить скорость внутри отстойника (более чем в 300 раз);

сократить протяженность возмущенного потока после отражателя;

совместная работа входных и выходных коллекторов, отсутствие внутренних перегородок обеспечивают горизонтальное движение потока в ламинарном режиме, что позволяет эффективно использовать объем аппарата за счет выравнивания эпюры скоростей по сечению и длине емкостной части аппарата.

На установку подготовки аномально вязких и тяжелых нефтей, как правило, поступает эмульсия, размеры капель пластовой воды в которой составляют всего несколько микрометров. Такие капли невозможно осадить за технологически приемлемый отрезок времени ведения процесса подготовки нефти.

Поэтому перед отстаиванием необходимо осуществление специального процесса укрупнения капель воды в эмульсии (коалесценции) до размеров, обеспечивающих требуемую скорость расслоения эмульсии.

Математическая модель процесса коалесценции капель пластовой воды в турбулентном потоке нефти подобна модели для описания коагуляции дисперсных систем и имеет вид

 (3.5)

с начальными условиями: n = n1; ni = 0 (i Ф 1) при t = 0.

Здесь n - число частиц в единице объема;- диаметр частицы; - время; - коэффициент турбулентной диффузии; - характерная длина турбулентного потока.

Это уравнение описывает изменение ni - числа частиц диаметром di с течением времени в результате слияния более мелких частиц диаметром d 1 и dj в частицу диаметром di и слияние частиц диаметром di с частицами диаметром d 1, ведущего к появлению более крупных частиц.

Решение этого уравнения позволяет получить связь числа частиц диаметром di и время коалесценции и имеет вид

 (3.6)

где % - безразмерное время коалесценции; ni - число исходных частиц; di - диаметр исходных частиц.

Это решение имеет место в узком интервале времени при % < 1.

Поэтому уравнение (3.6) может быть успешно использовано в нашем случае для оценки скорости процессов коалесценции в коротких трубопроводах -каплеобразователях или аппаратах - укрупнителях.

Основываясь на данном теоретическом положении, перед горизонтальным емкостным отстойником нефти ОН установлено коалесцирующее устройство с внутренней начинкой в виде регулярной металлической проволочной насадки. Обвязка коалесцеров выполнена так, чтобы обеспечить возможность их использования при последовательном и параллельном режимах их подключения для обеспечения обезвоживания нефти в отстойнике до необходимой степени.

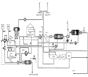
.4 Разработка модернизированной технологической схемы промысловой подготовки нефти

При разработке модернизированной технологической схемы промысловой подготовки нефти и компоновке ее оборудованием и аппаратурой пользовались положениями на основе выполненных технологических, теплотехнических и механических расчетов.

Блок-схема установки подготовки нефти приведена на рис.3.3 и работает по двум вариантам подготовки товарной нефти.

Рис.3.3 Блок схема установки подготовки нефти

По первому варианту основная технологическая линия УПН с использованием российского емкостного оборудования самостоятельно подготавливает нефть высшей категории при обводненности продукции 70% и объеме поступающей водонефтегазовой эмульсии - 2385 м /сут.

При работе блок-схемы по второму варианту подготовки нефти российское оборудование может совместно эксплуатироваться с вспомогательной технологической линией с применением оборудования западного производства -трехфазный сепаратор (ССВ), поз. 10, миксер (М), поз. 11 и центрифуга LEO, поз. 12 с производительностью до 900 м3/сут по жидкости.

Работа модернизированной блок-схемы по первому (основному) варианту.

Продукция скважин газожидкостная смесь (ГЖС) поступает на установку подготовки нефти. На входе в установку перед концевым делителем фаз (КДФ) из блока подачи реагента БР, поз. 1 подается ингибитор коррозии, затем ГЖС поступает в концевой делитель фаз КДФ, где происходит предварительный сброс воды в количестве 40-50%, перед ТО-1, поз. 2 и ТО-2, поз. 2а из блока подачи реагента БР, поз. 1 подается деэмульгатор, далее ГЖС через теплообменники предварительного нагрева ТО-1 и ТО-2 с температурой 80°С поступает в дестабилизатор потока и затем во входной сепаратор С-1, поз. 3, расположенный на постаменте высотой 14 метров для обеспечения слива нефти в два технологических резервуара РВС, поз. 4.

В сепараторе С-1, поз. 3 объемом 50 м поддерживается давление 0,005 МПа. При заполнении аппарата на 0,5 диаметра время пребывания жидкости в нем при загрузке 2385 м3/сут составит 25 минут. Уровень жидкости контролируется датчиком уровня с выдачей сигнала на компьютер оператора и поддерживается за счет конструктивного исполнения выходного патрубка. Выделившийся в сепараторе газ отводится на факел низкого давления.

Водонефтяная эмульсия из выходного сепаратора поступает в технологические резервуары РВС-1 и РВС-2, поз. 4, где происходит ее отстой до остаточного водосодержания 5%. Эффективная работа резервуаров обеспечивается распределительными трубными устройствами на входе эмульсии, выходе нефти и воды и поддержанием заданных уровней нефти, воды и межфазного уровня «нефть-вода» с помощью насосов НН-1, поз. 5 и НВ-4, поз. 6.

Из резервуаров частично обезвоженная нефть подается винтовыми насосами НН-1 в аппараты, непосредственно входящие в установку обезвоживания нефти (УОН):

теплообменники (эмульсия-пар) ТО-3, поз. 2б, в которых происходит нагрев нефти до температуры 90-95°С;

отстойник нефти горизонтальный ОН, поз. 8 модернизированный, с входным коалесцирующим устройством К-1, поз. 7;

смесительное устройство К-2, поз. 11 а для вспрыскивания и перемешивания пресной воды в потоке водонефтяной эмульсии.

.5 Работа установки обезвоживания нефти (УОН)

Работа УОН с набором перечисленного оборудования осуществляется следующим образом.

Нефть с остаточной водой до 5% в виде эмульсии насосами НН-1, поз. 5 после нагрева до 95°С в теплообменнике ТО-3, поз. 2б поступает в отстойник ОН, поз. 8. Для интенсификации процесса водоотделения отстойник снабжен входным устройством в виде трубных секций с гидродинамическим воздействием.

Гидродинамическое воздействие на эмульсию осуществляется в коалесцере регулярной проволочной насадкой (РПН). Для оптимизации воздействия конструкция коалесцера позволяет изменять скорость и длительность движения жидкости через нее за счет параллельно последовательного соединения секций РПН.

Отстойник напорный ОН, поз. 8 - аппарат объемом 200 м3 (диаметром 3400 мм, длиной корпуса около 22 м) с горизонтальным движением жидкости. Расчетное давление аппарата 1,6 МПа. Время отстоя жидкости при нагрузке 1255 м (при обводненности до 5%) составляет 230 минут. Аппарат снабжен входными и выходными распределительными коллекторами, что обеспечивает эффективное использование объема аппарата за счет выравнивания эпюры скоростей по сечению и длине емкости.

Отстойник ОН работает в режиме полного заполнения без выделения газа, для чего в нем поддерживается давление выше давления насыщенных паров,

при котором начинается разгазирование нефти. Содержание хлористых солей в нефти на выходе из отстойника колеблется в пределах 80-120 мг/л.

После отстойника нефть с остаточным содержанием воды 0,5-0,8% и хлористых солей 80-120 мг/л подается для дальнейшего обессоливания в электро-дегидратор ЭГ, поз. 9. Перед электродегидратором в нефтяной поток с помощью смесительного устройства К-2, поз. 11а вводится подогретая до 90°С пресная вода в количестве 9,9% от объема нефти с запасом от расчетного объема, необходимого для достижения предельного солесодержания 40 мг/л при остаточном содержании воды в нефти до 0,5%, мехпримесям 0,05%.

В качестве смесительного устройства используется смеситель конструкции ВНИИнефтемаш, поставляемый в комплекте с электродегидратором.

Одним из условий работы смесителя является предотвращение раннего вскипания в нем воды, вследствие чего в каплях воды может произойти образование твердых кристаллов солей, удаление которых потребует вторичной промывки нефти пресной водой.

Время отстоя нефти в электродегидраторе ЭГ (при воздействии электрического поля) составляет 2 часа. Удаление отстоявшейся воды из ЭГ осуществляется при минимальной высоте водного слоя (аналогично предыдущей ступени водоотделения).

Представленная схема подготовки нефти является автономной по отношению к существующей установке с использованием центрифуги LEO и не исключает ее работу в качестве параллельной или вспомогательной линии.

Поток воды, сбрасываемый из ОН, поз. 8 поступает в С-1, поз. 3, вода, сбрасываемая с ЭГ, поз. 9 возвращается на прием насосов НН-1, поз. 5, а из насосов вода подается на вход в теплообменники ТО-1, поз. 2 и ТО-2, поз. 2а. После теплообменников подогретая вода проходит через УПВ и поступает в С-1, поз. 3 и далее в РВС-1,2, поз. 4. Из технических резервуаров РВС-1,2 вода поступает на прием насосов НВ-4, поз. 6. Сбор всех сбросов воды в один поток облегчает ее очистку и контроль за ее утилизацией. Загрязненность воды, сбрасываемой из технических резервуаров, как правило, нестабильна и составляет в среднем 100 мг/л по нефтепродуктам и мехпримесям.

Для дальнейшей очистки воды используется отстойник воды ОВ, поз. 14 объемом 100 м3. Ожидаемая степень очистки воды на выходе отстойника до 20 мг/л по нефти и мехпримесям.

Подготовленная вода подается для закачки в нагнетательные скважины.

Внедренная технологическая нитка на месторождении Ата Мура рассчитана на производительность 2385 м3/сут и на варианты обводненности 52 и 70% воды. Обеспечивает промысловую подготовку нефти до высшей группы качества с показателями по хлористым солям до 25-40 мг/л; по воде - 0,5%; мехпримесям - 0,05%.

Основные выводы и результаты

. Первоначально принятая технология с использованием западного оборудования не обеспечивает проектную производительность и заданное качество из-за физико-химических свойств нефти месторождения Ата Мура. Определена необходимость использования емкостной отстойной аппаратуры.

. Разработана и внедрена в производство модернизированная функциональная блок-схема установки подготовки нефти, в состав которой входят: концевой делитель фаз, сепаратор нефтегазовый, насосная для перекачки нефти, отстойник нефти горизонтальный, комплект трубной обвязки с запорной предохранительной арматурой, средствами автоматизации, контроля и регулирования; электродегидратор с устройством размыва осадков мехпримесей; блок подготовки пластовой воды, автоматизированная система управления. Для перечисленных элементов характерна технологическая взаимосвязанность осуществляемых на них процессов.

. Выполнена модернизация внутренних устройств горизонтального емкостного отстойника нефти. Оснащение его входным торцевым отражателем, имеющим форму сферического сегмента, позволило:

резко снизить скорость потока внутри отстойника (более чем в 300 раз);

сократить протяженность возмущенного потока после отражателя;

совместная работа входных и выходных коллекторов, отсутствие внутренних перегородок обеспечивают горизонтальное движение потока в ламинарном режиме, что позволяет эффективно использовать объем аппарата за счет выравнивания эпюры скоростей по сечению и длине емкостной части отстойника.

. Исходя из теоретических положений для описания коагуляции дисперсных систем, перед горизонтальным емкостным отстойником нефти установлено коалесцирующее устройство с внутренней начинкой в виде регулярной металлической насадки, интенсифицирующей процесс водоотделения путем гидродинамического воздействия на эмульсию. Обвязка коалесцеров позволяет обеспечить возможность их использования при последовательном и параллельном режимах их подключения для обезвоживания нефти в отстойнике до необходимой степени.

. Внедрение выполненных научно-технических и технологических разработок на месторождении Ата Мура позволили вывести установку подготовки нефти на стабильный режим работы. Использование коалесцеров и конструктивные изменения отстойника нефти, усовершенствование ряда технологических процессов позволили получать качественную товарную нефть с параметрами, превышающими экспортные требования. При исходной обводненности нефти 70% и концентрации солей до 162000 мг/л содержание воды в подготовленной нефти снижено до 0,3-0,5%, хлористых солей - до 25-40 мг/л, а мехпримесей - 0,05%.

Улучшено качество подготовленной до требований ГОСТа подтоварной воды, закачиваемой при минимальных давлениях 0,6 МПа в нагнетательные скважины.

Уменьшено количество остаточного растворенного газа в нефти, что позволило продлить эксплуатацию технологических и товарных резервуаров.

Применение российских технологий и оборудования позволило снизить эксплуатационные затраты и совместить эксплуатацию российского и западного оборудования для подготовки товарной нефти высшей категории.

.6 Расчет отстойника

Любой тип сепараторов должен рассчитываться на пропускную способность как по газу, так и по жидкости. Сравнительно легко поддаются расчету вертикальные гравитационные сепараторы и гидроциклонные.

Средняя скорость газа в сепараторе Wгср должна быть несколько меньше расчетной скорости оседания частиц жидкости Wr, определяемой формулой Стокса:

а) при ламинарном режиме осаждения ,когда число Рейнольдса Re =< 1

= d 2 * (ρж - ρг) * g / 18 / μг, м/с(3.6.1)

где:- диаметр оседающей или всплывающей частицы (жидкости, газа), м;

ρж и ρг - соответственно, плотность жидкости и газа в сепараторе, кг/м3;- ускорение свободного падения, м/с2;

μг - абсолютная вязкость газа, Па*с

б) при 2 < Re =< 500, формула Аллена= 0.152 * d1.14 * ((ρr - ρг) * g / ρг) 0.71 / υг 0.43  (3.6.2)

в) при Re > 500, формула Ньютона- Ритингера

 = 1.75*(d * (ρr - ρг) * g)/ρг)1/2(3.6.3)

Условие осаждения частицы: Wr - Wг > 0(3.6.4)

На практике при расчетах принимается, что Wr =1.2Wг (3.6.5)

Пропускная способность вертикального сепаратора по газу связана со скоростью газа следующим уравнением:

V = 86400 * F * Wг * (P / Po) * (To / T) * (1 / z),(3.6.6)

где: Wг - скорость подъема газа в вертикальном сепараторе, м/сек;- площадь поперечного сечения сепаратора, м;

Р1 и Ро - соответственно давление в сепараторе и нормальное давление (101.3 * 10 3), Па;

Т1 и Т2 - соответственно рабочая температура и нормальная (273 К);- коэффициент сверхсжимаемости газа.

Отсюда:

г = 5.4 * 10 3 * V * T / D 2 / P * z, м/с(3.6.7)

Подставив уравнения (5.2.4) и (5.2.10) в (5.2.8) получаем:

н 2 * (ρr - ρг) * g / 18 / υг / ρг = 1.2 * 5.4 * 10 3 * V * T * z / D 2 / P

или= 84 * D 2 * P * dн 2 * (ρr - ρг) / z / T / υг / ρг, м3/сут (3.6.8)

Расчет вертикальных гравитационных сепараторов по жидкости сводится к выполнению условия, чтобы скорость подъема уровня жидкости Wж в них была меньше скорости всплывания газовых пузырьков, т.е.

ж < Wг (3.6.9)

Скорость всплывания пузырьков газа Wг в жидкости можно определять по формуле Стокса (6.1), заменив в ней динамическую вязкость газа μг на динамическую вязкость жидкости μж.

Учитывая соотношение (6.9), пропускную способность вертикального сепаратора по жидкости можно записать в следующем виде:

ж = Qн / 86400 / F < Wг = d 2 * (ρж - ρг) * g / 18 / μж (3.6.10)

илин < 86400 * F * d 2 * (ρж - ρг) * g / 18 / μж (3.6.11)

После подстановки в формулу (5.2.14) величин F = π*D2/4, g = 9.81м/с2, и соотношения Wг = 1.2Wж, получим:

н = 30803 * D 2 * d2г *(ρж - ρг) / μж, м3/сут(3.6.12)

При расчете горизонтального гравитационного сепаратора по газу

В условиях горизонтального сепаратора:

н / Wг = h / l(6.13)

Где Wн - скорость оседания частиц нефти, м/с;г - скорость газа в сепараторе, м/с;- расстояние по вертикали от верхней образующей до уровня нефти в сепараторе, м; h = (0.5 - 0.55)D;-- длина сепаратора, м

Подставив в (5.2.16) выражения для скоростей (6.1) и (6.7), получаем уравнения для определения пропускной способности по газу:

= 101 * l / h * D 2 * P * d 2 * (ρн - ρг) / (μг * Т * z) , м/с(6.14)

При расчетах сепараторов на пропускную способность плотность газов в условиях сепаратора рассчитывается по формуле:

ρг = ρо *(Р / Ро)* (То / Т) * (1 / z),(6.15)

где: ρо - плотность газа при Н.У., кг/м3;

Р, Ро - соответственно давление в сепараторе и давление при Н.У.

(Ро = 0.1013 МПа = 1.033 * 9.81 * 10 4 Па);

Т, То - соответственно абсолютная температура в сепараторе, и абсолютная нормальная температура (273 К).

Для нашего случая: 1. При прохождении нефтегазовой смеси через штуцер в сепараторе образуются капли нефти диаметром 30 мкм. Смесь находится под давлением 2 МПа при 293 К.

Найти скорость осаждения капель нефти (Wн ) и определить пропускную способность вертикального гравитационного сепаратора по газу, если его диаметр 0.9м, ρн = 800 кг/м3 ρог = 1.21 кг/м3, Z = 1, μг = 0.000012 Па*с (вязкость газа в рабочих условиях).

Дано: D = 0.9 м, P = 2 МПа, T = 293 К, Z = 1, d = 30 мкм, ρн = 800 кг/м3, ρо = 1.21 кг/м3, μг = 0.000012 Па*

Определим плотность газа в условиях сепаратора:

ρг = ρо * P / Po * To / T * 1 / Z = 1.21*2/0.1013*273/293*1 = 21.8 кг/м3

Рассчитаем скорость осаждения капли нефти заданного диаметра:

н = dн 2 * (ρн-ρг) * g / 18 / μг = (30 * 10 -6) 2 * (800-21.8)*9.81/18/0.000012 = 0.0318 м/c

Рассчитать пропускную способность сепаратора по газу можно по нескольким формулам (6.6, 6.8). Для (6.6) необходимо знать скорость газа. Поскольку должно выполняться условие Wн = 1.2*Wг, чтобы происходило осаждение капель нефти, отсюда

г = Wн / 1.2 = 0.0318/1.2 = 0.0265 м/сек

Пропускная способность по газу:

V = 86400 * π * D 2 / 4 * Wг * P / Po * To / T * 1 / Z = 86400 * 3 / 14 * 0.9 2 / 4 * 0 / 0265 * 2 * 10 6 * 273 / 1.033 / 9.81 / 10 4 / 293 / 1 = 267.71 м3/сут

2. Для вертикального сепаратора пропускная способность по газу вертикального сепаратора диаметром 0.8 м равна 5*104 м3/сут. Установить, будет ли происходить оседание капель нефти диаметром 80 мкм в потоке газа, если давление в сепараторе 4 МПа, температура 300 К, плотность нефти 780 кг/м3, плотность газа ( при Н.У.) 1.20 кг/м3, вязкость газа в рабочих условиях 0.000012 Па*с (кг/м3), Z = 0.7.

Дано: D = 0.8 м, P = 4 МПа, T = 300 К, Z = 0.7, dн = 80 мкм; ρн = 780 кг/м3; ρо = 1.20 кг/м3; μг = 0.000012 Па*с;

Условием осаждения капель нефти является: Wн > Wг

Определим скорость газа:

г = V / S / 86400 * Po / P * T / To * Z = 5.4 * 10 -3 * V * T * Z / D 2 / P = 5.4 * 10 -3 * 5 * 10 4 * 300 * 0.7 / 0.8 2 / 4 / 10 6 = 0.021 м/с

Определим скорость оседания частицы (капли нефти) по формуле Стокса:

н = dн 2 * (ρн - ρг) * g / 18 / μг,

где ρг = ρо * P / Po * To / T * 1 / Z = 1.2 * 4 * 10 6 / 1.033 / 9.81 / 10 4 * 273 / 300 / 0.7 =0.6158 * 10 2 = 61.58 кг/м3

Wг = (80 * 10 -6) 2 * (780 - 61.58) * 9.81 / 18 / 0.000012 / 10 -3 = 0.2088 м/с

Сравним скорость частицы и скорость газа:

н = 0.2088 м/с, Wг = 0.0221 м/с, Wн / Wг = 9.45

Если частица нефти заданного диаметра не осаждается при данных параметрах режима сепаратора, то рассчитайте:

а) величину давления сепарации, при котором частица заданного диаметра будет осаждаться;

б) минимальный диаметр частицы, которая будет осаждаться в заданных условиях

.Через вертикальный сепаратор диаметром 0.9 м проходит нефть вязкостью 10 сП (10*10-3 Па*с) и плотностью 0.8 г/см3 в количестве 200 т/сут. Определить скорость подъема уровня нефти в сепараторе (без учета времени, затрачиваемого на сброс) и диаметр пузырьков газа, которые поднимутся при этой скорости. В сепараторе поддерживается режим: давление 1.962 МПа (20 кГс/см2), температура 300 К, плотность газа 21.8 кг/см3.

Дано: D = 0.9 м, μн = 10 сП, T = 300 К, Р = 1.962 МПа, ρн = 0.8 г/см3, ρг = 21.8 кг/м3, G = 200 т/сут;

Условием всплытия пузырьков газа: Wн < Wг

Определяем скорость подъема уровня нефти:

н = Q / 86400 / S = G / 86400 / S / ρн = 200 * 10 3 * 4 / 86400 / 3.14 / 0.9 2 / 800 = 0.00455 м/с

Скорость подъема пузырьков газа должна превышать скорость подъема уровня нефти в 1.2 раза. Отсюда:

г = 1.2 * Wн = 1.2 * 0.00455 = 0.00546 м/с

Диаметр пузырьков газа, которые поднимутся при данной скорости подъема уровня нефти, рассчитываем из формулы Стокса:

г = 2√(18 * μн * Wг / (ρн - ρг) / g) = 2√ (18 * 10 * 10 -3 * 5.46 * 10 -3 / (800 - 21.8) / 9.81) = 3.59 * 10 -4 (м) = 0.36 мм

.Определим производительность горизонтального сепаратора по газу, если его диаметр равен 0.9 м, длина 4.5 м. Расстояние от верхней образующей до уровня нефти 0.45 м. Рабочее давление 10 кгс/см2, температура 300 К. Капельки нефти, оседающие в потоке газа, имеют диаметр 25 мкм, относительная плотность газа по воздуху ρ' = 0.95, вязкость газа 0.000011 Па*с, Z = 0.95; плотность нефти 780 кг/м3, плотность воздуха (при С.У.) 1.205 кг/м3.

Дано: D = 0.9 м, Р = 10 кгс/см2, l = 4.5 м, ρн = 780 кг/м3, T = 300 К, ρв = 1.205 кг/м3 h = 0.45 м, dн = 25 мкм, Z = 0.95, ρ' = 0.95, μг = 0.000011 Па*с;


ρо = ρ' * ρв = 0.95 * 1.205 = 1.145 кг/м3

: Определим плотность газа в рабочих условиях:

ρг = ρо * (Р / Ро)* (То / Т) * (1 / Z) = 10.6 кг/м3

Определим производительность:= 101 * 4.5 / 0.45 * 0.9 2 * 9.81 * 10 5 * (25 * 10 -6) 2 * (780-10.6) / 0.000011 / 300 / 0.95 = 121884.5 м3/сут

4. ОХРАНА ТРУДА И ОКРУЖАЮЩЕЙ СРЕДЫ

.1 Охрана труда

Для сбора, хранения и транспортировки нефти и газа применяют сепараторы, резервуары, резервуары-сборники, товарные резервуары, насосы, нефтепроводы и газопроводы.

Установка гидроциклонного типа состоит из гидроциклонов с винтовой технологической емкости и горизонтального гравитационного сепаратора. При обслуживании гравитационных и гидроциклонных сепараторов возможны следующие опасные моменты:

а) повышение давления сверх допустимого разрыв сепараторов при отсутствии или неправильном регулировании предохранительного клапана;

б) образование взрывной среды около сепараторов;

в) возможно падение рабочих с высоты при отсутствии устройств, позволяющих безопасно проводить ремонтно-монтажные работы;

г) загрязнение территории около сепараторов нефтью и связи с этим опасность пожара.

При обслуживании нефте- и газопроводов возможны опасные моменты с образованием взрывоопасных смесей, а также отравление при вдыхании нефтяных паров и газов, особенно содержащих сероводород. Трудоемки и опасны работы по очистке нефтепроводов от песка и парафина. Особенно опасна очистка нефтепроводов, перекачивающих сернистую нефть, так как газы, выделяющиеся из очищаемого трубопровода и удаленных остатков, вредно действуют на организм.

Сепараторы

Для безопасности работы по обслуживанию сепараторов необходимо соблюдать следующие требования: устраивать, устанавливать, освидетельствовать, эксплуатировать сепараторы как сосуды, работающие под давлением, необходимо в соответствии с правилами устройства и безопасной эксплуатации сосудов, работающих под давлением.

Сепараторы должны быть оборудованы предохранительным клапаном, установленным с расчетом обеспечения удобства обслуживания и наблюдения за ним, снабженным выкидом с отводом, направляющим струю газа вверх.

Для спуска жидкости предусматривают автоматически действующее устройства и открываемую вручную задвижку на отводной линии на случай порчи устройства.

Сепаратор должен иметь манометр для измерения давления, снабженный трехходовым краном и указателем уровня. На верху сепаратора устраивают площадку и лестницу для обслуживания и ремонтных работ.

При обслуживании сепараторов необходимо выполнять определенные правила. Перед подключением скважины к сепаратору, а также эксплуатации сепаратора необходимо проверить исправность установленных на нем предохранительных клапанов, манометра, автоматического устройства для спуска жидкости. В зимнее время клапан нужно утеплить чтобы тарелка клапана не перемерзла к седлу. Регулировать предохранительный клапан следует на стенде. Для предотвращения аварий и несчастных случаев при подключении скважины к сепаратору и отключении ее необходимо соблюдать установленный порядок открывания и закрывания задвижек.

Особое внимание должно быть обращено на герметичность сепараторов и задвижек, так как даже небольшой пропуск в их корпусе или сальнике задвижек пожароопасен, а выделяющийся через неплотности нефтяной газ вреден для здоровья. При необходимости внутреннего осмотра или ремонта сепаратор должен быть изолирован от трубопроводов заглушками, продут до полного удаления газа, после чего очищен от остатков нефти и газа. Содержание газа аппарате проверяют газоанализатором, индикатором или химическим анализом пробы. При опасности пирофорных отложений в сепараторе (в случае сернистой нефти) для предотвращения самовозгорания их перед чисткой сепаратора следует заполнить его водяным паром или водой и продолжать смачивание в процессе чистки. Перед огневыми работами в сепараторе помимо указанных мероприятий, сепаратор должен быть промыт и пропарен, а порядок проведения работ согласован с пожарной охраной. Чтобы жидкость не попадала в газовую смесь лишь по отсутствии или неисправности автоматического устройства, сепаратор следует регулярно промывать вручную.

На нефтепроводе, имеющим самотек в сторону резервуара, должна быть установлена задвижка на расстоянии не менее 100м и не дальше 500м от обвалования резервуарного парка или отдельно стоящего резервуара. При обслуживании резервуаров необходимо строго соблюдать правила безопасности и противопожарные норм. оборудование резервуаров должно удовлетворять следующим требованием: крыша резервуара должна быть герметичной с механическим (детальными) и гидравлическими (предохранительным) клапанами.

Техника безопасности при работе с установками подготовки нефти и газа

В связи с выделением нефтяных паров и газов и колодцев промышленную канализацию необходимо устраивать закрытого типа. Промышленные сточные воды направлять только в нефтеловушки.

Разрывы оборудования, трубопроводов могут произойти при превышении допустимого давления вследствие регулирования или неисправности их, повреждений или ошибочном закрытии задвижек после аппаратов. Опасность отравления и химического ожога возникает при использовании в качестве деэмульгаторов диссолвана, щелочи и черного контакта. Дисолван ядовит и огнеопасен. Обычно в качестве щелочи применяют едкий натрий, который при попадании на кожу вызывает ожоги. Особенно опасно попадание его в глаза.

Основной опасностью при обслуживании электродегидраторов является опасность поражение электрическим током. Поражение электрическим током может произойти при подъеме наверх электродегидратора до его отключения от электрической сети, выполнения каких-либо работ на электродегидраторе, находящимся по напряжением. При подачи в Электродегидратор нефти с температурой выше допустимой возникает опасность разрушение изоляторов, что может привести к короткому замыканию в электродегидраторе, взрыву и разрыву аппарата при наличии верхней части его паров нефти. Во избежание разрушение изоляторов в электродегидраторе необходимо следить за температурой, подаваемой в него нефти. При пробое (разрушений) изолятора следует немедленно снять напряжения с электродегидратора (осмотр контактов заземляющих устройств, смена сигнальных ламп и другое), а так же подъем наверх электродегидратора необходимо выполнять только после снятия напряжения. Верхняя площадка, на которой расположен трансформаторы и реактивные катушки, должна иметь сетчатое или решетчатое ограждение. На ограждении необходимо вывешивать предупредительный плакат «Высокое напряжение», «Опасно для жизни». В случае пожара или аварии на установки напряжение в электродегидраторе должно быть немедленно снято. Тушить пожар следует с помощью углекислотных огнетушителей. При обслуживании трубчатых печей возникает опасность ожога пламенем, горячей нефтью, паром, от взрыва, пожара, а также отравление парами нефти, особенно содержащий сероводородов.

Причиной попадания газа в топку часто служат неплотно закрытые топливные вентили форсунки. Поэтому при остановке трубчатой печи на ремонт все топливные трубопроводы следует оглушить, а в случае остановки печи на короткое время необходимо, плотно закрыв топливные вентили, вынуть форсунки из топочной горловины. Для обеспечения безопасности при зажигании форсунок, необходимо продуть топку паром в течении 10-15 минут. После этого количество подаваемого пара уменьшают, слегка открывают топливный вентиль и к устью форсунки подносят факел.

На трубопроводе подающем топливо к форсункам, помимо вентилей непосредственно у форсунок печи, устанавливаю задвижку, прикрывающую доступ топлива сразу ко всем форсункам печи в случае аварии. Для безопасности и удобства подхода к этой задвижке она должна быть расположена на расстоянии не ближе 10м от печи.

Во время работы установки необходимо непрерывно следить за состоянием труб в печах чтобы не допустить их прогара. При прогаре труб установку останавливают и освобождают змеевик печи от нефти продувкой паром.

Для предотвращения попадании нефти из змеевой печи в паропровод, кроме задвижки на паропроводе, устанавливают обратный клапан. Для проверки исправности его действия на паропроводе передним устанавливают контрольные вентиль. При эксплуатации печи возможно мгновенное повышение давление в камере сгорание вспышки и хлопки, что может привести к разрушению кладки. Чтобы предотвратить разрушение в стенах печи, обращенных в сторону, противоположную арматуре, устраивают противовзрывные окна, закрывающиеся навесными дверцами. При эксплуатации установки по подготовки нефти не исключена опасность падения работников с высоты и травмирования отдельными частями оборудования, особенно при открывании и снятии тяжелых крышек люков аппаратов, вытаскивании и установки на место пучков труб в теплообменниках.

Для устранения этих опасностей аппараты и оборудование должны быть снабжены площадками, отвечающими требованиям безопасности, а трудоемкие работы необходимо проводить с помощью грузоподъемных механизмов и приспособлений.

4.2 Охрана окружающей среды

Охране окружающей среды на месторождении «Ата Мура» уделяется большое внимание. Среди принятых природоохранных мероприятий на промысле «Ата Мура» особенно эффективно сооружение дорог с твердым покрытием, служащих для сообщения между главными производственными объектами. Аккуратно выполняются земляные работы по прокладке нефтепроводов, проведена техническая рекультивация и планировочные работы. Нефтедобывающие скважины оборудованы бетонными устьевыми рабочими площадками и площадками под агрегат подземного ремонта на бетонированных основаниях.

Имеется план мероприятий по мониторингу, согласованный с управлением охраны окружающей среды. Мониторинг предусматривает:

изучение качества воздушной среды в пределах СЗЗ;

инвентаризацию угодий и нарушенных земель;

мониторинг биологических ресурсов, радиоактивный мониторинг;

характеристику почвенного и растительного покрова;

отбор проб пластовой воды и нефти, ведение банка данных об источниках загрязнения и состояния окружающей среды.

Проведена инвентаризация выбросов, основной целью которой является получение исходных данных для:

оценки степени влияния выбросов вредных веществ предприятия на окружающую среду;

установления предельно допустимых норм выбросов вредных веществ в атмосферу как в целом по предприятию, так и по отдельным источникам;

организация соблюдения установленных норм выбросов вредных веществ в атмосферу;

планирование воздухоохранных мероприятий.

С целью уменьшения выбросов в атмосферу при сжигании газа на факеле и достижению нормативов ПДВ необходимо провести работу по переводу сжигания газов с образованием сажи на бессажевое горение. Для этой цели необходимо изменить условия сжигания, конструкцию горелки (оголовка факела). Эффективным мероприятием является сжигание газа с помощью подачи пара. При этом резко сокращаются выбросы оксидов углерода, полностью прекращаются выбросы сажи. Эффективность мероприятия составляет - 92,5 %. Срок проведения мероприятия - 2002-2005 гг.

Разработаны мероприятия по регулированию выбросов вредных веществ. При неблагоприятных метеорологических условиях предприятие переходит на другой режим работы, снижая производительность печей и котлов на 30%, что приводит к сокращению оксида углерода, диоксида азота, сажи, сернистого ангидрида.

Проводится утилизация и обезвреживание отходов. Захоронению на шламонакопителе подлежат отходы производства в виде нефтешлама, бурового шлама, замазученного грунта, относящихся к 1У классу опасности.

Основные виды отходов следующие:

отходы строительства (сборный железобетон, цемент, монолитный железобетон, кирпич, рулонные материалы, щебень, песок, металлоконструкции и др.);

буровой шлам, отработанные буровые растворы, буровые сточные воды;

нефтешлам;

отходы черных и цветных металлов;

отработанные масла;

упаковочные и обтирочные материалы, авторезина;

избыточный активный ил, песок;

твердые бытовые отходы.

Охрана земель и почв

Одним из важных компонентов окружающей среды является почвенный покров. От его состояния в определяющей степени зависит состояние растительности, а также степень влияния на другие сопредельные среды - поверхностные и подземные воды, атмосферный воздух, биоту.

Основными мероприятиями охраны животного мира при строительстве и эксплуатации объектов нефтегазодобычи являются:

создание устройств маскирующих сеток над поверхностью шламонакопителей;

оборудование линий электропередач птицезащитными устройствами.

При условии соблюдения вышеуказанных мероприятий, отрицательного воздействия на животный мир не будет.

Рациональное использование и охрана земель обеспечивается:

безусловным соблюдением строительных норм и правил по отводу земель под различные объекты нефтедобычи;

использованием для строительства промышленных объектов территорий, считающихся малопригодными для сельского хозяйства;

размещением сооружений на минимально необходимых площадях с соблюдением нормативов плотности застройки;

централизацией объектов на промплощадках с грунтовкой производственных, складских и вспомогательных сооружений по их функциональному назначению и размещение в соответствующих зонах;

применением многоярусных технологических и вспомогательных сооружений;

применением установок и оборудования максимальной единичной мощности.

Технический этап является неотъемлемой частью технологии земляных работ при строительстве и включает в себя комплекс работ по снятию, сокращению и обратному нанесению плодородного слоя почвы на нарушенные участки поверхности, планировочные работы в поломе земельного отвода, уборку строительного мусора и т.д.

Биологический этап включает мероприятия по восстановлению плодородия земель, осуществляемые после завершения технического этапа рекультивации.

Биологическая защита земель предусматривается и как мера предотвращения эрозии почвы и является ее санитарно-гигиенической защитой.

Предусматривается настоящей работой комплекс природоохранных мероприятий по утилизации и захоронению строительных, промышленных и бытовых отходов.

Охрана атмосферного воздуха от загрязнения

Источниками загрязнения атмосферы при эксплуатации месторождения «Ата Мура» являются: печи подогрева нефти, котельная, факельная установка, емкости ГСМ, технологические резервуары, отстойники, нефтегазосепараторы, дренажные емкости, насосы, продувочные свечи на печах, дизельная электростанция.

Основными загрязняющими веществами, которые выбрасываются в атмосферу при эксплуатации месторождения, являются: оксиды азота, диоксид серы, оксид углерода, углеводороды, сажа. Среди органических веществ предельные углеводороды отличаются большой стойкостью и малой химической активностью. В то же время они обладают сильным наркотическим действием на живые организмы, усиливающимся с увеличением числа атомов углерода.

С целью максимального сокращения вредных выбросов в атмосферу в проекте предусмотрены следующие решения

напорная герметизированная система сбора и транспорта нефти;

подземный способ прокладки трубопроводов по месторождению на глубине не менее 0,8м до верхней образующей трубы;

контроль сварных стыков;

защита подземных трубопроводов от почвенной коррозии изоляцией усиленного типа на основе полимерных липких лент;

защита от атмосферной коррозии наружной поверхности надземных трубопроводов, оборудования, аппаратов, металлоконструкции и пр.;

применение оборудования на расчетное давление, превышающее давление источника;

автоматическое отключение системы налива при достижении предельного уровня нефтепродукта в автоцистерне.

Охрана поверхностных и подземных вод

Грунтовые воды располагаются на глубине 1,4 - 9 м, сильно минерализированы и не имеют практического применения.

Разработка месторождения ведется с поддержанием пластового давления путем закачки холодной воды через нагнетательные скважины на стадии пробных закачек.

В результате отделения пластовой воды и снижении минерализации нефти с помощью воды в процессе подготовки нефти образуются производственные сточные воды, которые после очистки закачиваются в нагнетательную скважину для поддержания пластового давления.

При промывке технологических аппаратов образуется сточная вода, которая поступает в дренажную сеть. Уловленная нефть из дренажной емкости насосами поддается на установку УПН, а вода повторно используется в производственном цикле.

Поверхностные, дождевые и талые сточные воды с обвалованных территорий собираются через сборные колодцы и по сети ливневой канализации отводятся в приемный резервуар ливневых стоков.

Уловленная нефть из резервуара ливневых стоков отводится в технологический цикл, осадок в виде замазученного песка отправляется в шламонакопитель, а осветленная, отстоянная вода используется в производственном цикле.

Бытовые сточные воды с площадки общежития по канализационным трубам поступают в двухмерный септик, где очищаются, затем сбрасываются на условные «поля фильтрации».

С целью охраны и рационального использования водных ресурсов в процессе разбуривания, строительства и эксплуатации объектов и сооружений месторождения Ата Мура настоящей работой предусмотрен комплекс водоохранных мероприятий:

все виды сточных вод (хозяйственно-бытовые и производственно-дождевые, за исключением буровых сточных вод) предусматривается очищать на соответствующих очистных сооружениях и использовать для поддержания пластового давления;

эффективный отвод поверхностных сточных вод с территории эксплуатационных (нефтяных) и нагнетательных скважин, площадок ДНС, КНС, ПС и других объектов и сооружений;

закачка воды в нефтяные пласты предусматривается по специальным насосно-компрессорным трубам (НКТ) с антикоррозионным покрытием и пакеровкой их на забое для исключения действия высокого давления на колонну скважины;

антикоррозийная защита всех остальных водоводов, нефтепроводов и оборудования;

переходы через овраги и балки осуществляются подземным способом с укладкой трубопроводов в грунт. Для предотвращения размыва склонов оврагов и балок предусматривается посев многолетних трав и установка глиняных перемычек;

гидрогеологический контроль за предотвращением истощения пресных и слабоминерализованных (технических) эксплуатационных запасов подземных вод;

выделение и соблюдение зон санитарной охраны.

В таблице 4 приведены предельно-допустимые концентрации (ПДК) наиболее распространенных в нефтегазовой промышленности (включая инфраструктуру) месторождения Ата Мура токсичных веществ, загрязняющих поверхностные и подземные природные водоисточники.

Таблица 4

Предельно-допустимые концентрации (ПДК) токсичных веществ.

Наименование загрязненных веществ

Предельно-допустимая концентрация в воде водоемов



Используемых для рыбохозяйственных целей

Хозяйственно-питьевого и культурно-бытового водопользования

1

Нефть и нефтепродукты

0,05

0,1

2

Биохимическая потребность в кислороде (БПК полн.)

3,0

3,0

3

Взвешенные вещества

20

-

4

СПАВ

0,3-0,5

0,1

5

Сульфаты (анион)

100

500

6

Хлориды (анион)

300

-

7

Аммоний солевой (NH4)

0,5

1,0

8

Калий (катион)

50

-

9

Натрий (катион)

120

-

10

Магний (катион)

40

-

11

Кальций (катион)

180

-

12

КССБ (компонент бурового раствора)

12

-

13

Сульфонат

0,5

-

14

Полиакриламид

0,04

2,0

15

Ингибитор коррозии

0,2-0,04

-


Основными требованиями к обеспечению экологической устойчивости геологической среды при проектировании, строительстве и эксплуатации нефтегазового месторождения являются разработка и выполнение профилактических и организационных мероприятий, направленных на охрану недр.

В случаях, когда размещение и функционирование производственных, коммунальных и складских объектов, а также объектов специального назначения может представлять угрозу населению и (или) оказывать вредное воздействие на окружающую среду, должна предусматриваться соответствующая санитарно-защитная зона. Параметры санитарно-защитной зоны и требования к ней устанавливаются государственными нормативами в зависимости от ее конкретного назначения.

5. ЭКОНОМИЧЕСКАЯ ЧАСТЬ

.1 Общие положения

Расчеты в экономической модели приводились в единых денежных единицах - доллары США. В случаях, когда в качестве базовой денежной единицы предполагается тенге Республики Казахстан или другие денежные единицы, в расчетах учитывались их эквивалентные величины в долларах США.

Существует три базовых элемента или три группы исходных параметров, необходимых, как для определения экономических показателей, так и определения доходов государства Республики Казахстан и ТОО “БИГ”:

характеристика добычи;

финансовые показатели;

капитальные вложения и эксплуатационные расходы.

Ниже приводится краткое описание этих элементов.

Характеристика добычи

На основе активов ТОО “БИГ” создаются технологические процессы, и осуществляется экспорт добытой нефти. Вся добываемая сырая нефть, на месторождении Ата Мура, будет идти на реализацию. Приоритетным рынком сбыта нефти является ближнее и дальнее зарубежья, а также внутренний рынок РК. Доля поставок сырой нефти в дальнее зарубежье составляет 82% от общего объема товарной нефти, в ближнее зарубежье составляет 3,5%, и соответственно 14,5% реализуются на внутреннем рынке Казахстана. Основным потребителем на внутреннем рынке Казахстана является АНПЗ. Добыча газа представлена в малом количестве и используется для собственных нужд.

Рассматриваются долговременные цены на продукты и стоимость транспортировки всех продуктов. Из остальных основных экономических показателей рассматриваются, дата начала оценки, пределы экономической целесообразности, налоги, уплата роялти, амортизация.

Финансовые показатели

Финансирование проекта осуществляется за счет обязательств учредителей определяемых по Договору о недропользовании заключенному с правительством Республики Казахстан в 1995 г.

Цены

В основу экономических показателей проекта заложены прогнозные долгосрочные цены на нефть марки “URALs”, основываясь на базовых условиях проекта, как показано в таблице 5. Реализация сырой нефти предполагается в дальнее зарубежье и составляет 82% от общего объема товарной нефти, в ближнее зарубежье составляет 3,5%, и 14,5% реализуются на внутреннем рынке Казахстана.

Таблица 5

Цены

№ п.п.

Наименование показателей

Ед.

Цена

1.

Цена реализации нефти:



1.1.

в дальнее зарубежье

$/тонну

170

1.2.

в ближнее зарубежье

$/тонну

140

1.3.

на местный рынок

$/тонну

80


Налоги и прочие платежи

Все выплаты и налоговые отчисления, производятся согласно Налоговому Законодательству Республики Казахстан и контракту на недропользование. Согласно контракту на недропользование ТОО “БИГ” платит в течение всего срока действия договора, исключительно следующие виды налогов и сборов:

Налоги, подлежащие вычетам из совокупного годового дохода, для определения налогооблагаемого дохода:

налог на добавленную стоимость в размере 15% от облагаемого оборота. Согласно Статье 62 Налогового законодательства экспорт нефти облагается по нулевой ставке;

акцизы;

налог на операции с ценными бумагами;

бонус добычи в размере двести тысяч (200 000) долларов США в течение девяносто дней с момента начала рентабельной добычи (выплачивается не более одного раза);

роялти, в соответствии с нижеприведенной таблицей 6, производится в зависимости от объемов добычи нефти в отчетном календарном году от объекта обложения роялти. Объектом обложения роялти является стоимостной объем реализованной нефти;

Таблица 6.

Шкала роялти

№ п.п.

Наименование показателей

ед.

Ставка

Принятые условия

1.

Роялти

%

2

с момента вступления в силу

2.


%

3

если валовая величина нефти равна или превысила 150 тыс. тн. за календарный год, но меньше 200 тыс. тн.

3.


%

4

если валовая величина нефти равна или превысила 200 тыс. тн. за календарный год, но меньше 300 тыс. тн.

4.


%

5

если валовая величина нефти равна или превысила 300 тыс. тн. за календарный год, но меньше 500 тыс. тн.

5.


%

6

если валовая величина нефти равна или превысила 500 тыс. тн. за календарный год.


за геологическую информацию и исторические затраты в размере два миллиона (2 000 000) долларов США;

налог на имущество уплачиваться не будет, в связи с передачей всего имущества, на Контрактной территории, в собственность компетентного органа после возврата капитальных инвестиций;

налог на транспортные средства;

плата за питьевую воду;

плата за техническую воду, если используется вода на балансе государства, плата за попутные с нефтью воды не взимается;

платежи в фонд охраны природы и все выплаты, предусмотренные экологическим законодательством Республики Казахстан.

Налоги, уплачиваемые после определения налогооблагаемого дохода:

подоходный налог в размере 30% от налогооблагаемого дохода.

Другие налоги и платежи:

подписной бонус в размере ста тысяч (100 000) долларов США - разовый фиксированный платеж за право добычи;

таможенные пошлины на экспорт нефти уплачиваться не будут, в связи с незначительными извлекаемыми запасами нефти месторождения Ата Мура (месторождение классифицируется как мелкое) и сложностью его разработки;

налог на сверхприбыль, в случае превышения внутренней нормы прибыли на двадцать два (22%) процента, уплачивается по приведенной таблице 7.

Таблица 7.

Ставки налога на сверхприбыль

Совокупная, после уплаты налогов, реальная внутренняя норма прибыли подрядчика

Ставка налога на сверхприбыль

Больше чем 22% или равна 27%

10%

Больше чем 27% или равна 32%

20%

Больше чем 32%

30%


Амортизация

Методология обычной (5) пятилетней амортизации. Метод обычной амортизации допускает начислять амортизацию в размере 20% ежегодно.

Капитальные вложения, включая общеадминистративные ассигнования, подпадают под начисление амортизации с момента ввода в эксплуатацию скважин, оборудования и прочих объектов.

Ставка дисконтирования

Была введена ставка дисконтирования в размерах 10% (десяти процентов), 15% (пятнадцати процентов) и 20% (двадцати процентов), для расчета чистой приведенной стоимости (ЧПС) акционеров ТОО “БИГ” и Республики Казахстан.

.2 Транспорт продукции

Транспортные расходы, приведенные в таблице 8, по реализации товарной продукции, учитываются при определенных принятых допущениях и включают в себя:

Транспортировка;

Терминал;

прием, хранение и отгрузка продукта реализации;

оформление документов.

Таблица 8.

Расходы на транспортировку

№ п.п.

Наименование показателей

ед.

Принятые допущения

1.

Транспорт одной тонны нефти в дальнее зарубежье

$/тонну

37,4

2.

Транспорт одной тонны нефти в ближнее зарубежье

$/тонну

29,5

3.

Транспорт одной тонны нефти на внутреннем рынке РК

$/тонну

9,2


Предел экономической целесообразности определяется отдельно для каждого случая и основывается на периоде двух последовательных лет отрицательного потока денежных средств. По достижении предела экономической целесообразности, дальнейший поток денежных средств сводится к нулю.

.3 Капитальные вложения и эксплуатационные затраты

Рассматриваются капитальные вложения и эксплуатационные расходы, необходимые для строительства, обслуживания и роста основных фондов ТОО “БИГ”. Анализируются следующие компоненты капитальных вложений: стоимость буровых работ при строительстве добывающих и нагнетательных скважин, расходы на обслуживание установок и компремирование, необходимое для оптимизации добычи нефти. Анализируются следующие компоненты эксплуатационных расходов для финансирования обслуживания, как существующего оборудования, так и нового оборудования, а также по эксплуатации и обслуживанию скважин.

Исходные экономические параметры вошли в экономическую модель по капитальному строительству для роста экономических показателей. Применение такой экономической модели, ее возможности и функциональные характеристики раскрываются более подробно в последующих разделах настоящего обоснования.

Концепция капитальных вложений включает в себя:

затраты на бурение, как добывающих, так и нагнетательных скважин;

наземное обустройство;

капитальный ремонт и пробная эксплуатация скважин;

затраты на технику и оборудование;

прочее.

Согласно требованиям, действующим в данное время в нефтегазовой отрасли Республики Казахстан, расходы на бурение, как добывающих, так и нагнетательных скважин, определялись путем суммирования затрат на суточную проходку, количеством суток бурения, и затрат на заканчивание скважин, с учетом прироста эффективности и расходы на коэффициент суточного использования буровой установки. По наземному обустройству в экономической модели учтено, что преобладающая часть оборудования, необходимых материалов и сооружений, включая передвижную парогенераторную установку, поскольку в настоящем проекте, в качестве основного масштабного технологического мероприятия, по регулированию процесса пробной эксплуатации, и для сравнения полученных результатов, рекомендуется применить на опытном участке паротепловые циклические обработки призабойных зон добывающих скважин (ПТОС или ПЦОС), приобреталась в Казахстане, и в государствах СНГ. Концепция наземного обустройства, включая внутрипромысловые сооружения и оборудования, внешнюю коммуникацию, как затраты на офисное оборудование, так и затраты на оборудование информационных технологий, также была разработана согласно требованиям, действующим в данное время в нефтегазовой отрасли Республики Казахстан.

Эксплуатационные затраты являются основой для расчета текущих производственных затрат. Эксплуатационные затраты подразделяются на фиксированные и переменные расходы, связанные с производственными мощностями оборудования и запасами месторождения. Затраты на эксплуатационные и текущие расходы определялись в соответствии с основными показателями, рассчитанными в специальных разделах настоящего проекта.

Прямые эксплуатационные и текущие расходы включают в себя затраты на:

Производственные расходы:

материалы, энергия, топливо;

оплату труда персонала;

приобретенные услуги и обслуживания;

другие.

. Общие административные расходы.

В современных условиях - условиях стремительного развития науки и техники, усовершенствования техники производства, необходимости высококвалифицированных кадров, возросших масштабах добычи, возникает потребность в повышении эффективности научных исследований. Мощность предприятия во многом зависит от внедрения новейшей технологии, применения автоматизированных систем управления.

Необходимо развивать и повышать эффективность производства, его всестороннюю интенсификацию. Для этого нужно максимально использовать основные фонды, оборотные средства, производственные мощности, своевременно выявлять и использовать внутрипроизводственные резервы, внедрять в производство новейшие достижения науки и техники, передовой опыт, обеспечивать строжайший режим экономии, ресурсосбережение, высокое качество вырабатываемой продукции.

Внедрение в производство новой техники и технологии оправдано только тогда, когда оно обеспечивает экономический эффект:

снижение затрат на производство единицы продукции;

повышение качества изделий (экономия у потребителей);

рост производительности труда.

Создавая новые машины и оборудование, разрабатывая новую технологию производства, каждый инженер-экономист должен учитывать экономические показатели, связанные с их производством, эксплуатацией и применением.

Для современного производства характерны постоянно растущая капиталоёмкость и возрастание роли долгосрочных факторов. Чтобы предприятие могло успешно функционировать, повышать качество продукции, снижать издержки, расширять производственные мощности, повышать конкурентоспособность своей продукции и укреплять свои позиции на рынке, оно вкладывает капитал. Поэтому ему необходимо тщательно разрабатывать инвестиционную стратегию и постоянно совершенствовать её для достижения вышеназванных целей.

В самом общем виде инвестиции определяются как денежные средства, банковские вклады, паи, акции и другие ценные бумаги, технологии, машины, оборудование, лицензии, в том числе на товарные знаки, кредиты, любое другое имущество или имущественные права, интеллектуальные ценности, вкладываемые в объекты предпринимательской деятельности или других видов деятельности в целях получения прибыли (дохода) и достижения положительного социального эффекта.

По финансовому определению инвестиции - это все виды активов (средств), вкладываемых в хозяйственную деятельность в целях получения дохода. Экономическое определение инвестиций трактуется как расходы на создание, расширение, реконструкцию и техническое перевооружение основного капитала, а также на связанные с этим изменения оборотного капитала. Ведь изменения в товарно-материальных запасах во многом объясняются движением расходов на основной капитал.

Инвестиции представляют собой использование финансовых ресурсов в форме краткосрочных или долгосрочных капиталовложений. Инвестиции осуществляются юридическими или физическими лицами. По видам инвестиции делятся на рисковые (венчурные), прямые, портфельные и аннуитеты.

Венчурный капитал представляет собой инвестиции в форме выпусков новых акций, произведенных в новых сферах деятельности, связанных с большим риском. Венчурный капитал инвестируется в не связанные между собой проекты в расчете на быструю окупаемость вложенных средств. Он сочетает в себе различные формы капитала: ссудного, акционерного, предпринимательского.

Прямые инвестиции представляют собой вложение в уставный капитал хозяйствующего субъекта с целью извлечения дохода и получения прав на участие в управлении данным субъектом.

Портфельные инвестиции связаны с формированием портфеля (совокупность разных инвестиционных ценностей) и представляет собой приобретение ценных бумаг и других активов.

Аннуитеты - инвестиции, приносящие вкладчику определенный доход через регулярные промежутки времени, представляют собой вложения средств в страховые и пенсионные фонды.

В фиксированные расходы также включаются общие административные расходы, как обеспечение штата компании, договорные услуги, обучение персонала, так и расходы на содержание офиса, прочих объектов и т.п. Тем не менее, по мере падения добычи, происходит снижение затраты для поддержания финансовой эффективности. Переменные эксплуатационные расходы включают в себя расходы на химреагенты и другие расходные материалы, которые являются функцией от объема нефти, добытой на существующем оборудовании. Эксплуатационные расходы включают в себя расходы на обслуживание скважин, связанные с капитальным восстановительным ремонтом, как добывающих, так и нагнетательных скважин.

Как и для существующего оборудования и объектов, эксплуатационные расходы на новое оборудование и объекты включают фиксированные и переменные расходы. В свою очередь фиксированные и переменные расходы подразделяются на расходы, относимые на оборудование по переработке нефти. Цель учета фиксированных и переменных расходов заключается в том, чтобы наиболее точно определить расходы, на момент, когда наступает истощение месторождения или когда оборудование начинает производить меньше, чем позволяют его производственные мощности. Переменные расходы относятся на расходы по эксплуатации, связанные непосредственно с фактической пропускной способностью. Также, хотелось бы заметить, что для случаев закачки воды, эксплуатационные расходы по составляющим, таким как приобретение воды, ее обработка, затраты на электроэнергию являются дополнительными для эксплуатационных расходов, которые приходятся на существующие расходы для оборудования.

Развернутая форма технико-экономических нормативов расчета эксплуатационных затрат по месторождению Ата Мура представлена в таблице 9.

Затраты на ликвидацию производства и рекультивацию промысла

После окончания эксплуатации промысла ландшафт должен приобрести первоначальный вид. В расчете были учтены годовые отчисления в резерв для ликвидации и рекультивации промысла по окончании проекта.

Эти средства используются в основном для следующих целей:

ликвидация скважин;

ликвидация буровых площадок и для рекультивации земель;

ликвидация промысловых трубопроводов;

ликвидация нефтесборных, других сооружений и нефтепровода.

Таблица 9.

Технико-экономические нормативы расчета эксплуатационных затрат

Нормативы

Единицы измерения

Значения





1

Удельный вес потерь нефти, всего

%

0,255


 в т.ч. в добыче

%

-


 в системе сбора и транспортировки

%


 при подготовке продукции

%

0,255

2

Удельный вес расхода на собственные нужды




 нефти

%

-


 газа

%

75

3

Удельный вес потерь газа, всего

%

-

4

Стоимость 1 КРС

тыс. $

27,585

5

Стоимость 1 ПРС

тыс. $

22,01

6

Среднегодовая оплата труда 1го работника ППП (включая подоходный налог и пенсионные выплаты)

тыс. $

8,23

7

Затраты на подготовку 1 тонны жидкости

$/т

8,2

8

Нормативы вспомогательных материалов в добыче нефти




в расчете на 1 скважину среднегодового действующего фонда (трубы, задвижки, насосы глубинные, запчасти, прочие материалы) - всего

тыс. $ /скв

3,991


 в расчете на 1 тонну жидкости (химреагенты)

$/т

0,076

9

Нормативы вспомогательных материалов при подготовке нефти всего

$/т

0,243


 в т.ч. трубы, задвижки, запчасти и другие. материалы

$/т

0,129


 Химреагенты, и т.п.

$/т

0,114

10

Нормативы потребления электроэнергии




Расход электроэнергии на 1 тонну жидкости добытой мех. способом

кВт. ч./т

19,136


Расход эл. энергии на 1 м3 закачки

кВт. ч./м3

6,32


Затраты электроэнергии на подготовку 1 тонны жидкости

кВт. ч./т

3


Прочие затраты эл. энергии на 1 скважину среднегодового действующего фонда (добывающие + нагнетательные скважины)

тыс. кВт. ч/скв.

1,53

11

Средняя цена 1000 кВт. ч. электроэнергии

$/1000 кВт. ч

80,88

12

Средняя цена 1м3 воды технической (морской)

$/м3

0,13

13

Средняя цена 1м3 воды питьевой

$/тыс. м3


14

Средняя цена 1м3 воды питьевой

$/м3

0,15

15

Удельные затраты по транспортировке грузов на 1тонну жидкости

$/т

0,158

16

Удельные затраты на капитальный ремонт основных средств, в % от остаточной стоимости основных фондов

тыс. $/скв.

20,031

17

Удельные затраты по прочим услугам производственного характера на 1 действующую скважину (добывающие + нагнетательные), $

тыс. $/скв.

102,2842

18

Прочие затраты при добыче нефти - всего на 1 скважину действующего фонда (добывающие + нагнетательные), тыс. $

тыс. $/скв.

11,08

19

Средняя остаточная стоимость 1 скважины

тыс. $/скв.

267,45

20

Средняя остаточная стоимость прочих основных фондов, из расчета на 1 скважину

тыс. $/скв.

392,61

21

Услуги сторонних организаций не производственного характера

$/т нефти

1,6

22

Прочие расходы общепроизводственного характера (подписка, хозяйственные расходы, на охрану природной среды, на охрану труда, подъемные, повышение квалификации, административные расходы и т.п.)

% от прямых затрат

32-37

23

Стоимость 1 обработки призабойной зоны при проведении работ по интенсификации притока

$/1обработку

5555,55

24

Количество обработок при проведении работ по интенсификации притока на 1 скважину

Скв -операций

6


ЗАКЛЮЧЕНИЕ

Осуществлен синтез оборудования и аппаратуры, взаимное расположение которых позволяет реализовать на них технологически связанные между собой процессы промысловой подготовки нефти, имеющей аномально высоковязкие свойства.

Используя результаты моделирования процессов гравитационного отстоя выполнены конструктивные изменения внутренней начинки напорного горизонтального отстойника нефти путем снабжения его входным устройством и выходными распределительными коллекторами, обеспечивающими эффективное использование объема аппарата за счет выравнивания эпюры скоростей по сечению и длине емкости.

Базируясь на теоретические положения использования энергии свободной затопленной струи, выполнен расчет размерных параметров входного торцевого отражателя отстойника нефти, имеющего форму сферического сегмента.

Определены размерные параметры коалецирующего устройства перед отстойником нефти, интенсифицирующего процесс водоотделения путем гидродинамического воздействия на эмульсию с помощью регулярной проволочной насадки, подтвержденное расчетами для описания коагуляции дисперсных систем.

Внедрение выполненных научно-технических и технологических разработок на месторождении позволили вывести установку подготовки нефти на стабильный режим работы. Определены эксплуатационные параметры основного оборудования по давлению, температуре, времени протекания процесса, составлены материальный и тепловой балансы в зависимости от физико-химических и сепарационных свойств эмульсий, нефтей и пластовых вод. Конструктивные изменения отстойника нефти и усовершенствование ряда технологических процессов позволили получать качественную товарную нефть с параметрами, превышающими экспортные требования. При исходной обводненности нефти 70% и концентрации солей до 162000 мг/л содержание воды в подготовленной нефти снижено до 0,3-0,5%, а хлористых солей - до 25-40 мг/л.

Применение российских технологий и оборудования позволили снизить эксплуатационные затраты и совместить российское и западное оборудование и технологии.

СПИСОК ИСПОЛЬЗОВАННОЙ ЛИТЕРАТУРЫ

Викторин В.Д., Лыков Н.А. Разработка нефтяных месторождений, приуроченных к карбонатным коллекторам. - М.: Недра, 1980.

Выжигин Г.Б. Увеличение нефтеотдачи залежей в карбонатных коллекторах.-Нефтяное хозяйство. №6, 1967. С.32-35.

Гавура В.Е. Состояние и перспективы разработки нефтяных залежей, приуроченных к карбонатным коллекторам. - Труды Гипровостокнефти. Вып.12, 1969. С.190-208.

Джиембаева К.И., Лалазарян Н.В. Сбор и подготовка скважинной продукции на нефтяных месторождениях. Учебное пособие для ВУЗов. Алматы: 2000

Козлова Т.В., Орлов В.С. Методы прогноза процесса обводнения нефтяных месторождений. - Серия добыча. М.: ВНИИОЭНГ, 1973.

Колоскова М.И. Сравнительные данные определения пористости и проницаемости различными методами. - Труды ВНИИгаз. Вып. 20/28, 1964. С.72-82.

Котяхов Ф.И. Основы физики нефтяного пласта. - М.: Гостоптехиздат, 1956.

Майдебор В.Н. Особенности разработки нефтяных месторождений с трещиноватыми коллекторами. - М.: Недра, 1980.

Маскет М. Физические основы технологии добычи нефти. - М.: Гостоптехиздат, 1953.

Методика изучения карбонатных коллекторов и классификация карбонатных коллекторов и приуроченных к ним залежей нефти и газа. -Труды Гипровостокнефти. 1971. С.79-95.

Нефти и газы месторождений зарубежных стран. Справочник. - М.: Недра, 1977.

Панов Т.Е., Петряшин Л.Ф. Охрана окружающей среды на предприятиях нефтяной и газовой промышленности. - М.: Недра, 1984.

Пермяков И.Г., Саттаров М.М., Генкин И.Б. Методика анализа разработки нефтяных месторождений. - М.: Гостоптехиздат, 1962.

Пыхачев Г.Б. Подземная гидравлика. - М.: Гостоптехиздат, 1961.

Розенберг М.Д. О неустановившейся фильтрации газированной жидкости в пористой среде. - Известия АН СССР, ОТН. №10, 1952.

Розенберг М.Д. Кундин С.А. Многофазная многокомпонентная фильтрация при добычи нефти и газа. - М.: Недра,1986.

Саттаров М.М. Андреев Е.А. Ключарев В.С. и др. Проектирование разработки крупных нефтяных месторождений. - М.: Недра, 1969.

Справочник по нефтяным и газовым месторождениям зарубежных стран. - Т.1. М.: Недра, 1976.

Сулейманова М.М., Газарян Г.С. Охрана труда в нефтяной промышленности. - М.: Недра, 1980.

Сыромятников Е.С., Победоносцева Н.Н. Организация, планирование и управление нефтегазодобывающими предприятиями. - М.: Недра, 1984.

. Жолумбаев М.Т., Бакиев Т.А., Жолумбаев А.М. Физико-химические свойства аномально высоковязких нефтей // Роль науки в развитии нефтегазовой отрасли Республики Башкортостан: Сборник докладов научно-практической конференции «Вклад науки Республики Башкортостан в реальный сектор экономики». - Уфа: Транстэк, 2003. - С. 44-47.

Жолумбаев М. Т., Бакиев Т. А. Технологическое оборудование для подготовки высоковязкой нефти на месторождении Ата Мура // Инновационные проблемы развития машиностроения в Башкортостане: Сборник научных трудов. - Уфа: Гилем, 2003. - С. 140-149.

Жолумбаев М. Т., Жолумбаев А. М. Технологическая схема промысловой подготовки аномально высоковязкой нефти // Инновационные проблемы развития машиностроения в Башкортостане: Сборник научных трудов. -Уфа: Гилем, 2003. - С. 162-166.

Сулейманов Р. Н., Жолумбаев М.Т. Моделирование процессов гравитационного отстоя // Новоселовские чтения: Материалы 2-й Международной научно-технической конференции. - Уфа: УГНТУ, 2004. - С. 61-62.

Бакиев Т. А., Жолумбаев М.Т. Модернизированный емкостный отстойник нефти // Реновация: отходы - технологии - доходы: Материалы Всероссийской научно-практической конференции. - Уфа, 2004. - С. 31-33.

Жолумбаев М.Т., Бакиев А. Ф. Расчеты процесса осаждения капель воды для выбора коалесцирующего устройства // Реновация: отходы - технологии - доходы: Материалы Всероссийской научно-практической конференции. - Уфа, 2004. - С. 35-38.

Жолумбаев М. Т. Аппаратура и оборудование для промысловой подготовки высоковязкой нефти // Современное состояние процессов переработки нефти: Материалы научно-практической конференции. - Уфа: Изд-во ГУП ИНХП, 2004. - С. 288-291.

Похожие работы на - Проект новой функциональной блок-схемы установки подготовки нефти

 

Не нашли материал для своей работы?
Поможем написать уникальную работу
Без плагиата!
Без нейросетей!