ТЭЦ-240 МВт
Министерство образования Республики
Беларусь
Белорусский национальный технический
университет
Факультет: Энергетический
Кафедра: Электрические станции
КУРСОВОЙ ПРОЕКТ
по дисциплине «Производство
электроэнергии»
Тема: «ТЭЦ-240 МВт»
Исполнитель: студент энергетического факультета V кура гр 306328
Наркевич Алексей Леонидович
Содержание
Введение
1. Выбор основного
оборудования и разработка вариантов схем выдачи энергии
1.1 Составление
структурных схем выдачи мощности
1.2 Выбор основного оборудования
для первого варианта схемы
1.2.1 Выбор генераторы для
первого варианта схемы
1.2.2 Выбор
трансформаторов
1.2.3 Выбор
трансформаторов собственных нужд
1.3 Выбор основного
оборудования для второго варианта схемы
1.3.1 Выбор генераторы для
второго варианта схемы
1.3.2 Выбор блочных
трансформаторов
1.3.3 Выбор
трансформаторов собственных нужд
1.4 Выбор схем
распределительных устройств
2. Выбор и
технико-экономическое обоснование главной схемы электрических соединений
3. Расчет токов короткого
замыкания для выбора аппаратов и токоведущих частей
3.1 Расчетная схема
замещения
3.2 Расчет токов короткого
замыкания в точке К1
3.3 Расчет токов короткого
замыкания в точке К5
3.4 сводная таблица
расчетных токов короткого замыкания
4. Выбор электрических
аппаратов
4.1 Выбор электрических
аппаратов на напряжение 220кВ
4.2 Выбор электрических
аппаратов на напряжение 10кВ
4.3 Выбор электрических
аппаратов на напряжение 6,3кВ в цепи собственных нужд электростанции
4.4 Выбор ограничителей
перенапряжений
5. Выбор токоведущих
частей (токопроводы генераторов и трансформаторов, шины распределительных
устройств всех напряжений)
5.1 Выбор проводников на
напряжение 10кВ
5.2 Выбор проводников на
напряжение 6кВ ТСН - РУ СН
5.3 Выбор проводников на
напряжение 220кВ
6. Выбор типов релейной
защиты (генераторов, трансформаторов, шин, отходящих ЛЭП и т.д.)
7. Выбор измерительных
приборов (в цепях генераторов, трансформаторов, ЛЭП) и измерительных
трансформаторов (тока и напряжения)
8. Выбор конструкций и
описание всех распределительных устройств имеющихся в проекте
Заключение
Литература
Введение
Рост и развитие городов, промышленных производств вызывает рост
потребляемых мощностей и требует развитие энергосистемы. Это ставит перед
инженерами-электриками ответственные задачи, одна и з которых- проектирование
электрических систем и сетей - требует применения теоретических знаний для
решения сложных комплексных вопросов. Решению данных вопросов в учебных целях
рассматривается в курсовом проектировании. Целью курсового проектирования является
закрепление теоретических знаний по данной и смежным дисциплинам; приобретения
навыков пользования справочной литературой, ГОСТами, едиными нормами и
расценками, расчета технико-экономических показателей.
В данном курсовом проекте рассматривается порядок расчета
теплоэлектроцентрали (далее ТЭЦ) 240МВт.
Электроэнергетической системой называют совокупность электрической части
электрических станций и электрических сетей, соединенных между собой и
связанных общностью режима в непрерывном процессе производства, преобразования
и распределения электрической энергии (далее ЭЭ) при общем управлении этим
режимом. ТЭЦ - это тепловая электрическая станция, осуществляющая выработку и
отпуск электрической и тепловой энергии. Отпуск электроэнергии на повышенном напряжении
осуществляется в электрическую сеть. Электрической сетью, в свою очередь,
называется совокупность подстанций (далее ПС) и соединяющих их линий
электропередачи (далее ЛЭП): предназначенная для передачи и распределения ЭЭ.
Выдача электроэнергии на низком напряжении осуществляется по кабельным линиям
(далее КЛ).
Проектируемая ТЭЦ должна удовлетворят определённым техническим и
технико-экономическим требованиям. На первом этапе с учётом некоторых из этих
требований составляются варианты конфигурации схемы. Выбираются типы основного
оборудования для данных вариантов. Далее проводится технико-экономический
сравнительный анализ и выбор оптимального варианта схемы, для которого
проводятся дальнейшие расчеты. Оптимальным вариантом является тот, который
имеет наименьшее значение приведенных затрат.
Для выбранного варианта составляется расчетная схема замещения с
указанием предполагаемых точек КЗ и для каждой из них производится расчет токов
короткого замыкания. По результатам расчетов производится выбор электрических
аппаратов и проверка их на термическую и динамическую стойкость. Так же
выбираем токоведущие части на разные номинальные напряжения. Производят выбор
измерительных приборов и типов устройств релейной защиты. Также приводится
описание распределительных устройств (далее РУ) высшего (далее ВН) и низшего
(далее НН) напряжения.
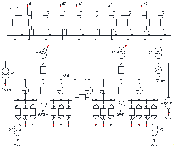
1. Выбор основного оборудования и разработка вариантов схем выдачи
энергии
.1 Составление структурных схем выдачи мощности
При проектировании электроустановки до разработки главной схемы
составляем структурные схема выдачи электроэнергии (мощности) на которых
показываем основные функциональные части электроустановки (РУ, трансформаторы
(Т), генераторы (Г)) и связи между ними. Структурные схемы служат для
дальнейшей разработки более подробных и полных принципиальных схем, а также для
общего ознакомления с работой электроустановки.
Выдача мощности в энергосистему, согласно заданию на курсовое
проектирование, осуществляется на повышенном напряжении 220кВ. Следовательно, в
качестве РУ ВН принимаем РУ 220кВ.
Отпуск электроэнергии близлежащим потребителям осуществляется на
пониженном напряжении 10кВ. Следовательно в качестве РУ НН принимаем РУ 10кВ. В
качестве РУ НН на ТЭЦ могут применяться генераторные распределительные
устройство (далее ГРУ), с непосредственным подключением генераторов малой
мощности (до 80МВт), а связь с РУ ВН осуществляется посредствам трансформаторов
связи; либо комплектные распределительные устройство (далее КРУ), получающие
питание отпайкой от блока генератор-трансформатор через токоограничивающие
реактора(для ограничения токов короткого замыкания)
Для первого варианта примем выдачу мощности близлежащим потребителям на
генераторном напряжении от шин ГРУ 10кВ. Для рассматриваемого варианта примем
подключение к шинам ГРУ двух генераторов мощностью 60МВт (число подключаемых
генераторов не менее двух и не более четырех). Также принимаем подключение
одного генератора мощностью 120МВт к РУ ВН по схеме блок генератор
трансформатор. Подключение рабочих трансформаторов собственных нужд (далее
с.н.) ТN1 и ТN2 осуществляется к ГРУ 10кВ,ТN3 - отпайкой от блока генератор -трансформатор. Резервный
трансформатор с.н. подключается отпайкой к трансформатору связи Т2. Структурная
схема первого варианта приведена на рисунке 1.1 .
Для второго варианта принимаем выдачу мощности близлежащим потребителям
от шин КРУ 10кВ. питание КРУ 10кВ получает отпайкой от двух блоков
генератор-трансформатор мощностью 120МВт каждый, через токоограничивающие
реактора. Рабочие трансформаторы с.н. (далее ТСН)ТN1 и ТN2 подключаются
отпайкой от блока, до трансформатора. Резервный ТСН подключается к шинам РУ ВН.
Структурная схема второго варианта приведена на рисунке 1.2 .
Рисунок 1.1 Структурная схема первого варианта
Рисунок 1.2 Структурная схема второго варианта
1.2 Выбор основного оборудования для первого варианта схемы
К основному оборудованию электрической части электростанции относятся
генераторы и силовые трансформаторы.
1.2.1 Выбор генераторы для первого варианта схемы
Принимаемый к установке генератор должен соответствовать следующему
условию:

(1.2)
В качестве турбогенераторов Г1 и Г2 принимаем по [8] табл. 2.1.
генераторы типа ТВФ-63-2У3, Г3 - ТВФ-120-2У3. Это турбогенераторы с водородным
косвенным охлаждением обмоток статора и непосредственным
(фарсированным)охлаждением обмотки ротора; номинальной активной мощностью 63 и
120 МВ·А соответственно; исполнением для умеренного климата внутренней
установки.
Номинальные параметры выбранных турбогенераторов сводим в таблицу 1.1
Таблица 1.1 Параметры турбогенераторов для первого варианта структурной
схемы
|
Обозначение
|
Марка
|
Активная мощность, МВт
|
Полная мощность, МВ*А
|
Номинальное напряжение, кВ
|
Схема соединения обмоток
|
xd’’, о.е.
|
xd’, о.е.
|
xd, о.е.
|
Расчетная ориентировочная цена, у.е.
|
|
Г1,Г2
|
ТВФ-63-2У3
|
63
|
78,75
|
10,5
|
Д/Y
|
0,14
|
-(0,233)
|
-0,253
|
2820
|
|
Г3
|
ТВФ-120-2У3
|
120
|
125
|
10,5
|
Y Y
|
0,205
|
-
|
-
|
5040
|
.2.2 Выбор трансформаторов
Трансформаторами связи называются трансформаторы связывающие РУ разного
напряжения и которые могут в данных условиях работать и как повышающие и как
понижающие. В данном случае трансформаторы связи связывают шины ГРУ 10кВ с
энергосистемой. Для выбора трансформаторов Т1 и Т2 рассмотрим следующие случаи:
Минимум нагрузки на шинах ГРУ с параллельной выдачей избыточной мощности
в энергосистему:

; (1.2)
где
Рг и cosjг
-
номинальная мощность и номинальный коэффициент мощности генераторов;г.н.мин
- минимальная нагрузка шин генераторного напряжения; jср -
средний коэффициент мощности нагрузки, принимается 0,8 - 0,9;сн -
мощность, потребляемая собственными нуждами;
cosjсн - коэффициент мощности собственных
нужд, принимается равным 0,8[7](c.11).
Мощность, потребляемая собственными нуждами:

; (1.3)
где
kс -
коэффициент учитывающий расход на собственные нужды, соответственно равный 7,8%
(из задания по курсовому проекту).
Пропуск
от энергосистемы недостающей мощности на шинах генераторного напряжения в
момент максимальной нагрузки и при отключении одного из наиболее мощных
генераторов определяется:
, (1.4)
где
Pс.макс, cosjс - максимальная нагрузка и коэффициент мощности
потребителей на среднем напряжении (для Uc=35 кВ cosjc
принимается равным 0,9, а для 110-220 кВ - 0,93). В нашем случае Pс.макс,
принимаем равным нулю, так как на проектируемой ТЭЦ выдачи мощнасти на среднем
напряжении не осуществляется.
В
первом случае получим (1.2):

МВ∙А;
Во втором случае из (1.4):

.
В
качестве расчетного принимаем результат первого случая.
При
аварийном отключении одного из двух параллельно работающих трансформаторов или
при одновременном отключении одного генератора и одного трансформатора
(наложение аварий) перегрузка оставшегося в работе трансформатора не должна
превышать 1,4. Следовательно:

(1.5)
Принимаем к установке трансформаторы связи мощностью 80 МВ·А типа
ТД-80000/220-УХЛ1 - трансформатор двухобмоточный с системой охлаждения Д
(дутьем и естественной циркуляцией масла), устройством регулирования напряжения
без нагрузки(ПБВ) в обмотке низкого напряжения, номинальной мощностью 80000кВ·А,
номинальным напряжением обмотки ВН 220кВ, в исполнении для умеренного и
холодного климота открытой установки. Параметры выбранных трансформаторов
приведены в таблице 1.2
Таблица 1.2 Параметры трансформаторов Т1,Т2 и Т3 для первого варианта
схемы
|
Обозначение на схеме
|
Тип Трансформатора
|
Номинальная мощность Sном, МВ·А
|
Номинальное напряжение обмоток, кВ
|
Потери ххPх,
кВт
|
Потери короткого замыкания Pкз, кВт
|
Uk,%
|
Ix,%
|
|
|
|
Uном ВН
|
Uном НН
|
|
|
|
|
|
Т1, Т2
|
ТДН-80000/220-УХЛ1
|
80
|
220
|
10,5
|
79
|
315
|
11
|
0.45
|
|
Т3
|
ТДЦ-125000/220-У1
|
125
|
242
|
10,5
|
120
|
380
|
11
|
0,55
|
Блочный трансформатор осуществляет связь генератора с РУ ВН. Выберем
блочный трансформатор Т3 исходя из условия:

; (1.6)
где
полная мощность отбора на собственные нужды :

=120·0,
078/0,8=11.7 МВ·А. (1.7)
Тогда:

МВ·А.
Принимаем к установке трансформатор номинальной мощностью 125 МВ·А типа
ТДЦ-125000/220-У1.Параметры выбранного трансформатора заносим в таблицу 1.2 .
1.2.3 Выбор трансформаторов собственных нужд
Трансформаторы собственных нужд предназначены для питания устройств и
механизмов обеспечивающих нормальную работу электростанции. На каждый генератор
принимается к установке один трансформатор собственных нужд. Рабочие
трансформаторы собственных нужд (далее ТСН)на не блочной части ТЭЦ получают
питание от шин ГРУ 10 кВ, на блочной - подключаются отпайкой к токоведущим
частям между генератором и блочным трансформатором. Резервный трансформатор
(далее РТСН)получает питание отпайкой от трансформатора связи, за шинами ГРУ.
Расчетным условием для выбора ТСН:
Sном.ТСН≥Рг.ном· kс/соsцсн. (1.8)
Расчетные условия и результаты выбора заносим в таблицу 1.3
Таблица 1.3 расчетные условия и результаты выбора
|
Обозначение ТСН/ расчетные параметры
|
TN1
|
TN2
|
TN3
|
TN4
|
|
Коэффициент СН, kс, %
|
0,078
|
0,078
|
0,078
|
0,078
|
|
Sг.ном· kс., МВ·А
|
6,1425
|
6,1425
|
11,7
|
11,7
|
|
Sном. ТСН, МВ·А
|
10
|
10
|
16
|
16
|
|
Тип трансформатора
|
ТДС-10000/10-У1
|
ТДС-10000/10-У1
|
ТДНС-16000/20-У1
|
ТДНС-16000/20-У1
|
Характеристики выбранных трансформаторов собственных нужд сводим в
таблицу 1.4 .
Таблица 1.4 Характеристики выбранного ТСН
|
Тип трансформатора
|
Номинальная мощность Sном, МВ·А
|
Номинальное напряжение обмоток, кВ
|
Потери хх Pх,
кВт
|
Потери короткого замыкания Pкз, кВт
|
Uk,%
|
Ix,%
|
|
|
Uном ВН
|
Uном НН
|
|
|
|
|
|
ТДНС-10000/10-У1
|
10
|
10,5
|
6,3
|
12
|
60
|
8
|
0.75
|
|
ТДНС-16000/10-У1
|
16
|
10,5
|
6,3
|
17
|
85
|
10
|
0.7
|
Принятые трансформаторы - это двухобмоточные трехфазные силовые
трансформаторы с системой охлаждения Д (дутьем и естественной циркуляцией
масла), предназначенные для установки в сети СН электростанции, мощностью 10 и
16 МВ·А и номинальным напряжением 10 кВ, для открытой установки в условиях
умеренного климата. Со стороны обмотки ВН установлены устройства регулирования
напряжения РПН (регулированием под нагрузкой).
1.3 Выбор основного оборудования для второго варианта схемы
.3.1 Выбор генераторы для второго варианта схемы
Расчетное условие для выбора генераторов см. выше (1.2)
В качестве турбогенераторов Г1 и Г2 принимаем по [8] табл. 2.1.
генераторы типа ТВФ-120-2У3. Это турбогенераторы с водородным косвенным
охлаждением обмоток статора и непосредственным (форсированным) охлаждением
обмотки ротора; номинальной активной мощностью 120 МВ·А; исполнением для
умеренного климата внутренней установки.
Номинальные параметры выбранных турбогенераторов сводим в таблицу 1.5
Таблица 1.5 Параметры турбогенераторов для второго варианта структурной
схемы
|
Обозначение
|
Марка
|
Активная мощность, МВт
|
Полная мощность, МВ·А
|
Номинальное напряжение, кВ
|
Схема соединения обмоток
|
xd’’, о.е.
|
xd’, о.е.
|
xd, о.е.
|
Расчетная ориентировочная цена, у.е.
|
|
Г1,Г2
|
ТВФ-63-2У3
|
63
|
78,75
|
10,5
|
Д/Y
|
0,14
|
-(0,233)
|
-0,253
|
2820
|
|
Г3
|
ТВФ-120-2У3
|
120
|
125
|
10,5
|
Y/ Y
|
0,205
|
-
|
-
|
5040
|
.3.2 Выбор блочных трансформаторов
Блочные
трансформаторы во втором варианте связывает РУ ВН с генераторами и при
отключенном(-ных) генераторе(-ах) могут питать нагрузку КРУ работая в данных
условиях и как повышающие и как понижающие. Выбор трансформаторов Т1 и Т2
осуществим из условия (1.5) -

; (1.9)
где

нагрузка
распределительного устройства КРУ 10кВ
МВ·А;
nг - число генераторов подключенных к КРУ - 2шт. (см.
Рис. 1.2).

МВ·А.
Принимаем к установке трансформаторы мощностью 80 МВ·А типа
ТДЦН-80000/220-УХЛ1 - трансформатор двухобмоточный с системой охлаждения Д
(дутьем и естественной циркуляцией масла), устройством регулирования напряжения
без нагрузки (ПБВ) в обмотке низкого напряжения, номинальной мощностью 80000кВ·А,
номинальным напряжением обмотки ВН 220кВ, в исполнении для умеренного и
холодного климата открытой установки. Параметры выбранных трансформаторов
приведены в таблице 1.6 .
Трансформатор Т3 выбираем исходя из условия:

; (1.10)
гдеSг.ном мощность генератора G3 равная 125МВ·А;
SС.Н мощность отбора на собственные
нужды, см.п 1.2.2 (1.7)
Тогда:

МВ·А.
Принимаем к установке трансформатор номинальной мощностью 125 МВ·А типа
ТДЦ-125000/220-У1.Параметры выбранного трансформатора заносим в таблицу 1.6 .
Таблица 1.6 Параметры трансформаторов Т1 ,Т2 и Т3 для второго варианта
схемы
|
Обозначение на
схеме Наименование параметра
|
Т1, Т2
|
Т3
|
|
ТДН-80000/220-УХЛ1
|
ТДЦ-125000/220-У1
|
|
Номинальная мощностьSном,МВ·А
|
80
|
125
|
|
Номинальное напряжение обмоток, кВ
|
Uном ВН
|
220
|
220
|
|
Uном НН
|
10,5
|
10,5
|
|
Потери ххPх,
кВт
|
79
|
120
|
|
Потери короткого замыкания Pкз, кВт UКЗ ВН-НН, %
|
315
|
380
|
|
Uk,%
|
11
|
11
|
|
Ix,%
|
0,45
|
0,55
|
1.3.3 Выбор трансформаторов собственных нужд
На каждый генератор принимается к установке один трансформатор
собственных нужд. Рабочие ТСН получают питание отпайкой и подключаются между
трансформатором и генератором, за генераторным выключателем. РТСН получает
питание от шин РУ ВН .
Расчетным условием для выбора ТСН принимаем (1.8):
Sном.ТСН≥Рг.ном· kс/соsцсн.
Расчетные условия и результаты выбора заносим в таблицу 1.7 .
Таблица 1.7 Расчетные условия и результаты выбора ТСН
|
Обозначение ТСН/ расчетные параметры
|
TN1
|
TN2
|
TN3
|
TN4
|
|
Коэффициент СН, kс, %
|
0,078
|
0,078
|
0,078
|
0,078
|
|
Sг.ном· kс., МВ·А
|
6,1425
|
6,1425
|
11,7
|
11,7
|
|
Sном.ТСН, МВ·А
|
10
|
10
|
16
|
32
|
|
Тип трансформатора
|
ТДНС-10000/10-У1
|
ТДНС-10000/10-У1
|
ТДНС-16000/20-У1
|
ТРДНС-32000/220-У1
|
Характеристики выбранных трансформаторов собственных нужд сводим в
таблицу 1.8 .
Таблица 1.8 Характеристики выбранного ТСН
|
Тип трансформатора
|
Номинальная мощность Sном, МВ·А
|
Номинальное напряжение обмоток, кВ
|
Потери хх Pх,
кВт
|
Потери короткого замыкания Pкз, кВт
|
Uk, %
|
Ix, %
|
|
|
Uном ВН
|
Uном НН
|
|
ВН-НН
|
|
|
|
ТДНС-10000/10-У1
|
10
|
10,5
|
6,3
|
12
|
60
|
8
|
0.75
|
|
ТДНС-16000/20-У1
|
16
|
10,5
|
6,3
|
17
|
85
|
10
|
0.7
|
|
ТРДНС-32000/220-У1
|
32
|
230
|
6,3
|
45
|
150
|
11,5
|
0.65
|
Принятые трансформаторы - это двухобмоточные трехфазные силовые
трансформаторы с системой охлаждения Д (дутьем и естественной циркуляцией
масла), предназначенные для установки в сети СН электростанции, мощностью 10 и
16 МВ·А и номинальным напряжением10 кВ, для открытой установки в условиях
умеренного климата. Со стороны обмотки ВН установлены устройства регулирования
напряжения РПН (регулированием под нагрузкой).
В качестве резервного трансформатора собственных нужд TN4 принимаем трансформатор наименьшей
номинальной мощности на номинальное напряжение 220кВ - ТДНС-32000/220/6,3-У1.
1.4 Выбор схем распределительных устройств
При выборе схем электроустановок должны учитываться следующие факторы:
значение и роль электростанции для энергосистемы(базисные, пиковые или
несут нагрузку определяемую их тепловыми потребителями - ТЭЦ);
категории потребителей по степени надежности электроснабжения (I-III)
перспектива расширения и промежуточные этапы развития электростанции, ПС
и прилегающей сети (схема должна учитывать возможность увеличения количества
присоединений при развитии энергосистемы, а также поочередный ввод в
эксплуатацию агрегатов и линий крупных объектов строительства энергетики).
Из сложного комплекса предъявляемых условий, влияющих на выбор главной
схемы электроустановки, можно выделить основные требования к схемам:
надежность снабжения потребителей;
приспособленность к проведению ремонтных работ;
оперативная гибкость электрической схемы;
экономическая целесообразность.
Также определяющее значение при выборе схемы распределительных устройств
играет количество присоединений - ЛЭП и трансформаторов
Количество отходящих линий определяется исходя из дальности и передачи и
экономически целесообразных величин передаваемых мощностей:
nЛЭП≥Рmax/Pл; (1.11)
Рассчитаем количество линий к потребителям, подключаемых к РУ НН, с
учетом что Pл=4МВт [7](nтаблица 2.1), нагрузка - Рmax=44МВт по заданию:
nЛЭП≥44/4=11
Принимаем к подключению к КРУ одиннадцать кабельных линий.
Рассчитаем количество линий к потребителям, подключаемых к РУ ВН с учетом
что Pл=100 МВт [7](таблица 2.1), нагрузка - Рmax=180 МВт по заданию:
nЛЭП≥180/100=1,8
Принимаем к подключению к РУ ВН две воздушных линии электропередач.
Вычислим общее количество присоединений nI ВН, nIIВН,к РУ ВН первого и второго вариантов:
n=nЛЭП+nсв+nт.св+nт; (1.12)
где nсв-число линий связи с системой -
принимаем равным 3(по заданию);
nт.св - число трансформаторов связи;
nт- число блочных трансформаторов;
nI ВН=2+3+2+1=8
nII ВН=2+3+4=9
Принимаем в качестве РУ ВН схему с двумя рабочими и одной обходной
системой шин.
Вычислим количество присоединений nIНН, nIIНН, к РУ НН первого и второго
вариантов:
nI НН=2+2+11+2=17
nII НН=4+2+11=17
В качестве РУ НН схему с одной секционированной выключателем системой
шин.
Рисунок 1.3 Главная схема первого варианта
Рисунок 1.4 Главная электрическая схема
мощность генератор трансформатор релейный
2. Выбор и технико-экономическое обоснование главной схемы
электрических соединений
Экономическая целесообразность той или иной схемы определяется
минимальными приведенными затратами, определяемыми для первого и второго
вариантов сети исходя из выражения:
З=рн·К+И+У (2.1)
где К - капиталовложения на сооружение электроустановки, тыс.руб;
определяемые (см. таблицу 2.1) ;
рн - номинальный коэффициент экономической
эффективности, принимаемый 0,12[1]c.396;
И - годовой эксплуатационный расход (издержки), тыс .руб/год.;
У - ущерб от недоотпуска электроэнергии, тыс .руб/год.;.
Капиталовложения на стадии выбора схемы выдачи мощности определяются по
укрупненной стоимости элементов схемы. Сравнительные показатели
капиталовложений в сооружение первого и второго вариантов схем выдачи мощности
приведены в таблице 2.1
Таблица 2.1 Показатели капиталовложений([1] Прил.5, с636-638;[8] табл.
2.1;[5])
|
Наименование оборудования
|
Стоимость единицы, у.е.
|
Варианты
|
|
|
Первый
|
Второй
|
|
|
Кол-во единиц, штук
|
Общая стоимость, у.е.
|
Кол-во единиц, штук
|
Общая стоимость, у.е.
|
|
1.Ячейка ОРУ 220кВ
|
78
|
6
|
1020
|
3
|
510
|
|
2. Ячейка 10кВ:
|
|
|
|
|
|
|
- генератора, трансформатора связи
|
15
|
4
|
60
|
-
|
-
|
|
-генератора в блоке
|
40
|
-
|
-
|
2
|
80
|
|
- секционный выключатель
|
10,7
|
-
|
-
|
2
|
21,4
|
|
- секционный выключатель с реактором
|
21
|
1
|
21
|
-
|
-
|
|
-ячейка КРУ
|
1,9
|
13
|
24,7
|
-
|
-
|
|
- КРУН
|
2,1
|
-
|
-
|
15
|
31,5
|
|
3. Генераторы:
|
|
|
|
|
|
|
- ТВФ-63-2У3
|
2820
|
2
|
5640
|
2
|
5640
|
|
- ТВФ-120-2У3
|
5040
|
1
|
5040
|
1
|
5040
|
|
4.токоограничивающие реакторы
|
14,54
|
4
|
58,16
|
4
|
58,16
|
|
|
5.Трансформаторы:
|
|
|
|
2
|
|
|
|
- ТД-80000/220-УХЛ1
|
123
|
2
|
246
|
1
|
246
|
|
|
- ТДЦ-125000/220-У1
|
186
|
1
|
186
|
|
186
|
|
|
6. ТСН и РТСН:
|
|
|
|
|
|
|
|
ТДНС-10000/10-У1
|
43
|
2
|
640
|
2
|
640
|
|
|
-ТДНС-16000/10-У1
|
57,4
|
2
|
114,8
|
1
|
57,4
|
|
|
- ТРДНС-32000/220-У1
|
119,6
|
-
|
-
|
1
|
119,6
|
|
|
ИТОГО:
|
|
К1=13044,66
|
К2=12630,06
|
|
|
|
|
|
|
|
|
|
|
Годовые эксплуатационные издержки определим по выражению:
И=Иа+Иру=К·(Ра+Ро)/100+в·∆W·10-5 (2.2)
где Раи Ро - отчисления на амортизацию и
обслуживание, равные 6,4 и 3% на напряжение до 150кВ, 6,4 и 2% на 220кВ и выше,
соответственно;[7]c.16
∆W - потеря энергии в кВт·час;
в - стоимость 1кВт·час потерянной энергии, равная 0,8 коп/(кВт·ч)7]c.16.
Определим потери энергии для первого варианта схемы.
Потери энергии в двухобмоточных трансформаторах определим по выражению:

(2.3)
Где Рх - потери холостого хода, (см табл. 1.2);
Рк - потери короткого замыкания(см табл. 1.2);
Smax - максимальная нагрузка трансформатора, МВ·А;
Sном - номинальная мощность
трансформатора, МВ·А(см табл. 1.2);
Т - число часов работы трансформатора, принимаем 8760ч.;
ф - число часов максимальных потерь ф=f(Тм)[6] c.328, принимаем 8760ч.

кВт·ч;

кВт·ч.
Определим суммарные потери энергии для первого варианта
∑ДW=2·ДWТ1+ДWТ3=2·3279667,74+3786012,12=10345347,6=
=10345,35 МВт·ч.
Определим потери энергии в трансформаторах для второго варианта.
Потери энергии в двух обмоточных трансформаторах определим по выражению
(2.3).

кВт·ч;

кВт·ч.
Определим суммарные потери энергии для первого варианта
∑ДW=2·ДWТ1+ДWТ3=2·2456676,3+3786012,12=8699364,72=8699,37МВт·ч.
Определим по (2.2) годовые эксплуатационные издержки для первого и
второго вариантов:
ИI=13044,66·0.094+0,8·10,345·106·10-5=1308,96 тыс.руб;
ИII=12630,06·0.094+0,8·8,699·106·10-5=1256,82тыс.руб.
Рассчитаем приведенные затраты для первого и второго вариантов по
укороченной форме, без учета ущерба от недоотпуска электроэнергии:
ЗI=0,12·13044,66+1308,96=2874,3192тыс.руб;
ЗII=0,12·12630,06+1256,82=2772,43тыс.руб.
Сведем расчетные данные в таблицу 2.2
Таблица 2.2 Технико-экономические показатели
|
Показатель
|
Первый вариант
|
Второй вариант
|
|
Потери энергии∑ДW,кВт·ч
|
10,345·106
|
8,699·106
|
|
Годовые эксплуатационные издержки И, тыс.руб
|
1308,96
|
1256,82
|
|
приведенные затраты З, тыс.руб
|
2874,3192
|
2772,43
|
Определим процентное соотношение приведенных затрат:
д=100% ·(ЗI-
ЗII)/ЗI=100% ·(2874,3192-2772,43)/2874,3192=3,55%
Как видно из результатов расчета второй вариант на 3,55% экономичнее.
Следовательно, для дальнейшего проектирования принимаем второй вариант.
3. Расчет токов короткого замыкания для выбора аппаратов и токоведущих
частей
На рисунке 3.1 приведена схема с расчетными точка короткого замыкания
(далее КЗ).
Рисунок 3.1 схема с расчетными точками КЗ.
3.1 Расчетная схема замещения
Составим расчетную схему замещения схемы представленной на рисунке 3.1.
За базисную мощность принимаем Sб=1000 МВ·А.
Базовое напряжение принимаем- Uб=230кВ.
Система на схеме замещения представляется сопротивлением X*:

=0,22·1000/4400=0,05; (3.1)
где

- удельное
сопротивление системы, равное 0,22 (по заданию на проектирование);
Sб - базисная мощность;
Sн - номинальная мощность системы,
равная 4400 МВ·А;
ЛЭП представлены на схеме замещения своими сопротивлениями:
ХЛЭП1= ХЛЭП2= ХЛЭП3=Худ·lЛЭП· Sб/U2ср.к=91·0,4·1000/2302=0,688 (3.2)
Двухобмоточные трансформаторы вводятся сопротивлением:

; (3.3)
где Uк - напряжение короткого замыкания трансформатора, %;
SномТ - номинальная мощность трансформатора,
МВ·А.

МВ·А

МВ·А
Аналогично
определим сопротивление ТСН:

МВ·А;

МВ·А;

МВ·А;

МВ·А.
Реактор вводится своим сопротивлением:

(3.4)
где
XномLR -
номинальное сопротивление токоограничивающего реактора, Ом;
Uср.н
- среднее
номинальное напряжение принимаем равным 10,5кВ
XР1, XР2 - сопротивления реакторов LR1 и LR2,
соответственно, определим по результатам расчета токов короткого замыкания
перед реактором.
Генераторы вводятся в схему замещения своим сверхпереходным
сопротивлением:

; (3.5)


С
учетом вышеперечисленного расчетная схем принимает вид представленный на
рисунке 3.2.
Рисунок 3.2 Расчетная схема замещения
3.2 Расчет токов короткого замыкания в точке К1
Схема замещения для расчета токов К.З. в точке К1, с учетом допущений
[7], п.3.2 , приведена на рисунке 3.3.
Рисунок 3.3 Схема замещения относительно точки К1
Свернем данную схему относительно точки К1.
Преобразуем параллельно соединенные сопротивления ХЛЭП1, ХЛЭП2,
ХЛЭП3 :
Свернем последовательно соединенные сопротивления XТ1 и XГ1; XТ2 и XГ2; XТ3и XГ3 в X2 , X3, X4, соответственно:
X2= XТ1 + XГ1=1,375+1,778=3,153
X3= XТ2 + XГ2=1,375+1,778=3,153
X4= XТ3+ XГ3=0,88+2,603=3,483
С учетом данных преобразований промежуточная схема замещения принимает
вид представленный на рисунке 3.4
Рисунок
3.4 Промежуточная схема замещения относительно точки К1
Свернем последовательно соединенные сопротивления Xс и X1
в X5 :
X5= Xс + X1=0,05+0,229=0,279
Свернем сопротивления X2
и X3 как параллельное соединение, а генераторы Г1 и Г2
эквивалентируем:

SГ1,Г2=2· SГ1=2·78,75=157,5
МВ·А
Результирующая
схема замещения приведена на рисунке 3.5
Рисунок
3.5 Результирующая схема замещения относительно К1
Определим базисный ток:

кА (3.6)
Определим периодическую составляющую тока короткого замыкания:

; (3.7)
где
Е”i - ЭДС i-го источника. Для системы приравнивается равным 1,
для генераторов мощностью до 100МВт - 1,08; генераторов свыше 100МВт - 1,13
([1] табл. 3.4);
Хрез - результирующее сопротивление ветви;
Периодическая составляющая тока КЗ от системы:

кА;
Периодическая
составляющая токов КЗ ветви с Г1 и Г2:

кА;
Периодическая
составляющая тока КЗ ветви с Г3:

кА;
Суммарный
периодический ток КЗ:
∑Iпо=Iпо с+Iпо
Г1,Г2+IпоГ3=8,994+1,72+0,814=11,528кА (3.8)
Ударный
ток короткого замыкания определяется по выражению:
iуi=√2·Iпоi·kу; (3.9)
kу - ударный коэффициент, зависящий от постоянной
времени затухания апериодической составляющей тока КЗ: kу=(1+е-0,01/Та). Для системы kу с =1,78, Та=0,04с. ; для генераторов Г1 и Г2
kу Г1,Г2=1,935,
Та=0,15с; для ветви с Г3 - kу Г3 =1,965, Та=0,26с ([1] табл. 3.8). Тогда
ударные токи ветвей будут ровны:
iу с=√2·8,994·1,78= 22,647кА
iу Г1,Г2=√2·1,72·1,935= 4,707 кА
iу Г3=√2·0,814·1,965= 2,262 кА
Суммарный
ударный ток:
∑iу=iу с+iу
Г1,Г2+iуГ3=22,647 +4,707 +2,262 =29,616 кА
Данный
по расчету токов КЗ в точке К1 сводим в таблицу 3.2
Аналогичным образом, с использованием вышеприведенных данных, рассчитаем
токи КЗ в остальных точках указанных на рисунке 3.1 . Расчетные данные заносим
в таблицу 3.2 .
3.3 Расчет токов короткого замыкания в точке К5
Для расчета тока короткого замыкания в точке К5 необходимо выбрать
токоограничивающий реактор. Для этого определим номинальный ток реактора:

1,588кА (3.10)
Определим результирующее сопротивление цепи КЗ до установки реактора:

0,089 Ом (3.11)
где
Iп,0 К2 -
суммарный периодический ток КЗ в точке К2 (см. таблицу 3.2);
Uср - среднее номинальное напряжение,
принимаемое равным 10,5 кВ.
Требуемое сопротивление цепи КЗ для обеспечения Iп,0 треб, принимаемого 20 кА:

0,303 Ом (3.12)
Сопротивление ректора выбираем исходя из условия:
Хн.р.≥
=0,303-0,089=0,214
Ом
Принимаем
реактор типа РТОС-10-1600-0,25-У1 реактор токоограничивающий одинарный сухой на
номинальное напряжение Uн=10 кВ,
номинальным током Iн=1600А,
номинальным сопротивлением Хн.р.=0,25 Ом, для установки в
зоне с умеренным климатом, наружной установки.(каталог ООО «КПМ» -
#"871428.files/image054.gif">
17,872кА (3.10)
Ударный ток КЗ за реактором:
iуК5=√2·IпоК5·kу=√2·17,872·1,956=49,439 кА
Выполним проверку выбранного реактора на динамическую стойкость при
сквозном токе КЗ: iд=59 кА≤iу=49,439 кА. Условие выполняется.
Выполним проверку реактора на термическую стойкость:
Вкзав=23,12·6= 3201,66кА2·с
≥Вк расч=Iп,02·(tотк+Та)=26,4722·(1,2+0,23)=
= 1002,097 кА (3.13)
Условие выполняется.
3.4 Сводная таблица расчетных токов короткого замыкания
Таблица 3.3 Результаты расчета токов КЗ
|
Точка КЗ
|
Источник
|
Sн, МВ·А
|
Храсч
|
I*п,0 , кА
|
Iп,0, кА
|
kу
|
iу, кА
|
|
К1
|
Система
|
4400
|
0,249
|
4,016
|
8,994
|
1,78
|
22,647
|
|
Генераторы G1,G2
|
157.5
|
1,577
|
0,685
|
1,72
|
1,935
|
4,707
|
|
Генератор G3
|
125
|
3,483
|
0,324
|
0,814
|
1,965
|
2,262
|
|
Итого:
|
|
|
|
11,528
|
|
29,616
|
|
К2
|
Система
|
4400
|
1,886
|
0,530
|
29,143
|
1,78
|
73,362
|
|
Генераторы G1
|
78,75
|
1,78
|
0,607
|
33,4
|
1,935
|
91,399
|
|
Генераторы G2
|
78,75
|
21,315
|
0,051
|
2,786
|
7,624
|
|
Генератор G3
|
125
|
23,312
|
0,048
|
2,639
|
1,965
|
7,446
|
|
Итого:
|
|
|
|
67,968
|
|
179,831
|
|
К3
|
Система
|
4400
|
1,315
|
0,761
|
41.844
|
1,78
|
105,334
|
|
Генераторы G1,G2
|
157.5
|
7,43
|
0,145
|
7,973
|
1,935
|
21,818
|
|
Генератор G3
|
125
|
2,603
|
0,434
|
23,864
|
1,965
|
66,316
|
|
Итого:
|
|
|
|
73,681
|
|
193,468
|
|
К4
|
Система
|
4400
|
19,702
|
0,051
|
4,651
|
1,78
|
11,971
|
|
Генераторы G1,G2
|
157.5
|
17,143
|
0,063
|
5,773
|
1,935
|
15,798
|
|
Генератор G3
|
125
|
245,72
|
0,005
|
0,421
|
1,965
|
1,1699
|
|
Нагрузка
|
10
|
-
|
-
|
6,667
|
1,65
|
15,556
|
|
Итого:
|
|
|
|
17,512
|
|
44,495
|
|
К5
|
Все ветви
|
|
0,229
|
-
|
17,872
|
1,956
|
49,439
|
|
Итого:
|
17,872
|
|
49,439
|
|
К6
|
Система
|
4400
|
11,819
|
0,09
|
7,754
|
1,78
|
20,1
|
|
Генераторы G1,G2
|
157.5
|
66,971
|
0,016
|
1,478
|
1,935
|
4,044
|
|
Генератор G3
|
125
|
23,44
|
0,048
|
4,418
|
1,965
|
12,277
|
|
Нагрузка
|
16
|
-
|
-
|
10,667
|
1,65
|
24,89
|
|
Итого:
|
|
|
|
24,317
|
|
61,311
|
|
К7
|
Система
|
4400
|
8,744
|
0,114
|
10,481
|
1,855
|
27,495
|
|
Генераторы G1,G2
|
157.5
|
49,362
|
0,022
|
2,006
|
1,935
|
5,487
|
|
Генератор G3
|
125
|
108,75
|
0,01
|
0,952
|
1,965
|
2,646
|
|
Нагрузка
|
40
|
-
|
-
|
26,667
|
1,65
|
62,226
|
|
Итого
|
|
|
|
40,105
|
|
97,854
|
4. Выбор электрических аппаратов
.1 Выбор электрических аппаратов на напряжение 220кВ
Выбор выключателя и разъединителей в цепи трансформатор Т3-шины 220кВ
Определим токи продолжительного режима:

А; (4.1)

А. (4.2)
где SТ - номинальная мощность автотрансформаторов из таблицы
1.6
Принимаем выключатель 3AP1FG-245/EK колонковый на номинальное напряжение 245кВ номинальным током
1600А, номинальным током отключения 31,5кА, для открытой установки в условиях
умеренного климата Номинальные параметры заносим в таблицу 4.1 .
Таблица 4.1 Параметры выключателя 3AP1FG-245/EK
|
Uном, кВ
|
Iном, А
|
Iотк, кА
|
в %
|
Iдин, кА
|
Iдин, кА
|
Iтерм, кА
|
tтерм, с
|
tотк, с
|
tcв, с
|
|
220
|
1600
|
31,5
|
33
|
31,5
|
135
|
31,5
|
2
|
0,037
|
0,058
|
Выбираем разъединитель марки РГН-220/1000-УХЛ1 для открытой установки в
условиях .умеренного и холодного климата. Его параметры заносим в таблицу 4.2 .
Таблица 4.2 Номинальные параметры разъединителя РГН-220/1000-УХЛ1
|
Uном,кВ
|
Iном, А
|
𝑖дин, кА
|
Iтерм/ tтерм,
кА/с
|
Iтерм/ tтерм,
(заземляющих ножей), кА/с
|
|
220
|
1000
|
80
|
31,5/3
|
31,5/1
|
Определим апериодическую составляющую тока КЗ. Для этого определим
расчетное время продолжительности КЗ:
ф=tотк+tрз, (4.3)
где tрз - время срабатывания релейной защиты
(принимаем 0,01с);
tотк - собственное время отключения
выключателя из таблицы 4.1;
ф=0,037+0,01=0, 047с

, (4.4)
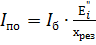
где Та принимаем из таблицы 3.8[1].2и Iпо принимаем из таблицы 3.3

0,960798515
кА

0,751+
+9,298=10,049 кА
Определяем периодическую составляющую тока в произвольный момент времени.
Для этого определяем номинальный ток ветви приведенной к той ступени где
рассматривается точка КЗ - точка К1 (Рис 3.3):

кА . (4.5)
Тогда отношение Iпо
с/I’ном с=8,994/11,045=0,814. Так как
отношение Iпо/I’ном<1, то Iпф с=Iпо=8.994(кА).

кА .
Тогда
отношение Iпо Г1-2/I’ном Г1-2=
=1,72/0,395=4,351. Так как отношение Iпо/I’ном>1, то IпфГ1-2=k·Iпо=0.88·1.72=
=1,5136 кА.
Iпф∑= Iпф с + IпфГ1-2=8,994+1,5136=10,508 кА
Определим
тепловой импульс:

кА2·с,
(4.6)

кА2·с,
Вк∑=Вк
с+Вк Г1-2=7,038+0,583= 7,62 кА2·с.
где Та и Iпо принимаем из таблица 3.8[1] и таблицы
3.3(см.выше), соответственно.
Номинальное допускаемое значение апериодической составляющей в
отключаемом токе времени t:

кА;(4.7)
где

-
номинальный ток отключения, принимаемый из таблицы 4.1;

-
нормированное содержание апериодической составляющей тока из [1] рис. 4.54
с.296 .
Все расчетные и каталожные величины выбора аппаратов заносим в таблицу
4.3 .
Таблица 4.3 Расчетные и каталожные данные по выбору оборудования
|
Условие выбора
|
Расчетные данные
|
Каталожные данные
|
|
|
3AP1FG-245/EK
|
РГН-220
|
|
Uуст≤ Uном
|
Uуст=220кВ
|
Uном=245кВ
|
Uном=220 кВ
|
|
Imax ≤ Iном
|
Imax=459,256 А
|
Iном=1600 А
|
Iном=1000 А
|
|
Iпф≤ Iотк
|
Iпф=10,508
кА
|
Iотк=31,5кА
|
-
|
|
 Iпф +iаф≤а.ном Iпф +iаф=24,909кАа.ном=59,249 кА-
|
|
|
|
|
Iпо ≤ Iдин
|
Iпо=11,574 кА
|
Iдин=31,5 кА
|
-
|
|
уд ≤ дин
|
у=26,709 кА
|
дин=135 кА
|
дин=80 кА
|
|
Вк≤ I2терм*
tтерм
|
Вк=7,62 кА2*с
|
I2терм* tтерм =1984,5 кА2*с
|
I2терм* tтерм=2976,75кА2*с
|
Выбор выключателя и разъединителей в цепи трансформатор Т1-шины 220 кВ
Определим токи продолжительного режима по (4.1) и (4.2):

А;

А.
где SТ - номинальная мощность автотрансформаторов из таблицы
1.6
Принимаем выключатель 3AP1FG-245/EK колонковый на номинальное напряжение 245кВ номинальным током
1600А, номинальным током отключения 31,5кА, для открытой установки в условиях
умеренного климата Номинальные параметры заносим в таблицу 4.4 .
Таблица 4.4 Параметры выключателя 3AP1FG-245/EK
|
Uном, кВ
|
Iном, А
|
Iотк, кА
|
в %
|
Iдин, кА
|
дин, кА
|
Iтерм, кА
|
tтерм, с
|
tотк, с
|
tcв, с
|
|
220
|
1600
|
31,5
|
33
|
31,5
|
135
|
31,5
|
2
|
0,037
|
0,058
|
Выбираем разъединитель марки РГН-220/1000-УХЛ1 для открытой установки в
условиях умеренного и холодного климата. Его параметры заносим в таблицу 4.5 .
Таблица 4.5 Номинальные параметры разъединителя РГН-220/1000-УХЛ1
|
Uном, кВ
|
Iном, А
|
дин, кА
|
Iтерм/ tтерм,
кА/с
|
Iтерм/ tтерм,
(заземляющих ножей), кА/с
|
|
220
|
1000
|
80
|
31,5/3
|
31,5/1
|
Расчет условий выбора аппаратов аналогичен приведенным выше. Все
расчетные и каталожные величины выбора аппаратов заносим в таблицу 4.6
Таблица 4.6 Расчетные и каталожные данные по выбору оборудования
|
Условие выбора
|
Расчетные данные
|
Каталожные данные
|
|
|
3AP1FG-245/EK
|
РГН-220
|
|
Uуст≤ Uном
|
Uуст=220кВ
|
Uном=245кВ
|
Uном=220 кВ
|
|
Imax ≤ Iном
|
Imax=293,92А
|
Iном=1600 А
|
Iном=1000 А
|
|
Iпф≤ Iотк
|
Iпф=10,508
кА
|
Iотк=31,5кА
|
-
|
|
 Iпф +iаф ≤а.ном Iпф +iаф=20,639кАа.ном=59,249 кА-
|
|
|
|
|
Iпо ≤ Iдин
|
Iпо=10,573 кА
|
Iдин=31,5 кА
|
-
|
|
уд ≤ дин
|
уд=27,693 кА
|
дин=135 кА
|
дин=80 кА
|
|
Вк≤ I2терм*
tтерм
|
Вк=7,387 кА2*с
|
I2терм* tтерм=1984,5кА2*с
|
I2терм*tтерм=2976,75кА2*с
|
Выбираем выключатели в ячейках присоединений ВЛ1-3
Определим токи продолжительного режима:

А; (4.8)

А. (4.9)
где SТЭЦ-с - мощность передаваемая от ТЭЦ в
энергосистему равная 16 МВ·А;
Sс-ТЭЦ - мощность перетока от энергосистемы
потребителям 220/10 кВ, в режиме максимальных нагрузок, равная 224 МВ·А.
Принимаем к установке выключатели и разъединители типов, аналогичных выше
указанным (смотри таблицу 4.1 и 4.2).
Расчет условий выбора аппаратов аналогичен приведенным выше. Все
расчетные и каталожные величины выбора аппаратов заносим в таблицу 4.7 .
Таблица 4.7 Расчетные и каталожные данные по выбору оборудования
|
Условие выбора
|
Расчетные данные
|
Каталожные данные
|
|
|
3AP1FG-245/EK
|
РГН-220
|
|
Uуст≤ Uном
|
Uуст=220кВ
|
Uном=245кВ
|
Uном=220 кВ
|
|
Imax ≤ Iном
|
Imax=587,848 А
|
Iном=1600 А
|
Iном=1000 А
|
|
Iпф≤ Iотк
|
Iпф=8,994
кА
|
Iотк=31,5кА
|
-
|
|
 Iпф +iаф ≤а.ном Iпф +iаф =22,017кА𝑖а.ном=59,249 кА-
|
|
|
|
|
Iпо ≤ Iдин
|
Iпо=8,994 кА
|
Iдин=31,5 кА
|
-
|
|
уд ≤ дин
|
уд=22,647 кА
|
дин=135 кА
|
дин=80 кА
|
|
Вк≤ I2терм*tтерм
|
Вк=7,038 кА2*с
|
I2терм*tтерм=1984,5кА2*с
|
I2терм*tтерм=2976,75кА2*с
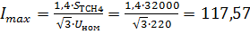
Определим токи продолжительного режима по (4.1) и (4.2):
 А;
 А;
где SТСН4 -мощность пускорезервного
трансформатора СН 32 МВ·А.
Принимаем к установке выключатели и разъединители типов, аналогичных выше
указанным (смотри таблицу 4.1 и 4.2).
Расчет условий выбора аппаратов аналогичен приведенным выше. Все
расчетные и каталожные величины выбора аппаратов заносим в таблицу 4.8 .
Таблица 4.8 Расчетные и каталожные данные по выбору оборудования
|
Условие выбора
|
Расчетные данные
|
Каталожные данные
|
|
|
3AP1FG-245/EK
|
РГН-220
|
|
Uуст≤ Uном
|
Uуст=220кВ
|
Uном=245кВ
|
Uном=220 кВ
|
|
Imax ≤ Iном
|
Imax=117,57 А
|
Iном=1600 А
|
Iном=1000 А
|
|
Iпф≤ Iотк
|
Iпф=11,289
кА
|
Iотк=31,5кА
|
-
|
|
 Iпф +iаф а.ном Iпф +iаф =22,633кАа.ном=59,249 кА-
|
|
|
|
|
Iпо ≤ Iдин
|
Iпо=11,528кА
|
Iдин=31,5 кА
|
-
|
|
уд ≤ дин
|
уд=29,616кА
|
дин=135 кА
|
дин=80 кА
|
|
Вк≤ I2терм*
tтерм
|
Вк=7,04кА2*с
|
I2терм* tтерм=1984,5кА2*с
|
I2терм*tтерм=2976,75кА2*с
|
Выбор аппаратов в ячейках шина соединительного и обходного выключателя
Обходной выключатель должен иметь возможность заменить выключатель
наиболее мощного присоединения, для сохранения питания присоединения при выводе
в ремонт (плановый, внеплановый или послеаварийный). Наиболее мощным
присоединением при определенных условиях может являться одно из присоединений к
энергосистеме. В соответствии с этим номинальный ток обходного выключателя
должен быть больше максимального тока присоединения ячейки системы,
определенного по формуле 4.9:
Номинальный ток шина соединительного выключателя принимаем равным на
порядок больше Imax=
587,848А≤ Iном
Принимаем к установке выключатели и разъединители типов, аналогичных выше
указанным (смотри таблицу 4.1 и 4.2).
Расчет условий выбора аппаратов аналогичен приведенным выше. Все
расчетные и каталожные величины выбора аппаратов заносим в таблицу 4.9 .
Таблица 4.9 Расчетные и каталожные данные по выбору оборудования
|
Условие выбора
|
Расчетные данные
|
Каталожные данные
|
|
|
3AP1FG-245/EK
|
РГН-220
|
|
Uуст≤ Uном
|
Uуст=220кВ
|
Uном=245кВ
|
Uном=220 кВ
|
|
Imax ≤ Iном
|
Imax=587,848 А
|
Iном=1600 А
|
Iном=1000 А
|
|
Iпф≤ Iотк
|
Iпф=11,289
кА
|
Iотк=31,5кА
|
-
|
|
 Iпф +iаф ≤а.ном Iпф +iаф=26,975кА𝑖а.ном=59,249 кА-
|
|
|
|
|
Iпо ≤ Iдин
|
Iпо=11,528 кА
|
Iдин=31,5 кА
|
-
|
|
уд ≤ дин
|
уд=29,616 кА
|
дин=135 кА
|
дин=80 кА
|
|
Вк≤ I2терм*
tтерм
|
Вк=6,229 кА2*с
|
I2терм*tтерм=1984,5кА2*с
|
I2терм*tтерм=2976,75кА2*с
|
4.2 Выбор электрических аппаратов на напряжение 10кВ
Выбор генераторного выключателя и разъединителя в цепи генератора Г1
Определим токи продолжительного режима - нормального и максимального
режима, соответственно:
 кА; (4.10)
 кА; (4.11)
где
- SГ1=
78,75МВ·А - номинальная полная мощность генератора Г1;
0,95
- коэффициент учитывающий 5%-е снижение напряжения в сети генератора.
Принимаем
к установке генераторный элегазовый выключатель HVR-63XS
[12] и разъединитель в цепи генераторного выключателя типа РВЗ-20/6300-УХЛ3[1].
Каталожные данные заносим в таблицы 4.10 и 4.11 , соответственно
Таблица 4.10 Параметры выключателя HVR-63XS
|
Uном,кВ
|
Iном, А
|
Iотк, кА
|
в %
|
Iдин, кА
|
дин, кА
|
Iтерм, кА
|
tтерм, с
|
tотк, с
|
tcв, с
|
|
24
|
6300
|
31,5
|
33
|
63
|
190
|
63
|
3
|
0,039
|
-
|
Таблица 4.11 Номинальные параметры разъединителя РВЗ-20/6300-УХЛ3
|
Uном,кВ
|
Iном, А
|
дин, кА
|
Iтерм/ tтерм,
кА/с
|
Iтерм/ tтерм,
(заземляющих ножей), кА/с
|
|
20
|
6300
|
220
|
80/3
|
80/1
|
Определим апериодическую составляющую тока КЗ по (4.4), где - Та
принимаем из таблицы 3.8[1]; Iпо - принимаем из таблицы 3.3 для точки
К2 (см. выше). Для этого определим расчетное время продолжительности КЗ по
(4.3):
ф=tотк+tрз,
где tрз - время срабатывания релейной защиты
(принимаем 0,01с);
tотк - собственное время отключения
выключателя из таблицы 4.11;
ф=0,039+0,01=0, 049с
 34,072
кА;

,842+3,0911+29,729=35,66203кА
Дальнейший
расчет будем вести принимая точку короткого до выключателя за выводами
генератора.
Определяем периодическую составляющую тока в произвольный момент времени.
Для этого определяем по (4.5) номинальный ток ветви приведенной к той ступени
где рассматривается точка КЗ - точка К2 (Рис3.3):
 кА.
Тогда отношение Iпо
с/I’ном с= 29,143/241,937=0,121. Так как
отношение Iпо/I’ном<1, то Iпф с=Iпос=29,143(кА).
 кА .
Тогда отношение Iпо Г2/I’ном Г2=
=2,786/4,33=0,64. Так как отношение Iпо/I’ном<1, то Iпф с=Iпос=2,786кА
 кА .
Тогда отношение Iпо Г3/I’ном Г3=
=2,639/6,873=0,384. Так как отношение Iпо/I’ном <1, то Iпф с=Iпос=2,639кА
Iпф∑= Iпф с + IпфГ2+ IпфГ3=29,143+2,786+2,639=34,568 кА
Определим тепловой импульс по (4.6):
 1,545кА2·с,
 2,152кА2·с,
 169,014
кА2·с,
Вк∑=Вк с+Вк Г2+ Вк Г3=169,014+1,545+2,152=172,71кА2·с.
где Та и Iпо принимаем из таблица 3.8[1] и
таблицы 3.3(см.выше), соответственно.
Номинальное допускаемое значение апериодической составляющей в
отключаемом токе времени t по
(4.7):
 (кА)
Все расчетные и каталожные величины выбора аппаратов заносим в таблицу
4.12 .
Таблица 4.12 Расчетные и каталожные данные по выбору оборудования
|
Условие выбора
|
Расчетные данные
|
Каталожные данные
|
|
|
HVR-63XS
|
РВЗ-20
|
|
Uуст≤ Uном
|
Uуст=10кВ
|
Uном=24кВ
|
Uном=20 кВ
|
|
Imax ≤ Iном
|
Imax=4786 А
|
Iном=6300 А
|
Iном=6300А
|
|
Iпф≤ Iотк
|
Iпф=34,568
кА
|
Iотк=63кА
|
-
|
|
 Iпф +iаф ≤ а.ном Iпф +iаф =70,23кА𝑖а.ном=117,606кА-
|
|
|
|
|
Iпо ≤ Iдин
|
Iпо=34,568кА
|
Iдин=63 кА
|
-
|
|
уд ≤ дин
|
уд=91,399 кА
|
дин=190 кА
|
𝑖дин=220 кА
|
|
Вк≤ I2терм*
tтерм
|
Вк=172,71кА2*с
|
I2терм*tтерм=108300кА2*с
|
I2терм*tтерм=19200кА2*с
|
Выбор генераторного выключателя и разъединителя в цепи генератора Г2
В силу симметрии схемы и идентичности параметров генераторов Г1 и Г2 и трансформаторов
в их цепях, все расчеты по выбору аппаратов в цепи Г2 идентичны расчетам для
Г1, приведенным выше.
Выбор вводного и секционного выключателя КРУН-10кВ
Определим токи продолжительного режима.
Максимальный продолжительный ток можно определить по (3.10):
 1,588кА
Принимаем
к установке вакуумный выключатель ВВ/TEL-10-20/1600-У2, номинальным током
1600А, на номинальное напряжение 10кВ. Параметры выключателя сводим в таблице
4.13
Таблица 4.13 Параметры выключателя ВВ/TEL-10-20/1600-У2,
|
Uном,кВ
|
Iном, А
|
Iотк, кА
|
в %
|
Iдин, кА
|
𝑖дин, кА
|
Iтерм, кА
|
tтерм, с
|
tотк, с
|
tcв, с
|
|
10
|
1600
|
20
|
47
|
20
|
51
|
20
|
3
|
0,025
|
0,055
|
Проверим выбранный выключатель на стойкость к токам короткого замыкания.
Определим апериодическую составляющую тока КЗ по (4.4), где - Та
принимаем из таблицы 3.8[1]; Iпо - из таблицы 3.3 для точки К5 (см.
выше). Для этого определим расчетное время продолжительности КЗ по (4.3):
ф=tотк+tрз,
где tрз - время срабатывания релейной защиты
(принимаем 0,01с);
tотк - собственное время отключения
выключателя из таблицы 4.13;
ф=0,025+0,01=0, 035с
 21,707кА;
Определяем периодическую составляющую тока в произвольный момент времени.
Для этого определяем по (4.5) номинальный ток ветви приведенной к той ступени
где рассматривается точка КЗ - точка К2 (Рис. 3.3):
 кА.
Тогда отношение Iпо
с/I’ном с= 17,872/257,471=0,069. Так как
отношение Iпо/I’ном<1, то Iпф с=Iпос=17,872(кА).
Определим тепловой импульс по (4.6):
 84,643кА2·с,
где
Та и Iпо
принимаем из таблица 3.8[1] и таблицы 3.3(см.выше), соответственно.
Номинальное допускаемое значение апериодической составляющей в
отключаемом токе времени t по
(4.7):
 (кА)
Все расчетные и каталожные величины выбора аппаратов заносим в таблицу
4.14 .
Таблица 4.14 Расчетные и каталожные данные по выбору оборудования
|
Условие выбора
|
Расчетные данные
|
Каталожные данные ВВ/TEL-10-20/1600-У2
|
|
Uуст≤ Uном
|
Uуст=10кВ
|
Uном=10кВ
|
|
Imax ≤ Iном
|
Imax=1588 А
|
Iном=1600 А
|
|
Iпф≤ Iотк
|
Iпф=17,872
кА
|
Iотк=20кА
|
|
 Iпф +iаф ≤ iа.ном Iпф +iаф =46,982кАа.ном=41,578кА
|
|
|
|
Iпо ≤ Iдин
|
Iпо=17,872кА
|
Iдин=20 кА
|
|
уд ≤ дин
|
у=49,439 кА
|
дин=51 кА
|
|
Вк≤ I2терм*
tтерм
|
Вк=84,643кА2*с
|
I2терм* tтерм =1200 кА2*с
|
Выбор выключателей линий нагрузки КРУН-10кВ
Определим токи продолжительного режима.
Максимальный продолжительный ток можно определить по (3.10):
 288,675А
Принимаем
к установке вакуумный выключатель ВВ/TEL-10-20/630-У2, номинальным током 630А,
на номинальное напряжение 10кВ. Параметры выключателя сводим в таблице 4.15
Таблица 4.15 Параметры выключателя ВВ/TEL-10-20/630-У2,
|
Uном,кВ
|
Iном, А
|
Iотк, кА
|
В,%
|
Iдин, кА
|
𝑖дин, кА
|
Iтерм, кА
|
tтерм, с
|
tотк, с
|
tcв, с
|
|
10
|
630
|
20
|
47
|
20
|
51
|
20
|
3
|
0,025
|
0,055
|
Проверим выбранный выключатель на стойкость к токам короткого замыкания.
Расчет условий выбора аналогичен приведенным выше. Все расчетные и каталожные
величины выбора аппаратов заносим в таблицу 4.16.
Таблица 4.16 Расчетные и каталожные данные по выбору оборудования
|
Условие выбора
|
Расчетные данные
|
Каталожные данные ВВ/TEL-10-20/630-У2
|
|
Uуст≤ Uном
|
Uуст=10кВ
|
Uном=10кВ
|
|
Imax ≤ Iном
|
Imax=288,675 А
|
Iном=630 А
|
|
Iпф≤ Iотк
|
Iпф=17,872
кА
|
Iотк=20кА
|
|
 Iпф +iаф ≤ iа.ном  Iпф +iаф =46,982кАIа.ном=41,578кА
|
|
|
|
Iпо ≤ Iдин
|
Iпо=17,872кА
|
Iдин=20 кА
|
|
𝑖уд ≤ 𝑖дин
|
Iуд=49,439 кА
|
Iдин=51 кА
|
|
Вк≤ I2терм*
tтерм
|
Вк=84,643кА2*с
|
I2терм* tтерм =1200 кА2*с
|
4.3 Выбор электрических аппаратов на напряжение 6,3кВ в цепи
собственных нужд электростанции
Выбор выключателя в цепи трансформатора собственных нужд ТСН №4
(пускорезервный)
Определим токи продолжительного режима
 1466,29А  2052,8А
Принимаем
к установке вакуумный выключатель VD-4 12, номинальным током 2500А,
на номинальное напряжение 12кВ. Параметры выключателя сводим в таблице 4.16
Таблица 4.16 Параметры выключателя VD-4 12,
|
Uном,кВ
|
Iном, А
|
Iотк, кА
|
В,%
|
Iдин, кА
|
дин, кА
|
Iтерм, кА
|
tтерм, с
|
tотк, с
|
tcв, с
|
|
12
|
2500
|
31.5
|
25
|
31.5
|
80
|
31.5
|
3
|
0,05
|
0,06
|
Проверим выбранный выключатель на стойкость к токам короткого замыкания.
Определим апериодическую составляющую тока КЗ, где - Та
принимаем из таблицы [1]c.178;
Iпо - принимаем из таблицы 3.3 для точки
К7 (см. выше). Для этого определим расчетное время продолжительности КЗ по
(4.3):
ф=tотк+tрз,
где - tрз - время срабатывания релейной защиты
(принимаем 0,01с);
tотк - собственное время отключения
выключателя из таблицы 4.13;
ф=0,05+0,01=0, 06с
 8.415 кА;
Определяем периодическую составляющую тока в произвольный момент времени.
 11,317
кА;
Определим тепловой импульс по (4.6):
 84,643кА2·с,
где
Та и Iпо
принимаем из таблица [1] с.176 и таблицы 3.3(см.выше), соответственно.
Номинальное допускаемое значение апериодической составляющей в
отключаемом токе времени t по
(4.7):
 (кА)
Все расчетные и каталожные величины выбора аппаратов заносим в таблицу
4.17.
Таблица 4.17 Расчетные и каталожные данные по выбору оборудования
|
Условие выбора
|
Расчетные данные
|
Каталожные данные VD-4 12
|
|
Uуст≤ Uном
|
Uуст=10кВ
|
Uном=12кВ
|
|
Imax ≤ Iном
|
Imax=2052,8А
|
Iном=2500 А
|
|
Iпф≤ Iотк
|
Iпф=11,317 кА
|
Iотк=31.5кА
|
|
 Iпф +iаф ≤ iа.ном Iпф +iаф =24,42кАа.ном=55,685кА
|
|
|
|
Iпо ≤ Iдин
|
Iпо=26,667кА
|
Iдин=31.5 кА
|
|
уд ≤ дин
|
уд=62,226кА
|
дин=80
кА
|
|
Вк≤ I2терм*
tтерм
|
Вк=92,447кА2*с
|
I2терм* tтерм =2976,75 кА2*с
|
Выбор выключателя в цепи трансформатора собственных нужд ТСН №3
Определим токи продолжительного режима
 1466,29 А
 2052,8 А
Таблица 4.18 Параметры выключателя VD-4 12,
|
Uном,кВ
|
Iном, А
|
Iотк, кА
|
В,%
|
Iдин, кА
|
𝑖дин, кА
|
Iтерм, кА
|
tтерм, с
|
tотк, с
|
tcв, с
|
|
12
|
2500
|
31.5
|
25
|
31.5
|
80
|
31.5
|
3
|
0,05
|
0,06
|
Проверим выбранный выключатель на стойкость к токам короткого замыкания.
Расчет условий выбора аналогичен приведенным выше. Все расчетные и каталожные
величины выбора аппаратов заносим в таблицу 4.19.
Таблица 4.19 Расчетные и каталожные данные по выбору оборудования
|
Условие выбора
|
Расчетные данные
|
Каталожные данные VD-4 12
|
|
Uуст≤ Uном
|
Uуст=10кВ
|
Uном=12кВ
|
|
Imax ≤ Iном
|
Imax=2052,8А
|
Iном=2500 А
|
|
Iпф≤ Iотк
|
Iпф=11,317 кА
|
Iотк=31.5кА
|
|
 Iпф +iаф ≤ iа.ном Iпф +iаф =27,15кА𝑖а.ном=55.685кА
|
|
|
|
Iпо ≤ Iдин
|
Iпо=13,65кА
|
Iдин=31.5 кА
|
|
𝑖уд ≤ 𝑖дин
|
𝑖уд=36,421 кА
|
𝑖дин=80 кА
|
|
Вк≤ I2терм·
tтерм
|
Вк=12,116кА2·с
|
I2терм· tтерм =2976,75 кА2·с
|
Выбор выключателя в цепи трансформатора собственных нужд ТСН №1
Определим токи продолжительного режима
 916,428 А
 1283,001
А
Принимаем
к установке вакуумный выключатель ВВ/TEL-10-20/1600-У2, номинальным током
1600А, на номинальное напряжение 10кВ. Параметры выключателя сводим в таблице
4.20
Таблица 4.20 Параметры выключателя ВВ/TEL-10-20/1600-У2,
|
Uном,кВ
|
Iном, А
|
Iотк, кА
|
В,%
|
Iдин, кА
|
Iдин, кА
|
Iтерм, кА
|
tтерм, с
|
tотк, с
|
tcв, с
|
|
10
|
1600
|
20
|
47
|
20
|
51
|
20
|
3
|
0,025
|
0,055
|
Проверим выбранный выключатель на стойкость к токам короткого замыкания.
Все расчетные и каталожные величины выбора аппаратов заносим в таблицу 4.21.
Таблица 4.21 Расчетные и каталожные данные по выбору оборудования
|
Условие выбора
|
Расчетные данные
|
Каталожные данные ВВ/TEL-10-20/1600-У2
|
|
Uуст≤ Uном
|
Uуст=10кВ
|
Uном=10кВ
|
|
Imax ≤ Iном
|
Imax=1283,001 А
|
Iном=1600 А
|
|
Iпф≤ Iотк
|
Iпф=10,845
кА
|
Iотк=20кА
|
|
 Iпф +iаф ≤ iа.ном Iпф +iаф =24,371кАа.ном=41,578кА
|
|
|
|
Iпо ≤ Iдин
|
Iпо=10,845кА
|
Iдин=20 кА
|
|
уд ≤ дин
|
уд=28,939 кА
|
дин=51 кА
|
|
Вк≤ I2терм·
tтерм
|
Вк=7,624кА2·с
|
I2терм· tтерм =1200 кА2·с
|
4.4 Выбор ограничителей перенапряжений
Ограничители перенапряжений (далее ОПН) применяются для защиты
оборудования от набегающих волн грозовых и коммутационных перенапряжений.
Принимаемые к установке ОПН приведены в таблице 4.22
Таблица 4.22 Ограничители перенапряжений
|
Класс напряжения
|
6кВ
|
10кВ
|
220кВ
|
|
Условие выбора
|
Uн.р.≤ Uном
|
|
|
|
6,3≤7,2
|
|
|
|
Тип
|
ОПНп-6/7,2/10/850-IIIУХЛ1
|
ОПНп-10/10,5/10/850-IIIУХЛ1
|
ОПНп-220/156/10/850-IIIУХЛ1
|
|
Характеристики
|
|
Наибольшее длительно допустимое напряжение, кВ
|
7,2
|
10,5
|
156
|
|
Номинальный разрядный ток, кА
|
10
|
10
|
10
|
|
Пропускная способность на прямоугольном импульсе тока
2000мкс. А
|
850
|
850
|
850
|
. Выбор токоведущих частей (токопроводы генераторов и трансформаторов,
шины распределительных устройств всех напряжений)
.1 Выбор проводников на напряжение 10кВ
В соответствии с ПУЭ п1.3.28 сборные шины и ошиновка в пределах РУ по
экономической плотности не выбираются, поэтому выбор производится по
допустимому току.
Выбор проводников в цепи генератора Г1
Токи продолжительного режима определены по формулам (4.10), (4.11).
Принимаем к установке от выводов генератора до фасадной стены главного
корпуса токоведущие части выполненные комплектным по фазно-экранированным
токопроводом. По [5] табл.9.13 с.540 выбираем ГРТЕ-10-8550-250 на номинальное
напряжение 10,5 кВ, номинальный ток 5140 А, электродинамическая стойкость 250
кА.
Проверяем
токопровод: Imax=4786 Iном=5140
А, iУ=179,831 iдин=250 кА.
Выбор проводников в цепи генератора Г3
Токи продолжительного режима определим по формулам (4.10), (4.11):
 кА;  кА;
Принимаем
к установке от выводов генератора до фасадной стены главного корпуса
токоведущие части выполненные комплектным по фазно-экранированным токопроводом.
По [5] табл.9.13 с.540 выбираем ГРТЕ-10-8550-250 на номинальное напряжение 10,5
кВ, номинальный ток 8550 А, электродинамическая стойкость 250 кА.
Проверяем
токопровод: Imax=7597А Iном=8550А,
iУ=193,468кА iдин=250 кА.
Выбор
проводников реактор - КРУН-10кВ
Токи продолжительного режима определен по формуле :
 1,588кА
Принимаем
выполнение связи реактора с КРУН-10кВ гибкими проводниками марки АС сечением
400/22 мм2 - два в фазе.
Так как шины расположены на открытом воздухе, то на термическую стойкость
не проверяем.
Так как Iпо<20кА (Iпо=17,872кА), то на схлестывание не проверяем.
Так как номинальное напряжение менее 35кВ, то по условию короны проверку
не производим.
5.2 Выбор проводников на напряжение 6кВ ТСН - РУ СН
В качестве проводников от трансформаторов собственных нужд до
распределительных устройств собственных нужд принимаем кабели на напряжение 6кВ
с прокладкой в воздухе. Токи продолжительного режима определим по формулам:
 ; (5.1)
 ; (5.2)
Расчетные условия и параметры выбранного кабеля сводим в табл. 5.1
Таблица 5.1 Выбор кабелей 6 кВ
|
Участок Параметр
|
Расчетные данные
|
ТСН№1 - РУ СН
|
ТСН№2 - РУ СН
|
ТСН№3 - РУ СН
|
РТСН - РУ СН
|
|
Iнорм, А
|
|
962,25
|
962,25
|
1539,6
|
3079,2
|
|
Марка кабеля
|
|
АПвПу2г-1х500/35-6
|
АПвПу2г1х500/35-6
|
АПвПу2г1х500/35-6
|
АПвПу2г1х630/35-6
|
|
Uном≥Uсети ном
|
6кВ
|
6кВ
|
6кВ
|
6кВ
|
6кВ
|
|
qэ=Iнорм/Jэ≤qном
|
601,4
|
2х500
|
|
|
|
|
601,4
|
|
2х500
|
|
|
|
962,25
|
|
|
3х500
|
|
|
1620,63
|
|
|
|
5х630
|
|
Imax≤ Iдоп=k1·k2·Iдоп
норм.
|
1347,15
|
2·0,92·822=1512,48
|
|
|
|
|
1347,15
|
|
1512,48
|
|
|
|
2155,44
|
|
|
2268,72
|
|
|
4310,88
|
|
|
|
4388,4
|
Jэ - экономическая плотность тока по[6]
табл.4.4 с.187 принимаем для ТСН 1-3 - 1,6 , для РТСН - 1,9;
Iдоп =k1·k2 ·Iдоп
норм. - длительно
допустимый ток кабеля с учетом условий прокладки;
Iдоп
норм. - длительно
допустимый ток кабелей при прокладке треугольником в воздухе при температуре
+15°С , принимаемый по каталогу завода ПО «Энергокомплект» от 2008г. для
одножильных кабелей сечением 500 и 630 мм2 , соответственно, равным
822 и 954 А;
k1, k2 - коэффициенты учитывающие совместную прокладку кабелей и
температурные условия среды, соответственно. k1в расчетах не учитываем , так как прокладка кабелей
предусматривается в воздухе. k2 принимаем равным 0,92 по
вышеуказанному каталогу, для температуры + 35°С (летний максимум).
5.3 Выбор проводников на напряжение 220кВ
Выбор проводников ошиновки 220кВ
Ошиновку ОРУ-220кВ принимаем гибким проводом марки АС.
Осуществим выбор токоведущих частей для цепи трансформатор Т1 - шины
220кВ
Определим токи продолжительного режима:
 (А);
 (А).
SТ1 - номинальная мощность трансформатора из таблицы 3.4
Нам подходят провода марки АС-400/32 сталеалюминевые с наружным диаметром
d=26,6 мм, Iном=830А. (таблица П3.3 [1]).
Так как шины расположены на открытом воздухе, то на термическую стойкость
не проверяем.
Так как Iпо∑расч<20кА (Iпо=10,714кА), то
на схлестывание не проверяем.
Проверяем на каронирование.
Найдем критическую напряженность:
 , (5.3)
где - m - коэффициент учитывающий
шероховатость поверхности провода, равный для многопроволочных 0,82;
r0 - радиус провода в см: r0=d/20=26,6/20=
1,08см
 (кВ/см)
Определяем напряженность вокруг провода Е:
 , (5.4)
где - Uлин=1,1*Uном=1,1·220=242кВ;
n -
число проводов в фазе - 1;
Дср - среднегеометрическое расстояние между проводами фаз: Дср=1,26·Д=1,26·450=567
см
Д - расстояние между фазами, принимаемое для 220кВ равным 450 см;
 (кВ/см)
,07Е≤0.9Е0
,048(кВ/см)
≤28,159(кВ/см)
Условие
выполняется.
Осуществим
выбор токоведущих частей для цепи трансформатор Т3 - шины 220кВ
Токи
продолжительного режима по 4.1 и 4.2 соответственно равны  А;  А.
Нам
подходят провода марки АС-400/32 сталеалюминевые с наружным диаметром d=26,6
мм, Iном=830А. (таблица П3.3 [1]).
Так
как шины расположены на открытом воздухе, то на термическую стойкость не
проверяем.
Так
как Iпо ∑расч<20кА (Iпо=10,573кА), то
на схлестывание не проверяем.
Проверяем
на каронирование.
Найдем
критическую напряженность:
 ,
где
- m - коэффициент учитывающий шероховатость поверхности
провода, равный для многопроволочных 0,82;
r0 - радиус провода в см: r0=d/20=26,6/20= 1,08см
 (кВ/см)
Определяем
напряженность вокруг провода Е:
 , (5.4)
где
- Uлин=1,1*Uном=1,1·220=242кВ;
n - число
проводов в фазе - 1;
Дср
- среднегеометрическое расстояние между проводами фаз:
Дср=1,26·Д=1,26·450=567
см
Д
- расстояние между фазами, принимаемое для 220кВ равным 450 см;
 (кВ/см)
,07Е≤0.9Е0
,048(кВ/см)
≤28,159(кВ/см)
Условие
выполняется.
Осуществим
выбор токоведущих частей для цепи система - шины 220кВ
Токи
продолжительного режима по 4.1 и 4.2 соответственно равны  А;  587,85А.
Нам
подходят провода марки АС-400/32 сталеалюминевые с наружным диаметром d=26,6
мм, Iном=830А. (таблица П3.3 [1]).
Так
как шины расположены на открытом воздухе, то на термическую стойкость не
проверяем.
Так
как Iпо ∑расч<20кА (Iпо=8,994кА), то
на схлестывание не проверяем.
Проверяем
на каронирование.
Найдем
критическую напряженность:
 ,
где
- m - коэффициент учитывающий шероховатость поверхности
провода, равный для многопроволочных 0,82;
r0 - радиус провода в см: r0=d/20=26,6/20= 1,08см
 (кВ/см)
Определяем
напряженность вокруг провода Е:
 , (5.4)
где
- Uлин=1,1*Uном=1,1·220=242кВ;
n - число проводов
в фазе - 1;
Дср
- среднегеометрическое расстояние между проводами фаз:
Дср=1,26·Д=1,26·450=567
см
Д
- расстояние между фазами, принимаемое для 220кВ равным 450 см;
 (кВ/см)
,07Е≤0.9Е0
,048(кВ/см)
≤28,159(кВ/см)
Условие
выполняется.
Выбор
сборных шин ОРУ 220кВ
Сборные
шины принимаем по максимальному току от системы при питании потребителей
220/10кВ от энергосистемы. С учетом влияния короны принимаем провода с
минимальным не коронирующим сечением - АС-400/32 сталеалюминевые с наружным
диаметром d=26,6 мм, Iном=830А. (таблица П3.3 [1]).
6. Выбор типов релейной защиты (генераторов, трансформаторов, шин,
отходящих ЛЭП и т.д.)
Защиты генераторов:
Защиты статора:
Дифференциальная защита, МТЗ с пуском по напряжению, токовая защита
обратной последовательности, защита обратной мощности, защита от повышения
напряжения, защита от повышения частоты, защита от понижения напряжения, защита
от перегрузки, защита от однофазных замыканий на землю, защита от потери
возбуждения.
Защиты ротора:
Защита от перегрузки, защита от замыкания обмотки возбуждения на землю в
одной точке, в двух точках.
Защиты трансформаторов:
Дифференциальная защита, газовая защита, газовая защита РПН, МТЗ с пуском
по напряжению, защита от перегрузки, защита от однофазных КЗ на землю, защита
от токов, обусловленных внешними многофазными КЗ.
Защиты шин:
220 кВ:
Дифференциальная защита шин, УРОВ
6 кВ:
Дифференциальная защита шин, УРОВ
Защиты отходящих ЛЭП:
220 кВ:
Дистанционная защита, МТЗ с пуском по напряжению, ТЗНП, высокочастотная
защита.
6 кВ:
Токовая отсечка, МТЗ с пуском по напряжению, защита от однофазных
замыканий на землю.
7. Выбор измерительных приборов (в цепях генераторов, трансформаторов,
ЛЭП) и измерительных трансформаторов (тока и напряжения)
Схема расположения измерительных трансформаторов тока и напряжения будет
иметь вид представленный на рисунке 7.1 .
Рисунок 7.1 Схема расположения измерительных трансформаторов
7.1 Выбор трансформаторов тока
Выбираем по каталогу трансформаторов ЗЭТО трансформатор тока ТА-1
наружной установки типа ТОГФ-220У1 - трансформатор тока опорного типа
газонаполненный с фарфоровой покрышкой 220кВ, для умеренного климата работы на
открытом воздухе. Трансформатор имеет один магнитопровод с обмоткой класса
точности 0,5S для систем учета электроэнергии,
один 0,5для измерительных приборов и три магнитопровода для релейной защиты и
автоматики класса 10Р. Каталожные данные занесены в таблицу 7.1 .
Таблица 7.1 Расчетные и каталожные данные по выбору трансформатора тока
ТА-1
|
Расчетное условие
|
Расчетные данные
|
Каталожные данные
|
|
Uуст≤ Uном
|
Uуст=220кВ
|
Uном=220кВ
|
|
Imax≤ Iном
|
Imax=587,85А
|
Iном=600
А
|
|
у≤ д
|
у= 22,647кА
|
д= 160кА
|
|
Вк≤ I2терм* tтерм
|
Вк=7,038 кА2*с
|
I2терм* tтерм =632*3=11907кА2*с
|
|
Z2р≤ Z2ном
|
Z2р=1,06(Ом)
|
Z2ном=1,2(Ом)
|
Контрольно-измерительные приборы, составляющие вторичную нагрузку
трансформатора тока, занесены в таблицу 7.2
Таблица 7.2 Вторичная нагрузка трансформатора тока
|
Наименование
|
Тип
|
Нагрузка фаз, В*А
|
|
|
А
|
В
|
С
|
|
|
Амперметр
|
Э-335
|
0,5
|
0,5
|
0,5
|
|
|
Ваттметр
|
Д-335
|
0,5
|
-
|
0,5
|
|
|
Варметр
|
Д-335
|
0,5
|
-
|
0,5
|
|
|
Счетчики: -активной энергии
|
СА3-И674
|
2,05
|
-
|
2,5
|
|
|
-реактивной энергии
|
СР4-И674
|
2,5
|
-
|
2,5
|
|
|
Итого:
|
6,5
|
0,5
|
6,5
|
|
Схема подключения контрольно-измерительных приборов представлена на
рисунке 7.2 .
Рисунок 7.2 Схема подключения контрольно-измерительных приборов.
Из рисунка 7.2 и таблицы 7.2 следует, что наиболее загружены
трансформаторы в фазах А и С.
Определим сопротивление приборов:
 (Ом)
Сопротивление
контактов принимаем rк=0,1 Ом.
Допустимое
сопротивление проводов:
rпр=Zном-rприб-rк=1,2-0,26-0,1=0,84
(Ом)
Определяем
допустимое сечение проводов:
где
l=100м;с=0.0175 (Ом*мм2/м) - для медных жил.
По
условию прочности для медных проводов минимально допустимое сечение 2,5мм2
. С учетом этого выбираем кабель КВВГНГ-nx2,5
Выбор
остальных трансформаторов тока сводим в таблицу 7.3. Приборы подключаемые ко
вторичной обмотке трансформаторов тока сводим в таблицу 7.4 .
Таблица
7.3 Расчетные и каталожные данные по выбору трансформаторов тока
|
Номер ТТ
|
Тип оборудования
|
Условия выбора
|
|
|
Uуст≤Uном
|
Imax≤ Iном
|
у≤ д
|
Вк≤ I2терм*tтерм
|
Z2р≤Z2ном
|
|
ТА-2
|
Расчетное
|
220
|
293,92
|
22,647
|
7,038
|
1,06
|
|
ТОГФ-220
|
220
|
300
|
31,5
|
3969
|
1,2
|
|
ТА-3
|
Расчетное
|
220
|
459,256
|
26,709
|
7,62
|
0,82
|
|
ТОГФ-220
|
220
|
500
|
31,5
|
3969
|
1,2
|
|
ТА-4
|
Расчетное
|
220
|
117,256
|
22,647
|
7,038
|
0,922
|
|
ТОГФ-220
|
220
|
200
|
31,5
|
3969
|
1,2
|
|
ТА-5
|
Расчетное
|
10
|
4786
|
91,399
|
172,71
|
1,1988
|
|
ТШВ-15-Б
|
15
|
6000
|
250
|
43200
|
1,2
|
|
ТА-6
|
Расчетное
|
10
|
7596,7
|
127,152
|
364,447
|
1,988
|
|
ТШВ-15-Б
|
15
|
8000
|
250
|
76800
|
1,2
|
|
ТА-7
|
Расчетное
|
6
|
1283,001
|
28,939
|
7,642
|
0,31
|
|
ТОЛ-10/1600 УХЛ1
|
10
|
1600
|
100
|
992,25
|
0,8
|
|
ТА-8
|
Расчетное
|
10
|
1588
|
49,439
|
84,643
|
0,33
|
|
ТОЛ-10/2000 УХЛ1
|
10
|
2000
|
100
|
992,25
|
0,4
|
|
ТА-9
|
Расчетное
|
6
|
2052,8
|
36,421
|
12,116
|
0,31
|
|
ТОЛ-10/2500 УХЛ1
|
10
|
2500
|
100
|
3721
|
0,4
|
|
ТА-10
|
Расчетное
|
6
|
2052,8
|
62,226
|
92,447
|
0,31
|
|
ТОЛ-10/2500 УХЛ1
|
10
|
2500
|
100
|
3721
|
0,4
|
|
ТА-11
|
Расчетное
|
10
|
288,675
|
49,439
|
84,643
|
0,39
|
|
ТОЛ-10/2000 УХЛ1
|
10
|
300
|
100
|
992,25
|
0,4
|
Таблица 7.4 Приборы подключаемые к вторичной обмотке ТТ
|
№ ТТ
|
Наименование
|
Тип
|
Нагрузка фаз, В*А
|
|
|
|
А
|
В
|
С
|
|
ТА-2
|
Амперметр
|
Э-335
|
0,5
|
0,5
|
0,5
|
|
Ваттметр
|
Д-335
|
0,5
|
-
|
0,5
|
|
Варметр
|
Д-335
|
0,5
|
-
|
0,5
|
|
Счетчики:
|
|
|
-
|
2,5
|
|
-активной энергии
|
СА3-И674
|
2,5
|
|
|
|
-реактивной энергии
|
СР4-И674
|
2,5
|
-
|
2,5
|
|
Итого:
|
6,5
|
0,5
|
6,5
|
|
ТА-2
|
Амперметр
|
Э-335
|
0,5
|
0,5
|
0,5
|
|
Итого:
|
0,5
|
0,5
|
0,5
|
|
ТА-3
|
Амперметр
|
Э-335
|
0,5
|
0,5
|
0,5
|
|
Итого:
|
|
0,5
|
0,5
|
|
ТА-4
|
Амперметр
|
Э-335
|
0,5
|
0,5
|
0,5
|
|
Ваттметр
|
Д-335
|
0,5
|
-
|
0,5
|
|
Счетчики: -активной
энергии
|
СА3-И674
|
2,05
|
-
|
2,5
|
|
Итого:
|
3,05
|
0,5
|
3,05
|
|
ТА-5
|
Амперметр
|
Э-335
|
0,5
|
0,5
|
0,5
|
|
Ваттметр
|
Д-335
|
0,5
|
-
|
0,5
|
|
Варметр
|
Д-335
|
0,5
|
-
|
0,5
|
|
Счетчики: -активной
энергии
|
СА3-И674
|
2,5
|
|
2,5
|
|
-реактивной энергии
|
СР4-И674
|
2,5
|
-
|
2,5
|
|
Датчик активной мощности
|
ДИМ-200А
<#"871428.files/image129.gif"> B·A<S2ном=2·400=800 В·А.
Таким
образом, трансформатор напряжения будет работать в выбранном классе точности -
0,5. Для соединения трансформаторов с приборами принимаем кабель типа КВВГНГ
с сечением 1,5 мм2.
Выберем
трансформаторы напряжения в цепи генераторов TV-2 и TV-3.
Выбираем
трансформаторы TV-2/ TV-3 марки 3хЗНОМ-10УЗ - трансформатор напряжения
заземляемый с одним заземляющим вводом обмотки высшего напряжения, однофазный с
литой изоляцией, на номинальное напряжение 10кВ для умеренного климата
внутренней установки. Uном2=10/√3
кВ, S2ном=75 В·А - в классе точности 0,5.
Вторичная
нагрузка трансформатора TV-2/ TV-3 представлена в таблице 7.6
Таблица
7.6 Вторичная нагрузка трансформатора TV-2/ TV-3
|
Прибор
|
Тип
|
Мощность 1-й обмотки, В*А
|
Число обмоток
|
соsц
|
sinц
|
Число приборов
|
Общая
|
|
|
|
|
|
|
|
P, Вт
|
Q, вар
|
|
Вольтметр
|
Э-335
|
2
|
1
|
1
|
0
|
1
|
2
|
-
|
|
Ваттметр
|
Д-335
|
1.5
|
2
|
1
|
0
|
1
|
3
|
-
|
|
Варметр
|
Д-335
|
1.5
|
2
|
1
|
0
|
1
|
3
|
-
|
|
Датчик активной мощности
|
Е-829
|
10
|
-
|
1
|
0
|
1
|
10
|
-
|
|
Датчик реактивной мощности
|
Е-830
|
10
|
-
|
1
|
0
|
1
|
10
|
-
|
|
Счетчик активной энергии
|
И-680
|
2
|
2
|
0.38
|
0.925
|
1
|
4
|
9.7
|
|
Ваттметр регистрирующий
|
Н-348
|
10
|
2
|
1
|
0
|
1
|
20
|
-
|
|
Вольтметр регистрирующий
|
Н-344
|
10
|
1
|
1
|
0
|
1
|
10
|
-
|
|
Частотомер
|
Э-372
|
3
|
1
|
1
|
0
|
2
|
6
|
-
|
|
Синхроноскоп
|
Э-327
|
10
|
1
|
|
|
1
|
10
|
Э-335
|
2
|
1
|
1
|
0
|
1
|
2
|
-
|
|
Частотомер
|
Э-362
|
1
|
1
|
1
|
0
|
2
|
2
|
|
|
Осциллограф
|
С-91
|
160
|
-
|
1
|
0
|
1
|
160
|
-
|
|
Итого:
|
242
|
9,7
|
 B·A<S2ном=4·75=300 В·А.
Таким
образом, трансформатор напряжения будет работать в выбранном классе точности -
0,5. Для соединения трансформаторов с приборами принимаем кабель типа КВВГНГ
с сечением 1,5 мм2.
Выберем трансформаторы напряжения на шинах КРУ 10кВ TV-5.
Выбираем трансформатор TV-5
марки 3хЗНОЛ-СЭЩ-10УЗ - трансформатор напряжения заземляемый с одним
заземляющим вводом обмотки высшего напряжения, однофазный с литой изоляцией, на
номинальное напряжение 10кВ для умеренного климата внутренней установки. Uном2=10/√3 кВ, S2ном=75
В·А - в классе точности 0,5.
Вторичная нагрузка трансформатора TV-5 представлена в таблице 7.7
Таблица 7.7 Вторичная нагрузка трансформатора TV-5
|
Прибор
|
Тип
|
Мощность 1-й обмотки, В*А
|
Число обмоток
|
соsц
|
sinц
|
Число приборов
|
Общая
|
|
|
|
|
|
|
|
P, Вт
|
Q, вар
|
|
Вольтметр
|
Э-335
|
2
|
1
|
1
|
0
|
2
|
4
|
-
|
|
Частотомер
|
Э-362
|
1
|
1
|
1
|
0
|
1
|
1
|
|
|
Счетчики: - активной энергии
|
СА3-И674
|
3
|
2
|
0,38
|
0,925
|
4
|
24
|
58,4
|
|
-реактивной энергии
|
СР4-И674
|
3
|
2
|
0,38
|
0,925
|
3
|
18
|
43,8
|
|
Вольтметр регистрирующий
|
Н-344
|
10
|
1
|
1
|
0
|
2
|
20
|
-
|
|
Частотомер
|
Э-372
|
3
|
1
|
1
|
0
|
2
|
6
|
-
|
|
Синхроноскоп
|
Э-327
|
10
|
1
|
|
|
1
|
10
|
|
|
Вольтметр
|
Э-335
|
2
|
1
|
1
|
0
|
2
|
4
|
-
|
|
Частотомер
|
Э-362
|
1
|
1
|
1
|
0
|
2
|
2
|
|
|
Итого:
|
89
|
102,2
|
 B·A<S2ном=3·50=150 В·А.
Таким
образом, трансформатор напряжения будет работать в выбранном классе точности -
0,5. Для соединения трансформаторов с приборами принимаем кабель типа КВВГНГ
с сечением 1,5 мм2.
Выберем трансформаторы напряжения на шинах собственных нужд 6кВ TV-4, TV-6, TV-7.
Выбираем трансформаторы TV-4, TV-6, TV-7 марки 3хЗНОЛ-СЭЩ-10УЗ - трансформатор напряжения
заземляемый с одним заземляющим вводом обмотки высшего напряжения, однофазный с
литой изоляцией, на номинальное напряжение 10кВ для умеренного климата
внутренней установки. Uном2=10/√3 кВ, S2ном=75
В·А - в классе точности 0,5.
Вторичная нагрузка трансформатора TV-4, TV-6, TV-7 представлена в таблице 7.8
Таблица 7.8 Вторичная нагрузка трансформатора TV-4, TV-6, TV-7
|
Прибор
|
Тип
|
Мощность 1-й обмотки, В*А
|
Число обмоток
|
соsц
|
sinц
|
Число приборов
|
Общая
|
|
|
|
|
|
|
|
P, Вт
|
Q, вар
|
|
Вольтметр
|
Э-335
|
2
|
1
|
1
|
0
|
2
|
4
|
-
|
|
Ваттметр
|
Д-335
|
1.5
|
2
|
1
|
0
|
1
|
3
|
-
|
|
Счетчики: - активной энергии
|
СА3-И674
|
3
|
2
|
0,38
|
0,925
|
1
|
6
|
14,6
|
|
Датчик активной мощности
|
Е-829
|
10
|
-
|
1
|
0
|
1
|
10
|
-
|
|
Итого:
|
23
|
14,6
|
 B·A<S2ном=2·30=60 В·А.
Таким
образом, трансформатор напряжения будет работать в выбранном классе точности -
0,5. Для соединения трансформаторов с приборами принимаем кабель типа КВВГНГ
с сечением 1,5 мм2.
8. Выбор конструкций и описание всех распределительных устройств
имеющихся в проекте
РУ ВН выполнено открыто по схеме две рабочие с обходной системой шин.
Расположение выключателей однорядное. Данная схема применима на напряжение 110-220кВ
при числе присоединений 7 и более. Каждое присоединение присоединяется к
сборным шинам через развилку двух шинных разъединителей. Достоинствами данной
схемы является гибкость, необходимость расширения не вызывает необходимости
реконструкции существующей части ОРУ и длительного погашения, Обходным
выключателем можно заменить выключатель любого присоединения, что повышает
надежность электроснабжения. При повреждение СШ все присоединения подключенные
к ней отключаются только на время перевода на их на оставшуюся в работе систему
шин.
Разработка ОРУ ведется с использованием типового проекта и сводится к
выбору расположения ячеек и компоновке в ячейках выбранного оборудования. При
расположении ячеек учитывается целесообразность:
присоединения трансформаторов чередовать с отходящими линиями;
трансформаторы напряжения и разрядники размещать в ячейках силовых
трансформаторов или в линейных ячейках;
шиносоединительные и обходные выключатели располагать в средней части
ОРУ.
Похожие работы на - ТЭЦ-240 МВт
| |