Проектирование станции технического обслуживания с разработкой участка по ремонту двигателей внутреннего сгорания легковых автомобилей в городе Норильске

  • Вид работы:
    Дипломная (ВКР)
  • Предмет:
    Транспорт, грузоперевозки
  • Язык:
    Русский
    ,
    Формат файла:
    MS Word
    503,14 Кб
  • Опубликовано:
    2015-06-18
Вы можете узнать стоимость помощи в написании студенческой работы.
Помощь в написании работы, которую точно примут!

Проектирование станции технического обслуживания с разработкой участка по ремонту двигателей внутреннего сгорания легковых автомобилей в городе Норильске

Содержание

Введение

. Обоснование темы проекта

.1 Организационная структура управления

.2 Технологический процесс восстановления коленчатых валов

.3 Неисправности и анализ причин эксплуатационных отказов детали

.4 Дефектация детали

.5 Анализ способов восстановления дефектов чугунных коленчатых валов

.6 Выбор технологических баз

.7 Режим работы предприятия

.8 Цели и задачи

. Конструкторская разработка

.1 Назначение и описание устройства приспособления

.2 Технические характеристики приспособления

.3 Кинематический расчет привода и выбор электродвигателя

.4 Выбор материалов и термической обработки зубчатых колес

.5 Допускаемые контактные напряжения при расчете на выносливость

.6 Допускаемые напряжения при расчете на выносливость зубьев при изгибе

.7 Расчет на контактную выносливость активных поверхностей зубьев

.8 Проверочный расчет

2.9 Расчет зубьев на выносливость при изгибе

.10 Расчет вала

.11 Выбор и расчет подшипников

.12 Расчет шпонки под колесом

.13 Выбор и расчет муфты

. Безопасность жизнедеятельности на участке по ремонту ДВС

.1 Расчет вентиляции при наличии избытках тепла

.2 Охрана окружающей среды

.3 Инструкция по охране труда для слесаря по ремонту автомобилей

4. Экономическая оценка проектных решений

4.1 Расчет капитальных (единовременных) затрат

.2 Расчёт текущих затрат

.3 Расчет дохода, прибыли, рентабельности

.4 Расчет стоимости нормо-часа

.5 Расчет окупаемости капитальных затрат

Заключение

Список использованных источников

Введение

В настоящее время ежегодный прирост мирового парка автомобилей равен 10-12 млн. единиц, а его численность - более 400 млн. единиц. Каждые четыре из пяти автомобилей общего мирового парка - легковые и на их долю приходится более 60% пассажиров, перевозимых всеми видами транспорта.

Помимо тех неоспоримых удобств, которые легковой автомобиль создает в жизни человека, очевидно общественное значение массового пользования личными автомобилями:

увеличивается скорость сообщения при поездках; сокращается число штатных водителей;

облегчается доставка городского населения в места массового отдыха, на работу и т.д.

Однако процесс автомобилизации не ограничивается только увеличением парка автомобилей. Быстрые темпы развития автотранспорта обусловили определенные проблемы, для решения которых требуется научный подход и значительные материальные затраты. Основными из них являются: увеличение пропускной способности улиц, строительство дорог и их благоустройство, организация стоянок и гаражей, обеспечение безопасности движения и охраны окружающей среды, строительство станций технического обслуживания автомобилей, складов, автозаправочных станций и других предприятий.

Норильск отличается крайне суровым климатом субарктического типа <#"871346.files/image001.jpg">

Рисунок 1.1 - Организационная структура управления предприятия отверстия валов;

при восстановлении за технологическую или измерительную базу принимают основные или вспомогательные поверхности, которые сохранились и не подлежат восстановлению.

1.2 Технологический процесс восстановления коленчатых валов

Назначение, описание и оценка технологичности детали

Коленчатый вал представленный на рисунке 1.1. является основной силовой деталью двигателя, которая воспринимает нагрузки газов и сил инерции и передает их через маховик на трансмиссию автомобиля в виде крутящего момента. Коленчатый вал отливается из высокопрочного специального чугуна ВЧ 50-2 ГОСТ 7293-70 и состоит из шатунных и коренных шеек, щек и противовесов. Для уменьшения деформаций при работе двигателя вал сделан пятиопорным и с большим перекрытием коренных и шатунных шеек. Высокая усталостная прочность обеспечивается плавно выполненными переходами между шейками и щеками и тщательной обработкой напряженных мест. Высокая износостойкость шеек вала достигается большим диаметром шеек, благодаря чему уменьшаются удельные нагрузки в подшипниках поверхностной закалкой шеек токами высокой частоты на глубину 2-3 мм. Для уменьшения нагрузки от центробежных сил на коренные подшипники и уменьшения вибрации двигателя вал снабжен противовесами, отлитыми как одно целое с ним.

Рисунок 1.1 - Коленчатый вал

Противовесы уравновешивают центробежные силы шатунной шейки, шатуна и поршня, которые возникают при работе двигателя. Для обеспечения работы двигателя без вибраций коленчатый вал динамически балансируют. При балансировке высверливают металл в противовесах. Неуравновешенный момент не должен превышать 1,5 Н·мм. В теле вала просверлены каналы, соединяющие 1, 2, 4 и 5-ю коренные шейки с шатунными. По этим каналам подводится масло для смазки шатунных подшипников. Технологические выводы каналов закрыты колпачковыми стальными заглушками, которые запрессовываются и зачеканиваются в трех точках. Вход и выход масла для смазки шатунного подшипника осуществляется в двух местах через горизонтальные сквозные каналы в шейках, Что способствует более равномерному изнашиванию шеек по окружности. Диаметральный зазор между шейкой и вкладышами коренных подшипников составляет 0,026-0,073 мм. Осевое перемещение коленчатого вала ограничено двумя упорными полукольцами. Они вставляются в гнезда блока цилиндров по обе стороны среднего коренного подшипника, причем с задней стороны ставится металлокерамическое полукольцо, а с передней стороны - сталеалюминевое. Полукольца изготавливают двух размеров нормального и увеличенного на 0,127 мм.

.3 Неисправности и анализ причин эксплуатационных отказов детали

Коленчатый вал является высоконагруженной деталью двигателя. В процессе эксплуатации двигатель машины подвержен различным нагрузкам, в том числе и неблагоприятным, это пуск двигателя в холодных условиях, не качественное смазочное масло, работа в запыленных условиях и т.д. Вследствие этих факторов трущиеся на этих поверхностях надиров, сколов, микротрещин, раковин рисунок 1.2, которые могут привести к поломке коленчатого вала и выходу из строя всего двигателя. Части коленчатого вала подвергаются повышенному износу, что в свою очередь приводит к появлению.

Рисунок 1.2 - Сколы, микротрещины, раковины на шейках вала

Основными неисправностями коленчатого вала являются износ или задиры опорных шеек из-за повреждения вкладышей или втулок, а также деформация - искривление вала из-за перегрева шеек рисунок 1.3. При деформации вала, например, из-за перегрева подшипников его геометрическая ось искривляется, и все поверхности получают биение относительно оси центров. В результате этого увеличиваются зазоры в подшипниках и нагрузки, в то время как условия смазки ухудшаются. Естественный износ шеек наблюдается при больших пробегах автомобиля и всегда достаточно мал - обычно не более 0,05-0,08 мм. Овальность шеек редко превышает здесь 0,02-0,03 мм. При этом поверхность шеек становится негладкой, имеет многочисленные круговые риски, царапины. Поэтому даже в случае правильной геометрии вал с такими шейками не может быть установлен без ремонта.

Рисунок 1.3 - Деформация коленчатого вала

Износ шеек после разрушения подшипников достигает от 0,5-3 мм. Овальность шеек при этом составляет примерно половину износа. Износ, как правило, имеет односторонний характер, что может существенно затруднить последующий ремонт. При ремонте вала должны быть выполнены следующие условия:

- восстановлен (до исходного) рабочий зазор в соединениях с ответной деталью;

восстановлено взаимное расположение рабочих и вспомогательных поверхностей;

восстановлено качество рабочих поверхностей.

Пренебрежение хотя бы одним из указанных условий ведет к ускоренному износу и выходу из строя как самого вала, так и ответных деталей. Искривление оси опорных рабочих поверхностей вала увеличивает нагрузки на опоры и износ подшипников. Из-за несносности рабочих и вспомогательных поверхностей ускоряется износ элементов привода вала (цепи, ремни, натяжители), а также нарушается герметичность уплотнений вала. Низкое качество отремонтированной поверхности - большая шероховатость и пониженная твердость, ускоряют износ вала и сопряженных с ним деталей.

.4 Дефектация детали

Дефект №1 - изгиб коленчатого вала. Изгиб коленчатого вала устраняется правкой, которая осуществляется на прессах или специальном оборудовании. Существует несколько различных способов правки, в том числе путем приложения к валу усилия, перпендикулярного оси, растягиванием или сжатием деформированных участков вала, а также созданием наклепа на поверхности вала. Правка методом статического изгиба в данном случае (вал чугунный) осуществляться не может, так как она способствует снижению усталостной прочности и пластичности вала, также в зоне галтелей шатунных шеек могут развиваться старые и зарождаться новые микротрещины, и возможен возврат прогиба. Наиболее оптимальный способ для правки чугунного коленчатого вала - это способ чеканки. Снижение усталостной прочности не наблюдается, сохраняется высокая стабильность формы детали в эксплуатации. Чеканку галтелей выполняют клепальным пневматическим молотком КМП-14М, размеры которого должны соответствовать размерам галтелей. Перед чеканкой у вала определяют место и направление наибольшего изгиба, после чего его устанавливают на призмы максимальным прогибом вниз. Если максимальное биение находится в области третьей коренной шейки в плоскости кривошипа, то выполняют чеканку галтелей первой и второй шеек в зоне перекрытия коренной и шатунной шеек на дуге 40…50о. После чего проводят контроль биения вала. Если значение биения выше допустимого, то необходимо чеканить галтели третьей и четвертой шеек, а также пятой и шестой. Когда максимальный прогиб находится в плоскости, перпендикулярной кривошипам, правку вала осуществляют чеканкой двух симметрично расположенных галтелей относительно выпрямляемой шейки. Участок наклепа располагается под углом 45о к плоскости кривошипа.

Дефект №2; №3; №4; №5 - износ коренных и шатунных шеек коленчатого вала износ посадочных поверхностей под шестерню и ступицу шкива; износ шпоночных канавок; износ посадочной поверхности под маховик.

Дефект №6; №7 - износ резьбовых отверстий под болты крепления маховика; износ резьбы храповика. Данный вид износа не вызывает трудностей при восстановлении, так как в ходе дефектации было установлено, что повреждение резьбы составляет менее двух витков. Восстановление проводят прогонкой резьбы при помощи метчика под тот же размер.

Дефектация коленчатого вала проводится с целью определения его технического состояния, определения методов и средств ремонта, и включает:

измерение диаметров и овальности шеек (наибольший и наименьший размеры);

измерение биения поверхностей (направление и величина);

измерение размеров вспомогательных поверхностей (хвостовик и т.д.).

Перед дефектацией вал должен быть вымыт и просушен. Измерение диаметров шеек и хвостовика производятся микрометром. Опорные шейки измеряют в одной (произвольной) плоскости, за исключением визуально наблюдаемого одностороннего износа. В этом случае измеряют минимальные и максимальные размеры шеек, а также определяют направление износа. Измерить деформацию вала можно двумя способами на призмах и в центрах.

При измерении деформации на призмах вал крайними шейками опирается на призмы, установленные на проверочной плите, а с помощью магнитной стойки с индикатором измеряется биение других шеек и поверхностей. Также можно производить проверку в токарном станке, используя центры с углом 60о, изготовленные из мягкого материала. Поверхность центра должна быть достаточно гладкой, но иметь спиральную канавку небольшой ширины (около 0,5 мм) и глубины (0,1-0,2 мм) с шагом 5-7 мм. Один из центров зажимается в патрон шпинделя, а другой - в патрон, установленный в задней бабке станка. Вал зажимается центрами без люфтов, но так, чтобы его можно было вращать рукой. Сначала проверяется правильность установки вала, т.е. биение рабочих или вспомогательных поверхностей рядом с центрами.

Для этого на стол станка устанавливается магнитная стойка с индикатором, ножка которого упирается в проверяемую поверхность. Далее, вращая вал рукой, определяется биение. Оно не должно превышать 0,02-0,03 мм. Если биение больше, необходимо поправить центровые фаски на валу, иначе деформация вала будет определена с ошибкой. После того, как на краях вала биение проверено, необходимо проверить биение рабочих поверхностей, расположенных ближе к середине вала. Если биение больше 0,07-0,09 мм, вал следует править.

При деформации вала его ось, проходящая ранее через центры опорных шеек, изгибается. При этом искривляются и получают взаимное биение и другие поверхности - хвостовик, поверхности под сальник и т.д. Наибольшее влияние на работоспособность вала и его подшипников оказывает взаимное биение опорных шеек.

Рисунок 1.5 - Влияние биения опорных шеек вала на ресурс подшипников

Чем больше биение, тем выше нагрузки на подшипники скольжения и их износ и тем меньше их ресурс. Так, при биении шеек свыше 0,12-0,15 мм ресурс подшипников вала обычно не превышает 1000-2000 км пробега автомобиля рисунок 1.5.

В процессе дефектации деталей применяются следующие методы контроля: органолептический осмотр (внешнее состояние детали, наличие деформации, трещин, задиров, сколов и т.д.); инструментальный осмотр при помощи приспособлений и приборов (выявление скрытых дефектов деталей при помощи средств неразрушающего контроля); бесшкальных мер (калибры и уровни) и микрометрических инструментов (линейки, штангенинструменты, микрометры).

Контролю в процессе дефектации подвергаются только те элементы детали, которые в процессе эксплуатации повреждаются или изнашиваются.

1.5 Анализ способов восстановления дефектов чугунных коленчатых валов

Существует несколько технологий восстановления указанных дефектов коленчатых валов:

обработка деталей под ремонтный размер следующими способами

Способами напыления:

детонационное напыление;

плазменное напыление;

газопламенное напыление;

электродуговое напыление;

Способами наплавки:

дуговая наплавка под слоем флюса;

вибродуговая наплавка;

наплавка порошковой проволокой;

наплавка в среде углекислого газа;

плазменная наплавка;

Обработка поверхностей детали под ремонтный размер эффективна в случае, если механическая обработка при изменении размера не приведет к ликвидации термически обработанного поверхностного слоя детали. Тогда у дорогостоящей детали соединения дефекты поверхности устраняются механической обработкой до заранее заданного ремонтного размера (в нашем случае шейки коленчатого вала), а другую (более простую и менее дорогостоящую деталь) заменяют новой соответствующего размера (вкладыши). В этом случае соединению будет возвращена первоначальная посадка, но поверхности детали, образующие посадку, будут иметь размеры, отличные от первоначальных. Применение вкладышей ремонтного размера позволит снизить трудоемкость и стоимость ремонта при одновременном сохранение качества. Ремонтные размеры и допуски на них устанавливает завод-изготовитель. Восстановление деталей под ремонтные размеры характеризуется простотой и доступностью, низкой трудоемкостью и высокой экономической эффективностью, сохранением взаимозаменяемости деталей в пределах ремонтного размера. Однако реализация способа связана со значительными затратами на приобретение заменяемых деталей, а в эксплуатации возможен повышенный износ подвижного сопряжения из-за снятия наружного более износостойкого слоя материала при обработке детали, наблюдается снижении усталостной прочности валов и увеличение удельного давления в спряжениях. Износ коренных шеек коленчатых валов увеличивается на 15-20%, начиная с третьего ремонтного размера, а усталостная прочность снижается на 25% при достижении последнего ремонтного размера. Недостатками являются также сложность комплектования и подбора деталей, необходимость большого количества измерительного инструмента и увеличение складских запасов.

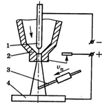
Детонационное напыление. Детонационные покрытия формируются с помощью ударных волн, периодически инициируемых микровзрывами смеси кислорода и ацетилена. Данный механизм рисунок 1.6 - двухфазный: сначала на поверхность шейки вала наплавляют более крупные мелкорасплавленные частицы, а затем - непроплавленные, которые дают эффект горячего абразивного удара прессования, т.е. увеличивают плотность уже сформированного покрытия. Причем все это происходит при высоких скорости распространения детонационной волны (2000-4000 м/с) и температуре (2470-5770 К). Данный способ, по существу, универсальный: он обеспечивает получение покрытий из металлов (никеля, бронзы, меди и др.) и их сплавов, а также материалов обладающих высокими термической стойкостью, износостойкостью, твердостью. Как показали исследования, качество детонационного покрытия зависит не только от химического, но и от гранулометрического состава порошка.

Рисунок 1.6 - Схема установки для нанесения детонационного покрытия

- газопровод; 2 - электрическая свеча; 3 - источник тока; 4 - порошковый дозатор; 5 - трубка-створ; 6 - подложка; 7 - покрытие; 8 - порошок

Например, при зернистости менее 40 мкм кинетическая энергия порошка может оказаться меньше необходимой для удовлетворительного сцепления покрытия с подложкой; при зернистости более 100 мкм частицы могут подлетать к подложке не расплавленными под воздействием энергии взрыва, что отрицательно влияет на адгезию покрытия. Высокая износостойкость покрытий из порошков на основе никеля объясняется не только твердостью нанесенного слоя, но и тем, что атом никеля имеет небольшой радиус и, как следствие, способен создавать большую плотность ионов на поверхности сплавов. Другими словами, напыленная из никелевого порошка поверхность обладает повышенными маслоудерживающими свойствами. Следует отметить и недостатки этого способа: во-первых уровень шума при работе детонационной установки - 140 дБ, что выше предела допустимого техникой безопасности (80 дБ); Характеризуется высоким содержанием отработавших газов с содержанием оксидов углерода, азота и др. элементов; в результате воздействия непроплавленных частиц в конце двухфазного потока происходит отделение верхних слоев покрытия (эффект абразивного отделения); малая толщина покрытий 30-150 мкм и дорогостоящее оборудование.

Плазменное напыление. Довольно хорошо известный и освоенный способ восстановления валов. Его суть сводится к переносу металла (обычно используется специальный порошок) от анода к детали через ускоряющий катод рисунок 1.7. Электрическая дуга между анодом и катодом нагревает и превращает рабочее тело установки (обычно это аргон) в плазму с температурой несколько десятков тысяч градусов. Выходя из сопла установки с большой скоростью, плазма захватывает подаваемые в камеру установки (плазматрон) частицы порошка, которые приобретают в струе большую скорость и температуру.

При попадании на поверхность детали расплавившееся в струе частицы порошка сцепляются с поверхностью, застывают и образуют покрытие. Очевидно, что в процессе нанесения покрытия деталь нагревается и тем сильнее, чем больше толщина покрытия. Местный перегрев деталей (коленчатый вал), как правило, приводит их к деформации, причем, чем тоньше вал, тем больше деформация. Другим, еще более серьезным недостатком плазменного напыления является существенная разница между напыленным металлом (никель, титан и др.) и основным металлом вала (чугун).

Рисунок 1.7 - Схема плазменного напыления

- катод; 2 - анод; 3 - струя плазмы с расплавленными частицами покрытия; 4 - деталь

Для нанесения покрытия обычно требуется "занижение" (предварительная обработка) поверхности, а это снижает прочность вала. Кроме всего прочего, напыленные металлы обычно плохо обрабатываются шлифованием - шлифовальный круг "заслаивается", его небходимо часто править, а качество шлифованной поверхности снижается. Повторное восстановление вала также затруднено, поскольку обычно требуется снимать напыленный ранее слой до основного металла.

Газопламенное напыление. Другой вариант напыления - когда нагрев порошка происходит в струе пламени ацетиленокислородной горелки рисунок 1.8.

Рисунок 1.8 - Схема газопламенного напыления

- подача порошка для покрытия; 2 - ацетиленокислородная горелка; 3 - струя пламени с расплавленными частицами порошка; 4 - восстанавливаемая деталь

Частицы порошка расплавляются и, попадая на деталь, образуют покрытие. Технологический процесс газопламенного напыления покрытий: нагрев поверхности детали (коленчатого вала) до 200-250оС; нанесение подслоя, который дает основу, необходимую для наложения основных слоев; нанесение основных слоев, позволяющих получить покрытия с необходимыми физико-механическими свойствами. В зависимости от назначения и материала детали, условий эксплуатации, контактов сопрягаемых поверхностей при восстановлении деталей используют следующие методы газопламенного напыления покрытий:

без последующего оплавления - используется для восстановления деталей с износом до 2,0 мм на сторону без деформации, не подвергающихся в процессе эксплуатации ударам.

с одновременным оплавлением - используется для восстановления деталей с местным износом до 3-5 мм, работающих при знакопеременных и ударных нагрузках.

с последующим оплавлением - дает возможность восстанавливать детали типа вала с износом до 2,5 мм на сторону.

Недостатками данного метода являются - малая производительность, большая стоимость напыляемых материалов и плюс обладает всеми недостатками предыдущего способа.

Электродуговое напыление. Процесс электродугового напыления осуществляется специальным аппаратом, который действует следующим образом рисунок 1.9. С помощью протяжных роликов по направляющим наконечникам непрерывно подаются две проволоки, к которым подключен электрический ток. Возникающая между проволоками дуга расплавляет металл. Одновременно по воздушному соплу в зону дуги поступает сжатый газ под давлением 0,6 МПа. Большая скорость движения частиц металла (120-300 м/с) и незначительное время полета, исчисляемое тысячными долями секунды, обуславливают в момент удара о деталь ее пластическую деформацию, заполнение частицами пор поверхности детали, сцепление частиц между собой и с поверхностью, в результате чего образуется сплошное покрытие.

автомобиль ремонт двигатель шлифование

Рисунок 1.9 - Схема электродугового напыления

- деталь; 2 - поток расплавленных частиц металла проволок; 3 - проволока;

Последовательным наслаиванием расплавленного металла можно получить покрытие, толщина слоя которого может быть от нескольких микрон до 10 мм и более. Особенностью электродугового напыления является образование нескольких максимумов в факеле распыления. Это связано с тем, что струя сжатого воздуха рассекается электродными проволоками на два или три потока, в зависимости от числа проволок, подаваемых в очаг плавления. В каждом из этих потоков образуется своя ось максимальной концентрации распыленных частиц. Покрытие наносят ручными аппаратами ЭМ-3, ЭМ-9 и ЭМ-14 и станочными ЭМ-6, МЭС-1, ЭМ-12. Проволока подается в зону горения воздушной турбинкой в ручных аппаратах или электродвигателем в станочных. Помимо недостатков описанных выше способов напыления данный способ рисунок 1.9 не дает высокой прочности сцепления покрытия с деталью. Наблюдается также выгорание легирующих элементов напыляемого металла. Однако в отличие от предыдущих способов здесь может быть использована проволока из легированных сталей, т.е. покрытие по своему составу не будет сильно отличаться от материала детали.

Дуговая наплавка под слоем флюса рисунок 1.10.

Рисунок 1.10 - Схема дуговой наплавки под слоем флюса

- флюс; 2 - электрод (проволока); 3 - деталь

Суть наплавки заключена в переносе металла проволоки на восстанавливаемую деталь при горении электрической дуги. Дуговая наплавка под слоем флюса значительно более сложная как по подготовке поверхности, так и по самой технологии наплавки. Сущность наплавки заключается в защите электрической дуги и расплавленного металла от вредного влияния атмосферного воздуха слоем сварочного флюса. Сварочная дуга при дуговой наплавке под флюсом горит между электродом и деталью в газовом пузыре в оболочке из расплавленного флюса. Сварочная проволока, основной металл и флюс плавятся одновременно. Часть легирующих элементов при плавлении выгорает. Использование флюса уменьшает разбрызгивание и угар металла, позволяет применять токи большей плотности, чем при ручной наплавке покрытыми электродами, замедляет процесс затвердевания металла, создает благоприятные условия для выхода газов из шва, уменьшает потери тепла сварочной дуги на излучение и на нагрев потоков окружающего воздуха. Флюсы применяют в процессе наплавки в виде зерен. Расплавленные флюсы взаимодействуют с оксидными пленками, обволакивают зону наплавки и изолируют ее от кислорода и азота воздуха. Флюсы действуют как химические реагенты, образуя с оксидами легкие химические соединения с низкой температурой плавления. Образовавшиеся шлаки всплывают на поверхность расплавленного металла.

Однослойная наплавка под флюсом. Для наплавки применяли проволоку разных марок, в том числе пружинную 2 класса ГОСТ 1071-81, ОВС, НП-ЗОХГСА, Св-08, Св-10Х13, Св-12ГС ГОСТ 792-67 и другие. Наплавку производили под флюсами АН-348А, ОСЦ-45, АН-15, АН-20 ГОСТ 9087-81 без примешивания и с примешиванием к флюсу графита, феррохрома, ферромарганца, ферромолибдена, алюминиевого порошка и других компонентов для получения наплавленного металла мартенситной структуры с твердостью HCR 56…62 без пор и трещин.
Наплавку производили при разном шаге, прямой и обратной полярности, разных напряжений дуги и индуктивности сварочной цепи, скорости подачи электродной проволоки и вращения детали. Все разновидности однослойной наплавки под флюсом не дали положительных результатов. Наплавленный металл имел неоднородную структуру и твердость, содержал поры, трещины и шлаковые включения.

Двухслойная наплавка проволокой Св-08 под легирующим слоем флюса. Лучшие результаты из многочисленных вариантов двухслойной наплавки получаются при использовании малоуглеродистой проволоки Св-08 диаметром 1,6 мм и легирующего флюса АН-348А (2,5 части графита, 2 части феррохрома №6 и 0,25 частей жидкого стекла). Металл первого слоя имеет аустенитное строение и твердость HRC 35-38. Второй слой имеет мартенситное строение и твердость HRC 56-62 и содержит небольшое количество пор. Недостатком этого способа наплавки является образование большого количества трещин в наплавленном слое, вызывающих повышенный износ сопряженных вкладышей. Усталостная прочность чугунных коленчатых валов двигателей, восстановленных двухслойной наплавкой под легирующим флюсом, снижается на 26-28%. Сильный нагрев вала также является существенным недостатком данного способа, практически не позволяющем использовать его для валов двигателей.

Вибродуговая наплавка. Устранить перегрев вала позволяет вибродуговая наплавка. Она отличается тем, что электродная проволока совершает колебания относительно детали с частотой 50-100 Гц и амплитудой 1-3 мм с периодическим касанием наплавляемой поверхности. В зону наплавки подают охлаждающую жидкость. Вибрация электродной проволоки обеспечивает чередование короткого замыкания, горение дуги и холостого хода. Электрод и деталь оплавляются за счет дугового разряда.

Перенос металла, образующегося в виде капли на конце электрода в период горения дуги, происходит преимущественно во время короткого замыкания. Возникновение дугового разряда при разрыве сварочной цепи способствует использование энергии электродвижущей силы самоиндукции, которая совпадает по направлению с напряжением источника тока. На рисунке 1.11 показана принципиальная схема вибродуговой установки с электромеханическим вибратором.

Рисунок 1.11 - Схема установки для вибродуговой наплавки

- насос; 2 - бак; 3 - деталь; 4 - мундштук; 5 - механизм подачи; 6 - кассета; 7 - вибратор; 8 - реостат; 9 - дроссель

Деталь 3, подлежащая наплавке, устанавливается в центрах токарного станка. На суппорте станка монтируется наплавочная головка (ОКС-6569 или ОКС-1252), состоящая из механизма 5 подачи проволоки с кассетой 6, электромагнитного вибратора 7 с мундштуком 4. Для питания дуги используют источники постоянного тока с жесткой внешней характеристикой (генераторы АНД-500/250, выпрямители ВС-300 и ВС-600, преобразователи ПД-305 и ПСГ-500).

К наплавляемой поверхности детали, которая вращается в центрах токарного станка, роликами подающего механизма из кассеты через вибрирующий мундштук подается электродная проволока. Из-за колебаний мундштука, вызываемых эксцентриковым механизмом, проволока периодически прикасается к поверхности детали и расплавляется под действием импульсных электрических разрядов, поступающих от генератора. Вибратор создает колебания конца электрода с частотой 110 Гц и амплитудой колебания до 4 мм (практически 1,8-3,2 мм), обеспечивая размыкание и замыкание сварочной цепи.

При периодическом замыкании электродной проволоки и детали происходит перенос металла с электрода на деталь. Вибрация электрода во время наплавки обеспечивает стабильность процесса за счет частых возбуждений дуговых разрядов и способствует подачи электродной проволоки небольшими порциями, что обеспечивает лучшее формирование наплавленных валиков. Электроснабжение установки осуществляется от источника тока напряжением 24 В. Последовательно с ним включен дроссель 9 низкой частоты, который стабилизирует силу сварочного тока. Реостат 8 служит для регулировки силы тока в цепи. В зону наплавки при помощи насоса 1 из бака 2 подается охлаждающая жидкость (4-6%-ный раствор кальцинированной соды в воде), которая защищает металл от окисления.

Качество соединения наплавляемого металла с основным зависит от полярности тока, шага наплавки, угла подвода электрода к детали, качества очистки и подготовки поверхности, подлежащей наплавлению, толщины слоя наплавки и др. Высокое качество наплавки получают при токе обратной полярности ("+" на электроде, "-" на детали), шаге наплавки 2,3-2,8 мм/об и угле подвода проволоки к детали 15-30о. Скорость подачи проволоки не должна превышать 1,65 м/мин, а скорость наплавки 0,5-0,65 м/мин. Структура и твердость наплавленного слоя зависят от химического состава электродной проволоки и количества охлаждающей жидкости.

Если при наплавке используется проволока Нп-80, то валик в охлаждающей жидкости закаляется до высокой твердости (26-55 HRC). Вибродуговая наплавка под слоем флюса имеет ряд преимуществ: дает возможность наплавлять металл только на изношенную часть, что уменьшает трудоемкость последующей механической обработки; получать наплавленный слой без пор и трещин. Для вибродуговой наплавки под слоем флюса можно применять проволоки марки Нп-80 и флюса АН-348А твердость наплавленного слоя составляет 36-38 HRC. Для увеличения твердости наплавленного слоя до 52-54 HRC к флюсу добавляют по 2% феррохрома и серебристого графита.

Недостатком вибродуговой наплавки является уменьшение до 30% сопротивление усталости наплавленных деталей. Этот показатель можно улучшить термообработкой. При нагреве детали до 150-200оС усадка уменьшается на 15-20% и настолько же повышается сопротивление усталости. Термообработка повышает сопротивление усталости до 80% (по сравнению с сопротивлением усталости новой детали).

Наплавка порошковой проволокой. Дуговая наплавка проводится порошковой проволокой рисунок 1.12, содержащей легирующие добавки, обеспечивающие с одной стороны, высокие механические свойства покрытия (твердость и прочность сцепления), а с другой защиту металла от окисления при наплавке. Используют два типа порошковой проволоки: для наплавки под флюсом и для наплавки открытой дугой без дополнительной защиты.

Режимы наплавки принимаются в зависимости от марки проволоки и диаметра детали. Разбрызгивание электродного материала во время наплавки порошковой проволокой уменьшается при применение постоянного тока низкого напряжения (20-21 В) от источника питания с жесткой внешней характеристикой.

Порошковые проволоки марок ПП-АН122 и ПП-АН128 при наплавке открытой дугой имеют по физико-механическим свойствам наплавленного металла и технологичности некоторые преимущества перед другими материалами: можно увеличить силу тока, т.е. производительность процесса в два раза и более; отпадает операция отделения шлаковой корки от детали после наплавки; наплавленный металл имеет структуру мартенсита и твердость HRC 56-60.

Рисунок 1.12 - Схема наплавки порошковой проволокой

- электрод проволока; 3 - деталь; 5 - ролики подачи проволоки

Существенным недостатком этого способа наплавки является сильный нагрев и деформация вала, образование пор, раковин и трещин в наплавленном слое. Износостойкость наплавленных шеек находится на уровне не наплавленных. Усталостная прочность восстановленных чугунных коленчатых валов снижается. В связи свыше перечисленными недостатками этот способ восстановления чугунных коленчатых валов рекомендовать нельзя.

Наплавка в среде углекислого газа. Этот способ восстановления деталей отличается от наплавки под флюсом тем, что в качестве защитной среды используется углекислый газ. Сущность способа наплавки в среде углекислого газа рисунок 1.13 заключается в том, что электродная проволока из кассеты непрерывно подается в зону сварки.

Рисунок 1.13 - Схема наплавки в среде углекислого газа

- мундштук; 2 - электродная проволока; 3 - горелка; 4 - наконечник; 5 - сопло горелки; 6 - электрическая дуга; 7 - сварочная ванна; 8 - наплавленный металл; 9 - наплавляемая деталь

Ток к электродной проволоки подводится через мундштук и наконечник, расположенной внутри газоэлектрической горелки. При наплавке металл электрода и детали перемещается. В зону горения дуги под давлением 0,05-0,2 МПа по трубке подается углекислый газ, который, вытесняя воздух, защищает расплавленный металл от вредного воздействия кислорода и азота воздуха.

К достоинствам способа относятся - меньший нагрев детали; возможность наплавки при любом пространственном положении детали; возможность наплавки деталей диаметром менее 40 мм. К недостаткам способа можно отнести - повышенное разбрызгивание металла (5-10%), необходимость применения легированной проволоки для получения наплавленного металла с требуемыми свойствами, открытое световое излучение дуги.

Плазменная наплавка. Характеризуется использованием высокотемпературной плазменной струи рисунок 1.14.

Рис. 1.14 - Схема плазменного генератора

- электрод-катод; 2 - сопло; 3 - наплавочная проволока; 4 - восстанавливаемая деталь; 5 - реостат

Наплавляемый материал подают в плазменную струю. Плазменная струя представляет собой частично или полностью ионизированный газ, обладающая свойствами электропроводности и имеющая высокую температуру Она создается дуговым разрядом, размещенном в узком канале специального устройства, при обдуве электрической дуги потоком плазмообразующего газа.

Плазменную струю получают путем нагрева плазмообразующего газа в электрической дуге, горящей в закрытом пространстве. Температура струи достигает 10000-30000оС, а скорость в 2-3 раза превышает скорость звука. В качестве плазмообразующего и транспортирующего газа используется аргон. В этом способе обеспечивается локальный нагрев при наплавке с глубиной проплавления 0,25-0,35 мм, укорачивание коленчатого вала при наплавке отсутствует, качество наплавленного слоя высокое. Недостаток - высокая стоимость применяемого оборудования и оснастки, малая производительность.

Электроконтактная приварка ленты. Из перечисленных выше способов видно что, наилучшие результаты дают способы наплавки с жидкостным охлаждением, подаваемым в зону сварки. Одним из наиболее удачных среди них является наварка ленты на вал. Данный способ аналогичен широко известной роликовой сварке рисунок 1.15.

Рис. 1.15 - Схема электроконтактной приварки ленты

и 3 - ролики; 2 - деталь; 4 - трансформатор; 5 - прерыватель тока

Навариваемая лента прижимается к валу медными роликами. В месте контакта ленты с валом при прохождении электрического тока в несколько тысяч ампер происходит расплавление металла с его одновременным пластическим деформированием за счет прижатия роликом ленты к валу. Слой приваривают ко всей поверхности детали перекрывающими точками за счет регулирования силы и частоты тока. Перекрытие точек достигают вращением детали с частотой, пропорциональной частоте импульсов и скорости продольного перемещения сварочной головки.

Импульсы сварочного тока получают с помощью прерывателей, используемых в контактных сварочных машинах. Для уменьшения нагрева детали и улучшения условий закалки приваренного слоя в зону приварки подают охлаждающую жидкость. Преимущество приварки металлического слоя с охлаждением рабочей зоны заключается в отсутствии нагрева и деформации детали, нанесении на стальную или чугунную поверхность регулируемого по толщине слоя, создание необходимого припуска на обработку, обеспечение закалки слоя непосредственно в процессе приварки, исключение выгорания легирующих элементов, применение различных сочетаний присадочных материалов. Лента для приварки может быть как стальная, так и специальная - порошковая. Практика показала, что порошковая лента здесь не дает каких-либо ощутимых улучшений качества процесса, например, таких, как увеличенные толщина слоя, прочность сцепления с валом, твердость и износостойкость наваренной поверхности. Поэтому использование дешевой стальной ленты более оправдано.

Толщина навариваемой ленты - около 0,5 мм. Способ допускает сварку последовательно двух-трех слоев ленты. Большое число слоев может быть наварено с промежуточным шлифованием и низким отпуском металла для снятия напряжений. Обычно при толщине ленты 0,5 мм удается поднять диаметр на 0,25-0,30 мм при одном слое наварки. Это связано с неровной поверхностью шейки после наварки, из-за чего после шлифования в больший размер на поверхности могут остаться точечные дефекты - раковины. У отверстий для смазки обычно происходит уменьшение слоя металла - металл как бы проваливается в отверстия. Для того, чтобы у отверстий поверхность после шлифования была ровной иногда приходится увеличивать количество слоев наварки.

После наварки отверстия засверливают сверлом с твердо-плавными пластинами. Необходимо полностью очистить края от наваренного металла, т.к. имеет свойство, крошится. Шейки валов подверженные абразивному изнашиванию, упрочняют путем создания на трущихся поверхностях в виде композиционного покрытия опорных контактных площадок из особо твердых материалов, закрепленной в более мягкой связующей матрице.

Твердость, износостойкость и прочность сцепления ленты с деталью зависят от марки стали ленты. Высокую твердость обеспечивают ленты из хромистых и марганцевых сталей. Однако мы не можем выбрать этот способ, так как он обеспечивает восстановление только наружных цилиндрических поверхностей, а заварку шпоночного паза не обеспечит.

Таким образом, из всех перечисленных выше способов восстановления шеек чугунных коленчатых валов видно, что наилучшие результаты дает способ вибродуговой наплавки.

В отличие от других способов как обработка деталей под ремонтный размер (не подходит, если износ шеек превышает последний ремонтный размер, а к остальным изношенным поверхностям вообще не подходит), методов напыления (которые вызывают перегрев вала и его деформацию, а также малая прочность сцепления и выгорание легирующих элементов из напыляемого материала) или способов наплавки без жидкостного охлаждения (которые также вызывают сильный нагрев и деформацию вала) вибродуговая наплавка обладает следующими преимуществами:

не происходит деформации вала за счет непрерывного охлаждения;

минимальная зона термического влияния;

- позволяет получать покрытия высокой твердости (HRC 52-54) и износостойкости;

- возможность получения любой толщины слоя при наплавке;

возможность наплавки валов малого диаметра (20-30 мм);

высокая производительность процесса;

возможность получения наплавленного слоя без пор и трещин.

Так как на предприятии отсутствует ремонт ДВС в полном объеме, а именно ремонт коленчатых валов, поэтому предлагается разработать технологический процесс восстановления коленчатых валов.

Для осуществления качественных ремонтных операций требуется произвести подготовку ремонтных поверхностей мойкой, так как грязь, жировые и масляные пленки приводят к образованию пор и трещин. Часто поступающие в ремонт валы из-за больших нагрузок, испытываемых во время эксплуатации, имеют повышенную деформацию. Для исправления этого дефекта требуется предусмотреть операцию правки. Шлифовку коренных шеек вала производят в центрах станка. Выполнение технологических требований по биению коренных шеек, каждый переход шлифовки производят за одну установку в центрах станка. Для этого в технологический процесс введена операция правки центровых фасок. Обработку шеек вала производят за два раза, черновым и чистовым шлифованием.

Обработка отверстий масляных каналов производится перед чистовым шлифованием, чтобы не испортить номинальные размеры на слесарных операциях. При необходимости готовые коленчатые валы, не прошедшие операцию контроля по биению коренных шеек, правят на прессе. Для этого в технологическом процессе должна быть предусмотрена повторная операция правки.

Восстановление номинальных размеров фланца маховика, шейки под шкив вентилятора и резьбы в отверстии под храповик производят токарным и слесарным способом. Для выполнения технических требований по шероховатости Ra 0,2 шейки коленчатых валов подвергают суперфинишу. Для предотвращения появления следов ржавчины коленчатые валы консервируют смазкой.

Технология восстановления коленчатых валов представлена в таблице 1.9.

Таблица 1.9 - Технология восстановления коленчатых валов

Наименование операции

Оборудование, инструмент

 Слесарная

Установить коленчатый вал в тиски

Верстак слесарный

Отвернуть пробки грязеуловителей

Ключи

Выбить грязь из двух грязеуловителей

Металлический ерш

Снять и перевернуть коленчатый вал


Повторить переход 2 и 3 для остальных шатунных шеек


Снять деталь


 Мойка

Промыть коленчатый вал в горячем растворе каустической соды

Стационарная моющая машина TEKNOX UNIX 120

 Контроль

Установить коленчатый вал первой и пятой коренными шейками на V- образные призмы

Пресс для правки коленчатых валов ROBBI K84

Проверить биение третьей коренной шейки и при биении более 0,2 мм такой вал подлежит правке на прессе

V-образные призмы, встроенный индикатор

Используя кусок мела или подобный предмет, отметьте на шейках точки, соответствующие самому низкому уровню


 Правка

Положить вал на призмы коренными шейками, смежными с местом деформации на шатунной шейке

Пресс для правки коленчатых валов ROBBI K84

Поместите вал меткой мела вверх

Пресс для правки коленчатых валов ROBBI K84

Установить зажимы и сожмите их так, чтобы позволить валу вращаться

Пресс для правки коленчатых валов ROBBI K84

Используя башмак подходящей высоты, приложите гидравлическое давление к деформированной шейке. Обычно достаточно 210 кг/см2 (2500 фунтов на кв.дюйм)

Пресс для правки коленчатых валов ROBBI K84

Галтели этой шейки правятся молотком, используя долото с подходящим радиусом основания. Эта операция сжимает металл в галтели, предотвращая его возвращение в предшествующее правке деформированное состояние.

Молоток пневмaтический КМП 16

Стравите гидравлическое давление и повторно проверьте вал.

Пресс для правки коленчатых валов ROBBI K84

В случае необходимости, повторите вышеупомянутые операции до полного исправления вала

Пресс для правки коленчатых валов ROBBI K84

Всегда перегибайте вал приблизительно. на 0,003 - 0,075 мм, поскольку валы всегда имеют тенденцию к пружинному возврату назад к их первоначальному деформированному состоянию

Пресс для правки коленчатых валов ROBBI K84

 Диагностика

Производиться на наличие скрытых дефектов микропор и трещин

Вихретоковый дефектоскоп ВИД-345

 Предварительное шлифование коренных шеек

Установить вал в центра станка

Круглошлифовальный станок 3Д4320

Шлифовать все коренные шейки

Шлифовальный круг

 предварительное шлифование шатунных шеек

Установить вал в центросмесители по 1 и 4 шатунной шейкам

Круглошлифовальный станок 3Д4320

Шлифовать 1 и 4 шейки

Шлифовальный круг

Повторить переходы 1 и 2 для 2 и 3 шатунных шеек

Центросмесители

Снять деталь


 Зенкование отверстий масляных каналов

Раззенковать масляные отверстия во всех коренных и шатунных шейках

Вертикально-сверлильный станок ZT-19GF, набор зенкеров

Продуть сжатым воздухом масляные отверстия во всех коренных и шатунных шейках

Поршневой компрессор СБ4/С-100.LB30

 Окончательное шлифование коренных шеек

Установить вал в центра станка

Круглошлифовальный станок 3Д4320

Шлифовать все коренные шейки

Шлифовальный круг

 Окончательное шлифование шатунных шеек

Установить вал в центросмесители по 1 и 4 шатунной шейкам

Круглошлифовальный станок 3Д4320

Шлифовать 1 и 4 шейки

Шлифовальный круг

Повторить переходы 1 и 2 для 2 и 3 шатунных шеек

Центросместители

Снять деталь


 Диагностика

Производиться на наличие скрытых дефектов микропор и трещин

Вихретоковый дефектоскоп ВИД-345

 Полирование шеек

Производиться на токарно-винторезном станке CU360M с центросместителями

Приспособление для суперфиниширования шеек вала

 Мойка

Промыть коленчатый вал в горячем растворе каустической соды

Стационарная моющая машина TEKNOX UNIX 120

 Слесарная

Установить коленчатый вал в тиски

Верстак слесарный

Завернуть пробки грязеуловителей

Ключи

Снять и перевернуть коленчатый вал


Повторить переход 2 и 3 для остальных шатунных шеек


Снять деталь


 Балансировка

Баласировка коленчатого вала

Балансировочный станок для коленвалов

Баласировка коленчатого вала в сборе с маховиком


Баласировка коленчатого вала в сборе с маховиком и с корзиной сцепления



1.6 Выбор технологических баз

Точность механической обработки при восстановлении деталей зависит от правильного выбора технологических баз, который требует четкого представления о функциональном назначении поверхности деталей и размерной взаимосвязи между ними, об износе и повреждениях, которые претерпевают эти поверхности.

Технологические базы обрабатывают с высокой точностью. При их выборе руководствуются следующими положениями:

- поверхности, являющиеся базовыми, обрабатываются в первую очередь;

использовать базы завода-изготовителя;

поверхности, связанные с точностью относительного положения (соосность, перпендикулярность, параллельность), обрабатываются с одной установки.

.7 Режим работы предприятия

Предприятие будет работать по пятидневной рабочей недели:

будние дни с 9.00 до 18.00;

обеденный перерыв с 12.00 до 13.00.

выходные дни суббота, воскресенье и праздничные дни.

Праздничными днями являются:

1, 2, 3, 4 и 5 января - Новогодние каникулы;

7 января - Рождество Христово;

23 февраля - День защитника Отечества;

8 марта - Международный женский день;

1 мая - Праздник Весны и Труда;

9 мая - День Победы;

12 июня - День России;

4 ноября - День народного единства.

Штат сотрудников представлен в таблице 1.7.

Все специалисты(слесари) должный иметь четвертый разряд для работы на предприятии. Управленческий персонал, а именно директор, мастер СТО и бухгалтер должны иметь высшее образование, что свидетельствует о высококвалифицированной подготовке персонала.

Таблица 1.7 - Штат сотрудников на предприятии

Должность

Количество работающих

Директор

1

Мастер СТО

1

Бухгалтер

1

Водитель-экспедитор

1

Слесарь по ремонту автомобилей

6

Охранник

3

Уборщица

1

Итого

14


.8 Цели и задачи

Предлагается выполнить СТО специализирующее по ремонту ДВС в полном объеме. Целью дипломного проекта является разработка проекта создание СТО с разработкой участка по ремонту ДВС и получения прибыли.

Для достижения поставленной цели необходимо решить следующие задачи:

подобрать необходимое оборудование и провести технологическую планировку участка по ремонту ДВС;

произвести технологический расчет;

разработать технологический процесс;

разработать приспособление для ремонта ДВС;

произвести расчет связанный, с безопасностью на участке по ремонту ДВС для решения проблем с вентиляцией и заземлением;

произвести экономический расчет эффективности проектных решений.

2. Конструкторская разработка

Разработка приспособления для суперфинишной обработки шеек коленчатых валов по доводки коренных и шатунных шеек коленчатых валов двигателей внутреннего сгорания (ДВС) после их шлифования, с целью снижения шероховатости, вызванную неоднородностью условий предшествующей обработки. Шероховатость шеек после обработки составляет Rа 0,1-0,3, а также повышается их износостойкость в 1,5-2,0 раза, что способствует удлинению срока службы.

.1 Назначение и описание устройства приспособления

Обработка ведется абразивными брусками при вращении детали со скоростью 10-75 м/мин, продольном перемещении бруска со скоростью 0,3-1,5 м/мин и осциллирующем движении его вдоль образующей обрабатываемой шейки с числом колебаний в пределах 500-2000 в минуту. Бруски имеют упругий контакт с поверхностью детали и давление в зоне контакта 2-4 кг/см2. Смазка при суперфинишировании состоит из смеси керосина (75-90%) и веретенного масла (10-15%). Также рекомендуется вводить 3-5% олеиновой кислоты.

Рисунок 3.1 - Приспособление для суперфинишной обработки

Приспособление рисунок 3.1 состоит из редуктора 1, инструментальной державки 2 и электродвигателя 3.

Приспособление закрепляется в резцедержателе токарно-винторезного станка 16К20. Поперечной подачей абразивный брусок 4, закрепленный в инструментальной державке 2 прижимается к обрабатываемой шейки с необходимым давлением, отсчитываемым по шкале 5. Вращение детали и продольная подача приспособления осуществляется шпинделем и поперечным суппортом станка.

Осциллирующее движение абразивного бруска обеспечивается от электродвигателя приспособления с помощью редуктора и эксцентрикового механизма.

.2 Технические характеристики приспособления

Приспособления для суперфинишной обработки шеек коленчатых валов имеет следующие характеристики:

размеры сечения бруска 5×25 мм, из белого электрокорунда и зеленого карбида кремния зернистостью М28-М5 на керамической связке. Так, при исходной шероховатости поверхности Ra=1,0-0,63 применяют бруски зернистостями М28-М14, а при исходной шероховатости поверхности Ra=0,63-0,32 мкм - зернистостями М14-М10.

удельное давление бруска на деталь 4 до кгс/см2,

амплитуда колебаний бруска 3 мм,

частота вращения выходного вала привода 900 об/мин,

мощность электродвигателя 0,03 кВт,

напряжение в сети 127 В,

вес 10 кг.

2.3 Кинематический расчет привода и выбор электродвигателя

Кинематический расчет сводится к определению общего коэффициента полезного действия КПДобщ и передаточного отношения U, входящих в кинематическую схему приспособления рисунок 3.2.

Рисунок 3.2 - Кинематическая схема привода

- электродвигатель, 2 - предохранительная шариковая муфта, 3 - зубчатая передача.

Исходя из технических характеристик приспособления принимаем электродвигатель марки 4А50А4УЗ по ГОСТ 19523 - 74 мощностью N=0,03 кВт, частотой вращения ротора n=1445 мин -1. Двигатель асинхронный, короткозамкнутый, четвертой серии, климатическое исполнение У, категория 3;


(3.1)

где ŋ1 - КПД шариковой муфты, ŋ1 = 0,985;

ŋ2 - КПД одной пары подшипников качения ŋ2 = 0,99;

ŋ3 - к.п.д. зубчатой передачи ŋ3 = 0,97.


Определяем передаточное число привода [10]:

(3.2)

где n1 = 1445 мин-1 - частота вращения входного вала привода;= 900 мин-1 - частота вращения выходного вала привода.


Полученная величина соответствует числу из стандартного ряда (СТ СЭВ 221 - 75) [10].

Находим мощности, передаваемые валами привода [10]:

(3.3)

где Рi - мощность на i-м валу, кВт;

ŋ1, ŋ2, ŋ3,…ŋn - КПД механизмов и устройств, предшествующих i-му валу.

Р1 = 0,03 кВт;

Р2 = 0,028 кВт.

Определяем крутящие моменты на валах привода [10]:

(3.4)

где Р - мощность, передаваемая валом, кВт;- частота вращения этого вала, мин-1.


.4 Выбор материалов и термической обработки зубчатых колес

Принимаем материал [10]:

для шестерни: сталь 45, термообработка - улучшение;

для колеса: сталь 40, термообработка - улучшение.

.5 Допускаемые контактные напряжения при расчете на выносливость

Допускаемые контактные напряжения σНР, МПа, определяем раздельно для шестерни и колеса по формуле [10]:

(3.5)

где σHlim - предел контактной выносливости;- коэффициент долговечности;- расчетный коэффициент запаса прочности для зубчатых колес,= 1,1;- коэффициент, учитывающий шероховатость сопряженных поверхностей зубьев, ZR = 0,95 - при 6-м классе шероховатости.- коэффициент, учитывающий окружную скорость, ZV = 1;- коэффициент, учитывающий влияние смазки, ZL=1;- коэффициент, учитывающий размер зубчатого колеса, ZХ = 1.

Предел контактной выносливости [10]:

σHlim1 = 2ННВср1 + 70 = 2·180 + 70 = 430 МПа;

σHlim2 = 2ННВср2 + 70 = 2·160 + 70 = 390 МПа.

Коэффициент долговечности [10]:

(3.6)

(3.7)

где NH lim - базовое число циклов напряжений, соответствующее пределу выносливости;- эквивалентное число циклов напряжений при расчете контактной выносливости.

Для нашего приспособления принимаем коэффициент долговечности ZN=1.

Следовательно, допускаемые контактные напряжения равны:


.6 Допускаемые напряжения при расчете на выносливость зубьев при изгибе

Допускаемые напряжения σFP при расчете на выносливость зубьев при изгибе, МПа, определяют раздельно для шестерни и колеса по формуле [10]:

(3.8)

где σFlimb - предел выносливости зубьев при изгибе, МПа;- коэффициент безопасности, SF = 1,7;- коэффициент долговечности;

Yδ - коэффициент, учитывающий градиент напряжений и чувствительность материала к концентрации напряжений;- коэффициент, учитывающий шероховатость переходной поверхности, YR = 1,2;- коэффициент, учитывающий размеры зубчатого колеса, YХ=1.

Значения σFlimb определяем по зависимости [10]:

(3.9)

где  - предел выносливости зубьев при изгибе, соответствующий базовому числу циклов перемены напряжений, МПа;- коэффициент, учитывающий технологию изготовления, YT = 1;- коэффициент, учитывающий способ получения заготовки зубчатого колеса, YZ = 1;- коэффициент, учитывающий влияние шлифования переходной поверхности зуба, Yg = 1;- коэффициент, учитывающий влияние деформационного упрочнения и электрохимической обработки переходной поверхности, Yd = 1;А - коэффициент, учитывающий влияние двухстороннего приложения нагрузки, YА = 1.

Пределы выносливости для шестерни и колеса [10]:

= 1,75 · ННВ1 = 1,75·180 = 315 МПа;

= 1,75 · ННВ2 = 1,75·160 = 280 МПа.

Коэффициент YN находим по формуле: [10]

(3.10)

Принимаем YN1 = 1, YN2 = 1.

Коэффициент Yδ находим по формуле: [10]

(3.11)

где m - нормальный модуль, m=2 мм. [13]


Тогда,


.7 Расчет на контактную выносливость активных поверхностей зубьев

Определяем ориентировочное значение межосевого расстояния aw по формуле [10]:

(3.12)

где Ка - вспомогательный коэффициент, Ка = 490 - для цилиндрической передачи;- передаточное число;

Т1Н - крутящий момент на шестерне, Н·м;

ψba - вспомогательный параметр, ψba = 0,25;

КНβ - коэффициент, учитывающий распределение нагрузки по длине контактных линий, КНβ = 1,025;

σНР - допускаемое контактное напряжение, МПа.


Конструктивно принимаем аw = 60 мм.

По значению аw определяем модуль для передачи.

У цилиндрических прямозубых передач стандартным является нормальный модуль. Исходя из конструктивных условий принимаем mn=2 мм ГОСТ 9563 - 80. [10],

Определяем суммарное число зубьев [10]:

(3.13)


Определяем z1 и z2 [10]:

(3.14)

и z2 = zΣ - z1= 60 - 23=37.

Определяем значения основных геометрических параметров передачи [10].

делительные диаметры шестерни и колеса:

= m·z1;= 2·23 = 46 мм;= m·z2;= 2·37 = 74 мм.

диаметры вершин зубьев:

= d1 + 2m;

da1 = 46 + 2·2 = 50 мм;= d2 + 2m;= 74 + 2·2 = 78 мм.

- диаметры впадин зубьев:

= d1 - 2,5m;

df1 = 46-2,5·2 = 41 мм;= d2 - 2,5m;= 74-2,5·2 = 69 мм

- делительное межосевое расстояние:

(3.15)


- ширина колеса:

b2 = bw = ψba · aw;= 0,25·60 = 12 мм.

Принимаем b2 =15 мм.

ширина шестерни:

= b2 + 5;= 15+ 5 = 15 мм.

Принимаем b1 =20 мм

Определяем окружную скорость в зацеплении [10]:

(3.16)


Степень точности передачи - 7 ГОСТ 1613 - 81.

Определяем силы, действующие в зацеплении [10]:

окружная Ft:

(3.17)



- радиальная

= Ft·tg20 = 3,1 Н.

Рисунок 3.3 - Эскиз зубчатого колеса.

.8 Проверочный расчет

Выполняем проверочный расчет на контактную выносливость рабочих поверхностей зубьев. При сопоставлении расчетного контактного напряжения σН (МПа) и допускаемого σНР должно соблюдаться условие [10]:

(3.18)

где ZE - коэффициент, учитывающий механические свойства материалов сопряженных стальных зубчатых колес, ZE=190;Н - коэффициент, учитывающий форму сопряженных поверхностей зубьев в полюсе зацепления ZH=2,5;

Zε - коэффициент, учитывающий суммарную длину контактных линий;

КА - коэффициент, учитывающий внешнюю динамическую нагрузку, КА=1;

КНβ - коэффициент, учитывающий неравномерность распределения нагрузки по длине контактных линий, КНβ = 1,025;

КНα - коэффициент, учитывающий распределение нагрузки между зубьями, КНα = 1,02;

КНV - коэффициент, учитывающий динамическую нагрузку, действующую в зацеплении до зоны резонанса;- окружная сила, Н;- рабочая ширина венца, мм;- делительный диаметр шестерни, мм;- передаточное число передачи, Н;

Коэффициент Zε для зубчатых передач с непрямыми зубьями определяется по формуле[10]:

(3.19)

(3.20)


Коэффициент КНV определяют по формуле [10]:

(3.21)

где νН - динамическая добавка;- удельная окружная динамическая сила, Н/мм;- рабочая ширина венца, мм;- окружная сила, Н;

КА - коэффициент, учитывающий внешнюю динамическую нагрузку;

Удельная окружная динамическая сила, Н/мм, определяется по формуле [10]:

(3.22)


где δH - коэффициент, учитывающий влияние проявление погрешностей зацепления на динамическую нагрузку; δH = 0,06;- коэффициент, учитывающий влияние разности шагов зацепления зубьев шестерни и колеса; g0 = 4,7.

Значения Ft, bw, u и d1 принимают из предыдущих расчетов.


Тогда,


2.9 Расчет зубьев на выносливость при изгибе

Расчет проводят, сопоставляя расчетное напряжение на переходной поверхности зуба σF, МПа, и допускаемое σFР. При этом должно выполняться условие [10]:

(3.23)

где КА - коэффициент, учитывающий внешнюю динамическую нагрузку, КА =1;

КFβ - коэффициент, учитывающий неравномерность распределения нагрузки по длине контактных линий, КFβ = 1,03;

КFα - коэффициент, учитывающий распределение нагрузки между зубьями, КFα = 1,02;

КFV - коэффициент, учитывающий динамическую нагрузку, действующую в зацеплении до зоны резонанса;- окружная сила, Н;- рабочая ширина венца, мм;- коэффициент, учитывающий форму зуба и концентрацию напряжений, YFS1 = 3,9; YFS2 = 3,72.;

Yβ - коэффициент, учитывающий наклон зуба, Yβ =1;

Yε - коэффициент, учитывающий перекрытие зубьев, Yε =1.

Значения Ft, bw и m принимают из предыдущих расчетов.

Коэффициент КНV определяют по формуле [10]:

(3.24)

где νF - динамическая добавка;- удельная окружная динамическая сила, Н/мм;- рабочая ширина венца, мм;- окружная сила, Н;

КА - коэффициент, учитывающий внешнюю динамическую нагрузку;

Удельная окружная динамическая сила, Н/мм, определяется по формуле [10]:

(3.25)

где δF - коэффициент, учитывающий влияние проявление погрешностей зацепления на динамическую нагрузку, δF = 0,11;- коэффициент, учитывающий влияние разности шагов зацепления

зубьев шестерни и колеса, g0 = 4,7.


Тогда,

(3.26)



2.10 Расчет вала

Определяем опорные реакции от сил, действующих в горизонтальной плоскости:

∑МА= - Ft∙16 - RB∙34 + FH∙46=0;

∑Х = - RA + Ft + RB - FH=0;= 8,6 + 7,6 - 8,6 = 7,6 Н;

Определяем опорные реакции от сил, действующих в вертикальной плоскости:

∑МА= Fr∙16 - RB∙34 = 0;

∑Y = RA - Fr + RB = 0;= 3,1 - 1,5 = 1,6 Н;

Результирующий изгибающий момент:

(3.27)

(3.28)


Диаметр вала под колесом [10]:

(3.29)


Из конструктивных условий принимаем размеры вала: dk= 24 мм; dп = 20 мм.

Схема нагружения вала представлена на рисунке 3.3.

Расчет вала на выносливость проводим для наиболее опасного сечения - участок вала под колесом d = 24 мм:

(3.30)

(3.31)

где τ-1 - предел выносливости при симметричном цикле кручения;

σ-1 - предел выносливости при симметричном цикле изгиба;

τa = τm - касательные напряжения в рассматриваемом сечении;

kτ = 1,5; ετ = 0,83; ψτ = 0,1.

(3.32)

где Wкр - момент сопротивления при кручении.

(3.33)

где b, t и d - размеры шпоночного паза.


Рисунок 3.3 - Схема нагрузки вала


Условие усталостной прочности выполняется.

.11 Выбор и расчет подшипников

Исходные данные для расчета: диаметр вала d = 20 мм; частота вращения вала n = 900 мин-1; срок службы Lh = =10000 ч;

Величина действующей нагрузки [11]:

(3.34)


Выбираем подшипник № 1000904 ГОСТ 8328 - 75; d = 20 мм; D = 37 мм;

В = 9 мм; С = 5140 Н; Со = 3120 Н.

Определяем приведенную нагрузку [11]:

Рпр = V∙R∙Kσ∙KT = 60,3∙1∙1,8∙1 = 108,5 H;

где V - коэффициент зависящий от вращения колец (вращается внутренние кольцо), V = 1;

Kσ - коэффициент зависящий от вибрационной нагрузки, Kσ = 1,8;- так как (t<100), KT = 1.

Долговечность подшипника[11]:

(3.35)


Долговечность подшипника обеспечивается.

.12 Расчет шпонки под колесом

Схема эскиза шпоночного соединения представлена на рисунке 3.4

Подбираем шпонку в зависимости от диаметра вала и проверяем на прочность по напряжению смятия [11]:

(3.36)

где Т - крутящий момент на валу, Н мм;- диаметр вала, d=24 мм;- высота шпонки, мм;- длина шпонки, мм; [11],

[σсм] - допускаемое напряжение смятия; [σсм] = 80…100 МПа

Шпонка (b×h×l) ГОСТ 23360 - 78, мм: 6×6×16;

Рисунок 3.4 - Эскиз шпоночного соединения

Шпонка (b×h×l) ГОСТ 23360 - 78, мм: 6×6×16;


.13 Выбор и расчет муфты

Исходя, из условия конструкции приспособления выбираем предохранительную пружинно-шариковую муфту рисунок 3.5 в которой надежность срабатывания обеспечивается за счет размещения между шариками и пружинами подкладок, вследствие чего крайние витки пружины при контакте с шариками разгибаются, вызывая заклинивание шариков в отверстиях, тем самым увеличивают момент срабатывания муфты.

Рисунок 3.5 - Эскиз предохранительной шариковой муфты

Выбранная муфта должна удовлетворять условию [11]:

(3.37)

где [F] - допускаемая сила сжатия пружины, Н;пр - сила сжатия пружины, Н;- окружная сила действующая на шарик, Н;

α - угол наклона касательной в точке касания шарика к оси муфты, α=45;

φ - угол трения между шариком и контактирующей поверхностью, φ=5о;- диаметр окружности, на которой расположены центры шариков,=28 мм;- коэффициент трения в соединении, f=0,15;- 5 мм диаметр шариков, d=5 мм.

(3.38)


Тогда,


Для разработки конструкции редуктора приспособления были выполнены следующие расчеты:

кинематический расчет привода и выбор электродвигателя;

выбор материалов и термической обработки зубчатых колес;

допускаемые напряжения при расчете на выносливость при различных нагрузках;

выбор и расчет подшипников и предохранительной пружинно-шариковой муфты;

проверочный расчет на прочность.

С помощью приспособления заменен ручной труд на механизированный, поэтому улучшается качество обработки и снижается время обработки детали.

3. Безопасность жизнедеятельности на участке по ремонту ДВС

Успешное решение задач по созданию безопасных и безвредных условий труда работающих на предприятиях во многом зависит от широкого применения безопасной техники и коллективных средств защиты. Совершенствование и интеграция производства, применение интенсивных технологий, использование новых материалов, робототехники, гибких производственных систем, выдвигают повышенные требования к созданию безопасных условий труда. В последние годы научно-исследовательскими институтами охраны труда, вузами страны, отраслевыми проектными институтами и промышленными предприятиями разработаны и рекомендованы к широкому использованию высокоэффективные средства коллективной защиты от вредных и опасных производственных факторов, позволяющие создавать здоровые условия труда в соответствии с разработанными нормативными требованиями. Непрерывно совершенствуются средства коллективной защиты от шума и вибраций, электромагнитных излучений, от механического травмирования и тому подобное. На участке важно обеспечить здоровые, с точки зрения гигиены и промышленной санитарии, условия труда.

В таблице 4.1 приведен список установленного на участке по ремонту ДВС оборудования с указанием опасных и вредных производственных факторов.

Таблица 4.1 - Список оборудования на участке по ремонту ДВС

Наименование оборудования

Производственные факторы

Методы защиты

1) Электрорасп-ределитель. 2) Станок круглошлифовальный 3Д4230. 3) Станок вертикально-сверлильный. 4) Токарно-винторезный станок CU500М/1500. 5)Балансировочный станок для коленвалов. 6) Точильно-шлифовальный станок ELMOS 1000DL (настольный)

опасные

Высокое напряжение (220-380 В)

Заземление; наличие деревянной решетчатой подставки на рабочем месте, средства аварийного отключения предохранители (ПЭУ-6, ПЭУ-7)



Движущиеся и вращающиеся части станков

Применение металлических кожухов (ГОСТ 12.3.028-82), средства аварийного отключения (ГОСТ 12.2.117-88)



Наличие стружки и абразивной пыли (до 15 мг/м3)

Спецодежда; средства защиты органов зрения; средства защиты органов дыхания (ССБТ 12.4.005-85, ССБТ 12.4.034-85)



Нагрев детали (t до 300ºС)

Применение защитных перчаток (ССБТ 12.4.010-75)


вредные

Вибрация (до 40 дБ)

Средства индивидуальной защиты рук от вибрации (ССБТ 12.4.002-74)



Шум (до 30 дБ)

Средства защиты органов слуха (ССБТ 12.4.051-87)


Для снижения травматизма важную роль играет укрепление трудовой и производственной дисциплины, строгое выполнение рабочими и служащими правил и норм по технике безопасности, точное соблюдение технологии производства, правильная эксплуатация приборов, механизмов и инструментов, бережное отношение к спецодежде и средствам индивидуальной защиты.

Для наиболее эффективной работы и препятствия возникновению несчастных случаев все работники СТО, в том числе руководитель, обязаны проходить обучение по охране труда и проверку знаний требований охраны труда. Для всех поступающих на работу лиц, а также для лиц, переводимых на другую работу, старший инженер обязан проводить инструктаж по охране труда, организовывать обучение безопасным методам и приемам выполнения работ и оказания первой помощи пострадавшим.

Участок по ремонту ДВС имеет следующие параметры:

длина 12,5 м;

ширина 5,5 м;

высота 4 м;

площадь помещения 69 м2;

объем помещения 276 м3;

площадь покрытия помещения 75 м2;

количество работающих за смену 1 человек;

количество станков 5 шт.;

мощность оборудования 30 кВт.

В настоящее время участок освещается шестью лампами мощностью 200 Вт. Для благоустройства помещения необходимо рассчитать вентиляцию и заземление.

.1 Расчет вентиляции при наличии избытках тепла

Для обеспечения БЖД работников в помещении следует поддерживать требуемое качество воздуха, т.е. оптимальные (в крайнем случае допустимые) параметры микроклимата, постоянство газового состава и отсутствие (в крайнем случае не выше ПДК) вредных примесей в воздухе. Для этого необходимо подавать в эти помещения определенное количество чистого наружного воздуха, потребность в котором регламентируется СНиП 2.04.05-91.

Определяем количество углекислого газа выделяемого в помещении рабочими по формуле [15]:

(4.1)

где N - количество работающих в одну смену, N=1 человек;- массовый расход СО2 для работ средней тяжести, q=60 г/ч;


Определяем тепловыделения в помещении участка:

От людей определяем по формуле [15]:

(4.2)

где N - количество работающих в одну смену, N=1 чел;

Р - теплопоступления от человека, Р=180 Вт/ч.чел;

Кпр - коэффициент перерасчета, Кпр=0,86.


От солнечной радиации через покрытия помещения определяем по формуле [15]:

(4.3)

где Fn - площадь поверхности перекрытия, Fn=75 м2;п - теплопоступления от солнечной радиации через 1 м2 покрытия,п=6 Вт/м2;

Кn - коэффициент теплопередачи покрытия, Кn=1,92;

Кпр - коэффициент перерасчета, Кпр=0,86.


Тепловыделение от перехода механической энергии в тепловую определяем по формуле [15]:

(4.4)

где N∑ - номинальная мощность электродвигателей оборудования, N∑ =30 кВт;

η1 - коэффициент использования установленной мощности электродвигателей, η1=0,8;

η2 - коэффициент загрузки по мощности, η2 =0,6;

η3 - коэффициент одновременной работы двигателей, η3 =0,7;

η4 - коэффициент перехода механической энергии в тепловую, η4 =0,5.


Тепловыделения от источников искусственного освещения определяем по формуле [15]:

(4.5)

где Nсв - мощность светильников, Nсв=1,2 кВт;

h - коэффициент перехода электроэнергии в тепловую, h =0,95;


Расчет воздухообмена (при наличии избытка тепла) определяем по формуле [15]:

(4.6)

где Q∑ - избыток тепла, Q∑ = 7078 кДж/ч;

с - массовая удельная теплоемкость воздуха, с =1 кДж/(кг∙К);- плотность приточного воздуха, q=1,24 кг/м3;в - температура вытяжного воздуха, tв=28оС;пр - температура приточного воздуха, tпр=20оС;


Площадь поперечного сечения общего воздуховода определяем по формуле [15]:

(4.7)

где L - величина воздухообмена на каждом участке, L=691 м3/ч;- скорость движения воздуха в воздуховоде на участке, V=7 м/с;


Диаметр воздуховода определяем по формуле [15]:

 (4.8)


Общие потери напора в сети определяются как сумма местных потерь и потерь на прямых участках:

; (4.9)

где  - местные потери, Па;

 - потери на прямых участках воздуховодов, Па.

а) Местные потери определяем по формуле:

;(4.10)

где  - местные потери, Па;

 - коэффициент местных потерь напора (принимаем на входе в зонт =0,5, а для колена под углом 90о =1,1, для вентилятора =0,5), сопротивлением устройства для выброса воздуха пренебрегаем;

 - скорость воздуха на участке вентиляционной сети,  =7 м/с;

 - плотность движущегося в сети воздуха (=1,28 кг/м3).


б) Потери на прямых участках воздуховодов

(4.11)

где  - потери на прямых участках воздуховодов, Па;

ψт - коэффициент сопротивления движению воздуха в трубе, ψт=0,02;

 - плотность движущегося в сети воздуха, =1,28 кг/м3;

 - длина пути соответствующего участка сети l1=7 м, l2=2 м;т - принятый диаметр трубы на расчетном участке, dт=0,2 м.

а.

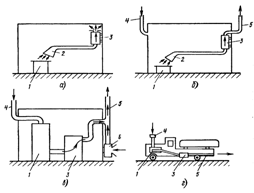
Схема вентиляционной сети представлена на рисунке 4.1

Рисунок 4.1 - Схема местной вентиляционной сети

1 - зонт; 2 - воздухопровод; 3 - колено; 4 - вентилятор; 5 - устройство выброса воздуха

Требуемое давление, создаваемое вентилятором, с учетом запаса на непредвиденные сопротивления сети (10 %):

 (4.12)


С учетом возможных дополнительных потерь при подсосах воздуха в воздуховодах, потребную производительность вентилятора увеличиваем на 10% и потребная производительность вентилятора составляет [15]:

 (4.13)


На основе полученных величин L и P выбираем вентилятор ВЦ14-46-2 в изолированном корпусе производительностью до 980 м3/час, напор до 250 Па, массой 16 кг, с двигателем марки АИР56В4 мощностью привода 0,2 кВт, с частотой вращения 1350 об/мин.

Электробезопасность

Заземление - преднамеренное электрическое соединение какой-либо точки сети, электроустановки или оборудования с заземляющим устройством.

На проектируемом участке СТО для выполнения технологического процесса ремонта ДВС применяется оборудование, работающее от электрической энергии.

В технологическом процессе рабочие органы большей части оборудования приводятся во вращательное движение электродвигателями, а также используются электронагревательные приборы. Поэтому технологическое оборудование является источником повышенной опасности из-за возможности поражения человека электрическим током в результате повреждения изоляции или других причин.

Электротехнические изделия по способу защиты человека от поражения электрическим током делят на пять классов: 0, 01, 1, 2, 3.

Для данного СТО электротехнические изделия по способу защиты человека от поражения электрическим током относятся к классу 01.

Все электротехнические установки и сети подразделяются на две группы: установки и сети с номинальным напряжением до 1000 В и выше 1000 В. На проектируемом СТО все оборудование питается от сети напряжением 380/220 В и относится к электроустановкам первой группы.

По степени электроопасности участок по ремонту ДВС относится к помещениям повышенной опасности по поражению электрическим током.

Основными причинами, приводящими к травматизму являются:

неожиданное появление напряжения там, где его в нормальных условиях не должно быть (корпуса электрического оборудования, щиты и пульты управления и т.д.), что случается в результате пробоя или нарушения изоляции проводов, обмоток;

прикосновение человека к неизолированным токоведущим частям;

недопустимое приближение к частям тоководов, находящихся под напряжением; при этом через тело человека при пробое изоляции, проходит электрический ток;

попадание человека в зону короткого замыкания фазы на землю. При этом по поверхности земли происходит образование электрических потенциалов, что создает предпосылки возникновения шагового напряжения.

Прочие причины:

несогласованность и ошибочные действия обслуживающего персонала, отсутствие надзора и т.д.

Статистика показывает, что примерно 50% смертельных случаев при поражении электрическим током происходит в результате прикосновения человека непосредственно к токоведущим частям, находящимся под напряжением.

Проанализировав, вышесказанное на участке по ремонту ДВС модернизируемой СТО предлагается провести основные меры защиты от поражения электрическим током, а именно:

- обеспечить недоступность токоведущих частей, находящихся под напряжением для случайного прикосновения;

применение двойной изоляции;

защитное заземление.

Расчет защитного заземления

Для защиты обслуживающего персонала от поражения электрическим током предусмотрено в соответствии с "Правилами устройства электроустановок" защитное заземление. Сечение проводников заземляющих устройств подобрано также в соответствии с "Правилами устройств электроустановок". Сеть заземления внутри здания полосовой сталью сечением 25×4 мм, к которому присоединяется металлические части электродвигателей и других электроустановок, находящихся в эксплуатации. Заземляющие устройства подвергаются периодическим проверкам, которые заключаются в контроле технического состояния наземной части заземления не реже одного раза в месяц. Величина сопротивления растеканию тока должна быть выдержана в пределах 4 Ом.

Конструктивно каждое заземление состоит из заземлителя, заземляющей магистрали и заземляющих проводов. Искусственное групповое заземление предлагается выполнять из 10 вертикальных трубных электродов, расположенных в ряд на глубине 1м, и горизонтального полосового электрода сечением 25×4.

Исходные данные:в - длина вертикального заземлителя, lв=3 м;- сечение электрода, d=0,025 м;- расстояние между вертикальными заземлителями, a=3 м;- глубина расположения электродов, t0=1 м;в - расстояние от середины вертикального электрода до поверхности земли, tb=2,5 м;г - расстояние от конца горизонтального электрода до поверхности земли, tг=1 м.

Сопротивление группового заземлителя определяется по формуле[9]:

(4.14)

где Rв, Rг - сопротивление вертикального и горизонтального электродов;

ηв - коэффициент использования вертикального трубного электрода, ηв=0,81;- число вертикальных электродов заземления, n=10;

ηг - коэффициент использования горизонтального полосового электрода, соединяющего вертикальные электроды группового заземлителя, ηг=0,82.

Сопротивление вертикального электрода определяется по формуле [9]:

(4.15)

где ρr - удельное сопротивление грунта, ρr=120 Ом·м;в - расстояние от середины вертикального электрода до поверхности земли, tв=2,5 м;в - длина вертикального заземлителя, lв=3 м;- сечение электрода, d=0,025 м.


Сопротивление горизонтального электрода определяется по формуле:

(4.16)

где В - ширина прямоугольного электрода;г - длина горизонтального полосового электрода.г - расстояние от конца горизонтального электрода до поверхности земли, tг=1 м;

ρr - удельное сопротивление грунта, ρr=120 Ом·м.

Длина горизонтального эдектрода определяется по формуле [9]:

(4.17)

где a - расстояние между вертикальными заземлителями, a=3 м;- число вертикальных электродов заземления, n=10 шт.


Рисунок 4.2 - Схема заземления

- вертикальный электрод; 2 - горизонтальный электрод; 3 - заземляющий проводник.

3.2 Охрана окружающей среды

Охрана окружающей среды - это комплекс мер, направленных на сохранение природных богатств и ресурсов (водных ресурсов, атмосферы и т.д.). Любое авторемонтное предприятие связано с большим количеством вредных веществ, которые выделяются в процессе работы оборудования, деятельности людей. Вредные вещества попадающие в атмосферу в виде пыли, газов, аэрозолей перемешиваются, оседают на поверхности почвы близ лежащих к предприятию районов и загрязняют, разъедают и отравляют плодородный слой, оказывая крайне негативное, а порой и необратимое действие на растительный и животный мир. Резко снизить концентрацию вредных веществ, позволит установка катализаторов, а так же применение специальных средств местной вентиляции в комплексе с аппаратами очистки рисунок 4.3. Металлические отходы производства собирают в короба и периодически отвозят на общезаводской склад металлоотходов. Неметаллические отходы производства, а также масла, краски, химические материалы, мусор собирают в короба и другую тару по видам и направляют на склад отходов. Для заточки твердосплавного инструмента и сбора пылевидных отходов предусмотрены заточные станки, оборудованные индивидуальными пылеуловителями. Предусмотрены мероприятия, обеспечивающие сбор, хранение и сдачу отходов твердых сплавов раздельно по видам и маркам.

Рисунок 4.3 - Схемы использования средств защиты атмосферы

- источник токсичных веществ, 2 - устройство для локализации токсичных веществ (местный отсос); 3 - аппарат очистки; 4 - устройство для забора воздуха из атмосферы; 5 - труба для рассеивания выбросов; 6 - устройство (воздуходувка) для подачи воздуха на разбавление выбросов.

.3 Инструкция по охране труда для слесаря по ремонту автомобилей

К самостоятельной работе слесарем по ремонту автомобилей допускаются лица не моложе 18 лет, имеющие профессиональную подготовку и прошедшие:

предварительный медицинский осмотр. При уклонении от прохождения медицинских осмотров работник не допускается к выполнению трудовых обязанностей;

вводный инструктаж;

обучение безопасным методам и приемам труда и проверку знания безопасности труда;

первичный инструктаж на рабочем месте.

К работе с электрифицированными инструментом и оборудованием допускаются слесари, прошедшие соответствующее обучение и инструктаж, имеющие 1 квалификационную группу по электробезопасности.

Выполнение работ, не связанных с обязанностями слесаря, допускается после проведения целевого инструктажа.

Слесарь обязан:

соблюдать нормы, правила и инструкции по охране труда, пожарной безопасности и правила внутреннего трудового распорядка.

правильно применять коллективные и индивидуальные средства защиты, бережно относиться к выданным в пользование спецодежде, спецобуви и другим средствам индивидуальной защиты.

немедленно сообщать своему непосредственному руководителю о любом несчастном случае, происшедшем на производстве, о признаках профессионального заболевания, а также о ситуации, которая создает угрозу жизни и здоровью людей.

выполнять только порученную работу. Выполнение работ повышенной опасности производится по наряду-допуску после прохождения целевого инструктажа.

Запрещается употреблять спиртные напитки, а также приступать к работе в состоянии алкогольного или наркотического опьянения. Курить разрешается только в специально оборудованных местах.

Опасными и вредными производственными факторами для слесаря при ремонте автомобилей являются:

токсичные, горючие жидкости, смазочные материалы и их испарения;

выхлопные газы двигателя;

электрический ток;

движущиеся части узлов и агрегатов;

острые кромки деталей, узлов, агрегатов, инструмента и приспособлений.

Спецодежда и другие средства индивидуальной защиты выдаются согласно типовым отраслевым нормам.

Работодатель обязан заменить или отремонтировать спецодежду, спецобувь и другие средства индивидуальной защиты, пришедшие в негодность до истечения установленного срока носки по причинам, не зависящим от работника.

При возникновении пожара сообщить в пожарную охрану по телефону (указать номер телефона), руководителю работ и приступить к тушению.

При заболевании или травмировании как на работе, так и вне нее необходимо сообщить об этом руководителю и обратиться в лечебное заведение.

При несчастном случае следует оказать помощь пострадавшему в соответствии с инструкцией по оказанию доврачебной помощи, вызвать работника медицинской службы. Сохранить до расследования обстановку на рабочем месте такой, какой она была в момент происшествия, если это не угрожает жизни и здоровью окружающих и не приведет к аварии.

При обнаружении неисправности оборудования, приспособлений, инструмента сообщить об этом руководителю. Пользоваться и применять в работе неисправные оборудование и инструменты запрещается.

Выполняя трудовые обязанности, слесарь обязан соблюдать следующие требования:

ходить только по установленным проходам, переходным мостикам и площадкам;

не садиться и не облокачиваться на случайные предметы и ограждения;

не подниматься и не спускаться бегом по лестничным маршам и переходным мостикам;

не прикасаться к электрическим проводам, кабелям электротехнических установок;

не устранять неисправности в осветительной и силовой сети, а также пусковых устройствах;

не находиться в зоне действия грузоподъемных машин.

Обращать внимание на знаки безопасности, сигналы и выполнять их требования. Запрещающий знак безопасности с поясняющей надписью "Не включать - работают люди!" имеет право снять только тот работник, который его установил. Запрещается включать в работу оборудование, если на пульте управления установлен запрещающий знак безопасности с поясняющей надписью "Не включать - работают люди!"

При передвижении по территории необходимо соблюдать следующие требования:

ходить по пешеходным дорожкам, тротуарам;

переходить автомобильные дороги в установленных местах;

при выходе из здания убедиться в отсутствии движущегося транспорта.

Для питья следует употреблять воду из сатураторов, оборудованных фонтанчиков или питьевых бачков.

Принимать пищу следует в оборудованных помещениях (столовой, буфете, комнате приема пищи).

Выполнение работ повышенной опасности производится по наряду-допуску после прохождения целевого инструктажа.

Требования безопасности перед началом работы

Надеть спецодежду. Убедиться, что она исправна. Работать в легкой обуви (тапочках, сандалиях, кроссовках, кедах) не разрешается.

Автомобили, направляемые на посты технического обслуживания и ремонта, должны быть вымыты, очищены от грязи и снега. Постановка автомобилей на посты технического обслуживания и ремонта осуществляется под руководством ответственного лица.

После постановки автомобиля на пост необходимо затормозить его стояночным тормозом, выключить зажигание (перекрыть подачу топлива в автомобиле с дизельным двигателем), установить рычаг переключения передач в нейтральное, положение, под колеса подложить не менее двух специальных упоров (башмаков). На рулевое колесо должна быть повешена табличка с надписью "Двигатель не пускать - работают люди!". На автомобилях, имеющих дублирующее устройство для пуска двигателя, аналогичная табличка должна вывешиваться и у этого устройства.

При обслуживании автомобиля на подъемнике на пульте управления подъемником должна быть вывешена табличка с надписью "Не трогать - под автомобилем работают люди!".

В рабочем (поднятом) положении плунжер гидравлического подъемника должен надежно фиксироваться упором (штангой), гарантирующим невозможность самопроизвольного опускания подъемника.

Перед проведением работ, связанных с проворачиванием коленчатого и карданного валов, необходимо дополнительно проверить выключение зажигания (перекрытие подачи топлива для дизельных автомобилей), нейтральное положение рычага переключения передач, освободить рычаг стояночного тормоза.

После выполнения необходимых работ автомобиль следует затормозить стояночным тормозом.

При необходимости выполнения работ под автомобилем, находящимся вне осмотровой канавы, подъемника, эстакады, работники должны обеспечиваться лежаками.

Подмостки должны быть устойчивыми и иметь поручни и лестницу. Металлические опоры подмостей должны быть надежно связаны между собой.

Доски настила подмостей должны быть уложены без зазоров и надежно закреплены. Концы досок должны находиться на опорах. Толщина досок подмостей должна быть не менее 40 мм.

Переносные деревянные лестницы-стремянки должны иметь врезные ступеньки шириной не менее 150 мм.

Лестница-стремянка должна быть такой длины, чтобы рабочий мог работать со ступеньки, отстоящей от верхнего конца лестницы не менее чем на 1 м. Нижние концы лестницы должны иметь наконечники, препятствующие ее скольжению.

Перед снятием узлов и агрегатов системы питания, охлаждения и смазки автомобиля, когда возможно вытекание жидкости, необходимо предварительно слить из них топливо, масло и охлаждающую жидкость в специальную тару, не допуская их пролив.

Перед началом работы с электроинструментом следует проверить наличие и исправность заземления. При работе электроинструментом с напряжением выше 42 В необходимо пользоваться защитными средствами (резиновыми перчатками, галошами, ковриками, деревянными сухими стеллажами).

Перед тем, как пользоваться переносным светильником, необходимо проверить, есть ли на лампе защитная сетка, исправны ли кабель и его изоляция.

Осмотровые канавы, траншеи и тоннели должны содержаться в чистоте, не загромождаться деталями и различными предметами. На полу канавы должны устанавливаться прочные деревянные решетки. Осмотровые канавы и эстакады должны иметь колесоотбойные брусья (реборды).

Автомобили, работающие на газовом топливе, могут въезжать на посты технического обслуживания и ремонта только после перевода их на работу на бензин (дизельное топливо).

Расходные вентили не следует оставлять в промежуточном состоянии: они должны быть или полностью открыты, или полностью закрыты.

Перед въездом необходимо проверить на специальном посту газовую систему питания на герметичность. Въезжать в помещения с негерметичной газовой системой питания запрещается.

Требования безопасности во время выполнения работы

При выполнении операций по техническому обслуживанию, требующему работы двигателя автомобиля, выхлопную трубу соедините с вытяжной вентиляцией, а при ее отсутствии принять меры по удалению из помещения отработанных газов.

При вывешивании части автомобиля, прицепа, полуприцепа подъемными механизмами (домкратами, талями и т.п.), кроме стационарных, необходимо вначале подставить под неподнимаемые колеса специальные упоры (башмаки), затем вывесить автомобиль, подставить под вывешенную часть козелки и опустить на них автомобиль.

Запрещается:

работать лежа на полу (земле) без лежака;

выполнять какие-либо работы на автомобиле (прицепе, полуприцепе), вывешенном только на одних подъемных механизмах (домкратах, талях и т.п.), кроме стационарных;

подкладывать под вывешенный автомобиль (прицеп, полуприцеп) вместо козелков диски колес, кирпичи и другие случайные предметы;

снимать и ставить рессоры на автомобилях (прицепах, полуприцепах) всех конструкций и типов без предварительной их разгрузки от массы кузова путем вывешивания кузова с установкой козелков под него или раму автомобиля.

проводить техническое обслуживание и ремонт автомобиля при работающем двигателе, за исключением отдельных видов работ, технология проведения которых требует пуска двигателя;

поднимать (вывешивать) автомобиль за буксирные приспособления (крюки) путем захвата за них тросами, цепью или крюком подъемного механизма;

поднимать (даже кратковременно) грузы массой более, чем это указано на табличке данного подъемного механизма,

снимать устанавливать и транспортировать агрегаты при зачаливании их тросом или канатами;

поднимать груз при косом натяжении троса или цепей;

работать на неисправном оборудовании, а также с неисправными инструментами и приспособлениями;

оставлять инструмент и детали на краях осмотровой канавы;

использовать случайные подставки и подкладки вместо специального дополнительного упора;

работать с поврежденными или неправильно установленными упорами;

проворачивать карданный вал при помощи лома или монтажной лопатки;

сдувать пыль, опилки, стружку, мелкие обрезки сжатым воздухом.

В зоне технического обслуживания и ремонта автомобилей запрещается:

протирать автомобиль, и мыть агрегаты легковоспламеняющимися жидкостями (бензином, растворителями и т.п.);

хранить легковоспламеняющиеся жидкости и горючие материалы, кислоты, краски, карбид кальция и т.д. в количествах больше сменной потребности;

заправлять автомобиль топливом;

хранить чистые обтирочные материалы вместе с использованными;

загромождать проходы между стеллажами и выходы из помещений материалами, оборудованием, тарой, снятыми агрегатами и т.п.;

хранить отработанное масло, порожнюю тару из-под топлива и смазочных материалов.

При проведении работ по техническому обслуживанию и ремонту автомобилей на газовом топливе необходимо:

поднять капот для проветривания;

выполнять работы по снятию, установке и ремонту газовой аппаратуры только с помощью специальных приспособлений, инструмента и оборудования; агрегаты газовой аппаратуры разрешается снимать только в остывшем состоянии (при температуре поверхности деталей не выше +60°С);

проверять герметичность газовой системы питания сжатым воздухом, азотом или иными инертными газами при закрытых расходных и открытом магистральном вентилях;

предохранять газовое оборудование от загрязнения и механических повреждений;

крепить шланги на штуцерах хомутами.

Регулировку приборов газовой системы питания непосредственно на автомобиле следует производить в отдельном специально оборудованном помещении, изолированном от других помещений перегородками (стенами).

При проведении технического обслуживания и ремонта автомобилей, работающих на газовом топливе, запрещается:

подтягивать резьбовые соединения и снимать с автомобиля детали газовой аппаратуры и газопроводы, находящиеся под давлением;

выпускать сжатый газ в атмосферу или сливать сжиженный газ на землю;

скручивать, сплющивать и перегибать шланги и трубки, использовать замасленные шланги;

устанавливать газопроводы кустарного производства;

применять дополнительные рычаги при открывании и закрывании магистрального и расходных вентилей;

использовать для крепления шлангов проволоку или иные предметы.

При работе гаечными ключами необходимо подбирать их соответственно размерам гаек, правильно накладывать ключ на гайку. Нельзя поджимать гайку рывком.

При работе зубилом или другим рубящим инструментом необходимо пользоваться защитными очками для предохранения глаз от поражения металлическими частицами, а также надевать на зубило защитную шайбу для защиты рук.

Проверять соосность отверстий разрешается при помощи конусной оправки, а не пальцем.

Снятые с автомобиля узлы и агрегаты следует устанавливать на специальные устойчивые подставки, а длинные детали на стеллажи.

При работе пневматическим инструментом подавать воздух разрешается после установки инструмента в рабочее положение.

Соединять шланги пневматического инструмента и разъединять их разрешается после отключения подачи воздуха.

Паяльные лампы, электрические и пневматические инструменты разрешается выдавать лицам, прошедшим инструктаж и знающим правила обращения с ними.

При проверке уровня масла и жидкости в агрегатах запрещается пользоваться открытым огнем.

При замене или доливке масел и жидкостей в агрегаты сливные и заливные пробки необходимо откручивать и закручивать предназначенным для этой цели инструментом.

Для подачи смазки в высоко расположенные масленки необходимо пользоваться стандартной подставкой под ноги в осмотровой канаве.

Для работы спереди и сзади автомобиля и для перехода через осмотровую канаву необходимо пользоваться переходными мостиками, а для спуска в осмотровую канаву и подъема из нее специальными лестницами.

Запрещается:

подключать электроинструмент к сети при отсутствии или неисправности штепсельного разъема;

переносить электрический инструмент, держа его за кабель, а также касаться рукой вращающихся частей до их остановки;

направлять струю воздуха на себя или на других при работе пневматическим инструментом;

устанавливать прокладку между зевом ключа и гранями гаек и болтов, а также наращивать ключ трубой или другими рычагами, если это не предусмотрено конструкцией ключа.

Для испытания и опробования тормозов на стенде необходимо принять меры, исключающие самопроизвольное скатывание автомобиля с валиков стенда.

Работа на диагностических и других постах с работающим двигателем разрешается при включенной местной вытяжной вентиляции, эффективно удаляющей отработанные газы.

Запрещается работать в производственных помещениях, где выделяются вредные вещества, неисправна либо не выключена вентиляция.

На участках и в цехах, где ведутся работы с деталями, загрязненными этилированным бензином, должны устанавливаться бачки с керосином.

В случае попадания этилированного бензина на кожу рук или другие части тела необходимо обмыть эти места керосином, а затем теплой водой с мылом.

Запрещается работать на оборудовании со снятым, незакрепленным или неисправным ограждением.

Работы под поднятыми кузовами автомобилей проводить при установленной упорной штанге, предотвращающей опускание кузова.

Снятие и установку пружин производить специальными съемниками.

Выпрессовку и запрессовку втулок, подшипников и других деталей с плотной посадкой производить с помощью специальных приспособлений, прессов или молотков с медными бойками.

При работе под автомобилем пользоваться защитными очками, лежаками.

При запуске двигателя держать заводную рукоятку так, чтобы все пальцы руки обхватывали ее с одной стороны.

Перед накачиванием шин после их установки на колесо убедиться, что запорное кольцо правильно установлено в пазе диска.

Во избежание травмирования вылетающим диском накачивать колесо следует с предохранительной вилкой или в специальной клети.

Нельзя снимать с автомобиля агрегаты, узлы, в то время, когда под автомобилем работают люди.

Нельзя укладывать и ставить около автомобиля, на подножки, на эстакады снятые агрегаты, узлы и детали, так как они могут упасть и нанести травму работающим.

Требования безопасности в аварийных ситуациях

В случае отключения электропитания прекратить работу и доложить руководителю. Не пытаться самостоятельно выяснять и устранять причину. Помнить, что напряжение может неожиданно появиться.

При возникновении пожара сообщить в пожарную охрану по телефону (указать номер телефона), руководителю работ и приступить к тушению.

При загорании или пожаре необходимо помнить, что тушить электроустановки следует углекислотными огнетушителями, сухим песком во избежание поражения электрическим током.

Разлитое масло и топливо необходимо немедленно удалять с помощью песка или опилок, которые после использования следует ссыпать в металлические ящики с крышками, устанавливаемые вне помещения.

При любой неисправности редукторов высокого и низкого давления, электромагнитного запорного клапана необходимо закрыть расходные и магистральный вентили, а неисправные узлы снять с автомобиля и направить на проверку.

Требования безопасности по окончании работы

Привести в порядок рабочее место. Убирать инструменты и приспособления. Убирать рабочее место от пыли, опилок, стружки, мелких металлических обрезков следует щеткой. Доложить руководителю о возникавших в процессе работы неисправностях. Очистить спецодежду, спецобувь и другие средства индивидуальной защиты. Вымыть лицо и руки мылом или примите душ.

4. Экономическая оценка проектных решений

.1 Расчет капитальных (единовременных) затрат

Расчет капитальных вложений при проектировании осуществляется по формуле [15]:

, (5.1)

где, Ктоб. - стоимость приобретаемого технологического оборудования, руб;

Кт осн. - стоимость приобретаемой технологической оснастки, руб;

Кпр. осн. - стоимость приобретаемой производственной оснастки, руб;

Кпр - прочие затраты, руб;

Кстр - затраты на строительные работы, руб;

Км - затраты на монтаж оборудования, руб;

Кт - затраты на транспортировку, руб.

Стоимость приобретаемого нового технологического оборудования представлена в таблице 5.1.

Таблица 5.1 - Стоимость приобретаемого технологического оборудования

Наименование

Цена за единицу, руб.

Количество, шт.

Стоимость технологического оборудования, руб.

Стационарная моющая машина TEKNOX UNIX 120 SZD AP HT

7700

1

7700

Вертикально-сверлильный станок ZT-19GF

15200

1

15200

Точильно-шлифовальный станок ELMOS 1000DL

4500

1

4500

Токарно-винторезный станок CU500M/1500

845000

1

845000

Круглошлифовальный станок 3Д4320

1800000

1

1800000

Балансировочный станок для коленвалов

200000

1

200000

Пресс ROBBI K84 для правки коленвалов

167000

1

167000

Итого:


7

3039400


Стоимость приобретаемой новой технологической оснастки представлена в таблице 5.2.

Таблица 5.2 - Стоимость приобретаемой технологической оснастки

Наименование

Цена за единицу, руб.

Количество, шт.

Стоимость технологической оснастки, руб.

Вихретоковый дефектоскоп ВИД-345

77300

1

77300

Микрометр гладкий 25-050 мм

2600

1

2600

Микрометр гладкий 50-075 мм

2900

1

2900

Микрометр гладкий 75-100 мм

3400

1

3400

Штангенциркуль 150 мм

610

1

610

Набор сверл по металлу 1,0-13,0 мм, (25шт., в металлическом футляре)

530

1

530

Тиски слесарные поворотные стальные ТСС-160

3300

1

3300

Набор метчиков и плашек с приводными частями НПМ-40

1200

1

1200

Набор зенкеров

1030

1

1030

Молоток пневмaтический КМП14

5700

1

5700

Дрель Makita HP1620 ударная

2900

1

2900

Итого:


11

101470



Стоимость приобретаемого новой технологической оснастки представлена в таблице 5.3.

Таблица 5.3 - Стоимость приобретаемой производственной оснастки

Наименование

Цена за единицу, руб.

Количество, шт.

Стоимость производственной оснастки, руб.

Верстак 2 тумбовый

5200

1

5200

Стеллаж для инструментов

3400

1

3400

Стол железный

1500

1

1500

Урна для мусора

200

1

200

Веник

50

1

50

Итого:


5

10350


Стоимость приобретаемой спецодежды и защитных средств представлена в таблице 5.4

Таблица 5.4 - Стоимость приобретаемой спецодежды и защитных средств

Наименование

Цена за единицу, руб.

Количество, шт.

Стоимость, руб.

Костюм "мастер" темно-синий

600

1

600

Перчатки

20

1

20

Защитные очки

250

1

250

Итого:


3

870


Величину прочих затрат принимаем в процентах от стоимости нового оборудования и комплектующих изделий в размере 10 %:

, (5.2)

руб.

Затраты на транспортировку

Оборудование закупаем в г. Красноярске.

Кт = m ∙ z;


где, m - масса груза = 10т.;- цена 1т. = 30000 руб.

Затраты на монтаж оборудования:

, (5.4)

руб.

Расчет капитальных затрат представлен в таблице 5.5

Таблица 5.5 - Расчет капитальных затрат

Виды расходов

Затраты, руб.

1 Расходы на приобретение технологического оборудования

3039400

2 Расходы на технологическую и производственную оснастку, спецодежду и грузоподъёмное оборудование

111820

3 Расходы на транспортировку

51200

4 Расходы на монтаж

303940

5 Прочие расходы

315122

Итого капитальных затрат:

3795882


.2 Расчёт текущих затрат

Себестоимость включает следующие статьи затрат:

фонд оплаты труда с отчислениями;

затраты на запасные части;

затраты на основные материалы;

общепроизводственные расходы;

внепроизводственные (коммерческие расходы).

Расчёт фонда оплаты труда:

Для расчета затрат по статье фонд оплаты труда необходимо определить общую численность работников предприятия автосервиса:

Nобщ = Nр.р + Nвсп.р + Nр.с + Nс + Nмпс + Nвод, (5.5)

где Nр.р. - численность ремонтных рабочих, Nр.р = 8 чел;всп.р. - численность вспомогательных рабочих, Nвсп.р = 1 чел;р.с. - численность руководителей, специалистов, Nр.с = 2 чел;с - численность служащих Nс = 1 чел;мпс - численность младшего обслуживающего персонала и пожарно-сторожевой службы NМПС = 3 чел.вод - численность водителей Nвод = 1 чел.

чел.

Штатное расписание работников предприятия представлен в таблице 5.6.

Таблица 5.6 - Штатное расписание работников предприятия

Должность

Количество человек

Оклад, руб.

Районный коэффициент 80 %, руб.

Северный коэффициент 80 %, руб.

Всего, руб.

Директор

1

60000

8000

8000

76000

Мастер СТО

1

45000

8000

8000

61000

Бухгалтер

1

50000

8000

8000

66000

Водитель - экспедитор

1

38000

8000

8000

54000

Уборщица

1

13000

8000

8000

29000

Охранник

3

23000

8000

8000

78000

Итого за месяц:

8

275000

8000

8000

291000


Общий фонд оплаты труда работников предприятия:

, (5.6)

где ФЗПр.р. - фонд заработной платы ремонтных рабочих, руб.;

ФЗПвсп.р - фонд заработной платы вспомогательных рабочих, руб.;

ФЗПрс - фонд заработной платы руководителей и специалистов, руб.; принимается согласно штатного расписания;

ФЗПс - фонд заработной платы служащих, руб.; принимается согласно штатного расписания;

ФЗПмпс - фонд заработной платы младшего обслуживающего персонала и пожарно-сторожевой службы, руб; принимается согласно штатного расписания.

Заработная плата ремонтных рабочих:

, (5.7)

где ФЗПосн. - основная заработная плата, руб.;

ФЗПдоп - дополнительная заработная плата, руб.;

, (5.8)

где ЗПтар - тарифный фонд зарплаты, руб.;

ЗПп - сумма начисленной премии, руб.;

ЗПн - доплаты за руководство бригадой и работу в ночное время.

, (5.9)

где Тобщ - общая трудоемкость, Тобщ =14004 чел.-ч;

Сч - часовая тарифная ставка ремонтного рабочего, Сч = 80 руб.;

Кп - поясной коэффициент.

руб.

Премия ремонтным рабочим (руб.)

, (5.10)

где Вп - процент премии принимаем Вп=20%.

руб.

 руб.

Дополнительная заработная плата ремонтным рабочим (руб.)

, (5.11)

где nдоп - процент дополнительной заработной платы, установленный по подразделению принимаем nдоп.=6%.

руб.

руб.

Аналогично производим расчет фонда заработной платы вспомогательных рабочих:

, (5.12)

где ЗПтар - тарифный фонд зарплаты, руб.;

ЗПп - сумма начисленной премии, руб.;

ЗПн - доплаты за руководство бригадой и работу в ночное время.

, (5.13)

где Тобщ - общая трудоемкость вспомогательных рабочих составляет

,4 чел.-ч;

Сч - часовая тарифная ставка вспомогательного ремонтного рабочего,

Сч=65 руб.;

Кп - поясной коэффициент.

руб.

Премия вспомогательным ремонтным рабочим (руб.)

, (5.14)

где Вп - процент премии принимаем Вп=20%.

руб.

 руб.

Дополнительная заработная плата вспомогательным ремонтным рабочим (руб.)

, (5.15)

где nдоп - процент дополнительной заработной платы, установленный по подразделению принимаем nдоп.=6%.

руб.

руб.

руб.

Страховые взносы:

 (5.16)

где 30% - страховые взносы.

руб.

Общепроизводственные расходы:

Затраты на текущий ремонт зданий основного производства принимаем в размере 5% стоимости здания:

 (5.17)

где Сзд - стоимость зданий основного производства.

руб.

Затраты на текущий ремонт оборудования принимаем в размере 2% от стоимости оборудования:

, (5.18)

где Соб - стоимость оборудования.

руб.

Затраты амортизационных отчислений по основным производственным фондам предприятия представлен в таблице 5.7.

Таблица 5.7 - Затраты амортизационных отчислений по основным производственным фондам предприятия

Наименование фондов

Стоимость, руб.

Норма амортизации, %

Амортизационные отчисления, руб.

Здание

4935039

2,6

128311

Сооружения

493504

2,0

9870

Технологическое оборудование

3039400

10

303940

Технологическая и организационная оснастка

111820

14,3

15990,3

Итого



458111


Затраты на силовую электроэнергию:

, (5.19)

где Рсэ - расход силовой энергии, Рсэ=19298 кВт·ч (раздел 3);

Цэ - цена электроэнергии, Цэ =4,5 руб./кВт.

руб.

Затраты на осветительную энергию:

, (5.20)

где Роэ - расход осветительной энергии, Роэ=21897 кВт·ч (раздел 3).

руб.

Затраты на воду определяют для бытовых и технологических нужд.

Затраты на воду для технических целей:

, (5.21)

Где

Рте - расход воды для технических целей, Рте=1120 м3 (раздел 3);

Цтв - цена воды для технических нужд 13,95 руб./м3; для канализации за откачку 166 руб./м3.

, (5.22)

 руб.

руб.

Затраты на отопление:

, (5.23)

где Рот - расход отопления, Рот=212,9 Гкал (раздел 3);

Цот - цена за 1 Гкал отапливаемой площади, Цот = 956,27 руб.

 руб.

Общепроизводственные расходы представлены в таблице 5.8

Таблица 5.8 - Общепроизводственные расходы

Наименование

Сумма, руб.

Затраты на текущий ремонт здания

246752

Затраты на текущий ремонт оборудования

60788

Затраты на амортизацию зданий и оборудования

458111

Затраты на электроэнергию

185378

Затраты на воду

15973

Затраты на канализацию

190070

Затраты на отопление

203896

Итого:

1360968


Общезаводские расходы принимаем в размере 25 % от фонда заработной платы ремонтных рабочих.

,(5.24)

руб.

Внепроизводственные (коммерческие) расходы, связанные с реализацией (сбытом) продукции, определяют в размере 0,5% от суммы затрат на оплату труда с отчислениями на социальные нужды, материалы и запасные части, общепроизводственные и общезаводские расходы

,(5.25)

руб.

Расходы на материалы принимаем в размере 15000 руб. в месяц (по статистическим данным предприятия)

 руб.

Расходы СТО представлены в таблице 5.9.

Таблица 5.9 - Расходы СТО

Статья затрат

Сумма, руб.

Фонд оплаты труда

2917358

Страховые взносы 30 %

875207

Расходы на материалы

180000

Общепроизводственные расходы

1360968

Общезаводские расходы

409701

Внепроизводственные расходы

25482

Итого:

5768716


Себестоимость нормо-часа:

, (5.26)

руб.

4.3 Расчет дохода, прибыли, рентабельности

Расчет прибыли предприятия рассчитывается по формуле:

, (5.33)

где R - рентабельность, принимаем 20%;

Р - расходы предприятия.


Расчет чистой прибыли предприятия по формуле:

, (5.34)

где Пч - чистая прибыль;

П - прибыль;

ЕНВД - единый налог на вмененный доход.


Доходы рассчитываются по формуле:

, (5.35)

где Р - расходы;

П - прибыль.


4.4 Расчет стоимости нормо-часа

Стоимость нормо-часа рассчитывается по формуле:

, (5.36)

где Д - доходы предприятия;

Тобщ - трудоемкость работ по ТО и ТР.


.5 Расчет окупаемости капитальных затрат

Срок окупаемости капитальных затрат определяется по формуле:

 (5.37)

Где

К - капитальные затраты на модернизацию;

Пч - чистая прибыль, руб.


Оценка экономической эффективности проектных решений отражается в табличной форме таблица 5.10.

Таблица 5.10 ¾ Оценка экономической эффективности проектных решений

Показатели

Единица измерения

Значения

Трудоемкость

чел.-ч.

14004

Численность

чел.

16

Доходы

тыс.руб.

7070

Расходы

тыс.руб.

5891

Прибыль

тыс.руб.

1179

Рентабельность

%

20

Капитальные затраты

тыс.руб.

3796



Заключение

В дипломном проекте была рассмотрена тема проектирование СТОА с разработкой участка ремонта ДВС легковых автомобилей в городе Норильске.

При выполнении дипломного проекта была поставлена цель: расширение комплекса услуг на основе размещения на территории станции участка по ремонту ДВС для получения дополнительной прибыли.

В проекте были решены следующие задачи:

¾ рассчитан годовой объем работ по ТО и ТР.

¾ произведен подбор технологического оборудования, разработан технологический процесс и составлена технологическая последовательность операций.

¾ определены потребности в электроэнергии, теплоносителях и воде.

¾ разработано приспособление для суперфинишной обработки шеек коленчатых валов по доводки коренных и шатунных шеек коленчатых валов двигателей внутреннего сгорания (ДВС) после их шлифования, с целью снижения шероховатости и повышения износостойкости в 1,5-2,0 раза, что способствует удлинению срока службы детали.

¾ произведен анализ опасных и вредных производственных факторов.

произведен расчет вентиляции.

произведен расчет заземления.

рассчитаны капитальные затраты предприятия.

произведен расчет текущих затрат.

определена величина налоговых выплат.

произведена экономическая оценка эффективности проектных решений.

Список использованных источников

1. Общесоюзные нормы технологического проектирования предприятий автомобильного транспорта ОНТП-01-91.- М.: ЦБНТИ ГИПРАВТОТРАНС, 2008.- 184 с.

. Проектирование авторемонтных предприятий: Учеб. пособие Дехтеринский Л.В., Абелевич Л.А., Карагодин В.И. и др. - М.: Транспорт, 2009 - 218 с.

. Ремонт автомобилей: Учебник для вузов / Л.В. Дехтеринский, К.Х. Акмаев, В.П. Апсин и др., Под. ред. Л.В. Дехтеринского.- М.: Транспорт, 2010,- 295 с.

. Какуевицкий В.А. "Ресурсо-сберегательные технологии восстановления деталей автомобилей". - М.: Транспорт, 2009, - 76 с.

. Какуевицкий В.А. Применение газотермических покрытий при изготовлении и ремонте машин. - К.: Техника, 2009, - 176 с.

. Охрана труда в электроустановках: Учебник для О-92 вузов / Под ред. Б.А. Князевского.3-е изд., перераб. и доп.- М.: Энергоатомиздат, 2009, - 336 с.

. Расчет и конструирование деталей и узлов машин и методы их испытаний: [Сб. ст] / Кишин. Политехн. ин-т им. С. Лазо; В.В. Атдер (отв. ред.) и др.;- Кишинев: Штиинца, 2009, - 141 с.

. Проектирование приводов и расчет деталей станков: Учеб. пособие / Ю.М. Андрушевич, М.Я. Цлаф, И.Ф. Авдеева: Авиационный ин-т, 2009. - 115 с.

9. Доценко Г.Н. Восстановление чугунных коленчатых валов автоматической наплавкой.- М.: Транспорт, 2009, - 56 с.

10. Луппиан Г.Э., Симонятов В.Г. Восстановление вибродуговой наплавкой коленчатых валов М - 21. // Автоматическая наплавка. 2009. №4.

. Безопасность жизнедеятельности. Учебник для вузов / Ильницкая С.В., Козьяков А.Ф. Под общ. ред. С.В. Белова 2-е изд., испр. и доп. - М.: Высш. шк., 1999. - 448 с.

. Правила по охране труда на автомобильном транспорте / НИИАТ, Минтранс РФ.- М.: ДАТ Минтранс РФ, 2009.

. Дипломное проектирование станций технического обслуживания автомобилей: Б.Д. Колубаев, И.С. Туревский / Москва, ИД "ФОРУМ" - ИНФА-М 2010.

. Учебник Ремонт автомобилей и двигателей - 6 издание, стереотипное / Москва, Издательский центр "Академия" 2012.

. Учебник Ремонт автомобилей, С.А. Скепьян, Москва "ИНФА-М", Минск "Новое поколение" 2013.

. Напольский Г.М. Технологическое проектирование автотранспортных предприятий и станций технического обслуживания: учебник для вузов. - 2-е изд., перераб. И доп. - М.: Транспорт, 2010. - 271.

Похожие работы на - Проектирование станции технического обслуживания с разработкой участка по ремонту двигателей внутреннего сгорания легковых автомобилей в городе Норильске

 

Не нашли материал для своей работы?
Поможем написать уникальную работу
Без плагиата!
Без нейросетей!