Теплоснабжение жилых микрорайонов города Иркутска от котельной
МИНИСТЕРСТВО ОБРАЗОВАНИЯ И НАУКИ
РОССИЙСКОЙ ФЕДЕРАЦИИ
НАЦИОНАЛЬНЫЙ ИССЛЕДОВАТЕЛЬСКИЙ
УНИВЕРСИТЕТ МЭИ
(МОСКОВСКИЙ ЭНЕРГЕТИЧЕСКИЙ ИНСТИТУТ)
ИНСТИТУТ ПРОБЛЕМ ЭНЕРГЕТИЧЕСКОЙ
ЭФФЕКТИВНОСТИ
КАФЕДРА ПРОМЫШЛЕННЫХ
ТЕПЛОЭНЕРГЕТИЧЕСКИХ СИСТЕМ
ТЕПЛОСНАБЖЕНИЕ ЖИЛЫХ МИКРОРАЙОНОВ
ГОРОДА ИРКУТСКА ОТ КОТЕЛЬНОЙ
Студент: Кузнецов А.В.
Курс: 4. Группа: ФП-02-10.
ИСХОДНЫЕ ДАННЫЕ ДЛЯ КУРСОВОГО ПРОЕКТИРОВАНИЯ
СХЕМА МАГИСТРАЛЬНОЙ ТЕПЛОВОЙ СЕТИ
ДАННЫЕ ПО ПОТРЕБИТЕЛЯМ ТЕПЛОТЫ
-ЫЙ ЖИЛОЙ МИКРОРАЙОН
· Тип жилых зданий микрорайона: Квартирного типа, оборудованные
умывальниками, мойками, сидячими ваннами и душами.
· Количество этажей в жилых и общественных зданиях микрорайона:
6.
· Количество проживающих и работающих в микрорайоне: 22500 чел.
· Расчетная
температура воздуха (t
) в помещениях жилых и общественных зданий
микрорайона: 20 ˚С.
· Расчетная
(максимальная) отопительная тепловая нагрузка жилых и общественных зданий
микрорайона (Q
) : 62 МВт.
2-ОЙ ЖИЛОЙ МИКРОРАЙОН
· Тип жилых зданий микрорайона: Квартирного типа, оборудованные
умывальниками, мойками, сидячими ваннами и душами.
· Количество этажей в жилых и общественных зданиях микрорайона:
4.
· Количество проживающих и работающих в микрорайоне: 22500 чел.
· Расчетная
температура воздуха (t
) в помещениях жилых и общественных зданий
микрорайона: 20 ˚С.
· Расчетная
(максимальная) отопительная тепловая нагрузка жилых и общественных зданий
микрорайона (Q
) : 62 МВт.
3-ИЙ ЖИЛОЙ МИКРОРАЙОН
· Тип жилых зданий микрорайона: Квартирного типа, оборудованные
умывальниками, мойками, сидячими ваннами и душами.
· Количество этажей в жилых и общественных зданиях микрорайона:
5.
· Количество проживающих и работающих в микрорайоне: 22500 чел.
· Расчетная
температура воздуха (t
) в помещениях жилых и общественных зданий
микрорайона: 20 ˚С.
· Расчетная
(максимальная) отопительная тепловая нагрузка жилых и общественных зданий
микрорайона (Q
) : 62 МВт.
СИСТЕМА ТЕПЛОСНАБЖЕНИЯ ЖИЛЫХ МИКРОРАЙОНОВ: Водяная, двухтрубная,
открытая, со струйным смешением, с зависимой схемой присоединения отопительных
установок.
Система теплоснабжения жилых микрорайонов 15 суток в году отключается на
испытания и ремонты.
МЕТОД РЕГУЛИРОВАНИЯ ОТПУСКА ТЕПЛОТЫ: Центральный качественный, по
отопи-тельной нагрузке.
В «зоне излома» температурного графика регулирование отопительной тепловой
нагрузки Производится количественным методом.
ТЕМПЕРАТУРНЫЙ
ГРАФИК РЕГУЛИРОВАНИЯ ОТОПИТЕЛЬНОЙ ТЕПЛОВОЙ НАГРУЗ-КИ В РАСЧЕТНОМ РЕЖИМЕ (
/
): 120/70 ˚С.
Температуру
сетевой воды на входе в отопительные приборы жилых и общественных зданий
микрорайонов в расчетном режиме (
) принять
равной 95 ˚С.
СОДЕРЖАНИЕ
ВВЕДЕНИЕ.
1. ОПРЕДЕЛЕНИЕ ТЕПЛОВЫХ НАГРУЗОК ДЛЯ КАЖДОГО ПОТРЕБИТЕЛЯ
ТЕПЛОТЫ
2. ВЫЧИСЛЕНИЕ ГОДОВОГО РАСХОДА ТЕПЛОТЫ ДЛЯ ВСЕХ
ПОТРЕБИТЕЛЕЙ ТЕПЛОТЫ (ГРАФИЧЕСКИМ И РАСЧЕТНЫМ СПОСОБОМ). ОПРЕДЕЛЕНИЕ
ПОГРЕШНОСТИ РАСЧЕТНОГО СПОСОБА ВЫЧИСЛЕНИЯ ГОДОВОГО РАСХОДА ТЕПЛОТЫ (ПО
СРАВНЕНИЮ С ГРАФИЧЕСКИМ)
. РАСЧЕТ И ПОСТРОЕНИЕ ГРАФИКОВ ТЕМПЕРАТУР И РАСХОДОВ
СЕТЕВОЙ ВОДЫ ДЛЯ СИСТЕМЫ ТЕПЛОСНАБЖЕНИЯ МИКРОРАЙОНОВ (ПРЕДСТАВИТЬ
ПРИНЦИПИАЛЬНУЮ СХЕМУ СИСТЕМЫ ТЕПЛОСНАБЖЕНИЯ)
4. ГИДРАВЛИЧЕСКИЙ РАСЧЕТ ВОДЯНОЙ ТЕПЛОВОЙ СЕТИ (ДЛЯ
РАСЧЕТНОГО И ЛЕТНЕГО РЕЖИМОВ РАБОТЫ)
. ПОСТРОЕНИЕ ПЬЕЗОМЕТРИЧЕСКОГО ГРАФИКА ДЛЯ ВОДЯНОЙ
ТЕПЛОВОЙ СЕТИ (ДЛЯ РАСЧЕТНОГО И ЛЕТНЕГО РЕЖИМОВ РАБОТЫ)
. ВЫБОР СЕТЕВЫХ И ПОДПИТОЧНЫХ НАСОСОВ. ОПРЕДЕЛЕНИЕ
СУММАРНЫХ И УДЕЛЬНЫХ ЗАТРАТ ЭЛЕКТРОЭНЕРГИИ НА ПЕРЕДАЧУ (ТРАНСПОРТИРОВКУ)
ТЕПЛОВОЙ ЭНЕРГИИ
7. ВЫБОР КОТЕЛЬНОГО ОБОРУДОВАНИЯ И ПРИНЦИПИАЛЬНОЙ СХЕМЫ
КОТЕЛЬНОЙ
. ОПРЕДЕЛЕНИЕ НОРМАТИВНЫХ ТЕПЛОВЫХ ПОТЕРЬ В ТЕПЛОВЫХ СЕТЯХ
ЗАКЛЮЧЕНИЕ
СПИСОК ЛИТЕРАТУРЫ
ПЕРЕЧЕНЬ ГРАФИЧЕСКОГО МАТЕРИАЛА КУРСОВОГО ПРОЕКТА
1. СХЕМА ТЕПЛОВОГО ПУНКТА ЖИЛОГО МИКРОРАЙОНА С ТЕМПЕРАТУРНЫМ ГРАФИКОМ И
ГРАФИКОМ РАСХОДА СЕТЕВОЙ ВОДЫ - 1 лист (формат А1).
2. ПЬЗОМЕТРИЧЕСКИЙ ГРАФИК ВОДЯНОЙ ТЕПЛОВОЙ СЕТИ - 1 лист (формат
А1).
. ПРИНЦИПИАЛЬНАЯ ТЕПЛОВАЯ СХЕМА КОТЕЛЬНОЙ - 1 лист (формат А2).
Введение
Системы теплоснабжения необходимы для обеспечения потребителей теплом в
виде нагретой сетевой воды или нагретого (насыщенного) водяного пара.
Система централизованного теплоснабжения включает три основных звена:
· Потребители тепловой энергии
· Тепловые сети
· Источник теплоснабжения (котельная, ТЭЦ).
Потребители теплоты - это установки, здания и люди, которым тепловая
энергия необходима для удовлетворения своих потребностей.
Для жилых, общественных и административно-бытовых зданий тепловая энергия
необходима для отопления, горячего водоснабжения, вентиляции. На промышленных
предприятиях для проведения тепловых технологических процессов (сушка,
выпаривание, подогрев и т.д.).
Каждый потребитель в любой произвольно взятый момент времени должен
получать именно то количество теплоты, которое ему необходимо. Если в какой-то
момент времени источник будет вырабатывать и выпускать теплоту в меньшем или
большем количестве, то коммунально-бытовой потребитель теплоты (КБПТ)
почувствует дискомфорт.
Тепловые сети (ТС) - это элемент системы централизованного
теплоснабжения, через которые тепловая энергия доставляется потребителям теплоты.
Тепловые сети предназначены для обеспечения надежной подачи теплоты и
точности ее распределения между потребителями при этом потери теплоты при
транспортировке должны быть минимальными.
Тепловые сети включают в свой состав трубопроводы, запорную и регулирующую
арматуру, а также сетевые, подпиточные и повысительные насосы.
Источники теплоснабжения (ИТ) - необходимы для выработки того количества
энергии, которое необходимо потребителю.
В данной работе мы рассмотрели теплоснабжение трех жилых микрорайонов
города Иркутск.
1.
Определение тепловых нагрузок для каждого потребителя теплоты. Первый жилой
микрорайон
Определение средней тепловой нагрузки на отопление, вентиляцию и горячее
водоснабжение зданий первого жилого микрорайона
Тип жилых зданий микрорайона: Квартирного типа, оборудованные
умывальниками, мойками, сидячими ваннами и душами:
Среднюю тепловую нагрузку на горячее водоснабжение для отопительного
периода находим по следующей формуле:
кВт
Рассчитываем
среднюю тепловую нагрузку на горячее водоснабжение для летнего периода по
следующему выражению:
кВт
где
агв=
98 л/сут · чел - общая норма расхода воды (одним потребителем) в средние сутки
(смену) (принимаем по [1]);
bгв = 25 л/сут ·
чел - норма расхода горячей воды на одного человека, работающего в
общественном, административно-бытовом или производственном здании при
отсутствии точных данных;
M=22500 чел -
количество потребителей воды, проживающих и работающих в микрорайоне;
tхв = 5 ºС - температура холодной воды у водоразборных приборов
зданий;
tгв = 55 ºС- температура горячей воды у водоразборных приборов
зданий(принимаем равной 60 ºС так
как нет точных данных)
СВ
= 4,19 кДж/(кг· ºС) -теплоемкость воды.
Определяем
расчетную (максимальную) тепловую нагрузку на горячее водоснабжение зданий для
отопительного периода первого жилого микрорайона по следующему выражению:
кВт
где
-
коэффициент часовой неравномерности потребления воды (принимаем из диапазона 2
2,4)
Максимальная
тепловая нагрузка на горячее водоснабжение зданий первого жилого микрорайона в
летний период находится по формуле:
кВт
Расчетная
(максимальная) тепловая нагрузка на отопление заданий одинакова для всех
микрорайонов:
.
Второй жилой микрорайон.
Средняя тепловая нагрузка на горячее водоснабжение для отопительного
периода:
кВт.
где
- агв= 144 л/сут · чел - общая норма расхода воды (одним потребителем) в
средние сутки (смену) (принимаем по [1]); а все остальные значения как и для
первого микрорайона.
Средняя тепловая нагрузка на горячее водоснабжение для летнего периода:
кВт
Расчетная
(максимальная) тепловая нагрузка на горячее водоснабжение зданий для
отопительного периода первого жилого микрорайона:
кВт
Максимальная
тепловая нагрузка на горячее водоснабжение зданий первого жилого микрорайона в
летний период:
кВт
Третий жилой микрорайон.
Для третьего микрорайона все значения тепловых нагрузок такие же, как и
для первого. Так как высота этажей в первом 6, в третьем 5. Следовательно, агв
- общая норма расхода воды одним потребителем в средние сутки (смену)
(принимаемая по [1]) одинакова для обоих микрорайонов.
Суммарная тепловая нагрузка на горячее водоснабжение для трех жилых
микрорайонов.
Определение средней суммарной тепловой нагрузки на горячее водоснабжение
для трех жилых микрорайонов (отопительный период):
кВт
Определение
средней суммарной тепловой нагрузки на горячее водоснабжение для трех жилых
микрорайонов в летний период:
кВт
Определение
расчетной (максимальной) суммарной тепловой нагрузки на горячее водоснабжение
для трех жилых микрорайонов (отопительный период):
кВт
Определение
расчетной (максимальной) суммарной тепловой нагрузки на горячее водоснабжение
для трех жилых микрорайонов в летний период:
кВт
Суммарная
расчетная (максимальная) отопительная тепловая нагрузка для трех жилых
микрорайонов.
МВт
Данные
по расчёту тепловых нагрузок сведены в таблицу 1.1.
Т
а б л и ц а 1.1 Итоги расчета тепловых нагрузок на отопление и горячее
водоснабжение
|
Наименование района
|
Qo,кВт
|
Qгвр,кВт
|
ΣQ, кВт
|
|
|
в отопительный период
|
в летний период
|
в отопительный период
|
в летний период
|
|
1 микрорайон
|
62000
|
19483
|
15943
|
81483
|
15943
|
|
2 микрорайон
|
62000
|
26774
|
21907
|
88774
|
21907
|
|
3 микрорайон
|
62000
|
19483
|
15943
|
81483
|
15943
|
|
Всего по трем микрорайонам
|
186000
|
65740
|
53793
|
251740
|
53793
|
2. Вычисление годового расхода теплоты для всех
потребителей теплоты (графическим и расчетным способом). Определение погрешности
расчетного способа вычисления годового расхода теплоты (по сравнению с
графическим)
Вычисление годового расхода теплоты для всех потребителей теплоты
графическим способом.
Расчетная температура воздуха в помещениях жилых, общественных зданий
микрорайона: 20 ˚С
Расчетная (максимальная) отопительная тепловая нагрузка жилых и
общественных зданий трёх микрорайонов: 186 МВт
В соответствии со [2]:
температура наружного воздуха для проектирования систем отопления и
вентиляции для г. Иркутск равна -38˚С
Таблица 2.1 Повторяемость температур наружного воздуха для г. Иркутск.
|
Температура
|
Ниже -45
|
-40
|
-35
|
-30
|
-25
|
-20
|
-15
|
-10
|
-5
|
0
|
+8
|
|
Часы
|
-
|
7
|
51
|
114
|
286
|
406
|
866
|
870
|
700
|
1020
|
1460
|
Всего часов: 5780
Отопительная тепловая нагрузка при температуре наружного воздуха равной
+8 ˚С :
МВт
Суммарная
расчетная тепловая нагрузка на ГВС: 65740 кВт
Суммарная
расчетная тепловая нагрузка на ГВС для летнего периода: 53793 кВт
Сумма
тепловых нагрузок для отопительного периода при
= -38 ˚С:
МВт
Сумма
тепловых нагрузок при
=+8 ˚С:
МВт
Сумма
тепловых нагрузок для летнего периода:
МВт
Данные
для построения графика изменения тепловых нагрузок в зависимости от изменения
температур наружного воздуха приведены в таблице 2.2.
Таблица
2.2 Данные для построения графика изменения тепловых нагрузок в зависимости от
изменения температур наружного воздуха.
|
tн
|
Qо, МВт
|
Qгв, МВт
|
∑Q,
МВт
|
|
tн = tнро= - 38 ºС
|
186
|
65,74
|
251,74
|
|
tн = tно = +8 ºС
|
38,48
|
65,74
|
104,22
|
|
+8
ºС <tн < +20 ºС
|
0
|
53,793
|
53,793
|
|
tн = tвр= +20 ºС
|
0
|
53,793
|
53,793
|
Рисунок 2.1.Графики изменения тепловых нагрузок в зависимости от
изменения температуры наружного воздуха.
Таблица 2.3 Данные для построения графика изменения суммарной тепловой
(отопление и ГВС) нагрузки от повторяемости температур наружного воздуха.
|
Температура наружного
воздуха, °С
|
Суммарная тепловая нагрузка
на систему ГВС, кВт
|
Суммарная тепловая нагрузка
на систему отопления, кВт
|
Суммарная тепловая нагрузка
на системы ГВС, отопления, кВт
|
|
-38
|
65740
|
186000
|
251740
|
|
-35
|
65740
|
176379
|
242119
|
|
-30
|
65740
|
160345
|
226085
|
|
-25
|
65740
|
144310
|
210050
|
|
-20
|
65740
|
128276
|
194016
|
|
-15
|
65740
|
112241
|
177981
|
|
-10
|
65740
|
96207
|
161947
|
|
-5
|
65740
|
80172
|
145912
|
|
0
|
65740
|
64138
|
129878
|
|
+8
|
65740
|
38480
|
104220
|
|
+8 < tн ≤+
20
|
53793
|
0
|
53793
|
Рисунок
2.2. Графики изменения суммарной тепловой нагрузки от повторяемости температуры
наружного воздуха (график Россандера)
Продолжительность
отопительного периода: no =5780 часов.
На
15 дней в году система теплоснабжения отключается для профилактических работ.
Время
работы системы теплоснабжения в течение года: nцт = 24*350=
8400 часов.
Годовой
расход теплоты для всех потребителей теплоты вычисленный графическим способом
определяется по следующему выражению:
Вычисление
годового расхода теплоты для всех потребителей теплоты расчетным способом:
Определяем
отопительную тепловую нагрузку среднюю за отопительный период по следующему
выражению:
МВт
где
= -8,9 ºС-температура наружного воздуха средняя за
отопительный период
Вычислим
годовой расход теплоты на отопление зданий по следующей формуле:
МВт*час
Находим
годовой расход теплоты на горячее водоснабжение для коммунально-бытовых
потребителей по формуле:
МВт*час
Определяем
годовой расход теплоты всеми потребителями расчетным способом:
МВт*час
Определение
погрешности расчетного способа вычисления годового расхода теплоты (по
сравнению с графическим способом):
где
- годовой
расход теплоты определённый графическим методом(
= 1092
ГВт*час)
-
годовой расход теплоты определённый расчётным методом (
= 1076,72 ГВт*час)
.
Расчет и построение графиков температур
и расходов сетевой воды для системы теплоснабжения микрорайонов
Расчет регулирования отпуска теплоты для систем отопления жилых и
общественных зданий. Определение основных показателей качества потребления
тепловой энергии.
Определение расходов сетевой воды в подающем и обратном трубопроводах
тепловой сети.
Система теплоснабжения водяная, двухтрубная, открытая, со струйным
смешением, с зависимой схемой присоединения отопительных установок.
Температурный
график регулирования отопительной тепловой нагрузки в расчетном режиме
: 120/70 C.
Рассчитать
температурный перепад в системе отопления в расчетном режиме:
С
Температура
сетевой воды на входе в отопительные приборы жилых и общественных зданий
микрорайонов в расчетном режиме
С.
Найти
разность температур сетевой воды в отопительных приборах в расчетном режиме:
С
Определить
температурный напор отопительных приборов в расчетном режиме:
С
Рассчитать
температуру начала “излома” температурного графика:
Температура
сетевой воды в подающем трубопроводе тепловой сети в зоне излома: τо1 = 70 ºС
Относительная
отопительная тепловая нагрузка:
С
Методом
последовательных приближений найти значение:
С
Определить
температуру сетевой воды в подающем и обратном трубопроводе тепловой сети и на
входе в отопительные приборы в зависимости от температуры наружного воздуха:
Последовательно
принимая значение tн = -38; -35; -30; -25; -20; -15; -10; -6,18; ºС, найти значения
, τо1, τо2, τо3 и
заносим их в сводную таблицу 3.1.
Данные,
полученные в результате расчета температуры сетевой воды в подающем и обратном
трубопроводе тепловой сети, занесены в таблицу 3.1.1.
Таблица
3.1.1 - Значения температур сетевой воды в зависимости от температуры наружного
воздуха при центральном качественном регулировании тепловой нагрузки
|
tн , ºС
|
Qо, МВтτо1, ºСτо2, ºСτо3, ºСGо,кг/сGоз,кг/с
|
|
|
|
|
|
|
|
-38
|
1
|
186
|
120
|
70
|
95
|
887,83
|
1776
|
|
-35
|
0.948
|
176,379
|
115.46
|
68.047
|
91,754
|
887,83
|
1776
|
|
-30
|
0,862
|
160,345
|
107,83
|
64,727
|
86,279
|
887,83
|
1776
|
|
-25
|
0,776
|
144,31
|
100,111
|
61,318
|
80,714
|
887,83
|
1776
|
|
-20
|
0,69
|
128,276
|
92,291
|
57,808
|
75,049
|
887,83
|
1776
|
0,603
|
112,241
|
84,354
|
54,181
|
69,268
|
887,83
|
1776
|
|
-10
|
0,517
|
96,207
|
76,28
|
50,418
|
63,349
|
887,83
|
1776
|
|
-6,18
|
0,451
|
83,957
|
70,00
|
47,434
|
58,718
|
887,83
|
1776
|
График температур сетевой воды в зависимости от температуры наружного
воздуха представлен на рисунке 3.1.
Определяется относительная тепловая нагрузка для “зоны излома”
температурного графика:
В
“зоне излома” температурного графика регулирование отопительной тепловой
нагрузки производится количественным методом. При этом методе регулирования
отопительная тепловая нагрузка задается относительным расходом сетевой воды в
системе отопления 0<
<1.
Например,
в точке излома:
t =
-6,18˚C
Расчёт температуры сетевой воды в обратном трубопроводе системы
теплоснабжения:
˚С
Температура
сетевой воды на входе в отопительные приборы:
°С
Расходы сетевой воды для зоны излома температурного графика:
Аналогичные
расчеты температур сетевой воды и расхода для других температур наружного
воздуха приведены в таблице 3.2.
Последовательно
принимая значение tн = -6; - 3; 0; 2; 5; 8 ºС , находим значения
и τо3 и заносим их в сводную таблицу 3.2.
Таблица
3.2. Сводная таблица значений температур сетевой воды в зависимости от
температуры наружного воздуха в “зоне излома” при регулировании тепловой
нагрузки “местными пропусками”:
|
tн , ºС
|
Qо, МВтτо1, ºСτо2, ºСτо3, ºСGо,кг/сGоз,кг/с
|
|
|
|
|
|
|
|
-6,18
|
0.451
|
83,96
|
70
|
47.434
|
58,718
|
887,8
|
1776
|
|
-6
|
0,448
|
83,38
|
70
|
47,586
|
58,497
|
876,3
|
1776
|
|
-3
|
0,397
|
73,76
|
70
|
44,864
|
54,778
|
700,3
|
1776
|
|
0
|
0,345
|
64,14
|
70
|
42,356
|
50,977
|
553,7
|
1776
|
|
2
|
0,310
|
57,72
|
70
|
40,631
|
48,390
|
469,1
|
1776
|
|
5
|
0,259
|
48,10
|
70
|
37,951
|
44,417
|
358,2
|
1776
|
|
8
|
0,207
|
38,48
|
70
|
35,135
|
40,307
|
263,4
|
1776
|
График температур сетевой воды в зависимости от температуры наружного
воздуха представлен на рисунке 3.1.
Рисунок 3.1
График и расхода сетевой воды в зависимости от температуры наружного
воздуха представлен на рисунке 3.2.
Рисунок 3.2
Расчет местного подрегулирования отпуска теплоты для систем горячего
водоснабжения жилых и общественных зданий.
Определение величины расчетного расхода сетевой воды, которая поступает к
водоразборным приборам:
Результат расчёта температур сетевой воды в подающем, обратном
трубопроводах, а также и на входе в отопительные приборы сведён в таблицу 3.3.
Таблица 3.3. Температуры сетевой воды
|
tн , ºС
|
τо1, ºС
|
τо2, ºС
|
τо3, ºС
|
|
-38
|
120
|
70
|
95
|
|
-35
|
115.46
|
68.047
|
91,754
|
|
-30
|
107,83
|
64,727
|
86,279
|
|
-25
|
100,111
|
61,318
|
80,714
|
|
-20
|
92,291
|
57,808
|
75,049
|
|
-15
|
84,354
|
54,181
|
69,268
|
|
-10
|
76,28
|
50,418
|
63,349
|
|
-6,18
|
70
|
47,434
|
58,718
|
|
-6
|
70
|
47,586
|
58,497
|
|
-3
|
70
|
44,864
|
54,778
|
|
0
|
70
|
42,356
|
50,977
|
|
2
|
70
|
40,631
|
48,390
|
|
5
|
70
|
37,951
|
44,417
|
|
8
|
70
|
35,135
|
40,307
|
Весь интервал наружных температур от tн = tнро =
-38
ºС до tн = +8 ºС разбиваем на 2 зоны:
1)
Первая зона возникает, когда
-
55+5=60
Во
этой зоне водоразбор сетевой воды для систем горячего водоснабжения
осуществляется из обратного трубопровода тепловой сети.
При
этом β =0, а 1- β =1.
Определение
расхода сетевой и водопроводной воды на горячее водоснабжение в первой зоне:
Расчёт
проводим для
= -38
.
Расход сетевой воды на горячее водоснабжение из обратного трубопровода
системы теплоснабжения:
Расход
сетевой воды на горячее водоснабжение из подающего трубопровода системы
теплоснабжения для первой зоны равен 0.
Чтобы
понизить температуру сетевой воды после системы отопления зданий до уровня
, необходимо в смесителе сетевой воды подмешивать
холодную водопроводную воду.
Расход
холодной водопроводной воды на горячее водоснабжение:
Суммарный
расход сетевой воды, поступающей на ТП из подающего трубопровода тепловой сети:
Суммарный
расход сетевой воды, поступающей из ТП в обратный трубопровод тепловой сети:
)
Вторая зона возникает, когда
При
этом 0< β
1; 1
1- β>0
Расчёт
проводим для
= -20 ºС.
Расход сетевой воды на горячее водоснабжение из подающего трубопровода
системы теплоснабжения:
Расход сетевой воды на горячее водоснабжение из обратного трубопровода
системы теплоснабжения:
Суммарный
расход сетевой воды на горячее водоснабжение из подающего трубопровода системы
теплоснабжения:
Суммарный расход сетевой воды на горячее водоснабжение из обратного
трубопровода системы теплоснабжения:
Результаты расчёта расходов сетевой воды приведены в таблице3.4.
Таблица 3.4. Расходы сетевой воды
|
tн , ºС
|
     
|
|
|
|
|
|
|
|
-38
|
887,8
|
285,27
|
241,38
|
0,00
|
646,42
|
887,80
|
43,89
|
|
-35
|
887,8
|
285,27
|
248,86
|
0,00
|
638,94
|
887,80
|
36,41
|
|
-30
|
887,8
|
285,27
|
262,69
|
0,00
|
625,11
|
887,80
|
22,58
|
|
-25
|
887,8
|
285,27
|
278,59
|
0,00
|
609,21
|
887,80
|
6,68
|
|
-20
|
887,8
|
285,27
|
267,14
|
18,13
|
620,66
|
905,93
|
0
|
|
-15
|
887,8
|
285,27
|
230,25
|
55,02
|
657,55
|
942,82
|
0
|
|
-10
|
887,8
|
285,27
|
179,58
|
105,69
|
708,22
|
993,49
|
0
|
|
-6,18
|
887,8
|
285,27
|
126,42
|
158,85
|
761,38
|
1046,65
|
0
|
|
-6
|
876,3
|
285,27
|
127,27
|
158,00
|
749,03
|
1034,30
|
0
|
|
-3
|
700,3
|
285,27
|
113,49
|
171,78
|
586,81
|
872,08
|
0
|
|
0
|
553,7
|
285,27
|
103,19
|
182,08
|
450,51
|
735,78
|
0
|
|
2
|
469,1
|
285,27
|
97,13
|
188,14
|
371,97
|
657,24
|
0
|
|
5
|
358,2
|
285,27
|
89,01
|
196,26
|
269,19
|
554,46
|
0
|
|
8
|
263,4
|
285,27
|
81,82
|
203,45
|
181,58
|
466,85
|
0
|
Рисунок 3.3
График изменения расхода сетевой воды, идущей на горячее водоснабжение и
отопление.
. Гидравлический расчет водяной
тепловой сети
По принципиальной схеме водяной тепловой сети определяется наиболее
удаленный потребитель от источника теплоснабжения:
Будем
считать, что головная магистраль проходит от источника теплоснабжения до
третьего жилого микрорайона, тогда:
,
2 и 3 участки - это участки головной магистрали;
и
5 участки - это участки ответвлений от головной магистрали.
Определение
расчетных расходов сетевой воды на всех участках тепловой сети:
Так
как система теплоснабжения водяная открытая, примем k3 =0.6.
Пятый
участок:
Четвертый
участок:
Третий
участок:
Второй
участок:
Первый
участок:
По
справочным данным определяются физические свойства сетевой воды в подающем и
обратном трубопроводах тепловой сети.
Для
расчетного режима:
кг/
/с
кг/
/с
Для
летнего режима:
кг/
/с
кг/
/с
Вычисляется
среднее значение для плотности и кинематической вязкости сетевой воды.
Для
расчетного режима:
кг/
Для
летнего режима:
кг/
/с
Выполняется
гидравлический расчет трубопровода каждого участка головной магистрали.
Головная
магистраль: котельная - 3-й участок.
Задаются
скоростью движения сетевой воды в трубопроводе:
м/с
Вычисляется
внутренний диаметр трубопровода на участке тепловой сети.
м
м
м
м
м
По
справочным данным принимается ближайшее значение внутреннего диаметра которое
соответствует ГоСТу.
м
м
м
м
м
По
принятому значению
уточняется скорость движения сетевой воды.
Для
расчетного режима:
м/c
м/c
м/c
м/c
м/с
Для
летнего режима:
м/c
м/c
м/c
м/c
м/c
Определяется
режим и зона течения сетевой воды в трубопроводе, для этого вычисляется
безразмерный параметр называемый критерием Re.
Для
расчетного режима:
Для
летнего режима:
Рассчитываются
предельные значения критерия Re.
Вычисляется
коэффициент гидравлического трения на участках тепловой сети.
Для
расчетного режима и летнего режима:
-
используем формулу Шифринсона
-
используем формулу Альтшуля
По
формуле Дарси-Вейсбаха определяются потери напора на трение по длине
трубопровода на всех участках тепловой сети.
Для
расчетного режима:
м
м
м
м
м
Для
летнего режима:
м
м
м
м
м
Вычисляются
потери напора в местных сопротивлениях на участках тепловой сети.
Для
расчетного режима:
-й
участок: задвижка.
+ тройник
+
11компенсаторов
м
-й
участок: задвижка.
+ тройник
+11
компенсаторов
м
-й
участок: задвижка.
+ тройник
+2
компенсаторов
м
-й
участок: задвижка.
+ тройник
+6
компенсаторов
м
-й
участок: задвижка
+ тройник
+3
компенсаторов
м
Для
летнего режима:
-й
участок: задвижка.
+ тройник
+11
компенсаторов
м
-й
участок: задвижка.
+ тройник
+11
компенсаторов
м
-й
участок: задвижка.
+ тройник
+2
компенсаторов
м
4-й
участок: задвижка
+ тройник
+6
компенсаторов
м
-й
участок: задвижка
+ тройник
+3
компенсаторов
м
Определяются
полные потери напора на участках тепловой сети.
Для
расчетного режима:
м
м
м
м
м
Для
летнего режима:
м
м
м
м
м
Таблица
4.1 - Сводных значений для гидравлического расчета тепловой сети
|
Номер
|
|
Характеристики участка
|
Результаты расчета участка
|
|
участка
|
Режим
|
L, м
|
, кг/c Кэ, мм , м , м/c , м , м , м
|
|
|
|
|
|
|
|
|
Головная магистраль
|
|
1
|
расчетный
|
1100
|
965.63
|
29
|
0,5
|
0,8
|
2
|
4,77
|
5,912
|
10,68
|
|
летний
|
|
129,67
|
|
|
|
0,262
|
0,089
|
0,010
|
0,19
|
|
2
|
расчетный
|
1100
|
646,63
|
29
|
0,5
|
0,7
|
1,75
|
4,42
|
4,527
|
8,947
|
|
летний
|
|
91,24
|
|
|
|
0,24
|
0,088
|
0,085
|
0,173
|
|
3
|
расчетный
|
200
|
319
|
6,2
|
0,5
|
0,466
|
1,95
|
1,66
|
1,239
|
2,899
|
|
летний
|
|
38,43
|
|
|
|
0,299
|
0,024
|
0,0166
|
0,0406
|
|
Ответвления от головной
магистрали
|
|
4
|
расчетный
|
600
|
327,63
|
16,2
|
0,5
|
0,466
|
2
|
5,25
|
3,303
|
8,553
|
|
летний
|
|
52,81
|
|
|
|
0,314
|
0,136
|
0,081
|
0,217
|
|
5
|
расчетный
|
300
|
319
|
8,7
|
0,5
|
0,466
|
1,95
|
2,49
|
1,686
|
4,176
|
|
летний
|
|
38,43
|
|
|
|
0,229
|
0,036
|
0,023
|
0,059
|
|
|
|
|
|
|
|
|
|
|
|
|
|
|
|
5. Построение пьезометрического графика для
водяной тепловой сети
1) В аксонометрической проекции изображается водяная тепловая сеть.
2) Сверху аксонометрической проекции проводят оси пьезометрического
графика.
) Наносится геодезический профиль местности. На профиле
проставляются высоты зданий для всех потребителей теплоты.
Высота
зданий в первом микрорайоне:
Высота
зданий во втором микрорайоне:
Высота
зданий в третьем микрорайоне:
4) Откладывается линия пьезометрического напора на всасывающих патрубках
сетевых насосов: 30 м.
5) Строится линия пьезометрического напора для обратного
трубопровода тепловой сети.
) Изображается линия располагаемых напоров потребителей теплоты.
Для зависимой схемы присоединения систем отопления зданий со струйным смешением
напор у потребителей принимается 15 м.
) Через средние точки линий располагаемых напоров потребителей
теплоты проводим линию статического напора.
) Строится линия пьезометрического напора для подающего
трубопровода тепловой сети.
) Изображается линия потерь напора в теплоприготовительных
установках источника теплоснабжения: 20м.
Пьезометрический график тепловой сети для расчётного и летнего режимов
работы приведён на рисунке 5.
. Выбор сетевых и подпиточных
насосов. Определение суммарных и удельных затрат электроэнергии на передачу
(транспортировку) тепловой энергии
Выбор сетевых насосов.
Объемная производительность сетевых насосов:
-
расчетный режим:
летний
режим:
Расчетный напор сетевых насосов:
расчетный режим:
летний
режим:
В
расчетном режиме по найденным значениям объемной производительности и рабочего
напора выбираем сетевые насосы Д4000-95(22НДс) в количестве двух штук, один из
которых резервный. Характеристики насосов приведены в таблице 6.1.
Таблица
6.1 - Характеристики насоса Д4000-95(22НДс)
|
Подача, V
м3/ч
|
Напор, Н м
|
Мощность, кВт
|
КПД насоса, %
|
|
4000
|
95
|
1350
|
88
|
В летнем режиме по найденным значениям объемной производительности и
рабочего напора выбираем 1 насос Д500-36(8НДв). Второй насос в резерве. Итого:
2 насоса. Характеристики насоса приведены в таблице 6.2:
Таблица 6.2. - Характеристики насоса Д500-36(8НДв)
|
Подача, V
м3/ч
|
Напор, Н м
|
Мощность, кВт
|
КПД насоса, %
|
|
500
|
36
|
100
|
80
|
Мощность электродвигателей:
Годовое
потребление электроэнергии сетевыми насосами:
Выбор
подпиточных насосов.
Статический
напор (по пьезометрическому графику):
расчетный
режим:
летний
режим:
Объемная
производительность подпиточных насосов:
расчетный
режим:
летний
режим:
Выбираем
в качестве подпиточных насосов в расчетном режиме 3 насоса К32/130 и соединяем
их параллельно. Выбираем 1 насос К32/130 в качестве резервного. Характеристики насосов
приведены в таблице 6.3.
Выбираем
в качестве подпиточных насосов в летнем режиме 2 насоса К8/18 и 1 насос К8/18 в
качестве резервного. Насосы соединены параллельно. Характеристики насосов
приведены в таблице 6.4.
Таблица
6.3 Характеристики насоса К32/130
|
Подача V,
м3/ч
|
Напор Н, м
|
Частота вращения, 1/мин
|
Мощность, кВт
|
КПД насоса, %
|
|
12,5
|
20
|
3000
|
4
|
70
|
Таблица 6. Характеристики насоса К8/18
|
Подача V,
м3/ч
|
Напор Н, м
|
Частота вращения, 1/мин
|
Мощность, кВт
|
КПД насоса, %
|
|
8
|
19
|
2900
|
0,8
|
51
|
Мощность электродвигателей:
Годовое
потребление электроэнергии сетевыми насосами:
Определение затрат энергии.
Суммарное годовое потребление электроэнергии всеми насосами:
Удельные
затраты электроэнергии на передачу теплоты:
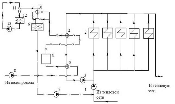
7. Выбор котельного
оборудования и принципиальной схемы котельной
Поскольку потребителем теплоты является жилой район и отсутствуют
промышленные потребители, выбираем схему водогрейной котельной.
Проводим расчет для трех основных режимов работы.
-й режим (при tнро=tнхБ)
При tнро= - 38 °С
МВт
Выбираем
1 котёл КВ-ГМ-30, 2 котла КВ-ГМ-100 (один из которых резервный), 1 котёл
КВ-7М-6.5, 1 котел КВ-ГМ-50 общей теплопроизводительностью:
Qка=116+58+35+7,55=216.55
МВт
Таблица
7.1 Характеристики котельных агрегатов
|
Типоразмер
|
Q, МВт
|
Fнагр, м2
|
Gвр, кг/с
|
tвр, °C
|
ΔPв,
Мпа
|
Вид топлива
|
ηбр,
|
|
|
|
|
вход
|
выход
|
|
|
|
|
КВ-ГМ-100
|
116
|
2710
|
343 или 684
|
70
|
150
|
0,165
|
Газ или мазут
|
92,5 или 91
|
|
КВ-ГМ-50
|
58
|
1468
|
172 или 342
|
70
|
150
|
0,138
|
92,5 или 91
|
|
КВ-ГМ-30
|
35
|
720
|
103
|
70
|
150
|
0,19
|
Газ или мазут
|
90 или 88
|
|
КВ-7М-6,5
|
7,55
|
199
|
22,2
|
70
|
150
|
0,12
|
Газ или мазут
|
91 или 87
|
2-й режим (аварийный)
МВт
При
аварийной остановке наиболее мощного КА (КВ-ГМ-100), теплопроизводительностью
116 МВт, суммарная теплопроизводительность оставшихся (с учетом резервного) КА
будет равна:
Значит,
оставшиеся КА обеспечат необходимый отпуск теплоты при соответствующих
параметрах.
-й
режим (летний)
МВт
В
работе остается 2 котла марки КВ-ГМ-30 и КВ-7М-6,5
Исходя
из условия 
, котел
будет работать с теплопроизводительностью: Qка=(35+7,55)*0,6=25,53
МВт
Принципиальная
тепловая схема водогрейной котельной представлена на рисунке 7.
Рисунок 7. Принципиальная тепловая схема водогрейной котельной.
. Определение потерь в тепловых
сетях
Расчет для участков 1, 3 и 5 (подземная прокладка в непроходных каналах).
Считаем,
что трубопроводы уложены на глубине h= 1.6 м. Прямой трубопровод
имеет пенополиуретановую изоляцию толщиной
= 80 мм с
=0.04 Вт/(м*К), а обратный - асбестовую толщиной
= 60 мм с
=0.1
Вт/(м*К). Температура грунта
= -2.8 С
и
=1,2 Вт/(м*К) [19].
Примем
коэффициент теплоотдачи от воздуха в канале к поверхности канала α=8 Вт/(м2*К).
Выберем
канал КН-4: ширина - a = 1,64 м, высота - b = 0,49 м,
толщина - c = 0,04 м,
=1,3
Вт/(м*К).
- Пренебрегаем термическими сопротивлениями теплопередаче от жидкости в
трубе к её стенке и самой стенки.
- Эквивалентный наружный и внутренний диаметры канала:
- Термическое сопротивление теплопередаче от воздуха в канале к
поверхности канала:
- Термическое сопротивление стенки канала:
- Термическое сопротивление грунта:
Если
h/
> 2, то
Если
h/
< 2, то
Для
каждого участка подающего и обратного трубопроводов находим:
- Термическое сопротивление теплопередаче от поверхности изоляции к
воздушной прослойке:
-
Термическое сопротивление изоляции трубопроводов:
- Температура воздуха в канале:
- Тепловые потери:
- Тепловые потери с голых трубопроводов:
- КПД изоляции:
Результаты
расчета сведены в таблицу 8.
Таблица
8. Определение тепловых потерь трубопроводов в расчетном режиме при прокладке
тепловой сети в непроходных каналах
|
№
|
d, м
|
L, м
|
q, Вт/м
|
Q, кВт
|
|
|
|
|
Под.
|
Обр.
|
Под.
|
Обр.
|
Под.
|
Обр.
|
|
1
|
0.8
|
1100
|
88,70
|
67,82
|
97,57
|
74,60
|
0.935
|
0.813
|
|
3
|
0.466
|
200
|
63,04
|
64,83
|
12,61
|
12,97
|
0.931
|
0.803
|
|
5
|
0.466
|
300
|
63,04
|
64,83
|
18,91
|
19,45
|
0.931
|
0.803
|
Суммарные тепловые потери с подающего трубопровода:
Qсум=
97,57+12,61+18,91=129,09 кВт
Суммарные тепловые потери с обратного трубопровода:
Qсум=
74,6+12,97+19,45=107,02 кВт
Расчет для участков 2 и 4 (бесканальная прокладка).
Находим для каждого участка подающего и обратного трубопроводов:
Термическое сопротивление изоляции ( по формулам выше)
- Дополнительное термическое сопротивление, учитывающее взаимное
влияние трубопроводов:
,
где
B - расстояние между осями прямого и обратного
трубопроводов (примем равным 0,52 м).
- Тепловые потери:
- Тепловые потери с голых трубопроводов:
- КПД изоляции (по формуле выше)
Результаты расчета сведены в таблицу 9.
Таблица 9. Определение тепловых потерь трубопроводов в расчетном режиме
при бесканальной прокладке тепловой сети
|
№
|
d, м
|
L, м
|
q, Вт/м
|
Q, кВт
|
|
|
|
|
Под.
|
Обр.
|
Под.
|
Обр.
|
Под.
|
Обр.
|
|
2
|
0,7
|
1100
|
99,59
|
109,33
|
109,55
|
120,26
|
0.822
|
0.594
|
|
4
|
0.466
|
600
|
77,31
|
90,49
|
46,39
|
54,29
|
0.857
|
0.659
|
Суммарные тепловые потери с подающего трубопровода:
Qсум=
109,55+46,39=155,94 кВт
Суммарные тепловые потери с обратного трубопровода:
Qсум=
120,26+54,29=174,55 кВт
Заключение
В данном курсовом проекте рассмотрено теплоснабжение трех жилых
микрорайонов от котельной в городе Иркутске.
В первом разделе определены:
Средняя тепловая нагрузка на горячее водоснабжение для каждого
микрорайона:
· 1-ый микрорайон: 611.04 кВт
· 2-ой микрорайон: 523.75 кВт
· 3-ий микрорайон: 1211.89 кВт
Средняя тепловая нагрузка на горячее водоснабжение для летнего периода
для каждого микрорайона:
· 1-ый микрорайон: 488.83 кВт
· 2-ой микрорайон: 419 кВт
· 3-ий микрорайон: 969.52 кВт
Суммарная тепловая нагрузка по трем микрорайонам на:
· горячее водоснабжение: 5162.7 кВт
· отопление: 33150
кВт
· вентиляцию: 6630
кВт
· горячее водоснабжение для летнего периода: 4130.17 кВт
Во втором разделе определены:
Годовой расход теплоты на отопление для всех трех микрорайонов:92061.97
МВт*час/год
Годовой расход теплоты на ГВС для трех потребителей теплоты: 42413.38
МВт*час/год
Годовой расход теплоты на вентиляцию: 18412.39 МВт*час/год
Суммарный годовой расход тепла всеми микрорайонами: 155581.1 МВт*час/год
Невязка между расчетным и графическим методами составляет 1.07%.
В третьем разделе определены и представлены:
Расчеты температур сетевой воды приведены в таблицах 3.1.1 и 3.1.2.
Расчеты расхода сетевой воды приведены в таблице 3.1.3.
Расчеты местного подрегулирования систем ГВС и вентиляции представлены в
таблице 3.2.1.
Расчеты средневзвешенной температуры воды и суммарных расходов сетевой
воды приведены в таблице 3.2.3.
Изменение температуры сетевой воды в подающем и обратном трубопроводах и
зависимость расхода сетевой воды от температуры наружного воздуха приведены на
рисунках 3.1.1, 3.1.2,.
Изменение температуры сетевой воды и расходов при регулировании
разнородных тепловых нагрузок приведены в таблице 3.2.1 и 3.2.2.
В четвертом разделе:
В результате проведения гидравлического расчета были получены следующие
данные.
Суммарные потери напора в головной магистрали в расчетном режиме: 74.45 м
Суммарные потери напора в головной магистрали в летнем режиме: 0.372 м
В пятом разделе построен:
Пьезометрический график тепловой сети для расчётного и летнего режимов
работы приведён на рисунке 5.
В его построении учтены:
· геодезический профиль местности, по которой проложена тепловая сеть
· высоты зданий, присоединенных к тепловой сети
· перепады давлений в системе отопления и горячего
водоснабжения зданий.
В шестом разделе определены:
Для расчетного режима выбраны 4 сетевых насоса СЭ-800-55. Все насосы
подключены параллельно. Ещё один насос в резерве.
Для летнего режима выбран 1 сетевых насоса СЭ-500-70. Еще один насос в
резерве.
Для расчетного режима выбраны 4 насоса К45/30. Все насосы подключены
последовательно. Еще один такой же насос в резерве.
Для летнего режима выбран 1 насос К45/30. Еще один такой же насос в
резерве.
Годовое потребление электроэнергии сетевыми насосами: 3733,8 МВт*ч
Годовое потребление электроэнергии подпиточными насосами: 155,94 МВт*ч
Суммарное годовое потребление электроэнергии всеми насосами: 3889,74
МВт*ч
Удельные затраты электроэнергии на передачу теплоты: 0.025 МВт*ч/МВт*ч
В седьмом разделе определены:
Принципиальная схема котельной и выбраны водогрейные котлы: КВ-ГМ-20,
КВ-ГМ-10, КВ-7М-6,5 - для расчетного режима и КВ-7М-6,5 - для летнего режима.
Резервный котел - КВ-ГМ-20.
В восьмом разделе определены:
Тепловые потери подающего и обратного трубопроводов при канальной и
бесканальной прокладке. Суммарные тепловые потери с подающего трубопровода в
расчетном режиме = 239.5 кВт. Суммарные тепловые потери с обратного
трубопровода в расчетном режиме = 280.4 кВт.
теплоснабжение
гидравлический котельная
СПИСОК
ЛИТЕРАТУРЫ
1. СНиП 2.04.01-85*. Внутренний
водопровод и канализация зданий / Госстрой России. - М.: ГУП ЦПП, 2000. - 60 с.
2. СНиП 23-01-99*. Строительная
климатология / Госстрой России.- М.: ГУП ЦПП, 2005. -70с.
3. СНиП 41-01-2003. Отопление,
вентиляция и кондиционирование / Госстрой России.- М.: ГУП ЦПП, 2004 - 54 с.
4. СНиП 41-02-2003. Тепловые сети /
Госстрой России.-
М.: ГУП ЦПП, 2004 - 37 с.
5. СНиП 41-03-2003. Тепловая изоляция
оборудования и трубопроводов / Госстрой России.- М.: ГУП ЦПП, 2004 - 25 с.
6. СНиП 23-02-2003. Тепловая защита
зданий / Госстрой России. - М.: ГУП ЦПП, 2004. -26 с.
7. ГОСТ 21.101-97. СПДС. Основные
требования к проектной и рабочей документации / Госстрой России. - М.: ГУП ЦПП,
1998. - 41 с.
8. ГОСТ 21.205-93. СПДС. Условные
обозначения элементов санитарно-технических систем / Госстрой России. - М.: ГУП
ЦПП, 1995. - 24 с.
9. ГОСТ 21.403-80. СПДС. Обозначения
условные графические в схемах. Оборудование энергетическое / Госстрой России. -
М.: ГУП ЦПП, 1981. - 29 с.
10.ГОСТ 21.206-93.
СПДС. Условные обозначения трубопроводов / Госстрой России. - М.: ГУП ЦПП,
1995. - 5 с.
11.СП 41-101-95.
Проектирование тепловых пунктов / Минстрой России. - М.: ГУП ЦПП, 1997. - 79 с.
12.СП 41-103-2000.
Проектирование тепловой изоляции и трубопроводов / Госстрой России. - М.: ГУП
ЦПП, 2001. - 41 с.
13.Приказ
Министерства промышленности и энергетики № 265 от 04.10.2005. Порядок расчета и
обоснования нормативов технологических потерь при передаче тепловой энергии -
М.: ЗАО «РОСКОММУНЭНЕРГО», 2005. -43 с.
14.Соколов Е.Я.
Теплофикация и тепловые сети. Учебник для вузов. - 7-е изд. перераб. - М.:
Энергоиздат, 2001. - 472 с.
15.Борисов Б. Г.,
Борисов К. Б. Отопление промышленных предприятий.-М.: Издательство МЭИ, 1997. -
68 с.
16.Борисов К. Б.,
Шелгинский А. Я. Системы обеспечения жилых, общественных и промыш-ленных зданий
водой питьевого качества.-
М.: Издательство МЭИ, 2002. - 112 с.
17.Водяные тепловые
сети: Справочное пособие по проектированию. / И.В. Беляйкина, В.П. Витальев,
Н.К. Громов и др.; Под ред. Н.К. Громова, Е.П. Шубина. - М.: Энергоатомиздат,
1988. -376 с.
18.Наладка и
эксплуатация водяных тепловых сетей: Справочник / В.И. Манюк, Я.И. Каплинский,
Э.Б. Хиж и др. - 3-е изд. перераб. и доп. - М.: Стройиздат, 1988. - 432 с.
19.Показатели
функционирования водяных тепловых сетей коммунального теплоснабжения.
Методические рекомендации по определению нормативных и фактических значений -
М.: ЗАО «РОСКОММУНЭНЕРГО», 2005. -131 с.:
20.Теплоэнергетика
и теплотехника. Общие вопросы: Справочник / Под общ. ред. чл.-корр. РАН А.В.
Клименко и проф. В.М. Зорина. - 3-е изд. перераб. и доп. - М.: Издательство
МЭИ, 1999. - 528 с.
21.Промышленная
теплоэнергетика и теплотехника: Справочник / Под общ. ред. чл.-корр. РАН А.В.
Клименко и проф. В.М. Зорина. - 3-е изд. перераб. и доп. - М.: Издательство
МЭИ, 2004. - 632 с.