Автоматизация проектирования диафрагм в устройствах измерения расхода жидкостей и газов
Федеральное агентство по образованию
Государственное образовательное
учреждение
высшего профессионального образования
Тульский государственный университет
Кафедра: «Автоматизированные
станочные системы»
дипломный
проект
Выпускная квалификационная работа
дипломированного специалиста специальность 230104
«Системы автоматизированного
проектирования»
Тема: «Автоматизация проектирования
диафрагм в устройствах измерения расхода жидкостей и газов»
Студент группы Данильченко Н.С.
Тула, 2015 г.
Аннотация
Тема: «Автоматизация проектирования диафрагм в устройствах измерения
расхода жидкостей и газов»
Разработала: Данильченко Н.С.
Руководитель: к.т.н. доц. Троицкий Д.И.
Год защиты: 2015.
Название объекта проектирования: диафрагма.
Данная подсистема предназначена для проектирования стандартных диафрагм и
диафрагм с коническим входом. Она выполняет следующие функции:
расчет параметров диафрагмы;
формирование комплекта конструкторской документации на диафрагму.
Подсистема основана на программных продуктах КОМПАС-3D и Microsoft Office Word. В результате работы программы рассчитываются
параметры диафрагмы, оформляется конструкторская документация и отчет о
полученных результатах.
Основные проектные решения: автоматический расчёт параметров диафрагмы,
автоматическое оформление конструкторской документации, автоматическое
формирование отчета по расчету.
Содержание
Введение
. Описание объекта проектирования
.1 Теоретические основы принципа измерения методом
переменного перепада давления
.2 Общие сведения о диафрагмах
.2.1 Границы применения
.2.2 Геометрические размеры стандартной диафрагмы
.2.3 Геометрические размеры диафрагмы с коническим входом
. Анализ процесса проектирования диафрагмы
. Структурная модель автоматизированной системы
проектирования диафрагм
. Математическая модель
.1 Стандартная диафрагма
.1.1 Расчет диаметра отверстия
.1.2 Расчет коэффициентов
.2 Диафрагма с коническим входом
. Результат работы модуля
.1 Ручной расчет параметров диафрагмы
.2 Результаты автоматизированного расчета
.3 Сравнительный анализ
. Инструкция для пользователя
. Практическая реализация результатов работы
. Раздел организационно-экономический
.1 Основа расчета эффективности изделий, создаваемых с
использованием САПР
.2 Расчет себестоимости программного продукта
.2.1 Затраты времени ЭВМ на внедрение и отладку
.2.2 Расчёт себестоимости программного продукта
.2.3 Обоснование цены прикладной программы
.3 Расчёт экономического эффекта от внедрения программного
продукта
. Раздел по охране труда и окружающей среды
.1 Описание объекта проектирования
.2 Анализ вредных и опасных производственных факторов
.3 Мероприятия по устранению и уменьшению действия опасных и
вредных производственных факторов
.3.1 Производственное помещение и размещение оборудования
.3.2 Микроклимат воздуха
.3.3 Производственное освещение
.3.4 Шум
.3.5 Эргономика организации рабочего места и режима труда
.3.6 Защита от электромагнитных полей, статического
электричества, излучений
.3.7 Электробезопасность
.3.8 Пожарная безопасность
.3.9 Охрана окружающей среды
Заключение
Библиографический список
Приложение 1
Приложение 2
Приложение 3
Введение
Актуальность
Химическая промышленность - отрасль тяжелой индустрии. Она определяет
развитие НТП, расширяет сырьевую базу промышленности, строительства, является
необходимым условием интенсификации сельского хозяйства (производство
минеральных удобрений), удовлетворяет спрос населения на продукцию народного
потребления.
Химическая промышленность состоит из следующих отраслей:
1) горно-химическая (добыча минерального сырья: апатиты, фосфориты,
сера).
2) основная химия (получение кислот, щелочей, солей, минеральных
удобрений).
) химия органического синтеза (производство углеводородного сырья
и полуфабрикатов для получения полимерных материалов).
) химия полимеров (производство смол, пластмасс, синтетического
каучука и химических волокон).
) переработка полимерных материалов (изготовление шин, резины,
полиэтиленовой пленки).
) производство синтетических красителей и химических веществ.
В химической промышленности оптимальное управление многими
технологическими процессами основывается на смешивании различных компонентов и
ингредиентов, входящих в состав изготовляемого целевого продукта, в строго
определенных соотношениях, изменение которых может привести к нарушению хода
процессов и получению некачественного готового продукта. Измерение расхода
веществ (жидких, газообразных, паров) широко применяется как в товароучетных и
отчетных операциях, так и при контроле, регулировании и управлении
технологическими процессами.
В настоящее время любое производство ведет нормировку материалов,
необходимых для изготовления той или иной продукции. Так и на предприятиях
химической отрасли осуществляется контроль измерения расхода веществ, идущих на
изготовление сырья, минеральных удобрений и др. Расход вещества обычно
требуется измерять с высокой точностью, так как на основании показателей
приборов ведется расчет с потребителем.
Одним из наиболее распространенных средств измерений расхода жидкостей и
газов (паров), протекающих по трубопроводам, являются расходомеры переменного
перепада давления, состоящие из сужающего устройства (СУ), дифманометра,
приборов для измерения параметров среды и соединительных линий. В комплект
расходомерного устройства также входят прямые участки трубопроводов до и после
сужающего устройства с местными сопротивлениями.
Сужающее устройство расходомера является первичным измерительным
преобразователем расхода, в котором в результате сужения сечения потока
измеряемой среды (жидкости, газа, пара) образуется перепад (разность) давления,
зависящий от расхода. В качестве стандартных (нормализованных) сужающих
устройств применяются измерительные диафрагмы, сопла, сопла Вентури и
трубы-Вентури. Наиболее распространенным и часто используемым видом сужающего
устройства является стандартная диафрагма, достоинством которой заключается в
простоте в изготовлении и монтаже и применении в широком диапазоне чисел
Рейнольдса.
Проектирование данного вида СУ представляет собой трудоемкий процесс. К
тому же увеличение мощности промышленных установок приводит к росту объема и
усложнению систем контроля и автоматического управления технологических
процессов. Разработка лишь одной промышленной установки может включать
проектирование немалого количества диафрагм.
Как видно из рисунка 1.1, в данной установке используется 7 диафрагм. В
данном случае расчет займет большое количество времени. К тому же велика
вероятность возникновения ошибки и получения некорректных результирующих
данных.
Рисунок 1.1 - Факельная установка в цехе по производству аммиака
Таким образом, внедрение автоматизации проектирования диафрагм снизит
фактор появления ошибки, ускорит процесс разработки, приведет к получению
оптимальных параметров, что так необходимо для как можно более точного
измерения расхода в процессе эксплуатации.
Постановка задачи
На предприятии осуществляется разработка технологических схем для
химической промышленности. В качестве устройств, измеряющих расход газа,
жидкости или пара, используются диафрагмы стандартные (камерные), относящиеся к
стандартный сужающим устройствам, и диафрагмы с коническим входом, относящиеся
к специальным сужающим устройствам.
Для одной технологической схемы может рассчитываться большое количество
диафрагм. Расчет диаметра данного СУ представляет собой трудоемкий процесс,
который осуществляется вручную.
Поэтому было принято решение автоматизировать процесс проектирования
сужающего устройства типа «диафрагма».
Автоматизация включает разработку средств информационной поддержи
следующих процессов:
- проектирования СУ (стандартная диафрагма, диафрагма с коническим входом)
для измерения расхода при заданном режиме;
- выбора оптимального варианта относительного диаметра
отверстия (для стандартной диафрагмы) для минимизации длины прямолинейных
участков.
Результаты работы:
- рассчитанные диаметр СУ при рабочей температуре среды и диапазон перепада
давления;
- рабочий чертеж диска диафрагмы, с проставленными размерами, допусками и
указанными техническими требованиями.
Техническое задание на разработку САПР
Техническое задание согласно ГОСТ 34.602-89. Информационная технология.
Автоматизированные системы. Техническое задание на создание автоматизированной
системы.
. Общие сведения:
- название системы - «Автоматизация проектирования диафрагм в устройствах
измерения расхода жидкостей и газов»
- разработчик - Данильченко Н.С., заказчик - НИАП;
- плановые сроки начала и окончания работы по созданию системы: 9.02.09 -
20.05.09.
2. Назначение и цели создания системы:
- назначение системы: автоматизация проектирования стандартных диафрагм и
диафрагм с коническим входом с целью получения параметров диафрагм с учетом
минимизации длины прямолинейных участков трубопровода, выполнение расчета в
соответствии с требованиями ГОСТ 8.586.1-2014 и ГОСТ 8.586.2-2014,
автоматизированное оформление конструкторской документации на диафрагму.
- цели создания системы: сокращение времени на разработку
проекта, получение наиболее оптимальных результатов (диаметр отверстия
диафрагмы).
3. Характеристики
объекта автоматизации:
- перечень документов, содержащих информацию об объекте автоматизации: ГОСТ
8.586.2-2014 «Измерение расхода и количества жидкостей и газов с помощью
стандартных сужающих устройств» Часть 2 Диафрагмы. Технические требования; РД
50-411-83 «Методические указания. Расход жидкостей и газов. Методичка
выполнения измерений с помощью специальных сужающих устройств»;
- сведения об условиях эксплуатации объекта автоматизации и
характеристиках окружающей среды: используется фланцевый способ отбора
давления, тип диафрагмы - ДКС, однофазная и однородная среда (газ, пар,
жидкость); число Рейнольдса от
до
(в зависимости от метода отбора давления возможны
дополнительные ограничения по числу Рейнольдса); трубопроводы круглого сечения
с внутренним диаметром 50...1000 мм (для стандартной диафрагмы), 12,5..100 мм
(для диафрагмы с коническим входом); стационарный или медленно меняющийся
поток; скорость потока в отверстии диафрагмы не превышает скорости звука.
. Требования к системе
.1 Требования к системе в целом
.1.1 Требования к структуре и функционированию системы
.1.1.1 Перечень подсистем, их назначение и основные характеристики
В состав системы должны входить следующие подсистемы:
- подсистема расчета: получение геометрических размеров диафрагмы;
- подсистема оформления КД: разработка рабочего чертежа с
указанием технических требований, простановкой размеров.
.1.1.2 Требования к режимам функционирования системы
Для системы определены следующий режим функционирования:
- клиентское программное обеспечение и технические средства пользователей
системы обеспечивают возможность функционирования 24 часа семь дней в неделю;
- серверное программное обеспечение и технические средства
сервера обеспечивают возможность круглосуточного функционирования, с перерывами
на обслуживание;
- исправно работает оборудование, составляющее комплекс
технических средств;
- исправно функционирует системное, базовое и прикладное программное
обеспечение системы.
Для обеспечения режима функционирования системы необходимо выполнять
требования и выдерживать условия эксплуатации программного обеспечения и
комплекса технических средств системы, указанные в соответствующих технических
документах (техническая документация, инструкции по эксплуатации и т.д.).
.1.2 Требования к численности и квалификации персонала системы
Для эксплуатации системы определены следующие роли:
- системный администратор:
- пользователь.
Основными обязанностями системного администратора являются:
- установка, модернизация, настройка и мониторинг работоспособности
системного и базового программного обеспечения;
- установка, настройка и мониторинг прикладного программного
обеспечения.
Основными обязанностями пользователя являются:
- эксплуатация системы в рабочих целях;
- пользователи системы должны иметь опыт работы с персональным
компьютером на базе операционных систем Microsoft Windows, с пакетом прикладных
программ Microsoft Office, системой твердотельного моделирования КОМПАС 3D на уровне квалифицированного
пользователя.
Рекомендуемая численность для эксплуатации системы:
- администратор - 1 штатная единица;
- пользователь - число штатных единиц определяется структурой
предприятия.
Штатный состав персонала, эксплуатирующего систему, должен формироваться
на основании нормативных документов Российской Федерации и Трудового кодекса.
.1.3 Требования к надежности
Система должна сохранять работоспособность и обеспечивать восстановление
своих функций при возникновении следующих внештатных ситуаций:
- при сбоях в системе электроснабжения аппаратной части, приводящих к
перезагрузке операционной системы (ОС), восстановление программы должно
происходить после перезапуска ОС и запуска исполняемого файла системы;
- при ошибках в работе аппаратных средств (кроме носителей
данных и программ) восстановление функции системы возлагается на ОС;
- при ошибках, связанных с программным обеспечением (ОС и
драйверы устройств), восстановление работоспособности возлагается на ОС.
Для защиты аппаратуры от бросков напряжения и коммутационных помех должны
применяться блоки бесперебойного питания.
.1.4 Требования к эргономике и технической эстетике
Взаимодействие пользователей с прикладным программным обеспечением,
входящим в состав системы должно осуществляться посредством визуального
графического интерфейса (GUI). Интерфейс системы должен быть понятным и
удобным, не должен быть перегружен графическими элементами и должен
обеспечивать быстрое отображение экранных форм. Навигационные элементы должны
быть выполнены в удобной для пользователя форме. Средства редактирования
информации должны удовлетворять принятым соглашениям в части использования
функциональных клавиш, режимов работы, поиска, использования оконной системы.
Ввод-вывод данных системы, прием управляющих команд и отображение результатов
их исполнения должны выполняться в интерактивном режиме. Интерфейс должен
соответствовать современным эргономическим требованиям и обеспечивать удобный
доступ к основным функциям и операциям системы.
Интерфейс должен быть рассчитан на преимущественное использование
манипулятора типа «мышь», то есть управление системой должно осуществляться с
помощью набора экранных меню, кнопок, значков и т. п. элементов. Клавиатурный
режим ввода должен использоваться главным образом при заполнении и/или
редактировании текстовых и числовых полей экранных форм.
Все надписи экранных форм, а также сообщения, выдаваемые пользователю
(кроме системных сообщений) должны быть на русском языке.
Система должна обеспечивать корректную обработку аварийных ситуаций,
вызванных неверными действиями пользователей, неверным форматом или
недопустимыми значениями входных данных. В указанных случаях система должна
выдавать пользователю соответствующие сообщения, после чего возвращаться в рабочее
состояние, предшествовавшее неверной (недопустимой) команде или некорректному
вводу данных.
Экранные формы должны проектироваться с учетом требований унификации:
- все экранные формы пользовательского интерфейса должны быть выполнены в
едином графическом дизайне, с одинаковым расположением основных элементов
управления и навигации;
- для обозначения сходных операций должны использоваться
сходные графические значки, кнопки и другие управляющие (навигационные)
элементы. Термины, используемые для обозначения типовых операций (добавление
информационной сущности, редактирование поля данных), а также
последовательности действий пользователя при их выполнении, должны быть
унифицированы;
- внешнее поведение сходных элементов интерфейса (реакция на
наведение указателя «мыши», переключение фокуса, нажатие кнопки) должны
реализовываться одинаково для однотипных элементов.
Система должна соответствовать требованиям эргономики и профессиональной
медицины при условии комплектования высококачественным оборудованием (ПЭВМ,
монитор и прочее оборудование), имеющим необходимые сертификаты соответствия и
безопасности Росстандарта.
.1.5 Требования по сохранности информации при авариях
Программное обеспечение должно восстанавливать свое функционирование при
корректном перезапуске аппаратных средств. Приведенное выше требование не
распространяется на компоненты системы, разработанные третьими сторонами и
действительны только при соблюдении правил эксплуатации этих компонентов,
включая своевременную установку обновлений, рекомендованных производителями
покупного программного обеспечения.
.1.6 Требования к защите от влияния внешних воздействий
Защита от влияния внешних воздействий должна обеспечиваться средствами
программно технического комплекса Заказчика.
.1.7 Требования к патентной частоте
Установка системы в целом, как и установка отдельных частей системы не
должна предъявлять дополнительных требований к покупке лицензий на программное
обеспечение сторонних производителей.
.2 Требования к функциям (задачам), выполняемым системой
Задачи подсистемы расчета:
- проверка по условиям прохождения: по числу Рейнольдса, по вспомогательным
коэффициентам;
- выбор относительного диаметра отверстия диафрагмы по
необходимой минимальной относительной длине прямолинейных участков
измерительного трубопровода между диафрагмой и местным сопротивлением.
Задачи подсистемы оформления КД:
- разработка рабочего чертежа (вид, разрез) с указанием технических
требований, простановкой размеров.
4.3 Требования к видам обеспечения
.3.1 Требования к математическому обеспечению системы
Математические методы и алгоритмы, используемые для создания системы, а
также программное обеспечение, реализующее их, должны быть сертифицированы
уполномоченными организациями для использования в государственных органах
Российской Федерации.
.3.2 Требования к информационному обеспечению системы
Состав, структура и способы организации данных в системе должны быть
определены на этапе технического проектирования.
.3.3 Требования к лингвистическому обеспечению системы
Все прикладное программное обеспечение системы для организации
взаимодействия с пользователем должно использовать русский язык.
.3.4 Требования к программному обеспечению системы
При проектировании и разработке системы возможно использование любого
программного обеспечения. Базовой программной платформой должна являться
операционная система MS Windows.
.3.5 Требования к техническому обеспечению
Техническое обеспечение системы должно максимально и наиболее эффективным
образом использовать существующие в органах федерального агентства технические
средства.
Требования к техническим характеристикам ПК пользователя:
- процессор - Intel Pentium IV 2 ГГц;
- объем оперативной памяти - 512 Мб;
дисковая подсистема - 40 Гб.
1. Описание объекта проектирования
.1 Теоретические основы принципа измерения методом переменного перепада
давления
Измерение расхода методом переменного перепада давления в сужающем
устройстве основано на зависимости перепада давления, установленным в
трубопроводе неподвижным сужающим устройством, от расхода жидкости. Принцип
измерения по методу переменного перепада давления основан на принципе
неразрывности установившегося движения жидкости и уравнения Бернулли для
жидкости Еп+Ек=const (Еп - потенциальная энергия (давление) жидкости, Ек -
кинетическая (скоростная) энергия). Согласно принципу неразрывности потока,
протекающей в трубопроводе жидкости, он во всех сечениях одинаков,
следовательно, в один и тот же момент времени протекают одинаковые количества.
Если на каком-то участке сечение сужается, то в этом месте скорость потока
должна возрасти.
Следовательно, увеличение скорости вызывает уменьшение статического
давления. Сужающее устройство выполняет функции первичного преобразователя
(ПП), и создает в трубопроводе местное сопротивление, вследствие чего при протекании
через него жидкости скорость в суженном сечении повышается по сравнению со
скоростью потока до сужения. Соответственно статическое давление в суженом
сечении будет меньше, чем в сечении до сужающего устройства.
В состав расходомера входят: преобразователь расхода, создающий перепад
давления; дифференциальный манометр, измеряющий этот перепад и соединительные
трубки между преобразователем и дифманометром.
На рисунке 2 через А-А обозначено сечение, от которого начинается сужение
струи и, следовательно, постепенное возрастание средней скорости Va потока. Максимальное значение Vb эта скорость достигает в месте
наибольшего сжатия струи в сечении В-В, которое расположено после диафрагмы на
расстоянии, зависящем от отношения d/D и примерно равным 0.5, где D-диаметр
трубы.
Рисунок 2. - Изменение давления р и средней скорости v потока при
прохождении через диафрагму
Возрастание средней скорости от Va до Vb , а следовательно, и
соответствующей кинетической энергии происходит за счет уменьшения начального
давления Pa до давления Pb. После сечения В-В струя постепенно
расширяется и в сечении С-С вновь достигает стенок трубы. При этом скорость
потока будет уменьшаться, а давление возрастать. Если измеряемое вещество
жидкость, плотность которой практически не зависит от давления, то в сечении
С-С скорость Vc станет равной начальной скорости Va, но давление Pc будет меньше начального Pa вследствие потери энергии при
прохождении жидкости через сужающее устройство. Основная часть этой потери
давления происходит в мертвых зонах за диафрагмой. Струя, текущая с большой
скоростью, увлекает с собой прилегающие частицы из этих зон и создает некоторое
падение давления в них, что вызывает частичное движение жидкости вдоль стенок
от сечения С-С к сечению В-В. В результате в мертвых зонах возникает сильное
вихреобразование и происходит потеря потенциальной энергии. Остаточная потеря
давления (Pa - Pc) у диафрагм составляет от 40 до 90% от перепада давления (Pa - Pb), возрастая с уменьшением относительного диаметра
диафрагмы. Потеря же давления от трения и ударов в самой диафрагме составляет
не более 2% от (Pa - Pb).
Закон сохранения энергии
,(2.1)
где v - скорость потока,
- плотность среды.
и уравнение неразрывности струи
(2.2)
для жидкостей, у которых
примут вид:
,(2.3)
где QМ - массовый расход (кг/с), Qо - объемный расход (
/с);
- поправочные множители на
неравномерность распределения скорости в сечениях А-А и В-В; ξ
- коэффициент
сопротивления на участке от А-А и В-В, отнесенный к скорости
- площадь струн в сечениях А-А и
В-В.
Т. к. площадь горла струи
трудно измерить, то ее можно заменить на площадь отверстия
диафрагмы
, с помощью коэффициента сужения струи μ
(2.4)
Тогда получаем:
(2.5)
Эти средства измерительной техники (СИТ) нашли широкое применение в
промышленной практике. Это объясняется простотой их конструкции, а главное -
возможностью безпроливной градуировки (поверки, калибровки).
1.2 Общие сведения о диафрагмах
Диафрагма - тип стандартного сужающего устройства, выполненного в виде
тонкого диска с отверстием, имеющим со стороны входа потока острую
прямоугольную кромку.
Одним из основных преимуществ диафрагмы является наличие огромного
теоретического и практического материала, а также четкой нормативной базы по
влиянию различных факторов на соотношение между расходом и перепадом давления.
Стандартные диафрагмы имеют весьма широкую область применения. ГОСТ
8.586-2014 допускает использовать их при следующих условиях:
однофазная и однородная среда (газ, пар, жидкость);
число Рейнольдса от
до
(в зависимости от метода отбора давления возможны
дополнительные ограничения по числу Рейнольдса);
трубопроводы круглого сечения с внутренним диаметром 50...1000 мм;
стационарный или медленно меняющийся поток;
скорость потока в отверстии диафрагмы не превышает скорости звука.
Диафрагмы с коническим входом расширяют область применения:
- измерение расхода при малых числах Рейнольдса, что имеет практическое
значение в случаях установки диафрагмы в трубопроводах малого диаметра, вязких
жидкостей и горячих газов.
Существенным фактором является то, что на физические свойства собственно
среды (электропроводность, плотность, вязкость и т. д.) ограничений не
накладывается, ограничиваются лишь гидродинамические параметры потока.
Еще одним важным преимуществом диафрагмы является относительная простота
в изготовлении и низкая стоимость по сравнению с другими типами
преобразователей (при сравнительно небольших диаметрах трубопровода и
давлениях). Варьируя отношение внутреннего диаметра диафрагмы d к внутреннему
диаметру трубопровода D (так называемый коэффициент β = d/D), можно обеспечить требуемый
диапазон по перепаду давления в достаточно широком диапазоне скоростей потока.
Однако, наряду с преимуществами, стандартные диафрагмы обладают и весьма
серьезными недостатками, которые ограничивают их применение и заставляют искать
альтернативные методы и средства измерения расхода. К таким недостаткам
относятся:
застойные зоны и скопление осадков;
необходимость остановки трубопровода для монтажа/демонтажа диафрагмы;
ограничения по диаметру и форме сечения трубопровода;
громоздкость и сложность монтажа при больших диаметрах трубопроводов и
высоких давлениях.
Применяются следующие марки стали для изготовления диафрагм: 35Л, 45Л,
20ХМЛ, 12Х18Н9ТЛ, 15К, 20К, 22К, 16ГС, 09Г2С, 10, 15, 20, 30, 35, 40,45, 10Г2,
38ХА, 40Х, 15ХМ, 30ХМ, 30ХМА, 12Х1МФ, 25X1МФ, 25Х2М1Ф, 15Х5М, 18Х2Н4МА,
38ХН3МФА, 08X13, 12X13, 20X13, 30X13, 110Х14Г14Н4Т, 08X18Н10, 12X18Н9Т,
12Х18Н10Т, 12Х18Н12Т, 08Х18Н10Т, 08Х22Н6Т, 37Х12Н8Г8МФБ, 31Х19Н9МВБТ,
06ХН28МДТ, 20Л, 25Л.
.2.1 Границы применения
Диафрагмы применяют при следующих условиях:
Для стандартной диафрагмы:
d ³ 0,0125 м;
,050 м £ D £ 1 м;
,1 £ b £ 0,75,
где d - диаметр отверстия сужающего
устройства при рабочей температуре среды, м;
D -
внутренний диаметр измерительного трубопровода при рабочей температуре среды,
м;
b - относительный диаметр отверстия сужающего устройства.
Значение числа Re
должно быть более 5000 и 1,7×105b2D.
Для диафрагмы с коническим входом:
,006 м£ d £ 0,050 м;
,0125 м £ D £ 0,1 м;
Таблица 2.1. Значения граничных чисел Re
|
b
|
|
|
|
0.01
|
40
|
20000
|
|
0.04
|
40
|
40000
|
|
0.09
|
60
|
50000
|
|
0.16
|
120
|
50000
|
|
0.25
|
260
|
50000
|
.2.2 Геометрические размеры стандартной диафрагмы
Поперечное сечение в осевой плоскости стандартной диафрагмы приведено на
рисунке 3. Обозначения элементов и геометрических параметров диафрагмы
приведены на рисунке 3.:
Рисунок 2.2 - Стандартная диафрагма: 1 - входной торец диафрагмы; 2 -
выходной торец диафрагмы
- длина е цилиндрической части отверстия диафрагмы должна находиться в
пределах от 0,005D до 0,02D;
- разность между значениями е при ее измерении в любой точке
контура отверстия не должна превышать 0,001D;
- толщина Ед диафрагмы должна быть в пределах от е
до 0,05D. Если 50 мм £ D £ 64 мм, то толщина Ед может достигать 3,2 мм. В
этом случае не рекомендуется применение диафрагм с b > 0,36;
- если D ³ 200 мм, то разность между значениями
Ед, измеренными в любой точке диска диафрагмы, не должна превышать
0,001D. Если D < 200 мм, разность между значениями Ед,
измеренными в любой точке диска диафрагмы, не должна быть более 0,2 мм;
- если толщина Ед превышает длину е, то отверстие диафрагмы
должно иметь скос со стороны выходного торца;
- угол a
наклона образующей конуса к оси отверстия диафрагмы должен быть в пределах 45° ± 15°;
- диаметр d должен быть не менее 12,5 мм.
Относительный диаметр b
должен находиться в пределах от 0,10 до 0,75.
1.2.3 Геометрические размеры диафрагмы с коническим входом
Диафрагмы с коническим входом относятся к специальным сужающим
устройствам (ССУ) для трубопроводов с внутренним диаметром менее 100 мм.
Рисунок 2.3 - Диафрагма с коническим входом
Форма и основные геометрические характеристики диафрагмы с коническим
входом представлены на рис. 3.3:
- длина цилиндрической части е составляет 0,021d независимо от значения b. Допуск на размер на более ±0,04 мм.
- глубина скоса определяется в зависимости от b и может быть определена по таблице
2.2.
Таблица 2.2.
|
|
F
|
d/J
|
|
0.10
|
45
|
12
|
|
0.12
|
45
|
11.8
|
|
0.14
|
45
|
11.7
|
|
0.16
|
45
|
11.6
|
|
0.18
|
45
|
11.5
|
|
0.20
|
45
|
11.4
|
|
0.22
|
44.8
|
11.2
|
|
0.24
|
44.5
|
11.1
|
|
0.26
|
44.1
|
10.9
|
|
0.28
|
43.6
|
10.8
|
|
0.30
|
43.0
|
10.7
|
|
0.32
|
42.2
|
10.5
|
|
0.34
|
41.6
|
10.4
|
|
0.36
|
40.8
|
10.3
|
|
0.38
|
40.0
|
10.2
|
|
0.40
|
39.1
|
10.0
|
|
0.41
|
38.6
|
10.0
|
|
0.42
|
38.1
|
9.9
|
|
0.43
|
37.5
|
9.8
|
|
0.44
|
36.9
|
9.8
|
|
0.45
|
36.1
|
9.7
|
|
0.46
|
35.4
|
9.6
|
|
0.47
|
34.4
|
9.6
|
|
0.48
|
33.3
|
9.4
|
|
0.49
|
32.2
|
9.3
|
|
0.50
|
31.2
|
9.2
|
- угол входа F выбирают в
зависимости от относительной площади диафрагмы b. Допуск на угол равен ±0,03F.
- общая толщина Е диафрагмы должна находится в пределах e+J≤Е≤0.1D
информационный диафрагма расход
2. Анализ процесса проектирования диафрагмы
Ни одно производство, где выпускаются и разрабатываются различного рода
изделия, не может обойтись без конструкторского отдела. Любой процесс
конструирования сопровождается проведением огромного числа разнообразных расчетов.
Эти расчеты могут производить в связи с конструированием нового изделия, так и
в связи с модернизацией уже выпускаемого изделия. Также многие предприятия
ведут разработку огромных проектов, связанных с архитектурным проектированием,
строительным проектированием и конструированием, проектированием инженерных
сетей и систем, технологическим проектирование и т.п. Разработка таких проектов
подразумевает совместную работу инженеров-конструкторов, технологов,
метрологов. Но иногда задача конструктора может свестись к многократному
проектированию устройства требующая сложных вычислительных расчетов, учета
различных факторов, влияющих на конечный результат. Подобного рода работа
является трудоемкой, требуют внимания и значительных затрат времени конструктора.
В большинстве случаев конструктору приходится выполнять однотипные расчеты,
протекающие по определенному алгоритму.
В рамках данного дипломного проекта был рассмотрен процесс проектирования
диафрагмы для технологических схем, разрабатываемых для химической
промышленности.
Для лучшего представления была составлена общая схема процесса
проектирования диафрагм, используемого на предприятии, при помощи методологии
IDEF0 в соответствии со стандартом Integration Definition for Function Modeling
(IDEF0), изданным National Institute of Standards and Technology 21.12.1993:
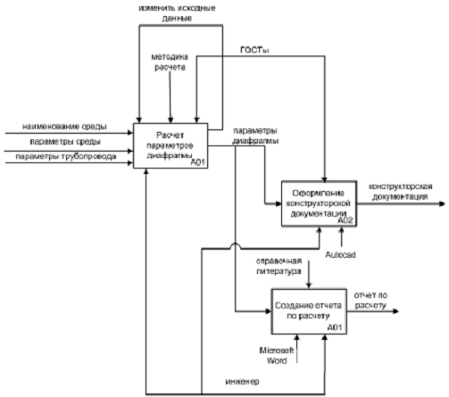
Функциональная схема процесса проектирования диафрагм представлена на
рисунке 2.2.
Рисунок 2.1. - Общая схема процесса проектирования диафрагмы
Рисунок 2.2. - Функциональная схема процесса проектирования диафрагм
после декомпозиции
Процесс разработки начинается с задания технической характеристики и
условий, в которых будет использоваться проектируемое устройство:
- гидравлические параметры среды: давление, расход,
температура;
- параметры трубопровода: диаметр, материал;
- материал диафрагмы.
По заданным условиям производится расчет параметров диафрагмы. В качестве
управления выступает ГОСТы, в которых указаны технические требования,
предъявляемые к стандартным диафрагмам, и методика расчета для диафрагмы с
коническим входом. Весь расчет проделывает инженер-конструктор. При этом в
случае невозможности выбора какой-либо диафрагмы при заданных условиях, изменяют
какие-либо параметры (наибольший расход, материал диафрагмы, верхний предел
перепада давления). В случае если при заданных и измененных исходных данных
проектирование невозможно, принимается решение об установке иного вида СУ или
расходомера. Если же при заданных параметров расчет возможен, то находят
параметры диафрагмы, затем оформляют конструкторскую документацию, составляют
отчет о рассчитанных параметрах. Следует заметить, что для стандартной
диафрагмы основные размеры определены ГОСТом, для диафрагмы с коническим входом
все размеры определяются в зависимости от найденного диаметра отверстия. Для
оформления КД используется графический редактор AutoCAD, для составления отчета - текстовый редактор Microsoft Word.
Теперь рассмотрим, как будет происходить процесс проектирования после
внедрения ПО.
Как видно после внедрения ПО задачей инженера стало задание исходных
данных для расчета и оценка получения корректных результатов расчета.
Исполнителем же всего процесса проектирования становится программное обеспечение,
выполняющее расчет параметров диафрагмы, оформление КД на проектируемое
устройство, составление отчета.
Рисунок 2.3. - Общая схема проектирования диафрагмы после внедрения ПО
Рисунок 2.4. - Функциональная схема процесса проектирования диафрагм
после внедрения ПО
Процесс проектирования происходит следующим образом: по исходным данным
осуществляется расчет параметров стандартной диафрагмы, либо диафрагмы с
коническим входом (блок А01), исполнитель - ПО, управление - ГОСТ, методика
расчета; по полученным данным идет составление документации о произведенных
расчетах (блок А03); по найденным параметрам диафрагмы оформляется КД (блок
А02).
Рассмотрим алгоритм расчета параметров диафрагм. Для более удобного
представления используем IDEF3.
Рисунок 2.5. - диаграмма IDEF3
процесса расчета
Рисунок 2.6 - диаграмма IDEF3
процесса расчета стандартной диафрагмы
Рисунок 2.6 - диаграмма IDEF3
процесса расчета диафрагмы с коническим входом
3. Структурная модель автоматизированной системы проектирования диафрагм
Рисунок 3.1 - Структурная модель системы
Пользователь взаимодействует с интерфейсом автоматизированной системы,
подавая на вход исходные данные. Далее идет взаимодействие с основными модулями
системы.
1. Модуль СУБД.
Модуль предназначен для работы с библиотеками сред, материалов. Позволяет
редактировать уже имеющиеся записи, заносить новые данные.
2. Модуль математического расчета.
Cодержит
объект - Tdiaf. В данном модуле реализуется
математическая модель проекта.
Свойства и методы Tdiaf.
Свойства:
Таблица 4.1
|
Смысл
|
Наимен.
|
Тип данных
|
Диапазон
|
|
Относительный диаметр
отверстия диафрагмы
|
b
|
real
|
2,9 10-39 ..1,7
1038
|
|
Минимальный массовый расход
|
qmin
|
real
|
2,9 10-39 ..1,7
1038
|
|
максимальный массовый
расход
|
qmax
|
real
|
2,9 10-39 ..1,7
1038
|
|
Абсолютное давление
среды
|
p
|
real
|
2,9 10-39 ..1,7
1038
|
|
Допустимая потеря давления
|
pper
|
real
|
2,9 10-39 ..1,7
1038
|
|
Плотность среды
|
r
|
real
|
2,9 10-39 ..1,7
1038
|
|
Динамическая вязкость среды
|
m
|
real
|
2,9 10-39 ..1,7
1038
|
|
Температура среды
|
t
|
byte
|
0..255
|
|
Показатель адиабаты
|
k
|
real
|
2,9 10-39 ..1,7
1038
|
|
Cреднеарифметическое отклонение профиля шероховатости
|
Ra
|
real
|
2,9 10-39 ..1,7
1038
|
|
постоянные
коэффициенты
|
a0, a1, a2
|
real
|
2,9 10-39 ..1,7
1038
|
|
Диаметр трубопровода
|
D
|
real
|
2,9 10-39 ..1,7
1038
|
|
Диаметр отверстия диафрагмы
при 20°С
|
d20
|
byte
|
0..255
|
|
Диаметр отверстия диафрагмы
при рабочей температуре
|
dcy
|
byte
|
0..255
|
|
Максимальное число
Рейнольдса
|
remax
|
real
|
2,9 10-39 ..1,7
1038
|
|
Минимальное число
Рейнольдса
|
remin
|
real
|
2,9 10-39 ..1,7
1038
|
|
Верхняя граница числа
Рейнольдса
|
rev
|
real
|
2,9 10-39 ..1,7
1038
|
|
Нижняя граница числа
Рейнольдса
|
ren
|
real
|
2,9 10-39 ..1,7
1038
|
|
Длина цилиндрической части
|
el
|
real
|
2,9 10-39 ..1,7
1038
|
|
Толщина диафрагмы
|
E
|
real
|
2,9 10-39 ..1,7
1038
|
|
Угол входа
|
F
|
byte
|
0..255
|
|
Глубина скоса
|
J
|
real
|
2,9 10-39 ..1,7
1038
|
|
Какая среда (газ/жидкость)
|
gaz
|
boolean
|
True, false
|
Методы:
Таблица 4.2
|
Смысл
|
Наименование
|
Исходные данные
|
Результат
|
|
Расчет
максимального/минимального числа Рейнольдса (станд./кон.)
|
calcRemaxmin
calcRemaxminkon
|
qmaxmin:real
|
real
|
|
Расчет нижней и верхней
границы числа Рейнольдса (станд./кон.)
|
calcRe
|
b:real
|
real
|
|
calcRevn
|
beta, betan,
betav, renbl,revbl:real
|
|
|
Расчет вспомoгательной
величины А
|
calcA
|
b:real
|
real
|
|
Pасчет вспомoгательной величины B
|
calcB
|
b:real
|
|
|
Pасчет коэффициента истечения С
|
calcC
|
b:real
|
real
|
|
Pасчет коэффициента скорости входа Е
|
calcE
|
b:real
|
real
|
|
Pасчет коэффициента расширения Ерs
|
calcEps
|
b:real
|
real
|
|
Расчет поправочного
коэффициента, учитывающего шероховатость внутренней поверхности ИТ
|
calcK
|
b:real
|
real
|
|
Расчет температурного
коэффициента линейного расширения материала
|
calcAlfa
|
t:real
|
real
|
|
Расчет стандартной
диафрагмы
|
calcd
|
|
|
|
Расчет диафрагмы с
коническим входом
|
calccondiaf
|
|
|
На выходе имеем параметры диафрагмы.
3. Модуль формирования комплекта конструкторской документации. Модуль
позволяет сформировать 2D-чертеж
диафрагмы с помощью программы Kompas-3D.
4. Модуль оформления отчета.
Данный модуль выводит в Word
входные и рассчитанные данные, что позволяет создавать удобные для просмотра,
хранения и печати отчеты. Вывод данных в Word происходит при помощи COM технологий. На выходе модуль имеет программный код
выводы данных в Word.
4. Математическая модель
Расчет диаметра отверстия диафрагмы может быть выполнен по следующим
исходным данным:
) наименование среды,
) параметры среды:
- qm min, qm max - минимальный и максимальный
массовый расход,
;
- Dpв - допустимая потеря давления (верхний предел),
;
- p - давление среды,
;
- t- температура среды, °С;
- для газа дополнительно - k (показатель адиабаты).
) параметры трубопровода:
- D - внутренний диаметр трубопровода, м;
- вид труб и материал;
- состояние поверхности стенки трубопровода и условия
эксплуатации.
) материал диафрагмы.
.1 Стандартная диафрагма
.1.1 Расчет диаметра отверстия
Условия прохождения:
- проверка прохождения по числу Рейнольдса:
Reв ³ Remax , Reн £ Remin (5.1)
;
(5.2)
-
для газа проверяют выполнение неравенства:
Dpв£0,25p (5.3)
- по вспомогательным величинам:
d1 = (B1 - A) / A (5.4)
d2 = (B2 - A) / A (5.5)
d = |(B - A) / A| < 5 · 10-5. (5.6)
где
; (5.7)
, (5.8)
где E1, E2 - коэффициенты скорости входа при bв и bн,
соответственно;
C1 - коэффициент истечения при Remax и bв;
C2 - коэффициент истечения при Remax и bн;
Kп1, Kп2 - поправочный коэффициент (для диафрагм = 1)
Kш1 - поправочный коэффициент Kш при Remax и bв
Kш2 - поправочный коэффициент Kш при Remax и bн
e1 -
коэффициент расширения при bв, Dpв, k и p (для жидкости не учитывается);
e2 - коэффициент
расширения при bн, Dpв, k и p (для жидкости не учитывается).
Если величины d1 и d2 имеют одинаковый знак, то расчет прекращают, так как
в диапазоне допускаемых значений b (относительный диаметр отверстия диафрагмы) не существует
значения, удовлетворяющего исходным данным.
Если величины d1 и d2 имеют разные знаки, то расчет продолжают.
Для определения диаметра диафрагмы используют следующее уравнение
(решение уравнения может быть выполнено любым итерационным способом):
A = ECKш Kп b2
e. (5.9)
где А - вспомогательная величина, рассчитываемая по формуле
; (5.10)
Используя значение b,
найденное из (4.9), вычисляют диаметр отверстия диафрагмы при температуре 20° по формуле
d20 = b D / Kcy. (5.11)
Примечание - При расчете внутреннего диаметра отверстия диафрагмы
дополнительно проверяют, что d20 находится в диапазоне допустимых
значений. Если данное условие выполняется, то значение d20 считается найденным.
Диаметр отверстия диафрагмы при рабочей температуре среды
d = d20 Kcy (5.12)cy = 1 + at cy (t - 20), (5.13)
где atcy - температурный коэффициент линейного расширения материала диафрагмы.
4.1.2 Расчет коэффициентов
Коэффициенты истечения
Коэффициент истечения определяют по уравнению:
(5.14)
,
,
Значения L1 и
принимают равными:
L1 =
=
- для фланцевого способа отбора
давления.
Коэффициент расширения
Коэффициент расширения рассчитывают по формуле:
(5.15)
Поправочный коэффициент, учитывающий шероховатость внутренней
поверхности измерительного трубопровода
Если значение среднеарифметического отклонения профиля шероховатости Ra (по приложению 1) не более Ramax и не менее значения Ramin, то поправочный коэффициент Kш принимают равным единице.
Значение Ramax
рассчитывают по формуле
(5.16)
где А0, А1, А2 - коэффициенты, зависящие
от числа Re, рассчитывают по формуле
Аj =
[lg(Re)]k. (5.17)
где Bk - постоянные коэффициенты, значения
которых приведены в таблице 5.1.
Таблица 5.1. Значения коэффициентов Вk
|
Коэффициент
|
Значение коэффициента для
расчета
|
|
А0
|
А1
|
А2
|
|
при условии 104 < Re £105
|
|
В0
|
8,87
|
6,7307
|
-10,244
|
|
В1
|
-3,7114
|
-5,5844
|
5,7094
|
|
В2
|
0,41841
|
0,732485
|
0,76477
|
|
В3
|
0
|
0
|
0
|
|
при условии 105 < Re £ 3×106
|
|
В0
|
27,23
|
-25,928
|
1,7622
|
|
В1
|
-11,458
|
12,426
|
-3,8765
|
|
В2
|
1,6117
|
-2,09397
|
1,05567
|
|
В3
|
-0,07567
|
0,106143
|
-0,076764
|
|
при условии 3×106 < Re £ 108
|
|
В0
|
16,5416
|
322,594
|
-92,029
|
|
В1
|
-6,60709
|
-132,2
|
37,935
|
|
В2
|
0,88147
|
17,795
|
-5,1885
|
|
В3
|
-0,039226
|
-0,799765
|
0,23583
|
Если в результате расчета, выполненного по формуле (5.16), полученное
значение 104
³ 15, то принимают Ramax = 15×10-4D.
Значение 104
округляют до двух значащих цифр.
Значение Ramin
рассчитывают по формуле
(5.18)
Если в результате расчета, выполненного по формуле (5.18), получено
значение 104
£0 или число Re
< 3×106, то принимают Ramin = 0.
Значения 104
округляют до трех цифр после запятой.
Если значение среднеарифметического отклонения профиля шероховатости Ra определенного по формуле (5.18), то
поправочный коэффициент Kш рассчитывают по формуле
Kш = 1 + 5,22b3,5(l - l*), (5.19)
где l и l* - коэффициенты трения, рассчитанные
при действительном числе Re и
значениях эквивалентной шероховатости трубопровода, равных ее действительному
значению Rш и условному -
соответственно.
Значения l и l* рассчитывают по формуле
(5.20)
где Аш, kD, kR - величины, значения которых
рассчитывают в соответствии с таблицей 5.2.
Таблица 5.2 Значения величин Аш, kD, kR
|
Величина
|
Значение величины для
расчета
|
|
l
|
l*
|
|
Аш
|
Rш или pRa
|
pRamax при Ra > Ramax; pRamin при Ra < Ramin
|
|
kD
|
0,26954Rш/D
|
0,26954pRamax/D при Ra > Ramax; 0,26954pRamin/D при Ra < Ramin
|
|
kR
|
5,035/Re
|
Температурный коэффициент линейного расширения материала
Значения температурного коэффициента линейного расширения материала СУ и
ИТ могут быть рассчитаны в зависимости от температуры по формуле:
at
= 10-6 [a0 + a1 (t / 1000) + a2 (t /
1000)2], (5.21)
где a0, a1, a2 - постоянные коэффициенты, определяемые в соответствии с
приложением 2.
.2 Диафрагма с коническим входом
Выбирается верхний предел измерений
по заданному наибольшему измеряемому
расходу, так, чтобы стандартное значение
, взятое из стандартного ряда (ГОСТ
18140-84), было ближайшее к qm max и не менее его. Определяют предельный номинальный
перепад давления
из стандартного ряда по ГОСТ 18140-84 (чем больше перепад,
тем меньше относительная площадь отверстия диафрагмы).
Стандартный ряд по ГОСТ 18140-84: 1; 1.25; 1.6; 2.0; 2.5; 3.2; 4.0; 5.0;
6.3; 8.0
Условия прохождения, если среда газ:
(5.23)
(5.24)
где
- поправочные множители при
Отношение перепада давлений к абсолютному давлению на входе диафрагмы
должно быть для остальных сужающих устройств
(5.25)
Условия прохождения, если среда жидкость:
,(5.26)

.
Если плотность измеряемой среды
, то
.
Вспомогательная величина с:
для газа:
(5.27)
для жидкости:
(5.28)
Методика расчета.
Находим допустимое значение
:
(5.29)
В зависимости β от βα находим приближенное значение β
(5.30)
(5.31)
Проверяем условия прохождения по числу Рейнольдса по формулам (5.1) и
(5.2).
Если значения
и
лежат вне области постоянства (п. 5.1.) при принятых
параметрах расходомера измерение данным методом невозможно. В этом случае
желательно изменить
или изменить диаметр трубопровода.
Наибольший перепад давления
.
Вычисляем отношение
и проверяем условия 5.25 и 5.26.
Далее для жидкости вычисляем значения параметров.
Для газа подсчитываем отношение
по следующей зависимости:
,(5.32)
где
- средний расход
Определяем поправочный множитель
, учитывая ранее найденные
приближенные значения β и
(5.33)
вычисляем вспомогательную величину
:
(5.34)
По условиям 5.30 или 5.31 находим
.
По формуле 5.33 находим
при
и
.
Проверяем условие
-
<0,001. если выполняется, то значения
и
считают окончательными. В противном
случае определяют величину
по формуле 5.29, а по ней величину
и соответствующее ей значение
, которое и является окончательным.
Расчет параметров диафрагмы.
Диаметр отверстия сужающего устройства при t=20 °С :
Диаметр отверстия сужающего устройства при рабочей температуре:
5. Результат работы модуля
Данный раздел дипломного проектирования отражает корректность работы
САПР. Здесь мы производим ручной расчет и сверяем его с расчетом САПР. Все
расчеты произведены по формулам пункта 5.
5.1 Ручной расчет параметров диафрагмы
Исходные данные:
1. Наименование среды: азот
2. Максимальный массовый расход среды: 25
. Минимальный массовый расход среды: 14
. Допустимая потеря давления: 0,1
. Давление среды: 7
. Температура среды: 30 ºС
. Плотность при температуре 20 ºС: 1,25
. Вязкость при температуре 20 ºС: 1,6981
. Показатель адиабаты: 1,4
. Материал диафрагмы: сталь 20
. Диаметр трубопровода: 50 мм
. Вид труб: стальные
. Состояние стенки трубопровода: бутимизированная, новая
Стандартная диафрагма
1. Проверяем условия:
- по давлению: Dpв£0,25p: 0,1£1,75 проходит
определяем значения верхней границы Reв и нижней границы Reн
диапазона допускаемых значений Re в
соответствии с п. 2.2.1.:
Reн = 1,7×105b 2D = 1,7×105 *(0,1)2 * 0.05=85000,
Reв = 1,7×105b 2D = 1,7×105 *(0,75)2 * 0.05=4781250
рассчитываем значения верхней границы Remax и нижней границы Remin рабочего диапазона значений Re:
;
и проверяем выполнение неравенств Reв ³ Remax
4781250 ³ 374901
Reн £ Remin, 85000 £ 209945
. Рассчитываем вспомогательную величину А:
3. Определяем значения верхней границы bв и нижней границы bн
диапазона допускаемых значений b в соответствии с п.2.2.1.:
bв = 0.75
bн = 0.1
4. Рассчитываем значения вспомогательных величин B1 и B2
где E1, E2 - коэффициенты скорости входа при bв и bн,
соответственно;
C1 - коэффициент истечения при Remax и bв;
C2 - коэффициент истечения при Remax и bн;
Kп1 - поправочный коэффициент Kп (для диафрагм = 1);
Kп2 - поправочный коэффициент Kп (для диафрагм = 1);
Kш1 - поправочный коэффициент Kш при Remax и bв;
Kш2 - поправочный коэффициент Kш при Remax и bн;
e1 -
коэффициент расширения при bв, Dpв, k и p;
e2 -
коэффициент расширения при bн, Dpв, k и p.
а) коэффициент скорости входа:
б) коэффициент истечения:
;
,
в) поправочный коэффициент Кш
Аj =
[lg(Re)]k.
где Bk - постоянные коэффициенты, значения
которых приведены в таблице 5.1.
Рассчитаем Кш1 при
и bв = 0.75
при
Значения величин Аш, kD, kR определяются
по таблице 5.2
Рассчитаем Кш2 при
и bн = 0.1
г) коэффициент расширения:
В1=1,21*0,511*2,06*1*0,75*0,75*0,995=0,71
В2=1,00005*0,61*1,0009*1*0,1*0,1*0,996=0,006
. Рассчитывают значения вспомогательных величин d1 и d2:
Величины d1 и d2 имеют разные знаки, то расчет продолжают.
. Относительно неизвестной величины b решают следующее уравнение:
A = ECKш Kп b2
e.
Решение уравнения может быть выполнено любым итерационным методом. При
применении метода бисекции решение уравнения выполняют в следующей
последовательности:
итерация:
рассчитываем значение b по формуле:
для значения b
рассчитывают значение вспомогательной величины B по формуле:
B = ECKш Kп b2
e
В = 0,12;
проверяют выполнение неравенства:
d = |(B - A) / A|
< 5 · 10-5
δ=3,74>5 · 10-5
Если неравенство не выполняется, то рассчитывают новое значение b по формуле, в которой, если
выполняется неравенство B <
A, принимают bн = b, рассчитанное на первом шаге итерации, в другом случае принимают bв = b.
,12>0,026, след. bв
= 0,425.
итерация:
В = 0,042;
δ=0,633>5 · 10-5
0,042>0,026, след. bв
= 0,2625.
итерация:
В = 0,0196;
δ=-0,23<5 · 10-5
Выбор значений b
осуществляют до выполнения неравенства.
Для найденного значения b определяют верхнее (Reв) и нижнее (Reн) значения допускаемого диапазона значений чисел Re и проверяют неравенства:
определяем значения верхней границы Reв и нижней границы Reн
диапазона допускаемых значений Re в
соответствии с п. 2.2.1.:
Reн =85000,
Reв = 1,7×105b 2D = 1,7×105 *(0,18125)2 * 0.05=279238
и проверяем выполнение неравенств Reв ³ Remax
278239£ 374901
Reн £ Remin, 85000 £ 209945
Расчет диаметра отверстия диафрагмы при заданных исходных данных
невозможен.
Диафрагма с коническим входом.
Выбирается верхний предел измерений
по заданному наибольшему измеряемому
расходу
= 25
Определяют номинальную потерю давления
= 0,1
Определим вспомогательную величину с:

Находим допустимое значение
:

В зависимости β от βα находим приближенное значение β
определяем значения верхней границы Reв и нижней границы Reн
диапазона допускаемых значений Re в
соответствии с п. 2.2.1.:
рассчитываем значения верхней границы Remax и нижней границы Remin рабочего диапазона значений Re:
;
и проверяем выполнение неравенств
Reв ³ Remax
Reн £ Remin,
Вычисляем отношение
0.1/7=0.014<0,5
Подсчитываем отношение
по следующей зависимости:
, (5.32)
где
- средний расход
Определяем поправочный множитель
, учитывая ранее найденные
приближенные значения β и
Находим вспомогательную величину
:
В зависимости β от βα находим приближенное значение β
Определяем поправочный множитель
, учитывая ранее найденные
приближенные значения β1 и
Находим вспомогательную величину
:
В зависимости β от βα находим приближенное значение β
Проверяем условие
-
<0,001 0,996-0,996=0<0,001
Принимаем относительный диаметр отверстия диафрагмы: β=β2 = 0,12
Рассчитываем параметры диафрагмы:
Значения температурного коэффициента линейного расширения материала СУ и
ИТ могут быть рассчитаны в зависимости от температуры по формуле:
at
= 10-6 [a0 + a1 (t / 1000) + a2 (t /
1000)2],
где a0, a1, a2 - постоянные коэффициенты, определяемые в соответствии с
приложением 2.
Для стали 20:

Рассчитаем значение температурного коэффициента линейного расширения
материала при 20°С:
Диаметр отверстия сужающего устройства при t=20 °С :
Рассчитаем значение температурного коэффициента линейного расширения
материала при рабочей температуре 30°С:
Диаметр отверстия сужающего устройства при рабочей температуре:
Длина цилиндрической части: е = 0,021d = 0,021*17=0,357≈0,4.
Глубина скоса J и угол входа
определяется в зависимости от b по таблице 2.2.
При b = 0,12:
d/J = 11,8 J=17/11,8=1,4 мм;
F=45°.
Общая толщина Е диафрагмы Е= e+J≤Е≤0.1D 1,8≤Е≤5 примем Е=2 мм
.2 Результаты автоматизированного расчета
Стандартная диафрагма
Максимальное значение числа Рейнольдса: remax= 374901,226292669
Минимальное значение числа Рейнольдса: remin= 209944,686723895
Верхний предел, βв: = 0,2625
Нижний предел, βн: = 0,1
Верхний предел числа Рейнольдса:
rev=
4781250
Нижний предел числа Рейнольдса:
ren=
85000
Вспомогательная величина, А:
A=
0,0254647908947033
Коэффициент скорости входа при bв:
E1=
1,20948631362953
Коэффициент скорости входа при bн:
E2=
1,00005000375031
Коэффициент истечения при Remax и bв:
C1=
0,510880915308979
Коэффициент истечения при Remax и bн:
C2=
0,600030102848471
Поправочный коэффициент Kш1 при Remax и bв: Kw1=
2,24637
Поправочный коэффициент Kш2 при Remax и bн: Kw2=
1,000664
Коэффициент расширения e1 при bв, Dpв, k и p: eps1= 0,99463078296926
Коэффициент расширения e2 при bн, Dpв, k и p:
eps2=
0,99641075
Вспомогательная величина, В1:
B1=0,780044197916558
Вспомогательная величина, В2:
B2=
0,0059830379178931
Вспомогательная величина, d1:
sigma1=
29,632264020625
Вспомогательная величина, d2:
sigma2=
-0,7650466503874
Вспомогательная величина, В:
Be=
0,0196232321228986
Вспомогательная величина, d:
sigma=
-0,22939747653768
Относительный диаметр отверстия диафрагмы:
b=
0,18125
Максимальное значение числа Рейнольдса, remax:
,226292669
Минимальное значение числа Рейнольдса, remin:
,686723895
Верхний предел числа Рейнольдса:
rev=
279538
Нижний предел числа Рейнольдса:
ren=
85000
Диафрагма с коническим входом
Верхний предел измерений,
:
qnom=
25
Номинальная потеря давления,
:
pnom=
0,1Вспомогательная величина, С:
с= 0б0284705017366871Вспомогательная величина, βa:= 0,0903539352100
Значение β:= 0,11
Верхний предел числа Рейнольдса: = 50000
Нижний предел числа Рейнольдса: = 77,1428571428571
Максимальное значение числа Рейнольдса: remax = 37490,12262926
Минимальное значение числа Рейнольдса: remin = 20994,4686723895
Отношение
:/p = 0,0142857142857
Отношение
:
psr=
0,00869142857142857
Вспомогательный множитель,
: epsilo1= 0,99644309327914
Значение β1:
beta1=
0,119378686296398
Вспомогательный множитель,
: epsilo2= 0,99643287706690
Значение β2:
beta2= 0б119379852088974
Значение
-
<0,001:
epsilo2-epsilo1= -1,02162122463945E-5
Относительный диаметр отверстия диафрагмы:= 0,12
Диаметр при 20С:
d20=1,31209494E-5
Диаметр отверстияпри рабочей температуре: d = 17
Длина цилиндрической части, e:
el=
0,4
Толщина диафрагмы, Е:
Е= 1,8
Глубина скоса, J:
J= 1,4
Угол входа,F:
F= 45
.3 Сравнительный анализ
Проведя анализ распечатки расчетов приложения автоматизированного
проектирования диафрагм и сверив его с проведенным расчетом, видим, что расчетные
параметры при ручном расчете и при автоматизированном расчете не отличаются.
Исходя из этого можно сделать вывод, что программа работает корректно, ошибок в
программировании алгоритмов не выявлено.
6. Инструкция для пользователя
Инструкция по работе с программой содержит следующие разделы:
- добро пожаловать!
- системные требования;
- интерфейс системы;
- общие сведения о системе;
- приемы работы;
- библиотеки;
- общие термины и определения;
- нормативная документация.
Раздел «Добро пожаловать».
Благодарим Вас за приобретение системы «ДИАФ 2015» и надеемся, что она
будет верным и надежным помощником в вашей повседневной работе и позволит
значительно расширить круг задач, решаемых на вашем предприятии при помощи
САПР.
Основной задачей системы является сокращение времени на проектирование
стандартных диафрагм и диафрагм с коническим входом. Это станет возможным
благодаря автоматизации расчета диаметра отверстия и автоматического создания
рабочего чертежа.
Требования к аппаратным средствам для работы с программным модулем:
Минимально допустимые уровни ОС:
Windows
2000 SP2,
Windows XP SP1.
Минимально возможная конфигурация компьютера для установки и запуска
системы:
- процессор - Intel Pentium IV 2 ГГц;
- объем оперативной памяти - 512 Мб;
свободное пространство на жестком диске не менее 10 Мб;
манипулятор "мышь".
При получении бумажных копий документов могут использоваться любые модели
принтеров и плоттеров, для которых имеются драйверы, разработанные к
установленной на вашем компьютере версии Windows.
Требования к аппаратным средствам для работы с системой трехмерного
моделирования КОМПАС 3D:
КОМПАС-3D V9 SP1 предназначен для использования на персональных
компьютерах типа IBM PC, работающих под управлением русскоязычной
(локализованной) либо корректно русифицированной 32- или 64-разрядной версии
операционных систем MS Windows 2000/XP/Vista.
Минимально допустимые уровни ОС:
Windows
2000 SP2,
- Windows XP SP1,
Windows Vista.
Замечание. Специфика работы КОМПАС-3D V9 SP1 на ПК под управлением
Microsoft Windows Vista описана ниже, в разделе Особенности работы КОМПАС-3D V9
на ПК под управлением Microsoft Windows Vista.
Минимально возможная конфигурация компьютера для установки и запуска
системы:
процессор Pentium III с тактовой частотой 800 МГц;
оперативная память 512 Мб;
графический адаптер SVGA с видеопамятью 32 Мб;
привод DVD-ROM;
свободное пространство на жестком диске не менее 100 Мб;
манипулятор "мышь".
Раздел «Интерфейс системы».
ДИАФ 2015 - однооконная система, содержащая главное меню и рабочую
область.
При работе на экране отображается главное меню, которое содержит основные
операции при работе с системой.
«Файл»:
Команда «Сохранить расчеты» осуществляет сохранение произведенных
расчетов в текстовый документ.
Команда «Выход» осуществляет завершение работы программы.
«Операции»:
Команда «Выполнить расчет» осуществляет расчет параметров диафрагмы
Команда «Создать КД» осуществляет оформление рабочего чертежа на
диафрагмы.
Данные операции можно выполнить из рабочей области с помощью
соответствующих кнопок.
«БД»:
«Материал диафрагм» содержит список материалов для изготовления
диафрагмы.
«Среды» содержит список газов и жидкостей и соответствующие им плотность
и вязкостью
«Материал трубопровода» содержит список видов труб и материал
трубопровода, состояний стенки трубопровода и условия эксплуатации, значений
эквивалентной шероховатости среднеарифметического отклонения профиля
шероховатости и относительной расширенной неопределенности.
«Справка» содержит инструкцию для пользователя по работе с программой
«Содержание» и информацию о программе «О программе».
Рабочая область представляет собой поле для ввода исходных данных и поле
для отображения результатов расчета.
Раздел «Общие сведения о системе».
Для разработки системы использовалась среда программирования Delphi.
Для создания рабочего чертежа используется система твердотельного
моделирования КОМПАС-3D
Типы используемых фалов:
*.cdw - файлы чертежей
Для создания отчета о результатах - Microsoft Word
*.doc - файлы текстовых документов
Раздел «Приемы работы».
Ввод исходных данных осуществляется с клавиатуры в соответствующие
области. Некоторые данные выбираются из выпадающих списков (наименование среды,
материалы). Расчет, сохранение отчета и оформление КД осуществляется
последовательно: только после произведения расчета можно создать отчет, КД.
Раздел «Библиотеки».
Для расчета параметров диафрагмы необходимо знать материал изготовления,
материал трубопровода, наименование среды (газ, жидкость).
Библиотека «Материал диафрагм» содержит список материалов для
изготовления диафрагмы.
Библиотека «Среды» содержит список газов и жидкостей и соответствующие им
плотность и вязкостью
Библиотека «Материал трубопровода» содержит список видов труб и материал
трубопровода, состояний стенки трубопровода и условия эксплуатации, значений
эквивалентной шероховатости среднеарифметического отклонения профиля
шероховатости и относительной расширенной неопределенности.
Возможен просмотр, редактирование библиотек, занесение новых данных.
Навигацию по таблице можно осуществлять при помощи соответствующих
кнопок.
Таблица 6.1
|
|
- переход на первую запись
|
|
|
- переход на последнюю
запись
|
|
|
- перемещение по записям
вверх
|
|
|
- перемещение по записям
вниз
|
|
|
- добавить запись
|
|
|
- удалить запись
|
|
|
- занести изменения
|
|
|
- отмена
|
|
|
- обновить
|
Раздел «Общие термины и определения».
Далее приведены термины и определения объектов проектирования, величин
используемых при расчете и др. Термины с соответствующими определениями указаны
в соответствии с ГОСТ 15528.
Сужающие устройства
Диафрагма: Тип стандартного сужающего устройства, выполненного в виде
тонкого диска с отверстием, имеющим со стороны входа потока острую
прямоугольную кромку.
Отверстие стандартного сужающего устройства: Круглое отверстие сужающего
устройства, соосное трубопроводу при установке сужающего устройства в
трубопровод.
Диаметр отверстия сужающего устройства: Диаметр части отверстия сужающего
устройства, имеющей минимальную площадь поперечного сечения.
Относительный диаметр отверстия сужающего устройства: Отношение диаметра
отверстия сужающего устройства к внутреннему диаметру измерительного
трубопровода перед сужающим устройством.
Давление среды и перепад давления на сужающем устройстве
Давление среды: Абсолютное давление среды, измеренное до сужающего
устройства в месте расположения отверстия для отбора давления. (p, Па)
Перепад давления на сужающем устройстве: Разность между значениями
статического давления среды до и после сужающего устройства с учетом разности
высоты положения отверстий для отбора давления до и после сужающего устройства.
(Δp, Па)
Параметры потока и среды
Среда: Движущаяся по измерительному трубопроводу среда(жидкость или газ,
в том числе сухой насыщенный или перегретый пар), расход и (или) количество
которой подлежит определению.
Рабочие условия: Давление и температура среды, при которых выполняют
измерение ее расхода и (или) количества.
Массовый расход среды: Масса среды, протекающей через отверстие сужающего
устройства в единицу времени. (qm , кг/с)
Число Рейнольдса: Отношение силы инерции к силе вязкости потока. (Re)
Показатель адиабаты (изоэнтропии) газа: Отношение относительного
изменения давления к соответствующему относительному изменению плотности газа в
процессе изменения его состояния без теплообмена с окружающей средой. (k)
Коэффициент истечения: Отношение действительного значения расхода
жидкости к его теоретическому значению. (C)
Коэффициент расширения: Поправочный коэффициент, учитывающий уменьшение
плотности газа, обусловленное уменьшением его статического давления после
сужающего устройства или в его горловине. (e)
Измерительный трубопровод
Измерительный трубопровод: Участок трубопровода, границы и геометрические
характеристики которого, а также размещение на нем сужающего устройства,
местных сопротивлений, средств измерений нормируются настоящим стандартом ГОСТ
8.586.2 - ГОСТ 8.586.5.
Среднеарифметическое отклонение профиля шероховатости:
Среднеарифметическое из абсолютных значений отклонения профиля от средней линии
в пределах базовой длины. (Ra, м)
Эквивалентная шероховатость: Шероховатость, равная равномерной песочной
шероховатости, по значению которой вычисляют такой же коэффициент
гидравлического сопротивления, как и для фактической шероховатости. (Rш, м)
Местное сопротивление: Трубопроводная арматура или другой элемент
трубопровода, изменяющий кинематическую структуру потока (задвижка, кран,
колено, диффузор и т. д.).
Раздел «Нормативная документация».
Все расчеты программа выполняет в соответствии с ГОСТ 8.586.1/2-2014 и РД
50-411-83.
Рисунок 7.1 - Инструкция пользователю
Рисунок 7.2 - Инструкция пользователю
7. Практическая реализация результатов работы
Рисунок 8.1 - Основное окно работы с программой
Рисунок 8.2 - Заполнение исходных данных из раскрывающихся списков
Рисунок 8.3 - Библиотека материалов для изготовления диафрагм
Рисунок 8.4 - Библиотека сред
Рисунок 8.5 - Библиотека материалов трубопроводов и состояний стенки
трубопровода
Рисунок 8.6 - форма для заполнения основной надписи
Рисунок 8.7 - Отчет о полученных результатах
Рисунок 8.8 - Рабочий чертеж
8. Раздел организационно-экономический
.1 Основа расчета эффективности изделий, создаваемых с
использованием САПР
Для подтверждения целесообразности внедрения САПР необходимо рассчитать
экономический эффект, то есть тот дополнительный доход, который можно получить
при внедрении САПР. Этот эффект определяется отношением полученного результата
к затратам, вызвавшим этот результат.
В зависимости от степени новизны создаваемой САПР, возможны два варианта:
- создание принципиально новой САПР для объектов, ранее не
выпускаемых и не используемых в промышленности;
- создание САПР, заменяющей соответствующий процесс ручного
проектирования.
Разрабатываемая в данной работе САПР соответствует второму варианту, то
есть процесс ручного проектирования заменяется автоматизированным
проектированием. За человеком всё ещё сохраняются определенные операции
процесса проектирования, обычно трудно поддающиеся автоматизации, но некоторые
функции уже переданы машине.
.2 Расчет себестоимости программного продукта
Стоимость 1 машинного часа определяется по формуле:
где Э - эксплуатационные годовые затраты (руб.),
Тф - количество часов, отработанных всеми машинами в год
(час).
Эксплуатационные годовые затраты включают в себя:
1. Амортизацию оборудования ВЦ (
).
2. Затраты на текущий ремонт
оборудования (
).
3. Амортизацию помещений (
).
4. Затраты на текущий ремонт помещений (
).
5. Расходы на электроэнергию и освещение
(
).
6. Расходы на отопление и водоснабжение
(
).
7. Прочие расходы (почта, телефония и
т.д.) (
).
Стоимость основного оборудования определяется по формуле:
Где
=1,1 - коэффициент, учитывающий транспортировку и монтаж
оборудования;
=1 шт - количество компьютеров;
=14590 руб - стоимость одного компьютера.
Стоимость вспомогательного оборудования определяется по формуле как 10%
от стоимости основного оборудования:
Тогда общая стоимость оборудования по формуле будет равна:
Амортизация оборудования составляет 25% и 15% от стоимости основного и
вспомогательного оборудования соответственно:
Затраты на текущий ремонт оборудования составляют 5% от общей стоимости
оборудования:
Стоимость помещения определяется по формуле следующим образом:
,
где
= 12 м2 - площадь помещения (м2);
= 2000 руб - стоимость аренды за 1м2 площади
помещения в год.
Амортизация помещения составляет 2,8% от его стоимости:
Затраты на текущий ремонт помещения рассчитываются как 1,6% от его
стоимости:
Расходы на электроэнергию складываются из расхода на освещение
и расходов на производственное
потребление электроэнергии
:
где
- площадь помещения (12м2);
- усредненный расход энергии, необходимый для освещения 1м2
площади помещения в год (50кВт/ м2);
- мощность одного компьютера (
);
- количество единиц оборудования
(1шт);
- коэффициент, учитывающий потери в сети (1,05);
- коэффициент загрузки оборудования (0,9);
- стоимость 1кВт*ч энергии (3,12 руб);
Ф - фонд времени работы оборудования, рассчитывается по формуле:
,
где
- затраты времени на разработку (90 дней);
- коэффициент сменности (для односменного режима работы равен
1);
- продолжительность рабочего дня (8 ч.);
- коэффициент, учитывающий потери времени на ремонт
оборудования (0,05).
Рассчитываем затраты на электроэнергию:
Расходы на отопление, водоснабжение и т.д. рассчитываются исходя из
стоимости отопления рублей на м2 в месяц, а водоснабжения из расчета
рублей за человека в месяц, т.е.:
,
где
- плата за отопление 1 м2 помещения в месяц (16,83
руб.);
- площадь помещения (12 м2);
- плата за водоснабжение на 1 человека в месяц (73,19 руб.);
- количество рабочих мест в помещении (1 шт).
Прочие расходы составляют 10% от суммы расходов по предыдущим пунктам.
Таким образом, эксплуатационные годовые затраты составляют:
Количество часов, отработанных всеми машинами в год равно:
,
Где
- количество единиц оборудования (шт.);
- фонд времени работы оборудования (час.).
Таким образом, стоимость одного машинного часа:
.2.1 Затраты времени ЭВМ на внедрение и отладку
Затраты времени на данной стадии 18 часов.
Коэффициент для определения времени работы ЭВМ при отладке и внедрении
программ комплексов задач равен Коб = 1,00.
Время работы ЭВМ при отладке и внедрении проекта составит:
Твнедр и отл.= Коб*Нвр = 1,00*18= 18
час,
в том числе на внедрение 4 часа (20%).
.2.2 Расчёт себестоимости программного продукта
Себестоимость программного продукта определяем по формуле:
где Tдн - затраты времени на разработку (90
дней по техническому заданию на разработку автоматизированной системы);
- среднемесячная заработная плата с начислениями (ЕСН)
(руб.) - примем Змес = 9000 руб. (из сравнения зарплат работников IT сферы на рынке труда Тульской
области без стажа работы);
nдн. - количество рабочих дней в месяце
(22 дня);
- затраты машинного времени на отладку и внедрение (час.);
- стоимость машинного часа (руб.).
.2.3 Обоснование цены прикладной программы
Особенность разработки программного продукта состоит в том, что затраты
на разработку носят разовый характер и не зависят от предполагаемого объёма
продаж. Поэтому максимальную цену разработки прикладной программы рассчитываем
по формуле:
где
- себестоимость программного продукта (руб.);
r -
коэффициент рентабельности (в долях) - принимаем r = 0,3;
kНДС - коэффициент, учитывающий НДС
(0,18);
Данный программный продукт предполагает внедрение его на следующих
объектах: предприятия или институты, выполняющие проектные работы для различных
производств; примем число объектов n равное 20 и определим цену одной копии программы по формуле:
где
- себестоимость по внедрению программного продукта на каждом
объекте. Данная величина включает в себя расходы на носители информации
, тех.поддержку по установке
программы
, а также затраты на документацию по использованию и
установке программного продукта
Отсюда:
Тогда:
.3 Расчёт экономического эффекта от внедрения программного
продукта
Экономический эффект от внедрения программного продукта образовывается за
счёт следующих факторов:
) сокращение времени, затрачиваемого на решение задачи;
) экономия затрат на решение той же самой задачи за счёт резкого
сокращения трудоемкости решения этой задачи;
) количество проектов, разрабатываемых за год с использованием САПР,
превышает количество проектов при ручном проектировании за счет снижения
трудоемкости разработки одного проекта.
. Сокращение времени на решение задачи.
Проектирование диафрагмы до внедрения программного продукта составляло 7
дней при средней заработной плате 10000 руб. В год - 36 проектов. После
внедрения ПО срок проектирования сократился на 5 дней и составил 2 дня. В год -
125 проектов.
. Экономия затрат на решение той же самой задачи за счёт резкого
сокращения трудоемкости решения этой задачи
Затраты на ручное проектирование определяется по формуле:
где
- трудоёмкость, дни (всего на проектирование диафрагмы
затрачивается - 7 дней);
- средний месячный оклад работников (с учётом отчислений на
социальные нужды в размере 26 %), руб.
В итоге получаем, что стоимость ручного труда составляет:
Затраты на автоматизированном проектировании определяется по формуле:
где
- трудоёмкость, дни (2 дня).
- средний месячный оклад инженера (с учётом отчисления на
социальные нужды в размере 26 %), руб
Получаем, что
. Количество проектов, разрабатываемых за год с использованием САПР,
превышает количество проектов при ручном проектировании за счет снижения
трудоемкости разработки одного проекта.
Стоимость реализованных проектов рассчитывается по формуле:
Где ЦПР - цена проекта, руб.;
N -
количество реализуемых проектов в год, шт.
При ручном моделировании в год выполняется 36 проектов. Цена одного
проекта - 20 000 руб. (по данным с предприятия):
Определим цену проекта после внедрения программного продукта. Новая цена
проекта будет складываться из затрат на персонал по работе с программой, затрат
на водоснабжение, отопление, освещение, помещение и оборудование необходимых
для работы по отношению к количеству проектов, выполняемых предприятием в год.
,
где Зз - затраты на зарплату работников (с учетом отчислений
на социальные нужды в размере 26%), руб.;
- затраты на отопление и водоснабжение, руб.;
Зэ.осв - затраты на электроэнергию и освещение, руб.;
- затраты на текущий ремонт помещений, руб.;
Зрто - затраты на ремонт и техническое обслуживание
оборудования, руб.;
-
амортизация оборудования, руб.;
- амортизация помещения, руб;
- прочие затраты
- количество проектов в год.
1. Затраты на зарплату работников (с учетом отчислений на социальные
нужды в размере 26%), руб.
,
где Омес i
- месячный оклад работника i-й
квалификации, руб.;
Чi - численность работников i-й квалификации, чел.;
- число месяцев в году;
Ксс - коэффициент, учитывающий начисления на заработную плату
(отчисления на социальные нужды), равный 1,26.
Таблица 8.1 - Таблица штатного расписания подразделения
|
Профессия
|
Численность, чел.
|
Оклад, руб.
|
|
Оператор
|
2
|
8000
|
|
Системный администратор
|
1
|
6000
|
|
Итого
|
3
|
22000
|
Зз = 12*1,26*(2*8000 + 6000) = 332640 руб.
. Затраты на отопление, водоснабжение рассчитываются исходя из стоимости
отопления рублей на м2 в месяц, а водоснабжения из расчета рублей за
человека в месяц, т.е.:
,
где
- плата за отопление 1 м2 помещения в месяц (16,83
руб.);
- площадь помещения (16 м2);
- плата за водоснабжение на 1 человека в месяц (72,19 руб.);
- количество рабочих мест в помещении (3 шт).
. Расходы на электроэнергию складываются из расхода на освещение
и расходов на производственное
потребление электроэнергии
:
где
- площадь помещения (16м2);
- усредненный расход энергии, необходимый для освещения 1м2
площади помещения в год (50кВт/ м2);
- мощность одного компьютера (
);
- количество единиц оборудования (2
шт);
- коэффициент, учитывающий потери в сети (1,05);
- коэффициент загрузки оборудования (0,9);
- стоимость 1кВт*ч энергии (3,12 руб);
Ф - годовой фонд времени работы оборудования, рассчитывается по формуле:
,
где
- число дней в году (365 дней);
- число выходных дней в году (104 дня);
- число праздничных дней в году (11 дней);
- коэффициент сменности (для односменного режима работы равен
1);
- продолжительность рабочего дня (8 ч.);
- коэффициент, учитывающий потери времени на ремонт
оборудования (0,05).
Рассчитываем затраты на электроэнергию:
. Стоимость помещения определяется по формуле следующим образом:
,
где
= 16 м2 - площадь помещения (м2);
= 2500 руб - стоимость аренды за 1м2 площади
помещения в год.
Затраты на текущий ремонт и амортизацию помещения составят:
. Затраты на текущий ремонт оборудования и амортизацию оборудования.
Стоимость основного оборудования определяется по формуле:
где
=1,1 - коэффициент, учитывающий транспортировку и монтаж
оборудования;
- количество компьютеров (2 шт);
- стоимость одного компьютера (17500 руб.);
- количество принтеров (1 шт);
- стоимость принтера (2990 руб.).
Стоимость вспомогательного оборудования определяется по формуле как 10%
от стоимости основного оборудования:
Тогда общая стоимость оборудования по формуле будет равна:
Амортизация оборудования составляет 25% и 15% от стоимости основного и
вспомогательного оборудования соответственно:
Затраты на текущий ремонт оборудования составляют 5% от общей стоимости
оборудования:
Таким образом, цена проекта с учетом прочих расходов получится:
При автоматизированном проектировании в год выполняется 125 проектов.
Цена одного проекта - 10 000 руб. (по данным с предприятия):
Экономический эффект
Эффект получим с учетом прибыли на один проект.
где Иг1, Иг2 - годовые затраты до и после внедрения
графической подсистемы САПР, соответственно, руб.;
СПР1, СПР2 - годовой результат (стоимость
реализованных проектов) до и после внедрения подсистемы, соответственно, руб.
Годовые издержки определяются по формуле:
где З - затраты на проектирования
(ручного/автоматизированного), руб.;
N -
число проектов, шт.
Годовые затраты до внедрения ПО:
Годовые затраты после внедрения ПО:
Тогда получим эффект:
руб.
9. Раздел по охране труда и окружающей среды
.1 Описание объекта проектирования
Одним из наиболее распространенных средств измерений расхода жидкостей и
газо (паров), протекающих по трубопроводам, являются расходомеры переменного
перепада давления, состоящие из стандартного сужающего устройства (СУ),
дифманометра, приборов для измерения параметров среды и соединительных линий. В
комплект расходомерного устройства также входят прямые участки трубопроводов до
и после сужающего устройства с местными сопротивлениями.
Сужающее устройство расходомера является первичным измерительным
преобразователем расхода, в котором в результате сужения сечения потока
измеряемой среды (жидкости, газа, пара) образуется перепад (разность) давления,
зависящий от расхода. В качестве стандартных (нормализованных) сужающих
устройств применяются измерительные диафрагмы, сопла, сопла Вентури и
трубы-Вентури. Наиболее распространенным и часто используемым видом сужающего
устройства является стандартная диафрагма, достоинством которой заключается в
простоте в изготовлении и монтаже и применении в широком диапазоне чисел
Рейнольдса.
В рамках дипломного проекта разрабатывается программное обеспечение по
автоматизации проектирования диафрагм.
.2 Анализ вредных и опасных производственных факторов
В настоящее время компьютерная техника широко применяется во всех
областях деятельности человека. Работа конструкторов производится при помощи
компьютеров.
К основным вредным и опасным производственным фактором относятся:
электрический ток, недопустимые уровни шума, вибрация, инфра- и ультразвуки,
недостаточная освещенность, ионизирующие излучения, микро- и макроклимат, и
т.д.
При работе с компьютером человек подвергается воздействию ряда опасных и
вредных производственных факторов: электромагнитных полей (диапазон
радиочастот: ВЧ, УВЧ и СВЧ), инфракрасного и ионизирующего излучений, шума и
вибрации, статического электричества и др.
9.3 Мероприятия по устранению и уменьшению действия опасных и
вредных производственных факторов
.3.1 Производственное помещение и размещение оборудования
Необходимо, чтобы планировка рабочего места удовлетворяла требованиям
эргономичности, экономии энергии и времени работающего, рационального
использования производственных помещений и удобства обслуживания ЭВМ. В
соответствии с СанПиН 2.2.2./2.4.1340-03 "Гигиенические требования к
персональным электронно-вычислительным машинам и организации работы"
(далее по тексту 2.2.2./2.4.1340-03) площадь на одно рабочее место в
помещениях, оборудованных ПЭВМ, должна быть не менее 6 м2, а объем
не менее 20 м3.
В кабинете находятся два стола, четыре стула, шкаф для хранения
вспомогательного оборудования и необходимой документации. Размер кабинета
составляет 7х5х3 м. В кабинете работают два человека, еще два стола
предназначены для размещения вспомогательного оборудования. Таким образом,
площадь на одного человека: =(7*5)/2=17,5 м2.
Объем на человека:=(7*5*3)/2=52,5 м3.
Полученные площадь и объем помещения соответствуют санитарным нормам.