Организация и выполнение технического обслуживания и ремонта асинхронного двигателя АИР63А2

  • Вид работы:
    Курсовая работа (т)
  • Предмет:
    Другое
  • Язык:
    Русский
    ,
    Формат файла:
    MS Word
    94,92 Кб
  • Опубликовано:
    2015-06-16
Вы можете узнать стоимость помощи в написании студенческой работы.
Помощь в написании работы, которую точно примут!

Организация и выполнение технического обслуживания и ремонта асинхронного двигателя АИР63А2

Содержание

Введение.

ГЛАВА 1

.1 Характеристика производства и оборудования.

.2 Устройство и принцип действия асинхронного двигателя АИР63А2

.3 Основные этапы эксплуатации асинхронного электродвигателя АИР63А2

.4 Структура электроремонтного предприятия

.5 Основные неисправности и их причины.

.6 Порядок разборки и сборки асинхронного двигателя АИР63А

.7 Испытание электродвигателя АИР63А2

ГЛАВА 2.

.1 Перечень документации необходимой для выполнения организации и проведения технического обслуживания и ремонта асинхронного электродвигателя АИР63А2

.2 Составление годового графика ремонта асинхронного электродвигателя АИР63А2

.3 Технологическая карта технического обслуживания асинхронного электродвигателя АИР63А2 гидронасоса

.4 Составление технологические карты текущего ремонта асинхронного электродвигателя АИР63А2 гидронасоса

.5 Составление технологической карты капитального ремонта асинхронного электродвигателя АИР63А2 гидронасоса

Список литературы.

Приложение1 Схема включения электродвигателя

Приложение 2 Ремонтный цикл

Приложение 3Чертёж электродвигателя АИР63А2

Ведение

Актуальность темы: Разработка технологических карт для технического обслуживания и ремонта помогут ремонтным предприятиям, которые занимаются обслуживанием насосов в необходимом ремонте асинхронного двигателя АИР63А2

Выше изложенное в целом на теоретико-методологическом уровне определило проблему настоящего исследования: выявление необходимой документации на ремонт и обслуживание двигателя АИР63А2

Недостаточная разработанность указанной проблемы и ее большая практическая значимость в необходимости правильной документации, определили тему исследования: «Организация и выполнение технического обслуживания и ремонта двигателя АИР63А2».

Цель исследования:

) Составление технологических карт на техническое обслуживание двигателя АИР63А2.

) Составление технологических карт на текущий ремонт двигателя АИР63А2.

) Составление технологических карт на капитальный ремонт АИР63А2.

Объект исследования:

Объектом исследования является технологическая карта асинхронного электродвигателя АИР63А2.

Технологическая карта - это стандартизированный документ, содержащий необходимые сведения, инструкции для персонала, выполняющего некий технологический процесс или техническое обслуживание объекта.

Технологическая карта должна отвечать на вопросы:

) Какие операции необходимо выполнять.

) В какой последовательности выполняются операции.

) С какой периодичностью необходимо выполнять операции (при повторении операции более одного раза).

) Сколько уходит времени на выполнение каждой операции.

) Результат выполнения каждой операции.

) Какие необходимы инструменты и материалы для выполнения операции.

Технологические карты разрабатываются в случае:

) Высокой сложности выполняемых операции.

) Наличие спорных элементов в операциях, неоднозначностей.

) При необходимости определения трудозатрат на эксплуатацию объекта.

Технологическая карта составляется техническими службами пред-приятия и утверждается руководителями предприятия.

Предмет исследования:

Необходимые меры безопасности при выполнении технического обслуживания и ремонта двигателя АИР63А2, организационно-технические мероприятия, перечень инструментов, перечень приспособлений, перечень операций.

Задача исследования:

) определить назначение конструкции, устройство и принцип действия асинхронного электродвигателя АИР63А2 гидронасоса;

) определить производственную среду и производственную характеристику промышленного предприятия, где используется оборудование;

) определение основных этапов эксплуатации асинхронного электродвигателя АИР63А2 гидронасоса;

) определение структуры ремонтного производства асинхронного электродвигателя АИР63А2 гидронасоса;

) определение основных неисправностей причин асинхронного электродвигателя АИР63А2;

) определение норм, классификации и требования к испытаниям силового асинхронного электродвигателя АИР63А2 гидронасоса.

Практическая значимость:

Технологическая карта должна быть составлена в полной мере правильно, так как она будет использоваться непосредственно на предприятии и не должна быть причиной каких - либо материальных или трудовых затрат.

Методы исследования:

Изучение нормативно-справочной литературы, изучение учебной литературы, изучение производственной характеристики предприятия и наблюдение на производственной практике.

ГЛАВА 1

.1 Характеристика производства и оборудования

Условные обозначения электродвигателя АИР63A2:

Электродвигатель АИР63A2, У2 IМ1081 асинхронный

АИР - это серия электродвигателя («А» - асинхронный, И - унифицированная серия по стандарту («Интерэлетро»)

- это габарит электродвигателя (высота оси вращения, расстояние между центром вала электродвигателя и его основанием, станиной)- установочный размер по длине станины (длина пакета статора)

"2"- число пар полюсов (параметр влияет на скорость вращения, «3» - соответствует 3000 об/мин).

У2 - это климатическое исполнение электродвигателя

Данная модель электродвигателя поставляется нашим предприятием в двух исполненияхМ1081- исполнения электродвигателя, на лапахМ2081- комбинированное исполнение электродвигателя лапы + фланец. Электродвигатель асинхронный в исполнении IМ2081 будет иметь стоимость +5% к базовой цене электродвигателя на лапах в исполнении IМ1081.- cтепень защиты электродвигателей

Техническая характеристика электродвигателя АИР63A2

Напряжение 380/220В, частота 50 Гц.

Высота оси вращения - 63 мм.

Исполнение станины алюминиевое

Схема соединения обмоток «звезда-треугольник»

Масса электродвигателя, - 5,5 кг.

Мощность электродвигателя, - 0,37 кВт

Класс изоляции - F.

Частота вращения электродвигателя - 3000 об./мин.

cos φ электродвигателя - 0,81

КПД электродвигателя - 69,7 %

Предельные отклонения напряжения питания от -5 до +10%, частоты тока ±2,5% то номинальных значений.

Номинальный режим работы - S1 по ГОСТ 183-74.

Условия эксплуатации электродвигателя асинхронного АИР63A2:

Температура окружающего воздуха: от -45 до +40°С для климатического исполнения У2;

Относительная влажность: 100% при 25°С для исполнения У;

Общие сведения по электродвигателю АИР63A2

Общие сведения по электродвигателю АИР63A2.

АИР63A2 - это асинхронный электродвигатель применяется преимущественно на промышленных и производственных предприятиях, в качестве приводов различного оборудования используемого в производственных или строительных целях. Токарные, сверлильные, фрезеровочные станки, насосы, компрессоры, краны, различные холодильные агрегаты, подъемники, погрузчики, лифты и т.д. Единственное, что необходимо здесь отметить, это то, что данная модель электродвигателя применяется в тех местах, где требуется малая мощность и большая частота вращения вала ротора.

Благодаря системе переключения схемы соединения обмоток статора электродвигателя данная модель может подключаться как к трехфазному напряжению 220В так и 380В.

Данную модель электродвигателя отличает универсальность, невысокая цена, малая мощность, надежность и простота конструкции.

Условные обозначение электродвигателя АИР63А2:

АИР- это серия электродвигателя («А»-асинхронный, И- унифицированная серия по стандарту («Интерэлетро») АИР.

- это габарит электродвигателя (высота оси вращения, расстояние между центром вала электродвигателя и его основанием, станиной)

А- установочный размер по длине станины (длина пакета статора)

- число пар полюсов ( параметр влияет на скорость вращения, «2»-соответствует 3000 об- в мин).

У2 - это климатическое исполнение электродвигателяМ1081-- исполнения электродвигателя, на лапах

Общие сведения об электродвигателе АИР63А2

Двигатель отвечает ГОСТу. Спектр применения электродвигателя широк.

Техническая характеристика электродвигателя АИР63А2 в стандартном исполнении:

Напряжение 380 В, частота 50 Гц.

Масса электродвигателя - 6,5 кг.

Мощность электродвигателя - 0,37 кВт

Частота вращения электродвигателя - 3000 об./мин.

cos φ электродвигателя - 0,75

КПД электродвигателя - 74 %

Назначение, применение и характеристика асинхронного двигателя АИР63А2.

Электродвигатель асинхронный АИР63А2 (приложение 3) - это общепромышленный двигатель. Как известно, общепромышленные электродвигатели самые распространенные и востребованные. Двигатели с осью вращения 63 маленькие, дешёвые, применяются везде! И в промышленности и в быту. Например, они могут быть установлены на промышленный насос консольный к8.

Насос К8/18 - тип "К" консольный. Данный насос является центробежным, одноступенчатым с односторонним вводом воды к рабочему колесу. Насос К8/18 - предназначен для перекачки чистой воды, кроме морской. Кислотно - щелочная среда рН 6-9, температура воды в промежутке : 0 до + 85o С Возможно перекачивать и другие жидкости, которые пожожи с водой своей плотностю, вязкостю и химическая активность которых на уровне чистой воды. Данные жидкости могут содержать твердые частицы до 0,25 мм, концентрация частиц не должна превышает 0,1%.

Горизонтальные электронасосные агрегаты с центробежным консольным одноступенчатым насосом с односторонним подводом жидкости к рабочему колесу для перекачивания чистой воды (кроме морской) с рН=6-9, и других жидкостей , сходных с водой по плотности , вязкости и химической активности, содержащих твердые включения размером до 0,2 мм, объемная концентрация которых не превышает 0,1%.

Материал проточной части - чугун.

Уплотнение вала:

с одинарным мягким сальником (обозначается "С" или не обозначается) для температуры до 85 Гр.С.

с двойным мягким сальником (обозначается "СД") для температуры до 105 Гр.С.

Насос исполнения ИСО.

Патрубки: входной Ду-50, ру-6, напорный Ду-32, Ру-6.

Насос К 8/18

Подача - 8 м3/час

Напор - 18.00 м

Частота вращения - 2900 (48) об/мин (сек-1)

Максимальная потребляемая мощность - 1.20 кВт

Допускаемый кавитационный запас - 3.80 м, не менее

Масса насоса - 32 кг

1.2 Устройство и принцип действия асинхронного двигателя АИР63А2

Данный двигатель состоит из:

Статор - неподвижная часть электрической машины, взаимодействующая с подвижной частью - ротором.

Ротор - вращающаяся часть двигателей и рабочих машин, на которой расположены органы, получающие энергию от рабочего тела или отдающие её рабочему телу.

Принцип действия:

Принцип действия асинхронного электродвигателя основан на взаимодействии индуктированного тока ротора с магнитным потоком статора. При включении обмотки трехфазного двигателя под напряжение источника трехфазного переменного тока внутри расточки статора образуется вращающееся магнитное поле, частота вращения которого равна

= 60fp ,

где n1 - частота вращения магнитного поля, об/мин; f - частота тока, Гц; p - число пар магнитных полюсов двигателя.

Силовые линии вращающегося магнитного поля пересекают стержни короткозамкнутой обмотки ротора, и в них индуктируется ЭДС, которая вызывает появление тока и магнитного потока в роторе двигателя.

Взаимодействие магнитного поля статора с магнитным потоком ротора создает механический вращающий момент, под действием которого ротор начинает вращаться. Частота вращения ротора несколько меньше частоты вращения магнитного поля. Поэтому двигатель называется асинхронным.

Величина, характеризующая отставание ротора от магнитного поля в относительных единицах, называется скольжением, подсчитывают ее по формуле

= (n1−n2)/n1,

где S - скольжение (относительная угловая скорость); n1 - частота вращения магнитного поля, об/мин; n2 - номинальная частота вращения ротора, об/мин.

Для включения двигателя в сеть его статорные обмотки должны быть соединены в "звезду" или "треугольник" (приложение 1).
Для включения двигателя по схеме «треугольник» нужно начало первой обмотки соединить с концом второй, начало второй обмотки - с концом третьей и начало третьей - с концом первой. Места соединения обмоток подключают к трем фазам сети.

Чтобы двигатель включить в сеть по схеме «звезда», нужно все концы обмоток соединить электрически в одну точку, а все начала обмоток присоединить к фазам сети. Схемы включения всегда приводятся на обратной стороне крышки, закрывающей коробку выводов электродвигателя. Для изменения направления вращения трехфазного асинхронного электродвигателя достаточно поменять местами две любых фазы сети независимо от схемы включения электродвигателя.

Для быстрого изменения направления вращения двигателя применяют реверсивные рубильники, пакетные выключатели или реверсивные магнитные пускатели.

Чтобы уменьшить пусковые токи трехфазных асинхронных короткозамкнутых двигателей больших мощностей, их включают с помощью переключателя схем со "звезды" на "треугольник". При этом сначала обмотки двигателя соединяются по схеме "звезда", потом, после того как ротор двигателя наберет номинальную частоту вращения, его обмотки переключаются в схему "треугольник".

Снижение пускового тока двигателя при переключении его обмоток со звезды на треугольник происходит потому, что вместо предназначенной для данного напряжения сети схемы "треугольник" каждая обмотка двигателя включается на напряжение в √3 раз меньшее, а потребляемый ток снижается в три раза. Снижается также в три раза и мощность, развиваемая электродвигателем при пуске. Поэтому изложенный способ снижения пускового тока можно использовать лишь при нагрузке не более 1/3 номинальной.

1.3 Основные этапы эксплуатации асинхронного электродвигателя АИР63А2

Во всём процессе эксплуатации задействованы следующие основные этапы:

.Транспортировка.

Транспортировка и хранение электродвигателей. Транспортировка, погрузка и разгрузка двигателя должны обеспечивать его сохранность. Двигатели допускается перевозить любым видом крытого транспорта на любые расстояния. При перевозке двигателя ось вала должна располагаться поперек оси движения транспортного средства, для предотвращения повреждения подшипников. При перевозке и перемещении двигателей необходимо исключать их контакт с другими предметами, способными нанести повреждения. Погрузочно-разгрузочные работы при перевозке и перемещении двигателей производятся вильчатым погрузчиком или штабелером, мостовым краном или тельфером. Рым-болт двигателя рассчитан только на вес двигателя. Перед подъемом двигателя следует проверить состояние рым-болтов, при необходимости подтянуть. Запрещается осуществлять подъем двигателя за выходной конец вала. Запрещается поднимать за рым-болт двигатель с исполнительным механизмом. Не допускаются рывки или удары при перемещении двигателя.

. Хранение.

При хранении двигателей должны обеспечиваться следующие условия:

двигатели следует хранить в упаковке или без неё в сухом и вентилируемом складе, свободном от вибрации и пыли;

атмосфера склада не должна содержать кислотных, щелочных и других паров, вредно действующих на изоляцию и покрытия;

при хранении не допускаются колебания температуры и влажности, вызывающие образование росы;

при складировании упакованных в ящики двигателей следует руководствоваться надписями и маркировкой на упаковке;

при хранении двигателей следует соблюдать сроки консервации.

При консервации незащищенные места двигателей (выходные концы валов, фланцы, места под болты заземления и др.) покрываются антикоррозионной смазкой.

Во время хранения двигатели осматриваются не реже одного раза в год.

.Монтаж.

Машина, поступившая на место монтажа в собранном виде, устанавливается на металлической раме, которая крепится на специальном фундаменте либо на том же основании, на котором расположена рабочая машина. Так как установочные размеры электродвигателя имеют допуски, при монтаже машины на металлической раме приходится пользоваться металлическими прокладками, которые следует заготовить заранее.

Обычно вал электрической машины (двигателя) соединяют с валом рабочей машины посредством муфт. Из большого конструктивного разнообразия соединительных муфт наибольшее применение получили упругие втулочно-пальцевые муфты типа МУВП. Передача вращательного движения от одной полумуфты к другой в этой муфте происходит через упругие резиновые втулки, надетые на пальцы. Эта муфта обладает компенсирующими свойствами: устраняет последствия небольшой несоосности сопрягаемых валов, возникшей при монтаже машины или в процессе эксплуатации.

Для соединения двух валов посредством муфты на концы этих валов напрессовывают полу муфты, предварительно проверив цилиндричность и соответствие наружных диаметров валов и внутренних диаметров полумуфт с помощью измерительных скоб и нутромеров. Посадка полумуфт на валы выполняется в горячем состоянии. Сочленяемые валы при установке полумуфт могут иметь радиальное или угловое смешение, что при работе двигателя приводит к значительным вибрациям и разрушению подшипников. Центровку валов выполняют посредством радиально-осевых скоб.

.Тех. обслуживание.

Техническое обслуживание проводят на месте установки без демонтажа и разборки. В объем ТО входят: очистка электродвигателя от пыли и грязи; проверка исправности заземления, крепления электродвигателя и его элементов, степени нагрева и уровня вибрации, и шума, надежности контактных соединений; измерение сопротивления изоляции и устранение обнаруженных неисправностей. У двигателей с фазным ротором проверяют состояние контактных колец и щеточного механизма. Сроки ТО электродвигателей зависят от характеристики помещений и рабочих машин, с которыми они работают. ТО электродвигателей серий 4А, Д, АО2СХ проводят 1 раз в три месяца, кроме электродвигателей, установленных на зернодробилках, молотилках, прессах, измельчителях кормов (пыльные влажные помещения), для которых ТО осуществляют 1 раз в полтора месяца. Такую же периодичность обслуживания имеют электродвигатели, работающие на открытом воздухе или под навесом. Для двигателей молочных вакуум-насосов и пастеризаторов (особо сырые помещения) ТО выполняют 1 раз в два месяца.

Периодичность ТО для электродвигателей серии АО2, установленных в сухих и влажных, а также сырых помещениях, для электродвигателей, используемых в пыльных и особо сырых помещениях, определена в соответствии с ППРЭ - системе планово-предупредительных ремонтов электрооборудования.

.Пробный пуск.

Соединяют обмотки двигателя требуемым образом и подключают к клеммам коробки выводов двигателя провода от автоматического выключателя (автомата). Проверяют наличие в схеме питания двигателя защитных устройств и их настройку на параметры двигателя. Если подшипники двигателя имеют устройства для пополнения смазки, то следует залить смазку. Исходя из мощностей питающей сети и двигателя принимают решение о необходимости применения специальных методов пуска. Двигатель включают в сеть кратковременно (на 3 - 5 с), обратив внимание на направление вращения (соответствует ли оно указанному на двигателе), отсутствие посторонних шумов, состояние защитных устройств. Если никаких признаков неисправности не обнаружилось, то пуск в режиме холостого хода повторяют на более продолжительное время. При этом измеряют ток холостого хода двигателя, который не должен превышать указанный в документации на двигатель более чем на 10%.

. Ремонты.

Ремонт электрооборудования на промышленных предприятиях проводится в соответствии с принятой в нашем государстве системой планово-предупредительного ремонта (ППР). Периодичность и объем ремонтов устанавливаются системой ППР в зависимости от режимов работы, технического состояния и условий эксплуатации электрооборудования. Таким образом, система ППР - это система организационных и технических мероприятий, выполнение которых обеспечивает продолжительную и безаварийную работу электрооборудования.

Существуют три основные системы организации ППР электрооборудования промышленных предприятий: централизованная, децентрализованная и смешанная.

При централизованной системе ремонт выполняют несколько ремонтных служб, специализированных по видам электрооборудования или работ. Эти службы подчинены главному энергетику предприятия. Персонал, обслуживающий электрооборудование цеха или подстанции, выполняет только работы по надзору и мелкому текущему ремонту.

Децентрализованная система характеризуется отсутствием специализированных ремонтных служб. Все электроремонтные работы выполняет персонал электроремонтных мастерских или бригад, находящихся в административном подчинении соответствующего начальника, например начальника цеха.

Смешанная система характеризуется тем, что в структуре предприятия имеются как электроремонтные мастерские и бригады, выполняющие небольшие по объему и сложности ремонтные работы, так и специализированные ремонтные службы, осуществляющие сложные и большие по объему работы.

В настоящее время для проведения технической диагностики (определения состояния оборудования и выявления неисправностей) и ремонта все более широко используются средства вычислительной и микропроцессорной техники (установки, стенды, устройства для диагностики и испытания электрооборудования), позволяющие сокращать сроки проведения ремонтов, уменьшать затраты на ремонт и повышать эффективность эксплуатации электрооборудования. Например, одним из направлений повышения безопасности выполнения работ при диагностике воздушных линий электропередач высокого напряжения (ВН) является применение приборно-программного комплекса (ППК), устанавливаемого на легких летательных аппаратах.

Положением о ППР электрооборудования промышленных предприятий предусмотрено выполнение нескольких видов ремонта (текущего и капитального, среднего и капитального или текущего, среднего и капитального). На практике широко используется система, предусматривающая осуществление для большей части электрооборудования двух видов ремонта: текущего и капитального.

При текущем ремонте после осмотра всего электрооборудования устраняют мелкие дефекты, регулируют механизмы и выполняют ряд других небольших по объему работ (например, перезарядку предохранителей с заменой плавких вставок, зачистку подгорелых контактов аппаратов, замену изношенных щеток), позволяющих обеспечить нормальную работу электрооборудования до следующего планового ремонта. Текущие ремонты производят обычно без разборки электрооборудования в период кратковременных остановок производственного оборудования.

Средним считают ремонт, при котором предупреждают чрезмерный износ наиболее ответственных деталей и узлов электрооборудования. В этом случае заменяют отдельные детали, устраняют дефекты изоляции лобовых частей обмоток электродвигателей, ремонтируют щеткодержатели (меняют пружины и гибкие связи), шлифуют контактные кольца электродвигателей с фазным ротором и т. п.

При капитальном ремонте восстанавливают или заменяют отдельные основные детали и узлы электрооборудования. Например, к этому виду ремонта относят перемотку статорных или роторных обмоток электрических машин, перезаливку подшипников скольжения электродвигателей, изготовление и установку новых обмоток силовых трансформаторов. Капитальный ремонт обычно производится при частичной или полной разборке электрооборудования. Иногда при капитальном ремонте электрических машин, трансформаторов и коммутационных аппаратов осуществляют их модернизацию, т. е. совершенствуют конструкцию, улучшают эксплуатационные показатели, повышают надежность и другие характеристики.

Главная цель модернизации заключается в приближении технических показателей ремонтируемого электрооборудования к техническим показателям нового, более совершенного оборудования. При этом затраты времени, средств и материалов на модернизацию электрооборудования должны быть оправданы теми техническими или экономическими результатами, которые будут достигнуты после его модернизации. Если при капитальном ремонте осуществляется модернизация с изменением конструкции и основных технических параметров оборудования, то такой ремонт называют капитально-реконструктивным.

Ремонты электрооборудования планируют исходя из межремонтных периодов, ремонтных циклов и их структуры.

Межремонтный период - период работы электрооборудования между двумя очередными плановыми ремонтами, например соседними текущими, текущим и капитальным или текущим и средним.

Ремонтный цикл - промежуток времени работы электрооборудования между двумя очередными капитальными ремонтами или с момента ввода его в эксплуатацию до первого капитального ремонта.

Структура ремонтного цикла представляет собой совокупность текущих и средних ремонтов на протяжении одного ремонтного цикла.

Основой для определения продолжительности межремонтного периода и ремонтного цикла служит расчетное (или действительное) время, в течение которого электрооборудование может нормально работать в заданных режимах. При этом ориентируются на продолжительность нормальной работы наиболее быстро изнашивающихся деталей и узлов электрооборудования.

Ремонты электрооборудования предприятий планируют на один год с разбивкой по кварталам и месяцам. Такое планирование ремонтов называется текущим (планирование ремонтов электрооборудования на более длительный период называется перспективным). Существует также оперативное планирование ремонта электрооборудования с помощью сетевых графиков, которые могут быть общими или локальными. Общий сетевой график предусматривает ремонт определенного комплекса электрооборудования (отдельной электроустановки, подстанции, цеха), а локальный - ремонт отдельной крупной единицы электрооборудования (мощного электродвигателя, силового трансформатора).

Таблица 1.

Основные неисправности и их причины.

Виды неисправностей

Причина

Способ устранения

При включении в сеть ротор (якорь) неподвижен

На входных клеммах машины отсутствует напряжение либо оно слишком мало

Проверить питающую линию, устранить повреждение и обеспечить подачу номинального напряжения

При включении в сеть ротор неподвижен, сильное гудение, интенсивное нагревание

Разрушен подшипник; задевание ротора о статор; заклинило вал рабочего механизма

Отсоединить вал двигателя от вала механизма и вновь включить двигатель; если вал двигателя остается неподвижным, снять двигатель и отправить в ремонт

Остановка работающего двигателя

Прекращена подача напряжения

Найти и устранить разрыв в питающей цепи Выяснить причину срабатывания защиты (перегрузка двигателя, значительно изменилось напряжение в сети), устранить ее и включить двигатель

Двигатель не достигает требуемой частоты вращения, сильно перегревается

Двигатель перегружен Повышено или понижено напряжение сети Повышена температура окружающей среды Нарушена вентиляция двигателя (засорились каналы подачи воздуха на вентилятор)

Устранить перегрузку Выяснить и устранить причину отклонения напряжения от номинального Устранить причину и понизить температуру до допустимого значения

Двигатель сильно перегревается

Двигатель перегружен Подшипник вышел из строя

Устранить перегрузку  Заменить подшипник

Работа двигателя сопровождается сильным гудением, появился дым

Произошло замыкание витков некоторых катушек обмотки статора; короткое замыкание одной фазы

Двигатель отправить в ремонт

 

Сильная вибрация двигателя

Нарушилась балансировка вентиляторного колеса двигателя либо другого элемента, установленного на валу двигателя

Устранить небаланс вентилятора либо другого элемента, установленного па валу двигателя

 

Подшипник перегревается, в нем слышны шумы

Подшипник и смазка в нем загрязнены  Подшипник изношен  Нарушена центровка валов двигателя и рабочей машины

Удалить из подшипника смазку, промыть его и заложить новую смазку  Заменить подшипник  Произвести центровку валов

 

Двигатель не отключается от сети при нажатии кнопки «Стоп»

«Залипли» контакты магнитного пускателя

Отключить двигатель автоматическим выключателем и заменить магнитный пускатель

 

При включении в сеть двигатель работает неустойчиво

Силовые контакты магнитного пускателя не создают устойчивого соединения

Заменить магнитный пускатель

 

Разрушение лап машины в местах их присоединения к корпусу

Очень сильная вибрация машины  Нарушение соосности сочлененных валов двигателя и рабочей машины

Определить несбалансированные вращающиеся элементы и выполнить их балансировку Разъединить валы и восстановить их соосность

 

Разрушение гнезд с резьбой в корпусе для крепления подшипниковых щитов

Слишком сильная вибрация  Разрушен подшипник

Устранить причины, вызывающие такую вибрацию Заменить подшипник

 

Ослабление крепления подшипника в подшипниковом щите

Слишком большая радиальная нагрузка на выходной конец вала, приведшая к износу места посадки подшипника в щите  Очень большая вибрация машины

Уменьшить радиальную нагрузку и заменить двигатель; применить двигатель другого типоразмера, способный без разрушения выдержать существующую радиальную нагрузку  Устранить причины сильной вибрации и заменить двигатель

 


1.4 Структура электроремонтного предприятия

Структура электроремонтного предприятия и состав его оборудования определяются в основном номенклатурой и объемом ремонтируемого оборудования. Поскольку форма организации ремонта электрических машин и другого электротехнического оборудования является цеховой, то далее будет рассмотрена именно эта форма организации работ. Следует отметить, что ремонтный цех может быть как самостоятельной производственной единицей, так и являться одним из цехов крупного отраслевого предприятия.

В ремонтном цехе производятся:

капитальный ремонт электрических машин, их реконструкция и модернизация;

средний и текущий ремонт;

ремонт и изготовление пускорегулирующей аппаратуры;

изготовление запасных частей;

изготовление электромонтажных узлов и заготовок;

ремонт и изготовление технологической оснастки для ремонта.

Все работы, проводимые в этом цехе, можно разбить на восемь основных видов: предремонтные, разборочно-дефектационные, изоляционно-обмоточные, слесарно-механические, комплектовочные, сборочные, отделочные и послеремонтные. В соответствии с видом производимых работ в состав ремонтного цеха, как правило, входят следующие отделения и участки:

склады поступающей и готовой продукции (территориально они могут быть объединены);

испытательный участок;

участок разборки, мойки и дефектации;

ремонтно-механический участок;

кузнечно-сварочный участок;

отделение ремонта контактных колец, коллекторов и щеточных аппаратов;

обмоточный участок;

участок восстановления обмоточных проводов (в ряде случаев здесь осуществляется и изготовление нового обмоточного провода);

пропиточно-сушильный участок с отделением окраски;

участок комплектации и сборки;

испытательная станция.

Кроме того, в структуру цеха могут быть включены участки гальванопластики и столярная мастерская.

Испытательный участок. Здесь производят предремонтные испытания для выявления неисправностей электрических машин, поступивших в ремонт. Помимо внешнего осмотра здесь измеряют активные сопротивления и сопротивление изоляции обмоток, проверяют целость подшипников (при работе машины на холостом ходу), правильность и плотность прилегания щеток к коллектору и контактным кольцам, уровень вибрации. Участок должен быть оснащен подъемно-транспортным и испытательным оборудованием.

Участок разборки, мойки и дефектации. Здесь производят очистку машин перед разборкой, разбирают их на отдельные узлы и детали и производят дефектацию (диагностику), определяя их состояние, степень износа и объем необходимого ремонта. Неисправные детали и узлы передают для ремонта на соответствующие участки, а исправные - на участок комплектации. По итогам дефектации составляется дефектная ведомость, определяется необходимый объем ремонта и потребность в комплектующих изделиях.

Участок должен быть оснащен подъемно-транспортным и моечным оборудованием, механическими и электрическими инструментами для разборки машин, станками для удаления обмотки, печью для выжига (или размягчения) изоляции, приспособлениями для выведения ротора из статора.

Ремонтно-механический и кузнечно-сварочный участки. На этих участках ремонтируют изношенные и изготавливают новые конструктивные детали электрических машин - валы, корпуса подшипников скольжения, крышки подшипников и др. Здесь же ремонтируют и изготавливают новые токоведущие части, такие как контактные кольца, коллекторы, щеточные механизмы, контакты. На этих участках производят ремонт и перешихтовку магнито-проводов (сердечников), а также механическую обработку и восстановление резьбовых соединений. Кроме того, здесь изготавливают необходимую для ремонта технологическую оснастку.

Участки оснащены соответствующим парком универсальных станков для механической обработки деталей, подъемно-транспортным оборудованием, прессами и ножницами для резки металла, универсальным сварочным и слесарным оборудованием.

Обмоточный участок. Здесь ремонтируют старые и изготавливают новые обмотки электрических машин, восстанавливают поврежденный обмоточный провод, осуществляют укладку, пропитку и сушку обмоток, производят сборку рабочей схемы соединения обмоток и осуществляют контроль изоляции обмоток в процессе ее изготовления и укладки. В отделении окраски проводят отделочные работы и окраску машин после сборки и испытаний.

На этом участке устанавливаются станки для очистки и изолирования проводов, намотки обмоток, резки и формовки изоляции, прессы для формовки катушек из прямоугольного провода, специальные станки для бандажировки обмоток. Участок оснащен инструментом для пайки и сварки проводов, необходимым пропиточным оборудованием и сушильными шкафами. Отделение пропитки и сушки должно иметь хорошую вытяжную вентиляцию. Подъемно-транспортное оборудование рассчитывается на узлы, имеющие максимальную массу (как правило, это статоры наиболее крупных машин).

Участок комплектации и сборки. Сюда направляются исправные чистые узлы и детали с участка разборки и дефектации, отремонтированные узлы и детали с остальных участков, а также недостающие комплектующие детали (крепеж, подшипники качения и т.п.). Полный машинокомплект поступает на сборку, где осуществляется поузловая и общая сборка электрических машин. Здесь же производится и балансировка роторов электрических машин.

Участок оснащен практически тем же оборудованием, что и участок разборки (за исключением моечного оборудования и оборудования для удаления обмоток). Кроме того, на участке установлены балансировочные станки.

Испытательная станция. Здесь проводятся послеремонтные испытания электрических машин по соответствующим программам, а также испытания новых конструкций, узлов и деталей, изготовленных в процессе реконструкции или модернизации.


.6 Порядок разборки и сборки асинхронного двигателя АИР63А2

Разборку двигателя следует проводить в следующей последовательности:

извлечь шпонку и в случае наличия второго рабочего конца вала, шпонку;

отвернуть болты крепления кожуха и снять кожух.

вынуть кольцо упорное пружинное и снять вентилятор с помощью съемника;

извлечь шпонку;

отвернуть болты, крепящие подшипниковые щиты;

отвернуть болты, крепящие крышки подшипниковые;

снять крышку подшипниковую и подшипниковый щит;

вынуть ротор вместе с подшипниками и крышками подшипниковыми и щитом подшипниковым;

Необходимо следить за тем, чтобы не повредить лобовые части обмотки статора, поверхности ротора и деталей, установленных на ротор.

отвернуть болты, крепящие крышки подшипниковые;

снять с ротора крышку подшипниковую, щит подшипниковый, пружину гофрированную невинтовую;

Необходимо следить за тем, чтобы не повредить под крышкой подшипниковой.

вынуть кольцо упорное пружинное;

снять подшипники, используя специальный съемник.

Необходимо следить за тем, чтобы не повредить прокладки.

Сборку двигателя необходимо проводить в обратной последовательности в соответствии со схемой.

Для позиционирования внутренних подшипниковых крышек, при сборке подшипниковых узлов рекомендуется использовать монтажные шпильки.

После окончания сборки необходимо проверить сопротивление изоляции обмоток статора и цепи терморезисторов относительно корпуса и между обмотками, а также легкость вращения ротора от руки.

Разборку коробки выводов проводить в следующей последовательности.

отвернуть винты крепления крышки коробки выводов и снять ее;

отвернуть болты крепления прижимного фланца и снять его;

извлечь из фланца уплотнение и шайбы;

отвернуть болты крепления фланца и снять его;

Необходимо следить за тем, чтобы не повредить прокладку.

отвернуть элементы крепления кабельных наконечников на клеммной панели.

1.7 Испытание электродвигателя АИР63А2

В процессе монтажа, пусконаладочных работ и эксплуатации электродвигатели подвергаются испытаниям для определения возможности их включения под напряжение и надежной безаварийной эксплуатации.

Для начала приемо-сдаточных испытаний необходимо провести внешний осмотр электродвигателя. При этом проверяются:

соответствие паспортных данных двигателя проектным данным и техническим условиям;

комплектность электродвигателя;

наличие и содержание технической документации по монтажу и эксплуатации;

заполнение подшипников смазкой до заданного уровня и отсутствие течи масла;

целость изоляции и соединений видимых частей обмоток и выводов (особое внимание обращается на надежность креплений и распорок лобовых частей обмоток);

состояние контактных колец и щеточного механизма у двигателей с фазным ротором;

наличие и соответствие проекту контрольно-измерительных приборов, защитной и сигнальной аппаратуры;

надежность и качество заземления корпуса электрической машины;

наличие и состояние средств пожаротушения;

испытания электродвигателей начинаются с внешнего осмотра и проверки характеристик изоляции для оценки необходимости сушки изоляции обмоток, а затем проверяют все остальные параметры и проводят испытание изоляции повышенным напряжением переменного тока. Если изоляция электрической машины требует сушки, то все проверки и соответствующие испытания выполняются после нее. Объем и нормы испытаний определяются Правилами устройств электроустановок (ПУЭ), Правилами эксплуатации электроустановок потребителей и технической документацией завода-изготовителя.

Нормы приемо-сдаточных испытаний электродвигателей переменного тока.

Объем приемо-сдаточных испытаний.

Вводимые в эксплуатацию электродвигатели переменного тока в соответствии с требованиями ПУЭ должны испытываться в следующем объеме:

. Определение возможности включения без сушки электродвигателей напряжением выше 1кВ.

. Измерение сопротивления изоляции.

. Испытание повышенным напряжением промышленной частоты.

. Измерение сопротивления постоянному току

а) обмоток статора и ротора б) реостатов и пускорегулировочных резисторов.

. Измерение зазоров между сталью ротора и статора.

. Измерение зазоров в подшипниках скольжения.

. Измерение вибрации подшипников электродвигателя.

. Измерение разбега ротора в осевом направлении.

. Испытание воздухоохладителя гидравлическим давлением.

. Проверка работы электродвигателя на холостом ходу и с ненагруженным механизмом.

. Проверка работы электродвигателя под нагрузкой.

ГЛАВА 2

.1 Перечень документации необходимой для выполнения организации и проведения технического обслуживания и ремонта асинхронного электродвигателя АИР63А2

асинхронный двигатель капитальный ремонт

Планово предупредительный ремонт (ППР) - представляет собой комплекс организационно-технических мероприятий предупредительного характера, проводимых в плановом порядке для обеспечения работоспособности парка машин в течение всего предусмотренного срока службы.

Основных систем планового ремонта три:

. Система периодических ремонтов, которая предусматривает проведение мероприятий по техническому обслуживанию и плановых ремонтов каждой единицы оборудования после отработки ею определенного времени. Наибольший экономический эффект применение данной системы дает в условиях массового и крупносерийного производства, и строгого учета наработки оборудования.

. Система после осмотровых ремонтов, при которой необходимый объем ремонтных работ по данному оборудованию определятся после его осмотра. Применение этой системы целесообразно для эпизодически работающего оборудования, а также для прецизионных станков для которых точность зависит от слаженной работы всех деталей и узлов станка.

. Система стандартных ремонтов, которая предусматривает выполнение обусловленного объема ремонтных работ в определенные сроки. Система применяется для специального оборудования, работающего на постоянном режиме.

Дефектная ведомость - основной технический документ, где перечисляют все дефекты отдельных деталей и узлов и указывают методы их устранения. Окончательная дефектная ведомость является документом, определяющим объем работ при ремонте.

При после осмотровом методе ремонта электрическое и электромеханическое оборудование подлежит капитальному ремонту только после осмотра и профилактических испытаний во время очередной ревизии или текущего ремонта. Ресурс оборудования при этом методе ремонта используется полностью, поэтому стоимость ремонтов меньше.

Технологическая карта - это стандартизированный документ, содержащий необходимые сведения, инструкции для персонала, выполняющего некий технологический процесс или техническое обслуживание объекта.

Технологическая карта - это стандартизированный документ, содержащий необходимые сведения, инструкции для персонала, выполняющего некий технологический процесс или техническое обслуживание объекта.

Технологическая карта (ТК) должна отвечать на вопросы:

• Какие операции необходимо выполнять

• В какой последовательности выполняются операции

• С какой периодичностью необходимо выполнять операции (при повторении операции более одного раза)

• Сколько уходит времени на выполнение каждой операции

• Результат выполнения каждой операции

• Какие необходимы инструменты и материалы для выполнения операции.

• Технологические карты разрабатываются в случае:

• Высокой сложности выполняемых операций;

• Наличие спорных элементов в операциях, неоднозначностей;

• При необходимости определения трудозатрат на эксплуатацию объекта.

Как правило, ТК составляется для каждого объекта отдельно и оформляется в виде таблицы. В одной ТК могут быть учтены различные, но схожие модели объектов. Технологическая карта составляется техническими службами предприятия и утверждается руководителем предприятия.

Наряд-допуск - задание на безопасное производство работы, оформленное на специальном бланке установленной формы и определяющее содержание, место работы, время её начала и окончания, условия её безопасного выполнения, необходимые меры безопасности (в том числе по радиационной, пожарной безопасности и на загазованных рабочих местах), состав бригады и работников, ответственных за безопасное выполнение работы.

2.2 Составление годового графика ремонта асинхронного электродвигателя АИР63А2

Исходными данными для составления графика являются:

• Ремонтный цикл - это повторяющаяся совокупность различных видов планового ремонта, осуществляемых в заданной последовательности через определенные, равные между собой промежутки времени работы оборудования, называемые межремонтными периодами между двумя последовательно выполняемыми плановыми ремонтами.

• Межремонтный период - время между двумя последовательно проводимыми (очередными) плановыми капитальными и средними ремонтами оборудования, а также между вводом оборудования в эксплуатацию и его первым плановым капитальным ремонтом.

Межремонтный период регламентируется системой планово-предупредительных ремонтов оборудования. Продолжительность межремонтного периода зависит от типа производства и вида оборудования.

В течение межремонтного периода для поддержания оборудования в исправном состоянии осуществляются текущие (малые) ремонты и осмотры, количество и последовательность которых определяются системами регламентированного технического обслуживания.

• Структура ремонтного цикла - перечень и последовательность выполнения работ по осмотру и ремонту в период ремонтного цикла (от ввода оборудования в эксплуатацию до первого капитального ремонта или между двумя капитальными ремонтами) (приложение 2).

Приспособления, приборы, механизмы, защитные средства.

Мегомметр 500 В

Уровень микрометрический

Набор щупов

Микроомметр

Штангенциркуль

Защитные каски

Указатель напряжения (380в).

Аптечка

Перчатки

Защитные очки

Материалы и запасные части.

Спирт

Герметик

Стеклолента

Бумага наждачная

Материалы обтирочные

Лента киперная

Смазка

Уайт-спирит

Таблица 2.

Последовательность операций.

№ п/п

Наименование и содержание работ

Оборудование и приспособления

Технические требования

 

1

Провести наружный осмотр электрической машины, систем управления, защиты, вентиляции и охлаждения.


Соответствие техническим паспортам по эксплуатации и электрическим схемам.

 

2

Очистка поверхности.

Уайт-спирит, ветошь, щётка по металлу, щётка-смётка.

Наличие загрязнений не допускается.

 

3

Проверка креплений.

Ключи гаечные, набор отверток, набор головок, отвертка слесарная.

Все болты и гайки должны хорошо быть затянуты (но не перетянуты), не иметь срывов резьбы. Наличие изношенных или деформированных резиновых втулок не допускается.

4

Осмотр элементов соединения двигателя с приводимым механизмом.


Трещины по швам, разрывы, перекосы, ослабления резьбовых соединений не допускаются.

5

Проверка исправности заземления

Ключи гаечные, набор отверток, набор головок, отвертка слесарная.

Отсутствие антикорозийного покрытия, ослабление крепления, механические повреждения не допускаются.

6

Проверка подсоединения и надежности уплотнения подводимых кабелей, технического состояния и герметичности вводных коробок и муфт уплотненного ввода; проверка состояния уплотнителей, поверхностей и деталей, обеспечивающих взрывозащиту; взрывонепроницаемость вводов кабелей и проводов.

Набор слесарных щупов №1, набор отвёрток, набор головок.

Шероховатость рабочей поверхности Rd не более 1,25 мкм. Изоляционное покрытие выводных концов обмоток электродвигателя и проводов, подводящих питание должны быть целыми. Наличие отслоений, подгораний, обугливаний или механических повреждений изоляции не допускается и (или) должны быть изолированы.

13

Проверка воздушного зазора между ротором и статором.

Набор слесарных щупов №1.

Величины воздушного зазора указаны в руководстве по эксплуатации.

 

14

Проверка сопряжения деталей, обеспечивающих герметичность.

Набор слесарных щупов №1. Набор отвёрток. Набор головок, герметик.

Величины зазоров указаны в руководстве по эксплуатации.

 

15

Проверка наличия маркировки кабелей, надписей и обозначений на кожухе, при необходимости восстановление.

Кисть, краска, табличка.

Отсутствие маркировки и надписей не допускаются.

 

16

Проверка работы электродвигателя.


Заедания в подшипниках, задевания ротора за статор и вентилятора за кожух, наличие посторонних шумов не допускаются.

 


2.4 Составление технологические карты текущего ремонта асинхронного электродвигателя АИР63А2 гидронасоса

Меры безопасности.

Прежде чем приступать к работе следует осмотреть место предстоящей работы и привести его в порядок; если оно загромождено ненужными предметами, мешающими в работе, необходимо привести его в порядок и убрать все лишнее. Электродвигатель должен быть обесточен, установлено заземление, вывешены плакаты. На вводные концы кабеля электродвигателя наложить переносное заземление. Место работ оградить. Работать с применением СИЗ. Работать поверенными приборами, механизмами и испытанным электроинструментом и приспособлениями.

Состав бригады.

Электромонтер по ремонту электрооборудования с не ниже 3 гр. по электробезопасности. Электромонтер по ремонту электрооборудования с 3 гр. по электробезопасности.

Снятие ограждения должно быть возможно только с применением инструмента. При проведении работ в зоне, защищенной съемным ограждением, оно должно быть демонтировано полностью.

Сдвигаемые или съемные ограждения, дающие возможность доступа для проведения настройки или монтажа средств управления или датчиков на работающем насосе, не должны блокироваться, но должны исключать возможность несанкционированного доступа в потенциально опасную зону. Сдвигаемые ограждения, закрепленные на насосе, должны быть фиксированными и в открытом положении.

В ЭД должно быть отражено требование о запрещении снятия ограждений на работающем насосном агрегате. Для диагностики и оценки состояния того или иного узла во время работы должны быть предусмотрены смотровые окна в ограждениях, закрытые сетками, перфорацией, решетками.

Инструмент.

Напильники.

Щетка по металлу.

Нож монтерский.

Ключи гаечные 6 - 32 мм.

Набор отверток.

Набор головок.

Отвертка слесарная.

Кисть плоская.

Монтировка.

Плоскогубцы.

Молоток.

Щётка-смётка.

Деревянный брусок

Приспособления, приборы, механизмы, защитные средства.

Мегомметр 500 В

Уровень микрометрический

Набор щупов

Микроомметр

Штангенциркуль

Защитные каски

Указатель напряжения (380в).

Аптечка

Перчатки

Защитные очки

Переносной заземлитель

Сварочный аппарат

Материалы и запасные части.

Спирт

Герметик

Стеклолента

Бумага наждачная

Материалы обтирочные

Лента киперная

Смазка

Уайт-спирит

Комплект запасных подшипников

Запасное заземление

Запасной вентилятор

Таблица 3..

Последовательность операций

№ п/п

Наименование и содержание работ

Оборудование и приспособления

Технические требования

1

Демонтировать электродвигатель.

Ключи гаечные, набор отверток, набор головок, отвертка слесарная, сварочный аппарат (если двигатель приварен).


2

Провести наружный осмотр электрической машины, систем управления, защиты


Соответствие техническим паспортам по эксплуатации и электрическим схемам.

3

Очистка поверхности.

Уайт-спирит, ветошь, щётка по металлу, щётка-смётка.

Наличие загрязнений не допускается.

4

Частичная разборка электродвигателя.

Ключи гаечные, набор отверток, набор головок, отвертка слесарная, молоток, деревянный брусок.

Разборка должна быть выполнена аккуратно.

5

Проверка воздушного зазора между ротором и статором.

Набор слесарных щупов №1.

Величины воздушного зазора указаны в руководстве по эксплуатации.

6

Продувка статора и ротора сжатым воздухом.

Компрессор.


7

Прочистить обмотки, измерить сопротивление изоляции, при необходимости просушить обмотки.

Мегомметр, камера для сушки обмоток, уайт-спирит.

Обмотки должны быть чистыми, сухими, сопротивление изоляции не должно быть менее 0,5 МОм.

8

Проверка технического состояния подшипников, наличия смазки. В случае необходимости произвести их смазку, замену

Смазка, шприц для запрессовки смазки, комплект запасных подшипников.

Подшипники должны быть хорошо смазаны, быть в хорошем техническом состоянии.

9

Проверка технического состояния вентилятора. Провести его замену, если имеются механические повреждения.

Набор отверток, набор головок, отвертка слесарная, запасной вентилятор.

Вентилятор должен быть правильной формы, не иметь сколов, трещин, не задевать кожух.

10

Сборка электродвигателя.

Ключи гаечные, набор отверток, набор головок, отвертка слесарная, молоток, деревянный брусок.

Сборка должна быть выполнена аккуратно.

11

Проверка креплений после установки двигателя на прежнее место.

Ключи гаечные, набор отверток, набор головок, отвертка слесарная.

Все болты и гайки должны хорошо быть затянуты (но не перетянуты), не иметь срывов резьбы. Наличие изношенных или деформированных резиновых втулок не допускается, шкив, полумуфта или звездочка должны быть плотно насажены на валу.

12

Осмотр элементов соединения двигателя с приводимым механизмом после установки электродвигателя на прежнее место.


Трещины по швам, разрывы, перекосы, ослабления резьбовых соединений не допускаются.

13

Проверка исправности заземления. В случае необходимости зачистить поверхности от ржавчины, подтянуть крепления, заменить неисправное заземление на новое, если это необходимо.

Ключи гаечные, набор отверток, набор головок, отвертка слесарная, запасное заземление.

Отсутствие антикорозийного покрытия, ослабление крепления, механические повреждения не допускаются,.

14

Проверка подсоединения и надежности уплотнения подводимых кабелей, технического состояния и герметичности вводных коробок и муфт уплотненного ввода; проверка состояния уплотнителей, поверхностей и деталей, обеспечивающих взрывозащиту; взрывонепроницаемость вводов кабелей и проводов.

Набор слесарных щупов №1, набор отвёрток, набор головок.

Шероховатость рабочей поверхности Rd не более 1,25 мкм. Изоляционное покрытие выводных концов обмоток электродвигателя и проводов, подводящих питание должны быть целыми. Наличие отслоений, подгораний, обугливаний или механических повреждений изоляции не допускается и (или) должны быть изолированы.

15

Проверка контактных соединений в коробке выводов.

Набор отвёрток, набор головок, плоскогубцы.

Доска зажимов (если она есть), не должна иметь сколы, трещины или обугленную поверхность.

16

Осмотр, зачистка и подтяжка контактных соединений.

Шкурка шлифовальная тканевая, отвёртки, набор головок, ключи гаечные.

Перекосы, наличие окиси, ослабления контактных соединений не допускаются.

17

Проверка сопряжения деталей, обеспечивающих герметичность. В случае необходимости загерметизировать, заменить уплотнители.

Набор слесарных щупов №1, набор отвёрток, набор головок, герметик.

Величины зазоров указаны в руководстве по эксплуатации.

18

Проверка узлов автоматических выключателей.

Набор отвёрток, набор головок, набор гаечных ключей, слесарная отвёртка.


19

Проверка работы электродвигателя под нагрузкой и без нагрузки.


Заедания в подшипниках, задевания ротора за статор и вентилятора за кожух, наличие посторонних шумов не допускаются.

20

Проверка наличия маркировки кабелей.

Кисть, краска, табличка.

Отсутствие маркировки и надписей не допускаются.

7

Проверка контактных соединений в коробке выводов.

Набор отвёрток, набор головок, плоскогубцы.

Доска зажимов (если она есть), не должна иметь сколы, трещины или обугленную поверхность. Изоляция в местах соединения проводов должна быть без повреждений и дефектов. Контакты должны быть чистыми, хорошо затянутыми, смазанными.

8

Продувка статора и ротора сжатым воздухом.

Компрессор.


9

Проверка сопротивления изоляции обмоток; при необходимости сушка.

Мегомметр напряжением 500В.

Сопротивление изоляции не должно быть менее 0,5 МОм.

10

Проверка наличия смазки в подшипниках электродвигателя.

Смазка, шприц для запрессовки смазки.

Подшипники должны быть смазаны.

11

Осмотр, зачистка и подтяжка контактных соединений.

Шкурка шлифовальная тканевая, отвёртки, набор головок, ключи гаечные.

Перекосы, наличие окиси, ослабления контактных соединений не допускаются.

12

Проверка узлов автоматических выключателей.

Набор отвёрток, набор головок, набор гаечных ключей, слесарная отвёртка.



2.3 Технологическая карта технического обслуживания асинхронного электродвигателя АИР63А2 гидронасоса

Меры безопасности.

Прежде чем приступать к работе следует осмотреть место предстоящей работы и привести его в порядок; если оно загромождено ненужными предметами, мешающими в работе, необходимо привести его в порядок и убрать все лишнее. Электродвигатель должен быть обесточен, установлено заземление, вывешены плакаты. На вводные концы кабеля электродвигателя наложить переносное заземление. Место работ оградить. Работать с применением СИЗ. Работать поверенными приборами, механизмами и испытанным электроинструментом и приспособлениями.

Снятие ограждения должно быть возможно только с применением инструмента. При проведении работ в зоне, защищенной съемным ограждением, оно должно быть демонтировано полностью.

Сдвигаемые или съемные ограждения, дающие возможность доступа для проведения настройки или монтажа средств управления или датчиков на работающем насосе, не должны блокироваться, но должны исключать возможность несанкционированного доступа в потенциально опасную зону. Сдвигаемые ограждения, закрепленные на насосе, должны быть фиксированными и в открытом положении.

В ЭД должно быть отражено требование о запрещении снятия ограждений на работающем насосном агрегате. Для диагностики и оценки состояния того или иного узла во время работы должны быть предусмотрены смотровые окна в ограждениях, закрытые сетками, перфорацией, решетками.

Состав бригады.

Электромонтер по ремонту электрооборудования с не ниже 3 гр. по электробезопасности. Электромонтер по ремонту электрооборудования с 3 гр. по электробезопасности.

Инструмент.

Напильники.

Щетка по металлу.

Нож монтерский.

Ключи гаечные 6 - 32 мм.

Набор отверток.

Набор головок.

Отвертка слесарная.

Кисть плоская.

Монтировка.

Плоскогубцы.

Молоток.

Щётка-смётка.

Приспособления, приборы, механизмы, защитные средства.

Мегомметр 500 В

Уровень микрометрический

Набор щупов

Микроомметр

Штангенциркуль

Защитные каски

Указатель напряжения (380в).

Аптечка

Перчатки

Защитные очки

Переносной заземлитель

Материалы и запасные части.

Спирт

Герметик

Стеклолента

Бумага наждачная

Материалы обтирочные

Лента киперная

Смазка

Уайт-спирит

Последовательность операций.

№ п/п

Наименование и содержание работ

Оборудование и приспособления

Технические требования

1

Провести наружный осмотр электрической машины, систем управления, защиты, вентиляции и охлаждения.


Соответствие техническим паспортам по эксплуатации и электрическим схемам.

2

Очистка поверхности.

Уайт-спирит, ветошь, щётка по металлу, щётка-смётка.

Наличие загрязнений не допускается.

3

Проверка креплений.

Ключи гаечные, набор отверток, набор головок, отвертка слесарная.

Все болты и гайки должны хорошо быть затянуты (но не перетянуты), не иметь срывов резьбы. Наличие изношенных или деформированных резиновых втулок не допускается, шкив, полумуфта или звездочка должны быть плотно насажены на валу и не иметь осевых перемещений.

4

Осмотр элементов соединения двигателя с приводимым механизмом.


Трещины по швам, разрывы, перекосы, ослабления резьбовых соединений не допускаются.

5

Проверка исправности заземления

Ключи гаечные, набор отверток, набор головок, отвертка слесарная.

Отсутствие антикорозийного покрытия, ослабление крепления, механические повреждения не допускаются.

6

Проверка подсоединения и надежности уплотнения подводимых кабелей, технического состояния и герметичности вводных коробок и муфт уплотненного ввода; проверка состояния уплотнителей, поверхностей и деталей, обеспечивающих взрывозащиту; взрывонепроницаемость вводов кабелей и проводов.

Набор слесарных щупов №1, набор отвёрток, набор головок.

Шероховатость рабочей поверхности Rd не более 1,25 мкм. Изоляционное покрытие выводных концов обмоток электродвигателя и проводов, подводящих питание должны быть целыми. Наличие отслоений, подгораний, обугливаний или механических повреждений изоляции не допускается и (или) должны быть изолированы.

7

Проверка контактных соединений в коробке выводов.

Набор отвёрток, набор головок, плоскогубцы.

Доска зажимов (если она есть), не должна иметь сколы, трещины или обугленную поверхность. Изоляция в местах соединения проводов должна быть без повреждений и дефектов. Контакты должны быть чистыми, хорошо затянутыми, смазанными.

8

Продувка статора и ротора сжатым воздухом.

Компрессор.


9

Проверка сопротивления изоляции обмоток; при необходимости сушка.

Мегомметр напряжением 500В.

Сопротивление изоляции не должно быть менее 0,5 МОм.

10

Проверка наличия смазки в подшипниках электродвигателя.

Смазка, шприц для запрессовки смазки.

Подшипники должны быть смазаны.

11

Осмотр, зачистка и подтяжка контактных соединений.

Шкурка шлифовальная тканевая, отвёртки, набор головок, ключи гаечные.

Перекосы, наличие окиси, ослабления контактных соединений не допускаются.

12

Проверка узлов автоматических выключателей.

Набор отвёрток, набор головок, набор гаечных ключей, слесарная отвёртка.


13

Проверка воздушного зазора между ротором и статором.

Набор слесарных щупов №1.

Величины воздушного зазора указаны в руководстве по эксплуатации.

14

Проверка сопряжения деталей, обеспечивающих герметичность.

Набор слесарных щупов №1. Набор отвёрток. Набор головок, герметик.

Величины зазоров указаны в руководстве по эксплуатации.

15

Проверка наличия маркировки кабелей, надписей и обозначений на кожухе, при необходимости восстановление.

Кисть, краска, табличка.

Отсутствие маркировки и надписей не допускаются.

16

Проверка работы электродвигателя.


Заедания в подшипниках, задевания ротора за статор и вентилятора за кожух, наличие посторонних шумов не допускаются.


2.5 Составление технологической карты капитального ремонта асинхронного электродвигателя АИР63А2 гидронасоса

Меры безопасности.

Прежде чем приступать к работе следует осмотреть место предстоящей работы и привести его в порядок; если оно загромождено ненужными предметами, мешающими в работе, необходимо привести его в порядок и убрать все лишнее. Электродвигатель должен быть обесточен, установлено заземление, вывешены плакаты. На вводные концы кабеля электродвигателя наложить переносное заземление. Место работ оградить. Работать с применением средств индивидуальной защиты. Работать поверенными приборами, механизмами и испытанным электроинструментом и приспособлениями. Все операции в ходе капитального ремонта по ремонту узлов и деталей электродвигателя проводятся в специализированных цехах с применением специализированного оборудования.

Снятие ограждения должно быть возможно только с применением инструмента. При проведении работ в зоне, защищенной съемным ограждением, оно должно быть демонтировано полностью.

Сдвигаемые или съемные ограждения, дающие возможность доступа для проведения настройки или монтажа средств управления или датчиков на работающем насосе, не должны блокироваться, но должны исключать возможность несанкционированного доступа в потенциально опасную зону. Сдвигаемые ограждения, закрепленные на насосе, должны быть фиксированными и в открытом положении.

В ЭД должно быть отражено требование о запрещении снятия ограждений на работающем насосном агрегате. Для диагностики и оценки состояния того или иного узла во время работы должны быть предусмотрены смотровые окна в ограждениях, закрытые сетками, перфорацией, решетками.

Состав бригады.

Электромонтер по ремонту электрооборудования с не ниже 3 гр. по электробезопасности. Электромонтер по ремонту электрооборудования с 3 гр. по электробезопасности.

Инструмент.

Напильники.

Щетка по металлу.

Нож монтерский.

Ключи гаечные 6 - 32 мм.

Набор отверток.

Набор головок.

Отвертка слесарная.

Кисть плоская.

Монтировка.

Плоскогубцы.

Молоток.

Щётка-смётка.

Деревянный брусок

Дрель

Набор свёрл

Ножовочное полотно

Электродуговая сварка (электрод ОММ5)

Крючки

Плашки

Резец

Чекан

Ручные гильотинные ножницы

Ручные дисковые ножницы

Приспособления, приборы, механизмы, защитные средства.

Мегомметр 500 В

Уровень микрометрический

Набор щупов

Микроомметр

Штангенциркуль

Защитные каски

Указатель напряжения (380в).

Аптечка

Перчатки

Резиновые перчатки

Переносной заземлитель

Сварочный аппарат

Съёмник

Моечная машина для мойки узлов и деталей электрических машин или ванна

Паста марки ХИОТ-6

Респиратор

Горелка

Станок для обрезки лобовых частей обмоток СО-3М

Печь

Токарный станок

Установка газоплазменного напыления

Устройство для выправления кривизны вала

Сварка

Припой

Станок для динамической балансировки ротора

Паяльник

Обмоточный станок

Обкаточный механизм

Материалы и запасные части.

Спирт

Герметик

Стеклолента

Бумага наждачная

Материалы обтирочные

Лента киперная

Смазка

Уайт-спирит

Комплект запасных подшипников

Запасное заземление

Запасной вентилятор

Моющий синтетический препарат МЛ-51

Вода

Паста марки ХИОТ-6

Набор стопоров

Набор шпилек

Клеящий лак

Прокладки из слюды

Текстолитовые клинья

Лак БТ-99

Концентрированная азотная кислота

Шпатлёвка

Химически стойкая эмаль

Салфетки

% раствор кальцинированной соды

Стеклотекстолит

Клей ЭЛ-4

Керосин

Асбестовый картон

Бирки

Чугунный электрод марки Б

Флюс

Таблица 4.

Последовательность операций.

№ п/п

Наименование и содержание работ

Оборудование и приспособления

Технические требования

 

1

Демонтировать и снять электродвигатель.

Ключи гаечные, набор отверток, набор головок, отвертка слесарная, сварочный аппарат (если двигатель приварен).


 

2

Провести предремонтные испытания. Если электродвигатель благополучно их проходит, то провести приёмо-сдаточные испытания. В случае, если он и их благополучно проходит, то отправить обратно в эксплуатацию. В случае, если электродвигатель не проходит данные испытания, то отправить на капитальный ремонт в электроремонтный цех.

Мегомметр.

Соответствие техническим паспортам по эксплуатации и электрическим схемам. Вал должен легко вращаться от руки, сопротивление изоляции должно быть не менее 0,5 МОм.

 

3

Полная разборка электродвигателя.

Ключи гаечные, набор отверток, набор головок, отвертка слесарная, молоток, съёмник, деревянный брусок, керосин, горелка, асбестовый картон, бирки, станок для обрезки лобовых частей обмоток СО-3М, крючки

Разборка должна быть выполнена аккуратно.

 

4

Очистка поверхности, мойка деталей и узлов.

Уайт-спирит, ветошь, щётка по металлу, щётка-смётка, вода, моющий синтетический препарат МЛ-51, моечная машина для мойки узлов и деталей электрических машин или ванна, паста марки ХИОТ-6, резиновые перчатки, респиратор.

Наличие загрязнений не допускается, во время разведения моющего средства рабочие должны быть обязательно в респираторе, защитных очках, в резиновых перчатках, со смазанными до локтей руками пастой марки ХИОТ-6.

 

5

Дефектация всех деталей и узлов электрической машины.

Щуп толщиной 0,2 мм, мегомметр, штангенциркуль

Детали и узлы, которые не нуждаются в ремонте, отправляются в цех комплектации. Узлы и детали, которые нуждаются в ремонте, отправляются в соответствующие цеха для последующего ремонта. Детали и узлы не подлежащие ремонту заменяются на новые, которые в свою очередь поступают в цех комплектации.

 

6

Ремонт сердечника.

Набор стопоров, дрель, набор свёрл, ножовочное полотно, электродуговая сварка (электрод ОММ5 диаметром 2мм), набор шпилек, напильник, клеящий лак, текстолитовые клинья, молоток, прокладки из слюды, лак БТ-99, концентрированная азотная кислота, шпатлёвка, химически стойкая эмаль, салфетки, 10% раствор кальцинированной соды, вода, спирт, стеклотекстолит, клей ЭЛ-4.


 

7

Ремонт корпуса и подшипниковых щитов.

Напильник бархатный, печь, чугунный электрод марки Б, флюс, дрель, набор свёрл, раствор герметика 6Ф и воды, ацетон, металлическая щётка, молоток, сварка, плашки.


 

8

Ремонт вала.

Напильники, щётка по металлу, токарный станок, электрод Э42, электродуговая сварка (электрод ОММ5), дрель, набор свёрл, ацетон, установка газоплазменного напыления, резец, устройство для выправления кривизны вала.


 

9

Ремонт короткозамкнутых обмоток ротора.

Горелка, бензин, сварка, припой, чекан, молоток, дрель, набор свёрл, станок для динамической балансировки ротора.


 

10

Изготовление и укладка обмоток.

Паяльник, ручные гильотинные ножницы, ручные дисковые ножницы, обмоточный станок, молоток.


11

Ремонт стержневой обмотки ротора и обмотки полюсов.

Нож монтёрский, горелка, вода, паяльник, припой, щётка по металлу, электрокартон, пресс, обкаточный механизм.


12

Пропитка обмотки статора и ротора.

Лак марки МЛ-92.


13

Сборка электродвигателя, динамическая балансировка ротора.

Ключи гаечные, набор отверток, набор головок, отвертка слесарная, молоток, деревянный брусок, универсальный балансировочный станок.

Сборка должна быть выполнена аккуратно.

14

Проверка технического состояния подшипников, наличия смазки. В случае необходимости произвести их смазку, замену.

Смазка, шприц для запрессовки смазки, комплект запасных подшипников.

Подшипники должны быть хорошо смазаны, быть в хорошем техническом состоянии.

15

Продувка статора и ротора сжатым воздухом.

Компрессор.


16

Проверка технического состояния вентилятора. Провести его замену, если имеются механические повреждения.

Набор отверток, набор головок, отвертка слесарная, запасной вентилятор.

Вентилятор должен быть правильной формы, не иметь сколов, трещин, не задевать кожух.

 

17

Приёмо-сдаточные испытания, обкатка электродвигателя.

Мегомметр, набор щупов.

Результаты испытаний должны соответствовать значениям в паспорте двигателя.

 

18

Проверка креплений после установки двигателя на прежнее место.

Ключи гаечные, набор отверток, набор головок, отвертка слесарная.

Все болты и гайки должны хорошо быть затянуты (но не перетянуты), не иметь срывов резьбы. Наличие изношенных или деформированных резиновых втулок не допускается, шкив, полумуфта или звездочка должны быть плотно насажены на валу и не иметь осевых перемещений.

 

19

Осмотр элементов соединения двигателя с приводимым механизмом после установки электродвигателя на прежнее место.


Трещины по швам, разрывы, перекосы, ослабления резьбовых соединений не допускаются.

 

20

Проверка исправности заземления. В случае необходимости зачистить поверхности от ржавчины, подтянуть крепления, заменить неисправное заземление на новое.

Ключи гаечные, набор отверток, набор головок, отвертка слесарная, запасное заземление.

Отсутствие антикорозийного покрытия, ослабление крепления, механические повреждения не допускаются,.

 

21

Проверка подсоединения и надежности уплотнения подводимых кабелей, технического состояния и герметичности вводных коробок и муфт уплотненного ввода;

Набор слесарных щупов №1, набор отвёрток, набор головок.

Шероховатость рабочей поверхности Rd не более 1,25 мкм. Изоляционное покрытие выводных концов обмоток электродвигателя и проводов, подводящих питание должны быть целыми.

 

22

Проверка контактных соединений в коробке выводов.

Набор отвёрток, набор головок, плоскогубцы.

Доска зажимов (если она есть), не должна иметь сколы, трещины или обугленную поверхность. Изоляция в местах соединения проводов должна быть без повреждений и дефектов.

 

23

Осмотр, зачистка и подтяжка контактных соединений.

Шкурка шлифовальная тканевая, отвёртки, набор головок, ключи гаечные.

Перекосы, наличие окиси, ослабления контактных соединений не допускаются.

 

24

Проверка сопряжения деталей, обеспечивающих герметичность.

Набор слесарных щупов №1, набор отвёрток, набор головок, герметик.

Величины зазоров указаны в руководстве по эксплуатации.

 

26

Проверка узлов автоматических выключателей.

Набор отвёрток, набор головок, набор гаечных ключей, слесарная отвёртка.


 

27

Проверка наличия маркировки кабелей, надписей и обозначений на кожухе.

Кисть, краска, табличка.

Отсутствие маркировки и надписей не допускаются.

 




Список литературы

1. Н.А Акимова [и др.] «Монтаж, техническая эксплуатация и ремонт электрического и электромеханического оборудования» С.139-199

. Е.Ф. Щербаков «Электрические машины и аппараты» С. 63-96.

. В.П Шеховцов «Электрическое и электромеханическое оборудование» С. 196-209.

. В.В Москаленко «Системы автоматизированного управления электроприводом» С.136-146.

Интернет-ресурсы:

. szemo.ru

. electronpo.ru

3. electrograd.com

. etm.ru

Приложение 1

Схема включения электродвигателя

а-треугольник

б-звезда



Приложение 2

Ремонтный цикл

К - капитальный ремонт;

Т - текущий ремонт;

С - средний ремонт;

П - межремонтный период;

Ц - ремонтный цикл.

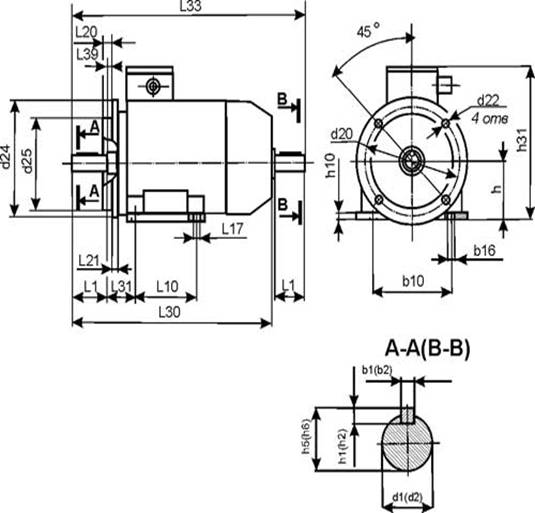
Приложение 3

Чертёж электродвигателя АИР63А2

Похожие работы на - Организация и выполнение технического обслуживания и ремонта асинхронного двигателя АИР63А2

 

Не нашли материал для своей работы?
Поможем написать уникальную работу
Без плагиата!
Без нейросетей!