Проект новой пассажирской станции с проектированием поперечного профиля и балластной призмы
Министерство образования и науки
Республики Казахстан
Костанайский социально-технический
университет
имени академика Зулхарнай Алдамжар
Кафедра "Организация перевозок и
транспорт"
ДИПЛОМНЫЙ ПРОЕКТ
Проект новой пассажирской станции
"К" с проектированием
поперечного профиля и балластной
призмы
ДП. ОПДиЭТ. 2009.00.00.00
Руководитель проекта: преподаватель
Водясов Е.В.
Выполнил:
студент
Жунусова
Л.М.
Костанай 2009
Оглавление
Введение
. Техническая характеристика
станции
. Разработка принципиальной
схемы новой пассажирской станции
.1 Основные требования к
проектированию пассажирской станции
.2 Разработка принципиальной
схемы расположения устройств на станции
. Расчет основных устройств
пассажирской станции
.1 Расчет числа
приемо-отправочных путей
.2 Проектирование горловин
новой пассажирской станции
.2.1 Определение загрузки
горловины с учетом взаимодействия маршрутов
.3 Проектирование
пассажирских платформ и тоннелей
.4 Построение поперечного
профиля земляного полотна и балластной призмы в сечении а 1 - а 2
. Проектирование пассажирских
вокзалов
.1 Требования к
проектированию пассажирских вокзалов
.2 Расчет вместимости
основных помещений вокзала и определение его категории
.3 Определение размеров
площадей помещений вокзала
.4 Проектирование
привокзальной площади
.5 Проектирование устройств
для багажа и почты
. Технология работы
пассажирской станции
.1 Операции с транзитными
поездами на приемоотправочных путях пассажирской станции
.2 Операции с конечными
дальними и местными поездами
.3 Операции с пригородными
поездами на пассажирской станции
. Безопасность и
экологичность проекта
.1 Требования безопасности к
техническим устройствам станции
.2 Безопасность
технологических процессов станции
. Экономическая эффективность
проекта
Заключение
Список литературы
Введение
Пассажирские перевозки играют важную роль в социально-экономической и
культурной жизни государства. Они организуются в соответствии с Уставом
железных дорог Казахстана, который определяет обязанности, права и ответственность
железных дорог, а также предприятий, организаций, учреждений и граждан,
пользующихся железнодорожным транспортом.
Эффективное планирование и организация пассажирских перевозок на
железнодорожном транспорте могут быть достигнуты на основе использования
современных методов анализа и управления. Решение этих вопросов невозможно без
учета основных факторов, влияющих на организацию перевозочного процесса, работу
пассажирских станций и вокзалов.
На железных дорогах республики создана мощная техническая база для
освоения существующего объема пассажирских перевозок и повышение культуры
обслуживание пассажиров. Активно осуществляется реконструкция вокзалов,
электрифицируются железнодорожные направления, широко применяются механизмы для
погрузки-выгрузки багажа, уборки помещении.
Пассажирские станции устраиваются в крупных городах, промышленных центрах
и курортных районах для обслуживания пассажиров и выполнения операций с
пассажирскими поездами и составами.
Пассажирские станции предназначены для обслуживания населения. На них
выполняются все виды операций с пассажирскими поездами и вагонами, пропуск
пассажирских транзитных поездов, техническое обслуживание, осмотр и устранение
мелких неисправностей, экипировка пассажирских вагонов водой, углем, подготовка
составов в рейс на технической станции. Выполняются операции по обслуживанию
пассажиров, производится продажа билетов, прием и выдача багажа и т.д.
Большое внимание уделяется совершенствованию билетно-кассового
обслуживания. Практически все билетные кассы включены в АСУ
"Экспресс-3". Расширяется виды услуг - заказ билетов по телефону,
доставка на дом.
Главная задача сегодняшнего дня для железнодорожного транспорта -
повышение конкурентоспособности, качества и культуры обслуживания, а в
технологическом аспекте изыскания резервов, качественная и производительная
эксплуатация подвижного состава, механизмов и машин, обеспечения надежности их
работы.
Целью моего дипломного проекта являлась задача определения
месторасположения новой пассажирской станции в крупном железнодорожном узле, а
также выбор и обоснование проекта самой станции с вокзалом имеющими повышенные
площадки для приема пассажиров, построение поперечного профиля
приемо-отправочного парка пассажирской станции, привокзальной площади.
1.
Техническая характеристика станции
Новая пассажирская станция проектируется в железнодорожном узле крупного
города. Проектируемая станция сквозного типа с тремя подходами.
Пассажирские станции предназначены для обслуживания населения. На них
выполняются все виды операций с пассажирскими поездами и вагонами, пропуск
пассажирских транзитных поездов, техническое обслуживание, осмотр и устранение
мелких неисправностей, экипировка пассажирских вагонов водой, углем, подготовка
составов в рейс на технической станции. Выполняются операции по обслуживанию
пассажиров, производится продажа билетов, прием и выдача багажа и т.д.
Пассажирская станция обслуживает дальние, местные и пригородные
пассажирские поезда.
Рисунок 1.1 Схема взаимного расположения подходов к станции в узле
На пассажирских станциях для выполнения всех видов работ по обслуживанию
пассажиров и пассажирских составов предусматриваются следующие устройства:
пассажирские здания, вокзалы, пассажирские платформы и переходные мосты,
привокзальные площади, пути для приема и отправления поездов, маневровых
операций и отстоя вагонов, технические станции для обслуживания, ремонта и
экипировки составов, багажные и почтовые устройства, устройства автоматики,
телемеханики, освещения и т.д.
Таблица 1.1 Суточные размеры пассажирского движения
|
Категория Направление
|
Дальние транзитные
|
Дальние конечные
|
Местные
|
Пригородные
|
|
Четное
|
25
|
5
|
3
|
25
|
|
Нечетное
|
25
|
5
|
4
|
26
|
Перспективный объем пассажиропотоков в селитебные и
промышленные районы города:
|
Номер района
|
1
|
2
|
3
|
4
|
5
|
6
|
7
|
8
|
9
|
Итого
|
|
Пассажиропоток, тыс.
пассажиров/сутки
|
5,6
|
8,7
|
9,4
|
6,8
|
13,3
|
5,1
|
20,2
|
5,8
|
12,1
|
87,0
|
Объем пассажиропотоков на подходах: I - 38; II -
26; III - 23 тыс./сутки. Коэффициент
непрямолинейности уличной сети города ka = 1,10, средняя скорость железнодорожного транспорта 40
км/ч, а городских видов транспорта 18 км/ч.
Преимущественным направлением является нечетное.
Годовой пассажиропоток на 10 год эксплуатации:
·
в дальнем
сообщении - 100000
·
в местном
сообщении - 110000
·
в пригородном сообщении
- 600000
Количество вагонов в составе пассажирского поезда 14.
Населенность дальнего пассажирского поезда 588 человек.
Серия пассажирских локомотивов - ЧС 3
Серия электропоездов - ЭР 2
Схема размещения пассажирской технической станции: сбоку от главных
путей.
Перегоны оборудованы автоблокировкой, на станции проектируется МРЦ.
Рисунок 1.2 Схема пассажирской станции: 1 - платформы
для выгрузки почты и багажа; 2 - отделение перевозки почты; 3 - багажное
отделение; 4 - вход в тоннель; 5 - пассажирское здание
2.
Разработка принципиальной схемы новой пассажирской станции
.1 Основные требования к проектированию пассажирской станции
На пассажирских станциях выполняются операции с пассажирскими поездами и
вагонами: пропуск, прием, отправление транзитных, местных, пригородных
пассажирских поездов, техническое обслуживание, подготовка составов к рейсу,
выполняются операции по обслуживанию пассажиров, производится продажа билетов,
прием и выдача багажа и т.д. Для выполнения перечисленных выше операций должна
иметь следующие основные устройства:
·
путевое развитие,
состоящее из главных, приемо-отправочных, вытяжных и тупиковых путей. Полезная
длина приемо-отправочных путей определяется из условия размещения пассажирских платформ
и выходных сигналов и должна быть не менее установленной длины пассажирских
платформ с добавлением расстояния от конца платформы до светофора не менее 30
м. Для сквозных приемо-отправочных путей это расстояние учитывается в обоих
концах платформы. На станциях сквозного типа в горловинах могут быть
предусмотрены тупики для стоянки локомотивов, заблаговременно подаваемых к
поездам, тупики для отцепки багажных и почтовых вагонов, а также тупики для
беспересадочных вагонов. Полезная длина тупиковых путей, укладываемых в конце
пассажирских платформ должна соответствовать длине группы беспересадочных
вагонов и, во всяком случае, должна быть не менее 75 метров;
·
пассажирские
платформы для посадки, высадки и пропуска пассажиров к выходам в здание
вокзала. Пассажирские платформы располагаются по схемам, приведенным на рис.
2.1. Расположением платформ с разделением одним приемо-отправочным путем
обеспечивается высадка пригородных пассажиров на одну платформу и посадка с
другой. Схема с расположением между платформами двух приемо-отправочных путей
обеспечивает только одностороннюю посадку и высадку пассажиров. На отдельных
станциях между платформами укладывается три пути, средний путь в этом случае
используется для пропуска грузовых поездов или как ходовой;
·
туннели и
переходные мосты для создания удобств пассажирам, обеспечения безопасного
прохода и установления хорошей связи привокзальной площади, вокзала и
пассажирских платформ;
·
устройства для
багажа и почты. Для работы с багажом и почтой на пассажирских станциях
предусматриваются багажные склады,
камеры хранения и кассы, перегрузочные платформы, специализированные
туннели, специальное путевое развитие;
·
вокзал и
привокзальная площадь для обслуживания пассажиров и др.
Для обслуживания составов пассажирских поездов и подготовки их в рейс
проектируется техническая станция. Она располагается со стороны,
противоположной наибольшему подходу конечных пассажирских поездов. Пассажирская
техническая станция может располагаться как между главными путями, так и сбоку
от них. [1,3]
Рисунок 2.1. Взаимное размещение ПОП и пассажирских платформ
Пассажирские станции проектируются в профиле на площадках; в отдельных
случаях допускается их расположение на уклонах, не превышающих 1,5‰. В плане
главные и приемо-отправочные пути пассажирских станций располагаются на прямых
участках; в трудных условиях допускается размещение этих путей на кривых
радиусом не менее 1200 м; в особо трудных условиях - до 600 м. На станциях с
безостановочным пропуском скоростных поездов (более 120 км/ч) главные пути в
плане должны быть прямыми, а в трудных условиях радиус кривых должен быть не
менее 1500 м.
В пределах станций расстояние между осями главных путей, также между
осями приемо-отправочных путей при отсутствии между ними платформ принимается
5.3 м., а в стесненных условиях при соответствующем обосновании 4.8 м. При
расположении в междупутьях сооружений и устройств расстояния между осями путей
увеличиваются с учетом размеров сооружений и норм габарита приближения строений.
На прямых участках пути установлены следующие основные расстояния от оси
ближайшего пути: до борта низких платформ - 1745 мм, до борта высоких платформ
1920 мм; до ближайшей грани мачт светофоров, опор контактной сети, пешеходных
мостов не менее 2450 мм.
Стрелочные переводы на главных и приемо-отправочных путях укладываются не
круче 1/11, а перекрестные переводы и одиночные, являющиеся продолжением
перекрестных, - не круче 1/9. При безостановочном пропуске поездов через
станцию со скоростью более 120 км/ч на главных путях должны укладываться
одиночные стрелочные переводы усиленной конструкции марки 1/11 или более
пологих марок.
Стрелочные горловины пассажирских станций должны обеспечивать наименьшее
число враждебных маршрутов, число параллельных операций должно быть, по
возможности, равно числу примыкающих к горловине главных путей. Горловины
пассажирских станций должны обеспечивать одновременный прием пассажирских
поездов со всех примыкающих к станции подходов. При больших размерах движения и
значительном числе приемо-отправочных путей в горловинах следует проектировать
параллельные стрелочные улицы для всех или части путей в зависимости от их
специализации или характера выполняемых операций. [1,3]
Пассажирские станции должны быть оборудованы устройствами ЭЦ с
максимальной автоматизацией процесса приготовления маршрутов, современными
средствами связи, устройствами для механизированной доставки багажа и почты к
поездам.
Контактной сетью на пассажирской станции оборудуют главные,
приемо-отправочные и ходовые пути. Опоры контактной сети располагаются с учетом
обеспечения видимости сигналов.
.2
Разработка принципиальной схемы расположения устройств на станции
На основе предыдущего подраздела и исходных данных разрабатываем
принципиальную схему расположения устройств на станции.
Рисунок 2.2. Распределение конечного вагонопотока по направлениям
Техническая станция располагается со стороны противоположной наибольшему
количеству прибывающих конечных поездов.
В горловинах станции запроектированы тупики для заблаговременной подачи
поездных локомотивов, для прицепки вагонов беспересадочного сообщения, для
почтово-багажных вагонов. Почтово-багажные устройства располагаются со стороны
вокзалы в той же горловине, что и техническая станция для удобства передачи
этих вагонов на техническую станцию и обратно.

Рисунок 2.3 Принципиальная схема пассажирской станции
3. Расчет
основных устройств пассажирской станции
.1 Расчет
числа приемо-отправочных путей
пассажирский станция маршрут вокзал
Для проектирования пассажирских станций определяется число
приемо-отправочных путей в зависимости от предполагаемых размеров и характера
движения. Расчет ведется исходя из распределения поездов по категориям и
времени выполнения отдельных операций. Число путей определяется по расчетному
интервалу следования поездов.
Таблица 3.1 Определение времени на выполнение операций с транзитными
поездами
|
Парк станции
|
Время стоянки, мин
|
Количество поездов
|
bi
|
tср.взв.оп, мин
|
|
Фактическое
|
Среднее
|
|
|
|
|
1
|
2
|
3
|
4
|
5
|
6
|
|
Нечетный транзит
|
До 15
|
9,86
|
7
|
0,28
|
2.76
|
|
15-20
|
16,82
|
11
|
0,44
|
7.40
|
|
21-30
|
25,17
|
6
|
0,24
|
6.04
|
|
31-40
|
40
|
1
|
0,04
|
1.60
|
|
Всего
|
-
|
25
|
1
|
17.80
|
|
Четный транзит
|
До 15
|
10,43
|
7
|
00,28
|
2.92
|
|
15-20
|
16
|
12
|
0,48
|
7.68
|
|
21-30
|
22
|
5
|
0,2
|
4.40
|
|
31-40
|
31
|
1
|
0,04
|
1.24
|
|
Всего
|
-
|
25
|
1
|
16.24
|
Число путей на проектируемой станции определяется по следующей
формуле[1,3]:
где
m - число путей;
tзан - полное время занятия пути одним поездом, мин;
Iр - расчетный интервал следования пассажирских поездов,
мин;
Полное
время занятия пути одним поездом определяется следующим образом:
где
tпр - время
занятия маршрута приемом поезда, мин;
tоп - время на выполнение операций по посадке и высадке
пассажиров, а также технических операций при их наличии, мин;
tто - время занятия поездом маршрута отправления, мин.
Время
занятия приемом поезда определяется по формуле:
где
tм - время
установки маршрута и открытия сигнала, при МРЦ равно 0.15…0.20 мин;
tз - время заблаговременного открытия сигнала, 1-2 мин;
tбл - длина блок-участка, 1000 м;
Lвх - расстояние, проходимое поездом от входного
светофора до места его остановки, м;
V - скорость
следования поезда по блок-участку, 80 км/ч;
Vвх - скорость входа на станцию с учетом снижения
скорости на стрелках при движении на боковые пути и замедления перед
остановкой, 40 км/ч;
.7
- переводной коэффициент для перевода значения скорости, выраженной в км/ч в
м/мин;
где Lгп - длина горловины приема, м;
Lп - длина поезда.
где
n - число вагонов в поезде;
lв - длина одного вагона, м;
lлок - длина локомотива, м.
Время
занятия маршрута отправлением поезда определятеся по формуле:
где
tм - время
приготовления маршрута, мин;
tо - время от открытия сигнала до трогания поезда, 0.5
мин;
lвых - расстояние, проходимое поездом до полного
освобождения пути, м;
Vвых - скорость выхода поезда со станции, км/ч.
Время
на выполнение операций по посадке и высадке пассажиров, а также технических
операций с пассажирскими поездами различных категорий задано расписанием
движения поездов. Для каждой категории поездов, следующих через пассажирскую
станцию, определяется средневзвешенное время выполнения операций по формуле:
где
ti оп -
время на выполнение операций с поездом i-категории,
мин;
bi - доля
поездов i-категории.
Время
занятия пути поездом определяется отдельно в нечетном транзитном поезде, в
четном транзитном поезде и в парке конечных поездов отдельно по приему и
отправлению.
Значение
расчетного интервала следования поездов с достаточной точностью определяется по
формуле:
где
Imin -
минимальный интервал следования поездов, 8-10 мин;
lср - средний интервал прибытия пассажирских поездов,
мин.
Средний
интервал определяется по формуле:
где
tтех -
продолжительность технологического окна, 120 мин.;
Nпасс - размеры пассажирского движения, поездов в сутки.
Произведем
расчет числа путей для транзитных поездов по выше перечисленным формулам:
Lп=14*24,5+20=363 м
Принимаем
Lвых=400 м
Lвх=500+363=863 м
tпр= 0,15+2+1000/(16,7*80)+(1000+863)/(16,7*40)=5,7 мин
tот= 0,15+0,5+400/(16,7*30)=1,4 мин
tзанчет=
5,7+1,4+16,24=23,34 мин
tзаннечет=
5,7+1,4+17,8=24,9 мин
Если
пути прибытия и отправления конечных дальних поездов располагаются раздельно,
расчет числа путей ведется по формулам [1,3]:
где
Iрк.пр, Iрк.от - расчетные интервалы соответственно прибытия и
отправления конечных поездов, мин.
Для
определения расчетных интервалов прибытия и отправления конечных поездов могут
быть использованы следующие формулы:
где
Nкон -
число пассажирских поездов, заканчивающих следование на данной станции.
Таблица 3.2 Определение времени на выполнение операций с конечными
поездами
|
Категория поезда
|
Количество поездов
|
Время на операции
|
bi
|
bi* tопiпр, мин
|
bi* tопiот, мин
|
tср.взв.оп, мин, по прибытию
|
tср.взв.оп, мин, по отправлению
|
|
Прибытие
|
Отправление
|
tопiпр
|
tопiот
|
|
|
|
|
|
|
1
|
2
|
3
|
4
|
5
|
6
|
|
|
17,7
|
20,2
|
|
дальние
|
10
|
10
|
30
|
40
|
0,15
|
4,5
|
6
|
|
|
|
местные
|
7
|
7
|
20
|
30
|
0,10
|
2
|
3
|
|
|
|
пригородные
|
51
|
51
|
15
|
15
|
0,75
|
11,25
|
11,25
|
|
|
|
всего
|
68
|
68
|
|
|
1,00
|
|
|
|
|
Произведем расчет числа путей для конечных поездов по выше перечисленным
формулам:
tзанк.пр= 5,7+17,7+1,4=24,8 мин
tзанк.от= 5,7+20,2+1,4=27,3 мин
Так
как mпр= mот, то количество путей для конечных поездов принимаем
равное:
mкон=3+2=5 путей
Общее
число путей на проектируемой пассажирской станции будет равно:
mобщ= mтрч + mтрнеч +mкон +2,
где
2 - количество ходовых путей.
mобщ= 2+2+5+1=10 путей.
3.2
Проектирование горловин новой пассажирской станции
Конструкции стрелочных переводов горловин существенно влияют на
пропускную способность станции и строительную стоимость их сооружения.
На основе опыта проектирования и эксплуатации крупных станций установлены
следующие общие требования к их горловинам:
·
обеспечение
безопасности движения;
·
возможность
выполнения необходимого числа параллельных операций;
·
сокращение длины
горловин в целях снижения строительных затрат и сокращение пробегов маневровых
составов. [1,3]
Для сокращения длины горловин на крупных пассажирских станциях широко
применяются перекрестные стрелочные переводы и перекрестные съезды, что дает не
только компактную горловину, но и меньшее число углов поворота при следовании
пассажирских поездов по горловине и, следовательно, обеспечивается более
плавный ход составов.
Горловины пассажирских станций могут относиться к одному из трех видов:
·
первый вид -
горловины, имеющие параллельные ходы и обеспечивающие возможность одновременных
передвижений на параллельных маршрутах любых двух смежных путей станции;
·
второй вид -
горловины, также имеющие параллельные ходы, но с группировкой путей станции в
секции, включаемые в горловину через общий стрелочный перевод;
·
третий вид -
горловины, не имеющие параллельных ходов.
Первый вид горловин характерен для многих крупных пассажирских станций,
второй и третий - применяются на всех видах железнодорожных станций.
Причинами укладки параллельных стрелочных ходов в горловинах первого и
второго видов могут быть:
·
снижение загрузки
горловины и обеспечение необходимой пропускной способности;
·
снижение
продолжительности задержек подвижного состава на маневровых маршрутах;
·
уменьшение
враждебности маршрутов и повышение безопасности движения.
Укладка дополнительных стрелочных ходов вызывает значительные затраты,
поэтому для горловин, в которых устанавливаются параллельные стрелочные ходы,
число стрелочных переводов должно быть наименьшим.
При двух главных путях и двух параллельных ходах возможны две основные
конструкции горловины, показанные на рис. 3.1.
Назовем стрелочные ходы 1-3-5-7 и 2-4-6-8, дающие выходы со всех путей на
любой главный путь, первыми. Второй ход может располагаться по отношению к
первому либо в сторону станции (схема 1), либо в сторону перегона (схема 2). В
последнем случае на главных путях укладывается меньшее количество переводов. По
протяженности укладки путей наиболее приемлемой является схема 1, по длине
горловины схемы 1 и 2 различаются незначительно.
Рисунок 3.1 Схемы горловин с двумя параллельными ходами
Анализ типичных конструкций горловин с различными вариантами взаимного
расположения параллельных ходов позволяет сделать следующие выводы[2,3]:
1. сочетание различных комбинаций ходов при разном числе путей в
горловине и на станции, а также в зависимости от того, расположены ли
станционные пути симметрично по отношению к главным путям или с одной стороны,
вызывает различные конструкции горловин, но принципы укладки параллельных ходов
и их свойства остаются неизменными;
2. в каждой горловине имеется основной (первый) стрелочный ход,
который соединяет все пути парка со всеми путями, входящими в горловину. Число
соединяемых путей во втором (параллельном) ходе всегда на один путь, а в
третьем ходе - на два пути меньше, чем в первом;
. при расположении второго хода в сторону парка (от основного)
хода он начинается от тех же главных путей, что и первый, но заканчивается в
парке на один путь раньше (а третий ход - соответственно на два пути раньше). В
случае расположения второго или третьего хода (или обоих) от основного хода в
сторону перегона эти ходы начинаются от других главных путей, а заканчиваются у
одних и тех же крайних путей парка;
. в горловинах с двумя и тремя параллельными ходами лучшее
решение по протяженности укладки пути дают варианты с расположением
дополнительных параллельных ходов в сторону станции от основного от основного
стрелочного хода, однако, при реконструкции существующих горловин легче
осуществляется укладка дополнительных ходов в сторону перегона.
Общее число стрелочных переводов в горловине остается неизменным при
любом взаимном расположении параллельных ходов, так как оно зависит только от
числа путей в парке, числа основных путей в горловине и необходимого количества
параллельных ходов. В горловинах с секционированием на число переводов влияет
также число элементов.
Число параллельных стрелочных переводов в горловинах первого вида на
крупных пассажирских станциях может быть равно количеству главных путей на
подходе к горловине, если все пути парка взаимодействуют с этими главными
путями, и обычно не превышает трех-четырех.
Рисунок 3.2 Пассажирская станция с расположением пассажирской технической
станции сбоку от главных путей
Расчет учетной загрузки для каждого маршрута и общей загрузки горловины
прост. Расчет загрузки ведется на 2 часа (Тр = 120 мин., с 18 до 20
часов), число прибывающих поездов (nпр) равно 7,
в том числе 3 конечных, а число отправляющихся поездов (nот) равно 9, в том числе конечных 5.
[1,3]
Расчет целесообразно систематизировать в таблицу (таблицы 3.3, 3.4). В
графах 1 и 2 перечисляются все матрицы рассматриваемой горловины вначале по
приему и отправлению поездов, затем маневровые. В перечень не вносятся матицы
тех передвижений, которые могут выполняться независимо от приема и отправления
поездов, например, маневровая работа на вытяжке с путей почтово-багажных
устройств. В графах 3-6 содержатся данные для определения значения niti. В графах 8-28 вставлена таблица
зависимости маршрутов, в которой для каждого маршрута отмечаются цифрой
"1" все предшествующие маршруты, которым данный маршрут параллелен. В
верхней части таблицы зависимости в первой строчке указываются номера
маршрутов, во второй - значения gi = niti/Тр, в третей строчке - учетные значения giуч. Последние выписываются для тех
маршрутов, к которым имеются параллельные:
Например:
В
графе 29 таблицы записываются значения Σgпредуч, т.е.
сумма значений gуч
маршрутов, отмеченных цифрой "1" в таблице зависимости (в
горизонтальной строчке для данного маршрута).
Станционные
диспетчеры могут выбирать время для маневровых передвижений, совпадающее в
большей степени параллельными поездными маршрутами, чем по теории вероятности,
поэтому при определении учетных загрузок для маневровых маршрутов можно принять
совпадение передвижений на параллельных маршрутах в несколько больших размерах
и ввести повышающий коэффициент С к члену Σgпредуч. Для
практического пользования рекомендуется для значений Σgпредуч до 0.5
принимать значение С не более 1.5, для Σgпредуч
принимать С=1.3, для Σgпредуч = 0.7 -
С=1.2, для Σgпредуч = 0.8 -
С=1.1 и для Σgпредуч = 0.85
- С=1.
|
Σgпредуч
|
до 0.5
|
до 0.6
|
до 0.7
|
до 0.8
|
> 0.8
|
|
С
|
1.5
|
1.3
|
1.2
|
1.1
|
1
|
Сумма учетных значений загрузки (Туч) от каждого маршрута по
вертикали (графа 32) характеризует загрузку горловины в расчетный период.
Для данной горловины произведем два расчета.
|
|
tприема
|
tотпр
|
tуборки
|
tподачи
|
tпочт.-баг.
|
|
1
|
4
|
2
|
2
|
4
|
4
|
|
2
|
6
|
4
|
4
|
6
|
4
|
Таблица 3.3 Определение загрузки горловины со стороны ТС (вариант 1)
|
№
|
Наименование маршрута
|
Общее число передвижений
|
Распределение поездов по
путям станции
|
Время занятия маршрута
|
№ маршрутов
|
1
|
2
|
3
|
4
|
5
|
6
|
7
|
8
|
|
|
|
транзитных
|
конечных
|
|
gi = niti/Тр
|
0.033
|
0.033
|
0.067
|
0.033
|
0.067
|
0.017
|
0.017
|
0.017
|
|
|
|
|
|
|
niti giучет
|
0.033
|
0.032
|
0.062
|
0.029
|
0.056
|
0.013
|
0.013
|
0.013
|
|
1
|
|
2
|
3
|
4
|
5
|
6
|
7
|
8
|
9
|
10
|
11
|
12
|
13
|
14
|
15
|
|
1
|
Прием с А на:
|
7
|
4
|
|
1
|
4
|
4
|
|
|
|
|
|
|
|
|
|
2
|
|
5
|
|
|
1
|
4
|
4
|
|
|
|
|
|
|
|
|
|
3
|
|
4
|
|
2
|
|
4
|
8
|
|
|
|
|
|
|
|
|
|
4
|
Прием с В на:
|
9
|
3
|
|
1
|
4
|
4
|
|
|
|
|
|
|
|
|
|
5
|
|
3
|
|
2
|
|
4
|
8
|
1
|
1
|
1
|
1
|
|
|
|
|
|
6
|
Отправление на А с:
|
8
|
3
|
|
1
|
2
|
2
|
|
|
|
1
|
|
|
|
|
|
7
|
|
7
|
|
|
1
|
2
|
2
|
|
|
|
1
|
|
|
|
|
|
8
|
|
5
|
|
|
1
|
2
|
2
|
1
|
|
|
1
|
|
|
|
|
|
9
|
|
1
|
|
2
|
|
2
|
4
|
1
|
1
|
1
|
1
|
1
|
|
|
|
|
10
|
Отправление на В с:
|
10
|
4
|
|
1
|
2
|
2
|
|
|
|
|
|
|
|
|
|
11
|
|
9
|
|
|
1
|
2
|
2
|
|
|
|
|
|
|
|
|
|
12
|
|
2
|
|
2
|
|
2
|
4
|
1
|
1
|
1
|
1
|
1
|
|
|
|
|
13
|
Уборка на ТС с:
|
9
|
3
|
|
1
|
2
|
2
|
1
|
1
|
1
|
|
1
|
1
|
1
|
1
|
|
14
|
|
7
|
|
|
1
|
2
|
2
|
|
1
|
1
|
|
1
|
|
|
1
|
|
15
|
|
5
|
|
|
1
|
2
|
2
|
|
|
1
|
|
1
|
|
|
|
|
16
|
Подача с ТС на:
|
10
|
5
|
|
1
|
4
|
4
|
1
|
1
|
1
|
1
|
1
|
1
|
1
|
1
|
|
17
|
|
9
|
|
|
1
|
4
|
4
|
1
|
1
|
1
|
|
1
|
1
|
1
|
1
|
|
18
|
|
8
|
|
|
1
|
4
|
4
|
1
|
1
|
1
|
|
1
|
|
1
|
1
|
|
19
|
|
7
|
|
|
1
|
4
|
4
|
|
1
|
1
|
|
1
|
|
|
1
|
|
20
|
|
5
|
|
|
1
|
4
|
4
|
|
|
1
|
|
1
|
|
|
|
|
21
|
Маневровые передвижения с
почтово-багажных устройств на:
|
5
|
1
|
|
1
|
4
|
4
|
1
|
|
|
1
|
|
1
|
1
|
|
Продолжение
таблицы 3.3
|
№
|
9
|
10
|
11
|
12
|
13
|
14
|
15
|
16
|
17
|
18
|
19
|
20
|
21
|
Σgпредуч
|
С
|
1- СΣgпредуч
|
Туч= niti(1- СΣgпредуч)
|
|
0.033
|
0.017
|
0.017
|
0.033
|
0.017
|
0.017
|
0.017
|
0.033
|
0.033
|
0.033
|
0.033
|
0.033
|
0.033
|
|
|
|
|
|
0.025
|
0.012
|
0.012
|
0.023
|
0.011
|
0.011
|
0.011
|
0.021
|
0.021
|
0.020
|
0.019
|
|
|
|
|
|
|
|
1
|
16
|
17
|
18
|
19
|
20
|
21
|
22
|
23
|
24
|
25
|
26
|
27
|
28
|
29
|
30
|
31
|
32
|
|
1
|
|
|
|
|
|
|
|
|
|
|
|
|
|
|
|
1
|
4
|
|
2
|
|
|
|
|
|
|
|
|
|
|
|
|
|
|
|
1
|
4
|
|
3
|
|
|
|
|
|
|
|
|
|
|
|
|
|
|
|
1
|
8
|
|
4
|
|
|
|
|
|
|
|
|
|
|
|
|
|
|
|
1
|
4
|
|
5
|
|
|
|
|
|
|
|
|
|
|
|
|
|
0.157
|
1.5
|
0.76
|
6.12
|
|
6
|
|
|
|
|
|
|
|
|
|
|
|
|
|
0.029
|
0.96
|
1.91
|
|
7
|
|
|
|
|
|
|
|
|
|
|
|
|
|
0.029
|
1.5
|
0.96
|
1.91
|
|
8
|
|
|
|
|
|
|
|
|
|
|
|
|
|
0.062
|
1.5
|
0.91
|
1.81
|
|
9
|
|
|
|
|
|
|
|
|
|
|
|
|
|
0.213
|
1.5
|
0.68
|
2.72
|
|
10
|
|
|
|
|
|
|
|
|
|
|
|
|
|
0.000
|
|
1
|
2
|
|
11
|
|
|
|
|
|
|
|
|
|
|
|
|
|
0.000
|
|
1
|
2
|
|
12
|
|
|
|
|
|
|
|
|
|
|
|
|
|
0.213
|
1.5
|
0.68
|
2.72
|
|
13
|
1
|
|
|
1
|
|
|
|
|
|
|
|
|
|
0.271
|
1.5
|
0.59
|
1.19
|
|
14
|
1
|
|
|
1
|
|
|
|
|
|
|
|
|
|
0.212
|
1.5
|
0.68
|
1.37
|
|
15
|
1
|
|
|
1
|
|
|
|
|
|
|
|
|
|
0.167
|
1.5
|
0.75
|
1.5
|
|
16
|
1
|
|
1
|
1
|
1
|
1
|
1
|
|
|
|
|
|
|
0.345
|
1.5
|
0.48
|
1.93
|
|
17
|
1
|
|
|
1
|
|
1
|
1
|
|
|
|
|
|
|
0.293
|
1.5
|
0.56
|
2.24
|
|
18
|
1
|
|
|
1
|
|
1
|
1
|
|
|
|
|
|
|
0.280
|
1.5
|
0.58
|
2.32
|
|
19
|
1
|
|
|
1
|
|
|
1
|
|
|
|
|
|
|
0.223
|
1.5
|
0.67
|
2.66
|
|
20
|
1
|
|
|
1
|
|
|
|
|
|
|
|
|
|
0.167
|
1.5
|
0.75
|
3
|
|
21
|
|
1
|
1
|
|
1
|
1
|
|
1
|
1
|
1
|
1
|
|
|
0.216
|
1.5
|
0.68
|
2.7
|
В данном примере загрузка горловины составила 60,1 мин (50,1%).
Таблица 3.4 Определение загрузки горловины со стороны ТС (вариант 2)
|
№
|
Наименование маршрута
|
Общее число передвижений
|
Распределение поездов по
путям станции
|
Время занятия маршрута
|
№ маршрутов
|
1
|
2
|
3
|
4
|
5
|
6
|
7
|
8
|
|
|
|
транзитных
|
конечных
|
|
gi = niti/Тр
|
0.033
|
0.033
|
0.067
|
0.033
|
0.067
|
0.017
|
0.017
|
0.017
|
|
|
|
|
|
|
niti giучет
|
0.033
|
0.032
|
0.062
|
0.029
|
0.056
|
0.013
|
0.013
|
0.013
|
|
1
|
|
2
|
3
|
4
|
5
|
6
|
7
|
8
|
9
|
10
|
11
|
12
|
13
|
14
|
15
|
|
1
|
Прием с А на:
|
7
|
4
|
|
1
|
6
|
6
|
|
|
|
|
|
|
|
|
|
2
|
|
5
|
|
|
1
|
6
|
6
|
|
|
|
|
|
|
|
|
|
3
|
|
4
|
|
2
|
|
6
|
12
|
|
|
|
|
|
|
|
|
|
4
|
Прием с В на:
|
9
|
3
|
|
1
|
6
|
6
|
|
|
|
|
|
|
|
|
|
5
|
|
3
|
|
2
|
|
6
|
12
|
1
|
1
|
1
|
1
|
|
|
|
|
|
6
|
Отправление на А с:
|
8
|
3
|
|
1
|
4
|
4
|
|
|
|
1
|
|
|
|
|
|
7
|
|
7
|
|
|
1
|
4
|
4
|
|
|
|
1
|
|
|
|
|
|
8
|
|
5
|
|
|
1
|
4
|
4
|
1
|
|
|
1
|
|
|
|
|
|
9
|
|
1
|
|
2
|
|
4
|
8
|
1
|
1
|
1
|
1
|
1
|
|
|
|
|
10
|
Отправление на В с:
|
10
|
4
|
|
1
|
4
|
4
|
|
|
|
|
|
|
|
|
|
11
|
|
9
|
|
|
1
|
4
|
4
|
|
|
|
|
|
|
|
|
|
12
|
|
2
|
|
2
|
|
4
|
8
|
1
|
1
|
1
|
1
|
1
|
|
|
|
|
13
|
Уборка на ТС с:
|
9
|
3
|
|
1
|
4
|
4
|
1
|
1
|
1
|
|
1
|
1
|
1
|
1
|
|
14
|
|
7
|
|
|
1
|
4
|
4
|
|
1
|
1
|
|
1
|
|
|
1
|
|
15
|
|
5
|
|
|
1
|
4
|
4
|
|
|
1
|
|
1
|
|
|
|
|
16
|
Подача с ТС на:
|
10
|
5
|
|
1
|
6
|
6
|
1
|
1
|
1
|
1
|
1
|
1
|
1
|
1
|
|
17
|
|
9
|
|
|
1
|
6
|
6
|
1
|
1
|
1
|
|
1
|
1
|
1
|
1
|
|
18
|
|
8
|
|
|
1
|
6
|
6
|
1
|
1
|
1
|
|
1
|
|
1
|
1
|
|
19
|
|
7
|
|
|
1
|
6
|
6
|
|
1
|
1
|
|
1
|
|
|
1
|
|
20
|
|
5
|
|
|
1
|
6
|
6
|
|
|
1
|
|
1
|
|
|
|
|
21
|
Маневровые передвижения с
почтово-багажных устройств на:
|
5
|
1
|
|
1
|
4
|
4
|
1
|
|
|
1
|
|
1
|
1
|
|
Продолжение
таблица 3.4
|
№
|
9
|
10
|
11
|
12
|
13
|
14
|
15
|
16
|
17
|
19
|
20
|
21
|
Σgпредуч
|
С
|
1- СΣgпредуч
|
Туч= niti(1- СΣgпредуч)
|
|
0.033
|
0.017
|
0.017
|
0.033
|
0.017
|
0.017
|
0.017
|
0.033
|
0.033
|
0.033
|
0.033
|
0.033
|
0.033
|
|
|
|
|
|
0.025
|
0.012
|
0.012
|
0.023
|
0.011
|
0.011
|
0.011
|
0.021
|
0.021
|
0.020
|
0.019
|
|
|
|
|
|
|
|
1
|
16
|
17
|
18
|
19
|
20
|
21
|
22
|
23
|
24
|
25
|
26
|
27
|
28
|
29
|
30
|
31
|
32
|
|
1
|
|
|
|
|
|
|
|
|
|
|
|
|
|
|
|
1
|
6
|
|
2
|
|
|
|
|
|
|
|
|
|
|
|
|
|
|
|
1
|
6
|
|
3
|
|
|
|
|
|
|
|
|
|
|
|
|
|
|
|
1
|
12
|
|
4
|
|
|
|
|
|
|
|
|
|
|
|
|
|
|
|
1
|
6
|
|
5
|
|
|
|
|
|
|
|
|
|
|
|
|
|
0.228
|
1.5
|
0.66
|
7.89
|
|
6
|
|
|
|
|
|
|
|
|
|
|
|
|
|
0.041
|
1.5
|
0.94
|
3.76
|
|
7
|
|
|
|
|
|
|
|
|
|
|
|
|
|
0.041
|
1.5
|
0.94
|
3.76
|
|
8
|
|
|
|
|
|
|
|
|
|
|
|
|
|
0.091
|
1.5
|
0.86
|
3.46
|
|
9
|
|
|
|
|
|
|
|
|
|
|
|
|
|
0.306
|
1.5
|
0.54
|
4.33
|
|
10
|
|
|
|
|
|
|
|
|
|
|
|
|
|
0.000
|
|
1
|
4
|
|
11
|
|
|
|
|
|
|
|
|
|
|
|
|
|
0.000
|
|
1
|
4
|
|
12
|
|
|
|
|
|
|
|
|
|
|
|
|
|
0.306
|
1.5
|
0.54
|
4.33
|
|
13
|
1
|
|
|
1
|
|
|
|
|
|
|
|
|
|
0.410
|
1.5
|
0.38
|
1.54
|
|
14
|
1
|
|
|
1
|
|
|
|
|
|
|
|
|
|
0.315
|
1.5
|
0.53
|
2.11
|
|
15
|
1
|
|
|
1
|
|
|
|
|
|
|
|
|
|
0.246
|
1.5
|
0.63
|
2.53
|
|
16
|
1
|
|
1
|
1
|
1
|
1
|
1
|
|
|
|
|
|
|
0.519
|
1.5
|
0.22
|
1.33
|
|
17
|
1
|
|
|
1
|
|
1
|
1
|
|
|
|
|
|
|
0.443
|
1.5
|
0.34
|
2.02
|
|
18
|
1
|
|
|
1
|
|
1
|
1
|
|
|
|
|
|
|
0.420
|
1.5
|
0.37
|
2.22
|
|
19
|
1
|
|
|
1
|
|
|
1
|
|
|
|
|
|
|
0.331
|
1.5
|
0.5
|
3.02
|
|
20
|
1
|
|
|
1
|
|
|
|
|
|
|
|
|
|
0.246
|
1.5
|
0.63
|
3.79
|
|
21
|
|
1
|
1
|
|
1
|
1
|
|
1
|
1
|
1
|
1
|
|
|
0.294
|
1.5
|
0.56
|
2.24
|
В данном примере загрузка горловины составила 86,3 мин (72%).
3.3
Проектирование пассажирских платформ и тоннелей
Платформы предназначены для кратковременного ожидания поезда, посадки и
высадки пассажиров, почтово-багажных операций.
Пассажирские платформы бывают высокие и низкие. Высокие пассажирские
платформы проектируются высотой 1100 мм над уровнем головки рельса, расстояние
от края платформы до оси прилегающего к ней пути 1920 мм. Высокие платформы
сооружаются на крупных станциях с массовой посадкой и высадкой пассажиров, а
также на станциях тех участков, где пригородное движение обслуживается
мотор-вагонными составами без подножек. Низкие пассажирские платформы имеют
высоту над уровнем головки рельса 200 мм, расстояние от края платформы до оси
прилегающего к ней пути 1745 мм. [3,5]
Рисунок 3.3 Высокая пассажирская платформа
Рисунок 3.4 Низкая пассажирская платформа
Длина пассажирских платформ для дальних поездов определяется длиной
поезда. Ширина платформ определяется специальными расчетами в зависимости от
количества пассажиров, характера пассажиропотока, сооружения на платформах
устройств и числа выходов с платформ. Минимальная ширина основной пассажирской
платформы не меньше 6 м, а в стесненных условиях 5 м в пределах пассажирского
здания и 4 м на остальной части. Минимальная ширина промежуточных платформ 7 м.
Число пассажирских платформ зависит от количества путей на станции и взаимного
расположения путей и платформ.
Основное условие расчета размеров пассажирских платформ - это обеспечение
беспрепятственной посадки - высадки пассажиров без резкого снижения скорости их
передвижения, а также обеспечения возможности безопасного нахождения пассажиров
на платформе во время пропуска поездов.
Ширина платформ зависит от:
1) населенности прибывающих поездов, М;
2) длины состава поезда, Lc;
3) расчетной площади на одного
пассажира, Р (Pg=1,2-1,3 м 2; Pпр=0,9-1 м 2);
4) времени высадки пассажиров из поезда
где
m - число вагонов в поезде;
С
- число открываемых выходов в вагоне;
nв - число пассажиров, высаживающихся через один выход в
мин. (для пригородных поездов - 35-40 пасс., из дальних поездов - 12-15 пасс.);
1) время прохода платформы пассажиром из
последнего вагона
где Lс - длина состава;
V -
скорость передвижения пассажиров, которая в нестесненных условиях составляет
1,2-1,3 м/с для пригородных пассажиров и 1,0-1,1 м/с для дальних пассажиров.
При определении ширины платформы возможны два случая:
1. Тв < Тпрох
В этом случае необходимая полезная ширина платформы определяется по
формуле:
Чтобы
получить полную ширину платформы нужно учесть:
·
полосы
безопасности у бортов платформы 1м;
·
для платформ
прибытия дальних поездов учесть встречающих и носильщиков (15-25% населенности
поезда) и учесть дополнительную ширину 1м запаса на случай остановки группы
пассажиров с вещами и детьми на платформе.
Таким образом:
ширина платформы прибытия пригородного поезда:
ширина
платформы прибытия дальнего поезда:
1.
Тв > Тпрох
В этом случае необходимая полезная ширина платформы определяется по
формуле:
Ширина
платформы прибытия пригородного поезда:
Ширина
платформы прибытия дальнего поезда:
Отношение
К определяется отдельно для дальних и пригородных поездов, при этом необходимо
учитывать следующие факторы: если проектируются 2 тоннеля, время прохода
платформы пассажиром из последнего вагона уменьшается в 3 раза. [2,3]
Так
как к одной островной платформе возможно одновременное прибытие двух поездов,
то значение населенности (М) в вышеприведенных формулах увеличивается в два
раза, а величина площади (Р) уменьшается на 25-30%.
Ширина
платформы, рассчитанная для прибывающих поездов, является достаточной для
отправляющихся от платформы поездов.
Если
на одной платформе совпадают высадка из одного поезда и посадка в другой, то ее
ширина, рассчитанная для прибытия к платформе одного поезда, увеличивается на
1.5-2 м при отправлении пригородного поезда и на 2-2.5 м при отправлении
дальнего или местного поезда.
Произведем
расчет по выше перечисленным формулам:
ширина
платформы прибытия пригородного поезда:
ширина
платформы прибытия дальнего поезда:
,
так
как к одной островной платформе возможно одновременное прибытие двух поездов,
то значение населенности (М) в вышеприведенных формулах увеличивается в два
раза, а величина площади (Р) уменьшается на 25-30:
,
Результаты
расчетов, произведенных с учетом изложенного выше, для удобства сводятся в
таблицу 3.3.
Таблица
3.3. Определение ширины платформы
|
Категория поездов
|
Ширина платформы при:
|
|
прибытии одного поезда, м
|
одновременном прибытии двух
поездов, м
|
прибытии одного и
отправлении другого
|
|
Дальний
|
3,25
|
3,88
|
5,25
|
|
Пригородный
|
6
|
8,5
|
7,5
|
Для создания удобства пассажирам, обеспечения безопасного прохода к
поездам и от поездов, а также для разделения прибывающих и убывающих
пассажиропотоков на станции проектируются пешеходные тоннели, которые
располагаются поперек приемо-отправочных путей и имеют выходы в залы вокзала и
на привокзальную площадь вокзала. Высота пешеходных тоннелей не менее 2.4 м,
ширина не менее 3 м. На крупных пассажирских станциях высота принимается обычно
2.5 м, а ширина 6 м. Сооружение тоннелей экономически выгодно при
пассажиропотоке более 7000 тыс. пригородных пассажиров в год. При меньшем
пассажиропотоке можно проектировать пешеходные мосты. Мосты целесообразны в тех
случаях, когда платформы расположены ниже привокзальной площади и основных
помещений вокзала примерно на этаж - это не только удобно для пассажиров, но и
экономически выгодно. Пешеходные мосты и конкорсы рациональны и тогда, когда
залы ожидания на втором этаже пассажирского здания, а операционные помещения на
первом. Однако пешеходные мосты имеют существенные недостатки: высокие подъемы
и спуски, переход через мост затруднителен в осенне-зимний период, требуется
дополнительное уширение междупутий для установки опор и ухудшается
архитектурный вид станции. [1,3]
Ширина схода в тоннель определяется по формуле:
где
r - ширина ленты потока пассажиров, 0.7-0.9 м;
Iпл - интервал подходов поездов к платформе;
nсх - пропускная способность одной ленты в минуту, 25-35
чел/мин;- число сходов с платформы (один тоннель - 2 схода, 2 - 4 схода).
Так
как на платформах имеются сходы в тоннель, то рассчитанное значение ширины
платформы необходимо дополнительно проверить по условию:
где
Впл - проектируемая ширина островной платформы, м.
условие
выполняется.
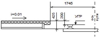
.4 Построение поперечного профиля земляного полотна и
балластной призмы в сечении а1 - а2
На профиль земляного полотна и балластной призмы
влияют конструкция платформ, их число и размеры, число путей, укладываемых
между платформами, и тип водоотводных устройств.
Платформы могут быть высокими и низкими. Для отвода
воды их поверхности придается уклон 0,01-0,02 в одну или в обе стороны от
середины. Высокие платформы (высота 1,10 м) из сборных железобетонных элементов
могут быть одно или двухстоечными. При ширине платформы свыше 6 м допускаются
монолитные вставки между торцами ригелей. Точки водоразделов земляного полотна
могут лежать нетолько между путями, но и под пассажирскими платформами (рис.
3.5). [2,5]
Рисунок 3.5 Поперечный профиль приемо-отправочного
парка пассажирской станции
Устройства для отвода воды на пассажирских станциях
зависят от балласта и климатических условий. В районах с суровым климатом при
щебеночном балласте водоотвод осуществляется посредством типовых железобетонных
лотков (рис. 3.6). Воду с поверхности балластного слоя и от земляного полотна,
заключенного между бортовыми стенами платформы, отводят дренажем мелкого
заложения (рис. 3.6, б). Если хорошо выровненный щебеночный балласт покрывают
асфальтобетоном (толщиной 0,04 м), то устраивают подземную водосточную
канализацию с водоприемными колодцами (рис. 3.6, в). В асфальтобетонном слое
(уклон 0,02) для отвода воды к водоприемным устройствам делают лотки (уклон
0,004). В районах с мягким климатом при щебеночном балласте по оси междупутья
вместо железобетонных лотков устраивают дренажи мелкого заложения (рис. 3.6,
г). Вода из дренажа в поперечном направлении в общую водоотводную сеть
выпускается через водосборные колодцы. В примере для отвода воды строим канаву
под платформой 3.
Для построения поперечного профиля отметки земли,
земляного полотна путей и точек перелома профиля определяем соответственно по
горизонталям и поперечному уклону 0,02. Исходная точка для расчета - отметка
вершины сливной призмы между путями I и 8 (рис. 3.5). Для отвода воды земляному полотну придаем уклон 0,02 в
сторону от пассажирского здания. Под платформой 3 роют продольную канаву
глубиной 0,60 м, шириной по низу 0,60 м с откосами 1:1,5.
Рисунок 3.6 Водоотводные устройства на
приемо-отправочных путях
Отметка верха балластной призмы под шпалой зависит от
категории линии и назначения путей. На линиях II категории главные пути укладывают на двухслойной (высотой
0,45 м), а станционные - на однослойной (песок - 0,30 м) призме. Продольный
уклон балластной призмы равен уклону земляного полотна (0,02). Для пассажирской
станции проектируем три раздельные балластные призмы (см. рис. 3.5): первая -
для путей I, 8, II; вторая - 3 и 5 и третья - 4 и 6. Исходную отметку бровки
балластной призмы определяем по отметке земляного полотна главных путей I и II и толщине балластного слоя. Отметки бровок балластной призмы
со стороны путей I к II соответственно:
,54+0,45+ (0,18 - 0,03) = 72,14;
,32+0,45+ (0,18 - 0,03)= 71,92.
Аналогично находим отметки бровок балластных призм,
длины проекций откосов, толщину балластного слоя и отметки точек слияния
балластной призмы с земляным полотном для путей 3, 4, 5 и 6.
Отметки головок рельсов определяют по отметке
земляного полотна, учитывая толщину балластного слоя под шпалой, высоту шпалы,
толщину подкладок и высоту рельсов (см. табл. 6.2). Для путей I и II:
,54+ 0,45+ 0,18+ 0,017+ 0,18= 72,37 м;
,32+ 0,45+ 0,18+ 0,017+ 0,18= 72,15 м.
Для отвода воды от путей I к II
рекомендуется отметку пути 8 принять как среднее значение отметок путей I и II:
(72,37+ 72,15)/2= 72,26 м.
В этом случае толщина балластной призмы под шпалой
пути 8 увеличивается на 72,26 - (0,152+0,017+0,16+71,73) = 0,21 м. Отметки
головок рельсов путей 3, 4, 5 и 6 соответственно 72,50; 72,09; 72,39 и 72,07.
Отметки поверхности платформы - сумма отметок головок
рельсов ближайшего пути и высоты платформы. Отметки бортов платформ 1,2, 3 и 4
относительно путей 3, I, II и 6 соответственно:
,50+ 1,10= 73,60 м; 72,15+ 1,10= 73,25 м;
,37+ 1,10= 73,47 м; 72,07+ 1,10= 73,17 м.
Придавая верху платформ (ширина 7 м) односторонний
уклон 0,01, находим отметки противоположных их бортов:
,60+0,010*7= 73,67 м; 73,25 - 0,010*7= 73,18 м;
,47+ 0,010*7= 73,54 м; 73,17 - 0,010*7= 73,10 м.
Отметки головки рельсов путей 4 и 5:
,79 - 1,10 = 72,09 м; 73,55 - 1,10 = 72,45 м.
Чтобы
соблюсти габарит приближения строений для высоких платформ, необходимо пути 5 и
4 поднять на
,44 - 72,39 =
0,05 м и 72,09 - 71,96 = 0,13 м.
4.
Проектирование пассажирских вокзалов
.1
Требования к проектированию пассажирских вокзалов
Вокзалы следует рассматривать как функционально и композиционно
взаимосвязанный комплекс зданий, сооружений и устройств пассажирской станции,
необходимый для обеспечения быстрого, удобного и безопасного выполнения
операций, связанных с обслуживанием и перевозкой пассажиров.
Размеры вокзалов и необходимая площадь вокзальных помещений зависят от
количества обслуживаемых вокзалом пассажиров и определяются расчетной
вместимостью, которая устанавливается на число пассажиров, одновременно
находящихся в вокзале в наиболее интенсивный час расчетных суток.
В зависимости от этого все вокзалы можно подразделить на следующие четыре
группы: малые (до 200 пассажиров), средние (от 200 до 700 пассажиров), большие
(от 700 до 1500 пассажиров) и особо большие (свыше 1500 пассажиров). [2,3]
Каждый вновь строящийся железнодорожный вокзал сооружается из расчета
обслуживания пассажиропотоков на десятый год эксплуатации.
Наибольшее распространение на железных дорогах получили вокзалы с боковым
расположением здания. Такие вокзалы проектируются на большинстве сквозных
пассажирских станций. Они размещаются с внешней стороны путей, как правило, со
стороны основной части территории города, для того, чтобы иметь хорошую и
удобную связь с транспортными городскими магистралями.
К основным требования по проектированию вокзалов относятся:
·
Поточность
следования пассажиров;
·
Кратчайший и
раздельный путь следования пассажиров прибывающих и отправляющихся;
·
Минимум подъемов
и спусков;
·
безопасность
прохода пассажиров к поездам и от поездов;
·
простота
ориентировки пассажиров внутри здания вокзала.
При боковом размещении вокзалы имеют различную конфигурацию. Большинство
вокзалов с боковым расположением зданий прямоугольной формы.
Для обслуживания пассажиров в вокзалах предусматривается целый комплекс
различных помещений, взаимное расположение которых должно обеспечивать поточное
следование пассажиров к поездам и от поездов.
К основным помещениям, как правило, проектируемым в здании вокзала,
относятся: вестибюль или операционный зал, зал распределения, залы ожидания,
билетные кассы, рестораны, комнаты матери и ребенка, багажные помещения и
камеры хранения, почта, телеграф, справочное бюро, комнаты отдыха и др.
.2 Расчет
вместимости основных помещений вокзала и определение его категории
Размеры вокзала зависят от количества обслуживаемых вокзалом пассажиров и
определяются расчетной вместимостью, которая устанавливается на число пассажиров,
одновременно находящихся в вокзале в наиболее интенсивный час расчетных суток.
При проектировании размеров вокзала предусматривается возможность его
развития в перспективе, поэтому при расчетах используются годовые
пассажиропотоки, рассчитанные на 10-й год эксплуатации.
По годовым пассажиропотокам определяются расчетные размеры суточных
потоков для каждого вида сообщения по формуле:
где Агод - расчетный годовой пассажиропоток на 10-й год
эксплуатации, соответственно в дальнем, местном и пригородном сообщениях;
К1 - коэффициент месячной неравномерности пассажиропотока (для
дальнего сообщения - 1.95, для местного - 1.35, для пригородного - 1.25);
К2 - коэффициент суточной неравномерности пассажиропотока (для
дальнего сообщения - 1.1, для местного - 1.2, для пригородного - 1.3);
- количество дней в году.
Произведем расчет:
чел
чел
чел
Расчетная
вместимость вокзала определяется по количеству пассажиров, одновременно
находящихся в нем в часы наибольшей загрузки, рассчитываемому по формуле:
где
n - норма расчетной вместимости в процентах от
суточного отправления пассажиров (определяется по таблице 4.1);
К
- коэффициент, учитывающий пассажиров прибытия, встречающих и провожающих, Кдал
= Кмест = 1.1:1.25, Кприг =1.0.
чел.
чел.
чел.
чел.
Таблица
4.1 Параметры к расчету вместимости вокзала
|
Норма расчетной вместимости вокзалов для дальних и
местных пасс., % Норма расчетной вместимости вокзалов для пригородных
пасс., %
|
|
|
|
|
До 500
|
42-46
|
2…5
|
5…4
|
|
501-1000
|
38-42
|
5…7
|
4…3
|
|
1001-2000
|
34…38
|
Более 7
|
3…2
|
|
2001-3000
|
31…34
|
|
|
|
3001-5000
|
28…31
|
|
|
|
5001-7000
|
26…28
|
|
|
|
Более 7000
|
24…26
|
|
|
Исходя из полученной величины расчетной вместимости, определяется
категория вокзала.
Таблица 4.2 Категории вокзалов
|
Категории вокзалов
|
Расчетная вместимость, чел.
|
|
Малые
|
До 200
|
типовой проект
|
|
Средние
|
200-700
|
по нормам, утвержденным МПС
|
|
Большие
|
700-1500
|
|
|
Особо большие
|
свыше 1500
|
расчетным путем
|
Вокзал проектируется средней категории.
.3
Определение размеров площадей помещений вокзала
Площади основных помещений проектируемого вокзала определяются в
зависимости от расчетной вместимости и норм площади, приходящейся на одного
пассажира. [2,3]
В зависимости от назначения и выполняемых операций в здании вокзала
проектируются следующие основные помещения:
·
вестибюль - может
выполнять различные функции, должен иметь достаточную площадь для размещения
малых операционных помещений и перед ними - зону накопления пассажиров, а также
удобную связь с залами ожидания и платформами;
·
билетные кассы -
устраивают в виде закрытых кабин - киосков встроенного, а также открытыми, так
называемого банковского типа (расстояние между осями касс 2 м, а для
пригородных касс - не менее 1.8 м), оборудуют устройствами с учетом требования
"Типового технологического процесса работы вокзалов";
·
зал ожидания -
как правило, примыкает к вестибюлю, располагается в стороне от движения
пассажиропотоков с привокзальной площади к поездам и обратно, имеет
самостоятельные выходы на перрон к дальним и местным поездам;
·
комната матери и
ребенка - устраивается на вокзалах вместимостью 500 и более пассажиров,
размещаются в стороне от основных потоков пассажиров и шумных помещений, как
правило, включает в себя приемную, столовую, спальни, комнату для игр, туалет;
·
комнаты
длительного отдыха - имеют в одной спальной комнате 2-4 места;
·
багажные
отделения для громоздкого багажа и грузобагажа - располагается как в
пассажирском здании, так и в специальном, имеет удобные подъезды для
автотранспорта со стороны города и автокар со стороны платформ;
·
камеры хранения
ручной клади - устраивают вблизи маршрутов следования пассажиров прибытия и с
учетом удобного пользования или пассажиров отправления;
·
справочное бюро
(киоски), оборудованные радио, телефоном, др. средствами информации,
располагают вблизи входа в вестибюль или кассовый зал.
В пассажирских залах размещают телефонные справочные устройства,
информационные щиты, стенды, предоставляющие пассажирам четкую и исчерпывающую
информацию по обслуживанию на вокзалах и в поездах.
Бытовые помещения для работников вокзала размещают, как правило, в одной
зоне с отдельными (от пассажирских помещений) входами. Такие помещения включают
в себя: кабинет начальника вокзала (20 кв.м), приемная (10 кв.м), кабинет
дежурного по вокзалу (10 кв.м), бухгалтерия (26 кв.м), аппаратная (16 кв.м), радиоузел
с дикторской (25 кв.м), группа учета и отчетности билетов (16 кв.м), помещение
милиции (50 кв.м) и др.
Помещение для пригородных пассажиров размещают самостоятельно или в
отдельном здании, или в общем с пассажирами дальнего следования.
Площадь пассажирских помещений принимаем равной 1546 м 2.
Площадь служебных помещений принимаем равной 309 м 2.
Общая площадь помещений вокзала равна 1546+309=1855 м 2.
Ширина пассажирского здания 25 м.
Длина пассажирского здания 1855/25=74,2 м.
.4
Проектирование привокзальной площади
Пассажирская станция, вокзал и привокзальная площадь проектируется как
единый комплекс устройств, предназначенный для обслуживания пассажиров,
удобного и безопасного их передвижения. При этом размещение новых вокзалов
увязывают с планировкой города и его будущего развития.
Генеральный план вокзала предусматривает создание благоустроенной
привокзальной площади, обеспечивающей удобные условия пересадки пассажиров на
городской транспорт и обратно (короткие и безопасные переходы, приближение остановок
городского транспорта и т.д.).
Часто у вокзала проходит параллельно ему городская магистраль с
интенсивным движением. В таких случаях привокзальную площадь делят на две
части: ближайшую к вокзалу - для обслуживания прибывающих и отъезжающих пассажиров
железной дороги и удаленную для сквозного городского движения. Городская
магистраль должна проходить на таком расстоянии от вокзала, чтобы первая часть
площади (ближайшая к вокзалу) была достаточной для организации одностороннего
движения городского транспорта по кольцевой схеме и удобного размещения пунктов
посадки и высадки пассажиров.
Чтобы избежать пересечения потоков пассажиров с автомобильным движением и
создать удобный и безопасный проход к остановкам троллейбусов, автобусов и
трамваев, можно продлить пешеходный тоннель от платформ до мест остановки
общественного транспорта (или устроить специальный тоннель). В удаленной части
привокзальной площади, обслуживающей сквозное городское движение по магистрали I-I, возникают пересечения в местах А и Б, устранить которые
можно, соорудив путепроводные развязки. [2,3]
Рисунок 4.1 Вариант развязки маршрутов в разных уровнях
Обозначения принятые на рис.4.2:
- пункт высадки пассажиров;
- пункт посадки пассажиров;
- продление пассажирского тоннеля до пунктов посадки-высадки пассажиров;
- место стоянки;
- пешеходный тоннель под улицей.
4.5
Проектирование устройств для багажа и почты
Для выполнения багажных операций пассажирские станции и вокзалы имеют
специальные обустройства: багажный двор, здание, платформы, путевое развитие. А
также машины и механизмы для погрузки, выгрузки, складирования и сортировки
багажа.
На крупных пассажирских станциях ежесуточно принимаются к перевозке и
выдается получателям несколько сотен тонн багажа и грузобагажа, до тысячи тонн
почтовых отправлений.
Багаж обработанный на станциях, разделяется на три категории:
1. Ручная кладь - легко переносимые
предметы и вещи небольшого веса и размеров, оставляемые на вокзале для
краткосрочного хранения.
2. Багаж - сдаваемый пассажиром по
проездному билету для перевозки его в багажных вагонах.
3. Грузобагаж - перевозится в
почтово-багажных поездах и багажных вагонах пассажирских поездов.
Для работы с багажом и почтой на пассажирских станциях предусматриваются
следующие устройства: багажные склады, камеры хранения, перегрузочные
платформы, специализированные тоннели, специальное путевое развитие.
Основное требование к размещению багажных устройств - удобные и короткие
пути подхода пассажиров и отсутствие пересечений багажных тележек с
пассажиропотоками.
Багажные и почтовые устройства располагаются в одном районе станции со
стороны одной из горловин, в двух районах изолированно друг от друга и на
технической станции. Место размещения багажа и почты и схемы путевого развития
определяются характером работы станции.
Для тупиковых и сквозных станций с преобладанием конечных поездов
устройства для багажа и почты целесообразно выносить на отдельную площадку
вблизи приемоотправочных путей, сооружая их объединенными.
Для станций с транзитным движением необходимо рационально проектировать
платформы и механизировать процент погрузки багажа и почты. [2,3]
Рисунок 4.2 Планировка привокзальной площади при расположении вокзала
параллельно городской магистрали
5.
Технология работы пассажирской станции
.1
Операции с транзитными поездами на приемоотправочных путях пассажирской станции
Пассажирские станции выполняют следующие виды работ:
·
приём,
отправления и частичную обработку составов дальних и пригородных,
почтово-багажных и туристско-экскурсионных поездов;
·
подачу
пассажирских вагонов (прицепных, багажных и почтовых, а также оборачиваемых) на
специализированные пути для отстоя, ожидания прицепки, погрузки-выгрузки почты
и багажа либо на пути технической станции (парка) для текущего ремонта и
экипировки;
·
подачу вагонов
ресторанов на специализированные пути обработки;
·
подачу вагонов
требующих отцепочного ремонта, в вагонное депо;
·
подачу грузовых
вагонов, прицепляемых к пассажирским поездам (живорыбных секций, молочных
цистерн и т.д.);
·
отстой составов
пассажирских дальних и пригородных поездов в ожидании подачи под посадку. [3]
Технологические операции и график обработки транзитного поезда со сменой
локомотива приведены на рисунке 5.1.
При обработке составов транзитных поездов без смены локомотивов
определяющими операциями являются посадка и высадка пассажиров. На малых
промежуточных станциях и раздельных пунктах технический осмотр поезда обычно не
проводят. [3]
Рисунок 5.1. График операций по обработке транзитного пассажирского
поезда со сменой локомотива
5.2
Операции с конечными дальними и местными поездами
Рисунок 5.2 График обработки поезда, маршрут которого заканчивается на
станции
.3
Операции с пригородными поездами на пассажирской станции

. Безопасность
и экологичность проекта
.1
Требования безопасности к техническим устройствам станции
Анализ типовых схем станции показывает, что из
двухсторонних сортировочных станций требованиям охраны труда больше всего
отвечает схема с последовательным расположением парков. Основное достоинство её
- поточность переработки вагонопотоков. В качестве недостатка следует отметить
затруднения с проходом людей и с доставкой материалов и запасных частей к
рабочим местам.
Территорию станции следует держать в чистоте,
регулярно очищать её от мусора, снега, льда, а также от деталей, снятых с
вагонов, и материалов верхнего строения пути.
Быстрое и точное выполнение технологических операций с
вагонами и поездами можно обеспечить только лишь при безопасном и лёгком передвижении
работников по земляному полотну станционных междупутий. Такое передвижение
зависит от вида и состояния балластного слоя и надёжности отвода поверхностных
и грунтовых вод от него. Наиболее удобен балластный слой из мелкого щебня,
который хорошо пропускает воду, медленно загрязняется смазкой, обеспечивает
удобное положение ноги при ходьбе.
Сортировочные устройства следует проектировать с
учётом требования комплексной механизации и автоматизации их работы, улучшения
условий и охраны труда работающих.
В комплексе мероприятий, направленных на улучшение
условий труда, а также повышение перерабатывающей способности горок, следует
решить вопрос о механизации расцеплений вагонов. До сих пор она остаётся ручной
и не обеспечивает безопасности работы составителя, делается на ходу
надвигаемого на горку состава. Конструкция автосцепки позволяет расцепить её
только при сжатых головках, составитель вынужден сопровождать вагон с поднятой
рукояткой расценочного рычага до момента отрыва отцепа от состава.
Устройства автоматики и телемеханики на станциях
позволяют полностью механизировать приготовление маршрутов следования поездов и
маневровых составов, а также проверку свободности путей. Технический процесс
предусматривает переход от механических систем централизованного управления
стрелками и сигналами к электрическим системам релейного типа, которые резко
улучшают условия труда и снижают травматизм дежурных стрелочного поста и
дежурных по постам и паркам. Наиболее совершенная система релейной
централизации блочная релейная централизация (БМРЦ). При её внедрении часть
работы по заданию маневровых маршрутов передаётся локомотивным бригадам и
составителям, а управление маневровыми маршрутами организовывается
непосредственно из кабины машиниста с помощью системы ТММЛ.
Успешная и безопасная работа большого круга лиц
различных специальностей, занятых обработкой вагонопотоков и объединяемых общим
командованием дежурного по станции или станционного диспетчера, возможна только
при хорошо организованной и исправно действующей системе связи. Для связи с
работающими на путях станции наиболее удобно применять громкоговорящую связь.
Для ряда профессий (операторы технических контор, составительские бригады)
одним из технических средств обеспечения нормальных условий труда, повышения его
производительности и безопасности являются носимые радиостанции. Списывание
составов лучше при помощи телетайпов, чем при помощи радио. [6,7]
Значительно правильнее можно было бы оценить положение
на станции, если в любой момент видеть какой-либо участок по телевидению.
На безопасность труда на путях станции большое влияние
оказывает тип поездного и маневрового локомотивов и вагонов. Внедрение
электрической и тепловозной тяги улучшает условия и безопасность труда на
станционных путях. Удобное расположение кабины и приборов управления в ней
позволяет локомотивной бригаде непрерывно наблюдать за свободностью
впередилежащего пути и своевременно принимать меры к предотвращению наезда на
людей.
Эксплуатируемые на дорогах вагоны имеют
конструкционные недостатки, влияющие на безопасность труда. Ряд типовых вагонов
построены без переходных площадок. Из-за несовершенства буксового узла у
грузовых вагонов на подшипниках скольжения увеличивается объём работы при
ремонте их и уходе за ними, загрязняются междупутья смазкой. Переход всех
вагонов на роликовые подшипники значительно улучшит условия труда работников
пунктов технического обслуживания.
На успешное и безопасное выполнение технологического
процесса обработки поездов влияет рациональное размещение технологического
оборудования, оснастки и приспособлений на станционных междупутьях. В парке
приёма и отправления это в основном оборудование для технического обслуживания
вагонов. Запасные части, материалы, подъёмные механизмы, приспособления хранят
на стеллажах и подают к месту ремонтных работ по междупутью. В последнее время
стали внедрять передвижные вагоноремонтные установки, которые выполнены виде
самоходной тележки с грузоподъёмными механизмами, домкратом, устройствами для
заправки букс смазкой, оборудованием для сварочных работ, стеллажами для
запасных частей. Движение тележки осуществляется от электродвигателя, по узкой
колее 170- 250 мм.
Зимой в период снегопадов стрелочные переводы
заносятся снегом, при оттепелях обледеневают. Чтобы обеспечить бесперебойное
движение поездов приходится часто очищать стрелочные переводы от снега и льда.
Ручная очистка опасна для выполняющих эту работу лиц, трудоёмка и
малопроизводительна. Для очистки требуется не менее 12-15 мин. На один
стрелочный перевод при работе двух монтёров пути или дежурных стрелочного
поста. Для предупреждения снежных заносов на стрелочных переводах необходимо
комплексно применять средства защиты, периодическую механизированную уборку и
текущую очистку желобов стационарными средствами. Периодически снег со станционных
путей и стрелочных переводов можно убирать щёточными снегоуборщиками. Текущую
очистку централизованных стрелочных переводов от снега в условиях интенсивного
движения поездов по техническим и экономическим соображениям целесообразно
проводить стационарными устройствами, работающими на сжатом воздухе,
электричестве или газе. Целесообразность того или иного способа следует
определять, учитывая условия обеспечения безопасности пруда рабочих,
безопасности движения поездов и бесперебойного их приёма и отправления и
маневровой работы; качество очистки стрелок и простоту обслуживания устройства.
Служебно-технические здания на территории станции
располагаются с учётом требований производственных процессов, видимости зоны
обслуживания и безопасности переходов к ним во время работы. Рабочее место
станционного диспетчера находится у пульт-табло, что позволяет ему постоянно
видеть всю поездную ситуацию на станции, работу сортировочной системы,
правильно и быстро оценить обстановку без использования телефонной связи. С
рабочего места дежурного и оператора горки обеспечивается видимость стрелочной
зоны, горки, тормозных позиций, зоны расцепления вагонов на вершине горки и
путей подгорочного парка. Здание поста для операторов технической конторы
строят, так чтобы обеспечить круговой обзор и возможность списывать вагоны не
выходя из помещения. Выбирая место для постройки здания стрелочного поста,
учитывают, что расстояния проходов дежурных стрелочных постов при приготовлении
наиболее часто повторяющихся маршрутов должны быть минимальными; необходимо
соблюдать габариты приближения строений и обеспечивать хороший обзор путей,
стрелок и подвижного состава из окон зданий. Помещения для пунктов технического
обслуживания вагонов строятся в каждом парке, преимущественно с полевой его
стороны.
На станции должны быть установлены маршруты служебного
прохода работников по территории станции к служебным и вспомогательным зданиям.
Указанные маршруты следует прокладывать в наиболее безопасных местах на обочине
пути, широким междупутьям, с минимальным пересечением путей. Вдоль маршрута
прохода работников в зоне железнодорожных путей должны быть установлены
указательные знаки "Служебный проход". В местах перехода через пути
должны быть устроены настилы на уровне головки рельса. В местах перехода
значительного числа людей через пути, по которым происходит интенсивное
движение поездов, должна быть, как правило, автоматически действующая
сигнализация о приближении подвижного состава.
.2
Безопасность технологических процессов станции
Система организации работы сортировочных и участковых
станций определяется технологическим процессом. При выполнении каждой
технологической операции обработки поездов на станции должны быть обеспеченны
согласованные действия всех работников, участвующих в производственном
процессе, с помощью средств связи. Станционный персонал работающий в зоне
движения поездов и маневровых составов, должны оповещаться заблаговременно о
предстоящем приёме и отправлении поездов и маневровых передвижениях по
станционной связи или с помощью автоматической сигнализации о приближении
подвижного состава. [6,7]
Работники технической канторы, пунктов технического
обслуживания и коммерческого осмотра вагонов к моменту прибытия должны
находиться в установленных местах, расположенных в безопасной зоне. При
выполнении технологических операций работники должны соблюдать меры
безопасности. Условия труда операторов технической конторы на участковых
станциях остаются неблагоприятными. Применение переносных радиостанций
освобождает только от написания натурного листа. На сортировочных станциях
проверка номеров вагонов движущегося поезда выполняется, как правило, из
помещения входного поста с помощью телетайпа.
Технология обслуживания вагонов на путях станции
непрерывно совершенствуется, необходимо постоянно увязывать её с вопросами
улучшения условий труда работников пунктов технического обслуживания вагонов
(ПТО). Работа осмотрщиков и слесарей ПТО в основном динамична. Они не имеют
стационарного рабочего места, а постоянно перемещаются по территории парка.
Большую часть времени (50-60%) у них занимает ходьба с грузом и без груза. За
смену осмотрщик проходит до 25-30 км. Технологические процессы работы ПТО и
станции, чтобы обеспечить безопасное и качественное техническое обслуживание и
ремонт вагонов в поездах, должны предусматривать: порядок извещения ремонтных
бригад о подходе поезда- время прибытия, путь приёма поезда и время его
стоянки;
· порядок и место встречи поезда каждым работником;
· порядок ограждения поезда сигналами
остановки;
· схему осмотра состава, порядок и
сроки выполнения безотцепочного ремонта;
· средства и способы связи осмотрщиков, слесарей со
старшим осмотрщиком, сменным мастером, дежурным аппаратом станции;
· порядок извещения дежурных по парку
об окончании технического обслуживания и снятия ограждения;
· порядок комплектования бригад для
осмотра и ремонта вагонов;
· систему обеспечения ПТО запасными
частями, смазкой;
· правильное размещение служебных помещений и
рациональные маршруты передвижений работников при обработке поездов;
· механизацию работ, ускоряющую и
облегчающую труд рабочих.
Коммерческий осмотр поездов и вагонов на станциях
проводится на пунктах коммерческого осмотра (ПКО). Во время одногруппного
осмотра только одного состава, приёмщики поездов вынуждены проходить расстояние
1,5-1,8км. При такой технологии они могут обрабатывать в смену за 12 ч с
осмотром крыш вагонов 12-15 составов, проходя при этом расстояние 25км, а без
осмотра крыш- соответственно 20-25 составов с расстоянием 35-40км. Такая
нагрузка тяжела для них. При подводе большого количества поездов к станции два
приёмщика не обеспечат своевременной обработки состава. Мероприятия
направленные на обеспечение безопасности труда приёмщиков поездов, следующие:
- переход на грузонапряжённых станциях на двух и многогрупповой
метод коммерческого осмотра с обходом состава. Маршруты передвижений при этом
должны соответствовать принятой технологии осмотра и устранения неисправностей,
расположению служебных помещений;
·
оборудование
постоянных рабочих мест на специальных вышках,(с хорошим обзором, средствами
связи, отоплением) для выполнения коммерческого осмотра во время движения
поезда;
·
специальные
телевизионные установки должны давать данные о наличии и состоянии пломб и
позволять проводить повторный осмотр;
·
оборудование ПКО
необходимыми средствами малой механизации и приспособлениями. На станции
электрифицированных участков секционирование контактной сети должно позволять
снимать напряжение с неё над любым составом без ущерба для движения поездов;
·
соответствие
числа приёмщиков поездов и рабочих для устранения неисправностей количеству
поездов, обрабатываемых в парке, их длине и массе, интервалам прибытия и
продолжительности стоянки;
·
чёткий порядок
ограждения состава во время осмотра и устранения неисправностей, извещения
дежурного по станции об окончании работы и снятия ограждения.
Маневровая работа на станциях должна производиться по
установленному технологическому процессу и плану, обеспечивающему безопасность
движения и безопасность труда работников. Манёвры на станционных путях
осуществляются по распоряжению только одного лица- дежурного по станции,
маневрового диспетчера, дежурного по горке, парку. Маневровая работа
выполняется составительской бригадой или одним составителем. Составителям и их
помощникам разрешается во время манёвров садиться на исправные переходные
площадки, специальные подножки вагонов и локомотивов, а также сходить с них при
скорости движения не более 3 км/ч. В настоящее время нет достаточно точных
приборов и достоверных способов, объективно фиксирующих значение скорости
подвижного состава при маневровой работе. Локомотивный скоростомер не даёт
показания при скорости 5 км/ч. Субъективное определение скорости подвижного
состава составительской бригадой, как правило связано с большими ошибками из-за
психологических особенностей человека при оценке скоростей. В целях
предупреждения травматизма с составительскими бригадами необходимо ввести
контроль характерных ошибок и нарушений правил техники безопасности и
анализировать возможные последствия. Результаты такого анализа можно
использовать для корректировки технологии, местных инструкций и методов
руководства работой по охране труда на станции. Особенно травмоопасными
являются сумеречные периоды суток. Для повышения безопасности труда в сумеречные
периоды необходимо включать электрическое освещение при естественной
освещённости не менее 20-25 лк. Целесообразно применение отражающих элементов
на спецодежде.
7.
Экономическая эффективность проекта
Определим экономическую целесообразность сооружения
новой пассажирской станции 3н в крупном железнодорожном узле (рис. 7.1).
Исходные данные следующие. Перспективный объем пассажиропотоков в селитебные и
промышленные районы города:
Объем пассажиропотоков на подходах: I - 38; II - 26; III -
23 тыс./сутки. Коэффициент непрямолинейности уличной сети города ka = 1,10, средняя скорость железнодорожного транспорта 40
км/ч, а городских видов транспорта 18 км/ч.
Рисунок 7.1 Условная схема расположения станции в
крупном узле
Вместимость
единицы подвижного состава городского пассажирского транспорта uгор = 70 чел., коэффициент ее заполнения µ = 0,8;
населенность железнодорожного состава u = 800 чел., коэффициент его
заполнения k1 = 0,7;
время работы каждой единицы подвижного состава городского транспорта в течение
суток
= 17 ч; стоимость единицы ск = 9000
у.д.е.; стоимость единицы железнодорожного подвижного состава сж-д.=
250000 у.д.е.; время его работы в течение суток tp =
20 ч; стоимость 1 машино-км см-км= 0,56 у.д.е.; стоимость 1
поездо-км
= 1,8 у.д.е.; стоимость 1 пассажиро-ч сп-ч
= 0,01 у.д.е.
Целесообразность
сооружения новой станции определяем исходя из минимума годовых приведенных
затрат[5]:
, (7.1)
где
Кгор и Кж.-д. - капитальные вложения соответственно в
городской и железнодорожный транспорт;
-
капитальные затраты на строительство станций (i = 1, 2, …, m);
- то же
вокзалов;
-
затраты на снос городских сооружений;
-
дополнительные затраты на строительство путепровода и инженерных сетей;
-
эксплуатационные расходы, связанные с пробегом городского и железнодорожного
транспорта;
-
расходы, связанные с задержкой пассажиров соответственно на городском и
железнодорожном транспорте;
-
затраты, связанные с обработкой пассажирских поездов.
Предварительно
определяем время поездки с подхода s к станции i и
далее в район j города. Измерив по схеме города длину маршрутов и
учитывая коэффициент непрямолинейности 1,10, составим матрицу расстояний lij (таблица 7.1), а по ней, зная среднюю скорость vгор каждого вида городского транспорта, получаем матрицу
затрат времени (в мин) на поездку, аналогичную таблице 7.2, которую
рассчитываем по формуле
(7.2)
Аналогично
составляем матрицу ts i
(таблица 7.3).
Чтобы
определить величины, входящие в формулу (7.1), необходимо оптимально прикрепить
пункты назначения поездок пассажиров к станциям в существующем варианте 1 и
после строительства новой станции - вариант 2. Критерием служит минимум
суммарных затрат времени на поездку. Например, пассажир, прибывающий с подхода I в
район 1 (рис. 7.1), может пересесть на городской транспорт на станциях 1C и 2С.
В первом случае затраты на поездку составят 7 + 16 = 23 мин (таблица 7.2 и
7.3), во втором - 15 + 15 = 30 мин.
Таблица
7.1 Расстояние, км, от станции i до центра района j
|
Номер станции i
|
Номер района j
|
|
1
|
2
|
3
|
4
|
5
|
6
|
7
|
8
|
9
|
|
1C
|
4,8
|
2,6
|
3,0
|
5,2
|
5,6
|
5,4
|
4,6
|
4,2
|
2,8
|
|
2С
|
4,6
|
7,0
|
8,2
|
7,0
|
7,4
|
6,0
|
0,2
|
1,8
|
4,0
|
|
3Н
|
6,8
|
6,8
|
4,4
|
3,4
|
0,6
|
1,6
|
3,4
|
6,0
|
1,4
|
|
ОП
|
-
|
-
|
1,0
|
2,4
|
-
|
-
|
-
|
-
|
2,2
|
Таблица 7.2 Время на поездку в мин, со станции i в район j
|
Номер станции i
|
Номер района j
|
|
1
|
2
|
3
|
4
|
5
|
6
|
7
|
8
|
9
|
|
1C
|
16
|
9
|
10
|
17
|
18
|
18
|
15
|
14
|
9
|
|
2С
|
15
|
23
|
27
|
23
|
24
|
20
|
2
|
6
|
13
|
|
3Н
|
22
|
22
|
15
|
11
|
6
|
5
|
11
|
20
|
5
|
|
ОП
|
-
|
-
|
3
|
8
|
-
|
-
|
-
|
-
|
8
|
Таблица 7.3 Время движения пассажирского поезда, мин,
с подхода s на станцию i
|
Номер подхода s
|
Номер станции i
|
|
1C
|
2С
|
3Н
|
ОП
|
|
I
|
7
|
15
|
14
|
9
|
|
II
|
13
|
33
|
5
|
10
|
|
III
|
22
|
3
|
32
|
27
|
Таблица 7.4 Расчет себестоимости 1 поездо-км
|
Показатель
|
Единица измерения
|
Расходная ставка, у.д.е.
|
v = 10 км/ч
|
v = 40 км/ч
|
|
|
|
Объем работы
|
Затраты, у.д.е.
|
Объем работы
|
Затраты, у.д.е.
|
|
Пробег:
|
|
|
|
|
|
|
|
вагонов
|
1 осе-км.
|
0,09
|
12*4
|
4,32
|
12*4
|
4,32
|
|
локомотивов
|
1 локомотиво-км.
|
6,5
|
1
|
6,50
|
1
|
6,50
|
|
Время работы:
|
|
|
|
|
|
|
|
локомотива
|
1 локомотиво-ч.
|
31,2
|
1/10
|
3,12
|
1/40
|
0,78
|
|
локомотивной бригады
|
1 брига-до-ч.
|
236
|
1/10
|
23,60
|
1/40
|
5,90
|
|
составительской бригады
|
1 брига-до-ч.
|
168
|
1/10
|
16,80
|
1/40
|
4,20
|
|
Пробег поезда
|
1 т-км брутто
|
0,014
|
12*50+122
|
10,10
|
12*50+122
|
10,10
|
|
Расход топлива
|
1 кг
|
6,5
|
1,75
|
11,4
|
1,75
|
1,75
|
|
Себестоимость 1 поездо-км.
|
-
|
-
|
-
|
75,84
|
-
|
43,2
|
Поэтому поток пассажиров, следующих в район 1,
прикрепим к станции 1C. В результате получим число пассажиров Хij, перевозимых городским транспортом
от станции i в район j, и число пассажиров Yis - с подхода s к станции i и
определим пробеги подвижного состава городского и железнодорожного транспорта
[5]:
;
Вариант 1
3332
машино-км;
4405
машино-км;
Вариант
2
553
поездо-км.
876 поездо-км.
Аналогично определяют время проезда на городском и
железнодорожном транспорте (в пассажиро-ч):
Вариант
1.
10548
пассажиро-ч.;
7816
пассажиро-ч.
Вариант
2.
13956
пассажиро-ч;
12383
пассажиро-ч.
На
основании этих расчетов определим:
Капитальные
вложения в городской транспорт [5]:
;
98 000
у.д.е.;
= 129 000
у.д.е.;
Капитальные
вложения в железнодорожный транспорт:
172 810
у.д.е.;
273 750
у.д.е.;
Эксплуатационные
расходы, связанные с пробегом железнодорожного и городского транспорта:
;
;
1866
у.д.е.;
2467
у.д.е.;
995
у.д.е.;
1577
у.д.е.
Расходы,
связанные с задержкой пассажиров:
;
1055
у.д.е.;
1396
у.д.е.;
782
у.д.е.;
1238
у.д.е.
Расходы,
связанные с обработкой пассажирских поездов [5]:
,
где
- стоимость обработки одного поезда на станции i;
- число
поездов, обрабатываемых на станции i:
;
поездов;
поезд;
поездов;
поездов;
поездов.
Расходы,
связанные с обработкой составов, в значительной степени зависят от объема
работы станции:
178
у.д.е.;
133
у.д.е.
Стоимость
сооружения новой станции и вокзала
принимаем
равной 3,8 млн. у.д.е., дополнительные затраты на снос зданий и сооружений Кс
= 205000 у.д.е., и на строительство путепровода и инженерных сетей
= 1 200 000 у.д.е.
Теперь
определим годовые приведенные расходы в двух вариантах по формуле 7.1:
2 436 837
у.д.е.;
2 534 345
у.д.е.
Так
как
(2 436 837 < 2 534 345), сооружение новой
пассажирской станции в варианте 3н целесообразно.
Годовая
экономия при перевозке 26 тыс. пассажиров в сутки составит
у.д.е.
Заключение
В своем дипломном проекте я спроектировала новую пассажирскую станцию сквозного
типа с расположением технической станции в четной горловине сбоку от главных
путей. Было определено: число приемо-отправочных путей -10 путей; ширина
островных платформ - 8,51 м (длина 400 м), вместимость вокзала рассчитана на
555 человек, площадь вокзала 1855 м2 (ширина 25 м, длина 75 м).
Кроме того были запроектированы устройства для почты и багажа, а также
привокзальная площадь.
В пятом разделе дипломного проекта была приведена технология работы
пассажирской станции с различными категориями поездов.
В шестом разделе представлены мероприятия по охране труда и экологической
безопасности.
В седьмом разделе дипломного проекта был проведен технико-экономический
расчет выбора оптимального расположения станции в железнодорожном узле и
определена годовая экономия затрат на содержание станции.
Эффективная и чёткая работа всех подразделений вокзала зависит от
правильной расстановки персонала по местам, использования передовых методов
работы, научной организации труда и умелого управления и руководства.
При разработке дипломной работы использованы новейшие достижения науки и
производства в области совершенствования пассажирских перевозок, обеспечивающие
в первую очередь, не только продуктивную и производительную работу транспорта,
использование подвижного состава, но и учитывающие интересы пассажиров. На
сегодняшний день основная задача железнодорожного транспорта в области
пассажирских перевозок - повышение качества обслуживания пассажиров,
обеспечение пассажиров максимумом услуг в поездах.
Список
литературы
1.
И.Е. Савченко.
Железнодорожные станции и узлы. М.Т. 1980г.
2.
Инструкция по
проектированию станций и узлов. М.Т. 1978г.
3.
Н.В. Правдин. А.С
.Рябуха. В.И .Лукашев. Технология работы вокзалов и пассажирских станций.
М.Т.1990г.
4.
Под. Ред. Т.В.
Фомина. Пассажирские перевозки на железнодорожном транспорте. М.Т.1990г.
5.
Кочнев Ф.П.,
Сотников И.Б. Управление эксплуатационной работой - М.: Транспорт,1990
6.
Правдин Н.В.,
Рябуха Л.С., Лукашев В.И. Технология работы вокзалов и пассажирских станций. -
М.: Транспорт,1990
7.
Кочнев Ф.П.,
Пассажирские перевозки на ж.д. транспорте. - М.: Транспорт,1980
8.
Колпаков В.С.,
Шубко В.Г. Совершенствование пассажирских перевозок. - М.: Транспорт, 1983
9.
Пассажирские
перевозки на ж.д. транспорте. Справочник. Под ред. Фомина Г.В. - М.: Транспорт,
1990
10.Правдин Н.В., Негрей В.Я., Банек Т.С. Проектирование
ж.д. станций и узлов. - Минск.: Вышейшая школа, 1984
11.Кобдиков М.А., Богданович С.В., Берикбаев Н.Ж.
Управление пассажирскими перевозками. Методические указания к выполнению
курсового и дипломного проектирования.
12.Белов И.В. " Экономика железнодорожного
транспорта", М.: Транспорт. 1989 г. 350 стр.
13."Охрана труда на железнодорожном транспорте и в
транспортном строительстве". Под редакцией Крутякова В.С. М.: Транспорт,
1983
14.Борьба с шумом на производстве: Справочник / Е.Я.
Юдин, Л.А. Борисов; Под общ. ред. Е.Я. Юдина - М.: Машиностроение, 1985. -
400с., ил.
15.Безопасность жизнедеятельности. /Под ред. Н.А. Белова
- М.: Знание, 2000 - 364с.
16.Омаров А.Д., Целиков В.В. и др. "Экологическая
безопасность на транспорте". Алматы, 1999 г. 400 стр.
17.Стадницкий Г.В. .Родионов А.И. Экология. Учебник для
вузов. М.: Высш. шк., 1988. 272 с.
18.Моисеев Н.Н. Экология и образование. М.: "ЮНИСАМ", 1996. 192с.
19.Павлова Е.И. Экология транспорта М.: Транспорт 1998.
20.Типовой технологический процесс работы грузовой
станции. Москва: Транспорт 1991 г.