Проект колесосъемника на базе трактора для автогаража сельскохозяйственного предприятия
Введение
Работы, связанные с монтажом и демонтажем колес автотракторной техники, -
это достаточно трудоемкая операция, требующая значительных трудозатрат и
времени, особенно, если речь идет о большегрузных автомобилях и мощных колесных
тракторах. Так, например, шины ФД-12М 28, применяемые для тракторов К-700,
К-701 и др., имеют наружный диаметр 1735 мм, ширину профиля 750 мм и весят 320
кг. Шины задних колес трактора МТЗ-82 при диаметре 1570 мм, ширине профиля 394
мм имеют вес 118 кг. Шины грузовых автомобилей, используемых в сельско
хозяйстве также имею отнюдь не маленькие габариты и вес.
Знакомство с приведенными цифрами делает понятным насколько непросто
выполнить работу по смене шин автотракторной техники без использования
специальных устройств механизации, и особенно - вне автогаража
сельхозпредприятия.
По этой причине на наш взгляд автогаражу целесообразно приобрести или
изготовить собственными силами устройство для смены крупногабаритных шин -
колесосъемник (шинный манипулятор).
Колесосъемники представляют собой шасси с навесным оборудованием [1, 2].
Основными техническими характеристиками существующих колесосъемников являются:
1. тип шасси;
2. грузоподъемность;
. максимальный диаметр монтируемых шин;
. минимальный диаметр монтируемых шин.
Колесосъемники выполняются на различных типах шасси, в основном это
автопогрузчики различной грузоподъемности, реже - автомобили БелАЗ.
Грузоподъемность (масса монтируемого колеса) определяется как разность между
грузоподъемностью шасси и массой навесного оборудования. Максимальный и
минимальный диаметр монтируемого колеса определяются конструктивными
особенностями навесного оборудования.
При проектировании рациональной конструкции колесосъемника необходимо
учитывать наиболее массово используемые типоразмеры шин.
В настоящее время различными зарубежными фирмами выпускается достаточно
большой спектр колесосъемников различного типоразмера, однако, все они
достаточно дороги. Так ,например, колесосъемник для автомобилей
грузоподъемностью 110-170 т на базе БелАЗ-540 стоит 1370026 рублей без учета
стоимости самого БелАЗ-540 [3]. По этой причине, если есть своя хорошая
производственная база, есть смысл проектировать и изготавливать колесосъемники
собственными силами.
В связи с изложенным, тема настоящей дипломной работы, посвященная
проектированию колесосъемника для мощной автотракторной техники, оснащенной
шинами большого размера и веса, является актуальной.
1. Обзор существующих конструкций
гидроцилиндр
колесосъемник автотракторный рычажный
Для производства ремонтных работ большегрузных автомобилей используются
различные устройства и приспособления. В ряде стран компании разрабатывают
специальное оборудование, позволяющее существенно снизить трудоемкость
ремонтных работ. Как правило, это специализированная техника или навесное
оборудование, позволяющее использовать машину для производственного процесса
при других работах. Рассмотрим несколько видов подобного оборудования, которое
применяется за рубежом.
.1 Колесосъемники производства Германии
Модель T 421 SV (производство Германия, рис. 2, 4). Навесное оборудование
для БелАЗ г/п 30...130 т.
Рисунок 1. Колесосъемник T 421 SV
Грузоподъемное устройство (колесосъемник) предназначено для захвата,
кантования, снятия и установки колес большегрузных автомобилей. Использование
данного типа навесного оборудования позволит исключить ручной труд при
установке/снятии колес, снизить травматизм персонала.
Поворотный захват для колес в течение нескольких минут может быть
установлен на вилочный или фронтальный погрузчик, а так же прочие механизмы
соответствующей грузоподъемности.
Для установки навесного оборудования погрузчик должен быть оснащен
разъемом, соответствующим стандарту ISO.
Отличительной особенностью данного оборудования является возможность его
использования в качестве вилочного погрузчика. Путем легкого демонтажа
поворотных лап, осуществляемого в течение нескольких минут, погрузчик из
колесосъемника превращается в универсальный погрузчик с раздвижными лапами.
Колесосъмник для работы с шинами размером до 24.00-35 включительно (рис.
2).
Рисунок 2. Общий вид навесного оборудования
Технические характеристики навесного оборудования для колес до 24.00-35:
|
Грузоподъемность при
использовании навески в качестве вилочного погрузчика (без поворотных лап) /
при центре тяжести груза, [(кг/мм)]
|
2300/500
|
|
Грузоподъемность при
использовании навески в качестве манипулятора (колесосъемника) / при центре
тяжести груза, [(кг/мм)]
|
1200/1000
|
|
Поперечное смещение каретки
[ S , (мм)]
|
± 100
|
|
Диапазон разжима/зажима
поворотных лап [ А, (мм)]
|
470-2570
|
|
Минимальный/максимальный
диаметр колеса, [(мм)]
|
1500-2050
|
|
Размер вил [(мм)]
|
1200 х 150 х 50
|
|
Ширина лапы, [мм]
|
500
|
|
Масса , кг
|
910
|
|
Класс каретки по стандарту
ISO
|
3
|
Колесосъмник для работы с колесами размером до 33.00-51 включительно.
Колесосъемник-манипулятор для работы с колесами размером до 33.00-51 так
же может выпускаться в двух вариантах: поставка исключительно навесного
оборудования (при наличии у заказчика импортного погрузчика г/п 14т. и
выполнения определенных требований), либо комплексная поставка шинного
манипулятора, установленного на дизельный погрузчик.
.2 Колесосъемники производства России
Рисунок3. Модель СКС-5
Модель СКС-5 (производство Россия, рис. 5). Навесное оборудование для
снятия установки колес автомобилей БелАЗ грузоподъемностью 30…45,5 т. на базе
автопогрузчика 40810, Балканкар.
Навесное оборудование предназначено для снятия и установки колес
автомобилей БелАЗ-548, 540, 7547 и закреплено на передвижной каретке
автопогрузчика 40810, БАЛКАНКАР. Навесное оборудование состоит из: механизма
захвата 1, каретки 2, подвески 3. Механизм захвата закреплен на оси каретки и
состоит из системы рычагов, захватов и гидроцилиндров, служащих для зажима
колеса и поворота его из горизонтального положения в вертикальное и наоборот.
Гидроцилиндры поворота захватов закреплены на рычагах, гидроцилиндры зажима
колеса встроены в траверсу механизма захвата. Каретка установлена на
направляющих подвески. Гидроцилиндр перемещения каретки навесного оборудования
закреплен к корпусу подвески.
Гидросистема навесного оборудования подключена к гидросистеме
автопогрузчика.
Технические характеристики навесного оборудования СКС-5
|
1.
|
Тип
|
передвижной гидромеханический
|
|
2.
|
Шасси
|
автопогрузчик 40810,
Балканкар
|
|
3.
|
Размеры зажимаемых колес,
дюйм
|
18.00-25, 21.00-33 ,
21.00-35
|
|
4.
|
Грузоподъемность, кг
|
640
|
|
5.
|
Высота подъема, м
|
3,3
|
|
6.
|
Угол качания траверсы, град
|
± 13
|
|
7.
|
Угол поворота захвата
колеса, град
|
94
|
|
8.
|
Габаритные размеры, мм
|
|
|
.
|
- длина
|
4655
|
|
.
|
- высота
|
2130
|
|
.
|
- ширина
|
3300
|
|
9.
|
Масса, кг
|
5880
|
Рисунок 4. Модель 31-13
Навесное оборудование (рис 6) предназначено для снятия и установки колес
автомобилей БелАЗ-7540, БелАЗ- 7548, БелАЗ-7547, БелАЗ-7555, БелАЗ-7549.
Навесное оборудование закреплено на передвижной каретке автопогрузчика 40810.
Навесное оборудование состоит из: механизма захвата, каретки 7, подвески 6.
Механизм захвата закреплен на оси каретки и состоит из системы рычагов,
захватов и гидроцилиндров, служащих для зажима колеса и поворота его из
горизонтального положения в вертикальное и наоборот. Гидроцилиндры поворота
захватов 1 закреплены на рычагах, гидроцилиндры зажима колеса 2 встроены в
траверсу 8 механизма захвата. Каретка 7 установлена на направляющих подвески 6.
Гидроцилиндр 3 перемещения каретки навесного оборудования закреплен к корпусу
подвески. Гидросистема навесного оборудования подключена к гидросистеме
автопогрузчика.
Технические характеристики навесного оборудования 31-13
|
1.
|
Тип
|
передвижной гидромеханический
|
|
2.
|
Шасси
|
автопогрузчик 40810,
Балканкар
|
|
3.
|
Размеры зажимаемых колес,
дюйм
|
18.00-25, 21.00-33,
21.00-35, 24.00-35, 27.00-49
|
|
4.
|
Давление настройки
предохранительных клапанов, МПа (кгс/см2)
|
|
|
.
|
- гидравлического
распределителя автопогрузчика
|
10 (100)
|
|
.
|
- гидравлического
распределителя Р 80.2.1.444
|
12,5 (125)
|
|
5.
|
Наибольшее расстояние от
центра тяжести навесного устройства с колесом до передней стенки каретки
автопогрузчика, мм
|
1100
|
|
6.
|
Наибольшая высота подъема
колеса от уровня пола, мм
|
640
|
|
.
|
- в горизонтальном
положении колеса
|
900
|
|
.
|
- в вертикальном положении
колеса
|
400
|
|
7.
|
Максимальная
грузоподъемность, кг
|
2200
|
|
8.
|
Наибольшее горизонтальное
перемещение траверсы относительно каретки автопогрузчика, мм
|
330
|
|
9.
|
Угол поворота траверсы,
град
|
60
|
|
10.
|
Угол поворота захвата
колеса, град
|
90
|
|
11.
|
Габаритные размеры, мм
|
|
|
.
|
- длина
|
6140
|
|
.
|
- высота
|
3370
|
|
.
|
- ширина
|
1865
|
|
12.
|
Масса навесного
оборудования, кг
|
1865
|
|
13.
|
Масса, кг
|
|
|
.
|
- собственная
|
8135
|
|
.
|
- полная (с колесом и
водителем)
|
12200
|
Устройство предназначено для снятия и установки колес автомобилей
грузоподъемностью 80…220 тонн. Данное устройство можно использовать для
погрузки, разгрузки, транспортировки шин 27.00-49, 33.00-51, 40.00-57. В состав
навесного устройства входят: базовое шасси 1, навесное оборудование 2,
гидроразводка с гидрооборудованием и электрооборудованием.
Гидросистема навесного оборудования подключена к гидросистеме
автопогрузчика. Управление осуществляется из кабины водителя.
Устройство выполняет следующие операции: зажим колеса, транспортирование,
поворот колеса из вертикального положения в горизонтальное и наоборот,
совмещение оси отверстия колеса с осью ступицы автомобиля, поворот колеса для
совмещения ограничителя обода колеса с пазом ступицы, установку колеса на ступицу
автомобиля, разжим колеса.
Рисунок 5. Модель 31-67 (производство Россия)
Технические характеристики навесного оборудования 31-67
|
1.
|
Тип
|
передвижной
гидромеханический
|
|
2.
|
Шасси
|
автопогрузчик 40181, Львов
|
|
3.
|
Размеры зажимаемых колес,
дюйм
|
27.00-49, 33.00-51 ,
40.00-57
|
|
4.
|
Грузоподъемность, кг
|
5200
|
|
5.
|
Расстояние между дисками
захвата, мм
|
|
|
.
|
- минимальное
|
1700
|
|
.
|
- максимальное
|
3750
|
|
6.
|
Высота подъема, м
|
2,0
|
|
.
|
Горизонтальное перемещение
механизма захвата, мм
|
400
|
|
7.
|
Угол поворота механизма
захвата, град
|
±25
|
|
.
|
Угол поворота колеса, град
|
190
|
|
8.
|
Габаритные размеры, мм
|
|
|
..
|
- длина
|
7525
|
|
..
|
- ширина
|
4900
|
|
9.
|
Масса, кг
|
19825...25025
|
|
|
|
Рисунок 6. Модель 31- 52М (производство Россия)
Устройство (рис. 8) предназначено для снятия и установки колес
автомобилей грузоподъемностью 110...170 т, а также для погрузки и разгрузки шин
размером 33.00-51...40.00-57.
Устройство состоит из шасси 1 автосамосвала БелАЗ-7522, навесного
оборудования 2, которое крепится к шасси 1 автосамосвала, гидроцилиндра подъема
3, кабины, которая установлена на подставке в районе заднего моста, противовеса
10. Навесное оборудование служит для выполнения операций, необходимых при
снятии и установке колеса и состоит из механизма захвата 6, каретки
горизонтального перемещения 5, каретки подъема 4, гидроцилиндров
горизонтального перемещения 9 и качания 8.
Гидросистема навесного оборудования подключена к гидросистеме
автосамосвала. Для изменения направления движения устройства вперед (в сторону
навесного оборудования) произведена перестановка местами правой и левой чашек
дифференциала путем поворота редуктора заднего моста.
Таким образом, все рассмотренные конструкции имеют практически одинаковую
конструкцию рабочего элемента. Однако использование данного оборудования
требует больших затрат - приобретение колесосъемника, либо доработки
конструкции погрузчиков, для установки навесного оборудования. В настоящее
время, когда расход средств предприятия выходит на первые места, целесообразнее
не приобретать, а производить необходимые виды приспособлений, при наличии
хорошей технической базы.
2. Описание спроектированной конструкции

Рисунок 7. Общий вид оборудования
Колесосъемник состоит из базовой машины - трактора Т-150 и установленной
на заднюю полураму трактора стойки, соединенной шарнирно со стрелой (рамой) 2,
с возможностью подъема - опускания гидроцилиндрами 3. На стреле шарнирно
закреплено навесное устройство с возможностью ориентации в вертикальной
плоскости гидроцилиндрами 4. Навесное устройство представляет собой съемное
гидрозахватное устройство, состоящее из неподвижной несущей плиты 5, навешенной
на стрелу 2, на которой закреплен гидроцилиндр поворота колеса по оси 6 и
шарнирно установлена поворотная плита 7. На поворотной плите хомутами крепится
направляющая штанга 9 крупного сечения и установлены два гидроцилиндра зажима
колеса 10 для горизонтального перемещения по штанге правого рычага 11 и левого
12. На рычагах шарнирно установлены захваты 13, которые приводятся в движение
гидроцилиндрами поворота колеса в вертикальной плоскости 14, что позволяет осуществлять
её поворот зажатого колеса из горизонтального положения в вертикальное и
наоборот.
На переднюю часть трактора допускается навешивать бульдозерный отвал с
гидроцилиндром подъема.
Клесосъемником можно выполнять следующие операции:
захват колеса (диаметр 1605÷1950) и стягивание со ступицы
автомобиля, посредством включения подачи трактора;
ориентация колеса при установки его на ступицу автомобиля в вертикальной
и горизонтальной плоскостях, а также поворот колеса по оси;
поворот зажатого колеса из горизонтального положения в вертикальное и
наоборот;
производить укладку снятых колес в штабеле высотой до 2300 мм, а также
погрузку в транспортные средства.
Для снятия колеса автомобиль вывешивается, колесо раскрепляется. Далее
колесо зажимается захватами навесного устройства и при включенной передаче,
тихим ходом, стягивается со ступицы и транспортируется к месту разборки.
Установка колеса производится в обратной последовательности.
Управление гидроцилиндрами колесосъемника производится параллельно
соединенными в гидросистеме гидрораспределителями типа Р75В3А, рычагами
установленными в кабине трактора с правой стороны от машиниста Пульт управления
имеет 6 рычагов, которые пронумерованы арабскими цифрами.
Рисунок 8. Пульт управления
Два рычага (3,4) относятся к управлению гидроцилиндрами подъема стрелы и
наклона навесного устройства, и четыре (1, 2, 5, 6) к управлению
гидроцилиндрами навесного устройства.
Рычагом 5 осуществляется поворот зажатого колеса по оси на 600, с помощью
цилиндра 10. Зажатие и разжатие колеса производится рычагами 1 и 2. Рычагом 6
осуществляется поворот зажатого колеса из горизонтального положения в
вертикальное и наоборот. Рычагом 3 осуществляется подъем и опускание стрелы.
Рычагом 4 производится изменение угла наклона навесного устройства. Положение
для рычагов I - вперед, положение II - назад.
3. Проектные расчеты
.1 Исходные данные
Масса узлов составляющих изделие, кг:
стойка опорная - 280;
стрела - 140;
гидроцилиндр подъема - 140;
гидроцилиндр ориентации в вертикальной плоскости - 60;
плита несущая - 265;
плита поворотная - 255;
штанга в сборе - 280;
рычаги (левый и правый) - 360;
захваты - 70;
гидроцилиндр поворота колеса по оси - 24;
гидроцилиндры сжатия - 100;
колесо БелАЗ 548 в сборе - 800;
масса рычажной системы - 620;
масса навесного оборудования - 1449;
масса всей конструкции и колеса - 2869.
.2 Определение центров тяжести конструкции
Расчетная схема приведена на рисунке 11. Координаты центров тяжести
составляющих масс найдены геометрически и даны на схеме в сантиметрах.
Центр тяжести навесного устройства относительно осей Х/ и У/, м [4]:
(1)
, (2)
где
Pi - вес элемента конструкции, Н;i -
координата точки приложения, м.
Рисунок
9. Расчетная схема
, (3)
где
Pi - вес элемента конструкции, Н;
Yi - координата
точки приложения, м.
Центр
тяжести навесного устройства и груза (зажатого колеса) относительно осей Х/ и
У/, м:
(4)
Координата
по сои Y/ остается та же самая 0,38 метра.
Центр
тяжести рычажной системы (стойка, стрела, цилиндры подъема и ориентации)
относительно осей Х и У, м:
(5)
(6)
Общий
центр тяжести навешенного оборудования (без колеса) относительно осей Х и У, м:
(7)
(8)
Из
сравнения предлагаемого колесосъемника и фронтального погрузчика на базе
трактора Т150К, выпускаемого Минским заводом «Ударник», можно сделать
заключение, что условие устойчивости обеспечивается.
Для
сравнения приведен рисунок 12, на котором видно, что плечи, на которых
действуют опрокидывающие моменты у колесосъемника (МКОЛ) и у погрузчика (МПОГР)
при самом невыгодном положении стрелы почти одинаковые 1,8 и 1,75 метров, а
грузоподъемность погрузчика при этом (3000 кг) больше, чем суммарная масса
конструкции навесного устройства колесосъемника и снимаемо колеса (2249 кг).
Рисунок
10. Центры тяжести колесосъемника и погрузчика
Определим
опрокидывающие моменты, Н∙м.
МКОЛ=22490∙1,8<МПОГР=30000∙1,75
МКОЛ=40482
<МПОГР=52500
4.
Прочностные расчеты
.1
Расчет штанги
Принимаем
для штанги трубу: наружный диаметром 180 мм, внутренний диаметр 100 мм, материал
сталь 40Х, допускаемое напряжение изгиба 190 МПа [5].
Рисунок
11. Расчетная схема штанги (в расчете на один из захватов)
Определяем
момент сопротивления штанги, м3 [6]:
(9)
где
D - наружный диаметр;
с
- коэффициент отношения диаметров, с=0,56
.1.1
Рабочее усилие гидроцилиндра сжатия колеса
Рабочее
усилие РГЦ гидроцилиндра сжатия колеса определяем, учитывая, что сжатие колеса
происходит при работе штоковой полости.
Для
работы принимаем гидроцилиндры с параметрами: диаметр гидроцилиндра 100 мм;
диаметр штока 60 мм; давление в гидросистеме 10 МПа.
Рабочее
усилие, Н [5]:
(10)
где
р - давление в цилиндре;- рабочая площадь цилиндра, S=0,51∙10-2
м2.
кН
.1.2
Расчет потерь, возникающих при работе
Определим
потери на трение, возникающие от масс колеса и конструкций.
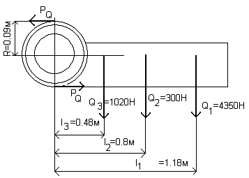
Рисунок
12. Расчетная схема, приведенная к одному рычагу
Для
определения усилий составим уравнение равновесия относительно центра колеса
[8]:
(11)
где
l1, l2, l3, R - плечи соответствующих сил.
Откуда,
РQ, Н:
(12)
где
l1, l2, l3 - плечи соответствующих сил.
.
Сила
трения от масс конструкции и колеса, при коэффициенте трения 0,15 (сталь о
сталь, при слабой смазке):
Н.
.1.3
Расчет потерь от усилия зажатия
При
зажатии колеса гидроцилиндрами сжатия возникает усилие, которое вызывает
дополнительное трение.
Рисунок
13. Расчетная схема
Усилие
гидроцилиндра сжатия, приходящееся на захваты рычага, Н:
=
(13)
Для
нахождения нормальной силы Р/ составим уравнение моментов относительно точки О:
(14)
где
l1 и l2 - плечи соответствующих сил.
Откуда:
=
=121630 Н.
Сила
трения от усилия сжатия колеса, при коэффициенте трения 0,15 определяется по
формуле [9]:
=
=18240 Н.
.1.4
Необходимое усилие сжатия колеса
Определяется
по формуле:
(15)
Н
.1.5
Определение моментов, действующих в конструкции
Крутящий
момент от масс колеса и конструкции определим по формуле Н∙м:
(16)
где
Q1, Q2, Q3 - действующие нагрузки;, l2, l3 - плечи
соответствующих сил.
Н∙м
Изгибающий
момент от усилия сжатия, Н∙м:
=
Н∙м
Общий
действующий момент, Н∙м:
(17)
Н∙м
.1.6
Определение действующего напряжения изгиба штанги
Находится
по формуле [10]:
(18)
где
MОБЩ - общий действующий момент;
WX - момент
сопротивления сечения.
МПа.
По
условиям заданного материала, σИ=53 МПа
<[σИ]=190 МПа, следовательно, прочность по изгибу
обеспечена.
4.2
Расчет захватов
Для
расчета рассмотрим схему, приведенную на рисунке

Определим
изгибающие моменты и напряжения в опасных сечениях.
сечение
I-I сечение II-II сечение III-III
Рисунок
15. Профили сечений захвата
Рассмотрим
сечение I-I.
Момент
сопротивления сечения определяется по формуле:
(19)
где
a, a1, b1 - размеры сечения м3.
Изгибающий
момент от масс колеса и конструкции, Н∙м:
Изгибающий
момент от усилия сжатия колеса от РСЖ=23000 Н, Н∙м:
Общий
изгибающий момент определим по формуле (17):
Н∙м
Действующее
напряжение в сечении I-I определяем по формуле (18):
МПа.
По
условиям заданного материала, σИ=30.9
МПа <[σИ]=110 МПа, следовательно, прочность сечения
обеспечена.
Рассмотрим
сечение II-II.
Момент
сопротивления сечения определяется по формуле (19):
м3.
Изгибающий
момент от масс колеса и конструкции, Н∙м:
Изгибающий
момент от усилия сжатия колеса от РСЖ=23000 Н, Н∙м:
Общий
изгибающий момент определим по формуле (17):
Н∙м
Действующее
напряжение в сечении II-II определяем по формуле (18):
МПа.
По
условиям заданного материала, σИ=54.3
МПа <[σИ]=110 МПа, следовательно, прочность сечения
обеспечена.
Рассмотрим
сечение III-III.
Момент
сопротивления сечения определяется по формуле (19):
м3.
Изгибающий
момент от масс колеса и конструкции, Н∙м:
Изгибающий
момент от усилия сжатия колеса от РСЖ=23000 Н, Н∙м:
Общий
изгибающий момент определим по формуле (17):
Н∙м
Действующее
напряжение в сечении II-II определяем по формуле (18):
МПа.
По
условиям заданного материала, σИ=51.2
МПа <[σИ]=110 МПа, следовательно, прочность сечения
обеспечена.
.3
Расчет несущего пальца
Расчет
несущего пальца конструкции производится по напряжению изгиба, материал пальца
сталь 35.
Рисунок
16. Расчетная схема
Действующий
изгибающий момент определяется по формуле:
(20)
Н∙м
Диаметр
пальца определяется из условия прочности элемента конструкции по изгибу.
(21)
где
МИ - изгибающий момент в сечении;
[σИ] - допускаемое напряжение изгиба для материала, [σИ]=120 МПа.
м
.4
Расчет подвижного шпоночного соединения на штанге
По
конструкции узла принимаем: количество шпонок - 1; длина втулки - 0.4 м;
действующий момент - 5862.6 Н∙м; материал шпонки - сталь 45; материал
втулки - сталь 35; материал штанги - сталь 40Х.
Допускаемые
напряжения смятия для подвижных соединений определяются по формуле [11]:
(22)
где
σТ - предел текучести материала (для стали 35 σТ =320 МПа, для стали 45 σТ =360 МПа).
Тогда:
для стали 35 -
МПа;
для
стали 45 -
МПа.
Расчет
производим по максимальному крутящему моменту, который может возникнуть во время
транспортировки зажатого колеса при резком клевке колесосъемника [12].
=
Н∙м.
Рисунок
17. Размеры шпоночного соединения
На
смятие соединение считаем по втулке, так как она имеет самую низкую
механическую характеристику. Напряжение смятия определяются по формуле [13]:
МПа (23)
где
d - диаметр вала, d=180 мм;- высота рабочей поверхности
шпонки, k=10 мм;- рабочая длина шпоночного соединения, l=400 мм.
МПа
По
условию прочности σСМ=24,5 МПа<[σСМ]=48 МПа, следовательно, прочность шпонки при смятии обеспечивается.
Произведем
проверку шпонки на срез по формуле:
(24)
где
b - ширина шпонки, b=45 мм.
МПа
По
условиям прочности τСР=6,9 МПа<[τСР]=85 МПа (для стали 45), следовательно, прочность шпонки на срез
обеспечивается.
.5
Расчет неподвижного шпоночного соединения
При
расчете неподвижного шпоночного соединения между штангой и ложементами
поворотной плиты конструктивно принимаем: материал втулки - сталь 35 (σТ =320 МПа); количество шпонок - 2; размеры шпонок -
120×45×25;
материал шпонки - сталь 45.
Для
неподвижного шпоночного соединения допускаемое напряжение смятия определяется
по формуле [14]:
=
МПа (25)
Расчет
шпонки на смятие производим по формуле (23):
МПа
По
условию прочности σСМ=72,4 МПа<[σСМ]=128 МПа, следовательно, прочность шпонки при смятии обеспечивается.
Произведем
проверку шпонки на срез по формуле (24):
МПа
По
условиям прочности τСР=15,2 МПа<[τСР]=85 МПа (для стали 45), следовательно, прочность шпонки на срез
обеспечивается.
.6
Расчет шпоночного соединения (неподвижного) центральной оси с втулкой крепления
гидроцилиндра поворота по оси
При
расчете принимаем: количество шпонок - 2; размеры шпонок - 105×32×18;
диаметр оси - 120 мм; материал втулки и оси - сталь 35.
Определяем
усилие гидроцилиндра поворота по формуле (10):
кН
Момент
от усилия гидроцилиндра поворота определяется:
=
Н
где
R - плечо приложения силы.
Расчет
соединения на смятие производим по формуле (23):
МПа
По
условию прочности σСМ=133 МПа>[σСМ]=128 МПа на 3.8%, что лежит в допустимых пределах, следовательно,
прочность шпонки при смятии обеспечивается.
Проверка
шпонок на срез производится по формуле (24):
МПа
По
условиям прочности τСР=29 МПа<[τСР]=85 МПа (для стали 45), следовательно, прочность шпонки на срез
обеспечивается.
.7
Расчет рычажной системы
.7.1
Расчет опасного сечения
Таковым
является сечение I-I (рисунок 20). Проверяем его по напряжениям изгиба.
Действующий
изгибающий момент, Н·м:
=
Для
конструктивного выполнения стрелы выбираем двутавр № 18 в количестве 2 штук.
Момент сопротивления двутавра286 см3.
Действующее
напряжение изгиба в сечении определяем по формуле (18):
МПа.
Рисунок
18. Расчетная схема
По
условиям заданного материала, σИ=102.8
МПа <[σИ]=110 МПа, следовательно, прочность сечения
обеспечена.
.7.2
Определение наибольшего усилия, развиваемого гидроцилиндрами подъема
Для
расчета определим действующие усилия гидроцилиндров подъема. Рассмотрим три
положения рычажной системы: одно среднее I и два крайних II и III.
Найдем,
какое из этих положений наиболее невыгодное в силовом отношении.
Рассмотрим
I положение.
Рисунок
19. Расчетная схема
Усилия
гидроцилиндров найдем из условия равновесия системы:
(26)
где
PI, Q - действующие силы, (Q - масса
конструкции навесного устройства и колеса);
l, l1 -
плечи сил (l - расстояние до центра масс навесного устройства и колеса).
Откуда:
=
Н
Рассмотрим
II положение (крайнее верхнее).
Рисунок
20. Расчетная схема
=
Н
Рассмотрим
III положение (крайнее нижнее).
Рисунок
21. Расчетная схема
=
Н
Таким
образом, наихудший случай в силовом отношении - это положение III, когда усилие
гидроцилиндров подъема наибольшее равное 154430 Н.
Усилие,
приходящееся на один цилиндр примерно 77220 Н.
Рабочее
усилие определяется по формуле (10), Н:
кН
Данное
усилие значительно превышает расчетное 77.22 кН.
.7.3
Расчет подшипника
Расчет
подшипника скольжения в шарнирном соединении стрелы с опорной стойкой
производим по удельному давлению p и по величине p∙v, в
некоторой мере характеризующей износ последнего и нагрев [15].
Определим
окружную скорость на шейке вала по формуле:
(27)
где
d - диаметр подшипника, d=60 мм;-
частота вращения, об/мин.
При
срабатывании гидроцилиндров подъема происходит поворот стрелы на 680, при этом
расходуется: 6,2×2=12,4 литра рабочей жидкости, где 6,2 - объем одного
гидроцилиндра. За один полный оборот расходуется 65,6 литров. Зная
производительность гидронасоса 75л/мин, можно определить частоту вращения
стрелы, если бы она могла свободно вращаться: n=75/65,6=1,14 об/мин.
Тогда
по формуле (27) окружная скорость стрелы, м/с:
м/с
Удельное
давление в подшипнике определим по формуле:
(28)
где
d - диаметр подшипника, d=60 мм;- длина подшипника, l=90
мм;
Р
- усилие, действующее на подшипник.
Для
нахождения усилия в подшипнике разложим графически РIII=77220 Н на
вертикальную и горизонтальную составляющие. При этом получаем: горизонтальная
составляющая РХ=71500 Н; вертикальная составляющая РY=30000 Н.
Затем
перенесем эти усилия в рассматриваемое соединение, добавив к вертикальной
составляющей общую массу всей конструкции вместе с колесом равную
Q=28690/2=14345 Н.
Эта
масса, приходящаяся на одно соединение, и снова находим геометрическое усилие:
=
Н
Удельное
давление по формуле (28) будет равно:
МПа≈[p]=15
МПа
Расчетное
значение p∙v=15,1∙0.004=0.062 МПа∙м/с.
Допускаемая
величина [p∙v]=1 МПа∙м/с.
Для
данного шарнирного соединения применяем палец из стали 45 с термообработкой и
втулку из материала Ст 3 с осуществлением смазки.
.8
Выбор гидрооборудования колесосъемника
.8.1
Гидроцилиндры подъема стрелы
Ранее
определенное расчетное усилие одного гидроцилиндра стрелы равно:
Н
Требуемое
давление в гидросистеме р=8 МПа. Определяем конструктивные параметры
гидроцилиндра. Диаметр поршня находится по формуле [16]:
(30)
где
Р - требуемое усилие на штоке гидроцилиндра, Н;
р
- давление, Па;
К
- расчетный коэффициент, К=1,05÷1,1.
м
Принимаем
d=0,15 м.
Площадь
поршня, определяется по формуле:
, м2 (31)
Площадь
поршня в штоковой полости, м2:
(32)
где
φ - конструктивный коэффициент, φ=0,125
Диаметр
штока находится по формуле:
(33)
м
Из
[17] выбираем одноштоковый гидроцилиндр, имеющий диаметр поршня 150 мм, диаметр
штока 70 мм, рабочее давление 10 МПа, ход штока 415 мм.
Проверяем
усилие, развиваемое гидроцилиндром по формуле при работе поршневой полостью.
.8.2
Гидроцилиндр зажима колеса
Ранее
определенное потребное усилие одного цилиндра Р=9584,37 Н.
Аналогично
вышеуказанному находим конструктивные параметры. Диаметр поршня при рабочем
давлении 10 МПа равен:
м (34)
Назначаем
диаметр 0,1 м. Площади поршня по формулам (31-32):
м2.
м2.
Диаметр
штока найдем по формуле (33):
м
Пользуясь
[17] выбираем одноштоковый гидроцилиндр, имеющий диаметр поршня 100 мм, диаметр
штока 60 мм, рабочее давление 10 МПа, ход штока 500 мм.
Рабочее
усилие гидроцилиндра с учетом того, что сжатие колеса происходит при работе
штоковой полости, определяется по формуле:
, Н (35)
Усилие
50240 Н>9584,37 Н, что говорит о работоспособности выбранного цилиндра.
.8.3
Гидроцилиндр поворота колеса по оси
Для
поворота навесного устройства с зажатым колесом относительно центрального
пальца, на котором установлена поворотная плита с направляющими, штангами и
рычагами составляем уравнение моментов сил:
(36)
где
Р - усилие в гидроцилиндре поворота колеса по оси, Н;
Р1
- суммарная сила трения от массы конструкции и колеса, Н;- плечо усилия Р,
R1=0,25 м;
l1 - плечо
усилия Р1, l1=0,35 м.
Ранее
определено, что Р1=19168 Н.
Тогда:
Н.
Находим
конструктивные параметры гидроцилиндра по формулам (31-34):
м
Назначаем
диаметр 0,08 м. Площади поршня:
м2
м2.
Диаметр
штока определяется:
м.
Пользуясь
[4, табл. 3.26] выбираем одноштоковый гидроцилиндр, имеющий диаметр поршня 80
мм, диаметр штока 40 мм, рабочее давление 10 МПа, ход штока 250 мм.
Проверяем
усилие, развиваемое гидроцилиндром по формуле при работе поршневой полостью.
.
.8.4
Гидроцилиндр ориентации колеса в вертикальной плоскости
Составляем
уравнение моментов сил, относительно верхнего шарнира стрелы, к которому
крепится навесное оборудование колесосъемника:
(37)
где
Р - усилие гидроцилиндров, Н;
Р1
- общий вес конструкции и колеса, Н;- плечо усилия Р, R1=0,35 м;
l1 - плечо
усилия Р1, l1=0,85 м.
Ранее
определено, что Р1=22062,69 Н. Тогда:
Н.
Усилие
одного гидроцилиндра при их общем количестве 2:
Н
Находим
конструктивные параметры гидроцилиндра по формулам (31-34), при рабочем
давлении р=8МПа:
м
Назначаем
диаметр 0,11 м. Площади поршня:
м2
м2.
Диаметр
штока определяется:
м.
Пользуясь
[4, табл. 3.26] выбираем одноштоковый гидроцилиндр, имеющий диаметр поршня 110
мм, диаметр штока 50 мм, рабочее давление 10 МПа, ход штока 250 мм.
.8.5
Гидроцилиндр поворота колеса в меридиональной плоскости
Из
условия поворота колеса массой 800 кг относительно оси поворота составляем
уравнение моментов сил:
где
a и b - плечо действия сил, соответственно, а=0,975 м,
b=0,15 м.
Тогда
потребное усилие одного гидроцилиндра:
Н.
Находим
конструктивные параметры гидроцилиндра по формулам (31-34) при рабочем давлении
р=80 МПа:
м
Назначаем
диаметр 0,08 м. Площади поршня:
м2
м2.
Диаметр
штока определяется:
м.
Пользуясь
[4, табл. 3.26] выбираем одноштоковый гидроцилиндр, имеющий диаметр поршня 80
мм, диаметр штока 40 мм, рабочее давление 10 МПа, ход штока 250 мм.
Проверяем
усилие, развиваемое гидроцилиндром по формуле при работе поршневой полостью.
.
5. Эксплуатационная часть
.1 Техническое обслуживание колесосъемника
Долговечную и надежную работу трактора обеспечивает
планово-предупредительная система технического обслуживания и ремонта.
Система ТО машин включает в себя следующие элементы:
приемка; обкатка; ежесменное, периодическое и специальное обслуживание;
технические осмотры; диагностирование; хранение.
Приемка машин заключается в осмотре с целью проверки
наличия пломб, инструмента и запасных частей, комплектности машины, а также ее
состояния. При выявлении некомплектности каких-либо деталей или инструмента, а
также серьезной неисправности сборочных единиц составляют акт, который служит
основанием для предъявления претензий (рекламаций) заводу-изготовителю или
ремонтному предприятию [18].
Обкатка машин проводится после проведения технического
осмотра, необходимой подтяжки болтовых соединений и устранения выявленных
подтеканий или других неисправностей. В процессе обкатки происходит приработка
сопряжений машины, что обеспечивает ее нормальную последующую эксплуатацию.
Обкатку начинают с холостых режимов работы двигателя и
машины, затем нагрузочный режим постепенно увеличивают и доводят до
установленного предела. Весьма важно правильно установить первоначальный режим
обкатки, так как при этом интенсивность изнашивания наиболее высока.
Продолжительность и режим обкатки машины каждой марки изложены в инструкции
завода-изготовителя. После обкатки составляют акт о передаче трактора в
эксплуатацию, в котором отмечают продолжительность и режимы обкатки, расход
топлива за этот период и выполненную работу.
При эксплуатационной обкатке машины проводят ТО,
которое состоит из нескольких этапов: при подготовке к обкатке, в процессе
обкатки и по окончании обкатки. При этих видах ТО в основном проверяют и
подтягивают крепежные соединения; проверяют и при необходимости дозаправляют
маслом картеры соответствующих сборочных единиц; проверяют натяжение ремней,
механизмы управления, гусеницы, давление в шинах и др.
Периодический технический осмотр проводят с целью
соблюдения правил эксплуатации машин, ТО и хранения. При периодическом осмотре
определяют техническое состояние машин и потребность в ремонте, устанавливают
возможность дальнейшей эксплуатации машин и агрегатов. При периодическом
техническом осмотре следует применять диагностирование машин и агрегатов.
Технические осмотры осуществляют 1 2 раза в год в нормативные сроки. Назначение
технических осмотров - определение технического состояния и выявление
остаточного ресурса машин. Осматривает машины специальная комиссия с участием
персонала, работающего на данном предприятии.
Виды технических обслуживаний тракторов.
Ежесменное техническое обслуживание (ЕО) проводится
через каждые 8-10 часов работы трактора и заключается в наружной очистке и
проверке наружных креплений [19]; устранении подтеканий топлива, охлаждающей
жидкости и электролита; проверке уровня (и дозаправке) масла, топлива и
охлаждающей жидкости в картерах и баках (электролита в аккумуляторных
батареях); проверке уровня масла в гидробаках, при необходимости его доливка
(по щупу); проверке работы контрольных приборов и механизмов. Ежесменное ТО
выполняют в начале или конце смены.
Первое техническое обслуживание (ТО-1) проводится через 125 часов работы
и включает в себя операции ЕО, а также дополнительные по проверке и подтяжке
наружных креплений, смазыванию сборочных единиц, очистке фильтров, проверке и
регулировке механизмов, проверке герметичности трубопроводов гидросистемы, при
необходимости устранение течи.
Второе техническое обслуживание (ТО-2) проводится через 500 часов и
содержит операции ТО-1, а также дополнительные по смене масла с промывкой
картера двигателя, замене рабочей жидкости гидросистемы; промывке
гидрораспределителей и фильтров гидросистемы, регулировке и смазыванию
сборочных единиц и механизмов и частичному (поэлементному) диагностированию
технического состояния трактора.
Третье техническое обслуживание (ТО-3) проводится
через 960 часов и включает в себя операции ТО-2 и дополнительные по регулировке
сборочных единиц и механизмов трактора с их очисткой, промывкой и смазыванием.
При ТО-3 проводят общее диагностирование технического состояния трактора, чтобы
установить возможность его дальнейшей эксплуатации или необходимость и срок
поставки на ремонт. Сложные регулировки топливной аппаратуры,
электрооборудования и гидравлической системы трактора выполняют в мастерских,
имеющих соответствующее оборудование. Разбирать двигатель, трансмиссию и
сборочные единицы гидравлической системы тракторов в полевых условиях не
допускается.
Сезонное обслуживание (СО) выполняется при переходе к
осенне-зимнему или весенне-летнему периодам эксплуатации. При СО
предусматривают замену летних сортов топлива и масел зимними или наоборот,
очистку радиаторов от накипи и ряд мероприятий по нормализации теплового режима
двигателя при пуске, работе на кратковременных остановках, а также технический
осмотр.
5.2 Ремонт
колесосъемника
Для поддержания колесосъемника предусматриваются текущий и капитальный
ремонт. Текущий ремонт содержит все операции, входящие в периодическое
техническое обслуживание, а также работы по частичной разборке машины и замене
отдельных агрегатов и деталей новыми или заранее отремонтированными.
Таблица 5.1
Характерные неисправности, вероятная причина и методы устранения
|
Наименование неисправности,
её проявления
|
Вероятная причина
|
Метод устранения
|
|
Быстрый нагрев масла в
гидросистеме выше допустимых пределов (до+70º С - +80º С)
|
Мал уровень масла в баке
гидросистемы
|
Проверить уровень масла в
баке и при необходимости долить до уровня верхней отметки на мерной линейке.
|
|
Золотники распределителей
не полностью возвращаются в нейтральное положение.
|
Проверить возврат
золотников в нейтральное положение и устранить причину заеданий в приводах
управления ими.
|
|
Загрязнение фильтрующих
элементов фильтров гидросистемы.
|
Проверить состояние
фильтров, промыть или заменить фильтрующие элементы.
|
|
Вспенивание масла в баке
|
Недостаток масла в баке
|
Проверить уровень масла в
баке и при необходимости долить.
|
|
Подсос воздуха в систему
через не плотности всасывающей магистрали к насосу или через уплотнительные
манжеты ведущего вала насоса
|
Выяснить причину подсоса
воздуха, проверить состояние манжет вала насоса (износ, повреждения),
устранить подсос воздуха подтяжкой соединений или заменой деталей
|
|
Наличие воды в масле
|
Заменить масло в
гидросистеме
|
|
Загрязнение фильтрующих
элементов фильтров в гидросистемы
|
Проверить состояние
фильтров, при необходимости заменить фильтрующие элементы
|
|
Возможные неисправности
предохранительного клапана
|
|
В системе падает давление
|
Засорено отверстие
демпфера. Неплотное прилегание запорного элемента к седлу
|
Максимально отвернуть регулирующий
винт, что даст возможность потоку масла удалить засорение, или разобрать
клапан, прочистить каналы и вновь собрать
|
|
Колеблется давление в
системе
|
Загрязнено масло Износ
рабочей поверхности седла вспомогательного клапана Загрязнено масло
|
Сменить масло и промыть
клапан Удалить риски и царапины на рабочей поверхности седла Сменить масло и
промыть клапан
|
|
Наружная течь масла по
стыкам
|
Плохо затянуты винты
крепления Изношены прокладки и уплотнительные кольца
|
Затянуть винты крепления
Сменить прокладки и уплотнительные кольца.
|
Текущий ремонт проводится через 1920 мото-часов.
Капитальный ремонт характеризуется полной разборкой и сборкой
колесосъемника, заменой новыми или восстановлением изношенных деталей, а также
испытанием агрегатов и машины в целом.
Капитальный ремонт проводится через 5760 мото-часов.
В таблице 5.1 приведены характерные неисправности, которые могут
возникнуть в процессе эксплуатации колесосъемника, вероятные причины их
возникновения и методы устранения.
6. Охрана труда
На фоне внедрения новой техники, которая характеризуется большей
энергонасыщенностью, производительностью, высокими скоростями и так далее,
создание безопасных условий труда, обеспечивающих оптимальные
санитарно-гигиенические условия и исключающие травматизм и профессиональные
заболевания, является высшей государственной задачей.
Данные проблемы нашли свое отражение в Конституции республики Казахстан.
Так же существует трудовое законодательство, регламентирующее продолжительность
трудового дня, взаимоотношения между трудящимися и администрацией и охрану
труда женщин и подростков.
Кроме конституционного и трудового закона законодательными документами в
области охраны труда является государственные стандарты, нормы и правила, в
которых содержится конкретные требования по безопасности труда.
Закон об охране труда направлен на обеспечения права работника на охрану
труда, устанавливает основные принципы национальной политики в этой области в
целях предупреждения несчастных случаев и повреждения здоровья на производстве,
сведение к минимуму опасных и вредных производственных факторов, и
распространяется на все виды хозяйственной деятельности и предприятий
независимо от форм собственности.
Охрана труда представляет собой действующую на основании соответствующих
законодательных и иных нормативных актов систему социально-экономических,
организационных, технических, санитарно-гигиенических и
лечебно-профилактических мероприятий и средств, обеспечивающих безопасность
человека в процессе труда.
Все работники, состоящие в трудовых отношениях с предприятиями,
учреждениями, кооперативами и т.д., имеют право на охрану труда.
Национальная политика в области охраны труда основывается на следующих
принципах:
приоритета жизни и здоровья работника по отношению к результатам
производственной деятельности предприятия;
комплексного решения задач охраны труда на базе государственных программ
с другими направлениями экономической и социальной политики;
установление единых требований в области охраны труда для всех
предприятий, независимо от форм собственности и хозяйствования;
широкого использования достижений науки, техники и передового
национального и зарубежного опыта по охране труда;
участие государства в финансировании охраны труда;
обеспечение работников специальной одеждой и обувью, средствами индивидуальной
защиты, лечебно-профилактическим питанием за счет средств работодателя;
обязательности расследования каждого профессионального заболевания,
обеспечении информативности работников об уровнях производственного травма
тизма, профессиональной заболеваемости и о принимаемых мерах по улучшению
охраны труда;
подготовка специалистов по охране труда в высших и средних специальных
заведениях и так далее.
К самостоятельному управлению колесосъемниом допускаются люди не моложе
18 лет, обученные по программе для водителей, сдавшие экзамен [20], и имеющие
удостоверение на право управления погрузчиком.
На рабочем месте работник получает первичный инструктаж по безопасности
труда и проходит: стажировку на данном транспортном средстве под наблюдением
опытного водителя; проверку знаний в объеме II группы по электробезопасности,
теоретических знаний и приобретенных навыков безопасных способов работы.
Машинисты обязаны соблюдать правила внутреннего трудового распорядка.
Курить в производственных и вспомогательных помещениях и на территории
предприятий разрешается только в специально отведенных для этой цели местах,
имеющих надпись "Место для курения", обеспеченных средствами
пожаротушения и оснащенных урнами или ящиками с песком.
В процессе работы на водителя возможно воздействие следующих опасных и
вредных производственных факторов [21]:
движущиеся машины и механизмы;
перемещаемые и складируемые грузы;
повышенная запыленность воздуха рабочей зоны;
повышенная или пониженная температура воздуха рабочей зоны;
опасное напряжение в электрической цепи;
неогражденные вращающиеся элементы оборудования.
Водитель обеспечен спецодеждой, спецобувью и средствами индивидуальной
защиты. Рекомендуемые нормы бесплатной выдачи средств индивидуальной защиты:
комбинезон хлопчатобумажный;
сапоги резиновые;
рукавицы комбинированные.
На наружных работах зимой дополнительно:
куртка и брюки хлопчатобумажные на утепляющей прокладке.
Водитель обязан знать и соблюдать правила дорожного движения.
Водитель во время работы должен иметь при себе талон предупреждения. У
водителя, нарушившего при работе требования правил техники безопасности,
делаются просечки в талоне предупреждений. При трехкратном нарушении одного и
того же требования правил безопасности талон предупреждений изымается и
водитель направляется на проверку знаний техники безопасности или в
квалификационную комиссию. После сдачи экзамена по технике безопасности или
после квалификационной комиссии талон выдается вновь.
При наличии в талоне предупреждений трех просечек за различные нарушения
водитель направляется в квалификационную комиссию для переаттестации.
Машина, выпускаемая на линию, должна иметь номерной знак и исправные
тормоза, рулевое управление, электрический замок и звуковой сигнал.
Рабочий должен пройти практическое обучение по управлению машиной данной
конструкции в течение не менее одной рабочей смены.
Не допускать к управлению посторонних лиц.
Водитель должен знать и соблюдать правила личной гигиены.
Водитель должен уметь оказать первую помощь пострадавшему при несчастном
случае.
Обученный и проинструктированный водитель несет полную ответственность за
нарушение требований Инструкции по охране труда согласно действующему
законодательству.
Перед началом работы водитель должен:
проверить исправность средств индивидуальной защиты, если по условиям
работы требуется их применение;
осмотреть дороги, проезды, если некоторые участки пути скользкие (облиты
водой, машинным маслом и т.д.), необходимо принять меры к устранению
загрязнений. В зимнее время дороги должны быть очищены от снега, а при
гололедице - посыпаны песком или шлаком.
Произвести ежесменное техническое обслуживание и проверить:
крепление рычагов управления;
состояние тормозной системы;
наличие и исправность плавких предохранителей;
исправность электрозамка;
крепление колес, состояние шин;
работу звукового сигнала и световой сигнализации (освещения);
уровень электролита в аккумуляторной батарее;
Проверить соответствие рабочего места следующим требованиям:
отсутствие посторонних предметов;
сиденье и спинка сиденья не должны иметь рваных мест, выступающих пружин,
провалов и острых углов, пол на рабочем месте должен быть в исправном состоянии
и застелен резиновым ковриком.
Во время работы машинист колесосъемника должен выполнять следующие
требования:
При движении соблюдать Правила движения для водителей транспорта.
Эксплуатировать машину на рабочих площадках с твердым и ровным покрытием,
очищенном в зимнее время от снега и льда, а при гололеде посыпанном песком.
Соблюдать установленные скорости движения в зависимости от состояния
дорожного покрытия и характера выполняемой работы. Снижать скорость в местах
пересечения пешеходных дорожек, у выходов и входов в производственные
помещения.
Не превышать на территории предприятия скорость 5 км/час; в узких, загроможденных
местах, в помещениях и на поворотах, при движении мимо ворот, дверей, штабелей
- 3 км/час.
При встрече с пешеходами по пути движения предупреждать их сигналом,
находясь на расстоянии не менее 5 м; если пешеходы не сходят с дороги,
остановить машину.
Подавать предупредительный звуковой сигнал перед началом движения вперед
или назад, при выполнении опраций по фиксации колеса, а также во всех случаях,
когда имеется возможность неожиданного наезда на человека.
При подаче задним ходом, особенно в узких проездах, предварительно
убедиться в том, что движению ничего не мешает.
Соблюдать дистанцию во избежании наезда при внезапной остановке.
Расстояние до идущего спереди транспорта должно быть не менее 10 м, а на
уклонах - не менее 20 м.
Учитывать габариты проема при въезде и выезде через ворота, двери.
Хранить при себе ключ от главного выключателя и коробки контроллера, не
передавать ключ посторонним лицам.
Постоянно следить за состоянием аккумуляторов, не допускать их разряда
ниже допустимых норм.
Прежде чем перейти на задний ход, необходимо затормозить до полной
остановки.
Подъезжать к месту погрузки (выгрузки) на первой передаче, не тормозить
резко при гололеде и мокрой, скользкой дороге.
Перед подъемом и опусканием колеса предварительно осмотреть место, откуда
будет подниматься колесо и куда будут его помещать.
Вести нагруженную машину при спуске под уклон свыше 30 град. только на
заднем ходу и с малой скоростью.
При транспортировании колеса поднимать его на высоту не более 200 - 300
мм от поверхности пути, а наклон подъемника "на себя" производить не
полностью.
Соблюдать осторожность при транспортировке колеса в узких проездах, не
задевать штабели грузов при повороте.
Ставить машину перед подъемом и опусканием груза на стояночный тормоз.
Во время работы не допускается:
работать на машине со снятым щитком, закрывающим панель с
электроаппаратурой, снятой крышкой аккумуляторного ящика;
прикасаться к неизолированным, поврежденным проводам и
электрораспределительным устройствам, наезжать на электрические провода,
лежащие на земле;
поднимать и перевозить груз, масса которого неизвестна, поднимать зажатый
и примерзший груз;
поднимать, опускать и перевозить людей на захвате;
выезжать на уклоны свыше 140 град. и допускать резкое торможение;
работать вблизи линии электропередач и под ними;
находиться и проезжать под поднятым грузом;
оставлять машину включенной, ставить ее в местах движения автомобилей и
на полотне железной дороги;
покидать пост управления при поднятом грузе. Если необходимо отлучиться,
то: опустить захват, вынуть ключ из электрического замка, поставить
колесосъемник на стояночный тормоз.
В случае потери устойчивого положения (когда задние колеса начнут
отрываться от грунта) немедленно опустить груз вниз.
Требования безопасности в аварийных ситуациях:
При возникновении поломки или неисправности, угрожающей безопасности
водителя или безопасности окружающих людей (особенно неисправности тормоза,
рулевого управления и звукового сигнала), немедленно прекратить работу и
сообщить об этом непосредственному руководителю или должностному лицу.
Требования безопасности по окончании работы:
поставить машину на место стоянки.
Опустить в нижнее положение захват или сменить рабочее приспособление.
Поставить колесосъемник на стояночный тормоз.
Разомкнуть штепсельный разъем и вынуть из гнезда выключателя.
Произвести осмотр машины для подготовки к следующему рабочему дню
(очистить его от грязи, пыли, проверить крепление болтов, отсутствие подтекания
масла из гидросистемы и т.п.).
Обо всех замеченных неисправностях необходимо сделать соответствующую
запись в журнале о техническом состоянии машины, сообщить лицу, ответственному
за содержание машин в исправном состоянии, и принять меры по устранению
неисправностей.
7. Экономическая часть
В экономической части обосновывается эффективность внедрения
колесосъемника на предприятия с целью сокращения времени простев на ремонт
оборудования.
Колесосъемником можно выполнять следующие операции:
захват колеса и стягивание со ступицы автомобиля, посредством включения
подачи трактора;
ориентацию колеса при установке его на ступицу автомобиля в вертикальной
и горизонтальной плоскостях, а также поворот колеса по оси;
поворот зажатого колеса из горизонтального положения в вертикальное и
наоборот;
укладку снятых колес в штабель, а также погрузку в транспортные средства.
Колесосъемник спроектирован на базе трактора Т-150.
Дополнительные узлы и агрегаты, необходимые для проекта и их стоимость
представлены в таблице 7.1.
.1 Капитальные затраты
Перечень оборудования и потребное его количество определяется по
проектируемой технологической схеме. При определении капитальных затрат на
материалы определяется стоимость затрат на доставку и монтаж. Цена единицы
оборудования принимается по текущим ценам на момент написания дипломного
проекта.
Таблица 7.1 Затраты на оборудование
|
Наименование оборудования
|
Отпускная цена тыс. тг
|
|
Стрела
|
118,84
|
|
Гидроцилиндр подъема
|
112,26
|
|
Гидроцилиндр ориентации в
вертикальной плоскости
|
111,87
|
|
Плита несущая
|
87,20
|
|
Плита поворотная
|
65,12
|
|
Штанга в сборе
|
49,15
|
|
Рычаги
|
55,32
|
|
Захваты
|
63,54
|
|
Гидроцилиндры поворота
колеса по оси
|
105,60
|
|
Гидроцилиндры сжатия
|
108,40
|
|
Всего стоимость
оборудования
|
879,3
|
|
Транспортные расходы
|
17,586
|
|
Заготовительно-складские
расходы
|
87,93
|
|
Итого
|
984,816
|
7.2 Эксплуатационные затраты
Амортизация основных средств.
Основой для расчета годовой суммы амортизационных отчислений, являются
стоимость оборудования, а также установленные для данного вида основных средств
нормы амортизации [22].
Амортизация оборудования.
Годовые амортизационные отчисления по каждому виду оборудования Агодi определяется следующим образом:
, (38)
Где Соi - полная первоначальная стоимость i - го вида оборудования, тыс.тенге;
Наi - норма амортизации i - го вида оборудования, %.
При этом суммарная величина амортизационных отчислений составит:
(39)
В
том случае, если норма амортизационных отчислений одинакова для всех видов
оборудования,
(40)
где
На - общая для всех видов оборудования норма амортизационных отчислений, %;
Со
- общая стоимость машины, тыс. тенге.
При
расчете амортизационных отчислений в стоимость оборудования включается
стоимость трактора, амортизационные отчисления считаются целиком на весь
колесосъемник. Стоимость трактора составляет 4,5 млн. тенге. Тогда бщая
стоимость колесосъемника - 5484,816 тыс. тенге. При норме амортизационных
отчислений 25%
А = 5484,816∙25/100 = 1371,204 тыс. тенге.
Заработная плата.
По нормам обслуживания для функционирования колесосъемника необходим один
человек соответствующей квалификации. Заработная плата определяется, исходя из
баланса рабочего времени и тарифа.
Таблица 7.2 Баланс рабочего времени
|
Затраты времени
|
Режим работы предприятия
(прерывный или непрерывный )
|
|
1 Календарный фонд времени,
Ткал, сут 2 Количество нерабочих дней предприятия (за год), Тпер, сут: -
праздничные, Тпр - выходные, согласно режиму работы, Твых 3 Номинальный фонд
рабочего времени предприятия, Тном, сут (Тном=Ткал-Тпр-Твых) 4 Неявки
рабочего на работу, Фпер, сут.: - выходные согласно графику сменности, Фвых -
трудовой отпуск, Фотп - гос. и общественные обязанности, Фгоо - прочие
неявки, Фпр 5 Продолжительность смены, Тсм, час 6 Эффективный фонд рабочего
времени одного рабочего: - в сутках (Фэф = Тном -(Фвых+Фотп+Фгоо+Фпр)) - в
часах (Фэф*Тср.см) 7 Коэффициент списочного состава, kсс,
(Тном/Фэф)
|
366 0 0 366 182 28 2 5
12 149 1788 2,4
|
Тарифная ставка, соответственно часовая и тарифная, для рабочего первого
разряда определяется по соотношению:
, (41)
, (42)
где
Зmin - минимальная заработная плата по предприятию, тенге/мес.;
Тгод
- количество рабочих часов одного рабочего за год, ч/год;д. год - количество
рабочих дней за год, сут./год.
Тарифные
ставки других разрядов (Чтсi) рассчитываются на основе тарифной ставки рабочего
первого разряда (Чтс1) и соответствующих этим разрядам тарифных коэффициентов
(kтi):
. (43)
При
помесячной (окладной) системе учета расчет заработной платы осуществляется по
формуле:
, (44)
или:
, (45)
где
Тф , Nф -фактический отработанное время, ч, сут.;
Тпл
, Nпл - плановый фонд времени, ч, сут.
Рабочим промышленных предприятий кроме оплаты труда производятся
различные доплаты к заработной плате, под которыми понимаются - суммы денежных
средств, начисляемые для компенсации трудности работ в связи с выполнением
дополнительной функции, не входящих в прямые обязанности, отклонением от
нормальных условий труда, а так же с целью сохранения за работником части
заработной платы в случае ее уменьшения не по его вине.
Размер доплат устанавливается законодательством, коллективным договором и
другими соглашениями предприятий с профсоюзными организациями.
Премия за выполнение плана может быть учтена как доплата к прямой
заработной плате, и входит в состав основной заработной платы и соответственно
в себестоимость. Общий размер премии за выполнение и перевыполнение плана по
объему производства не может превышать определенного процента прямого заработка
(40¸60 %).
Доплаты не освобожденным бригадирам из числа рабочих за руководство
бригадой производится в зависимости от численности бригады. Размер доплат при
численности бригады 5 ¸ 10 человек составляет 7¸10 % тарифной ставки, а при численности более 10 человек - 10¸15 %.
Фонд дополнительной заработной платы исчисляется обычно в процентах к
дневному или тарифному фонду и складывается из оплаты очередных и
дополнительных отпусков, прочих выплат из фонда дополнительной заработной платы
(оплата времени, затраченного на выполнение государственных и общественных
обязанностей; оплата льготных часов подросткам и перерывов матерям для
кормления детей; выходные пособия). При этом оплата за отпуска (dо) и за
выполнение государственных и общественных обязанностей (dгоо) начисляется в процентах от
основного дневного заработка рабочего, а остальные доплаты (dпр) - от тарифного.
Поэтому дополнительная заработная плата за один день работы может быть
условно выражена формулой:
, (46)
а
годовой фонд дополнительной заработной платы определяется по формуле:
, (47)
или:
, (48)
где
tм - количество дней работы в течение года рабочего
места, сут.;
tраб -
количество дней работы в году одного рабочего, сут.
Процент
оплаты очередных и дополнительных отпусков определяется исходя из дней отпуска
и числа рабочих дней по формуле:
, (49)
где
Фопт - число дней очередного и дополнительного отпуска, сут.;
Фраб
- число рабочих дней в году без учета основного и дополнительного отпусков,
сут.
Таблица
7.3 Расчет фонда оплаты труда после внедрения
|
Профессия
|
nсм , см/сут.
|
Числ-ть, чел.
|
Разряд
|
Тарифная ставка, тенге/см
|
Эффективный фонд рабочего
времени, сут./чел.
|
Прямая зарплата,
тенге/год*чел.
|
Доплаты, тенге/год*чел
|
Основная зарплата,
тенге/годл*чел
|
Дополн-ая зарплата,
тенге/год*чел
|
Фонд оплаты труда,
тенге/год*чел
|
Общий фонд оплаты труда,
тенге/год
|
|
|
явочная, Nяв
|
Коэфф. спис-го состава, kcc
|
списочная, Nсп
|
|
|
|
|
ночные
|
праздничные
|
премия
|
бригадирские
|
всего
|
|
|
|
|
|
1
|
2
|
3
|
4
|
5
|
6
|
7
|
8
|
9
|
10
|
11
|
12
|
13
|
14
|
15
|
16
|
17
|
18
|
|
машинист установки
|
2
|
2
|
2,4
|
5
|
4
|
1318
|
148
|
195193
|
24383
|
10544
|
19519,3
|
-
|
54446,1
|
249639
|
47229
|
296868
|
1484340
|
Социальный налог составляет 13%:
Сн = 1484340∙0,9∙0,13= 173668 (тенге).
До внедрения съем колеса производился вручную, затем был задействован
кран, который переносил колесо на место ремонта. Для съема колеса была
задействована бригада в пять человек. Персонал и разряды представлены в таблице
7.4.
Таблица 7.4 Численность ремонтных рабочих
|
Наименование
|
Явочная численность,
человек
|
Разряд
|
Тарифный коэффициент
|
|
Стропальщик
|
1
|
5
|
2,6
|
|
Слесарь ремонтник
|
1
|
5
|
2,6
|
|
Слесарь ремонтник
|
2
|
4
|
2,1
|
|
Машинист крана
|
1
|
4
|
2,1
|
Коэффициент списочного состава для ремонтного персонала представлен в
таблице 7.5.
Ремонтный персонал работает по прерывному графику 5 дней в неделю по 8
часов.
Таблица 7.5 Баланс рабочего времени
|
Затраты времени
|
Режим работы предприятия
(прерывный или непрерывный )
|
|
1 Календарный фонд времени,
Ткал, сут 2 Количество нерабочих дней предприятия (за год), Тпер, сут: -
праздничные, Тпр - выходные, согласно режиму работы, Твых 3 Номинальный фонд
рабочего времени предприятия, Тном, сут (Тном=Ткал-Тпр-Твых) 4 Неявки
рабочего на работу, Фпер, сут.: - выходные согласно графику сменности, Фвых -
трудовой отпуск, Фотп - гос. и общественные обязанности, Фгоо - прочие
неявки, Фпр 5 Продолжительность смены, Тсм, час 6 Эффективный фонд рабочего
времени одного рабочего: - в сутках (Фэф = Тном -(Фвых+Фотп+Фгоо+Фпр)) - в
часах (Фэф*Тср.см) 7 Коэффициент списочного состава, kсс,
(Тном/Фэф)
|
366 0 0 366 104 28 2 5
8 226 1808 1,61
|
Таблица 7.6 Расчет фонда оплаты труда до внедрения
|
Профессия
|
nсм , см/сут.
|
Числ-ть, чел.
|
Разряд
|
Тарифная ставка, тенге/см
|
Эффективный фонд рабочего
времени, сут./чел.
|
Прямая зарплата,
тенге/год*чел.
|
Доплаты, тенге/год*чел
|
Основная зарплата,
тенге/годл*чел
|
Дополн-ая зарплата,
тенге/год*чел
|
Фонд оплаты труда,
тенге/год*чел
|
Общий фонд оплаты труда,
тенге/год
|
|
|
явочная, Nяв
|
Коэфф. спис-го состава, kcc
|
списочная, Nсп
|
|
|
|
|
ночные
|
праздничные
|
премия
|
бригадирские
|
всего
|
|
|
|
|
|
1
|
2
|
3
|
4
|
5
|
6
|
7
|
8
|
9
|
10
|
11
|
12
|
13
|
14
|
15
|
16
|
17
|
18
|
|
Стропальщик
|
1
|
1
|
1,6
|
2
|
5
|
1146
|
226
|
259078
|
-
|
-
|
25907,8
|
-
|
29507,8
|
324585
|
31596
|
356181
|
712362
|
|
Слесарь ремонтник
|
1
|
1
|
1,6
|
2
|
5
|
1146
|
226
|
259078
|
-
|
-
|
25907,8
|
-
|
29507,8
|
324585
|
31596
|
356181
|
712362
|
|
Слесарь-ремонтник
|
1
|
1
|
1,6
|
2
|
4
|
926
|
226
|
209050
|
-
|
-
|
20905
|
|
20905
|
229955
|
28490
|
258445
|
516890
|
|
Машинист крана
|
1
|
1
|
1,6
|
2
|
4
|
925
|
226
|
209050
|
-
|
-
|
20905
|
|
20905
|
229955
|
28490
|
258445
|
516890
|
|
всего
|
|
|
|
|
|
|
|
|
|
|
|
|
|
|
|
|
2458522
|
Сн = 2458522∙0,9∙0,13=287647 (тенге)
Затраты на электроэнергию определяются до внедрения, исходя из мощности
электродвигателя крана.
Затраты на электроэнергию, получаемую со стороны учитывают по
двухставочному тарифу. Основная ставка взимается за каждый киловатт
присоединенной (установленной) горным предприятием активной мощности,
участвующей в максимуме нагрузки энергосистемы. Дополнительная ставка - за
израсходованное количество киловатт-часов электроэнергии, учтенное счетчиком. При
определении затрат на электроэнергию можно воспользоваться одноставочным
тарифом.
Общая сумма затрат на электроэнергию Сэ, определяется по формуле:
Сэ = W ∙a ∙Тгод, (50)
где а - тариф за один киловатт∙час потребленной энергии (4.2 тенге)
W - потребленная
электроэнергия, кВт·ч;
Тгод - число часов работы оборудования в год, согласно режиму работы
предприятия (участка).
Электроэнергия на работу крана:
Сэ = 680∙2112∙5 = 7180800 (тенге)
Расчет времени, затрачиваемого работниками на выполнение технического
обслуживания и ремонта приведен в таблице 7.7.
Таблица 7.7
Расчет времени на выполнение технического обслуживания
|
Наименование деталей
|
Разряд
|
Время обслуживания 1
единицы
|
Сумма времени, мин
|
|
|
|
Тс
|
Тн
|
Тм
|
Тк
|
Тп
|
Тг
|
П.н.
|
|
|
Гидроцилиндр подъема
|
9
|
4
|
-
|
-
|
6
|
13
|
3
|
-
|
20
|
1350
|
|
Гидроцилиндр ориентации в
вертикальной плоскости
|
2
|
4
|
-
|
-
|
3
|
-
|
5
|
-
|
5
|
102
|
|
Штанга в сборе
|
3
|
6
|
40
|
10
|
20
|
25
|
20
|
20
|
40
|
34080
|
|
Рычаги
|
3
|
4
|
-
|
-
|
20
|
20
|
50
|
10
|
20
|
1440
|
|
Захваты
|
1
|
4
|
-
|
-
|
20
|
6
|
5
|
11
|
11
|
296
|
|
Гидроцилиндры поворота
колеса по оси
|
1
|
6
|
-
|
15
|
30
|
5
|
5
|
10
|
20
|
1165
|
|
Гидроцилиндры сжатия
|
4
|
5
|
-
|
-
|
15
|
-
|
15
|
20
|
20
|
1000
|
|
Итого минут
|
|
|
|
|
|
|
|
|
|
39433
|
|
Итого часов
|
|
|
|
|
|
|
|
|
|
657,2
|
Тн - один раз в неделю; Тк - один раз в квартал; Тг - один раз в год; Тм
- один раз в месяц; Тпг - один раз в полугодие; П.н. - по необходимости.
Расчет чел/часов для выполнения технического обслуживания и ремонта
приборов и средств приведен в таблице 7.8.
Таблица 7.8 Расчет для выполнения технического обслуживания
|
Наименование деталей
|
Т год 4 разр
|
Т год 5 разр
|
Т год 6 разр
|
|
Гидроцилиндр подъема
|
1350
|
-
|
-
|
|
Гидроцилиндр ориентации в
вертикальной плоскости
|
102
|
-
|
-
|
|
Штанга в сборе
|
-
|
-
|
34080
|
|
Рычаги
|
1440
|
-
|
-
|
|
Захваты
|
296
|
-
|
-
|
|
Гидроцилиндры поворота
колеса по оси
|
-
|
-
|
1165
|
|
Гидроцилиндры сжатия
|
-
|
1000
|
-
|
|
Итого чел.мин.
|
3188100035245
|
|
|
|
Итого чел.час.
|
53,1
|
16,7
|
587,4
|
Тарифная ставка, соответственно часовая и тарифная, для рабочего первого
разряда определяется по соотношению:
, (51)
где
Змин - минимальная заработная плата по предприятию, тенге в мес.
Змин=9200∙2=18400
тенге/месс.
Тгод
- количество рабочих часов одного рабочего за год,ч/год;
Тгод
= Тнед∙Nнед. = 40∙52=2080ч/год.
Чтс1
= 12∙18400/2080=106,15 тенге/час
Тарифные
ставки 4,5,6 разрядов рассчитываются на основании тарифной ставки рабочего
первого разряда и соответствующих этим разрядам тарифных коэффициентов: К4р =
1,24; К5р = 1,33; К6р = 1,43.
Ч4р
= 106,15*1,24 = 127,38 тенге/час
Ч5р
= 106,15*1,33 = 141,18 тенге/час
Ч6р
= 106,15*1,43 = 151,79 тенге/час
Заработная
плата имеет следующую структуру: прямая заработная плата, доплаты и надбавки и
дополнительная заработная плата.
Расчет
прямой месячной заработной платы при повременной форме оплаты труда может
определяться по формулам:
,
(52)
,
(53)
где
Тмес - количество часов отработанное за месяц, ч;
Nдн. -
количество отработанных дней за месяц, дн.
Сзп4р
= 127,38∙53,13 = 6767тенге.
Сзп5р
= 141,18∙16,7= 2357,6тенге.
Сзп6р
= 151,79∙587,4= 89161,4тенге.
Доплата
Кдопл = 0,2.
Сдопл4р
= 127,38∙53,13∙0,2 = 1353,54 тенге
Сдопл5р
= 141,18∙16,7∙0,2 = 471,54тенге
Сдопл6р
= 151,79∙587,42∙0,2 = 17832,29 тенге
Фонд
оплаты труда:
ФОТ
= Сосн + Сдзп;
Сосн
= Сзп+Сдопл.
Сдопл.з.п.4р
= 6767,70д0,15=1015,16 тенге,
Сдопл.з.п.5р
= 2357∙0,15 = 353,55тенге,
Сдопл.з.п.6р
= 89161,45∙0,15 = 13374,22 тенге.
ФОТ4р
= 6767,70+1353,54 + 1015,16 = 9136,4 тенге,
ФОТ5р
= 2357 + 471,54 + 353,55 = 3181,09 тенге,
ФОТ6р
= 89161,45 + 17835,29 + 13374,22 = 120367,96 тенге.
ΣФОТ = 132685,45 тенге.
Расход на топливо определяется, исходя из времени работы оборудования,
удельного расхода и цены на дизтопливо.
Расход топлива за год составит:
Э = q1∙Ц∙n∙Фном, (54)
где q1 - расход топлива, кг;
n -
количество смен в сутки;
Ц - цена за кг дизтоплива, тенге;
Фном - номинальный фонд времени работы предприятия, сут.
Э = 17,2∙70∙2∙22 = 52976 (тенге)
Эксплуатационные затраты до и после внедрения проекта представлены в
таблице 7.9.
Таблица 7.9 Эксплуатационные затраты, тенге
|
Показатель
|
До внедрения
|
После внедрения
|
|
Заработная плата
|
2458522
|
1484340
|
|
Социальный налог
|
287647
|
173668
|
|
Ремонт
|
0
|
132685
|
|
Электроэнергия
|
7180800
|
0
|
|
Топливо
|
0
|
52976
|
|
Амортизация
|
0
|
1371204
|
|
Общецеховые расходы
|
99889,29
|
32341,69
|
|
Итого
|
10026858,293247214,69
|
|
Экономический эффект можно определить по формуле через приведенные
затраты. В данном случае он получается за счет разницы эксплуатационных затрат
до и после внедрения, и капитальными затратами, скорректированными на
нормативный коэффициент эффективности капитальных затрат.
Эф = Здвн - (Зпвн + 0,15∙К); (55)
Эф
= 10026858,29- (3247214,69+ 0,15 *984916) = 6631906(тенге).
Срок
окупаемости капитальных затрат рассчитывается как отношение капитальных затрат
и экономического эффекта от внедрения.
Ток
= К / Э (56)
Ток
= 984916/6631906 = 0,15(лет) 1,8 мес.
Заключение
В рамках дипломного проекта решены следующие задачи:
· проведен анализ существующих конструкций колесосъемников для
большегрузных автомобилей;
· проведены проектный и прочностной расчеты основных элементов
навесного оборудования колесосъемника;
· разработаны рабочие чертежи навесного обородования
колесосъемника;
· рассмотрены вопросы эксплуатации и безопасной работы
колесосъемника;
· произведена оценка экономической целесообразности
изготовления колесосъемника в условиях конкретного предприятия. Годовой
экономический эффект от внедрения разработки составляет 6,63 млн. тенге.
При выполнении проекта активно использовался персональный компьютер, в
частности вся графическая часть проекта была выполнена в системе
автоматизированного проектирования Kompas 3D V9 [23].
Список использованной литературы
1. Тарг С.М.
Краткий курс теоретической механики. - М.: Высш. шк., 2008. - 416 с
2. Анурьев В.
И. Справочник конструктора-машиностроителя: В 3 т.- 8-е изд., перераб. и доп.
Под ред. И. И. Жестковой. - М.: Машиностроение, 2001
. Александров
А.В. Сопротивление материалов М.: Высш. шк., 2004, 560 с.
. Гидравлика,
гидромашины и гидроприводы: / Т.М. Башта, С.С. Руднев, Б.Б. Некрасов и др..-
М.: Машиностроение, 1982. - 423с.
5.
Практические методы расчета на прочность деталей транспортных машин/ М.М.
Матлин и др. - Волгоград: ВолгГТУ, 2007. - 264 с.
.
Грузоподъемные машины/ М.П. Александров, Л.Н. Колобов, Н.А. Лобов. - М.:
Машиностроение, 1986. - 400 с.
. Еще
сопромат - изгибные напряжения
. Дунаев
П.Ф., Леликов О.П. Детали машин. - М.: Высшая школа, 1984
. Вайнсон А.
А. Подъемно-транспортные машины: Учебник для вузов- 4-е изд., перераб. и доп. -
М.: Машиностроение, 1989.
. Шелофаст
В.В. Основы проектирования машин. - М.: Изд-во АПМ, 2000. 72 с.
. Справочник
по кранам: В 2 т. Характеристики материалов и нагрузок. Основы расчета кранов,
их приводов и металлических конструкций /В. И. Брауде, М. М. Гохберг, И. Е.
Звягин и др.; Под общ. ред. М. М. Гохберга. - М.: Машиностроение, 1988
. Курсовое
проектирование деталей машин: Учебное пособие для учащихся машиностроительных
спец /С. А. Чернавский, К. Н. Боков, И. М. Чернин, Г. М. Ицкович и др. - 2-е
изд., перераб. и доп. - М.: Машиностроение, 1987
. Гейер В.Г.,
Дулин В.С., Заря А.Н. Гидравлика и гидропривод. - М.: Недра, 1991. - 334 с.
. Свешников
В.К. Станочные гидроприводы: Справочник. - М.: Машиностроение, 2008. - 640 с.
. Ивашков
И.И. Монтаж, эксплуатация и ремонт подъемно-транспортных машин. - М.:
Машиностроение, 1981г.
. Родичев
В.А. Тракторы. - М.: Academia, 2006. - 256 c.
. Салов А.И.
Охрана труда на предприятиях автомобильного транспорта. - М.: Транспорт,
1985.-281с.
. Типовые
инструкции по охране труда для основных профессий и видов работ на
автомобильном транспорте.- Алматы: Товарищество специалистов охраны труда
Республики Казахстан, 2003. - 159 с.
. Бычков В.П.
Экономика автотранспортного предприятия. - М.: Инфра-М, 2008. - 384 с.
. Кудрявцев
Е.М. Компас-3D v.7. - М.: Изд-во ДМК Пресс, 2005. - 664 с.