|
Отражатель
|
|
|
|
|
,
|
|
,
|
|
Торцевой
|
0,162
|
0,003
|
0,225
|
0,00036
|
797,6
|
4126
|
4924
|
|
Радиальный
|
0,621
|
0,01
|
0,863
|
0,001
|
54,04
|
279,5
|
333,6
|
Т.к. размеры отражателей соизмеримы с размерами активной
зоны, величины эффективных добавок вычисляются по формулам:
где
- материальный параметр активной зоны и
отражателей
где
Отсюда:
Эффективные размеры реактора:
Определение
эффективного коэффициента размножения нейтронов
Эффективный коэффициент размножения:
где
Отсюда в холодном состоянии:
В горячем:
В ходе расчёта в программном комплексе MCU5-FREE и расчета по методике
для реакторов с жидкометаллическим теплоносителем, мы получили значительное
отличие в эффективном коэффициенте размножения нейтронов.
Это связано с тем, что программа MCU5-FREEоснована на решении
газокинетического уравненияпереноса нейтронов методом Монте-Карло, и она
использует многогрупповую библиотеку оцененных ядерных данных по
нейтронно-физическим свойствам материалов на основе детальных ядерных данных
(ENDF/B-VI).
Следовательно, можно сделать вывод о том, что расчет по
методике для реакторов с жидкометаллическим теплоносителем имеет приличную
погрешность.
В дальнейших расчетах будем использовать результаты расчета в
программном комплексе MCU5-FREE.
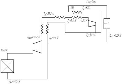
3.
Тепловой расчет
.1
Теплофизические свойства материалов
Топливо
В качестве материала топлива используется диоксид урана (UO2), теплопроводность
которого зависит от температуры [2]:
Где
;
Теплопроводность топлива при различных температурах
Газовый
зазор
Зазор между оболочкой и топливом заполнен гелием при давлении
0.1 МПа. График теплопроводности представлен на рис. [1].
Теплопроводность гелия при различных температурах
Оболочка
Материал оболочки - жаропрочный сплав на основе вольфрама.
Теплопроводность вольфрама представлена на рис. [1].
Теплопроводность вольфрама при разных температурах
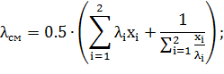
Теплоноситель
Теплоноситель - газовая смесь гелия (7.17%) и ксенона
(92.82%).
Теплофизические свойства смеси рассчитываются по следующим
формулам [3]:
Теплопроводность:
Теплоёмкость:
Динамическая вязкость:
Плотность He-Xe смеси высчитывается по формуле [2]:
- газовая постоянная для данного газа.
Число Праднтля[2]:
.
Теплофизические свойства теплоносителя представлены на рис.
4.1.4.1 - 4.1.4.3
Теплопроводность теплоносителя при различных температурах
Плотность теплоносителя при различных температурах
Динамическая вязкость теплоносителя при разных температурах.
.2
Определение температуры элементов в наиболее нагруженном канале
Теплоноситель
Расход теплоносителя:
Мощность, приходящаяся на 1 твэл:
Максимальный коэффициент неравномерности энерговыделения по
радиусу, полученный ранее:
Среднее линейное энерговыделение:
Объёмное энерговыделение:
Средний тепловой поток:
Распределение температуры по длине наиболее нагруженного
канала:
Распределение температуры теплоносителя по высоте в наиболее
нагруженном канале
Оболочка
Внешняя стенка
Поскольку вытеснители сделаны таким образом, что все ячейки
идентичны (рис. 4.2.2.1), гидравлический диаметр можно рассчитать по одной
ячейке (рис 4.2.2.2):
Сечение активной зоны
Элементарная ячейка
Значение гидравлического диаметра:
Изменение значения числа Рейнольдса по высоте активной зоны:
Значение числа Рейнольдса по длине канала
Число Нуссельта (в диапозоне
, Pr< 20)[4]:
Где:
Значение числа Нуссельта по длине канала
Коэффициент теплоотдачи:
Значение коэффициента теплоотдачи по длине канала
Температура наружной стенки твэла:
Распределение температуры теплоносителя и наружной стенки
твэла по высоте активной зоны
Внутренняя стенка
Температура внутренней стенки оболочки определяется по
формуле:
Ввиду небольшой толщины оболочки и высоких значений
теплопроводности, разность температур на внешней и внутренней стороне оболочки
незначительная и не видна на графике.
Топливо
Стенка таблетки
Температура стенки таблетки определяется по формуле:
Распределение температуры теплоносителя, наружной стенки
оболочки и стенки таблетки по высоте активной зоны
Отверстие
Среднее объёмное энерговыделение в топливе:
Максимальная температура в цилиндрической таблетке с
отверстием и внутренним энерговыделением:
График распределения температуры теплоносителя (К), оболочки,
стенки таблетки и отверстия по высоте активной зоны
Вывод
Как видно из графика, максимальная температура топлива не
превысила максимально допустимую 1800°С[2].
4.
Гидравлический расчет
Схема течения теплоносителя:
Схема течения теплоносителя
.1
Подвод теплоносителя к активной зоне
Теплоноситель подводится по 4 подводящим трубам диаметром 75
мм и длиной 2600 мм.Потери напора будут при прохождении подводящей трубы, на
повороте потока и выходе в сборный коллектор.
Подводящая
труба
Проходное сечение подводящей трубы:
Скорость теплоносителя в трубе:
Число Рейнольдса:
Коэффициент гидравлического сопротивления для широкого
диапозона чисел Рейнольдса (
[4]:
Гидравлические потери на прохождение проходящей трубы:
Поворот
Коэффициент гидравлического сопротивления при повороте потока
на 60° [4]:
Гидравлические потери на повороте:

Выход
в сборный коллектор
Коэффициент гидравлического сопротивления при выходе в
условно-бесконечное пространство [4]:
Гидравлические потери на выходе из подводящей трубы в сборный
коллектор:
Сумма
Суммарные потери на подвод теплоносителя к активной зоне:
.2
Активная зона
В активной зоне гидравлические потери складываются из входа в
активную хону через верхнюю опорную решетку, прохождения активной зоны, выхода
из активной зоны через нижнюю решетку.
Верхняя
опорная решетка
Сперва теплоноситель должен пройти верхнюю решетку, после
которой попадает в активную зону. Коэффициент гидравлического сопротивления
решетки высчитывается по формуле «вход в трубу через решетку или диафрагму»[4]:
Проходная площадь решетки:
Проходная площадь активной зоны:
Коэффициент гидравлического сопротивления решетки:
Верхняя опорная решетка
Положение верхней опорной решетки на чертеже
Гидравлические потери на верхней решетке:
Потери
на трение в активной зоне
Коэффициент гидравлического сопротивления при течении в
межтвэльном пространстве (без навитой проволоки) [4]:
Относительный шаг расположения твэлов:
Шаг навивки проволоки принимается:
Коэффициент гидравлического сопротивления при течении в
пространстве твэлов, дистанционированных проволокой «ребро по ребру» [4]:
Значение коэффициента трения по длине аз
Гидравлические потери на трение в активной зоне:
Нижняя
опорная решетка
Коэффициент гидравлического сопротивления определяется по
формуле «решетка или диафрагма внутри трубы» [4]:
Где:
Проходное сечение псле выхода из аз:
Проходное сечение нижней опорной решетки:
Нижняя опорная решетка
Положение нижней опорной решетки
Гидравлические потери на нижней опорной решетке:

Потери
на ускорение
Плотность расхода по активной зоне:
Гидравлические потери на ускорение:
Общие
потери по активной зоне.
Потери по активной зоне составили:
4.3
Отвод теплоносителя от активной зоны
Гидравлические потери на отвод теплоносителя складываются из
входа в отводящую трубу, поворота теплоносителя и прохождения теплоносителем
отводящей трубы.
Вход
в отводящую трубу
Коэффициент гидравлического сопротивления при входе в трубу
из условно бесконечного пространства [4]:
Диаметр проходного сечения отводящей трубы:
. Количество отводящих
труб:
. Скорость теплоносителя
в отводящей трубе:

Гидравлические потери на вход теплоносителя в отводящую трубу
из условно бесконечного пространства:
Поворот
теплоносителя
Коэффициент местного гидравлического сопротивления при
повороте потока на 60°[4]:
Гидравлические потери на поворот потока:
Прохождение
через отводящую трубу
Число Рейнольдса при течении в отводящей трубе:
Коэффициент трения в больших диапозонах чисел Рейнольдса
(
[4]:
Длина отводящего трубопровода:
Потери в отводящей трубе:
Сумма
Общие гидравлические потери на отвод теплоносителя от
активной зоны составили:
4.4
Сумма
Суммарные гидравлические потери на прохождение теплоносителем
РУ:
Вывод
Отношение потерь к номинальному давлению в реакторной
установке:
Гидравлические потери лежат в допустимом диапазоне.
5.
Расчет радиационной защиты
Составной частью реакторной установки является радиационная
защита РУ, предназначенная для обеспечения допустимых уровней реакторного
излучения на модуле полезной нагрузки и приборно-агрегатном отсеке, а также на
радиационно-чувствительных узлах и элементах подсистем ТЭМ.
На космических аппаратах с ядерным реактором применяется
теневая радиационная защита. Радиационная защита РУ образует зону затенения, в
которой размещается оборудование и агрегаты ТЭМ.
Основным требованием, предъявляемым к радиационной защите РУ,
является обеспечение установленных допустимых уровней реакторного излучения в
плоскости радиационных требований, расстояние от реактора до которой
устанавливается компоновочными решениями по ТЭМ. ПАО и другие чувствительные к
радиации элементы размещаются на максимальном расстоянии от РУ за
холодильниками-излучателями в зоне за плоскостью радиационных требований.
Теневая радиационная защита реактора должна обеспечить в
контрольной плоскости (плоскости радиационных требований) следующие требования:
по поглощенной дозе гамма-излучения - не более 10E6 рад (10Е4 Гр);
по флюенсу быстрых нейтронов (с энергией больше 0‚1 МэВ) - не
более 10Е12 1/см2.
Важной характеристикой ТЭМ является расстояние от реактора до
контрольной плоскости и полуугол тени.
Согласно «Основным положениям по ТЭМ» и предварительным
данным ГНЦ ФГУП «Центр Келдыша» в настоящее время контрольная плоскость
размещается на расстоянии ~52 м от реактора. Радиационная защита установки
выполнена из гидрида лития.
Схематичное изображение РУГК
Расчетная схема защитной композиции
Параметры защиты в Anisn-BMSTU
Плотность потока нейтронов с энергией больше 0,1 МэВ
Получаем плотность потока нейтронов с энергией больше 0,1 МэВ
на контрольной плоскости.
Рассчитаем флюенс быстрых нейтронов за время 10000ч.
Данное значение флюенса нейтронов удовлетворяет требованиям к
защите.
График мощности дозы за защитой РУ.
Значение мощности дозы на удалении 52 м от защиты получаем.
Определим дозу гамма излучения за время 10000 ч.
Данное значение мощности дозы меньше предельного (104
Гр), что удовлетворяет требованиям, предъявляемым к защитной композиции РУ.
6
Прочностной расчет
.1
Стенка корпуса
Толщина стенки корпуса реактора определяется по модели
цилиндрического сосуда, нагруженного внутреннимдавленеием. В качестве материала
корпуса используется сплав20Х23Н18
Прочностные характеристики данного сплава при температуре
900°С[5]:
Коэффициенты запаса:
Допустимые напряжения в конструкции:
Корпус считается на внутреннее давление, превосходящее
номинальное на 25%:
Коэффициент ослабления оболочки:
Внутренний диаметр корпуса:
Толщина корпуса определяется по формуле [6]:
Принимается:
Внешний диаметр корпуса:
.2
Коническая обечайка
Материал обечайки тот же, что и у корпуса, давление то же.
Обечайка не ослаблена отверстиями:
Угол наклона конуса к оси:
Толщина обечайки[6]:
Принимается:
.3
Вибропрочность твэлов
Шаг навивки проволоки:
За один шаг твэл должен быть продистанционирован как минимум
с тремя твэлами. Тогда шаг закрепления твэла:
Схема закрепления твэла представлена на рис. 7.3.1. Первый и
шестойкорни частотного уравнения для такой формы закрепления равны[6]:
Плотность материала оболочки [1]:
Модуль упругости вольфрама[1]:
Средний диаметр оболочки:
Толщина оболочки:
Момент инерции для оболочки:
Погонная масса оболочки:
Собственная частота, соответствующая 1-й и 6-й формам
колебаний твэла[6]:
Частота колебаний твэла лежит в пределах
;
Число Струхаля для турбулентного потока с
[7]:
Максимальная скорость теплоносителя в активной зоне:
Частота образования вихрей в турбулентном потоке:
Циклическая частота образования вихрей:
Получено, что циклическая частота образования вихрей в потоке
теплоносителя на порядок ниже собственной частоты колебания твэла.
Список
использованной литературы
1.
В.С. Чиркин. Теплофизические свойства материалов. Атомиздат Москва, 1968.
.
П.В. Марков, В.И. Солонин. Курс лекций по дисциплине «Расчет и проектирование
ядерных реакторов»
.
П.Л. Кириллов. Справочник по теплогидравлическим расчетам. Энергоатомиздат,
1990.
.
Программа «Справочник сталей».
.
Нормы расчета на прочность оборудования и трубопроводов атомных энергетических
установок. Энергоатомиздат, 1989.
.
Ганев И.Х. Физика и расчет реактора: Учеб. пособие для вузов / Под общ. ред.
Н.А. Доллежаля. - М.: Энергоатомиздат. 1992.