Совершенствование сглаживающих устройств тяговых подстанций постоянного тока Инской дистанции электроснабжения Западно-Сибирской железной дороги
Совершенствование
сглаживающих устройств тяговых подстанций постоянного тока Инской дистанции
электроснабжения Западно-Сибирской железной дороги
Введение
Железнодорожный транспорт является одной из
ключевых отраслей народного хозяйства России. Потребление электроэнергии
железными дорогами России в 2013 году составило 44785,9 млн кВт·ч, что на 3,3%
выше, чем за аналогичный период прошлого года, в том числе: на тягу поездов
41038,3 млн кВт·ч (увеличение на 3,6% при росте объема перевозок на электротяге
на 4,9%), железнодорожные узлы 7214,9 млн кВт·ч (рост на 0,6%). Доля работы на
электротяге возросла до 83,9%, против 83,5% в 2011 г. (рост на 0,4%).
Доля железнодорожного транспорта в структуре
электропотребления по России составила 5,6%. В структуре электропотребления
железных дорог удельный вес электротяги 83,4%, эксплуатационных нужд 13,3%,
прочих потребите-лей 3,3%. Увеличение доли эксплуатационных нужд и снижение
доли прочего потребления связано с введением в 2008 году новой номенклатуры расходов
по основной деятельности.
Преобразование переменного тока в постоянный на
электрических железных дорогах осуществляется при помощи статических
преобразователей (выпрямителей), устанавливаемых на тяговых подстанциях.
Получаемое при преобразовании переменного тока
выпрямленное напряжение является пульсирующим и содержит помимо постоянной
составляющей, гармоники, имеющие различную частоту и величину. Гармонические
составляющие выпрямленного напряжения определяют протекание по контактной сети
переменных токов различной частоты, создавая в окружающем пространстве
переменное магнитное поле, а разность напряжений между контактным проводом и
землей (рельсами) - переменное электрическое поле. Таким образом, тяговая сеть
электрических железных дорог постоянного тока является источником
электромагнитного влияния, вызывая в смежных устройствах (линиях связи,
автоматики, телемеханики и других), проходящих вдоль трассы электрической
железной дороги, индуктивные опасные и мешающие влияния. Все это требует
разработки и создания технических средств, обеспечивающих электромагнитную
совместимость тяговой сети и смежных устройств.
Среди технических средств, обеспечивающих
снижение влияний тяговой сети на линии связи, наиболее эффективными являются
сглаживающие устройства (СУ).
В данной работе проведены исследования и даны
рекомендации по выбору схемы и параметров сглаживающего устройства тяговой
подстанции.
подстанция технический тяговый
сглаживающий
1. Совершенствование сглаживающих
устройств тяговых подстанций постоянного тока Инской дистанции электроснабжения
Западно-Сибирской железной дороги
.1 Классификация существующих
сглаживающих устройств
Сглаживающее устройство представляет
собой пассивный четырехполюсник (рисунок 1.1), к входным зажимам 1-2 которого
подключаются выпрямители тяговой подстанции, а к выходным 3 - 4 - тяговая сеть
электрической железной дороги. Элементы, включенные в последовательное плечо
устройства (сопротивление
,
), должны
быть рассчитаны на пропускание постоянной составляющей тягового тока с
минимальными потерями электрической энергии. В последовательном плече
сглаживающего устройства обычно используют реактор, обладающий малым активным
сопротивлением. В качестве же элементов параллельного плеча СУ (сопротивление
,
)
используются в определенном сочетании индуктивные катушки и емкости. Наиболее
эффективным сглаживающим устройства будет такой СУ, который обладает
сопротивлением последовательной части, в спектре частот стремящимся к
бесконечности, и сопротивлением параллельной части, стремящимся к нулю. При
этом активная составляющая сопротивления последовательной части должна
стремиться к нулю.
Рисунок 1.1 - Схема замещения однозвенного
сглаживающего устройства
Рисунок 1.2 − Схема замещения двухзвенного
СУ
В последовательной части любого
пассивного СУ обязательно наличие реактора. Это связано с тем, что в
последовательной части мы должны обеспечить пропуск постоянной составляющей
тока с наименьшими потерями, поэтому необходим элемент, который будет иметь
максимальное сопротивление на высоких частотах и минимальное сопротивление на
частоте постоянной составляющей. Этим элементом является реактор, который
обладает минимальным сопротивлением для постоянного тока и большим
сопротивлением на высоких частотах. В СУ тяговых подстанций применяют реакторы
типа РБФА-У-6500/3250 (реактор бетонный с обмоткой из алюминиевого провода,
номинальное напряжение 3,3 кВ, номинальный ток 6500-3250 А). Реакторы на
номинальный ток 3250 А комплектуют из одного, двух, трёх и четырёх блоков с
индуктивностями 4,5; 11,0; 20 и 25 мГн, а реакторы на номинальный ток 6500 А -
соответственно с индуктивностями 1,1; 3,0; 5,0 и 7,0 мГн. Блок реактора имеет
четыре секции, что позволяет выполнять последовательно-параллельное или
параллельное соединение их между собой. Кроме реактора в последовательной
части, параллельно реактору, может устанавливаться либо ёмкость, в этом случае
речь идёт о запирающем контуре, т.е. параллельно соединены ёмкость и реактор,
либо резонансный контур (р.к.), т.е. и ёмкость, речь идёт о фильтр - пробке. В
этих двух случаях у нас настраивается контур реактор - ёмкость, либо контур
реактор - резонансный контур на определённую частоту. На этой частоте данное
параллельное соединение имеет бесконечное сопротивление, а т.к. сглаживающее
устройство является делителем напряжения, основная часть входного напряжения U1
приходится на наибольшее сопротивление из
и
, в данном случае
во много
раз больше
,
следовательно, выходное напряжение
на параллельной части сглаживающего
устройства стремится к 0.
Также в сглаживающем устройстве
используется ёмкость, представляющая собой параллельное соединение
конденсаторов, в этом случае речь идёт об апериодическом контуре. Емкостное
сопротивление с увеличением частоты уменьшается. Поэтому апериодические СУ
из-за того, что с увеличением частоты уменьшается сопротивление в параллельной
части, более хорошо сглаживают высокие гармоники. Наряду с емкостью, в
параллельной части используется резонансный контур. Резонансный контур
представляет собой последовательное соединение емкости и индуктивности,
соответственно на определённой частоте в резонансном контуре мы наблюдаем
резонанс напряжения, это говорит о том, что на этой частоте, контур будет иметь
сопротивление, равное активному сопротивлению. Если активное сопротивление в
резонансном контуре равно 0, то в параллельной части мы будем иметь нулевое
сопротивление на определённой частоте, если активное сопротивление в
последовательной части стремится к 0, то в параллельной части мы будем иметь
нулевое сопротивление на определённой частоте.
Помимо этого в параллельном контуре
может совместно использоваться ёмкость и резонансный контур, в этом случае
получается резонансно - апериодический фильтр (рисунок 1.2).
Другой путь обеспечения
электромагнитной совместимости тягового тока со смежными коммуникациями
заключается в установке на тяговой подстанции активного СУ. Классификация
сглаживающих устройств представлена на рисунке 1.3.
Рисунок 1.3 - Классификация пассивных СУ
1.2 Показатели эффективности
функционирования сглаживающих устройств
Выбор схем и параметров сглаживающих устройств
определяется требованиями к ним:
- по условию снижения опасного влияния тяговой
сети на автоблокировку с тональными рельсовыми цепями напряжение двенадцатой
гармоники на выходе СУ не должно превышать 2,3 В;
- по условию защиты воздушных линий связи от
мешающих влияний по существующим требованиям среднее значение псофометрического
напряжения на выходе СУ не должно превышать 4 В, а при интегральной вероятности
0,95 - 5 В;
- по условию защиты кабельных линий связи
от мешающих влияний по существующим требованиям среднее значение
псофометрического напряжения на выходе СУ не должно превышать 20 В, а при
интегральной вероятности 0,95 - 30 В;
напряжение любой гармоники на выходе СУ
не должно превышать 100 В.
Это, прежде всего, относится к гармонике
частотой 100 Гц, так как в случае увеличения на выходе СУ напряжения любой
другой гармоники до 100 В, будут нарушены требования по защите от мешающего
влияния.
На электрифицированных участках постоянного тока
сглаживающие устройства должны обеспечивать не только защиту рельсовых цепей от
опасного влияния тягового тока, но и защиту линий связи от мешающего влияния.
Схема сглаживающего устройства должна быть как можно более простой и
экономичной, обеспечивая минимальные капитальные затраты и эксплуатационные
расходы.
1.3 Характеристика основного
оборудования тяговых подстанций Инской дистанции электроснабжения
Западно-Сибирской железной дороги
Парк тяговых преобразовательных трансформаторов
участка Западно-Сибирской железной дороги состоит из 35 трансформаторов, в том
числе ТРДП -12500 / 10ЖУ1 - 29 штук (трехфазный с расщепленной вентильной
обмоткой, с принудительной циркуляцией воздуха и естественной циркуляцией
масла, для питания полупроводниковых преобразователей, с типовой мощностью
12500 кВ∙А, с классом напряжения сетевой обмотки 10 кВ, для
выпрямительных преобразователей железных дорог, для умеренного климата), ТМРУ -
16000/ 10ЖУ1 - 1 штука (трехфазный, с естественной циркуляцией масла, для
питания ртутных преобразователей, со встроенным уравнительным реактором, с
типовой мощностью 6200 кВ∙А, с классом напряжения сетевой обмотки 35 кВ,
для выпрямительных преобразователей железных дорог, для умеренного климата),
ТДП - 12500 / 10 - 3 штуки (трехфазный с принудительной циркуляцией воздуха и
естественной циркуляцией масла, для питания полупроводниковых преобразователей,
с типовой мощностью 12500 кВ∙А, с классом напряжения сетевой обмотки 10
кВ), ТМПУ - 16000 / 10ЖУ1 - 1 штука (трехфазный, с естественной циркуляцией
масла, для питания полупроводниковых преобразователей, со встроенным
уравнительным реактором, с типовой мощностью 16000 кВ∙А, с классом
напряжения сетевой обмотки 10 кВ, для выпрямительных преобразователей железных
дорог), ТРПМ-6300/10Ж1 - 1 штука.
На тяговых подстанциях Инской дистанции
электроснабжения Западно-Сибирской железной дороги работают 36 кремниевых
полупроводниковых выпрямителей, из них ТПЕД-3150 -3,3к - У1 - 9 штук, В-ТПЕД -
3,15К - 3,3к-У1- 7 штук, ПВЭ-5У1 - 11 штук, ПВ3-5У1 - 1 штука, ПВКЕ-2 - 1
штука, БСЕ-1 - 3 штуки, ВИПЭ-2 - 2 штуки, ИПУ-10/3150-12,5УХЛ1 - 1 штука, ПВЭ-3
- 1 штука.
Парк силовых понизительных трансформаторов
Инской дистанции электроснабжения Западно-Сибирской железной дороги состоит из
32 агрегатов, из них ТДТН - 16000 / 110 / 35 / 10 - 2 штуки (трехфазный,
трехобмоточный, с естественной циркуляцией масла и принудительной циркуляцией
воздуха, с регулированием напряжения под нагрузкой, номинальная мощность 16000
кВ∙А, номинальное напряжение 110 кВ), ТДТН - 20000 / 110 / 35 / 10 - 1
штука, ТДТН - 25000 / 110 / 35 / 6 - 2 штуки, ТДН - 16000 / 110 - 1 штука
(трехфазный, двухобмоточный, с естественной циркуляцией масла и принудительной
циркуляцией воздуха, с регулированием напряжения под нагрузкой, номинальная
мощность 16000 кВА, номинальное напряжение 110 кВ), ТДТНГ - 15000 / 110 - 6
штук (трехфазный, масляное охлаждение с дутьем, трехобмоточный, с
регулированием под нагрузкой, грозоупорный), ТДТНГ-10000/110/35/10 - 2 штуки,
ТДНГ - 15000 / 110 - 4 штуки (трехфазный, двухобмоточный, с естественной
циркуляцией масла и принудительной циркуляцией воздуха, с регулированием
напряжения под нагрузкой, грозоупорный, номинальная мощность 15000 кВ∙А,
номинальное напряжение 110 кВ), ТДНГ - 10000 / 110 - 6 штук, ТДНГ-20000/110/10
- 3 штуки, ТДГ-15000/110/10 - 1 штука, ТДТНГЭ-20000/110/27/10 - 2 штуки,
ТДРУНГ-20000/110/6 - 1 штука, ТМН-6300/110/11 - 1 штука.
Для преобразования переменного тока в постоянный
используются шестипульсовые и двенадцатипульсовые схемы выпрямления. На 5
тяговых под-станциях из 18 используются шестипульсовые схемы, из 36
преобразователей 32 имеют двенадцатипульсовые схемы выпрямления.
Одной из основных мер, используемых для снижения
влияния тяговой сети постоянного тока на смежные устройства, являются
сглаживающие устройства (СУ), устанавливаемые на тяговых подстанциях (таблицы
1.1 - 1.3). Они предназначены для снижения гармоник, содержащихся в кривой
напряжения на выходе выпрямителей.
На Инской дистанции электроснабжения
Западно-Сибирской железной дороги для снижения влияния на смежные устройства
используются однозвенные апериодические, однозвенные емкостные, двухзвенные и
двухзвенные резонансно-апериодические СУ с одним резонансным контуром 100 Гц, с
четырьмя 300, 600, 900, 1200 Гц (рисунок 1.4).
Эффективность сглаживающих устройств
определяется результирующим коэффициентом сглаживания и коэффициентом
сглаживания n-ой гармоники.
Результирующий коэффициент сглаживания
представляет собой отношение псофометрического напряжения на входе СУ к
псофометрическому напряжению на его выходе:
где
- псофометрическое напряжение на
входе фильтра, В;
- псофометрическое напряжение на
выходе фильтра, В.
Коэффициент сглаживания n-ой гармоники - это
модуль отношения напряжения этой гармоники на входе СУ к напряжению гармоники
на его выходе:
где
- напряжение n-ой
гармоники на входе фильтра, В;
- напряжение n-ой
гармоники на выходе фильтра, В.
Рисунок 1.4 - Схема участка Инская-Торсьма
Рисунок 1.5 - Схема участка Сеятель-Черепаново
Таблица 1.1 - Полная характеристика применяемых
схем СУ Инской дистанции электроснабжения
|
Название ТПС
|
Число пульсаций в схеме
|
Схема СУ
|
Тип линий связи
|
Тип РЦ
|
Тип автоблокировки
|
Параметры параллельной части СУ
|
Тип реактора
|
Индуктивность реактора, мГн
|
|
ЭЧЭ-250
Инская
|
1.
m=12-пульс
|
однозвенное,
апериодическое
|
КЛ, ВОЛС
|
ТРЦ
|
ТРЦ
|
С-197,1мкФ
|
2РБФА-3000
|
6,5
|
|
2.
m=12-пульс
|
|
|
|
|
|
|
|
|
ЭЧЭ-251
Чемская
|
1.
m=12-пульс
|
однозвенное,
апериодическое
|
КЛ, ВОЛС
|
РЦ-50
|
кодовая
|
С-368,7мкФ
|
1РБФА-6500
|
5
|
|
2.
m=12-пульс
|
|
|
|
|
|
|
|
|
ЭЧЭ-252
Гусинобродская
|
1.
m=12-пульс
|
однозвенное,
апериодическое
|
КЛ, ВОЛС
|
РЦ-25
|
кодовая
|
С-587,8мкФ
|
1РБФА-6500
|
5
|
|
2.
m=12-пульс
|
|
|
|
|
|
|
|
|
ЭЧЭ-253
Совхозная
|
1.
m=12-пульс
|
однозвенное,
резонансно-апериодическое
|
КЛ, ВОЛС
|
РЦ-25
|
кодовая
|
С1-143,9мкФ
L1-118,1мГн C2-489,2мкФ
|
1
С-1
|
6,3
|
|
2.
m=12-пульс
|
|
|
|
|
|
|
|
|
ЭЧЭ-254
Восточная
|
1.
m=12-пульс
|
однозвенное,
апериодическое
|
КЛ, ВОЛС
|
РЦ-25
|
кодовая
|
C-508,5мкФ
|
2РБФА-3000
|
6,6
|
|
2.
m=12-пульс
|
|
|
|
|
|
|
|
|
ЭЧЭ-255
Буготак
|
1.
m=12-пульс
|
однозвенное,
апериодическое
|
КЛ, ВОЛС
|
РЦ-25
|
кодовая
|
C-406мкФ
|
2РБФАУ-1-3000
|
6,3
|
|
2.
m=12-пульс
|
|
|
|
|
|
|
|

а б

в г
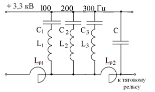
Рисунок 1.5 - Схемы сглаживающих устройств: а -
апериодическое СУ; б - резонансно-апериодическое СУ (300, 600, 900 и 1200 Гц);
в-двухзвенное СУ (ДРАСУ), г - резонансно-апериодическое СУ (100 Гц)
В практических расчетах более удобно определять
коэффициент сглаживания однозвенного апериодического СУ для n-й гармоники через
параметры его последовательной и параллельной части по формуле [1]:
где
-
угловая частота гармоники n-го порядка;
- емкость параллельной части СУ, Ф;
- индуктивность реактора, Гн;
- активное сопротивление
параллельной части СУ на частоте n-й
гармоники (можно принять
, равным 0,1
Ом);
- активное сопротивление реактора на
частоте n-й гармоники.
Частоту резонанса напряжения для данного СУ
рассчитывают по уравнению:
а коэффициент сглаживания при резонансе
напряжений
Частотные характеристики СУ представлены на
рисунках 1.6 - 1.22.
Таблица 1.2 - Параметры однозвенных
апериодических сглаживающих устройств
|
Название тяговой подстанции
|
Параметры последовательной части
|
Параметры параллельной части
|
|
Буготак
|
Lp=6,3
|
C=406мкФ
|
|
Восточная
|
Lp=6,6
|
C=508,5мкФ
|
|
Гусинобродская
|
Lp=5
|
С=587,8мкФ
|
|
Инская
|
Lp=6,5
|
С=197,1мкФ
|
|
Искитим
|
Lp=4,5
|
С=197,1мкФ
|
|
Сельская
|
Lp=6,5
|
C=118,4мкФ
|
|
Сеятель
|
Lp=6,5
|
C=637,4мкФ
|
|
Чемская
|
Lp=5
|
С=368,7мкФ
|
Таблица 1.3 - Параметры однозвенных
резонансно-апериодических сглаживающих устройств
|
Название тяговой подстанции
|
Параметры последовательной части
|
Параметры параллельной части
|
|
Совхозная
|
Lp=6,3
|
С1-143,9мкФ L1-118,1мГн C2-489,2мкФ
|
|
Тогучин
|
Lp=6,5
|
1 р.к.:C1-68мкФ L1-3,15мГн 2 р.к.:C2-35мкФ L2-1,76мГн 3
р.к.:C3-27,5мкФ L3-1,26мГн 4 р.к.:C4-18,3мкФ L4-1,17мГн C5-54,6мкФ
|
|
Изылинка
|
Lp=6,5
|
1 р.к.:C1-87мкФ L1-3,15мГн 2 р.к.:C2-36мкФ L2-1,76мГн 3
р.к.:C3-24мкФ L3-1,25мГн 4 р.к.:C4-14мкФ L4-1,17мГн C5-97мкФ
|
|
Зверобойка
|
Lp=6,5
|
1 р.к.:C1-96мкФ L1-3,2мГн 2 р.к.:C2-40мкФ L2-2,0мГн 3
р.к.:C3-32мкФ L3-1,8мГн 4 р.к.:C4-16мкФ L4-1,2мГн C5-80мкФ
|
|
Падунская
|
Lp=6,5
|
1 р.к.: C1-95мкФ L1-3,15мГн 2 р.к.: C2-52мкФ L2-1,76мГн 3 р.к.:
C3-28мкФ L3-1,25мГн 4 р.к.: C4-16мкФ L4-1,17мГн C5-85мкФ
|
|
Торсьма
|
Lp=6,5
|
1 р.к.:f1=100Гц, C1=90мкФ, L1=3,15мГн 2 р.к.:f2=200Гц, C2=35мкФ.
L2=2,01мГн 3 р.к.:f3=300Гц, C3=25мкФ, L3=1,25мГн 4 р.к.:f4=400Гц, C4=15мкФ,
L4=1,17мГн C5=70мкФ
|
Таблица 1.4 - Параметры двухзвенных
резонансно-апериодических сглаживающих устройств
|
Название тяговой подстанции
|
Параметры последовательной части
|
Параметры параллельной части
|
|
Мурлыткино
|
Lp=6,5
|
1 р.к.:C1-88,2мкФ L1-3,15мГн 2 р. к.:C2-37,7мкФ L2-1,76мГн 3
р.к.:C3-31,1мкФ L3-1,25мГн 4 р.к: C4-10,6мкФ L4-1,17мГн C5-61,3мкФ
|
|
Черепаново
|
Lp=6,5
|
1 р.к.:C1-160,8мкФ L1-18,1мГн 2 р.к.:C2-72,6мкФ L2-6,3мГн 3
р.к.:C3-71,7мкФ L3-3,15мГн C4-262,5мкФ
|
Рисунок 1.6 - Частотная характеристика
однозвенного апериодического сглаживающего устройства ТПС Буготак
Рисунок 1.7 - Частотная характеристика
однозвенного апериодического сглаживающего устройства ТПС Восточная
Рисунок 1.8 - Частотная характеристика
однозвенного апериодического сглаживающего устройства ТПС Гусинобродская
Рисунок 1.9 - Частотная характеристика
однозвенного апериодического сглаживающего устройства ТПС Инская
Рисунок 1.10 - Частотная характеристика однозвенного
апериодического сглаживающего устройства ТПС Искитим
Рисунок 1.11 - Частотная характеристика
однозвенного апериодического сглаживающего устройства ТПС Сельская
Рисунок 1.12 - Частотная характеристика
однозвенного апериодического сглаживающего устройства ТПС Сеятель
Рисунок 1.13 - Частотная характеристика
однозвенного апериодического сглаживающего устройства ТПС Чемская
Рисунок 1.14 - Частотная характеристика
однозвенного резонансно - апериодического сглаживающего устройства ТПС
Зверобойка
Рисунок 1.15 - Частотная характеристика
однозвенного резонансно - апериодического сглаживающего устройства ТПС Изылинка
Рисунок 1.16 - Частотная характеристика
однозвенного резонансно - апериодического сглаживающего устройства ТПС
Падунская
Рисунок 1.17 - Частотная характеристика
однозвенного резонансно - апериодического сглаживающего устройства ТПС
Совхозная
Рисунок 1.18 - Частотная характеристика
однозвенного резонансно - апериодического сглаживающего устройства ТПС Тогучин
Рисунок 1.19 - Частотная характеристика
однозвенного резонансно - апериодического сглаживающего устройства ТПС Торсьма
Рисунок 1.20 - Частотная характеристика
двухзвенного резонансно - апериодического сглаживающего устройства ТПС Дорогино
Рисунок 1.21 - Частотная характеристика двухзвенного
резонансно - апериодического сглаживающего устройства ТПС Мурлыткино
Рисунок 1.22 - Частотная характеристика
двухзвенного резонансно - апериодического сглаживающего устройства ТПС
Черепаново
На Инской дистанции электроснабжения в настоящее
время используются девять однозвенных апериодических СУ, пять однозвенных
резонансно-апериодических СУ и четыре двухзвенных резонансно-апериодических СУ.
1.4 Выбор схем и параметров СУ для
их модернизации на Инской дистанции электроснабжения
В 2011 году на кафедре «Электроснабжение
железнодорожного транспорта» Омского государственного университета путей
сообщения разработана первая редакция инструкции о выборе схем и параметров
сглаживающих устройств постоянного тока (таблицы 1.6 - 1.9), которая была
утверждена главным инженером Управления электрификации и электроснабжения
Центральной дирекции инфраструктуры филиала ОАО «РЖД» в октябре 2012 года. В
инструкции приведены рекомендованные схемы и параметры СУ для шести- и двенадцатипульсовых
выпрямителей.
Таблица 1.5 - Рекомендованные схемы и параметры
СУ для эквивалентного двенадцатифазного (m=12) выпрямителя 5 мГн
|
Характеристика участка
|
К2U, %
|
Схема СУ
|
С СУ.i, мкФ
|
|
Кабельные линии связи и автоблокировка с тональными рельсовыми
цепями f = 420, 480, 580 Гц
|
от 0 до 2
|
апериодическое СУ с запирающим контуром 600 Гц
|
160
|
|
|
|
|
|
Кабельные линии связи и кодовая автоблокировка f = 50 Гц
|
от 0 до 2
|
апериодическое СУ
|
160
|
|
Кабельные линии связи, кодовая автоблокировка f = 25 Гц
|
свыше 2 до 10
|
резонансно - апериодическое СУ
|
384
|
|
Воздушные
линии связи, кодовая автоблокировка f = 25 Гц
|
от 2 до 10
|
резонансно - апериодическое СУ
|
640
|
Таблица 1.6 - Рекомендованные схемы и параметры
СУ для эквивалентного шестифазного (m=6) выпрямителя 4,5 мГн
|
Характеристика
участка
|
К2U,
%
|
Схема
СУ
|
С
СУ.i, мкФ
|
|
Кабельные
линии связи и кодовая автоблокировка f = 25 Гц
|
от 2 до 10
|
резонансно
- апериодическое СУ
|
432
|
|
Кабельные
линии связи и кодовая автоблокировка f = 50 Гц
|
от
0 до 10
|
резонансно
- апериодическое СУ
|
416
|
Цель дипломной работы − оценить
эффективность предложенных в инструкции мероприятий применительно к Инской
дистанции электроснабжения Западно-Сибирской железной дороги.
Для условий Инской дистанции электроснабжения
Западно-Сибирской железной дороги в соответствии с инструкцией могут
применяться следующие схемы (таблицы 1.8-1.11), а также их сравнительные
характеристики (таблицы 1.12 - 1.13).
Для тяговых подстанций с
выпрямительно-инверторными преобразователями (ВИП) в правилах [14]
рекомендуются двухзвенные СУ Западно-Сибирской железной дороги с параметрами,
приведенными в таблице 1.7.
Для подтверждения эффективности выбранного СУ
для ТПС с ВИП были рассчитаны максимальные значения гармоник противо-ЭДС
инвертора при помощи разработанной в ОмГУПСе программы «Шестипульсовый
инвертор».
Таблица 1.7 - Параметры сглаживающих устройств
для ТПС с ВИП
|
Название тяговой подстанции
|
Параметры последовательной части
|
Параметры параллельной части
|
|
Дорогино
|
Lp1= Lp2 = 6,5 мГн
|
1 р.к: С1-141,9мкФ L1-18,1мГн 2 р.к.:C2-106,6мкФ L2-6,3мГн 3
р.к.:C3-89,3мкФ L3-3,15мГн C-144,5мкФ
|
|
Евсино
|
Lp1= Lp2 = 6,5 мГн
|
1 р.к.:C1-115,7мкФ L1-18,1мГн 2 р.к.:C2-119,8мкФ L2-6,3мГн 3
р.к.:C3-83,1мкФ L3-3,15мГн C-293,1мкФ
|
Рисунок 1.23 - Исходные данные для расчета
гармоник противо-ЭДС в окне программы «Шестипульсовый инвертор»
Рисунок 1.24 - Действующие значения гармоник,
обуславливающих несинусоидальность питающих напряжений
Рисунок 1.25 - Кривые напряжений вентильной
обмотки и противо-ЭДС мостового 6-пульсового ВИП
Рисунок 1.26 - Действующие значения гармоник
противо-ЭДС мостового 6-пульсового ВИП
Для расчета гармоник противо-ЭДС в программе
«Шестипульсовый инвертор» было принято, что:
- коэффициент несимметрии напряжений αu
= 2%,
- угол сдвига между составляющими прямой и
обратной последовательностей питающих напряжений для одной из фаз ψ
= 0.
Результаты представлены на рисунках 1.23-1.26 и
в таблице 1.8.
Таблица 1.8 - Значения гармоник противо-ЭДС и
псофометрического напряжения мостового 6-пульсового ВИП (для режима инвертора)
на входе и на выходе СУ
|
Название ТПС
|
f(n)
|
 
|
|
|
|
Дорогино
|
100
|
167,60
|
14,03
|
11,94
|
|
200
|
134,14
|
8,46
|
15,86
|
|
300
|
437,25
|
286,05
|
1,53
|
|
400
|
98,01
|
36,73
|
2,67
|
|
500
|
123,30
|
48,03
|
2,57
|
|
600
|
155,49
|
65,02
|
2,39
|
|
700
|
53,82
|
85,88
|
0,63
|
|
800
|
87,47
|
110,24
|
0,79
|
|
900
|
50,32
|
137,96
|
0,36
|
|
1000
|
18,63
|
168,97
|
0,11
|
|
1100
|
42,29
|
203,25
|
0,21
|
|
1200
|
21,54
|
240,76
|
0,09
|
|
Евсино
|
100
|
9,30
|
18,02
|
|
200
|
134,14
|
12,96
|
10,35
|
|
300
|
437,25
|
137,15
|
3,19
|
|
400
|
98,01
|
87,07
|
1,13
|
|
500
|
123,30
|
105,22
|
1,17
|
|
600
|
155,49
|
138,18
|
1,13
|
|
700
|
53,82
|
179,47
|
0,30
|
|
800
|
87,47
|
227,84
|
0,38
|
|
900
|
50,32
|
282,83
|
0,18
|
|
1000
|
18,63
|
344,17
|
0,05
|
|
1100
|
42,29
|
411,68
|
0,10
|
|
1200
|
21,54
|
485,19
|
0,04
|
Как видно из таблицы 1.8, псофометрическое
напряжение U2пс
на выходе двухзвенного СУ ТПС с 6-пульсовым ВИП не превышает значения 20 В,
требуемого по условию защиты кабельных линий от мешающего влияния [16].
Важным показателем для СУ является также ток In
каждой n-й гармоники в
параллельной части (для двухзвенных СУ - ток параллельной части первого I1(n)
и второго I2(n)
звеньев). Его значение не должно превышать (для каждой n-й
гармоники)
где Спар - суммарная
емкость параллельной части СУ, мкФ
Значения токов в параллельной части
звеньев СУ, рассчитанные на основе данных таблиц 1.7 и 1.8 по формулам
1.7-1.1.9 представлены в таблице 1.9.
где I(n) - ток n-й гармоники
в СУ, А,
I1(n) - ток n-й гармоники
в параллельной части первого звена СУ, А,
I2(n) - ток n-й гармоники
в параллельной части второго звена СУ, А,
U(n) -
напряжение n-й гармоники
на входе СУ, В,
Zp1(n), Zp2(n) - полное
сопротивление параллельной части первого и второго звена СУ соответственно, Ом,
ZLp1(n), ZLp2(n) - полное
сопротивление реактора первого и второго звена СУ соответственно, Ом,
ω(n) - угловая
частота n-й
гаромники, рад/с, ω(n) = 2πf(n), где f(n) - частота
гармоники, Гц,
L1, L2, L3 -
индуктивности катушек соответствующих резонансных контуров, Гн,
Lp1, Lp2 -
индуктивности соответственно реакторов первого и второго звена, Гн,
C1, C2, C3 - емкости
соответствующих резонансных контуров, Ф,
C - емкость
апериодического контура второго звена СУ, Ф,
R - активное
сопротивление резонансного контура, Ом (принимается 0,1 Ом),
RC - активное
сопротивление апериодического контура второго звена СУ, Ом,
Rp - активное
сопротивление реактора, Ом
Iдоп -
допустимое значение тока в параллельной части звена СУ, А.
Таблица 1.10 - Токи n-й гармоники
в параллельной части СУ
|
ТПС
|
n
|
f(n), Гц
|
,
А ,
А ,
А
|
|
|
|
Дорогино
|
2
|
100
|
15,68
|
0,43
|
279,73
|
|
6
|
300
|
86,68
|
1,01
|
279,73
|
|
12
|
600
|
9,58
|
2,42
|
279,73
|
|
18
|
900
|
1,96
|
0,54
|
279,73
|
|
24
|
1200
|
0,62
|
0,17
|
279,73
|
|
Евсино
|
2
|
100
|
23,78
|
30,22
|
354,79
|
|
6
|
300
|
82,84
|
3,92
|
354,79
|
|
12
|
600
|
9,47
|
2,27
|
354,79
|
|
18
|
900
|
1,95
|
0,52
|
354,79
|
|
24
|
1200
|
0,62
|
0,17
|
354,79
|
Как видно из результатов расчета (рисунок 1.26),
действующие значения гармоник противо-ЭДС 6-пульсового ВИП, а также
псофометрическое напряжение на входе инвертора являются достаточно большими,
что говорит о значительном влиянии таких агрегатов на смежные устройства и
побуждает предположить о невозможности модернизации двухзвенных СУ (с целью
упрощения) на тяговых подстанциях с 6-пульсовыми ВИП, которые имеются в Инской
дистанции электроснабжения.
Таблица 1.11 - Рекомендуемые параметры для СУ
Инской дистанции электроснабжения
|
ТПС
|
Схема сглаживающего устройства
|
Номинальная индуктивность, Lp, мГн
|
Параметры параллельной части СУ, C, мкФ
|
|
|
|
|
|
Инская
|
апериодическое СУ с запирающим контуром 600 Гц
|
5
|
160
|
|
|
|
|
|
Чемская
|
апериодическое СУ
|
5
|
160
|
|
Гусинобродская
|
апериодическое СУ
|
5
|
176
|
|
Совхозная
|
апериодическое СУ
|
5
|
176
|
|
Восточная
|
апериодическое СУ
|
5
|
176
|
|
Буготак
|
апериодическое СУ
|
5
|
176
|
|
Мурлыткино
|
резонансно-апериодическое СУ
|
5
|
384
|
|
Тогучин
|
апериодическое СУ
|
5
|
176
|
|
Изылинка
|
апериодическое СУ с запирающим контуром 600 Гц
|
5
|
256
|
|
|
|
|
|
Зверобойка
|
апериодическое СУ
|
5
|
240
|
|
Торсьма
|
апериодическое СУ с запирающим контуром 600 Гц
|
5
|
256
|
|
Сеятель
|
апериодическое СУ
|
5
|
176
|
|
Сельская
|
апериодическое СУ
|
5
|
176
|
|
Искитим
|
апериодическое СУ с запирающим контуром 600 Гц
|
4,5
|
96
|
|
Черепаново
|
резонансно-апериодическое СУ
|
5
|
384
|
|
Падунская
|
апериодическое СУ с запирающим контуром 600 Гц
|
5
|
256
|
Частотные характеристики СУ после модернизации
представлены на рисунках 1.27-1.42.
Рисунок 1.27 - Частотная характеристика
однозвенного апериодического сглаживающего устройства ТПС Буготак после
модернизации
Рисунок 1.28 - Частотная характеристика
однозвенного апериодического сглаживающего устройства ТПС Восточная после
модернизации
Рисунок 1.29 - Частотная характеристика
однозвенного апериодического сглаживающего устройства ТПС Гусинобродская после
модернизации
Рисунок 1.30 - Частотная характеристика
однозвенного апериодического сглаживающего устройства ТПС Сельская после
модернизации
Рисунок 1.31 - Частотная характеристика
однозвенного апериодического сглаживающего устройства ТПС Сеятель после
модернизации
Рисунок 1.32 - Частотная характеристика
однозвенного апериодического сглаживающего устройства ТПС Зверобойка после
модернизации
Рисунок 1.33 - Частотная характеристика
однозвенного апериодического сглаживающего устройства ТПС Тогучин после
модернизации
Рисунок 1.34 - Частотная характеристика
однозвенного апериодического сглаживающего устройства ТПС Искитим после
модернизации
Рисунок 1.35 - Частотная характеристика
однозвенного апериодического сглаживающего устройства ТПС Чемская после
модернизации
Рисунок 1.36 - Частотная характеристика
однозвенного апериодического сглаживающего устройства с запирающим контуром 600
Гц ТПС Изылинка после модернизации
Рисунок 1.37 - Частотная характеристика
однозвенного апериодического сглаживающего устройства с запирающим контуром 600
Гц ТПС Падунская после модернизации
Рисунок 1.38 - Частотная характеристика
однозвенного резонансно - апериодического сглаживающего устройства ТПС
Совхозная после модернизации
Рисунок 1.39 - Частотная характеристика
однозвенного резонансно - апериодического сглаживающего устройства ТПС Торсьма
после модернизации
Рисунок 1.40 - Частотная характеристика
однозвенного резонансно - апериодического сглаживающего устройства ТПС Инская
после модернизации
Рисунок 1.41 - Частотная характеристика
двухзвенного резонансно - апериодического сглаживающего устройства ТПС
Мурлыткино после модернизации
Рисунок 1.42 - Частотная характеристика
двухзвенного резонансно - апериодического сглаживающего устройства ТПС
Черепаново после модернизации
Предлагаемые мероприятия по модернизации СУ
позволили на некоторых ТПС высвободить избыточные блоки реакторов. Сокращение
количества блоков реактора приводит к уменьшению активного сопротивления в
последовательной части СУ и снижению потерь электрической энергии на тягу
поездов.
В результате модернизации на участке Инская -
Черепаново Западно - Сибирской железной дороги было сэкономлено: 16 блоков
реакторов, 5 резонансных контуров на 100 Гц, а также по 7 резонансных контуров
на 600, 900, 1200 Гц (таблицы 1.12 - 1.13).
Таблица 1.12. Сравнительные характеристики схем
и параметров СУ для их модернизации
|
ТПС
|
Параметры СУ
|
|
До модернизации
|
После модернизации
|
|
Схема СУ
|
Номинальная индуктивность, мГн
|
Параметры параллельной части СУ
|
Схема СУ
|
Номинальная индуктивность, мГн
|
Параметры параллельной части СУ
|
|
Инская
|
однозвенное,
апериодическое
|
7
|
С-197,1мкФ
|
апериодическое СУ
|
5
|
160
|
|
Чемская
|
однозвенное,
апериодическое
|
5
|
С-368,7мкФ
|
апериодическое СУ
|
5
|
160
|
|
Гусинобродская
|
однозвенное,
апериодическое
|
5
|
С-587,8мкФ
|
апериодическое СУ
|
5
|
176
|
|
Совхозная
|
однозвенное,
резонансно-апериодическое
|
7
|
С1-143,9мкФ L1-118,1мГн C2-489,2мкФ
|
резонансно-апериодическое СУ
|
5
|
384
|
|
|
|
|
|
|
|
|
Восточная
|
однозвенное,
апериодическое
|
7
|
C-508,5мкФ
|
апериодическое СУ
|
5
|
176
|
|
Буготак
|
однозвенное,
апериодическое
|
7
|
C-406мкФ
|
апериодическое СУ
|
5
|
176
|
|
Мурлыткино
|
двухзвенное
резонансно-апериодическое
|
7
|
1 р.к.: C1-88,2мкФ L1-3,15мГн 2 р. к.: C2-37,7мкФ L2-1,76мГн 3
р.к.:C3-31,1мкФ L3-1,25мГн 4 р.к.: C4-10,6мкФ L4-1,17мГн C5-61,3мкФ
|
резонансно-апериодическое СУ
|
5
|
384
|
|
|
|
|
|
|
|
|
Тогучин
|
однозвенное
резонансно-апериодическое
|
7
|
1 р.к.:C1-68мкФ L1-3,15мГн 2 р.к.:C2-35мкФ L2-1,76мГн 3
р.к.:C3-27,5мкФ L3-1,26мГн 4 р.к.:C4-18,3мкФ L4-1,17мГн C5-54,6мкФ
|
резонансно-апериодическое СУ
|
5
|
384
|
|
|
|
|
|
|
|
|
Изылинка
|
однозвенное
резонансно-апериодическое
|
7
|
1 р.к.:C1-87мкФ L1-3,15мГн 2 р.к.:C2-36мкФ L2-1,76мГн 3
р.к.:C3-24мкФ L3-1,25мГн 4 р.к.:C4-14мкФ L4-1,17мГн C5-97мкФ
|
резонансно-апериодическое СУ
|
5
|
640
|
|
|
|
|
|
|
|
|
Зверобойка
|
однозвенное
резонансно-апериодическое
|
7
|
1 р.к.:C1-96мкФ L1-3,2мГн 2 р.к.:C2-40мкФ L2-2,0мГн 3
р.к.:C3-32мкФ L3-1,8мГн 4 р.к.:C4-16мкФ L4-1,2мГн C5-80мкФ
|
резонансно-апериодическое СУ
|
5
|
416
|
|
|
|
|
|
|
|
|
Падунская
|
однозвенное
резонансно-апериодическое
|
7
|
1 р.к.: C1-95мкФ L1-3,15мГн 2 р.к.: C2-52мкФ L2-1,76мГн 3 р.к.:
C3-28мкФ L3-1,25мГн 4 р.к.: C4-16мкФ L4-1,17мГн C5-85мкФ
|
резонансно-апериодическое СУ
|
5
|
640
|
|
|
|
|
|
|
|
|
Торсьма
|
однозвенное,
резонансно-апериодическое
|
7
|
1 р.к.: C1=90мкФ, L1=3,15мГн 2 р.к.: C2=35мкФ. L2=2,01мГн 3
р.к.: C3=25мкФ, L3=1,25мГн 4 р.к.: C4=15мкФ, L4=1,17мГн C5=70мкФ
|
резонансно-апериодическое СУ
|
5
|
640
|
|
|
|
|
|
|
|
|
Сеятель
|
однозвенное,
апериодическое
|
7
|
C-637,4мкФ
|
апериодическое СУ
|
5
|
176
|
|
|
|
|
|
|
|
|
Сельская
|
однозвенное,
апериодическое
|
7
|
C-118,4мкФ
|
апериодическое СУ
|
5
|
176
|
|
|
|
|
|
|
|
|
Искитим
|
однозвенное,
апериодическое
|
7
|
C-454мкФ
|
апериодическое СУ
|
96
|
|
Евсино
|
двухзвенное
резонансно-апериодическое
|
7
|
1 р.к.:C1-115,7мкФ L1-18,1мГн 2 р.к.:C2-119,8мкФ L2-6,3мГн 3
р.к.:C3-83,1мкФ L3-3,15мГн C4-293,1мкФ
|
резонансно-апериодическое СУ
|
-
|
-
|
|
|
|
|
|
|
|
|
|
|
|
|
|
|
|
Дорогино
|
двухзвенное
резонансно-апериодическое
|
7
|
1 р.к.:С1-141,9мкФ L1-18,1мГн 2 р.к.:C2-106,6мкФ L2-6,3мГн 3
р.к.:C3-89,3мкФ L3-3,15мГн C4-144,5мкФ
|
резонансно-апериодическое СУ
|
-
|
-
|
|
|
|
|
|
|
|
|
|
|
|
|
|
|
|
Черепаново
|
двухзвенное
резонансно-апериодическое
|
7
|
1 р.к.:C1-160,8мкФ L1-18,1мГн 2 р.к.:C2-72,6мкФ L2-6,3мГн 3
р.к.:C3-71,7мкФ L3-3,15мГн C4-262,5мкФ
|
резонансно-апериодическое СУ
|
5
|
384
|
|
|
|
|
|
|
|
Анализ таблиц (1.12-1.13) позволяет сделать
вывод о результатах модернизации СУ на участке Инская - Черепаново.
Таблица 1.13. Результаты модернизации СУ на
Инской дистанции электроснабжения
|
Название ТПС
|
Результат
|
|
Блоки индуктивности
|
Ёмкость, мкФ
|
Катушки индуктивности резонансных контуров
|
|
Инская
|
1 блок
|
137,1
|
-
|
|
Чемская
|
1 блок
|
208,7
|
-
|
|
Гусинобродская
|
1 блок
|
411,8
|
-
|
|
Совхозная
|
1 блок
|
249,1
|
1 катушка: 100 Гц
|
|
Восточная
|
1 блок
|
332,5
|
-
|
|
Буготак
|
1 блок
|
230
|
-
|
|
Мурлыткино
|
1 блок
|
-155,1
|
4 катушки: 300, 600, 900, 1200 Гц
|
|
Тогучин
|
1 блок
|
180,6
|
4 катушки: 300, 600, 900, 1200 Гц
|
|
Изылинка
|
1 блок
|
-382
|
4 катушки: 300, 600, 900, 1200 Гц
|
|
Зверобойка
|
1 блок
|
-152
|
4 катушки: 300, 600, 900, 1200 Гц
|
|
Падунская
|
1 блок
|
-364
|
4 катушки: 300, 600, 900, 1200 Гц
|
|
Торсьма
|
1 блок
|
-405
|
4 катушки: 300, 600, 900, 1200 Гц
|
|
Сеятель
|
1 блок
|
461,4
|
-
|
|
Сельская
|
1 блок
|
-57,6
|
-
|
|
Искитим
|
-
|
358
|
-
|
|
Евсино
|
-
|
-
|
-
|
|
Дорогино
|
-
|
-
|
-
|
|
Черепаново
|
1 блок
|
183,6
|
3 катушки: 300, 600, 900 Гц
|
|
Итого
|
15 блоков
|
1237,1 мкФ
|
1 резонансный контур 100 Гц, 6 резонансных контуров 300, 600,
900, 1200 Гц, 3 резонансных контура 300, 600, 900 Гц
|
Потери электрической энергии в сглаживающем
устройстве рассчитываются по формуле, кВт∙ч:
где
- средний ток нагрузки ТПС, А;
- коэффициент эффективности графика
загрузки ТПС (
);
- омическое активное сопротивление
реактора, Ом;
- расчетный период, ч (Т = 8760 ч).
Средний ток нагрузки ТПС рассчитывается по
формуле:
где
- расход на тягу поездов, тыс. кВт∙ч;
- выпрямленное напряжение (
).
Таблица 1.14 - Результаты после модернизации СУ
на Инской дистанции электроснабжения
|
ТПС
|
Расход на тягу поездов, тыс. кВт∙ч
|
Средний ток нагрузки ТПС, А
|
Омическое сопротивление реактора до модернизации, Ом
|
Омическое сопротивление реактора после модернизации, Ом
|
Коэффициент эффективности графика нагрузки ТПС
|
Потери электрической энергии в СУ до модернизации, кВт∙ч
|
Потери электрической энергии в СУ после модернизации, кВт∙ч
|
Экономия электрической энергии в СУ после модернизации, кВт∙ч
|
|
Инская
|
37,68
|
1265,11
|
0,008
|
0,006
|
1,05
|
124
|
93
|
31
|
|
Чемская
|
21,71
|
728,91
|
0,008
|
0,006
|
1,05
|
41
|
31
|
10
|
|
Гусинобродская
|
27,41
|
920,29
|
0,008
|
0,006
|
1,05
|
65
|
49
|
16
|
|
Совхозная
|
16,68
|
560,03
|
0,008
|
0,006
|
1,05
|
24
|
18
|
6
|
|
Восточная
|
16,38
|
549,96
|
0,008
|
0,006
|
1,05
|
23
|
18
|
6
|
|
Буготак
|
16,22
|
544,59
|
0,008
|
0,006
|
1,05
|
23
|
17
|
6
|
|
Мурлыткино
|
14,57
|
489,19
|
0,008
|
0,006
|
1,05
|
18
|
14
|
5
|
|
Тогучин
|
12,11
|
406,59
|
0,008
|
0,006
|
1,05
|
13
|
10
|
3
|
|
Изылинка
|
20,33
|
682,58
|
0,008
|
0,006
|
1,05
|
36
|
27
|
9
|
|
Зверобойка
|
6,00
|
201,45
|
0,008
|
0,006
|
1,05
|
3
|
2
|
1
|
|
Падунская
|
13,89
|
466,36
|
0,008
|
0,006
|
1,05
|
17
|
13
|
4
|
|
Торсьма
|
17,37
|
583,20
|
0,008
|
0,006
|
1,05
|
26
|
20
|
7
|
|
Сеятель
|
5,40
|
181,31
|
0,008
|
0,006
|
1,05
|
3
|
2
|
1
|
|
Сельская
|
5,35
|
179,63
|
0,008
|
0,006
|
1,05
|
2
|
2
|
1
|
|
Искитим
|
11,28
|
378,73
|
0,008
|
0,006
|
1,05
|
11
|
8
|
3
|
|
Евсино
|
9,42
|
316,28
|
0,008
|
0,008
|
1,05
|
8
|
6
|
0
|
|
Дорогино
|
10,60
|
355,90
|
0,008
|
0,008
|
1,05
|
10
|
7
|
0
|
|
Черепаново
|
11,96
|
401,56
|
0,008
|
0,006
|
1,05
|
12
|
9
|
3
|
|
Итого:
|
460
|
345
|
115 (25%)
|
2. Технико-экономическая
эффективность предложенных мероприятий по модернизации сглаживающих устройств
Инской дистанции электроснабжения Западно-Сибирской железной дорог
Экономический эффект - это полезный
результат, получаемый от осуществления производственной деятельности или
внедрения какого-либо мероприятия, вызывающего улучшение тех или иных
показателей работы.
Затраты - размер ресурсов,
использованных в процессе хозяйственной деятельности за определённый временной
промежуток.
Экономическая эффективность - это показатель,
определяемый соотношением экономического эффекта и затрат, породивших этот
эффект. Таким образом, эффективность определяет степень выгодности.
При расчете экономического эффекта принята
отраслевая методика по определению экономической эффективности мероприятий
научно-технического прогресса на железнодорожном транспорте.
К основным показателям экономической
эффективности мероприятий научно-технического прогресса относятся:
- чистый дисконтированный доход (ЧДД);
- индекс доходности (ИД);
- срок окупаемости (
).
Чистый дисконтированный доход определяется как
дисконтированная разность между доходами (результатом) и расходами (затратами)
за весь рас-четный период. При расчете в базовых единицах и постоянной норме
дисконта ЧДД определяется по выражению:
где
- результаты, достигнутые на t-ом
шаге расчета;
- затраты, осуществляемые на том же
шаге;
- расчетный период;
- номер шага расчета;
- норма дисконта, (Е=0,1);
- эффект, достигнутый на t-ом шаге
расчета;
- коэффициент дисконтирования.
Если в результате расчета ЧДД получается
положительным, инвестиционный проект считается эффективным.
В качестве начального года расчетного периода
для определения экономического эффекта принимается 2014 г. За расчетный
принимается период равный пяти годам.
Для более полной характеристики проекта
необходимо рассчитать индекс доходности, или рентабельность инвестиций. Расчет
ведётся по формуле:
где
- единовременные капитальные
вложения, тыс. р.
Экономический эффект достигается за
счет:
- снижения расходов на обслуживание СУ
(отсутствие необходимости периодической настройки резонансных контуров);
- реализации катушек индуктивности резонансных
контуров;
- реализации избыточных конденсаторов.
Затраты на реализацию апериодического
сглаживающего фильтра определяются стоимостью произведенных работ.
Для реконструкции СУ требуется бригада в составе
двух человек - электромеханик (8 разряд) и электромонтер (разряд не ниже 4-го).
По техно-логическим картам на выполнение данной работы выделяется 2 часа. В
таблице 2.1 представлен расчет заработной платы.
Стоимость произведенных работ
определяется
по формуле:
где
- ОЗП электромеханика 8-го разряда,
р./ч;
- ОЗП электромонтер 4-го разряда,
р./ч;
- выплаты в социальные фонды
.
Реконструкция СУ предусмотрена на 16
тяговых подстанциях (
),
определяется по формуле:
где
- количество тяговых подстанций,
требующих модернизации.
Затраты на реконструкцию
существующего СУ, определяются по формуле:
Таблица 2.1 - Расчёт фонда
заработной платы
|
Категория работников (разряд)
|
Отработанное время, ч.
|
Тарифная ставка, р/ч.
|
Доплаты и надбавки, р/ч.
|
Всего за отработанное время, р.
|
|
|
|
за условия труда
|
премия
|
районная надбавка
|
|
|
Электромеханик (8-й)
|
2
|
76,45
|
6,12
|
7,65
|
11,47
|
203,38
|
2
|
53,71
|
6,3
|
5,37
|
8,06
|
142,88
|
Затраты на ежегодное обслуживание
апериодического СУ (
):
Прибыль за счет снижения расходов на
обслуживание реконструиро-ванного СУ:
Резонансно-апериодическое СУ требует
настройки резонансного контура 1 раз в 3 года, таким образом, ежегодная
стоимость производственных работ
, определяется по формуле:
где
- количество настроек в год, (
);
- количество резонансных контуров
до реконструкции в апериодическом СУ, (
);
Для настройки резонансных контуров используется
генератор.
Амортизационные отчисления на ремонт
генераторов в год
,
определяются по формуле:
где
- количество генераторов;
- стоимость генератора, р.;
- время эксплуатации генератора при
настройке резонансного контура, ч;
- эксплуатационный срок службы
генератора частоты, год;
- количество использования приборов
в год (
).
Стоимость электроэнергии,
потребляемой генератором из электрической сети (
), определяется по выражению:
где
- мощность генератора низких частот,
кВт;
- коэффициент использования
мощности
;
- стоимость электроэнергии, р./кВт
ч.
Затраты на ежегодное обслуживание
резонансно-апериодического СУ (
), определяются по формуле:
Реализация катушек индуктивности
резонансных контуров:
где
- масса катушек индуктивности;
- количество контуров частотой 100,
300, 600, 900, 1200 Гц;
- цена за 1 кг меди (
).
Реализация избыточных конденсаторов:
где
- среднее значение оптовой цены за 1
мкФ конденсаторов
- суммарная ёмкость избыточных
конденсаторов
Общий экономический эффект от внедрения
модернизированных апериодических СУ:
При определении суммарного
экономического эффекта за расчетный период (ЧДД) разновременные затраты и
результаты должны быть приведены к одному моменту времени, для чего используют
коэффициент дисконтирования
.
Результаты расчета ЧДД и ИД по годам
соответственно представлены в таблице 2.2 и таблице 2.3.
При определении суммарного
экономического эффекта за расчетный период (ЧДД) разновременные затраты и
результаты должны быть приведены к одному моменту времени. Для чего используют
коэффициент дисконтирования
. Таким образом, за расчетный период
Т = 5 лет суммарный экономический эффект от внедрения апериодического
сглаживающего устройства составит 494100 р.
Таблица 2.2 - Результаты расчета по годам ЧДД
|
Период
|
Результат, р.
|
Затраты, р.
|
Коэффициент дисконтирования
|
ЧДД, р.
|
|
2014
|
0
|
84096,15
|
1
|
-84096,15
|
|
2015
|
400523,41
|
0
|
1,1
|
322787
|
|
2016
|
76893,91
|
0
|
1,21
|
62556,3
|
|
2017
|
76893,91
|
0
|
1,33
|
56912,1
|
|
2018
|
76893,91
|
0
|
1,46
|
51844,6
|
|
Итого: ∑ЧДД =494100
|
Таблица 2.3 - Результаты расчета по годам ИД
|
Период
|
Результат, р.
|
Затраты, р.
|
Коэффициент дисконтирования
|
ИД, %
|
|
2014
|
0
|
84096,15
|
1
|
-100
|
|
2015
|
400523,41
|
0
|
1,1
|
2987,9
|
|
2016
|
76893,91
|
0
|
1,21
|
579,1
|
|
2017
|
76893,91
|
0
|
1,33
|
526,8
|
|
2018
|
76893,91
|
0
|
1,46
|
479,9
|
Для расчета срока окупаемости внедрения СУ
воспользуемся формулой, лет:
В результате расчета получили, что реконструкция
СУ окупается за 0,27 года.
Заключение
В дипломном проекте были рассмотрены
СУ Инской дистанции электроснабжения Западно - Сибирской железной дороги, на
которой используются однозвенные апериодические, однозвенные
резонансно-апериодические СУ с 1 резонансным контуром на 100 Гц, с 4
резонансными контурами на 300, 600, 900, 1200 Гц, а также двухзвенные
резонансно - апериодические СУ Западно-Сибирской железной дороги. Приведены
основные параметры, схемы и частотные характеристики апериодических,
резонансно-апериодических СУ, их достоинства и недостатки. Предложены
мероприятия по совершенствованию схем сглаживающих устройств участка Инская -
Черепаново. Выбраны схемы и основные параметры СУ и приведены сравнительные
характеристики СУ для их модернизации. Выявлено, что универсальной и
экономичной схемой СУ является схема апериодического СУ. Также в дипломном
проекте обоснована экономическая эффективность предложенных мероприятий,
рассчитан общий экономический эффект и срок окупаемости. Описаны требования
техники безопасности при внедрении предложенных мероприятий, приведена
характеристика возможных вредных и опасных производственных факторов при
выполнении работ на СУ тяговой подстанции.
Библиографический
список
1 Бадер М.П. Электромагнитная совместимость: Учебник для вузов
железнодорожного транспорта / М.П. Бадер. М.: УМК МПС, 2002. 638 с.
2Комякова Т.В.
Методические указания к выполнению лабораторных работ по дисциплине
«Электромагнитная совместимость устройств электроснабжения». Часть 2.
Сглаживающие фильтры / Т.В. Комякова, Р.Б. С к о к о в, Е.Ю. С а л и т а.
ОмГУПС. Омск, 2006. 31 с.
3 Комякова Т.В.
Сглаживающие фильтры тяговых подстанций с многопульсовыми выпрямителями: Дис. .
.кандидат техн. наук / Т.В. Комякова ОмГУПС. Омск, 1999. 198 с.
4 К о в а л е в а Т.В.
Сглаживающие фильтры тяговых подстанций с многопульсовыми выпрямителями: Дис.
кандидат техн. наук / Т.В. К о в а л е в а. Омск, 1996. 262 с.
5 С а л и т а Е.Ю.
Проектирование преобразователей для тяговых подстанций постоянного тока / Е.Ю.
С а л и т а, Т.В. К о м я к о в а, Т.В. К о в а л е в а. ОмГУПС, Омск, 2010. 53
с.
6 ГОСТ 13109-97. Нормы
качества электрической энергии в системах электроснабжения общего назначения.
7Ларина И.В.
Методические указания по выполнению экономической части дипломного проекта для
студентов специальности «Электроснабжение железнодорожых дорог»: Методические
указания / И.В. Л а р и н а; ОмГУПС, Омск, 2010. 20 с.
8 ГОСТ 12.0.003-74. ССБТ.
Опасные и вредные производственные факторы. Классификация.
9 ГОСТ 12.1.038-82.
ССБТ. Предельно допустимые значения напряжений прикосновения и токов.
10 И н с т р у к ц и я
ЦЭ-402. Инструкция по технике безопасности при эксплуатации тяговых подстанций,
пунктов электропитания и секционирования электрифицированных железных дорог
(ЦЭ-191) - М.: 1998. 68 с.
11СТП ОмГУПС-1.1-02. Работы студенческие учебные и выпускные
квалификационные. Основные положения. Омск, 2002. 13 с.
12 СТП ОмГУПС-1.2-02. Работы
студенческие учебные и выпускные квалификационные. Общие требования и правила
оформления текстовых документов. Омск, 2002. 29 с.
13 СТП ОмГУПС-1.4-02.
Работы студенческие учебные и выпускные квалификационные. Общие правила оформления
схем. Омск, 2002. 11 с.
14 Правила защиты устройств проводной
связи и проводного вещания от влияния тяговой сети электрических железных дорог
постоянного тока.
15 М.: Транспорт, 1969. 44 с.