Релейная защита линии Л7 со стороны п/ст 'Ж'
ФЕДЕРАЛЬНОЕ
АГЕНТСТВО ПО ОБРАЗОВАНИЮ
ГОСУДАРСТВЕННОЕ
ОБРАЗОВАТЕЛЬНОЕ УЧРЕЖДЕНИЕ
ВЫСШЕГО
ПРОФЕССИОНАЛЬНОГО ОБРАЗОВАНИЯ
«ТОМСКИЙ
ПОЛИТЕХНИЧЕСКИЙ УНИВЕРСИТЕТ»
Электротехнический
институт
Кафедра
электрических станций
ПОЯСНИТЕЛЬНАЯ
ЗАПИСКА
к
курсовому проекту по курсу
«Проектирование
и эксплуатация релейной защиты и автоматики ЭЭС»
Тема
работы: Релейная защита линии Л7 со стороны п/ст «Ж»
Томск
СОДЕРЖАНИЕ
Введение
1. Выбор и обоснование устанавливаемых защит
. Планирование и расчет типичных аварийных режимов
.1 Общие сведения
.2 Схема замещения
.3 Планирование расчетов аварийных режимов
. Расчет уставок защит и оценка их чувствительности
.1 Расчет дистанционной защиты ШДЭ-2801
.2 Расчет токовой отсечки ШДЭ-2801
.3 Расчет токовой направленной защиты нулевой последовательности
ШДЭ-2801
. Структурная схема подключения защит ШДЭ-2801
Заключение
Список литературы
ВВЕДЕНИЕ
Устройства релейной защиты и
системной автоматики в совокупности представляют собой сложную многоступенчатую
систему, предназначенную для сохранения устойчивой работы синхронных
генераторов и бесперебойного электроснабжения потребителей электроэнергии.
Выполнить свою задачу эти устройства могут лишь в случае, если они отвечают
комплексу требований, изложенных в нормативных материалах [2]. Соответствие
реальных устройств релейной защиты и автоматики (УРЗА) этим требованиям
обеспечивается в основном на стадии проектирования, которое при правильной его
организации обязательно должно быть комплексным. Устойчивая бесперебойная работа
ЭЭС возможна лишь при условии эффективного функционирования всех частей,
входящих в комплекс УРЗА.
1. ВЫБОР И ОБОСНОВАНИЕ
УСТАНАВЛИВАЕМЫХ ЗАЩИТ
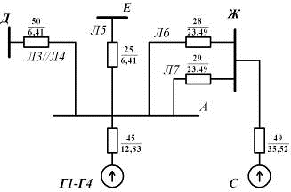
Сети 110 - 220 кВ, как
правило, работают с глухозаземленными нейтралями. Поэтому защиты выполняются
как от многофазных (за исключением двойного замыкания на землю), так и от
однофазных КЗ. Сети часто имеют сложную конфигурацию, несколько источников
питания. Поэтому для защиты от многофазных КЗ часто применяются дистанционные
ступенчатые защиты с разными характеристиками
органов сопротивления,
снабжаемые блокировками от качаний и нарушений вторичных цепей трансформатора
напряжения. От однофазного короткого замыкания на землю обычно применяются не
дистанционные защиты, а токовые многоступенчатые направленные защиты нулевой
последовательности [6].
Проектирование релейной
защиты и автоматики (РЗА) сводится к выбору типовых проектов РЗА и к привязке
их к конкретному объекту, работающему в конкретной электроэнергетической
системе.
Релейную защиту линии 7
со стороны подстанции «Ж» выполняю на микроэлектронной элементной базе - на
базе шкафа ШДЭ-2801, в состав которого входит трехступенчатая дистанционная
защита (ДЗ) с блокировками при качаниях (БК) и неисправностях цепей напряжения
(БН), токовая отсечка, четырехступенчатая токовая направленная защита нулевой
последовательности (ТНЗНП), реле устройства резервирования отказов выключателей
(УРОВ).
Большинство КЗ, особенно
на воздушных ЛЭП, неустойчивы и при быстром отключении защитой и последующем
быстром автоматическом включении не возобновляются. Все линии и часть других
элементов оборудуются устройствами автоматического повторного включения (АПВ)
[2]. На линии 7 с двухсторонним питанием, которая связывает энергосистему и
электростанцию, устанавливаем трехфазное АПВ с улавливанием синхронизма
(АПВУС).
2. ПЛАНИРОВАНИЕ И РАСЧЕТ ТИПИЧНЫХ
АВАРИЙНЫХ РЕЖИМОВ
.1 Общие сведения
Расчет уставок устройств релейной
защиты (УРЗ) производится, как правило, по начальному значению периодической
слагающей полного тока КЗ (сверхпереходный ток) [8, 9]. Принято считать, что
благодаря действию установленных на генераторах автоматических регуляторов и
форсировке возбуждения полные токи в ветви КЗ и во всех других ветвях и их
составляющие мало изменяются во времени, особенно при несимметричных
повреждениях, удаленных от генерирующих источников. Это существенно упрощает
расчет УРЗ с выдержкой времени, реагирующих на составляющие нулевой или
обратной последовательности. Возникающая при этом погрешность компенсируется
тем, что уставки УРЗ рассчитываются с запасом, который создается, в частности,
коэффициентом отстройки.
Планирование и расчет аварийных
режимов является важнейшей составной частью любого проекта РЗА. Ошибки и
неточности на этой стадии приводят к погрешностям в определении уставок и, как
следствие - к отказам УРЗА, которые, в свою очередь, могут повлечь за собой
аварии в ЭЭС той или иной степени тяжести, в зависимости от места и характера
повреждения. Точность расчетов определяется полнотой учета электрических
параметров и физических характеристик элементов ЭЭС и используемыми
техническими или программными (при расчетах на ЭВМ) средствами. Требования к
точности определяются также назначением расчетов: эксплуатационные, реальные
или учебные проектные.
В данном учебном проекте
используется программа «Линия», предназначенная для приближенных расчетов
аварийных режимов. Перед проведением расчетов формируется база данных о
параметрах схем замещения прямой, обратной и нулевой последовательности (в
именованных единицах).
2.2 Схема замещения
.2.1 Схема замещения прямой
последовательности
Расчет выполняем в
именованных единицах. Все сопротивления выражаем в Ом-ах и приводим к
напряжению
(рассматриваемый
элемент - линия 7).
Схемой замещения
(смотреть Рисунок 1) называют электрическую схему, соответствующую по исходным
данным расчетной схеме, но в которой все магнитные связи замещены
электрическими.
Определяю сопротивления
прямой последовательности элементов схемы замещения.
Сопротивление
генераторов Г1, Г2, Г3, Г4 определяю по формуле:
, (1)
где
-
сверхпереходное сопротивление генератора, о.е.;
- базовое напряжение
рассматриваемого участка, кВ;
- номинальная мощность
генератора, МВА.
релейная защита линия
электроснабжение
(2)
Сопротивление
трансформаторов Т5 - Т8 определяю по формуле:
, (3)
где
-
напряжение короткого замыкания трансформатора, %;
- номинальная мощность
трансформатора, МВА.
Для трехобмоточных
трансформаторов Т1, Т2:
(4)
(5)
Рисунок 1 - Схема замещения прямой
последовательности
(6)
Сопротивление
трансформаторов Т1, Т2 определяю по формуле (3):
Сопротивление
трансформаторов Т3, Т4 определяю по формуле (3):
Сопротивление ЛЭП 1, ЛЭП
2 определяется по формуле:
, (7)
- длина линии, км.
Сопротивление
трансформаторов Т9, Т10 определяю по формуле (3):
Сопротивление
трансформаторов Т11, Т12 определяю по формуле (3):
Сопротивление ЛЭП 3, ЛЭП
4, ЛЭП 5 определяется по формуле (7):
Сопротивление
трансформаторов Т13, Т14 определяю по формуле (3):
Сопротивление ЛЭП 6, ЛЭП
7 определяется по формуле (7):
Сопротивление
трансформаторов Т15, Т16 определяю по формуле (3):
Сопротивление ЛЭП 8, ЛЭП
9 определяется по формуле (7):
Сопротивление
трансформаторов Т17, Т18 определяю по формуле (3):
Сопротивление ЛЭП 10,
ЛЭП 11 определяется по формуле (7):
Сопротивление системы
определяю по формуле:
, (8)
где
-
мощность короткого замыкания, МВА.
.2.2 Преобразование
схемы замещения прямой последовательности
На образование
симметричных токов короткого замыкания (трехфазных) для данной схемы не будут
оказывать следующие сопротивления элементов: Х5 - Х8, Х11, Х12, Х17 - Х20, Х21,
Х22, Х26, Х27, Х30, Х31, Х34, Х35.
Схема замещения прямой
последовательности без учета вышеперечисленных элементов показана на Рисунке 2.
Рисунок 2 - Схема
замещения прямой последовательности
Упростим полученную
схему.
соединены
последовательно:
соединены
последовательно:
соединены
последовательно:
соединены
последовательно:
соединены параллельно:
соединены параллельно:
соединены параллельно:
соединены параллельно:
соединены
последовательно:
соединены параллельно:
соединены
последовательно:
соединены
параллельно:
Рисунок 3 - Схема
замещения прямой последовательности
2.2.3 Схема замещения
обратной последовательности
Протекание токов
обратной последовательности совпадает с протеканием токов прямой
последовательности.
Для линий и
трансформаторов чередование фаз роли не играет, главное чтобы соблюдалась
фазировка. Для генераторов и электрических двигателей чередование фаз имеет
значение.
Сопротивление
генераторов Г1-Г4 обратной последовательности определяю по формуле:
, (9)
где
-
сверхпереходное сопротивление генератора, о.е.;
- базовое напряжение
рассматриваемого участка, кВ;
- номинальная мощность
генератора, МВА.
Сопротивления обратной
последовательности линий и трансформаторов равны их сопротивлениям прямой
последовательности, расчет которых приведен выше. Упрощенная схема обратной
последовательности показана на Рисунке 4.
Рисунок 4 - Схема
замещения обратной последовательности
.2.4 Схема замещения
нулевой последовательности
Схема замещения нулевой
последовательности показана на Рисунке 5.
Рисунок 5 - Схема
замещения нулевой последовательности
Сопротивление нулевой
последовательности отличается от сопротивлений прямой и обратной
последовательностей, потому что токи нулевой последовательности протекают по путям
отличным от токов прямой и обратной последовательности.
Для протекания тока
необходимо
наличие заземленной нейтрали у трансформатора, замкнутый контур через
грозозащитный трос или контур заземления.
Схема замещения нулевой
последовательности составляется от точки короткого замыкания по возможному пути
протекания тока нулевой последовательности.
Определяю сопротивления
элементов схемы замещения нулевой последовательности:
Сопротивление
трансформаторов Т1, Т2 определяю по формуле (3):
Сопротивление
трансформаторов Т3, Т4 определяю по формуле (3):
Сопротивление
трансформаторов Т11, Т12 определяю по формуле (3):
Сопротивление нулевой
последовательности воздушных линий электропередач определяется по формуле:
, (10)
где
-
отношение сопротивлений нулевой и прямой
последовательностей;
- удельное
сопротивление линии, Ом/км;
- длина линии, км.
Сопротивление
трансформаторов Т13, Т14 определяю по формуле (3):
Сопротивление ЛЭП 6, ЛЭП
7 определяется по формуле (10):
Сопротивление
трансформаторов Т15, Т16 определяю по формуле (3):
Сопротивление ЛЭП 8, ЛЭП
9 определяется по формуле (10):
Сопротивление трансформаторов
Т17, Т18 определяю по формуле (3):
Сопротивление ЛЭП 10,
ЛЭП 11 определяется по формуле (10):
Сопротивление системы
определяю по формуле (8):
Упростим схему нулевой
последовательности.
соединены параллельно:
соединены параллельно:
соединены параллельно:
соединены
последовательно:
соединены параллельно:
соединены
последовательно:
соединены параллельно:
соединены параллельно:
соединены параллельно:
соединены
последовательно:
соединены параллельно:
соединены параллельно:
соединены параллельно:
соединены параллельно:
Упрощенная схема нулевой
последовательности показана на Рисунке 6.
Рисунок 6 - Схема замещения
нулевой последовательности
2.3 Планирование
расчетов аварийных режимов
План расчетов аварийных
режимов для целей проектирования РЗА должен быть в определенной степени
избыточным, чтобы не возникла необходимость в проведении дополнительных
расчетов, увеличивающих время выполнения проекта, в случаях, когда результат
проверки чувствительности неудовлетворителен и требуется перестройка УРЗ или
использование более совершенных ИО. Составление плана расчетов режимов требует
продуманных, обоснованных решений, так как от них зависит эффективность всей
дальнейшей работы над проектом.
3. РАСЧЕТ УСТАВОК ЗАЩИТ
И ОЦЕНКА ИХ ЧУВСТВИТЕЛЬНОСТИ
.1 Расчет дистанционной
защиты ШДЭ-2801
.1.1 Общие сведения о защите
1) первой ступени имеет форму
близкую к окружности, с прохождением этой окружности через начало координат
(рисунок 7 а), тем самым обеспечивается свойство направленности защиты.
Рисунок 7 - Характеристики
срабатывания ИО сопротивления
2) второй ступени имеет вид
четырехугольника со смещением в третий квадрант (рисунок 7 б). В этой
характеристике наклон правой стороны обеспечивает отстройку от нагрузочных
режимов. Верхняя часть условно соответствует сопротивлению срабатывания реле.
Левая часть характеристики обеспечивает отстройку защиты от предшествующего
нагрузочного режима. Нижняя часть учитывает, что замыкание может сопровождаться
горением дуги, и то что дуга обладает каким-то активным сопротивлением.
3) третьей ступени имеет вид
треугольника, одна из вершин которого находиться в начале координат (рисунок 7
в).
Сопротивления
срабатывания дистанционных органов задается при угле, равном 750,
условно называемом углом максимальной чувствительности (УМЧ -
).
.1.2 Расчет уставок
первой и второй ступеней
Первая ступень
дистанционной защиты линии 7, установленной со стороны подстанции «Ж»,
выполняемая без выдержки времени, отстраивается от КЗ на шинах противоположной
подстанции «А». Сопротивление срабатывания первой ступени комплекта № 1 в схеме
на Рисунке 8 рассчитывается по формуле:
(11)
Рисунок 8 - Участок сети 110 кВ к
расчету дистанционной защиты
Сопротивление срабатывания второй
ступени выбирается из условия надежного охвата защищаемой линии 7 с учетом
сопротивления защит отходящих присоединений. В качестве сопротивления
срабатывания для второй ступени принимается наименьшее из сопротивлений,
полученных по расчетным условиям таблицы 1.
Таблица 1 - Расчетные выражения для
определения сопротивлений срабатывания второй ступени дистанционной защиты
|
Расчетное условие
|
Расчетное выражение, Ом
|
Согласование с первой
ступенью защиты 9 линии 5, при одной линии на участке «Ж-А», КЗ в точке К1
,
где
-коэффициент
токораспределения.
Отстройка от К.З. на
шинах п/ст «Д» при двух линиях на участке «АД» и при одной линии на участке
«Ж-А», КЗ в точке К2
,
где
-коэффициентт
токораспределения
Согласование с первой
ступенью защиты 4 при каскадном отключении повреждения на паралле-льной линии,
при двух линиях на участке «Ж-А» КЗ в точке К3
,
где
-коэффициент
токораспределения
В формулах для
определения сопротивления срабатывания второй ступени учитывается поправка
,
обусловленная несовпадением УМЧ (
) и угла сопротивления в
месте подключения дистанционной защиты (
). Поправка определяется
по формуле:
(12)
Примем
,
тогда
Выдержку времени второй
ступени принимают равной ступени селективности т.е.:
(13)
Чувствительность второй
ступени оценивается по замыканию на шинах противоположной подстанции «А»,
коэффициент чувствительности при этом определяется по формуле:
(14)
По ПУЭ этот коэффициент
должен быть не менее 1,25.
.1.3 Расчет уставок
третьей ступени
Первичное сопротивление
срабатывания третьей ступени выбирается из условия отстройки от нагрузочного
режима:
, (15)
где
-
минимальное рабочее напряжение;
- максимальный рабочий
ток;
- коэффициент
надежности;
- коэффициент возврата;
- угол полного
сопротивления соответственно максимальной чувствительности и нагрузки в
рассматриваемом режиме после отключения внешнего КЗ, примем
.
Максимальный рабочий ток
определим
из условия, что по линии 7 в послеаварийном режиме будет проходить мощность,
равная сумме мощностей трансформаторов Т11 и Т13:
(16)
По формуле (15):
Чувствительность третьей
ступени оценивается по замыканию в конце линии 7 (режим ближнего
резервирования), при этом коэффициент чувствительности должен быть не менее 1,5
и определяться по формуле:
(17)
Чувствительность третьей
ступени оценивается по замыканию в конце наиболее удаленного смежного элемента
- линии 4, т.е. в конце участка «А-Д» (режим дальнего резервирования), при этом
коэффициент чувствительности должен быть не менее 1,2 и определяться по формуле:
(18)
где
-
коэффициент минимального токораспределения.
Пересчет первичного
сопротивления срабатывания защиты на сопротивление срабатывание реле
производится по выражению:
, (19)
где
-
сопротивление срабатывания реле;
- первичное
сопротивление срабатывания защиты;
- коэффициент
трансформации ТТ;
- коэффициент
трансформации ТН.
, (20)
где
-
кратность уставки;
- минимальная уставка
срабатывания, Ом.
Для первой ступени:
Для второй ступени:

.2 Расчет токовой
отсечки ШДЭ-2801
Основное назначение
токовой отсечки - резервирование действия дистанционной защиты при КЗ вблизи
источника питания.
Ток срабатывания отсечки
выбирается с учетом двух условий:
. На линиях с двухсторонним
питанием отсечки устанавливаются на каждой из сторон. Их токи срабатывания
определяются по большему значению тока короткого замыкания, проходящему по
линии при КЗ на шинах одной и другой подстанции, рисунок 9.
, (21)
где
-
коэффициент надежности.
Рисунок 9 - Расчет
параметров срабатывания токовой отсечки на линиях с двухсторонним питанием
. Из условия отстройки
от возможного режима качаний:
, (22)
где
-
максимальное значение тока качаний, А;
- коэффициент
надежности;
, (23)
- напряжение ступени КЗ,
кВ;
- суммарное
сопротивление между источниками, Ом.
По формуле (23):
По формуле (22):
Из двух рассчитанных
значений принимается большее,
Чувствительность
рассчитанного значения тока срабатывания оценивается по току двухфазного
короткого замыкания вблизи места установки защиты. Значение коэффициента
чувствительности допустимо иметь не менее 1,2.
(24)
По чувствительности
токовая отсечка не проходит. Как видно из рисунка 9 при такой отстройке защита
не сработает при КЗ в начале защищаемой линии. Поэтому токовую защиту выполняем
направленной, дополняя органом направления мощности. Ток срабатывания
определяется по току короткого замыкания, проходящему по линии при КЗ на шинах
подстанции «А», рисунок 9.
, (25)
где
-
коэффициент надежности.
Коэффициент
чувствительности по формуле (24) равен:
.3 Расчет токовой
направленной защиты нулевой последовательности
Обычно на линиях 110-500
кВ при наличии питания с двух и более сторон токовую защиту нулевой
последовательности выполняют четырехступенчатой и направленной.
.3.1 Расчет первой
ступени
Ток срабатывания первой ступени
защиты параллельных линий при выполнении ее без выдержки времени выбирается по
условиям отстройки от утроенного тока нулевой последовательности, проходящего в
месте установки защиты в следующих случаях:
а) при замыкании на землю на
шинах противоположной подстанции «А», если вторая параллельная линия 6
отключена и заземлена (или отключена) на обоих концах (взаимоиндукцией между
линиями можно пренебречь);
б) неполнофазного
кратковременного режима за счет неодновременного включения фаз выключателя и
неполнофазного режима в цикле работы ОАПВ.
Ток срабатывания первой ступени по
условию «а»:
(26)
где
коэффициент,
учитывающий погрешности;
- максимальное значение
периодической составляющей утроенного значения тока нулевой последовательности,
проходящего в месте установки защиты, при замыкании на землю на шинах
противоположной подстанции «А» в случае, когда вторая параллельная линия
отключена.
Условие «б» может не
рассчитываться, т.к. для воздушных выключателей с трехфазным приводом 1 ступень
защиты практически отстроена от рассматриваемого режима по времени.
Отстройка от режима
работы ОАПВ, пункт «г», не требуется, если предусмотрен вывод из работы 1
ступени на время цикла ОАПВ.
Коэффициент
чувствительности при однофазном КЗ в начале рассматриваемой линии 7 между
подстанциями «Ж» и «А» определяется из выражения:
(27)
где
-
ток в рассматриваемой линии 7 при однофазном КЗ вблизи шин п/ст «Ж», со стороны
которой установлена защита;
- значение,
рассчитанное по условию «а».
.3.2 Расчет второй
ступени
Ток срабатывания второй ступени
защиты параллельных линий (отсечки с выдержкой времени) выбирается по условиям:
а) согласования с первой
ступенью защиты следующей одиночной линии 5 (участок «А-Е»), при этом
параллельная линия 6 на участке «Ж-А» отключена:
(28)
где
-
коэффициент, учитывающий погрешности;
- расчетный ток,
максимальное значение утроенного значения тока нулевой последовательности,
проходящего через защиту, при замыкании на землю в конце зоны действия первой
ступени защиты, с которой производится согласование.
Значение
определяется
графически, рисунок 10.
Рисунок 10 - Графическое
определение тока срабатывания 2 ступени токовой защиты нулевой
последовательности
(
рассчитано по формуле (26))
б) отстройки от
утроенного тока нулевой последовательности, проходящего в месте установки
защиты в неполнофазном режиме, возникающего в цикле работы ОАПВ или в
длительном неполнофазном режиме на предыдущей линии.
Условие «б» не
учитывается, т.к. вторая ступень отстроена по времени от неполнофазного режима
использованием воздушного выключателя с трехфазным приводом.
Чувствительность
проверяется по току однофазного замыкания на шинах противоположной подстанции
«А» по выражению:
(28)
где
-
первичный ток срабатывания второй ступени защиты;
- расчетный ток
повреждения на шинах подстанции «А».
Выдержку времени второй
ступени принимают равной:
По чувствительности
вторая ступень защиты проходит, следовательно установка третьей ступени не
требуется.
.3.3 Расчет четвертой ступени
Ток срабатывания
четвертой ступени должен быть отстроен от токов небаланса в нулевом проводе
трансформатора тока при трехфазных коротких замыканиях за трансформаторами и на
стороне низшего напряжений автотрансформаторов подстанций данного и противоположного
концов линии:
, (29)
- коэффициент,
учитывающий ток небаланса в переходном режиме;
при
сек.;
при
сек.;
- коэффициент небаланса
зависящий от соотношения расчетного тока и номинального;
при
;
при больших кратностях;
- максимальное
расчетное значение внешнего тока, проходящего в месте установки защиты.
Коэффициент
чувствительности ступени проверяется при однофазных замыканиях в конце зоны
резервирования и допускается не менее 1,2. Если четвертая ступень не
удовлетворяет условиям чувствительности, то ориентировочно в расчетах можно
принять
, (30)
где
- ток, протекающий по линии 7 в нормальном
режиме;
Но не менее 60 А.
По формуле (30):
Поэтому ток срабатывания
четвертой ступени принимаем равным 60А.
Выдержку времени
четвертой ступени принимаем равной:
4. СТРУКТУРНАЯ СХЕМА
ПОДКЛЮЧЕНИЯ ЗАЩИТ
Схема основного комплекта
защиты шкафа ШДЭ-2801 приведена на рисунке 11. Схема выполнена в однофазном
однолинейном изображении. Приняты следующие обозначения:, KZ2, KZ3 -
дистанционные органы соответственно 1, 2 и 3 ступени дистанционной защиты;
КА - орган тока отсечки
от междуфазных КЗ;- орган направления мощности; , KAN2, KAN3 - органы тока 1, 2
и 3 ступеней токовой защиты нулевой последовательности; - орган направления
мощности ТЗНП;
АКB - блокировка при
качаниях;- блокировка при неисправностях цепей напряжения; - орган контроля
синхронизма;, DW2 - логические элементы «ИЛИ»;Х1, DХ11 - логические элементы
«И».
В схеме дистанционной
защиты ШДЭ-2801 блокировка при качаниях контролирует быстродействующие ступени
с уставками на ввод в действие 0,2с; 0,4с; 0,6с. Вывод может осуществляться с
уставками Зс, 6с, 9с, и 12с. Контроль медленно действующих ступеней
производится сигналами блокировки, обеспечивающими их длительный ввод.
В приведенной
структурной схеме для упрощения сигналы от блокировок АКВ и KBV
(инвертированный) просуммированы на элементе "И-НЕ". Третья ступень
блокировкой при качаниях не контролируется (в реальных условиях это возможно
при недостаточном токе для действия блокировки).
Логические элементы
предусмотрены для блокирования неисправного УАПВ при устойчивом КЗ на линии
(DX9), перевода команды на повторное включение выключателя в указанном случае
на его отключение (DX11), для ускорения действия защиты после АПВ (DX10).
Для осуществления
коммутаций (отключение УРЗ от ТТ с одновременным закорачиванием вторичных
обмоток ТТ, подключение к УРЗ источника переменного тока для проведения
проверок) во вторичных цепях ТТ предусмотрен испытательный блок SG.
Рисунок 11 - Структурная
схема ШДЭ-2801 и АПВ
ЗАКЛЮЧЕНИЕ
В данной курсовой работе
были применены теоретические знания построения и проектирования релейной защиты
и автоматики к конкретному объекту электроэнергетической системы - воздушной
линии 110 кВ с двухсторонним питанием, был проведен выбор и обоснование
устанавливаемых защит, были рассчитаны уставки защит и проведена оценка их
чувствительности, разработана структурная схема подключения выбранных защит.
СПИСОК ЛИТЕРАТУРЫ
1. Копьев В.Н. Релейная защита. Принципы выполнения и
применения: учебное пособие. - Томск: Изд-во Томского политехнического
университета, 2009. - 153 с.
. Правила устройства электроустановок. Разд. 3. Защита и
автоматика. - 6-е изд. - М.: Энергоатомиздат, 1985. - 461 с.
. Бурнашев А.Н. Релейная защита электроэнергетических
систем. Проектирование: Учебное пособие/ Бурнашев А.Н.; Томский политехнический
университет. - Томск: Изд-во ТПУ, 2005. - 110 с.
. Авербух А.М. Релейная защита в задачах с решениями и
примерами. - Л.: Энергия, 1975. - 416 с.
. Чернобровов Н.В. Релейная защита энергетических систем:
Учебное пособие/ Чернобровов Н.В., Семенов В.А. - М.: Энергоатомиздат, 1998. -
800 с.
. Федосеев А.М. Релейная защита электроэнергетических
систем: учебное пособие / Федосеев А.М., Федосеев М.А. - 2-е изд., перераб. и
доп. - М.: Энергоатомиздат, 1992. - 528 с.
. Электротехнический справочник: в 3 томах/ Орлов И.Н. - 7-е
изд., испр. и доп. - М.: Энергоатомиздат, 1988. Т. 3, Кн. 1: Производство и
распределение электрической энергии. - 1988. - 880 с.
. Руководящие указания по релейной защите. Вып. 7,
Дистанционная защита линий 35- 330 кВ/ Энергосетьпроект. - М.; Л.: Энергия,
1966.
. Руководящие указания по релейной защите. Вып. 12, Токовая
защита нулевой последовательности от замыканий на землю линий 110- 500 кВ:
Расчеты. - М.: Энергия, 1980. - 87 с.