Світлодіодний аналізатор спектра звуку низьких частот на базі мікроконтролера PIC12F675

  • Вид работы:
    Курсовая работа (т)
  • Предмет:
    Информационное обеспечение, программирование
  • Язык:
    Украинский
    ,
    Формат файла:
    MS Word
    143,34 Кб
  • Опубликовано:
    2015-06-20
Вы можете узнать стоимость помощи в написании студенческой работы.
Помощь в написании работы, которую точно примут!

Світлодіодний аналізатор спектра звуку низьких частот на базі мікроконтролера PIC12F675














Світлодіодний аналізатор спектра звуку низьких частот на базі мікроконтролера PIC12F675

Вступ

Завданням курсового проекту є детальне дослідження пристрою з мікроконтролером. За основу був взятий світлодіодний аналізатор спектру звуку, побудований по принципу перетворення звукового діапазону (від 16 Гц до 20 000 Гц) в квантований світловий потік у вигляді матриці (7 каналів * 16 світлодіодів). Кожна із семи доріжок матриці відтворює певний звуковий діапазон, розділений на 16 секторів. Пристрій побудований на новій елементній базі - мікроконтролери та регістри пам’яті. Указана конструкція дає можливість варіювати візуалізацію відтворення за рахунок використання різних настройок прошивки мікроконтролера.

Даний пристрій являє собою функціональне доповнення сучасних багатоканальних акустичних систем. Принцип його роботи відтворити звуковий сигнал на світлодіодну матрицю.

.       
Призначення

мікроконтролер світлодіодний звуковий

Аналізатор спектра - пристрій для одержання спектрів фізичних процесів. Таким аналізатором може слугувати будь-який прилад, поведінка якого залежить від частоти впливу. В основі дії подібних приладів лежить одне з явищ:

.        інтерференція;

.        залам при наявності дисперсії фазової швидкості;

.        резонанс.

Аналізатори спектру призначені для вимірювання параметрів спектральних складових, вимірювання рівнів шуму та вібрації, візуалізації, збору даних та іншого виду обробки сигналів з різних датчиків: віброперетворювачів, вимірювальних мікрофонів, гідрофонів з вбудованими підсилювачами ICP і т.п. Аналізатори використовуються як контрольно-вимірювальне та діагностичне обладнання при проведенні різного роду вимірювань і випробувань, для моніторингу тривалих процесів, що носять як стаціонарний, так і динамічний характер.

Аналізатор спектра дозволяє визначати амплітуду й частоту спектральних компонентів, що входять до складу аналізованого процесу. Найважливіша характеристика аналізатора спектра - роздільність (роздільна спроможність): найменший інтервал частот між двома спектральними лініями, які ще розділяються аналізатором. Аналізатор спектру, це також прилад для спостереження і вимірювання відносного розподілу енергії електричних (електромагнітних коливань в смузі частот). Аналізатор є доповненням до акустичних систем. Аналізатори спектру - це вимірювальні прилади, що призначені для експериментального дослідження спектра сигналів. Вони використовуються в діапазонах низьких, високих і надвисоких частот. В даній роботі будуть використані лише в діапазонах низьких частот.

2.     
Технічні характеристики

·        Потужність 3W на кожний вихідний канал;

·        Вхідна напруга повинна бути не більша за 9V;

·        Діапазон вхідних частот, на які реагує пристрій, повинні бути в межах від 68 Гц до 14400 Гц;

·        Пристрій повинен мати механізм калібрування яскравості світіння;

·        Геометричні розміри пристрою не повинні виходити за розміри 160 мм висоти, 95 мм ширини і 60 мм довжини;

·        Мікроконтролер PIC12F675 - 10х8мм

·        Аудіо фільтр BA3834F - 11х7мм

·        Три послідовних регістра зсуву з блокуванням виходу 74HC595 - 19х8мм

·        Транзистор 78L05 - ⌀ 5мм

·        Чотири керамічні конденсатори по 0.1 мікро Фараду - 5х2мм

·        Два електролітичні конденсатори по 16В з емнітью 10 мікро Фарад - ⌀ 5мм

·        Два керамічні резистори, один 10 кОм, а другий 100кОм - 8х2мм

·        Сто дванадцять світлодіодів з яких вісімдесят чотири білі, чотирнадцять зелені і останні чотирнадцять червоні - ⌀ 6мм

·        Змінний регістр 22кОм який керує яскравість роботи світлодіодів - ⌀ 17мм

·        Управляюча плата -75х40мм

·        Плата зі світлодіодами - 140х70мм

.       
Склад

Аналізатор спектру складається з:

·        Корпус

·        Блок живлення

·        Блок керування

·        Мікроконтролер

·        Управляюча плата

·        Світлодіоди

·        Змінний регістр

·        Керамічні резистори

·        Матриця із світлодіодів

·        Електролітичні конденсатори

·        Керамічні конденсатори

·        Транзистор

·        Аудіо фільтр

Таблиця 1.Склад аналізатора спектра

Назва пристрою

Кількість

1

Мікроконтролер PIC12F675

1

2

Аудіо фільтр BA3834F

1

3

Послідовний регістр зсуву з блокуванням виходу 74HC595

3

4

Транзистор 78L05

1

5

Конденсатор керамічний 0.1mF 50V

4

6

Конденсатор електролітичний 10uF 16V

2

7

Резистор 100.0 кОм 0.25Вт 5%

1

8

1

9

Резистор змінний WH148-1A-2 (B20k-20kQ)

1

10

Світлодіод

112

4.     
Опис принципу роботи

Аналізатор спектру - прилад для спостереження і вимірювання відносного розподілу енергії електричних (електромагнітних коливань в смузі частот).

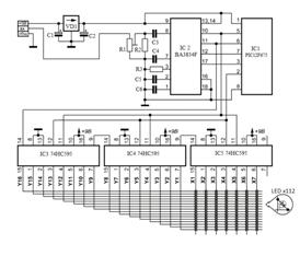
Аналізатор є доповненням до акустичних систем. Принцип його роботи відтворити звуковий сигнал на світлодіодну матрицю. Серцем пристрою є мікроконтролер PIC12F675 фірми MICROCHIP, який відноситься до блоку керування.

Послідовність роботи аналізатору спектру :

·        Вхідна напруга;

·        Вхідний НЧ (низькі частоти) сигнал;

·        Стабілізація напруги;

·        Фільтрування аудіо сигналів;

·        Блок керування;

·        Блок регулювання вихідного сигналу;

·        Світлодіодна матриця;

З вхідної напруги сигнал подається на стабілізацію напруги, яка складається з конденсаторів і транзистора. Конденсатори на такі аналізатори встановлюються електролітичні та керамічні, але в цьому блоку встановлені електролітичні. Фільтрування аудіо сигналів здійснюється за допомогою фільтра BA3834F, на нього подається НЧ сигнал і напруга. Після фільтрації сигнал передається на блок управління. Блок управління складається з мікроконтролера PIC12F675, який регулює всі сигнали і напругу для коректного підживлення послідуючих блоків. Так як контролер випускається з порожньою пам’ятью, то для нього потрібна прошивка.

Далі сигнал проходить через регістри до світлодіодної матриці. В даному варіанті встановленні регістри 74HC595 (послідовний регістр зсуву з блокуванням виходу).

.1.    
Порівняння з аналогами

Таблиця 2. Порівняння аналога з пристроєм що описується в курсовому проекті


Напруга живлення

Розмір матриці

Контролер

Мікросхема

Смугові фільтри (Індикація частот)

7-ми смуговий світлодіодний аналізатор спектру

9V

7x16

PIC12F675

BA3834F

68Hz, 170Hz, 420Hz, 1kHz, 2400Hz, 5900Hz, 14400Hz

10-ти смуговий світлодіодний аналізатор спектру

12V

10x10

Atmega8

CD4028

31Hz, 62Hz, 125Hz, 250Hz, 500Hz, 1kHz, 2kHz, 4kHz, 8kHz, 16kHz


.2 Концептуальна модель

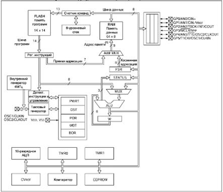
4.3 Структурна схема мікропроцесора

Структурна схема мікропроцесора зображена на Рисунку 1. Призначення виходів мікроконтролера PIC12F675 відображені у Таблиці 3

.

Рисунок 1. Структурна схема мікропроцесора

Таблиця 3. Призначення виходів мікроконтролера PIC12F675


4.3 Типові поломки та методи їх усунення

Таблиця 4 Типові поломки та методи їх усунення

Несправність

Причина

Усунення

Пристрій не реагує на аудіо сигнал

Обрив проводу вхідного сигналу

Перепайка проводу вхідного сигналу

Не горить один із світлодіодів

Згорів світлодіод

Перепайка світлодіоду

Не горить однин стовбець або рядок

Поломка регістра

Заміна регістра

Горить постійно однин стовбець або рядок

Поломка регістра

Заміна регістра

При ввімкненні, світлодіоди горять в хаотичному порядку

Велика напруга

Заміна блоку живлення на більш слабкий, або зменшити напругу на блоці живлення якщо це можливо

Не подає ніяких ознак працездатності

Згорів контролер


Не подається напруга

Заміна блоку живлення


Згорів конденсатор

Заміна конденсатора


Згорів аудіо фільтр

Заміна аудіо фільтра


Теоретичні основи вимірювання спектру

Звуковий сигнал може представлятися у вигляді деякого набору відліків його амплітуд, вироблених через певні проміжки часу (період дискретизації) і експонованих деякою кількістю двійкових розрядів (розрядність вибірки). Таке уявлення зручно для зберігання звукового сигналу і його перетворення назад в безперервний сигнал. Однак, деякі операції обробки звукового сигналу в такому поданні буває не завжди зручною. Це пов'язано з тим, що реально звуковий сигнал складається з складових його частот з певною амплітудою і фазою. Таким чином, застосування таких операцій обробки звукового сигналу як "фільтр нижніх частот" або "фільтр високих частот" вимагає перетворення уявлення звукового сигналу у вигляді відліків в його частотний спектр. Після цього перетворення, звуковий сигнал буде представлений у вигляді коефіцієнтів, відповідним амплітудам і фазами частот, що складають цей сигнал. Тепер, наприклад, операція "фільтр нижніх частот", яка "вирізає" з сигналу всі частоти вище деякої заданої, може просто обнулити коефіцієнти, відповідні частотам, які необхідно "вирізати". Насправді, коло областей застосування такого перетворення значно ширше: обробка растрових зображень, телекомунікації, дослідження і вимірювання сигналів, радіолокація і т.д.

Прикладом застосування перетворення може служити передача даних у цифровій формі по аналогових лініях телефонної мережі (модем). Для передачі даних в цифровій формі, вони спочатку перетворюються в деякий набір частот і передаються по лініях передач, а потім, на приймальні стороні виконується зворотне перетворення і відновлюються вихідні дані. Далі розглянуті деякі фундаментальні поняття з математичного аналізу, необхідні для наглядного розуміння роботи перетворення Фур'є.

Рядом Фур'є називається нескінченна математична послідовність, що складається з коефіцієнтів при функціях синуса і косинуса виду:


Доведено, що якщо деяка періодична функція з періодом 2l на інтервалі [-l, l] задовольняє умовам Діріхле (неперервна і має кінцеве число екстремумів і точок розриву I роду), то вона може бути представлена у вигляді суми ряду Фур'є (розкладена в ряд Фур'є ). Для визначення коефіцієнтів ряду Фур'є справедливі такі формули:

Таким чином, будь-яку періодичну функцію, що задовольняє умовам Діріхле, можна розкласти в ряд Фур'є, тим самим представляючи її у вигляді суми синусів і косинусів.

Перетворення Фур'є в загальному вигляді

Досліджувана функція не є періодичною, тобто її період повторення дорівнює нескінченності. У цьому випадку справедлива інтегральна формула Фур'є, одержувана шляхом граничного переходу з ряду Фур'є періодичної функції з періодом 2l при l ?:


З цією формулою пов'язані так звані інтегральні перетворення Фур'є


З цих формул можна вивести сінус- і косинус-перетворення Фур'є відповідно для непарних і парних функцій. Синус-перетворення Фур'є:

Косинус-перетворення Фур'є:


Таким чином, безперервне перетворення Фур'є дозволяє представити неперіодичну функцію у вигляді інтеграла функції, що представляє в кожній своїй точці коефіцієнт ряду Фур'є для неперіодичної функції.

Властивості дискретного перетворення Фур'є

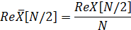
Потрібно зробити зворотне перетворення - з частотних складових сформувати вихідний сигнал. Для цього справедливі наведені нижче формули:


Коефіцієнти ReX [k] і ImX [k] визначаються за наступними формулами:


За винятком двох випадків:


Такий процес перетворення називається синтезом або зворотним перетворенням Фур'є. Формули зворотнього перетворення аналогічні формулам прямого перетворення, тільки тепер підінтегральною функцією є коефіцієнти при синусах і косинусах. Ця властивість є дуже важливою і називається подвійністю перетворення Фур'є. Властивість подвійності дозволяє пояснити наступний факт: одиничний імпульс у тимчасовому домені (одиничне значення однієї вибірки при нульових значеннях інших) відповідає синусоїді і косинусоїді в частотному домені і навпаки. У другому випадку все зрозуміло - є один коефіцієнт при синусі або косинусі - це означає, що вихідний сигнал (вибірка) містить складову однієї частоти синусоїдальної або косинусоїдальной форми. Перший же випадок може бути пояснений на основі подвійності перетворення Фур'є. Описаний факт використовується при побудові алгоритму швидкого перетворення Фур'є. Справа в тому, що наведені вище формули для прямого і зворотного перетворень мають тимчасові складності реалізовуючих їх алгоритмів порядку O(n^2). Таким чином, при великих обсягах вибірки, не вдається за реальний час зробити перетворення Фур'є. Для цієї мети в середині 60-х років був розроблений алгоритм швидкого перетворення Фур'є.

Властивості амплітуди і фази

Як вже було вказано раніше, дискретне перетворення Фур'є розкладає досліджуваний сигнал (вибірку) на синусоїдальні і косинусоїдалі складові. У той же час, хотілося б отримати значення амплітуд і фаз частотних складових сигналу. Для перекладу пари відповідних коефіцієнтів при синусі і косинуіс в амплітуду і фазу частотної складової справедливі такі формули:


Зворотне перетворення має вигляд:


Отримані значення амплітуди і фази називають полярним поданням (polar notation). Значення ж коефіцієнтів при синусах і косинусах характеризують прямокутне подання (rectangular notation). При виконанні першого перетворення можливі кілька варіантів: 1. Значення коефіцієнта при косинус дорівнює 0. Тоді значення фази рівне ±/2. Відповідне значення вибирається у відповідності зі знаком коефіцієнта при синусі - якщо він позитивний, то значення фази /2, якщо негативний, то -/2; 2. Значення коефіцієнта при синусі рівному 0. Тоді значення фази дорівнює 0 або . Відповідне значення вибирається у відповідності зі знаком коефіцієнта при косинусі - якщо він позитивний, то значення фази 0, якщо негативний, то . 3."Дрейф" фази. Подібний ефект спостерігається при дуже малому, близькому до 0, значенні коефіцієнта при косинусі. При цьому можливі різкі стрибки значень фази від -/2 до + /2. Так як значення коефіцієнта при косинусі дуже малі, то, практично, фаза в цьому випадку не має значення і її можна прийняти рівною -/2 або +/2.

Як правило, значення фази сигналу несе в собі більше інформації про форму та зміни сигналу. Нехай, наприклад, у тимчасовому домені є імпульс деякої тривалості. Перетворимо цей часовий домен в частотний і далі в полярне представлення. Встановимо всі амплітуди в випадкове значення і перетворимо частотний домен назад в тимчасовий. Таким чином, новий часовий домен містить у собі інформацію, отриману з значень фаз частотних складових. Тепер в тому місці, де був розташований імпульс на його кордонах помітні скачки. Це і пояснює те, що фаза сигналу несе більше інформації про форму сигналу.

Висновок

Під час написання даного курсового проекту була детально описана розробка світлодіодного аналізатора спектра звуку. В цьому пристрої, як і було зазначено в завданні, був використаний мікроконтролер, за певними міркуваннями вибір пав на Pіс-контролер фірми MICROCHIP - PIC12F675. Звуковий діапазон набув конкретних значень у вигляді 68 Гц - 14400 Гц. Перетворення звукового діапазону в квантований світловий потік у вигляді матриці (7 каналів * 16 світлодіодів) відбувається таким чином: кожна із семи доріжок матриці відтворює певний звуковий діапазон, розділений на 16 секторів.

Пристрій побудований на новій елементній базі - мікроконтролери та регістри пам’яті. Указана конструкція дає можливість варіювати візуалізацію відтворення за рахунок використання різних настройок прошивки мікроконтролера.

Даний пристрій являє собою функціональне доповнення сучасних багатоканальних акустичних систем. Принцип його роботи відтворювати звуковий сигнал на світлодіодну матрицю.

Література

1.      Мілих В.І., Шавьолкін О.О. Електротехніка, електроніка та мікропроцесорна техніка. Підручник. - К.: Каравела, 2008. - 688 с

2.      #"870453.files/image026.jpg">

Похожие работы на - Світлодіодний аналізатор спектра звуку низьких частот на базі мікроконтролера PIC12F675

 

Не нашли материал для своей работы?
Поможем написать уникальную работу
Без плагиата!
Без нейросетей!