Расчет трехагрегатной тяговой подстанции на 10кВ

  • Вид работы:
    Курсовая работа (т)
  • Предмет:
    Физика
  • Язык:
    Русский
    ,
    Формат файла:
    MS Word
    780,5 Кб
  • Опубликовано:
    2014-12-23
Вы можете узнать стоимость помощи в написании студенческой работы.
Помощь в написании работы, которую точно примут!

Расчет трехагрегатной тяговой подстанции на 10кВ

Содержание

Введение

1. Выбор трехжильного силового кабеля в схеме внешнего электроснабжения тяговых подстанций

1.1 Схема внешнего электроснабжения тяговых подстанций

1.2 Выбор кабелей в схеме внешнего электроснабжения

1.2.1 Выбор кабеля по конструкции

1.2.2 По номинальному напряжению

1.2.3 Выбор среды и способа прокладки кабеля

1.2.4 Выбор сечения одной токопроводящей жилы кабелей по нагреву

1.2.5 Выбор сечения кабеля по экономической плотности тока

1.2.6 Проверка кабеля на термическую стойкость при КЗ

2. Определение количества преобразовательных агрегатов (па) на тяговой подстанции (ТП)

2.1 По эффективному току подстанции

2.2 По максимальному току подстанции

3. Выбор трансформатора собственных нужд (ТСН) НА ТП

4. Расчет мощности тяговой подстанции

5. Расчет токов кз на сборных шинах 10 кв тяговой подстанции

6. Выбор сборных шин распределительного устройства 10 КВ

6.1 Выбор сечения шин

6.2 Проверка сечения шин на динамическую стойкость

6.3 Проверка сечения шин на термическую стойкость в режиме КЗ

7. Выбор высоковольтных выключателей

8. Выбор разъединителей

9. Выбор измерительных трансформаторов

9.1 Выбор трансформаторов тока

9.2 Выбор трансформатора напряжения

10. Выбор предохранителей

11. Выбор изоляторов

11.1 Выбор опорных изоляторов

11.2 Выбор проходных изоляторов

12. Релейная защита на ТП

Заключение

Список использованных источников

Введение

Современные тяговые подстанции служат для преобразования трехфазного переменного тока напряжением 6 или 10 кВ частотой 50 Гц в постоянный ток. Для городского электрического транспорта принято напряжение постоянного тока: на токоприемнике трамвая и троллейбуса 550 В, на шинах тяговой подстанции 600 В, на токоприемнике метрополитена 750 В, на шинах его тяговых подстанций 825 В.

Питание тяговых подстанций электроэнергией производится по кабельным линиям напряжением 6 или 10 кВ, присоединяемым к распределительному устройству высшего напряжения.

Распределительное устройство служит для приема и распределения электроэнергии. Оно состоит из сборных шин, оперативных и защитных аппаратов, измерительных приборов и вспомогательных аппаратов. К распределительному устройству присоединены преобразовательные агрегаты и трансформаторы собственных нужд.

Преобразовательные агрегаты состоят из преобразовательных трансформаторов и выпрямителей.

Электроэнергия выпрямленного тока через распределительное устройство постоянного тока с положительных и отрицательных шин поступает в тяговую сеть для питания электрического подвижного состава.

Тяговые подстанции по назначению бывают трамвайные, троллейбусные, трамвайно-троллейбусные;

по типу преобразователей - подстанции с неуправляемыми выпрямителями с применением кремниевых силовых вентилей (диодов) и с управляемыми выпрямителями на тиристорах;

по числу агрегатов - одно - и многоагрегатные подстанции;

по способу резервирования - с резервными агрегатами или резервом по мощности (одноагрегатные подстанции);

трехагрегатная тяговая подстанция трансформатор

по конструктивному исполнению подстанции делятся на стационарные и передвижные. Стационарные подстанции в свою очередь подразделяются на закрытые и полуоткрытые, одноэтажные и многоэтажные, наземные и подземные, отдельно стоящие или встроенные в здание другого назначения.

Наибольшее распространение в проектной и строительной практике получили наземные подстанции. Для централизованного электроснабжения трамвая и троллейбуса их строят трехагрегатными. Для децентрализованного электроснабжения строят одно - и двухагрегатные подстанции.

1. Выбор трехжильного силового кабеля в схеме внешнего электроснабжения тяговых подстанций

 

.1 Схема внешнего электроснабжения тяговых подстанций


Электроснабжение двух тяговых подстанций (ТП) согласно заданию на курсовое проектирование следует выполнять по кольцевой схеме. При кольцевой схеме электроснабжения две ТП питаются от одного источника питания. Данная схема задана и показана на рисунке 1.

Рисунок 1 - Кольцевая схема внешнего электроснабжения

В схеме кабели а и в называются головными, они присоединяются к сборным шинам ИП, кабель б называется кабелем связи, он электрически соединяет две ТП. В нормальном режиме все выключатели в схеме включенные.

На вводах ТП требуется максимальная токовая направленная защита (МТНЗ). В данной схеме при отключении любого из кабелей электроснабжение ТП не нарушается.

 


1.2 Выбор кабелей в схеме внешнего электроснабжения


1.2.1 Выбор кабеля по конструкции

Согласно единым техническим указаниям по выбору и применению силовых кабелей выбирается трехжильный кабель марки СБ-10-3 с медными жилами с бумажной изоляцией в свинцовой оболочке и броней из двух стальных лент.

 

1.2.2 По номинальному напряжению

Кабель выбирается согласно условию

,

где Uкаб - напряжение, на которое изготавливается изоляция кабеля, В

U1 - напряжение линии электропередачи, для которой выбирается кабель, U1 = 10 кВ.

Выбирается кабель на 10 кВ.  10 кВ = 10 кВ.

 

.2.3 Выбор среды и способа прокладки кабеля

Кабель для выполнения линии электропередачи к тяговой подстанции ГЭТ на территории города прокладывается в земле (траншее) на глубине 1 м. Температура нагрева почвы 15°С.

 

1.2.4 Выбор сечения одной токопроводящей жилы кабелей по нагреву

Расчеты сводятся в таблицу 1.

Таблица 1 - Выбор сечения жил кабелей по нагреву

Режимы

Токи в кабелях


а

б

в

Рабочий

165,7

-

165,7

Аварийный, отключен кабель а

-

165,7

331,4

Аварийный, отключен кабель в

331,4

165,7

-

Расчетный ток с учетом аварийных режимов Iрасч

331,4

165,7

331,4

Стандартное сечение кабеля, мм2

150

50

150

Длительно допустимый ток, А

355

180

355


Кабели будут прокладываться по одному в траншее, температура почвы не превысит +15°С, поправочные коэффициенты k1 и k2 не учитываются.

1.2.5 Выбор сечения кабеля по экономической плотности тока

В рабочем режиме сечение определяется по формуле

,

где I - расчетный ток в кабельной линии, А;

γэк - нормированное значение экономической плотности тока для заданных условий работы,

γэк = 2,5 - для кабеля с бумажной и провода с резиновой и поливинилхлоридной изоляцией с медными жилами.

мм2

Экономическая плотность тока jэ = 2,5 А/мм2 для кабелей марки СБ и при максимуме нагрузки от 3000 до 5000 часов. Выбирается ближайшее стандартное сечение для кабелей а и в 150 мм2. Для кабеля б сечение по экономической плотности тока не выбирается, т.к. в рабочем режиме ток равен нулю.

 


1.2.6 Проверка кабеля на термическую стойкость при КЗ

Стандартное сечение 150 мм2, выбранное для кабелей а и в по нагреву и по экономической плотности тока, следует проверить на термическую стойкость в режиме КЗ на сборных шинах источника питания 8 кА.


где  - импульс квадратичного тока КЗ, возникающего в начале кабеля по электрической схеме, А2 с;  - коэффициент, значение которого для кабелей с бумажной пропитанной изоляцией на напряжение до 10 кВ с медными жилами составляет 140 .

,

где Iс - периодическая составляющая тока КЗ, А; tоткл - время отключения КЗ,

,

где tз - время действия релейной защиты с учетом выдержки времени при срабатывании защиты, т.е. время срабатывания токового реле, tз = 0,05-0,1с + время выдержки защиты (1,5с); tв - полное время отключения выключателя, tв = 0,025с.

А2·с,

мм2 ® 70 мм2

Для проверки выбранного для кабеля б стандартного сечения 50 мм2 на термическую стойкость в режиме КЗ необходимо рассчитать токи КЗ на сборных шинах ТП1 и ТП2.

2. Определение количества преобразовательных агрегатов (па) на тяговой подстанции (ТП)


Преобразовательные агрегаты для проектируемой ТП выбираются по заданному эффективному току подстанции IЭФтп и максимальному току подстанции IMAXтп.

 

2.1 По эффективному току подстанции


Количество агрегатов по эффективному выпрямленному току IЭФтп на шинах ТП определяют по формуле

,

где Idн - номинальный ток агрегата, А; Д - резервная мощность, выражаемая в долях от мощности рабочего агрегата, Д=1-для подстанций централизованного внутреннего электроснабжения.


Полученное значение числа агрегатов округляется в сторону увеличения до ближайшего целого значения числа. шт.

 

2.2 По максимальному току подстанции


По заданному максимальному току IMAXтп на шинах ТП выбор количества агрегатов производится по формуле

,

где kп - максимально допустимая кратковременной перегрузки ПА в эксплуатации, kп = 2.

шт.

Таким образом, на ТП требуется три преобразовательных агрегата с номинальным током 2000 А.

 

3. Выбор трансформатора собственных нужд (ТСН) НА ТП


Для ТП централизованного электроснабжения задан следующий вариант питания потребителей СН: 1 ТСН и городской резервный ввод такой же мощности, как и трансформатор собственных нужд. Схема подключения показана на рисунке 2.

Рисунок 2 - Схема присоединения трансформатора СН и городского резервного ввода

Удельный расход электроэнергии на СН современных ТП на 1 кВ·ч переработанной электроэнергии составляет в среднем 1,2%. Потребителями СН переменного тока на ТП являются:

·        Устройства сигнализации и автоматики 0,5-1,0 кВт

·        Электрическое отопление 10-15 Вт/м3

·        Электрическое освещение 10-15 Вт/м2

·        Электродвигатель общей приточной вентиляции 1,5 кВт

·        Электродвигатель общей вытяжной вентиляции 1,5 кВт

Два последних потребителя являются периодически включаемыми. На трехагрегатных автоматических подстанциях, где люди постоянно не работают, должна поддерживаться температура воздуха в помещении не ниже +5°С.

Когда персонал приезжает для ревизии или ремонта оборудования, дополнительно включаются приборы электрического отопления, и температура в этом помещении ТП доводится до +16°С. Для определения мощности, необходимой для отопления ТП, рассчитывается объем здания ТП.

,

где ν - удельный объем здания, ν = 0,73 м3/кВт - для трехагрегатных подстанций; Nуст - число установленных на ТП преобразовательных агрегатов; Рdн - номинальная мощность одного преобразовательного агрегата, кВт.

м3

Площадь одного этажа здания ТП

,

где Н - высота здания ТП,

Н = 4 м.

м2.

Необходимая мощность для электрического отопления двух этажей здания ТП

,

кВт.

Необходимая мощность для электрического освещения двух этажей ТП

,

кВт.

Мощность для питания устройств сигнализации и схем автоматики кВт.

Мощность электродвигателя общей вытяжной вентиляции кВт.

Суммарная активная мощность постоянно включенных потребителей

,

кВт.

Суммарная активная мощность периодически включаемых потребителей

,

где Рву - мощность для питания выпрямительных устройств приводов масляных и быстродействующих выключателей, Рву = 5 кВт;

Рн - мощность для питания электроинструмента, Рн = 12 кВт.

кВт.

Расчетная мощность потребителей собственных нужд

,

где kc1 - коэффициент спроса постоянно включенных потребителей,

kc1 = 0,8;

kc2 - коэффициент спроса периодически включаемых потребителей,

kc2 = 0,25;

cosφ - коэффициент мощности в системе СН,

cosφ = 0,85.

кВА.

В качестве трансформатора СН выбирается трехфазный масляный трансформатор типа ТЛС-100/10 мощностью 100 кВА (100 кВА > 69,1 кВА) на номинальное напряжение 10кВ.

4. Расчет мощности тяговой подстанции


По данным курсового проекта выбирается выпрямитель марки 2ВАКЛЕ-1000/600Н и трансформатор ТСЗПУ-2000/10У2.

Таблица 2 - Параметры выпрямителя и трансформатора

Тип выпря- мителя

Параметры выпрямителя

Тип транс- форма- тора

Параметры трансформатора


Udн, В

Idн, А

Потери


Мощ- ность, кВА

Потери




холос- того хода, кВт

нагру- зочные, кВт



холос- того хода, кВт

нагру- зоч- ные, кВт

Uк, %

2ВАКЛЕ- 1000/600Н

600

2000

6

1,6

ТСЗПУ- 2000/10 У2

1385

3,88

16,9

6,6


Установленная мощность ТП на стороне постоянного тока напряжением 600 В определяется по номинальной мощности одного выпрямителя и их количеству

,

кВт

кВт.

Установленная мощность подстанции на стороне переменного тока напряжением 10 кВ определяется по формуле

Ква

Мощность, потребляемая ТП из сети переменного тока 10 кВ в номинальном режиме, рассчитывается по формуле

кВА.

Мощность SТП в кВА определяет ток ТП и ток в линии, по которой осуществляется электроснабжение ТП,

,

где U1 - номинальное напряжение на сборных шинах ТП на стороне переменного тока.

А.

5. Расчет токов кз на сборных шинах 10 кв тяговой подстанции


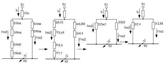
Рисунок 3 - Кольцевая схема электроснабжения двух ТП от одного источника питания

В кольцевой схеме все высоковольтные выключатели включенные.

Составляется схема замещения для КЗ в точке К1, т.е. на сборных шинах ТП1.

Индуктивное сопротивление системы

,

где Uср. ном - среднее номинальное напряжение сети,

Uср. ном = 10,5 кВ, напряжение завышено с учетом потерь при передаче электрической энергии;

Ic - ток КЗ на шинах источника питания, А.

Ом.

Индуктивное сопротивление кабельной линии

,

где Худ - среднее значение удельного индуктивного сопротивления,

Худ = 0,08 - для трехжильных кабелей 10 кВ;

l - длина кабельной линии, км

Ом,

Ом,

Ом.

Активное сопротивление кабельной линии

,

где ρ - удельное сопротивление материала токоведущих жил кабеля,

ρ = 0,017 Ом∙мм2/м - для меди;

qл - сечение кабеля, мм2

Ом, Ом,

Ом

При расчете тока КЗ в точке К1 необходимо учесть последовательно-параллельное соединение сопротивлений относительно точки КЗ, определить результирующие эквивалентные сопротивления параллельных ветвей схемы замещения Zэк1 и Zэк2.

,

Ом,

,

Ом

Рисунок 4 - Схема замещения для расчета тока КЗ на сборных шинах 10 кВ ТП1 в точке К1

Периодическая составляющая тока КЗ через кабель а при КЗ в точке К1

,

кА

Периодическая составляющая тока КЗ через кабели б и в при КЗ в точке К1

,

кА

Результирующие эквивалентные сопротивления параллельных ветвей схемы замещения для КЗ в точке К2

,

Ом;

,

Ом.

Периодическая составляющая тока КЗ через кабели а и б при КЗ в точке К2

,

кА;

Периодическая составляющая тока КЗ через кабель в

,

кА.

Таблица 3 - Токи КЗ в кабелях а, б и в

Токи КЗ, кА

Кабели


а

б

в

В точке К1

6,4

1,5

1,5

В точке К2

1,43

1,43

6,6

Наибольший ток КЗ, кА

6,4

1,5

6,6


Для проверки сечения кабеля б на термическую стойкость в режиме КЗ


Выбирается IПО2, т.к. на второй тяговой подстанции наибольший ток КЗ.

А2·с

мм2 ® 50 мм2

По условию термической стойкости в режиме КЗ требуются стандартные сечения:

·        для кабеля а - 70 мм2;

·        для кабеля б - 50 мм2;

·        для кабеля в - 70 мм2.

Таблица 4 - Сечения кабелей а, б и в

Сечение, мм2

Кабели


а

б

в

По нагреву

150

50

150

По экономической плотности

150

-

150

По термической стойкости в режиме КЗ

70

50

70


Таким образом, решающим является проверка сечения токопроводящей жилы кабелей на термическую стойкость при КЗ.

Рисунок 5 - Схема замещения для расчета тока КЗ на сборных шинах 10 кВ ТП1 в точке К2

кА, кА

Таблица 5 - Токи КЗ в кабелях а, б и в

Токи КЗ, кА

Кабели


а

б

в

В точке К1

 6,4 6,7

 1,5 1,26

 1,5 1,26

В точке К2

 1,43 2

 1,43 2

 6,6 6

Наибольший ток КЗ, кА

 6,4 6,7

 1,5 1,26

 6,6 6


Ударный ток рассчитывается для КЗ в точке К1

.

Ударный коэффициент


Для расчета ударного коэффициента требуется определить хэк и Rэк

Ом,

Ом.

кА.

6. Выбор сборных шин распределительного устройства 10 КВ


Шины - неизолированные жесткие проводники распределительных устройств (РУ). Шины делятся на сборные и соединительные.

Сборные шины в РУ 6 (10) кВ служат для распределения электрической энергии между отдельными потребителями на ТП: преобразовательный агрегат, трансформатор собственных нужд, измерительный трансформатор напряжения.

Соединительные шины служат для электрического соединения аппаратов между собой в электрическом присоединении и для присоединения их к сборным шинам.

 

6.1 Выбор сечения шин


Выбор сечения шин по нагреву сводится к подбору стандартного сечения по ПУЭ и сравнению длительно допустимого тока Iдл. доп с расчетным током сборных шин Iрасч.

Выбираются медные прямоугольные шины наименьшим стандартным сечением (25×3) мм2, для которых Iдл. доп = 340 А.


6.2 Проверка сечения шин на динамическую стойкость


Сводится к определению в материалах шин механического напряжения от действия электродинамических сил. Наибольшее механическое напряжение в материале жестких шин не должно превосходить 0,7 от временного сопротивления разрыву по Госстандарту

,

где  - временное сопротивление разрыву, Па;

 - допустимое сопротивление в материале шин.

Расчетное напряжение в материале шин

,

где М - изгибающий момент от действия электродинамических сил, ;

W - момент сопротивления шин, м3.

При расчете изгибающего момента шина рассматривается как многопролетная балка с равномерно распределенной нагрузкой (для крайних пролетов)

,

где l - длина пролета между двумя соседними опорными изоляторами,

l = 1 м;

 - максимальная сила, действующая в трехфазной системе проводников на расчетную фазу при трехфазном КЗ.


где -ударный ток трехфазного КЗ, А;

 - коэффициент формы,

 = 1 - для проводников прямоугольного сечения;

 - коэффициент, зависящий от взаимного расположения проводников,

= 1;

 - расстояние между осями соседних проводников,

 = 0,35 м.

Н

Изгибающий момент от электродинамических сил

Н · м.

При установке сборных шин "плашмя" момент сопротивления поперечных сечений рассчитывается по формуле

,

где в и h - соответственно вертикальный и горизонтальный размеры шин, в = 3 мм; h = 25 мм.

м3, ·107 Па = 7,8 МПа.

Для сборных шин можно предложить медный сплав марки МГТ сечением 25×3 мм2, для которого . Выбранное сечение удовлетворяет условию динамической стойкости в режиме КЗ.

 

6.3 Проверка сечения шин на термическую стойкость в режиме КЗ


Для обеспечения термической стойкости шин при КЗ необходимо, чтобы протекающий по ним ток не вызывал повышения температуры сверх максимально допустимой при кратковременном нагреве, которая составляет для медных шин 300ºС.

,

где  - термический импульс, соответствующий длительно допустимой температуре нагрева шин  (для шин независимо от материала ), ;

-интеграл Джоуля для тока КЗ на сборных шинах ТП,,

А2·с

q - поперечное сечение шины, мм2.

Термический импульс, соответствующий длительно допустимой температуре нагрева шин  по кривой


Термический импульс в режиме КЗ на сборных шинах


Полученному значению по кривой  соответствует температура не превышающая допустимую 3000С. Следовательно сборные шины сечением (25×3) мм2 в режиме КЗ не будут нагреваться сверх допустимой температуры. Полученному значению  на кривой  соответствует температура нагрева шин

0С < 3000С.

 


7. Выбор высоковольтных выключателей


Выключатели напряжением 6 или 10 кВ на тяговой подстанции устанавливаются в двух электрических цепях: в цепи присоединения трехфазной кабельной линии (ввода) и в цепи присоединения преобразовательного агрегата (а именно первичной обмотки силового трансформатора ПА) к сборным шинам 6 или 10 кВ. Выключатели предназначены для включения и отключения указанных электрических цепей при нормальном режиме и для отключения этих же цепей в аварийном режиме (КЗ и перегрузки).

В РУ 10 кВ на тяговой подстанции предлагается использовать вакуумный выключатель марки BB/TEL - 10 - 12,5/ 630 - У2 - 41

ВВ - выключатель вакуумный;

ТЕL - наименование серии;

- номинальное напряжение, кВ;

,5 - номинальный ток отключения, кА;

- номинальный ток, А;

У2 - климатическое исполнение (для умеренного климата) и категория размещения (для работы в помещениях со свободным доступом наружного воздуха);

- конструктивное исполнение по каталогу.

Вакуумные выключатели ВВ/ТЕL предназначены для работы в комплектных распределительных устройствах (КРУ) и в камерах стационарных одностороннего обслуживания (КСО) внутренней установки класса напряжения до 10 кВ трехфазного переменного тока 50 Гц для систем с изолированной и заземленной нейтралью. Выключатели типа ВВ/ТЕL являются коммутационными аппаратами нового поколения, защищенными

патентом РФ №2020631 от 30.09.1994 г. Гашение электрической дуги переменного тока осуществляется при разведении контактов в глубоком вакууме (остаточное давление порядка 10-6 мм. рт. ст.). Поскольку электрическая прочность вакуумного промежутка чрезвычайно высока (~30 кВ/мм), отключение гарантированно происходит при зазорах более 1 мм. Полное время отключения не более 0,025 с.

Выбор вакуумного выключателя:

по номинальному напряжению  , 10 кВ =10 кВ.

по номинальному току  , 165,7.

проверка на электродинамическую стойкость при КЗ на сборных шинах тяговой подстанции 10 кВ

,5 кА >6,4 кА.

,

кА >9,797 кА.

проверка на термическую стойкость при КЗ на сборных шинах ТП 10 кВ

,


проверка выключателя на симметричный ток отключения

,


проверка выключателя на возможность отключения апериодической составляющей тока КЗ , для этой цели рассчитывается для момента времени от начала КЗ до расхождения контактов выключателя

,

где  - минимальное время действия релейной защиты,

= 0,01с;

 - собственное время отключения выключателя по каталогу (0,015 с).

,


Далее определяется процентное содержание в токе КЗ

,


проверяется выполнение условия , по каталогу  . Проверку выключателя на возможность отключения апериодической составляющей тока КЗ  можно выполнить следующим образом

,


выбор выключателя по включающей способности

 и ,

 и

Выключатель марки ВВ/ТЕL-10-12,5/400-У2-41 удовлетворяет всем условиям выбора и проверки и может использоваться в РУ 10 кВ ТП.

8. Выбор разъединителей


В РУ 6 или 10 кВ используются разъединители типа РВЗ, если распределительное устройство выполняется из камер типа К - XXVI, в которых оборудование располагается на выкатной тележке.

Разъединители предназначены для разъединения и соединения предварительно обесточенных электрических цепей. Разъединители в отключенном положении создают видимый разрыв в электрической цепи и обеспечивают безопасность работы персонала, производящего осмотр или ремонт отключенной части электроустановки. Разъединители не имеют устройств для гашения дуги, и поэтому ими нельзя отключать цепи под нагрузкой, так как это приводит к возникновению устойчивой дуги, вызывающей междуфазные КЗ.

Выбираются разъединители типа РВЗ на номинальный ток 400 А

по номинальному напряжению

,


по номинальному току

,


Выбранные разъединители РВЗ-10/400 I УЗ следует проверить на динамическую стойкость в режиме КЗ

,

где  - предельный сквозной ток главных ножей разъединителя, кА;

 из справочника;

 - ударный ток КЗ на сборных шинах ТП, кА.


на термическую стойкость в режиме КЗ

.

Нормированные ток термической стойкости и время его действия из

справочника для разъединителей выбранных марок: ,


Разъединители РВЗ - 10/400 I УЗ выбраны верно и удовлетворяют условиям динамической и термической стойкости в режиме КЗ на сборных шинах 10 кВ ТП и могут быть использованы в РУ 10 кВ ТП.

9. Выбор измерительных трансформаторов


Измерительные трансформаторы предназначены для уменьшения первичных токов и напряжений до значений, наиболее удобных для подключения измерительных приборов, реле защиты, устройств автоматики. Применение измерительных трансформаторов обеспечивает безопасность работающих, т.к. цепи высокого и низкого напряжения разделены, а также позволяет унифицировать конструкцию и параметры приборов и реле.

Средства измерений электрических величин должны удовлетворять следующим основным требованиям:

) класс точности измерительных приборов должен быть не хуже 2,5;

) классы точности измерительных шунтов, добавочных резисторов, трансформаторов и преобразователей должны быть не хуже приведённых в таблице [2, с.58]

Таблица 6 - Классы точности средств измерений

Класс точности прибора

Класс точности шунта, добавочного резистора

Класс точности измерительного преобразователя

Класс точности измерительного трансформатора

1,0

0,5

0,5

0,5

1,5

0,5

0,5 (допускается 1,0)

0,5 (допускается и 1,0)

2,5

0,5

1,0

1,0 (допускается и 3,0)


) пределы измерения приборов должны выбираться с учётом возможных наибольших длительных отклонений измеряемых величин от номинальных значений.

Измерение тока должно производиться в цепях всех напряжений, где оно необходимо для систематического контроля технологического процесса или оборудования. Измерение постоянного тока должно производиться в цепях силовых преобразователей. В цепях переменного трехфазного тока следует, как правило, измерять ток одной фазы [2, с.59]. По требованиям ПУЭ измерение тока каждой фазы в электрических цепях на ТП не требуется. Согласно ПУЭ измерение напряжения на ТП должно производиться:

) на секциях сборных шин переменного тока, которые могут работать раздельно;

) в цепях силовых преобразователей.

В трехфазных сетях производится измерение, как правило, одного междуфазного напряжения.

Измерение мощности, частоты на тяговых подстанциях не требуется [2, с.60 - 61].

На ТП учёт активной электроэнергии должен обеспечивать определение количества энергии отпущенной ей из электрической сети. Расчётные счётчики активной электроэнергии на ТП должны устанавливаться на вводе линии электропередачи в подстанцию и на стороне высшего напряжения трансформаторов преобразовательных агрегатов, а также на трансформаторах собственных нужд со стороны низшего напряжения.

Каждый установленный расчётный счётчик должен иметь на винтах, крепящих кожух счетчика, пломбы с клеймом госповерителя, а на зажимной крышке - пломбу энергоснабжающей организации. На вновь устанавливаемых трёхфазных счётчиках должны быть пломбы государственной поверки с давностью не более 12 месяцев, а на однофазных счётчиках - с давностью не более 2-х лет. Учет активной и реактивной электроэнергии трехфазного тока должен производиться с помощью трёхфазных счётчиков [2, с.52]. Класс точности расчётных счётчиков активной электроэнергии на ТП 2. Класс точности трансформаторов тока и напряжения для присоединения расчётных счётчиков электроэнергии должен быть не более 0,5. Допускается использование трансформаторов напряжения имеющих класс точности 1,0 для включения расчётных счётчиков класса точности 2,0. Допускается применение трансформаторов тока с завышенным коэффициентом трансформации (по условиям электродинамической и термической стойкости или защиты шин), если при максимальной нагрузке присоединения ток во вторичной обмотке трансформатора тока будет составлять ≥ 40% номинального тока счётчика, а при минимальной рабочей нагрузке - не менее 5%.

Присоединение токовых обмоток счетчиков к вторичным обмоткам трансформаторов тока следует проводить отдельно от цепей защиты и совместно с электроизмерительными приборами. Нагрузка вторичных обмоток измерительных трансформаторов, к которым присоединяются счётчики, не должна превышать номинальных значений. Сечение и длина проводов в цепях напряжения расчётных счётчиков должны выбираться так, чтобы потери напряжения в этих цепях составили ≤ 0,25% от номинального напряжения при питании от трансформаторов напряжения, имеющих класс точности 0,5 и ≤ 0,5% при питании от трансформаторов напряжения с классом точности 1,0. Для обеспечения этого требования допускается применение отдельных проводов от трансформаторов напряжения до счётчиков. Потери напряжения от трансформаторов напряжения до счётчиков технического учёта должны составлять не более 1,5% номинального напряжения.

Для питания цепей счётчиков могут применяться как однофазные, так и трёхфазные трансформаторы напряжения, в том числе четырёх - и пятистержневые, применяемые для контроля изоляции фаз. Трансформаторы напряжения, защищённые на стороне высшего напряжения предохранителями, должны иметь контроль целостности предохранителей [2, с.54]. С этой целью выпускаются предохранители кварцевые для трансформаторов напряжения типа ПКН 001-10 У1,3.

На подстанциях потребителей, какими являются ТП, конструкция решеток и дверей камер, в которых установлены предохранители на стороне высшего напряжения трансформаторов напряжения, используемых для расчётного учета, должна обеспечивать возможность их пломбирования. Рукоятки приводов разъединителей трансформаторов напряжения, используемых для расчётного учёта, должны иметь приспособления для их пломбирования [2, с.54].

Счётчики размещаются в легко доступных для обслуживания сухих помещениях, в достаточно свободном и не стесненном для работы месте с температурой в зимнее время ≥ 0°С. Счётчики общепромышленного исполнения не разрешается устанавливать в помещениях, где по производственным условиям температура может часто превышать +40°С, а также в помещениях с агрессивными средами [2, с.54]. Счётчики должны

устанавливаться в шкафах, камерах комплектных распределительных устройств (КРУ, КРУН), на панелях, щитах, в нишах, на стенах, имеющих жесткую конструкцию. Допускается крепление счётчиков на деревянных, пластмассовых или металлических щитках. Высота от пола до коробки зажимов счётчиков должна составлять 0,8 - 1,7 м. Допускается высота менее 0,8 м, но не менее 0,4 м [2, с.55]. Счётчики и вторичные обмотки измерительных трансформаторов подлежат рабочему заземлению для обеспечения работы электрических аппаратов. Заземление во вторичных цепях трансформаторов тока или напряжения следует предусматривать в одной точке на ближайшей от трансформаторов сборке зажимов или на зажимах трансформаторов тока или напряжения.

В качестве щитовых электроизмерительных приборов: амперметров и вольтметров, для измерения тока и напряжения в цепях 6 (10) кВ используются электромагнитные приборы типов: Э 350, Э 351, Э 377; для учёта электрической энергии переменного тока номинальной частоты 50 Гц используются счётчики индуктивной системы типов: САЗ-И670М, САЗУ-И670М, СА4-И672М, СА4У-И672М, СР4-И673М, СР4У-И673М. Потребляемая мощность (активная и полная) при номинальном напряжении и номинальной частоте не превышает для счётчиков активной энергии 1,5Вт (6 ВА), для счётчиков реактивной энергии 1,5 Вт (5,5 ВА) для класса точности 2.

На смену индукционным счётчикам выпускаются микропроцессорные счётчики электроэнергии типов: Альфа (Плюс); ЕвроАльфа; Дельта. Рязанский приборный завод выпускает счётчик электрической энергии СЭТЗ, предназначенный для учёта активной и реактивной энергии в трёхфазных трёх - и четырёхпроводных сетях переменного тока. Потребляемая активная (полная) мощность цепей напряжения для счётчика активной энергии 2Вт (10ВА), для счётчика реактивной энергии - 4ВА.

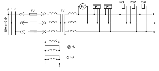
Рисунок 7 - Схема включения трехфазных счетчиков САЗ, САЗУ для измерения активной энергии в трехпроводной сети напряжением выше 1000 В.

Рисунок 8 - Принципиальная схема включения трехфазных счетчиков СР4, СР4 для измерения реактивной электроэнергии в сети напряжением выше 1000 В.

9.1 Выбор трансформаторов тока


Трансформатор тока для ввода 10 кВ следует выбрать по назначению с двумя вторичными обмотками: одна класса 0,5 для включения в цепь щитовых электроизмерительных приборов: амперметра типа Э 377, потребляемая мощность катушки которого составляет 0,1 Вт; счетчика ватт-часов для трехпроводных и четырехпроводных сетей типа СА4У-И672М, потребляемая мощность катушки тока 2,5Вт; счетчика вольтампер∙часов реактивный для трехпроводных и четырехпроводных сетей типа СР4У-И672М, потребляемая мощность катушки тока 2,5Вт; другая вторичная обмотка класса 10Р для включения в цепь ввода реле тока типа РТ-40 максимальной токовой защиты ввода, потребляемая мощность реле 0,5 ВА, коэффициент возврата 0,8.

Рисунок 9 - Расчетная схема для выбора ТТ по классу точности

Выбирается трансформатор тока типа ТПЛ-10-400-0,5/10Р

по номинальному напряжению , по номинальному току первичной обмотки

,


Трансформатор тока ТПЛ-10-400-0,5/10Р проверяется на динамическую стойкость в режиме КЗ

,

где  берется из справочных данных [4, c.294-295].


на термическую стойкость в режиме КЗ

,

где коэффициент kT=35, нормируемое время термической стойкости Зс берется из справочных данных [4, с.294-295].


по классу точности проверяется вторичная обмотка класса 0,5

,

Суммарное сопротивление приборов, присоединяемых к обмотке класса 0,5, определяется исходя из их потребляемых мощностей

,

,

,


Сопротивление контактов =0,05Ом

Номинальная нагрузка в классе точности 0,5

 [4].

Допустимое сопротивление соединительных проводов

,


Допустимое сечение соединительных проводов с медными жилами

,

где -удельное сопротивление материала провода; расчетная длина проводов, зависящая от схемы соединения трансформаторов тока и расстояния  от трансформаторов тока до приборов и реле. Длина соединительных проводов  для присоединения к ТТ измерительных приборов или реле в камерах ввода и преобразовательного агрегата в РУ 10 кВ на ТП принимается 4-6 м, если учесть место расположения трансформаторов тока, измерительных приборов и реле в камерах ввода и преобразовательного агрегата.


В качестве соединительных проводов предлагаются медные провода стандартным сечением 1,5 мм2, тогда сопротивление проводов составит 0,068 Ом. Действительная нагрузка вторичной обмотки класса 0,5


не превышает номинальную нагрузку 0,4 Ом. Следовательно, обмотка, к которой присоединены измерительные приборы, будет работать с погрешностью не более 0,5%. Теперь необходимо проверить по классу точности обмотку 10Р

,

,


Сопротивление контактов Rк=0,05 Ом

Номинальная нагрузка в классе точности 10Р .

При сечении соединительных проводов 2,5 мм2 с медными жилами и длине 6 м сопротивление проводов составит 0,068 Ом.


что не превышает номинальную нагрузку 0,6 Ом в классе точности 10Р.

Работа трансформаторов тока с погрешностью соответствующего класса обеспечивается лишь при токах, не превышающих 120% номинального, и вторичной нагрузке, не выходящей за пределы номинальной. Для релейной защиты в отличие от измерительных приборов соответствующая точность работы трансформаторов тока необходима, главным образом, при токах КЗ, которые во много раз превышают токи нормального режима. Поэтому только погрешности измерения, характеризующие класс точности трансформатора тока, не могут служить окончательным основанием его выбора для питания релейной защиты.

Для обеспечения правильной работы большинства устройств релейной защиты при токе КЗ ошибки трансформаторов тока, питающих эти устройства, не должны превышать 10% -ную погрешность (т.е. погрешность, обусловленную током намагничивания трансформатора тока, которая не должна превышать 10% первичного тока).

Заводы-изготовители указывают для трансформаторов тока, предназначенных для релейной защиты (с обозначением сердечников Р), величины 10% - ной кратности и соответствующие ей вторичные нагрузки (в омах или вольтамперах). Под 10% -ной кратностью понимается кратность первичного тока по отношению к номинальному, при которой погрешность трансформатора тока может достигать 10% при указанной вторичной нагрузке. В заводской и справочной информации на трансформаторы тока, как правило, приводятся кривые 10% -ных кратностей, представляющие собой зависимость кратности первичного тока от величины вторичной нагрузки (для трансформатора тока типа ТПЛ приведены на рисунке 7.)

Рисунок 10 - Кривая предельной кратности для трансформатора тока ТПЛ-10

На основании этих данных и кривых производится проверка трансформаторов тока на 10% -ную погрешность, которая заключается в том, чтобы для конкретных условий убедиться, что трансформаторы тока работают с погрешностью не более 10%.

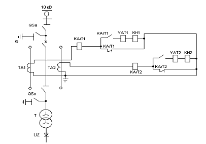
Обмотка ТТ класса точности 10Р используется для подключения схемы максимальной токовой защиты с отсечкой преобразовательного агрегата от токов перегрузки и КЗ, которая показана на рисунке 9.

Данная схема МТЗ выполняется на основе реле тока РТ-86.

Ток срабатывания защиты определяется по условию

,

где  - коэффициент надежности, учитывающий погрешность реле и необходимый запас, для реле тока РТ-86 выбирается 1,1÷1,2 [4];

 - коэффициент возврата реле тока РТ-86,=0,8 [4];

 - коэффициент самозапуска, учитывает увеличение тока в

предаварийном режиме, а именно ток намагничивания преобразовательного трансформатора, ориентировочно равный 6,5-кратной величине номинального тока трансформатора [5, с.46];

принимается равным номинальному току силового трансформатора преобразовательного агрегата марки ТСЗП-630/10.

Рисунок 11 - Схема МТЗ преобразовательного агрегата

,

где  - номинальная мощность трансформатора, кВА.


Ток срабатывания реле РТ-86

,

где  - коэффициент схемы, показывающий во сколько раз ток в реле защиты больше, чем вторичный ток трансформатора тока, для схем соединения трансформаторов в неполную звезду, ;

 - коэффициент трансформации трансформатора тока,

.

Расчетный первичный ток определяется по выражению . Imax принимается равным току, при котором начинается независимая часть характеристики реле РТ-86/1 60А;  - коэффициент, учитывающий неточность расчетов и влияния апериодической составляющей тока КЗ на работу трансформаторов тока, рекомендуемое для МТЗ и токовой отсечки значение .

, А

Кратность расчетного тока

,

где 0,8 - коэффициент, учитывающий возможное ухудшение характеристики намагничивания установленного трансформатора тока по сравнению с типовой характеристикой.


Величина допустимой вторичной нагрузки трансформатора тока  по кривой 10% -ной кратности для  составляет 3 Ом. Допустимую величину нагрузки следует сравнить с фактической расчетной вторичной нагрузкой.

,

Сопротивление обмотки реле тока РТ-86 определяется, исходя из мощности, потребляемой реле 10,


Сопротивление соединительных проводов с жилой из меди, сечением 1,5 мм2 и длиной 6м.

,

Сопротивление контактов 0,05Ом.  \Фактическая расчетная нагрузка вторичной обмотки ТТ


не превышает допустимую величину 3 Ом.

,

,56 Ом < 3 Ом.

Погрешность работы обмотки ТТ класса точности 10Р не превышает 10%.

 

9.2 Выбор трансформатора напряжения


Трансформатор напряжения (ТН) будет присоединяться к сборным шинам 10 кВ на ТП. Выбирается трансформатор напряжения типа НАЛИ-10-66-У3 класса точности 0,5, так как к вторичной обмотке ТН будет подключатся счетчик активной энергии для денежного расчета, требующий класс точности 0,5.

По номинальному напряжению выбирается ТН на 10 кВ, ,

Выбранный ТН следует проверить на соответствие классу точности 0,5 согласно расчетной схеме присоединения измерительных приборов и реле к ТН.

Рисунок 12 - Расчетная схема присоединения измерительных приборов и реле напряжения к ТН.

Для измерения напряжения на шинах 10 кВ выбирается вольтметр типа Э350 (потребляемая мощность катушки напряжения 3В∙А [4]), для измерения расхода активной электроэнергии - счётчик активной энергии САЗУ-И670М (потребляемая мощность цепи напряжения полная 6В∙А, активная 1,5Вт), для измерения реактивной электроэнергии - счетчик реактивной мощности типа

СР4У-И673М (потребляемая мощность цепи напряжения полная 5,5В∙А, активная 1,5Вт), защита от понижения напряжения на шинах 10 кВт будет выполнятся с помощью реле напряжения типа РН-54 (потребляемая мощность 1В∙А). Для расчета составляется таблица 5.

Таблица 6

Наименование и тип прибора

Мощность 1 катушки прибора

Число катушек напряжения на фазу

соssinP, ВтQ, ВАр




Вольтметр Э350

3,0 11,003,0-






Счётчик активной энергии САЗУ-И670М

1,5 Вт (6 ) 10,250,971,55,82






Счетчик реактивной энергии СР4У-И673М

1,5 Вт (5,5 ) 10,270,961,55,28






Реле напряжения

1 11,001,0-







,

Мощность потребляемая измерительными приборами и реле, подключенными к вторичной обмотке ТН,

,

где -сумма активных мощностей приборов и реле, подключенных к наиболее загруженной фазе ТН, Вт;

 - сумма реактивных мощностей приборов и реле, В∙Ар.

.

Для вольтметра и реле напряжения , , расчеты сведены в таблицу 5.


Условия работы выбранного трансформатора напряжения НАЛИ-10-66УЗ в классе точности 0,5 выполняется, так как , номинальная мощность в классе точности 0,5  составляет 200 , .

 


10. Выбор предохранителей


Предохранители применяют для защиты от токов КЗ и перегрузки силовых трансформаторов и линий переменного тока малой мощности, а также измерительных трансформаторов напряжения. На тяговых подстанциях применяют кварцевые предохранители типа ПКТ для защиты трансформаторов собственных нужд мощностью 25, 40 кВА и типа ПКН для защиты измерительных трансформаторов напряжения.

Для защиты трансформатора собственных нужд выбирается плавкий предохранитель типа ПКТ на номинальное напряжение 10 кВ, так как напряжение электрической цепи, в которой предохранитель будет использоваться, 10 кВ.

Определяется ток, который должен отключать предохранитель , где  - коэффициент отстройки от перегрузки, который принимается равным 1,5-2 при  (тяжелые условия) [8, с.67];

 - номинальный ток силового трансформатора, рассчитывается в зависимости от мощности трансформатора . (ТЛС-100/10 мощностью 100 кВА)

 

Номинальный ток отключения предохранителя должен быть больше или равен действующему значению периодической составляющей ожидаемого тока КЗ .

.

По току 11,4А выбирается предохранитель с номинальным током 31,5А,

По отключающей способности выбирается предохранитель с номинальным током отключения 31,5 кА, , 31,5 кА >6,6 кА.

Окончательно для защиты ТСН выбирается предохранитель типа ПКТ101-10-5-31,5 УЗ

Для защиты трансформатора напряжения предлагается предохранитель типа ПКН001-10УЗ на номинальное напряжение 10кВ.

 


11. Выбор изоляторов

 

11.1 Выбор опорных изоляторов


Изоляторы служат для механического крепления токоведущих частей и электрической изоляции их от заземленных конструкций и друг от друга. Опорные изоляторы в первую очередь используются для крепления сборных шин. Механическая нагрузка на изоляторы зависит от пролета шин  и нагрузки на шины . Поэтому выбор изоляторов производится одновременно с выбором шин.

Выбираются опорные изоляторы ребристые типа ИОР-10-3,75 УХЛ, Т2 ,

При установки шин "плашмя" на изоляторах


Все условия выбора выполняются.

 

11.2 Выбор проходных изоляторов


Проходные изоляторы используются для вывода токоведущих частей из здания и прокладки их через стены и перекрытия внутри здания ТП. Проходные изоляторы выбираются по номинальному напряжению, ; по номинальному току ; по допустимой нагрузке, , . Выбирается проходной изолятор типа ИП-10/400-750-IУ, ХЛ, Т2.


Все условия выбора выполняются, изолятор выбран верно.

 


12. Релейная защита на ТП


Электроустановки должны быть оборудованы устройствами релейной защиты (РЗ), предназначенными для:

а) автоматического отключения поврежденного элемента от остальной, неповрежденной части электрической системы (электроустановки) с помощью выключателей; если повреждение (например, замыкание на землю в сетях с изолированной нейтралью) непосредственно не нарушает работу электрической системы, допускается действие релейной защиты только на сигнал;

б) реагирование на опасные, ненормальные режимы работы элементов системы (например, перегрузку).

В зависимости от режима работы и условий эксплуатации электроустановки РЗ должна быть выполнена с действием на сигнал или отключение тех элементов, оставление которых в работе может привести к возникновению повреждений. Релейная защита, действующая на отключение, как правило, должна обеспечивать селективность действия с тем, чтобы при повреждении какого-либо элемента электроустановки отключится только этот поврежденный элемент. Действие релейной защиты должно фиксироваться указательными реле, встроенными в реле указателями срабатывания в той степени, в какой это необходимо для учета и анализа работы защит.

На вводах 6-10 кВ ТП в качестве релейной защиты применяется одноступенчатая защита на основе МТЗ с независимой от тока выдержкой времени с помощью двух реле тока типа РТ-40.

Для защиты преобразовательных агрегатов на ТП используется двухступенчатая токовая защита с использованием двух реле тока типа РТ-85, зависимая часть токовременной характеристики данного реле используется для обнаружения перегрузок в ПА, а токовая отсечка - коротких замыканий в ПА и внешних КЗ.

Заключение


Для кольцевой схемы внешнего электроснабжения выбран трехжильный кабель марки СБ на напряжение 10 кВ с медными жилами с бумажной изоляцией в свинцовой оболочке и броней из двух стальных лент сечением 150 мм2 и 50 мм2.

Выполнен расчет токов трёхфазного короткого замыкания на сборных шинах 6 кВ, которые равняются , и  .

Для РУ 10 кВ выбраны следующие электрические аппараты: высоковольтный выключатель марки ВВ/TEL-10-630-12,5; разъединители двух марок РВЗ - 400/10 и РВФЗ-400/10; трансформаторы тока марки ТПЛ-10 производства ОАО "Электрощит" Самара. На тяговой подстанции предполагается установить три ПА марки ВАКЛЕ-2000/600Н, рассчитанные по заданным эффективным и максимальным токам ТП. Преобразовательные трансформаторы марки ТСЗПУ-2000/10 можно установить без сооружения отдельных трансформаторных камер с установкой их в том же помещении, что и выпрямители.

РУ 10 кВ выполняется из 10 ячеек марки KXVI, РУ+600 В - 8 ячеек; РУ - 600 В - 4 ячейки.

Список использованных источников


1.      Корнеева М.А. Тяговые подстанции: Учебное пособие для выполнения курсового проекта. - Иркутск: Изд-во ИрГТУ, 2004. - 128с.

2.      Корнеева М.А. Тяговые подстанции городского электрического транспорта: Учебное пособие к курсовому и дипломному проектированию. - Иркутск: Изд-во ИрГТУ, 2000. - 57с.

.        Загайнов Н.А. Тяговые подстанции трамвая и троллейбуса: Учебник для техникумов. - Москва: Изд-во Транспорт, 1988. - 327с.

.        Неклепаев Б.Н., Крючков И.П. Электрическая часть электростанций и подстанций: Справочные материалы для курсового и дипломного проектирования: Учеб. Пособие для вузов. - 4-е изд., перераб. и доп. - М.: Энергоатомиздат, 1989. - 608с.

Похожие работы на - Расчет трехагрегатной тяговой подстанции на 10кВ

 

Не нашли материал для своей работы?
Поможем написать уникальную работу
Без плагиата!
Без нейросетей!