Конструкторско-технологическая подготовка производства по выпуску редуктора РД-8
ВВЕДЕНИЕ
Машиностроительная отрасль является одним из
приоритетных экономических секторов Республики Казахстан. Сегодня в этой сфере
накопилось немало проблем, которые надо решать:
снижение численности работников
машиностроительной отрасли с 350 тысяч человек до 17 тысяч человек;
сокращение машиностроительных предприятий и
сейчас, по статистическим данным, работает около 900 предприятий. Исчезли такие
крупные предприятия, как Павлодарский тракторный завод. В советские времена
этот завод выпускал в год более 50 000 гусеничных тракторов в год. Сейчас его
нет, остался только один корпус, который принадлежит «Казахстантрактору».
Исчезли и другие заводы. К примеру, в Алматы был завод «Поршень», который
отливал поршни для тракторов и автомобилей - его нет, как и многих других;
износ оборудования на машиностроительных
предприятиях, который достиг уже около 60 %. То есть пользуются те станки,
которые были закуплены еще в советское время. Оборудование работает уже по
30-40 лет, хотя нормативный срок работы станков не должен превышать 10 лет, и
это значит, что станки проработали в два с лишним раза больше, чем положено.
Инвесторы и инвестиционные фирмы требуют
заданного уровня качества, которого невозможно достичь на старом оборудовании
[1].
К приоритетным направлениям развития
машиностроения Республики Казахстан относятся:
сельскохозяйственное и тракторное
машиностроение;
машиностроение для горнодобывающей и
перерабатывающей промышленности;
машиностроение для нефтегазодобывающей и
нефтеперерабатывающей промышленности;
машиностроение для строительной и строительно -
дорожной отраслей;
производство машин и оборудования для легкой и
пищевой промышленности;
выработка и реализация научно - технической
политики, направленной на коренную модернизацию, техническое и технологическое
обновление и экологизацию производства, энерго- и ресурсосбережение, вовлечение
в сферу производства природных отходов и вторичного сырья;
организация информационного и технологического
взаимодействия всех участников жизненного цикла машиностроительной продукции с
использованием современных информационных технологий;
научно - технологический мониторинг и подготовка
предложений по приоритетам государственной политики в области стандартизации,
метрологии, сертификации и лицензирования в машиностроении;
развитие и совершенствование нормативно -
технологической базы для осуществления прогрессивных преобразований
машиностроительной отрасли, отработка механизмов взаимодействия предприятий
различных форм собственности с центральными, местными, корпоративными и
отраслевыми органами управления [1].
Нефтедобывающая промышленность в Казахстане
развивается все больше. Кроме имеющихся старых открытых месторождений,
открываются новые. По стратегии развития Казахстана до 2030 года особая роль
отводится нефтегазовой отрасли промышленности. Определяя в качестве
долгосрочных приоритетов топливно-энергетические ресурсы, эффективное
использование которых будет способствовать устойчивому росту экономики и
улучшению жизни народа, программа нацеливает на решение ключевых вопросов,
имеющих принципиальное значение для всего нефтегазового комплекса. В связи с
этим, решение вопросов конструкторско-технологического усовершенствования
редуктора РД-8 , входящего в состав привода штангового глубинного насоса ПШГНТ
8-3-4000, является актуальным в настоящее время.
1. Общая часть
технологичность деталь допуск заготовка
1.1 Определение типа
производства
Различают три типа производства: единичное,
серийное, массовое.
Единичное производство характеризуется обширной
номенклатурой изделий, широким использованием универсального оборудования и
инструмента, наличие высококвалифицированных рабочих [2].
В серийном производстве изделия обрабатываются
партиями, повторяющимися через определенный промежуток времени. В зависимости
от размеров партий и их повторяемости условно выделяют мелко - серийное,
серийное и крупно - серийное производство[2].
Массовым принято считать производство, в котором
обработка одноименных изделий ведётся непрерывно, имеется четкое разделение
узловой и общей сборки. Технологический процесс разрабатывается в соответствии
с детализацией, оборудование располагается по потоку с учетом требования
технологии сборки [2].
В курсовом проекте деталью
представителем является вал-шестерня с годовой программой выпуска
500 штук в
год. Масса детали составляет
68 кг. Тип производства выбирается
по таблице 1.1 - единичное производство. На машиностроительных предприятиях
единичное производство характеризуется широким ассортиментом продукции и малым
объемом выпуска одинаковых изделий, зачастую не повторяющихся. Особенности
этого типа производства заключаются в том, что рабочие места не имеют глубокой
специализации, применяются универсальное оборудование и технологическая
оснастка, большая часть рабочих имеет высокую квалификацию, значительный объем
ручных сборочных и доводочных операций, здесь высокая трудоемкость изделий и
длительный производственный цикл их изготовления, значительный объем
незавершенного производства.
Разнообразная номенклатура делает единичное
производство более мобильным и приспособленным к условиям колебания спроса на
готовую продукцию [2] .
1.2 Расчет по программе
выпуска изделий
Определяется количества необходимого
оборудования и числа рабочих.
Номинальный годовой фонд времени работы
оборудования, в днях определяется по формуле [3]
(1.1)
Таблица 1.1 - Годовая программа выпуска деталей
(в шт) по типам производства в механических цехах
|
Максимальная
масса обрабатываемой заготовки (детали), кг
|
Тип
производства
|
|
Единичное
|
Мелкосерийное
|
Серийное
|
Крупносерийное
|
Массовое
|
|
До
200
|
До
1000
|
1000-5000
|
5000-10000
|
10000-100000
|
Свыше
100000
|
|
До
2000
|
До
20
|
20-500
|
500-1000
|
1000-5000
|
Свыше
5000
|
|
До
30000
|
До
5
|
5-100
|
100-300
|
300-1000
|
Свыше
1000
|
|
Свыше
30000
|
До
3
|
3-10
|
10-500
|
-
|
-
|
где
- количество календарных,
праздничных и выходных дней в году,
дней,
дней,
дней;
h -
продолжительность смены, h - 8 часов;
S -
сменность, S =1 смена.
ч
Действительный годовой фонд работы
оборудования, в часах вычисляется по формуле [3]
(1.2)
где
- коэффициент, учитывающий простой
оборудования в плановом ремонте,
- 0,97 для металлорежущего
оборудования [3].
ч
1.3
Определение календарно-плановых нормативов
Производственная программа распределяется
по кварталам, месяцам года пропорционально рабочим дням.
Определяется программу запуска
изделия.
Для механических цехов программа
запуска определяется по формуле
(1.3)
где
- коэффициент технологических
потерь, учитывающий брак и другие потери, равный 0,3, [3];
- годовой объем выпуска изделий,
штук;
- количество деталей, приходящих на
единицу изделия.
шт
2.
Технологическая подготовка производства
.1 Этапы
технологической подготовки производства
.1.1
Система технологической подготовки производства
Технологическая подготовка
производства представляет собой совокупность мероприятий, обеспечивающих
технологическую готовность производства, т.е. наличие на предприятии полных
комплектов конструкторской и технологической документации и средств
технологического оснащения, необходимых для выпуска заданного объема продукции
с установленными технико-экономическими показателями, Так, трудоемкость
технологической подготовки по отношению к общей трудоемкости технического
проекта изделия в единичном производстве составляет 20-25%, в серийном 50-55%,
а в крупносерийном и массовом - 60-70%. Это связано с тем, что если двигаться
от единичного производства к серийному и далее к массовому, то степень
технологической оснащенности возрастает, а, следовательно, увеличивается и
объем работ по технологической подготовке производства [4].
Технологическая подготовка
производства на предприятии выполняется отделами явного технолога, главного
металлурга, а также технологическими бюро основных цехов, в ведении которых
находятся литейные, кузнечные, механические и сборочные цехи. Материальной
базой для них служат инструментальный и модельный цехи, технологические
лаборатории, опытное производство [4].
До начала работ по
технологической подготовке производства, как правило, проводится
технологический контроль чертежей, который необходим для анализа и проверки
запроектированных изделий (деталей) на технологичность их конструкций,
правильность назначения классов точности обработки, рациональность схем сборки
и т. д [5].
Основными этапами
технологической подготовке производства являются:
разработка технологических
процессов;
проектирование технологической
оснастки и нестандартного оборудования;
изготовление средств
технологического оснащения (оснастки и нестандартного оборудования);
выверка и отладка
запроектированной технологии и изготовленного технологического оснащения.
На первом этапе осуществляют
выбор рациональных способов изготовления деталей и сборочных единиц, разработку
новых технологических процессов. Эта работа выполняется на основе: чертежей на
вновь спроектированное изделие; ГОСТов, отраслевых и заводских стандартов на
материалы, инструмент, а также на допуски и припуски; справочников и
нормативных таблиц для выбора режимов резанья; панируемых размеров выпуска
изделий [5].
Содержание работ по проектированию
технологических процессов складывается из следующих элементов: выбора вида
заготовок; разработки межцеховых маршрутов; определение последовательности и
содержание технологических операций; определение выбора и средств
технологического оснащения; установление порядка, методов и средств
технологического контроля качества; назначение расчетов резания;
технологического нормирования операций производственного процесса; организаций
производственных участков; формирование рабочей документации на технологические
процессы в соответствии с ЕСТП [5].
На втором этапе технологической
подготовке производства, во-первых, проектируют конструкции моделей, штампов,
приспособлений, специального инструмента и нестандартного оборудования, а
во-вторых, разрабатывают технологический процесс изготовления технологического
оснащения, который должен быть достаточно универсальным, но в то же время
прогрессивным, совершенным и обеспечивающим высокое качество изготовляемых
деталей.
Разработка конструкций
технологической оснастки осуществляется конструкторскими бюро по оснастке и
инструменту в тесной взаимосвязи с технологами, которые проектируют
технологические процессы обработки деталей нового изделия [5].
На третьем этапе технологической
подготовки производства изготавливают всю оснастку и нестандартное
оборудование. Это наиболее трудоемкая часть технологической подготовки (60 - 80
% труда и средств от общего объема технологической подготовки производства).
Поэтому, как правило, эти работы проводят постепенно, ограничиваясь, вначале
минимально необходимой оснасткой первой необходимости, а затем повышая степень
оснащенности и механизации производственного процесса до максимальных
экономически оправданных пределов. На этом этапе осуществляют перепланировку
(если это необходимо) действующего оборудования, монтаж и опробование нового и
стандартного оборудования и оснастки, поточных линий и участков обработки и
сборки изделий [5].
На четвертом этапе
технологической подготовке производства выверяют и налаживают запроектированную
технологию; окончательно отрабатывают детали и узлы на технологичность;
выверяют пригодность и рациональность спроектированной оснастки и
нестандартного оборудования, удобство разборки и сборки изделия; устанавливают
правильную последовательность выполнения этих работ; проводят хронометраж
механообрабатывающих и сборочных операций и окончательно оформляют всю
технологическую документацию [5].
Технологическая документация для различных типов
производства (единичного, серийного и массового) отличается глубиной разработки
технологических процессов и степенью их детализации. Сначала разрабатываются
маршрутные межцеховые карты на технологические процессы изготовления деталей и
сборочных единиц. Маршрутные ]рты указывают последовательность прохождения
заготовок, деталей или сборочных единиц по цехам и производственным участкам
предприятия. Для изготовления деталей сборки изделия в единичном или
мелкосерийном производствах достаточно иметь конструкторскую документацию,
маршрутное или маршрутно-операционное описание технологического процесса либо
перечень полного состава технологических операций без указания переходов и
технологических режимов. Для серийного и массового производств, кроме
маршрутной технологии разрабатывается технологический процесс с операционным
описанием формообразования, обработки и сборки. При этом для единичных
технологических процессов разрабатывается операционная технологическая карта,
для типовых технологических процессов - карта типовой операции. В них указываются
все переходы по данной конкретной операции и способы выполнения каждого,
технологические режимы, данные о средствах технологического оснащении,
материалах и затратах труда [5].
Кроме того, для определения изделий
разрабатываются карты типовых технологических процессов нанесения
электролитических покрытий, химической обработки, нанесения лакокрасочных
покрытий, ведомости удельных норм расхода растворителей, анодов, химикатов,
ведомости подетальных отходов и другие документы [5].
Исходная информация для
разработки технологических процессов может быть базовой, руководящей и
справочной. Базовая информация включает наименование объекта, а также данные,
содержащиеся в конструкторской документации. Руководящая информация - это
отраслевые и заводские стандарты, устанавливающие требования к технологическим
процессам, оборудованию, оснастке, документация на действующие типовые и
групповые технологические процессы, производственные инструкции, документация
для выбора нормативов по технике безопасности и промышленной санитарии.
Справочная информация включает документацию опытного производства, описания
прогрессивных методов изготовления, каталоги, справочники, альбомы компоновок,
планировок и др. [5].
.2 Разработка
технологии сборки узла
.2.1 Служебное
назначение узла
Привод штангового глубинного
насоса ПШГНТ 8-3-4000 предназначен для индивидуального механического привода
штанговых скважинных насосов при добыче нефти из скважин. Технические данные
привода представлены в таблице 2.1.
ПШГНТ 8-3-4000 представляет собой поршневой
насос одинарного действия, шток которого связан колонной штанг с наземным
приводом - станком-качалкой. Последний включает в себя кривошипно-шатунный
механизм, преобразующий вращательное движение первичного двигателя в
возвратно-поступательное движение и сообщает его колонне штанг и плунжеру
насоса [7].
Подземное оборудование составляют:
насосно-компрессорные трубы, насос, штанги, устройства для борьбы с
осложнениями.
К наземному оборудованию относится привод
(станок-качалка), устьевая арматура, рабочий монифольд.
Таблица 2.1 - Технические
данные привода
|
Максимальная
нагрузка на устьевом штоке , кН
|
80
|
|
Длина
хода устьевого штока,м
|
3
|
|
Наибольший
допустимый крутящий момент на ведомом валу редуктора, кНм
|
4000
|
|
Число
качаний балансира в мин
|
4;6,3
|
|
Система
уравновешивания
|
кривошипная
|
|
Тип
редуктора
|
двухступенчатый
|
|
Передаточное
число
|
|
|
Объем
масла в картере, л
|
70…120
|
|
Привод
редуктора
|
Клиноременная
передача
|
|
Тип
клинового ремня
|
С(В)-4000.ТХЛ-2
|
|
Количество
клиновых ремней, шт
|
6
|
|
Мощность
электродвигателя, кВт
|
22
|
|
Габаритные
размеры, мм
|
|
|
длина
|
6925
|
|
ширина
|
2250
|
|
высота
|
6685
|
|
Масса
привода, кг
|
13800
|
В состав базового привода ПШГНТ
8-3-4000 входят следующие составные части (рисунок 2.1): рама 19,стойка 3,
балансир 1, головка балансира 2, опора балансира 4,траверса 5, шатун 6, втулка
разрезная 7, ось 8, электродвигатель 9, шкив ведущий 10, ремень 12, тормоз 13,
рукоятка тормоза 14, редуктор 15, кривошип 16, противовесы 17, ограждение 18,
подвеска устьевого штока 20, фиксатор 21, стяжка 22, упор 23, шкаф управления
24, плита поворотная 25, кронштейн с выключателем 26 [7].
Редуктор предназначен для
передачи крутящего момента с изменение числа оборотов от электродвигателя к
другим механизмам посредствам зубчатой передачи. Основные технические
характеристики редуктора представлены в таблицы 2.2.
Редуктор привода глубинного
насоса двухступенчатый с шевронными колесами. Корпус редуктора имеет
горизонтальную плоскость разъема, которая проходит через оси ведущего, ведомого
и промежуточных валов. Валы редуктора установлены на роликовых сферических
двухрядных подшипниках.
Симметричное расположение
зубчатых колес обеспечивает равенство реакций на опорах валов и уменьшает
перекос и концентрацию нагрузки по ширине зуба колеса.
Рисунок 2.1 Привод штангового
глубинного насоса ПШГНТ 8-3-4000
На верхнем картере редуктора
для осмотра шестерен имеется люк с крышкой. На крышке редуктора для осмотра
шестерен имеется люк с крышкой. На крышке люка размещается горловина для
заправки масла в редуктор. Пробка горловины имеет отверстие для сообщения
внутренней полости редуктора с атмосферой. Контроль уровня масла осуществляется
маслоуказателем, расположенным в бобышке на нижней половине картера.
Подшипники смазываются
пластичной смазкой через резьбовые отверстия в крышках подшипниковых узлов,
закрытыми резьбовыми пробками с отличительной окраской. Подшипниковые узлы
изнутри закрыты крышками, предохраняющими смазку подшипников от вымывания ее
маслом из картера.
Таблица 2.2 - Основные
технические характеристики редуктора
|
Наибольший
допустимый крутящий момент на ведомом валу редуктора, кН. м
|
40000
|
|
Зубчатые
зацепления
|
Новикова
|
|
Режим
работы
|
непрерывный
|
|
Первая
ступень
|
|
|
модуль
|
5
|
|
Число
зубьев шестерни
|
15
|
|
Число
зубьев колеса
|
94
|
|
Вторая
ступень
|
|
|
модуль
|
8
|
|
Число
зубьев шестерни
|
15
|
|
Число
зубьев колеса
|
89
|
|
Передаточное
число
|
37,18
|
|
Количество
заливаемого масла, л
|
120…140
|
|
Марка
заливаемого масла
|
|
|
летом
|
Масло
Индустриальное И-40А ГОСТ 200799-88
|
|
всесезонное
|
Масло
трасмиссионое ТСэп-8 ТУ 38.1011280-89
|
|
зимой
|
Осевое
3 ГОСТ610-72
|
2.2.2 Анализ
технических требований на изделие
В технических требованиях,
которые указаны в сборочном чертеже, указываются необходимые требования к узлу
для правильной работы, а также контролируемые показатели, допускаемые параметры
технических требований.
Технические требования должны учитывать
формирование требуемых физико-механических свойств материала детали, получение
необходимой прочности и виброустойчивости, обеспечение требуемой герметической
точности детали и создание условий для удобства выполнения механосборочных и
эксплуатационных работ [8].
Контроль качества изделия в процессе его сборки
включает не только методы контроля, базирующиеся на использовании средств
измерения, но и визуальный контроль необходимый на протяжении всего процесса
сборки изделий, поэтому играет чрезвычайно важную роль. Влияние царапин,
забоин, коррозий, контроль наличия прокладок шайб, легкости хода, шума зубчатых
колес должен производится не только контролерами, но и сборщиками при
выполнении сборочных операций.
При сборке контролируются:
смещение внутренних и наружных колец подшипников
относительно друг друга на ведущем и промежуточных валах не более 1,5 мм, в
противном случае может создаться нежелательное осевое напряжение и, как
следствие, преждевременный отказ;
зазор между корпусом и крышкой редуктора при
затянутых болтах не более 0,05мм;
боковой зазор в зацеплении первой ступени -
0,27…0,47 мм, при недостаточном боковом зазоре шестерни могут заклиниться, а в
случае излишнего бокового зазора в зацеплении при изменении направления
вращения зубья будут ударяться друг о друга, что может привести к их поломке;
боковой зазор в зацеплении второй ступени -
0,4…0,62 мм.
В процессе обкатки следует проверить:
характер шума работы зубчатых передач на слух.
Шум должен быть ровный, без перезвонов и пульсации, не более 40Дб, так как
уровень шума зубчатых передач определяется точностью зубчатых зацеплений,
инерционными и жесткостными параметрами системы. Погрешности зацепления
являются возбудителями вынужденных колебаний, а инерционные и жесткостные
параметры определяют собственные колебания системы;
перепад температур нагрева масляной ванны и
окружающего воздуха не должен превышать 60ºС;
температура нагрева подшипниковых узлов не
должна превышать 80ºС,
чрезмерный нагрев может происходить в следствии неправильной сборки и
регулировки их или загрязнения смазки;
отсутствия просачивания масла через крышки
подшипниковых узлов, плоскость разъема корпуса с крышкой редуктора и остальные
разъемы и соединения внешним осмотром.
После обкатки зубья шестерен и колес проверить
на размещение пятен контакта - часть активной боковой поверхности зуба
зубчатого колеса, на которой располагаются следы прилегания зубьев парного
колеса в собранной передаче после вращения под нагрузкой:
пятна приработки зубьев передач должны быть в
виде двух полос по всей длине зубьев. Одна полоса по высоте располагается выше
середины зуба, другая полоса - ниже середины зуба. Допускаются разрывы полос
приработки по длине;
первая полоса должна быть не менее 0,8 длины
зуба на расстоянии 0,3 модуля от вершины зуба у обоих сопряженных колес;
вторая полоса должна быть не менее 0,4 длины
зуба;
допускается слияние обеих полос, если сдвоенная
полоса будет располагаться в середине по высоте зуба, а ее ширина будет не
менее 0,8 модуля.
При неполном и неравномерном прилегании зубьев
уменьшается несущая площадь поверхности их контакта, неравномерно
распределяются контактные напряжения и смазочный материал, что приводит к
интенсивному изнашиванию зубьев.
2.2.3 Выбор методов
достижения точности. Расчет размерной цепи
При выборе методов достижения требуемой точности
редуктора, необходимо сформулировать задачи, которые требует решить в процессе
достижения его точности. Эти задачи исходят из требований точности редуктора и
каждая из них касается обеспечения точности одного из параметров размерной
связи.
При сборке редуктора для достижения его точности
необходимо обеспечить следующие требования:
смещение внутренних и наружных колец подшипников
относительно друг друга не ведущем и промежуточном валах не более 1,5 мм;
зазор между корпусом и крышкой редуктора при
затянутых болтах не более 0,05 мм;
боковой зазор в зацеплении первой ступени -
0,27…0,47 мм;
боковой зазор в зацеплении второй ступени -
0,4…0,62 мм;
свободное перемещение ведущего вала после сборки
Каждое из требований к точности редуктора
соблюдается через самостоятельную конструкторскую цепь.
Существуют пять методов достижения заданной
точности исходного звена [9]:
метод полной взаимозаменяемости;
метод неполной взаимозаменяемости;
метод групповой взаимозаменяемости;
метод пригонки;
метод регулирования.
Формулируется задача: обеспечить
величину бокового зазора на первой ступени редуктора
мм.
Выбирается метод неполной
взаимозаменяемости, достоинством которого является значительное расширение
допусков на составляющие звенья, что значительно сокращает трудоемкость
механической обработки.
Метод неполной взаимозаменяемости
обеспечивается расчетом размерных цепей по методу, основанному на теории
вероятности.
Строится размерная цепь в следующей
последовательности: А1 - делительный диаметр зубчатого колеса; А2 - несносность
зубчатого венца относительно оси подшипниковой ступени вала; А3 - несоосность
наружного кольца подшипника относительно внутреннего кольца;, А4 - несовпадение
осей наружного кольца подшипника с внутреннее поверхностью стакана; А5 -
несносность наружного кольца подшипника с осью стакана; А6 - несоосность оси
стакана с отверстием в корпусе редуктора; А7 - не параллельность ось стакана
промежуточного вала с осью стакана ведомого вала; А8 - несоосность наружного
кольца подшипника с осью стакана; А9 - несоосность наружного кольца подшипника
с осью стакана; А10 - несоосность наружного кольца подшипника относительно
внутреннего кольца; А11 - несоосность зубчатого венца относительно оси
подшипниковой ступени вала; А12 - делительный диаметр шестерни.
Все звенья размерной цепи являются
увеличивающими.
Определяется коэффициент точности
[3]

(2.1)
где 
- допуск замыкающего звена, мкм;

- число звеньев в цепи;

- единица допуска, принимаемая по
[3].
Назначаются допуски составляющих
звеньев по 6-8 квалитету в зависимости от назначения той или иной поверхности.
Допуски размеров заносятся в таблицу 2.3.
Таблица 2.3 - Допуски размеров
|
Обозначение
звеньев
|
Номинальные
значения звеньев, мм Aj
|
Поле
допуска
|
Допуск
звена ТАj, мм
|
Предельные
отклонения, мм
|
Координата
середины поля допуска EсAj, мм
|
|
|
|
|
Верхнее
ES
|
Нижнее
EI
|
|
|
1
|
2
|
3
|
4
|
5
|
6
|
7
|
|
А1
|
176
|
H8
|
0,063
|
+0,063
|
|
0,0315
|
|
А2
|
0
|
к6
|
0,032
|
0
|
-0,032
|
-0,016
|
|
А3
|
0
|
js7
|
0,046
|
+0,023
|
-0,023
|
0
|
|
А4
|
0
|
Н7
|
0,016
|
0,016
|
0
|
0,008
|
|
А5
|
0
|
Н7
|
0,011
|
+0,011
|
0
|
0,0055
|
|
А6
|
0
|
h7
|
0,011
|
0
|
-0,011
|
-0,011
|
|
А7
|
0
|
js8
|
0,1
|
+0,05
|
-0,05
|
0
|
|
А8
|
0
|
H7
|
0,092
|
+0,092
|
0
|
0,046
|
|
А9
|
0
|
js8
|
0,092
|
+0,046
|
-0,046
|
0
|
|
А10
|
0
|
H7
|
0,042
|
0,042
|
0
|
0,021
|
|
А11
|
0
|
k6
|
0,032
|
0
|
-0,032
|
-0,016
|
|
А12
|
40
|
H8
|
0,039
|
+0,039
|
0
|
0,0195
|
При вероятностном методе расчета связь между
допуском замыкающего звена и допусками составляющих звеньев выражается формулой
[9]

(2.2)
Такое соотношение вполне допустимо
[9].
Назначаются основные отклонения на
все составляющие звенья. Размеры, являющиеся охватываемыми, допуск назначается
как для размеров основных валов по 
, размеры являющиеся охватывающими,
допуски на них назначаются как для размеров основных отверстий по 
, а на размеры которые являются и не
охватываемыми, и не охватывающими назначаются по 
.
Полученные данные заносятся в
соответствующие графы таблицы 2.3. Определяются координаты середины полей
допусков составляющих звеньев
(2.3)
мм;
мм;
мм;
мм;
мм;
мм;
мм;
мм;
мм;
мм;
мм;
мм.
Координата середины поля допуска
замыкающего звена определяется по формуле [3]
(2.4)
где
- увеличивающее звено;
- уменьшающее звено;

- количество уменьшающих звеньев
цепи.
Равенство не выдерживается,
следовательно, необходимо изменить координату середины поля допуска одного из
звеньев.
Принимается в качестве
корректирующего звена А9 и определяется новое значение его координаты из
формулы (1)
В результате расчетов получается
мм
Зная новое значение координаты
середины поля допуска и при использовании формулы (4.2) определяется исполнительный
размер звена А9, который теперь будет нестандартным: 
мм.
Исполнительные размеры остальных
звеньев равны:
2.2.4 Разработка схемы
сборки изделия
В процессе разработки технологического процесса
сборки любой сборочной единицы возникают задачи, от решения которых существенно
зависит построения технологических процессов изготовления деталей. Именно на
этапе разработке технологического процесса изготовления редуктора очень важна
увязка изготовления деталей со сборкой изделия [8].
Важным этапом в разработке технологического
процесса сборки редуктора является составление схемы сборки, которая дает
наглядное представление порядка сборки изделия и входящих в изделие узлов,
подузлов и комплектов.
Схема сборки помогает в процессе разработки
последовательности сборки и является основным оперативным документом, по
которому персонал сборочного участка, механосборочного цеха знакомится с
последовательностью сборки, организует выполнение сборочного процесса,
производит комплектование изделий и т.д. [8].
При составлении схемы сборки разбиваем изделие
на подузлы, комплекты, и детали которые на схеме сборки располагаем в
последовательности сборки. На схеме сборки обозначение детали начинается с ее
позиции на сборочном чертеже, затем указывается наименование и количество
деталей.
Целью разработки технологического процесса
сборки является создание рационального и экономичного порядка сборки редуктора
при имеющихся производственных условиях, в данном случае на мелкосерийном
производстве.
Сборку редуктора начинаем с установки на стенд
(верстак) основной базирующей детали, т.е. корпуса. В процессе сборки
необходимо учитывать, чтобы собранные в первую очередь сборочные единицы, не
мешали установке последующих деталей и сборочных единиц.
Стакан (позиция 27) собирается с подшипником
(позиция 52), напрессовывается на вал шестерню (3), затем крепиться крышка
(позиция 30) и закрепляется болтами (позиция 41) далее надевается кольцо
регулировочное (позиция 23), закручивается шайба (позиция 55) и прикручивается
гайка (позиция 46). Получается вал - шестерня в сборе - подузел 1.
Вал шестерня (позиция 4), собирается со шпонками
(позиция 61), затем надевается 2 колеса (позиция 8,9) с двух противоположных
сторон. Затем надевается кольца (позиция 31). Стакан (позиция 28) собирается с
подшипниками (позиция 53) и напрессовывается на вал - шестерню, надевается
кольцо регулировочное (позиция 24), шайба (позиция 32) и прикручивается болтами
(позиция 42) с обоих сторон.
Вал-шестерня в сборе - подузел 2.
Вал (позиция 5), собирается со шпонками (позиция
62), затем надевается 2 колеса (позиция 6,7) . Стакан (позиция 29) собирается с
подшипником (позиция 54), напрессовывается на вал (позиция 5), затем крепится
крышка (позиция 30) и закрепляется болтами (позиция 41). Далее надевается
кольцо регулировочное (позиция 25), шайба (позиция 55) и прикручивается гайка
(позиция 48). Вал в сборе - подузел 3.
В корпус (позиция 2) вставляется подузлы 1,2,3 ,
болтами (позиция 40,38) соединяются верхние и нижние части корпуса 2 и
закрепляются шайбами (позиции 60,59) и гайками (позиции 49,48) и шплинтами
(позиция 63).
На подузел 1 с обоих сторон надевается следующий
комплект: крышка (позиция 9) в которую вставляется кольцо (позиция 50),
фиксатор (позиция 26), между корпусом и крышкой вставляется прокладка (позиция
15) и крепиться к корпусу шайбой (позиция 57) и болтами (позиция 37).
На подузел 2 с обоих сторон надевается следующий
комплект: крышка (позиция 10) в которую вставляется фиксатор (позиция 26),
между корпусом и крышкой вставляется прокладка (позиция 16) и крепиться к
корпусу шайбой (позиция 57) и болтами (позиция 44).
На подузел 3 с обоих сторон надевается следующий
комплект: крышка (позиция 11) в которую вставляется кольцо (позиция 51),
фиксатор (позиция 20), между корпусом и крышкой вставляется прокладка (позиция
17) и крепиться к корпусу шайбой (позиция 57) и болтами (позиция 44).
Корпус (2) закрывается крышкой корпуса (18),
между крышкой и корпусом ложится прокладка (19), и затем все прикручивается
болтами (43) и закрепляется шайбой (56) .
В отверстие крышки редуктора (18) вставляется
маслоуказатель (1).
В отверстие нижней плоскости разъема
закручивается пробка слива (14) с прокладкой (13)
В верхнюю плоскость разъема редуктора крепится
табличка (21) винтом (45) и вставляется отдушина (22).
2.2.5 Составление
маршрутной технологии сборки изделия
Последовательность сборки определяется
особенностями конструкции и выбранными методами достижения точности.
При разработке последовательности сборки узла
следует руководствоваться следующими указаниями:
выделение того или иного соединения в сборочную
единицу с учетом обеспечения технологичности конструкции изделия;
на общую сборку должно подаваться по возможности
наибольшее количество предварительно скомплектованных сборочных единиц; общую
сборку следует начинать с установки на сборочном стенде базирующую деталь;
установка сборочных единиц должна производиться
в такой последовательности, чтобы ранее установленные не мешали установке
остальных узлов и деталей;
в первую очередь необходимо собирать наиболее
ответственные функции в работе машины [3].
Разработка технологического процесса сборки
производится с учетом основных правил, изложенных в ГОСТ 14.307-82.
Технологический процесс включает:
соединение тем или иным способом сопрягаемых
деталей и сборочных единиц;
проверку полученной точности относительно
положения и движения сборочных единиц и деталей;
внесение необходимых поправок для достижения
требуемой точности путем пригонки, подбора или регулировки;
фиксацию относительного положения сборочных
единиц и деталей;
операции, связанные с чисткой, мойкой, окраской
и отделкой.[4]
Для каждой операции, перехода и других частей
сборочного процесса должно быть дано описание характера работ и способов их
выполнения, с указанием необходимого инструмента и приспособления, определены
нормы времени, расценки, разряд работ.
Документом, отражающим последовательность
сборки, является технологическая карта сборки в соответствии с ГОСТ 3.1407-82,
которая представлена в таблице 2.4.
Таблица 2.4 - Технологическая карта сборки узла
редуктора РД-8
|
№
Операции
|
Операция
|
Оборудование
и приспособление
|
Инструмент
|
Норма
штучного времени, шт.
|
|
1
|
2
|
3
|
4
|
5
|
|
Сборка
комплекта 1
|
|
|
|
|
005
|
Подшипник
52 собирается со стаканом 27 и напрессовывается на вал шестерню 3
|
Пневматический
пресс
|
молот
|
|
|
010
|
Крышка
3 собирается с болтами 41
|
|
|
|
|
Сборка
подузла 1
|
|
|
|
|
015
|
Устанавливается
кольцо регулировочное 23, шайба 55 и затягивается гайка
|
Пневматический
ключ
|
|
|
|
Сборка
комплекта 2
|
|
|
|
|
020
|
Подшипник
53 собирается со стаканом 28 и напрессовывается на вал шестерню 4
|
Пневматический
пресс
|
молот
|
|
|
Сборка
подузла 2
|
|
|
|
|
025
|
Установить
в валу-шестерни 4 шпонку 61
|
|
|
|
|
030
|
На
вал - шестерню 4 надевается колеса 8,9
|
|
|
|
|
035
|
Устанавливаются
кольцо регулировочное 25, шайба 55 и затягивается гайка 48
|
Пневматический
ключ
|
|
|
|
Сборка
комплекта 3
|
|
|
|
|
040
|
Подшипник
54 собирается со стаканом 29 и напрессовывается на вал шестерню 5
|
Пневматический
пресс
|
молот
|
|
|
045
|
Установить
в вал-шестерни 5 шпонку 62
|
|
|
|
|
050
|
На
вал - шестерню 4 надевается колеса 6,7
|
|
|
|
|
055
|
Устанавливаются
шайба 55 и затягивается гайка 48
|
Пневматический
ключ
|
|
|
|
060
|
Установить
собранные комплекты 1,2,3 в корпусе 2
|
|
|
|
|
065
|
Болтом
40 соединяем верхние и нижние части корпуса 2 и закрепляем шайбой 60, гайкой
49 и щплинтом 63
|
Пневматический
ключ
|
|
|
|
Сборка
комплекта 4
|
|
|
|
|
070
|
В
крышку 9 вставляется кольцо 50, фиксатор 26
|
|
|
|
|
075
|
Собранный
комплект с прокладкой 15 с обоих сторон вала шестерни 3 крепится болтом 37 и
шайбой 57
|
Пневматический
ключ
|
|
|
|
Сборка
комплекта 5
|
|
|
|
|
080
|
В
крышку 10 вставляется фиксатор 26
|
|
|
|
|
085
|
Собранный
комплект с прокладкой 16 с обоих сторон вала шестерни 4 крепится болтом 44 и
шайбой 57
|
Пневматический
ключ
|
|
|
|
Сборка
комплекта 6
|
|
|
|
|
090
|
В
крышку 9 вставляется кольцо 51, фиксатор 20
|
|
|
|
|
095
|
Собранный
комплект с прокладкой 17 с обоих сторон вала шестерни 3 крепится болтом 37 и
шайбой 44
|
Пневматический
ключ
|
|
|
|
Общая
сборка
|
|
|
|
|
100
|
Крышка
18 редуктора с прокладкой 19 крепится к корпусу болтом 43 и шайбой 56
|
Пневматический
ключ
|
|
|
|
105
|
В
отверстие крышки редуктора 18 вставляется маслоуказатель 1
|
|
|
|
|
110
|
В
отверстие нижней плоскости разъема закручивается пробка слива 14 с прокладкой
13
|
|
|
|
|
115
|
В
верхнюю плоскость разъема редуктора крепится табличка 21 винтом 45 и вставляется
отдушина 22
|
Пневматический
ключ
|
|
|
3. Технологический
процесс изготовления детали
.1 Анализ
технологичности конструкции детали
Технологичность конструкции - это соответствие
детали изделия заданным условиям производства, которые обеспечивают изготовление
с данной трудоемкостью и себестоимостью [10].
Существует два вида показателей технологичности:
качественные и количественные. Качественная оценка при сравнении вариантов
конструкций в процессе изделия предшествует количественной и определяет целесообразность
затрат на определение численных показателей технологичности вариантов.
Количественная оценка технологичности конструкции изделия выражается
показателем, численное значение которого характеризует степень удовлетворения
требований к технологичности конструкции [10].
Рассматривается качественная оценка конструкции
вала-шестерни (рисунок 3.1) - изготовлена из легированной стали 40ХН:
при механической обработке наружной поверхности
вала возможно применение проходного резца;
диаметральные размеры шеек вала убывают к концу
вала;
вал не имеет больших фланцев и ступеней с
большой разницей диаметров, что увеличивает коэффициент использования
материала;
шпоночные канавки - открытые, что позволяет
гораздо производительней обрабатывать их;
вал является не жестким, так как большая длина,
поэтому при обработке необходимо воспользоваться люнетом;
на валу предусмотрены галтели для уменьшения
напряжений при переходе поверхностей.
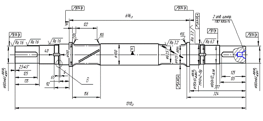
Рисунок 3.1 Вал - шестерня
Вал-шестерня является точной и ответственной
деталью и поэтому к нему предъявляются высокие технические требования. Исходя
из этого, данный вал необходимо обрабатывать в патроне с поджатием задним
центром, а наиболее точные поверхности необходимо шлифовать. В этом случае обработку
вал-шестерни необходимо производить в центрах. Центровые отверстия после
обработки вала необходимо оставлять в готовой детали на случай его переточки
или перешлифовке при ремонте, а также для упрощения контроля.
Технические требования на вал - шестерню
назначены в соответствии с требованиями стандартов и удовлетворяют области его
применения.
Поверхности детали подразделяются на четыре
вида.
Исполнительные поверхности - поверхности при
помощи, которых деталь выполняет свое служебное назначение.
Основные поверхности - поверхности при помощи,
которых определяется относительное положение детали в сборочные единицы. К ним
относятся поверхности шеек валов, поверхности посадочных отверстий зубчатых
колес.
Вспомогательные поверхности - поверхности, при
помощи которых определяется относительное положение присоединяемых к ним других
деталей. К ним относится шейки и торцы валов, к которым присоединяются другие
детали.
Свободные поверхности - поверхности, не несущие
функционального назначения.
Поверхности вала - шестерни представлены на
рисунке 3.2.
Рисунок 3.2 Эскиз вала-шестерни
3.2 Выбор вида и метода
получения заготовки
В машиностроении основными видами заготовок для
деталей являются отливки, поковки и различные виды сортового и профильного
проката.
Способ получения заготовки должен быть наиболее
экономичным при заданном объеме выпуска деталей. При выборе формы, размеров,
способов получения заготовки большое значение имеет конструкция и материал
детали. Вид заготовки оказывает значительное влияние на характер
технологического процесса, трудоемкость и экономичность обработки [11]. В
дипломной работе рассматривается получение заготовки двум возможными способами:
прокат, поковка.
Вариант 1 - заготовка из проката.
Согласно точности и шероховатости поверхностей
обрабатываемой детали определяются промежуточные припуски по таблицам. За
основу расчетов промежуточных припусков принимаются диаметр Ø110
мм.
Припуски на подрезание торцовых поверхностей
определяются по [3], а припуски на обработку наружных поверхностей по [3]. При
черновом точении припуск на обработку составляет 5,5 мм.
Расчетный диаметр заготовки [3]
(3.1)
где
- диаметр обрабатываемой поверхности
по чертежу, мм;
- припуск при черновом точении, мм.
По расчетным данным заготовки
выбираются необходимый размер горячекатаного проката обычной точности по ГОСТ
2590-71. Ближайшее значение диаметра проката 125 мм. Нормальная длина проката
стали обыкновенного качества при данном диаметре 4-7 м. Отклонения для диаметра
125 мм 
мм. [4].
Припуск на обработку двух торцовых
поверхностей заготовки равен 2,4 мм. Общая длина заготовки [3]
(3.2)
где 
- длина детали по чертежу, 1310 мм;

- припуск на чистовое подрезание
торцов, 2,4 мм.
Предельные отклонения на длину
заготовки устанавливаются по справочным таблицам. Исходя из предельных
отклонений общая длина заготовки округляется до целых единиц. Принимается длина
заготовки 1315 мм (рисунок 3.3).
Объем заготовки определяется по
плюсовым допускам [12]
V
(3.3)
где Di
- диаметр i-ступени
заготовки,м;
Li - длина i-ступени
заготовки, м.
Рисунок 3.3 Заготовка вала-шестерни из проката
Определяется масса заготовки [3]
(3.4)
где 
- плотность материала заготовки,
7800 кг/м3.
Выбирается оптимальная длина проката
для изготовления заготовки.
Потери на зажим заготовки lзаж
принимается 20 мм.
Заготовку отрезают на ножницах. Это
самый производительный и дешевый способ.
Длину торцового обрезка проката
определяется из соотношения [3]
(3.5)
где d
- диаметр сечения заготовки, 110 мм.
мм
Число заготовок, исходя из принятой
длины проката по стандартам, определим по формуле: из проката длиною 4 м [3]
шт (3.6)
Получается две заготовки из данной длины
проката.
Из проката длиною 7 м число заготовок будет
равно
шт (3.7)
Остаток длины (некратность) определяется в
зависимости от принятой длины проката:
Из проката длиной 4 м [3]
(3.8)
или [3, с.67]
% (3.9)
Из проката длиной 7 м
(3.10)
или
% (3.11)
Из расчетов следует, что прокат длиной 7 м для
изготовления заготовок более экономичен, чем прокат длиной 4 м. Потери
материала на зажим при отрезке по отношению к длине проката составят [3]
% (3.12)
Потери материала на длину торцевого обрезка
проката в процентном отношении к длине проката составят [3]
% (3.13)
Общие потери к длине выбранного проката [3]
(3.14)
Расход материала на деталь с учетом всех
технологических неизбежных потерь определяется по формуле [3]
кг (3.15)
Коэффициент использования материала [3]
(3.16)
где
- масса детали, 68кг.
Вариант 2 - заготовка изготовлена
методом горячей объемной штамповки на горизонтально-ковочной машине (ГКМ).
Группа стали заготовки по [12] - М2.
Точность изготовления поковки [12] - класс 4. Степень сложности поковки [12] -
С2.
Штамповочные уклоны для заготовки
ГКМ [3] - 5°.
Припуски на обработку заготовок, изготавливаемых
горячей объемной штамповкой, зависят от массы, класса точности, группы стали,
степени сложности и шероховатости заготовки. На основании принятых припусков на
размеры детали определяем расчетные размеры заготовки [11]
мм (3.17)
где 
- номинальная величина линейного
размера детали, мм.
мм (3.18)
мм (3.19)
где 
- номинальная
величина диаметрального размера детали, мм.
мм (3.20)
Допуски на размеры штампованной
заготовки по [12] составляют:
(рисунок 3.4)
Определяется масса заготовки [3]
кг (3.21)
Рисунок 3.4 Поковка
Принимая неизбежные технологические потери
(угар, облой и т.д.) при горячей объемной штамповке равными 10%, определяется
расход материала на одну деталь [3]
(3.22)
где 
- технологические потери, 10 %.
Коэффициент использования материала на
штампованную заготовку
(3.23)
Экономическое обоснование выбранного метода.
Если при выборе заготовок возникает затруднение,
какой метод принять для той или иной детали, тогда производят
технико-экономический расчет двух выбранных вариантов.
Определяем себестоимость детали полученной из
проката [10]
(3.24)
где Q - масса
заготовки, 94 кг.;
S - цена
одного килограмма металла заготовки, 500 тн.;
- масса готовой детали , 68 кг;
S
- цена одной
тонны отходов, 25000тн..
Себестоимость детали полученной из
поковки [10]
(3.25)
где S
-базовая
стоимость одной тонны заготовки, S
=500000тнг;
- коэффициенты зависящие от класса
точности, группы сложности, массы, марки материала, и объема производства
заготовок, которые равны
Экономический эффект для
сопоставления способов получения заготовки (прокат, поковки), при которых
технологический процесс механической обработки не меняется, рассчитывается по
[10]
(3.26)
где
- себестоимость заготовки из
проката;
- себестоимость заготовки из
поковки;
- годовая программа выпуска.
тенге
В связи с тем, что себестоимость
заготовки полученной из поковки
43543 тенге ниже, чем себестоимость
заготовки из проката которая составляет
48850 тенге, поэтому выбирается
заготовка из поковки. Экономический эффект от использования заготовки из
поковки составляет 2653500 тенге.
3.3 Расчет
межоперационных припусков и допусков на заготовку
Припуск - это слой материала, снимаемый при
механической обработке.
Различают припуски общие и промежуточные. От
величины снимаемого припуска зависит выбор оборудования, выбор режущего
инструмента, его материал и точность обработки [12].
Поэтому необходимо снимать минимальный припуск,
который смог бы обеспечить требования точности и шероховатости, не требовал бы
дополнительных затрат.
Рассчитывается припуск на
поверхность шейки вала - шестерни под подшипник
95к6
.
Обработку поверхности ведут по следующим
переходам:
- черновое точение;
чистовое точение;
предварительное шлифование;
окончательное шлифование.
Микронеровности учитывают при расчете припусков
характеристикой значений Rz,
так как каждой технологической операции свойственна определенная шероховатость
поверхности. Глубина дефектного поверхностного слоя зависит от способа
изготовления заготовок. Отклонения взаимосвязанных поверхностей также следует
учитывать при расчете припусков, но так как эти отклонения не связаны с
погрешностями на размеры поверхностей, их нужно учитывать отдельно [12].
Минимальный припуск при обработке наружных
поверхностей вращения [10]
2zi min =2
(Rz i-1 + Ti-1+
), (3.27)
где Rz
i-1, Ti-1
и ρi-1
- соответственно высота неровностей профиля (характеризует шероховатость
поверхности), глубина дефектного поверхностного слоя и суммарное значение
пространственных отклонений для элементарной поверхности на предшествующем
переходе;
Допуски на поверхности, используемые в качестве
базовых на фрезерно-центровальной операции, определяем по ГОСТ 7505-74 для
штамповок повышенной точности, для группы стали М2, степени сложности С2:δ=3
мм.
При установке в центрах наибольшая кривизна
определяется по формуле [10]
, (3.28)
где Δк - удельное
значение кривизны в
.
По[10 таблица 4.8, с. 71] Δк=1 мкм/мм.
Выбирается значение Rz и Т для
каждого перехода [10]:
для заготовки Rz=150 мкм;
Т=250 мкм;
для чернового точения Rz=50 мкм;
Т=50 мкм;
для чистового точения Rz=30 мкм;
Т=30 мкм;
для предварительного шлифования Rz =10 мкм;
Т=20 мкм;
для окончательного шлифования Rz =5 мкм;
Т=15 мкм.
Определяются величину
пространственного отклонения.
Суммарное значение пространственных
отклонений для гладкого валика при обработке в центрах [10]
(3.29)
где ρк
- величина кривизны:
ρц - величина
смещения оси заготовки в результате погрешности зацентрования
(3.30)
Тогда для заготовки:
;
для чернового точения
мкм; (3.31)
для чистового точения
мкм;
для предварительного шлифования
мкм.
Определяются по формуле 3.27
величину минимального расчетного припуска для каждого перехода
для черного точения
zmin5=
мкм;
для чистового точения
zmin2=
мкм;
для предварительного шлифования
zmin3
мкм;
для окончательного шлифования
zmin4
мкм.
Определяются расчетные диаметры [10]
для окончательного шлифования
Dрасч 5=Dmin=95,003 мм (по чертежу) (3.32)
для предварительного шлифования
Dрасч 4= Dрасч 5+2zmin5=95,003+0,1212=95,1242
мм (3.33)
для чистового точения
Dрасч 3= Dрасч 4+2zmin4=95,2454+0,2424=95,3666
мм (3.34)
для чернового точения
Dрасч 2= Dрасч 3+2zmin3=95,3666+0,3836=95,7502
мм (3.35)
для заготовки
Dрасч 1= Dрасч 2+2zmin2=95,7502+3,860=99,61
мм. (3.36)
Назначаются допуски для каждого
перехода с учетом квалитета точности [10]:
для окончательного шлифования
δ5=0,022 мм;
для предварительного шлифования
δ4=30 мкм;
для чистового точения
δ3=120 мкм ;
для чернового точения
δ2=400 мкм.
Определяется минимальные расчетные
размеры [10]
dmin
i=dрасч. (3.37)
Тогда из формулы получим:
для окончательного шлифования dmin
5=95,003 мм;
для предварительно шлифования dmin
4=95,1242 мм;
для чистового точения dmin
3=95,3660 мм;
для чернового точения dmin
2=96,7502 мм;
для заготовки dmin
1=99,61 мм.
Определяются максимальные расчетные размеры по
формуле [10]:
dmax i= dmin i+δi (3.38)
- для окончательного шлифования
dmax
5=95,003+0,022=95,025 мм;
для предварительного шлифования
dmax
4=95,1242+0,03=95,1542 мм;
для чистового точения
dmax
3=95,3660+0,12=95,486 мм;
для чернового точения
dmax
2=95,7502+0,4=96,150 мм;
для заготовки
dmax
1=99,61+3=102,61 мм.
Определяются расчетные размеры припусков по
формулам [10]:
2zmax i=dmax i-1- dmax I (3.39)
zmin i=dmin i-1-dmin I (3.40)
Тогда из формулы находятся максимальные
расчетные размеры припусков:
для окончательного шлифования
zmax
5=95,1542-95,025=0,1292 мм;
для предварительного шлифования
zmax
4=95,486-95,1542=0,3318 мм;
для чистового точения
zmax
3=96,1502-95,486=0,6642 мм;
для чернового точения
Из формулы получаются минимальные расчетные
размеры припусков:
для окончательного шлифования
zmin 5
=95,1244-95,003=0,1214 мм;
для предварительного шлифования
zmin
4=95,3660-95,1242=0,2421 мм;
для чистового точения
zmin
3=95,7502-95,3660=0,3842 мм;
для чернового точения
zmin
2=99,61-95,7502=3,8598 мм.
Производится проверка правильности расчетов по
формуле [10]:
2zmax i-2zmin i=δi-1-
δi. (3.41)
Из формулы проверяются условия:
для окончательного шлифования
,1292-0,1212=0,030-0,022
,008=0,008
условие выполняется;
для предварительного шлифования
,03318-0,02421=0,120-0,030
,090=0,090
условие выполняется;
для чистового точения
,664-0,384=0,4-0,12
,28=0,28
условие выполняется;
для чернового точения
,64559-0,38598=3-0,4
,6=2,6
условие выполняется.
Для всех переходов условия выполнены,
следовательно, расчеты припусков расчетно-аналитическим способом выполнены
верно.
Найденные значения припусков, расчетных
диаметров максимальных и минимальных, предельные значения размеров припусков,
допуски на каждый переход заносят в таблицу 3.1.
Таблица 3.1 - Межоперационные припуски
|
№
|
Наименование
переходов
|
Элементы
припуска, мкм
|
Расчет
припуск 2zmin, в мкм
|
Расч.
Размер dр, мм
|
Допуск
δ, мкм
|
Пред.
размер, в мм
|
Пред.
размер припусков
|
|
|
Rz мкм
|
Т,
мкм
|
ρ
|
|
|
|
dmin
|
dmax
|
2zmin
|
2zmax
|
|
1
|
Заготовка
|
150
|
250
|
1530
|
-
|
99,61
|
3000
|
99,61
|
102,61
|
-
|
-
|
|
2
|
Черновое
точение
|
50
|
50
|
91,8
|
3860
|
95,7502
|
400
|
95,7502
|
96,1506
|
3859,8
|
6459,8
|
|
3
|
Чистовое
точение
|
30
|
30
|
61,2
|
3383,6
|
95,3660
|
120
|
95,366
|
95,486
|
384
|
664
|
|
4
|
Предварительное
шлифование
|
10
|
20
|
30,6
|
242,4
|
95,1244
|
30
|
95,1244
|
95,1542
|
242,1
|
331,8
|
|
5
|
Окончательное
шлифование
|
5
|
15
|
-
|
121,6
|
95,003
|
22
|
95,003
|
95,025
|
121,24
|
129,2
|
На остальные поверхности (рисунок 3.6) припуски
и допуски назначаются по справочным данным источников [15,20] и все полученные
результаты заносятся в таблицу 3.2.
Рисунок 3.5 Вал - шестерня
Таблица 3.2 - Припуски и допуски на
обрабатываемые поверхности ведущей вала - шестерни по ГОСТ 7505-74
|
Поверхность
|
Размер
|
Припуск
|
Допуск
|
|
|
табличный
|
Расчетный
|
|
|
1,7
|
1310 -
|
|
|
|
|
2
|
95 -
|
|
|
|
|
4,5
|
110 -
|
|
|
|
|
3,6
|
696 -
|
|
|
|
3.4 Составление
технологического маршрута механической обработки заготовки
Маршрут обработки заготовки определяет
последовательность операций и состав технологического оборудования. В него
входят наименование выполняемой операции, выбор модели станка. От того, как
построен маршрут обработки, во многом зависит качество детали и эффективность
ее изготовления. Маршрут обработки вала-шестерни представлен в таблице 3.3.
Таблица 3.3 - Маршрут обработки вала - шестерни
|
№
|
Наименование
операции
|
Оборудование
|
|
005
|
транспортная
|
|
|
010
|
горизонтально-расточная
|
2622ВФ1
|
|
015
|
токарная
|
16К20Ф3
|
|
020
|
фрезерная
|
6Р13
|
|
025
|
зубофрезерная
|
5Е32
|
|
030
|
слесарая
|
Верстак
|
|
035
|
моечная
|
Моечная
установка
|
|
040
|
термообработка
|
Установка
ТВЧ
|
|
045
|
зубошлифовальная
|
5В841
|
|
050
|
шлифованая
|
3М163В
|
|
055
|
калибровочная
|
-
|
|
060
|
моечная
|
Моечная
установка
|
|
065
|
контроль
|
Плита
контрольная
|
3.5 Выбор
технологических баз для заготовки
Точность детали во многом предопределяет выбором
баз при механической обработке. При проектировании технологического процесса
изготовление деталей в каждом конкретном случае необходимо учитывать
конструктивные особенности детали. Это создает благоприятные условия для достижения
требуемой точности при минимальных затратах труда.
На первой технологической операции должны быть
обработаны те поверхности заготовки, которые в дальнейшем должны служить ее
технологическими базами на последующих операциях. Черновая база должна использоваться
только один раз. Повторное ее использование недопустимо. Для выбора чистовых
баз необходимо пользоваться принципом постоянства и совмещения баз. Базовые
поверхности должны обеспечивать наибольшую жесткость детали в направлении
зажимных усилий и силы резания при обработке.
Технологическая база, используемая при первом
установке заготовки, называется черновой технологической базой.
В проекте черновой технологической базой
является поверхность заготовки диаметром 95 мм. Чистовой базой являются центровые
поверхности.
На горизонтально-расточной, фрезерной,
калибровочной операциях технологической базой, является наружная поверхность
вала. На токарной, зубофрезерной, зубошлифовальной, шлифовальной операциях
технологической базой являются центровочные отверстия.
3.6 Выбор оборудования
и режущего инструмента
Выбор станков для проектируемого
технологического процесса производится уже после того, как каждая операция
предварительно разработана.
При выборе оборудования будем исходить из
точности, схемы базирования детали, габаритов и объема выпуска. Также
учитывается технические характеристики станков, их габариты, и технические
возможности, мощности и производительности.
Заготовительная операция производится на
горизонтально-ковочной машине.
На горизонтально-расточной операции 010
производится фрезерование торцев и их центрование на горизонтально-расточном
станке марки 2622ВФ1. Станок имеет следующие эксплуатационные характеристиками:
- размеры встроенного поворотного
стола 1600
1800
8000 мм;
мощность электродвигателя 19кВт;
габаритные размеры 8160
5070
4805 мм
[16].
На токарной операции 015
обрабатываются поверхности вала на токарно-винторезном станке с ЧПУ 16К20Ф3,
который выбирается для данной операции по следующим параметрам: габаритных
размеров обрабатываемой детали (наибольший диаметр обрабатываемой заготовки над
суппортом 220мм, наибольшая длинна обрабатываемой заготовки 1400мм),
соответствие станка требуемой мощности резания (мощность электродвигателя
привода главного движения 11кВт).
Для фрезерования шпоночных пазов
операция 020, требуется вертикально-фрезерный станок 6Р13, с характеристиками:
размеры рабочей поверхности стола,
400 х 1600 мм;
мощность электродвигателя, главного
движения 11 кВт;
габаритные размеры станка 2560
2260
2120 мм
[16].
Для нарезания зубьев зубчатого
колеса операция 025, необходим зубофрезерный станок модели 5Е32 со следующими
основными характеристиками:
наибольший диаметр обрабатываемой
заготовки - 125 мм;
наибольший диаметр устанавливаемых
червячных фрез - 100мм;
частота вращения шпинделя
инструмента - 100
500 об/мин;
подача заготовки радиальная - 0,4
60 мм/об;
мощность электродвигателя привода
главного движения - 2,2 кВт;
габаритные размеры станка 8000
3070
1205 мм
[16].
Для зубошлифования необходим станок
5843, с основными эксплуатационными характеристиками:
модуль обрабатываемого зубчатого
колеса 2-12;
число зубьев обрабатываемого
зубчатого колеса 14-205;
мощность электродвигателя 1,5кВт;
габаритные размеры станка 3280
2780
2525 мм
[16].
Для шлифования поверхности операция
050, выбирается шлифовальный станок модели- 3М163В, с основными
характеристиками:
наибольшие размеры устанавливаемой
заготовки- 280*1400 мм;
высота центров над столом 160;
скорость автоматического перемещения
стола 0,05-5 м/мин;
частота вращения, шпинделя заготовки
с бесступенчатым регулированием 55-620 об/мин;
мощность электродвигателя привода
главного движения 25кВт;
габаритные размеры станка 5026
2930
2170 мм
[16].
Одновременно с выбором станка для
каждой операции выбираются режущие инструменты, обеспечивающие достижение
наибольшей производительности, требуемой точности и класса шероховатости
обрабатываемой поверхности. Выбор инструмента производится в соответствии с
материалом обрабатываемой детали. Выбор марок режущего инструмента
производиться по [16], при обработке вала-шестерни сталь 40ХН.
Режущий инструмент является важной
частью системы станка, обеспечивающей его эффективную эксплуатацию. От выбора и
подготовки инструмента зависят производительность станка и точность обработки.
Режущий инструмент должен удовлетворять
следующим требованиям:
обладать стабильными режущими
свойствами;
удовлетворительно формировать и
отводить стружку;
обеспечивать заданную точность
обработки;
обладать универсальностью, чтобы его
можно было применять для обработки типовых поверхностей различных деталей на
разных моделях станков;
быть быстросменным при переналадке
на другую обрабатываемую деталь или замене затупившегося инструмента.
Для горизонтально - расточной операции 010
используется:
сверло центровочное А5 ГОСТ 14952-75;
- фреза торцевая
, числом z=10,
материал Р6М5К5 ГОСТ 9304-69;
Для черновой токарной операции 010
назнаются резцы:
проходной прямой ГОСТ 18878-73 с
пластинкой Т15К10;
упорный прямой ГОСТ 18879-73 с
пластинкой Т15К10;
канавочный ГОСТ 18884-73 с
пластинкой Т15К6.
Для токарной операции 015
назначаются резцы:
- резец прорезные ГОСТ 10044-73;
резец проходные Т15К10 ГОСТ 18877-73;
резец отрезные Т15К10 ГОСТ 10043-92;
- резец канавочные Т15К6 ГОСТ 18881-73,
резец резьбовой .Т15К6 ГОСТ 18885-79.
На фрезерной операции 020
используются концевые фрезы ГОСТ 17026-71:
,с числом зубьев z=3, материал
- Р6М5К5;
,с числом
зубьев z=3, материал
- Р6М5К5.
На зубофрезерной операции 025 используем
червячную фрезу Новикова ГОСТ 9324-80 диаметром
, с модулем m=5,числом
зубьев z=14.
Материал фрезы - быстрорежущая сталь Р18.
Шлифование производится шлифовальным
кругом ПП 250х25х50 24А СТ2 6К ГОСТ 2424-83.
3.7 Расчет режимов
резания на отдельные операции
Режимы резания будут рациональны, если его
процесс ведется с такими значениями перечисленных режимных параметров, которые
позволяют получить высокие технико-экономические показатели [9].
При назначении элементов режимов резания
учитываются характер обработки, тип и размера инструмента, материал его режущей
части, материал и состояние заготовки, тип и состояние оборудования [16].
Операция 020 - фрезерная
производится фрезерование паза под размерами В=22
, t=9N9, параметр
шероховатости Ra=6.3 мкм.
Исходные данные: делать - вал - шестерня,
материал - Сталь 40ХН, заготовка - поковка.
Станок горизонтально фрезерный 6Р13
(Nд=11 кВт,
). Фреза
концевая Ø 22, l = 123мм, z=3 [16] ,
материал Р6М5. Приспособление - призмы. Масса заготовки. Годовая программа
выпуска 500 шт. Производство единичное.
Глубина фрезерования t
и ширина фрезерования В - понятия, связанные с размерами слоя заготовки,
срезаемого при фрезеровании. Глубина t
=9 мм, а ширина В = 22 мм.
Величину Sz находим по
[16] Sz = 0,036
мм/зуб.
Скорость резания - окружная скорость
фрезы, м/мин, определяется по формуле [16]
(3.42)
где Т - стойкость инструмента по [16], Т=80мин;
Коэффициенты и показатели степени
выбираются по [16] -СV = 46,7; m = 0,33;
= 0,5;
= 0,5; q=0,45; u=0,1 и p=0,1.
Общий поправочный коэффициент на
скорость резания, учитывающий фактические условия резания [16],
(3.43)
где
- коэффициент, учитывающий качество
обрабатываемого материала [16];
- коэффициент, учитывающий состояние
поверхности заготовки [16],
;
- коэффициент, учитывающий материал
инструмента [16],
.
(3.44)
где KГ-коэффициент
характеризующий группу стали по обрабатываемости, KГ
= 1,0;
nv -
показатель степени, nv
=0,9.
Находится частота вращения фрезы n из формулы
определения скорости резания [16]
(3.45)
По паспорту станка принимается n=600 об/мин.
Фактическая скорость резания по
принятой частоте вращения шпинделя станка
м/мин
Минутная подача [16]
мм/мин (3.46)
По паспорту станка принимается
мм/мин
Фактическая подача на зуб фрезы
мм/зуб
Главная составляющая силы резания
при фрезеровании - окружная сила [16]
(3.47)
где z - число
зубьев фрезы;
n - частота
вращения фрезы, об/мин;
- поправочный коэффициент на качество
обрабатываемого материала для стали, [16];
x, y, u, q и w -
показатели степени ,[16];
Сp -
коэффициента
Сp = 68,2; x = 0,86; y = 0,72; u = 1,0; q = 0,86; w = 0;
= 1.
Крутящий момент [16],
(3.48)
где D
- диаметр фрезы, мм
Мощность резания (эффективная) [16],
кВт
(3.49)
Коэффициент использования станка по
мощности
(3.50)
Основное время при фрезеровании концевой фрезой
шпоночного паза определяется по формуле [17]
(3.51)
где
- ход фрезы в мм;
sМ.пр - продольная
подача, мм/мин.
Ход фрезы [17]
(3.52)
где
;
- перебег;
длина шпоночного паза,
125мм.
Для остальных поверхностей режимы
резания выбираются из справочной литературе. И все данные сводятся в таблицу
2.8.
3.8 Расчет
норм времени на отдельные операции
Технические нормы времени в условиях единичного
производства устанавливаются расчетно-аналитическим методом.
В единичном производстве определяется норма
штучного времени по формуле [10]

(3.53)
где 
- подготовительно - заключительное
время, мин.;
n -
количество деталей в настроечной партии, шт.
Эту формулу можно представить в
таком виде для всех операций кроме шлифовальных [10]
(3.54)
где
- основное время;
- время на установку и снятие
детали, мин;
- время на закрепление и открепление
детали, мин;
время на приемы управления, мин;
- время на измерение детали, мин;
- коэффициент;
- время на обслуживание рабочего
места и отдых, мин.
Для шлифования [8]
где
- время на техническое обслуживания
рабочего места, мин;
Таблица 2.8 - Режимы резания
|
№
операции
|
Операция/
переход
|
t, мм
|
S, мм/об
|
, м/минn,об/минP,НN,квтtосн.
|
|
|
|
|
|
010
|
Горизонтально-расточная
|
4
|
0,09
|
242
|
500
|
-
|
4,6
|
1,3
|
015 Токарная черновая
80
86
90
95
110
91,5
100
Токарная чистовая
80
86
90
110
91,5
100
М90
,9
,4
,5
,6
,6
,5
,28
,5
,5
,5
,5
,5
,5
,25
,25
,25
,25
,25
,25
,25
,8
,8
,5
,2
,6
,1
,3
,6
,05
,05
,1
,6
3.6
,9
,4
,17
,3
,11
,9
,8
,7
,5
,1
,3
,1
,9
,01
|
3,1
|
|
|
|
|
|
|
|
|
|
020
|
Фрезерная
В=22мм, t=9 В=12мм,
t=7
|
9
7
|
0,33
0.33
|
42
44
|
600
1189
|
1934
2300
|
1,3
1,6
|
2.5 1,08
|
|
025
|
Зубофрезерная
|
2,5
|
3
|
110
|
300
|
-
|
-
|
12,2
|
|
045
|
Зубошлифовальная
|
0,02
|
0,05
|
50
|
350
|
-
|
9,3
|
5,6
|
050 Шлифовальная
черновая
80
95
Шлифовальная чистовая
80
95
,4
,3
,1
,1
,002
,002
,001
,001
-
,08
,2
,6
,5
,2
(3.55)
- время на организацию рабочего
места, мин;
- время перерывов на отдых и личные
надобности, мин.
Нормирование фрезерной 020 операции.
Определяется состав подготовительно
- заключительное время для фрезерной операции 020: установка приспособления
[18, карта 1] - 20 мин; установка фрезы - 2 мин; получение приспособления и
инструмента до начала работы и сдачи их рослее завершение работы, [10, карта №
1] - 7 мин,
мин.
Время на установку и снятие детали,
закрепление ее и открепление, [18, карта 2]
(3.56)
Время на управление [10, таблица
5.1] : включить и выключить станок кнопкой - 0,01мин; подвести деталь в
продольном направлении - 0,03мин; переместить стал в обратном направлении 300мм
- 0,11мин; тогда
мин.
Время на измерение детали [10,
таблица 5.16] , равно 0,2мин; при 20% контролируемых деталей, получается
мин
Вспомогательное время
мин,
оперативное время равно
мин.
Время на обслуживания рабочего места
[10, таблица 5.16] составляет 3,5% от оперативного тогда
мин
Время на отдух и личные надобности
равно 4% от оперативного [10, карта 88]
мин
Штучно - калькуляционное время при
фрезеровании шпоночного паза по формуле (3.54)
мин
Нормирование шлифовальной операции
050.
Определяется состав подготовительно
- заключительное время для шлифовальной операции 045: установка вала в центрах
[19, карта 1] - 8 мин; установка шлифовального круга - 2 мин; получение
инструмента до начала работы и сдачи их после завершение работы, [10, карта №
25] - 5 мин,
мин.
Время на установку и снятие детали,
закрепление ее и открепление, [10, таблица 5]
.
Время на управление [10, таблица
5.1] :
мин.
Время на измерение детали [10,
таблица 5.16] , равно 0,33 мин; при 50% контролируемых деталей, получается
мин.
Вспомогательное время
мин,
оперативное время равно
мин.
Время на организацию рабочего места
[10, таблица 5.21] составляет 1,7%,тогда
Время перерывов на отдых и личные
надобности составляет 6% от оперативного
Техническое обслуживание рабочего
места
(3.57)
Штучно - калькуляционное время при
шлифовании вала по формуле (3.55)
мин
Полученные данные при расчетах норм
времени сводятся в таблицу 2.9.
Таблица 2.9 - Сводная таблица
технических норм времени
|
№
операции
|
      
|
|
|
|
|
|
|
|
|
|
|
|

|
|
|
|
|
|
|
|
010
|
3,1
|
29
|
0,442
|
0,1
|
0,16
|
-
|
-
|
0,1
|
500
|
3,9
|
|
015
|
14,38
|
26
|
0,714
|
0,1
|
0,16
|
-
|
-
|
0,06
|
500
|
14,48
|
|
020
|
7,16
|
29
|
0,128
|
0,15
|
0,04
|
-
|
-
|
0,22
|
500
|
7,6
|
|
025
|
12,2
|
20
|
0,442
|
0,1
|
0,2
|
-
|
-
|
0,51
|
500
|
13,44
|
|
045
|
5,6
|
20
|
2,6
|
0,1
|
0,2
|
-
|
-
|
0,51
|
500
|
7,8
|
|
050
|
8,2
|
15
|
2,6
|
0,1
|
0,165
|
0,05
|
0,003
|
0,204
|
500
|
8,4
|
3.9 Выбор контрольно -
измерительных средств
Для обеспечения надлежащего контроля необходимо
правильно выбрать средства и способы контроля. При этом нужно, чтобы
измерительные средства соответствовали требованиям, которые предъявляются к
точности обрабатываемых деталей. Предельная погрешность измерительных средств
не должна превышать 10¸20% допуска измеряемой
величины. При выборе измерительных средств необходимо также учитывать
экономические показатели их себестоимости, время на настройку, на измерение,
надежность работы и т.п.
Для контроля диаметров вала -
шестерни 80,86,95,91.57 выбирается мерительный инструмент микрометр МК-100 ГОСТ
6507-80, с ценой деления 0,01мм. Основанием микрометра является скоба, а
преобразующим устройством служит винтовая пара
<#"869656.files/image234.gif">
- скоба, 2- пятка,
3-микрометрический винт, 4- стопор, 5-стебель, 6-барабан, 7-трещетка Рисунок
3.6 Микрометр МК-100
Для проверки метрической резьбы М90
2-8g применяется
кольцо резьбовое (рисунок 3.7) - это бесшкальный измерительный инструмент для
контроля размеров, формы и взаимного расположения частей изделий. Контроль
изделия состоит в сравнении с калибром по вхождению или степени прилегания их
поверхностей.
Рисунок 3.7 Кольцо резьбовое
Для контроля шероховатости
необходимы образцы шероховатости ГОСТ 9378-93 представляющих собой набор
пластин обработанных с определенной шероховатостью.
Также необходимо проверить
радиальное и торцевое биение. Схема измерения радиального биения представлена в
графической части. В Контрольные цента которые крепятся на плите вставляется
вал и с помощью индикатора ИБР ГОСТ 5584-8 который крепится на штативе
измеряется радиальное и торцевое биение. Величина биения определяется как
разность между наибольшим и наименьшим показаниями измерительного устройства,
при повороте детали на
.
Смещение исходного контура зубчатых колес
Новикова от его номинального положения оказывает большое влияние на условие
контактирования зубчатых колес в передачи, в связи с чем контролю положения
исходного контура уделяется особое внимание. В графической части представлена
схема измерения положения исходного контура относительно окружности выступов
тангенциальным зубомером 23500 (ГОСТ 4446-70). Тангенциальный зубомер (рисунок
3.8) состоит из корпуса 1 и двух измерительных губок 2, перемещающих от винта с
правой и левой винтовой нарезкой. Измерительные поверхности губок скошены под
угол зацепления. Прибор настраивается с помощью роликов прилагающихся к
прибору, имеющим диаметры, пропорциональны модулю контролируемого колеса,
независимо от числа зубьев.
Измерительная поверхности прибора образуют призму,
форма которой соответствует форме впадины между зубьями исходного контура, чем
достигается контакт их по постоянной хорде. Плавность работы зубчатых колес
можно выявить при контроле местной кинематической погрешности, циклической
погрешности колеса и передачи. С помощью поэлементных методов контролируется
шаг зацепления. Шаг зацепления контролируется с помощью накладных шагомеров
(рисунок 3.9) БВ-5070 ГОСТ 53688-81(схема измерения представлена в графической
части) снабженных тангенциальными наконечниками 2 и 3 и дополнительно
поддерживающим наконечником 1.
Рисунок 3.8 Схема измерения отклонения исходного
контура
Измерительный наконечник 3 подвешен на плоских
пружинах 4 и 6. При контроле шестерни перемещение измерительного наконечника
фиксируется встроенным отсчетным устройством 5. При настройки положения
наконечников 1 и 2 можно менять с помощью винтов 7.
Для измерения длины шеек вала, длины и глубины
шпоночных пазов используется штангенциркуль ШЦ I-1600-0,1
ГОСТ 166-89.
Штангенциркуль - универсальный инструмент для
определения наружных и внутренних размеров. С помощью штангенциркуля можно
выполнить более точные измерения, чем линейкой. Кроме того, штангенциркулем
можно определять глубину отверстий и выступов. Мерительные губки штангенциркуля
можно использовать также для замеров параллельности сторон заготовок. Для
измерения наружных размеров и контроля параллельности используют основные
мерительные губки инструмента, для измерения внутренних размеров и разметки - вспомогательные
заостренные губки.
С помощью глубиномера определяют глубину
отверстий и выступов.
В основу устройства штангенциркуля положены
линейка с делениями (штанга) и вспомогательная шкала-нониус, которая
перемещается по основной линейке-штанге. С помощью этой вспомогательной шкалы
можно отсчитывать доли деления основной шкалы.
Рисунок 3.9 Шагомер БВ-5070
Контроль элементов шпоночного соединения
универсальными средствами измерений из-за малости их поперечных размеров
существенно затруднен. Поэтому для их контроля широко используются калибры.
Проходной калибр для контроля вала со шпоночным
пазом представляет собой призму («наездник») с выступом-шпонкой, равной длине
шпоночного паза или длине шпоночного сопряжения. Комплект непроходных калибров
предназначен для поэлементного контроля и включает непроходной калибр-скобу для
контроля размеров центрирующей поверхности вала и шаблоны для поэлементного
контроля ширины и глубины шпоночного паза.
ЗАКЛЮЧЕНИЕ
В курсовом проекте была произведена модернизация
редуктора - изменение конструкции сборного зубчатого колеса на два отдельных
зубчатых колеса. Это конструкторское изменение направлено на снижение
трудоемкости изготовления, механической обработки, экономию металла, уменьшение
массы редуктора, без изменения технических характеристик редуктора.
Произведена технологическая подготовка детали
«вал-шестерня»: определение типа производства, расчет по программе выпуска,
выбор наиболее оптимального метода получения заготовки. На механическую
обработку детали рассчитаны припуски, режимы резания, нормирование на все
операции технологического процесса.
Для обработки детали выбрано оборудование,
режущие инструменты, технологическая оснастка и контрольные приспособления.
При выполнении работы, согласно заданию
руководителя, проектирование велось для условного производства, поэтому
приведенные данные могут быть использованы для любого машиностроительного
производства, осваивающего изделия такого типа.
СПИСОК ИСПОЛЬЗОВАННЫХ ИСТОЧНИКОВ
1 Маталин
А.А. Технология машиностроения.-М.: Машиностроение, 1985 с. 496.
2 Общетехнический
справочник /под редакцией Скороходова Е. А.- М.: Машиностроение, 1989 с. 512.
3 Технология
машиностроения. В 2 кн. Кн. 1. Основы технологии машиностроения: Учебное пособие
для вузов / Э. Л. Жуков, И. И. Козарь, С. Л. Мурашкин и др.; под. ред. С. Л.
Мурашкина. - М.: Высш. Шк., 2003 с. 278.
4 Технология
машиностроения. В 2 кн. Кн. 2. Основы технологии машиностроения: Учебное
пособие для вузов / Э. Л. Жуков, И. И. Козарь, С. Л. Мурашкин и др.; под. ред.
С. Л. Мурашкина.-М.: Высшая школа, 2003 с. 278.
5 Руководство
по эксплуатации «Привод штанговых глубинных насосов ПШГН 8-3-4000», 2009 с. 25.
6 Гусев
А.А., Ковальчук Е.Р., Колесов И.М. и др. Технология машиностроения. - М. :
Машиностроение, 1986 с. 480.
7 Солонин
И.С., Солонин С.И. Расчет сборочных и технологических размерных цепей. - М. :
Машиностроение, 1980 с. 110.
8 Горбацевич
А.Ф., Шкред В.А. Курсовое проектирование по технологии машиностроения. - Мн.:
Высшая школа, 1983 с. 256.
9 Балабанов
А. Н. Краткий справочник технолога - машиностроителя, - М.: Издательство
стандартов, 1992 с. 464.
10 Данилевский
В. В. Технология машиностроения,-М.: Машиностроение, 1984 с. 416.
11 Грановский
В. Г., Грановский Г. И. Резание металлов, - М.: «Высшая школа», 1985 с. 304.
12 Косилова
А.Г., Мещеряков Р.К. Справочник технолога-машиностроителя. Т.1. - М.:
Машиностроение, 1972 с. 694.
13 Косилова
А.Г., Мещеряков Р.К. Справочник технолога-машиностроителя. Т.2. - М.:
Машиностроение, 1985 с. 496.
14 Панов
А.А. Обработка металлов резанием: Справочник технолога. - М.: Машиностроение,
1988 с. 736.
15 Общемашиностроительные
нормативы времени для технического нормирования работ на металлорежущих
станках. Часть 1. - М.: Машиностроение, 1967 с. 315.
16 Общемашиностроительные
нормативы времени для технического нормирования работ на металлорежущих
станках. Часть 2. - М.: Машиностроение, 1967 с. 315.
17 Косилова
А. Г., Мешеряков Р. Г., Калинин М. А. Точность обработки, заготовки и припуски
в машиностроении. - М.: Машиностроение, 1976 с. 284.