Конструирование простых винтовых устройств
МИНИСТЕРСТВО ОБРАЗОВАНИЯ И НАУКИ
РОССИЙСКОЙ ФЕДЕРАЦИИ
ФЕДЕРАЛЬНОЕ ГОСУДАРСТВЕННОЕ БЮДЖЕТНОЕ
ОБРАЗОВАТЕЛЬНОЕ УЧРЕЖДЕНИЕ ВЫСШЕГО ПРОФЕССИОНАЛЬНОГО ОБРАЗОВАНИЯ
ДОНСКОЙ ГОСУДАРСТВЕННЫЙ ТЕХНИЧЕСКИЙ
УНИВЕРСИТЕТ (ДГТУ)
Расчетно-графическая работа
По дисциплине «Детали машин и основы
конструирования»
На тему: Конструирование простых
винтовых устройств
Выполнил студент гр. ТТР4-1
Лавриненко И.В.
Проверил: Петров А.М.
Ростов-на-Дону
Задание на расчетно- графическую работу
Задание 7- рисунок домкрат.
Вариант 9:
Осевое усилие Q=11 кН;
Тип резьбы - трапецеидальная;
Расчетная длина винта -lmax=220
мм
Оглавление
1. Составление и анализ структурной схемы домкрат
. Конструирование винтов
.1 Материалы для изготовления винтов
.2 Определение формы винта
.2.1 Определение размеров винтов в опасных сечениях
.2.2 Проверка винта на устойчивость
.2.3 Проверка условия самоторможения резьбы
. Конструирование гаек винтовых устройств
.1 Форма гайки и материалы для её изготовления
.2 Определение размеров гайки
.2.1 Определение наружного диаметра гайки
.3 Определение размеров буртика гайки
.3.1 Высота буртика
. Конструирование чашки
. Конструирование рукояток
.1 Определение длины рукоятки и радиуса штурвала
.2 Полная длина рукоятки
.3 Определение диаметра рукоятки
. Стопорные винты
. Определение линейных размеров винта
. Корпус домкрата
. Коэффициент полезного действия винтового устройства
.1 К.П.Д. винтового устройства
.2 К.П.Д. винтовой пары
Список литературы
1. Составление
и анализ структурной схемы домкрат
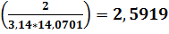
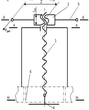
Критерии работоспособности винта (Рис. 1а ). Рабочий, прикладывая к
рукоятке 5 усилие Рраб на расстоянии l от оси вращения, заставляет винт 1 вращаться в неподвижной гайке 2 и,
преодолевая действие веса Q груза 6, поднимать его. Таким образом, гайка 2
относительно корпуса 3 неподвижна, винт 1 относительно гайки 2 - подвижен.
Рис. 1.1
В резьбе на длине свинчивания lсв винта 1 и гайки 2, витки резьбы винта
давят на витки резьбы гайки (рис. 1.б) суммарным усилием Q и, т.к. винт
вращается, на поверхностях стыка витков возникает момент сил сопротивления
движению Тр.
Рис.1.2
Чашка домкрата 4, на которой лежит груз 6, относительно груза неподвижна.
Но, так как винт 1 вращается, в плоскости стыка «а-а» чашки 4 и головки винта
действует момент сил трения Топ, препятствующий движению.
Через чашку 4 на головку винта 1 по плоскости контакта «а-а» передается
вес Q груза 6. С другой стороны, винт 1 опирается своими витками на длине
свинчивания на витки резьбы гайки (рис.1.б.). Так как каждому действию есть
равное и противоположно направленное противодействие, в витках резьбы гайки 2
возникает опорная реакция Q', направленная вверх и действующая на винт
(рис.1.в). Поэтому участок винта между чашкой 4 и гайкой 2 сжат. Эпюра
сжимающих сил Q приведена на рис. 1.в.
Для того, чтобы вращать винт, поднимая груз, нужно преодолеть трение на
опоре Топ (плоскость «а-а») и сопротивление в резьбе Тр. С этой целью рабочий с
помощью рукоятки создает момент
Траб = Рраб · l ≥ Топ + Тр
Получается, что винт нагружен, кроме сжатия, крутящим моментом Топ на
участке между плоскостями «а-а» и «d-d» и Тр на участке между плоскостями «d-d»
и «m-m» (рис. 1.в).
Осевая сила, сжимающая винт, уменьшается по мере увеличения числа витков
резьбы гайки, на которые он опирается. Поэтому на эпюре Q (рис. 1.в) усилие,
сжимающее винт, уменьшается на длине свинчивания lсв от максимума до нуля.
Момент сопротивления в резьбе, зависящий от этого усилия, также уменьшается от
максимума в плоскости «k-k» до нуля в плоскости «m-m». Таким образом, винт
работает на сжатие с кручением.
Кроме того, т. к. винт-стержень, сжимаемый продольной силой, нужно
проверить возможность потери им устойчивости при подъеме груза на заданную
высоту.
2.
2. Конструирование винтов
2.1 Материалы для изготовления винтов
Винты изготавливаются из сталей марок ст.4; ст.5; сталь 35. 40. 45. Эти
материалы могут применяться нормализованными или улучшенными. При необходимости
можно применять стали У10; 65Г; 40Х; 40ХН с объемной или поверхностной
закалкой.
Применяю материал для винта сталь марки ст35.
2.2 Определение формы винта
Очевидно, что основной элемент конструкции винта 1 (рис. 4.1.а) -
стержень с резьбой. В верхней части этого стержня должна быть головка с
поперечным отверстием, в которое свободно вставляется рукоятка 5. На головку
винта 1 опирается чашка 4. Во время работы домкрата винт вращается, а чашка
нет.
Чтобы чашка не соскочила с винта, из головки должна выступать ось для
неё. Эскиз винта - рис. 2.1.
Рис.2.1
Обратите внимание: для того чтобы выполнить такой эскиз, нужны лишь
соотношения размеров деталей: один больше, а другой должен быть меньше диаметра
d резьбовой части стержня винта.
Некоторые особенности конструкций винтов, задаваемых для разработки
механизмов.
Для того, чтобы чашка 4 не потерялась при хранении домкрата на торце Б
винта также закрепляется шайба. Но при этом чашка 4 не должна быть жестко
зафиксирована на винте 1. Поэтому высота оси чашки должна быть больше толщины
её дна на 1,5-2мм; dо=10…16мм.
Рис. 2.2
Диаметр канавки dк берется равным внутреннему диаметру резьбы.
Ширина канавки bк =(2..5)мм. А размер bп = (2…3)мм.
Диаметр переходного участка dп = d или на несколько миллиметров больше.г=
(1,5…1,8)d - диаметр головки винта.
2.2.1 Определение размеров винтов в опасных сечениях
Основным параметром винта является диаметр его в опасном сечении. Опасным
сечением является сечение, в котором диаметр винта должен быть наименьшим.
Как установлено при анализе структурной схемы, винты работают на сжатие
(растяжение) и кручение. Из условия прочности по этим видам деформаций:
;
где
А - площадь винта в опасном сечении;
-
допускаемое напряжение при расчете на сжатие (растяжение);
, МПа.;
σТ - предел текучести, выбранного для изготовления винта материала;
n =(3..5) -
коэффициент запаса прочности.
Коэффициент запаса прочности назначается в зависимости от степени опасности
последствий отказа винта. Очевидно, что в случае съемника для втулок
коэффициент запаса можно взять меньше, а в случае домкрата - больше. Полученное
значение допускаемого напряжения нужно округлить до целого числа в меньшую
сторону.
Для стали 40
тогда
наименьший
диаметр винта
, мм
где
К - коэффициент, учитывающий скручивание винта;
Так
как винт скручивается суммарным моментом в резьбе и опоре, тогда К=1,3
Наименьший
диаметр винта

Принимаем
внутренний диаметр резьбы
.
Наружный
диаметр резьбы d
=20 мм.
Средний
диаметр резьбы d2
=18.376
мм
шаг
резьбы-
; P=
примем по ГОСТу 8724-81 P=2,5 мм
По
ГОСТу 9150-81 определим высоту исходного профиля резьбы: H=0.866025*P=0.866025*2.5=2,1650
мм
Площадь винта
Тогда
, условие выполняется.
2.2.2 Проверка винта на устойчивость
Если винт сжат, то при гибкости λ≥55 его необходимо проверить на
устойчивость.
где
μ
- коэффициент приведения длины,
учитывающий закрепление винта в опорах;
Так
как один конец винта свободен, второй направляется гайкой, тогда μ= 2;
lmax=120 мм -
максимальная высота подъёма винта или наибольшее расстояние от гайки до торца
винта по ГОСТу 17473-80*
- радиус
инерции сечения винта.
где
,
тогда
Найдем
гибкость:
Условие устойчивости при действии сжимающих нагрузок
где
- допускаемое напряжение при расчете винта на сжатие
(см. выше);
φ - коэффициент понижения допускаемого напряжения.
Величина
φ
принимается по таблице 5.1[1] в
зависимости от гибкости винта λ. Тгода
Найдем
МПа
=85*0,89=75.65
МПа.
Условие
устойчивости выполняется
.
2.2.3 Проверка условия самоторможения резьбы
Резьбы, применяемые в рассматриваемых конструкциях, должны быть
самотормозящимися. Иначе, как только рабочий перестает воздействовать на
рукоятку, винт может начать вращаться в обратную сторону. Чтобы этого не
случилось, должно выполняться условие φ ≤ ρ'
Рис. 2.3
где
- угол подъёма резьбы;
P и d2 -
шаг и средний диаметр резьбы;
-
приведенный угол трения в резьбе;
α - угол наклона рабочей грани витка резьбы (рис. 2.3 в качестве примера
трапецеидальная резьба);
-
коэффициент трения в резьбе;
Принимаем
fmin=0,1, что соответствует слабой смазке.
Угол
наклона рабочей грани:
α=30º - метрическая резьба.
Угол
подъема резьбы:


град
Приведенный
угол трения в резьбе:


град
Условие
φ
≤ ρ выполняется.
3.
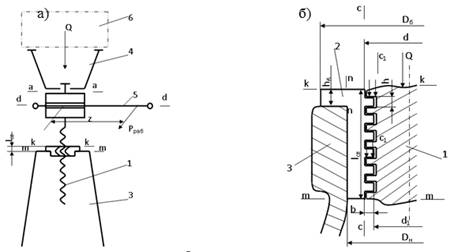
3. Конструирование гаек винтовых устройств
.1 Форма гайки и материалы для её изготовления
гайка винтовой домкрат
Из анализа структурной схемы ясно, что витки резьбы винта опираются на
витки резьбы гайки и при этом винт вращается. Гайка, чаще всего, вставляется в
корпус механизма и под действием нагрузки висит на буртике (рис. 3.1.). Она
выполняется как отдельная деталь из антифрикционного материала (рис. 3.2).
Применяются бронзы (ОФ10-1; БрОЦС 5-5-5; БрАЖ 9-4 и др.). При небольших
нагрузках могут быть использованы антифрикционные чугуны (АЧС-1; АЧС-2 и др.)
или серые чугуны (СЧ-15; СЧ-18).
Если нужно с гайкой связать конструктивные элементы: рукоятки (рис. 3.3)
или пальцы (рис 3.4), гайки делают либо целиком стальные (ст.3; стали 20, 30),
либо из дешевой стали выполняют корпус, в который вставляют гайку, выполненную
из бронзы или чугуна.
3.2 Определение размеров гайки
Определение высоты гайки
Высота гайки Hг=Р·Z, мм
где Р - шаг резьбы; P=2.5
мм- число витков резьбы гайки.Z=10
Тогда высота гайки
Число витков резьбы определяется из расчета на смятие
где
Асм - площадь контакта одного витка резьбы винта и витка резьбы гайки (рис.
3.2)
, мм2
Определим
(
]=7 МПа,
так как витки винта движутся по виткам гайки, давление на поверхность контакта
не должно быть большим, чтобы не выдавливалась смазка. Поэтому [σсм] ограничивается.
Условие
выполняется, так как
].
Рис. 3.1
Рис. 3.2
Рис. 3.3
Рис. 3.4
Поскольку, как известно, лишь 8-10 витков резьбы гайки воспринимают
осевую нагрузку, делать Z больше не имеет смысла. Поэтому
Если
Z' получается больше 10, то нужно увеличить диаметр резьбы и повторить расчет.
Полученное число витков Z' проверяется на срез по плоскости «а-а» (рис. 3.2 б)
Где
D=16 мм;
=13 МПа,
так как сталь по стали.
Определим
число витков:

Принимаем
число витков гайки Z=10
Проверка
условия самоторможения резьбы
,
где
[τср]=(0,2…0,3)σр - для стальной гайки; [τср]=0.3*36.43=10.929
МПар - коэффициент полноты резьбы:
kр=0,76 для упорной резьбы;
Осевое
усилие Q=11 кН;
Шаг
резьбы P=2.5 мм;
Средний
диаметр резьбы
мм;
Число
витков Z=10.6
Тогда
МПа
Условие
выполняется τср≤ [τср].
3.2.1 Определение наружного диаметра гайки
Поскольку гайка висит на буртике, возможен разрыв её по плоскости «в-в»
(рис. 3.1). Из условия прочности на растяжение с кручением
.
и
площади сечения гайки
, мм.
где
[σр]=
- для
стальных и бронзовых гаек;- 2,5…3,5 - коэффициент запаса прочности;=1,3-
коэффициент, учитывающий скручивание.
[σр]=
.
Для
удобства изготовления и нормальной эксплуатации толщина тела гайки должна быть
не менее 5мм, поэтому должно быть
+10мм.
30 мм
Площадь
сечения гайки:
мм2.
Тогда
Условие
прочности на растяжение с кручение выполняется
3.3 Определение размеров буртика гайки
Наружный диаметр.
На кольцевой поверхности контакта буртика гайки и корпуса возникают
напряжения смятия. Поэтому
.
Отсюда
, мм.
Здесь
[σсм] = 0,8σт т.к. контактирующие детали неподвижны.
Диаметр
буртика:
На
входе в расточку корпуса (рис. 3.1) для того, чтобы удобнее было вставлять
гайку, выполняется фаска. Поэтому ширина опорного кольца буртика не может быть
меньше 5мм.
С
учетом этого Dб ≥Dнг+10мм.б
30+10б=40
мм;
Напряжение
смятия:
Условие
напряжение смятия выполняется:
3.3.1 Высота буртика
Высота буртика определяется из условия прочности его на срез по плоскости
«с-с» (рис. 3.2 а).
.
где
[τср] = 20…25 Мпа для стали;
Q=11 мм- осевое
усилие;
=20 мм
-наружный диаметр гайки.
Тогда
=11.67 МПа.
Условие
прочности выполняется
4.
4. Конструирование чашки
Конструкция чашки - рис. 4.1.
Материалы: сталь ст.3, 20, 20Л т.п.
Принимаем материал чашки ст. 20
Принять: Dн =d0 +(2…3)мм и
округлить до целого четного значения.
Dн=16+3=18
мм
Dопн=(1,5…2)
dотв.
Dопн=1.5*18=27
мм
Dвн =Dопн +(2…3)мм
Dвн=27+3=30
мм
Рис. 4.1.
Толщина шайбы -2-3мм.
Принимаем толщину шайбы 3 мм.
Диаметр dн определяется из расчета на смятие
;
где
[σсм]= (13…15)Мпа т.к. контактирующие поверхности
подвижны относительно друг друга.
=
Диаметр
головки винта:г= (1,5…2)d,
где
d - диаметр винта.
Dг=
=(2…3)мм (рис. 4.1.).
Толщиной
стенки удобнее задаться, а потом проверить её на прочность. По условиям
изготовления и эксплуатации δ ≥
(6...8)мм для точеных чашек.
Принимаем
толщину стенки чашки 8 мм.
Принятые
размеры проверяются на сжатие.
,
где
= (0,6…0,8)
материала
чашки.
=255 МПа
=0.8*245=196
МПа
=
5.
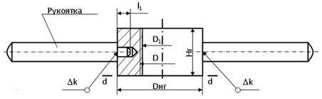
5. Конструирование рукояток
Материалы для изготовления рукояток и штурвалов.
Рукоятки изготавливаются из сталей: ст. 3; ст.4; 35; 45.
Штурвалы (маховички) отливаются из чугуна СЧ15. С ними используется ручка
штурвала из стали ст. 3.
Принимаем материал рукоятки ст.3
.1 Определение длины рукоятки и радиуса штурвала
С помощью рукоятки рабочий создает момент Траб для преодоления
сопротивления в резьбе Тр и на опорной поверхности чашки или торца винта, или
гайки - Топ .
Траб=Рраб·lрасч.≥Тр+Топ.б
где Рраб - усилие рабочего на рукоятке;
Рраб=200-250Н при кратковременной (до 5мин) с большими
перерывами работе;
расч=
- расчетная длина рукоятки;
- момент
сопротивления в резьбе;
=18.376 мм-
средний диаметр резьбы винта;
=2.5919 и
=6.58 - угол подъема резьбы и приведенный угол трения.
Tр=
Топ.б
- момент трения на опорной поверхности:
,
где
Dвн= - наружный диаметр опорной поверхности ( рис.4.1.)
d - внутренний
диаметр опорной поверхности ( Dопн, рис.4.1.)- коэффициент трения сухих поверхностей=
0,18…0,3 - сталь по стали.
Tоп.б =
.
Тогда
Траб=238*200
Траб=47629
)
5.2 Полная длина рукоятки
Полная длина рукоятки l (рис. 5.1)
Рис. 5.1
=lрасч. +
+(120…150),
где Dг=30 мм - диаметр головки винта
Длина 120…150мм добавляется для удобства захвата рукоятки рукой и для
установки упорных шайб на концах рукоятки.
Полная длина рукоятки l=
.3 Определение диаметра рукоятки
Рукоятка работает на изгиб как консольная балка (рис.5.1) с вылетом lи
и=lрасч.- Dг/2; Mи=Рраб.·lи;и=
; Mи=200*238= 47600 Н*мм;
Диаметр
рукоятки:
;
где[σи]=σт/n;
n=2…3.
Для
стали ст3 предел текучести
;
[σи]=
;
Полученный
размер
округлить в большую сторону по ГОСТ 6636-83.
6.
6. Стопорные винты
При вращении винта 1 в резьбе на длине свинчивания его с гайкой возникает
момент Тр, который стремится вращать гайку.
Препятствует этому момент сил трения на опорной поверхности буртика гайки
Топ.б.
Топ.б=
Гайка
будет неподвижна если Топ.б > Тр
Здесь
(п.3.2.1.) (рис. 3.2 а)
Tр=
Гайка
будет неподвижна так как Топ.б > Тр
7.
7. Определение линейных размеров винта
После того, как определены размеры чашек, захватов, гайки и рукоятки
можно определить линейные размеры основного винта конструкции.
Длина винта складывается из длин следующих участков- длина оси чашки l0=δч+(1…2)мм, где δч- толщина чашки;=8+2=10 мм
8.
8. Корпус домкрата
Корпус домкрата рис. 8.1.
Материал - чугун марок СЧ15; СЧ18
Размеры, определяемые по заданным и полученным параметрам:=Dнг; Dнг -
наружный диаметр гайки;
D=30
мм;
Н
≥
;
- высота
гайки без буртика;
Н=20
мм;≥ Dб; Dб- диаметр буртика гайки;=40 мм
Н4=lраб+
(15…20)мм; lраб - длина рабочей гайки винта;
Н4=220+20=240
мм;= D+ (3…5)мм;=20+4=24 мм;
Рис. 8.1
= D3+ 2*Н4*
;
Где tgγ= 0.08…0.1;
Тогда D5=24+2*240*
Диаметр D7 определяется из условия прочности на смятие деревянной опоры,
на которую ставится домкрат. Для дерева [σсм]=2…2,5Мпа.
D7=
=
Толщина стенки корпуса δ=8 мм. Толщина фланца h1=(1,2…1,5)δ
h1=1.2*8=9.6
9.
9. Коэффициент полезного действия винтового устройства
9.1 К.П.Д. винтового устройства
К.П.Д. винтового устройства определяется по формуле
,
где
- полезная работа за один оборот винта;
-
затраченная работа за один оборот винта.
Для
однозаходных винтов
, Н*мм
где
Р=2.5 - шаг винта;
Q=11 кН - осевое
усилие.
Тогда
=11*2,5=27,5 Н*мм
Н*мм;
=2*3,14*5=31.4
Н*мм.
Тогда
𝜂=
9.2 К.П.Д. винтовой пары
К.П.Д. винтовой пары определяется по формуле
;
Список литературы
1. Методические указания к расчетно-графической работе №
1 по курсу «Основы конструирования машин»