Моделирование работы системы управления вентильным двигателем приводом несущего винта летательного аппарата типа 'квадрокоптер'

  • Вид работы:
    Курсовая работа (т)
  • Предмет:
    Транспорт, грузоперевозки
  • Язык:
    Русский
    ,
    Формат файла:
    MS Word
    264,72 Кб
  • Опубликовано:
    2015-12-19
Вы можете узнать стоимость помощи в написании студенческой работы.
Помощь в написании работы, которую точно примут!

Моделирование работы системы управления вентильным двигателем приводом несущего винта летательного аппарата типа 'квадрокоптер'

Введение

Квадрокоптер это летательный аппарат с четырьмя несущими винтами, вращающимися диагонально в противоположных направлениях. Обобщённое название аппаратов подобного типа, с произвольным количеством роторов - мультикоптер.

Многовинтовые вертолёты разрабатывались ещё в первые годы вертолётостроения. Недостатком этих аппаратов была сложная трансмиссия, передававшая вращение одного мотора на несколько винтов. Изобретение хвостового винта и автомата перекоса положило конец этим попыткам. Новые разработки начались в 1950-е годы, но дальше прототипов дело не продвинулось.

Новое рождение мультикоптеры получили в XXI веке, уже как беспилотные аппараты. Мультикоптеры удобны для недорогой аэрофото и киносъёмки - громоздкая камера вынесена из зоны действия винтов.

Микропроцессорная система переводит команды радиоуправления в команды двигателям. Чтобы обеспечить стабильное зависание, мультикоптеры в обязательном порядке снабжают тремя гироскопами, фиксирующими крен аппарата. Как вспомогательный инструмент, иногда, также используется акселерометр, данные от которого позволяют процессору устанавливать абсолютно горизонтальное положение, ибародатчик, который позволяет фиксировать аппарат на нужной высоте. Также, применяют сонар для автоматической посадки и удержания небольшой высоты, а также для облёта препятствий. И самое главное - GPS-приемник, позволяющий записывать маршрут полета заранее, с компьютера, а также, возвращать аппарат в точку взлёта, в случае потери управляющего радиосигнала, или снимать параметры полёта оперативно или потом [2].

Современные мультикоптеры используют бесколлекторные электродвигатели и литий-полимерные аккумуляторы в качестве источника энергии. Это накладывает определённые ограничения на их полётные характеристики: типичная масса мультикоптера составляет от 1 до 4 кг, при времени полёта от 10 до 30 минут (30-50 минут у уникальных единичных экземпляров). Существуют и достаточно крупные модели мультикоптеров, с количеством роторов порядка 6-8 (гекса и октокоптеры), способные поднять в воздух груз массой до 20-30 кг. Для увеличения грузоподъёмности применяют соосное расположение несущих роторов, что в случае гексакоптера, например, даёт 12 моторов и 12 пропеллеров, расположенных попарно на 6 несущих лучах. Скорость полёта мультикоптера может быть от нуля (неподвижное висение в точке) до 100-110 км/ч. Запас энергии батарей позволяет отдельным моделям мультикоптеров улетать на расстояние до 7-12 км, на практике же радиус действия (максимальное расстояние, на которое они способны улететь с последующим возвратом в точку взлёта) обычно ограничено прямой видимостью (100-200 м при ручном управлении) либо дальностью действия аппаратуры радиоуправления и видеолинка. При этом лучшие образцы подобной аппаратуры, использующие усилители мощности радиосигнала и систему направленных антенн, способны обеспечивать стабильные радиоуправление и видеолинк на расстояния до 100 км. Таким образом, наибольшее ограничение на радиус действия мультикоптеров накладывает именно время полёта.

Эти ограничения приводят к тому, что мультикоптеры обычно используются как аппараты "ближнего радиуса действия": для любительских полётов недалеко от себя, для фото-видеосъёмки близко расположенных объектов и т.д. Для сравнения, беспилотные самолёты с аккумулятором аналогичной ёмкости могут улетать на 10-15 км при высоте полёта 1-2 км.

Среди основных достоинств летательных аппаратов данного типа можно выделить следующие:

·        простота конструкции - отсутствие дифференциалов, как у классической модели вертолета;

·        маневренность - в отличие от самолетов или планеров, мультикоптер способен перемещаться в любом направл8ении и даже зависать на месте;

·        большая грузоподъемность - характеризуется использованием более чем 3 двигателей с высоким КПД.

Поэтому разработка подобных систем очень актуальна и перспективна. Целью данного курсового проекта является моделирование работы системы управления вентильным двигателем приводом несущего винта ЛА типа "квадрокоптер".

В процессе выполнения работы был произведен обзор вентильных двигателей и принцип работы электронных регуляторов хода.

1. Анализ технического задания

Рассматривается задача управления квадрокоптером (летательным аппаратом с четырьмя бесколлекторными электродвигателями) при следующих допущениях:

·        раму квадрокоптера будем считать абсолютно жесткой;

·        детали, из которых изготовлен аппарат одинаковые по плотности и массе, т.е. мультикоптер имеет идеальную симметричную конструкцию.

Схематическое изображение квадрокоптера представлено на рисунке 1, где  и  - подъемные силы первого, второго, третьего и четвертого двигателей соответственно;  - сила тяжести, действующая на квадрокоптер;  - центр масс аппарата;  и  - углы поворота относительно осей и  соответственно.

Рисунок 1 - Упрощенное представление квадрокоптера в пространстве

Линеаризованная математическая модель квадрокоптера описывается следующей системой дифференциальных уравнений:

 (1)

где  - масса платформы;  - ускорение свободного падения;  и  - матрицы инерции;  и  - сигналы управления, подаваемые на первый, второй, третий и четвертый двигатели соответственно, рассчитываемые по формуле:

 (2)

где  и  - скорости вращения первого, второго, третьего и четвертого двигателей соответственно;  - длина луча квадрокоптера; и  - фактор тяги и коэффициент сопротивления.

Таким образом, для достижения желаемых сигналов управления решается обратная задача:

 (3)

Сформулируем задачу управления квадрокоптером, как задачу обеспечения желаемых координат  и  таких, что:

 (4)

где  и  - оценки параметров  и  соответственно.

.1 Состав квадрокоптера

Квадрокоптер состоит:

·        4 бесколлекторных двигателя;

·        аккумулятор;

·        4 электронных регулятора хода;

·        плата управления;

2. Вентильные двигатели

Вентильные двигатели (ВД) считаются в настоящее время наиболее перспективными электромеханическими преобразователями.

В иностранной литературе двигатели такого типа называются "brushlessDC-Motor" - BLDC. Вентильный двигатель представляет собой электромеханическую систему, состоящую из электрической машины ЭМ и полупроводникового коммутатора фазных обмоток К, управление ключами которого производится системой управления СУ в зависимости от положения ротора. Информация о положении ротора может быть получена с помощью явновыраженного датчика положения ротора ДПР или программным способом после обработки сигналов ЭДС рабочей обмотки.

.1 Принцип действия ВД

Чтобы двигатель устойчиво вращался, необходимо, чтобы он развивал однонаправленный вращающий момент с минимумом пульсаций. Минимум пульсаций момента будет способствовать плавности хода двигателя.

В обмотку якоря от источника питания подается ток. В зависимости от распределения тока по катушкам в зубцовой зоне статора образуется полюсная система статора (электромагниты), создающие магнитный поток (поле) статора. Магнитный поток возбуждения создается либо постоянными магнитами, либо обмоткой возбуждения.

Электромагнитный момент образуется при взаимодействии магнитного потока возбуждения и фазных токов.

При совместном действии потоков возбуждения и потоков от токов статора силовые линии магнитного поля в воздушном зазоре изгибаются.

) Деформация магнитного поля вызовет, вследствие упругих свойств силовых линий, появление силы F, которую называют силой Ампера.

F=BlI, (5)

где В - магнитная индукция в воздушном зазоре, l - длина пакета, I - ток в обмотке статора.

Вращающий электромагнитный момент будет равен тангенциальной составляющей этой силы, умноженной на плечо

М=FтRрот. (6)

) Реализуется известный принцип: разноименные полюса притягиваются, а одноименные полюса отталкиваются.

) Возникающий момент стремится развернуть ротор так, чтобы вектора потоков якоря и возбуждения совпали.

) Возникающий момент будет стремиться развернуть ротор в положение максимального потокосцепления обмоток, по которым течет ток. То есть в положение, когда суммарная длина силовых линий магнитной индукции будет минимальна.

Таким образом, как и во всех двигателях переменного тока, ротор синхронно вращается вслед за вращающимся полем статора. Для вращения поля статора необходимо переключать фазные обмотки статора в такой последовательности, чтобы вектор потока статора вращался перед потоком ротора.

Чтобы знать, на какую фазу (секцию) нужно подключать к источнику питания, необходимо знать текущее положение полюсов ротора (вектора потока возбуждения) относительно осей фаз. Эта информация поступает с ДПР. квадрокоптер двигатель вентильный управление

Информация с ДПР обрабатывается системой управления, и формируются сигналы управления ключами, которые и обеспечивают включание и отключение ключей и соответствующих фаз в нужной последовательности.

Таким образом, при повороте ротора происходит переключение обмоток, вектор потока статора поворачивается на следующий шаг, и ротор продолжает синхронно вращаться с полем [2].

.2 Достоинства ВД

ВД обладают основными достоинствами КДПТ и АД и не имеют их недостатков. Часть достоинств ВД зависит от типа электрической машины, применяемой в ВД.

Перечислим достоинства ВД на базе синхронных машин с возбуждением от высококоэрцитивных постоянных магнитов Nd-Fe-B:

) Бесконтактность и отсутствие узлов, требующих обслуживания (нет щеточно-коллекторного узла и контактных колец).

Это достоинство присуще также АД с короткозамкнутым ротором и отсутствует у КДПТ и АД с фазным ротором.

Как следствие:

.1) Существенно повышается ресурс и надежность электропривода. Наработка на отказ составляет 10000 ч и более.

.2) Упрощается эксплуатация двигателя.

У КДПТ изнашиваемость щеток при эксплуатации требует проверки их состояния и замены через определенное время.

.3) Появляется возможность использования ВД во взрывоопасной и агрессивной среде. Также отсутствуют все те недостатки, о которых было сказано в разделе КДПТ.

) Вентильная коммутация тока в обмотках допускает значительное напряжение между выводами - до нескольких тысяч вольт. Обычный механический коллектор удовлетворительно работает при напряжении между коллекторными пластинами не более 30-32 В.

) Широкие возможности по регулированию выходных показателей электропривода при относительной простоте реализации системы управления.

Другими словами: Простота реализации различных видов механических характеристик, требуемых исполнительными механизмами.

Превосходит по этому качеству АД (у ВД возможно эффективное управление по напряжению), частотно-управляемый АД (у ВД более простая схема преобразователя) и ДПТ (возможность векторного управления).

.2) Имеется возможность оптимизации режимов работы при изменении скорости и нагрузки. Это также способствует повышению ресурса электродвигателя и всего агрегата.

) Большая перегрузочная способность по моменту (кратковременно кратность максимального момента равна 5 и более).

Отсутствует у АД.

) Высокие энергетические показатели (КПД и соsφ).

.1) КПД вентильных двигателей могут превышать 90%, Соsφ ВД - более 0,95.

У АД максимальный КПД составляет не более 86%.

Высокий КПД обусловлен тем, что основные электрические и магнитные потери в роторе ВД с возбуждением от постоянных магнитов отсутствуют. Также мал ток холостого хода.

Высокий соsφ обеспечивается рациональным выбором угла включения фазы. А это может быть достигнуто путем соответствующей настройки датчика положения ротора или при векторном управлении.

.2) КПД вентильного двигателя мало меняется при изменении нагрузки и при колебаниях напряжения питающей сети.

У АД КПД более существенно зависит от изменения нагрузки и напряжения питания (момент пропорционален напряжению в квадрате).

) Два следствия п. 5.

.1) Более низкий перегрев ВД по сравнению с АД при одинаковой мощности и одинаковых размерах.

Перегрев в этом случае зависит от потерь, величина которых тем меньше, чем выше КПД и соsφ.

6.1.1) Это увеличивает ресурс изоляционных материалов, а значит и срок службы электропривода в целом.

.1.2) Это позволяет электроприводу работать в нестандартных режимах с возможными перегрузками.

.2) Меньшие масса и габаритные размеры.

Более высокий КПД и соsφ, то есть меньшие потери, позволяют для фиксированной мощности спроектировать двигатель меньших размеров по сравнению с АД. Это обеспечивается возможностью реализации более высоких значений линейной нагрузки и тех же значений индукций в воздушном зазоре (порядка 0,6-0,8 Тл) (при использовании высококоэрцитивных магнитов).

) Следствие п.4 и п. 6.2.

Высокое быстродействие; точность позиционирования.

Обусловлено малой массой, а значит малым моментом инерции ротора и большим пусковым моментом.

) Минимальное значение токов холостого хода.

Отсутствует у АД, у которых он расходуется на проведение магнитного потока.

Позволяет достаточно точно измерять нагрузку на привод (пропорциональную току) и оптимизировать режим работы. [4]

.3 Недостатки ВД

) В отличие от коллекторного ДПТ вентильный двигатель имеет мало секций в обмотке якоря, что приводит к наличию пульсаций в картине электромагнитного момента.

Способы снижения пульсаций электромагнитного момента:

использование многофазных ВД;

подбор формы фазных токов;

выбор рациональной геометрии зубцовой зоны;

введение скоса пазов статора или дискретного скоса на роторе.

) Наличие позиционной обратной связи и необходимость наличия специального датчика положения ротора.

До недавнего времени этот недостаток препятствовал широкому распространению вентильных электроприводов в оборудовании, где электродвигатель и станция управления им находятся на значительном расстоянии или в оборудовании, которое подвергается значительным механическим воздействиям вибрационного и ударного характера. В настоящее время эта проблема решается при бездатчиковом способе управления вентильными электроприводами, когда информацию о положении ротора получают из сигнала по напряжению в фазных обмотках.

) Относительно более сложная система управления двигателем.

) Высокая стоимость двигателя при использовании дорогостоящих постоянных магнитов в конструкции ротора.

) Электронный блок имеет большие размеры и стоимость, по сравнению с механическим скользящим контактом.

Эти недостатки, а также инерционность, присущая при внедрении новой техники обусловили то, что электропривод с ВД в течение трех десятилетий пока так и не смог полностью вытеснить привод с коллекторным ДПТ во многих областях применения.[4]

.4 Выражения для электромагнитного момента ВД

) При синусоидальном распределении МДС обмоток статора Fc и потока ротора Фр момент взаимодействия каждой фазы статора и потока ротора равен векторному произведению

М = [Y x I ] = [Fc x Фр] = Fc*Фр*sin γ, (7)

где γ - угол между векторами Fc и Фр.

Из выражения следует, что при синусоидальных распределениях МДС и потока максимальный момент достигается при угле γ = 90 эл.град.

Этот угол в коллекторных ДПТ постоянен во времени и равен 90 эл.град. В ВД при согласованной работе коммутатора, управляемого ДПР, вектор Fc совершает колебания и угол между векторами Fc и Ф изменяется в пределах

-Dγ к< γ <90+Dγ к. (8)

Угол Dγк зависит от числа фаз и схемы коммутатора. Для трехфазного ВД и мостовой схемы инвертора Dγ к=30 эл.град.

) Общее выражение для мгновенного значения электромагнитного момента, создаваемого каждой фазой двигателя:

, (9)

где W - магнитная энергия, запасенная в электрическом контуре (обмотке) двигателя, qмех - угол поворота ротора ("механический"), ψ, i - мгновенные значения потокосцепления и тока соответствующей обмотки.

Мгновенное значение ЭДС вращения, индуцируемая в фазе двигателя, может быть записана в виде:

, (10)

где w - число витков в фазной обмотке

) Согласно выражениям (5) и (6) мгновенное значение электромагнитного момента, создаваемого токами всех фаз, может быть записано в виде:

, (11)

где Рэм - электромагнитная мощность ВД. [2]

3. Электронный регулятор хода

Электронный регулятор хода (англ. ESC, Electronic Speed Controller) - устройство для управления оборотами электродвигателя, применяемое на радиоуправляемых моделях с электрической силовой установкой.

Электронный регулятор хода позволяет плавно варьировать электрическую мощность, подаваемую на электродвигатель.

Настраиваемые функции

Режим старта (Start mode) - быстрый, жёсткий, плавный. Режим замедляющий набор оборотов при старте двигателя. Требуется для двигателей с редукторами или тяжёлыми лопастями (например, крупные радиоуправляемые вертолёты).

Время ускорения или задержка ускорения (Acseleleration time или Acseleration delay) - настройка времени набора оборотов от ноля до максимума. Требуется для тех же случаев, что и настройка "Режим старта" газа (Throttle type или Throttle mode) - настройка зависимости оборотов мотора от положения ручки газа. Может иметь автокалибровку.

Тормоз (Brake) - включение/выключение режима торможения двигателем. В некоторых контроллерах есть функции регулировки усилия торможения от 0 до 100%. Основное предназначение - автомодели.

Реверс (Reverse) - включение или выключение режима реверса двигателя. Преимущественно реверс используется для авто- и судо-моделей.

Ограничение тока (Curent limiting) - установка максимальной силы тока при превышении которой двигатель будет автоматически отключен.

Напряжение выключения мотора (Cut-off voltage) - установка минимального напряжения аккумуляторной батареи при котором контроллер отключает двигатель для защиты батареи от глубокого разряда. Кроме того, эта функция позволяет обеспечить нормальное функционирование приёмника и сервомашинок при разряженной батарее выключив такой мощный потребитель, как ходовой двигатель.

Тип выключения мотора (Cut-off mode) - мягкое или жёсткое выключение мотора при срабатывании защиты.

Частота импульсов контроллера (PWM Frequency) - настройка позволяющая улучшить линейность регулирования частоты вращения двигателя. Применяется, как правило, для высокооборотных 3-4-х витковых моторов с малой индуктивностью.

Опережение (Timing) - установка угла (0-30°)опережения коммутации обмоток. При регулировке изменяется мощность двигателя и обратнопропорционально мощности КПД.

.1 Управление двигателями с помощью ШИМ

Способ управления двигателями переменного тока основан на принципе управления серводвигателями. Основной сигнал имеет ширину 1мс с периодом 20 мс. После включения ширина управляющего импульса должна быть равна 1мс, что соответствует остановке двигателя (рис. 5 верх). Если при старте длительность импульса более 1 мс, драйвер не позволит включиться двигателю из соображений безопасности. Для пуска двигателей нужно длительность импульса 1 мс. Плавное увеличение ширины импульса приводит к увеличению числа оборотов двигателя. Верхний предел ширины импульса это 2 мс (рис. 5 низ), при этом значении двигатель имеет максимальную производительность.

Рисунок 2 - Управление двигателями с помощью ШИМ.



4. Математическая модель квадрокоптера

Для стабилизации квадрокоптера необходимо выполнение условия взаимной компенсации всех сил и моментов приложенных к квадрокоптеру.

 (12)

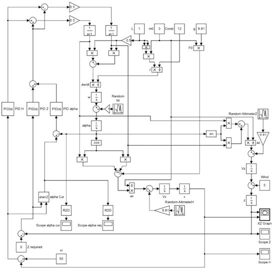
Математическая модель представлена на рисунке 3.

Рисунок 3 - математическая модель квадрокоптера

Движение квадрокоптера описывается системой уравнений следующего вида:

 (13)

где:

 - тяги квадрокоптера;

 - сила тяжести;

 - моменты, создаваемые тягами двигателя;

 - угол наклона вертикали квадрокоптера относительно оси X;

 - ускорения квадрокоптера по соответствующим осям;

 - момент инерции квадрокоптера;

 - масса квадрокоптера;

 - длина квадрокоптера;

 - угловая скорость квадрокоптера.

Для формирования контура управления и стабилизации нам также потребуется знание текущих координат  и скоростей  квадрокоптера, а также других, уже упомянутых выше параметров. Их можно вычислить путем последовательного интегрирования:

 (12)

Точность (макс. ошибка) акселерометра 0,08g.

Точность (макс. ошибка) ДУС 10-3 гр/с.

.1 ПИД-регулятор

ПИД-регулятор был изобретен еще в 1910 году; позже, в 1942 г., Зиглер и Никольс разработали методику его настройки, а после появления микропроцессоров в 80-х годах развитие ПИД-регуляторов происходит нарастающими темпами. Общее количество публикаций по ПИД-регуляторам за 9 лет с 1973 по 1982 г. составило 14 шт., с 1983 по 1992 г. - 111 шт., а за период с 1998 по 2002 год (за 4 года) - 225 шт. На одном только семинаре IFAC (International Federation of Automatic Control) в 2000 г. было представлено около 90 докладов, посвященных ПИД-регуляторам. Количество патентов по этой теме, содержащихся в патентной базе данных в январе 2011 г. составило 284 шт.

ПИД-регулятор относится к наиболее распространенному типу регуляторов. Около 90-95% регуляторов, находящихся в настоящее время в эксплуатации, используют ПИД алгоритм. Причиной столь высокой популярности является простота построения и промышленного использования, ясность функционирования, пригодность для решения большинства практических задач и низкая стоимость. Среди ПИД-регуляторов 64% занимают одноконтурные регуляторы и 36% - многоконтурные. Контроллеры с обратной связью охватывают 85% всех приложений, контроллеры с прямой связью - 6%, контроллеры, соединенные каскадно - 9%.

ПИД-регулятор использует пропорционально-интегрально-дифференциальный закон регулирования. ПИД-регулятор, воплощенный в виде технического устройства, называют ПИД-контроллером. ПИД-контроллер обычно имеет дополнительные сервисные свойства автоматической настройки, сигнализации, самодиагностики, программирования, безударного переключения режимов, дистанционного управления, возможностью работы в промышленной сети и т д.

После появления дешевых микропроцессоров и аналого-цифровых преобразователей в ПИД-регуляторах используется автоматическая настройка параметров, адаптивные алгоритмы, методы нечеткой логики, генетические алгоритмы. Усложнились структуры регуляторов: появились регуляторы с двумя степенями свободы, с применением принципов разомкнутого управления в сочетании с обратной связью, со встроенной моделью процесса.

Несмотря на долгую историю развития и большое количество публикаций, остается много проблем в вопросах устранения интегрального насыщения, при регулировании в контурах с гистерезисом, нелинейными объектами и транспортной задержкой; практические реализации ПИД-контроллеров не всегда содержат антиалиасные фильтры, граничная частота фильтра часто выбрана неправильно, чрезмерный шум и внешние возмущения затрудняют настройку параметров. Проблемы усложняются тем, что в современных системах управления динамика часто неизвестна, регулируемые процессы нельзя считать независимыми, измерения сильно зашумлены, нагрузка непостоянна, технологические процессы непрерывны.

Часть проблем возникает по причине сложности эксплуатации. Во многих ПИД-контроллерах дифференциальная компонента выключена только потому, что ее трудно правильно настроить. Пользователи пренебрегают процедурой калибровки, недостаточно глубокие знания динамики регулируемого процесса не позволяют правильно выбрать параметры регулятора. В результате 30% регуляторов, используемых в промышленности, настроены неправильно [Leva]. Поэтому основные усилия исследователей в настоящее время сосредоточены на поиске надежных методов автоматической настройки регуляторов, как встроенных в ПИД контроллер, так и функционирующих на отдельном компьютере [Денисенко - Денисенко].

На российском рынке ПИД контроллеры наиболее хорошо представлены продукцией фирм ABB, Foxboro, Honeywell, Yokogawa, Toshiba, Siemens, Omron, Контравт, Овен, НИЛ АП.

Ниже рассмотрены регуляторы для медленных, одномерных и устойчивых (преимущественно тепловых) процессов, которые наиболее распространены в системах промышленной автоматизации.

Назначение ПИД-регулятора - в поддержании заданного значения  некоторой величины  с помощью изменения другой величины . Значение  называется заданным значением, а разность  - невязкой, рассогласованием или отклонением величины от заданной. Выходной сигнал регулятора  определяется тремя слагаемыми:

 (13)

где  - коэффициенты усиления пропорциональной, интегральной и дифференциальной составляющих регулятора, соответственно.

Пропорциональная составляющая

Пропорциональная составляющая вырабатывает выходной сигнал, противодействующий отклонению регулируемой величины от заданного значения, наблюдаемому в данный момент времени. Он тем больше, чем больше это отклонение. Если входной сигнал равен заданному значению, то выходной равен нулю.

Однако при использовании только пропорционального регулятора значение регулируемой величины никогда не стабилизируется на заданном значении. Существует так называемая статическая ошибка, которая равна такому отклонению регулируемой величины, которое обеспечивает выходной сигнал, стабилизирующий выходную величину именно на этом значении.

Чем больше коэффициент пропорциональности между входным и выходным сигналом (коэффициент усиления), тем меньше статическая ошибка, однако при слишком большом коэффициенте усиления, при наличии задержек в системе, могут начаться автоколебания, а при дальнейшем увеличении коэффициента система может потерять устойчивость.

Интегральная составляющая

Интегральная составляющая пропорциональна интегралу от отклонения регулируемой величины. Её используют для устранения статической ошибки. Она позволяет регулятору со временем учесть статическую ошибку.

Если система не испытывает внешних возмущений, то через некоторое время регулируемая величина стабилизируется на заданном значении, сигнал пропорциональной составляющей будет равен нулю, а выходной сигнал будет полностью обеспечивать интегральная составляющая. Тем не менее, интегральная составляющая также может приводить к автоколебаниям.

Дифференциальная составляющая

Дифференциальная составляющая пропорциональна темпу изменения отклонения регулируемой величины и предназначена для противодействия отклонениям от целевого значения, которые прогнозируются в будущем. Отклонения могут быть вызваны внешними возмущениями или запаздыванием воздействия регулятора на систему.

.2 Описание работы контура управления

Входом системы являются значения тяг  и . Так как в реальном квадрокоптере значения тяг не могу изменяться мгновенно, в модели они подаются для начала на апериодическое звено. После этого значения тяг квадрокоптера и известные нам константы подаются на указанную выше систему уравнений, реализованную через простейшие алгебраические соотношения, а также интеграторы. После этих расчетов мы получаем на выходе значения координат квадрокоптера и его угловую ориентацию. Так как в задании указано, что акселерометры и ДУСы работают не идеально, то мы подаем в систему ошибки, имеющие гауссовское распределение и реализованные с помощью стандартных функций. Также квадрокоптер подвержен сносу ветром, который учитывается путем добавления к скорости по координате Z.

Для того чтобы квадрокоптер летел к нужной точке достаточно подать в контур обратной связи требуемые координаты. Тяги двигателей зависят от рассогласований между координатами ЛА и точки наведения, а также рассогласования требуемого угла наклона квадрокоптера от текущего.

Значения тяг  и  определяются из соотношений:

 (14)

Значение  определяется ПИД-регулятором (PID H) в зависимости от рассогласования по высоте.  - это сумма двух составляющих: рассогласование по горизонтальной координате Z (PID Z) и рассогласование по углу  (PID alpha).

На рисунке 4 представлена схема контура стабилизации и управления в среде Simulink.

Рисунок 3 - Cхема контура стабилизации и управления в среде Simulink

Коэффициенты ПИД-регуляторовH: PID Z: PID alpha:

   (15)

Тестирование модели

Моделирование происходит в течение 50 секунд.

Высота, на которую необходимо подняться квадрокоптеру и застабилизировать свое положение - 50 м. Скорость ветра - 3 м/с.

На рисунке 4 представлена Траектория полета квадрокоптера

На рисунках 5,6 находятся графики изменения горизонтальной координаты и изменения высоты

Рисунок 4 -Траектория полета квадрокоптера

Рисунок 5 - Горизонтальная координата (м)

Рисунок 6 - График изменения высоты (м)

Заключение

В результате выполнения курсового проекта выполнен обзор вентильного двигателя, его принцип действия, выявлены основные достоинства и недостатки.

Также был рассмотрен принцип действия электронного регулятора хода и произведено моделирование продольного движения беспилотного летательного аппарата. Промоделированная система удовлетворяет требуемым техническим характеристикам, указанным в техническом задании.

Список использованных источников

1.      Терехов В.М., Осипов О.И. Системы управления электроприводов: учебник для студ. высш. учеб. заведений. Под ред. В.М.Терехова. 2-е издание. - М.: Академия, 2006.

.        Официальный сайт Виктора Тарасова: Асинхронные двигатели. [Москва], 2008-2012, URL: http://www.anchorstarasow.ru/sinch.html (дата обращения 27.11.13).

.        Официальный сайт специального конструкторского бюро "Сибэлектромотор": Каталог продукции. [Томск], 2005-2012. URL: http://www.scb-sem.ru/index/produkciya/asynchronousmotors/generalpurpose (дата обращения 08.12.13).

.        Официальный сайт "Реле и Автоматика": Статьи. [СПб.], 2003-2013. URL: http://www.110volt.ru/text/invertor (дата обращения 16.12.13).

.        Официальный сайт "Новые Электронные Технологии": Статьи. [СПб.], 2006-2013. URL: http://www.technowell.ru/main-about-invertor (дата обращения 27.12.13).

.        Официальный сайт "Евроредуктор": Каталог продукции. [Москва.], 2006-2010.URL: http://www.artesk.ru/n100_007hf_1.html (дата обращения 06.01.14).

Похожие работы на - Моделирование работы системы управления вентильным двигателем приводом несущего винта летательного аппарата типа 'квадрокоптер'

 

Не нашли материал для своей работы?
Поможем написать уникальную работу
Без плагиата!
Без нейросетей!