Разработка и расчет энергосберегающей вентильной конструкции кольцевого типа, обеспечивающей снижение потерь мощности при 12-пульсном преобразовании энергии переменного тока в энергию постоянного тока
Введение
В ряде важнейших областей техники нельзя
обойтись без постоянного тока. Основными потребителями постоянного тока
являются электролизные установки для получения алюминия, меди, цинка и других
технически чистых металлов; устройства для зарядки аккумуляторных батарей;
двигатели постоянного тока электрифицированного транспорта и на промышленных
предприятиях, а также постоянный ток передают по линиям электропередачи на
большие расстояния при высоком напряжении.
В настоящее время постоянный ток получают, как
правило, непосредственным выпрямлением переменного тока с помощью электрических
вентилей, которые осуществляют переключения в цепи выпрямителя. Такие
преобразователи называются статическими и, в отличие от вращающихся, не имеют
промежуточной ступени механической энергии. Переход от двигатель-генераторов к
вентильным преобразователям позволил заменить вращающиеся машины статическими
аппаратами, повысить КПД преобразования, устранить шум и т.д.
В настоящее время вопрос о разработке и
совершенствовании устройств преобразовательной техники особенно актуален.
Потребность в такой технике продиктована, прежде всего, высокими требованиями,
предъявляемыми к качеству электрической энергии, повышением тарифов на
электрическую энергию.
Среди всех проблем по качеству электрической
энергии особое место занимает проблема электромагнитной совместимости,
связанная с несимметрией и несинусоидальностью токов и напряжений в
электрических системах [1, 2].
Тяговые подстанции ж.д. транспорта,
электрифицированного на постоянном токе, как мощные энергоёмкие потребители
энергии промышленной сети, в виду нелинейного характера цепей преобразователей
(выпрямителей), можно отнести к искажающим нагрузкам.
Снижение искажающего воздействия выпрямительных
агрегатов (ВА) тяговых подстанций на промышленную сеть достижимо при повышении
пульсности выпрямленного напряжения.
При объективно пониженном уровне напряжения
постоянного тока, тяга постоянного тока имеет выигрыш по сравнению с тягой
переменного тока за счет уменьшения капиталовложений в устройство и
оборудование электропоездов. Одним из решений по уменьшению капиталовложений в
оборудование подстанций является снижение количества подстанций на погонный
участок дистанции магистральной железной дороги. Это возможно при повышении
пульсности выходного напряжения выпрямителей тяговых подстанций со значений 6,
12 до значений 24, 30. Увеличение жесткости внешней характеристики ВА,
связанное с повышением пульсности, позволит увеличить дистанцию между соседними
подстанциями, а значит уменьшить количество подстанций на участках железных
дорог, электрифицированных на постоянном токе.
Тяговые подстанции в большинстве своем
оборудованы 6-пульсными ВА. Часть ВА остальных подстанций в 70-80 годы были
переведены на 12-пульсные схемы выпрямления, а так же, впервые в стране,
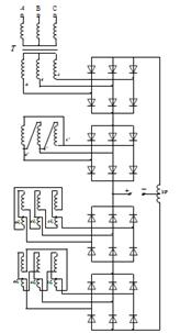
разработан и в 1989г включен в эксплуатацию 24-пульсный выпрямитель.
Разработанный сотрудниками ТПА ОмИИТа совместно со службой электроснабжения
ЗСЖД 24-пульсный выпрямитель базируется на модернизированном преобразовательном
трансформаторе типа ТМРУ-16000/10 и работает на тяговой подстанции Омск Омского
отделения ЗСЖД (приложение А).
Доказано, что рациональностью применения
24-пульсного выпрямителя обеспечивается только при большом количестве
перерабатываемой электрической энергией, когда приведенные затраты имеют
относительно небольшую величину.
Но и при большом количестве перерабатываемой
электрической энергии актуальным остается вопрос снижения затрат на
электрическую энергию путем улучшения технико-экономических показателей
технических средств.
Существенный экономический эффект при
переработке больших объемов электрической энергии может быть достигнут в случае
применения энергосберегающих построений вентильных конструкций ВА, что и
составляет суть работы.
Цель работы состоит в разработке и расчете
энергосберегающей вентильной конструкции кольцевого типа, обеспечивающей
снижение потерь мощности при 12-пульсном преобразовании энергии переменного
тока в энергию постоянного тока.
Реализация сформулированной выше цели требует
решения ряда задач, основными из которых являются:
- анализ существующих схем построенных
выпрямителей;
поиск, выбор перспективных схем выпрямления и их
сравнительный анализ;
обоснование перевода выпрямительной части
оборудования тяговой подстанции на более многопульсные схемы выпрямления;
описание разрабатываемой вентильной конструкции
и анализ электромагнитных процессов в схеме 12-пульсного выпрямителя с новой
вентильной конструкцией;
расчеты по выбору параметров элементов
вентильной конструкции и оценка их работоспособности и надежности в составе ВА;
расчет экономической эффективности, оценка
затрат, и себестоимости разработанной вентильной конструкции.
1. Анализ существующих схем многопульсных
выпрямителей, применяемых на тяговых подстанциях электрического транспорта
.1 Шестипульсный выпрямитель по схеме
"звезда - две обратные звезды с уравнительным реактором"
Выпрямитель шестипульсный по схеме "звезда
- две обратные звезды с уравнительным реактором" содержит трехобмоточный
трансформатор и шесть вентилей (рисунок 1.1) [3, 4]. Каждая из вентильных
обмоток с тремя вентилями образует трехпульсную выпрямительную секцию. Секции
соединены параллельно через уравнительный реактор (УР).
Благодаря УР коммутация в секциях протекает
следующим образом: ток пропускает тот вентиль, на анод которого подается
наибольшее положительное напряжение.
Продолжительность прохождения тока
через вентили
.
Число пульсации выпрямленных напряжений ud1 и
ud2 mq=3. Амплитуды напряжений ud1 и ud2 сдвинуты между собой на 30°, в
результате чего между секциями возникает разность потенциалов ud1 - ud2.
Поэтому параллельная работа этих секций возможна лишь через УР, обмотки оа и об
которого расположены на одном сердечнике (рисунок 1.1).
Выпрямленное напряжение схемы
(1.1)
Число пульсаций общего выпрямленного
напряжения
, a
амплитуда
(1.2)
где
- действующее значение фазного
напряжения вторичной обмотки трансформатора.
Рисунок 1.1 - Схема принципиальная 6-пульсного
выпрямителя по схеме "звезда - две обратные звезды с уравнительным
реактором"
Кривая напряжения уравнительного реактора ur
содержит лишь косинусоидальные гармоники с порядковыми номерами 3, 9, 15, 21 и
т.д. Порядковые номера высших гармоник УР и гармоник выпрямленного напряжения
схемы не совпадают из-за того, что уравнительные токи не проходят через
потребитель энергии.
Уравнительные токи вызывают искажение форм
кривых анодных и фазных токов и, следовательно, появление в них дополнительных
высших гармоник. Намагничивающие токи высших гармоник УР в фазах вторичных
обмоток, расположенных на одном сердечнике, протекают в одном направлении и
соответствующие им намагничивающие силы суммируются. Если первичная обмотка
трансформатора соединена треугольником, то токи этих гармоник трансформируются
в первичную обмотку и замыкаются в ней. В этом случае схема магнитно
уравновешена.
Если же первичная обмотка соединена звездой,
токи гармоник не могут трансформироваться в первичную обмотку и связанные с
ними намагничивающие силы во вторичных обмотках создают потоки утроенной
частоты.
Постоянная составляющая выпрямленного напряжения
(1.3)
Действующее значение фазного тока первичной
обмотки
(1.4)
Действующее значение фазного тока вторичной
обмотки
(1.5)
где k - коэффициент трансформации.
Расчетная мощность первичной обмотки
трансформатора
(1.6)
Расчетная мощность вторичных обмоток
трансформатора
(1.7)
Типовая мощность трансформатора
(1.8)
1.2 Трехфазная мостовая схема выпрямления (схема
Ларионова)
Схема Ларионова (рисунок 1.2) состоит из
трехфазного трансформатора и шести одноанодных вентилей [4].
Вентили 1, 3, 5 образуют катодную, а вентили 2,
4, 6 - анодную группы. Из катодной группы в текущем промежутке времени ток
пропускает тот вентиль, к аноду которого подводится большее положительное
напряжение.
Амплитуда выпрямленного напряжения
(1.9)
где
- действующее значение фазного
напряжения вторичной обмотки трансформатора.
Постоянная составляющая выпрямленного напряжения
(1.10)
Тогда действующее значение фазного напряжения
вторичной обмотки
(1.11)
а коэффициент трансформации
(1.12)
где
- действующее значение фазного
напряжения первичной обмотки.
К каждому закрытому вентилю приложено линейное
напряжение, поэтому амплитуда обратного напряжения
(1.13)
Число пульсации выпрямленного
напряжения
, поэтому
кривая, кроме постоянной составляющей
, содержит высшие гармоники, кратные
шести.
Амплитуда анодного тока
(1.14)
Рисунок 1.2 - Схема Ларионова
Так, как продолжительность прохождения тока
через каждый вентиль равна 120°, постоянная составляющая анодного тока
(1.15)
Ток, протекающий через фазу а вторичной обмотки
трансформатора
(1.16)
Действующее значение тока вторичной обмотки
(1.17)
Действующее значение тока первичной обмотки
(1.18)
Типовая мощность трансформатора
(1.19)
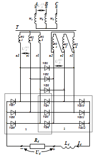
.3 Двенадцатипульсные схемы выпрямления
В настоящее время двенадцатипульсные
выпрямительные агрегаты (ВА) чаще всего образованы трехфазными двухмостовыми
схемами выпрямления, представляющими собой два трехфазных моста Ларионова,
соединенных по выходу параллельно, либо последовательно [5], как это показано
на рисунке 1.3.
Трансформатор, входящий в двенадцатипульсный
выпрямительный агрегат, имеет две системы вентильных обмоток: одну -
соединенную звездой, а другую - треугольником (рис. 1.3, а). Каждая из
указанных систем обмоток питает свой трехфазный мост Ларионова. Благодаря этому
на входе трехфазных мостов действуют две трехфазные системы линейных
напряжений, сдвинутые друг относительно друга на 300, что необходимо для
реализации двенадцатипульсного выпрямления за период.
Анодный ток, помимо постоянной составляющей,
содержит все гармоники, кроме гармоник, кратных трем.
Токи, потребляемые из питающей сети,
содержат гармоники с порядковыми номерами
.
Типовая (установленная) мощность
трансформатора в схеме последовательного типа
, где
- мощность приемника энергии.
Вместе с тем, если в двенадцатипульсном
выпрямительном агрегате предусматривается параллельное соединение трехфазных
мостов, то в этом случае без использования УР установленная мощность значительно
увеличивается.
Для двенадцатипульсной выпрямительной схемы с
последовательным соединением мостов выпрямленные напряжения удваиваются, а в
схеме с параллельным соединением мостов удваивается выпрямленный ток.
Рисунок 1.3 - Схемы принципиальные 12-пульсных
выпрямителей:
а - параллельная, б - последовательная.
Двенадцатипульсовые выпрямители позволяют:
повысить коэффициент мощности тяговой подстанции до 0,97 - 0,98; улучшить форму
кривой потребляемого тока и тем самым повысить качество электрической энергии;
улучшить форму кривой выпрямленного напряжения и снизить влияние тяговой сети
на линии связи; повысить уровень напряжения в тяговой сети без применения
специальных устройств регулирования напряжения; снизить расход
электротехнических материалов, затрачиваемых на изготовление выпрямителя.
.4 Двадцатичетырехпульсная схема выпрямления
Известно, что при переходе от шести- к
двенадцатипульсным схемам выпрямления улучшаются энергетические показатели
выпрямителей. При этом повышается коэффициент мощности, улучшается форма кривой
потребляемого тока. При снижении процентного состава высших гармоник
потребляемого тока, падают потери активной мощности, вызванные этими
гармониками. Еще больший экономический эффект достигается при использовании
24-пульсных выпрямителей. Схема 24-пульсного выпрямителя
последовательно-параллельного типа, применяемого на тяговой подстанции Омск,
приведена на рисунке 1.4 [6].
Как видно из рисунка, эта схема содержит
трехфазный трансформатор, система вентильных обмоток которого формирует две
симметричные трехфазные системы напряжений, сдвинутые друг относительно друга
на 15 эл. градусов, что составляет половину длительности пульсации 12-пульсного
выпрямителя. Каждая из этих систем обеспечивает питание двух 12-пульсных
преобразовательно-выпрямительных секций последовательного типа.
Система 1 образована за счет применения обмоток,
соединенных звездой и треугольником, а система 2 - за счет обмоток, соединенных
по схемам замкнутых скользящих треугольников.
Таким образом, на выходе выпрямителя формируется
выпрямленное напряжение, огибающая мгновенных значений которого имеет 24
пульсации за период.
Рисунок 1.4 - Схема принципиальная 24-пульсного
выпрямителя, работающего на тяговой подстанции ЗСДИ в составе модернизированных
преобразовательного трансформатора ТМРУ-16000/10 и вентильных конструкций типа
ТПЕД-3150-3,3К-У1
Выводы по главе
Как показывают исследования, применение УР
приводит к увеличению суммарной установленной мощности трансформаторного
оборудования (приблизительно на 7%), вызывает дополнительные потери активной
мощности в самом УР от протекающих по нему токов и требует на изготовление УР
дополнительного расхода электротехнических материалов, стоимость которых в
настоящее время становится существенной. Кроме того, в случае несимметрии
питающих напряжений в двенадцатипульсном выпрямительном агрегате с параллельным
соединением трехфазных мостов возможна неравномерная загрузка секций [7].
Учитывая это, для создания двенадцатипульсных выпрямительных агрегатов широко
используются последовательные схемы соединения трехфазных мостов (рисунок 1.3,
б) [5].
Основной недостаток схем с последовательным
соединением трехфазных мостов заключается в более высоких суммарных потерях
активной мощности в вентилях по сравнению с параллельными схемами соединения.
Суммарные потери в вентилях многопульсного
выпрямителя в общем виде определяются
(1.20)
где
- потери в i-м вентиле;
N - общее количество вентилей в выпрямителе.
Величина потерь активной мощности в
многопульсном выпрямителе прямо пропорциональна количеству одновременно
последовательно включенных по постоянному току вентилей
. Это
приводит к возрастанию потерь активной мощности. Таким образом, актуальна
задача сокращения количества
при одновременном сохранении
оптимальной длительности протекания токов по вентильным обмоткам
трансформатора, как в эквивалентных многофазных схемах выпрямления.
2. Основные расчетные соотношения для анализа и
сравнения выпрямителей и обоснование выбора 12-пульсной схемы выпрямления
.1 Теоретическая база для определения основных
характеристик, расчета и сравнения многопульсных выпрямителей
Основные соотношения для анализа выпрямленного
напряжения
Выпрямленное напряжение относится пульсирующему
типу напряжений и может быть представлено в виде суммы постоянной составляющей
и несинусоидальной переменной составляющей, разлагаемой в гармонический ряд.
При анализе выпрямленного напряжения, параметры которого напрямую связаны с
выбранным схемным решением, при известной пульсности, при холостом ходе
выпрямителя, в первую очередь определяются [4, 6]:
. Мгновенное значение выпрямленного напряжения
без учета падения напряжения на вентилях
(2.1)
где
КСХ - коэффициент схемы, численное значение
которого зависит от схемы выпрямления;
- фазное напряжение вентильной
обмотки трансформатора (далее обмотка с числом витков, принятых за условную
единицу - "1,0");
- текущий угол;
- угол сдвига амплитуды кривой ud0
относительно амплитуды кривой
, равный нулю в случае, когда ось
ординат проходит через амплитуду кривой выпрямленного напряжения.
. Среднее значение выпрямленного
напряжения
- пульсного
выпрямителя (постоянная составляющая)
(2.2)
где D - коэффициент выпрямления,
который при
> 1
(2.3)
В режиме нагрузки среднее значение выпрямленного
напряжения снижается в результате различных потерь, в том числе потерь,
обусловленных коммутационными процессами, когда переключение вентильных обмоток
происходит не мгновенно, а с задержкой, во время действия которой образуется
контур со встречными ЭДС вентильных обмоток. В этом случае среднее значение
выпрямленного напряжения
(2.4)
где kd
- коэффициент коммутации для постоянной составляющей выпрямленного
напряжения,
(2.5)
где
- угол коммутации вентильных токов.
В работе [6] отмечено, что в сложных
схемах выпрямления коммутация вентильных токов осуществляется внутри отдельных
секций (звеньев преобразования) независимо друг от друга. Угол коммутации
зависит от схемы выпрямления, и для любой mq - пульсной схемы выпрямления
значение угла коммутации определяется по выражению [5]:
(2.6)
где
- расчетное напряжение короткого
замыкания, приведенное к параметрам вентильной обмотки;
- коэффициент загрузки, равный
отношению тока нагрузки Id к
номинальному выпрямленному току
.
Относительную величину переменной составляющей
кривой выпрямленного напряжения характеризует коэффициент формы напряжения по
действующему значению (волнистость кривой), определяемый по формуле [4]:
(2.7)
где
- эффективное значение переменной
составляющей выпрямленного напряжения;
- эффективное значение
выпрямленного напряжения.
Эффективное значение выпрямленного напряжения
при холостом ходе выпрямителя
(2.8)
где
- коэффициент эффективности
выпрямления, который при
> 1
(2.9)
В режиме нагрузки волнистость кривой выпрямленного
напряжения определяется как отношение эффективного значения переменной
составляющей выпрямленного напряжения, полученной с учетом индуктивного
сопротивления вентильных обмоток трансформатора, к среднему значению
выпрямленного напряжения на холостом ходу выпрямителя
(2.10)
где
- эффективное значение
выпрямленного напряжения с учетом индуктивного сопротивления вентильных обмоток
трансформатора, определяемое по формуле:
(2.11)
где
- коэффициент коммутации для
эффективного значения выпрямленного напряжения.
(2.12)
Таким образом, волнистость кривой
выпрямленного напряжения в режиме нагрузки зависит не только от угла коммутации
, но и от
пульсности выпрямителя. С увеличением нагрузки волнистость возрастает, а при
увеличении
снижается.
Гармонический анализ выпрямленного
напряжения
Кривая выпрямленного напряжения в
режиме холостого хода выпрямителя за каждый период сетевого напряжения
представляет собой
смыкающихся
между собой и симметричных относительно вертикалей, проходящих через точки
максимумов верхних частей косинусоидальных пульсностей (при
=2 - полная
половина косинусоиды), показанных, например, на рисунке 2.1. Рисунок
демонстрирует влияние числа пульсаций на форму выпрямленного напряжения. Приняв
одну из вертикалей за ось ординат, получим симметричную относительно этой оси
периодическую функцию. Разложение таких функций в ряды Фурье рассмотрено во
многих изданиях. Опустив перечисление известных математических выводов, можно
отметить, что в [8, 9] получены простые выражения, по которым определяются
постоянная составляющая кривой выпрямленного напряжения и действующее значение
ЭДС гармоники n-го порядка
(2.13)
В режиме нагрузки действующее
значение ЭДС гармоники n-го порядка определяется из выражения
(2.14)
где
-
коэффициент коммутации для n-й гармоники выпрямленного напряжения,
(2.15)
Рисунок 2.1 - Влияние пульсности выпрямителя на
форму выпрямленного напряжения
Связи токов на входе и выходе ТПЧФ выпрямителя и
гармонический анализ сетевых токов
С учетом пренебрежения токами
холостого хода, что вполне приемлемо при мощном трансформаторном оборудовании,
составляются уравнения магнитодвижущих сил (МДС) трансформаторов. Из решения
полученных уравнений, при условии равенства нулю суммы сетевых токов и с учетом
схемотехнических соотношений между числами витков первичных и вентильных
обмоток, устанавливаются соотношения, связывающие токи первичной трехфазной и
вторичной многофазной цепей. На интервале проводимости соответствующих
вентилей, при
, каждый из
токов вторичных цепей равным постоянной составляющей тока нагрузки
.
С помощью любой подходящей компьютерной
программы выполняется гармонический анализ токов первичной трёхфазной сети. Для
этого период 2p разбивается на приемлемое число интервалов,
достаточное для заданной точности описания кривых сетевых токов. Токи вторичных
обмоток трансформаторов, приравненные к току нагрузки, представляются в виде
прямоугольных форм с величиной равной 1,0. В соответствии с алгоритмом работы
вентильных обмоток ФС ЭДС, эти токи трансформируются в ступенчатые формы токов
для каждой сетевой фазы, которые затем разлагаются в ряд Фурье. Ступенчатость
сетевых токов выпрямителя говорит о потреблении из сети несинусоидального тока.
В результате разложения в ряд Фурье для ступенчатой формы токов каждой фазы
находятся множества синусоидальных функций (гармоник), представляющих эту
форму. Приближенные к реальным, ступенчатые фазные токи заменяются суммой
синусоидальных гармоник со своими фазами в соответствии с выражениями:
(2.16)
где
- соответственно постоянная
составляющая, амплитуда и фаза k-й гармоники;- общее число гармоник.
Порядок высших гармоник токов питающей
трехфазной сети для многопульсных выпрямителей можно определить в соответствии
с двумя простыми принципами [10].
1. Для mq-пульсного выпрямителя на входе
присутствуют гармоники с порядковыми номерами
(2.17)
где n - ряд целых чисел 1, 2, 3…
. Уровень К-й гармоники обратно пропорционален
ее порядковому номеру
. (2.18)
В таблице 2.1 приведены уровни гармоник
mq-пульсных выпрямителей. Коэффициент пульсации в этом случае определяется
(2.19)
В схемах выпрямления с
пульсациями
действующее значение сетевого тока при симметричных питающих напряжениях без
учета угла коммутации определяется по формуле [5]:
(2.20)
где
- коэффициент трансформации
преобразовательного трансформатора;
- коэффициент, характеризующий
схему выпрямления (для последовательного выпрямления
=1).
Таблица 2.1 - Гармонический состав токов
питающей трехфазной сети для многопульсных выпрямителей
|
Пульсн.
ВА
|
Гармоники
|
1
|
5
|
7
|
9
|
11
|
13
|
15
|
17
|
19
|
21
|
23
|
25
|
27
|
29
|
31
|
33
|
35
|
37
|
|
6
|
о.
е
|
1,0
|
           
|
|
|
|
|
|
|
|
|
|
|
|
|
|
|
|
|
|
12
|
о.
е
|
1,0
|
|
|
|
    
|
|
|
|
|
|
|
|
|
|
|
|
|
|
|
18
|
о.
е
|
1,0
|
|
|
|
|
|
|
  
|
|
|
|
|
|
|
|
|
|
|
|
24
|
о.
е
|
1,0
|
|
|
|
|
|
|
|
|
|

|
|
|
|
|
|
|
|
Степень искажения формы кривой потребляемого
тока можно характеризовать коэффициентом искажения
(2.21)
где
- действующее значение первой
гармоники сетевого тока.
Коэффициент искажения формы кривой тока без
учета коммутации может быть получен по формуле:
(2.22)
С учетом угла коммутации вентильных токов этот
коэффициент определяется по формуле:
(2.23)
К характеристикам качества кривой сетевого тока
также относится волнистость гармоник сетевого тока (коэффициент К-й
гармонической составляющей)
(2.24)
где
- ток гармоники К-го порядка
сетевой обмотки трансформатора выпрямителя.
Соотношения для построения внешних характеристик
выпрямителей
Изменение величины постоянной
составляющей выпрямленного напряжения при нагруженном выпрямителе, с учетом
всех потерь напряжения: падения напряжения в питающей сети; падения напряжения
в трансформаторе; падения напряжения в вентилях выпрямителя, в зависимости от
коэффициента загрузки принято считать внешней характеристикой выпрямителя. При
пренебрежении потерями напряжения в питающей сети, на активном сопротивлении
трансформаторов и в вентилях выпрямителя уравнение внешней характеристики может
быть представлено:
(2.25)
где
- среднее значение потерь напряжения
в индуктивном сопротивлении трансформаторов, которое обусловлено процессами
коммутации вентильных токов.
В соответствии с [5] уравнение
внешней характеристики для
- пульсного выпрямителя имеет вид:
(2.26)
Коэффициентом наклона внешней
характеристики определяется выражением
(2.27)
Соотношения, характеризующие
энергетические показатели качества электромагнитных процессов
Кроме рассмотренного выше
коэффициента искажения тока
, к энергетическим показателям
качества электромагнитных процессов относится коэффициент гармоник тока
(коэффициент несинусоидальности КН.С.), определяемый отношением действующего
значения высших гармоник тока к действующему значению тока:
(2.28)
Несложные преобразования показывают
очевидность связи двух указанных коэффициентов
(2.29)
Характеризует качество
преобразования также фактор сдвига фазы тока относительно фазы напряжения по
первой гармонике, так называемый коэффициент сдвига тока
(2.30)
где Р(1) и Q(1) - активная и реактивная мощности
в цепи, создаваемые первыми гармониками тока и напряжения.
Коэффициент мощности выпрямительного устройства,
определенный отношением активной мощности (обусловленной первыми гармониками
тока и напряжения) к полной мощности (потребляемой из питающей сети), в цепи с
синусоидальным напряжением равен
(2.31)
Этим коэффициентом оценивается потребление
реактивной мощности, обусловленной токами намагничивания трансформатора и
процессами коммутации вентилей. Исходя из рекомендаций [5] допускают, что
коэффициент искажения формы кривой сетевого тока не зависит от нагрузки. При
расчете коэффициента мощности считается корректным при определении коэффициента
искажения, учитывать коммутацию вентильных токов (2.23). Тогда, без учета
влияния тока холостого хода трансформатора и с учетом выражения (2.31),
коэффициент мощности равен:
(2.32)
Не во всех случаях можно
пренебрегать током холостого хода, особенно при малых нагрузках. При учете тока
холостого хода угол сдвига
возрастает и коэффициент сдвига в
соответствии с [5] можно рассчитать по следующей формуле:
(2.33)
где
- коэффициент холостого хода, равный
отношению тока холостого хода трансформатора
к
;
- угол сдвига между основной
гармоникой напряжения и током холостого хода.
Коэффициент полезного действия также
характеризует качество преобразования и определяется по формуле:
(2.34)
Энергетический коэффициент полезного
действия определяется по формуле:
.(2.35)
Коэффициент пульсаций для цепей
постоянного тока.
Для эксплуатационной практики
существенное значение имеет коэффициент пульсации, так как от его величины
зависят массогабаритные и стоимостные показатели сглаживающих фильтров.
Таблица 2.2 - Величина коэффициентов пульсации
выпрямленного напряжения, характеризующих многопульсные схемы выпрямления
|
Число
пульсаций за период mq
|
Коэффициент
пульсации Коэффициент
пульсации Коэффициент
пульсации
|
|
|
|
6
|
0,057000
|
0,070000
|
0,042000
|
|
12
|
0,013986
|
0,017161
|
0,010285
|
|
24
|
0,003478
|
0,00429
|
0,002459
|
Для оценки пульсаций выпрямленных напряжений
обычно используют одно из трех определений коэффициента пульсаций, которые
отражены в виде формул в таблице 2.2, где:
КП - коэффициент пульсации;m - амплитуда первой
гармоники выпрямленного напряжения;max, ud min -максимальное и минимальное
мгновенные значения выпрямленного напряжения;- действующее значение n - й
гармонической составляющей;- постоянная составляющая выпрямленного напряжения.
Установленная мощность преобразовательного
трансформатора
Известно, что критерием рационального
использования материалов при изготовлении устройств силовой преобразовательной
техники служат показатели установленных мощностей. Эти показатели позволяют
оценивать технико-экономическую эффективность работы преобразовательных
устройств.
При нелинейных нагрузках на выходе
ТПЧФ (выпрямители с нагрузкой) при расчете коэффициента установленной мощности
должны учитываться
высшие гармоники тока в цепях преобразователя. В общем случае в расчет
установленных мощностей ТПЧФ входит гармонический анализ токов во всех
обмотках. В цепи постоянного тока мощных многопульсных выпрямительных агрегатов
(ВА), как правило, имеются значительные по величине индуктивности, благодаря
которым на практике вводятся общепринятые допущения, касающиеся принятия
прямоугольной формы токов в вентильных обмотках [11]. Если многопульсный ВА не
содержит вентильных блоков, работающих параллельно через уравнительные
реакторы, то расчет обычно проводят по следующему алгоритму [11, 12]:
. Мощность, отдаваемая выпрямителем
в нагрузку, равна
,(2.36)
где
и
- соответственно, напряжение и ток
нагрузки.
. Связь между током
и
действующим значением тока i-ой вентильной обмотки
,(2.37)
где Т - период;РАБ i - суммарное время
прохождения тока через обмотку;- порядковый номер вторичной обмотки ТПЧФ.
3. Установленная мощность всех вторичных обмоток
определяется
, о.е.,(2.38)
где
- действующие значения напряжений
вторичных обмоток;
К2 - общее количество вторичных обмоток.
4. Для расчета
следует
определить токи в первичных обмотках ТПЧФ. Между токами
и
существует
связь, которую для синусоидальных токов можно вывести аналитически, путем
решения системы уравнений магнитодвижущих сил (МДС) первичных
и вторичных
обмоток,
связанных общим магнитным потоком. Пренебрегая токами холостого хода ТПЧФ,
построенного на трансформаторах большой мощности, можно записать
.(2.39)
Поэтому, применяя формулы разложения
периодической функции в ряд Фурье, ток
представляют набором отдельных
гармоник
,
…
, где k -
номер гармоники. Это позволяет определить первичные токи ТПЧФ для каждой
гармоники в отдельности
,(2.40)
где
и
- k-е гармоники токов в i-ых фазах
первичных и вторичных обмоток.
Действующее значение токов первичных обмоток
составит
.(2.41)
5. Установленная мощность всех первичных обмоток
определится
, о.е.,(2.42)
где К1 - количество первичных обмоток;
- фазные напряжения первичных
обмоток.
6. Далее находится показатель
,(2.43)
который характеризует эффективность
работы ТПЧФ в составе многопульсного ВА. Величина, обратная этому показателю,
КИСП определяет степень использования трансформаторного оборудования.
В таблице 2.3 приведены основные технические
характеристики многопульсных выпрямителей принимаемые во внимание при выборе
той или иной схемы выпрямления, рассчитанные по приведенным в разделе формулам.
Характеристики определены при холостом ходе выпрямителя, при индуктивности
реактора сглаживающего фильтра равной бесконечности и при допущении мгновенной
коммутации тока нагрузки вентилями, что вполне допустимо для сравнительного анализа
схем.
Таблица 2.3 - Технические характеристики
выпрямителей
|
Схема
выпрямителя
|
Параметры
трансформа-тора
|
Параметры
вентилей
|
Параметры
нагрузки
|
|
РТ/Pd
|
KИСП
|
Uобр
max/Ud
|
Ia/Id
|
Угол
проводимости, эл.град.
|
mq
|
Кq
|
|
Нулевая
трехпульсная
|
1,35
|
0,74
|
2,09
|
1/3
|
120
|
6
|
0,25
|
|
Нулевая
шестипульсная с УР
|
1,26
|
0,8
|
2,09
|
1/6
|
120
|
6
|
0,057
|
|
Мостовая
шестипульсная
|
1,05
|
0,95
|
1,45
|
1/3
|
120
|
6
|
0,057
|
|
Двухмостовая
12-пульсная последовательная
|
1,029
|
0,97
|
0,52
|
1/3
|
120
|
12
|
0,014
|
На рисунке 2.2 приведены графические зависимости
коэффициентов мощности многопульсных выпрямителей с различной частотой
пульсаций от коэффициента загрузки выпрямителя, рассчитанные на основании [5,
13, 14].
За основу при расчете коэффициентов
мощности приняты часто берущиеся в расчетах характеристические данные
трансформаторного оборудования: напряжение короткого замыкания
;
коэффициент холостого хода
; угол сдвига
. Видно, что
наибольшее значение коэффициента мощности многопульсного выпрямителя
достигается при нагрузке меньше номинальной, причем с увеличением пульсности
выпрямителя максимумы коэффициентов мощности смещаются в сторону больших
значений коэффициента нагрузки. В связи с этим необходимо привязать
технико-экономическое обоснование преимуществ выпрямителей, имеющих повышенную
пульсность выпрямленного напряжения, к реальным графикам распределения
нагрузки.
Рисунок 2.2 - Зависимость
коэффициента мощности от нагрузки и пульсности выпрямителя
За основу при расчете коэффициентов
мощности приняты часто берущиеся в расчетах характеристические данные
трансформаторного оборудования: напряжение короткого замыкания
;
коэффициент холостого хода
; угол сдвига
. Видно, что
наибольшее значение коэффициента мощности многопульсного выпрямителя
достигается при нагрузке меньше номинальной, причем с увеличением пульсности
выпрямителя максимумы коэффициентов мощности смещаются в сторону больших
значений коэффициента нагрузки. В связи с этим необходимо привязать
технико-экономическое обоснование преимуществ выпрямителей, имеющих повышенную
пульсность выпрямленного напряжения, к реальным графикам распределения
нагрузки.
При создании новых, более
эффективных выпрямителей, необходимо, как правило, обеспечивать снижение
материалоемкости и трудоемкости изготовления. В то же время во многих случаях
более существенным является повышение эффективности преобразования, позволяющее
повысить коэффициент мощности, снизить потери электроэнергии. Повышение
удельных расходов материалов, усложнение трансформаторов становится оправданным
при значительном улучшении технико-экономических показателей.
Одним из важнейших
технико-экономических показателей выпрямителей является годовая экономии
средств (С) за счет повышения коэффициента мощности при переходе от схемы с
числом пульсаций mq к схеме с другим числом пульсаций mq´.
Повышение пульсности выпрямленного
напряжения неизбежно связано с усложнением технологии и увеличением
материальных затрат при изготовлении выпрямителя, поэтому необходимо точно
оценить экономию средств при эксплуатации выпрямителей, построенных по новым
схемным решениям.
В таблице 2.4 сведены результаты
расчетов суточной экономии электроэнергии и годовой экономии средств,
полученной за счет повышения коэффициента мощности при переходе на более многопульсное
выпрямление.
По данным [6] средняя переработка
электроэнергии тяговой подстанцией на Западно-Сибирской железной дороге в 1991
году составила 33,2 млн кВт ч, что соответствует суточной переработке 91 МВт ч.
После определенного снижения потребляемой электроэнергии в середине 90-х годов,
в последние годы, в связи с увеличивающимся объемом грузоперевозок, отмечается
заметный рост потребления электроэнергии, что позволяет ориентироваться при
подсчете усредненной годовой экономии средств на значение коэффициента загрузки
КЗ = 0,3-0,5.
Таблица 2.4 - Зависимость экономии
электроэнергии и годовой экономии денежных средств от повышения пульсности
выпрямителя при заданных нагрузках постоянного тока
48
|
96
|
144
|
192
|
240
|
|
0,2
|
0,4
|
0,6
|
0,8
|
1,0
|
|
,
для выпрямителя с числом пульсаций6
|
0,346687
|
0,349821
|
0,366809
|
0,387584
|
0,409861
|
|
|
12
|
0,212177
|
0,210773
|
0,224764
|
0,241875
|
0,259731
|
|
24
|
0,153947
|
0,145406
|
0,154348
|
0,166548
|
0,179447
|
|
Суточная
экономия энергии при замене выпрямителей, МВт ч
|
6→12
|
0,5165
|
1,0679
|
1,6363
|
2,2381
|
2,8825
|
|
6→24
|
0,7401
|
1,5699
|
2,4475
|
3,3951
|
4,4239
|
|
12→24
|
0,2236
|
0,5020
|
0,8112
|
1,1570
|
1,5414
|
|
Годовая
экономия средств при замене выпрямителей, тыс. руб при цене 1 кВт ч 1,78 р
|
6→12
|
224,34
|
463,84
|
710,72
|
972,12
|
1252,01
|
|
6→24
|
321,46
|
681,88
|
1063,07
|
1474,66
|
1921,52
|
|
12→24
|
97,12
|
218,04
|
352,34
|
502,54
|
669,50
|
Для примера в таблице 2.5 приведена динамика
роста энергопотребления на тяговой подстанции Сокур Западно-Сибирской Дирекции
Инфраструктуры за шесть не зимних месяцев в период 2010-2012 г.г. В зимние
месяцы энергопотребление существенно возрастает. В октябре текущего года
суточная переработка электроэнергии на подстанции Сокур достигла 185,4 МВт ч,
что является хорошим показателем.
Таблица 2.5 - Расход электроэнергии на тягу
поездов, кВт ч, согласно месячным отчетам подстанции Сокур Западно-Сибирской
Дирекции Инфраструктуры.
|
Годы
Месяц
|
2010
|
2011
|
2012
|
|
май
|
3032080
|
3155508
|
3262266
|
|
июнь
|
3025320
|
3212608
|
3316092
|
|
июль
|
3241920
|
3433926
|
3643996
|
|
август
|
3512760
|
3377604
|
3601254
|
|
сентябрь
|
3158040
|
3412686
|
3557582
|
|
октябрь
|
3295080
|
3528954
|
3773112
|
|
итог
|
19265200
|
20121286
|
21154302
|
|
прирост
|
-
|
856086
|
1033016
|
Невысокий коэффициент использования
выпрямителей, говорящий о наличии резерва установленных мощностей, и повсеместный
переход к совершенным, по сравнению с ртутными выпрямителями, силовым
полупроводниковым приборам, обусловили активизацию научно-технического поиска в
направлении обоснованного пересмотра стандарта номинальных мощностей
преобразовательных трансформаторов.
Работы в данном направлении появились уже в 60
годы. В частности в [15] вместо шага номинальных мощностей 1,6 МВА
обосновывалось установление шага, равного 1,35 МВА. Зарубежом (Япония, США,
ЮАР) также осуществляются работы по расширению диапазона номинальных мощностей
преобразователей. Так, на японских железных дорогах эксплуатируются выпрямители
различной мощности с шагом 1 МВА. Большой теоретический и практический вклад в
данном направлении внесен учеными ВНИИЖТа и сотрудниками кафедры ЭЖТ ОмГУПС [5].
Это позволило приступить к промышленному изготовлению и внедрению на железной
дороге новых 12-пульсных выпрямителей последовательного типа на базе
реконструированных вентильных конструкций ПВЭ-5 и преобразовательного
трансформатора ТРМП-6300/35ЖУ1, имеющего номинальную мощность 5700 кВА. В
настоящее время для этого выпрямителя разработаны и изготавливаются (АО
"Электровыпрямитель", г. Саранск) вентильные конструкции пониженной
мощности - ТПЕД- 2,0к-3,3к-У1 на номинальный ток 2000А.
Анализируя приведенные характеристики
выпрямителей, можно сделать вывод, что при всех прочих равных условиях,
например, при одинаковых характеристиках трансформаторного оборудования,
выпрямители с большим числом пульсаций имеют лучшие показатели по коэффициенту
мощности, по коэффициенту полезного действия, по коэффициенту пульсаций, по
наклону внешней характеристики. Увеличение числа пульсаций приводит к
значительному улучшению формы выпрямленного напряжения и потребляемых токов,
снижает требования к сглаживающим фильтрам. Таким образом, установка на тяговой
подстанции Омск 24-пульсного выпрямителя вполне обоснована.
2.2 Обоснование реконструкции мостовых
вентильных цепей 12-пульсного выпрямителя в кольцевые
Как было отмечено выше переход от шести- к
двенадцатипульсным схемам выпрямления улучшает энергетические показатели
выпрямителей, позволяет повысить коэффициент мощности, улучшить форму кривой
потребляемого тока, приблизив её к синусоиде [5]. При этом процентный состав
высших гармоник потребляемого тока снижается, а следовательно, снижаются потери
активной мощности, вызванные этими гармониками. Внешняя характеристика у
многопульсных ВА оказывается более жесткой, что способствует стабилизации
выпрямленного напряжения, например, в тяговой сети электрического транспорта.
Так, коэффициент наклона внешней характеристики для шестипульсных ВА равен 0,5,
в то время как для двенадцатипульсных ВА он составляет 0,26, что вдвое меньше
[1, 16-20].
В [21, 22] показано, что наибольшая
эффективность использования установленной мощности вентильных обмоток
трансформаторов в многопульсных ВА обеспечивается, если длительность протекания
токов через эти обмотки составляет
. Это достигается в эквивалентных
многофазных схемах выпрямления. В настоящее время двенадцатипульсные ВА чаще
всего образованы трехфазными двухмостовыми схемами выпрямления, представляющими
собой два трехфазных моста Ларионова, соединенных по выходу либо параллельно,
либо последовательно (рисунок 1.3).
Трансформатор, входящий в
двенадцатипульсный ВА, имеет две системы вентильных обмоток: одну - соединенную
звездой, а другую - треугольником. Каждая из указанных систем обмоток питает
свой трехфазный мост Ларионова. Благодаря этому на входе трехфазных мостов
действуют две трехфазные системы линейных напряжений, сдвинутые друг
относительно друга на 300, что необходимо для реализации двенадцатипульсного
выпрямления за период. Использование установленной мощности трансформатора в
таких схемах оказывается наиболее оптимальным, при этом мощность обмоток составляет
от мощности
нагрузки постоянного тока.
Вместе с тем, если в
двенадцатипульсном ВА предусматривается параллельное соединение трехфазных
мостов, то в этом случае для эффективного использования обмоток возникает
необходимость использования УР. Однако, применение УР ведет к увеличению
суммарной установленной мощности трансформаторного оборудования (приблизительно
на 7%), вызывает дополнительные потери активной мощности в самом УР от
протекающих по нему токов и требует на изготовление УР дополнительного расхода
электротехнических материалов, стоимость которых в настоящее время становится
существенной. Кроме того, в случае несимметрии и несинусоидальности питающих
напряжений в двенадцатипульсном ВА с параллельным соединением трехфазных мостов
возможна неравномерная загрузка секций [7, 23]. Учитывая это, для создания
двенадцатипульсных ВА широко используются последовательные схемы соединения
мостов (рисунок 1.3,б) [5].
Основной недостаток схем с
последовательным соединением трехфазных мостов заключается в повышенных потерях
активной мощности в вентилях по сравнению с параллельными схемами соединения.
Суммарные потери в вентилях
многопульсного выпрямителя в общем виде определяются
(2.44)
где
- потери в i-м вентиле;
N-общее количество вентилей в выпрямителе.
В соответствии с [4], полагая, что в
многопульсном выпрямителе все вентили имеют одинаковые параметры, и, допуская в
первом приближении мгновенную коммутацию, можно записать
,(2.45)
где
- количество вентилей, включенных
одновременно и последовательно в цепи постоянного тока;
- количество вентилей, включенных
одновременно параллельно в цепи постоянного тока;
- величина среднего выпрямленного
тока;
(UT0) - напряжение отсечки вентиля
(пороговое напряжение);
(rT)- сопротивление вентиля,
включенного в прямом направлении;
- коэффициент загрузки ВА.
Как видно из (2.44), величина потерь
активной мощности в таких многопульсных выпрямителях прямо пропорциональна
количеству одновременно и последовательно включенных в цепи постоянного тока
вентилей (
). Таким
образом, возникает задача сокращения
при одновременном сохранении оптимальной
длительности протекания токов по вентильным обмоткам трансформатора, присущей
эквивалентным многофазным схемам выпрямления.
Известные сочетания трехфазных
мостов Ларионова не позволяют строить экономичные многопульсные ВА с малыми
потерями в вентильных цепях, поэтому принцип построения многопульсных схем с
последовательным или параллельным соединением мостов в этом отношении к
настоящему времени себя исчерпал.
Для решения задачи снижения потерь
активной мощности на кафедре "Электрический транспорт" предложена
новая концепция построения многопульсных ВА и разработаны более совершенные
схемные решения многопульсных ВА [24-26].
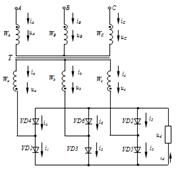
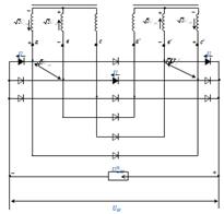
Схема такого выпрямителя с
12-кратной частотой пульсации выпрямленного напряжения [24] приведена на
рисунке 2.3.
Выпрямитель содержит трехфазный
трансформатор Т и двенадцать вентилей VD1- VD12, при этом на стержнях
трансформатора размещены одна первичная и две вторичных системы обмоток,
которые образуют соединения в звезду и треугольник. Выводы каждой из этих
систем вторичных обмоток соединены с мостом, состоящим из трех цепочек,
образованных последовательным соединением трех однонаправленных вентилей.
Выводы вторичных обмоток,
соединенных в звезду, подключены к линиям, соединяющим диоды анодной группы со
средними в цепочках диодами. К линиям, соединяющим средние диоды с диодами
катодной группы, подключены выводы вторичных обмоток трансформатора,
соединенных в треугольник, причем если с одной стороны диода средней группы
подключен вывод фазы звезды одного наименования, то с другой его стороны
подключен вывод фазы треугольника очередного наименования. Вывод каждой из фаз
звезды соединен через дополнительный диод с той фазой треугольника, с которой
он не соединен диодом моста.
Средние диоды моста и дополнительные
диоды VD1- VD5 образуют замкнутое кольцо из шести диодов, соединенных между
собой только одноименными электродами.
В связи с этим такой выпрямитель
можно назвать кольцевым. Его вентильная конструкция получена путем
трансформации двух трехфазных диодных мостов 1 и 2, соединенных последовательно.
Смежные
Рисунок 2.3 - Схема принципиальная кольцевого
12-пульсного выпрямителя группы диодов мостов слиты, образуя средние диоды
цепочек, а высвободившиеся при слиянии диоды VD1-VD3 восстанавливают электрические
связи, нарушенные при трансформации мостов.
Для данной схемы соотношения между числами
витков обмоток определены следующим образом
(2.46)
,(2.47)
где K - коэффициент трансформации.
При
установлены следующие соотношения
между токами и напряжениями на входе и выходе выпрямителя
(2.48)
.(2.49)
Анализ электромагнитных процессов в первичных и
вторичных цепях данного ВА был проведен с использованием рядов Фурье. Получены
волновые диаграммы токов, приведенные на рисунке 2.5, где, кроме того, показаны
диаграммы линейных напряжений (Ua1b1, Ub1c1, Uc1a1, Ua2b2, Ub2c2, Uc2a2) и
токов (i1…i6) во вторичных обмотках, сетевых токов iA, iB, iC и выпрямленного
напряжения ud.
Результаты приведены для случая,
когда
. Из
диаграмм (рисунок 2.4) нетрудно видеть, что в данном устройстве достигается
оптимальная продолжительность работы вентильных обмоток, при которой
обеспечивается хорошее использование типовой мощности трансформатора. Расчет
показывает, что типовая мощность трехфазного трансформатора равна 1,029 от
выпрямленной мощности (
).
Рисунок 2.4 - Волновые диаграммы
двенадцатипульсного ВА
Для расчетов вентильных конструкций необходимо
знать величину обратных напряжений, прикладываемых к вентилям выпрямителя:
для вентилей VD1… VD6
;(2.50)
- для вентилей VD7… VD12
.(2.51)
Очевидно, что определенный интерес
вызывает форма обратных напряжений, прикладываемых к вентилям рассматриваемого
ВА. Форма напряжения для одного из вентилей анодной или катодной групп
выпрямителя показана на рисунке 2.5,а. На рисунке 2.5,б показана форма
напряжения, прикладываемого к одному из вентилей мостовой части выпрямителя, а
на рисунке 2.5,в - форма напряжения на одном из вентилей кольцевой группы
вентилей.
Рисунок 2.5 - Форма обратных
напряжений, прикладываемых к вентилям: а - анодных и катодных групп; б -
мостовой структуры; в - кольцевой группы.
Видно, что длительность пребывания
под максимальным обратным напряжением вентилей среднего эшелона, принадлежащих
к мостовой группе вентилей, больше длительности работы под максимальным
обратным напряжением вентилей кольцевой группы этого же эшелона.
Режим работы вентилей анодной и
катодной групп рассматриваемой вентильной конструкции ничем не отличается от
режима работы аналогичных вентилей в обычном 12-пульсном выпрямителе с
последовательным соединением трехфазных мостов.
В реальном выпрямителе, учитывая
коммутационные процессы (
),
соотношения (2.48, 2.49), а также волновые диаграммы, приведенные на рисунке
2.4 будут несколько иными, что может служить предметом дополнительных
исследований. Вместе с тем, наличие углов коммутации не должно оказывать
существенного воздействия на величину снижения потерь. Это связано с тем, что в
предлагаемом ВА экономия электрической энергии обусловлена сокращением величины
,
определяемой схемным решением; при этом электромагнитные процессы в обмотках
силового трехфазного трансформатора T практически полностью соответствуют процессам
в двенадцатипульсном ВА последовательного типа, с которым проведено сравнение.
Осциллограмма выпрямленного
напряжения (рисунок 2.5) свидетельствует о получении двенадцатипульсного
выпрямления за период. Кривые токов вентильных обмоток ничем не отличаются от
кривых токов в вентильных обмотках трансформатора 6-пульсного ВА, приведенных
на рисунке 2.6.
Таким образом, в данном устройстве
действительно достигается эквивалентное двенадцатипульсное выпрямление.
Следует отметить, что в соответствии
со схемой, приведенной на рисунке 2.3, легко может быть осуществлена
модернизация существующего оборудования двенадцатипульсных ВА с
последовательным соединением трехфазных мостов, поскольку она не требует
коренной переделки вентильных конструкций и сводит к минимуму соответствующие
затраты.
Рисунок 2.6 - Кривая выпрямленного
напряжения Ud, 10В/дел.
В настоящее время на наземном городском
электрическом транспорте и метрополитене широко используются серийно
выпускаемые 6-пульсные ВА, состоящие из трехфазных трансформаторов и вентильных
блоков, собранных по мостовым схемам выпрямления. Поэтому переход к схемам
выпрямления с более высокой кратностью пульсаций возможен путем модернизации
уже существующего оборудования, обладающего изначально заданными техническими
параметрами и имеющего определенные конструктивные особенности узлов и деталей.
С практической точки зрения наиболее
предпочтительны такие схемы многопульсных ВА, которые могут быть построены на
основе существующего оборудования и, по возможности, не требуют его коренной
переделки.
В соответствии с [5, 6] проведены
соответствующие реконструкции тяговых подстанций железнодорожного транспорта и
метрополитена, в ходе которых устанавливались трехфазно-шестифазные
преобразовательные трансформаторы. Однако выпрямители были традиционно
построены по трехфазным мостовым схемам, соединенным по выходу последовательно.
При этом минимальное количество вентилей в цепи постоянного тока равно четырем,
и не может быть уменьшено даже в случае использования современных силовых
полупроводниковых приборов (СПП).
Двенадцатипульсный ВА (рисунок 2.3), построенный
в соответствии с новыми схемными решениями, позволяет сократить число СПП в
цепи постоянного тока с четырех до трех, уменьшив потери активной мощности.
Такой ВА может быть построен на основе имеющихся на тяговых подстанциях
преобразовательных трансформаторов со схемой соединения вторичных обмоток
"звезда" и "треугольник". При этом потребуется только
реконструировать существующие вентильные сборки в соответствии с
рассматриваемой топологией схемы выпрямителя, что сводит к минимуму затраты на
модернизацию существующего оборудования.
По отношению к номинальной мощности используемых
ВА, суммарная экономия электроэнергии в таких выпрямителях может достигать
0,5…1,0 %. Учитывая абсолютную величину потерь электрической энергии,
существенный экономический эффект может быть получен при модернизации
двенадцатипульсных ВА на тяговых подстанциях магистральных электрических
железных дорог.
Выводы по главе
1. Рассмотрены
основные теоретические вопросы анализа схем выпрямления и на основании расчетов
доказано преимущество многопульсного выпрямления.
2. Дана
сравнительная оценка схем двенадцатипульсных ВА с последовательным и
параллельным соединением трехфазных мостов. Показано, что существующие способы
построения многопульсных ВА не обеспечивают снижения потерь активной мощности в
вентилях преобразователей и в этом отношении к настоящему времени себя
исчерпали.
3. Предложено
применение простой и экономичной схемы двенадцатипульсного ВА, которая может
быть легко реализована на действующем оборудовании существующих
двенадцатипульсных ВА последовательного типа, например, на тяговых подстанциях
электрического транспорта, без значительных затрат на их модернизацию.
4. Обоснована
возможность снижения потерь электроэнергии в ВА тяговых подстанций
электрического транспорта на постоянном токе при оснащении их новыми
вентильными структурами.
5. Приведены
основные формулы и соотношения, определенные топологическими особенностями
рассматриваемых экономичных построений вентилей.
3. Определение потерь мощности в вентильных
конструкциях мостовых и кольцевых 12-пульсных выпрямителей
Для полной оценки технико-экономической
эффективности выпрямителей необходимо рассчитать потери мощности в вентильных
блоках. Потери обусловлены числом силовых полупроводниковых приборов (СПП)
выпрямителя, их параметрами и конфигурацией цепей вентильной конструкции,
схемой выпрямления и током нагрузки [28]. При расчете потерь определяющая роль принадлежит
типу схемы выпрямления и особенностям построения вентильных конструкций. Далее
будет рассматриваться порядок расчета числа СПП в вентильных плечах
выпрямителей, собранных по последовательно-параллельным мостовым и кольцевым
схемам. При расчетах потерь мощности в вентильных конструкциях 12-пульсного
мостового выпрямителя, собранного по последовательно-параллельной схеме в
качестве исходных данных примем данные, приведенные в [6].
.1 Требования к расчету числа силовых
полупроводниковых приборов, соединенных в вентильном плече параллельно
В работе [6], приведена (установленная на
основании многолетних исследований и длительного опыта эксплуатации) величина
тока глухого короткого замыкания IKm на выводах выпрямителя, собранного по
схеме последовательного типа с вентильной конструкцией ТПЕД-3150-3,3К-У1 не
превышающая 15 кА при теоретических данных от 10 до 25 кА. Отмечено, что при
использовании со стороны переменного тока выпрямителя вакуумного выключателя
полное время срабатывания защиты при глухом коротком замыкании на выводах
выпрямителя составляет около 40 мс, что позволяет увеличить ток короткого
замыкания на 35-40%. Это дает возможность снизить на одну треть число а
параллельно включенных в вентильном плече ветвей, с 6 до 4. Учитывая процесс непрерывного
совершенствования СПП, можно утверждать, что число a СПП в плече стремится к 2,
то есть один из приборов способен взять на себя всю рабочую и аварийную
нагрузку, а второй является резервным, причем в рабочем режиме нагрузку оба СПП
делят пополам.
При всех аналогичных расчетах необходимо
учитывать, что возможная амплитуда тока через СПП не должна превышать IFSM, то
есть должно соблюдаться соотношение
.(3.1)
.2 Требования к расчету числа
силовых полупроводниковых приборов, соединенных в вентильном плече
последовательно
Перед проведением расчета числа СПП
(s), соединенных в вентильном плече последовательно, необходимо определить
рабочие обратные напряжения, прикладываемые к вентильному плечу при различных
схемах выпрямления. В соответствии с результатами анализа электромагнитных
процессов в известных мостовых схемах последовательного типа и новых кольцевых
схемах с сокращенным числом вентильных плеч (раздел 2) составлена сводная
таблица 3.1 с расчетными формулами.
В таблице 3.1 UЛ - действующее значение
линейного напряжения любой из симметричных трехфазных систем питающих
напряжений. Для одного 12- пульсного выпрямителя последовательного типа Ud0 =
2,7 UЛ, а при параллельном соединении двух 12-пульсных секций через УР, Ud0 =
2,678 UЛ.
Число s СПП класса К, соединенных
последовательно, можно определить по известной из [14] формуле
(3.2)
где U - амплитуда возможного перенапряжения на
плече выпрямителя, кВ;
1+Δu -коэффициент, учитывающий
возможное повышение напряжения на СПП вследствие неравномерного распределения
обратного напряжения (при лавинных вентилях Δu = 0, в
случае применения нелавинных вентилей обычно принимают Δu
= 0,1);ИВ
- коэффициент, равный отношению неповторяющегося напряжения URMS (или
напряжения лавинообразования) к повторяющемуся URRM, определяющему класс СПП;
ΔuL - величина,
учитывающая влияние окружающей температуры на напряжение лавинообразования (при
нелавинных вентилях ΔuL = 0);Р -
число резервных СПП; SД - число, дополняющее результат вычислений до целого
значения в сторону увеличения.
Таблица 3.1 - Обратные напряжения,
прикладываемые к СПП в мостовой и кольцевой схемах в номинальном рабочем режиме
|
Тип
схемы, расположение вентилей
|

|
|
|
ФОРМУЛЫ
|
Значения
при
заданной пульсности
|
|
|
значение
|
|
|
Мостовая
последовательная, для всех вентилей
|
 120,5236 Ud0
|
|
|
|
|
|
|
24
|
0,2618
Ud0
|
|
Кольцевая,
для вентилей анодной и катодной групп
|
|
120,5236
Ud0
|
|
|
|
|
|
24
|
0,2618
Ud0
|
|
Кольцевая,
для вентилей кольцевых групп
|
|
121,0115
Ud0
|
|
|
|
|
|
24
|
0,4834
Ud0
|
Амплитуда возможного перенапряжения U зависит от
характеристик устройств ограничения перенапряжений. Перенапряжения на шинах
тяговой подстанции UШ сопровождаются перенапряжениями между анодами и катодами
СПП. Они появляются вследствие включений сглаживающих устройств, отключения
токов короткого замыкания, прихода волн перенапряжений со стороны контактной
сети. Амплитуда этих перенапряжений ограничивается вентильными разрядниками до
8,5 - 9 кВ. Ограничение перенапряжения до величин меньших 2 Udo из-за
неустойчивости разряда технически сложно.
Так как перенапряжения превышают ЭДС
выпрямителя, потенциалы катодов при воздействии перенапряжений выше потенциалов
анодов, и выпрямитель в таком режиме по определению [29] как бы заперт. При
этом, в отличие от рабочего режима, линейное напряжение вентильных обмоток
распределяется равномерно между запертыми СПП.
Амплитуды появляющихся
перенапряжений UШ могут достигать нескольких десятков киловольт. При установке
в анодные цепи разрядников, уменьшающих амплитуду и длительность
перенапряжений, остаточные перенапряжения U′Ш не будут превышать
пробивного напряжения разрядника UР или величины остающегося на нем напряжения:
.
В нормальном рабочем режиме к каждому
вентильному плечу приложено обратное напряжение, определяемое по формулам,
приведенным в таблице 3.1. При перенапряжениях на шинах постоянного тока, когда
СПП устройства заперты, максимальные значения линейных напряжений питающих
трехфазных систем напряжений суммируются векторно и равномерно распределяются
по запертым вентильным плечам.
Максимум общего обратного напряжения UО,
создаваемого питающими системами напряжений, можно определить в этом случае по
формуле
(3.3)
Из рассмотрения топологии схем и векторных
диаграмм им соответствующих можно вывести общее уравнение для определения
перенапряжения на вентильном плече при различном числе пульсаций выпрямленного
напряжения. Учитывая, что число вентильных плеч, последовательно обтекаемых
током нагрузки в мостовом выпрямителе равно NПS = mq/3, получим
, (3.4)
где коэффициент 1,1 учитывает возможные
колебания напряжения сети.
Таблица 3.2 - Отношения характеристических
напряжений нелавинных и лавинных диодов
|
Параметры
СПП
|
Значение
параметров СПП
|
|
Нелавинные
диоды
|
Лавинные
диоды
|
|
Повторяющееся
напряжение URRM
|
100
К
|
100
К
|
|
Неповторяющееся
напряжение URSM
|
116
К
|
125
К
|
|
Напряжение
лавинообразования UL
|
-
|
125
К (120К - мин)
|
|
Рабочее,
рекомендуемое напряжение URWM
|
67
К
|
100
К
|
При расчетах числа последовательно соединенных в
плече СПП величину перенапряжения U на плече выпрямителя удобнее выбирать,
учитывая характеристики разрядников, а не ряд результирующих значений U = 6, 7,
8, 9, 10 кВ, приведенных в [14].
Ориентировочную величину коэффициента kИВ можно
определить, используя табл.3.2, составленную на основании [14].
С учетом приведенного выше материала в
mq-пульсных мостовых схемах последовательного типа:
при нелавинных СПП
; (3.5)
при лавинных СПП
.(3.6)
Число лавинных диодов иногда рассчитывают таким
образом, чтобы суммарное напряжение лавинообразования их было не меньше
максимально возможной амплитуды внутреннего перенапряжения UK, способного
привести к отказу СПП
.(3.7)
В этом случае лавинные диоды будут исполнять
роль разрядников, ограничивая амплитуду перенапряжения до суммарного напряжения
лавинообразования. При этом выделяющаяся в них энергия не должна превышать
допустимой энергии лавинообразования.
Особенностью кольцевых схем является уменьшение
числа вентильных плеч, включенных в цепи протекания тока нагрузки
последовательно, что позволяет реализовать снижение потерь мощности в
вентильной конструкции. Однако при расчетах числа последовательно соединенных
СПП для работы выпрямительного агрегата в условиях больших перенапряжений
выявилось то, что такая реализация возможна только при определенных классах
СПП. При современной элементной базе силовых полупроводниковых приборов, когда
стали доступными для широкого практического применения полупроводниковые диоды
с классом выше 30, имеющие высокие технические характеристики по всем основным
параметрам, необходимо обратить серьезное внимание на возможности кольцевых
схем. Это тем более значимо, что работа трансформаторного оборудования в
кольцевых схемах, как показали исследования, эквивалентна работе
трансформаторного оборудования соответствующих по пульсности мостовых схем, а
это значит, что степень использования мощности трансформаторов остается на
таком же высоком уровне, как у классических мостовых трехфазных схем
выпрямления.
Рисунок 3.1 - Схема перенапряжений в кольцевом
выпрямителе
На рисунке 3.1 приведена схема перенапряжений в
кольцевом 12-пульсном выпрямителе. В соответствии с этой схемой, а также
схемами кольцевых выпрямителей с более высоким числом пульсаций выпрямленных
напряжений, выведены общие соотношения для определения числа СПП,
последовательно включенных в вентильном плече.
Так как в кольцевых схемах многопульсного
выпрямления число вентильных плеч последовательно включенных в цепи протекания
тока нагрузки
,
(3.8)
Тогда в mq-пульсных кольцевых
схемах:
при нелавинных СПП
;(3.9)
при лавинных СПП
. (3.10)
При составлении соотношений (3.5, 3.6, 3.9, 3.10)
для определения числа s в мостовых и кольцевых выпрямителях, авторы разработки
придерживались мнения, что в отличие от формул, подобных формуле (3.2),
расчетные соотношения должны учитывать реальную схемотехнику и характеристики
выпрямителей, в том числе характеристики полупроводниковых приборов и защитных
устройств. В частности для большинства выпрямителей тяговых подстанций, исходя
из статистических данных, несложно определить ориентировочную величину
выпрямленного напряжения холостого хода Ud0.
.(3.11)
Поправка в полученной формуле (3.11) учитывает
зависимость уровня напряжения холостого хода от мощности трансформатора и
снижение напряжений вследствие принятых при теоретических исследованиях
допущениях. Основная часть формулы задает функциональную зависимость напряжения
холостого хода от пульсности выпрямителя и от принятых при расчетах параметров
индуктивного сопротивления (через uK) токообразующих цепей.
Используя формулы (3.5, 3.6, 3.9, 3.10, 3.11)
рассчитаем число s для 12-пульсного выпрямителя тяговой подстанции
железнодорожного транспорта с трансформатором ТРМП-6300/35ЖУ1 при мостовых и
кольцевых схемах выпрямления последовательного типа и общее число СПП,
обтекаемых последовательно током нагрузки ns = Ns s. Будем считать, что
атмосферные перенапряжения со стороны тяговой сети, достигающие 50 кВ в
амплитуде [14], ограничиваются разрядником РВПК-3,3, подключенным к плюсовой
шине, до 8,5-9 кВ. Результаты расчетов приведены в таблице 3.3.
Из результатов расчета видно, что при классе СПП
выше 24 каждое плечо выпрямителей по обоим вариантам построения вентильной
конструкции может содержать 3 СПП. Жирными цифрами в таблице отмечены классы
СПП, при которых осуществимо снижение потерь мощности в вентильной конструкции
при переходе к кольцевой схеме.
Наиболее экономичны схемы выпрямления при двух
последовательно включенных СПП в плече. Преимущество кольцевой схемы в этом
случае достигается при 41-м и выше классах нелавинных диодов, и при классах
выше 44 для лавинных диодов.
В таблице 3.4 приведены параметры нелавинных и
лавинных диодов, выпускаемых отечественной промышленностью, причем полужирным
курсивом выделены наименования СПП, при установке которых можно создавать плечи
с двумя последовательно включенными диодами.
Таблица 3.3 - Данные расчета чисел S и ns при
различных классах СПП для последовательных схем выпрямления
|
Исходные
и расчетные данные трансформатора, СПП и разрядника
|
Значение
S и общее число СПП ns, обтекаемых током последовательно
|
|
Типовая
мощность, МВА
|
UЛ,
B·103
|
Udном,
B·103
|
Ud0,
B·103
|
mq
|
UP,
B·103
|
Тип
СПП
|
Kласс
СПП (К)
|
мостовой
|
кольцевой
|
|
|
|
|
|
|
|
|
S
|
ns
|
S
|
ns
|
|
6,3
|
1,35
|
3,3
|
3,64
|
12
|
9
|
Неуправляемый
нелавинный
|
14
|
4
|
16
|
4
|
12
|
|
|
|
|
|
|
|
18
|
3
|
12
|
4
|
12
|
|
|
|
|
|
|
|
24
|
3
|
12
|
3
|
9
|
|
|
|
|
|
|
|
28
|
3
|
12
|
3
|
9
|
|
|
|
|
|
|
|
30
|
3
|
12
|
3
|
9
|
|
|
|
|
|
|
|
32
|
2
|
8
|
3
|
9
|
|
|
|
|
|
|
|
34
|
2
|
8
|
3
|
9
|
|
|
|
|
|
|
|
41
|
2
|
8
|
2
|
6
|
|
|
|
|
|
|
Неуправляемый
лавинный
|
14
|
4
|
16
|
4
|
12
|
|
|
|
|
|
|
|
18
|
3
|
12
|
4
|
12
|
|
|
|
|
|
|
|
24
|
3
|
12
|
3
|
9
|
|
|
|
|
|
|
|
28
|
3
|
12
|
3
|
9
|
|
|
|
|
|
|
|
30
|
3
|
12
|
3
|
9
|
3
|
12
|
3
|
9
|
|
|
|
|
|
|
|
34
|
2
|
8
|
3
|
9
|
|
|
|
|
|
|
|
44
|
2
|
8
|
2
|
6
|
Таблица 3.4 - Параметры силовых диодов,
рекомендуемых для многопульсных выпрямителей
|
Тип
СПП
|
Параметры
СПП
|
|
K
|
IFAV,
А
|
IFSM,
кА
|
rT,
мОм
|
UT0,
В
|
|
нелавинные
|
Д143-800
|
10-40
|
800
|
16,5
|
0,32
|
0,95
|
|
Д173-1600
|
38-50
|
1600
|
30
|
0,15
|
1,1
|
|
Д173-2000
|
30-40
|
2000
|
40
|
0,13
|
1,05
|
|
Д173-2500
|
24-32
|
2500
|
50
|
0,11
|
1,0
|
|
Д173-3200
|
16-26
|
3200
|
55
|
0,09
|
0,95
|
|
Д223-500
|
24-44
|
550
|
7
|
0,9
|
1,05
|
|
Д243-1000
|
18-32
|
1010
|
18
|
0,28
|
0,95
|
|
Д253-2000
|
4-24
|
2350
|
35
|
0,1
|
1,0
|
|
лавинные
|
ДЛ133-500
|
4-16
|
760
|
12
|
0,41
|
0,85
|
|
ДЛ133-1000
|
38-50
|
1250
|
18
|
0,54
|
1,3
|
|
ДЛ153-1000
|
38-50
|
1250
|
18
|
0,54
|
1,3
|
|
ДЛ153-1250
|
22-32
|
1250
|
26
|
0,35
|
1,1
|
|
ДЛ153-1600
|
27-32
|
1670
|
26
|
0,3
|
1,0
|
|
ДЛ153-2000
|
16-20
|
2000
|
30
|
0,185
|
0,9
|
|
ДЛ173-3200
|
24-32
|
3250
|
45
|
0,124
|
1,1
|
.3 Тяговая подстанция Сокур с выпрямительными
агрегатами
Тяговая подстанция - электрическая подстанция,
предназначенная в основном для питания транспортных средств на электрической
тяге через контактную сеть. От тяговой подстанции получают питание и другие
железнодорожные нетяговые потребители, а также некоторые районные
нежелезнодорожные потребители.
Тяговая подстанция Сокур запущена в эксплуатацию
в 1958 году. По подключению к линии первичного напряжения 110 кВ является
транзитной, поскольку получает питание по одной линии В-2, в рассечку которой
она включена. Схема тяговой подстанции Сокур приведена в приложении В.
Открытое распределительное устройство 110кВ
На открытом распределительном устройстве 110 кВ
смонтировано 2 секции шин, секционирование которых осуществляется секционным
выключателем типа МКП-110м и двумя секционными разъединителями РЛНЗ-1-110. На
каждом вводе 110кВ установлен выключатель МКП-110м для коммутации цепи под
нагрузкой. Для ремонтных работ на ОРУ-110кВ, проводимых персоналом тяговой
подстанции, используются также разъединители РЛН-110. Для учета электрической
энергии со стороны 110 кВ и для цепей защит на каждой секции шин 110 кВ
смонтированы трансформаторы напряжения, типа НАМИ-110, и трансформаторы тока,
типа ТГФ-110. Также для учета электрической энергии, проходящей транзитом, на
рабочей и ремонтной перемычках ОРУ-110 кВ смонтированы трансформаторы тока
ТГФ-110. Для снятия перенапряжений в сети 110кВ на каждой секции шин
установлены разрядники, типа РВС-110. Силовые трансформаторы тяговой подстанции
Т1,2, типа ТДТНГ-15000, запитаны соответственно с 1 и 2 секций шин 110 кВ.
Силовые трансформаторы - трехобмоточные, первичное напряжение - 110кВ, а
вторичные - 35 кВ и 6 кВ. Тяговая подстанция Сокур - с изолированной нейтралью,
поэтому "0"-й вывод каждого трансформатора заземлен через разрядники.
Открытое распределительное устройство 35кВ
С силовых трансформаторов Т1,2 питание на
систему шин 35 кВ поступает через шинные разъединители, типа РЛНД-35, и через
выключатели, типа С-35. Непосредственно с секции шин 35 кВ запитан только один
фидер приобских электрических сетей Ф-35-108. Для коммутации данного фидера
установлен выключатель, типа С-35, и два разъединителя - шинный и линейный,
типа РЛНД-35. Для учета электрической энергии на данном фидере установлены
трансформаторы тока, типа STSM-38 100/1. Для цепей защит к системе шин 35 кВ
подключен трансформатор напряжения, типа НАМИ-35. А для снятия перенапряжений к
каждому вводу 35 кВ и к самой системе шин 35 кВ подключены ограничители
перенапряжений, типа ОПН-35.
Закрытое распределительное устройство 6,3кВ
Пониженное напряжение 6,3 кВ поступает с силовых
трансформаторов Т1,2 через вводные выключатели, типа ВБЭ-10/1600, и через
разъединители, типа РЛВ-10/2000, на 1 и 2 секцию шин 6,3 кВ. Для снятия
перенапряжений на каждой секции шин установлены ограничители перенапряжений,
типа ОПН-6. Для цепей защит на каждой секции шин установлены трансформаторы
напряжения, типа НТМИ-6. Для питания РУ-СЦБ-6,3 кВ, а также для питания
собственных нужд тяговой подстанции к каждой секции шин 6,3 кВ подключены
трансформаторы собственных нужд ТСН1,2, типа ТМ-320 6/0,23. Пониженное
напряжение 0,23 кВ с ТСН1,2 поступает на панель 0,23 кВ в щиту управления
тяговой подстанции. С системы шин 0,23 кВ через предохранители СЦБ питание
поступает на трансформатор СЦБ (Сигнализация Централизация Блокировка), типа
ТМ-100 0,23/6. Далее, повышенное напряжение 6,3 кВ с трансформатора СЦБ
поступает в РУ-СЦБ-6,3 кВ.
От РУ-6,3 кВ запитан один фидер приобских
электрических сетей - Ф6-6. Питание данного фидера осуществляется также через
выключатель, типа ВВТЭ-10/1000, шинный и линейный разъединители. Также имеются
два фидера железнодорожных потребителей - Ф1-6 и Ф5-6, запитанные через такие
же коммутационные аппараты.
Секционирование 1 и 2 секций шин осуществляется
выключателем ВС-6, типа ВВТЭ-10/1000, и двумя секционными разъединителями, типа
РЛВ-10/1000.
Тяговые трансформаторы ТП1,2 запитаны от 1 и 2
секций шин соответственно, через выключатели, типа ВВТЭ-10/1000, и шинные
разъединители, типа РЛВ-10/1000. Вторичная обмотка тяговых трансформаторов
расщепленная, схема соединения которой - звезда и треугольник.
Поскольку линии продольного электроснабжения
запитаны напряжением 10 кВ, то ко второй секции шин подключен повышающий
трансформатор ТПЭ-10, типа ТМ-1800 6/10, повышающий напряжения с 6 кВ до 10 кВ.
От трансформатора ТПЭ-10 запитано РУ-10,5кВ.
Закрытое распределительное устройство 10,5кВ
От системы шин 10,5 кВ запитаны 3 фидера
продольного электроснабжения через выключатели, типа ВБЭМ-10/800, и через
разъединители, типа РВ-10/400: Ф1ПЭ - питает перегон Сокур - Иня-Восточная; Ф2ПЭ
- питает перегон Сокур - Кошево; Ф3ПЭ - питает перегон Сокур - Жеребцово.
Закрытое распределительное устройство СЦБ-6,3кВ
С данного РУ, через выключатели, типа
ВБЭ-10/1600, и через разъединители, типа РВ-10/400, запитано 3 фидера СЦБ:
Ф1СЦБ - питает перегон Сокур - Иня-Восточная; Ф2СЦБ - питает перегон Сокур -
Кошево; Ф3СЦБ - питает перегон Сокур - Жеребцово.
Закрытое распределительное устройство 3,3кВ
Пониженное напряжение с тяговых трансформаторов
ТП 1, 2 поступает на выпрямительные агрегаты ПВ1,2 соответственно.
Выпрямительные агрегаты, типа ТПЕД-3150, собраны по двенадцатипульсовой
мостовой схеме выпрямления. Выпрямительные агрегаты установлены в закрытом
распределительном устройстве 3,3 кВ, в здании подстанции. Эти выпрямительные
агрегаты и обеспечивают электроэнергией постоянного тока электроподвижной
состав.
Поскольку главной задачей моего дипломного
проекта является модернизация именно выпрямительных агрегатов, рассмотрим их
подробнее.
Выпрямитель ТПЕД-3150-3,3к-У1 (трехфазный
преобразовательный с естественным охлаждением диодный) имеет номинальный ток
3150 А и номинальное напряжение - 3,3кВ и предназначен для размещения на
открытой части подстанции. Выпрямитель собирается из таблеточных диодов
ДЛ133-500-14 (диод лавинный на 500 А 14-го класса) с охладителями,
обеспечивающими прижимное усилие за счет прижимного устройства 10 кН.
Выпрямитель состоит из шести шкафов, в каждом из которых размещены 48 диодов с
охладителями, а также конденсаторы и резисторы. На крыше каждого шкафа
размещаются шесть проходных изоляторов, через которые осуществляется
подключение к шинам (плюсовой и минусовой) и вторичным обмоткам
преобразовательных трансформаторов. Шкафы обслуживаются с двух сторон. Передние
и задние двери снабжены механическими замками, замками электромагнитной
блокировки и конечными выключателями, обеспечивающими отключение выпрямителя от
высокого напряжения при открывании дверей.
С выпрямительных агрегатов напряжение подается
на шины 3,3 кВ.
Основными шинами РУ-3,3 кВ являются:
"+" главная шина 3,3 кВ, "+" запасная шина 3,3 кВ и
"-" шина 3,3 кВ. К "+" главной шине подключены 7
быстродействующих выключателей, типа ВАБ-43, осуществляющих питание 7 фидеров
3,3кВ. Ф3-3,3 - является станционным фидером, поскольку он питает станцию
Сокур. Ф1,2-3,3 - питают 1 и 2 пути перегона Сокур - Иня-Восточная. Ф4,5-3,3 -
питают 1 и 2 пути перегона Сокур - Кошево. Ф6,7-3,3 - питают 1 и 2 пути
перегона Сокур - Жеребцово. Также каждый из 7 быстродействующих выключателей
может быть запитан через обводной разъединитель с "+" запасной шины
3,3 кВ, для чего обе плюсовые шины объединены быстродействующим выключателем
БВЗШ-3,3, типа ВАБ-43. Для проведения ремонтных работ, то есть для создания
видимого разрыва цепи, на выходе из здания подстанции на каждом фидере 3,3 кВ
установлены мачтовые разъединители, типа РС-3000.
Для снятия перенапряжений в сети 3,3 кВ на
каждом фидере 3,3 кВ установлен ограничитель перенапряжений, типа ОПН-3,3, а к
"+" главной шине 3,3 кВ подключен разрядник, типа РВПК-3,3.
Для того чтобы тяговая сеть была замкнутой,
тяговый ток с рельса возвращается на "-" шину тяговой подстанции
через дроссель-трансорматор и отсасывающий фидер.
3.4 Потери мощности в вентильных конструкциях
мостовых и кольцевых выпрямителей
Падение напряжения на вентилях пропорционально
числу вентилей, последовательно пропускающих ток нагрузки, причем величина
падения напряжения на каждом вентиле приблизительно равна пороговому напряжению
и практически не зависит от величины тока [30-33]. В этом случае можно
записать:
.(3.12)
Потери мощности от падения прямого
напряжения
.(3.13)
Для mq-пульсных мостовых схем
(3.14)
Для mq-пульсных кольцевых схем
. (3.15)
Потери мощности, определяемые
потерями активной энергии при протекании через вентили прямого тока, то есть
тепловые потери, пропорциональные квадрату тока, для mq-пульсных мостовых схем
равны
,(3.16)
а для mq-пульсных кольцевых схем
. (3.17)
Тогда полные потери активной
мощности в вентильных конструкциях mq-пульсного мостового выпрямителя будут
определяться по формуле
, (3.18)
а потери мощности в вентильных цепях
mq-пульсного кольцевого выпрямителя
.(3.19)
С увеличением пульсности мостовых
выпрямителей последовательного типа или кольцевых выпрямителей потери мощности
в вентилях увеличиваются, но чем выше пульсность выпрямителя, тем при меньших
токах реализуется выходная мощность. Поэтому окончательное сравнение
выпрямителей по потерям в вентилях объективней всего проводить при одинаковых
значениях выходной мощности. От типа схемы и ее пульсности зависит, при каких
токах Id реализуется мощность Pd. Поэтому необходимо определить зависимость
реализуемой мощности от тока при различных значениях пульсности. С увеличением
пульсности уменьшается ток нагрузки, при котором можно реализовать ту же
мощность Pd, которая реализовывалась при меньшем числе пульсаций.
По требованиям надежности и
безотказности работы выпрямителей тяговых подстанций [34] электрического
транспорта
.
В случае, когда SРАСЧ равно 1, а
число резервных СПП SР по условию минимальности, но достаточности резерва равно
1, минимальное число СПП в вентильном плече SМИН равно 2. Исходя из этого
числа, можно определять потери мощности в выпрямителях, оснащенных вентилями
высоких классов и проводить дальнейшие расчеты технико-экономических показателей.
.5 Расчет потерь мощности в силовых
полупроводниковых приборах 12-пульсных выпрямителей
Базовым выпрямителем для сравнительной оценки
потерь мощности в вентильных конструкциях 12-пульсных выпрямителей, собранных
по кольцевой схеме, в соответствии с задачей данной работы принят мостовой
выпрямитель последовательно-параллельного типа с трансформатором ТМРУ-16000/10,
выпускавшийся ОАО "Уралэлектротяжмаш" для тяговых подстанций
постоянного тока и с вентильной конструкцией ТПЕД-3150-3,3к в которой использованы
таблеточные лавинные вентили типа ДЛ133-500 12-14 классов. Причем сравнение
можно считать логичным в том случае, если потери будут оценены сначала в
базовом выпрямителе, затем в модифицированном базовом выпрямителе при замене
СПП на новые типы вентилей и, затем в кольцевом выпрямителе.
В связи с одинаковой пульсностью сравниваемых
выпрямителей, и тем, что они эквивалентны по типовой и номинальной мощности
трансформаторного оборудования, коэффициенты загрузки и реализуемая мощность
обеспечиваются практически при одинаковых токах. Таким образом, в процессе
сравнения оцениваются только потери в вентильной установке. Но и в этом случае,
при одинаковых наклонах внешних характеристик, внешние характеристики кольцевых
выпрямителей будут расположены выше характеристик мостовых выпрямителей, а
значит, будут отличаться токи, при которых реализуется одинаковые мощности,
причем поправка на внешнюю характеристику будет в пользу кольцевых
выпрямителей. До введения поправок для более точной оценки технико-экономических
преимуществ вентильных конструкций кольцевых выпрямителей над вентильными
конструкциями мостовых выпрямителей, ограничимся, в первом приближении,
наиболее объективным элементом этого преимущества - снижением расчетных потерь
мощности в СПП при одинаковых исходных данных выпрямителей.
Блок-схема вентильной конструкции 12-пульсного
выпрямителя приведена на рисунке 3.2, а вентильной конструкции кольцевого
выпрямителя - на рисунке 3.3.
На рисунке 3.2 приведено два варианта построения
вентильных плеч: для базовой и для модернизированной конструкций.
Рисунок 3.2 - Блок-схема реконструированной
вентильная конструкция ТПЕД-3150-3,3к с диодами ДЛ133-500 в плечах - для
12-пульсного мостового выпрямителя
Рисунок 3.3 - Блок-схема вентильной конструкции
12-пульсного кольцевого выпрямителя
В расчетах по определению количества СПП
соединенных последовательно и параллельно в вентильных плечах рассматриваемых
конструкций использованы исходные расчетные данные для ВА тяговых подстанций с
трансформатором ТМРУ-16000/10 [35], которые приведены в таблице 3.5.
Таблица 3.5 - Расчетные данные для ВА с
преобразовательным трансформатором ТМРУ-16000/10
|
Мощность
трансформатора, тыс. кВА
|
Напряжение,
В
|
Ток,
А
|
|
типовая,
S Т,
|
номинальная,
S1,
|
вентильной
обмотки, U2
|
выпрямленное
ХХ, Ud0
|
номинальное
выпрямленное, UdНОМ
|
номинальный
выпрямленный, IdНОМ
|
|
|
При
uk = 0,169
|
|
|
|
  заданозаданозадан
|
|
|
|
|
|
|
16000
|
9750
|
1322
|
3540
|
3300
|
3150
|
Результаты расчетов вентильных плеч для
12-пульсных выпрямителей приведены в таблице 3.6, а схемы принципиальные
электрические 12- пульсных выпрямителей приведены в приложениях А,Б.
Расчетные формулы (3.18, 3.19) преобразованы к
следующему виду: потери мощности в вентильных цепях мостового 12-пульсного
выпрямителя
,(3.20)
а потери мощности в вентильных цепях
12-пульсного кольцевого выпрямителя
.(3.21)
Таблица 3.6 - Данные расчета вентильных плеч
мостовых и кольцевых 12-пульсных выпрямителей
|
Тип
схемы, вариант вентильной конструкции
|
Общее
число плеч, NП
|
Число
плеч в цепи тока, NПS
|
Число
СПП в плече, S
|
Число
СПП в цепи тока, nS
|
Класс
СПП, К
|
Тип
СПП
|
Число
СПП в плече
|
|
|
|
|
|
|
|
|
|
mq
|
mq/3
- мостовые; (mq/6)+1 - кольцевые
|
(3.5,
3.6)- мостовые; (3.9, 3.10)- кольцевые
|
NПS
S
|
URRM/100
|
Табл.3.4
|
(3.1)
|
|
мостовая
|
12
|
4
|
4
|
16
|
12-14
|
ДЛ133-500
|
6
|
|
мостовая
|
12
|
4
|
2
|
8
|
32
|
Д173-2000
|
2
|
|
|
|
|
|
|
|
|
|
кольцевая
|
12
|
3
|
2
|
6
|
40
|
Д173-2000
|
2
|
Для наглядности на рисунке 3.4 представлена
графическая зависимость расхода денежных средств на потери мощности в диодах
вентильных конструкций мостового и кольцевого 12-пульсных выпрямителей.
Рисунок 3.4 - График расхода средств на потери
мощности в диодах вентильных конструкций 12-пульсных выпрямителей
Результаты расчетов потерь мощности в вентильных
конструкциях 12-пульсных выпрямителей приведены в таблице 3.7.
Графическая зависимость потерь мощности в диодах
вентильной конструкции от степени нагрузки выпрямителей приведена на рисунке
3.5.
Рисунок 3.5 - График потерь мощности в диодах
вентильных конструкций 12-пульсных выпрямителей
Таблица 3.7 - Расчет потерь мощности в вентилях
12-пульсных мостовых и кольцевых выпрямителей
|
mq
|
Тип
схемы
|
ns
|
s
|
2a
|
K
|
Тип
СПП
|
Число
СПП
|
UТО,
В
|
rТ,
мОм
|
Потери
мощности в вентильной конструкции при различной степени загрузки КЗ, кВт;
|
|
|
|
|
|
|
|
|
|
|
0,2
|
0,4
|
0,6
|
0,8
|
1,0
|
|
12
|
мостовая
|
16
|
4
|
6
|
14
|
ДЛ133-500
|
288
|
0,85
|
0,41
|
9,0
|
18,87
|
29,61
|
41,22
|
53,69
|
|
мостовая
|
8
|
2
|
4
|
32
|
Д173-2000
|
96
|
1,05
|
0,13
|
5,4
|
11,0
|
13,87
|
19,79
|
25,0
|
|
кольцевая
|
6
|
2
|
4
|
40
|
Д173-2000
|
96
|
1,05
|
0,13
|
4,0
|
8,25
|
12,6
|
17,11
|
21,78
|
Таблица 3.8 - Годовая экономия денежных средств
при повышении класса диодов и при переходе к кольцевой вентильной конструкции,
тыс. руб.
|
mq
|
Тип
схемы
|
Тип
СПП
|
Годовая
экономия средств, тыс. руб. при коэффициентах загрузки КЗ
|
|
|
|
0,2
|
0,4
|
0,6
|
0,8
|
1,0
|
|
12
|
мостовая
|
ДЛ133-500
|
-
|
-
|
-
|
-
|
-
|
|
мостовая
|
Д173-2000
|
37,527
|
81,815
|
164,08
|
223,395
|
229,076
|
|
кольцевая
|
Д173-2000
|
52,125
|
110,707
|
177,32
|
251,332
|
332,642
|
Выводы по главе
1. Рассмотрены
основные теоретические положения по расчету числа диодов в вентильном плече
последовательно обтекаемых током нагрузки и расчетные соотношения, полученные с
учетом модернизации вентильных конструкций.
2. Приведены
характеристики современных СПП более высоких классов, применение которых
позволяет снизить потери мощности в действующих вентильных конструкциях ВА.
3. Расчетами
доказано преимущество кольцевых схем построения вентильных конструкций ВА.
4. Получены
таблицы и графики, позволяющие оценить степень снижения потерь активной
мощности при модификации 12-пульсных мостовых схем выпрямления в 12-пульсные
кольцевые.
5. Полученные
результаты подтверждают предположение об эффективности применения кольцевых
схем при достаточной степени загрузки ВА.
Рисунок 1.1 - Схема принципиальная 6-пульсного
выпрямителя по схеме "звезда - две обратные звезды с уравнительным
реактором"
Таблица 3.6 - Данные расчета вентильных плеч
мостовых и кольцевых 12-пульсных выпрямителей
|
Тип
схемы, вариант вентильной конструкции
|
Общее
число плеч, NП
|
Число
плеч в цепи тока, NПS
|
Число
СПП в плече, S
|
Число
СПП в цепи тока, nS
|
Класс
СПП, К
|
Тип
СПП
|
Число
СПП в плече
|
|
|
|
|
|
|
|
|
|
mq
|
(3.5,
3.6)- мостовые; (3.9, 3.10)- кольцевые
|
NПS
S
|
URRM/100
|
Табл.3.4
|
(3.1)
|
|
мостовая
|
12
|
4
|
4
|
16
|
12-14
|
ДЛ133-500
|
6
|
|
мостовая
|
12
|
4
|
2
|
8
|
32
|
Д173-2000
|
2
|
|
|
|
|
|
|
|
|
|
кольцевая
|
12
|
3
|
2
|
6
|
40
|
Д173-2000
|
2
|
Таблица 3.7 - Расчет потерь мощности в вентилях
12-пульсных мостовых и кольцевых выпрямителей
|
mq
|
Тип
схемы
|
ns
|
s
|
2a
|
K
|
Тип
СПП
|
Число
СПП
|
UТО,
В
|
rТ,
мОм
|
Потери
мощности в вентильной конструкции при различной степени загрузки КЗ, кВт;
|
|
|
|
|
|
|
|
|
|
|
0,2
|
0,4
|
0,6
|
0,8
|
1,0
|
|
12
|
мостовая
|
16
|
4
|
6
|
14
|
ДЛ133-500
|
288
|
0,85
|
0,41
|
9,0
|
18,87
|
29,61
|
41,22
|
53,69
|
|
мостовая
|
8
|
2
|
4
|
32
|
Д173-2000
|
96
|
1,05
|
0,13
|
5,4
|
11,0
|
13,87
|
19,79
|
25,0
|
|
кольцевая
|
6
|
2
|
4
|
40
|
Д173-2000
|
96
|
1,05
|
0,13
|
4,0
|
8,25
|
12,6
|
17,11
|
21,78
|
Таблица 3.8 - Годовая экономия денежных средств
при повышении класса диодов и при переходе к кольцевой вентильной конструкции,
тыс. руб.
|
mq
|
Тип
схемы
|
Тип
СПП
|
Годовая
экономия средств, тыс. руб. при коэффициентах загрузки КЗ
|
|
|
|
0,2
|
0,4
|
0,6
|
0,8
|
1,0
|
|
12
|
мостовая
|
ДЛ133-500
|
-
|
-
|
-
|
-
|
-
|
|
мостовая
|
Д173-2000
|
37,527
|
81,815
|
164,08
|
223,395
|
229,076
|
|
кольцевая
|
Д173-2000
|
52,125
|
110,707
|
177,32
|
251,332
|
332,642
|
. Технико-экономическое обоснование актуальности
внедрения кольцевых схем выпрямления в процесс модернизации вентильных
конструкций на базе блоков БСЕ1
Опыт эксплуатации 12-пульсных схем выпрямления
последовательного типа на тяговых подстанциях Западно-Сибирской железной дороги
показал их высокую эффективность и надежность. Дальнейшее улучшение
технико-экономических показателей и надежности 12-пульсных выпрямителей стало
возможным путем применения в качестве вентильных плеч диодных блоков
БСЕ1-4В2Д5-22(24) нового поколения. Применение диодов высоких классов с большим
значением допустимого прямого тока позволило сократить число диодов в
вентильных плечах с 24-х (для выпрямителя ТПЕД-3150-3,3к-У1) до 4-х. Такая
модернизация дает значительный выигрыш в капитальных затратах, обеспечивает
снижение потерь энергии и эксплуатационных расходов, экономию производственных
площадей тяговых подстанций, повышает надежность преобразователей.
.1 Дополнительные возможности повышения экономической
эффективности выпрямителей при модернизации
Развитие схемотехники выпрямителей и современная
полупроводниковая база позволяют в еще большей степени снизить мощность потерь
в диодах и повысить надежность вентильной конструкции. В качестве выпрямительной
схемы предлагается использовать не две мостовые трехфазные схемы, соединенные
последовательно, а кольцевую схему построения вентильных плеч, исследуемую в
НГТУ (рисунок 4.1а).
Общее число вентильных плеч в кольцевом
выпрямителе остается таким же, что и в мостовом, а число диодов в цепи
протекания тока уменьшается на четверть. Так, например, при переоснащении
выпрямителя ТПЕД-3150-3,3к-У1 блоками БСЕ1 число последовательно обтекаемых
током нагрузки уменьшается в мостовом выпрямителе с 16-ти до 8-ми, а в
кольцевом с 16-ти до 6-ти, чем не следует пренебрегать при дальнейшей
модернизации устаревших схем выпрямления. Следует учитывать также уменьшение
числа применяемых в блоках БСЕ1 дорогостоящих охладительных труб. Не проводя
изменения конструкции охладителей число труб можно уменьшить на 18,75%. Это
обусловлено снижением токовой нагрузки на диоды, входящие в кольцо (рисунок
4.1). Повышение обратного напряжения на диоды кольцевой группы обусловливает
применение диодов более высоких классов, причем наличие диодов 40-50 классов в
номенклатуре предприятий-изготовителей подтверждено информационными источниками
даже для тех типов диодов, которыми в настоящее время комплектуются блоки БСЕ.
Рисунок 4.1 - Вентильные конструкции 12-пульсных
выпрямителей: а - кольцевой трехфазный вентильный мост; б - два трехфазных
вентильных моста
Общее число вентильных плеч в кольцевом
выпрямителе остается таким же, что и в мостовом, а число диодов в цепи
протекания тока уменьшается на четверть.
Так, например, при переоснащении выпрямителя
ТПЕД-3150-3,3к-У1 блоками БСЕ1 число последовательно обтекаемых током нагрузки
уменьшается в мостовом выпрямителе с 16-ти до 8-ми, а в кольцевом с 16-ти до
6-ти, чем не следует пренебрегать при дальнейшей модернизации устаревших схем
выпрямления.
Следует учитывать также уменьшение числа
применяемых в блоках БСЕ1 дорогостоящих охладительных труб.
Не проводя изменения конструкции охладителей
число труб можно уменьшить на 18,75%. Это обусловлено снижением токовой нагрузки
на диоды, входящие в кольцо (рисунок 4.1).
Повышение обратного напряжения на диоды
кольцевой группы обусловливает применение диодов более высоких классов, причем
наличие диодов 40-50 классов в номенклатуре предприятий-изготовителей
подтверждено информационными источниками даже для тех типов диодов, которыми в
настоящее время комплектуются блоки БСЕ.
Для принятия решения о производстве более
экономичных диодных блоков БСЕ для вентильных плеч кольцевой части вентильных
конструкций 12-пульсного выпрямителя необходим производственный эксперимент.
подстанция выпрямитель
энергосберегающий тяговой
4.2 Обоснование необходимости производственного
эксперимента с кольцевой схемой на базе 12-пульсных выпрямителей и предлагаемые
варианты проведения экспериментов
Модернизация вентильных конструкций
объектов-аналогов по кольцевой схеме выпрямления без замены имеющихся диодов
Рассмотрим модернизацию выпрямителя ТПЕД-3150 -
3,3 к - У1, в шести шкафах которого установлено 288 диодов ДЛ133 - 500 20-го
класса. Обратное напряжение на вентильном плече кольцевой группы одинаково при
любом объекте модернизации и составляет
Тогда один диод, из четырех последовательно
соединенных в ветвях плеча, должен выдерживать обратное напряжение 895 В.
В этом случае обеспечивается более чем
двукратный (2,23) запас по напряжению, а коэффициент использования значительно
ниже величин, часто принимаемых для выпрямителей тяговых подстанций:
Таким образом при модернизации выпрямителя
ТПЕД-3150 - 3,3 к - У1 с диодами ДЛ133-500-20 обеспечивается полное
резервирование по напряжению.
Расчеты показали, что при модернизации по
кольцевой схеме практически не снижаются надежностные свойства выпрямителя
ТПЕД-3150-3,3к-У1, а модернизация выпрямителя ВТПЕД-3150-3,3к-У1, приводит к
повышению надежности.
Модернизация вентильных конструкций 12-пульсных
выпрямителей, оснащенных блоками БСЕ1, по кольцевой схеме выпрямления
Необходимо отметить самые важные стороны такой
модернизации.
Во-первых, при положительных результатах
эксперимента опыт модернизации может быть распространен на все выпрямители
данного класса. Окупаемость затрат при этом достаточно высока. Превышение
стоимости одного диода составит не более 2-3 тыс. рублей, т.е. стоимость
закупаемого оборудования (24 диода) составит 48-72 тыс. рублей (высвободившиеся
диоды переводятся в ЗИП, т.е. представляют запасный фонд для плеч анодных и
катодных групп).
С учетом затрат на монтаж и другие материалы,
наиболее вероятен диапазон срока окупаемости от 1 до 2 лет (в зависимости от
степени загруженности тяговой подстанции).
Во-вторых, опыт модернизации может быть
использован для промышленного изготовления комплекта блоков БСЕ1 для кольцевого
выпрямителя.
Экономическая сторона данного вопроса не
вызывает сомнений, так как снизятся материальные и трудовые затраты на
изготовления комплекта блоков для выпрямителя и как результат, снизится
себестоимость продукции.
.3 Оценка экономической эффективности от
модернизации выпрямителей
Статистический материал и результаты расчета
(приведены, соответственно, в таблице 4.1 и таблице 4.2).
Таблица 4.1 - Расход электроэнергии на тягу
поездов согласно данным за октябрь месяц 2012 года на подстанциях
Западно-Сибирской Дирекции Инфраструктуры и значения коэффициентов загрузки,
соответствующих расходу
|
Подстанция
|
Работа
выпрямителей
|
Переработка
за месяц, кВт ×ч
|
Среднесуточная
переработка, МВт ×ч
|
Коэффициент
загрузки
|
|
|
|
|
|
|
Иня-Восточная
|
ПВ1
|
922639
|
29,8
|
0,12
|
|
ПВ2
|
803596
|
25,9
|
0,11
|
|
Сокур
|
ПВ1
|
1651764
|
53,3
|
0,22
|
|
ПВ2
|
2121348
|
68,4
|
0,29
|
|
Кошево
|
ПВ1
|
1201144
|
38,7
|
0,16
|
|
ПВ2
|
829451
|
26,8
|
0,11
|
|
Суммарные
(средние) значения
|
7529915
|
242,9
для 6-ти выпрямителей
|
0,17
|
Чистый дисконтированный доход (ЧДД) при расчете
в базовых ценах и постоянной норме дисконта определяется по выражению
,
где
- результаты, достигнутые на t-ом
шаге расчета;
Зt - затраты, осуществляемые на том же шаге;
Т - горизонт расчета (расчетный период);- номер
шага расчета;
Е - норма дисконта, принятая в размере 0,1;
Эt - эффект, достигаемый на t-ом шаге расчета;
аt - коэффициент дисконтирования.
Уменьшение потерь электроэнергии при
переходе к кольцевой схеме выпрямления, исходя из приведенных статистических
данных, определены при коэффициенте загрузки 0,25, т.е. при переработке
электроэнергии 525 млн. кВт ч. В этом случае модернизация выпрямителей ТПЕД
(ВТПЕД) с диодами ДЛ133-500 14-го или 20-го классов обеспечивает снижение
потерь мощности в одном выпрямителе (2,85*24*365) на
= 25 МВт ч в
год.
Из таблицы 4.3 видно, что ЧДД имеет
положительное значение. Внедрение 100 выпрямителей позволяет получить
экономический эффект 20,6 млн. руб. при коэффициенте загрузки 0,25.
Внедрение кольцевых выпрямителей наиболее
рационально на подстанциях со значительной переработкой электрической энергии,
где коэффициент загрузки не меньше 0,3 и полученный экономический эффект будет
в 3-4 раза больше.
Таблица 4.3 - Расчет суммарного экономического
эффекта (ЧДД) для кольцевого выпрямителя
|
Календарный
год
|
Количество
лет отдаления от расчетного года
|
Коэффициент
дисконтирования, аt
|
Экономический
эффект в начальный год, Э0
|
Значение
Э0*а
|
|
2013
|
0
|
1
|
33,5
|
-
|
|
2014
|
1
|
0,9091
|
-
|
30,45
|
|
2015
|
2
|
0,8264
|
-
|
27,7
|
|
2016
|
3
|
0,7513
|
-
|
25,17
|
|
2017
|
4
|
0,6830
|
-
|
22,88
|
|
2018
|
5
|
0,6209
|
-
|
20,8
|
|
2019
|
6
|
0,5645
|
-
|
18,91
|
|
2020
|
7
|
0,5132
|
-
|
17,19
|
|
2021
|
8
|
0,4665
|
-
|
15,63
|
|
2022
|
9
|
0,4241
|
-
|
14,2
|
|
2023
|
10
|
0,3855
|
-
|
12,91
|
|
Всего
|
|
|
|
205,84
|
Выводы по главе
Таким образом, разработка, производственная
проверка и внедрение кольцевых выпрямителей на тяговых подстанциях
железнодорожного транспорта, с учетом вышеизложенного, и того, что при любых
условиях работы кольцевого выпрямителя и при любой его загрузке, потери в
вентилях сокращаются на 25% по сравнению с мостовым выпрямителем, а надежность
возрастает, являются востребованными и не требуют больших капиталовложений.
5. Охрана труда
.1 Электробезопасность
Понятие электробезопасности подразумевает под
собой систему организационных и технических мероприятий и средств, обеспечивающих
защиту людей от вредного и опасного воздействия электрического тока,
электрической дуги, электромагнитного поля и статического электричества.
Опасность электрического тока в отличие от
прочих опасностей усугубляется тем, что человек не в состоянии без специальных
приборов обнаружить напряжение дистанционно, как, например, движущиеся части,
раскаленные объекты, открытые люки, не огражденные края площадки, находящейся
на высоте.
Анализ смертельных несчастных случаев на
производстве показывает, что на долю поражений электрическим током приходится
до 40%, а в энергетике - до 60% от общего количества травм. Большая часть
смертельных электропоражений (до 80%) наблюдается в электроустановках
напряжением до 1000 В.
Анализ опасности электрических сетей практически
сводится к определению значения тока, протекающего через тело человека в
различных условиях, в которых может оказаться человек при эксплуатации
электрических сетей и электроустановок. Анализ также ставит перед собой задачу
оценки влияния различных факторов и параметров сети на опасность поражения.
Поражение человека электрическим током может
наступить при двухфазном и однофазном прикосновении к токоведущим частям, при
прикосновении к заземленным нетоковедущим частям, оказавшимся под напряжением,
и при включении на шаговое напряжение.
Электроустановками называются установки,
предназначенные для производства, преобразования, распределения энергии, а
также потребления электроэнергии. В различных электроустановках различна
опасность поражения электрическим током, так как параметры электроэнергии,
условия эксплуатации электрооборудования и характер среды помещений, в которых
оно установлено, очень разнообразны. Комплекс защитных мер должен
соответствовать виду электроустановки и условиям применения электрооборудования
и обеспечивать достаточную безопасность.
Опасность поражения током, а также возможная его
тяжесть прежде всего зависят от номинального напряжения. По напряжению
различают электроустановки напряжением до 1000 В и электроустановки напряжением
выше 1000 В. Существенно влияние на безопасность условий среды, от которых
зависит состояние изоляции, а также электрическое сопротивление тела человека.
В зависимости от вида электроустановки,
номинального напряжения, режима нейтрали, условий среды помещения и доступности
электрооборудования необходимо применять определенный комплекс необходимых
защитных мер, обеспечивающих достаточную безопасность, которая редко может быть
обеспечена единственной мерой.
В электроустановках применяют следующие
технические защитные меры:
- малые напряжения;
- электрическое разделение сетей;
- контроль и профилактика повреждений
изоляции;
- компенсация емкостной составляющей
тока замыкания на землю;
- обеспечение недоступности
токоведущих частей;
- защитное заземление;
- зануление;
- двойная изоляция;
- защитное отключение.
Применение этих защитных мер регламентируется
правилами установки электрооборудования (ПУЭ) и другими правилами.
Применение малых напряжений - эффективная
защитная мера, но ее широкому распространению мешает трудность осуществления
протяженной сети малого напряжения. Поэтому источник малого напряжения должен
быть максимально приближен к потребителю. Вследствие того, что потребители
рассредоточены на значительных территориях, надо устанавливать источники питания
(трансформаторы) на небольшую группу потребителей или даже на каждый
потребитель, что экономически невыгодно. Поэтому область применения малых
напряжений 12, 36 и 42 В ограничивается ручным электрифицированным
инструментом, ручными переносными лампами и лампами местного освещения в
помещениях с повышенной опасностью и особо опасных.
Область применения защитного разделения сетей -
электроустановки напряжением до 1000 В, эксплуатация которых связана с
повышенной степенью опасности, в частности передвижные электроустановки, ручной
электрифицированный инструмент и т.п. Поскольку основная цель этой защитной
меры - уменьшить ток замыкания на землю за счет высоких сопротивлений фаз
относительно земли, не допускается заземление нейтрали или одного из выводов вторичной
обмотки разделительного трансформатора или преобразователя.
Немалую опасность представляет возможность
продолжения работы электроустановки при глухом замыкании на землю, так как
человек, прикоснувшийся к исправной фазе, попадает под линейное напряжение. В
этом случае защитное разделение сети не достигает цели. Чтобы избежать
опасности возникновения замыкания на землю, необходимо постоянно следить за
состоянием изоляции и своевременно устранять ее повреждения.
Контроль изоляции - измерение ее активного или
омического сопротивления с целью обнаружения дефектов и предупреждения
замыканий на землю и коротких замыканий. Состояние изоляции в значительной мере
определяет степень безопасности эксплуатации электроустановок. В сетях
напряжением выше 1000 В снижение сопротивления изоляции почти всегда приводит к
глухому замыканию на землю.
При заземленной нейтрали ток замыкания на землю
и ток через человека не зависят от сопротивления изоляции. Но при плохом
состоянии изоляции часто происходят ее повреждения, что приводит к глухим
замыканиям на землю (корпус) и к коротким замыканиям. При замыкании на корпус
возникает опасность поражения людей электрическим током, так как нетоковедущие
части, с которыми человек нормально имеет контакт, оказываются под напряжением.
Чтобы предотвратить замыкания на землю и другие
повреждения изоляции, при которых возникает опасность поражения людей
электрическим током, а также выходит из строя оборудование, необходимо
проводить испытания повышенным напряжением и контроль изоляции.
При испытаниях повышенным напряжением дефекты
изоляции обнаруживаются вследствие пробоя и последующего прожигания изоляции
(током). Выявленные дефекты устраняются, и производятся повторно испытания
исправленного оборудования.
Прикосновение к токоведущим частям всегда может
быть опасным даже в сети напряжением до 1000 В с изолированной нейтралью, с
хорошей изоляцией и малой емкостью, не говоря уже о сетях с заземленной
нейтралью и о сетях напряжением выше 1000 В. В последнем случае опасно даже
приближение к токоведущим частям.
В электроустановках напряжением до 1000 В
применение изолированных проводов уже обеспечивает достаточную защиту от
поражения при прикосновении к ним. Изолированные провода, находящиеся под
напряжением выше 1000 В, не менее опасны, чем голые, так как повреждения
изоляция обычно остаются незамеченными, если провод подвешен на изоляторах.
Чтобы исключить возможность прикосновения или
опасного приближения к изолированным токоведущим частям, должна быть обеспечена
недоступность с помощью ограждения, блокировок или расположения токоведущих
частей на недоступной высоте или в недоступном месте.
Ограждения применяют как сплошные, так и
сетчатые. Сплошные ограждения в виде кожухов и крышек применяют в
электроустановках напряжением до 1000 В. Сетчатые ограждений применяются в
установках напряжением до 1000 В и выше. Сетчатые ограждения имеют двери,
запирающиеся на замок.
Блокировки применяются в электроустановках, в
которых часто производятся работы на ограждаемых токоведущих частях. Блокировки
также применяются в электрических аппаратах, работающих в условиях, в которых
предъявляются повышенные требования безопасности. Блокировки по принципу
действия разделяют на электрические и механические.
Блокировки применяются также для предупреждения
ошибочных действий персонала при переключениях в распределительных устройствах
и на тяговых подстанциях.
Расположение токоведущих частей на недоступной
высоте или в недоступном месте позволяет обеспечить безопасность без
ограждений, при этом следует учитывать возможность случайного прикосновения к
токоведущим частям длинными предметами, которые человек может держать в руках.
.2 Влияние электрического тока на человека
В процессе эксплуатации, а также в процессе
ремонта электрического оборудования тяговой подстанции работник может
прикоснуться к токоведущим частям, находящимся под рабочим напряжением,
вследствие неисправности электрического оборудования, либо при несоблюдении
работником мер безопасности.
Действие электрического тока на живую ткань
носит разносторонний характер. Проходя через организм человека, электрический
ток производит термическое, электролитическое, механическое, биологическое и
световое воздействия.
Термическое воздействие тока характеризуется
нагревом кожи и тканей до высокой температуры, вплоть до ожогов.
Электролитическое воздействие заключается в
разложении органической жидкости, в том числе крови, и нарушении ее
физико-химического состава.
Механическое воздействие тока приводит к
расслоению, разрыву тканей организма в результате электродинамического эффекта,
а также мгновенного взрывоподобного образования пара из тканевой жидкости и
крови. Механическое воздействие связано с сильным сокращением мышц вплоть до их
разрыва.
Биологическое воздействие проявляется в
раздражении и возбуждении живых тканей и сопровождается судорожными
сокращениями мышц.
Световое воздействие приводит к поражению
слизистых оболочек глаз.
Следует выделить два вида поражений
электрическим током: электрический удар и местные электрические травмы, которые
резко отличаются друг от друга. Местными электрическими травмами являются
поражения тканей и органов электрическим током: ожоги, электрические знаки,
электрометаллизация кожи, механические повреждения и электроофтальмия.
Электрический ожог возможен при прохождении
через тело человека значительных токов (более 1 А). В тканях, через которые
проходит ток, как и в любом сопротивлении, выделяется некоторое количество
теплоты, пропорциональное приложенному напряжению и току. Этой теплоты при
больших токах достаточно для нагрева поражаемых тканей до температуры 60-743°С,
при которой свертывается белок и возникает ожог. Такие ожоги проникают глубоко
в ткани тела и поэтому очень болезненны и требуют длительного лечения, а иногда
приводят к частичной или полной инвалидности.
В электроустановках напряжением 35 кВ и выше
ожоги могут возникать и без непосредственного контакта с токоведущими частями,
а лишь при случайном приближении на опасное расстояние. Когда это расстояние
меньше или равно разрядному, возникает сначала искровой разряд, который переходит
в электрическую дугу. Температура дуги достигает 4000 °С, кроме того, ткани
тела человека нагреваются проходящим через них током. Это приводит к ожогу. Под
действием тока происходит резкое сокращение мышц, которое приводит к разрыву
дуги. Поскольку ток проходил через тело человека кратковременно, нарушений
дыхания и кровообращения может не наступить, однако полученные ожоги весьма
серьезны, а иногда и смертельны.
В электроустановках до 1000 В возможны также
ожоги электрической дугой. В этом случае дуга возникает между токоведущими
частями, а человек попадает в зону действия дуги.
Возможны ожоги и без прохождения тока - при
прикосновении к сильно нагретым частям электрооборудования, от разлетающихся
раскаленных частиц металла и т. п.
Электрические знаки (метки тока) возникают при
хорошем контакте с токоведущими частями. Они представляют собой припухлость с
затвердевшей в виде мозоли кожей серого или желтовато-белого цвета круглой или
овальной формы. Края электрического знака резко очерчены белой или серой
каймой. Последствия электрического знака при больших его размерах могут быть
очень серьезными. Глубокое поражение большого участка живой ткани может
привести к нарушению функций пораженного органа, хотя электрические знаки
безболезненны. Природа электрических знаков не выяснена. Есть предположение,
что они вызываются химическим и механическим действием тока.
Электрометаллизация кожи - проникновение под
поверхность кожи частиц металла вследствие разбрызгивания и испарения его под
действием юка, например, при горении дуги. Металл, может проникать в кожу также
вследствие электролиза в местах соприкосновения человека с токоведущими
частями. Поврежденный участок кожи приобретает жесткую шероховатую поверхность,
цвет которой определяется цветом соединений металла, внедрившегося в кожу. Со
временем металл рассасывается или поврежденная кожа сходит, пораженный участок
восстанавливает нормальный вид и болезненные явления исчезают.
Электроофгальмия. К электрическим травмам
следует отнести также поражение глаз вследствие воздействия ультрафиолетового
излучения электрической дуги или ожогов.
Механические повреждения (ушибы, переломы и пр.)
при падении с высоты вследствие резких непроизвольных движений или потери
сознания, вызванных действием тока, также относятся к электрическим травмам.
Электрический удар наблюдается при воздействии
малых токов - обычно до нескольких сотен миллиампер и соответственно при
небольших напряжениях - как правило, до 1000 В. При такой малой мощности
выделение теплоты ничтожно и не вызывает ожога. Ток действует на нервную
систему и на мышцы, причем может возникнуть паралич пораженных органов. Паралич
дыхательных мышц, а также мышц сердца может привести к смертельному исходу.
Небольшие токи вызывают лишь неприятные
ощущения. Если ток имеет значение, достаточное, чтобы парализовать мышцы рук,
человек неспособен самостоятельно освободиться от тока, таким образом, действие
тока будет длительным.
Ток в несколько десятков миллиампер при
длительном воздействии (более 20 секунд) приводит к остановке дыхания. Но
наиболее опасны остановка и фибрилляция сердца.
Остановка сердца вызывается током в несколько
сотен миллиампер при сравнительно малой длительности воздействия (доли
секунды), причем мышцы сердца расслабляются и остаются в таком состоянии. Фибрилляция
сердца заключается в беспорядочном сокращении и расслаблении мышечных волокон
сердца. Сердце затрачивает значительную энергию, но не производит полезной
работы, кровообращение прекращается, сердце истощается и останавливается. Как
при остановке, так и при фибрилляции сердца работа его самостоятельно не
восстанавливается. Необходимо оказание помощи.
Можно выделить следующие пороговые значения
тока:
порог ощущения тока - наименьший ощутимый ток
(0,5-1,5 мА);
порог неотпускающего тока - наименьший ток, при
котором человек уже не может самостоятельно освободиться от захваченных
электродов действием тех мышц, через которые проходит ток (6-10 мА). Меньшие
токи называются отпускающими;
смертельный ток (100 мА и более).
.3 Расчет зануления на отключающую способность
Занулением называется преднамеренное
электрическое соединение с нулевым защитным проводником металлических
нетоковедущих частей, которые могут оказаться под напряжением. Нулевой защитный
проводник - это проводник, соединяющий зануляемые части с глухозаземленной
нейтральной точкой обмотки источника тока или ее эквивалентом.
Зануление применяется в четырехпроводных сетях
напряжением до 1000В с заземленной нейтралью.
Зануление превращает замыкание на корпус в
однофазное короткое замыкание, в результате чего срабатывает максимальная
токовая защита и селективно отключает поврежденный участок сети. Кроме того,
зануление снижает потенциалы корпусов, появляющиеся в момент замыкания на
землю.
Основное назначение зануления - обеспечить
срабатывание максимальной токовой зашиты при замыкании на корпус. Для этого ток
короткого замыкания должен значительно превышать уставку защиты или номинальный
ток плавких вставок.
Согласно правилам установки электрооборудования
ток однофазного короткого замыкания должен превышать не менее чем в 3 раза
номинальный ток плавкой вставки ближайшего предохранителя или ток срабатывания
расцепителя автоматического выключателя с обратно зависимой от тока
характеристикой.
Нулевой провод должен иметь надежные соединения,
и должна обеспечиваться непрерывность цепи от каждого корпуса до нейтрали
источника.
Нулевой провод соединяется со всеми заземленными
металлическими конструкциями, создающими параллельные цепи короткого замыкания:
металлическими конструкциями зданий, подкрановыми путями, стальными трубами
электропроводок, свинцовыми и алюминиевыми оболочками кабелей, металлическими
трубопроводами, проложенными открыто, исключая трубопроводы для горючих и
взрывоопасных смесей. Эти проводники могут служить в качестве единственного
нулевого провода, если по проводимости они удовлетворяют приведенным выше
требованиям.
Для примера произведём расчёт зануления силового
трансформатора для передачи и распределения электроэнергии на собственные нужды
тяговой подстанции Сокур, когда нагрузка несёт осветительно-силовой характер.
Трансформатор установлен на открытом
распределительном устройстве. Основным опасным фактором является поражение
электрическим током непосредственным прикосновением к токоведущим частям,
находящимся под рабочим напряжением.
Исходные данные:
Р = 160 кВА - номинальная мощность
трансформатора;= 6 кВ - номинальное напряжение первичной обмотки;= 220 В -
номинальное напряжение вторичной обмотки;
∆ / Yн - схема соединения обмоток;т =
0,141 Ом - сопротивление обмотки трансформатора;ф = Lн = 100 м - длина фазного
и нулевого проводника.
Сечения проводов выбираются по номинальному
току:
Проведем расчёт сопротивлений однофазного и
нулевого защитного проводников:
Тогда значение тока короткого замыкания будет
равно:
Проверяем условие соблюдения формулы:
Для этого рассчитаем напряжение прикосновения по
формуле:
Для напряжения прикосновения меньшего 120 В t
=0,4 c (согласно ПУЭ, 7 изд. 1 разд. таблице 1.7.1). Определим
По таблице 3.145 ПУЭ выбираем плавкий
предохранитель типа ПР-2-350 с реальным номинальным током
Определим время срабатывания плавкой вставки при
kp = 9. Получим tср = 0,3 c. Следовательно, условие
выполняется
(0,4с>0,3с).
На основании проделанных расчётов выявлено, что
выбранный плавкий предохранитель ПР-2-350 полностью удовлетворяет требованиям,
предъявляемым к защитным устройствам. Произойдёт надёжное избирательное
автоматическое отключение повреждённой установки за допустимое время.
Заключение
Целью дипломного проекта была разработка и
расчет энергосберегающей вентильной конструкции кольцевого типа, которая
обеспечивала бы снижение потерь мощности при 12-пульсном преобразовании энергии
переменного тока в энергию постоянного тока. В результате работы над ней были
решены следующие задачи.
Проведен обзор схемных решений многопульсных
выпрямителей, применяемых на тяговых подстанциях электрического транспорта.
Рассмотрены основные расчетные соотношения для
анализа и сравнения выпрямителей и обоснование выбора 12-пульсной схемы
выпрямления, как схемы с более высокими технико-экономическими показателями.
Рассчитаны числа силовых полупроводниковых
приборов в вентильных плечах, мостовых, кольцевых вентильных конструкций и оно
составляет 2 СПП, и 3 СПП соответственно. При высоких классах силовых
полупроводниковых приборов кольцевые схемы более экономичны, т.к. числа
вентильных плеч, обтекаемых током нагрузки, последовательно уменьшается с 4 при
мостовой схеме до 3 при кольцевой.
Произведен расчёт потерь мощности в вентильных
конструкциях модернизированных 12-пульсовых выпрямителей, собранных по
параллельно-последовательной и кольцевой схеме. Наглядно показано уменьшение
потерь мощности при кольцевой схеме соединения выпрямителя. При Кз=0,6 разница
в потерях мощности достигает 17 кВт, а при Кз=0,8 она уже равна 24 кВт.
Проведено технико-экономическое сопоставление модернизированных многопульсных
выпрямительных агрегатов. Рассчитан экономический эффект от модернизации
выпрямителя при различных коэффициентах загрузки. Наибольший эффект достигается
по кольцевой схеме соединения, и особенно при возрастании Кз.
Приложение
Рисунок П.Б.1 - Схема кольцевая
двенадцатипульсового выпрямительного агрегата