Разработка и исследование источника опорного напряжения для технологии КНИ с проектными нормами 0,18 мкм
Министерство
образования и науки Российской Федерации
Федеральное
государственное автономное образовательное учреждение
высшего
профессионального образования
"Национальный
исследовательский университет "МИЭТ"
Институт
проектирования приборов и систем
Факультет
"Электроники и компьютерных технологий"
Кафедра
"Интегральной электроники и микросистем"
"Электроника
и наноэлектроника"
Диссертация
на соискание степени магистра
Разработка и
исследование источника опорного напряжения для технологии КНИ с проектными
нормами 0,18 мкм
Консультант:
Шишина Л.Ю.,
к.т.н., доц. каф. ИЭМС МИЭТ
Соискатель: Иванов В.Г.
Москва, 2014
Оглавление
источник опорный напряжение питание
Список
сокращений
Введение
Глава 1. Литературный обзор
1.1 КНИ
структура
.2 Диод
.3 Источники
опорного напряжения
.3.1
Характеристики источников опорного напряжения
.3.2 Основные
подходы
.3.3
Построение PTAT генераторов
.3.4 Примеры
простейших электрических схем ИОН с выходным напряжением, равным ширине
запрещённой зоны
Выводы по
главе 1
Глава 2.
Теоретический анализ работы схемы
.1 Ядро
бандгапа
.2
Операционный усилитель
.3 Схема
источника опорного напряжения, равного ширине запрещённой зоны
.4 Реакция
схемы на изменение температуры
.5 Реакция
схемы на изменение напряжения питания
Выводы по
главе 2
Глава 3.
Моделирование параметров источников опорного напряжения
.1
Моделирование параметров ИОН без технологического ухода
.2 Измерение
параметров устройств при технологическом уходе
Выводы по
главе 3
Заключение
Литература
Список
сокращений
Русскоязычные сокращения:
ВАХ - вольт-амперная характеристика
ИОН - источник опорного напряжения
КНИ - кремний на изоляторе
МОП - металл окисел полупроводник
НПВН - нестабильность по входному напряжению
НПТН - нестабильность по току нагрузки
СОЗУ - сверхбыстрое оперативное запоминающее устройство
ТКН - температурный коэффициент напряжения
Англоязычные сокращения:
CTAT - Complementary to Absolute Temperature- полностью обеднённый- частично обеднённый- Proportional to Absolute Temperature
SOI - полупроводник на изоляторе
Введение
Источники опорного напряжения являются важной частью любой электронной
системы. Очень важно, чтобы на элементы подавалось опорное напряжение, имеющее
стабильное значение в заданном диапазоне температур. Так же, очень важно, чтобы
источник опорного напряжения был мало восприимчив к изменению напряжения
питания. Так как основной источник питания идёт не только на источник опорного
напряжения, но и другие элементы, то возникает дребезг питания. Потому растёт
важность способности подавления шума питания. Источники с высокой точностью
применяются в АЦП с большой разрядностью. Но для большинства задач достаточно
иметь источники со средними показателями точности. Ниже точность - меньше
схема, следовательно, меньше потребляемый ток.
В данной работе будут рассмотрены несколько вариантов схем источника
опорного напряжения, равного ширине запрещённой зоны. Все эти схемы относятся к
простым схемам. Проведён анализ основных подходов проектирования ИОН: с
использованием Зенеровского диода, применение транзисторов со встроенным и
индуцированным каналом и источники напряжения, равного ширине запрещённой зоны.
Выбрана конструкция источника напряжения, равного ширине запрещённой зоны.
Далее рассматриваются несколько вариантов реализации схемы, взятой из работы
[1] на базе КНИ технологии с проектными нормами 0,18 мкм.
Цель и
основные задачи магистерской диссертации
Проектирование источника напряжения с параметрами:
· ТКН не менее 30 ppm/°C
· ток потребления не более 10 мкА
· подавление помехи по питанию при 1 МГц не менее 50 дБ
· время включения не более 50 мкс
· Нагрузочная способность по току не менее 1 нА
Глава 1.
Литературный обзор
.1 КНИ
структура
Этот раздел посвящен технологии Кремний На Изоляторе (КНИ), на которой
базируются модели элементов, используемые для проектирования ИОН. В нем описаны
свойства КНИ - технологии, её особенности, плюсы и минусы, структура
транзисторов их особенности в плане технологической реализации.
Более десяти лет назад компанией IBM были представлены первые
высокопроизводительные серверы, изготовленные но технологии
кремний-на-изоляторе 0.25 мкм, результат 20 летнего путешествия от первых
подложек кремний-на-сапфире. Сейчас, продукты, изготовленные по КНИ-технологии,
используются там, где требуется высокая скорость, функциональность и низкое
потребление энергии, включая серверы, процессоры, принтеры, игровые консоли,
сетевые системы, хранилища данных и устройства со сверхнизким потреблением
энергии, такие как наручные часы и самодвижущиеся приспособления.
Использование КНИ-структур в высокоскоростных приложениях долгое время
было затруднено из-за невозможности создать относительно недорогую и
бездефектную КНИ-подложку. Эффект плавающей подложки в частично-обедненных КНИ
МОП транзисторах вызывал некоторые проблемы при проектировании, поскольку стало
необходимо учитывать изменения параметров устройств, связанные не только с
размерами, но и со временем.
На данный момент интерес к КНИ-технологии возрос поскольку:
§ Улучшилась технология изготовления КНИ-подложек.
Плотность дефектов, возникающая при изготовлении изолирующего слоя окисла
достаточно мала, чтобы оказывать критическое влияние на функционировании
устройств.
§ Было доказано, что в большинстве случаев, зависимость поведения
КНИ-устройства от предыдущих состояний может быть ограничена. После внесения
некоторых изменений были получены значительные улучшения в схемах
КНИ-устройств.
§ Большой проблемой является рассеивание энергии. Обычно, в портативных
устройствах, устройствах с высокой степенью интеграции, серверах и мэйнфреймах
мощность кристалла ограничивается нашей способностью его охладить. Со сниженной
емкостью перехода и улучшенной производительностью при заданном напряжении,
КНИ-устройства выбираются только за их низкое рассеивание энергии.
§ Масштабирование радикально снизило как хорошие, так и плохие емкости на
кристалле, что привело оборудование текущего поколения технологии к
неустойчивости к единичным ошибкам, вызванными радиацией. КНИ помогает решить
эту проблему, что, в свою очередь, позволяет отказаться от использования КМОП
СБИС, изготовленных по технологии объемного кремния, на спутниках и космических
станциях.
§ В аналоговых, смешанных и радиочастотных схемах, а также в схемахцифровой
обработки сигнала, шум, связанный с подложкой ограничивалих интеграцию. Изоляция
подложки КНИ-устройств позволяет использовать их в малошумящих устройствах.
Основные преимущества КНИ-устройств по сравнению с устройствами на
объемном кремнии:
. Меньшая емкость перехода
. Меньшее среднее пороговое напряжение
. Меньше эффект подложки и эффект истокового повторителя
Если граничные условия вносят ограничения на дальнейшее уменьшение
размеров, то преимущество №1 все равно гарантирует повышенную
производительность, даже если остальные не окажут влияния вследствие
минимального порогового напряжения.
Структуры устройств, изготовленных по технологии кремний-на-изоляторе
(КНИ) практически не отличаются от обычных КМОП устройств на объемном кремнии.
Главным различием является наличие изолирующего слоя под устройствами. В
остальном же, технология изготовления КНИ-устройств аналогична объемным КМОП
устройствам. В процессе изготовления не требуется производить никаких
глобальных изменений. В этой главе рассматриваются физические структуры
транзисторов, диодов и резисторов и описываются изменения в процессе
изготовления, которые улучшают применяемость и производительность КНИ структур
.2 Диод
Т.к. в схемах источника опорного напряжения, равного ширине запрещённой
зоны используются диоды, то стоит уделить особо внимание такому
полупроводниковому прибору, как диод. В этом разделе рассмотрено выражение ВАХ
идеального диода. Так же, рассмотрена зависимость теплового тока от площади
перехода и от температуры.
ВАХ идеализированного диода имеет вид
или при
(
) можно записать
, где
- тепловой ток диода,
- тепловой ток электронов,
- тепловой ток дырок,
и
- плотности тепловых токов электронов и дырок
соответственно,- площадь перехода.
Тепловой ток является единственным параметром, полностью определяющим ВАХ
идеализированного диода. На рисунке 1.1. представлена зависимость тока диода,
нормированного на тепловой ток от напряжения диода, нормированного на
температурный потенциал.
Рис. 1.1. ВАХ идеализированного диода
Отсюда видно, что при увеличении теплового тока, уменьшается напряжение
на диоде.
= 300К - номинальная температура окружающей среды,. Для
температурного диапазона работы полупроводниковых приборов (-60°С +125°С) можно
с хорошей точностью полагать:
, где
.
При этом
,
где
,
- температура удвоения теплового тока (при повышении
температуры на величину
тепловой ток удваивается). Как очевидно из
"предыдущих" соотношений, при увеличении ширины запрещённой зоны
полупроводника
величина теплового тока снижается, однако его температурная
зависимость возрастает (снижается температура удвоения теплового тока). Для
наиболее часто применяемых полупроводников температура удвоения теплового тока
составляет для SI (
= 1.12 эВ)
=6.5°С.
При обратном смещении температурная зависимость ВАХ идеализированного
диода сводится к температурной зависимости теплового тока, рассмотренной ранее.
Но нас интересует прямое смещение. При прямом смещении температурную
зависимость ВАХ удобно характеризовать температурным коэффициентом напряжения
(ТКН)
,
численно равному изменению прямого напряжения на диоде при изменении
температуры на 1 градус при постоянном токе диода.
При
имеем выражение для напряжения на диоде
.
Дифференцируя по температуре, получаем
,
где
-ширина запрещённой зоны в вольтах.
Для невырожденных полупроводников
, и величина ТКН отрицательна
(рисунок 1.2.), поэтому при увеличении температуры прямая ветвь ВАХ диода
сдвигается в сторону меньших напряжений. Для кремния при Т=300К и
ТКН=-1.24мВ/°С.
Рис. 1.2. Изменение прямой ветви ВАХ идеализированного диода при
изменении температуры (
)
В итоге можно сформулировать следующие положения:
· с ростом площади перехода, тепловой ток увеличивается
· с ростом температуры, температуры, тепловой ток увеличивается
Имеется понятие такое, как температура удвоения теплового тока - это
величина, измеряемая в градусах Цельсия. При увеличении температуры на эту
величину тепловой ток удваивается.
1.3 Источники
опорного напряжения
Идеальный источник опорного напряжения (ИОН) обеспечивает выходное
напряжение, не зависящее от напряжения питания, температуры и прочих внешних
факторов (например, механических напряжений, времени и т.д.). Выходным напряжением
ИОН является напряжение питания.
В этом разделе рассмотрены три основных подхода проектирования источников
опорного напряжения: с использованием Зенеровского диода, с применением
транзисторов со встроенным и индуцированным каналом и источники напряжения,
равного ширине запрещённой зоны. Особое внимание уделено последнему варианту,
т.е. источнику опорного напряжения, равного ширине запрещённой зоны.
.3.1
Характеристики источников опорного напряжения
Выходное напряжение (
или
) - выходное напряжение ИОН при заданной температуре (25°)
при подключении номинальной нагрузки. Измеряется в Вольтах.
Начальная точка установки выходного напряжения (Δ
) - максимальный разброс значений
выходного напряжения ИОН от образца к образцу при заданной температуре.
Измеряется в мВ. Температурный коэффициент (
) - отношение изменения выходного
напряжения к вызывающему его изменению температуры, нормированное на значение
выходного напряжение при 25°. ТКН дешёвых серийных интегральных ИОН всех типов
ограничен величиной в 10 ppm/°C. Снижение ТКН бандгапов и стабилитронных ИОН до
уровня менее 5 ppm/°C требует существенного удорожания технологии, а
практический предел гарантированного ТКН серийных изделий равен 1 ppm/°C.
Меньшие значения ТКН возможны только в отдельных сериях сверхпрецизионных ИОН
на стабилитронах со скрытым слоем (Thaler VRE3050J - 0,6 ppm/°C в диапазоне −40…+85°C).
Дальнейшее снижение ТКН возможно только путём термостабилизации ИОН,
сужающей диапазон температур кристалла до нескольких градусов или долей
градуса.
Выражение для расчёта температурного коэффициента
(1.1)
Нестабильность по выходному напряжению (
) - относительное изменение выходного
напряжения при изменении выходного напряжения, приведенное к 1 В изменения
выходного напряжения, при отсутствии других дестабилизирующих факторов.
Измеряется в мкВ/В.
Нестабильность по току нагрузки (
) - относительное изменение выходного
напряжения при изменении выходного тока, при отсутствии других
дестабилизирующих факторов. Измеряется в мВ/А.
Долговременная стабильность (Δ
) - изменение выходного
среднеквадратичного напряжения во времени при заданной температуре. Измерения
могут проводиться при температуре 25°С после нахождения образца в течение
длительного времени (1000 часов) при повышенной температуре (максимальная
температура хранения). Измеряется в
.
Напряжение шума на выходе (действующее или от пика к пику) (
) - отношение шума (среднее
квадратичное или от пика к пику) на выходе в заданной полосе частот при
заданной температуре (как правило, задаются полосы частот 0.1 Гц … 10 Гц и 10
Гц … 10 кГц при температуре 25°С) Измеряется в мкВ. Коэффициент подавления
помех по входу (питанию) (
- отношение амплитуды колебаний выходного напряжения к
вызвавшей их амплитуде колебаний синусоидального выходного напряжения заданной
частоты. Выражается в дБ.
Время установления выходного напряжения при включении питания (входного
напряжения) (
) - время от момента подачи входного напряжения (питания) до
момента последнего вхождения выходного напряжения в зону заданной погрешности
(обычно 0.1%). Измеряется в мкс.
При анализе ИОН, помимо перечисленных характеристик, необходимо уделять
особое внимание импульсному отклику ИОН на ступенчатое изменение тока нагрузки
или входного напряжения. Важно, чтобы переходной процесс не содержал значительных
по амплитуде переколебаний.
Во многих ИОН может наблюдаться эффект гистерезиса выходного напряжения
при изменении рабочей температуры от максимальной к номинальной и от
минимальной к номинальной.
.3.2 Основные
подходы
Простейшие ИОН не обладают удовлетворительной температурной стабильностью
и предназначены в основном для применения в цепях статического смещения. На
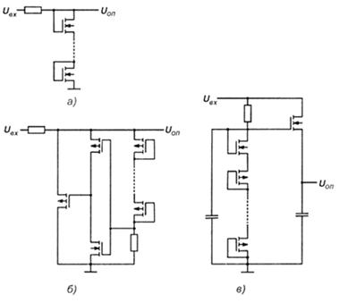
рисунке 1.3. Приведены схемы ИОН на МОП-транзисторах в диодном включении.
Рис. 1.3. ИОН на МОП - транзисторах в диодном включении:
а - простейший; б - с уменьшенной нестабильностью по входному напряжению;
в - с выходным буфером
Существуют три основных подхода для создания опорных источников питания:
1) ИОН с применением Зенеровских диодов
2) ИОН на МОП транзисторах со встроенным и индуцированным каналами
) Источник опорного напряжения, равного ширине запрещённой зоны
Первый подход - создание схем с использованием Зенеровских диодов. В
основе этого подхода лежит использование эффекта полевого пробоя при обратном
включении диода. Существуют два типа реализации Зенеровских диодов.В первом
варианте пробой происходит на поверхности кристалла, что и является причиной
создания механической примеси и проблем заряда оксида. Зенеровские диоды с
поверхностным пробоем создавали много проблем при их кристальном исполнении,
так как они имеют большое напряжение пробоя (больше 5В) и чувствительны к
помехам. В отличие от диодов с поверхностным пробоем, диоды на основе перехода
база-эмиттер биполярного транзистора имеют стабильный механизм пробоя, что
улучшает помехоустойчивость.
На рисунке 1.4. показаны ИОН на диоде в прямом включении и диоде Зенера.
ИОН на диоде в прямом включении имеет температурный дрейф примерно -2.2 мВ/°C,
а на диоде Зенера от +1.5 до +5 2.2 мВ/°C.
Рис. 1.4. ИОН:
а - на диоде в прямом включении; б - на диоде Зенера
В представленных схемах резистор можно заменить источником тока.
Несмотря на это, у этих схем есть проблемы с нестабильностью по входному
напряжению (НПВН) и по току нагрузки (НПТН). НПВН представляет собой
относительное изменение выходного напряжения при изменении входного напряжения,
а НПТН относительное изменение выходного напряжения при изменении выходного
тока. Эти проблемы можно решить применением операционного усилителя и источника
тока (рисунок 1.5.).
Несмотря на все усилия улучшить схемы источников постоянного напряжения,
они не получают большого распространения в современных схемах по той простой
причине, что напряжение пробоя зенеровских диодов намного выше, чем напряжение
источников питания.
Рис. 1.5. Схема ИОН на основе зенеровского диода
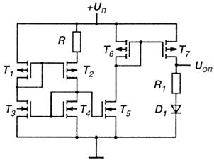
Второй подход - это ИОН на МОП транзисторах со встроенным и
индуцированным каналами. Этот подход позволяет получить лучшую, чем на диоде
температурную стабильность. Один транзистор - со встроенным каналом (М2),
другой (М1) - с индуцированным (рисунок1.6.).
Рис. 1.6. ИОН на МОП - транзисторах со встроенным и индуцированным каналами
На рисунке 1.7. приведены поперечные сечения соответствующих
транзисторов.
Рис. 1.7. Поперечные сечения SOI транзисторов
Разница между этими напряжениями может использоваться для уменьшения
температурных воздействий. Величина напряжения источника постоянного напряжения
будет равна разнице абсолютных значений пороговых напряжений транзисторов.
Точное значение порогового напряжения транзистора можно будет регулировать при
помощи лазерной подгонки или компенсированием проектирования схемы. На реальных
схемах постоянный источник питания появляется в виде разниц напряжении между
затвором и стоком. На рисунке 1.8. приведен пример схемы.
Выходное напряжение ИОН определяется выражением:
Температурный дрейф выходного напряжения равен:
,
где
и
- температурные коэффициенты порогового напряжения с
индуцированным и встроенным каналами: A - квадратный корень отношения крутизны
транзисторов M1 и M2.
Для получения независимого от температуры ИОН значение Aдолжно
удовлетворять соотношению:
В данном примере НПВН и НПТН не рассматриваются. M1, M5, M8 транзисторы
имеют положительные значения пороговых напряжении, а
транзисторы M2, M3, M4, M6, отрицательные. Все транзисторы
функционируют в пологой области.
Опорное напряжение выражается следующим уравнением.
Такие транзисторы обычно сделаны по технологии SOI (Semiconductor On
Insulator). Такой подход тоже не имеет большой распространенности, потому что
технология производства таких схем стоит очень дорого.
Рис. 1.8. Схема с использованием технологии SOI
Третий подход самый распространенный. ИОН с выходным напряжением, равным ширине
запрещённой зоны основан на использовании свойств интегральных диодных
структур.
На рисунке 1.9. показан разрез структуры, получаемой в стандартном
КМОП-процессе. Для построения ИОН, как правило, используют
-карман диод( типа 3 на рисунке
1.9.), который представляет собой вертикальный p-n-pтранзистор в диодном
включении.
Рис. 1.9. Диодные структуры в стандартном КМОП - процессе
Принцип построения ИОН с напряжением, равным ширине запрещённой зоны, с
низким температурным коэффициентом состоит в компенсации отрицательного
температурного дрейфа опорного диода напряжением с положительным дрейфом,
которое вырабатывается специальным блоком (генератор напряжения
пропорционального абсолютной температуре (PTATгенератор)) (рисунок 1.10.). Т.е.
выходное напряжение ИОН получается как результат вычитания напряжение диода в
прямом включении, которое имеет отрицательный коэффициент температурной
зависимости CTAT (Complementary to Absolute Temperature), из напряжения,
которое имеет положительную зависимость PTAT (Proportional to Absolute
Temperature) от температуры. Таким образом получается контролируемая
зависимость от температуры. Вследствие этого получается термокомпенсированное
напряжение, которое близко к ширине запрещенной зоны кремня (~1.22В).
Рис. 1.10. Принцип построения ИОН с выходным напряжением, равным ширине
запрещенной зоны
Напряжение с отрицательным температурным коэффициентом можно получить на
простом p-n переходе, поскольку температурная зависимость падения напряжения
p-n перехода обратно пропорциональна. Обычно для источника такого напряжения
используется переход база-эмиттер биполярного транзистора.
Схемотехника КМОП ИОН с выходным напряжением, равным ширине запрещённой
зоны, в основном различается конструкцией PTATгенератора, который может
основываться на свойствах температурной зависимости разности напряжения диодов
с разной плотностью тока или на свойствах МОП - транзисторов в режиме слабой
инверсии.
.3.3
Построение PTAT генераторов
Разность напряжений эмиттер-база на транзисторах в диодном включении на
транзисторах в диодном включении (рисунок 1.11.) определяется выражением
,(1.2)
где
и
- площади диодов
и
.
Диоды
и
должны быть идентичными или набранными из идентичных
элементарных диодов.
Выражение (1.2) является основой построения PTAT генераторов на диодах.
Рис. 1.11. PTAT генератор на транзисторах в диодном включении
Выходной ток
PTAT генератора, схема которого показана на рисунке 1.11.
определяется выражением (при условии, что транзисторы M1 и M2 находятся в
режиме слабой инверсии)
(1.3)
Выражение (1.3) является основой для построения PTAT на транзисторах в
режиме слабой инверсии.
Рис. 1.12. PTATгенератор на МОП - транзисторах в режиме слабой инверсии
Для достижения компенсации при номинальной температуре в ИОН 1-го порядка
коэффициент усиления напряжения PTATгенератора на диодах рассчитывается по
формуле
,(1.4)
где вторая часть равенства приведена для температуры Е=300 К,
- падение напряжения на диоде при
номинальной температуре.
Сопротивление преобразования выходного PTATисточника в напряжение для
компенсации в ИОН 1-го порядка рассчитывается по формуле аналогичной (1.3.3.3).
(1.5)
Напряжение
эмиттер-база транзистора в диодном включении в типовом случае
имеет отрицательный температурный дрейф -2.2 … -2.5 мВ/°Cи определяется
выражением
,(1.6)
где
- напряжение, соответствующее ширине запрещённой зоны
полупроводника при 0 К;
-номинальная температура;
- напряжение эмиттер-база при
номинальной температуре;
- плотность тока коллектора при номинальной температуре.
(1.7)
Уравнение показывает зависимость опорного напряжения от температуры.
Для получения температурной независимости на определенных температурах,
нужно продифференцировать уравнение и приравнять результат к нулю.
(1.8)
При
, получаем
(1.9)
Выражение слева соответствует напряжению
, отсюда
(1.10)
При
=300К и m=2.3 для T=(постоянной температуры окружающей среды)
формула 1.3.3.9 даст результат
=1.24 В при T=
, что соответствует ширине
запрещённой зоны кремния. Это объясняет, почему ИОН, созданный с помощью этого
подхода, называют ИОН с напряжением, равным напряжению запрещённой зоны или
бандгапом. Это значение не зависит от выбранных плотностей токов.
Итак, если выбрана большая плотность токов, то коэффициент усиления K
нужно уменьшать для обеспечения ИОН, работающего правильно.
Формула 1.3.3.10 демонстрирует выражение для K:
(1.11)
Напряжение ИОН при 300К равняется сумме напряжения ширины запрещённой
зоны и маленькой поправки (поправочный член), которая нужна для учёта эффектов
второго порядка.
Зависимость выходного напряжения от температуры ИОН можно оценить,
подставив всё обратно.
(1.12)
(1.13)
Из двух последних выражений видно, что температурная зависимость ИОН
может быть оценена.
1.3.4 Примеры
простейших электрических схем ИОН с выходным напряжением, равным ширине
запрещённой зоны
Приводимые ниже электрические схемы ИОН реализуют функциональную схему,
приведённую на рисунке 1.13.
Полные электрические схемы должны содержать цепи автозапуска ИОН при
включении питания (при подаче входного напряжения).
Рис. 1.13. ИОН с PTAT на диодах
Рис. 1.14. ИОН с PTAT на МОП - транзисторах в режиме слабой инверсии
Выводы по главе 1
В данной главе были рассмотрены следующие вопросы:
· особенности технология КНИ
· температурная зависимость ВАХ диода
· параметры ИОН
· основные принципы проектирования ИОН
· представлены три основных подхода для создания ИОН:
источники с применением Зенеровского диода
источники на МОП транзисторах со встроенным и индуцированным каналами
источники опорного напряжения, равного ширине запрещённой зоны.
Глава 2.
Теоретический анализ работы схемы
Разработка источника опорного напряжения, равного ширине запрещённой зоны
В практической части будет рассмотрена схема источника опорного
напряжения с напряжением, равным ширине запрещённой зоны, взятая из источника
[1]. Так же, представлены несколько вариантов её реализации.
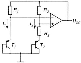
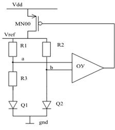
.1 Ядро
бандгапа
Представленные в работе схемы имеют часть, называемую в иностранной
литературе (bandgap core). Она состоит из двух диодов с разными площадями Q1 и
Q2, резистора R3, определяющего ток в цепи, и двух больших резисторов R1 и R2.
Резисторы R1 и R2 имеют сопротивление на много большее сопротивления R3. Это
нужно для того, чтобы токи, протекающие через левую и правую ветвь bandgap
core, были почти равными. Выходное напряжение относительно земли снимается с
узла, с которым соединены резисторы R1 и R2.
Рис. 2.1. Bandgap core
Т.к. резисторы R1 и R2 имеют большие номиналы, то ток в левой и правой
ветви будет одинаковым
. Он будет равен половине тока, задаваемого транзистором.
Т.к.
и
, то потенциалы в узлах a и b равны.
Следовательно, можем воспользоваться вторым законом Кирхгофа.
(2.1)
Для этого сначала выразим токи, протекающие через диоды Q1 и Q2.
Ток правой ветви будет иметь вид:
.(2.2)
Падение напряжения на диоде Q2 примет значение:
.(2.3)
Можно рассматривать левый диод как диод с площадью A2 = n×A1,
где A1 - площадь диода
Q1 левой ветви. Тепловой ток пропорционален площади перехода диода, т.е.
зависит от ширины.
, где S - площадь перехода. А говоря об изменении площади
диода, подразумевается изменение его ширины w.
Или же можно рассмотреть диод Q1 как n включенных параллельно диодов Q2.
Тогда на каждый такой диод будет идти ток равный
.
Ток левой ветви будет иметь вид
;(2. 4)
Или
.(2. 5)
Падение напряжения на диоде Q1 примет значение:
;(2. 6)
.(2.7)
Падение напряжения на резисторе R3 можно выразить:
.(2.8)
Т.к.
,(2.9)
.(2.10)
Получили выражение, из которого можно получить отношение площадей (оно же
отношение ширин) диодов Q1 и Q2, сопротивление резистора R3 и тока,
протекающего в данной ветви
. Т.к. токи в обеих ветвях считаем равными, то получается,
что мы можем задать ток. Чем больше ток
, тем меньше диапазон изменения
выходного напряжения. Но для нормальной работы диодов, нужно, чтобы ток
был мал и не превышал 5мкА, т.к. для
нормальной работы диодов требуется обеспечить малый ток.
Т.к.
, то можно выразить падение напряжения на резисторе R2:
.(2. 11)
Выходное напряжение схемы будет равным:
(2. 12)
Или, рассматривая левую ветвь, можно получить выражение
(2. 13)
.2
Операционный усилитель
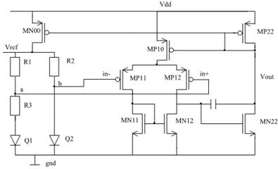
Для рассматриваемых схем источников опорного напряжения был выбран ОУ,
представленный на рисунке 2.2.
Первый каскад ОУ образован дифференциальной парой MP1 - MP12 и токовым
зеркалом MN11 - MN12. Вторым каскадом является усилитель с общим истоком на
транзисторе MN21. Нагрузкой в цепи стока MN21 является транзистор MP21.
Конденсатор C является цепью обратной связи между первым и вторым
каскадами.
Рис. 2.2. Операционный усилитель
Далее идёт эмпирически подход. Собираем схему, но вместо ОУ используем
элемент VCVS из библиотеки Analoglib, являющий собой идеальную дифференциальную
пару. Ставим коэффициент усиления 3000, что почти эквивалентно 70 дБ.
Смотрим работу схемы. В выходной характеристике есть небольшое смещение.
Корректируем сопротивления. ТКН получаем почти такой же, как и со
схемотехнической реализацией операционного усилителя. Увеличиваем коэффициент
усиления до 120дБ. Результат почти такой же. Т.е. можно сделать вывод, что
усилителя на 70 дБ достаточно для максимального раскрытия потенциала этой схемы
в плане температурной зависимости выходного напряжения. Но коэффициент усиления
так же влияет на зависимость выходного напряжения от напряжения питания. И чем
он больше, тем меньше изменение напряжения питания влияет на выходное
напряжение схемы и тем лучше подавление помех по питанию.
2.3 Схема
источника опорного напряжения, равного ширине запрещённой зоны
Общая структура схемы ИОН с условно обозначенным усилителем приведена на
рисунке 2.3. На ней изображено ядро бандгапа, транзистор, задающий токи на
ветви ядра бандгапа и усилитель, управляющий током транзистора MN00. На рисунке
3.4. изображена схема ИОН в более развёрнутом варианте, т.е. с используемой
схемой усилителя.
Рис. 2.3. Общий вид схемы опорного напряжения, равного ширине запрещённой
зоны
Рис. 2.4. Схема источника опорного напряжения
2.4 Реакция
схемы на изменение температуры
Наша схема при номинальной температуре 27° и при номинальном напряжении
питания 3 В даёт на выходе напряжение Vref. Разность напряжений узлов aи bравна
. Рассмотрим по два случая отклонения
от номинального значения температуры и напряжения питания.
Рассмотрим случай, когда температура окружающей среды будет больше
номинальной (больше 27°С). Если температура стала выше, то напряжение
увеличится. Транзисторы MN11 и MN12 представляют
собой токовое зеркало. Токи в левой и правой ветвях равны. Т.к.
, токи, протекающие через транзисторы
левой и правой части равны, то напряжение на стоке MP11 будет больше напряжения
на стоке MP12. Напряжение стока MP12 задаёт напряжение на затворе транзистора
MN22. Меньше напряжение на стоке MP12
меньше напряжение на затворе MN22
меньше зарядов будут стекать в землю
больше напряжение на стоке
транзистора MP22.Но т.к. затвор и сток транзистора MP22 соединены, то чем
больше напряжение на стоке MP22, тем больше напряжение на затворе
меньше ток. А так как транзистор MP22
и MP10 в зеркальном включении, то если уменьшается ток транзистора MP22, то
будет меньше и ток транзистора MP10. Но так же в зеркальном включении с
транзистором MP22 состоит и транзистор MP00. Ток, протекающий через него,
уменьшится тоже. Ток транзистора MP00 идёт на резисторы R1 и R2. Т.к. резисторы
R1 и R2 имеют относительно большие сопротивления (сотни кОм), токи, протекающие
через них равны
и они уменьшатся во столько же раз, во сколько уменьшился
ток стока транзистора MP00. Т.к. токи стали меньше, то падение напряжения на
резисторе R3 становится меньше
напряжение
тоже уменьшается.
Рассмотрим случай, когда температура окружающей среды будет меньше
номинальной (больше 27°С). Если температура стала выше, то напряжение
уменьшится. Транзисторы MN11 и MN12
представляют собой токовое зеркало. Токи, протекающие через транзисторы левой и
правой части равны, то напряжение на стоке MP11 будет уменьшаться, напряжения
на стоке MP12 будет увеличиваться. Напряжение стока MP12 задаёт напряжение на
затворе транзистора MN22. Больше напряжение на стоке MP12
больше напряжение на затворе MN22
больше зарядов будут стекать в землю
меньше напряжение на стоке
транзистора MP22.Но т.к. затвор и сток транзистора MP22 соединены, то чем
меньше напряжение на стоке MP22, тем меньше напряжение на затворе
больше ток. А так как транзистор MP22
и MP10 в зеркальном включении, то если увеличивается ток транзистора MP22, то
будет больше и ток транзистора MP10. Но так же в зеркальном включении с
транзистором MP22 состоит и транзистор MP00. Ток, протекающий через него,
увеличивается тоже. Ток транзистора MP00 идёт на резисторы R1 и R2. Т.к.
резисторы R1 и R2 имеют относительно большие сопротивления (сотни кОм), токи ,
протекающие через них равны
и они увеличиваются во столько же раз, во сколько увеличился
ток стока транзистора MP00. Т.к. токи стали больше, то падение напряжения на
резисторе R3 становится больше
напряжение
тоже увеличивается.
.5 Реакция
схемы на изменение напряжения питания
Рассмотрим случай, когда напряжение питания превысило номинальное
значение.
Если повысилось напряжение питания, то ток, протекающий через транзистор
MP00,увеличится. Разница
возрастёт. Напряжение стока транзистора уменьшится MP12, а
напряжение стока транзистора MP11 увеличится. Напряжение стока MP12 задаёт
напряжение на затворе транзистора MN22. Меньше напряжение на стоке MP12
меньше напряжение на затворе MN22
меньше зарядов будут стекать в землю
больше напряжение на стоке
транзистора MP22.Но т.к. затвор и сток транзистора MP22 соединены, то чем
больше напряжение на стоке MP22, тем больше напряжение на затворе, но
напряжение на истоке возросло то в транзисторе MP22 повышение напряжения на
затворе будет компенсировать повышение напряжения на стоке. Т.к. напряжение
стока MP22 идёт на затворы транзисторам MP10 иMP00, то в них тоже будет
скомпенсировано повышение напряжения истоков, вызванное повышением напряжения
питания.
Рассмотрим случай, когда напряжение питания ниже номинального значения.
Если понизилось напряжение питания, то ток, протекающий через транзистор
MP00,уменьшится. Разница
уменьшится. Напряжение стока транзистора увеличится MP12, а
напряжение стока транзистора MP11 уменьшится. Напряжение стока MP12 задаёт
напряжение на затворе транзистора MN22. Больше напряжение на стоке MP12
больше напряжение на затворе MN22
больше зарядов будут стекать в землю
меньше напряжение на стоке транзистора
MP22.Но т.к. затвор и сток транзистора MP22 соединены, то чем меньше напряжение
на стоке MP22, тем меньше напряжение на затворе , но т.к. напряжение на истоке
уменьшилось, то в транзисторе MP22 понижение напряжения на затворе будет
компенсировать понижение напряжения на стоке. Т.к. напряжение стока MP22 идёт
на затворы транзисторам MP10 и MP00, то в них тоже будет скомпенсировано
понижение напряжения истоков, вызванное понижением напряжения питания.
.6 Суть
работы
В данной работе будет рассмотрено влияние отношения площадей диодов на
параметры ИОН. Т.е. схемы абсолютно идентичны. Отличаются только соотношением
площадей диодов и номиналами резисторов R1 и R2.
Очевидно, что при большем отношении площадей потребляемый ток будет
больше, температурный коэффициент меньше, нестабильность по входному напряжению
меньше. Данное исследование посвящено численной оценке влияния отношения
площадей диодов на параметры ИОН и на влияние технологических отклонений.
Выводы по главе 2
· рассмотрена схема источника опорного напряжения, равного
ширине запрещённой зоны, взятого из работы [1]
· описана реакция схемы на отклонение от номинальной
температуры,
· описана реакция схемы на отклонение от номинального
напряжения питания
· описана суть данной работы
Глава 3.
Моделирование параметров источников опорного напряжения
В этой главе будут рассмотрены два варианта схемы источника опорного
напряжения, равного ширине запрещённой зоны. Схемы имеют одинаковые размеры
всех элементов, за исключением резисторов R1 и R2 и соотношение площадей диодов
. Схема 1 представляет собой вариант,
в котором
=16. Схема 2 представляет собой вариант, в котором
=24.
Будут рассмотрены такие параметры, как:
· выходное напряжение
· температурный коэффициент ИОН
· нестабильность по выходному напряжению
· коэффициент подавления помех по питанию
· время установления выходного сигнала
· нестабильность по току нагрузки
.1
Моделирование параметров ИОН без технологического ухода
Выходное напряжение ИОН при номинальной температуре (27°С) и номинальном
напряжении питания (3 В).
Значение выходного напряжения и температурный коэффициент ИОН можем
определить из графиков для схемы 1 и схемы 2, приведённых на рисунках 3.1. и
3.2. соответственно.
= 1.293 В.
= 1.293 В.
Температурный коэффициент ИОН.
Определяет изменение выходного напряжения опорного источника в
зависимости от изменения температуры. Его можно выразить в виде разницы
максимального и минимального напряжения, нормированной на значение напряжения
при комнатной температуре и это всё делённое на разницу максимальной и
минимальной температуры проверяемого диапазона, то получим величину:
;
.
Рисунок 3.1. Зависимость выходного напряжения ИОН от температуры для
схемы 1
Рисунок 3.2. Зависимость выходного напряжения ИОН от температуры для
схемы 2
Нестабильность по входному напряжению. Не меньший, чем температурный
коэффициент ИОН по значимости параметр, определяющий зависимость выходного
напряжения опорного источника от напряжения питания. Измеряется как разность
максимального и минимального значения выходного напряжения опорного источника и
делится на разность максимального и минимального значения напряжения питания.
Из графиков, изображённых на рисунках 3.3 и 3.4 для схемы 1 и схемы 2
соответственно видно, что напряжение питания оказывает слабое влияние на
выходное напряжение источника опорного напряжения. В диапазоне напряжения
питания от 2В до 4 В выходное напряжение отклоняется не более, чем на 1 мВ, что
видно из графиков на рисунке и рисунке.
Рисунок 3.3. Зависимость выходного напряжения ИОН от напряжения питания
для схемы 1
Рисунок 3.4. Зависимость выходного напряжения ИОН от напряжения питания
для схемы 2
;
.
Или же можно выразить отклонение от номинального напряжения в данном
диапазоне напряжений питания. В диапазоне напряжения питания от 2 В до 4 В:
=
;
=
.
Коэффициент подавления помех по входу (питанию) представляет собой
отношение амплитуды колебаний выходного напряжения опорного источника
напряжения, равного ширине запрещённой зоны, к амплитуде колебаний напряжения
питания заданной частоты, выраженное в дБ.
Далее будут представлены графики подавления помехи по питания, снятые
непосредственно с выхода ядра схемы на рисунках 3.1.5 и 3.1.6.
Рисунок 3.5. Подавление помех по питанию для схемы 1
Из графиков изображённых на рисунках 3.5. и 3.6. видно, что обе схемы
подавляют помехи частотой до 10кГц с коэффициентом не менее 60 дБ. А на частоте
менее 1МГц подавление помехи не менее 30 дБ. Вариант схемы с 24-мя диодами
подавляет помеху чуть лучше.
Рисунок 3.6. Подавление помех по питанию для схемы 2
Но нам нужно подавление на 1 МГц не менее 50 дБ. Для этого ставим на
выход фильтры низкой частоты в виде двух последовательно включённых ФНЧ
(фильтров низких частот) первого порядка. Фильтры, стоящие на выходе схемы
представлены в двух вариантах:
· в виде RC-цепочки с применением резистора
· в виде RC - цепочки с применением транзистора
В первом варианте резисторы имеют величины 250 кОм и конденсаторы по 2
пФ. Во втором варианте используются транзисторы p - типа с шириной канала 0.5
мкм и длиной канала 2.7 мкм и конденсаторы по 1.6 пФ. По графикам видно, что
подавление помех в обоих вариантах удовлетворяет условию, при этом, площадь
занимаемая транзисторами получается гораздо меньше, чем в варианте с
резисторами.
Применение фильтров дало подавление помехи в диапазоне от 1 Гц до 100М не
менее 55 дБ, что можно видеть на рисунках 3.7., 3.8., 3.9., 3.10. Фильтры на
резисторах и на транзисторах были подобраны так, чтобы обеспечивать требуемое
подавление, при этом, время включения были относительно равными( отличались не
более, чем на 10 мкс). Время включения ИОН будет рассмотрено далее.
Рисунок 3.7. Подавление помех по питанию для схемы 1 с фильтром низких
частот, использующим резисторы на выходе
Рисунок 3.8. Подавление помех по питанию для схемы 1 с фильтром низких
частот, использующим транзисторы как резисторы, на выходе
Из рисунков 3.7., 3.8., 3.9., 3.10. видно, что подавление помехи
фильтрами, использующими транзисторы в роли резисторов чуть хуже, зато
занимаемая площадь меньше и время включения тоже меньше.
Рисунок 3.9. Подавление помех по питанию для схемы 2 с фильтром низких
частот, использующим резисторы, на выходе
Рисунок 3.10. Подавление помех по питанию для схемы 2 с фильтром низких
частот, использующим транзисторы как резисторы, на выходе
Так же важно знать нагрузочную способность по току. Проектируемый ИОН
предназначен для подачи выходного напряжения на регулятор. Схема включения ИОН,
регулятора и нагрузки представлена на рисунке 3.11. Т.е. ответственность за
нагрузочную способность берёт на себя регулятор. Но через затвор хоть и малый
ток, но протекает. Для определённости скажем, что ток равен 1 нА. Т.е.
требуется, чтобы отклонение выходного напряжения схемы, нагружаемой на ток 1
нА, было не более 1 мВ от значения выходного напряжения схемы без токовой
нагрузки.
Рисунок 3.11. Схема включения ИОН, регулятора и нагрузки
Рисунок 3.12. Принципиальная схема регулятора
Сначала, рассмотрим нагрузочную способность схем без фильтров на выходе.
Зависимости выходного напряжения от тока нагрузки для схемы 1 и схемы 2
представлены на 3.13 и 3.14 соответственно.
Рисунок 3.13. Зависимость выходного напряжения ИОН от тока нагрузки для
схемы 1
Рисунок 3.14. Зависимость выходного напряжения ИОН от тока нагрузки для
схемы 2
Как видно из графиков, схемы 1 и 2 без фильтра на выходе можно нагружать
до 90 мкА.
Далее рассмотрим зависимости выходного напряжения от тока для схем 1 и 2
с вариантами фильтров низких частот:
· с использованием резистора(классический вариант простейшего фильтра
ФНЧ)
· с использованием p-канального транзистора вместо резистора
Рисунок 3.15.Зависимость выходного напряжения ИОН от тока нагрузки для
схемы 1 с ФНЧ, использующим резисторы, на выходе
Рисунок 3.16. Зависимость выходного напряжения ИОН от тока нагрузки для
схемы 1 с ФНЧ, использующим транзисторы как резисторы, на выходе
Рисунок 3.17.Зависимость выходного напряжения ИОН от тока нагрузки для
схемы 2 с ФНЧ, использующим резисторы, на выходе
Рисунок 3.18. Зависимость выходного напряжения ИОН от тока нагрузки для
схемы 1 с ФНЧ, использующим транзисторы как резисторы, на выходе
Из рисунков 1.3.15-1.3.18 видно, что схемы с фильтрами на выходе можно
нагружать до 1 нА с отклонением выходного напряжения не более 1 мВ.
Рассматриваем потребляемый ток в диапазоне температур от -60°С до 150°С.
Как видно из рисунка, максимальный потребляемый ток при температуре 150°С для
схемы 1 равен 9.823 мкА, для схемы 2 11.05 мкА.
Рисунок 3.19. Потребляемый ток схемы 1 (I_16)и схемы 2 (Ш_24)
Время установления сигнала после включения питания измерялось как
временной интервал между подачей 3 В на питание и моментом, когда отклонение
выходного напряжения стабильно не превышает 0,1% от номинала. При моделировании
включения ИОН изменение значения напряжения питания с 0 В до 3 В происходит за
1 нс.
У источника опорного напряжения, равного ширине запрещённой зоны есть два
устойчивых состояния:
· напряжение на выходе 0 В (токи нулевые)
· напряжение на выходе Vref (схема работает и токи проходят)
Чтобы схема при подаче питания заработала, необходимо включить в схему
устройства схему запуска, которая будет задавать начальные токи в схеме при
подаче питания.
Рисунок 3.20. Схема спроектированного ИОН, включающая схему запуска,
привязанную к шине питания (ЕНэйбла нет)
При включении питания, подаётся и разрешающий работу ИОН. Резистор R4
определяет ток, потребляемый схемой запуска в статическом режиме. Транзисторы
MP41 и MN42, управляемый напряжением с выхода ИОН, определяют ток транзистора
MN22.
Схема включения состоит из токового зеркала Уилсона, состоящего из
транзисторов MN41 MN42 MN43 и резистора R4, и простейшего токового зеркала на
транзисторах MP42 и MP43. Сток транзистора MP42 соединён с выходом первого
каскада ОУ. Для включения ИОН в рабочий режим нужно задать ток в нужных местах.
В момент подачи напряжения питания напряжение на выходе ИОН равно нулю,
следовательно, транзистор MТ51 закрыт. В таком включении задаётся ток на
резисторе R4 и происходит его передача через систему токовых зеркал на стоки
транзисторов первого каскада ОУ MN11 и MP11. Появляется напряжение на стоках,
идёт на затвор MN21 и в ветви этого транзистора теперь задаётся ток, который
чрез токовое зеркало идёт на MP10 и MP00. Когда напряжение на выходе Vout ИОН
(до выходного фильтра), идущее через отдельный ФНЧ, состоящий из конденсатора
C5 и p-канального транзистора MP50, выполняющего функцию резистора, превышает
700 мВ, открывается транзистор MN51, через него будет стекать ток. Т.е. схема
запуска больше не оказывает влияние на схему ИОН. В момент включения схема
потребляет более 150 мкА, а в установившемся состоянии не более 12 мкА.
Чем больше R4, тем меньший ток потребляет схема запуска в статическом
режиме.
Источник питания меняет своё значение с 0 до 3 В за 1 нс.
Рисунок 3.21. Реакция на включение питания схемы 1
Рисунок 3.22. Реакция на включение питания схемы 2
Из рисунков 3.1.21 и 3.1.22 видно, что время включения схемы меньше 2 мкс
в обеих схемах. При этом при включении возникают большие переколебания,
превышающие почти в два раза
.
Рисунок 3.23. Реакция на включение питания схемы 1 с ФНЧ, использующим
резисторы, на выходе 16 мкс
Рисунок 3.24. Реакция на включение питания схемы 2 с ФНЧ, использующим
резисторы, на выходе 16.12мкс
Из рисунков 3.23 и 3.24 видно, что время включения для схемы 1 и схемы 2
с ФНЧ, использующим резисторы, на выходе время включения составляет 16 мкс и 15
мкс соответственно.
Рисунок 3.25. Реакция на включение питания схемы 2 с ФНЧ, использующим
транзисторы в роли резисторов, на выходе
Рисунок 3.26. Реакция на включение питания схемы 2 с ФНЧ, использующим
транзисторы в роли резисторов, на выходе
Из рисунков 3.25 и 3.26 видно, что время включения для схемы 1 и схемы 2
с ФНЧ, использующим резисторы, на выходе время включения составляет 12.5 мкс и
11 мкс соответственно.
Далее представлены параметры спроектированных ИОН.
Таблица 3.1- параметры схемы 1
|
Выходное напряжение, В
|
ТКН, ppm/ºC
|
Нестабильность по входному напряжению, мкВ/В
|
Потребляемый ток при 150 °С, мкА
|
Время включения с ФНЧ, использующим транзисторы как
резисторы, на выходе, мкс
|
|
1.293
|
23
|
439
|
9.82
|
12.5
|
Таблица 3.2 - параметры схемы 2
|
Выходное напряжение, В
|
ТКН, ppm/ºC
|
Нестабильность по входному напряжению, мкВ/В
|
Потребляемый ток при 150 °С, мкА
|
Время включения с ФНЧ, использующим транзисторы как
резисторы, на выходе, мкс
|
|
1.293
|
23
|
395.5
|
11.05
|
11
|
3.2 Измерение
параметров устройств при технологическом уходе
При снятии показателей устройства, не стоит забывать возможность
технологических отклонений таких, как рассогласование токовых зеркал,
отклонение абсолютных величин резисторов, рассогласование резисторов.
Будут проанализированы выходное напряжения, ТКН, подавление помехи по
питанию и время включения при технологических отклонениях:
. рассогласование токовых зеркал 1%
. отклонение абсолютных величин резисторов 5%
. рассогласование резисторов 1%
Выходной фильтр не влияет на выходное напряжение и ТКН, поэтому реакцию
выходного напряжения и ТКН схемы на технологические уходы можно рассматривать
без фильтров.
Далее будет рассмотрено влияние технологических отклонений на зависимость
выходного напряжения ИОН от температуры.
Из рисунка 3.27. видно, что при рассогласовании токовых зеркал для схемы
1 значение выходного напряжения при 27°С:
= 1.289 В,
значение ТКН:
Рисунок 3.27. Зависимость выходного напряжения ИОН от температуры при
рассогласовании токовых зеркал (n1 = 1.01) и без рассогласования (n1 = 1) для
схемы 1
Рисунок 3.28. Зависимость выходного напряжения ИОН от температуры при
рассогласовании токовых зеркал(n1 = 1.01) и без рассогласования (n1 = 1)для
схемы 2
Из рисунка 3.28. видно, что при рассогласовании токовых зеркал для схемы
1 значение выходного напряжения при 27°С:
= 1.289 В,
значение ТКН:
.
Из рисунка 3.29. видно, что при отклонении абсолютных величин резисторов
в 5% для схемы 1 значение выходного напряжения при 27°С:
= 1.292 В,
значение ТКН:
.
Рисунок 3.29. Зависимость выходного напряжения ИОН от температуры при
отклонении абсолютных величин резисторов для (n1 = 1.05) и без отклонения (n1 =
1)для схемы 1
Из рисунка 3.30. видно, что при отклонении абсолютных величин резисторов
в 5% для схемы 2 значение выходного напряжения при 27°С:
= 1.292 В,
значение ТКН:
Рисунок 3.30. Зависимость выходного напряжения ИОН от температуры при
отклонении абсолютных величин резисторов для (n1 = 1.05) и без отклонения (n1 =
1)для схемы 2
Из рисунка 3.31. видно, что при рассогласовании резисторов R2
относительно R1 и R3 1% для схемы 1 выходное напряжение при 27°С:
= 1.291 В,
значение ТКН:
Рисунок 3.31. Зависимость выходного напряжения ИОН от температуры при
рассогласовании резисторов для (n2 = 1.01) и без рассогласования (n2 = 1)для
схемы 1
Рисунок 3.32. Зависимость выходного напряжения ИОН от температуры при
рассогласовании резисторов для (n2 = 1.01) и без рассогласования (n2 = 1) для схемы
2
Из рисунка 3.32. видно, что при рассогласовании резисторов R2
относительно R1 и R3 1% для схемы 1 значение выходного напряжения при 27°С:
= 1.291 В,
значение ТКН:
.
Из рисунка 3.33. видно, что при рассогласовании резисторов R3
относительно R1 и R2 1% для схемы 1 значение выходного напряжения при 27°С:
= 1.288 В,
значение ТКН:
.
Рисунок 3.33. Зависимость выходного напряжения ИОН от температуры при
рассогласовании резисторов для (n2 = 1.01) и без рассогласования (n2 = 1)для
схемы 1
Рисунок 3.34. Зависимость выходного напряжения ИОН от температуры при
рассогласовании резисторов для (n2 = 1.01) и без рассогласования (n2 = 1)для
схемы 2
Из рисунка 3.34. видно, что при рассогласовании резисторов R3
относительно R1 и R2 1% для схемы 2 значение выходного напряжения при 27°С:
= 1.287 В,
значение ТКН:
.
Влияние рассмотренных отклонений на зависимость выходного напряжения от
температуры и на напряжение при 27°С представлены в таблицах 3.3 и 3.4 для
схемы 1 и схемы 2 соответственно.
Таблица 3.3 - Значения выходного напряжения при 27 °С и ТКН схемы 1 в
зависимости от технологического ухода
|
Рассогласование токовых зеркал
|
Отклонение абсолютных номиналов резисторов
|
Рассогласование резисторов R2 относительно R1 и R3
|
Рассогласование резисторов R3 относительно R1 и R2
|
Без технологических отклонений
|
|
, В
|
1.289
|
1.292
|
1.291
|
1.288
|
1.293
|
|
, ppm/°С
|
30
|
24
|
25
|
29
|
23
|
Таблица 3.4 - Значения выходного напряжения при 27 °С и ТКН схемы 1 в
зависимости от технологического ухода
|
Рассогласование токовых зеркал
|
Отклонение абсолютных номиналов резисторов
|
Рассогласование резисторов R2 относительно R1 и R3
|
Рассогласование резисторов R3 относительно R1 и R2
|
Без технологических отклонений
|
|
, В
|
1.289
|
1.292
|
1.291
|
1.288
|
1.293
|
|
, ppm/°С
|
30
|
24
|
25
|
30
|
23
|
Схема 2 чуть больше восприимчива к технологическим отклонениям, связанным
с резисторами, т.к. номиналы резисторов, использующихся в ней меньше. Из
соотношения (2.10) для данной ситуации
видим, что чем больше отношение площадей
диодов, тем больше падение напряжения на резисторе R3, т.е. тем больший ток
будет протекать через резисторы при фиксированном значении
. Больше ток - для обеспечения
колоколообразной кривой зависимости выходного напряжения от температуры
требуются меньшие номиналы резисторов R1 и R2. Чем меньше отношения R1/R3 и
R2/R3, тем сильнее схема реагирует на рассогласование резисторов R3
относительно R1 и R2. В этих схемах следует уделить особое внимание токовым
зеркалам и соотношениям резисторов R3 к R1 и R2.
Далее будет рассмотрено влияние технологических отклонений на коэффициент
подавления помех по входу (питанию) ИОН.
При рассогласовании токовых зеркал в 1% отклонение коэффициента
подавления помехи по входу относительно ситуации без рассогласования
незначительно мало (менее 1 дБ).
При отклонении абсолютных величин резисторов в 5% отклонение коэффициента
подавления помехи по входу относительно ситуации без рассогласования
незначительно мало (менее 1 дБ).
При рассогласовании резисторов в 1% отклонение коэффициента подавления
помехи по входу относительно ситуации без рассогласования незначительно мало
(менее 1 дБ).
Видим, что рассмотренные технологические отклонения не влияют на
коэффициент подавления помехи по входу. Отклонение номиналов резисторов почти
не влияет на подавляющую способность схемы, т.к. основное подавление помехи
создаёт операционный усилитель, в котором резисторов нет, и выходной фильтр. В
случае ФНЧ на резисторах, номиналы резисторов велики и отклонение в 5% малозначительно.
А в случае использования p - канальных транзисторов в качестве резисторов, в
выходном фильтре резисторов нет вообще.
Далее будет рассмотрено влияние технологических отклонений на ток,
потребляемый ИОН в статическом режиме.
При рассогласовании токовых зеркал в 1% отклонение потребляемого тока от
ситуации без рассогласования для схемы 1 не более 0.1 мкА, что можно видеть на
рисунке 3.35.
При рассогласовании токовых зеркал в 1% отклонение потребляемого тока от
ситуации без рассогласования для схемы 2 не более 0.1 мкА, что можно видеть на
рисунке 3.36.
Рисунок 3.35. Зависимость потребляемого тока ИОН от температуры при
рассогласовании транзисторов для (n2 = 0.99 и n2 = 1.01) и без рассогласования
(n2 = 1)для схемы 1
Рисунок 3.36. Зависимость потребляемого тока ИОН от температуры при
рассогласовании транзисторов для (n2 = 0.99 и n2 = 1.01) и без рассогласования
(n2 = 1) для схемы 2
Из рисунка 3.37. видно, что при отклонении абсолютных величин резисторов
в 5%, ток, потребляемый схемой 1, отклонится от тока без отклонения номиналов
резисторов на 0.5 мкА.
Рисунок 3.37. Зависимость потребляемого тока ИОН от температуры при
отклонении абсолютных величин резисторов для (n1 = 0.95 и n1 = 1.05) и без
отклонения (n1 = 1 )для схемы 1
Из рисунка 3.38. видно, что при отклонении абсолютных величин резисторов
в 5%, ток, потребляемый схемой 2, отклонится от тока без отклонения номиналов
резисторов на 1 мкА.
Рисунок 3.38. Зависимость потребляемого тока ИОН от температуры при
отклонении абсолютных величин резисторов для (n2 = 0.95 и n2 = 1.05) и без
отклонения (n2 = 1) для схемы 2
Рисунок 3.39. Зависимость потребляемого тока ИОН от температуры при
рассогласовании резисторов для (n2 = 0.99 и n2 = 1.01) и без рассогласования
(n2 = 1 )для схемы 1
Из рисунка 3.39. видно, что при рассогласовании резисторов R2
относительно R1 и R3 1% для схемы 1 потребляемый ток ИОН отклоняется от тока
без учёта рассогласования не более, чем на 0.1 мкА
Из рисунка 3.40. видно, что при рассогласовании резисторов R2
относительно R1 и R3 1% для схемы 1 потребляемый ток ИОН отклоняется от тока
без учёта рассогласования не более чем на 0.1 мкА
Рисунок 3.40. Зависимость потребляемого тока ИОН от температуры при
рассогласовании резисторов для (n2 = 0.99 и n2 = 1.01) и без рассогласования
(n2 = 1) для схемы 2
Рисунок 3.41. Зависимость потребляемого тока ИОН от температуры при
рассогласовании резисторов для (n2 = 0.99 и n2 = 1.01) и без рассогласования
(n2 = 1) для схемы 1
Из рисунка 3.41. видно, что при рассогласовании резисторов R3 относительно
R1 и R2 1% для схемы 1 потребляемый ток ИОН отклоняется от тока без учёта
рассогласования не более, чем на 0.1 мкА
Из рисунка 3.42. видно, что при рассогласовании резисторов R3
относительно R1 и R2 1% для схемы 1 потребляемый ток ИОН отклоняется от тока
без учёта рассогласования не более чем на 0.1 мкА
Рисунок 3.42. Зависимость потребляемого тока ИОН от температуры при
рассогласовании резисторов для (n2 = 0.99 и n2 = 1.01) и без рассогласования
(n2 = 1) для схемы 2
Таблица 3.5 - отклонение потребляемого тока схемы 1 при технологических
отклонениях от случая без технологических отклонений
|
Рассогласование токовых зеркал
|
Отклонение абсолютных номиналов резисторов
|
Рассогласование резисторов R2 относительно R1 и R3
|
Рассогласование резисторов R3 относительно R1 и R2
|
|
|
|
|
|
|
ΔIпотр1, мкА
|
0.1
|
0.5
|
0.1
|
0.1
|
Таблица 3.6 - отклонение потребляемого тока схемы 2 при технологических
отклонениях от случая без технологических отклонений
|
Рассогласование токовых зеркал
|
Отклонение абсолютных номиналов резисторов
|
Рассогласование резисторов R2 относительно R1 и R3
|
Рассогласование резисторов R3 относительно R1 и R2
|
|
|
|
|
|
|
ΔIпотр2, мкА
|
0.1
|
1
|
0.1
|
0.1
|
Из таблиц 3.5 и 3.6 Наибольшее влияние на потребляемый ток ИОН в
статическом режиме оказывает отклонение абсолютных номиналов резисторов. При
том, в схеме 2 потребляемый ток отклоняется сильнее, чем в схеме 1, что можно
увидеть из соотношений:
ΔIпотр1 = 0.5 мкА при Iпотр1(T =
150°C) = 9.82 мкА
ΔIпотр2 = 1 мкА при Iпотр2(T = 150°C)
= 11.05 мкА
Выводы по главе 3
Рассмотрели похожие схемы, отличающиеся только отношением площадей диодов
(16 в схеме 1 и 24 в схеме 2) и номиналами резисторов R1 и R2. Схема 2 по
сравнению со схемой 1 немного выигрывает в ТКН (доли ppm/ºC),
в подавлении
нестабильности по входному напряжению (напряжению питания), в подавлении помехи
по питанию (разница в 1 дБ), время включения чуть меньше, но потребляемый ток
схемы 2 больше потребляемого тока схемы 1 на 10%.
При моделировании технологических уходов, увидели, что подавление
нестабильности по входному напряжению и подавление помехи по питанию очень
слабо зависит от всех рассмотренных видов технологического ухода. Отклонение
абсолютных величин резисторов сильнее всего влияет на потребляемый ток, т.к.
резистор R3 определят ток, потребляемый в ядром бандгапа (резистивно-диодных
цепях). Рассогласование токовых зеркал и рассогласование резисторов R3
относительно R1 и R2 влияет на выходное напряжение и на ТКН. ТКН в отдельных
случаях рассогласования не поднимался выше 30 ppm/°С (23 ppm/°С номинальный). А
проблема изменения выходного напряжения в результате технологических отклонений
находит решение в рисунках 3.11, который показывает включение ИОН и 3.12, на
котором изображена принципиальная схема регулятора. Можно сделать один из
резисторов регулятора настраиваемым. На технологические схемы реагировали почти
одинаково, за исключением отклонения абсолютных величин резисторов. У схемы 2
отклонение тока относительно номинального больше, чем схемы 1.
Итак, схема 1 уступает по всем характеристикам на незначительную
величину, но потребляет меньший ток, слабее реагирует на технологические
отклонения. Так же, время включения с низкочастотными фильтрами, использующими
транзисторы в роли резисторов, на выходе меньше, чем вариант с фильтром низких
частот на резисторах, к тому же, занимает меньшую площадь.
В итоге, лучшим вариантом является схема 1 с ФНЧ, использующим
транзисторы в роли резисторов, на выходе.
Заключение
В ходе работы были рассмотрены основные подходы построения ИОН. Выбрана
схема источника опорного напряжения, равного ширине запрещённой зоны. После
были рассмотрены два варианта соотношения площадей диодов. Для двух были
рассмотрены параметры:
· выходное напряжение
· температурный коэффициент ИОН
· нестабильность по выходному напряжению
· коэффициент подавления помех по питанию
· время установления выходного сигнала
· нестабильность по току нагрузки
Характеристики источника опорного напряжения, равного ширине запрещённой
зоны
|
Выходное напряжение, В
|
ТКН, ppm/ºC
|
Нестабильность по входному напряжению, мкВ/В
|
Потребляемый ток при 150 °С, мкА
|
Время включения с ФНЧ, использующим транзисторы как
резисторы, на выходе, мкс
|
|
1.293
|
23
|
439
|
9.82
|
11.5
|
И коэффициент подавления помехи по питанию не принимает значение меньше
50 дБ.
Эти параметры были рассмотрены как без технологического ухода, так и с
тремя случаями по отдельности:
· рассогласование токовых зеркал 1%
· отклонение абсолютных величин резисторов 5%
· рассогласование резисторов 1%
Характеристики источника опорного напряжения, равного ширине запрещённой
зоны с учётом технологических отклонений
|
Рассогласование токовых зеркал
|
Отклонение абсолютных номиналов резисторов
|
Рассогласование резисторов R2 относительно R1 и R3
|
Рассогласование резисторов R3 относительно R1 и R2
|
Без технологических отклонений
|
|
Vref1, В
|
1.289
|
1.292
|
1.291
|
1.288
|
1.293
|
|
TCUОП1, ppm/°С
|
30
|
24
|
25
|
29
|
23
|
|
ΔIпотр2, мкА
|
0.1
|
0.5
|
0.1
|
0.1
|
0
|
Литература
1.
Shopan din Ahmad Hafiz, Md. Shafiullah, Shamsul Azam Chowdhury, "Design of
a Simple CMOS Bandgap Reference", International Journal of Electrical
& Computer Sciences, October 2010.
2.
Старосельский В.И. "Физика полупроводниковых приборов", Москва Юрайт
высшее образование, 2009.
. Эннс В.И.,
Кобзев Ю.М. "Проектирование аналоговых КМОП - микросхем. Краткий
справочник разработчика" Москва, Горячая линия - Телеком, 2005.
. Аракеляан
В.А. "Разработка низковольтных источников опорного напряжения с высоким
коэффициентом подавления помех по входу", МИЭТ, 2012.
5.
Gabriel A. Rincon - Mora, PH.D. "VOLTAGE REFERENCES From Diodes to
Precision High-Ordered Bandgap Circuits", IEEE Press, 2002.
. Hägglund
R. "Design
and implementation of bandgap reference circuit",
Linköping, 2005.
7. Волович
Г.И. - "Cхемотехника аналоговых и аналого-цифровых электронных
устройств", Додэка-XXI, 2011.
8.
Phillip E. Allen, Douglas R. Holberg "CMOS Analog Circuit Design",
Oxford University Press, 2011.