Разработка двухвальной газовой турбины контктной газотурбинной установки типа ГТН-25
Задание
Произвести расчет и проектирование газовой турбины КГТУ по следующим
исходным данным:
эффективная мощность ГТУ
МВт.
начальная температура воздуха
К.
начальная температура газа
=1383,000 К.
частота вращения роторов
мин-1.
назначение и тип установки - двухвальный газотурбинный газоперекачивающий
агрегат (ГГПА).
вариант тепловой схемы - КГТУ.
КПД компрессора ηк = 0,870.
КПД турбины ηт = 0,880.
изоэнтропийный перепад энтальпий в компрессоре НКО = =
кДж/кг.
действительный перепад энтальпий в компрессоре НК = =
кДж/кг.
температура воздуха за компрессором Т4 =
К.
температура воздуха за турбиной Т2 =
К.
коэффициент избытка воздуха в продуктах сгорания α
=
.
изоэнтропийный перепад энтальпий в турбине НТО = 769,660
кДж/кг.
действительный перепад энтальпий в турбине НТ =
кДж/кг.
расход газа для охлаждаемой КГТУ Gг =
кг/с.
расход воздуха через компрессор Gв =
кг/с.
удельный расход воздуха на охлаждение
= 0,090.
расход воздуха на охлаждение Gохл = 2,575
кг/с.
действительная температура газа за турбиной
К
давление за турбиной
=
Па.
прототип - ГТН-25 АО ТМЗ.
Содержание
Введение
1. Схема и
цикл КГТУ
. Описание
конструкции турбины КГТУ
. Расчёт
проточной части турбины на номинальном режиме
.1 Выбор
основных параметров установки
.2
Распределение теплоперепадов по ступеням и расчёт диаграммы состояния рабочего
тела
.3 Расчёт
проточной части турбины высокого давления16
.3.1 Расчёт
второй ступени ТВД
.3.2 Расчёт
первой ступени ТВД
.4 Расчёт
проточной части турбины низкого давления
.4.1 Расчёт
второй ступени ТНД
.4.2 Расчёт
первой ступени ТНД
. Определение
размеров диффузора
. Определение
потерь энергии и КПД
.
Технико-экономические показатели газовой турбины
Список
использованных источников
Введение
На современном этапе развития тепловых двигателей газотурбинные установки
(ГТУ) нашли широкое применение практически во всех основных сферах
жизнедеятельности человеческого общества: энергетике, газо- и нефтеснабжении,
металлургической и нефтехимической промышленности, воздушном, водном,
железнодорожном, автомобильном транспорте и пр.
В Российской Федерации ГТУ получили широкое применение в газовой
промышленности, где они используются в качестве газоперекачивающих агрегатов
(ГПА). Газотурбинные газоперекачивающие агрегаты (ГГПА) являются преобладающим
типом ГПА на магистральных газопроводах. Их доля в настоящее время превысила
80% и продолжает возрастать. Основное внимание в данной курсовой работе уделено
расчёту и проектированию газотурбинных ГПА (ГГПА) с учётом последних достижений
в области аэродинамики проточной части турбомашин. Большое внимание также
уделяется вопросам обоснования и определения основных технико-экономических
показателей проектируемой ГТУ.
В курсовой работе разработана двухвальная газовая турбина контактной
газотурбинной установки типа ГТН-25. Главной особенностью данной курсовой
работы является то, что газовая турбина рассматривается как основной элемент
установки. Поэтому все исходные данные, а также инженерные расчёты в работе
непосредственно связаны с особенностями работы газовой турбины, входящей в
состав ГТУ.
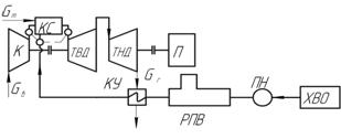
1. Схема и
цикл КГТУ
В КГТУ осуществляется впрыск воды или пара в тракт высокого давления или
камеру сгорания. Для генерирования пара в КГТУ, выполненной по схеме,
изображенной на рисунке 1, предусмотрен котел-утилизатор (КУ), в котором
используется часть теплоты отработавших в газовой турбине продуктов сгорания.
Впрыск воды или пара увеличивает расход рабочего тела через турбину, а
следовательно, и ее работу. Поскольку затраты энергии на прокачивание воды
малы, мощность установки возрастает не менее чем на 70-90%. Недостатком КГТУ
является необходимость в химически очищенной воде, теряющейся с отработавшими
газами. Расход дополнительного пароводяного рабочего тела оказывается
значительным - до 50-60% расхода воздуха через компрессор.
Схема и цикл КГТУ представлены на рисунках1 и 2 соответственно.
Рисунок 1 - Принципиальная тепловая схема КГТУ с впрыском пара: К -
компрессор; ПН - питательный насос; ХВО - химическая водоочистка; РПВ-
резервуар питательной воды; П - потребитель; ТВД - турбина высокого давления;
ТНД - турбина низкого давления; КС - камера сгорания
Рисунок 2 - Цикл КГТУ, выполненной по схеме рисунка 1:
- тепло,
подведенное в КС;
- тепло, теряемое с отработавшими газами;
- тепло,
подводимое пару в КС;
- тепло утилизации;
-
давление перед силовой турбиной
2.
Описание конструкции турбины КГТУ
Турбины высокого и низкого давления - двухступенчатые. Роторы турбин -
дисковые сборные. Ротор турбины высокого давления фланцем соединяется с ротором
компрессора, а ротор турбины низкого давления - с промежуточным валом.
Корпус турбины высокого и низкого давления представляет собой общую
осесимметричную двухстенную конструкцию. Внутренняя часть корпуса образована
обоймами, в которых размещены направляющие аппараты турбин. Между турбинами
высокого и низкого давления имеется тонкостенная промежуточная часть. Между
наружной и внутренней стенками промежуточной части имеется толстый слой
изоляции. Конструкция проточной части выполнена в виде термоэластичных
направляющих аппаратов.
3. Расчёт
проточной части турбины на номинальном режиме
.1 Выбор основных параметров установки
Расходная составляющая скорости потока сz принята равной 220,000 м/с - одной и той же для ТВД и
ТНД.
Коэффициент возврата тепла α∞ = 1,03 [2], тогда
где
z = 4 - число ступеней (по прототипу ГТН-25 АО ТМЗ).
Полный изоэнтропийный перепад энтальпий с учётом коэффициента возврата
тепла αz
H0
= αz·HТО= 1,0225·769,660 = 786,977 кДж/кг.
Ометаемая площадь рабочих лопаток последней ступени газовой турбины
где
Gг ТНД = Gг + Gв
охлТВД = 53,812 + 51,495·0,050 = 56,387 кг/с - расход газа
через ТНД (будет больше расхода газа через ТВД на величину расхода воздуха на
охлаждение ТВД, который возвращается в проточную часть турбины перед ступенью
ТНД)
Удельный
объём газа за турбиной
м3/кг
.
С
целью уменьшения потерь с выходной скоростью за турбиной устанавливается
осерадиальный диффузор с к.п.д. ηд = 0,7 и
степенью диффузорности
n = Fд/Sz = 2.
При
этом скорость потока газа за диффузором
сд
= cz/n = 220/2 = 110 м/с.
При
установке за последней ступенью турбины диффузора удельный объём газа за
рабочими лопатками последней ступени станет больше удельного объёма газа за
диффузором вследствие понижения давления перед диффузором pz по сравнению с величиной pII за диффузором
(рисунок 2).
Рисунок
2 - Процесс расширения газа в турбине с диффузором за последней ступенью
Изоэнтропийный перепад энтальпий в диффузоре
Дж/кг.
Потери
энергии в диффузоре
Дж/кг.
Потери
энергии с выходной скоростью за диффузором
Дж/кг.
Температура газа в точке В'
Температура
газа за последней ступенью в точке В
Давление
газа перед диффузором
где
k взят по
и α = 1,702.
Удельный
объём газа за последней ступенью
м3/кг.
Уточнённое
значение ометаемой площади
Перепад
энтальпий, соответствующий расходной составляющей скорости потока за последней
ступенью турбины,
Дж/кг.
3.2
Распределение теплоперепадов по ступеням и расчёт диаграммы состояния рабочего
тела
Перепад энтальпий в ТВД
кДж/кг.
Располагаемый
перепад энтальпий на одну ступень в ТВД при равном распределении его по
ступеням
кДж/кг.
Полный
перепад энтальпий на каждую ступень ТВД в предположении полного использования
выходной кинетической энергии газа из предыдущей ступени
кДж/кг.
Перепад
энтальпий в ТНД
кДж/кг.
Располагаемый
перепад энтальпий на одну ступень в ТНД при равном распределении его по
ступеням
кДж/кг.
Если
предположить, что в первой ступени ТНД используется 90 % выходной кинетической
энергии из последней ступени ТВД, то полный перепад энтальпий в первой ступени
ТНД будет равен
кДж/кг.
Теплоперепад
во второй ступени ТНД
кДж/кг.
Диаграмма
состояния газа рассчитана и построена в предположении расширения газа от полных
параметров перед турбиной до давления за последней ступенью pz (рисунок
3). При этом принято Тz = 821,660 К; Т1* = 1383,000 К; ηпол=0,88;
число участков диаграммы n = 6 (для обеспечения точности расчётов). Давление,
удельный объём и перепад энтальпий определены по формулам:
Результаты
расчётов представлены в таблице 1. На диаграмме состояния газа показано
распределение перепадов энтальпий по ступеням ТВД и ТНД и обозначены расчётные
точки параметров газа перед и за ступенями, а также в осевых зазорах ступеней
по среднему диаметру.
Таблица 1
Параметры газа на политропе расширения А-В
|
Параметры газа
|
Обозначение параметра и его
размерность
|
Значения на политропе
расширения
|
|
|
А
|
1
|
2
|
3
|
4
|
5
|
В
|
|
Отношение температур
|
а = (Тz/Т1*)1/6
|
0,917
|
|
Температура конца участка
|
Тx = а Тx-1, К1383
|
1268,21
|
1162,85
|
1066,42
|
977,91
|
896,74
|
821,66
|
|
|
Средняя температура участка
|
Тср = (Тx-1+Тx)/2,
К
|
-
|
1325,61
|
1215,53
|
1114,64
|
1022,17
|
937,33
|
859,20
|
|
Разность температур на
участке
|
Тx-1 Тx, К-
|
114,79
|
105,36
|
96,43
|
88,51
|
81,17
|
75,08
|
|
|
Средняя теплоёмкость
участка (по Тср)
|
сРср, кДж/(кг К)-
|
1,283
|
1,264
|
1,247
|
1,227
|
1,208
|
1,191
|
|
|
Показатели изоэнтропы (по Тср)
|
k
|
-
|
1,290
|
1,298
|
1,304
|
1,312
|
1,318
|
1,325
|
|
Давление в конце участка
|
pх, МПа
|
1,269529
|
0,82
|
0,53
|
0,35
|
0,23
|
0,15
|
0,0958
|
|
Удельный объём
|
uх, м3/кг
|
0,313306
|
0,44
|
0,63
|
0,88
|
1,22
|
1,72
|
2,466
|
|
Перепад энтальпий на
участке
|
h0x, кДж/кг
|
-
|
167,36
|
151,34
|
136,65
|
123,41
|
111,42
|
101,61
|
Рисунок 3 - Диаграмма состояния газа
3.3 Расчёт проточной части турбины высокого давления
Вся мощность, развиваемая ТВД, идёт на привод компрессора. Перепад
энтальпий в ТВД Н0 ТВД = 398,956 кДж/кг. Из этого перепада 24,200
кДж/кг затрачивается на создание расходной составляющей скорости потока сz перед ТВД, которую примем постоянной
по всем ступеням газовой турбины (в ТВД и ТНД). Располагаемый перепад на каждую
ступень ТВД h0 ТВД = 187,378 кДж/кг, а полный h*0 ТВД = 211,578 кДж/кг. Корневой диаметр
ротора ТВД примем постоянным. Закрутку лопаток будем считать близкой к закону
постоянной циркуляции. Принятые условия для ТВД запишутся следующим образом:
d'ТВД
= idem; h0 ТВД = idem;
h*0
ТВД = idem; cz = idem; r
cu ≈ idem
Это
позволяет провести подробный расчёт последней ступени ТВД, а первую ступень
получить «подрезкой» из последней, так как при принятых условиях все ступени
ТВД на сходственных радиусах будут иметь одинаковые условия работы, параметры и
кинематику потока.
Примем
расходы рабочего тела по лопаточным венцам ТВД следующими:
G11 = Gг = 53,812
кг/с;
G21 = Gг + 0,02·Gв = 53,812 + 0,02·51,495 = 54,842 кг/с;
G12 = G21 +
0,015·Gв = 54,842
+ 0,015·51,495 = 55,614 кг/с;
G22 = G12 + 0,01·Gв = 55,614 + 0,01·51,495 = 56,129 кг/с.
Удельный
объём газа за рабочими лопатками второй ступени ТВД υ22=0,761 м3/кг.
Ометаемая площадь рабочих лопаток второй ступени ТВД
Удельный
объём газа за рабочими лопатками первой ступени ТВД υ21=0,487 м3/кг.
Ометаемая площадь рабочих лопаток первой ступени ТВД
.3.1 Расчёт второй ступени ТВД
Расчёт второй ступени ТВД начинаем с корневого диаметра. Окружная
скорость у корня ступени из условия осевого выхода потока
м/с.
Корневой диаметр ступени
Внешний
диаметр рабочих лопаток
Средний
диаметр рабочих лопаток
Высота
рабочих лопаток
Отношение
В
корневом сечении окружная составляющая абсолютной скорости потока в
предположении осевого выхода потока из ступени
м/с
Абсолютная
скорость выхода потока
м/с
Перепад
энтальпий в направляющем аппарате
Дж/кг
Перепад
энтальпий в рабочем колесе
кДж/кг
Степень
реактивности у корня ступени
Угол
выхода потока
Относительная
скорость газа на входе в рабочее колесо
м/с.
Угол входа потока в рабочее колесо
Относительная
скорость газа на выходе из рабочего колеса
м/с.
Угол
выхода потока из рабочего колеса
Условие
β'2 ≤ β'1 выполняется.
Окружная
составляющая абсолютной скорости выхода газа из рабочего колеса
м/с.
с’2
≈ cz = 220 м/с и α2=
86,056º.
Среднее
сечение ступени рассчитывается в предположении обеспечения закрутки потока по
закону постоянной циркуляции, т.е. сz = const
и r
cu = const.
Средний
диаметр направляющего аппарата при условии с1z
= c2z = cz = const будет несколько меньше диаметра рабочего колеса
(вследствие меньших значений удельного объёма газа в зазорах ступени по
сравнению с его значением за рабочим колесом). Примем в первом приближении
значение
d12 = d22 - 0,004 = 0,977 - 0,004 = 0,973 м.
Окружная скорость на этом диаметре
м/с.
Окружная
составляющая абсолютной скорости потока
м/с.
Абсолютная
скорость выхода потока
м/с.
Перепад
энтальпий в направляющем аппарате
Дж/кг.
Перепад
энтальпий в рабочем колесе
кДж/кг.
Степень
реактивности на среднем диаметре
Зная
h22, по
диаграмме состояния газа определим параметры газа в осевом зазоре второй
ступени ТВД на среднем диаметре, отложив от конца процесса второй ступени
отрезок h22:
Т12 = 1133 К; υ12 = 0,707 м3/кг; p12 = 0,459 МПа.
Найденному удельному объёму соответствует площадь кольца, занятого
направляющими лопатками второй ступени ТВД,
Внешний
диаметр направляющего аппарата второй ступени ТВД
Средний
диаметр направляющего аппарата
что
совпало с ранее принятым значением.
Высота
направляющих лопаток
Угол
выхода потока
Относительная скорость газа на входе в рабочее колесо
м/с.
Угол
входа потока в рабочее колесо
Относительная
скорость газа на выходе из рабочего колеса
м/с.
Угол
выхода потока из рабочего колеса
Окружная
составляющая относительной скорости выхода газа из рабочего колеса
w22u = w22·cos β22 = 390,115·cos 34,328º = 322,166 м/с.
Окружная
скорость на среднем диаметре рабочего колеса
м/с.
Окружная
составляющая абсолютной скорости выхода газа из рабочего колеса
м/с.
с2’
≈ cz = 220 м/с и α2 =
-86,039º.
Расчёт
периферийного сечения второй ступени ТВД ведём в той же последовательности, что
и для среднего сечения, с учётом различных значений окружных скоростей в осевом
зазоре и за рабочим колесом, а именно:
м/с;
м/с;
м/с;
м/с;
кДж/кг;
кДж/кг;
м/с;
м/с;
w''2u = w''2·cos β''2 = 405,752·cos 32,834º = 340,931 м/с;
м/с;
с''2≈
cz = 220 м/с и α''2=
86,306º.
3.3.2 Расчёт первой ступени ТВД
Расчёт первой ступени ТВД при принятых условиях (d'ТВД = idem; h0 ТВД = = idem; h* 0 ТВД = idem; cz = idem; r·cu ≈ idem, однотипные направляющие и рабочие
лопатки) сводится к определению параметров потока по среднему диаметру за
рабочим колесом и за направляющим аппаратом и высоты направляющих и рабочих
лопаток.
Параметры газа за первой ступенью ТВД определяем по диаграмме состояния
(рисунок 3):
Т21 = 1239 К; υ21 = 0,487 м3/кг; p21 = 0,726 МПа.
Ометаемая площадь рабочих лопаток первой ступени ТВД
Внешний
диаметр рабочих лопаток
Средний
диаметр рабочих лопаток
Высота рабочих лопаток
Относительная
высота рабочих лопаток первой ступени ТВД составляет
от
высоты рабочих лопаток второй ступени ТВД. Принимая с достаточной для расчётов
точностью
, найдём по 0,5
(рисунок
4): ρ11 =
0,128;
h21 = ρ11·h0
ТВД = 0,128·187,378 = 23,984 кДж/кг
и
параметры потока по среднему диаметру за направляющими лопатками первой ступени
ТВД (рисунок 3):
Т11
= 1254 К; υ11 = 0,462
м3/кг; p11 = 0,776
МПа.
Ометаемая
площадь направляющих лопаток первой ступени ТВД
Внешний
диаметр направляющего аппарата первой ступени ТВД
Средний
диаметр направляющего аппарата
Высота
направляющих лопаток
Значения
параметров потока в контрольных сечениях первой ступени ТВД на диаметрах d ', d и d '' находим по характеристикам второй ступени ТВД для
соответствующих значений
= 0; 0,326; 0,651 (рисунок 4). Значения найденных
параметров представлены в таблице 2.
Таблица 2
Значения параметров потока в сечениях первой ступени ТВД
|
Параметры
|
d '
|
d
|
d ''
|
|
с1, м/c
|
614,967
|
593,255
|
573,975
|
|
c1u, м/c
|
574,269
|
550,955
|
530,060
|
|
w1, м/c
|
334,177
|
310,429
|
|
w2, м/c
|
373,880
|
384,540
|
394,495
|
|
α1, o
|
20,962
|
21,775
|
22,543
|
|
β1, o
|
37,459
|
41,184
|
45,167
|
|
β2, o
|
36,045
|
35,002
|
31,544
|
|
ρ
|
0,056
|
0,128
|
0,191
|
3.4 Расчёт
проточной части турбины низкого давления
.4.1 Расчёт второй ступени ТНД
Расчёт второй ступени ТНД производим в той же последовательности, что и
второй ступени ТВД.
Рисунок 4 - Изменение параметров потока по высоте лопаток ТВД
Рисунок 5 - Треугольники скоростей в трёх сечениях второй ступени ТВД
Примем расходы рабочего тела по лопаточным венцам ТНД следующими:
G13 = G22 + 0,005·Gв =56,129 + 0,005·51,495 = 56,386
кг/с;
G23 = G13 = 56,386 кг/с;
G14 = G23 = 56,386 кг/с;
G24 = G14 = 56,386 кг/с.
Уточнённое значение ометаемой площади рабочих лопаток ТНД
Окружная
скорость у корня ступени из условия осевого выхода потока
м/с.
Корневой
диаметр ступени
Разность
корневых диаметров ТВД и ТНД составляет
d 'ТНД - d 'ТВД =
1,031-0,914=0,117 м,
что
является приемлемым по конструктивным соображениям, т.к. угол наклона
внутренней обечайки переходного патрубка между ТВД и ТНД не превышает при этом
10о.
Внешний
диаметр рабочих лопаток
Средний
диаметр рабочих лопаток
Высота
рабочих лопаток
Отношение
Как
и для ступеней ТВД, выбираем закрутку лопаток ТНД по закону, близкому к закону
постоянной циркуляции (потенциального вихря).
В
корневом сечении окружная составляющая абсолютной скорости потока в
предположении осевого выхода потока из ступени
м/с.
Абсолютная
скорость выхода потока
м/с.
Перепад
энтальпий в направляющем аппарате
Дж/кг.
Перепад
энтальпий в рабочем колесе второй ступени ТНД
кДж/кг.
Степень
реактивности у корня ступени
Угол
выхода потока
Относительная
скорость газа на входе в рабочее колесо
м/с.
Угол
входа потока в рабочее колесо
Относительная
скорость газа на выходе из рабочего колеса
м/с.
Угол
выхода потока из рабочего колеса
Окружная
составляющая абсолютной скорости выхода газа из рабочего колеса
м/с.
с
'2 ≈ c2z = 220 м/с, α '24 =
85,789º,
т.е.
у корня ступени обеспечивается практически осевой выход потока.
Примем
в первом приближении значение
d14 = d24 - 0,026
= 1,199 - 0,026 = 1,173 м.
Окружная
составляющая абсолютной скорости потока
м/с.
Абсолютная
скорость выхода потока
м/с.
Перепад
энтальпий в направляющем аппарате
Дж/кг.
Перепад
энтальпий в рабочем колесе
кДж/кг.
Степень
реактивности на среднем диаметре
Зная
h24, по
диаграмме состояния газа определим параметры газа в осевом зазоре второй
ступени ТНД на среднем диаметре, отложив от конца процесса второй ступени
отрезок h24
(рисунок 3):
Т14=859
К; υ14=2,042 м3/кг;
p14=0,119
МПа.
Найденному
удельному объёму соответствует площадь кольца, занятого направляющими лопатками
второй ступени ТВД,
Внешний
диаметр направляющего аппарата второй ступени ТВД
Средний
диаметр направляющего аппарата
что
совпало с ранее принятым значением.
Высота
направляющих лопаток
Угол
выхода потока
Относительная
скорость газа на входе в рабочее колесо
м/с.
Угол
входа потока в рабочее колесо
Относительная
скорость газа на выходе из рабочего колеса
м/с.
Угол
выхода потока из рабочего колеса
Окружная
составляющая относительной скорости выхода газа из рабочего колеса
w24u=w24·cosβ24 =
·cos31,706º=356,124 м/с.
Окружная
скорость на среднем диаметре рабочего колеса
м/с.
Окружная
составляющая абсолютной скорости выхода газа из рабочего колеса
м/с.
с2
≈ cz = 220 м/с и α24 =
-87,180º.
Расчёт
периферийного сечения второй ступени ТВД ведём в той же последовательности, что
и для среднего сечения, с учётом различных значений окружных скоростей в осевом
зазоре и за рабочим колесом, а именно:
м/с;
м/с;
м/с;
м/с;
Дж/кг;
кДж/кг;
м/с;
м/с;
w ''2u=w ''2·cosβ ''2=453,322·cos29,033º=396,358 м/с;
м/с;
с
''2 ≈ cz = 220 м/с и α ''24= -89,299º.
3.4.2 Расчёт первой ступени ТНД
Расчёт
первой ступени ТНД при принятых условиях (d 'ТНД = idem; cz =
=idem; h0 ТНД = idem;
cz =
idem; r
cu ≈ idem,
однотипные направляющие и рабочие лопатки) сводится к определению параметров
потока по среднему диаметру за рабочим колесом и за направляющим аппаратом и
высоты направляющих и рабочих лопаток.
Параметры
газа за первой ступенью ТНД определяем по диаграмме состояния (рисунок 3):
Т23=963
К; υ23=1,291 м3/кг;
p23=0,214
МПа.
Ометаемая
площадь рабочих лопаток первой ступени ТНД
Внешний
диаметр рабочих лопаток
Средний
диаметр рабочих лопаток
Высота
рабочих лопаток
Высота
рабочих лопаток первой ступени ТНД составляет
от
высоты рабочих лопаток второй ступени ТНД. Принимая с достаточной для расчётов
точностью
, найдём по 0,5
(рисунок
6): ρ23=0,187;
h23 = ρ23·h0
ТНД = 0,187·200,363 = 37,468 кДж/кг
и
параметры потока по среднему диаметру за направляющими лопатками первой ступени
ТНД (рисунок 3):
Т13=989
К; υ13=1,162 м3/кг;
p13=0,245
МПа.
Ометаемая
площадь направляющих лопаток первой ступени ТНД
Внешний
диаметр направляющего аппарата первой ступени ТНД
Средний
диаметр направляющего аппарата
Высота
направляющих лопаток
Значения
параметров потока в контрольных сечениях первой ступени ТНД на диаметрах d’, d и d’’ находим
по характеристикам второй ступени ТНД для соответствующих значений l =
0; 0,280; 0,560 (рисунок 6). Значение найденных параметров представлены в
таблице 3.
Таблица 3
Значения параметров потока в сечениях первой ступени ТНД
|
Параметры
|
d '
|
d
|
d ''
|
|
с1, м/c
|
633,276
|
588,853
|
547,545
|
|
c1u, м/c
|
593,834
|
545,025
|
501,430
|
|
w1, м/c
|
369,540
|
312,455
|
266,635
|
|
w2, м/c
|
382,858
|
405,930
|
430,335
|
|
α1, º
|
20,328
|
21,805
|
23,186
|
|
β1, º
|
36,536
|
43,638
|
51,840
|
|
β2, º
|
35,073
|
33,079
|
31,379
|
|
ρ
|
0,056
|
0,187
|
0,289
|
Рисунок 6 - Изменение параметров потока по высоте лопаток ТНД
Рисунок 7 - Треугольники скоростей в трёх сечениях ступени ТНД
Таблица 4
Основные параметры ступеней
|
Параметр
|
ТВД
|
ТНД
|
|
1 ст.
|
2 ст.
|
3 ст.
|
4 ст.
|
|
Внутренний диаметр , м
|
0,914
|
0,914
|
1,031
|
1,031
|
|
Средний диаметр НА , м
|
0,952
|
0,973
|
1,116
|
1,173
|
|
Внешний диаметр НА , м
|
0,990
|
1,031
|
1,201
|
1,315
|
|
Высота направляющих лопаток , м
|
0,038
|
0,059
|
0,085
|
0,142
|
|
Высота рабочих лопаток , м
|
0,041
|
0,063
|
0,094
|
0,168
|
|
Изоэнтропийный перепад
энтальпий в ступени h0, кДж/кг
|
187,378
|
187,378
|
200,363
|
200,363
|
|
Полный изоэнтропийный
перепад энтальпий в ступени h0*, кДж/кг
|
211,578
|
211,578
|
222,143
|
224,563
|
|
Окружная скорость на
среднем диаметре НА , м/с
|
299,080
|
305,677
|
321,385
|
337,800
|
|
Условная скорость C0,
м/с
|
650,504
|
650,504
|
666,548
|
670,169
|
|
Характеристическое
отношение /C0
|
0,460
|
0,470
|
0,482
|
0,504
|
|
Полный перепад энтальпий в
направляющем аппарате h1*, кДж/кг
|
187,594
|
180,533
|
184,675
|
170,653
|
|
Перепад энтальпий в рабочем
колесе h2, кДж/кг
|
23,984
|
31,044
|
37,468
|
53,910
|
|
Степень реактивности на
среднем диаметре ρ
|
0,128
|
0,166
|
0,187
|
0,269
|
|
Коэффициент потерь энергии
в направляющем аппарате ζ1
|
0,06
|
0,06
|
0,06
|
0,06
|
|
То же в рабочем колесе ζ2
|
0,08
|
0,08
|
0,08
|
0,08
|
|
Скорости и углы потока на
среднем диаметре
|
|
|
|
|
|
c1, м/с
|
593,255
|
582,583
|
588,853
|
566,416
|
|
w1, м/с
|
334,177
|
321,012
|
312,455
|
286,897
|
|
w2, м/с
|
384,540
|
390,115
|
405,930
|
418,597
|
|
c2, м/с
|
220
|
220
|
220
|
220
|
|
α1, град
|
21,775
|
22,187
|
21,805
|
22,855
|
|
β1, град
|
41,184
|
43,262
|
43,638
|
50,070
|
|
β2, град
|
35,002
|
34,328
|
33,079
|
31,706
|
|
α2, град
|
-
|
-86,039
|
-
|
-87,180
|
контактный
газотурбинный теплоперепад диффузор
4.
Определение размеров диффузора
За турбиной располагается диффузор осерадиального типа со степенью
диффузорности n=2,0. Задача расчёта диффузора
сводится к определению длины его средней линии при заданном угле раствора
эквивалентного диффузора γ=18º.
Площадь входного сечения диффузора
F1д=π·dz·l1д= π
·1,199·0,202=0,761 м2,
где
dz = d24 = 1,199 м
l1д= lz+Δ 'д+Δ ''д=0,168+0,1·0,168+0,1·0,168=0,202 м.
Площадь выходного сечения диффузора
Длина
средней линии диффузора находится по эквивалентному прямому диффузору.
Принимаем
.
Тогда
Аналогично,
F2дэ=F2д=1,264 м2,
В
результате
Ширина
канала на выходе осерадиального диффузора l2д находится по уравнению неразрывности с соблюдением
принятой степени диффузорности:
где
d2д = 1,325
м принят по конструктивным соображениям.
5.
Определение потерь энергии и КПД
Определим потери энергии и к.п.д. на примере второй ступени ТВД.
Теоретическая абсолютная скорость газа в зазоре между направляющим
аппаратом и рабочим колесом
м/с.
Потери энергии в направляюще аппарате
,
где
- коэффициент потери энергии в направляющем аппарате.
.
Потери энергии в рабочем колесе
,
где
- коэффициент потери энергии в рабочем колесе.
Коэффициенты потерь энергии
и
берутся осредненными по высоте
лопаток, то есть с учетом вторичных перетеканий на концах лопаток.
Относительный радиальный зазор по рабочим лопаткам
,
где δ = 1,000 мм - радиальный зазор по рабочим лопаткам.
Потери энергии от протечек через радиальный зазор у периферии ступени
,
где a = 0,600 - опытный коэффициент для
ступени с уступом.
Диаметр уплотнения в направляющем аппарате
,
где
= 1,000 мм - радиальный зазор по направляющим лопаткам.
Площадь радиального зазора в направляющем аппарате
.
Величина утечек у корня ступени
,
где
- коэффициент расхода через щель уплотнения в направляющем
аппарате;
z = 8
- число щелей уплотнения.
Потери энергии от протечек через радиальный зазор у корня ступени
.
Потери мощности на трение диска или ротора о газ
,
где
- удельный объем газа в осевом зазоре;
- средний диаметр рабочего колеса;
- окружная скорость на среднем диаметре рабочего колеса.
Потери энергии на трение диска или ротора о газ
.
Сумма потерь энергии в ступени
.
Использованный перепад энтальпий в ступени
Коэффициент полезного действия ступени
.
Таблица 5
Потери энергии и КПД ступеней
|
Расчётная величина
|
ТВД
|
ТНД
|
|
1 ст.
|
2 ст.
|
3 ст.
|
4 ст.
|
|
Теоретическая скорость
выхода потока из НА c1t, м/с
|
612,526
|
600,888
|
607,742
|
584,214
|
|
Коэффициент потерь энергии
в НА ζ1
|
0,060
|
0,060
|
0,060
|
0,060
|
|
Потери энергии в НА Δh1,
кДж/кг
|
11,256
|
10,832
|
11,081
|
10,239
|
|
Теоретическая скорость
выхода потока из РК w2t, м/с
|
400,563
|
406,370
|
422,844
|
436,039
|
|
Коэффициент потерь энергии
в РК ζ2
|
0,080
|
0,080
|
0,080
|
0,080
|
|
Потери энергии в РК Δh2,
кДж/кг
|
6,418
|
6,605
|
7,152
|
7,605
|
|
Радиальный зазор по рабочим
лопаткам
δ, мм
|
1,000
|
1,000
|
1,500
|
1,500
|
|
Относительный радиальный
зазор по рабочим лопаткам
|
0,0244
|
0,0159
|
0,0160
|
0,0089
|
|
Потери энергии у периферии
ступени Δhе",
кДж/кг
|
9,436
|
6,992
|
7,373
|
4,944
|
|
Давление перед ступенью p0, МПа
|
1,194
|
0,726
|
0,419
|
0,214
|
|
Давление торможения перед
ступенью p0*, МПа
|
1,27
|
0,776
|
0,45
|
0,234
|
|
Давление в осевом зазоре p1, МПа
|
0,776
|
0,459
|
0,244
|
0,119
|
|
Удельный объём торможения
перед ступенью υ 0*, м3/кг
|
0,313
|
0,462
|
0,718
|
1,204
|
|
Число гребней уплотнения по
направляющему аппарату z, шт.
|
-
|
8
|
-
|
8
|
|
Радиальный зазор по гребням
НА δ', мм
|
-
|
1
|
-
|
1,5
|
|
Диаметр уплотнения в НА , м
|
-
|
0,892
|
-
|
1,008
|
|
Площадь радиального зазора
в НА , м2
|
-
|
0,0028
|
-
|
0,0048
|
|
Коэффициент расхода
|
-
|
0,7
|
-
|
0,7
|
|
Величина утечек у корня
ступеней ΔG', кг/с
|
-
|
0,651
|
-
|
0,398
|
|
Потери энергии от протечек
у корня ступени Δhе',
кДж/кг
|
-
|
0,768
|
-
|
0,491
|
|
ΔNтр, кВт
|
56,772
|
41,968
|
38,867
|
29,172
|
|
Потери энергии на трение
диска Δhтр,
кДж/кг
|
1,011
|
0,748
|
0,692
|
0,520
|
|
Сумма потерь энергии в
ступени ΣΔh, кДж/кг
|
28,121
|
25,945
|
26,298
|
23,799
|
|
Использованный перепад
энтальпий в ступени h, кДж/кг
|
159,257
|
161,433
|
174,065
|
176,564
|
|
Располагаемый перепад
энтальпий в ступени h0, кДж/кг
|
187,378
|
187,378
|
200,363
|
200,363
|
|
КПД ступени ηст
|
0,850
|
0,862
|
0,869
|
0,881
|
Использованный перепад энтальпий в турбине
.
Внутренний к.п.д. турбины
.
Использованный перепад энтальпий в турбине при отсутствия диффузора
.
Внутренний к.п.д. турбины при отсутствии диффузора
.
Выигрыш в к.п.д. турбины от применения диффузора за последней ступенью
турбины составляет
.
Так как полученное в результате расчётов значение к.п.д. турбины
оказалось ниже первоначально принятого (0,872 вместо 0,880), то необходимо
уточнить значения удельной эффективной работы ГТУ
и эффективной мощности
.
Уточненная удельная эффективная работа ГТУ с учетом охлаждения
,
где
- уточненный внутренний КПД турбины с учетом потерь от
охлаждения в проточной части турбины.
Уточненная эффективная мощность ГТУ
.
6.
Технико-экономические показатели газовой турбины
Уточненная эффективная мощность ГТУ
.
Уточненный удельный расход газа
.
Подвод теплоты в камере сгорания
кДж/кг.
Уточненный эффективный КПД форсированной (контактной) газотурбинной
установки
Уточненный удельный расход тепла ГТУ
.
Список
использованных источников
1. Арсеньев, А.В. Комбинированные
установки с газовыми турбинами / А.В. Арсеньев, В.Г. Тырышкин. - учеб. пособие
для вузов - Л: Машиностроение, 2012. - 247с.
2. Арсеньев, А.В. Газотурбинные
установки. Конструкции и расчёт: Справочное пособие / А.В. Арсеньев, В.Г.
Тырышкин. - учеб. пособие для вузов - Л: Машиностроение 2008. - 232с.
3. Шубенко-Шубин, Л.А. Газотурбинные
установки. Атлас конструкций и схем / Л.А. Шубенко-Шубин. - М: Машиностроение
2006. - 164с.
4. Кириллов, И.И. Теория турбомашин /
И.И. Кириллов. - учеб. пособие для вузов - Л.: Машиностроение, 2012. - 535с.
5. Кузьмичёв, Р.В. Расчёт и
проектирование газотурбинных установок газоперекачивающих станций / Р.В.
Кузьмичёв.- учеб. пособие для вузов - Брянск: БИТМ, 2007. - 88с.