Испытания пиротехнических средств ракетно-космической техники на исправность

  • Вид работы:
    Курсовая работа (т)
  • Предмет:
    Другое
  • Язык:
    Русский
    ,
    Формат файла:
    MS Word
    1,76 Мб
  • Опубликовано:
    2016-09-03
Вы можете узнать стоимость помощи в написании студенческой работы.
Помощь в написании работы, которую точно примут!

Испытания пиротехнических средств ракетно-космической техники на исправность

Содержание

 

Введение

Глава 1. Анализ существующих технологических подходов к испытанию пироустройств на исправность для изделий ракетно-космической техники

1.1 Характеристика существующих технологических подходов по проверке пиросредств изделий РКТ

1.2 Описание, классификация и характеристика пиропатронов

1.3 Проблемы безопасности испытаний пироустройств изделий РКТ

1.4 Постановка задачи исследования

Глава 2. Методика диагностики пироустройств изделий ракетно-космической техники

2.1 Последовательность действий, направленная на безопасное испытание ПУ

2.2 Критериальные определения, характеризующие технологию испытаний ПУ на исправность

2.4 Устройство и принципы работы блокинг-генератора блокинг-генератора

2.5 Функциональная схема устройства диагностики пироустройств

2.6 Электрическая принципиальная схема устройства

Глава 3. Конструктивное исполнение печатных плат, реализующих методику диагностики пироустройств на исправность

Заключение

Список литературы

Введение

Российская Федерация на притяжении существования космонавтики являлась и является флагманом этой стратегической отрасли. В мире нет стран, которые смогли добиться таких больших результатов в космонавтике. СССР, а затем Россия всегда были первопроходцами в сфере космонавтики. Первый запуск искусственного спутника "Спутник-1" земли совершил Советский Союз. Это торжественное событие произошло 4 октября 1957 года. Ровно через месяц в СССР был запуск второго спутника "Спутник-2".

Советский космический аппарат впервые в истории человечества отправил в космос живое существо собаку "Лайку". Затем СССР впервые в мире совершил запуск многоместного космического корабля "Восход-1".

Следующее важное событие, это запуск космического корабля "Восход-2", на этот раз советский космонавт Алексей Леонов совершил выход в открытый космос. Это был первый в мире случай выхода человека в открытый космос.

Самым значимым и важным событием в мировой космонавтике стал полёт в космос Юрия Гагарина. Советский космонавт совершил полёт 12 апреля в 1961 году. Полёт Юрия Гагарина был продолжительностью 1 час 30 мин. Космический корабль "Восток", в котором летел Гагарин совершил 1 виток вокруг Земли, на высоте примерно 200 км. над землёй. Этот полёт имел несколько целей: первая, это проверка возможности нахождения человека в космосе, вторая, проверка оборудования космического корабля и качества связи его с землёй и третья, проверка надёжности системы приземления космонавта и корабля.

Неоспоримым конкурентным преимуществом Российской космонавтики является высокая степень надёжности ракетной техники. СССР, а за тем и Россия всегда уделяли огромное внимание надёжности и безопасности. Это оправдано тем, что надёжность является ключевым параметром в этой отрасли. Любые даже малейшие сбои способны привести к гибели людей, экологическим катастрофам и огромным материальным затратам на ликвидацию последствий аварии. Например, авария ракеты-носителя "Протон-М", которая произошла 2 июля 2013 года. Падение ракеты-носителя произошло на 32 секунде полёта ракеты-носителя. Удачное стечение обстоятельств позволило избежать человеческих жертв, а экологической катастрофы не произошло по той причине, что ядовитое топливо выгорело полностью во время крушения. А вот материальный ущерб был оценён в 4,4 млрд. руб. Авария произошла по причине неправильно установленных нескольких датчиков. Правда, это крайне редкое событие в российской космонавтике.

В наше время постоянно становится выше и выше уровень конкуренции в сфере услуг, которые относятся к космонавтике. Многие страны считают космонавтику очень перспективной и важной отраслью. Например, космическая программа США на 5 лет предусматривает создание космических баз на луне для добычи полезных ископаемых, а также развитие космического туризма. А космическая программа Китая занимает второе место в мире после США по величине бюджета. Япония имеет большие планы в освоении космоса в ближайшее время.

Не так-то просто становится сохранять статус лидера. Не легко становится искать новых партнёров и заказчиков ракетно-космических услуг. Заказчики предъявляют всё более повышенные требования к надёжности и безопасности ракетно-космической технике. Некоторые страны уже вплотную приближаются по разработкам и технологиям в космической отрасли. Поэтому надёжность начинает становиться самым ключевым параметром в сфере космических технологий.

Объяснить это можно тем, что, если снизится уровень надежности, это повлечет за собой такие масштабные и трагичные потери жизни людей, масштабных проблем в экологии, ну и разумеется громадные материальные затраты, связанные с авариями из-за низкой надежности. Всё это может стать причиной того что станет невозможно оставаться флагманом этой стратегической отрасли.

Все выше перечисленные аргументы вынуждают нас непрерывно работать над увеличением степени надёжности и отказоустойчивости ракетно-космической техники. Для обеспечения такой степени надёжности надо выполнять следующие условия. Во-первых, нужно очень правильно определить в каком состоянии находятся элементы системы ракетно-космической техники. Во-вторых, это нахождение момента перед выходом из строя этих элементов. Для нахождения таких моментов необходимо наблюдать за системой в динамичном состоянии. После длительного анализа можно будет делать прогнозы и предположения касаемо вероятного времени безотказной работы тех или иных элементов сложной ракетно-космической техники.

При выборе между электронными пневмотическими клапанами и пиропатронами выбор пал на пиропатроны. Их стали широко применять в ракетно-космической технике, так как они отличаются повышенной надёжностью, а также они гораздо проще устроены чем электронные пневматические клапана. Для того чтобы осуществлять управление двигателями летательных аппаратов стали использовать пиротехнические средства. У ракеты-носителя есть ступени и блоки, которые необходимо отделять во время полёта. Для того чтобы иметь возможность отделять ступени и блоки стали применять пиротехнические устройства.

Есть большая сложность при работе с пиротехническими средствами, поскольку все работы связанны с повышенной опасностью. В связи с этим остро встаёт вопрос об обеспечении безопасности при проведении испытаний пиротехнических средств. Нужны новые методы и технологии, которые позволят повысить надёжность и безопасность испытания пиротехнических средств ракетно-космической техники на исправность.

В этой работе мы будем рассматривать новые методики и технологии, которые позволят нам производить испытания пиротехнических средств ракетно-космической техники на исправность с более высокой степенью надёжности и повышенной безопасности.

Возраст российской космонавтики несколько десятков лет. За это время удалось накопить очень большой опыт в этой непростой отрасли. Были проведены тысячи исследований и испытаний. На основании собранных данных можно создавать и разрабатывать всё более новые и эффективные средства проверки пиротехнических устройств на исправность.

ракетная техника пиропатрон

Глава 1. Анализ существующих технологических подходов к испытанию пироустройств на исправность для изделий ракетно-космической техники


В этом разделе кратко описаны основные наиболее важные источники информации, к которым приходилось обращаться во время написания выпускной квалификационной работы.

Во-первых, это книга под названием "Сложные методы обеспечения безотказности и надёжности сложных технических систем”, авторами которой являются Л.Н. Александровская, А.А. Лисов и А.П. Афанасьев. Эта книга посвящена методам, которые могут сделать сложные технические системы намного безопаснее на этапе разработки, изготовления и дальнейшего использования в различных отраслях. В книге много информации о системных методах качественного анализа отказоустойчивости. Например, метод "дерево отказов”, ещё метод, анализирующий характер потенциальных отказов и последствия от них. Так же в этой книге уделяется большое внимание превентивным мерам, повышающим степень безотказности, например, принципы, которые позволяют обеспечить бездефектное производство. Так же сюда относится возможность определить предотказное состояние устройства и устранение отказов в эксплуатации. Достаточно много внимания уделяется в этой книге вопросам стандартизации в отношении к надёжности. А также вопросам по разработке комплексных систем обеспечения надёжности и их последующей сертификации. Книга предназначена в первую очередь обучающимся в технических высших учебных заведениях студентам, которые в будущем планируют стать инженерами. Но и вполне является пригодной для аспирантов и инженерно-технических специалистов, которые по роду своей профессиональной деятельности интересуются вопросами безопасности и отказоустойчивости сложных технических систем.

Следующая книга имеет название "Блокинг-генераторы на транзисторах”. Автором этой книги является Б.А. Глебов. В данной книге подробно описаны основные режимы, в которых работают блокинг-генераторы, построенные на транзисторах. Основных режимов всего три. Первый это ждущий режим, второй - автоколебательный и третий это режим деления частоты. В книге уделяется внимание развитию блокинг-процессов при внешнем запуске. В книге есть данные о результатах экспериментов, которые подтверждают расчёты и методики инженерного расчёта. Книга в первую очередь предназначена инженерам, которые занимаются радиоэлектроникой и вычислительной техникой.

Ещё хочется сделать обзор книге, которая выпущена крупными учёными, которые занимаются в области космических аппаратов. Это профессоры В.Н. Кобелев и А.Г. Милованов. Книга называется ”Ракетно-космическая техника”. В книге проводится анализ развития и совершенствования средств выведения ракетно-космических аппаратов. В книге много справочного материала, а так же иллюстраций. В справочном материале много информации по устройству российских средств выведения и их зарубежных аналогов, а так же по их характеристикам. В книге к тому же рассмотрены многоразовые ракетные системы. Книга будет полезна и интересна всем без исключения, кто занимается и увлекается космонавтикой и ракетно-космической техникой.

1.1 Характеристика существующих технологических подходов по проверке пиросредств изделий РКТ


За время работы с ракетоносителем "Энергия" было проведено множество научных исследований, накоплен колоссальный опыт, вследствие которых были сделаны следующие выводы:

Обязательно введение этапов предохранения в систему управления пиротехническими устройствами для обеспечения взрыво - и пожаробезопасности. Каждый из этапов должен полностью проходить проверку и после этого допускать испытателей до следующего, а в случае если он проверку не проходит - не допускать к выполнению следующих этапов.

Запрещено проводить любые работы по электро - и газосварке, в том числе и плазмосварке, на изделии, к которому подключены пиротехнические устройства. Аналогично, особое внимание следует уделять любому электрическому воздействию на устройства (статика, грозовое и т.д.)

Беспрекословно следовать документации по эксплуатации устройств.

Хочется подчеркнуть, что из всего вышеперечисленного следует, что все пиротехнические устройства должны тщательным образом быть проверены не только при их производстве, но и в обязательном порядке установленные на изделии. Также особое внимание необходимо уделить испытаниям системы управления пиротехническими устройствами.

Способ, который выбрали как аналог известен. Это способ "Испытания изоляции электровзрывных цепей", который описан в патенте №2022289, его характеризует то, что испытательное напряжение поступает на закороченные выводы электровзрывной цепи и проводят измерение контролируемого параметра, которым будет либо ток в электроразрывной цепи, или сдвиг фаз между напряжением и током в цепи. Состоянии изоляции определяют исходя из сравнения значений полученного результата и эталонного. Стоит подчеркнуть, что частота испытательного напряжения устанавливается в десять раз выше, чем частота блуждающего тока земли.

Устройство, которое выбрано как аналог, называется "Устройство для контроля электрических цепей", его описание представлено в патенте №390475. Его основная характеристика в том, что им можно бесконтактно измерять сопротивление замкнутого контура электрических цепей. Клещи для измерения изготовлены в виде двух разъёмных магнитопроводов. Один магнитопровод возбуждающий, второй магнитопровод измеряющий, у них одно ярмо общее. Измерение сопротивления контура выполняет гальванический прибор. В качестве вторичной обмотки двух магнитопроводов включён измеряемый контур.

Рис.1. Устройство контроля электрических цепей.\

Устройство относится к измерительной технике. Используется для измерения сопротивления замкнутых контуров электрических цепей, шин заземления, различных приборов, жил кабелей параллельно соединённых и пр.

Обычно такие приборы разрывают цепь, т.к. они разрывают контур и при измерительных приборов измеряют сопротивление цепи. Для того чтобы бесконтактным методом выполнить измерение сопротивления замкнутого контура электрической цепи не разрывая контур в данном устройстве клещи изготовлены в виде двух разъёмных магнитопроводов. Возбуждающий и измерительный магнитопровода с одним общим ярмом. Измеряемый контур включен в качестве вторичной обмотки возбуждающего магнитопровода и первичной измерительного. В этом устройстве показанном на рис.1 для того чтобы бесконтактно измерить сопротивление замкнутого контура 1 электрической цепи ЭДС, которая наведена на во вторично обмотке магнитопровода 2, пропорциональна току J контура и потокам рассеивания магнитопровода, которые достигают магнитопровода 2. С выходной обмотки магнитопровода 2 напряжение попадает на устройство измерения, в которое входят следующие элементы: согласующий трансформатор 4, выпрямительные диоды 5, 6, построечные резисторы 7, 8, ограничительный диод 9 и магнитоэлектрический измерительный прибор. Что бы настроить параметры схемы при изготовлении используют построечные резисторы. Шкалу прибора 10 частично линеаризует кремниевый диод 10. Помеха, которая наводится в магнитопроводе 2, сильно уменьшается благодаря использованию общего ярма 11, так как магнитное поле магнитопровода 3 в ярме разветвляется: одна часть замыкается по ярму, другая же по магнитопроводу 2, т.е. поля помех действуют встречно. Если магнитные сопротивления ярма и магнитопровода равны, то помеха минимальная. А так же помеха становится слабее благодаря кремниевым диодам 5,6. Шкала прибора градуирована для отсчёта сопротивления.

Устройство для контроля электрических цепей, которое содержит источник переменного тока, измерительные клещи, измерительное устройство, разница которого в том что для проведения бесконтактного измерения сопротивления замкнутого контура электрической цепи без разрыва, клещи выполнены в виде двух разъёмных магнитопроводов: один возбуждающий, второй измерительный, они имеют общее ярмо. Измеряемый контур включён в качестве вторичной обмотки возбуждающего магнитопровода и первичной измерительного магнитопровода.

 

.2 Описание, классификация и характеристика пиропатронов


Пиротехнический патрон, так же он может называться пироболт. Данное устройство относится к пиротехническим средствам. Пироболт имеет электрический запалм. Такой запалм позволяет очень быстро, почти мгновенно срабатывать пиротехническому патрону. Срабатывание пиропатрона приводит в действие различные устройства и механизмы. Различных модификаций пиропатронов большое множество, но у всех без исключения есть гильза с зарядом взрывчатки и электрический запалм.

Пиропатроны очень активно используются во многих системах, которые являются одноразового использования, а так же в различных аварийных системах. Очень подходящий пример, это устройство аварийной системы срабатывания подушки безопасности. Необходимо что бы подушка безопасности срабатывала максимально быстро. Это условие достигается путём применения в аварийной системе пиротехнических патронов. В аварийный момент пиропатрон срабатывает и подушка наполняется газом, который образовывается при взрыве взрывчатки, которой был заряжен пиропатрон. Так же пиропатроны широко применяются в различных пожарных системах. Например, сработавший пиропатрон может запирать нужный кран, отсекать определённые каналы, сбрасывать необходимые элементы в нужный момент времени. Пиропатроны нашли применение в ракетно-космической и авиационной отраслях, в военном деле, а так же в других важных и сложных отраслях.

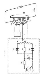
Рис.2. Пироболт системы разделения

Пироболты входят в систему разделения, которая предназначена для разделения и увода с траектории элементов конструкции ракеты-носителя, выполнивших свои функциональные задачи и не нужных больше в полёте. Система разведения состоит из двух групп агрегатов, которые делятся по своим основным функциональным задачам. В первую группу входят узлы и агрегаты, которые должны надёжно соединять элементы конструкции, которые должны будут отсоединиться в нужный момент, и разрывать эти силовые соединения. К таким устройствам относятся пиротехнические болты (рис.2), пневмозамки, пирозамки, механические замки и другие подобные устройства. Во вторую группу входят устройства, которые должны разводить разделяющиеся части, к ним относятся следующие устройства: пиротолкатели, пневмотолкатели, пружинные устройства и другие подобные им.

Самый простой и распространённый пиропатрон это ПП-3. В него входят следующие компоненты: облуженная гильза из латуни, изолятор, центральный контакт, две нити накаливания и заряд пороха, порох бездымный. Пиропатрон очень похож на лампочку накаливания для фары автомобиля. Напряжение, при котором пиропатрон срабатывает равно 24 В.

Часто для повышения надёжности в пиропатроне делают два детонатора вместо одного. Такие пиропатроны применяют преимущественно в космической технике и авиационной. Несколько примеров применения таких пиропатронов в космической технике: отстрел обтекателей ракеты, а так же с помощью пиропатронов происходит отделение ступеней и блоков ракеты, в нужные моменты.

В качестве взрывчатого вещества может использоваться не только порох, но и другие материалы. Взрывчатые материалы выбираются исходя из необходимых требований по скорости воспламенения, температуры горения и объёма газа, который выделяется при взрыве пиропатрона. Некоторые материалы взрываются с задержкой, одна из них это смесь марганец / хромат свинца / хромокислый барий. Эта смесь применяется для того чтобы возгорания происходили последовательно. Есть смеси, у которых в зависимости от давления меняется скорость горения. Вот дна из них: нитроцеллюлоза и RDX. Эта смесь при воспламенении которой выделяется газ. В космосе она не может быть использована. Существуют смеси, которые устойчивы к высоким температурам. Например, смесь из двух компонентов: азотнокислый калий и карбида бора. Применяется она как ракетно-двигательный воспламенитель. Часто возникает потребность в таких смесях, которые устойчивы к статическому электричеству. Одна из них смесь из перхлората калия и циркония. Смесь имеет длительный срок хранения. Есть такие смеси, которые невосприимчивы к температуре и стабильно устойчивы в вакуумной среде. Например: азид свинца. Но азид свинца обладает такими свойствами при условии что для десенсибилизации декстрин не используется. Азид свинца имеет большой срок хранения.

Есть материалы, которые взрываются только в вакуумной среде. Они применяются в ракетно-космической технике. Есть смеси при взрыве, которых газ не выделяется вообще. Работы, связанные с пиротехническими средствами, относятся к категории особо опасных и есть большая опасность получить серьёзные травмы, все сотрудники, которые работают с пироустройствами проходят обязательные занятия и сдают зачёты, чтобы быть допущенными к таким работам.

1.3 Проблемы безопасности испытаний пироустройств изделий РКТ


Недостаток способа, который представлен патентом №2022289 "Способ испытаний изоляции электровзрывных цепей" в том, что является не безопасным при проведении измерения сопротивления изоляции электровзрывной цепи, т.к. испытательное напряжение подаётся прямо к электровзрывной цепи.

Недостаток следующий состоит в том, что невозможно выполнить измерение сопротивления на длинной линии. Так же к недостаткам относятся сложное устройство магнитопровода и наличие измерительного прибора.

Технологи для испытаний электротехнических элементов, а именно мостиков пироустройств, которую мы описываем, подразумевает применение особого маломощного источника тока. В цепь мостика пироустройства источник тока подключается гальванически. В связи с этим значительно снижается безопасность проводимых работ.

Для обеспечения высокого уровня надежности и безопасности для предупреждения предотказного состояния ракетно-космической техники необходимо непрерывно контролировать изменения составляющих ее элементов.

В настоящее время все ракетно-космические проекты проводятся с особым контролем, подходом и ответственностью, так как имеют высокую степень важности. В них применяется весь имеющийся накопленный за многие годы опыт. В качестве примера приведем ракетоноситель "Энергия" произведенный для проекта "Буран", на котором было установлено порядка трехсот пиротехнических устройств. Все эти пиропатроны позволяют отделять ступени и прочие элементы ракетоносителя в нужный момент времени. От каждого пиропатрона зависит правильно ли будет проводиться запуск и полёт ракеты-носителя. Для безопасного и надежного обслуживания такого количества пиропатронов на стартовом комплексе в обязательном порядке проводился целый ряд подготовительных мероприятий:

Во-первых, специально разработали три категории возможных последствий несрабатывания пиротехнических устройств:

         первая категория последствий - это последствия, которые имеют катастрофический характер;

-        вторая категория последствий - повлекшие за собой снятие ракетоносителя с пусковой площадки и его дальнейшие ремонтно-восстановительные работы, т.е. ремонт и восстановление не представляется возможным в пределах пусковой площадки;

         третья категория последствий - повлекшие за собой ремонтно-восстановительные работы ракетоносителя прямо на стартовом комплексе, без необходимости снятия его с пусковой площадки. Все ремонтные и восстановительные работы проводятся прямо на стартовом комплексе.

Все три категории последствий отличаются порядком стоимости восстановительных работ в случае неправильного срабатывания или несрабатывания пиротехнического устройства. Введение этих категорий позволило разделить пиротехнические патроны на группы, и во время испытательных работ выборочно производить включение и отключение нужных групп устройств, что значительно повысило безопасность проведения испытаний и надежность конечного изделия (ракетоносителя).

Во-вторых, имела место проблема преждевременного срабатывания пиропатронов. Для ее устранения были разработаны и произведены пиротехнические патроны с системой защиты от преждевременного срабатывания. Это был важный шаг в развитии по обеспечению безопасности проведения испытательных работ.

В-третьих, при проведении испытаний пиротехнических патронов, через них пропускается электрический ток. Проблема заключается в определении точной величины и рода электрического тока.

В настоящее время в технологии испытаний на исправность ПУ имеют место следующие проблемы:

модуль ограничения контрольного тока включается коммутатором. Номинал коммутатора определяет величину электрического тока. Величина контрольного тока значительно влияет на безопасность испытаний, вследствие чего возникает необходимость в дополнительных устройствах для контроля безопасной величины электрического тока;

значительным недостатком является использование коммутаторов в электрической цепи. Это обуславливается достаточно большим весом самих коммутаторов, что сказывается на общем весе РКТ.

1.4 Постановка задачи исследования


Руководствуясь имеющимся опытом, разработать новый метод проведения испытательных работ пиротехнических устройств. Новый метод должен обладать следующими особенностями:

максимальная безопасность проведения испытательных работ;

более высокая эффективность и технологичность метода по сравнению с имеющимся в настоящее время;

бесконтактный способ выполнения испытательных работ;

бортовые технические средства должны иметь систему защиты от превышения заданного значения и времени подачи электрического тока на цепь пиротехнических устройств;

применять минимальные значения величины в минимальный интервал времени подачи электрического тока на цепь ПУ.

Глава 2. Методика диагностики пироустройств изделий ракетно-космической техники


2.1 Последовательность действий, направленная на безопасное испытание ПУ


Способ испытаний на исправность электротехнических элементов, включающий наведение тестовой ЭДС, измерение параметра, характеризующего состояние электротехнического элемента, сравнение величины измеренного параметра с эталонным значением и определение по превышению измеренной величины эталонного значения состояния электротехнического элемента, характеризуется тем, что тестовую ЭДС наводят на любом участке электрического контура, образованного короткозамыкателем, линией связи и электротехническим элементом, измеряют истинное значение тока, протекающего на участке наведения тестовой ЭДС, вычитая на участке наведения тестовой ЭДС из общего тока ток наводимой помехи, а сравнение эталонного значения производят с истинным значением тока, характеризующего истинное состояние и сопротивление электротехнического элемента.

Устройство испытаний на исправность электротехнических элементов, содержащее автогенератор с магнитопроводом, на котором размещены первая, вторая и третья обмотки, причем вывод третьей обмотки соединен с выводом короткозамыкателя, характеризуется тем, что вывод обратной связи автогенератора соединен с началом первой обмотки магнитопровода, конец которой соединен с выводом тока возбуждения автогенератора и с концом второй обмотки магнитопровода, начало которой заземлено, другой вывод третьей обмотки магнитопровода соединен через первый проводник линии связи с одним из выводов электротехнического элемента, другой вывод которого через второй проводник линии связи подключен к другому выводу короткозамыкателя, а вывод подключения источника питания и вывод тока подмагничивания автогенератора подключены к формирователю эталонного тока, причем сигнальный вывод автогенератора через фильтр нижних частот подключен к входу триггера Шмитта, вывод которого является выводом устройства.

Устройство испытаний на исправность электротехнических элементов характеризуется тем, что автогенератор содержит первый транзистор, эмиттер которого, являющийся выводом обратной связи автогенератора, через первый конденсатор заземлен, а вывод подключения источника питания через первый резистор соединен с сигнальным выводом автогенератора и с коллектором второго транзистора, база которого через второй резистор соединена с базой и коллектором первого транзистора, коллектор которого является выводом тока подмагничивания автогенератора, вывод тока возбуждения которого через параллельно соединенные второй конденсатор и третий резистор подключен к эмиттеру второго транзистора.

Устройство испытаний на исправность электротехнических элементов характеризуется тем, что первая и вторая обмотки размещены на магнитопроводе оппозитно.

Под вышеописанной последовательностью действий понимается технология проведения испытательных работ на исправность ПУ, а именно, технология испытаний бесконтактным способом, в которой исключен подключенный гальванически общий технологический фидер. Такая технология ранее нигде не реализована, является новой и именуется бесфидерной. Руководствуясь идеей бесфидерной технологии, был разработан параметрический датчик, обладающий следующими особенностями для обеспечения наибольшей надежности испытаний:

применяется в качестве источника питания в испытуемой цепи ПУ;

является средством контроля управления ПУ;

тестовый электрический ток в цепь передается через трансформатор гальванически разобщенным способом;

В используемой в настоящее время технологии проведения испытательных работ ПУ требуется дополнительное устройство для ограничения величины электрического тока. Применение в испытаниях параметрического датчика освобождает от использования этого дополнительного устройства.

Бесфидерная технология проведения испытаний имеет и свои требования, главным из которых является установка параметрических датчиков в каждой электрической цепи испытаний ПУ. Источником питания цепи в этом случае будет сам параметрический датчик. Бортовая аппаратура в своем составе имеет устройство, которое может произвести КЗ разноименных шин ПУ, что позволяет имитировать нулевое внутреннее сопротивление бортового источника питания на силовых шинах множества ПУ.

На рис.3 изображена функциональная схема контроля и управления множеством ПУ.

Рис.3. Функциональная схема 1

Функциональная схема 3 содержит следующие элементы:

- Мостик;

- Бортовая кабельная сеть (БКС);

- Выходная обмотка параметрического датчика;

- Контакты штатного коммутатора;

- Устройство КЗ;

- Бортовой источник питания.

Обратим внимание, что при штатном управлении к шинам управления ПУ подключается через контакты ступеней предохранения бортовой источник питания.

До устройства КЗ, цепи управления и контроля ПУ совершенно одинаковы, что подчеркивает эффективность данного технологического метода.

2.2 Критериальные определения, характеризующие технологию испытаний ПУ на исправность


Перечислим необходимые устройства для проведения испытательных работ РКТ:

датчик измерения электрического тока;

устройство сопоставления значения эталонного и измеренного электрического тока;

коммутаторы для создания электрической цепи;

источник питания, который обеспечивает электрическим током цепь.

Далее перечислим критерии, которые определяют технологию выполнения испытательных работ РКТ:

каким образом будет включаться датчик измерения тока;

как ограничить ток в электрической цепи;

как будет формироваться цепь для испытательных работ;

каким образом будет включаться источник питания.

2.3 Описание метода испытаний ПУ на исправность

 

При рассмотрении в качестве испытуемого электротехнического элемента мостика пиросредства изделия ракетно-космической техники для контроля его сопротивления и целостности применяются специальные слаботочные источники тока, не обеспечивающие в полной мере безопасность проводимых операций. Для обеспечения максимальной безопасности испытаний на исправность электротехнических элементов ракетно-космической техники требуется бесконтактное измерение требуемых параметров. Для реализации такой технологии испытаний бесконтактно наводят тестовую электродвижущую силу на любом участке между короткозамыкателем и линией связи электрического контура, образованного короткозамыкателем, линией связи и мостиком пиросредства.

При использовании прототипа для наведения тестовой электродвижущей силы в электрическом контуре, образованном короткозамыкателем, линией связи и электрическим мостиком пиросредства, между короткозамыкателем и линией связи, образуется большой замкнутый электрический контур, в котором, например, переменное магнитное поле наводит продольную (синфазную) помеху. Учитывая, что величина наводимой тестовой электродвижущей силы составляет 10-150 мВ, то наведенная помеха будет близка по амплитуде к ней. Поэтому недостатком указанного прототипа является то, что при подключении электротехнического элемента через линию связи, например, свыше одного метра, исключается возможность его испытания по причине наведения помехи.

Техническим результатом данного способа и устройства для его осуществления является расширение функциональных возможностей, за счет обеспечения испытаний на исправность электротехнических элементов, отнесенных от технических средств контроля на расстояния, а также обеспечение безопасности испытаний электрических мостиков пиросредств.

Технический результат достигается за счет того, что в способе испытаний на исправность электротехнических элементов, включающем наведение тестовой электродвижущей силы, измерение параметра, характеризующего состояние электротехнического элемента, сравнение величины измеренного параметра с эталонным значением и определение по превышению измеренной величины эталонного значения состояния электротехнического элемента, в отличие от прототипа, тестовую электродвижущую силу наводят на любом участке электрического контура, образованного короткозамыкателем, линией связи и электротехническим элементом, измеряют истинное значение тока, протекающего на участке наведения тестовой ЭДС, вычитая на участке наведения тестовой ЭДС из общего тока ток наводимой помехи, а сравнение эталонного значения производят с истинным значением тока, характеризующего истинное состояние и сопротивление электротехнического элемента.

Технический результат достигается за счет того, что в устройстве испытаний на исправность электротехнических элементов, содержащем автогенератор с магнитопроводом, на котором размещены первая, вторая и третья обмотки, причем вывод третьей обмотки соединен с выводом короткозамыкателя, в отличие от прототипа, вывод обратной связи автогенератора соединен с началом первой обмотки магнитопровода, конец которой соединен с выводом тока возбуждения автогенератора и с концом второй обмотки магнитопровода, начало которой заземлено, другой вывод третьей обмотки магнитопровода соединен через первый проводник линии связи с одним выводом электротехнического элемента, другой вывод которого через второй проводник линии связи подключен к другому выводу короткозамыкателя, а вывод подключения источника питания и вывод тока подмагничивания автогенератора подключены к формирователю эталонного тока, причем сигнальный вывод автогенератора через фильтр нижних частот подключен к входу триггера Шмитта, вывод которого является выводом устройства.

При этом предлагается автогенератор выполнить в виде первого транзистора, эмиттер которого, являющийся выводом обратной связи автогенератора, через первый конденсатор заземлен, а вывод подключения источника питания через первый резистор соединен с сигнальным выводом автогенератора и с коллектором второго транзистора, база которого через второй резистор соединена с базой и коллектором первого транзистора, коллектор которого является выводом тока подмагничивания автогенератора, вывод тока возбуждения которого через параллельно соединенные второй конденсатор и третий резистор подключен к эмиттеру второго транзистора.

В устройстве испытаний на исправность электротехнических элементов, предлагается также первую и вторую обмотки разместить на магнитопроводе оппозитно.

Существо изобретения заключается в следующем. Электрические мостики пиросредств, как электротехнические элементы, относятся к особо опасным цепям. Поэтому обеспечение безопасности проводимых с ними работ и получение достоверной информации является очень важным моментом при проектировании технологии работы с изделием РКТ. Как правило, пиросредства отнесены от бортовых средств контроля и управления с помощью кабельных связей на расстояние от 1 до 50 метров, в зависимости от изделия РКТ. В таких условиях прототип не функционирует. Для повышения безопасности проводимых операций тестовую ЭДС наводят бесконтактно на любом участке между короткозамыкателем и линией связи с пиросредством. Указанный способ позволяет наведенной в электрическом контуре управления пиросредством маломощной ЭДС (мощность ЭДС составляет 10-40 мВт, чем обеспечивается максимальная безопасность испытаний) проводить контроль целостности и измерение сопротивления электрического мостика пиросредства, удаленного от технического средства контроля. Однако при проведении такого измерения большую неприятность представляют схемы с коммутируемой индуктивностью, которых, в частности, на изделиях РКТ много. Общий ток, протекающий по замкнутому электрическому контуру, включает в себя истинный ток, наводимый тестовой ЭДС, и ток наведенной помехи. Поэтому признаки, характеризующие измерение истинного тока, заключаются в том, что ток наведенной помехи из общего тока вычитается на участке наведения тестовой ЭДС. Полученное значение истинного тока сравнивается с эталонным значением тока и по результату сравнения судят об истинном состоянии и сопротивлении электрического мостика пиросредства.

Устройство, реализующее предлагаемый способ, задает величину эталонного тока в зависимости от характеристики электротехнического элемента, в частности, от количества и типа пиросредства. Наведенная на любом участке замкнутого электрического контура тестовая ЭДС формирует истинный ток, который суммируется с наведенным током продольной помехи, образуя тем самым общий ток электрического контура. При этом признаки, обеспечивающие встречное включение первой и второй обмоток магнитопровода, характеризуют его как режекторный дроссель, который, с одной стороны, по отношению к значению истинного тока не является индуктивным сопротивлением и не ослабляет его. С другой стороны, его индуктивное сопротивление для тока продольной помехи является высоким, за счет чего он существенно ослабляется. Признаки, характеризующие оппозитное расположение первой и второй обмоток на магнитопроводе способствует существенному увеличению индуктивности рассеяния. Наводимая помеха преобразуется на индуктивностях рассеяния оппозитно расположенных на магнитопроводе обмоток в электромагнитные поля, которые на магнитопроводе взаимокомпенсируются, что соответствует вычитанию тока помехи из общего тока электрического контура. Значение истинного тока измеряется и сравнивается на обмотках магнитопровода со значением эталонного тока, которое задается током подмагничивания магнитопровода. При превышении значения истинного тока значения эталонного тока магнитопровод входит в насыщение, срывая при этом колебания автогенератора, в результате чего триггер Шмитта переключается в другое состояние. По факту переключения триггера Шмитта судят об исправности и сопротивлении электрического мостика пиросредства.

Для контроля состояния реле давлений двигателя изделия РКТ в качестве короткозамыкателя может быть использовано само реле давления. В этом случае тестовая ЭДС наводится на участке, подключенном с одной стороны линии связи, с другой стороны которой подключено реле давления. При срабатывании реле давления цепь замыкается. Измеряется ток короткого замыкания контура вычитанием из общего тока цепи тока наводимой помехи. Результат измеренного тока сравнивается со значением эталонного тока, по превышению которого срываются колебания автогенератора, что является фактом срабатывания реле давления.

Рис.4. Вебер-амперная характеристика

На рис.4 представлена вебер-амперная характеристика, поясняющая способ испытаний на исправность электротехнических элементов.

Для примера осуществления заявленного способа в качестве испытуемого электротехнического элемента рассмотрен электрический мостик пиросредства изделия РКТ, подключенный с помощью линии связи к средствам испытаний, длина которой может составлять 1-50 метров. Существующая технология испытаний электротехнических элементов, в частности, мостиков пиросредств предусматривает использование специализированного маломощного источника тока, который гальванически включается в цепь мостика пиросредства. Такой подход к испытанию состояния мостика снижает безопасность и технологичность проводимых работ. Заявленный способ испытаний на исправность, предписывающий бесконтактное испытание элемента, заключается в наведении тестовой ЭДС на любом участке электрического контура, образованного короткозамыкателем, линией связи и электрическим мостиком пиросредства. Наводимая тестовая ЭДС является маломощной (10 - 150 мВ) и её величина не представляет никакой угрозы для несанкционированного управления пиросредством. Тестовую ЭДС наводят с помощью автогенератора с магнитопроводом, на котором расположены обмотки возбуждения, обратной связи и наведения тестовой ЭДС.

На рис.4 представлена вебер-амперная характеристика, где: BR - остаточная магнитная индукция; HC - коэрцитивная сила; BS-индукция насыщения магнитопровода; М1ОМ - основная кривая намагничивания; S - переменная магнитная индукция; D - переменный ток автогенератора, наводимый индукцией S.

Задаваемый ток подмагничивания IO формирует напряженность магнитного поля, где - число витков обмотки намагничивания; l - средняя длина линии магнитопровода, которому соответствует магнитная индукция ВО. При этом переменная составляющая магнитной индукции S при работе автогенератора формирует на основной характеристике магнитопровода частный цикл АБ. Переменный магнитный поток согласно частному циклу наводит в обмотке магнитопровода переменный ток D, который трансформируется в обмотку наведения тестовой ЭДС. Таким образом, подключая обмотку наведения тестовой ЭДС на любом участке электрического контура, образованного короткозамыкателем, линией связи и электротехническим элементом, обеспечиваем наведение тестовой ЭДС на участке её подключения. Кроме того, задаваемый ток подмагничивания формирует эталонное значение тока. Согласно рис.1 эталонное значение тока IЭТ определяется разностью между током насыщения магнитопровода (точка М согласно рис.1) и током подмагничивания. Для спрямления вебер-амперной характеристики магнитопровода, соответственно увеличения магнитного сопротивления, магнитопровод выполняют с воздушным зазором . Электрическая цепь, образованная короткозамыкателем, линией связи и электротехническим элементом образует контур, в котором переменные магнитные и электрические поля наводят помехи. Как выше было сказано, большую неприятность как источники помех могут представлять схемы с коммутируемой индуктивностью: автогенераторы, электроклапаны, электронасосы, электроприводы, имеющие большие пусковые токи. Поскольку в обозначенном электрическом контуре будет наводиться в основном продольная помеха, то она будет суммироваться с наводимой на любом участке электрического контура тестовой ЭДС. То есть общий ток электрического контура не будет содержать достоверную информацию о состоянии электротехнического элемента. Поэтому для обеспечения проведения испытаний на исправность электротехнических элементов заявленный способ предписывает на участке наведения тестовой ЭДС производить измерение истинного тока, вычитая из общего тока электрического контура ток наводимой помехи. Вычитание тока наводимой помехи из общего тока контура обеспечивается выполнением обмоток магнитопровода в виде режекторного дросселя. Индуктивное сопротивление режекторного дросселя для истинного тока представляет незначительную величину, в то время как для тока наводимой помехи индуктивное сопротивление дросселя составляет уже существенную величину, практически сводя на участке наведения тестовой ЭДС этот ток помехи к нулю. В результате проведения операции вычитания получаем значение истинного тока, которое характеризует истинное состояние и сопротивление электротехнического элемента. Величина полученного значения истинного тока сравнивается со значением эталонного тока. Сравнение значения истинного тока с эталонным значением обеспечивается на магнитопроводе следующим образом. Значение истинного тока трансформируется в обмотку возбуждения магнитопровода со значением Iи, где, суммируясь с током подмагничивания I0, образует суммарный ток (I0+Iи). Увеличиваясь за счет увеличения значения истинного тока, суммарный ток постепенно подводит магнитопровод к состоянию насыщения. При превышении суммарного тока обмотки возбуждения тока насыщения магнитопровода, последний входит в состояние насыщения. Таким образом, превышение значения истинного тока Iи значения эталонного тока IЭТ является условием реализации сравнения, при котором колебания автогенератора срываются по причине насыщенного состояния магнитопровода. По факту срыва автоколебаний судят о состоянии и сопротивлении электротехнического элемента.

2.4 Устройство и принципы работы блокинг-генератора блокинг-генератора


В первую очередь необходимо определить, что блокинг-генератор это генерирующее устройство, собранное на транзисторах. Далее мы узнаем, что это ключевой параметр данного устройства. Длинна импульсов, создаваемых блокинг-генератором очень маленькая. Это устройство работает по такому принципу: оно непрерывно пытается прийти к своему состоянию равновесия. Как только удаётся достичь такого состояния на блокинг-генератор поступает дополнительная энергия. Здесь следует подчеркнуть, что генераторы, которые работаю по такому принципу, называют релаксационным генератором. А так же следует добавить, что данные генераторы собираются лишь с единственным транзистором, т.е. это генератор однокаскадный. Этот самый импульсный трансформатор создают большую индуктивную связь положительной полярности.

Время жизни импульсов, который создаёт генератор ничтожно мало. Диапазон длительности примерно следующий: от 25-35 наносекунд до 400-600 микросекунд. Фронт таких импульсов очень крутой, а срез очень сильно похож на прямоугольник.

Обязательно следует учесть такой параметр - скважность. Например, в иностранной литературе параметр обратный скважности называют - коэффициент заполнения. Скважность является одним из важных показателей импульсных систем. Этот параметр определяет отношение повторения импульса к его длительности.

Скважность можно вычислить по следующей формуле:


где S - скважность блокинг-генератора, D - коэффициент заполнения, T - период (повторяемость), t - длительность импульса.

Скважность показывает как относится мощность пиковая к средней. Для импульсных систем этот параметр считается очень значимым. Читая русскоязычную и англоязычную литературу можно часто ошибаться, если чётко не представлять, как относится параметр скважности к коэффициенту заполнения. А дело всё в том что в англоязычных источниках коэффициент заполнения вычисляется в процентах, а скважность величина безразмерная. Принципиально и тот и другой параметр показывают одно и то же, только по разному. Скважность показывает, как относится период к длительности импульса, а коэффициент заполнения длительность к периоду.

Блокинг-генераторы имеют высокую скважность. Это показывает нам на то что у блокинг-генераторов очень маленькая длительность импульсов, а вот частота этих импульсов довольно высокая. Из всего этого можно сделать вывод, что транзисторы потребляют маленькое количество энергии, так как они практически постоянно закрыты.

Основные принципы работы блокинг-генератора.

Подробно опишем этапы работы блокинг-генератора. Всего можно выделить два этапа работы блокинг-генератора.

Этап первый. В самом начале импульс поступает на эмиттер. Это вынуждает транзистор открыться. Всё это инициирует блокинг-генератор начать работать. После этого на базу трансформатора поступает ток. Это влечёт за собой накопление заряда. Коллекторный ток увеличивается. Дальше мы наблюдаем быстрое увеличение коллекторного тока, базового тока, а так же тока нагрузки. Это объясняется тем, что появляется обратная положительная связь, обусловленная наличием сопротивления катушек трансформатора. Это всё приводит к тому, что разность потенциалов коллектора и эмиттера становится меньше. Разность потенциалов стремится к нулю. Как только она становится близкой к нулю, наступает фаза насыщения блокинг-генератора. На этом первая фаза работы блокинг-генератора заканчивается.

После этого блокинг-генератор переходит ко второй фазе работы.

В трансформатор входит первичная и вторичная обмотки. На самом деле трансформатор может состоять и из большего количества индуктивно связанных катушек. Если трансформатор состоит из одной обмотки, то это автотрансформатор. В первичной обмотке есть сопротивление, условно считаем, что его нет. Подаём постоянный ток на обмотку. На других обмотках напряжение в этот момент постоянное. Токи в схеме зависят от свойств, которыми обладает цепь. Изменения происходят в соответствии с этими свойствами. Цепи и вторичные обмотки имеют последовательное соединения. Любой трансформатор имеет сердечник. Сердечник, так же его называют магнитопровод, необходим для того чтобы передача энергии от первичной обмотки ко вторичной происходила более эффективней. Внутри сердечника концентрируется магнитное поле. Если бы в трансформаторе отсутствовал сердечник, то магнитное поле первичной обмотки рассеялось в пространстве, никак не повлияв на индукцию тока во вторичной обмотке. Сердечник обладает своими свойствами. Эти свойства оказывают непосредственное воздействие на ток в схеме.

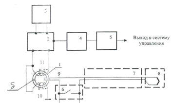
2.5 Функциональная схема устройства диагностики пироустройств


Рассмотрим электрический мостик пироустройства в качестве электротехнического элемента. Функциональная схема устройства для испытаний исправности электротехнических узлов показана на рис.5. Предположим, что сопротивление мостика пироустройства равно 20 Ом, а напряжение, которое наводится тестовой электродвижущей силой равно 20 мВ. В этом случае значение истинного тока в электрическом контуре равно 1 мА. Через ток подмагничивания эталонный ток настроен на 0,5 мА. Из общего тока на участке, на который наводится тестовая электродвижущая сила тока вычитаем результат измерения истинного тока, на магнитопроводе сравнивается со значением эталонного тока, который составляет 0,5 мА. Но перед этим он трансформируется в обмотку возбуждения. Магнитопрровод войдет в насыщение, поскольку суммарный ток обмотки возбуждения превысит ток насыщения магнитопровода. Это произойдёт из за того, что значение истинного тока превышает эталонное. В результате насыщения магнитопровода произойдёт срыв колебаний автогенератора, это является фактом целостности электрического мостика пироустройства и того, что его сопротивление равно значению, которое требуется. Если электрический мостик пироустройства будет имеет обрыв или будет ошибочно подключен к группе пироустройств, то значение истинного тока не будет превышать величины эталонного тока. И в результате сравнения колебания автогенератора не сорвутся. Это будет означать, что пироустройства неисправно.

Рис.5. Функциональная схема устройства

На рис.5 показано, что устройство включает магнитопровод 1 с обмоткой возбуждения и обратной связи, которые подключены к автогенератору 2, автогенератор соединён с формирователем 3 эталонного тока у тригеру Шмитта 5 через фильтр низких частот 4. Через линию связи 7 короткозамыкатель 6 одним выводом подключен к электротехническому элементу, другим же выводом подключен к обмотке 9 наведения тестовой электродвижущей силы.

Данное устройство работает таким образом. Когда подаётся питание на устройство происходит запуск автогенератора 2. Обмотки возбуждения 10 и обратной связи 11 магнитопровода 1 имеют встречное подключение и у них есть средняя точка, подключенная к автогенератору. Это включение обмоток магнитопровода 1 даёт возможность выполнить одновременно его в качестве режекторного дросселя для того что бы подавлять продольные помехи на участке наведения тестовой электродвижущей силы. Ток подмагничивания автогенератора 2 задается формирователем 3 эталонного тока, этим самым задается значение эталонного тока, с которым происходит сравнение трансформированного измеренного значения истинного тока электрического контура: обмотка 9 магнитопровода 1 - короткозамыкатель 6 - линия связи 7 и электротехнический 8 элемент. Образуется короткозамкнутый вышеописанный контур. Когда работает автогенератор на участке подключения обмотки она наводит тестовую электродвижущую силу. Величина наводимая тестовой электродвижущей силой имеет величину, 10-150 мВ (настройкой автогенератора и числом витков обмотки 9 эту величину можно установить).

Наведенная тестовая электродвижущая сила формирует истинный ток в короткозамкнутой цепи, ток определяется сопротивлением электротехнического 8 элемента. Только линия 7 связи, длина которой 5-50 метров, становится большим электрическим контуром для наведения в нем продольной помехи переменным магнитным полем. Наведенный ток помехи складывается со значением истинного тока, наведенным тестовой электродвижущей силой, тем самым формируя в короткозамкнутой цепи какой-то общий ток. Признаки, которые обеспечивают встречное включение обмоток 10, 11 магнитопровода 1 характеризует магнитопровод как режекторный дроссель, в котором обмотки не являются индуктивными сопротивлениями по отношению к значению истинного тока. В итоге, значение истинного тока практически не ослабляется. Зато обмотки встречновключенные для возбуждения и обратной связи магнитопровода 1 для помехи оказывают сильное индуктивные сопротивления, на которых ослабляются помехи. Признаки, которые обеспечивают оппозитное расположение обмоток 10, 11 на магнитопроводе 1 приводят к значительному повышению индуктивности рассеяния. Большая индуктивность рассеяния для продольной помехи обоих обмоток представляет индуктивные сопротивления, на которых помеха преобразуется в электромагнитные поля и взаимокомпенсируются на оппозитно расположенных на магнитопроводе 1 обмотках. Это соответствует вычитанию на участке наведения тестовой электродвижущей силы из общего тока ток наводимой помехи, т.е., измерению значения истинного тока. Значение истинного тока, которое характеризует состояние и сопротивление элемента 8 электротехнического устройства, на магнитопроводе 1 сопоставляется со значением эталонного тока. Магнитопровод 1 находится в ненасыщенном состоянии, когда значение истинного тока не превышает значение эталонного Сигнал автогенератора 2 отфильтровывает высокочастотный фильтр 4 нижних частот и передаёт на вход триггера 5 Шмитта низкий аналоговый сигнал. Для преобразования пологого аналогового выходного сигнала фильтра 4 нижних частот в цифровой сигнал с крутым фронтом, согласующийся с TTL или КМОП структурой внешних устройств системы управления изделием ракетно-космической технике предназначен Триггер 5 Шмитта. Когда значение истинного тока превышает значение эталонного тока магнитопровод 1 входит в насыщение, колебания автогенератора 2 срываются, фильтр 4 нижних частот формирует высокий аналоговый уровень, который триггер 5 Шмитта перебрасывает в другое положение. Гистерезис триггера Шмитта, если короткозамыкатель выполнен в виде контактов реле, также устраняет эффект дребезга контактов.

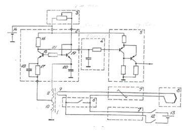
2.6 Электрическая принципиальная схема устройства


На рис.6 изображена электрическая схема устройства, в котором в качестве электротехнического элемента использован электрический мостик пиротехнического средства. Схема датчика тока изображена на рис.6.

Данное устройство обладает следующими особенностями. К автогенератору (2) подключены: магнитопровод (1), обмотка возбуждения (10), обмотка обратной связи (11). В свою очередь автогенератор (2) подключен к потенциометру, который является формирователем эталонного тока (3); Через фильтр нижних частот (4), состоящего из резистора и конденсатора, к входу триггера Шмитта (5) подключен сигнальный вывод автогенератора; Триггер Шмитта содержит в себе два транзистора и три резистора, с помощью которых задаются его режимы работы. Обмотка наведения тестовой ЭДС (9) содержит два вывода, первый из которых подключен к выводу мостика пиротехнического устройства (8) через линию связи (7), а второй через короткозамыкатель (6) к первому. Бортовой источник питания (13) через линию связи (7) и управляющие контакты (12) подключена параллельно короткозамыкателю (6), транзистор (15) подключен эмиттером к эмиттеру транзистора (19) через обмотку обратной связи (13) и параллельно подключенные резистор (17) и конденсатор (18), а коллектором к резистору (16), транзистор (19) имеет диодное включение. К эмиттеру транзистора (19) подключен времязадающий конденсатор (20); Для снижения влияния внешних помех линия связи (7) выполнена из витой пары.

Рис.6. Электрическая схема устройства

Далее опишем работу нашего устройства. Контакты короткозамыкателя (6) и управляющего ключа (12) в начальном положении должны быть разомкнуты. Автогенератор (2) переходит в возбужденное состояние после подачи электрического тока на от источника питания (14). В свою очередь, потенциометром (3) выставляется величина тока подмагничивания. Емкость конденсатора (20), а также индуктивность обмоток магнитопровода являются параметрами влияющими на частоту автогенератора (2), называемые времязадающими. Электрический ток через формирователь эталонного тока (3) постепенно заряжает конденсатор (20), который также заряжается и при перемагничивании магнитопровода (1) через обмотки (10) и (11). Транзистор (15) открывается в момент достаточной величины разности потенциалов между средней точкой обмоток и конденсатором (20), вследствие чего электрический ток осуществляет подмагничивание магнитопровода (1) и заряд конденсатора (20). Определяющий величину тока подмагничивания в обмотках магнитопровода (1) является ток базовой цепи транзистора (15). Величина тока подмагничивания магнитопровода (1) имеет принципиальное значение для сравнения истинного и эталонного токов - чем она больше, тем меньше значение эталонного тока, так как для конкретного магнитопровода величина тока насыщения равная сумме значений тока подмагничивания и эталонного тока является константой. Разность потенциалов между обмотками (10) и (11) и конденсатором (20) уменьшается вследствие намагничивания магнитопровода (1), что в конечном итоге приводит к закрытию транзистора (15), после чего конденсатор (20) начинает разряжаться через обмотки (10) и (11). Перемагничивание магнитопровода (1) приводит к отрицательным значениям напряжения на конденсаторе (20) и в средней точке обмоток. После этого вновь начинается процесс зарядки конденсатора (20). Резистор (21) ограничивает базовый ток транзистора (15). В результате колебаний автогенератора (2), находящегося в возбужденном состоянии, наводится тестовая ЭДС. Величина тестовой ЭДС колеблется от 10 до 150 мВ. Так как наше устройство работает в температурных условиях от - 50С до + 100С, то в нем предусмотрены средства температурной стабилизации, а именно:

использование отрицательной обратной связи по току через резистор (17);

применение согласованной пары транзисторов (15) и (19) размещенных на одном кристалле микросхемы.

Высокочастотный сигнал с коллектора транзистора (15) поступает на вход фильтра нижних частот (4), который в свою очередь подает на вход триггера Шмитта (5) аналоговый сигнал низкого уровня, в следствие чего триггер Шмитта (5) на выходе имеет низкий логический сигнал. Наведенная тестовая ЭДС прикладывается на участке между линией связи (7) с мостиком ПУ (8) и короткозамыкателем (6), при замыкании которого образуется общий контур с общим электрическим током. Наведенная внешняя помеха компенсируется на обмотках (10) и (11), так как происходит вычитание тока помехи из общего тока, при этом операция вычитания тока помехи из общего тока контура определяет значение истинного тока, что собственно и соответствует измерению истинного тока, который трансформируется в обмотку возбуждения (10) магнитопровода (1). Трансформированный истинный ток складывается в обмотке возбуждения с током подмагничивания. Транзистор (15) закрывается при превышении трансформированного истинного тока эталонного тока, так как магнитопровод (1), в котором индуктивность обмотки обратной связи резко уменьшается, в свою очередь переходит в состояние насыщения. Вследствие закрытия транзистора (15) с сигнального выхода автогенератора (2) поступает аналоговый сигнал высокого уровня, который через фильтр нижних частот поступает на вход триггера Шмитта (5), в результате чего он изменяет свое состояние на логическую единицу, являющуюся признаком исправности электрического мостика пиротехнического устройства. Если при замыкании короткозамыкателя (6) значение истинного тока в контролируемом контуре будет равно нулю, то целостность мостика пиротехнического устройство нарушена, что означает что пиротехнического устройство неисправно.

Далее рассмотрим пример управления пиротехническим устройством, иллюстрирующий вариант наведения тестовой ЭДС в любом месте линии связи (7). Также покажем, что кроме вышеописанного назначения наше устройство выполняет функции контроля пережигания электрического мостика ПУ. Ключи управления (12) замыкаются, короткозамыкатель (6) остается в разомкнутым. Таким образом, через нулевое сопротивление бортового источника питания (13) образуется электрическая цепь, в которой наводится тестовая ЭДС, в месте образования которой измеряется значение истинного тока, которое превысит значение эталонного тока при их сравнении, вследствие чего колебания автогенератора (2) будут сорваны. Это является показателем целостности мостика. Время срыва автоколебаний составляет от 2 до 5 мс, оно определяется временем пережигания электрического мостика. Цепь управления пиротехническим устройством обрывается после пережигания мостика, вследствие чего значение истинного тока становится равным нулю, магнитопровод (1) переходит в ненасыщенное состояние, а колебания автогенератора восстанавливаются. Далее размыкаются ключи управления (12). Постоянный ток управления пиротехническим устройством, протекающий через обмотку наведения тестовой ЭДС (9) из-за включения обмоток (10) и (11) в виде режекторного дросселя, не влияет на величину эталонного значения тока, и тем более не вводит магнитопровод (1) в насыщенное состояние.

Глава 3. Конструктивное исполнение печатных плат, реализующих методику диагностики пироустройств на исправность


Для проектирования печатных плат была применена система PCad. Pcsd это мощная система, которая позволяет автоматизировать проектирование плат радиоэлектронных устройств. Эта программа позволяет полностью выполнять проектирование и разработку печатных плат. Т.е. не требуется дополнительных программных средств для проектирования и разработки печатных плат. Элементы добавляются интерактивно. В программе можно сделать авто трассировку проводников. И ещё несколько не мало важных моментов: PCad умеет искать ошибки, готовить документацию, проверять сигналы на целостность, анализировать перекрестные искажения. Программой может пользоваться широкий круг пользователей. Мощная справочная служба и удобный интерфейс делают программу доступной даже для новичков.

В системе PCad можно есть возможность выполнять следующие действия:

. Общение инженеров между собой, работающих в области разработки печатных плат.

. Обмениваться большим накопленным опытом сотрудникам в области систем автоматизированного проектирования, вне зависимости от места нахождения.

. Оказывать помощь и поддержку специалистам, которые работают с системой автоматизированного проектирования.

. Создавать, редактировать и делиться библиотеками радиоэлектронных компонентов.

. Обмениваться опытом по применению системы на предприятиях, на которых установлено технологическое оборудование по производству печатных плат.

. Позволяет общаться разработчикам с производителями, а производителям с заказчиками. Эта возможность очень помогает всем, кто профессионально занимается проектированием, производством и применением печатных плат.

Рис.7. Один слой печатной платы.

Рис.8. Один слой печатной платы.

Рис.9. Один слой печатной платы.

Рис.10. Один слой печатной платы.

В состав PCad входят два модуля:

модуль: редактор электрических схем Schematic;

модуль: редактор печатных плат PCB.

Схемы могут состоять из листов, максимальное количество которых может быть 999. Платы могут быть размером до 60 дюймов по длине ы ширине, а максимальное количество слоёв может быть 999.

Система PCad позволяет в интерактивном режиме разводить дифференциальные пары. Это значительно помогает снизить электромагнитные помехи. На рис.11 представлен вид пользовательского интерфейса. Так же в PCad можно сделать по заданным параметрам мультимаршрутную трассировку и ортогональное перетаскивание объектов.

Рис.11. Пользовательский интерфейс системы PCad.

имеет ещё вспомогательные подпрограммы, помимо основных подпрограмм.

Перечень вспомогательных подпрограмм PCad:

.        Менеджер библиотек - Library Executive;

2.      Редактор для символов элементов - Symbol Editor;

3.      Редактор посадочных мест, корпусов элементов - Pattern Editor; и другие.

Около 30 тысяч элементов хранятся в библиотеке PCad. Все элементы сертифицированы по международному стандарту ISO 9001. Форматы Gerber и ODB++ поддерживаются полностью.

Выводы: с точки зрения электро-магнитной совместимости плата была разбита на 6 слоёв: 2 слоя питания, 2 слоя управления, 2 слоя диагностические (датчики).

Заключение


Технология контроля пиротехнических средств, представленная в настоящей работе, никогда до этого не применялась. Наиболее важные и значимые изменения этой технологии касаются повышению безопасности и надёжности проверки пиропатронов на исправность. Необходимость реализации этих изменений обусловлена тем, что работы связанные с проверкой пиротехнических устройств являются особо опасными. Это связано с тем, что вероятные аварии приводят к огромным потерям, в том числе людским. Аварии подобного рода наносят большой ущерб экологии и приводят к большим материальным затратам на ликвидацию последствий от этих аварий.

Теперь подробнее об изменениях. Наиболее важное, это питание цепи, в которой происходит проверка пиротехнических болтов осуществляется током переменного типа. Это значительно помогает снизить нагрузку, которую создаёт электрический ток на мостики пиротехнических устройств.

Создание новой ракеты-носителя является очень актуальным вопросам для всех космических держав в мире. Ракетно-космическая корпорация " Энергия ” подошла к этому вопросу с огромной ответственностью, очень основательно и серьёзно. Очень значимым новым внедрением является система, которая автономно управляет двигателем. Эта система даёт возможность управлять двигателем ракеты отдельно. Такая система может произвести запуск, совершить остановку, а так же осуществить защиту ракеты-носителя во время аварийной ситуации. Необходимо пояснить, для чего было так подробно представлена автономная система управления двигателем ракеты-носителя. Дело всё в том, что бесфидерная технология испытаний пиротехнических болтов на исправность была создана в рамках этой системы. В итоге работы, которые относятся к подготовке к запуску ракеты-носителя, стали проводится значительно безопаснее, надёжнее и эффективнее.

Вторым очень важным и значимым разделом данной работы стал раздел о блокинг-генераторе. Ключевым конкурентным преимуществом блокинг-генератора является простота его исполнения. К тому же позволяется подключать нагрузку через трансформатор. Есть несколько преимуществ, которые есть у блокинг-генераторов, благодаря которым они стали так сильно пользоваться спросом в ракетно-космической отрасли. Во-первых, это высокая скважность, которая показывает отношение частоты импульсов к длительности. Во-вторых, это срез, форма которого очень похожа на прямоугольник. А также импульсы блокинг-генератора имеют крайне маленькую длительность.

Список литературы


1. Балакин С.В. Способ испытаний на исправность электротехнических элементов и устройство для его осуществления. Патент РФ №2195004, Кл. G 04 R 31/2, 27/18. Бюл. №35, 20.12.02.

. Александровская Л.А., Афанасьев А.П., Лосев А.А. Современные методы обеспечения безотказности сложных технических систем, М.: Логос, 2001.

. Глебов Б.А., Блокинг-генераторы на транзисторах, М.: Энергия, 1972, С.104-110.

. Кобелев В.Н., Милованов А.Г., Ракетно-космическая техника. Т.1. Средства выведения космических аппаратов. М.: Рестарт, 2009, С.520-530.

. Уваров А.С., Автотрассировщики печатных плат. М.: ДМК пресс, 2006, С.21-33.

. Сабунин А.Е., Altium Designer. Новые решения в проектировании электронных устройств. М.: Солон-Пресс, 2009.

. Потапов Ю.В., Protel DXP. Инструменты разработчика. М.: Горячая Линия - Телеком, 2006.

. Лопаткин А.В., P-CAD. СПб.: БХВ-Петербург, 2004.

. Уваров А.С., P-CAD. Проектирование и конструирование электронных устройств. М.: Горячая Линия - Телеком, 2004.

. Стешенко В.Б., P-CAD. Технология проектирования печатных плат. СПб.: БХВ-Петербург, 2003.

. Евдокименко В.Н., Динеев В.Г., Карп К.А., Инженерные методы вероятностного анализа авиационных и космических систем. М.: ФИЗМАТЛИТ, 2010.

. Фаворский В.В., Мещеряков И.В. Космонавтика и ракетно-космическая промышленность. М.: Машиностроение, 2003.

. Черток Б., Космонавтика XXI века. Попытка прогноза развития до 2101 года. М.: РТСофт, 2010.

. Иванов Н.М., Лысенко Л.Н. Баллистика и навигация космических аппаратов. М.: Дрофа, 2004.

. Ковалев В.Л., Гузенко А.П., Баранов Л.Т., Прохорович В.Е., Справочник по эксплуатации космических средств. СПб.: ВКА им. А.Ф. Можайского, 2006.

. Александров В.А., Владимиров В.В., Дмитриев Р.Д., Осипов С.О., Ракеты-носители. М.: Воениздат, 1981

. Никитина В.А., Основы эксплуатации космических средств. СПб.: ВИКУ им. А.Ф. Можайского, 2000.

. Грабин Б.В., Давыдов О.И., Жихарев В.И., Основы конструирования ракет-носителей космических аппаратов. М.: Машиностроение, 1991.

. Авдуевский В.С., Надежность и эффективность в технике. М.: Машиностроение, 1986.

. Меньшиков, В.А., Рудаков, В.Б., Сычев, В.Н. Контроль качества космических аппаратов при отработке и производстве. М.: Машиностроение, 2009.

. Дворкин В.З., Волков Е.Б., Прокудин А.И., Технические основы эффективности ракетных. М.: Машиностроение, 1989.

. Авдуевский, В.С., Успенский Г.Р. Космическая индустрия. М.: Машиностроение, 1989.

. Макаров Ю.Н., Актуальные проблемы неразрушающего контроля качества космической техники. СПб.: Альтеор, 2008.

. Алифанов О.М., Андреев А.Н., Гущин В.Н., Баллистические ракеты и ракеты-носители. М.: Дрофа, 2004.

. Бирюков Г.П., Гранкин Б.К., Козлов В.В., Соловьев В.Н. Основы проектирования ракетно-космических комплексов. Методология обоснования облика комплексов. СПб.: АЛФАВИТ, 2002.

. Качур П.И., Глушко А.В., Конструктор ракетных двигателей и космических систем. СПб.: Политехника, 2008.

. Кожухов, Н.С., Соловьев, В.Н. Комплексы наземного оборудования ракетной техники. М.: 1998.

. Павутницкий Ю.В., Мазарченков В.А. Отечественные ракеты-носители. СПб.: Изд. Центр СПбГМТУ, 1996.

Похожие работы на - Испытания пиротехнических средств ракетно-космической техники на исправность

 

Не нашли материал для своей работы?
Поможем написать уникальную работу
Без плагиата!
Без нейросетей!